ИНФОСАЙТ.ру
Госты, стандарты, нормативы. В библиотеке 60000 документов. Регулярное обновление. Круглосуточный бесплатный доступ!
БИБЛИОТЕКА ГОСТОВ, СТАНДАРТОВ И НОРМАТИВОВ

:: АЛГОТРЕЙДИНГ ::


АЛГОТРЕЙДИНГ
шаг за шагом


БЕСПЛАТНЫЕ УРОКИ по созданию торговых роботов на PYTHON с нуля, шаг за шагом.


Минимальные знания на PYTHON.
Библиотеки BackTrader и Pandas, сигналы с Pine Script из TradingView.
Связка с брокерами, телеграм.
Создание простых интерфейсов.

 

Все документы, представленные в каталоге, не являются их официальным изданием и предназначены исключительно для ознакомительных целей. Электронные копии этих документов могут распространяться без всяких ограничений. Вы можете размещать информацию с этого сайта на любом другом сайте.


МИНИСТЕРСТВО ЭНЕРГЕТИКИ И ЭЛЕКТРИФИКАЦИИ СССР

Главное техническое управление по строительству
и строительной индустрии

Всесоюзный институт по проектированию организации
энергетического строительства

«ОРГЭНЕРГОСТРОЙ»

Одесский филиал

Утверждена решением Главного

технического управления по

строительству и стройиндустрии

№ 86 от 16.03.87 г.

ТЕХНОЛОГИЧЕСКАЯ КАРТА
МОНТАЖА ВЫКЛЮЧАТЕЛЕЙ ВВДМ-330Б-50/3150,
ВВБ-500А-35,5/2000, ВВБ-750-40/3150

Москва 1988

Технологическая карта монтажа выключателей ВВДМ-330Б-50/3150, ВВБ-500А-35,5/2000, ВВБ-750-40/3150 разработана отделом электромонтажных работ Одесского филиала института «Оргэнергострой».

Разработчики: инженеры В.И. Гриценко и Т.А. Гумерингер при участии инженеров А.Г. Клименко и С.К. Юрковецкого.

СОДЕРЖАНИЕ

1. Введение. 1

2. Область применения. 4

3. Технико-экономические показатели монтажа. 4

4. Основные указания по монтажу. 5

5. Техника безопасности. 20

6. Пооперационный контроль качества монтажа. 21

7. Материально-технические ресурсы.. 22

8. Графики монтажа. 24

9. Калькуляции трудовых затрат. 40

Приложение 1 Перечень технической документации, используемой при монтаже выключателей. 47

Приложение 2 Перечень приемо-сдаточной документации. 48

Приложение 3 Основные технические данные выключателей. 48

Приложение 4 Масса узлов выключателей. 48

Приложение 5 Масса и габариты упаковочных мест выключателей. 49

1. ВВЕДЕНИЕ

Технологическая карта монтажа воздушных выключателей типа ВВДМ-330Б, ВВБ-500А и ВВБ-750 содержит указания по организации и технологии монтажа выключателей, перечень механизмов, инструментов и приспособлений, сведения о затратах материалов, калькуляции трудовых затрат, графики производства работ.

Выключатели предназначены для выполнения коммутационных операций (включений и отключений) при заданных условиях в нормальных и аварийных режимах в сетях трехфазного переменного тока напряжением 330, 500 и 750 кВ.

Выключатели состоят из трех полюсов, распределительного шкафа и шкафа клеммных сборок.

Полюс выключателя типа ВВДМ-330Б (рис. 1) состоит из двух элементов, ВВБ-500А (рис. 2) - из трех, ВВБ-750 (рис. 3) - из четырех.

Элемент полюса выключателей ВВДМ-330Б и ВВБ-500А состоит из двух металлических дугогасительных камер, разделенных промежуточным опорным изолятором, и установленных на колонне из полых фарфоровых изоляторов, имеющей в основании шкаф управления.

Внутри опорной колонны и промежуточного изолятора проходят два изоляционных воздухопровода.

Элемент полюса выключателя ВВБ-750 состоит из двух металлических дугогасительных камер, с промежуточным изолятором между ними, которые установлены на изоляционной треноге. Тренога состоит из 18 стержневых изоляторов и установлена на треугольной раме. Рядом с треногой расположена полая фарфоровая колонна, внутри которой проходит стеклопластиковьй воздухопровод, для постоянной подачи сжатого воздуха в дугогасительные камеры.

Полюс выключателя ВВДМ-330Б

1 - опорные конструкции; 2 - цоколь (шкаф управления); 3 - опорный изолятор; 4 - нижняя дугогасительная камера; 5 - промежуточный опорный изолятор; 6 - верхняя дугогасительная камера; 7 - перемычка; 8 - ошиновка; 9 - конденсатор.

Рис. 1

Полюс выключателя ВВБ-500А

1 - опорные конструкции; 2 - цоколь (шкаф управления); 3 - опорный изолятор; 4 - нижняя дугогасительная камера; 5 - промежуточный опорный изолятор; 6 - верхняя дугогасительная камера; 7 - перемычка; 8 - ошиновка; 9 - конденсатор.

Рис. 2

Полюс воздушного выключателя типа ВВБ-750

1 - опорная конструкция; 2 - шкаф управления; 3 - изолятор опорной треноги; 4 - колонна управления; 5 - клапан управления нижней камерой; 6 - нижняя дугогасительная камера; 7 - экран; 8 - клапан управления верхней камерой; 9 - верхняя дугогасительная камера; 10 - промежуточный изолятор; 11 - рама.

Рис. 3

Внутри воздухопровода расположена изоляционная тяга, при помощи которой передается команда на срабатывание камер с потенциала земли на высокий потенциал. К колонне управления крепится шкаф управления элементом полюса.

2. ОБЛАСТЬ ПРИМЕНЕНИЯ

Технологическая карта предназначена для использования при монтаже выключателей типа ВВБ, ВВДМ на открытых распределительных устройствах (ОРУ) 330, 500 и 750 кВ и составления проектов организации и производства электромонтажных работ.

В карте принято, что работы, связанные с монтажом выключателей, производятся непосредственно на монтажной площадке у места их установки. Заготовку воздухопроводов из медных труб необходимо производить в монтажно-заготовительной мастерской.

Указания по выполнению монтажных работ даны для одного полюса выключателей, остальные монтируются аналогично. Калькуляция трудовых затрат и графики монтажа приведены для трех полюсов.

Трудозатраты на наладочные работы графиками монтажа и калькуляцией не учтены.

3. ТЕХНИКО-ЭКОНОМИЧЕСКИЕ ПОКАЗАТЕЛИ МОНТАЖА

(1 группа - 3 полюса)

Наименование

Количество

ВВДМ-330Б

ЗВБ-500А

ВВБ-750

1. Трудоемкость, чел.-день

142

209

279

2. Продолжительность монтажа, рабочий день

23

31

40

3. Среднее количество рабочих, чел.

6

7

7

4. Количество машино-смен:

 

 

 

автокран К-162

13

20

24

автокран КС-2561Д

5

7

9

подъемник АГП-22

17

23

29

5. Максимальная потребляемая мощность, кВА

32

32

32

4. ОСНОВНЫЕ УКАЗАНИЯ ПО МОНТАЖУ

4.1. Общие указания

4.1.1. К началу монтажных работ на территории ОРУ должны быть выполнены:

автодороги к месту установки выключателей;

фундаменты и опорные конструкции под выключатели, планировка прилегающей к ним территории;

площадка с твердым покрытием или настил для установки опорных изоляторов и модулей перед монтажом;

каналы для кабелей и воздухопроводов;

компрессорная установка, обеспечивающая сжатым воздухом с номинальным давлением 4,0 МПа (40 кгс/см2) для выключателя ВВДМ-330Б, 2,0 МПа (20 кгс/см2) - для выключателя ВВБ-500А и 2,6 МПа (26 кгс/см2) - для выключателя ВВБ-750;

блок очистки сжатого воздуха, обеспечивающий требуемую влажность сжатого воздуха, который должен иметь температуру точки росы не выше минус 40 °С при положительной температуре окружающего воздуха и не выше минус 50 °С при отрицательной температуре;

воздухопровод между компрессорной установкой и распределительным шкафом;

силовая сеть 380/220 В;

грозозащита ОРУ и заземляющее устройство.

4.1.2. Узлы и детали выключателя, кроме рам и шкафов управления, поступают на монтажную площадку в ящиках. Во избежание поломок ящиков при подъеме краном необходимо, чтобы стропы образовывали с горизонтальной плоскостью крышки ящика угол не менее 45°.

4.1.3. Хранить отдельные части выключателя до монтажа необходимо в неповрежденной заводской таре под навесом, защищающем их от дождя, снега и т.п. Если под навесом нет пола, ящики следует установить на доски или брусья. Хранить ЗИП, изоляционные трубы и тяги в закрытом помещении по группе 2 условий хранения, ГОСТ 15150-69.

Доставлять сборочные единицы выключателя в таре на место установки, распаковывать перед монтажом. При расконсервации удалить смазку ветошью (салфетками), смоченной бензином Б-70 или бензином-растворителем (уайт-спиритом).

4.1.4. Убедиться в исправности заводской упаковки. При повреждении следует произвести ревизию узла и, в случае необходимости, испытание в соответствии с требованиями заводской инструкции.

Ревизию узлов выключателей необходимо производить в закрытом помещении, исключающем попадание пыли и грязи во внутренние полости узлов.

4.1.5. После снятия транспортных заглушек, до окончательного завершения монтажа выключателей, необходимо исключить возможность загрязнения внутренних полостей его узлов и увлажнения изоляционных труб и тяг. Открытые полости должны быть закрыты двумя слоями полиэтиленовой пленки.

4.1.6. При сборке выключателя необходимо строго придерживаться заводской маркировки узлов и деталей выключателя: первое число маркировки обозначает номер выключателя, второе - номер полюса, третье - номер элемента.

4.1.7. Затягивать гайки, крепящие фарфоровые покрышки, следует равномерно, контролируя высоту между стяжным кольцом и плитой. При окончательной затяжке необходимо пользоваться предельным ключом на 20 Н. м (2 кгс. м), поворачивая гайки за одну операцию не более чем на 1/4 оборота.

4.1.8. При монтаже выключателей следует руководствоваться проектной, заводской и общетехнической документацией (приложение 1).

4.1.9. К работе с выключателем допускаются электромонтажники, прошедшие соответствующий инструктаж и подробно ознакомленные с устройством выключателей, и заводской инструкцией по монтажу под техническим руководством шефперсонала завода-изготовителя.

4.2. Подготовительные работы

4.2.1. Приемка от строителей опорных конструкций под выключатели. Проверка горизонтальных и вертикальных осей и отметок. Отклонение отметки верха стойки не должно превышать ±15 мм, отклонение от вертикали - 1:100 ее высоты.

Приемка оформляется актом, подписанным представителями заказчика, строительной и монтажной организаций.

4.2.2. Ознакомление электромонтажников с технической документацией, объемом работ и принятой технологией.

Уточнение рабочего графика производства работ в соответствии с технологической картой и конкретными условиями монтажа.

4.2.3. Изготовление деревянного настила и подготовка площадки к выполнению монтажных работ.

4.2.4. Доставка на площадку основного оборудования, монтажных механизмов, инвентарных устройств и размещение их в соответствии со схемой (рис. 4, 5, 6).

4.2.5. Распаковывание ящиков с оборудованием с соблюдением мер предосторожности, для исключения повреждения фарфора и других сборочных единиц. Проверка комплектности в соответствии с заводской ведомостью комплектации. По результатам осмотра упаковки и узлов выключателей составляется акт.

4.2.6. Инструктаж бригады по технике безопасности на рабочих местах ответственным руководителем работ (мастером, прорабом).

4.2.7. Установка на рабочих местах предупредительных плакатов в соответствии с правилами техники безопасности.

4.2.8. Испытание повышенным напряжением изоляционных труб и тяг перед их установкой согласно инструкции завода-изготовителя.

4.3. Монтаж распределительного шкафа и шкафа клеммных сборок

4.3.1. Осмотреть внутренние полости распределительного шкафа. Разобрать и очистить фильтр, протереть внутри корпус, патрон фильтра, продуть сетку сжатым воздухом, промыть войлок бензином Б-70 и просушить, собрать фильтр.

4.3.2. Снять электроконтактные манометры, проверить в лаборатории, удалить остатки масла, промыть и снова установить.

4.3.3. Застрочить шкаф стропом УСК-1-1,6/3000, установить на опорную конструкцию, выверить, закрепить и заземлить.

4.3.4. Продуть магистральный воздухопровод. Проверить качество поступающего воздуха: обернуть белой плотной тканью конец трубы, подводящей сжатый воздух к распределительному шкафу. Следы грязи, масла, пыли, ржавчины на ткани недопустимы.

План размещения оборудования и монтажных механизмов при монтаже выключателя ВВДМ-330Б

1 - площадка для разгрузки и укрупнительной сборки оборудования; 2 - дугогасительная камера; 3 - конденсаторы в упаковке; 4 - изоляторы в упаковке; 5 - стол монтажный; 6 - опорные конструкции; 7 - шкаф распределительный; 8 - шкаф клеммных сборок; 9 - автокран К-162; 10 - автогидроподъемник АГП-22; 11 - шкаф управления.

+ I, II, III, IV - положение автокрана К-162.

Рис. 4

План размещения оборудования и монтажных механизмов при монтаже выключателя ВВБ-500А

1 - площадка для разгрузки и укрупнительной сборки оборудования; 2 - дугогасительная камера; 3 - конденсаторы в упаковке; 4 - изоляторы в упаковке; 5 - стол монтажный; 6 - опорные конструкции; 7 - шкаф управления; 8 - шкаф распределительный; 9 - шкаф клеммных сборок; 10 - автокран К-162; 11 - автогидроподъемник АГП-22.

+ I, II, III, IV - положение автокрана К-162.

Рис. 5

План размещения оборудования и монтажных механизмов при монтаже выключателя ВВБ-750

1 - площадка для разгрузки и укрупнительной сборки оборудования; 2 - дугогасительная камера; 3 - конденсаторы в упаковке; 4 - изоляторы в упаковке; 5 - стол монтажный; 6 - рамы; 7 - опорные конструкции; 8 - шкаф распределительный; 9 - шкаф клеммных сборок; 10 - автокран К-162; 11 - автогидроподъемник АГП-22; 12 - шкаф управления.

+ I, II, III, IV - положение автокрана К-162.

Рис. 6

4.3.5. Подсоединить шкаф к магистральному воздухопроводу.

4.3.6. Установить на опорные конструкции шкаф клеммных сборок, выполнить заземление шкафа.

4.4. Монтаж воздухопроводов распределительной сети выключателя

4.4.1. Разметить места установки опорных конструкций под медные воздухопроводы, установить и приварить их.

4.4.2. Проложить заготовленные в монтажно-заготовительной мастерской элементы воздухопроводов по опорным конструкциям, сварить трубы, очистить швы от окалины (в качестве припоя рекомендуется ЛОК 59-1-0,3, ГОСТ 16130-72).

4.4.3. Промыть воздухопроводы бензином Б-70.

4.4.4. Продуть смонтированные воздухопроводы сухим сжатым воздухом.

4.4.5. Присоединить воздухопроводы к распределительному шкафу.

4.4.6. Проверить чистоту поступающего воздуха в соответствии с п. 4.3.4. и заглушить трубы до окончания монтажа собственно выключателя.

4.4.7. Перед первым наполнением резервуаров выключателя сжатым воздухом воздухопроводы на участках от магистрали до распределительного шкафа и от распределительного шкафа до шкафов управления необходимо продуть сжатым воздухом в атмосферу.

4.5. Монтаж шкафа управления и опорной колонны выключателей ВВДМ-330Б и ВВБ-500А

4.5.1. Проверить состояние коммутирующих контактов вспомогательных цепей, клемм и электромагнитов шкафа управления. Произвести ревизию клапанов управления, пусковых клапанов. Проверить расстояние между бойками электромагнитов и пусковыми клапанами.

Установить на фундаменте шкаф управления (строп УСК1-1,6/3000) проверить по уровню. Если необходимо, отрегулировать стальными прокладками.

4.5.2. Протереть наружные и внутренние поверхности опорных изоляторов бензином, а стеклопластиковые трубы - этиловым техническим спиртом.

4.5.3. Собрать опорную колонну изоляторов (рис. 7) методом подращивания (строп 2СК-1,6/Рт1-1,6/К1-1,25/1400), начиная с верхнего фланца, и последовательно подсоединять изоляторы опорной колонки, начиная с верхнего.

Соединять изоляторы с помощью полуколец и нажимных колец, предварительно укладывать под полукольца резиновые прокладки.

Соприкосновение изоляторов с металлом недопустимо. Закрыть места соединения изоляторов кожухами.

4.5.4. Установить собранную опорную колонку на верхнюю плоскость шкафа управления и сочленить их.

4.5.5. Обеспечить параллельность верхнего фланца опорной колонны горизонтальной плоскости, если необходимо, установить под основание шкафа управления прокладки. Допустимое отклонение от горизонтали - не более 30¢.

4.5.6. Завести, установить и закрепить в изоляторы центральной колонны воздухопроводы. В местах соединения поставить уплотнительные шайбы.

Размер медных труб, соединяющих стеклопластиковые воздухопроводы с фланцем опорной колонны, уточнить по месту при сборке. Кольца паять к трубам латунью Л63, предварительно надеть на них фланцы таким образом, чтобы фаска центрального отверстия была обращена в сторону кольца. Покрасить трубы после припайки колец (кроме внутренней поверхности) дважды эмалью ПФ-115.

Шпильки, крепящие медные трубы к фланцу, и гайки должны быть завинчены до упора; при закреплении труб шпильки не должны отвинчиваться.

Укрупнительная сборка и установка опорных изоляторов на шкаф управления выключателей ВВДМ-330Б и ВВБ-500А

А, Б, В, Г - последовательность сборки выключателя ВВДМ -330Б;

А, Б, В, Д, Е - последовательность сборки выключателя ВВБ-500А;

1 - фланец; 2, 3 - изолятор; 4 - деревянный настил; 5 - опора; 6 - шкаф управления; 7 - строп 2СК-1,6/Рт1-1,6/К1-1,2,/1400.

Рис. 7

4.5.7. Проверить герметичность воздухопроводов опорных колонн согласно заводской инструкции.

4.6. Установка рамы элемента полюса выключателя ВВБ-750

4.6.1. Установить на землю между фундаментными стойками шкаф управления (строп 1СК-1,0/0-1,0/1100).

4.6.2. Установить подшипники на раму элемента полюса выключателя и прикрепить их болтами, а патрубок колонны управления - на кронштейн рамы.

4.6.3. Поднять и установить раму на опорные конструкции (строп ЗСК-2,5/Ров-2,5/К1-1,25/1300). Выровнять раму с помощью прокладок по уровню и закрепить ее анкерными болтами.

4.7. Монтаж опорных изоляторов треноги выключателя ВВБ-750

4.7.1. Выставить все 18 изоляторов в ряд на ровном гладком месте (дощатый настил) и скомплектовать из них 6 секций, по 3 изолятора близких по «росту» для окончательного выравнивания с помощью приспособления, показанного на рис. 8.

Разницу высот изоляторов скомпенсировать пластинами, поставляемыми заводом (количество пластин должно быть минимальным).

Для этого необходимо:

установить на основание приспособления три изолятора опорной треноги;

опустить талрепами линейку на верхние фланцы изоляторов;

заполнить зазоры между линейкой и фланцами изоляторов пластинами;

закрепить проволокой пластины на фланцах;

замаркировать стороны изоляторов, которые пересекла линейка (замаркированные стороны должны лежать в плоскости осей треноги и ее ноги).

Приспособление для подбора изоляторов по высоте

1 - швеллер № 24; 2 - уголок 25´25 мм; 3 - талреп; 4 - труба; 5 - линейка; 6 - рейка; 7 - изолятор.

Рис. 8

4.7.2. Застропить и поднять патрубок опорных изоляторов треноги автокраном (строп УСК1-1,0/3000).

4.7.3. Собрать опорную треногу (рис. 9) с помощью автокрана, постепенно подращивая изоляторы к верхнему патрубку, и установить держатели с трубами пояса жесткости.

Подращивание треноги выполнять с особой осторожностью. При наведении собранной части треноги на подращиваемые изоляторы монтажники должны находиться вне контура треноги со стороны, противоположной подаче краном. При наведении собранной части треноги на подращиваемые изоляторы зазор между ними не должен превышать 30 см.

4.7.4. Поднять собранную треногу, установить на раму и прикрепить ее к подшипникам.

4.7.5. Добиться вращением регулировочных болтов горизонтального положения верхней плоскости патрубка, затем застопорить болты.

4.7.6. Проверить величину отклонения оси треноги от вертикального положения. Для этого из центра верхнего патрубка треноги опустить отвес. Нижний конец отвеса не должен отклоняться от центра рамы более чем на 130 мм.

Установить окончательно трубы поясов жесткости. Каждая труба обоими концами должна лежать в своих гнездах без перекоса (устраняется соответствующим подгибанием трубы). После установки труб не следует дополнительно подтягивать проверенные раньше болтовые соединения опорной треноги, чтобы не допустить появления неконтролируемых напряжений в фарфоре изоляторов.

Укрупнительная сборка и установка опорной треноги ВВБ-750

А, Б, В, Г, Д - последовательность сборки;

1 - патрубок; 2 - строп УСК1-1,0/3000; 3 - изолятор; 4 - рама; 5 - опорная конструкция.

Рис. 9

4.7.7. Надеть на треногу большое экранное кольцо.

4.8. Монтаж дугогасительных камер

4.8.1. Установить камеры (рис. 11, 12) на инвентарные металлические столики (рис. 10, строп УСК1-1,6/3000) и зафиксировать с помощью четырех шпилек, завинченных крест-накрест в нижнюю опорную плиту камеры. Произвести ревизию камер: открыть крышку смотрового люка, вынуть траверсы с ножами, осмотреть след от ламелей, убедиться в отсутствии набоев на ножах. Проверить затяжку гаек на ножах и крышке траверсы и наличие штифтов (торцы штифтов должны быть завальцованы). Протереть спиртом концы эпоксидных вводов, находящихся внутри камер.

4.8.2. Снять герметизирующие транспортные заглушки с мест установки указателей продувки на вводах. При нарушении какой-либо из транспортных заглушек соответствующая полость и связанные с нею должны быть тщательно осмотрены и, в случае необходимости, очищены от пыли и влаги.

4.8.3. Установить указатели продувки на вводы сразу же после снятия заглушек. Остальные транспортные заглушки на камерах и клапанах управления можно снять только непосредственно перед присоединением, чтобы в процессе монтажа указанные отверстия не оставались открытыми.

4.8.4. Протереть снаружи фарфоровые покрышки вводов салфетками, смоченными бензином.

4.8.5. Застропить, поднять и установить соответствующие конденсаторы на дугогасительную камеру (рис. 11, 12, стропы из капронового каната). Соединить конденсаторы перемычками с вводами.

Стол монтажный

1 - швеллер № 8, ГОСТ 8240-72; 2 - уголок 50´50´5 мм, ГОСТ 8509-72; 3 - труба 377´5 мм, ГОСТ 10704-76; 4, 5 - сталь 3 - 10 мм, ГОСТ 19903-74; 6, 7, 8 - сталь 3 - 5 мм, ГОСТ 19903-74.

Рис. 10

Установка конденсаторов на нижнюю дугогасительную камеру

1 - нижняя дугогасительная камера; 2 - конденсатор; 3 - стол монтажный; 4 - строп кольцевой из капронового каната, Æ 16 мм, l = 2 м.

Рис. 11

Установка конденсаторов на верхнюю дугогасительную камеру

1 - верхняя дугогасительная камера; 2 - конденсатор; 3 - стол монтажный; 4 - строп кольцевой из капронового каната, Æ 16мм, l = 2 м.

Рис. 12

4.8.6. Для эксплуатации выключателя ВВДМ-330Б при номинальном избыточном давлении сжатого воздуха 2,0 и 2,6 МПа (20 и 26 кгс/см2) перед монтажом в камерах следует заменить поршни с поршневыми кольцами диаметром 50 мм, установленные на штоках механизмов траверс, и гильзы с внутренним диаметром 50 мм (в которых эти поршни ходят) в дутьевых клапанах деталями с диаметром 80 мм.

Указанные поршни и гильзы поставляются с выключателями.

Порядок и последовательность замены указаны в инструкции.

4.8.7. Снять с промежуточного опорного изолятора транспортные заглушки. Протереть внутреннюю и наружную поверхность изолятора бензином.

4.8.8. Установить на верхней опорной плите нижней дугогасительной камеры промежуточный опорный изолятор, а на него фланец с резиновыми уплотнениями. Ниппель во фланце должен быть расположен параллельно поперечной оси камеры и направлен в сторону ее дутьевого клапана.

4.8.9. Установить верхнюю дугогасительную камеру с конденсаторами на промежуточный опорный изолятор, при этом отверстия диаметром 36 мм фланцев изолятора должны быть расположены под углом 45° к продольной оси камеры. Соединить трубами изолятор с камерой. Верхняя камера по отношению к нижней устанавливается на 90°. Выхлопная труба верхней камеры должна быть развернута так, чтобы исключить попадание струи воздуха дополнительного дутья верхней камеры полуполюса на нижнюю камеру другого полуполюса в пределах полюса.

4.8.10. Очистить от грязи, обезжирить контактные поверхности токоведущих проводов, контакты шинодержателей и смазать их тонким слоем смазки ЦИАТИМ-221.

Установить токоведущие перемычки между камерами.

4.8.11. Поднять блок камер за проушины на нижней камере (строп УСК1-3,2/10000), установить и закрепить его на фланце опорной колонны выключателей 330 и 500 кВ (рис. 13); на патрубке треноги выключателя ВВБ 750 (рис. 14).

При установке развернуть камеры относительно шкафа управления согласно чертежу полюса выключателя.

При подъеме дугогасительных камер все стропы должны быть натянуты одинаково, и проходить внутри проушин верхней камеры.

Внимание! Подъем сборочной единицы за проушины верхней камеры недопустим.

4.8.12. Аналогично собрать второй элемент полюса выключателя 330 кВ, второй и третий - выключателя 500 кВ, второй, третий и четвертый - выключателя 750 кВ.

Установить токоведущие перемычки между элементами полюса выключателей 330 и 500 кВ.

4.8.13. Проверить герметичность опорных колонн и промежуточных изоляторов выключателей 330 и 500 кВ согласно инструкции.

4.9. Сборка и монтаж колонны управления выключателя ВВБ-750

4.9.1. Установить сборочный стенд (рис. 15)

4.9.2. Протереть изоляторы салфетками, смоченными водой, просушить, затем смоченными бензином, просушить. Окончательно протереть внутренние поверхности изоляторов салфетками, смоченными спиртом. Соединяемые поверхности фланцев протереть бензином. Изоляционные трубы перед установкой протираются спиртом.

4.9.2. Собирать колонны управления рекомендуется в горизонтальном положении - с помощью инвентарного приспособления - сборочного стенда (рис. 15), используя нажимные и разъемные кольца. На уровне поясов жесткости установить разрезные кольца - между фланцами и трубой и дистанционные - между фланцами и изоляторами.

Количество дистанционных колец определяется после замера суммарной длины фарфора колонны по таблице заводской инструкции.

При сборке обеспечить соосность изоляторов. Затягивать гайки при креплении изоляторов предельным ключом с моментом не более 1,8 кгс/м, равномерно, контролируя высоту между фланцами. За одну операцию гайку затягивать не более чем на 1/4 оборота. Не допускается соприкосновение изолятора с металлом. Уплотнительные шайбы ставятся на клее № 88Н.

Схема строповки и установки на опорную колонну выключателей ВВБ-500А (ВВДМ-330Б) дугогасительных камер

1 - опорная конструкция; 2 - шкаф управления; 3 - опорная колонна; 4 - камеры дугогасительные; 5 - строп УСК1-3,2/10000; 6 - скоба монтажная.

Рис. 13

Схема строповки и установки на треногу дугогасительных камер выключателей ВВБ-750

1 - опорная конструкция; 2 - рама; 3 - тренога из изоляторов; 4 - камеры дугогасительные; 5 - строп УСК1-3,2/10000; 6 - экран; 7 - проушины для поднятия камер; 8 - скоба монтажная.

Рис. 14

Стенд сборочный

1 - опора; 2 - балка; 3 - подставка; 4 - держатель.

Рис. 15

4.9.4. Установить внутри колонны управления изоляционную трубу.

4.9.5. Протереть изоляционную тягу спиртом, присоединить к ней металлическую тягу и вставить в изоляционную трубу.

4.9.6. Установить на трубу клапан, предварительно отревизовав его. Убедиться в наличии смазки в клапане.

4.9.7. Собранную колонну закрепить в приспособлении с помощью хомутов. Застропить приспособление за штырь, освободить от опоры, поднять автокраном в вертикальное положение (рис. 16).

4.9.8. Установить колонну на раму и прикрепить болтами сначала к кронштейну верхнего патрубка треноги, затем к патрубку, установленному на раме, используя нажимные и разъемные кольца. Снять хомуты и осторожно отвести приспособление от колонны.

4.9.9. Закрепить шкаф управления на кронштейне рамы, соединить с нижним патрубком колонны. Резиновое уплотнение между шкафом и фланцем патрубка должно быть поставлено на клее № 88Н.

Схема строповки и установки колонны управления выключателя ВВБ-750

1 - опорная конструкция; 2 - рама; 3 - тренога из изоляторов; 4 - экран; 5 - камеры дугогасительные; 6 - балка стенда сборочного; 7 - держатель стенда сборочного; 8 - колонна управления; 9 - строп 1СК-1,0/0-1,0/6000; 10 - междукамерная часть колонны управления; 11 - канат капроновый, Æ 16 мм.

Рис. 16.

4.9.10. Поднять и прикрепить большое экранное кольцо к патрубку.

4.9.11. Произвести монтаж междукамерной части колонны управления в следующей последовательности;

соединить шток клапана управления с верхней изоляционной тягой;

протереть изоляционную тягу спиртом;

установить на клапан промежуточный изолятор (рис. 16) в сборе с патрубками, трубами, фланцами, втулкой, кольцами и шайбами. Стропить капроновым канатом 16 мм, надев две петли между ребрами верхней части изолятора;

соединить изоляционную тягу с поршнем клапана управления верхней камерой;

установить клапан управления верхней камерой (предварительно отревизовать его и проверить наличие смазки).

4.9.12. Отрегулировать ход поршней клапанов управления в соответствии с инструкцией.

4.9.13. Установить медные воздухопроводы, соединяющие камеры с клапанами.

4.9.14. Проверить герметичность колонны управления и промежуточного изолятора. Собрать систему вентиляции.

4.9.15. Закрыть кожухами места соединения изоляторов колонны управления и промежуточного изолятора.

4.9.16. Установить провода между поясами жесткости треноги и фланцами колонны управления.

4.9.17. Аналогично собрать колонны управления 2 - 4 элементов полюса.

4.9.18. Смонтировать токоведущие перемычки между элементами полюса.

Контактные поверхности перемычек, переходных пластин и стержней выводов очистить от грязи, обезжирить и смазать тонким слоем смазки ЦИАТИМ-221.

4.10. Заключительные работы

4.10.1. Проверить величину утечки сжатого воздуха на всех трех полюсах с отключенной вентиляцией.

4.10.2. Измерить мегаомметром на 2,5 кВ сопротивление элементов опорной изоляции по частям и изоляции вводов. Величина сопротивления должна быть не менее 10000 МОм. Сопротивление изоляции вводов измерять в отключенном положении выключателя.

4.10.3. Сдать выключатель для измерения параметров, регулировки и настройки (выполняется наладчиками).

4.10.4. Демонтировать силовой ящик. Убрать механизмы и инвентарь.

4.10.5. Присоединить выключатель к ошиновке высокого напряжения.

5. ТЕХНИКА БЕЗОПАСНОСТИ

5.1. При монтаже выключателей следует соблюдать требования техники безопасности согласно нормативным документам (приложение 1).

5.2. Перед началом работы мастер или прораб должен провести с электромонтажниками инструктаж на рабочем месте: объяснить задание, способы выполнения намечаемых работ, указать приемы пользования предохранительными приспособлениями.

5.3. Такелажное оборудование и инвентарь, используемые при монтаже, должны иметь отметки об испытаниях в соответствии с требованиями Госгортехнадзора. При монтаже необходимо обращать внимание на состояние и правильную установку подъемных средств, и одинаковое натяжение всех стропов.

5.4. При проверке на герметичность вентилируемых полостей колонны управления, промежуточного опорного изолятора, опорных изоляторов и фарфоровых покрышек вводов превышение норм избыточных давлений, указанных для проверок, недопустимо.

5.5. Перед наполнением выключателя сжатым воздухом следует убедиться, что все болты, шпильки, гайки и накидные гайки трубок завернуты до упора.

5.6. При разборке узлов, имеющих сжатые пружины, необходимо пользоваться соответствующими приспособлениями и соблюдать осторожность.

5.7. При наличии давления сжатого воздуха в выключателе на нем запрещается проводить какие-либо работы, за исключением регулировочных, выполняемых наладчиками. При утечке воздуха из-под крышек или накидных гаек, фланцев и т.п. под давлением запрещается производить затяжку крепящих их деталей.

5.8. Допускаемые работы с выключателем, находящимся под давлением сжатого воздуха, должны производиться одним лицом.

5.9. При проведении операций с выключателем весь персонал должен быть удален в укрытие.

5.10. При работах, связанных с непосредственным соприкосновением с дугогасительными камерами, присоединенными к ошиновке, их следует заземлить.

5.11. На период монтажа опасная зона должна быть ограничена радиусом 18 м от оси поворотной части крана, ограждена и обозначена хорошо видимыми сигнальными ограждениями.

6. ПООПЕРАЦИОННЫЙ КОНТРОЛЬ КАЧЕСТВА МОНТАЖА

Наименование контролируемой операции

Проверяющий

Состав контроля

Способ контроля

Сроки

1. Установка рам (ВВБ-750)

Мастер

Горизонтальность установки

Уровень

До монтажа треноги

2. Монтаж воздухопроводов

Прораб

Чистота воздуха, поступающего в распределительный шкаф

Белая плотная ткань

До подсоединения магистрального воздухопровода к распределительному шкафу

 

Мастер

Чистота воздуха, поступающего по распределительной сети выключателя

-"-

До подсоединения распределительной сети к выключателю

 

Мастер

Герметичность воздухопроводов распределительной сети выключателя

Прослушивание, промыливание мест сварки

До проверки собственно выключателя на герметичность

3. Монтаж опорной колонны (ВВДМ-330, ВВБ-500) и колонны управления (ВВБ-750)

Бригадир

Целостность изоляторов

Визуально

До сборки опорной колонны

Бригадир

Соблюдение заводской маркировки при сборке колонны управления (ВВБ-750)

-"-

При сборке опорной колонны

Бригадир

Центричность установки изоляторов

-"-

-"-

 

Мастер

Горизонтальность установки верхнего фланца опорной колонны

Уровень

До монтажа дугогасительных камер

 

Мастер

Проверка герметичности воздухопроводов опорных колонн (колонны управления)

Прослушивание, промыливание мест соединений

-"-

4. Монтаж опорной треноги (ВВБ-750)

Бригадир

Целостность изоляторов

Визуально

До сборки опорной треноги

 

 

Горизонтальность положения верхнего торца патрубка

Уровень

При сборке треноги

 

Мастер

Вертикальность оси треноги (отвес не должен отклоняться от центра рамы более чем на 130 мм)

Отвес

До установки дугогасительных камер

5. Регулировка хода поршней клапанов управления (ВВБ-750)

Шеф-инженер

Установить величину зазора Н1, равную 184 мм с помощью регулировочных прокладок, а зазор Н2 на 2 мм меньше Н1

Штангенциркуль

 

6. Проверка герметичности опорных колонн и промежуточных изоляторов

Мастер

Контроль правильности сборки и установки уплотнений

Манометр, промыливание мест уплотнений и присоединений

После окончания монтажа

7. МАТЕРИАЛЬНО-ТЕХНИЧЕСКИЕ РЕСУРСЫ

Таблица 1

7.1. Монтажные механизмы и инвентарь

Наименование

Тип, стандарт

Количество

Примечание

1. Автокран

К-162 (КС-4561)

1

Длина стрелы 18 м

2. Автокран

КС-2561Д

1

 

3. Автомашина

МАЗ-507

1

 

4. Автоприцеп двухосный

МАЗ-5243

1

 

5. Автогидроподъемник

АГП-22

1

 

6. Аппарат сварочный

ТД-500

1

 

7. Установка кислородно-ацетиленовая

 

1

 

8. Строп 3СК-2,5/Ров-2,5/К1-1,25/1300

ОСТ 34-13-110-80

1

Для монтажа опорной рамы ВВБ-750

9. Строп 2СК-1,6/Рт1-1,6/К1-1,25/1400

То же

1

Для монтажа опорной колонны ВВДМ-330Б и ВВБ-500А

10. Строп 1СК-1,0/0-1,0/1100

ОСТ34-13-110-80

1

Для монтажа шкафа управления ВВБ-750

11. Строп 1СК-1,0/0-1,0/6000

То же

1

Для монтажа колонны управления

12. Строп УСК1-1,0/3000

-"-

3

Для монтажа треноги

13. Строп УСК1-1,6/3000

-"-

2

Для монтажа шкафа распределительного дугогасительной камеры

14. Строп УСК1-3,2/10000

-"-

2

Для монтажа блока камер

15. Канат капроновый КК 50 мм 167 ктекс, Об, м

ГОСТ 10293-77

50

Æ 16 мм

16. Приспособление для подбора изоляторов по высоте

 

1

См. рис. 8

17. Стенд сборочный (приспособление для сборки изоляторов колонны управления)

 

1

См. рис. 14, черт. СС48.00.000, ОФ ОЭС

18. Стол монтажный

 

2

См. рис. 10, черт. СЛ60.00.000, ОФ ОЭС

19. Ящик вводной силовой с рубильником и предохранителями

 

1

 

20. Маска защитная для электросварщика

 

1

 

21. Баллон кислородный

ГОСТ 949-73

3

Емкость 40 л, Р = 150 кг/см2

22. Баллон ацетиленовый

ГОСТ 949-73

3

Емкость 40 л, Р = 150 кг/см2

23. Шланг резиновый для кислорода, Æ 12 мм, l = 30 м

ГОСТ 9356-75

3

Р = 4 кг/см2

24. Шланг резиновый для ацетилена, Æ 12 мм, l = 30 м

ГОСТ 9356-75

3

Р = 0,5 кг/см2

25. Вентиль кислородного баллона

ГОСТ 699-76

3

 

26. Вентиль ацетиленового баллона

ГОСТ 699-76

3

 

27. Редуктор кислородный

ГОСТ 6268-78

3

 

28. Редуктор ацетиленовый

ГОСТ 6268-78

3

 

29. Горелка ацетиленокислородная средней мощности (Г-3)

ГОСТ 1077-79Е

3

Комплектно с наконечниками № 1 - 7

30. Резак вставной

РГС-70

 

 

31. Очки защитные

ГОСТ 12.4.013-75Е

3

 

32. Пистолет строительно-монтажный

ПЦ-84-1

1

 

33. Скоба монтажная

 

 

 

СК-12

ГОСТ 2476-72

8

 

34. Рым-болт М24

ГОСТ 4751-73

2

 

35. Лестница приставная, 3,5 м

 

2

 

36. Пояс монтерский предохранительный

ГОСТ 14185-77

4

 

37. Вентиль воздушный

 

1

Æ 32 мм

36. Лампа переносная

 

2

 

39. Ведро

 

2

 

40. Электросверлилка

ИЭ-1023

1

 

41. Мегаомметр 2,5 кВ

МС-0,5

1

 

42. Манометр ОВМ-160

ГОСТ 8625-77

1

1 кгс/см2

Таблица 2

7.2. Материалы (3 полюса)

Наименование

Тип, марка, стандарт

Единица измерения

Количество

ВВДМ-330Б

ВВБ-500Б

ВВБ-750

1. Бензин Б-70

ТУ 38.101913-82

л

31

47

63

2. Клей № 88Н

МРТУ 38-5880-66

кг

3

4

5

3. Спирт этиловый

ГОСТ 18300-72

л

6

9

12

4. Ветошь обтирочная № 625

 

кг

4,4

6,6

9,0

5. Бязь хлопчатобумажная

ГОСТ 11680-76

м2

40

60

81

6. Смазка ЦИАТИМ-221

ГОСТ 9433-80

кг

1,5

2,3

3,0

7. Кислород технический

ГОСТ 5583-78

м3

18,0

27,0

36

8. Ацетилен (пропан-бутан)

ГССТ 5457-75

(ГОСТ 20448-80)

м3 (кг)

9,0

(56)

13,5

(84)

18

(112)

9. Пруток латунный Л-63

ГОСТ 15527-70

кг

1,0

1,4

1,8

10. Пруток латунный ЛОК-59-1-1-0,3

ГОСТ 16130-85

То же

0,9

1,2

1,5

11. Бура

ГОСТ 8429-77

"

0,2

0,3

0,4

12. Лак БТ-577

ГОСТ 5631-79

"

3

4

5

13. Мыло хозяйственное

ГОСТ 790-69

"

0,8

1,2

1,5

14. Пленка полиэтиленовая

ГОСТ 10354-82

м2

30

45

60

15. Шпагат технический

ГОСТ 16266-70

кг

0,1

0,15

0,20

16. Шкурка шлифовальная

ГОСТ 6456-82

м2

1,8

2,7

3,6

17. Гвозди строительные

ГОСТ 4028-63

кг

2,0

2,5

3,0

18. Доска, 40мм

ГОСТ 8486-66

м3

1,0

1,5

2,0

19. Сталь листовая, 1 - 4 мм

ГОСТ 19903-74

кг

2,0

2,5

3,0

20. Эмаль фисташкового цвета ПФ-115

ГОСТ 6465-76

То же

1,0

1,5

2,0

21. Электроды сварочные Э-42

ГОСТ 9467-75

"

3,0

3,75

6,0

22. Труба медная М36´2

ГОСТ 617-72

м

37

37

37

23. Труба медная М17´2

ГОСТ 617-72

"

55

55

55

24. Труба медная М8´1

ГОСТ 617-72

"

18,5

18,5

18,5

25. Сталь полосовая, 30´4 мм

ГОСТ 103-76

м/кг

43

40,4

66

62,0

86

80,8

26. Болт с гайкой и двумя шайбами, М20´100

ГОСТ 7798-70,

ГОСТ 5915-70,

ГОСТ 11371-78

комплект

73

73

73

27. Болт с гайкой и двумя шайбами, М20´70

То же

То же

25

25

25

28. Дюбель-гвоздь, ДГП 4,5´40

ТУ 14-4-1231-83

"

7

7

7

29. Патрон к пистолету

 

шт.

7

7

7

30. Наконечник полиэтиленовый

 

То же

7

7

7

Примечание. Материалы по позиц. 22 - 30 уточняются по конкретному проекту.

Таблица 3

7.3. Инструменты

Наименование

Тип, стандарт, марка, чертеж

Количество

1. Плоскогубцы комбинированные

ГОСТ 5547-75

3

2. Отвертки разные

ГОСТ 17199-71

3

3. Нож монтерский складной, МН-2

ТУ-36-763-75

4

4. Напильник драчевый:

 

 

плоский 2820-0023

ГОСТ 1465-80

2

круглый 2822-0024

ГОСТ 1465-80

3

5. Лом, 1,5м

ГОСТ 1405-83

1

6. Рулетка стальная, 20 м, РЗ-20

ГОСТ 7502-60

2

7. Метр складной металлический

 

2

8. Клещи универсальные

ГОСТ 14184-83

1

9. Молоток слесарный, 500 г

ГОСТ 2310-77

3

10. Кувалда, 8 кг

ГОСТ 11401-75

1

11. Отвес стальной строительный, ОТ-200

ГОСТ 7948-80

2

12. Щетка металлическая

-

2

13. Зубило слесарное, 170 мм

20´60, ГОСТ 7211-72

5

14. Станок ножовочный раздвижной

СНП-ТУ36-62

2

15. Полотно ножовочное

ГОСТ 6645-68

20

16. Кисть малярная

ГОСТ 10597-80

2

17. Ключи гаечные двусторонние, разные, комплект

ГОСТ 2839-80

1

18. Штангенциркуль

ГОСТ 166-80

1

19. Электрододержатель на 500А, ЭД-315

ГОСТ 14651-78

1

20. Очки защитные

 

1

21. Комплект приспособлений, устройств и специальных инструментов (поставляется заводом-изготовителем)

 

1

22. Уровень с микрометрической подачей ампулы, типа 2

ГОСТ 11196-74

1

8. ГРАФИКИ МОНТАЖА

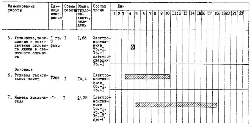
8.1. Укрупненный график монтажа ВВДМ-330Б

8.2. График движения рабочих

8.3. Пооперационный график монтажа ВВДМ-330Б


Продолжение графика 8.3.

Продолжение графика 8.3.

Продолжение графика 8.3.

Примечание. Продолжительность смены - 8 ч.


8.4. Укрупненный график монтажа ВВБ-500А

8.5. График движения рабочих

8.6. Пооперационный график монтажа ВВБ-500А


Продолжение графика 8.6.

Продолжение графика 8.6.

Продолжение графика 8.6.

Примечание. Продолжительность смены - 8 ч.


8.7. Укрупненный график монтажа ВВБ-750

8.8. График движения рабочих

8.9. Пооперационный график монтажа ВВБ-750


Продолжение графика 8.9.

Продолжение графика 8.9.

Продолжение графика 8.9.

Примечание. Продолжительность смены - 8 ч.

 


9. КАЛЬКУЛЯЦИИ ТРУДОВЫХ ЗАТРАТ

9.1. Калькуляция трудовых затрат на монтаж воздушного выключателя ВВДМ-330Б-50/3150VI

ЕНиР

Наименование работы

Единица измерения

Объем работы

Норма времени на единицу измерения, чел.-ч

Затраты труда на весь объем работы, чел.-ч

Расценка на единицу измерения, руб., коп.

Стоимость затрат труда на весь объем работы, руб., коп.

 

Транспортно-такелажные

 

 

 

 

 

 

1. § 24-13, п. 2е

Погрузка автокраном грузоподъемностью 6,3 т деталей и узлов до 1 т, требующих особой осторожности

1 т

7

0,33

2,31

0-17,3

1-21

2. § 24-13, п. 2е, К1 = 1,1

Погрузка автокраном грузоподъемностью 6,3 т деталей и узлов больше 1 т, требующих особой осторожности

То же

27

0,36

9,72

0-19,0

5-13

3. § 24-14, п. 5е

Погрузка прочих грузов

1 т

7,5

0,29

2,18

0-15,2

1-14

4. § 24-13, п. 15е

Выгрузка автокраном грузоподъемностью 6,3 т деталей и узлов до 1 т, требующих особой осторожности

То же

7

0,28

1,96

0-14,7

1-03

5. § 24-13, п. 15е, К1-1,1

Выгрузка автокраном грузоподъемностью 6,3 т деталей и узлов более 1 т, требующих особой осторожности

"

27

0,31

8,37

0-16,2

4-37

6. § 24-13, п. 18е

Выгрузка прочих грузов

"

7,5

0,24

1,80

0-12,6

0-94

7. 2 % от основных работ

Подбор деталей и узлов оборудования на складе

 

 

 

20,58

 

13-45

 

Итого транспортно-такелажных работ:

 

 

 

46,92

 

27-27

 

Подготовительные

 

 

 

 

 

 

8. § 1-15,9. Применительно

Укладка деталей, узлов оборудования и приспособлений по рабочим местам для монтажа

1 т

37,5

1,15

43,1

0-50,4

18-90

9. § 23-7-5, табл. 1, п. 6

Установка силового ящика на ток до 400 А

1 ящик

1

1,6

1,6

0-93,3

0-93

10. § 23-4-6 табл. 3, п. 2в. Доп. 8. стр. 81

Прокладка кабеля, питающего силовой ящик

100 м

0,5

8,8

4,4

4-93

2-47

11. § 23-7-5, табл. 2, п. 2б

Присоединение проводов к силовому ящику

1 ящик

1

1,3

1,3

0-91,3

0-91

12. § 23-7-5, табл. 2, п. 3б

Подготовка к включению силового ящика

То же

1

0,23

0,23

0-16,1

0-16

13. § 23-7-34 табл. 1, п. 1б

Присоединение проводов к сварочному аппарату

100 концов, 10 мм2

0,02

6,3

0.13

3-94

0-08

14. § 23-3-51 табл. 1, п. 1а

Прокладка временных шин заземления силового ящика и сварочного аппарата

100 м

0,4

8,4

3,4

4-66

1-86

15. § 25-3-5, табл. 1, п. 2а, 3а

Сварка стыков шин заземления

100 стыков

0,04

11,6

0,46

6-44

0-26

16. § 25-3-5, табл. 1, п. 4а

Присоединение шин заземления к силовому ящику и сварочному аппарату

присоединение

2

0,26

0,52

0-14,4

0-29

17. § 6-1-25

Изготовление деревянного настила

м2

10

0,145

1,45

0-07,6

0-76

18. Общая часть, п. 4

Доплата за вредные условия труда (8 %), п. 15.

 

 

 

 

 

0-02

 

Итого подготовительных работ:

Основные

 

 

 

56,59

 

26,64

19. ТНиР, § Т-16, 2-7, табл. 2, п. 3б. Применительно

Монтаж распределительного шкафа и шкафа клеммных сборок

1 группа 3 фазы

1

19,0

19,0

11-94

11-94

20. ТНиР. § Т-16, 2-7, табл. 2, п. 3б. Применительно

Монтаж воздухопроводов

1 группа, 3 фазы

1

87,0

87,0

57-13

57-13

21. ТНиР. § Т-16, 2-7, табл. 2, п. 5б. Применительно

Сварка при монтаже воздуховодов

То же

1

16,0

16,0

11-23

11-23

22. ТНиР. § Т-16, 2-7, табл. 2, п. 16. Применительно

Ревизия гасительных камер

"

1

115,0

115,0

81-36

81-36

23. ТНиР. § Т-16, 2-7, табл. 2, п. 2б. Применительно

Монтаж выключателя

"

1

650

650

417-30

417-30

24. ТНиР. § Т-16, 2-7, табл. 2, п. 6б. Применительно

Испытание выключателей

1 группа, 3 фазы

1

135

135

88-65

86-65

25. § 23-3-30, табл.3, п.1а

Разметка и прокладка шин заземления

100 м шин

0,43

6,8

2,92

3-80

1-63

26. § 23-6-30, табл. 2, п. 2а

Пристрелка шин

То же

0,22

4,6

1,01

2-88

0-63

27. § 23-6-30, п. 3а

Сварка шин

100 м шин

0,43

3,0

1,29

1-67

0-72

28. § 23-6-32, п. 3

Приварка шин к заземлителям

1 заземлитель

9

0,12

1,08

0-06,7

0-60

29. § 23-6-32, п. 2

Окраска шин заземления

100м

0,22

3,5

0,77

1-73

0-38

30. Общая часть, п. 4

Доплата за вредные условия труда (8 %), пп. 21, 27, 28

 

 

 

 

 

1-00

31. Общая часть, п. 4

Доплата за особо вредные условия труда, (17 %), п. 26

 

 

 

 

 

0-11

Итого основных работ:

 

 

 

1029,07

 

672-68

 

Заключительные

 

 

 

 

 

 

32. § 23-7-34, табл. 1, п. 1б, К2 = 0,5

Отсоединение проводов от сварочного аппарата

100 концов, 10 мм2

0,02

3,15

0,06

1-97

0,04

33. § 23-7-5, табл. 2, п. 2в. К2 = 0,5

Отсоединение проводов от силового ящика

1 ящик

1

0,8

0,8

0-56,0

0-56

34. § 23-7-5, табл. 1, п. 6. К2 = 6,5

Демонтаж силового ящика

То же

1

0,8

0,8

0-47

0-47

35. § 23-4-6, табл. 3, п. 2б, К2 = 0,5

Демонтаж питающего кабеля

100 м

0,5

4,4

2,2

2-46,5

1-23

 

Итого заключительных работ:

 

 

 

3,86

 

2-30

Всего:

 

 

 

1136,44

 

728-89

Примечание. К1 - коэффициент, учитывающий увеличение затрат при погрузке и выгрузке грузов свыше 1 т, требующих особой осторожности.

К2 - коэффициент, учитывающий уменьшение трудозатрат при демонтаже оборудования по сравнению с монтажом. Взят по данным СНиП IV-6-82. Приложение - «Указания по применению расценок на монтаж оборудования».

9.2. Калькуляция трудовых затрат на монтаж воздушного выключателя ВВБ-500А-50/3150VI

ЕНиР

Наименование работы

Единица измерения

Объем работы

Норма времени на единицу измерения, чел.-ч

Затраты труда на весь объем работы, чел.-ч

Расценка на единицу измерения, руб., коп.

Стоимость затрат труда на весь объем работы, руб., коп.

 

Транспортно-такелажные

 

 

 

 

 

 

1. § 24-13, п. 2е

Погрузка автокраном грузоподъемностью 6,3 т деталей, и узлов до 1 т, требующих особой осторожности

1 т

14

0,33

4,62

0-17,3

2-42

2. § 24-13, п. 2е, К1-1,1

Погрузка автокраном грузоподъемностью 6,3 т деталей и узлов более 1 т, требующих особой осторожности

То же

34

0,36

12,24

0-19,0

6-46

3. § 24-13, п. 5е

Погрузка прочих грузов

1 т

14

0,29

4,06

0-15,2

2-13

4. § 24-13, п. 15е

Выгрузка автокраном грузоподъемностью 6,3 т деталей и узлов до 1 т, требующих особой осторожности

То же

14,

0,28

3,92

0-14,7

2-06

5. § 24-13, п. 15е, К1 = 1,1

Выгрузка автокраном грузоподъемностью 6,3 т деталей и узлов более 1 т, требующих особой осторожности

"

34

0,31

10,54

0-16,2

5-51

6. § 24-13, п. 18е

Выгрузка прочих грузов

"

14

0,24

3,36

0-12,6

1-76

7. 2 % от основных работ

Подбор деталей и узлов оборудования на складе

 

 

 

30,41

 

19-66

 

Итого транспортно-такелажных работ:

 

 

 

69,15

 

40-20

 

Подготовительные

 

 

 

 

 

 

8. § 1-15, 9. Применительно

Укладка деталей, узлов оборудования и приспособлений по рабочим местам для монтажа

1 т

52

1,15

59,8

0-50,4

26-21

9. § 23-7-5, табл. 1, п. 6

Установка силового ящика до 400 А

1 ящик

1

1,6

1,6

0-93,3

0-93

10. § 23-4-6, табл. 3,п. 2в, доп. 8, стр. 81

Прокладка кабеля, питающего силовой ящик

100 м

0,5

8,6

4,4

4-93

2-47

11. § 23-7-5, табл. 2, п. 2б

Присоединение проводов к силовому ящику

1 ящик

1

1,3

1,3

0-91,3

0-91

12. § 23-7-5, табл. 2, п. 3б

Подготовка к включению силового ящика

То же

1

0,23

0,25

0-16,1

0-16

13. § 23-7-34, табл. 1, п. 1б

Присоединение проводов к сварочному аппарату

100 концов 10 мм2

0,02

6,3

0,13

3-94

0-08

14. § 23-3-51, табл. 1, п. 1а

Прокладка временных шин заземления силового ящика и сварочного аппарата

100 м

0,5

8,4

4,2

4-66

2-33

15. § 25-3-5, табл. 1, п. 2а, 3а

Сварка стыков шин заземления

100 стыков

0,1

11,6

1,16

6-44

0-64

16. § 25-3-5, табл. 1, п. 4а

Присоединение шин заземления к силовому ящику и сварочному аппарату

1 присоединение

2

0,26

0,52

0-14,4

0-29

17. § 6-1-25

Изготовление деревянного настила

м2

15

0,145

2,18

0-07,6

1-14

18. Общая часть, п. 4

Доплата за вредные условия труда (8 %), п. 15

 

 

 

 

 

0-05

 

Итого подготовительных работ:

 

 

 

75,52

 

35-21

 

Основные:

 

 

 

 

 

 

19. ТНиР, § Т-16, 2-7, табл. 2, п. 3в. Применительно

Монтаж распределительного шкафа и шкафа клеммных сборок

1 группа 3 фазы

1

19,0

19,0

11-94

11-94

20. ТНиР, § Т-16, 2-7, табл. 2, п. 4в. Применительно

Монтаж воздухопроводов

1 группа 3 фазы

1

110

110

72-24

72-24

21. ТНиР, § Т-16, 2-7, табл. 2, п. 5в. Применительно

Сварка при монтаже воздухопроводов

То же

1

20

20

14-04

14-04

22. ТНиР, § Т-16, 2-7, табл. 2, п. 1в. Применительно

Ревизия гасительных камер

"

1

170

170

120-28

120-28

23. ТНиР, § Т-16, 2-7, табл. 2, п. 2в. Применительно

Монтаж выключателей

"

1

990

990

635-58

635-58

24. ТНиР, § Т-16, 2-7, табл. 2, п. 6в. Применительно

Испытание выключателей

1 группа 3 фазы

1

200

200

131-34

131-34

25. § 23-6-30, табл. 2, п. 1а

Разметка и прокладка шин заземления

100 м шин

0,66

6,8

4,49

3-80

2-51

26. § 23-6-30, табл. 2, п. 2а

Пристрелка шин

То же

0,33

4,6

1,52

2-88

0-95

27. § 23-6-30, табл. 2, п. 3а

Сварка шин

"

0,66

5,0

1,98

1-67

1-10

26. § 23-6-32, п. 3

Приварка шин к заземлителям

1 заземлитель

9

0,12

1,08

0-06,7

0-60

29. § 23-6-32, п. 2

Окраска шин заземления

100м

0,66

3,5

2,31

1-73

1-14

30. Общая часть, п. 4

Доплата за вредные условия труда (8 %), пп. 21, 27, 28

 

 

 

 

 

1-26

31. Общая часть, п. 4

Доплата за особо вредные условия труда (7 %), п. 25

 

 

 

 

 

0-16

 

Итого основных работ:

 

 

 

1520,36

 

993-14

 

Заключительные

 

 

 

 

 

 

 

Пункты 32 - 35 калькуляции 1

 

 

 

3,86

 

2-30

 

Всего:

 

 

 

1668,91

 

1070,85

9.3. Калькуляция трудовых затрат на монтаж воздушного выключателя ВВБ-750

ЕНиР

Наименование работы

Единица измерения

Объем работы

Норма времени на единицу измерения, чел.-ч

Затраты труда на весь объем работы, чел.-ч

Расценка на единицу измерения, руб., коп.

Стоимость затрат труда на весь объем работы, руб., коп.

 

Транспортно-такелажные

 

 

 

 

 

 

1. § 24-13, п. 2е

Погрузка автокраном грузоподъемностью 6,3 т деталей и узлов до 1 т, требующих особой осторожности

1 т

16,6

0,33

5,48

0-17,3

2-87

2. § 24-13, п. 2е, К1 = 1,1

Погрузка автокраном грузоподъемностью 6,3 т деталей и узлов более 1 т, требующих особой осторожности

То же

67,4

0,36

24,26

0-19,0

12-81

3. § 24-13, п. 5е

Погрузка прочих грузов

1 т

18

0,29

5,22

0-15,2

2-74

4. § 24-13, п. 15е

Выгрузка автокраном грузоподъемностью 6,3 т деталей и узлов до 1 т, требующих особой осторожности

То же

16,6

0,28

4,65

0-14,7

2-44

5. § 24-13, п. 15е. К1 = 1,1

Выгрузка автокраном грузоподъемностью 6,3 т деталей и узлов более 1 т, требующих особой осторожности

"

67,4

0,31

20,89

0-16,2

10-92

6. § 24-13, п. 18е

Выгрузка прочих грузов

"

18,0

0,24

4,32

0-12,6

2-27

7. 2 % от основных работ

Подбор деталей и узлов оборудования на складе

 

 

 

40,01

 

26-10

 

Итого транспортно-такелажных работ:

 

 

 

104,83

 

60-15

 

Подготовительные

 

 

 

 

 

 

8. § 1-15а, Применительно

Укладка деталей, узлов оборудования и приспособлений по рабочим местам для монтажа

1 т

92

1,15

105,8

0-50,4

46-37

9. § 23-7-5, табл. 1, п. 6

Установка силового ящика до 400А

1 ящик

1

1,6

1,6

0-93,3

0-93

10. § 23-4-6, табл. 3, п. 2в, доп. 8, стр. 81

Прокладка кабеля, питающего силовой ящик

100 м

0,5

8,8

4,4

4-93

2-47

11. § 23-7-5, табл. 2, п. 2в

Присоединение проводов к силовому ящику

1 ящик

1

1,6

1,6

1-12

1-12

12. § 23-7-5, табл.2, п. 3б

Подготовка к включению силового ящика

То же

1

0,23

0,23

0-16,1

0-16

13. § 23-7-34, табл. 1, п. 1б

Присоединение проводов к сварочному аппарату

100 концов, 10 мм2

0,02

6,3

0,13

3-94

0-08

14. § 23-3-51, табл. 1, п. 1а

Прокладка временных шин заземления силового ящика и сварочного аппарата

100 м

0,7

8,4

5,86

4-66

3-26

15. § 25-3-5, табл. 1, п. 2а, 3а

Сварка стыков шин заземления

100 стыков

0,1

11,6

1,16

6-44

0-64

16. § 25-3-5, табл. 1, п. 4а

Присоединение шин заземления к силовому ящику и сварочному аппарату

присоединение

2

0,26

0,52

0-14,4

0-29

17. § 6-1-25

Изготовление деревянного настила

м2

20

0,145

2,9

0-07,6

1-52

18. Общая часть, п. 4

Доплата за вредные условия труда (8 %), п. 15

 

 

 

 

 

0-05

 

Итого подготовительных работ:

 

 

 

124,22

 

56-89

 

Основные

 

 

 

 

 

 

19. ТНиР, § 1-16, 3-4, п. 4

Монтаж распределительного шкафа и шкафа клеммных сборок

1 группа 3 фазы

1

22,0

22,0

13-83

13-83

20. § Т-16, 3-4, п. 5

Монтаж воздухопроводов

1 группа 3 фазы

1

125,0

125,0

82-09

82-09

21. § Т-16, 3-4, п. 6

Сварка при монтаже воздухопроводов

То же

1

27,0

27,0

18-95

18-95

22. § Т-16, 3-4, п. 1

Ревизия дугогасительных камер

"

1

200

200

141-50

141-50

23. § Т-16, 3-4, п. 2

Монтаж выключателя

"

1

1343,3

1343,3

862-11

862-11

24. § Т-16, 3-4, п. 7 ЕНиР

Испытание выключателя

"

1

270

270

177-31

177-31

25. § 23-6-30, табл. 2, п. 1а

Разметка и прокладка шин заземления

100 м шин

1,86

6,8

5,85

3-80

3-27

26. § 23-6-30, табл.2, п. 2а

Пристрелка шин

100 м шин

0,43

4,6

1,98

2-88

1-24

27. § 23-6-30, п. 3а

Сварка шин

То же

0,86

3,0

2,58

1-67

1-44

28. § 23-6-32, п. 3

Приварка шин к заземлителям

1 заземлитель

9

0,12

1,08

0-06,7

0-60

29. § 23-6-32, п. 2

Окраска шин заземлителя

100 м

0,43

3,5

1,51

1-73

0-74

30. Общая часть, п. 4

Доплата за вредные условия труда (8 %), пп. 21, 27, 28

 

 

 

 

 

1-68

31. Общая часть, п. 4

Доплата за особо вредные условия труда (17 %), п. 26

 

 

 

 

 

0-21

 

Итого основных работ:

 

 

 

20000,3

 

1304-97

 

Заключительные

 

 

 

 

 

 

 

Пункты 32 - 35 калькуляции 1

 

 

 

3,86

 

2-30

 

Всего:

 

 

 

2233,21

 

1424-31

Приложение 1

ПЕРЕЧЕНЬ
технической документации, используемой при монтаже выключателей

Проектная документация

1. Рабочие чертежи открытых распределительных устройств 330, 500 и 750 кВ.

2. Проект производства работ.

3. Технологические карты.

Заводская документация

1. Техническое описание и инструкция по эксплуатации выключателей воздушных защитных типа ВВДМ-330Б-50/3150VI ИБДП.674115.001ТО.

2. Ведомость упаковки воздушного выключателя ВВДМ-330Б-50/3150VI.

3. Техническое описание и инструкция по эксплуатации выключателей высоковольтных трехполосных типа ВВБ-500А-35,5/2000VI(ХЛ1) ВДО.412.163.

4. Ведомость упаковки воздушного выключателя ВВБ-500А-35,5/2000VI(ХЛ1).

5. Техническое описание и инструкция по эксплуатации выключателя воздушного ВВБ-756-40/3150VI ВД2.025.061.ТО.

6. Ведомость упаковки воздушного выключателя типа ВВЕ-750-40/3150VI.

7. Инструкция по технике безопасности ПО «Электроаппарат».

Общетехническая документация

1. Правила устройства электроустановок. Москва, Энергоатомиздат, 1985 г.

2. СНиП 3.05.06-85 - «Электротехнические устройства», Москва. 1986 г.

3. СНиП III-4-80 - «Правила производства и приемки работ. Техника безопасности в строительстве», Москва, Стройиздат, 1980 г.

4. Правила техники безопасности при производстве электромонтажных работ на объектах Минэнерго СССР. Москва, «Энергия», 1984 г.

5. Правила устройства и безопасной эксплуатации стационарных компрессорных установок, воздухопроводов и газопроводов. Металлургия, Москва, 1973 г.

6. Инструкция по организации и производству работ повышенной опасности в строительно-монтажных организациях и промышленных предприятиях Минэнерго СССР, Москва, 1985 г.

7. Правила устройства и безопасной эксплуатации сосудов, работающих под давлением, «Металлургия», Москва, 1971 г.

8. Нормы и правила по охране труда при работах на подстанциях и воздушных линиях электропередачи напряжением 400, 500 и 750 кВ переменного тока промышленной частоты.

9. Правила устройства и безопасной эксплуатации грузоподъемных кранов. «Энергия», 1982 г.

Приложение 2

ПЕРЕЧЕНЬ
приемо-сдаточной документации

1. Акт приемки фундаментов под установку воздушных выключателей.

2. Акт осмотра упаковки и сборочных единиц воздушных выключателей.

3. Протокол монтажа и регулировки выключателей.

Примечание. Образцы форм документации приведены в «Инструкции по оформлению приемо-сдаточной документации по электромонтажным работам», ВСН 123-79, ММСС СССР.

Приложение 3

Основные технические данные выключателей

Наименование

Тип выключателя

ВВДМ-330Б

ВВБ-500А

ВВБ-750

1.

Номинальное напряжение, кВ

330

500

750

2.

Номинальный ток, А

3150

2000

3150

3.

Номинальный ток отключения

 

 

 

 

короткого замыкания, кА

50; 35,5;

31,5

35,5

40

4.

Номинальная частота, Гц

50

50

50

5.

Номинальное давление сжатого воздуха, МПа (кгс/см2)

4,0 (40)

 

 

 

2,6 (26)

2,0

2,6

 

2,0(20)

(20)

(26)

6.

Габариты полюса, мм:

 

 

 

 

длина

8528

13950

19100

 

ширина

3990

3900

4100

 

высота

8883

10312

12500*

7.

Масса выключателя, кг

34300

54856

90000

* С учетом габарита установленного шкафа управления

Приложение 4

Масса узлов выключателей

Наименование узла

Масса, кг

ВВДМ-330Б

ВВБ-500А

ВВБ-750

1. Камера дугогасительная нижняя (в сборе с деталями)

1727

1650

1578

2. Камера дугогасительная верхняя (в сборе с деталями)

1637

1560

1530

3. Конденсатор

70

70

70

4. Шкаф управления (для 330 и 500 кВ в сборе с деталями)

513

600

210

5. Изолятор опорный промежуточный (в сборе с деталями)

353

343

260

6. Колонна опорная (тренога)

979

1356

(1356)

7. Колонна управления

-

-

709

8. Шкаф распределительный

275

275

275

9. Шкаф клеммных сборок

120

120

120

10. Рама

-

-

192

11. Экран

-

-

72

Приложение 5

Масса и габариты упаковочных мест выключателей

 

Наименование

ВВДМ-330Б

Количество мест, шт.

масса места кг

размер высота, мм

брутто

нетто

длина

ширина

высота

1.

Комплектующие детали, запчасти и техническая документация.

1

1040

890

1420

980

1485

2.

Камера дугогасительная верхняя

6

1730

1640

3850

1450

1150

3.

Камера дугогасительная нижняя

6

1820

1730

3850

1450

1300

4.

Шкаф управления в сборе с деталями

6

520

513

1400

1100

810

5.

Конденсаторы

2

970

840

1420

1330

1085

6.

Изоляторы в сборе с деталями

2

2290

2120

1900

1330

1890

7.

Изоляторы опорные

1

1520

1350

1900

1330

1500

8.

Изоляторы опорные

6

900

760

1600

780

1600

9.

Комплектующие детали

1

1120

960

1420

1350

1170

10.

Провода

1

430

260

5700

780

490

11.

Трубы

1

265

145

4400

540

400

12.

Шкаф КС

1

140

120

1050

580

880

13.

Шкаф ШР

1

285

275

1034

560

1500

Продолжение прилож. 5

Наименование

ВВБ-500А

Количество мест, шт.

масса места, кг

Размер места, мм

брутто

нетто

длина

ширина

высота

1. Комплектующие детали, запчасти и техническая документация

1

1420

1250

1420

980

1485

2. Камера дугогасительная верхняя

9

1800

1620

3850

1450

1150

3. Камера дугогасительная нижняя

9

1920

1740

3850

1450

1300

4. Шкаф управления в оборе с деталями

9

520

513

1400

1100

810

5. Изоляторы

13

900

760

1600

780

100

6. Изоляторы

1

460

380

800

780

1600

7. Конденсаторы

4

970

840

1420

1330

1085

8. Изоляторы

1

2080

1910

1900

1330

1890

9. Изоляторы опорные

1

1120

960

1900

780

1890

10. Изоляторы опорные

1

1520

1350

1900

1330

1600

11. Изоляторы опорные

1

810

675

1900

780

1600

12. Провода

1

550

350

6350

780

503

13. Плиты, кольца, фланцы

1

1475

1360

1420

800

1285

14. Трубы

1

500

335

5850

540

500

15. Трубы, дуги, плиты

1

950

810

1420

1000

1270

16. Шкаф КС

1

170

150

1050

580

880

17. Шкаф ШР

1

285

275

1034

560

1500

Продолжение прилож. 5

Наименование

ВВБ-750

Количество мест, шт

Масса места кг

размер места, мм

брутто

нетто

длина

ширина

высота

1. Комплектующие детали, запчасти и техническая документация

1

2140

1875

1420

1330

1085

2. Камера дугогасительная верхняя

12

1680

1530

3350

1300

1150

3. Камера дугогасительная нижняя

12

1725

1575

3850

1300

1000

4. Шкаф управления в сборе с деталями

12

215

210

715

670

880

5. Изоляторы

11

1500

1360

1420

1350

1270

6. Изоляторы

6

1170

1010

1420

1330

1270

7. Конденсаторы

4

970

840

1420

1330

1270

8. Экраны

2

415

220

2950

800

1685

9. Экраны (большое экранное кольцо)

3

296

288

2760

2760

640

10. Рамы

4

581

575

2700

2605

600

11. Держатели

1

1670

1495

1420

1350

1085

12. Изоляторы в сборе с деталями

1

2870

2460

2800

1350

1310

13. Изоляторы опорные

3

1200

1040

1420

1350

1665

14. Комплектующие детали

1

1280

1020

1420

1350

1150

 

2

2350

2060

1420

1000

1150

 

1

1900

1620

2200

1600

1300

15. Провода

2

535

340

6350

780

490

16. Тяги

1

125

58

8430

220

220

17. Трубы

1

445

291

7500

540

370

18. Шкаф КС

1

140

120

1050

580

880

19. Шкаф ШР

1

285

275

1034

560

1600

 



уроки по алготрейдингу на Python с нуля



Яндекс цитирования

   Copyright © 2008-2026 ,  www.infosait.ru

backtrader - уроки алготрейдинга на python