ИНФОСАЙТ.ру
Госты, стандарты, нормативы. В библиотеке 60000 документов. Регулярное обновление. Круглосуточный бесплатный доступ!
БИБЛИОТЕКА ГОСТОВ, СТАНДАРТОВ И НОРМАТИВОВ

:: АЛГОТРЕЙДИНГ ::


АЛГОТРЕЙДИНГ
шаг за шагом


БЕСПЛАТНЫЕ УРОКИ по созданию торговых роботов на PYTHON с нуля, шаг за шагом.


Минимальные знания на PYTHON.
Библиотеки BackTrader и Pandas, сигналы с Pine Script из TradingView.
Связка с брокерами, телеграм.
Создание простых интерфейсов.

 

Все документы, представленные в каталоге, не являются их официальным изданием и предназначены исключительно для ознакомительных целей. Электронные копии этих документов могут распространяться без всяких ограничений. Вы можете размещать информацию с этого сайта на любом другом сайте.


ГОСУДАРСТВЕННЫЙ СТАНДАРТ СОЮЗА ССР

РУКАВА РЕЗИНОВЫЕ ДЛЯ ГАЗОВОЙ СВАРКИ
И РЕЗКИ МЕТАЛЛОВ

ТЕХНИЧЕСКИЕ УСЛОВИЯ

ГОСТ 9356-75

ГОСУДАРСТВЕННЫЙ КОМИТЕТ СССР ПО УПРАВЛЕНИЮ
КАЧЕСТВОМ ПРОДУКЦИИ И СТАНДАРТАМ

Москва

ГОСУДАРСТВЕННЫЙ СТАНДАРТ СОЮЗА ССР

РУКАВА РЕЗИНОВЫЕ ДЛЯ ГАЗОВОЙ
СВАРКИ И РЕЗКИ МЕТАЛЛОВ

Технические условия

Rubber hoses for gas welding and metal cutting.
Specifications

ГОСТ
9356-75

Срок действия с 01.01.77

до 01.01.94

Несоблюдение стандарта преследуется по закону

Настоящий стандарт распространяется на резиновые рукава с нитяным каркасом, применяемые для подачи под давлением ацетилена, городского газа, пропана, бутана, жидкого топлива и кислорода к приборам для газовой сварки и резки металлов.

Рукава работоспособны в районах с умеренным и тропическим климатом при температуре окружающего воздуха от минус 35 до плюс 70 °С и в районах с холодным климатом при температуре от минус 55 до плюс 70 °С.

Стандарт не распространяется на рукава специального назначения.

(Измененная редакция, Изм. № 4).

1. КЛАССЫ, ОСНОВНЫЕ ПАРАМЕТРЫ И РАЗМЕРЫ

1.1. В зависимости от назначения резиновые рукава для газовой сварки и резки металлов подразделяют на следующие классы:

I - для подачи ацетилена, городского газа, пропана и бутана под давлением Р 6,3 кгс/см2 (0,63 МПа);

II - для подачи жидкого топлива: бензина А-72 по ГОСТ 2084-77, уайт-спирита по ГОСТ 3134-78; керосина или их смеси под давлением Р 6,3 кгс/см2 (0,63 МПа);

III - для подачи кислорода под давлением Р 20 кгс/см2 (2 МПа), 40 кгс/см2 (4 МПа).

(Измененная редакция, Изм. № 2).

1.2. Основные размеры н минимальный радиус изгиба рукавов должны соответствовать указанным в таблице.

Размеры, мм

Рабочее давление, МПа (кгс/см2)

Внутренний диаметр

Наружный диаметр

Масса 1 м, г (справочная)

Минимальный радиус изгиба

Номин.

Пред. откл.

Номин.

Пред. откл.

0,63 (6,3)

6,3

+0,20

-0,80

13,0

±0,5

140

60

2,00 (20,0)

8,0

± 0,50

16,0

± 1,0

190

80

 

9,0

± 0,50

18,0

± 1,0

240

90

 

10,0

± 0,50

19,0

± 1,0

260

100

 

12,0

± 0,65

22,0

± 1,0

360

120

 

12,5

± 0,65

22,5

± 1,0

370

120

 

16,0

± 0,65

26,0

± 1,0

430

160

4,00 (40,0)

6,3

+ 0,20

- 0,80

16,0

± 1,0

260

60

 

8,0

± 0,50

19,5

± 1,0

420

80

Примечание. Допускается до 01.01.91 изготовлять рукава внутренним диаметром (12,0 ± 1,0); (12,5 ± 1,0); (16,0 ± 1,0) мм.

(Измененная редакция, Изм. № 4).

1.3. Длина рукавов должна быть согласована между изготовителем и потребителем.

Предельное отклонение по длине должно быть ± 1 %.

1.4. Отклонение от круглости (овальности) рукавов не должно быть более предельных отклонений наружных диаметров, указанных в табл. 1.

1.5. Разнотолщинность стенок рукавов не должна быть более 0,5 мм.

Пример условного обозначения рукава класса I с внутренним диаметром 16 мм на рабочее давление 0,63 МПа, работоспособного в районах с умеренным климатом:

Рукав I-16-0,63 ГОСТ 9356-75

То же, для рукава, работоспособного в районах с тропическим климатом (Т):

Рукав I-16-0,63-Т ГОСТ 9356-75

То же, для рукава, работоспособного в районах с холодным климатом (ХЛ):

Рукав I-16-0,63-ХЛ ГОСТ 9356-75

1.3-1.5. (Измененная редакция, Изм. № 4).

2. ТЕХНИЧЕСКИЕ ТРЕБОВАНИЯ

2.1 Рукава для газовой сварки и резки металлов должны изготовляться в соответствии с требованиями настоящего стандарта по технологическому регламенту, утвержденному в установленном порядке.

2.2. Рукава должны состоять из внутреннего резинового слоя, нитяного каркаса из хлопчатобумажного волокна или на основе непропитанных и пропитанных химических волокон и наружного резинового слоя.

В зависимости от назначения наружный слой рукава должен быть следующего цвета:

красный - рукава класса I для ацетилена, городского газа, пропана и бутана;

желтый - рукава класса II для жидкого топлива;

синий - рукава класса III для кислорода.

Допускается наружный слой черного цвета для рукавов всех классов, работоспособных в районах с тропическим, умеренным и холодным климатом, а также обозначение класса рукава двумя резиновыми цветными полосами на наружном слое для всех климатических районов или группами из двух примыкающих друг к другу рифов или рисок (канавок).

Высота рифов или глубина рисок - от 0,2 до 0,3 мм, ширина рифов или рисок - от 0,4 до 0,5 мм. Расстояние между группами рифов или рисок - от 3 до 4 мм. Рукава класса I обозначаются одиночной группой рифов или рисок, рукава класса II - двумя группами рифов или рисок, рукава класса III - тремя группами рифов или рисок.

На рукава класса III для подачи кислорода под давлением 4 МПа (40 кгс/см2) с наружным слоем черного цвета обозначение класса рукавов в виде цветных полос или рифов и рисок не наносится.

(Измененная редакция, Изм. № 1, 2, 3, 4).

2.3. Рукава, работоспособные в районах с тропическим климатом, должны соответствовать группе I по ГОСТ 15152-69 категориям размещении 1, 2, 3, 4, 5 по ГОСТ 15150-69.

2.4. Рукава, работоспособные в районах с умеренным и тропическим климатом, должны быть морозостойкими при температуре не ниже минус 35 °С.

2.5. Рукава, работоспособные в районах с холодным климатом, должны быть морозостойкими при температуре не ниже минус 55 °С.

2.2-2.5. (Измененная редакция, Изм. № 4).

2.6. Рукава всех классов должны быть герметичными при гидравлическом давлении, равном  %, где Р - значение рабочего давления в МПа (кгс/см2).

(Измененная редакция, Изм. № 2, 4).

2.7. Рукава должны иметь не менее чем трехкратный запас прочности при разрыве гидравлическим давлением.

2.8. Рукава II класса должны быть бензостойкими. Изменение массы резины внутреннего слоя рукавов после воздействия объемной смеси 70 % изооктана (ГОСТ 12433-83) и 30 % толуола (ГОСТ 5789-78, ГОСТ 14710-78) в течение (24 ± 1) ч при температуре (23 ± 2) °С не должны быть более 40 %.

(Измененная редакция, Изм. № 1).

2.9. Прочность связи между элементами рукава должна быть не менее 2,0 кН/м (2,0 кгс/см). Допускается прочность связи между элементами рукава из непропитанных нитей на основе химических волокон не менее 1,5 кН/м (1,5 кгс/см).

Рукава из непропитанных нитей на основе химических волокон обозначают буквой Н.

(Измененная редакция, Изм. № 1).

2.10. Концы рукавов должны выдерживать без разрыва растяжение в радиальном направлении при надевании на соответствующий ниппель. Концы рукавов с внутренним диаметром 8 и 10 мм должны выдерживать без разрыва растяжение до 30 % от фактического внутреннего диаметра рукава.

(Измененная редакция, Изм. № 1, 4).

2.11. Рукава должны быть гибкими. Изменение наружного диаметра рукава при минимальном радиусе изгиба не должно быть более 10 % фактического размера наружного диаметра рукава.

2.12. Нити, применяемые для изготовления рукавов, должны соответствовать требованиям технической документации, утвержденной в установленном порядке.

2.13. Физико-механические показатели резины, применяемой для изготовления рукавов, приведены в приложении.

(Измененная редакция, Изм. № 4).

2.14. Поверхность внутреннего резинового слоя должна быть без складок, пористости, пузырей и трещин.

2.15. Поверхность наружного резинового слоя должна быть гладкой или рифленой без пузырей, отслоений и оголенных участков силового каркаса.

Допускаются отпечатки рисунка нитей каркаса.

(Измененная редакция, Изм. № 4).

2.15а. Для уточнения показателей внешнего вида, указанных в пп. 2.14 и 2.15, допускается применять контрольные образцы, утвержденные в установленном порядке.

(Введен дополнительно, Изм. № 4).

2.16. Средний срок службы рукавов устанавливается одни год шесть месяцев.

(Измененная редакция, Изм. № 4).

3. ПРАВИЛА ПРИЕМКИ

3.1. Рукава принимают партиями. Партией считают рукава одного класса и размера в количестве не более 2000 м, сопровождаемые одним документом о качестве.

Документ о качестве должен содержать:

товарный знак или товарный знак и наименование предприятия-изготовителя;

наименование рукавов, класс, внутренний диаметр, рабочее давление и общую длину;

номер партии;

месяц и год изготовления;

обозначение настоящего стандарта;

штамп отдела технического контроля.

(Измененная редакция, Изм. № 1, 4).

3.2. Для проверки соответствия качества партии рукавов требованиям настоящего стандарта их подвергают приемо-сдаточным испытаниям по следующим показателям: конструкции, цвету, размерам и внешнему виду - 100 % рукавов, герметичности при гидравлическом давлении, прочности при разрыве гидравлическим давлением, бензостойкости внутреннего слоя рукавов класса II после воздействия контрольной смеси, прочности связи между элементами рукава, состоянию внутренней поверхности - на трех рукавах от партии.

3.3. Испытание рукавов на морозостойкость, изменение наружного диаметра при минимальном радиусе изгиба и растяжение концов в радиальном направлении изготовитель проводит периодически не реже одного раза в 3 месяца на двух рукавах от партии, прошедшей испытания по п. 3.2.

3.2, 3.3. (Измененная редакция, Изм. № 2).

3.4. (Исключен, Изм. № 4).

3.5. При получении неудовлетворительных результатов приемосдаточных испытаний хотя бы по одному из показателей, кроме испытаний на герметичность, по нему проводят повторные испытания на удвоенной выборке образцов, взятых от той же партии.

При получении неудовлетворительных результатов периодических испытаний изготовитель проверяет каждую партию или закладку до выяснения и устранения причин несоответствия их требованиям настоящего стандарта до получения положительных результатов испытаний на трех партиях или закладках подряд.

При неудовлетворительных результатах испытаний на герметичность подвергают проверке каждый рукав партии.

(Измененная редакция, Изм. № 2, 4).

4. МЕТОДЫ ИСПЫТАНИЙ

4.1. Контроль размеров до 500 мм осуществляют средствами измерений с погрешностью измерений в соответствии с требованиями ГОСТ 8.051-81.

(Измененная редакция, Изм. № 4).

4.1.1. Для измерения внутреннего диаметра рукава применяют калибры или штангенциркуль ШЦ-1, ШЦ-11 с ценой деления не более 0,1 мм по ГОСТ № 166-80.

Измерения проводят при положении рукава, удобном для проведения измерений.

Измерения проводят в торце рукава не менее, чем в трех направлениях. Для рукавов бездорновой конструкции - в четырех направлениях, с предварительно нанесенными метками.

Не допускается деформировать рукава при переходе от одного направления к другому.

Губки штангенциркуля доводят до касания со стенками рукава.

Для контроля контактного усилия необходимо уменьшить расстояние между губками на 0,2 мм. При этом штангенциркуль должен свободно под действием собственного веса проходить в отверстие.

При увеличении размера на 0,2 мм штангенциркуль должен зависать на рукаве при вертикальном расположении оси рукава. При проведении измерений штангенциркуль погружают в контролируемый рукав на всю длину. За результат измерений принимают среднее арифметическое значение показаний.

4.1.2. Наружный диаметр рукавов измеряют штангенциркулем по ГОСТ 166-80 в двух взаимно перпендикулярных направлениях. За результат измерения принимают среднее арифметическое значение двух измерений.

4.1.3. Длину рукавов измеряют рулеткой по ГОСТ 7502-89 с верхним пределом измерения 10 м, 3-го класса точности, ценой деления 1 мм, линейкой по ГОСТ 427-75 или счетчиком метража с погрешностью ± 1 %.

4.1.4. Разнотолщинность стенок рукавов определяют косвенным методом штангенциркулем по ГОСТ 166-80, ШЦ-1, 11 с отсчетом по нониусу 0,05 мм или стенкомером по ГОСТ 11353-89, измеряя толщину стенок в шести равномерно распределенных по торцу рукава точках. За результат измерения принимают разность между максимальным и минимальным значением толщины.

4.1.5. Отклонение от круглости (овальность) определяют штангенциркулем по ГОСТ 166-80, измеряя наружный диаметр рукава по торцу в двух взаимно перпендикулярных направлениях.

За результат измерения принимают значение половины разности диаметров, которое должно быть не более 0,5 допуска на указанный наружный диаметр.

4.1.1-4.1.5. (Введены дополнительно, Изм. № 4).

4.2. Внешний вид, цвет и маркировку при помощи рифов и рисок проверяют осмотром или сравнением с контрольным образцом.

(Измененная редакция, Изм. № 2).

4.3. Для определения морозостойкости от двух отобранных рукавов отрезают по одному образцу длиной не менее 300 мм и помещают его в холодильную камеру при температуре, указанной в пп. 2.4 или 2.5, на 4 ч. По истечении 4 ч образец, не вынимая его из холодильной камеры, изгибают на 180° два раза в противоположном направлении вокруг оправки диаметром R, где R - минимальный радиус изгиба.

После замораживания и изгиба на внутренней и наружной поверхностях образца не должно быть трещин. Для осмотра внутренней поверхности образец разрезают вдоль оси.

4.4. Для испытания рукавов на герметичность гидравлическим давлением от трех из отобранных рукавов отрезают но одному образцу длиной не менее 2 м. Один конец образца присоединяют к источнику давления и медленно наполняют рукав водой (или другой испытательной жидкостью) до полного удаления из него воздуха.

После этого второй конец рукава заглушают, постепенно повышают давление до испытательного, равного  %, и выдерживают рукав при этом давлении не менее 10 мин.

На рукаве не должно быть разрывов, просачивания воды в виде росы и местных вздутий.

Испытания проводят на стенде, аттестованном по ГОСТ 24555-81.

Давление контролируют манометром по ГОСТ 2405-88: для рабочего давления 0,63 МПа диапазон измерения от 0 до 4, класс точности 1,5, для рабочего давления 2,0 и 4,0 МПа диапазон измерения от 0 до 16 МПа, класс точности 1,5.

Время контролируют секундомером по ГОСТ 5072-79 3-го класса точности или сигнальными часами.

4.5. Для определения прочности рукавов при разрыве гидравлическим давлением от каждого из отобранных рукавов отрезают по одному образцу длиной не менее 2 м и испытывают по методу, указанному в п. 4.4, плавно повышают давление до значения 3Р.

Для определения прочности рукавов при разрыве гидравлическим давлением допускается использовать образцы, прошедшие испытания на герметичность по п. 4.4.

Испытания проводят на стенде, аттестованном по ГОСТ 24555-81.

Давление контролируют манометром по ГОСТ 2405-88: для рабочего давления 0,63 МПа диапазон измерения от 0 до 4, класс точности 1,5, для рабочего давления 2,0 и 4,0 МПа диапазон измерения от 0 до 16 МПа, класс точности 1,5.

Время контролируют секундомером по ГОСТ 5072-79 3-го класса точности или сигнальными часами.

4.4, 4.5. (Измененная редакция, Изм. № 2, 4).

4.6. Бензостойкость внутреннего слоя резины определяют по ГОСТ 9.030-74 на образцах резины (по одному от каждого рукава), изготовленных из отслоенного от рукава внутреннего слоя, тщательно очищенного от клея и нитей.

4.7. Прочность связи между элементами рукава испытывают по ГОСТ 6768-75. Для испытания вырезают из каждого отобранного рукава в продольном направлении один образец на расстоянии не менее 100 мм от конца. Для рукавов внутренним диаметром свыше 10 мм ширина образца должна быть (15,0 ± 0,5 мм). Допускается заготовлять образец шириной (25,0 ± 0,5) мм и симметрично надрезать наружный слой в продольном направлении (черт. 1), соблюдая указанную ширину.

Ширину образца измеряют линейкой по ГОСТ 427-75.

Прочность связи между элементами рукава для рукавов внутренним диаметром до 10 мм не определяют, а обеспечивается технологией изготовления.

Черт. 1

(Измененная редакция, Изм. № 1, 4).

4.8. Растяжение концов рукавов в радиальном направлении определяют, надевая рукав на коническую оправку с максимальным диаметром, равным наружному диаметру соответствующего ниппеля, или 130 % внутреннего диаметра испытуемого рукава. Отсутствие разрыва проверяют осмотром рукава.

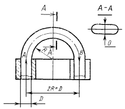
4.9. Для проверки изменения наружного диаметра рукава при минимальном радиусе изгиба от каждого из отобранных рукавов отрезают не менее одного образца длиной 0,7 м и определяют наружный диаметр, изгибая образец рукава на приспособлении, схема которого приведена на черт. 2.

Черт. 2

Изменение наружного диаметра (X) рукава при изгибе в процентах вычисляют по формуле

,

где D - наружный диаметр рукава до изгиба, мм;

О - длина наименьшей оси эллипса рукава при изгибе, мм.

Длину наименьшей оси эллипса измеряют штангенциркулем по ГОСТ 166-80.

(Измененная редакция, Изм. № 1, 4).

4.10. Состояние внутренней поверхности проверяют осмотром образцов длиной 300 мм, разрезанных вдоль оси, по одному от каждого рукава.

5. МАРКИРОВКА, УПАКОВКА, ТРАНСПОРТИРОВАНИЕ И ХРАНЕНИЕ

5.1. На каждом рукаве по всей длине или с интервалами, равными заказанной длине рукава, методом тиснения, цветной краской или другим способом должна быть нанесена маркировка с указанием:

а) наименования или товарного знака предприятия-изготовителя;

б) класса рукава;

в) внутреннего диаметра, мм;

г) даты изготовления: месяц и год (две последние цифры);

д) рабочего давления, МПа;

е) обозначении настоящего стандарта;

ж) изображения государственного Знака качества для рукавов высшей категории качества.

Для рукавов диаметром 6,3 мм допускается наносить изображение государственного Знака качества на ярлыке.

Цвет краски для маркировки должен быть белым на рукавах с цветным наружным слоем или цветными полосами.

На рукавах с черным наружным слоем цвет маркировки должен соответствовать классу рукава.

(Измененная редакция, Изм. № 2, 4).

5.2. Рукава, предназначенные для эксплуатации в условиях тропического климата, должны маркировать в соответствии с ГОСТ 15152-69, разд. 8.

Рукава, предназначенные для эксплуатации в условиях холодного климата, должны маркировать в соответствии с нормативно-технической документацией, утвержденной в установленном порядке.

Допускается на рукавах с рифленой поверхностью наносить маркировку методом тиснения, включая буквы «ХЛ» и «Т».

5.3. Рукава свертывают в бухты диаметром не менее 300 мм и связывают в трех местах тканевой ленточкой шириной 30-40 мм из миткаля (ГОСТ 1104-69) или другими перевязочными материалами, обеспечивающими сохранность упаковки. Применение перевязочных материалов из хлопчатобумажного волокна допускалось до 01.01.87.

К каждой бухте прикрепляют ярлык с указанием:

а) товарного знака или товарного знака и наименования предприятия-изготовителя;

б) общей длины рукава, м;

в) номера партии;

г) подписи упаковщика.

На одном конце каждого рукава или на ярлыке должен быть штамп технического контроля, а также буква Н для рукавов, изготовленных с применением непропитанных нитей на основе химических волокон.

(Измененная редакция, Изм. № 1, 2, 3, 4).

5.4. (Исключен, Изм. № 2).

5.5. Рукава транспортируют в крытых транспортных средствах транспортом всех видов в соответствии с правилами перевозок грузов, действующими на транспорте данного вида.

(Измененная редакция, Изм. № 4).

5.6. По согласованию между изготовителем и потребителем бухты упаковывают в мягкую тару.

(Измененная редакция, Изм. № 3).

5.6а. Транспортирование рукавов пакетами - по Правилам перевозки грузов.

(Введен дополнительно, Изм. № 4).

5.7. Транспортная маркировка - по ГОСТ 14192-77 с нанесением следующих дополнительных обозначений: класса рукавов, диаметра, общей длины, обозначения настоящего стандарта.

(Измененная редакция, Изм. № 3).

5.8. Рукава должны храниться в помещении при температуре от минус 20 до плюс 25 °С. Рукава должны храниться в бухтах высотой не более 1,5 м или в расправленном виде и размещаться на расстоянии не менее 1 м от теплоизлучающих приборов.

Перед монтажом рукава, хранившиеся при отрицательной температуре, должны быть выдержаны при комнатной температуре в течение не менее 24 ч.

Рукава должны быть защищены от воздействия прямых солнечных и тепловых лучей, от попадания на них масла, бензина, керосина иди действия их паров, а также от кислот, щелочей и других веществ, разрушающих резину и нитяной каркас.

Не допускается хранение рукавов вблизи работающего радиоэлектронного и другого оборудования, способного выделять озон, а также искусственных источников света, выделяющих ультрафиолетовые лучи.

(Измененная редакция, Изм. № 2).

6. ГАРАНТИИ ИЗГОТОВИТЕЛЯ

6.1. Изготовитель гарантирует соответствие рукавов требованиям настоящего стандарта при соблюдении потребителем условий эксплуатации, хранения и транспортирования.

6.2. Гарантийный срок хранения рукавов устанавливается два года с момента изготовления.

Гарантийный срок эксплуатации рукавов в пределах гарантийного срока хранения рукавов - одни год.

Приложение исключено, Изм. № 1.

ПРИЛОЖЕНИЕ

Справочное

Физико-механические показатели резины, применяемой для изготовления рукавов

Наименование показателей

Норма для резины

Метод испытания

внутреннего слоя

наружного слоя

умеренный климат

тропический климат

холодный климат

уверенный климат

тропический климат

холодный климат

1. Условная прочность при растяжении, МПа (кгс/см2), не менее

5 (50)

9 (90)

7 (70)

5 (50)

9 (90)

9 (90)

ГОСТ 270-75

Образец типа I или II толщиной (2,0 ± 0,2) мм

2. Относительное удлинение при разрыве, %, не менее

200

200

200

300

250

250

ГОСТ 270-75

Образец типа I или II толщиной (2,0 ± 0,2) мм

3. Изменение относительного удлинения при разрыве при старении в воздухе при температуре (100 ± 1) °С в течение (24,0 ± 0,5) ч, %, не более

40

30

30

40

30

30

ГОСТ 9.024-74

4. Твердость в единицах по Шору А, в пределах

55-85*

55-75

55-75

45-75*

55-75

55-75

ГОСТ 263-75

__________

* Норма твердости конкретной марки резины должна быть в пределах 20 условных единиц. Норма по п. 3 обязательна до 01.01.90 только для набора данных.

(Введено дополнительно, Изм. № 4).

ИНФОРМАЦИОННЫЕ ДАННЫЕ

1. РАЗРАБОТАН И ВНЕСЕН Министерством нефтеперерабатывающей и нефтехимической промышленности СССР

РАЗРАБОТЧИКИ

А.Ф. Семенов, И.И. Леонов, А.Т. Сухарев, В.А. Злобина, Г.П. Абакумова

2. УТВЕРЖДЕН И ВВЕДЕН В ДЕЙСТВИЕ Постановлением Государственного комитета СССР по стандартам от 29.07.75 № 1979

3. Стандарт соответствует международному стандарту ИСО 3821-77

4. ВЗАМЕН ГОСТ 9356-60

5. ССЫЛОЧНЫЕ НОРМАТИВНО-ТЕХНИЧЕСКИЕ ДОКУМЕНТЫ

Обозначение НТД, на который дана ссылка

Номер пункта, приложения

ГОСТ 8.051-81

4.1

ГОСТ 9.024-74

Приложение

ГОСТ 9.030-74

4.6

ГОСТ 166-80

4.1.1, 4.1.2, 4.1.4, 4.1.5, 4.9

ГОСТ 263-75

Приложение

ГОСТ 270-75

Приложение

ГОСТ 427-75

4.1.3, 4.7

ГОСТ 1104-69

5.3

ГОСТ 2084-77

1.1

ГОСТ 2405-88

4.4, 4.5

ГОСТ 3134-78

1.1

ГОСТ 5072-79

4.4, 4.5

ГОСТ 5789-78

2.8

ГОСТ 6768-75

4.7

ГОСТ 7502-89

4.1.3

ГОСТ 11358-89

4.1.4

ГОСТ 12433-83

2.8

ГОСТ 14192-77

5.7

ГОСТ 14710-78

2.8

ГОСТ 15150-69

2.3

ГОСТ 15152-69

2.3, 5.2

ГОСТ 24555-81

4.4, 4.5

6. ПЕРЕИЗДАНИЕ (декабрь 1989 г.) с Изменениями № 1, 2, 3, 4, утвержденными в июле 1978 г., феврале 1983 г., ноябре 1985 г., июне 1988 г. (ИУС 7-78, 6-83, 2-86, 11-88)

7. Срок действия продлен до 01.01.94 (Постановление Госстандарта СССР от 28.06.88 № 2461)

СОДЕРЖАНИЕ

 



уроки по алготрейдингу на Python с нуля



Яндекс цитирования

   Copyright © 2008-2026 ,  www.infosait.ru

backtrader - уроки алготрейдинга на python