|
|
Все документы, представленные в каталоге, не являются их официальным изданием и предназначены исключительно для ознакомительных целей. Электронные копии этих документов могут распространяться без всяких ограничений. Вы можете размещать информацию с этого сайта на любом другом сайте.
ГОСТ 6382-2001 (ИСО 562-98, ИСО 5071-1-97) ТОПЛИВО ТВЕРДОЕ МИНЕРАЛЬНОЕ Методы определения выхода летучих веществ МЕЖГОСУДАРСТВЕННЫЙ
СОВЕТ
| |||||||||||||||||||||||||||||||||||||||||||||||||||||||||||||||
|
Наименование государства |
Наименование национального органа по стандартизации |
|
Азербайджанская Республика |
Азгосстандарт |
|
Республика Армения |
Армгосстандарт |
|
Республика Беларусь |
Госстандарт Республики Беларусь |
|
Республика Казахстан |
Госстандарт Республики Казахстан |
|
Кыргызская Республика |
Кыргызстандарт |
|
Республика Молдова |
Молдовастандарт |
|
Российская Федерация |
Госстандарт России |
|
Республика Таджикистан |
Таджикстандарт |
|
Туркменистан |
Главгосслужба «Туркменстандартлары» |
|
Республика Узбекистан |
Узгосстандарт |
3 Раздел 3 настоящего стандарта представляет собой идентичный текст международного стандарта ИСО 562-98 «Каменный уголь и кокс. Определение выхода летучих веществ», раздел 4.2 настоящего стандарта представляет собой идентичный текст международного стандарта ИСО 5071-1-97 «Бурые угли и лигниты. Определение выхода летучих веществ из аналитической пробы. Метод двух печей» с дополнительными требованиями, отражающими потребности экономики страны
4 Постановлением Государственного комитета Российской Федерации по стандартизации и метрологии от 28 февраля 2002 г. № 82-ст межгосударственный стандарт ГОСТ 6382-2001 (ИСО 562-98, ИСО 5071-1-97) введен в действие непосредственно в качестве государственного стандарта Российской Федерации с 1 января 2003 г.
Введение
Выход летучих веществ определяют как потерю массы навески твердого топлива за вычетом влаги при нагревании без доступа воздуха в стандартных условиях.
Результаты испытания являются относительными, поэтому для достижения воспроизводимости необходимо соблюдать постоянные скорость нагрева, конечную температуру и продолжительность нагрева. Для уменьшения окисления навески топлива при нагревании доступ кислорода к пробе должен быть ограничен. Это достигается применением тиглей с пришлифованными или притертыми крышками, допускающими свободное удаление летучих веществ, но препятствующими проникновению кислорода.
Потеря массы навески топлива при нагревании обусловлена также разложением минеральных веществ, входящих в состав топлива.
Аппаратура и метод испытания позволяют проводить в муфельной печи одно или несколько определений одновременно.
При испытании бурых углей и лигнитов возможно бурное выделение летучих веществ, сопровождающееся выбросом частиц твердого вещества из тигля, что искажает результат определения. Для снижения до минимума вероятности уноса частиц из тигля в процессе нагрева предусмотрены специальные способы: брикетирование навески, нагрев в двух печах.
ГОСТ 6382-2001
(ИСО 562-98,
ИСО 5071-1-97)
ТОПЛИВО ТВЕРДОЕ МИНЕРАЛЬНОЕ
Методы определения выхода летучих веществ
Solid mineral fuel. Methods for determination of volatile matter yield
Настоящий стандарт распространяется на лигниты, бурые и каменные угли, антрациты, горючие сланцы, продукты обогащения, брикеты и коксы (далее - топливо) и устанавливает гравиметрические методы определения выхода летучих веществ:
- в каменных углях, антрацитах, горючих сланцах, брикетах, продуктах обогащения и коксах (далее - в каменных углях и коксах);
- в лигнитах, бурых углях, брикетах и продуктах переработки (далее - в бурых углях).
Для определения выхода летучих веществ в бурых углях настоящий стандарт устанавливает два альтернативных метода, отличающихся способом, снижающим до минимума вероятность выброса твердого вещества из тигля в процессе нагрева: с предварительным брикетированием навески и нагрев в двух печах.
Дополнительные требования, отражающие потребности экономики страны, выделены курсивом.
В настоящем стандарте использованы ссылки на следующие стандарты:
ГОСТ 450-77 Кальций хлористый технический. Технические условия
ГОСТ 1186-87 Угли каменные. Метод определения пластометрических показателей
ГОСТ 3044-94* Преобразователи термоэлектрические. Номинальные статические характеристики преобразования
ГОСТ 4204-77 Кислота серная. Технические условия
ГОСТ 4790-80 Топливо твердое. Метод фракционного анализа
ГОСТ 5582-75 Прокат тонколистовой коррозионно-стойкий, жаростойкий и жаропрочный. Технические условия
ГОСТ 5955-75 Реактивы. Бензол. Технические условия
ГОСТ 9147-80 Посуда и оборудование лабораторные фарфоровые. Технические условия
ГОСТ 9293-74 (ИСО 2435-73) Азот газообразный и жидкий. Технические условия
ГОСТ 10742-71 Угли бурые, каменные, антрацит, горючие сланцы и угольные брикеты. Методы отбора и подготовки проб для лабораторных испытаний
ГОСТ 11014-2001 Угли бурые, каменные, антрацит и горючие сланцы. Ускоренные методы определения влаги
ГОСТ 13455-91 (ИСО 925-80) Топливо твердое минеральное. Методы определения диоксида углерода карбонатов
ГОСТ 14198-78 Циклогексан технический. Технические условия
ГОСТ 23083-78 Кокс каменноугольный, пековый и термоантрацит. Методы отбора и подготовки проб для испытаний
ГОСТ 25336-82 Посуда и оборудование лабораторные стеклянные. Типы, основные параметры и размеры
ГОСТ 27313-95 (ИСО 1170-77) Топливо твердое минеральное. Обозначение показателей качества и формулы пересчета результатов анализа для различных состояний топлива
ГОСТ 27314-91 (ИСО 589-81) Топливо твердое минеральное. Методы определения влаги
ГОСТ 27589-91 (ИСО 687- 74) Кокс. Метод определения влаги в аналитической пробе
_____________
* В Российской Федерации действует ГОСТ Р 8.585-2001.
3.1 Сущность метода
Навеску пробы нагревают без доступа воздуха при температуре 900 °С в течение 7 мин. Выход летучих веществ в процентах рассчитывают по потере массы навески за вычетом потери массы, обусловленной влажностью пробы.
3.2 Реактивы
3.2.1 Осушающие вещества для эксикатора:
- кислота серная по ГОСТ 4204;
- кальций хлористый по ГОСТ 450;
- оксид алюминия активированный;
- перхлорат магния (ангидрон).
3.2.2 Циклогексан по ГОСТ 14198 или бензол по ГОСТ 5955.
3.3 Аппаратура
3.3.1 Муфельная печь с электрообогревом и зоной постоянной температуры (900 ± 5) °С. Используют муфель с глухой задней стенкой или отводной трубкой на задней стенке диаметром 25 мм и длиной 150 мм (рисунок 1).

1 - зона постоянной температуры; 2 - контрольная термопара; 3 - камера (ширина 200 мм); 4 - отводная трубка; 5 - клапан; 6 - термопара; 7 - нагревательная система
Рисунок 1 - Муфельная печь с электрообогревом
Примечание - В муфельных печах с отводной трубкой передняя дверца должна быть плотно закрыта. Отводная трубка незначительно выступает над печью и должна быть снабжена клапаном для ограничения потока воздуха через муфельную печь.
Тепловая мощность муфельной печи должна быть такой, чтобы после внесения в печь холодной подставки с тиглями температура в печи, равная 900 °С, восстанавливалась не более чем за 4 мин. Температуру измеряют с помощью термопары (3.3.2).
В муфельной печи обычной конструкции (рисунок 1) при проведении одновременно нескольких определений на одной подставке зона постоянной температуры должна быть не менее 160×100 мм. Для одного определения на индивидуальной подставке диаметр зоны с постоянной температурой составляет 40 мм.
Температуру 900 °С в печи следует поддерживать как можно точнее. Допускаемое отклонение ±5 °С включает возможные ошибки измерения температуры и неоднородность ее распределения.
Подставку с тиглями помещают в зону постоянной температуры печи, и это положение используют при проведении всех определений.
3.3.2 Термопара - преобразователь термоэлектрический для измерения температуры до 1000°С по ГОСТ 3044 с измерительным устройством.
Температуру в печи контролируют незачехленной термопарой из проволоки толщиной не более 1 мм. Спай термопары должен быть посередине между дном тигля, находящегося на подставке, и подом печи. Если используют подставку с несколькими тиглями, температуру проверяют под каждым тиглем. Допускается проверять температуру над тиглями на одном и том же уровне в зоне устойчивого нагрева печи.
При необходимости в печи может быть постоянно установлена зачехленная термопара, причем ее спай помещают как можно ближе к центру зоны с постоянной температурой.
Показания зачехленной термопары необходимо через короткие интервалы времени сравнивать с показаниями незачехленной термопары, которую вносят в печь при необходимости.
Примечание - Соотношение температура/электродвижущая сила спая термопары, находящейся при повышенных температурах, со временем постепенно изменяется.
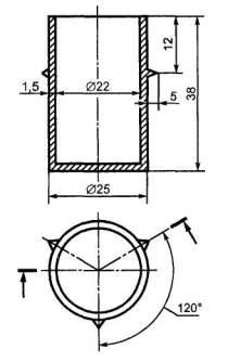
Цилиндрический тигель с хорошо подогнанной крышкой изготовлен из плавленного кварцевого стекла. Масса тигля с крышкой должна быть от 10 до 14 г, размеры указаны на рисунке 2. Крышка должна плотно прилегать к тиглю, горизонтальный зазор между ними должен быть не более 0,5 мм. Подобранную крышку пришлифовывают к тиглю, делая соприкасающиеся поверхности гладкими.
Примечание - Для проведения испытаний сильно вспучивающихся углей необходимо применять более высокие тигли. Увеличение высоты тигля до 45 мм не оказывает влияния на результат определения, если сохраняется скорость восстановления температуры в печи.


Рисунок 2 - Кварцевый тигель с крышкой
(Поправка. ИУС 11-2003)
Допускается использовать тигли из другого огнеупорного материала или платины, если получаемые при этом результаты совпадают с результатами, полученными при использовании кварцевых тиглей в пределах допускаемых расхождений.
Допускается использовать фарфоровые тигли № 3 высокой формы с крышками по ГОСТ 9147. Крышки должны быть подогнаны и тщательно притерты, причем притирку крышек к фарфоровым тиглям производят механически вращением до образования желобка на внутренней поверхности крышки.
Тигли с подобранной и притертой крышкой должны быть одинаково маркированы, прокалены при температуре (900±5) °С до постоянной массы и храниться в эксикаторе с осушающим веществом.
3.3.4 Подставка, на которой тигли помещают в муфельную печь, позволяет соблюдать установленную скорость нагрева. Допускается применять следующие подставки:
а) для единичного определения - кольцо из термостойкой стальной проволоки (рисунок 3а) с керамическим или асбестовым диском диаметром 25 мм и толщиной от 1,5 до 2 мм, помещенным на внутренние выступы опор;
б) для проведения одновременно нескольких определений (двух, четырех или шести) – каркас из термостойкой стальной проволоки с керамическими пластинами толщиной 2 мм, на которые ставят тигли (рисунок 3 б), или подставка из листовой жаропрочной стали по ГОСТ 5582 (рисунок 4), обычно на шесть тиглей.
Размеры подставки должны обеспечивать возможность размещения тиглей в зоне устойчивой температуры печи, а также расстояние 20 мм между дном тигля и подом печи.

а - подставка для одного тигля; б - подставка для нескольких тиглей
1 - три ножки, с интервалом 120 °; 2 - керамические пластины
Рисунок 3 - Подставки для тиглей из термостойкой проволоки
3.3.5 Весы с погрешностью взвешивания не более 0,1 мг.
Допускается применять весы с погрешностью взвешивания не более 0,2 мг.

Рисунок 4 - Подставка для тиглей из листовой стали
3.3.7 Эксикатор по ГОСТ 25336 с осушающим веществом (3.2.1).
3.4 Подготовка пробы
3.4.1 Отбор и подготовка проб - по ГОСТ 10742 и ГОСТ 23083.
Для определения выхода летучих веществ используют аналитическую пробу, измельченную до прохождения частиц через сито размером отверстий 212 мкм. Пробу доводят до воздушно-сухого состояния, разложив тонким слоем на время, необходимое для установления приблизительного равновесия между влажностью угля и окружающей атмосферы.
Одновременно с определением выхода летучих веществ из другой навески пробы определяют массовую долю влаги по ГОСТ 27314, ГОСТ 11014 или ГОСТ 27589.
Перед началом определения воздушно-сухую пробу тщательно перемешивают.
3.4.2 Если определение выхода летучих веществ в каменных углях и антрацитах проводят с целью классификации, зольность их должна быть не более 10 %. Если зольность пробы превышает 10 %, пробу обогащают в органических или неорганических жидкостях в соответствии с ГОСТ 1186 и ГОСТ 4790.
Каменные угли обогащают в жидкостях плотностью от 1500 до 1600 кг/м3, а антрациты - 1800 кг/м3 (хлорид цинка). Если после обогащения проб каменных углей и антрацитов их зольность превышает 10 %, определение выхода летучих веществ всплывшей фракции определяют при фактической зольности.
3.5 Проведение испытания
3.5.1 Контроль за температурой в муфельной печи
В муфельной печи устанавливают температуру (900 ± 5) °С с помощью постоянно установленной зачехленной термопары. В зону постоянной температуры печи помещают подставку, заполненную пустыми тиглями с крышками. Проверяют температуру под каждым тиглем на одной и той же высоте с помощью незачехленной термопары. Найденные значения должны находиться в пределах допустимых отклонений от температуры рабочей зоны.
Допускается помещать спай незачехленной термопары на одной и той же высоте над тиглями в пределах зоны устойчивого нагрева.
Примечание - Температуру в печи проверяют до начала определений. Если в течение одного дня проводят несколько серий определений, температуру в печи контролируют один раз в день. При проверке скорости восстановления температуры в печи поступают аналогичным образом.
3.5.2 Подготовка к испытанию
3.5.2.1 Пустые тигли закрывают крышками, устанавливают на подставку, заполняя все гнезда, и быстро помещают в зону устойчивой температуры муфельной печи, нагретой до (900 ± 5) °С.
Тигли выдерживают в закрытой печи в течение 7 мин. Температура, понизившаяся при установке тиглей в печь, снова должна достичь (900 ± 5) °С не более чем за 4 мин.
Вынимают подставку с тиглями из печи, охлаждают на металлической или асбестовой пластине в течение 5 мин, не снимая крышек, после чего тигли помещают в эксикатор и охлаждают до комнатной температуры вблизи весов.
После охлаждения пустые тигли с крышками взвешивают.
3.5.2.2 В тигель помещают пробу массой (1 ± 0,01) г, закрывают тигель крышкой и взвешивают с точностью до 0,1 или 0,2 мг. Навеску распределяют по дну тигля ровным слоем, слегка постукивая тиглем о чистую сухую поверхность.
3.5.2.3 При анализе кокса снимают крышку с тигля, добавляют к навеске 2-4 капли циклогексана и снова закрывают тигель крышкой. Допускается вместо циклогексана использовать бензол (3.2.2).
Примечание - Добавление циклогексана препятствует окислению кокса.
3.5.3 Определение выхода летучих веществ
3.5.3.1 Тигли с навесками, закрытые крышками, помещают в гнезда холодной подставки, переносят в муфельную печь, закрывают дверцу печи и оставляют на 7 мин ±5 с.
Температура, понизившаяся при установке тиглей в печь, снова должна достичь (900 ± 5) ºС не более чем за 4 мин. В противном случае испытание повторяют.
Вынимают подставку с тиглями из печи и охлаждают на металлической или асбестовой пластине в течение 5 мин. После этого тигли, закрытые крышками, помещают в эксикатор и охлаждают до комнатной температуры вблизи весов.
После охлаждения тигли с нелетучим остатком взвешивают.
3.5.3.2 После испытания тигли освобождают от нелетучего остатка. Открытые тигли с крышками прокаливают в муфельной печи, охлаждают, освобождают от зольного остатка и хранят в эксикаторе с осушающим веществом.
3.5.3.3 Допускается исключить обязательное прокаливание пустых тиглей непосредственно перед каждым взятием навески (3.5.2.1). Хранение предварительно прокаленных тиглей (3.3.3) в эксикаторе с осушающим веществом и уточнение массы тигля непосредственно перед взятием навески являются достаточными условиями для получения результатов в пределах допускаемых расхождений (3.7).
1 Выход летучих веществ пробы определяют параллельно в двух навесках. Навески одной и той же пробы не рекомендуется испытывать на одной подставке.
2 Все свободные места на подставке заполняют пустыми тиглями.
3 Одинаковая процедура прокаливания тиглей до и во время испытания сводит к минимуму влияние влаги, поглощаемой поверхностью тигля, а быстрое охлаждение тигля уменьшает возможность поглощения влаги нелетучим остатком. Эти процедуры являются желательными, но не обязательными для достижения результатов в пределах допускаемых расхождений (3.5.3.3).
3.5.4 Характеристика нелетучего остатка
Нелетучие остатки, полученные после определения выхода летучих веществ (кроме кокса), характеризуют в зависимости от внешнего вида и прочности следующим образом:
порошкообразный;
слипшийся - при легком нажиме пальцем рассыпается в порошок;
слабоспекшийся - при легком нажиме пальцем раскалывается на отдельные кусочки;
спекшийся, не сплавленный - для раскалывания на отдельные кусочки необходимо приложить усилие;
сплавленный, не вспученный - плоская лепешка с серебристым металлическим блеском поверхности;
сплавленный, вспученный - вспученный нелетучий остаток с серебристым металлическим блеском поверхности высотой менее 15 мм;
сплавленный, сильно вспученный - вспученный нелетучий остаток с серебристым металлическим блеском поверхности высотой более 15 мм.
3.6 Обработка результатов
3.6.1 Выход летучих веществ из аналитической пробы испытуемого топлива Vа, %, вычисляют по формуле
![]()
где m1 - масса пустого тигля с крышкой, г;
m2 - масса тигля с крышкой и пробой до испытания, г;
m3 - масса тигля с крышкой и нелетучим остатком после испытания, г;
Wa - массовая доля влаги в аналитической пробе, %, определяемая по ГОСТ 27314, ГОСТ 11014, ГОСТ 27589.
3.6.2 Выход нелетучего остатка из аналитической пробы испытуемого топлива (NV)a, %, вычисляют по формуле
![]()
или
.
3.6.3 Если массовая доля диоксида углерода из
карбонатов в пробе топлива составляет более 2 %, выход летучих веществ с поправкой
на диоксид углерода из карбонатов
, %, вычисляют по формуле

где (СО2)а - массовая доля диоксида углерода из карбонатов в аналитической пробе, определяемая по ГОСТ 13455, %;
- массовая
доля диоксида углерода из карбонатов в нелетучем остатке, определяемая по ГОСТ
13455, %.
3.6.4 Результаты испытания вычисляют с точностью до второго десятичного знака, а окончательный результат округляют до первого десятичного знака.
3.6.5 Перерасчет результатов анализа на другие состояния топлива производят по ГОСТ 27313.
Точность метода приведена в таблице 1.
|
Наименование угля |
Максимально допустимое расхождение между результатами (пересчитанными на одинаковую массовую долю влаги) |
|
|
Сходимость |
Воспроизводимость |
|
|
Каменные угли антрациты, сланцы горючие с выходом летучих веществ не менее 10 % |
0,3 % абс. |
0,5 % абс. |
|
Каменные угли антрациты, сланцы горючие с выходом летучих веществ более 10 % |
3 % среднего результата |
0,5 % абс. или 4 % большего результата |
|
Кокс |
0,2 % абс. |
0,3 % абс. |
Разность результатов двух определений (проведенных в течение короткого промежутка времени, но не одновременно), выполненных в одной лаборатории одним исполнителем с использованием одной и той же аппаратуры из представительных навесок одной и той же аналитической пробы, не должна превышать указанную в таблице 1.
Разность средних значений результатов двух определений, выполненных в двух разных лабораториях из представительных порций, отобранных из одной и той же пробы для общего анализа, не должна превышать указанную в таблице 1.
3.7.3 Если расхождение между результатами двух определений больше значения, приведенного в таблице 1, проводят третье определение. За результат испытания принимают среднее арифметическое результатов двух определений, находящихся в пределах допускаемых расхождений.
Если результат третьего определения находится в пределах допускаемых расхождений по отношению к каждому из двух предыдущих результатов, за результат испытаний принимают среднее арифметическое результатов трех определений.
Протокол испытаний должен содержать следующие данные:
- характеристику испытуемой пробы;
- метод определения (обозначение настоящего стандарта);
- дату проведения испытания;
- результаты определения, в пересчете на воздушно-сухое состояние пробы, одновременно с результатами определения массовой доли влаги и зольности, также в пересчете на воздушно-сухое состояние пробы;
- особенности, замеченные при проведении анализа;
- любые операции, не предусмотренные настоящим стандартом, или необязательные.
4.1.1 Сущность метода
Навеску воздушно-сухой пробы брикетируют. Брикет нагревают без доступа воздуха при 900 ºС в течение 7 мин. Выход летучих веществ в процентах рассчитывают по потере массы брикета за вычетом потери массы, обусловленной влажностью пробы.
4.1.2 Реактивы
4.1.2.1 Осушающие вещества для эксикатора по 3.2.1.
4.1.3 Аппаратура
4.1.3.1 Муфельная печь по 3.3.1.
4.1.3.2 Термопара по 3.3.2.
4.1.3.3 Тигель с крышкой по 3.3.3.
4.1.3.4 Подставка по 3.3.4.
4.1.3.5 Весы по 3.3.5.
4.1.3.6 Секундомер по 3.3.6.
4.1.3.7 Эксикатор по 3.3.7.
4.1.3.8 Пресс лабораторный ручной с диаметром матрицы не более 15 мм.
4.1.4 Подготовка пробы - по 3.4.1
Пробу, доведенную до воздушно-сухого состояния, брикетируют. Для этого навеску угля массой 1 г помещают в матрицу лабораторного пресса (4.1.3.8), поворотом рукоятки опускают пуансон и нажимают на уголь до образования брикета. Полученный брикет вынимают из пресса.
4.1.5 Проведение испытания
4.1.5.1 Контроль за температурой в муфельной печи - по 3.5.1.
4.1.5.2 Подготовка к проведению испытания - по 3.5.2.1
В тигель помещают брикет массой (1 ± 0,01) г, закрывают тигель крышкой и взвешивают.
4.1.5.3 Определение выхода летучих веществ - по 3.5.3.
4.2.1 Сущность метода
Навеску пробы нагревают без доступа воздуха при температуре 400 °С в течение 7 мин, затем быстро переносят в другую печь, нагретую до температуры 900 °С, где выдерживают в течение следующих 7 мин. Выход летучих веществ в процентах рассчитывают по потере массы сухой навески или по потере массы навески воздушно-сухой пробы за вычетом влаги.
4.2.2 Реактивы
4.2.2.1 Осушающие вещества для эксикатора по 3.2.1.
4.2.2.2 Азот сухой по ГОСТ 9293 с максимальной объемной долей кислорода до 0,4 %.
4.2.3 Аппаратура
4.2.3.1 Муфельная печь по 3.3.1..
4.2.3.2 Муфельная печь, аналогичная печи 3.3.1., в которой поддерживают температуру (400 ± 10) ºС.
4.2.3.3 Сушильный шкаф с терморегулятором, обеспечивающим температуру от 105 до 110 °С, и установкой для пропускания потока сухого азота, свободного от кислорода, со скоростью, обеспечивающей 15-кратный обмен газа в час. Размеры сушильного шкафа должны быть пригодными для размещения в нем тигля (4.2.3.5).
4.2.3.4 Термопара по 3.3.2.
4.2.3.5 Тигель с крышкой по 3.3.3.
4.2.3.6 Подставка по 3.3.4.
4.2.3.7 Весы по 3.3.5.
4.2.3.8 Секундомер по 3.3.6.
4.2.3.9 Эксикатор по 3.3.7.
4.2.4. Подготовка пробы - по 3.4.1.
4.2.5 Проведение испытания
4.2.5.1 Контроль за температурой в муфельных печах - по 3.5.1
Во второй муфельной печи устанавливают температуру (400 ± 10) °С и контролируют ее так же, как в печи с температурой (900 ± 5) °С.
4.2.5.2 Подготовка к испытанию - по 3.5.2.1 и 3.5.2.2.
4.2.5.3 Испытание с предварительным высушиванием пробы в сушильном шкафу
Тигель с навеской и сдвинутой крышкой помещают в сушильный шкаф (4.2.3.3), в котором поддерживают температуру от 105 до 110 °С. Высушивают навеску до постоянной массы, как при определении влаги по ГОСТ 27313. Массу тигля с крышкой и высушенной пробой записывают с точностью до 0,1 или 0,2 мг.
Тигель (тигли) с сухой пробой, закрытый крышкой, помещают на подставку (примечание 2 к 3.5), переносят в муфельную печь, нагретую до 400 °С, и оставляют на 7 мин. После этого сразу же переносят подставку с тиглем (тиглями) в муфельную печь, нагретую до 900 °С, на следующие 7 мин. Вынимают подставку с тиглем (тиглями) из печи и охлаждают на металлической или асбестовой пластине в течение 5 мин. После этого тигли, не снимая крышек, помещают в эксикатор и охлаждают до комнатной температуры вблизи весов. Остывшие тигли с нелетучим остатком взвешивают.
После испытания тигли освобождают от нелетучего остатка (3.5.3.2 и 3.5.3.3).
4.2.5.4 Испытание аналитической (воздушно-сухой) пробы
Тигель (тигли) с навеской аналитической (воздушно-сухой) пробы, закрытый крышкой (крышками), помещают на холодную подставку (примечание 2 к 3.5) и переносят сначала в муфельную печь, нагретую до 400 °С, на 7 мин, а затем сразу же - в муфельную печь, нагретую до 900 °С, на следующие 7 мин. Вынимают подставку с тиглями из печи и охлаждают на металлической или асбестовой пластине в течение 5 мин. После этого тигли, не снимая с них крышек, помещают в эксикатор, охлаждают до комнатной температуры вблизи весов. Охлажденные тигли с нелетучим остатком взвешивают.
После испытания тигли освобождают от нелетучего остатка (3.5.3.2 и 3.5.3.3).
Примечание - При испытании некоторых бурых углей, лигнитов и продуктов их переработки не удается избежать выброса твердых частиц из тигля ни при использовании метода двух печей, ни при использовании метода с предварительным брикетированием пробы. В таких случаях воздушно-сухой уголь брикетируют и затем определяют выход летучих веществ в двух печах.
4.2.6 Обработка результатов
4.2.6.1 Выход летучих веществ из сухой пробы испытуемого топлива (4.2.5.3) Vd, %, вычисляют по формуле
![]()
где m1 - масса пустого тигля с крышкой, г;
m4 - масса тигля с крышкой и сухой пробой до испытания, г;
m5 - масса тигля с крышкой и нелетучим остатком после испытания, г.
4.2.6.2 Выход летучих веществ из аналитической (воздушно-сухой) пробы испытуемого топлива (4.2.5.4) Va, %, вычисляют по 3.6.1.
4.2.7 Точность метода
Точность метода приведена в таблице 2.
Наименование угля |
Максимально допустимое расхождение между результатами (пересчитанными на одинаковую массовую долю влаги) |
|
|
Сходимость |
Воспроизводимость |
|
|
Бурые угли |
1,0 % абс. |
3,0 % абс. |
4.2.7.1 Сходимость (см. 3.7.1 и 3.7.3).
4.2.7.2 Воспроизводимость (см. 3.7.2).
4.2.8 Протокол испытаний (см. 3.8).
Ключевые слова: твердое минеральное топливо, каменный уголь, бурый уголь, антрацит, горючие сланцы, кокс, метод определения, выход летучих веществ
|