ИНФОСАЙТ.ру
Госты, стандарты, нормативы. В библиотеке 60000 документов. Регулярное обновление. Круглосуточный бесплатный доступ!
БИБЛИОТЕКА ГОСТОВ, СТАНДАРТОВ И НОРМАТИВОВ

:: АЛГОТРЕЙДИНГ ::


АЛГОТРЕЙДИНГ
шаг за шагом


БЕСПЛАТНЫЕ УРОКИ по созданию торговых роботов на PYTHON с нуля, шаг за шагом.


Минимальные знания на PYTHON.
Библиотеки BackTrader и Pandas, сигналы с Pine Script из TradingView.
Связка с брокерами, телеграм.
Создание простых интерфейсов.

 

Все документы, представленные в каталоге, не являются их официальным изданием и предназначены исключительно для ознакомительных целей. Электронные копии этих документов могут распространяться без всяких ограничений. Вы можете размещать информацию с этого сайта на любом другом сайте.


ГОСТ Р 51393-99

ГОСУДАРСТВЕННЫЙ СТАНДАРТ РОССИЙСКОЙ ФЕДЕРАЦИИ

ПРОКАТ ТОНКОЛИСТОВОЙ ХОЛОДНОКАТАНЫЙ И ГНУТЫЕ ПРОФИЛИ ИЗ КОРРОЗИОННОСТОЙКОЙ СТАЛИ ДЛЯ ВАГОНОСТРОЕНИЯ

Технические условия

ГОССТАНДАРТ РОССИИ
Москва

Предисловие

1 РАЗРАБОТАН и ВНЕСЕН Всероссийским научно-исследовательским институтом железнодорожного транспорта (ВНИИЖТ), Центральным научно-исследовательским институтом черной металлургии (ЦНИИЧермет), АО «Тверской вагоностроительный завод» (АО ТВЗ), АО «Челябинский металлургический комбинат» (АО Мечел), ЗАО «Магнитогорский металлургический комбинат»

2 ПРИНЯТ И ВВЕДЕН В ДЕЙСТВИЕ Постановлением Госстандарта России от 16 декабря 1999 г. № 519-ст

3 ВВЕДЕН ВПЕРВЫЕ

Введение

Настоящий стандарт разрабатывается впервые и устанавливает технические требования к тонколистовому прокату и холодногнутым гофрированным профилям из коррозионностойкой стали, предназначенным для изготовления кузовов железнодорожного подвижного состава.

Специфика работы, повышенные требования к надежности железнодорожного подвижного состава, значительный объем потребления тонколистового проката и холодногнутого профиля из коррозионностойкой стали, а также особенности технических требований к прокату делают целесообразным выделение этого вида металлопродукции в самостоятельную подгруппу и разработку на ее поставку отдельного государственного стандарта.

Содержание

ГОСУДАРСТВЕННЫЙ СТАНДАРТ РОССИЙСКОЙ ФЕДЕРАЦИИ

ПРОКАТ ТОНКОЛИСТОВОЙ ХОЛОДНОКАТАНЫЙ И ГНУТЫЕ ПРОФИЛИ ИЗ КОРРОЗИОННОСТОЙКОЙ СТАЛИ ДЛЯ ВАГОНОСТРОЕНИЯ

Технические условия

Corrosion-resistant steel cold rolled sheets and decks cold-shaped sections for carriage building.
Specifications

Дата введения 2000-07-01

1 Область применения

1.1 Настоящий стандарт распространяется на тонколистовой холоднокатаный прокат и гнутые профили из коррозионностойкой стали, предназначенные для изготовления обшивы и каркаса кузовов пассажирских вагонов.

1.2 Стандарт устанавливает требования к маркам стали, механическим свойствам, качеству поверхности тонколистового проката, являющегося заготовкой для изготовления холодногнутых профилей и сварных панелей, а также к форме, размерам, качеству изготовления и состоянию поверхности гнутых (гофрированных) профилей.

2 Нормативные ссылки

В настоящем стандарте использованы ссылки на следующие стандарты:

ГОСТ 427-75 Линейки измерительные металлические. Технические условия

ГОСТ 2789-73 Шероховатость поверхности. Параметры и характеристики

ГОСТ 3560-73 Лента стальная упаковочная. Технические условия

ГОСТ 5582-75 Прокат тонколистовой коррозионностойкий, жаростойкий, жаропрочный. Технические условия

ГОСТ 5632-72 Стали высоколегированные и сплавы коррозионностойкие, жаростойкие и жаропрочные. Марки

ГОСТ 6009-74 Лента стальная горячекатаная. Технические условия

ГОСТ 6032-89 Стали и сплавы коррозионностойкие. Методы испытания на стойкость против межкристаллитной коррозии

ГОСТ 6507-90 Микрометры. Технические условия

ГОСТ 7502-89 Рулетки измерительные металлические. Технические условия

ГОСТ 7565-81 Чугун, сталь и сплавы. Метод отбора проб для химического состава

ГОСТ 7566-94 Металлопродукция. Приемка, маркировка, упаковка, транспортирование и хранение

ГОСТ 11474-76 Профили стальные гнутые. Технические условия

ГОСТ 11701-84 Металлы. Методы испытания на растяжение тонких листов и лент

ГОСТ 14019-80 Металлы. Методы испытания на изгиб

ГОСТ 19904-90 Прокат листовой холоднокатаный. Сортамент

ГОСТ 21650-76 Средства скрепления тарно-штучных грузов в транспортных пакетах. Общие требования

ГОСТ 24597-81 Пакеты тарно-штучных грузов. Основные параметры и размеры

ГОСТ 26877-91 Металлопродукция. Методы измерения отклонений формы

3 Определения

В настоящем стандарте применяют следующие термины с соответствующими определениями:

3.1 сталь коррозионностойкая: Сталь, содержащая не менее 12 % хрома и дополнительно легированная никелем, титаном, молибденом, азотом, марганцем, медью в зависимости от степени агрессивности рабочей среды и требований к механическим свойствам.

3.2 тонколистовой прокат: Прокатное изделие, поставляемое в листах (рулонах) толщиной менее 3 мм.

3.3 холодногнутый гофрированный профиль: Длинное изделие с продольными полукруглыми или трапециевидными гофрами поперечным сечением, одинаковым по всей длине, изготовляемый из холоднокатаного тонколистового проката, термически обработанного и травленого, или после светлого отжига.

4 Сортамент

4 1 Холодногнутые гофрированные профили по форме, размерам, предельным отклонениям по размерам должны соответствовать нормам, приведенным на рисунках 1-5 и в таблице 1.

Рисунок 1 - Профиль 840×21×1,5, ГЛ4-218; профиль 840×21×2,0, ГЛ4-219

Рисунок 2 - Профиль1095×45×21×1,5, ГЛ4-220А

 

Рисунок 3 - Профиль 942×21×2,0, ГЛ4-221; профиль 940×21×2,0, ГЛ4-231

Рисунок 4 - Профиль 557×21×1,5, ГЛ4-238

 

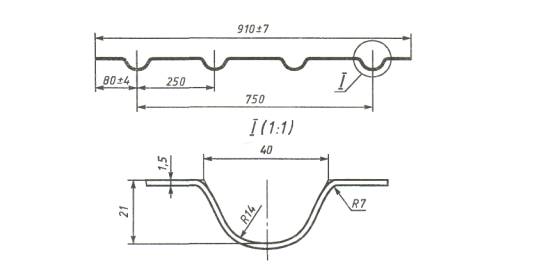
Рисунок 5 - Профиль 910×22,5×1,5, ГЛ4-216

Таблица 1

Размер профиля

Условное обозначение профиля

В, мм

Н, мм

h, мм

S, мм

t, мм

b, мм

Теоретическая ширина заготовки, мм

Масса 1 пог. м, кг

942×21×2,0

940×21×2,0

840×21×1,5

840×21×2,0

1095×45×21×1,5

557×21×1,5

910×22,5×1,5

ГЛ4-221

ГЛ4-231

ГЛ4-218

ГЛ4-219

ГЛ4-220А

ГЛ4-238

ГЛ4-216

942

940

840

840

1095

557

910

23

23

22,5

23

45

22,5

22,5

21

21

21

21

21

21

21

2,0

2,0

1,5

2,0

1,5

1,5

1,5

120

120

125

125

-

120

250

100

100

108

108

75

55

80

1045,19

1017,72

957,36

959,1

1262,09

639,36

988,24

16,41

15,99

11,27

15,05

14,86

7,53

11,64

Допускают изготовление профилей других размеров по рисункам, согласованным между потребителем и изготовителем.

4.2 Предельные отклонения по толщине профилей должны соответствовать предельным отклонениям по толщине тонколистового холоднокатаного проката шириной 1250 мм нормальной точности (БТ), по ширине - высокой точности (ВШ), с обрезной кромкой (О) по ГОСТ 19904.

Предельные отклонения по толщине профилей не распространяются на места изгиба.

4.3 Профили должны поставляться мерной длины до 12000 мм. По согласованию сторон допускают изготовление гнутых профилей другой длины.

4.4 Тонколистовой прокат, служащий заготовкой для профилей, изготовляют в холоднокатаном состоянии толщиной от 0,8 до 3,0 мм, шириной от 55 до 1500 мм, в рулонах массой до 20 т. Форма, размеры и предельные отклонения по размерам рулонов должны соответствовать требованиям ГОСТ 19904.

Прокат в рулонах шириной от 55 до 500 мм изготовляют с предельными отклонениями по толщине и ширине по ГОСТ 19904 (таблицы 2 и 4).

Примеры условных обозначений:

Прокат в рулонах размером 1,0×640 мм, нормальной точности изготовления по толщине (БТ), высокой точности изготовления по ширине (ВШ), с обрезной кромкой (О), группы качества поверхности М2а. из стали марки 08Х18Н10Т:

БТ-ВШ-0 1,0×640 ГОСТ 19904-90

Рулон

08Х18Н10Т-М2а ГОСТ Р 51393-99

Профиль гофрированный толщиной 2,0 мм, шириной 942 мм, высотой гофра 21 мм, высокой точности профилирования (А), группы качества поверхности М2а из стали марки 12Х18Н10Т:

Профиль А-942×21×2,0 12Х18Н10Т-М2а ГОСТ Р 51393-99

Профиль гофрированный толщиной 1,5 мм, шириной 1095 мм, высотой гофра 45 мм, глубиной профиля 21 мм, обычной точности профилирования (Б), группы качества поверхности МЗа из стали марки 12Х18Н10Т:

Профиль Б-1095×45×21×1,5 12Х18Н10Т-М3а ГОСТ Р 51393-99

5 Технические требования

5.1 Химический состав стали марок 08Х18Н10, 08Х18Н10Т и 12Х18Н10Т должен соответствовать ГОСТ 5632.

5.2 Тонколистовой прокат, служащий заготовкой для изготовления профилей, должен быть:

5.2.1 по состоянию металла:

- холоднокатаный термически обработанный и травленый или после светлого отжига.

5.2.2 по точности изготовления:

- по толщине - БТ (нормальной);

- по ширине - ВШ (высокой).

5.2.3 по виду кромок:

- обрезной - О.

5.2.4 по качеству поверхности:

- качество поверхности проката должно соответствовать ГОСТ 5582 группам поверхности М2а; ЛЗа. По согласованию изготовителя с потребителем допускается поставка проката группы качества поверхности М4а, но не более 40 % объема партии.

5.3 Гнутые профили должны соответствовать:

5.3.1 по качеству поверхности требованиям 5.2.4 настоящего стандарта. Гофрированные пробили 942×21×1,5, 557×21×1,5, 1095×45×21×1,5 мм и 840×21×1,5 мм изготовляют из холоднокатаного листового проката после светлого отжига с требованием к качеству поверхности по группе М2а ГОСТ 5582.

5.3.2 по точности профилирования:

 

- высокой (А), при этом волнистость полок профиля должна быть не более 1 мм на 1 м длины, прогиб профиля в продольном направлении - не более 1 мм на 1 м длины, скрученность вокруг продольной оси - не более 1 мм на 1 м длины, но не более 10 мм на длину профиля, отклонение размеров профиля по высоте - не более 1,5 мм;

- обычной (Б), при этом волнистость полок профиля должна быть не более 2 мм на 1 м длины, прогиб профиля в продольном направлении - не более 1 мм на 1 м длины, скрученность вокруг продольной оси - не более 1 мм на 1 м длины, но не более 10 мм на длину профиля, отклонение размеров профиля по высоте - не более 2 мм.

Длина профилей - 12,0 м. Предельное отклонение по длине - ±80 мм. Предельные отклонения остальных размеров указаны на рисунках 1-5.

5.3.3 Предельная волнистость полок для профилей толщиной до 2,5 мм не должна быть более 1 мм на 1 м длины при наибольшей ширине полки.

5.4 В срезах проката и профилей не должно быть расслоений. Макроструктура стали не должна иметь следов усадочной раковины, трещин, пузырей, инородных включений.

5.5 Механические свойства и требования к изгибу в состоянии поставки проката и профилей должны соответствовать нормам, приведенным в таблице 2.

Таблица 2

 

Марка стали

Состояние проката

Временное сопротивление δв, Н/мм2 (кгс/мм2)

Предел текучестиδ0,2, Н/мм2 (кгс/мм2)

Относительное удлинение δ5, %

Изгиб до параллельности сторон при отношении диаметра d оправки к толщине t

не менее

12Х18Н10Т

Термическая

обработка (рекоменд.):

закалка при 1050-

1080 ºС, охлаждение в воде или на воздухе

530 (54)

205*)(21)

 40

1d=1t

08Х18Н10Т

То же

520 (53)

205*)(21)

40

1d=1t

08Х18Н10

«

510 (52)

205*)(21)

45

1d=1t

** Нормы факультативны до накопления данных.

5.6 На поверхности профилей не допускаются: рябизна, царапины, отпечатки, забоины, риски.

5.7 По согласованию сторон тонколистовой прокат и гофрированные профили поставляют с проверкой на отсутствие склонности стали к межкристаллитной коррозии и с нормированной шероховатостью поверхности.

6 Правила приемки

6.1 Прокат принимают партиями. Партия должна состоять из проката одной плавки, одного состояния материала, одной толщины, одного режима термической обработки.

По согласованию с потребителем партия может состоять из нескольких плавок одной марки стали, одинаковой толщины и одного режима термообработки.

Профили принимают партиями. Партия должна состоять из профилей одной плавки, одного типоразмера и точности профилирования.

6.2 Для проверки качества проката и профилей от партии отбирают:

- для качества поверхности, срезов, размеров, формы, макроструктуры - каждый рулон, каждый профиль;

- для химического анализа - пробы по ГОСТ 7565;

- для испытаний на растяжение, изгиб, определение шероховатости поверхности, склонность к межкристаллитной коррозии - два рулона, два профиля.

Предприятию-изготовителю профилей допускается не производить испытание на межкристаллитную коррозию (МКК). В документе о качестве профилей указывается результат испытания на МКК проката.

6.3 При получении неудовлетворительных результатов испытаний хотя бы по одному из показателей повторные испытания проводят на выборке, отобранной по ГОСТ 7566.

7. Методы испытаний

7.1 Химический анализ проводят в соответствии с требованиями ГОСТ 5582.

7.2 Толщину проката и профилей измеряют микрометром по ГОСТ 6507, линейные размеры - рулеткой по ГОСТ 7502, металлической линейкой по ГОСТ 427 или другими измерительными инструментами, обеспечивающими точность, установленную настоящим стандартом.

Отклонения формы листов и профилей измеряют в соответствии с ГОСТ 26877 металлической линейкой по ГОСТ 427 или другими измерительными инструментами, обеспечивающими точность, установленную настоящим стандартом.

7.3 Качество поверхности проверяют визуально без применения увеличительных приборов. При разногласиях в оценке глубины залегания дефектов руководствуются требованиями ГОСТ 5582.

7.4 Контроль толщины и ширины проката в рулонах проводят на расстоянии не менее длины одного витка от конца рулона, не менее 5 мм от кромки.

Размеры профилей проверяют согласно ГОСТ 11474.

7.5 Для испытаний на растяжение, изгиб, определение шероховатости поверхности, склонность к межкристаллитной коррозии отбирают по одной пробе от каждого контрольного рулона или профиля в состоянии поставки.

7.6 Испытание на растяжение при температуре плюс 20 °С с допустимыми отклонениями плюс 15, минус 10 °С проводят по ГОСТ 11701 на образцах с начальной расчетной длиной l = 5.65 мм и шириной b = 20 мм.

7.7 Испытание на изгиб - по ГОСТ 14019.

7.8 Испытание на межкристаллитную коррозию - по ГОСТ 6032, метод AM.

7.9 Отсутствие в прокате внутренних дефектов, указанных в 5.4, обеспечивается технологией изготовления проката.

Расслоение контролируют визуально на кромках проката, профиля.

7.10 Шероховатость поверхности проверяют профилометрами, профилографами, оптическими приборами или по рабочим образцам в соответствии с требованиями ГОСТ 2789.

7.11 Для испытаний на растяжение и отсутствие склонности к межкристаллитной коррозии допускается применять статистический метод контроля по согласованной с потребителем методике предприятия-изготовителя.

8 Упаковка, маркировка, транспортирование и хранение

8.1 Упаковка, маркировка, транспортирование и хранение - по ГОСТ 7566.

8.2 Рулоны поставляют без подмотки бумаги между витками и без упаковки мягкими материалами. Допускают поставку рулонов с подмоткой бумаги. Масса рулона на 1 мм ширины - не менее 2,0 кг.

8.3 Профили упаковывают в пачки массой до 10 т. Требования к массе и укрупнению грузовых мест - по ГОСТ 24597 и ГОСТ 21650.

Обвязку производят упаковочной лентой по ГОСТ 3560 и ГОСТ 6009.

8.4 Маркировку наносят на металлическую карту размером 200×300 мм, которую прочно прикрепляют к упаковочной ленте на верх пачки профилей.

8.5 Прокат и профили транспортируют железнодорожным транспортом в соответствии с правилами перевозки, условиями погрузки и крепления грузов, утвержденными Министерством путей сообщения России, или автомобильным транспортом.

Ключевые слова: прокат, профили, предельные отклонения, марки, испытания



уроки по алготрейдингу на Python с нуля



Яндекс цитирования