ИНФОСАЙТ.ру
Госты, стандарты, нормативы. В библиотеке 60000 документов. Регулярное обновление. Круглосуточный бесплатный доступ!
БИБЛИОТЕКА ГОСТОВ, СТАНДАРТОВ И НОРМАТИВОВ

:: АЛГОТРЕЙДИНГ ::


АЛГОТРЕЙДИНГ
шаг за шагом


БЕСПЛАТНЫЕ УРОКИ по созданию торговых роботов на PYTHON с нуля, шаг за шагом.


Минимальные знания на PYTHON.
Библиотеки BackTrader и Pandas, сигналы с Pine Script из TradingView.
Связка с брокерами, телеграм.
Создание простых интерфейсов.

 

Все документы, представленные в каталоге, не являются их официальным изданием и предназначены исключительно для ознакомительных целей. Электронные копии этих документов могут распространяться без всяких ограничений. Вы можете размещать информацию с этого сайта на любом другом сайте.


ГОСУДАРСТВЕННЫЙ СТАНДАРТ СОЮЗА ССР

ПЛИТЫ ПАРАПЕТНЫЕ ЖЕЛЕЗОБЕТОННЫЕ
ДЛЯ ПРОИЗВОДСТВЕННЫХ ЗДАНИЙ

ТЕХНИЧЕСКИЕ УСЛОВИЯ

ГОСТ 6786-80

ГОСУДАРСТВЕННЫЙ КОМИТЕТ СССР ПО СТРОИТЕЛЬСТВУ И ИНВЕСТИЦИЯМ

Москва

ГОСУДАРСТВЕННЫЙ СТАНДАРТ СОЮЗА ССР

ПЛИТЫ ПАРАПЕТНЫЕ ЖЕЛЕЗОБЕТОННЫЕ
ДЛЯ ПРОИЗВОДСТВЕННЫХ ЗДАНИЙ

Технические условия

Coping units of precast concrete for industrial building.
Specifications

ГОСТ
6786-80*

Взамен
ГОСТ 6786-71

Постановлением Государственного комитета СССР по делам строительства от 18 ноября 1980 г. № 180 срок введения установлен

с 01.01.82

Настоящий стандарт распространяется на парапетные железобетонные плиты, изготовляемые из тяжелого бетона и бетона на пористых заполнителях и предназначаемые для покрытия парапетов из кирпича, искусственных н естественных камней, бетонных блоков и железобетонных панелей производственных и вспомогательных зданий промышленных и сельскохозяйственных предприятий, в том числе зданий с расчетной сейсмичностью до 8 баллов включительно, возводимых на всей территории СССР, а также зданий с расчетной сейсмичностью 9 баллов, возводимых в I - IV районах по весу снегового покрова.

Плиты из тяжелого бетона предназначаются для применения при неагрессивной, слабо- и среднеагрессивной степенях воздействия газовой среды; плиты из бетона на пористых заполнителях - при неагрессивной и слабоагрессивной степенях воздействия газовой среды.

1. ТИПЫ, ОСНОВНЫЕ ПАРАМЕТРЫ И РАЗМЕРЫ

1.1. Плиты подразделяются на два типа:

ПП - рядовые;

ППУ - угловые для внешних (выступающих) и внутренних (входящих) углов.

Допускается применение плит типа ППУ в качестве доборных рядовых.

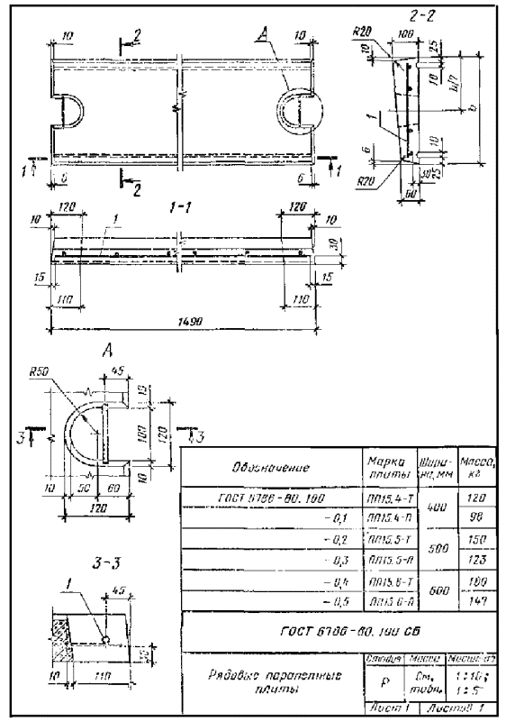
1.2. Форма и размеры плит, а также их технические показатели должны соответствовать указанным в обязательном приложении и в табл. 1.

1.3. Плиты обозначаются марками в соответствии с ГОСТ 23009-78. Марка плит состоит из буквенно-цифровых групп, разделенных дефисами.

Первая группа содержит обозначение тина плиты, длину и ширину (в дециметрах). Во второй группе указывают вид бетона, обозначаемый буквами: Т - тяжелый бетон, П - бетон па пористых заполнителях. В третьей группе, в случае необходимости, указывают проницаемость бетона, обозначаемую буквами Н и П соответственно при слабо- и среднеагрессивной степенях воздействия газовой среды.

Таблица 1

Марка плиты, изготовленной из бетона

Основные размеры, мм

Проектная марка бетона по прочности на сжатие

Расход материалов

Масса плиты, изготовленной из бетона, кг

тяжелого

Облегченного на пористых заполнителях

Длина

Ширина

Толщина

Бетон, м3

Сталь, кг

тяжелого

облегченного на пористых заполнителях**

ПП15.4.Т

ПП15.1-П

1490

400

60 - 100

200*

0,048

1,09

120

99

ПП15.5-Т

ПП15.5-П

500

0,06

1,23

150

123

ПП15.6-Т

ПП15.6-П

600

0,072

1,36

180

148

ППУ10.4-Т

ППУ10.4-П

990

400

0,032

1,18

80

66

ППУ10.5-Т

ППУ10.5-П

500

0,04

1,24

100

82

ППУ10.6-Т

ППУ10.6-П

600

0,048

1,30

120

99

* Для плит зданий, возводимых в районах с расчетной зимней температурой минус 40 °С и ниже, а также в тех случаях, когда марка бетона плит принимается по условиям морозостойкости и водонепроницаемости, марка бетона по прочности на сжатие может быть выше указанной в табл. 1, но не выше М300.

При соответствующем обосновании в отдельных случаях допускается изготовление парапетных плит из бетона на пористых заполнителях марки по прочности на сжатие ниже М200, но не ниже М150.

** Подсчитана для бетона плит средней плотности 1850 кг/м3 и влажностью по массе 10 %.

Примечание. Расход материалов и масса плит даны справочно.

Пример условного обозначения (марки) плиты типа ПП, длиной 1490 мм, шириной 400 мм, из тяжелого бетона, предназначенной для применения в неагрессивной среде:

ПП15.4-Т ГОСТ 6786-80

То же, типа ППУ, длиной 990 мм, шириной 400 мм, из облегченного бетона на пористых заполнителях, при слабоагрессивной степени воздействия газовой среды:

ППУ10.4-П-Н ГОСТ 6786-80

То же, типа ПП, длиной 1490 мм, шириной 500 мм, из тяжелого бетона, при среднеагрессивной степени воздействия газовой среды:

ПП15.5-Т-П ГОСТ 6786-80

1.2, 1.3. (Измененная редакция, Изм. № 1).

2. ТЕХНИЧЕСКИЕ ТРЕБОВАНИЯ

2.1. Плиты следует изготовлять в соответствии с требованиями настоящего стандарта и технологической документации, утвержденной в установленном порядке, по рабочим чертежам, приведенным в обязательном приложении.

2.2. Для изготовления плит должны применяться облегченные бетоны на пористых заполнителях следующих видов: керамзитобетон, аглопоритобетон, шлакопемзобетон, шунгизитобетон, бетон на естественных пористых заполнителях средней плотности не ниже 1850 кг/м3.

2.1, 2.2. (Измененная редакция, Изм. № 1).

2.3. Плиты должны изготовляться в стальных формах, удовлетворяющих требованиям ГОСТ 25781-83.

Допускается изготовлять плиты в неметаллических формах, обеспечивающих соблюдение требований к качеству и точности изготовления плит, установленных настоящим стандартом.

2.4. Материалы для приготовления бетона

2.4.1. Для приготовления бетона должны применяться портландцемент и шлакопортландцемент, содержащие гидрофобизирующие поверхностно-активные добавки и соответствующие требованиям ГОСТ 10178-85.

Допускается применение указанных цементов без гидрофобизирующих добавок при условии введения соответствующих добавок в бетонную смесь.

2.4.2. Для приготовления бетона, плит, предназначенных для эксплуатации в агрессивных сульфатных средах, а также для зданий, возводимых на побережьях северных морей и в районах с расчетной зимней температурой ниже минус 40 °С, должны примениться гидрофобизированные сульфатостойкий портландцемент и сульфатостойкий портландцемент с минеральными добавками, соответствующие требованиям ГОСТ 22266-76.

2.4.3. В случаях, предусмотренных проектом, для приготовления бетона парапетных плит допускается применение белого пли цветного цементов, соответствующих требованиям ГОСТ 965-89 или ГОСТ 15825-80.

2.4.4. Крупные заполнители должны соответствовать требованиям ГОСТ 10268-80 для тяжелого бетона или ГОСТ 9757-90 - для бетонов на пористых заполнителях.

2.4.5. Максимальная крупность заполнителя не должна превышать 10 мм.

2.4.6. Песок для приготовления бетона должен соответствовать требованиям ГОСТ 8736-85.

2.4.7. Для улучшения технических свойств бетона должны применяться добавки, преимущественно гидрофобизирующие, по ГОСТ 24211-80.

Допускается применение комплексных добавок, а также других добавок, обеспечивающих заданные технические свойству бетона и проверенных в заводских условиях.

2.4.8. Целесообразные добавки для конкретного вида бетона в заданных условиях строительства, время и способ их введения в бетон должны быть заданы в проекте и указаны в заказе на изготовление плит.

2.4.9. Добавки - ускорители твердения, содержащие хлор, к применению не допускаются.

2.5. Бетон

2.5.1. Фактическая прочность бетона плит (в проектном возрасте и отпускная) должна соответствовать требуемой, назначаемой по ГОСТ 18105-6 в зависимости от нормируемой прочности бетона и от показателя фактической однородности прочности бетона.

2.5.2. Морозостойкость и водонепроницаемость бетона должны соответствовать маркам, установленным в проекте здания согласно требованиям СНиП 2.03.01-84 в зависимости от режима эксплуатации конструкции и климатических условий района строительства, и указанным в заказе на изготовление плит.

2.5.3. Показатели проницаемости бетона плит, предназначенных для применения в условиях воздействия агрессивной газовой среды, а также материалы для приготовления этого бетона должны соответствовать требованиям СНиП 2.03.11-85 для заданной в проекте степени воздействия агрессивности газовой среды.

2.5.1 - 2.5.3 (Измененная редакция, Изм. № 1).

2.5.4. Водопоглощение бетона плит не должно превышать величины, указанной в проекте и в заказе на изготовление плит.

2.6. Поставку плит потребителю следует производить после достижения бетоном требуемой отпускной прочности (п. 2.5.1).

Значение нормируемой отпускной прочности бетона плит принимают равным 70 % марки по прочности на сжатие. При поставке плит в холодный период года значение нормируемой отпускной прочности бетона может быть повышено, но не более 90% марки бетона по прочности на сжатие. Значение нормируемой отпускной прочности бетона принимают по проектной документации на конкретное здание в соответствии с требованиями ГОСТ 13015.0-83.

Поставку плит с отпускной прочностью бетона ниже прочности, соответствующей его марке по прочности на сжатие, производят при условии, если изготовитель гарантирует достижение бетоном плит требуемой прочности в проектном возрасте, определяемой по результатам испытания контрольных образцов, изготовленных из бетонной смеси рабочего состава и хранившихся в условиях согласно ГОСТ 18105-86.

(Измененная редакция, Изм. № 1).

2.7. Арматурные изделия

2.7.1. Плиты следует армировать сварными сетками из стержневой горячекатаной гладкой арматуры класса А-I по ГОСТ 5781-82 и арматурной проволоки периодического профиля класса Вр-I по ГОСТ 6727-80.

2.7.2. Стержни (поз. 3) арматурных сеток и монтажные петли должны изготовляться из горячекатаной гладкой арматурной стали класса А-I марок ВСт3сп2 и ВСт3пс2 по ГОСТ 5781-82.

Сталь марки ВСт3пс2 не допускается применять для изготовления указанных стержней и монтажных петель в изделиях, предназначенных для подъема и монтажа при температуре минус 40 °С и ниже.

2.7.3. Сварные арматурные изделия должны соответствовать требованиям ГОСТ 10922-90.

2.7.4. Необетонируемые участки стержней (поз. 3) арматурных сеток должны иметь антикоррозионное цинковое покрытие, техническая характеристика которого должна соответствовать установленной в проекте здания в соответствии с требованиями СНиП 2.03.11-85 и указанной в заказе на изготовление плит.

(Измененная редакция, Изм. № 1).

2.8. Проектное положение арматурных изделий и толщину защитного слоя бетона следует фиксировать прокладками из плотного цементно-песчаного раствора или пластмассовыми фиксаторами. Применение стальных фиксаторов не допускается.

2.9. Точность изготовления

2.9.1. Отклонения фактических размеров плит от проектных не должны превышать, мм:

по длине и ширине....................................................... ±5

по толщине плиты........................................................ ±3

по размерам пазов........................................................ +3

по размерам монтажных вырезов............................... +5

2.9.2. Непрямолинейность профиля наружных боковых поверхностей плиты на всей длине не должна превышать 3 мм.

2.9.3. Неплоскостность верхней поверхности плиты не должна превышать 3 мм.

2.9.4. Разность длин диагоналей верхней (или нижней) плоскости плит не должна превышать 5 мм.

2.9.5. Отклонение от проектной толщины защитного слоя бетона (до арматуры) не должно превышать ±3 мм.

2.10. Качество поверхностей и внешний вид плит

2.10.1. Внешний вид и качество поверхностей плит должны соответствовать проектным, а также установленным эталоном плиты.

2.10.2. На поверхностях плит не допускаются:

раковины диаметром более 15 мм и глубиной более 5 мм;

местные наплывы бетона и впадины высотой и глубиной более 5 мм;

околы бетона ребер глубиной более 10 мм общей длиной более 100 мм на 1 м ребра;

трещины, за исключением усадочных, шириной не более 0,1 мм;

обнажения арматуры.

2.10.3. Открытые поверхности стержней (поз. 3) арматурных сеток, строповочные отверстия и монтажные петли должны быть очищены от наплывов бетона.

2.10.4. Открытые поверхности плит должны быть гидрофобизированы.

Для гидрофобизации поверхности плит следует применять эмульсии полиэтиленгидросилоксановой жидкости ГКЖ-91 по ГОСТ 10831-76, водно-спиртовые растворы метилсиликоната натрия ГКХ-11 и этилсиликоната натрия ГКЖ-10 по ТУ 6-02-696-72.

2.10.5. Открытые поверхности плит, предназначенных для работы в условиях воздействия агрессивной среды, должны иметь защитно-антикоррозионное покрытие в соответствии с требованиями СНиП 2.03.11-85, указанное в проекте и в заказе на изготовление плит.

(Измененная редакция, Изм. № 1).

2.10.6. Защитно-антикоррозионное покрытие наносится после гидрофобизации поверхности плит.

2.11. Плиты, аттестуемые на высшую категорию качества, должны удовлетворять дополнительным требованиям, указанным в табл. 2.

Таблица 2

Показатели

Требования

1. Коэффициент вариации прочности бетона в партии.

Не более 9 %

2. Водонепроницаемость бетона.

На 10 % и более выше нижнего предела

3. Водопоглощение бетона.

На 10 % и более ниже указанного в проекте

4. Отклонение фактических размеров от проектных мм, не более:

 

по длине и ширине

±4

по размерам пазов

+2

5. Качество поверхности, качество и вид отделки

Панели не должны иметь усадочных трещин и иметь отделку без отклонений от эталона

(Измененная редакция, Изм. № 1).

3. ПРАВИЛА ПРИЕМКИ

3.1. Приемку плит следует производить партиями в соответствии с требованиями ГОСТ 13015.1-81 и настоящего стандарта.

3.2. Плиты по показателям морозостойкости, водонепроницаемости и водопоглощению бетона следует принимать по результатам периодических испытаний, которые проводят не реже:

на морозостойкость - одного раза в 6 мес.;

на водонепроницаемость и водопоглощение - одного раза в 3 мес.

3.3. Плиты по показателям прочности бетона (марке бетона по прочности на сжатие и отпускной прочности), соответствия арматурных изделий требованиям настоящего стандарта, прочности сварных соединении, точности геометрических параметров, толщины защитного слоя бетона до арматуры, ширины раскрытия усадочных и других поверхностных технологических трещин, категории бетонной поверхности следует принимать по результатам приемо-сдаточных испытаний.

3.4. Приемку плит по показателям, проверяемым осмотром: по внешнему виду, правильности нанесения маркировочных надписей и знаков, а также по наличию и качеству защитных покрытий от коррозии - следует проводить сплошным контролем с отбраковкой плит, имеющих дефекты по указанным показателям.

3.5. Приемку плит по показателям точности геометрических параметров, толщины защитного слоя бетона до арматуры, категории бетонной поверхности, контролируемых путем измерений, следует осуществлять по результатам одноступенчатого выборочного контроля.

Разд. 3. (Измененная редакция, Изм. № 1).

4. МЕТОДЫ КОНТРОЛЯ И ИСПЫТАНИЙ

4.1. Размеры плит, непрямолинейность, неплоскостность, положение монтажных петель, толщину защитного слоя бетона до арматуры, а также качеству поверхностей и внешний вид следует проверять по ГОСТ 13015.0-83, ГОСТ 13015.1-81 - ГОСТ 13015.3-81 и ГОСТ 13015.4-84.

4.2. Прочность бетона на сжатие следует определять по ГОСТ 10180-90.

Отпускную прочность бетона следует определять неразрушающими методами по ГОСТ 17624-87 и ГОСТ 22690-88.

4.3. Морозостойкость бетона следует определять по ГОСТ 10060-87.

4.4. Водонепроницаемость бетона следует определять по ГОСТ 12730.0-78 и ГОСТ 12730.5-84 на серии образцов, изготовленных из бетонной смеси рабочего состава.

(Измененная редакция, Изм. № 1).

4.5. Водопоглощение бетона следует определять по ГОСТ 12730.0-78 и ГОСТ 12730.3-78.

4.6. Среднюю плотность (объемную массу) бетона следует определять по ГОСТ 12730.0-78 и ГОСТ 12730.1-78.

Допускается определять среднюю плотность (объемную массу) бетона по ГОСТ 17623-87.

(Измененная редакция, Изм. № 1).

4.7. Методы контроля и испытаний сварных арматурных изделий - по ГОСТ 10922-90.

5. МАРКИРОВКА, ХРАНЕНИЕ И ТРАНСПОРТИРОВАНИЕ

5.1. Маркировка плит по ГОСТ 13015.2-81. Маркировочные надписи и знаки следует наносить на нелицевой поверхности плит.

5.2. Требования к документу о качестве плит, поставляемых потребителю, - по ГОСТ 13015.3-81.

Дополнительно в документе о качестве плит должны быть приведены марки бетона по морозостойкости и водонепроницаемости, а также вид материала, примененного для гидрофобизации поверхности плит (если эти показатели приведены в заказе на изготовление плит).

5.3. Транспортировать и хранить плиты следует в соответствии с требованиями ГОСТ 13015.4-84 и настоящего стандарта.

Плиты следует хранить в штабелях, уложенными плашмя лицевой поверхностью вверх. Высота штабеля не должна превышать десяти рядов.

Допускается при наличии специальных подставок хранение плит уложенными на продольное ребро. При этом высота штабеля не должна превышать 2,5 м.

5.1. - 5.3 (Измененная редакция, Изм. № 1).

5.4. При транспортировании плиты следует укладывать правильными рядами на ребро длинной стороной по направлению движения и надежно закреплять, предохраняя от смещения. Высота штабеля при транспортировании должна быть не более трех рядов плит.

5.5. При хранении и транспортировании каждая плита должна опираться на деревянные инвентарные подкладки и прокладки: клиновидные толщиной 20 - 50 мм - при укладке плит плашмя и плоские толщиной 30 мм при укладке плит на ребро, устанавливаемые на расстоянии 100 мм от торцов плиты. Подкладки толщиной 30 мм под нижний ряд плит следует укладывать по плотному, тщательно выровненному основанию. Прокладки между плитами по высоте штабеля располагаются одна над другой.

5.6. (Исключен, Изм. № 1).

6. ГАРАНТИИ ИЗГОТОВИТЕЛЯ

6.1. При отпуске плит из бетона, прочность которого ниже проектной марки по прочности на сжатие, изготовитель обязан гарантировать, что прочность бетона достигнет проектной марки в возрасте, установленном проектом.

СОДЕРЖАНИЕ

 



уроки по алготрейдингу на Python с нуля



Яндекс цитирования

   Copyright © 2008-2026 ,  www.infosait.ru

backtrader - уроки алготрейдинга на python