ИНФОСАЙТ.ру
Госты, стандарты, нормативы. В библиотеке 60000 документов. Регулярное обновление. Круглосуточный бесплатный доступ!
БИБЛИОТЕКА ГОСТОВ, СТАНДАРТОВ И НОРМАТИВОВ

:: АЛГОТРЕЙДИНГ ::


АЛГОТРЕЙДИНГ
шаг за шагом


БЕСПЛАТНЫЕ УРОКИ по созданию торговых роботов на PYTHON с нуля, шаг за шагом.


Минимальные знания на PYTHON.
Библиотеки BackTrader и Pandas, сигналы с Pine Script из TradingView.
Связка с брокерами, телеграм.
Создание простых интерфейсов.

 

Все документы, представленные в каталоге, не являются их официальным изданием и предназначены исключительно для ознакомительных целей. Электронные копии этих документов могут распространяться без всяких ограничений. Вы можете размещать информацию с этого сайта на любом другом сайте.


ГОСУДАРСТВЕННЫЙ СТАНДАРТ СОЮЗА ССР

КАНАЛЫ И ТРАКТЫ
ЗВУКОВОГО ВЕЩАНИЯ

ОСНОВНЫЕ ПАРАМЕТРЫ КАЧЕСТВА.
МЕТОДЫ ИЗМЕРЕНИЙ

ГОСТ 11515-91

МОСКВА - 1991

ГОСУДАРСТВЕННЫЙ СТАНДАРТ СОЮЗА ССР

КАНАЛЫ И ТРАКТЫ ЗВУКОВОГО ВЕЩАНИЯ

Основные параметры качества.

Методы измерений

Sound broadcasting channels.
Basic quality parameters.
Methods for measuring

ГОСТ
11515-91

Дата введения 01.07.92

Настоящий стандарт распространяется на действующие каналы и тракты звукового вещания и передачи звуковых сигналов телевидения: аналоговые каналы и тракты с полосой частот до 15, 10,7 и 6,4 (6,3) кГц, цифровые каналы звукового вещания с полосой частот до 15 и 7 кГц, вновь вводимые высокочастотные тракты трехпрограммного проводного вещания и устанавливает нормы на их основные параметры качества.

Стандарт не распространяется на каналы подачи программ на одной боковой полосе через коротковолновые передатчики и системы звукового вещания по абонентским городским и сельским телефонным линиям.

1. ОБЩИЕ ПОЛОЖЕНИЯ

1.1. Электрический канал звукового вещания и передачи звуковых сигналов телевидения (в дальнейшем звукового вещания) представляет собой совокупность технических средств, при помощи которых электрические сигналы звукового вещания передаются с выхода микрофона или канала воспроизведения магнитофона до антенны передатчика или абонентской розетки тракта проводного вещания (*).

1.2. Электрический канал звукового вещания (черт. 1) состоит из тракта формирования программ и трактов первичного и вторичного распределения программ.

1.3. Тракт формирования программ (ТФП)** представляет собой часть электрического канала звукового вещания, которая начинается на выходе микрофона или канала воспроизведения магнитофона и заканчивается на выходе центральной аппаратной (АЦ) радиодома, телецентра, радиотелецентра (черт. 2)*.

* После разработки государственного стандарта на параметры качества магнитофонов и методов их измерений тракт формирования программ должен начинаться на входе канала воспроизведения магнитофона (черт. 2).

** Полный перечень сокращений, терминов и их пояснений приведен в приложении 1.

Электрический канал звукового вещания

Черт. 1

Типовой тракт формирования программ

Черт. 2

Для передачи звуковых сигналов телевидения тракт формирования программ заканчивается на выходе соединительной линии (СЛ) от АЦ. Нормы на параметры качества канала воспроизведения магнитофона приведены в приложении 5.

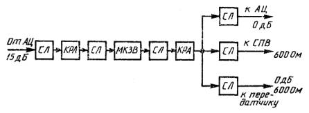
1.4. Тракт первичного распределения программ звукового вещания представляет собой часть электрического канала звукового вещания, которая начинается на выходе АЦ радиодома и заканчивается выходом СЛ от коммутационно-распределительной аппаратной (КРА), междугородного канала звукового вещания (МКЗВ) к тракту вторичного распределения или к АЦ радиодома.

Тракт первичного распределения звуковых сигналов телевидения представляет собой часть электрического канала, звукового вещания, которая начинается на выходе СЛ от АЦ и заканчивается выходом СЛ от МКЗВ к тракту вторичного распределения или к АЦ.

Типовые тракты первичного распределения программ представлены на черт. 3 и 4.

В состав тракта первичного распределения программ звукового вещания входят: коммутационно-распределительные аппаратные, соединительные линии и междугородный канал звукового вещания.

В состав тракта первичного распределения звуковых сигналов телевидения входят: междугородный канал звукового вещания и соединительная линия.

В состав тракта первичного распределения местного звукового вещания, предназначенного для распределения программ звукового вещания населению города от тракта формирования радиодома или радиотелецентра данного города, входят КРА и две СЛ, соединяющие КРА с АЦ и трактом вторичного распределения.

Типовой тракт первичного распределения программ звукового вещания с магистральным или внутризоновым каналом звукового вещания

Черт. 3

Типовой тракт первичного распределения звуковых сигналов телевидения с магистральным или внутризоновым каналом

Черт. 4

Основным звеном МКЗВ является канал звукового вещания (КЗВ)*. Имеются два типовых канала звукового вещания - магистральный канал звукового вещания (МАГ КЗВ) и внутризоновый канал звукового вещания (ВНЗ КЗВ). Указанным каналам звукового вещания соответствуют два типовых МКЗВ с МАГ КЗВ (черт. 5 и 6) и ВНЗ КЗВ (черт. 7, 8).

* При установке аппаратуры образования каналов звукового вещания непосредственно в оконечных междугородных вещательных аппаратных (ОМВА) или службы междугородного радиовещания (СМР) отличий в структурах; МКЗВ и КЗВ не будет.

Типовые междугородные каналы звукового вещания в РР и кабельных системах передачи с магистральным КЗВ

Черт. 5

Типовые междугородные каналы звукового вещания в спутниковых системах передачи

Черт. 6

Типовые междугородные каналы с магистральным каналом передачи звуковых сигналов телевидения

Черт. 7

Типовые междугородные каналы звукового вещания в РРСП и кабельных СП с внутризоновым КЗВ (ВИЗ КЗВ)

Черт. 8

Каналы звукового вещания организуются в кабельных радиорелейных и спутниковых системах передачи (СП) с частотным или временным разделением каналов.

Номинальная цепь МАГ КЗВ, образованного в кабельных и радиорелейных СП, характеризуется длиной 2500 км и наличием трех участков транзита по звуковой частоте.

Номинальная цепь МАГ КЗВ, образованного в спутниковых СП, характеризуется отсутствием транзитов по звуковой частоте и эквивалентна по своим качественным показателям, зависящим от длины, каналам наземных (кабельных и радиорелейных) СП длиной 2500 км.

Номинальная цепь ВНЗ КЗВ, образованного в кабельных СП и телефонных стволах радиорелейных СП, характеризуется длиной 600 км и отсутствием транзитов по звуковой частоте.

Номинальная цепь ВНЗ КЗВ, образованного на поднесущих частотах в радиорелейных СП, характеризуется длинами 600 и 250 км, отсутствием транзита по звуковой частоте, одинаковыми нормами на электрические параметры для указанных длин.

Тракт вторичного распределения программ представляет собой часть электрического канала звукового вещания; тракт начинается на выходе СЛ от КРА, АЦ или МКЗВ, по которой сигналы звукового вещания поступают на вход передатчиков, центральной станции проводного вещания или станции проводного вещания и заканчивается входом антенны передатчика или ее эквивалентом, или абонентской розеткой.

Номинальное значение напряжения сигналов звукового вещания на абонентской розетке 30 В (31,5 дБ), для г. Москвы - 15 В (25,5 дБ).

Уровень напряжения на абонентской розетке не должен отличаться от номинального более чем на минус 4 (5) дБ, плюс 2 дБ.

Номинальное значение напряжения ВЧК ТПВ на абонентской розетке 0,25 В (-10 дБ). Допустимое изменение напряжения 0,15 - 3 В, т.е. -14,5 - +11,8 дБ.

Типовые тракты вторичного распределения представлены на черт. 9.

Тракты вторичного распределения

Черт. 9

Имеются два типовых тракта вторичного распределения: тракт передатчика и тракт проводного вещания.

Для тракта проводного вещания определены основные варианты: два для города и два для сельской местности.

Высокочастотные каналы ТПВ (ВЧК ТПВ) - часть трактов вторичного распределения ТПВ, которая начинается на выходе СЛ и заканчивается абонентской розеткой.

2. ОСНОВНЫЕ ПАРАМЕТРЫ КАЧЕСТВА

2.1. Нормируются следующие основные параметры качества:

полоса передаваемых частот;

неравномерность амплитудно-частотной характеристики;

коэффициент гармоник;

защищенность от взвешенного шума*;

защищенность от внятной переходной помехи;

отклонение выходного уровня от номинального значения**;

коэффициент разностного тона***;

изменение группового времени прохождения***;

разность фаз в каналах А и В, образующих стереопару;

защищенность от внятных переходных помех между каналами А и В, образующих стереопару;

разность уровней на выходах каналов А и В, образующих стереопару.

* Для трактов вторичного распределения - защищенность от невзвешенного шума.

** Для передатчиков - входного уровня.

*** Нормы распространяются на каналы звукового вещания и соединительные линии, образованные аппаратурой, разработанной по ТЗ, утвержденным после 01.01.92.

Дополнительно для цифровых каналов звукового вещания:

защищенность от продуктов внутриполосной перекрестной модуляции второго и третьего порядка;

защищенность от продуктов внеполосной перекрестной модуляции первого и второго порядка.

2.2. Нормы на параметры качества электрических каналов звукового вещания с магистральным каналом звукового вещания и с внутризоновым каналом звукового вещания и типовыми трактами вторичного распределения приведены в табл. 1а и 1б соответственно.

2.3. Нормы на параметры качества электрических каналов с трактом первичного распределения для местного звукового вешания приведены в табл. 2.

2.4. Нормы на параметры качества тракта формирования программ звукового вещания приведены в табл. 3.

2.5. Нормы на параметры качества трактов первичного распределения программ звукового вещания приведены в табл. 4.

2.6. Нормы на параметры качества трактов вторичного распределения программ звукового вещания передатчика и проводного вещания приведены в табл. 5 и 6 соответственно.

2.7. Нормы на параметры качества отдельных звеньев трактов первичного распределения приведены в табл. 7.

2.8. Нормы на дополнительные параметры качества цифровых каналов звукового вещания приведены в табл. 8.

2.9. Нормы на параметры качества стереофонических каналов и трактов звукового вещания и их отдельных звеньев приведены в табл. 9.

2.10. Нормы на параметры качества канала воспроизведения магнитофона приведены в табл. 10 приложения 5.

2.11. Нормы на изменение группового времени прохождения и коэффициент разностного тона приведены в табл. 11 приложения 6.

2.12. Подготовка к измерениям, проведение измерений и обработка результатов измерений, а также требования к измерительным приборам приведены в разд. 3.

2.13. Перечень рекомендуемых средств измерения приведен в приложении 2.

2.14. Принципиальные схемы делителей напряжения приведены в приложении 3.

2.15. Законы суммирования параметров качества трактов и каналов приведены в приложении 4.

3. МЕТОДЫ ИЗМЕРЕНИЙ

3.1. Подготовка к измерениям

3.1.1. Перед началом измерений измерительную аппаратуру соединяют с измеряемым каналом, трактом или звеном.

3.1.2. Корпуса всех устройств, входящих в схему измерения, должны быть заземлены.

3.1.3. Включение измерительной аппаратуры в схему измерения должно производиться по возможности короткими экранированными проводами.

3.1.4. Измерительные приборы с несимметричным входом или выходом должны подключаться к симметричным цепям через симметрирующие трансформаторы.

3.1.5. Условия применения измерительной аппаратуры во время измерений должны соответствовать нормальным условиям по ГОСТ 22261. При условиях, отличающихся от нормальных, необходимо учитывать дополнительную погрешность аппаратуры.

Таблица 1a

Нормы на параметры качества электрических каналов звукового вещания с трактом передатчика*

Тип электрического канала звукового вещания

Полоса передаваемых частот, Гц

Неравномерность АЧХ

Коэффициент гармоник

Защищенность от взвешенного шума, дБ**, не менее

Защищенность от внятной переходной помехи, дБ, не менее

 

в полосе частот, Гц

дБ

на частотах, Гц

%, не более

 

Электрический канал звукового вещания с МАГ КЗВ

40 - 15000

40 - 50

От +2,0 до -4,2

40 - 125

2,6

46

74

 

50 - 125

От +2,0 до -3,8

 

125 - 10000

±2,0

Св. 125

1,6

 

10000 - 15000

От +2,0 до -3,8

 

50 - 10000

50 - 100

От +2,4 до -5,0

До 125 Св. 125

3,6

43

70

 

100 - 200

От +2,4 до -3,9

2,6

 

200-8500

±2,4

 

 

8500 - 10000

От +2,4 до -5,0

 

 

100 - 6400

100 - 150

От +2,5 до -3,6

До 125

4,4

39

60

 

150 - 6000

±2,5

 

 

 

6000 - 6400

От +2,5 до -5,2

Св. 125 до 4000

3,5

 

Электрический канал звукового вещания с внутризоновым КЗВ

40 - 15000

40 - 50

От +1,8 до -3,1

40 - 125

2,1

47

74

 

50 - 125

От +1,8 до -2,2

 

 

 

125 - 10000

±1,8

 

 

 

10000 - 15000

От +1,8 до -3,0

Св. 125

1,5

 

50 - 10000

50 - 100

От +1,7 до -2,9

До 125 Св. 125

2,4

44

70

2,1

100 - 200

От +1,7 до -2,2

 

200 - 6000

±1,7

 

6000 - 8500

От +1,7 до -2,7

 

8500 - 10000

От +1,7 до -3,0

 

100 - 6400

100 - 200

От +1,8 до -3,4

До 125

3,3

41

60

 

200 - 4000

±1,8

От 1,25 до 4000

3,1

 

4000 - 6000

От +1,8 до -3,3

 

 

 

6000 - 6400

От +1,8 до -3,4

 

 

 

* Нормы приведены без канала воспроизведения магнитофона.

** См. сноску * к табл. 3 - 5.

Таблица

Нормы на параметры качества электрических каналов звукового вещания с трактом проводного вещания (НЧ)*

Тип электрического канала звукового вещания

Полоса передаваемых частот, Гц

Неравномерность АЧХ

Коэффициент гармоник

Защищенность от внятной переходной помехи, дБ, не менее

Отклонение выходного уровня от номинального значения, дБ

в полосе частот, Гц

дБ

на частотах, Гц

%, не более

Электрический канал звукового вещания с МАГ КЗВ

50 - 10000

50 - 75

От +3,1 до -7,2

До 100

7,4

70

От +3,6

75 - 125

От +3,1 до -5,4

Св. 100 до 200

3,7

до -5,0

125 - 200

От +3,1 до -3,6

Св. 200

3,4

 

200 - 6600

±3,1

 

 

 

6600 - 8500

От +3,1 до -6,5

 

 

 

8500 - 10000

От +3,1 до -7,5

 

 

 

100 - 6300

100 - 150

От +3,5 до -5,6

Св. 100 до 200

7,4

60

От +3,6

150 - 200

От +3,5 до -4,0

Св. 200

4,3

до -5,0

200 - 4000

±3,5

 

 

 

4000 - 6000

От +3,5 до -5,9

 

 

 

6000 - 6300

От +3,5 до -7,1

 

 

 

Электрический канал звукового вещания с ВЗН КЗВ

50 - 10000

50 - 75

От +2,5 до -5,7

До 100

6,8

70

От +3,6

75 - 125

От +2,5 до -3,2

Св. 100 до 200

3,3

до -5,0

125 - 200

От +2,5 до -2,6

Св. 200

3,1

 

200 - 6600

±2,5

 

 

 

6600 - 8500

От +2,5 до -6,0

 

 

 

8500 - 10000

От +2,5 до -6,2

 

 

 

100 - 6300

100 - 150

От +3,0 до -5,3

Св. 100 до 200

6,8

60

От +3,6

150 - 200

От +3,0 до -3,5

Св. 200

3,9

 

до - 5,0

200 - 4000

±3,0

 

 

 

 

4000 - 6000

От +3,0 до -5,1

 

 

 

 

6000 - 6300

От +3,0 до -5,7

 

 

 

 

* Нормы приведены без канала воспроизведения магнитофона.

Таблица 2

Нормы на параметры качества электрических каналов с трактом первичного распределения местного звукового вещания*

Тип электрического канала

Полоса передаваемых частот

Неравномерность АЧХ

Коэффициент гармоник

Защищенность от взвешенного шума, дБ, не менее**

Защищенность от внятной переходной помехи, дБ, не менее

Отклонение выходного уровня от номинального значения, дБ

в полосе частот, Гц

дБ

на частотах, Гц

%, не более

С трактом проводного вещания

50 - 10000

50 - 75

От +1,3 до -2,4

До 100

6,5

-

70

 

75 - 125

От +1,3 до -1,8

Св. 100 до 125

3,8

От +2,5

125 - 6600

±1,3

Св. 125 до 200

3,6

до -4,3

6600 - 10000

От +1,3 до -2,7

Св. 200

2,6

 

 

100 - 125

От +1,7 до -2,4

До 125

6,2

-

60

 

125 - 150

От +1,7 до -2,8

Св. 125 до 200

5,8

От +2,5

150 - 4000

±1,7

Св. 200

4,1

до -4,3

4000 - 6300

От +1,7 до -3,8

 

 

 

С трактом передатчика

40 - 15000

40 - 50

От +1,1 до -2,4

До 125

1,8

49

74

-

50 - 125

От +1,1 до -2,0

 

 

125 - 10000

±1,1

Св. 125

1,3

10000 - 15000

От +1,1 до -3,1

 

 

 

50 - 75

От +1,1 до -2,4

До 125

2,5

46

70

-

75 - 125

От +1,1 до -1,8

Св. 125

2,1

125 - 6600

±1,1

 

 

6600 - 10000

От +1,1 до -2,7

 

 

* Нормы приведены без канала воспроизведения магнитофона.

** См. сноску* к табл. 3 - 5.

Таблица 3

Нормы и параметры качества тракта формирования программ и его звеньев

Наименование параметра

Измерительный сигнал

АЦ

АПБ, АСБ

СЛ

Основной канал звуковых сигналов ТФП

Частота, Гц

Уровень, дБ

Номинальный выходной уровень, дБ

1000

-

+6, +15*

+6

+6

+6, +15*

Номинальный диапазон частот, Гц

-

-

40 - 15000

40 - 15000

40 - 15000

40 - 15000

Неравномерность амплитудно-частотной характеристики, дБ

40 - 125 включ.

-12

От +0,2 до -0,7

От +0,3 до -1,0

От +0,2 до -0,4

От +0,5 до -1,5

Св. 125 до

-

±0,3

±0,3

±0,2

±0,5

-10000 включ.

Св. 10000 до 15000

-

От +0,2 до -0,7

От +0,3 до -1,0

От +0,2 до -0,4

От +0,5 до -1,5

Коэффициент гармоник, %, не более

До 125

-

0,3

0,4

0,2

0,6

Св. 125

0,2

0,3

0,2

0,5

Коэффициент разностного тона, %, не более:

5000 - 15000

-

 

 

 

 

второго порядка

 

 

0,3

0,4

0,2

0,6

третьего порядка

 

 

0,2

0,3

0,2

0,6

Защищенность от взвешенного шума, дБ, не менее***

-

-

75

66 (61)*4

75

66 (61)*4

Защищенность от невзвешенного шума, дБ, не менее

-

-

66

63

66

63

Защищенность от внятной переходной помехи между независимыми каналами, дБ, не менее

1000

-

74

74

74

74

Защищенность от внятной переходной помехи между стереоканалами, дБ, не менее

1000

-

74

74

74

74

Разность уровней между каналами А и В стереопары, дБ, не более

40 - 125 включ.

-

0,3

0,5

0,2

0,7

Св. 125 до

0,2

0,2

0,2

0,3

-10000 включ.

Св. 10000 до

0,3

0,5

0,2

0,7

15000

Разность фаз между каналами А и В стереопары, дБ, не более

40 - 125 включ.

-

5

6

3

10

Св. 125 до 10000

4

5

2

10

Св. 10000 до 15000

5

6

33

10

Нестабильность выходного уровня (при 24-часовом периоде работы), дБ, не более

1000

-12

±0,1

±0,2

±0,1

±0,3

Ошибка в амплитудно-амплитудной характеристике, дБ, не более

1000

-

±0,2

±0,3

±0,2

±0,5

* Допускается +9 дБм.

** При передаче звуковых сигналов телевидения нормы на параметры качества тракта формирования программ, приведенные в таблице, должны суммироваться с нормами на параметры качества исходящей соединительной линии.

*** Нормы на защищенность от взвешенного шума должны выполняться при измерениях псофометром по Рек. 468-4 МККР. При измерении псофометром по Рек. Р-53 МККТТ величина защищенности от взвешенного шума должна быть на 9 дБ больше величины, приведенной в таблице.

*4 В скобках указаны значения по входу тракта от микрофона.

Таблица 4

Нормы на параметры качества трактов первичного распределения

Тип тракта первичного распределения

Полоса передаваемых частот, Гц

Неравномерность АЧХ

Коэффициент гармоник

Защищенность от взвешенного шума, дБ, не менее*,**

Защищенность от внятной переходной помехи, дБ, не менее

Отклонение выходного уровня от номинального значения, дБ

 

в полосе частот, Гц

дБ

на частотах, Гц

%, не более

С магистральным КЗВ

40 - 15000

40 - 50

От +1, 5

До 125

2,8

46

74

±2,5

 

10000 - 14000

до -3,3 (-3,6)

 

50 - 125

От +1,5

 

 

до -2,7 (-3,7)

Св. 125

1,4

 

125 - 10000

±1,5

 

14000 - 15000

От +1,5 до -3,4

 

50 - 10000

50 - 100

От +2,3

До 125

4,3

44

70

±3,0

 

8500 - 10000

до -4,8 (-5,1)

 

100 - 200

От +2,3

 

6000 - 85000

до -2,9

Св. 125

2,3

 

200 - 6000

±2,3

 

50 -

50 - 100

От +1,7

До 125

3,2

49

74

±2,5

 

- 7000***

6400 - 7000

до -3,3

 

100 - 6400

±1,7

Св. 125

2,0

 

до 3500

 

100 - 6400

6000 - 6400

От +2,4

До 125

4,3

40

60

±3,0

 

 

до -5,1

 

100 - 200

От +2,4

Св. 125

2,3

 

4000 - 6000

до -3,0

 

200 - 4000

±2,4

 

С внутризоновым КЗВ

40 - 15000

40 - 125

От +1,3

До 125

2,4

47

74

±2,0

 

10000 - 15000

до -2,6

 

 

 

125 - 10000

±1,3

Св. 125

1,2

 

50 - 10000

50 - 100

От +1,3

До 125

3,1

46

70

±3,0

 

8500 - 10000

до -2,1

 

100 - 200

От +1,3

Св. 125

1,7

 

6000 - 8500

до -1,5

 

200 - 6000

±1,3

 

50 - 7000***

50 - 100

От +1,6

До 125

2,7

51

74

±2,0

 

6400 - 7000

до -2,5

 

100 - 6400

±1,6

Св. 125

1,4

 

до 3500

 

100 - 6400

6000 - 6400

От +1,6 до -2,7

До 125

3,1

43

60

±3,0

 

100 - 200

От +1,6

Св. 125

1,7

 

4000 - 6000

до -2,4

 

200 - 4000

±1,6

 

* Нормы на защищенность от взвешенного шума, приведенные в таблице, должны выполняться при измерении псофометром по Рек. 468-4 МККР. При измерении псофометром по Рек. Р.53 МККТТ величина защищенности от шума должна быть: больше на 9 дБ.

** Для трактов с КЗВ, образованным в радиорелейных системах передачи, нормы на величину защищенности от взвешенного шума должны выполняться в течение 80 % времени 30-дневного интервала. Для 1 % и 0,1 % времени 30-дневного интервала защищенность может быть ниже соответственно на 4 и 12 дБ.

*** Для полосы частот 50 - 7000 Гц нормы на параметры качества даны для КЗВ, МКЗВ и трактов первичного распределения. Для электрических каналов нормы будут даны после введения указанных каналов и трактов в эксплуатацию.

Таблица 5

Нормы на параметры качества трактов вторичного распределения

Тракт передатчика

Полоса передаваемых частот, Гц

Неравномерность АЧX

Коэффициент гармоник

Защищенность от невзвешенного шума, дБ, не менее

Допустимое отклонение уровня входного сигнала относительного номинального значения 0 дБ, дБ

в полосе частот, Гц

дБ

на частоте, Гц

%, не более

40 - 15000

40 - 15000

±1,0

40 - 4000

1,0

62 (53*)

±6

50 - 10000

50 - 75

От +0,7

50 - 4000

2,0**

58 (50*)

±6

6600 - 10000

до -1,3

75 - 6600

±0,7

100 - 6400

100 - 150

От +0,7

100 - 4000

3,0**

53 (45*)

±6

4000 - 6400

до -1,3

150 - 4000

±0,7

* Нормы на защищенность от взвешенного шума. Должны выполняться при измерении псофометром по Рек. 468-4 МККР. При измерении псофометром по Рек. Р.53 МККТТ величина защищенности от взвешенного шума должна быть больше на 9 дБ.

** Параметр измеряется при коэффициенте модуляции 50 %, а для УКВ ЧМ при 100 % модуляции.

Таблица 6

Нормы на параметры качества трактов вторичного распределения проводного вещания*

Тип тракта вторичного распределения

Полоса передаваемых частот, Гц

Неравномерность АЧХ

Коэффициент гармоник

Защищенность от невзвешенного шума, дБ, не менее***

Защищенность от внятной переходной помехи, дБ, не менее

Отклонение выходного уровня от номинального значения, дБ

в полосе частот, Гц

дБ

на частотах, Гц

%, не более

ТПВ ЗЧК

50 - 10000

50 - 75

От +2,0 до -6,0

До 100

6,0

54

70

От +2

75 - 6600

±2,0

100 - 200

3,5

до -4 (-5)

6600 - 10000

От +3,0 до -6,0

Св. 200

2,5

 

100 - 6300

100 - 150

 

100 - 200

6,0

49

60

От +2,0

4000 - 6300

От +2,5 до -4,5

 

 

 

до -4 (-5)

150 - 4000

±2,5

Св. 200

4,0

 

 

ТПВ ВЧК

100 - 6300**

100 - 150

От +1,5 до -4,0

100 - 200

5,5

54

60 (56)***

-

150 - 4000

±2,0

 

 

4000 - 6300

От +1,5 до - 4,0

Св. 200

3,0

* Нормы должны выполняться в течение 95 % времени любого 30-дневного интервала.

** В соответствии со структурой тракта измерение параметров качества производится при подаче измерительных сигналов на вход СПВ.

*** 60 дБ между ВЧК ТПВ; 56 дБ между ЗЧК ТПВ и ВЧК ТПВ.

Таблица 7

Нормы на параметры качества отдельных звеньев тракта первичного распределения

Наименование звена

Полоса передаваемых частот, Гц

Неравномерность АЧХ

Коэффициент гармоник

Защищенность от взвешенного шума, дБ не менее*,**

Защищенность от внятной переходной помехи, дБ, не менее

Точность установки выходного уровня, дБ

 

в полосе частот, Гц

дБ

на частотах, Гц

%, не более

 

Аппаратные трактов первичного распределения

40 - 15000

40 - 50

От +0,3 до -0,4

До 125

0,4

65

74

±0,1

10000 - 15000

 

50 - 10000

±0,3

Св. 125

0,2

 

СЛ***

40 - 15000

40 - 50

От +0,5 до -0,1

До 125

1,0

55

74

±1,0

10000 - 15000

50 - 10000

±0,5

Св. 125

0,5

50 - 10000

50 - 75

От +0,5 до -0,1

До 125

1,0

51

70

±1,0

6600 - 10000

75 - 6600

±0,5

Св. 125

0,5

100 - 6400

4200 - 6400

От +1,0 до -2,0

До 125

1,0

48

60

±1,0

 

100 - 4200

±1,0

Св. 125

0,5

 

Магистральный КЗВ

40 - 15000

40 - 125

От +0,5 до -2,0

До 125

1,0

51

74

±0,5

10000 - 14000

125 - 10000

±0,5

Св. 125

0,6

14000 - 15000

От +0,5 до -3,0

50 - 10000

50 - 10000

От +1,8 до -4,5

До 125

3,5

48

70

±2,0

8500 - 10000

100 - 200

От +1,8 до -2,6

Св. 125

2,0

6000 - 8500

200 - 6000

±1,8

50 - 7000

50 - 100

От +1,0 до -3,0

До 120

2,0

53

74

±0,5

6400 - 7000

Св. 120

1,4

100 - 6400

±1,0

До 3500

100 - 6400

6000 - 6400

От +1,8 до -4,5

До 125

3,5

42

70

±2,0

100 - 200

От +1,8 до -2,6

Св. 125

2,0

5000 - 6000

200 - 5000

±1,8

МКЗВ с МАГ КЗВ

40 - 15000

40 - 125

От +1,0 до -2,5

До 125

1,8

49

74

±1,5

10000 - 14000

Св. 125

0,9

125 - 10000

±1,0

14000 - 15000

От +1,0 до -3,1

50 - 10000

50 - 100

От +2,0 до -4,6

До 125

3,8

46

70

±2,5

8500 - 10000

Св. 125

2,1

100 - 200

От +2,0 до -2,7

6000 - 8500

200 - 6000

±2,0

50 - 7000

50 - 100

От +1,3 до -3,1

До 125

2,5

52

74

±1,5

6400 - 7000

Св. 125

1,7

100 - 6400

±1,3

100 - 6400

6000 - 6400

От +2,0 до -4,6

До 125

3,8

41

70

±2,5

100 - 200

От +2,0 до -2,7

Св. 125

2,1

5000 - 6000

200 - 5000

±2,0

Внутризоновый КЗВ

40 - 15000

40 - 125

От +0,3 до -1,3

До 125

0,6

57

74

±0,5

10000 - 14000

Св. 125

0,3

125 - 10000

±0,3

14000 - 15000

От +0,3 до -2,0

50 - 10000

50 - 100

От +0,6 до -1,5

До 125

2,0

54

74

±2,0

8500 - 10000

100 - 200

От +0,6 до -0,9

Св. 125

1,2

6000 - 8500

200 - 6000

±0,6

50 - 7000

50 - 100

От +0,7 до -1,0

До 120

0,7

62

79

±0,5

6400 - 7000

100 - 6400

±0,7

120 - 3500

0,5

100 - 6400

6000 - 6400

От +0,6 до -1,5

До 125

2,0

48

74

±2,0

100 - 200

От +0,6 до -0,9

Св. 125

1,2

5000 - 6000

200 - 5000

±0,6

МКЗВ с ВЗН КЗВ

40 - 15000

40 - 125

От +0,8 до -1,5

До 125

1,2

53

74

±1,0

10000 - 15000

Св. 125

0,6

125 - 10000

±0,8

50 - 10000

50 - 100

От +0,8 до -1,6

До 125

2,3

51

74

±2,0

8500 - 10000

Св. 125

1,3

100 - 200

От +0,8 до -1,0

6000 - 8500

200 - 6000

±0,8

50 - 7000

50 - 100

От -1,1 до -1,3

До 120

1,7

54

74

±1,0

6400 - 7000

0,9

100 - 6400

±1,1

Св. 120

до 3500

100 - 6400

6000 - 6400

От +0,8 до -1,6

До 125

2,3

47

74

±2,0

100 - 200

От +0,8 до -1,0

Св. 125

1,3

5000 - 6000

200 - 5000

±0,8

* Нормы на защищенность от взвешенного шума, приведенные в таблице, должны выполняться при измерении псофометром по Рек. 468-4 МККР. При измерении псофометром по Рек. Р 53 МККТТ величина защищенности от шума должна быть больше на 9 дБ.

** Для каналов звукового вещания (КВЗ), образованных в радиорелейных системах передачи, нормы на величину защищенности от взвешенного шума должны выполняться в течение 80 % времени 30-дневного интервала. Для 1 % и 0,1 % времени 30-дневного интервала защищенность может быть ниже соответственно на 4 и 12 дБ.

*** В соответствии с межведомственными соглашениями допускается снижать нормы на параметры качества СЛ, образованной аппаратурой УКРЛВ, АВ 2/3 и другими типами аппаратуры. В ТПР необходимо использовать СЛ с полосой частот до 15 кГц. Полоса частот СЛ к ТВР может соответствовать полосе частот ТВР.

Таблица 8

Нормы на дополнительные параметры качества для цифровых каналов звукового вещания

Канал

Полоса передаваемых частот

Защищенность от продуктов внутриполосной перекрестной модуляции, дБ, не менее

Защищенность от продуктов внеполосной перекрестной модуляции, дБ, не менее

МАГ КЗВ

40 - 15000

40

60

50 - 7000

40

60

ВЗН КЗВ

40 - 15000

45

65

50 - 7000

45

65

Таблица 9

Нормы на дополнительные параметры качества стереофонических каналов и трактов звукового вещания и их отдельных звеньев

Канал, тракт, звено

Разность уровней на выходах каналов А и В

Разность фаз на выходах каналов А и В

Защищенность от внятных переходных помех между каналами А и В, дБ, не менее

в полосах частот, Гц

дБ, не более

в полосах частот, Гц

град., не более

Аппаратные в трактах первичного распределения

40 - 125

0,4

40 - 15000

5

74

10000 - 15000

 

125 - 10000

0,3

СЛ

40 - 125

0,8

40 - 15000

8

60

10000 - 15000

 

125 - 10000

0,4

МАГ КЗВ

40 - 125

1,4

40

26

50

10000 - 15000

 

200 - 4000

14

125 - 10000

0,7

15000

26

МКЗВ с МАГ КЗВ

40-125

1,9

10

34

50

10000-15000

 

200-4000

19

125-10000

1,0

15000

34

ВНЗ КЗВ

40 - 125

0,8

10

19

55

10000 - 15000

 

200 - 4000

8

125 - 10000

0,4

15000

15

МКЗВ с ВЗН КЗВ

40 - 125

1,2

40

22

55

10000 - 15000

200 - 4000

12

125 - 10000

0,6

15000

22

Тракт первичного распределения с МАГ КЗВ

40 - 125

 

40

45

50

10000 - 15000

2,4

200 - 4000

25

125 - 10000

1,8

15000

45

Тракт первичного распределения местного звукового вещания

40 - 125

1,2

40

22

60

10000 - 15000

200 - 4000

13

125 - 10000

0,7

15000

22

Тракт первичного распределения с ВНЗ КЗВ

40 - 125

1,7

40

25

55

10000 - 15000

200 - 4000

16

125 - 10000

1,0

15000

25

3.1.6. Если не оговорено особо, испытания каналов, трактов звукового вещания и их звеньев должны производиться в стандартных условиях.

За стандартные условия принимают:

номинальное полное сопротивление источника сигнала;

номинальное сопротивление нагрузки:

частоту входного сигнала 1000 (800) Гц;

номинальное напряжение источника питания;

нормальные климатические условия в соответствии с ГОСТ 15150;

установочные и оперативные регуляторы уровня, если они есть в измеряемом тракте или его звеньях, установлены в положение, при котором обеспечивается диаграмма уровней.

3.1.7. При подготовке к измерениям параметров качества ТФП и его звеньев принимают дополнительные условия:

низкочастотный генератор синусоидальных сигналов подключают ко входу ТФП непосредственно (для ТФП со входом высокого уровня) или через делитель напряжений с коэффициентом деления 1:1000 (для ТФП со входом низкого уровня). Электрические схемы делителей приведены в приложении 3*;

ревербераторы, частотные корректоры, компрессоры должны быть выключены, компандеры включены.

* В схеме измерений делители напряжения не приведены.

3.1.8. При подготовке к измерениям параметров качества тракта первичного распределения принимают дополнительные условия:

измерения КЗВ, образованных аппаратурой «Орбита-РВ», проводят без выключения контуров ПК-ВК и компандеров (оперативное выключение этих устройств не предусмотрено);

в системе «Орбита-2» все измерения проводят при включенных контурах ПК-ВК. Компандеры включают во всех измерениях, кроме измерений АЧХ и шума;

в системах «Экран», «Москва» компандеры совмещены функционально с контурами ПК-ВК. Возможность их совместного или раздельного выключения не предусмотрена. Предусмотрена блокировка компандеров путем нажатия кнопок АЧХ, ПЕРЕХ.ШУМЫ в зависимости от измеряемого параметра;

все измерения в каналах ЗВ на поднесущих частотах в ТВ стволах РРСП и СПСП производятся при одновременной подаче в канал изображения загрузки в виде сигнала цветных полос.

3.1.9. При подготовке к измерениям параметров качества тракта проводного вещания принимают дополнительные условия:

параметры качества с ВЧ каналами измеряют в режиме с фактической нагрузкой;

допускается измерять защищенность от шума в одном ВЧ канале без перерыва звукового вещания в других каналах при соответствии нормам параметров качества проводного вещания;

подготовку к измерениям и измерения тракта вторичного распределения передатчика осуществляют в соответствии с ГОСТ 13924 и ГОСТ 20532.

3.1.10. При подготовке к измерениям параметров качества электрического канала звукового вещания учитывают дополнительные условия к его трактам.

3.2. Требования к средствам измерения

3.2.1. Общие требования

3.2.1.1. Диапазон частот средств измерений и вспомогательных устройств должен быть не уже 30 - 20000 Гц.

3.2.1.2. Модуль полного входного сопротивления средств измерения должен превышать модуль полного электрического сопротивления измеряемой цепи не менее чем в 20 раз.

3.2.2. Низкочастотный генератор сигналов

Основная погрешность на частоте - не более ±(2 + 50/f) Гц, где f частота, отсчитываемая на шкале генератора, Гц.

Коэффициент гармоник генератора, используемого для измерений, не должен превышать 0,3 заданного значения измеряемого параметра. В остальных случаях коэффициент гармоник генератора не более 1 %.

Максимальное значение выходного напряжения - не менее 8 В.

Выходное сопротивление - не более 600 Ом.

3.2.3. Вольтметры, переменного напряжения для измерения сигналов синусоидальной формы

Диапазон измеряемых напряжений - 0,1 - 40 В.

Погрешность измерения - не более ±2,5 %.

При измерении неравномерности АЧХ относительная погрешность вольтметра не должна быть более 1/3 заданного отклонения АЧХ.

3.2.4. Вольтметр переменного напряжения для измерений шумовых сигналов

Диапазон измеряемых напряжений - 100 мкВ - 40 В.

Погрешность измерений - не более ±4 %.

3.2.5. Цифровой вольтметр

Диапазон измеряемых напряжений - 1 мВ - 40 В.

Количество индицируемых знаков - не менее 4.

3.2.6. Селективный вольтметр

Диапазон измеряемых напряжений - 1 мкВ - 1 В.

Погрешность измерений - не более 15 %.

3.2.7. Измеритель гармоник

Диапазон измеряемых величин - не менее 0,05 - 15 %.

Абсолютное значение основной погрешности - не более ±(0,05Kгк + 0,05 %), где Кгк - значение в процентах конечного (верхнего) предела шкалы, на которой производится отсчет.

3.2.8. Прибор для измерения защищенности от взвешенного шума (псофометр) должен иметь вещательный псофометрический фильтр, АЧХ которого должна соответствовать черт. 10. Допускается псофометрический фильтр, АЧХ которого приведена на черт. 11.

При использовании приборов с детектором среднеквадратических значений нормы должны быть уменьшены по абсолютной величине на 5 дБ.

Диапазон измеряемых напряжений - не менее 100 мкВ - 5 В.

Основная погрешность - не более 6 %.

3.2.9. Электронно-счетный частотометр

Диапазон выходных напряжений - не менее 0,1 - 5 В.

Основная погрешность измерений частоты - не более ±0,1 %.

3.2.10. Симметрирующие трансформаторы должны иметь коэффициент трансформации, равный единице, с отклонением не более ±10 % на частоте 1000 Гц при нагрузке на резистор с сопротивлением 600 Ом.

Неравномерность АЧХ - не более ±0,2 дБ в диапазоне частот 40 - 15000 Гц.

3.2.11. Измеритель разности фаз

Диапазон измерений углов фазового сдвига сигналов в рабочем диапазоне частот - не менее от 0 до 90°.

Черт. 10

Черт. 11

Разрешающая способность индикатора - 0,01.

Диапазон входных напряжений - не менее 2 мВ - 40 В.

Погрешность измерения - не более ±0,3 °.

3.2.12. Анализатор спектра

Диапазон частот - не менее 20 Гц - 600 кГц.

Полоса обзора - от 50 Гц до 200 кГц.

Динамический диапазон - 70 дБ.

3.3. Проведение измерений и обработка результатов

3.3.1. Измерения проводят по трактам и отдельным звеньям. Наряду со сквозными измерениями нормы на параметры электрического канала звукового вещания проверяют расчетным путем в соответствии с законами суммирования (см. приложение 4).

3.3.2. Отклонение относительного уровня на выходе тракта (звена) от номинального значения измеряют по схеме, приведенной на черт. 12. На вход тракта (звена) подают измерительный сигнал с частотой 1000 (800) Гц и уровнем на 21 дБ ниже номинального значения максимального уровня*.

* Допускается 20 дБ.

1 - низкочастотный генератор сигналов; 2 - измеряемый тракт или звено; 3, 4 - вольтметры; 5 - номинальное сопротивление нагрузки - резистор

Черт. 12

Измерение уровней на входе и выходе тракта (звена) осуществляют параллельно подключенными к ним вольтметрами с высоким входным сопротивлением.

3.3.3. Неравномерность амплитудно-частотной характеристики измеряют по схеме (см. черт. 10). На вход тракта (звена) подается измерительный сигнал с уровнем на 21 дБ ниже номинального значения максимального уровня*. Для КЗВ, оборудованного автокомпенсатором, уровень измерительного сигнала на 15 дБ ниже номинального значения максимального уровня.

Напряжение на входе тракта (звена) должно поддерживаться с точностью не хуже 0,3 от допустимого изменения коэффициента передачи, но при этом не должно превышать ±2,2 дБ.

Измерение проводят на частотах 40, 63, 125, 250, 500, 1000 (800), 2000, 4000, 8000, 10000, 15000 Гц для каналов с полосой частот до 15 кГц; 50, 63, 125, 250, 500, 1000 (800), 2000, 4000, 6000 и 10000 Гц - для каналов с полосой частот до 10 кГц; 100 (50), 125, 250, 500, 1000 (800), 2000, 4000, 5000, 6300 Гц - для каналов с полосой до 6,4 (6,3) кГц.

Низкочастотные компандеры в КВЗ должны быть выключены. Контуры ПК-ВК включены.

Неравномерность амплитудно-частотной характеристики (DS) определяют по формулам:

при градуировке шкалы вольтметра в вольтах

;

при градуировке шкалы вольтметра в децибелах

DS = Nf - N1000(800),

где Uf (Nf) - уровень (напряжение) сигнала на измеряемой частоте;

U1000(800) (N1000(800)) - уровень (напряжение) сигнала на частоте 1000 Гц (800 Гц).

3.3.4. Коэффициент гармоник измеряют по схеме, приведенной на черт. 13.

На входе тракта (звена) подают измерительный сигнал с номинальным максимальным уровнем. Длительность подачи сигнала не должна превышать 5 с. Коэффициент гармоник генератора не должен превышать 0,3 от минимального значения коэффициента гармоник измеряемого тракта (звена).

1 - низкочастотный генератор сигналов; 2 - измеряемый тракт или звено; 3 - вольтметр; 4 - измеритель нелинейных искажений или анализатор спектра; 5 - номинальное сопротивление нагрузки - резистор

Черт. 13

Для измерений коэффициента гармоник должен быть использован анализатор спектра или измеритель гармоник. При использовании звеньев тракта с цифровой аппаратурой, в том числе при использовании в тракте проводного вещания усилителей ЗЧ, работающих в ключевом режиме, применяется только анализатор спектра.

При измерении анализатором спектра коэффициент гармоник (Кг) в процентах вычисляют по формуле

,

где U1, U2, U3 - соответственно величины напряжения основного сигнала и его второй и третьей гармоник.

Измерения проводят на частотах 40, 63, 125, 250, 500, 1000 (800), 2000, 4000 Гц - для трактов (звеньев) с полосой частот до 15 кГц; 100 (63), 125, 250, 500, 1000 (800), 2000 Гц - для трактов (звеньев) с полосой частот до 10 и 6,4 (6,3) кГц*.

* Допускается для трактов проводного вещания проводить измерения на абонентской розетке на частоте 1 и 4 кГц.

В КЗВ, содержащих устройства частотного предыскажения (ПК-ВК), измерения проводят на частоте 800 Гц.

В цифровых КЗВ измерения проводят на частоте 2,1 кГц.

3.3.5. Измерение взвешенного шума производят по схеме, приведенной на черт. 14.

1 - резистор - эквивалент сопротивления источника; 2 - измеряемый тракт или звено; 3 - номинальное сопротивление нагрузки - резистор; 4 - псофометр

Черт. 14

Вход тракта (звена) загружают сопротивлением (600±30) Ом. Взвешенный шум измеряют псофометром, выполненным в соответствии с Рек. 468-4 МККР или Р.53 МККТТ, амплитудно-частотные характеристики взвешивающих фильтров которых приведены на черт. 10 и 11**.

** При измерении невзвешенного шума отключают взвешивающий фильтр псофометра.

Низкочастотные компандеры в КЗВ должны быть выключены. При этом измеренная величина защищенности от шума может быть меньше на величину защищенности от шума, создаваемого этими компандерами. Для КЗВ, образованных аппаратурой АВ 2/3, эта величина составляет 11 дБ.

Защищенность (А) от взвешенного шума вычисляют по формуле

A = Nмакс.сигн - Nш,

где    N макс. сигн - максимальный уровень сигнала;

         Nш - измеренный уровень шума

или

,

где    Uмакс. сигн - максимальное напряжение сигнала;

     Uш - напряжение шума.

3.3.6. Защищенность максимального сигнала от внятных переходных помех измеряют по схеме, приведенной на черт. 15.

1 - низкочастотный генератор сигналов; 2, 3 - вольтметры; 4 - тракт, вносящий помеху; 5, 6 - номинальное сопротивление нагрузки - резистор; 7 - резистор - эквивалент сопротивления источника; 8 - испытуемый тракт; 9 - анализатор спектра или селективный вольтметр

Черт. 15

1 - низкочастотный генератор сигналов; 2 - вольтметр; 3 - канал А; 4 - канал В; 5, 6 - номинальное сопротивление нагрузки - резистор

Черт. 16

Защищенность максимального сигнала от внятных переходных помех определяют на частоте 1000 (800) Гц*,**.

* Для трактов проводного вещания на частоте 2000 Гц.

** В зависимости от характеристик контуров ПК-ВК допускается изменять измерительную частоту.

На вход влияющего тракта (звена) подают измерительный сигнал с номинальным максимальным уровнем. Выход влияющего тракта (звена) и вход тракта (звена), подверженного влиянию, нагружают сопротивлением (600±30) Ом. Длительность подачи сигнала не должна превышать 5 с. На выходе тракта (звена), подверженного влиянию, измеряют уровень внятной переходной помехи анализатором спектра или селективным вольтметром.

Низкочастотные компандеры и автокомпенсаторы в КЗВ должны быть выключены.

Учитывая, что в каналах ЗВ, образованных аппаратурой АВ 2/3, создаваемый компандером или автокомпенсатором выигрыш в помехозащищенности при малых уровнях сигнала составляет 20 или 17 дБ, измеренное значение защищенности может быть ниже на указанную величину.

Защищенность (А) от внятных переходных помех вычисляют по формуле:

,

где    Uмакс.сигн - максимальное напряжение сигнала;

         Uвн.перех - напряжение внятной переходной помехи

или

A = Nмакс.сигн - Nвн.перех,

где    Nмакс.сигн - максимальный уровень сигнала;

     Nвн.перех - измеренный уровень внятной переходной помехи.

3.3.7. Разность уровней на выходах каналов А и В в трактах, используемых для стереофонических передач, определяют расчетным путем при сравнении амплитудно-частотных характеристик каналов А и В. Методика измерения АЧХ изложена в п. 3.3.3. Измерения проводят по схеме, приведенной на черт. 16.

3.3.8. Разность фаз на выходах каналов А и В в трактах, используемых для стереофонических передач, измеряют при подаче на вход обоих каналов измерительного сигнала с уровнем на 21 дБ ниже номинального значения максимального уровня Измерения проводят фазометром на частотах 40, 1000 (800) 15000. Измерения проводят по схеме, приведенной на черт. 17.

3.3.9. Защищенность от внятной переходной помехи между каналами А и В в трактах, используемых для стереофонических передач, определяют по п. 3.3.6, причем за влияющий тракт принимают поочередно канал А и канал В.

3.3.10. Защищенность от продуктов внутриполосной перекрестной модуляции второго и третьего порядка () и внеполосной перекрестной модуляции первого и второго порядка (fd) определяют на основе следующих соотношений:

 = f0 - nfi и fd = nf0 ± fa,

где    , fd - продукты перекрестной модуляции;

     f0 - частота дискретизации;

     fi - частоты внутриполосных сигналов;

     fa - частоты внеполосных паразитных сигналов.

 

n = 2

n = 3

 

fi

9

13

7

11

кГц

14

6

11

1

кГц

к соотношению для

 

n = 1

n = 2

 

fa

31

33

63

65

кГц

fd

1

кГц

к соотношению для fd

Измерения проводят по схеме, приведенной на черт. 18. На вход канала звукового вещания подают измерительный сигнал уровнем 0 дБм0з с точностью не хуже ±0,1 дБ. Коэффициент гармоник генератора звуковых частот не должен превышать 0,3 от минимального значения коэффициента гармоник измеряемого канала звукового вещания. Частота измерительного сигнала устанавливается с точностью не хуже 0,1 % от частоты дискретизации f0.

1 - низкочастотный генератор сигналов; 2 - вольтметр; 3 - канал А; 4 - канал В; 5, 6 - номинальное сопротивление нагрузки - резистор; 7 - фазометр

Черт. 17

1 - генератор НЧ сигналов; 2 - селективный вольтметр; 3 - частотомер; 4 - канал звукового вещания (КЗВ); 5 - анализатор спектра или селективный вольтметр

Черт. 18

Величину защищенности (А) вычисляют по формуле для внутриполосной перекрестной модуляции:

;

для внеполосной перекрестной модуляции

,

где    - уровни продуктов внутриполосной и внеполосной перекрестной модуляции соответственно;

          - уровень внутриполосных измерительных сигналов;

          - уровень внеполосных измерительных сигналов.

Величину защищенности (А) можно определять также по формулам для внутриполосной перекрестной модуляции:

;

для внеполосной перекрестной модуляции:

,

где    - напряжение внутриполосных измерительных сигналов;

          - напряжение внеполосных измерительных сигналов;

          - напряжение продуктов перекрестной модуляции.

ПРИЛОЖЕНИЕ 1

Справочное

ТЕРМИНЫ И СОКРАЩЕНИЯ, ПРИМЕНЯЕМЫЕ В НАСТОЯЩЕМ СТАНДАРТЕ, И ПОЯСНЕНИЯ К НИМ

1. Звуковое вещание - передача звуковой информации общего назначения широкому кругу территориально-рассредоточенных слушателей.

2. Передача - отдельная законченная в тематическом отношении информация, предназначенная для звукового вещания.

3. Программа - совокупность передач, составленных по определенному плану.

4. АПБ - аппаратно-программный блок.

5. АСБ - аппаратно-студийный блок.

6. Трансляционная аппаратная (ТА) - аппаратная радиодома или телецентра, в которую поступает сигнал от внешних источников для регулирования, усиления и последующего распределения по другим аппаратным.

7. Центральная аппаратная (АЦ) - аппаратная радиодома или телецентра, в которой осуществляются контроль и распределение потребителям сигналов звукового вещания и звуковых сигналов телевидения.

8. МАГ КЗВ - канал звукового вещания на магистральной сети.

9. ВЗН КЗВ - канал звукового вещания на внутризоновой сети.

10. Оконечная междугородная вещательная аппаратная (ОМВА) - размещенная в областном или республиканском центрах, аппаратная осуществляющая контроль, резервирование и коммутацию междугородных каналов звукового вещания и соединительных линий (к КРА, радиодому и др.). В Москве ОМВА называется службой междугородного радиовещания (СМР).

11. Оконечная междугородная телевизионная аппаратная (ОМТА) - аппаратная, предназначенная для контроля и резервирования канала изображения и канала передачи звуковых сигналов телевидения, а также распределения программ потребителям.

12. Центральная междугородная телевизионная аппаратная (ЦМТА) - аппаратная, расположенная в Москве и предназначенная для контроля управления и распределения программ центрального телевидения.

13. Зоновая междугородная телевизионная аппаратная (ЗМТА) - аппаратная, предназначенная для контроля и распределения сигналов телевизионных программ по зоновой сети (до всех телевизионных радиопередатчиков), а также для дистанционного контроля и управления.

14. МСС - магистральная сетевая станция.

15. Канал звукового вещания (КЗВ) - канал, образованный в высокочастотных системах передачи.

16. Междугородный канал звукового вещания (МКЗВ) - канал между ОМВА различных городов.

17. Соединительная линия (СЛ) - канал ограниченной протяженности между различными аппаратными, а также между соответствующей аппаратной и передатчиком или станциями проводного вещания.

18. ВСС - внутризоновая сетевая станция.

19. Оконечная радиорелейная станция (ОРС) - радиорелейная станция, устанавливаемая на оконечных пунктах радиорелейной линии связи и предназначенная для введения и выделения передаваемых по линии сообщений.

20. ЗС - земная станция спутниковой системы передачи.

21. ИСЗ - искусственный спутник Земли.

22. Узел проводного вещания (радиотрансляционный узел РТУ) - комплекс станционного и линейного оборудования, осуществляющий прием, усиление и передачу программ звукового вещания абонентам.

23. Станция проводного вещания (СПВ) - станция, предназначенная для приема, преобразования, усиления сигналов звукового вещания.

24. Канал вешания (KB) - звено тракта проводного вещания.

25. Центральная станция проводного вещания (ЦСПВ) - станция, предназначенная для распределения на другие станции программ звукового вещания, а также осуществления контроля за работой сети проводного вещания.

26. Магистральная фидерная линия (МФ) - линия, предназначенная для питания распределительных фидерных линий.

27. Распределительная фидерная линия (РФ) - линия, предназначенная для питания абонентских линий или домовых сетей.

28. Абонентская линия (АЛ) - линия, предназначенная для питания домовой сети.

29. Трансформаторная подстанция (ТП) - комплекс оборудования, предназначенный для понижения сигналов звукового вещания, получаемых по магистральным фидерным линиям, и передача их в распределительные фидерные линии проводного вещания.

30. Абонентский трансформатор (AT) - понижающий трансформатор для подключения абонентских линий или домовой сети к распределительному фидеру.

31. УПП - устройство подключения передатчика в тракте проводного вещания.

32. ПК-ВК - предыскажающий и восстанавливающий контуры, используемые в каналах и трактах ЗВ.

33. ОГР - ограничительная розетка, предназначенная для защиты абонентской линии от замыканий в абонентской розетке.

ПРИЛОЖЕНИЕ 2

Справочное

ПЕРЕЧЕНЬ РЕКОМЕНДУЕМЫХ СРЕДСТВ ИЗМЕРЕНИЯ*

1. Вольтметр переменного тока ВЗ-48А; ВКЗ-64 (ВЗ-57).

2. Цифровые вольтметры В7-40 (В7-27А), В7-39 (В7-34).

3. Псофометр ИШС-НЧ.

4. Генераторы сигналов низкочастотные РГЗ-124 (ГЗ-117); ГЗ-118; ГЗ-121.

5. Анализаторы спектра СЧ-77, СКЧ-83 (СКЧ-56, СКЧ-58).

6. Измерители нелинейных искажений СК6-10, СК6-13, СК6-7, СК6-8.

7. Фазометр Ф2-34 (Ф2-16), Ф2-28.

8. Осциллограф С1-114/1, С1-127 (С1-65А).

9. Контрольно-измерительное устройство КПУ-2.

10. Селективный вольтметр В6-14 (В6-9).

11. Низкочастотный анализатор спектра СЧ-51, СКЧ-56, СКЧ-83 (СЧ-48, СЧ-44).

12. Электронно-счетные частотомеры ЧЗ-54, ЧЗ-64 (ЧЗ-36, ЧЗ-41), ЧЗ-57, ЧЗ-63.

13. Измеритель параметров звуковых трактов ИПЗТ-1, ИПЗТ-2.

14. Симметрирующие трансформаторы TAB-2, ЭСТ-1.

* Допускается использовать приборы, указанные в скобках, и другие приборы, обеспечивающие требуемую точность измерений.

ПРИЛОЖЕНИЕ 3

Рекомендуемое

ПРИНЦИПИАЛЬНЫЕ СХЕМЫ ДЕЛИТЕЛЕЙ НАПРЯЖЕНИЯ

Для несимметричного включения

Для симметричного включения

Резисторы должны быть непроволочными с допуском не более ± 1 %, и при необходимости экранированы. Сопротивление резистора R2 должно быть не более 0,01 от Rвх тракта формирования программ. Сопротивление R1 должно равняться R2.

ПРИЛОЖЕНИЕ 4

Рекомендуемое

ЗАКОНЫ СУММИРОВАНИЯ

1. Для каналов и трактов звукового вещания сквозные нормы на неравномерность АЧХ, коэффициент гармоник, разность уровней на выходах каналов А и В и разность фаз в каналах - А и В определяют геометрическим суммированием норм на отдельные звенья по формуле

.

Примечание. Неравномерность АЧХ определяют отдельно для положительных и отрицательных значений.

2. Нормы на величину защищенности от взвешенного или невзвешенного шума (А) для каналов и трактов определяют энергетическим суммированием шумов отдельных звеньев по формуле

,

где п - число звеньев в тракте или канале.

3. Защищенность канала или тракта от внятной переходной помехи принимают равной - наименьшему значению защищенности для звеньев, составляющих канал или тракт.

4. Для каналов звукового вещания протяженностью больше 2500 км защищенность от взвешенного и невзвешенного шума должна рассчитываться в соответствии с принятым законом суммирования за вычетом следующей поправки

 (дБ),

где l - длина нормируемого канала.

ПРИЛОЖЕНИЕ 5

Рекомендуемое

Нормы на параметры качества канала воспроизведения магнитофона

Таблица 10

Наименование параметра

Частота измерительного сигнала, Гц

Норма параметра

Номинальный выходной уровень, дБн

 

+ 6

Номинальный диапазон частот, Гц

 

40 - 15000

Неравномерность амплитудно-частотной характеристики

40 - 125 включ.

± 20

 

св. 125 - 10000 включ.

± 1,0

 

св. 10000 - 15000

± 2,0

Коэффициент гармоник, %, не более

до 125

2,0

св. 125

1,0

Коэффициент разностного тона третьего порядка, %, не более

 

2,0

Защищенность от взвешенного шума, дБ, не менее

 

60

Защищенность от невзвешенного шума (эффективное значение), дБ, не менее

 

60

Защищенность от переходной помехи между стереоканалами на частотах, Гц, дБ, не менее

40

35

1000

40

15000

35

Разность уровней между каналами А и В стереопары, дБ, не более

40

2,0

1000

1,5

15000

2,0

Разность фаз между каналами А и В стереопары, град., не более

40

35

1000

15

15000

40

Стабильность выходного уровня (при 24-часовом периоде работы), дБ, не менее

1000

± 0,5

Линейность амплитудно-частотной характеристики, дБ, не более

1000

± 0,5

* Нормы на защищенность от взвешенного шума должны выполняться при измерениях псофометром по Рек. 468-4 МККР. При измерении псофометром по Рек. Р-53 МККТТ величина защищенности от взвешенного шума должна быть больше на 9 дБ величины, приведенной в таблице.

ПРИЛОЖЕНИЕ 6

Рекомендуемое

Нормы на изменение группового времени прохождения и коэффициент разностного тона*

Таблица 11

Наименование звена

Полоса передаваемых частот, Гц

Изменение группового времени прохождения в полосе частот

Коэффициент разностного тона третьего порядка на частоте 0,18 кГц, %

кГц

мс, не более

МАГ КЗВ

10 - 15000

0,04

55

0,5

0,075

24

14,0

8

15,0

12

МАГ КЗВ

50 - 7000

0,05

80

1,4

0,1

20

6,4

5

7,0

10

ВНЗ КЗВ (СЛ)

40 - 15000

0,04

32

0,29

0,075

14

14,0

5

15,0

7

ВНЗ КЗВ (СЛ)

50 - 7000

0,05

47

0,81

0,1

12

6,4

3

7,0

6

* Нормы распространяются на каналы звукового вещания и соединительные линии, образованные с использованием аппаратуры, разработанной по ТЗ, утвержденным после 01.01.92. Нормы могут быть уточнены после доработки методик измерений и проведения по ним статистических измерений.

ИНФОРМАЦИОННЫЕ ДАННЫЕ

1.  РАЗРАБОТАН И ВНЕСЕН Министерством связи СССР

РАЗРАБОТЧИКИ

М.А. Хазанова (руководитель разработки); Л.И. Романов (руководитель темы); Н.Н. Каменский канд. техн. наук; A.С. Батюшкин; Е.М. Гамаюнов; В.Я. Дзядчик, канд. техн. наук; Л.Б. Калинин; Э.К. Корнышова; Г.Е. Лифшиц; С.Г. Манзелер; С.Л. Мишенков, канд. техн. наук; З.М. Наумова; B.С. Неманов; В.В. Новиков; Л.С. Прудникова; Ю.М. Пелевин, канд. техн. наук; Т.А. Сидлецкая; В.С. Соболев; Е.А. Фетисова; Т.М. Федорова, канд. техн. наук

2.  УТВЕРЖДЕН И ВВЕДЕН В ДЕЙСТВИЕ Постановлением Государственного комитета СССР по управлению качеством продукции и стандартам от 13.05.91 № 666

3.  Срок первой проверки - 1997 г.,

периодичность проверки - 5 лет

4.  Стандарт соответствует Рекомендациям МККР 502-3, 503-4, 504-2, 505-4, 468-4; МККТТ J11, J21, J22, J23; ОИРТ 109, 100/1, 90, 67/1, 66, 62/2; МЭК 268-1, 268-3

5.  ВЗАМЕН ГОСТ 11515-75, ГОСТ 22504-83, ГОСТ 23107-78

6.  ССЫЛОЧНЫЕ НОРМАТИВНО-ТЕХНИЧЕСКИЕ ДОКУМЕНТЫ

Обозначение НТД, на который дана ссылка

Номер пункта, приложения

ГОСТ 13924-80

3.1.9

ГОСТ 15150-69

3.1.9

ГОСТ 20532-83

3.1.5

ГОСТ 22261-82

3.1.6

Рек. Р.53 МККТТ

2.4 - 2.7, 3.3.5, приложение 5

Рек. 468-4 МККР

2.4 - 2.7, 3.3.5, приложение 5

СОДЕРЖАНИЕ

1. Общие положения. 1

2. Основные параметры качества. 5

3. Методы измерений. 6

3.2. Требования к средствам измерения. 14

3.3. Проведение измерений и обработка результатов. 16

Приложение 1 Термины и сокращения, применяемые в настоящем стандарте, и пояснения к ним.. 20

Приложение 2 Перечень рекомендуемых средств измерения. 21

Приложение 3 Принципиальные схемы делителей напряжения. 22

Приложение 4 Законы суммирования. 22

Приложение 5 Нормы на параметры качества канала воспроизведения магнитофона. 22

Приложение 6 Нормы на изменение группового времени прохождения и коэффициент разностного тона. 23

 



уроки по алготрейдингу на Python с нуля



Яндекс цитирования

   Copyright © 2008-2026 ,  www.infosait.ru

backtrader - уроки алготрейдинга на python