ИНФОСАЙТ.ру
Госты, стандарты, нормативы. В библиотеке 60000 документов. Регулярное обновление. Круглосуточный бесплатный доступ!
БИБЛИОТЕКА ГОСТОВ, СТАНДАРТОВ И НОРМАТИВОВ

:: АЛГОТРЕЙДИНГ ::


АЛГОТРЕЙДИНГ
шаг за шагом


БЕСПЛАТНЫЕ УРОКИ по созданию торговых роботов на PYTHON с нуля, шаг за шагом.


Минимальные знания на PYTHON.
Библиотеки BackTrader и Pandas, сигналы с Pine Script из TradingView.
Связка с брокерами, телеграм.
Создание простых интерфейсов.

 

Все документы, представленные в каталоге, не являются их официальным изданием и предназначены исключительно для ознакомительных целей. Электронные копии этих документов могут распространяться без всяких ограничений. Вы можете размещать информацию с этого сайта на любом другом сайте.


ГОСУДАРСТВЕННЫЙ СТАНДАРТ СОЮЗА ССР

УСТАНОВКИ ПРОВОДНОЙ СВЯЗИ

СХЕМЫ ЗАЩИТЫ ОТ ОПАСНЫХ
НАПРЯЖЕНИЙ И ТОКОВ, ВОЗНИКАЮЩИХ
НА ЛИНИЯХ

ТЕХНИЧЕСКИЕ ТРЕБОВАНИЯ

ГОСТ 5238-81

ИПК ИЗДАТЕЛЬСТВО СТАНДАРТОВ

Москва

ГОСУДАРСТВЕННЫЙ СТАНДАРТ СОЮЗА ССР

Установки проводной связи

СХЕМЫ ЗАЩИТЫ ОТ ОПАСНЫХ
НАПРЯЖЕНИЙ И ТОКОВ, ВОЗНИКАЮЩИХ
НА ЛИНИЯХ

Технические требования

Line communication sets. Protection
circuits from dangerous voltages and
currents arisen at lines. Technical requirements

ГОСТ
5238-81

Дата введения 01.01.83

Настоящий стандарт распространяется на станционные и линейные установки сетей междугородной, городской, сельской и железнодорожной телефонно-телеграфной связи и устанавливает основные технические требования к схемам защиты установок проводной связи от опасных напряжений и токов, возникающих на линиях связи при грозовых разрядах, и других импульсных воздействиях, при опасном влиянии линий электропередачи и соприкосновении проводов линий связи с проводами линий электропередачи напряжением до 600 В, а также технического персонала и абонентов от акустических ударов.

Стандарт предназначен для использования при проектировании сооружений связи и эксплуатации станционного и линейного существующего оборудования.

Стандарт не распространяется:

- на установки проводной связи энергосистем, линии которых обслуживаются как высоковольтные;

- на установки проводной связи, расположенные внутри защитного заземляющего контура установок высокого напряжения или вне этого контура, если потенциал земли может достигать опасных значений;

- на устройства сигнализации, централизации и блокировки (СЦБ) на железных дорогах.

(Измененная редакция, Изм. № 1, 2).

1. ОБЩИЕ ПОЛОЖЕНИЯ

1.1. Конкретные схемы и типы применяемых приборов защиты для аппаратуры различных систем передачи (К-24, К-60П, К-60П-4, К-120, К-300, К-1920, К-3600, ИКМ-12, ИКМ-15, «ЗОНА» ИКМ 30/4, ИКМ-30, ИКМ-120 и др.) определяют при разработке системы с проведением необходимых исследований.

(Измененная редакция, Изм. № 1).

1.2. Пересечение кабельных и воздушных линий связи с линиями электропередачи и электрифицированных железных дорог (ЭЖД) - по нормативно-технической документации (НТД).

1.3. Меры защиты линий проводной связи на пересечениях с контактными сетями трамвая и троллейбуса - по ГОСТ 67.

1.4. Значения электрического сопротивления заземляющих устройств для схем и приборов защиты - по ГОСТ 464.

1.5. Меры защиты установок проводной связи при наличии опасного напряжения на линиях связи от влияния линий электропередачи и ЭЖД - по НТД.

1.6. Искровые разрядники типов ИР-7, ИР-10, ИР-15 и ИР-20 должны быть выполнены из вязочной проволоки или с использованием коробок каскадной защиты (ККЗ).

Искровые разрядники типов ИР-0,2 и ИР-0,3 должны быть выполнены только в коробках каскадной защиты или при помощи держателей разрядников Р-350.

1.7. В схемах защиты должны применяться термические катушки ТК-0,25 (ТК-0,3) или плавкие вставки типа ВП.

(Измененная редакция, Изм. № 2).

1.8. Состояние приборов защиты, т.е. разрядное напряжение газонаполненных разрядников, расстояние (воздушный промежуток) между электродами искровых разрядников (ИР-0,2, ИР-0,3, ИР-7, ИР-10, ИР-15, ИР-20) должно проверяться: перед началом грозового периода (весной), после сильных грозовых разрядов (прямых ударов молнии) в линии связи и после производства различных ремонтных работ на линии и в защитных устройствах.

1.9. Установки (коммутаторы и другое оборудование) диспетчерской и директорской связи, имеющие линии связи, идущие по территории предприятия и вне территории предприятия, должны быть защищены согласно мерам защиты, указанным в разд. 3 или 4.

1.10. Разработка дополнительных устройств и схем защиты нового и импортного оборудования связи при необходимости должна проводиться разработчиком. Дополнительные устройства защиты должны входить в состав нового оборудования.

(Измененная редакция, Изм. № 1).

1.11. Защита подземных кабелей связи от ударов молнии - по НТД.

1.12. Устанавливаемое на местных телефонных сетях импортное оборудование должно удовлетворять требованиям настоящего стандарта.

(Введен дополнительно, Изм. № 1).

1.13. Для физических абонентских линий ЭАТС-200, проложенных в канализации, защита не требуется. Для квазиэлектронной станции (АТС КЭ «Квант») требуется 100 %-ная защита.

1.14. Уплотненные линии кросса городской телефонной станции требуют 100 %-ной защиты.

1.13, 1.14 (Введены дополнительно, Изм. № 2).

2. ЗАЩИТА УСТАНОВОК МЕЖДУГОРОДНОЙ ПРОВОДНОЙ СВЯЗИ И ИЗБИРАТЕЛЬНОЙ ЖЕЛЕЗНОДОРОЖНОЙ СВЯЗИ

2.1. Меры защиты установок проводной связи, включенных в междугородные подземные кабельные линии

2.1.1. Защита аппаратуры связи, включенной в подземные кабельные линии, должна производиться:

а) на вводе подземных кабелей (на всех жилах кабелей, включая незадействованные), если электрическая прочность линейных трансформаторов, фильтров и других устройств связи и токопроводников, к которым подключены жилы кабеля, меньше электрической прочности изоляции жил кабелей по отношению к металлической оболочке кабеля или к заземленному экрану;

б) на входе и выходе аппаратуры, если в трактах возникают напряжения и токи, опасные для применяемых электрорадиоэлементов;

в) в цепи электропитания усилителей, если вследствие влияния грозы или линий электропередачи, или ЭЖД возникающие в цепях электропитания посторонние токи превышают допустимые значения.

2.1.2. В качестве приборов защиты аппаратуры и оборудования могут применяться:

- на вводе кабелей - разрядники типов Р-34, Р-35, Р-78, РВ-500, РВ-1000, Р-63, Р-64, Р-76 и др. в зависимости от значения напряжения дистанционного электропитания, типа кабелей и мер защиты их от ударов молнии, а также систем ВЧ-передачи;

- в линейных трактах - разрядники Р-4 с небольшим разрядным напряжением, стабилитроны, высокочастотные диоды, динисторы;

- в цепи электропитания усилителей - диоды, варисторы и защитные контуры, а также разрядники типа Р-56.

(Измененная редакция, Изм. № 1, 2).

2.1.3. К разрядникам, включенным на вводе кабелей, предъявляют следующие требования:

- напряжение пробоя разрядников должно быть ниже электрической прочности изоляции защищаемой установки связи и превышать максимальное рабочее напряжение этой установки;

- пропускная способность разрядника должна соответствовать техническим требованиям на защищаемую установку;

- сопротивление изоляции и емкость разрядников должны быть такими, чтобы не нарушалась работа цепей связи;

- после исчезновения перенапряжения разрядник должен возвращаться в исходное состояние.

 К стабилитронам, динисторам, разрядникам, диодам, включаемым в линейном тракте, предъявляют требования:

- напряжение срабатывания приборов должно быть ниже электрической прочности изоляции защищаемой установки связи и превышать максимальное рабочее напряжение этой установки;

- сопротивление изоляции разрядников и емкость всех приборов должны быть такими, чтобы не нарушалась работа цепей связи;

- после исчезновения перенапряжения приборы должны возвращаться в исходное состояние.

К приборам, включаемым в схемах защиты в цепи электропитания усилителей, предъявляют следующие требования:

- включение индуктивности и сопротивления в защитном контуре не должно существенно уменьшать длину секции дистанционного питания;

- испытательное напряжение емкостей, включенных в защитном контуре, должно превышать максимальное рабочее напряжение с учетом максимального напряжения, возникающего при кратковременном влиянии линий электропередач, а номинальное напряжение емкостей должно превышать сумму максимального значения рабочего напряжения и максимального эффективного значения опасного напряжения при длительном влиянии линий высокого напряжения частотой 50 Гц;

- напряжение пробоя диодов, установленных для защиты от кратковременного влияния, должно превышать сумму значения максимального рабочего напряжения и максимального эффективного значения опасного напряжения при длительном влиянии.

(Введен дополнительно, Изм. № 1).

2.2. Защита установок междугородной проводной связи и избирательной железнодорожной связи, включенных в воздушные линии

2.2.1. Аппаратура междугородных телефонных станций и усилительных пунктов, а также оконечных пунктов избирательной железнодорожной связи, включенная в воздушные линии связи, имеющие пересечения с проводами электрической сети напряжением 380/220 В или с контактными сетями трамвая и троллейбуса, должна быть защищена предохранителями и разрядниками по схемам:

- на черт. 1 - при кабельном вводе длиной до 500 м цветной и стальной уплотненных цепей;

- на черт. 2 - при кабельном вводе длиной до 500 м стальной неуплотненной цепи;

- на черт. 3 - при воздушном вводе цветной и стальной уплотненных цепей;

- на черт. 4 - при воздушном вводе стальной неуплотненной цепи.

Если длина кабельного ввода превышает 500 м, разрядники типов Р-35 (черт. 2) и Р-35 с дренажными катушками (черт. 1) на телефонных станциях и усилительных пунктах не включают.

2.2.2. Кабельные вставки на воздушных линиях связи должны быть защищены с обоих концов по схемам:

- на черт. 5 - при цветной и стальной уплотненных цепях;

- на черт. 6 - при стальной неуплотненной цепи.

2.2.3. При наличии опасного влияния линий электропередачи и ЭЖД в схемах защиты на вводе воздушных линий (см. черт. 1 - 4), а также защиты кабельных линий (см. черт. 5 и 6) должны быть включены разрядники типа Р-35 или РБ-280.

2.2.4. На подходах воздушных линий к устройствам связи, указанным в пп. 2.2.1 и 2.2.2, между каждым проводом и заземляющим устройством должны быть установлены искровые разрядники типов ИР-7, ИР-10, ИР-15 и ИР-20 по схемам:

- на черт. 7 - на проводах цветных цепей, подвешенных на 1 и 2-й траверсах траверсного профиля и на первых четырех крюках крюкового профиля;

- на черт. 8 - на проводах цветных цепей, подвешенных на 3 и 4-й траверсах траверсного профиля и на всех крюках ниже четвертого крюкового профиля, а также на всех проводах стальных цепей независимо от их расположения.

2.2.5. Запирающие катушки должны быть защищены искровыми разрядниками по схеме на черт. 9, если они установлены в третьих цепях параллельных линий, не заходящих в усилительные пункты.

2.2.6. Телефонные аппараты в пунктах служебной связи, включенные в провода воздушных линий, имеющих пересечение с проводами электрической сети напряжением 380/220 В или с контактными сетями трамвая и троллейбуса, должны быть защищены предохранителями и разрядниками по схеме на черт. 10.

2.2.7. Аппаратура промежуточных пунктов избирательной связи, включенная в провода воздушных линий, имеющих пересечение с проводами электрической сети напряжением 380/220 В или с контактными сетями трамвая и троллейбуса, должна быть защищена предохранителями и разрядниками по схемам:

- на черт. 11 - при воздушном вводе;

- на черт. 12        » кабельном      »

Если длина воздушных линий между пунктами избирательной связи менее 4 км, то включение искровых разрядников типа ИР-15 в схемах черт. 11 и 12 не требуется.

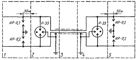
1 - междугородная телефонная станция, УП; 2 - кабельный ввод; 3 - кабельная опора; 4 - цветная или стальная уплотненная цепь воздушной линии

Черт. 1

1 - междугородная телефонная станция, УП; 2 - кабельный ввод; 3 - кабельная опора; 4 - стальная цепь воздушной линии

Черт. 2

1 - междугородная телефонная станция, УП; 2 - цветная или уплотненная стальная цепь воздушной линии

Черт. 3

1 - междугородная телефонная станция; 2 - неуплотненная стальная цепь воздушной линии

Черт. 4

1 - цветная или уплотненная стальная цепь воздушной линии; 2 - кабельная опора; 3 - кабельная вставка; 4 - кабельная опора; 5 - цветная или уплотненная стальная цепь воздушной линии

Черт. 5

1, 5 - стальная неуплотненная цепь воздушной линии; 2, 4 - кабельная опора; 3 - кабельная вставка

Черт. 6

1 - междугородная телефонно-телеграфная станция, УП, кабельная опора; 2 - воздушная линия связи

Черт. 7

1 - междугородная телефонно-телеграфная станция, УП, кабельная опора; 2 - воздушная линия связи

Черт. 8

1 - воздушная линия; 2 - пункт установки запирающей катушки; 3 - воздушная линия

Черт. 9

2.2.8. При отсутствии пересечений проводов воздушных линий с проводами электрической сети напряжением 380/220 В и с контактными сетями трамвая и троллейбуса предохранители типа СН-1,0 в схемах на черт. 1 - 4 и 10 - 12 могут быть исключены. В этих случаях в указанных схемах разрядники типа ИР-0,2 или ИР-0,3 должны быть перенесены на опору, смежную с вводной или кабельной опорой на расстояние не менее 50 м от кабельной (вводной) опоры.

1 - воздушная линия; 2 - пункт служебной связи; 3 - воздушная линия

Черт. 10

1 - воздушная линия; 2 - промежуточный пункт избирательной связи; 3 - воздушная линия

Черт. 11

2.2.9. Аппаратура уплотнения оконечных и промежуточных усилительных пунктов, включенная в воздушные линии связи и работающая при дистанционном электропитании напряжением 250 - 450 В, а также кабельные вставки на этих цепях должны быть защищены по схемам на черт. 1, 3, 5 с заменой разрядников типа Р-35 на другие разрядники с напряжением погасания не менее 500 В, например, на разрядники типов Р-64, РВ-1000, РВН-250 и другие.

1 - воздушная линия; 2 - вводная опора; 3 - кабельный ввод; 4 - промежуточный пункт избирательной связи

Черт. 12

При наличии опасного влияния линий электропередачи или ЭЖД в схемах защиты должны быть дополнительно включены защитные контуры (С = 40 мкФ, L = 3,5 Гн) или соответствующие фильтры, как показано на черт. 13.

2.2.10. Аппаратура систем передачи В-3-3, В-12-3 и других, включенных в цепи воздушных линий связи, должна быть защищена:

а) на подходе воздушной линии искровыми разрядниками по схеме на черт. 7 - на цветных цепях и по схеме на черт. 8 - на стальных цепях;

1 - междугородная телефонная станция УП; 2 - воздушная линия связи

Черт. 13

1 - кабельный ввод; 2 - междугородная телефонная станция

Черт. 14

б) на кабельной опоре разрядниками и предохранителями по схеме на черт. 1 - на цветных и стальных цепях;

в) на станции или в усилительном пункте разрядником Р-4 и фильтрами согласно черт. 14.

(Измененная редакция, Изм. № 2).

2.2.11. В схемах на черт. 1 - 6 и 10 - 12 должны применяться разрядники типа Р-35. Применяемые ранее разрядники типа Р-350 могут быть оставлены.

3. ЗАЩИТА ОБОРУДОВАНИЯ НА ГОРОДСКИХ ТЕЛЕФОННЫХ СЕТЯХ

3.1. Абонентские пункты и таксофоны, включенные в цепи кабелей (подземные кабели, подвесные и проложенные по стенам зданий) с металлической или пластмассовой оболочкой, расположенные среди различных городских строений и сооружений (водопровод, канализация и др.), экранирующих от разрядов молнии, защите не подлежат независимо от системы электропитания станции.

Примечание. При наличии участков кабельной линии, проложенной в открытой местности (например, подвесной кабель, подвешенный на столбовых опорах), при отсутствии каких-либо сооружений ближе 100 м от этого участка, экранирующих кабель от разрядов молнии в абонентских пунктах должна быть предусмотрена защита по схеме на черт. 15а или 15б (в зависимости от типов используемых разрядников и предохранителей) только для цепей кабельной линии, проходящей на участке, неэкранированном от разрядов молнии. Допускается применение АЗУ-1 (вместо АЗУ-5) с заменой в нем угольных разрядников УР-500 на металлокерамические разрядники типа Р-84.

3.2. Абонентские комплекты физических абонентских линий и линий, уплотненных аппаратурой АВУ в составе кроссов на станциях электромеханической, квазиэлектронной и электронной систем коммутации, включенные в цепи кабелей (подземных, подвесных и проложенных по стенам зданий) с металлической или пластмассовой оболочкой, независимо от условий их прохождения на местности, подлежат электрической защите по схемам черт. 15а или 15б двух- или трехэлектродными разрядниками (типов Р-81, Р-84 или др. с аналогичными параметрами) и предохранителями (ТК-0,25, ТК-0,3, ВП) в 100 %-ном объеме.

Абонентские комплекты на станциях, абонентские пункты, вводный кабель, аппаратура уплотнения и таксофоны, включенные в смешанные линии, состоящие из подземных или подвесных кабелей с металлическими или пластмассовыми оболочками, а также воздушных линий, должны быть защищены разрядниками и предохранителями:

- по черт. 16а, б, в (в зависимости от типов используемых разрядников и предохранителей) - при наличии воздушной линии и вводе в станцию подземным кабелем;

- по черт. 17а, б (в зависимости от типов используемых разрядников и предохранителей) - при наличии воздушной линии и вводе в станцию подвесным кабелем.

При этом вместо АЗУ-4 допускается применение АЗУ-2 с заменой в нем угольных разрядников УР-500 на металлокерамические разрядники типа Р-84.

Комплекты реле физических соединительных линий на вновь строящихся и реконструируемых станциях электромеханической, квазиэлектронной и электронной систем коммутации, включенные в подземные кабели с металлической или пластмассовой оболочкой независимо от способа прохождения на местности, подлежат электрической защите в кроссах этих станций посредством двух- или трехэлектродных газонаполненных разрядников Р-27, Р-35 и др. с разрядным напряжением от 300 до 400 В, устанавливаемых в объеме 100 %, включаемых между проводом и землей.

Примечание. При наличии средств электрической защиты в составе оборудования станций (например, в АК, РСЛ), аналогичных указанным в составе кросса на черт. 15 - 17, необходимость применения устройств защиты в кроссе определяют на этапе проектирования станций с учетом обеспечения техники безопасности обслуживающего персонала.

3.1, 3.2. (Измененная редакция, Изм. № 1, 2).

3.3. Кабельные вставки на воздушных линиях связи, имеющие пересечение с линиями электросети напряжением 380/220 В и с контактными сетями трамвая и троллейбуса, должны быть защищены предохранителями и разрядниками по схеме на черт. 18.

Допускается применение кабельного ящика типа ЯКМ (см. черт. 16б).

3.4. Абонентская кабельная линия при переходе на воздушную линию длиной более 3 км должна быть защищена по схеме на черт. 19.

Допускается применение кабельного ящика типа ЯКМ (см. черт. 16б).

3.3, 3.4. (Измененная редакция, Изм. № 1).

3.5. 3.6. (Исключены, Изм. № 1).

3.7. Металлическая оболочка кабелей, экран кабелей с пластмассовыми оболочками и трос, встроенный в конструкцию кабеля, при подвеске на опорах столбовых и стоечных линий должны быть заземлены в начале и в конце кабельной линии, а трос для подвесных кабелей должен быть заземлен через каждые 250 м.

Значения сопротивления заземляющего устройства - по ГОСТ 464.

3.8. (Исключен, Изм. № 1).

1 - телефонная станция; 2 - кабельная линия; 3 - абонентский пункт

Черт. 15

1 - телефонная станция; 2 - кабельная линия; 3 - абонентский пункт

Черт. 15а

1 - телефонная станция; 2 - кабельная линия; 3 - абонентский пункт

Черт. 15б

1 - телефонная станция; 2 - кабельный ввод; 3 - кабельная опора; 4 - воздушная линия; 5 - абонентский пункт

Черт. 16

1 - телефонная станция; 2 - кабельный ввод; 3 - кабельная опора; 4 - воздушная линия; 5 - абонентский пункт

Черт. 16а

1 - телефонная станция; 2 - кабельный ввод; 3 - кабельная опора; 4 - воздушная линия; 5 - абонентский пункт

Черт. 16б

1 - телефонная станция; 2 - кабельный ввод; 3 - кабельная опора; 4 - воздушная линия; 5 - абонентский пункт

Черт. 16в

1 - телефонная станция; 2 - подвесная кабельная линия; 3 - кабельная опора; 4 - воздушная линия; 5 - абонентский пункт

Черт. 17

1 - телефонная станция; 2 - подвесная кабельная линия; 3 - кабельная опора; 4 - воздушная линия; 5 - абонентский пункт

Черт. 17а

1 - телефонная станция; 2 - подвесная кабельная линия; 3 - кабельная опора; 4 - воздушная линия; 5 - абонентский пункт

Черт. 17б

3.9. В абонентских защитных устройствах типов АЗУ-1 и АЗУ-2, установленных в действующих абонентских пунктах, угольные разрядники УР-500 должны быть заменены на разрядники типа Р-84.

(Измененная редакция, Изм. № 1).

4. ЗАЩИТА ОБОРУДОВАНИЯ НА СЕЛЬСКИХ ТЕЛЕФОННЫХ СЕТЯХ И НА МЕСТНОЙ ЖЕЛЕЗНОДОРОЖНОЙ СВЯЗИ

4.1. Абонентские комплекты на станциях и местной железнодорожной связи и абонентские пункты, включенные в кабельные подземные линии с металлической оболочкой длиной не более 500 м, защите не подлежат.

4.2. Абонентские комплекты на станциях и местной железнодорожной связи и абонентские пункты, включенные в кабели с металлической оболочкой и кабели с пластмассовой оболочкой любой длины, должны быть защищены по схеме на черт. 15, включенные в смешанные линии (кабельные и воздушные) - по схеме на черт. 16, 17, а включенные в воздушные линии - по схеме на черт. 21.

Абонентские комплекты на станциях различных систем коммутации (координатной, квазиэлектронной и электронной) и абонентские пункты, включенные в подземные кабели с металлической оболочкой или кабели с пластмассовой оболочкой любой длины, должны быть защищены по схеме черт. 15а или 15б, включенные в смешанные линии (кабельные и воздушные) - по схемам на черт. 16а, б или 16в, а также 17а или 17б, а включенные в воздушные линии - по схеме на черт. 21 а;

4.1, 4.2. (Измененная редакция, Изм. № 1).

1, 5 - воздушная линия; 2, 4 - кабельная опора; 3 - кабельная вставка

Черт. 18

1 - телефонная станция, кабельная опора; 2 - воздушная линия связи

Черт. 19

1 - телефонная станция, УП; 2 - кабельный ввод; 3 - кабельная опора; 4 - стальная цепь воздушной линии

Черт. 20

1 - телефонная станция; 2 - воздушная линия; 3 - абонентский пункт

Черт. 21

1 - телефонная станция; 2 - воздушная линия; 3 - абонентский пункт

Черт. 21а

4.3. Кабельные вставки на воздушных линиях сельской связи должны быть защищены по схеме на черт. 18.

4.4. На подходе воздушных линий к телефонным станциям, а также к кабельным вводам и кабельным вставкам на каждой цепи должны быть включены искровые разрядники по схеме на черт. 22. При этом, если длина воздушной линии менее 2 км, включение разрядника типа ИР-15 не требуется.

Примечание. Искровые разрядники ИР-0,3, указанные в схеме на черт. 22, могут быть включены на станции или на кабельной опоре совместно с разрядниками типа УР-500 или Р-27, как показано на схеме черт. 23 или 20, при этом воздушный промежуток должен быть уменьшен до 0,2 мм.

На сельской телефонной сети в этих случаях разрядники УР-500 должны быть заменены на разрядники Р-84 по схеме черт. 20 и 23.

1 - телефонная станция, кабельная опора; 2 - воздушная линия связи

Черт. 22

1 - телефонная станция, кабельный ввод; 2 - кабельная опора; 3 - воздушная линия

Черт. 23

4.5. Блокираторы, установленные на воздушных линиях сельской связи, должны быть защищены предохранителями и разрядниками по схеме на черт. 24.

Допускается применение АЗУ-2 (вместо АЗУ-4) с заменой в них угольных разрядников УР-500 на металлокерамические разрядники Р-84.

4.4, 4.5. (Измененная редакция, Изм. № 1).

4.6. (Исключен, Изм. № 1).

1, 3 - воздушная линия; 2 - пункт установки блокиратора (сельсовет, правление колхоза)

Черт. 24

4.7. Оборудование соединительных линий межстанционной связи (неуплотненных или уплотненных аналоговыми системами передачи с напряжением дистанционного электропитания НУП, не превышающим 60 В) должно быть защищено разрядниками и предохранителями:

1) включенное в кабельные линии (подземные и подвесные) с металлической и пластмассовой оболочкой - по схеме черт. 25.

Наряду с трехэлектродными разрядниками типов Р-35 и Р-27 могут применяться двух- и трехэлектродные металлокерамические с номинальным значением статического напряжения зажигания 350 В. Применяемые в составе ВКУ сельских АТС координатной системы разрядники типа Р-350 могут быть оставлены до частичной или полной реконструкции станций;

2) включенное в воздушные линии - по схеме черт. 2.

На входе соединительной линии на станцию и по схеме черт. 8 на подходе воздушной линии к станции или к кабельной опоре. В схемах на черт. 2 допускается применение разрядников Р-27.

При напряжении дистанционного электропитания св. 60 В (до 450 В) разрядники типов Р-35, Р-27 и др. (см. черт. 2, 25) должны быть заменены на разрядники с более высоким напряжением пробоя и погасания.

4.8. Схемы и приборы защиты аппаратуры систем передачи, которые могут быть включены в тракты высокой и низкой частот, определяют при разработке систем передачи и указывают в НТД на аппаратуру.

4.7, 4.8. (Измененная редакция, Изм. № 1).

1, 3 - телефонная станция; 2 - кабельная линия (подземная или подвесная)

Черт. 25

4.9. Металлическая оболочка, экран кабелей с пластмассовой оболочкой и трос подвесных кабелей сельской связи должны быть заземлены в начале и в конце кабельной линии, а также через каждые 250 м по населенному пункту и через 2 км между населенными пунктами.

4.10. В абонентских пунктах, включенных в телефонные станции типа АТСУ 50/200 М, при новом строительстве или развитии сельской телефонной сети, а также при замене в абонентских пунктах разрядников типа УР-500 на разрядники Р-27 должны быть установлены абонентские защитные устройства типа АЗУ-4 или АЗУ-5.

В абонентских пунктах сельской телефонной сети, оборудованных ранее защитными устройствами типа АЗУ-1 или АЗУ-2, последние могут находиться в эксплуатации при условии замены в них угольных разрядников на металлокерамические разрядники типа Р-84. На местной сети железнодорожной связи замены угольных разрядников не требуется.

(Измененная редакция, Изм. № 1).

5. ЗАЩИТА ОБОРУДОВАНИЯ НА ТЕЛЕГРАФНЫХ СЕТЯХ

5.1. Для аппаратуры телеграфного узла (аппаратура коммутации каналов, сообщений, дискретных каналов и др.), а также для абонентских установок, работающих по выделенным каналам или по отдельным проводам в подземном кабеле связи и по цепям городских телефонных сетей, дополнительная защита от опасных напряжений и токов, возникающих на кабельных линиях, не требуется. Необходимая защита предусматривается:

а) на кабельных линиях согласно пп. 1.11, 2.1.1, 2.1.2;

б) в НУПах и оконечных станциях согласно пп. 1.1, 2.2.9;

в) на вводе воздушных линий согласно п. 2.2.1;

г) на линиях ГТС согласно пп. 3.1 и 3.2.

5.2. Аппаратура телеграфных станций, включенная в однопроводные цепи воздушных линий связи, имеющих пересечение с проводами электрической сети напряжением 380/220 В или с контактными сетями трамвая и троллейбуса, должна быть защищена предохранителями по схемам:

- на черт. 26 - при воздушном вводе;

- на черт. 27 - при кабельном вводе.

5.3. Аппаратура телеграфной станции, находящейся в одном здании с междугородной телефонной станцией, присоединенная к средним точкам линейных трансформаторов телефонных цепей, должна быть защищена только предохранителями по схеме на черт. 28.

5.4. Аппаратура телеграфных станций, включенная в соединительную воздушную линию, идущую в другое здание одного населенного пункта и имеющую пересечение с проводами электрической сети напряжением 380/220 В или контактными сетями трамвая или троллейбуса, должна быть защищена по схеме на черт. 29.

1 - телеграфная станция; 2 - телеграфный провод

Черт. 26

1 - телеграфная станция; 2 - кабельный ввод; 3 - кабельная опора; 4 - телеграфный провод

Черт. 27

5.5. Аппаратура телеграфной станции, включенная в соединительную кабельную линию, идущую в другое здание одного населенного пункта, должна быть защищена по схеме на черт. 30 и 31.

5.6. Стальной трос, служащий для подвески кабеля (см. черт. 31), а также металлическая оболочка кабеля (экран) должны быть заземлены по концам и в промежуточных точках на расстоянии не более 250 м друг от друга.

5.7. Безопасность обслуживающего персонала телеграфных узлов и абонентских установок при повреждении изоляции токонесущих проводов и узлов, находящихся под напряжением, должна обеспечиваться надежным заземлением корпусов аппаратуры и стоек. Значения сопротивления защитного заземления - по ГОСТ 464.

1 - междугородная станция; 2 - телеграфная станция

Черт. 28

1 - междугородная станция; 2 - воздушная соединительная линия; 3 - телеграфная станция

Черт. 29

1 - междугородная телефонная станция; 2 - подземная кабельная линия; 3 - телеграфная станция

Черт. 30

1 - междугородная телефонная станция; 2 - подвесная кабельная линия; 3 - телеграфная станция

Черт. 31

5.8. В схемах на черт. 26, 27, 29 и 31 разрядники типа Р-350 могут быть заменены на разрядники типа Р-35, с включением одного разрядника на два провода или включением его на один провод.

При замене разрядника типа Р-350 на тип Р-35 держатель разрядника должен быть заменен или переделан.

6. ЗАЩИТА ТЕХНИЧЕСКОГО ПЕРСОНАЛА И АБОНЕНТОВ ОТ АКУСТИЧЕСКИХ УДАРОВ

6.1. Для защиты технического персонала телефонных станций и абонентов от акустических ударов (импульсов напряжения, амплитуда которого превышает амплитуду речевого сигнала и в результате которого в трубке возникают щелчки и трески) параллельно телефону микротелефонной трубки должен быть включен ограничитель. Ограничители акустических ударов должны быть включены:

- в гарнитурах коммутаторов междугородных, городских и сельских телефонных станций и коммутаторов местной железнодорожной связи, а также в телефонах-наушниках, применяемых для служебно-диспетчерской связи;

- в телефонах на переговорных пунктах междугородной и сельской телефонной связи;

- в телефонах с избирательным вызовом на линиях связи, расположенных в непосредственной близости к полотну электрифицированных железных дорог и к линиям электропередачи.

В качестве ограничителей акустических ударов применяют схему на черт. 32, состоящую из двух параллельно включенных и противоположно направленных полупроводниковых элементов (селеновые выпрямители типа КГ-60 или диоды) и размещаемую в гарнитуре телефонистки или в корпусе микротелефонной трубки. При этом вносимое затухание при частотах от 2000 до 4000 Гц должно быть:

Черт. 32

Уровень по напряжению

Вносимые затухания

-8,7 дБ

0

+8,7 дБ

Не более 0,43 дБ

Не более 1,7 дБ

Более 5,2 дБ

При работе ограничителя его эквивалентное сопротивление должно быть в пределах:

» 8 Ом - при напряжении на ограничителе 1 В;

» 3500 Ом             »           »           »            » 0,2 В.

ИНФОРМАЦИОННЫЕ ДАННЫЕ

1. РАЗРАБОТАН И ВНЕСЕН Министерством связи СССР

РАЗРАБОТЧИКИ

А.К. Сланов (руководитель темы), А.С. Юзжалин, В.Ф. Елецков, В.Н. Спиридонов, Н.Д. Ершова

2. УТВЕРЖДЕН И ВВЕДЕН В ДЕЙСТВИЕ Постановлением Государственного комитета СССР по стандартам от 31.07.81 № 3656

3. Срок проверки - 1997 г.

4. Стандарт соответствует требованиям рекомендаций МККТТ К-12

5. ССЫЛОЧНЫЕ НОРМАТИВНО-ТЕХНИЧЕСКИЕ ДОКУМЕНТЫ

Обозначение НТД, на который дана ссылка

Номер пункта

ГОСТ 67-78

1.3

ГОСТ 464-79

1.4, 3.7, 5.7

6. Ограничение срока действия снято по протоколу № 7-95 Межгосударственного Совета по стандартизации, метрологии и сертификации (ИУС 11-95)

7. ПЕРЕИЗДАНИЕ (июль 1998 г.) с Изменениями № 1, 2, утвержденными в июле 1987 г., феврале 1990 г. (ИУС 7-87, 5-90)

СОДЕРЖАНИЕ

 



уроки по алготрейдингу на Python с нуля



Яндекс цитирования

   Copyright © 2008-2026 ,  www.infosait.ru

backtrader - уроки алготрейдинга на python