|
|
Все документы, представленные в каталоге, не являются их официальным изданием и предназначены исключительно для ознакомительных целей. Электронные копии этих документов могут распространяться без всяких ограничений. Вы можете размещать информацию с этого сайта на любом другом сайте.
ОТКРЫТОЕ АКЦИОНЕРНОЕ ОБЩЕСТВО АКЦИОНЕРНАЯ КОМПАНИЯ ПО ТРАНСПОРТУ НЕФТИ"ТРАНСНЕФТЬ"Утверждаю Первый Вице-президент ОАО "АК "Транснефть" В.В. Калинин 12 декабря 2005 г.
РУКОВОДЯЩИЙ ДОКУМЕНТ СВАРКА ПРИ СТРОИТЕЛЬСТВЕ И КАПИТАЛЬНОМ РЕМОНТЕ МАГИСТРАЛЬНЫХ НЕФТЕПРОВОДОВ. РД-08.00-60.30.00-КТН-050-1-05 ПРЕДИСЛОВИЕ1 Документ разработан ОАО ВНИИСТ. 2 Утвержден и введен в действие ОАО "АК "Транснефть". 3 Дата введения - 1.01.2006 г. 4 Введен взамен РД 153-006-02 Инструкция по технологии сварки при строительстве и капитальном ремонте магистральных нефтепроводов. 5 Оригинал документа хранится в службе нормирования и технического регулирования ОАО "АК "Транснефть" 6 Документ входит в состав информационного фонда ОАО "АК "Транснефть" Внесено Изменение № 1, принятое и утвержденное 31 марта 2006. Внесены дополнения и Изменение № 3, принятые и утвержденные 19 января 2007. ВВЕДЕНИЕ1 Настоящий Руководящий Документ (далее по тексту - РД) регламентирует технологию выполнения сварочных работ приведенными в п. 2 способами, технологию выполнения специальных сварочных работ, ремонта сварных соединений, определяет порядок применения сварочных материалов и сварочного оборудования. 2 Настоящий РД регламентирует вопросы подготовки к сварке, сборке и выполнению сварочных работ на магистральных нефтепроводах с помощью автоматической, механизированной и ручной дуговой сварки. Сварку стыков линейной части нефтепроводов следует выполнять следующими способами: - автоматической сваркой под флюсом; - автоматической сваркой в среде защитных газов проволокой сплошного сечения; - автоматической сваркой в среде защитных газов порошковой проволокой; - механизированной сваркой в среде углекислого газа проволокой сплошного сечения с использованием источников тока со специальными характеристиками (метод STT); - механизированной сваркой самозащитной порошковой проволокой; - ручной электродуговой сваркой покрытыми электродами; - ручной аргонодуговой сваркой неплавящимся электродом (для корневого слоя шва стыков труб малого диаметра и всех слоев шва стыков тонкостенных труб). 3 Технологии сварки, применяемые при строительстве и капитальном ремонте магистральных нефтепроводов подлежат аттестации согласно требованиям, изложенным в разделе 12 настоящего РД. Требования разработаны с учетом положений РД 03-615-03. 4 К выполнению сварных стыков магистральных нефтепроводов допускаются сварщики (операторы сварочных установок), аттестованные в соответствии с требованиями действующих "Правил аттестации сварщиков и специалистов сварочного производства" - ПБ 03-273-99, РД 03-495-02 и Дополнительных Требований к аттестации сварщиков и специалистов сварочного производства, допускаемых к работам на объектах системы магистральных нефтепроводов ОАО "АК "Транснефть". Перед началом сварочных работ на объекте сварщики (операторы) должны пройти допускные испытания в соответствии с требованиями разделов 13 и 21 настоящего РД. 5 Специалисты сварочного производства - работники организаций-подрядчиков по строительству, техническому надзору, специалисты ОАО МН, ОАО "ЦУП "Стройнефть", занятые выполнением и контролем за качеством производства сварочно-монтажных работ, должны быть аттестованы в соответствии с действующими правилами аттестации для допуска к руководству и техническому контролю выполнения сварочно-монтажных работ при строительстве и капитальном ремонте магистральных нефтепроводов (группа объектов "Нефтегазодобывающее оборудование" - НГДО, пункт 1 перечня групп опасных технических устройств). В аттестационном удостоверении специалистов должна присутствовать ссылка на Дополнительные требования к аттестации сварщиков и специалистов сварочного производства, допускаемых к работам на объектах магистральных нефтепроводов ОАО "АК "Транснефть", а в протоколе аттестации - ссылка на настоящий РД. Аттестационные удостоверения специалистов, выданные до введения настоящего РД, действительны до окончания срока их действия. 6 Сборку и сварку соединений магистральных нефтепроводов следует производить в соответствии с настоящим РД и технологическими картами, разработанными на основе типовых операционно-технологических карт сборки, сварки и ремонта кольцевых стыков при строительстве и капитальном ремонте магистральных нефтепроводов (приложение Д к настоящему РД). 7 Неразрушающий контроль сварных соединений нефтепроводов следует производить методами и в объемах, предусмотренных действующими нормативными документами. 8 Ссылка на настоящий РД при его использовании в полном объеме или частично является обязательной.1 Область применения1.1 Настоящий РД распространяется на подрядные организации и строительно-монтажные подразделения ОАО МН, выполняющие сварочные работы на объектах магистральных нефтепроводов ОАО "АК "Транснефть" при строительстве и капитальном ремонте с заменой труб. 1.2 Настоящий РД предназначен для инженерно-технического персонала, занимающегося монтажом, сваркой стыков при строительстве и капитальном ремонте нефтепроводов с заменой труб, а также для специалистов ОАО МН, ОАО "ЦУП "Стройнефть", независимого технического надзора, занятых выполнением и контролем за качеством производства сварочно-монтажных работ. 1.3 Часть 1 настоящего документа распространяется на сварку соединений труб в нитку магистральных нефтепроводов ОАО "АК "Транснефть". Часть 2 настоящего документа распространяется на сварку труб при сооружении узлов запуска-приема и пропуска средств очистки и диагностики, узлов установки линейных задвижек, технологических трубопроводов основного назначения, трубопроводов пара, масла, горячей воды, газопроводов собственных нужд и других сооружений, располагаемых на площадках НПС (ЛДПС) и резервуарных парков. (Измененная редакция. Изм. № 1). 1.4 Настоящий РД не распространяется на сварку труб при выполнении ремонта магистральных нефтепроводов в процессе их эксплуатации. 2 Нормативные ссылкиВ настоящем документе использованы ссылки на следующие документы: - СНиП 2.05.06-85* "Магистральные трубопроводы"; - СНиП III-42-80* "Магистральные трубопроводы. Правила производства и приемки работ"; - ПБ 03-273-99 "Правила аттестации сварщиков и специалистов сварочного производства"; - РД 03-495-02 "Технологический регламент проведения аттестации сварщиков и специалистов сварочного производства"; - РД 03-606-03 "Инструкция по визуальному и измерительному контролю"; - РД 03-613-03 "Порядок применения сварочных материалов при изготовлении, монтаже, ремонте и реконструкции технических устройств для опасных производственных объектов"; - РД 03-614-03 "Порядок применения сварочного оборудования при изготовлении, монтаже, ремонте и реконструкции технических устройств для опасных производственных объектов"; - РД 03-615-03 "Порядок применения сварочных технологий при изготовлении, монтаже, ремонте и реконструкции технических устройств для опасных производственных объектов"; - РД "Неразрушающий контроль сварных соединений при строительстве и ремонте магистральных нефтепроводов"; - РД 153-34.1-003-01 "Сварка, термообработка и контроль трубных систем котлов и трубопроводов при монтаже и ремонте энергетического оборудования"; - Рекомендации НАКС по применению РД 03-615-03 (Сборник методических документов системы аттестации сварочного производства, выпуск 2, М., 2004 г.); - ГОСТ 7512-82 "Контроль неразрушающий. Соединения сварные. Радиографический метод"; - ГОСТ 14782-86 "Контроль неразрушающий. Соединения сварные. Методы ультразвуковые"; - ГОСТ 6996-66 "Сварные соединения. Методы определения механических свойств"; - Дополнительные требования к аттестации сварщиков и специалистов сварочного производства, допускаемых к работам системы магистральных нефтепроводов ОАО "АК "Транснефть"; - ОТТ-08.00-60.30.00-КТН-013-1-04 "Общие технические требования на нефтепроводные трубы большого диаметра"; - ОТТ-08.00-60.30.00-КТН-004-1-05 "Общие технические требования на соединительные детали магистральных нефтепроводов". Приведенные выше нормативные документы применяются с учетом вновь вводимых технических регламентов Российской федерации, а также отраслевых нормативных документов и регламентов согласно Перечню законодательных актов и основных нормативно-правовых и распорядительных документов, действующих в сфере магистрального нефтепроводного транспорта на момент применения настоящего РД. 3 Термины и определения3.1 Аттестованная технология сварки - конкретная технология сварки, которая прошла приемку в данной производственной организации в соответствии с требованиями настоящего РД, что подтверждается Свидетельством НАКСа о готовности организации к ее применению при строительстве (капитальном ремонте) магистральных нефтепроводов. 3.2 Аттестованный сварщик - квалифицированный рабочий, аттестованный в установленном порядке и имеющий первый уровень профессиональной подготовки в соответствии с действующими правилами аттестации. 3.3 Автоматическая сварка - сварочный процесс, при котором подача сварочной проволоки и перемещение сварочной головки осуществляются автоматически, а оператор устанавливает, наблюдает и корректирует параметры сварки. 3.4 Воротник - усиливающая накладка, привариваемая в процессе выполнения прямой врезки. 3.5 Горячий проход - слой шва, выполняемый по не успевшему остыть ниже регламентированной температуры металлу корневого слоя шва, как правило, способом "на спуск". 3.6 3ахлест - соединение двух участков трубопроводов, в месте технологического разрыва. 3.7 Зона термического влияния - участок сварного соединения, непосредственно примыкающий к шву по границе сплавления и не подвергшийся расплавлению, структура и свойства которого изменились в результате нагрева при сварке. 3.8 Катушка трубы - отрезок трубы, подготавливаемый для вварки в нефтепровод, приварки к торцам запорной арматуры и детали трубопровода и имеющий торцы, обработанные механическим способом или путем газовой резки с последующей зачисткой. 3.9 Контрольное сварное соединение - сварное соединение, выполняемое при аттестации технологии сварки. 3.10 Металл шва - сплав, образованный расплавленным основным и наплавленным металлом. 3.11 Механизированная сварка - сварочный процесс, при котором подача присадочной проволоки осуществляется автоматически, а перемещение сварочной горелки по периметру стыка осуществляется вручную. 3.12 Наплавленный металл - переплавленный без участия основного металла присадочный металл. 3.13 Прямая врезка - специальное сварное соединение основной трубы и трубы-ответвления (патрубка), конструкция и условия выполнения которого регламентированы проектной документацией 3.14 Переходное кольцо - катушка промежуточной толщины длиной не менее 250 мм из стали прочностного класса, соответствующего основной трубе нефтепровода. 3.15 Ремонт сварного шва - процесс устранения в готовом сварном стыке дефектов, обнаруженных неразрушающими методами контроля после завершения сварки и контроля, и признанных контролером исправимыми. Исправления, производимые электросварщиком непосредственно в процессе выполнения сварного шва, в понятие "ремонт сварного шва" не входят. 3.16 Сертификат - документ о качестве конкретных партий труб, деталей трубопроводов и сварочных материалов, удостоверяющий соответствие их качества требованиям технических условий на поставку, а также специальным требованиям, сформулированным при заключении контракта на поставку. 3.17 Стык - неразъемное сварное соединение труб, трубы и соединительной детали или трубы и запорной арматуры. - допускной стык - стык, выполняемый при допускных испытаниях сварщиков; - контрольный стык - стык, вырезанный из сваренной нитки трубопровода, для проведения испытаний в объеме, предусмотренном действующими нормами. 3.18 Технологическая инструкция по сварке - документ, содержащий комплекс конкретных операций, марок сварочных материалов, оборудования для сборки и сварки стыков, позволяющий изготовить сварное соединение в соответствии с требованиями нормативной документации и настоящего РД. 3.19 Операционная технологическая карта - документ, составленный в лаконичной, простой для пользователя табулированной форме на основе настоящего РД и типовых технологических карт. 3.20 Технические условия - основной документ на поставку труб, деталей трубопроводов, арматуры и сварочных материалов, разработанный и согласованный в установленном порядке. 4 Обозначения и сокращения- ААДП - автоматическая сварка плавящимся электродом в среде инертных газов и смесях; - АПГ - автоматическая сварка плавящимся электродом в среде активных газов и смесях; - АПИ - автоматическая сварка порошковой проволокой в среде инертных газов и смесях; - АФ - автоматическая сварка под флюсом; - БТС - база трубосварочная; - ВИК - визуальный и измерительный контроль; - ЗТВ - зона термического влияния; - КСС - контрольное сварное соединение; - ЛС - линия сплавления; - метод STT (surface tension transfer) - метод сварки проволокой сплошного сечения в среде углекислого газа при переносе капель силами поверхностного натяжения; - МП - механизированная сварка плавящимся электродом в среде активных газов и смесях; - МПС - механизированная сварка самозащитной порошковой проволокой; - НАКС - Национальная Ассоциация Контроля и Сварки; - ОТТ - общие технические требования; - РД - ручная дуговая сварка покрытыми электродами; - РАД - ручная аргонодуговая сварка неплавящимся электродом; - ССТ-ПАУ - трубосварочная база, состоящая из сборочно-сварочного стенда (СТТ) и полевой автосварочной установки (ПАУ); - ТУ - технические условия; - УЗК - ультразвуковой контроль. ЧАСТЬ 1. СВАРКА СТЫКОВ ТРУБ В НИТКУ МАГИСТРАЛЬНЫХ НЕФТЕПРОВОДОВ5 Технология сварочно-монтажных работ5.1 Подготовка к сварке. Сборочно-сварочные работы5.1.1 Трубы, детали трубопроводов, арматура и сварочные материалы должны пройти входной контроль в установленном порядке. Результаты контроля заносят в Журнал входного контроля. 5.1.2 До начала производства работ следует проверить наличие сертификатов (паспортов) на трубы, соединительные детали трубопроводов, запорную арматуру и сварочные материалы, которые будут использованы для сооружения объекта, а также соответствие маркировки обозначениям, указанным в сертификатах (паспортах). При отсутствии клейм, маркировки, сертификатов (или других документов, удостоверяющих их качество) трубы, соединительные детали трубопроводов, запорная арматура и сварочные материалы и к сборке и сварке не допускаются. 5.1.3 При использовании труб с заводской разделкой кромок следует проверить соответствие формы, размеров, перпендикулярности свариваемых кромок требованиям, приведенным в разделе 7 настоящего РД. Точность обработки кромок под сварку и размеры разделки проверяют инструментально. 5.1.4 Обработку (переточку) кромок под сварку в случае несоответствия заводской разделки кромок требованиям технологии сварки следует производить механическим способом с помощью специализированных станков. 5.1.5 При использовании труб с обработанными специальными станками торцами следует проверить соответствие формы, размеров и качества подготовки свариваемых кромок требованиям настоящего РД и Операционной технологической карты. При подготовке труб под сварку разнотолщинных соединений необходимо, чтобы форма разделки кромок соответствовала одному из допускаемых соединений, представленных в разделе 10 (рис. 10.2.1). 5.1.6 Трубы, соединительные детали трубопроводов и запорная арматура с недопустимыми дефектами на их поверхностях к сборке не допускаются (раздел 7 настоящего РД). Допускается осуществлять расточку изнутри трубы ("нутрение") абразивным кругом с использованием шлифмашинок. Следует проверить после "нутрения" соответствие минимальной фактической толщины стенки в зоне свариваемых торцов допускам, установленным в таблице 7.1.2. Качество выполнения "нутрения" фиксируется соответствующим протоколом ВИК. 5.1.7 Допускается производить резку труб для выполнения специальных сварочных работ (например, захлестов) механизированной кислородной, плазменно-дуговой или воздушно-дуговой резкой с последующей обработкой специализированным станком или шлифмашинкой. При этом металл кромок должен быть удален на глубину не менее 1 мм. 5.1.8 Форма специальной разделки кромок труб для автоматической и механизированной сварки приведена в соответствующих разделах по технологии сварки - 5.2, 5.4, 5.5, 5.6, 5.10. 5.1.9 Перед сборкой необходимо очистить внутреннюю полость труб и деталей трубопроводов от попавшего грунта, снега и т.п. загрязнений, а также механически очистить до металлического блеска кромки и прилегающие к ним внутреннюю и наружную поверхности труб, деталей трубопроводов, патрубков запорной арматуры на ширину не менее 15 мм. Усиление заводских продольных и спиральных швов снаружи трубы следует удалить до величины 0-0,5 мм на участке шириной 10-15 мм от торца трубы. 5.1.10 Перед сборкой следует осмотреть поверхности кромок свариваемых элементов. Устранить шлифованием на наружной поверхности неизолированных торцов труб или переходных колец царапины, риски, задиры глубиной до 5% от нормативной толщины стенки, но не более минусовых допусков на толщину стенки, оговоренных в Общих технических требованиях и ГОСТе на трубы. 5.1.11 Забоины и задиры фасок глубиной до 5 мм труб 1-й группы прочности (таблица 7.1.1) следует отремонтировать электродами с основным видом покрытия типа Э50А диаметром 2,5-3,2 мм; 2-й группы прочности (таблица 7.1.1) - электродами с основным видом покрытиям типа Э60 диаметром 3,0-3,2 мм. При этом перед началом сварки осуществляется предварительный подогрев до 100+30 °С. Отремонтированные поверхности кромок труб следует зачистить абразивным инструментом путем их шлифовки, при этом должна быть восстановлена заводская разделка кромок, а толщина стенки трубы не должна быть выведена за пределы минусового допуска. 5.1.12 Допускается правка плавных вмятин на концах труб глубиной не более 3,5% номинального диаметра трубы с помощью безударных разжимных устройств гидравлического типа с обязательным местным подогревом изнутри трубы до 100-150 °С независимо от температуры окружающего воздуха. 5.1.13 Концы труб с забоинами и задирами фасок глубиной более 5 мм или вмятинами глубиной более 3,5% от номинального диаметра труб, а также любыми вмятинами с надрывами или резкими перегибами, имеющими дефекты поверхности, исправлению не подлежат и должны быть обрезаны с последующей обработкой специализированным станком или шлифмашинкой. При этом металл кромок, образовавшихся после резки, должен быть удален на глубину не менее 1 мм. 5.1.14 После вырезки участка с недопустимыми дефектами следует выполнить УЗК участка, прилегающего к торцу шириной не менее 40 мм по всему периметру трубы для выявления возможных расслоений. Если в процессе УЗК выявлено наличие расслоений, должна быть произведена обрезка трубы на расстоянии не менее 300 мм от торца и произведен ультразвуковой контроль в соответствии с выше приведенными правилами. 5.1.15 Ремонт труб, предназначенных для строительства подводных переходов, не допускается. При толщине стенки менее 10,0 мм допустимое смещение наружных кромок составляет 2 мм. Измерение величины смещения кромок допускается осуществлять шаблоном по наружным поверхностям труб. 5.1.17 При сборке стыков бесшовных труб с нормативной толщиной стенки 10,0 мм и более смещение их внутренних кромок не должно превышать 2,0 мм. Допускаются местные внутренние смещения кромок труб, не превышающие 3,0 мм на длине не более 100 мм. При толщине стенки менее 10,0 мм допускается смещение внутренних кромок не более 2,0 мм. Величина наружного смещения в этом случае не нормируется, однако при выполнении облицовочного слоя шва должен быть обеспечен плавный переход поверхности шва к основному металлу. 5.1.20 При сборке запрещается любая ударная правка концов труб. 5.1.21 При сборке заводские (как продольные, так и спиральные) швы следует смещать относительного друг друга не менее, чем на 75 мм - при диаметре труб до 530 мм включительно, на 100 мм - при диаметре труб свыше 530 мм. 5.1.22 В случае технической невозможности (захлесты, приварка кривых холодного гнутья и т.д.) соблюдения требований п. 5.1.21 любое изменение расстояния между смежными швами должно быть подтверждено в каждом отдельном случае представителем службы независимого технического надзора и отражено в исполнительной документации. 5.1.23 При установке зазора в стыках, выполняемых различными способами сварки, следует руководствоваться табл. 5.1.1. 5.1.24 Сборку на внутреннем центраторе стыков труб с заводской разделкой кромок или кромок, подготовленных специализированными станками, под последующую сварку корневого слоя шва механизированной сваркой методом STT или ручную дуговую сварку электродами с целлюлозным видом покрытия следует осуществлять без прихваток. Если в процессе установки технологического зазора возникла объективная необходимость в установке прихваток, то они должны быть полностью удалены в процессе сварки корневого слоя шва. 5.1.25 Сборку на внутреннем центраторе под последующую сварку корневого слоя шва электродами с основным видом покрытия следует осуществлять без прихваток. В случае технической невозможности сборки без прихваток разрешается их установка в соответствии со следующими регламентациями: - для стыков труб диаметром 426-720 мм количество прихваток должно составлять не менее 3-х при длине каждой 60-100 мм; - для стыков труб диаметром 820-1020 мм количество прихваток должно составлять не менее 4-х при длине каждой 100-150 мм; - для стыков труб диаметром 1220 мм количество прихваток должно составлять не менее 4-х при длине каждой 150-200 мм. Режимы сварки при выполнении прихваток должны соответствовать режимам сварки корневого слоя шва. 5.1.26 Сборку труб для двухсторонней автоматической сварки под флюсом следует выполнять без зазора при помощи одной прихватки длиной не менее 200 мм, выполняемой на режиме сварки первого наружного слоя шва. Таблица 5.1.1 - Величина зазоров в стыках, выполняемых различными способами сварки
5.1.28 Прихватки следует выполнять на расстоянии не менее 100 мм от заводских швов труб на параметрах режима сварки корневого слоя шва. 5.1.29 Перед началом выполнения сварки корневого слоя или установкой прихваток производится подогрев торцов труб и прилегающих к ним участков в соответствии с требованиями настоящего раздела. 5.1.30 Предварительный подогрев стыков труб с толщиной стенки менее 22 мм должен осуществляться c помощью установок индукционного нагрева или кольцевых пропановых горелок. Предварительный подогрев стыков труб с толщиной стенки 22 мм и более должен осуществляться только c помощью установок индукционного нагрева. Средства нагрева должны обеспечивать равномерный подогрев торцов по периметру стыка и прилегающих к нему участков поверхностей труб в зоне шириной 150 мм (±75 мм в обе стороны от стыка). 5.1.31 Подогрев не должен нарушать целостность изоляции. В случае использования газопламенного нагрева следует применять термоизолирующие пояса и/или боковые ограничители пламени. 5.1.32 Продолжительность подогрева определяется экспериментально для каждого подогревателя в зависимости от температуры окружающего воздуха и толщины стенки трубы. 5.1.33 Режимы предварительного подогрева при сварке корневого слоя шва электродами с основным видом покрытия и проволокой сплошного сечения методом STT приведены в табл. 5.1.2.
5.1.34 Режимы предварительного подогрева при сварке корневого слоя шва электродами с целлюлозным видом покрытия приведены в таблице 5.1.3. Таблица 5.1.3 - Условия предварительного подогрева при сварке корневого слоя шва электродами с целлюлозным покрытием
5.1.35 При двухсторонней автоматической сварке под флюсом поворотных стыков труб диаметром 1020-1220 мм на трубосварочных базах типа БТС осуществляется предварительный подогрев до 50+30 °С при температуре окружающего воздуха ниже 0 °С и/или при наличии влаги на торцах труб. При автоматической сварке проволокой сплошного сечения в защитных газах (системы CRC-Evans AW, Serimer Dasa, CWS.02) температура на торцах труб перед выполнением корневого слоя должна составлять 50+30 °С. 5.1.36 При выполнении ремонтных работ для устранения дефектов сварных соединений изнутри и снаружи трубы независимо от температуры окружающего воздуха и толщины стенки трубы следует произвести предварительный подогрев до минимальной температуры 100+30 °С. 5.1.37 При выполнении работ по сварке стыков захлестов минимальная температура предварительного подогрева должна составить 100+30 °С. 5.1.38 Непосредственно перед сваркой (прихваткой) в процессе выполнения корневого слоя шва температура на кромках труб, не должна опускаться ниже значений, приведенных в табл. 5.1.2 и 5.1.3. 5.1.39 В случае остывания кромок в процессе сборки и сварки корневого слоя шва ниже температур, регламентированных в п.п. 5.1.35-5.1.38, необходимо осуществить сопутствующий подогрев до температуры предварительного подогрева. 5.1.40 В случае снижения температуры предварительного подогрева непосредственно перед сваркой корневого слоя шва на 10 °С ниже регламентированной температуры 50 °С; на 20 °С ниже регламентированной температуры 100 °С и на 30 °С ниже регламентированных температур 150 и 200 °С допускается ее доведение до требуемой с помощью однопламенных горелок. 5.1.41 Температуру предварительного подогрева стыков труб различных прочностных классов, разнотолщинных труб или разнотолщинных соединений устанавливают по максимальному значению, требуемому для одного из стыкуемых элементов. 5.1.42 Контроль выполнения требования по температуре предварительного подогрева осуществляется непосредственно перед сваркой корневого слоя шва (прихваткой) в каждой четверти по периметру стыка. Измерения производят на наружной поверхности трубы на расстоянии 10-15 и 60-75 мм от торца трубы поверенным цифровым контактным термометром. 5.1.43 Межслойная температура в процессе выполнения сварных швов всеми способами сварки (кроме механизированной сварки проволокой Иннершилд) стыков труб из сталей прочностных классов до К60 включительно должна находиться в пределах 50-250 °С. Для механизированной сварки проволокой Иннершилд межслойная температура должна составлять 50¸200 °С. 5.1.44 С целью предотвращения быстрого остывания стыков после сварки следует применять защитные теплоизолирующие пояса (кожухи). 5.1.45 Удаление (сдвиг) внутреннего центратора разрешается после выполнения всего периметра корневого слоя шва независимо от способа сварки (кроме сварки электродами с целлюлозным видом покрытия). При сварке электродами с целлюлозным видом покрытия удаление центратора осуществляется после выполнения корневого слоя шва и горячего прохода. 5.1.46 При выполнении сборки стыков на наружном центраторе он может быть удален после выполнения не менее 60% периметра корневого слоя шва. При этом участки корневого слоя шва должны равномерно располагаться по периметру стыка. После снятия центратора все сваренные участки должны быть зачищены, а их концы обработаны абразивным кругом. 5.1.47 Опуск трубы на опоры (лежки) разрешается: - после выполнения корневого слоя шва ручной дуговой сваркой электродами с основным видом покрытия, механизированной сваркой в среде углекислого газа методом STT и автоматической сваркой проволокой сплошного сечения в защитных газах; - после выполнения корневого слоя шва и горячего прохода ручной дуговой сваркой электродами с целлюлозным видом покрытия; Не допускается перемещать или подвергать любым внешним воздействиям до полного завершения сварки стыки захлестов, соединений труба - соединительная деталь трубопровода, труба - запорная арматура, а также ремонтируемые стыки. 5.1.48 Сварка каждого слоя шва выполняется не менее чем 2 сварщиками, за исключением технологии выполнения корневого слоя изнутри трубы комплексами CRC-EVANS AW, автоматической сварки под слоем флюса на трубосварочных базах типа БТС и ССТ-ПАУ и ручной дуговой сварки подварочного слоя шва. 5.1.49 Зажигание дуги следует производить в разделке кромок или с поверхности уже выполненных участков шва. Запрещается зажигать дугу на поверхности трубы или детали. 5.1.50 Корневой слой шва стыков труб диаметром 1020-1220 мм при возможности должен быть зачищен изнутри трубы, после чего осуществляется его визуальный контроль. 5.1.51 Выполнение подварочного слоя стыков труб диаметром 1020-1220 мм производится в случаях: - выполнения сварки разнотолщинных стыков труб или стыков "труба + соединительная деталь" и "труба + запорная арматура" - по всему периметру сварного соединения; - сварки корневого слоя шва электродами с основным и целлюлозным видами покрытия, механизированной сваркой в среде углекислого газа методом STT - в местах видимых дефектов - несплавлений, непроваров и других поверхностных дефектов, а также на участках периметра со смещениями кромок более 2 мм (при условии, что эти смещения являются допустимыми). В этом случае общая протяженность участков подварки не должна превышать 1/2 периметра трубы. Перед выполнением подварочного слоя следует проконтролировать температуру изнутри трубы, которая должна составлять 50-250 °С. В случае снижения температуры ниже 50 °С следует произвести подогрев стыка до температуры 50+30 °С. Подварка изнутри трубы должна осуществляться электродами с основным видом покрытия согласно п.п. 5.10.1.7, 5.10.1.8, 5.10.1.4 настоящего РД. 5.1.52 В случае объективной необходимости непродолжительного перерыва в работе, выполняемой при температуре воздуха ниже +5 °С и/или при наличии осадков, следует накрыть стык термоизолирующим поясом. При этом перед возобновлением сварки следует проконтролировать температуру стыка и, при необходимости, подогреть стык до минимальной межслойной температуры. 5.1.53 Минимальное количество слоев шва, выполняемых при сварке каждым из разрешенных к применению способов, определяется в процессе подготовки операционных технологических карт и регламентируется по результатам аттестации технологии сварки. 5.1.54 В процессе сварки стыка необходимо производить зачистку всех слоев шва от шлака и брызг металла. 5.1.55 Сварку каждого прохода следует начинать и заканчивать с обеспечением следующих минимальных расстояний от заводских швов труб или соединительных деталей: - 50 мм для диаметров менее 820 мм; - 100 мм для диаметров 820 мм и более. 5.1.56 Место начала сварки каждого последующего слоя должно быть смещено относительно начала предыдущего слоя шва не менее чем на 30 мм. Места окончания сварки смежных слоев шва ("замки" шва) должны быть смещены относительно друг друга на расстоянии 70-100 мм. При многоваликовой сварке толстостенных элементов (один проход выполняется несколькими валиками) места начала сварки и "замки" соседних валиков должны быть смещены один относительно другого не менее чем на 30 мм. 5.1.57 Не допускается оставлять незаконченными сварные соединения с толщинами стенок до 10,0 мм включительно. Не следует оставлять не полностью сваренные стыки с толщинами стенок более 10,0 мм. В случае, когда производственные условия не позволяют завершить сварку, необходимо соблюдать следующие требования: - стык должен быть сварен не менее чем на 2/3 толщины стенки трубы; - незавершенный стык следует накрыть водонепроницаемым теплоизолирующим поясом, обеспечивающим замедленное и равномерное остывание; - перед возобновлением сварки стык должен быть вновь нагрет до требуемой минимальной межслойной температуры; - стык должен быть полностью завершен в течение 24 часов. При несоблюдении указанных условий стык подлежит вырезке. 5.1.58 Не допускается оставлять не полностью сваренные стыки при выполнении специальных сварочных работ - сварке захлестов, разнотолщинных соединений труб и соединений труба + соединительная деталь трубопровода, труба + запорная арматура, а также при выполнении ремонта сварных соединений. 5.1.59 Разнотолщинные соединения труб, соединительных деталей и запорной арматуры следует выполнять в соответствии с разделом 10 настоящего РД. 5.1.60 Для изготовления 2-х или 3-х-трубных секций при односторонней или двухсторонней автоматической сварке под флюсом следует использовать трубы с одинаковой нормативной толщиной стенки. 5.1.61 Обратный кабель (заземление) следует присоединять с помощью специальных контактных устройств, исключающих образование искрений на теле трубы в процессе сварки. Конструкция устройств должна обеспечивать токоподвод преимущественно в разделку кромок труб. Запрещается приваривать к телу трубы какие-либо крепежные элементы обратного кабеля. 5.1.62 Маркировку сварных стыков следует производить соответствующими маркерами на наружной поверхности трубы на расстоянии 100-120 мм от сварного шва. 5.1.63 Ремонт стыков, выполненных с использованием любых способов сварки, производится электродами с основным видом покрытия (табл. 8.1) в соответствии с положениями раздела 11 настоящего РД. 5.1.64 При разработке Операционных технологических карт необходимо руководствоваться положениями типовых карт, приведенных в Приложении Д к настоящему РД. 5.2 Технология двухсторонней автоматической сварки под флюсом5.2.1 Двухстороннюю автоматическую сварку под флюсом поворотных стыков труб диаметром 1020-1220 мм выполняют на трубосварочных базах типа БТС, обеспечивающих полную механизацию сборочно-сварочных и транспортных операций в процессе изготовления трубных секций и гарантирующих сохранность наружной изоляции труб. 5.2.2 Подготовку стыков, сборку и предварительный подогрев следует выполнять в соответствии с требованиями раздела 5.1 настоящего РД. При подготовке производится механическая обработка торцов труб станками типа СПК, входящими в состав оборудования трубосварочной базы. Форма разделки кромок под сварку представлена на рис. 5.2.1. Усиление заводского шва изнутри и снаружи трубы следует сошлифовать до величины 0-0,5 мм на ширине 15-20 мм от торца.
Рис. 5.2.1 Типы разделки кромок труб диаметром 1020-1220 мм для автоматической сварки под флюсом на базах типа БТС 5.2.3 Сварка осуществляется с использованием аттестованных комбинаций агломерированный флюс - проволока, либо плавленый флюс - проволока. Перечень аттестованных комбинаций агломерированный флюс - проволока для сталей различных прочностных групп приведен в таблице 8.4 настоящего РД. 5.2.4 Сварку стыка производят в следующем порядке: - первый наружный слой шва; - последующие наружные слои шва (если они регламентированы операционной технологической картой); - внутренний слой шва. Рекомендуется выполнять одновременную сварку второго наружного и внутреннего слоев шва. 5.2.5 Собранный стык следует повернуть на 180о таким образом, чтобы прихватка находилась в нижней части стыка (в положении "6 час"), после чего в верхней части стыка (в положении "12 час") начинают сварку первого наружного слоя шва. 5.2.6 Во избежание образования шлаковых включений и непроваров рекомендуется выполнять шлифмашинкой пропилы начального и конечного участков прихватки, а также начального участка первого наружного слоя. Глубина пропила 3-4 мм, ширина 3-4 мм, длина 25-40 мм. Допускается шлифовка усиления на прихватке до 0,5-1,0 мм. 5.2.7 Режимы двухсторонней сварки стыков труб из низкоуглеродистых и низколегированных сталей с использованием комбинаций "плавленый флюс + проволока" приведены в таблице 5.2.1. Режимы двухсторонней сварки стыков труб диаметром 1020-1220 мм с использованием комбинации "агломерированный флюс + проволока" представлены в таблице 5.2.2. 5.2.8 Жимки центратора должны быть освобождены только после полного завершения сварки первого наружного слоя шва. 5.2.9 Сварку всех слоев шва следует производить без перерывов в работе. Интервал времени между завершением первого наружного и началом сварки внутреннего слоя шва не должен превышать 30 мин при температуре окружающего воздуха выше 0 °С и 10 мин при температуре окружающего воздуха 0 °С и ниже. 5.2.10 При заклинивании шлака в разделке во время сварки первого наружного слоя шва и для улучшения сопряжения шва со стенками разделки смещение электрода с зенита трубы рекомендуется увеличить на 5-10 мм по сравнению со значениями, приведенными в таблицах 5.2.1 и 5.2.2. 5.2.11 Минимальное число наружных слоев шва в зависимости от типоразмера труб приведено в таблице 5.2.3. 5.2.12 Внутренний слой шва должен свариваться в один проход. Величина усиления внутреннего и облицовочного слоев шва должна находиться в пределах 1-3 мм. Ширина облицовочного слоя шва представлена в таблице 5.2.4, а внутреннего слоя - в таблице 5.2.5. Таблица 5.2.1 - Режимы двухсторонней сварки поворотных стыков труб диаметром 1020-1220 мм с использованием комбинаций "плавленый флюс + проволока"
Таблица 5.2.2 - Режимы двухсторонней сварки поворотных стыков труб диаметром 1020-1220 мм с использованием комбинации "агломерированный флюс + проволока"
Таблица 5.2.4 - Требования к ширине облицовочного слоя шва при двухсторонней сварке под флюсом
Геометрические размеры швов, определяемые по макрошлифам, должны соответствовать рис. 5.2.2 и таблицам 5.2.4 и 5.2.5.
Рис. 5.2.2 Макрошлиф для оценки геометрических параметров сварного шва: 1 - ось первого (наружного) слоя шва; 2 - ось внутреннего слоя шва; 3 - условная ось стыка; а - перекрытие наружного и внутреннего слоев шва (а ³ 3 мм при толщине стенки труб 12 мм и более; а ³ 2 мм при толщине стенки труб менее 12 мм; с - смещение осей первого наружного и внутреннего слоев шва от условной оси стыка (с = ±1 мм); hН и hВ - глубина проплавления соответственно первого наружного и внутреннего слоев шва; ВВ - ширина внутреннего слоя шва. Геометрические размеры швов определяют на 3 макрошлифах, изготовленных из допускного стыка и из каждого 200 стыка. Темплеты для макрошлифов вырезают на любом участке сварного соединения равномерно по периметру стыка, но не ближе 200 мм от места начала или окончания процесса сварки. В случае отклонения геометрических параметров от заданных значений сварку следует прекратить, отладить оборудование и режим сварки, после чего выполнить сварку двух новых стыков, из которых вырезать макрошлифы. В случае, если размеры швов по макрошлифам соответствуют установленным требованиям, сварку можно продолжить. Остальные 199 стыков, предшествующие первому вырезанному, следует считать годными, если в результате неразрушающего контроля в них не выявлено недопустимых дефектов. Если облицовочный слой шва смещен относительно первого наружного слоя, но при этом перекрывает всю его ширину, то стык считается годным при отсутствии недопустимых дефектов шва и соблюдении заданных режимов. В данном случае оси первого наружного слоя и внутреннего слоя шва должны совпадать или быть смещены относительно друг друга на расстояние не более 2 мм. 5.2.13 Флюс, остающийся на поверхности трубы в процессе сварки, следует ссыпать в чистый сухой поддон, просеять через сито, освобождая его от кусков шлаковой корки и инородных включений. Очищенный флюс допускается использовать повторно. При его повторном применении следует добавлять к ранее использованному флюсу 25-50% нового (неиспользованного) флюса. Запрещается использование флюса, просыпавшегося мимо бункера или поддона. Флюс, оставшийся по окончании смены в бункере сварочной головки, должен быть удален из бункера и помещен до следующей смены в герметичную тару. 5.2.14 Запрещается сброс сваренных секций и их соударение, а также их скатывание на мокрый грунт или снег до полного остывания стыка до температуры окружающей среды. 5.2.15 Все стыки, выполняемые одной сменой, к ее окончанию должны быть сварены полностью. В порядке исключения, в случае выхода из строя оборудования, отключения сети и т.п. разрешается оставлять до следующей смены стык трубной секции с невыполненным облицовочным слоем шва. Перед завершением сварки данного стыка следует выполнить предварительный подогрев до температуры 50+30 °С. При невыполнении указанных требований стык подлежит вырезке. 5.3 Технология односторонней автоматической сварки под флюсом5.3.1 Одностороннюю автоматическую сварку под флюсом по выполненному ручной или механизированной сваркой корневому слою шва производят на трубосварочных базах типа ССТ-ПАУ (трубы диаметром 1020-1220 мм) и БНС (трубы диаметром 325-820 мм), обеспечивающих сохранность наружной изоляции труб в процессе изготовления трубных секций. Сварка поворотных стыков труб диаметром менее 325 мм может быть выполнена на трубосварочных базах специальной конструкции, обеспечивающих качественное выполнение всех сборочно-сварочных операций и сохранность наружной изоляции труб. 5.3.2 Сварка корневого слоя шва может быть выполнена следующими способами: - ручной дуговой сваркой электродами с покрытием основного вида (согласно требованиям раздела 5.10 настоящего РД); - механизированной сваркой проволокой сплошного сечения методом STT (согласно требованиям раздела 5.8 настоящего РД); - ручной дуговой сваркой электродами с покрытием целлюлозного вида (согласно требованиям раздела 5.10 настоящего РД). По данному варианту технологии ручной дуговой сварки должен быть выполнен также "горячий проход". Сварку корневого слоя и "горячего прохода" следует производить на одном стенде без перекатывания и продольного перемещения трубной секции. 5.3.3 Сварка осуществляется с использованием аттестованных комбинаций агломерированный флюс - проволока, либо плавленый флюс - проволока. Перечень аттестованных комбинаций агломерированный флюс - проволока для сталей различных прочностных групп приведен в таблице 8.4 настоящего РД. 5.3.4 При ручной дуговой сварке корневого слоя электродами с покрытием основного вида и механизированной сварке методом STT допускается периодический поворот свариваемой секции без освобождения жимков центратора в удобное для сварщиков положение. Перекатывание секции на промежуточный стеллаж разрешается только после завершения сварки корневого слоя по всему периметру стыка. 5.3.5 В случае сварки корневого слоя шва электродами с покрытием основного вида для избежания прожогов при автоматической сварке по всему периметру стыка выполняется подварка корня шва изнутри трубы электродами с основным видом покрытия, либо выполняется первый заполняющий слой механизированной сваркой методом Иннершилд или электродами с основным видом покрытия. 5.3.6 В случае выполнения корневого слоя шва и горячего прохода электродами с целлюлозным покрытием или корневого слоя шва методом STT, первый заполняющий слой перед автоматической сваркой под флюсом следует выполнить механизированной сваркой методом Иннершилд или электродами с основным видом покрытия. Подварка изнутри осуществляется только в местах непроваров и несплавлений или других визуально определяемых дефектов. 5.3.7 Для предотвращения увлажнения и остывания стыков ниже минимальной температуры предварительного подогрева после ручной дуговой или механизированной сварки их следует укрывать до начала автоматической сварки под флюсом влагонепроницаемыми теплоизоляционными поясами шириной не менее 300 мм. В том случае, если стык остыл до температуры ниже +50 °С, его следует нагреть до температуры 50+30 °С. 5.3.8 Автоматическую сварку под флюсом заполняющих и облицовочного слоев шва поворотных стыков труб диаметром 325-1220 мм с использованием комбинации "плавленый флюс + проволока" следует выполнять на режимах, представленных в таблице 5.3.1.
5.3.9 Режимы сварки поворотных стыков труб с использованием комбинации "агломерированный флюс + проволока" представлены в таблице 5.3.2. Таблица 5.3.2 - Режимы односторонней автоматической сварки с использованием комбинации "агломерированный флюс + проволока"
5.3.10 Минимальное число слоев (без учета подварочного слоя), выполненных автоматической сваркой под флюсом, должно соответствовать таблице 5.3.3. Таблица 5.3.3 - Минимальное число слоев шва, выполняемых автоматической сваркой под флюсом
5.3.11 При сварке толстостенных труб рекомендуется выполнять заполняющие (второй, третий и т.д.) и облицовочный слои шва параллельными (с перекрытием) проходами (валиками). В этом случае напряжение на дуге снижают на 2-4 В (для плавленых флюсов) и на 1-2 В (для агломерированных флюсов), а скорость сварки увеличивают не менее чем на 20% (для плавленых флюсов) и на 15-20% (для агломерированных флюсов). 5.3.12 Ширина облицовочного слоя шва, выполненного двумя параллельными проходами (валиками), не должна превышать допустимой ширины однопроходного облицовочного шва в соответствии с таблицей 5.3.4. Таблица 5.3.4 - Требования к ширине облицовочного слоя шва при односторонней сварке под флюсом
5.3.13 При значениях сварочного тока более 600 А автоматическую сварку с использованием комбинаций "плавленый флюс + проволока" рекомендуется выполнять на прямой полярности. При этом сварочный ток следует увеличить на 100 А, а скорость сварки установить по верхнему пределу диапазона скоростей, указанному в таблице 5.3.1. Все остальные параметры режима сварки, указанные в таблице 5.3.1, следует оставить без изменений. 5.3.14 Стыки трубных секций диаметром 1020-1220 мм разрешается оставлять в конце смены незаконченными в том случае, если не сварен только один облицовочный слой шва. Перед возобновлением сварки данных стыков они должны быть подогреты до температуры 50+30 °С. Стыки трубных секций на базах типа БНС (база наружной сварки) оставлять незаконченными не разрешается. При невыполнении указанных требований стыки подлежат вырезке. 5.3.15 Запрещается сброс сваренных секций и их соударение, а также их скатывание на мокрый грунт или снег до полного остывания стыка до температуры окружающей среды. 5.3.16 Повторное использование флюса в процессе сварки, а также его хранение по окончании смены следует выполнять согласно п. 5.2.13 настоящего РД. 5.4 Технология односторонней и двухсторонней автоматической сварки проволокой сплошного сечения в среде защитных газов комплексом оборудования фирмы "CRC-Evans AW"5.4.1 Область применения, особенности технологии и оборудованияСистема двухсторонней автоматической сварки "СRС-Еvans AW" предназначена для сварки неповоротных стыков труб диаметром 610-1220 мм. Система односторонней автоматической сварки "СRС-Еvans AW" предназначена для сварки неповоротных стыков труб диаметром 325-530 мм на медной технологической подкладке. В обеих системах реализован процесс сварки электродной проволокой сплошного сечения в среде защитных газов. Конструкция и состав оборудования обеспечивают комплексное решение автоматизации сварки неповоротных стыков линейной части магистральных нефтепроводов, основанное на следующих технологических подходах: - повышение производительности сварки за счет уменьшения объема наплавленного металла при использовании специальной узкой разделки и сборки без зазора кромок в сочетании с повышенным коэффициентом наплавки при сварке тонкой электродной проволокой; - компенсация неточностей сборки, обеспечение гарантируемого качества корневого слоя и всего шва в целом труб диаметром 610-1420 мм за счет применения процесса двухсторонней сварки; - высокий темп сборки стыка за счет использования быстродействующего пневматического центратора и стыковки труб без зазора; - сокращение времени сварки корня шва за счет применения многоголовочного сварочного автомата (для системы двухсторонней сварки); - обеспечение высокого темпа производства работ на трассе магистрального нефтепровода за счет высокой скорости сварки. Система двухсторонней автоматической сварки "СRС-Еvans AW" выполняет сварку корневого слоя шва изнутри трубы с помощью многоголовочного сварочного автомата, совмещенного с внутренним сварочным центратором. Это значительно повышает качество сварки, особенно при сборке труб со смещениями, и сокращает время сварки. Особенностью оборудования является также использование для сварки заполняющих и облицовочного слоев двух вариантов наружных сварочных головок - однодуговой (модели П-200, П-260) и двухдуговой (модель П-600). Это позволяет гибко подходить к выбору состава оборудования для сварки данного типоразмера трубы, максимально учитывая технико-экономические показатели. Применение двухдуговых головок П-600 значительно сокращает время сварки заполняющих и облицовочных слоев шва толстостенных труб, за счет одновременной сварки двух слоев. Их применение для сварки облицовочного слоя позволяет синхронизировать работу всех сварочных станций, в отличие от однодуговых головок, когда для сварки облицовочного слоя с требуемой производительностью необходима вторая станция. Двухдуговая модель обеспечивает более высокий уровень автоматизации процесса, реализуемый с помощью компьютерной системы управления. Ее отличительными особенностями являются: - конструкция, предусматривающая применение двух горелок, которые могут работать как совместно, так и по отдельности; - система автоматического мониторинга параметров режима сварки; - система автоматического регулирования параметров режима сварки с учетом пространственного положения головки; - система автоматического слежения за движением головки по оси разделки кромок; - система слежения за величиной вылета электрода в процессе сварки; - главный управляющий модуль с центральным процессором и сенсорным жидкокристаллическим экраном, позволяющий осуществлять настройку, калибровку и контроль за параметрами режима с различными уровнями доступа (оператор, техник, инженер); - наличие в главном управляющем модуле считывающего устройства для магнитных карт, что позволяет создавать компьютерную базу данных с реальными параметрами режима сварки по каждому сваренному стыку, а также выполнять корректировку параметров в соответствии с установленным уровнем доступа; - пульт дистанционного управления сварочной головкой. В системе односторонней сварки все слои шва выполняются однодуговыми наружными головками модели П-200 или П-260. 5.4.2 Состав оборудованияКомплекс двухсторонней автоматической сварки "СRС-Еvans АW" состоит из следующих основных единиц оборудования: - станков для обработки кромок труб под специальную разделку; - установки индукционного нагрева (или кольцевого пропанового подогревателя) для предварительного подогрева концов труб; - установки внутренней сварки, представляющей собой самоходный внутренний пневматический центратор с многоголовочным сварочным автоматом встроенным между рядами жимков для сварки изнутри трубы; - агрегата энергообеспечения установки внутренней сварки с компрессором для пневматического центратора; - автоматов (сварочных головок) наружной сварки - однодуговых моделей П-200 или П-260 или двухдуговых модели П-600 с направляющими поясами; - агрегатов энергообеспечения постов наружной сварки с защитными палатками и устройствами сопутствующего подогрева стыков; - передвижной мастерской для наладки и ремонта оборудования и хранения запасных частей; - вспомогательного оборудования. Комплекс односторонней автоматической сварки "СRС-Еvans АW" состоит из аналогичных единиц оборудования за исключением установки внутренней сварки и двухдуговых головок П-600. В конструкции внутреннего пневматического центратора предусмотрена медная технологическая подкладка, установленная между рядами его жимков. Корневой слой шва в данном технологическом варианте выполняется с использованием сварки пульсирующей дугой 5.4.3 Сварочные материалыПеречень аттестованных марок проволок сплошного сечения для сталей различных прочностных групп приведен в таблицах 8.9 и 8.10 настоящего РД. Требование к смесям газов приведены в таблице 8.8 настоящего РД. 5.4.4 Состав основных технологических операций5.4.4.1 Раскладка труб Трубы или трубные секции укладывают на бровке траншеи на инвентарных лежках под углом к оси траншеи таким образом, чтобы к торцам труб был свободный доступ. Расстояние от грунта до нижней образующей трубы должно составлять не менее 450 мм. В процессе раскладки необходимо произвести осмотр труб на соответствие требованиям раздела 5.1 настоящего РД. 5.4.4.2 Подготовка и обработка торцов труб Обработку концов труб производят кромкострогальными станками. Для соединения труб с одинаковой толщиной стенки обработка под двухстороннюю сварку должна быть произведена в соответствии со схемой, приведенной на рис. 5.4.1 (а). В случае соединения разнотолщинных труб разделку более толстостенной трубы следует производить в соответствии со схемой, приведенной на рис. 5.4.1 (б). При этом соотношение номинальных толщин труб S2/S1 должно быть не более 1,5. Обработка торцов труб под одностороннюю автоматическую сварку должна быть выполнена в соответствии с рис. 5.4.2. Перед обработкой торца после газовой резки следует зашлифовать "заподлицо" с внутренней поверхностью трубы внутреннее усиление заводского шва на длину не менее 50 мм от торца. 5.4.4.3 Установка на торцах труб направляющих поясов для наружных автоматов Установку направляющих поясов производят с помощью специального шаблона. Направляющие пояса следует устанавливать на торец трубы, обращенный в сторону движения монтажной колонны. 5.4.4.4 Предварительный подогрев концов труб Установить кольцевой индукционный нагреватель или кольцевую пропановую горелку на стык и произвести подогрев стыка. Температуру подогрева следует устанавливать в соответствии с требованиями раздела 5.1 настоящего РД.
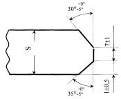
Рис. 5.4.1 Разделка кромок труб и конструкция соединения для двухсторонней автоматической сварки в защитных газах на оборудовании СRC-Evans AW: а), б) разделка кромок труб; в) конструкция соединения для труб с одинаковой толщиной стенки; г) конструкция соединения для разнотолщинных труб. Условные обозначения и величины геометрических параметров: S, S1, S2 - толщина стенки трубы, мм; α = 5°÷10° (±1°); b = 45°÷52° (± 1°); g = 37,5±1°; А = 2,3÷3,6 (±0,2) мм; В = 1,0÷1,8 (±0,2) мм; D = 1,0÷1,8 (±0,2) мм.
Рис. 5.4.2 Разделка кромок труб для односторонней автоматической сварки в защитных газах на оборудовании СRC-Evans AW Условные обозначения и величины геометрических параметров: S - толщина стенки трубы, мм; α = 3°÷10° (±1°); R = 3,2±0,2 мм; А = 2,5÷3,6 (±0,2) мм; В = 5,1±0,2 мм; D = 1,0÷1,8 (±0,2) мм. 5.4.4.5 Сборка стыка Сборку стыка под двухстороннюю сварку производят без зазора с помощью специального внутреннего пневматического центратора со встроенным многоголовочным сварочным автоматом. Центратор следует установить "на стык", отрегулировать положение сварочных головок относительно плоскости стыка и настроить параметры режима сварки. При сборке под одностороннюю сварку центратор следует установить таким образом, чтобы медная технологическая подкладка находилась в плоскости стыка. Зазоры между элементами медного подкладного кольца и внутренней поверхностью трубы не должны превышать 0,5 мм. Перед началом работ следует произвести просушку медного подкладного кольца с помощью газовой горелки путем нагрева его секторов до температуры 20-50 °С. Параметры сборки стыков должны соответствовать требованиям таблицы 5.1.1 настоящего РД. 5.4.4.6 Двухсторонняя автоматическая сварка кольцевого стыка Сварка стыка осуществляется по двум технологическим вариантам: - многоголовочным сварочным автоматом корневого слоя, изнутри трубы, и наружными однодуговыми сварочными головками всех остальных слоев шва; - многоголовочным сварочным автоматом корневого слоя изнутри трубы, наружными однодуговыми сварочными головками "горячего прохода", наружными двухдуговыми сварочными головками заполняющих и облицовочного слоев. Выбор технологического варианта сварки и, соответственно, типа наружной сварочной головки осуществляется в зависимости от толщины стенки свариваемой трубы, требуемого темпа и производительности выполнения работ. Последовательность выполнения корневого слоя и "горячего прохода" должна соответствовать схеме, представленной на рис. 5.4.3. Режимы автоматической сварки приведены в таблице 5.4.1.
Рис. 5.4.3. Схема двухсторонней автоматической сварки в среде защитных газов кольцевого стыка труб при выполнении корневого слоя шва и "горячего прохода": К - корневой слой, Г - "горячий проход", (цифра после обозначения слоя указывает на очередность сварки данного участка в пределах слоя); ® - указывает направление сварки.Сварку корневого шва выполняют изнутри трубы многоголовочным автоматом: одновременно всеми головками, работающими на правом полупериметре трубы, затем аналогичным количеством сварочных головок на левом полупериметре трубы. Количество головок внутритрубного автомата от 4 до 8 шт. в зависимости от диаметра трубы. Таблица 5.4.1 - Режимы двухсторонней автоматической сварки в среде защитных газов при сварке корневого слоя и "горячего прохода"
Сварку "горячего прохода" производят двумя наружными однодуговыми сварочными головками (автоматами) П-200 или П-260. Каждый наружный автомат сваривает половину стыка. Интервал времени между окончанием сварки корневого слоя и началом сварки "горячего прохода" должен составлять не более 10 мин. В случае превышения указанного интервала времени следует осуществить подогрев стыка до требуемой температуры предварительного подогрева и выполнить сварку "горячего прохода". После завершения сварки корневого слоя всеми головками следует освободить жимки центратора и с помощью механизма самохода сдвинуть центратор внутрь трубопровода. Необходимо осмотреть внутренний корневой шов и, в случае необходимости, произвести выборку с помощью шлифовальной машинки и механизированную сварку в защитных газах (вспомогательный процесс) участков шва с наружными дефектами. Ориентировочные режимы сварки приведены в таблице 5.4.2. Усиление корневого слоя шва на участках замков, в случае превышения допустимой величины 3,0 мм следует обработать шлифовальным кругом. Для этих целей следует использовать малогабаритные шлифмашинки с рабочим напряжением не более 36 В. Таблица 5.4.2 - Режимы механизированной сварки в среде защитных газов (вспомогательный процесс)
В случае непредвиденного отказа в работе одной или нескольких внутренних сварочных головок и образования в связи с этим не сваренных участков корневого слоя шва осуществляется следующий порядок действий: - повторное включение отказавших головок для сварки пропущенных участков; - в случае повторения отказа производится установка наружных сварочных головок и автоматическая сварка первого наружного слоя (горячего прохода) на тех участках периметра трубы, где внутренний корневой слой был сварен; - освобождение жимков центратора и перемещение его внутрь трубопровода; - осмотр корневого слоя шва и механизированная сварка в защитных газах (вспомогательный процесс) пропущенных участков на указанных в таблице 5.4.2 параметрах режима; - завершение сварки горячего прохода наружными головками. Не сваренные из-за отказа сварочных головок участки корневого слоя шва должны быть отделены друг от друга сваренными участками. Общая протяженность не сваренных участков - не более 50% периметра стыка. Вышеуказанные операции следует рассматривать как составную часть технологического процесса при использовании оборудования "СRС-Еvans АW" и предусматривать при составлении операционно-технологических карт. Последовательность выполнения заполняющих и облицовочных слоев шва, с использованием однодуговой головки П-200 или П-260, должна соответствовать схеме, представленной на рис. 5.4.4. Предварительные режимы автоматической сварки приведены в таблице 5.4.3.
Рис. 5.4.4 Схема двухсторонней автоматической сварки в среде защитных газов кольцевого стыка труб: К - корневой слой, Г - "горячий проход", Зп - заполняющий слой, Обл. - облицовочный слой (цифра после обозначения слоя указывает на очередность сварки данного участка в пределах слоя); ® - указывает направление сварки. Таблица 5.4.3 - Параметры режимов сварки заполняющих и облицовочного слоев с применением однодуговой наружной головки П-200 или П-260
Сварку заполняющих и облицовочного слоев шва выполняют "на спуск" с поперечными колебаниями электродной проволоки одновременно двумя наружными сварочными головками, при этом каждый автомат сваривает половину стыка. Количество заполняющих слоев определяется толщиной стенки трубы и отражается в технологической карте. В процессе сварки заполняющих и облицовочного слоев следует корректировать вылет электродной проволоки и ее положение относительно оси стыка. Сварку заполняющих и облицовочного слоев рекомендуется выполнять с дополнительным регулированием скорости сварки в пределах ±25% от номинальной для предотвращения стекания металла сварочной ванны на вертикальных участках, регулирования степени заполнения разделки, а также формы и размеров облицовочного слоя в разных пространственных положениях. В процессе сварки наружных слоев шва участки замков следует зашлифовывать. Последовательность выполнения заполняющих и облицовочных слоев шва с использованием двухдуговой головки П-600 должна соответствовать схеме, представленной на рис. 5.4.4. Предварительные режимы автоматической сварки приведены в таблице 5.4.4. Таблица 5.4.4 - Параметры режимов сварки заполняющих и облицовочного слоев с применением двухдуговой наружной головки П-600
Сварку заполняющих и облицовочного слоев шва выполняют "на спуск" с поперечными колебаниями электродной проволоки одновременно двумя наружными сварочными головками, при этом каждый автомат сваривает половину стыка. Количество заполняющих слоев определяется толщиной стенки трубы и отражается в технологической карте. После сварки каждого слоя должна быть проведена зачистка его поверхности от шлака и брызг металлическими щетками или абразивными кругами. После завершения сварки следует осуществить визуальный контроль облицовочного слоя. Выявленные наружные дефекты сварного шва (поры, подрезы и др.) следует удалить путем обработки шлифовальной машинкой и выполнить сварку до проведения радиографического контроля стыка. При наличии чрезмерного усиления облицовочного слоя шва его следует сошлифовать до величины, регламентируемой операционной технологической картой. Эти операции следует рассматривать как составную часть технологического процесса работы оборудования CRC-Evans AW и предусматривать при составлении операционных технологических карт. 5.4.4.7 Односторонняя автоматическая сварка кольцевого стыка Сварка всех слоев шва производится наружными однодуговыми головками П-200 или П-260. Последовательность выполнения слоев шва должна соответствовать схеме, представленной на рис. 5.4.5. Предварительные режимы автоматической сварки приведены в таблице 5.4.5. Сварку всех слоев шва выполняют "на спуск" одновременно двумя наружными сварочными головками, при этом каждый автомат сваривает половину стыка. Количество заполняющих слоев определяется толщиной стенки трубы и отражается в технологической карте. После завершения сварки следует осуществить визуальный контроль облицовочного слоя. Выявленные наружные дефекты сварного шва (поры, подрезы и др.) следует удалить путем обработки шлифовальной машинкой и выполнить сварку до проведения радиографического контроля стыка. При наличии чрезмерного усиления облицовочного слоя шва его следует сошлифовать до величины, регламентируемой операционной технологической картой. Эти операции следует рассматривать как составную часть технологического процесса работы оборудования CRC-Evans AW и предусматривать при составлении операционных технологических карт.
Рис. 5.4.5 Схема и последовательность односторонней автоматической сварки кольцевого стыка головками П-200 и П-260: Обозначения: К1, К2 - участки первого прохода (корневого слоя и горячего прохода) на левом и правом полупериметрах трубы. Зп 1.1 - заполняющие слои. Первая цифра обозначает номер прохода, вторая - последовательность сварки в пределах прохода. За один проход производится сварка двух заполняющих слоев. Обл.1 - облицовочный слой. Цифра обозначает последовательность сварки в пределах прохода. Таблица 5.4.5 - Параметры режимов односторонней автоматической сварки с применением однодуговых наружных головок П-200 или П-260
5.5 Технология автоматической сварки в среде защитных газов комплексом оборудования фирмы "Serimer Dasa"5.5.1 Назначение и особенности технологииОборудование системы "Saturnax" фирмы "Serimer Dasa" предназначено для односторонней двухдуговой автоматической сварки в защитных газах проволокой сплошного сечения неповоротных стыков труб диаметром 325-1220 мм. Сварку корневого слоя производят на медной технологической подкладке, установленной между рядами жимков внутреннего центратора, входящего в состав оборудования. Оборудование оснащено компьютерной системой управления процессом сварки. Особенностями сварочной системы "Saturnax" являются: - конструкция сварочной головки с двумя горелками, которые могут работать как совместно, так и по отдельности; - система автоматического мониторинга параметров режима сварки; - система автоматического регулирования параметров режима сварки с учетом пространственного положения головки; - система слежения за величиной вылета электрода в процессе сварки; - блоки управления сварочными головками, позволяющие производить их настройку и калибровку, отображение параметров для различных запрограммированных режимов; - контрольный блок, позволяющий осуществлять контроль и запись фактических параметров режима; - пульт дистанционного управления сварочной головкой в процессе сварки. 5.5.2 Состав оборудованияВ состав комплекса оборудования для сварки неповоротных стыков труб входят: - станки для обработки кромок труб под специальную разделку; - индукционные установки (и кольцевые пропановые подогреватели) для предварительного, сопутствующего и межслойного подогрева стыков; - направляющие пояса для перемещения сварочных головок по трубе в процессе сварки; - внутренний пневматический центратор с медным подкладным кольцом, встроенным между рядами жимков; - контрольный модуль "Saturnax", внутри которого размещаются компьютеризированные блоки управления и контроля, а также сварочные источники питания; - двухдуговые автоматы "Saturnax" (сварочные головки) наружной сварки с пультом дистанционного управления; - агрегаты энергообеспечения постов наружной сварки, установленные на платформе трактора, с газовыми рампами и защитными палатками; - передвижная мастерская для наладки и ремонта оборудования и хранения запасных частей; - вспомогательное оборудование. 5.5.3 Сварочные материалыПеречень аттестованных марок проволок сплошного сечения для сталей различных прочностных групп приведен в таблице 8.11 настоящего РД. Требование к смесям газов приведены в таблице 8.8 настоящего РД. 5.5.4 Состав и содержание основных технологических операцийДо начала работ параметры режима автоматической сварки всех слоев шва стыков труб конкретного типоразмера вносятся в компьютеризированные блоки управления каждой сварочной головки. Технологический процесс сварки неповоротных стыков труб с применением оборудования включает следующие основные операции: - раскладку труб на бровке траншеи; - подготовку на торцах труб специальной разделки кромок кромкострогальными станками и зачистку участков поверхности труб, прилегающих к торцам; - установку на торце каждой трубы направляющих поясов для сварочных автоматов; - предварительный подогрев концов труб; - сборку стыка; - автоматическую сварку стыка. 5.5.4.1 Раскладка труб Трубы или трубные секции укладывают на бровке траншеи на инвентарных лежках под углом к оси траншеи таким образом, чтобы к торцам труб был свободный доступ. Расстояние от грунта до нижней образующей трубы должно быть не менее 450 мм. В процессе раскладки необходимо провести осмотр труб на соответствие требованиям раздела 3. 5.5.4.2 Подготовка и обработка торцов труб Обработку торцов труб следует производить специальными кромкострогальными станками, входящими в состав комплекса оборудования. Схема и геометрические параметры разделки кромок приведены на рис. 5.5.1.
Рис. 5.5.1 Форма и геометрические параметры разделки кромок Условные обозначения и величины геометрических параметров: S - толщина стенки трубы, мм; α = 5 ± 2°; С = 2,4 ± 0,8 мм; D = 0,1 ± 0,1 мм; E = 2,1 ± 0,2 мм; F = 2,3 ± 0,2 мм; Β = 4 ± 1°. 5.5.4.3 Установку направляющих поясов для автоматов наружной сварки производят с помощью специального шаблона. Направляющие пояса следует устанавливать на торец трубы, обращенный в сторону движения сварочно-монтажной колонны. 5.5.4.4 Сборку стыка следует производить на специальном внутреннем пневматическом центраторе, входящем в состав комплекса оборудования. Центратор устанавливают таким образом, чтобы медная технологическая подкладка находилась в плоскости стыка. 5.5.4.5 Перед началом работ следует произвести просушку медного подкладного кольца с помощью газовой горелки путем нагрева его секторов до температуры 20-50 °С. 5.5.4.6 Стык следует собирать в соответствии с требованиями таблицы 5.1.1. Зазоры между элементами медного подкладного кольца и внутренней поверхностью трубы не должны превышать 0,5 мм. 5.5.4.7 Сварку всех слоев шва производят методом "на спуск" двумя двухдуговыми головками (автоматами) системы "Saturnax". На стыке одновременно работают две сварочные головки. Каждая головка производит сварку одного из полупериметров трубы (относительно вертикальной оси). За один проход производится сварка двух слоев (валиков) шва. Типовая схема и последовательность сварки кольцевого стыка приведена на рис. 5.5.2. 5.5.4.8 После окончания сварки корневого слоя следует сдвинуть центратор внутрь трубопровода, осмотреть корневой шов изнутри трубы и, в случае необходимости, произвести ручную подварку участков корневого шва с поверхностными дефектами. 5.5.4.9 Интервал времени между окончанием сварки корневого слоя и началом сварки горячего прохода должен составлять не более 10 мин.
Рис. 5.5.2 Схема и последовательность автоматической сварки кольцевого стыка Обозначения: К1, К2 - участки первого прохода (корневого слоя и горячего прохода) на левом и правом полупериметрах трубы. Зп 1.1 - заполняющие слои. Первая цифра обозначает номер прохода, вторая - последовательность сварки в пределах прохода. За один проход производится сварка двух заполняющих слоев. Обл.1 - облицовочный слой. Цифра обозначает последовательность сварки в пределах прохода. 5.5.4.10 Для обеспечения равномерного заполнения разделки кромок перед сваркой облицовочного слоя в случае необходимости выполняется корректирующий слой шва. Сварка производится в пространственном положении 2.00-4.00 час и 8.00-10.00 час однодуговым процессом, т.е. с отключением на каждой сварочной головке по одной горелке. 5.5.4.11 Сварка облицовочного слоя выполняется за один проход двумя параллельными валиками. Валики облицовочного слоя должны перекрывать друг друга, обеспечивая плавное сопряжение между собой и с основным металлом трубы. Амплитуду колебаний при сварке облицовочного шва назначают из расчета перекрытия швом разделки по ширине на 1,0¸2,5 мм в каждую сторону. 5.5.4.11 Схема сварного шва приведена на рис. 5.5.3.
Рис. 5.5.3 Схема сварного шва, выполненного автоматической сваркой с использованием двухдуговых головок системы "Saturnax". Обозначения: 1 и 2 - корневой слой и горячий проход (выполняются за один проход сварочных головок); F1 и F2 - заполняющие слои шва (за один проход выполняются два слоя); S - корректирующий слой (выполняется в случае необходимости в пространственном положении 2.00-4.00 час и 8.00-10.00 час); С1 и С2 - валики облицовочного слоя шва. 5.5.4.15 Режимы сварки неповоротных стыков труб диаметром 1020¸1220 мм с толщинами стенок 11 мм и более приведены в таблице 5.5.1. Таблица 5.5.1 - Режимы автоматической сварки в среде защитных газов неповоротных кольцевых стыков труб диаметром 1020¸1220 мм
5.5.4.16 В случае необходимости следует производить зачистку поверхности слоев шва от шлака и брызг металлическими щетками или абразивными кругами. 5.5.4.17 После завершения сварки следует осмотреть поверхность облицовочного слоя шва. Выявленные наружные дефекты сварного шва (поры, подрезы и др.) следует удалить путем обработки шлифмашинкой и до проведения неразрушающего контроля стыка выполнить автоматическую сварку на участках вышлифовки. При наличии чрезмерного усиления облицовочного слоя шва его следует сошлифовать до величины, регламентируемой операционной технологической картой. Эти операции следует рассматривать как составную часть технологического процесса работы оборудования системы "Saturnax" и предусматривать при составлении операционных технологических карт. 5.6 Технология автоматической сварки в среде защитных газов комплексом CWS.02 фирмы "Pipe Welding Technology"5.6.1 Назначение и особенности технологииОборудование PWT CWS.02 фирмы "Pipe Welding Technology" предназначено для односторонней автоматической сварки в защитных газах сплошной или порошковой электродной проволокой неповоротных стыков труб диаметром 426-1220 мм. Оборудование оснащено компьютерной системой управления, позволяющей программировать режимы сварки для разных пространственных положений, диаметров и толщин стенок свариваемых труб и управлять работой сварочных головок. Сварку корневого слоя производят на медной технологической подкладке, установленной между рядами жимков внутреннего центратора, входящего в состав оборудования. 5.6.2 Состав оборудованияВ состав оборудования для сварки неповоротных стыков труб с использованием системы автоматической сварки CWS.02 входят: - станок (станки) для обработки торцов труб под специальную разделку кромок; - самоходный внутренний центратор с медным подкладным кольцом, встроенным между рядами жимков; - система автоматической сварки CWS.02, состоящая из следующих модулей: - сварочных головок; - микропроцессорного блока управления сварочными головками; - регуляторов сварочного тока; - блока питания электронных устройств; - блока смешивания защитных сварочных газов с расходомерами; - системы кондиционирования электронных устройств блока управления; - программирующего модуля на базе специализированного IBM- совместимого компьютера для программирования параметров режимов сварки шва и записи программ на специальные носители - картриджи, устанавливаемые в блоки микропроцессоров каждого из агрегатов питания. Микропроцессор через блок управления сварочной головки обеспечивает возможность автоматического регулирования, в зависимости от пространственного положения и порядкового слоя шва скорости сварки, скорости подачи электродной проволоки, напряжения на дуге, амплитуды и частоты колебаний электродной проволоки, времени задержки электрода в крайних положениях, состава и расхода защитного газа; - направляющие пояса для перемещения сварочных автоматов; - агрегаты энергообеспечения постов автоматической сварки, выполненные на базе колесных или гусеничных тракторов, на шасси которых смонтированы модули, входящие в состав CWS.02, двухпостовые сварочные дизель-генераторы, газовые рампы для баллонов с углекислым газом и аргоном, а также другое необходимое оборудование. Агрегаты питания снабжены гидрофицированными грузоподъемными стрелами для перемещения и установки на свариваемый стык сварочных головок и защитных палаток; - наборы газовых редукторов, коммуникаций высокого давления, а также кабелей управления, газовых шлангов и приспособлений для монтажа оборудования на агрегатах питания; - вспомогательное оборудование (устройства для подогрева стыков и др.). 5.6.3 Сварочные материалыМарки проволок сплошного сечения для автоматической системы CWS.02 приведены в п. 8.1.2.1 настоящего РД. Требование к смесям газов приведены в таблице 8.8 настоящего РД. 5.6.4 Состав и содержание основных технологических операцийПеред началом сварки разработанная для конкретного объекта технология вносится в компьютер, входящий в состав комплекса оборудования, записывается на носители специальной конструкции, которые устанавливается в блоки управления процессом сварки, смонтированные на агрегатах питания. Технологический процесс сварки неповоротных стыков труб с применением оборудования CWS.02 включает следующие основные операции: - раскладку труб на бровке траншеи; - обработку на торцах труб специальной разделки кромок кромкострогальными станками и зачистку участков поверхности труб прилегающих к торцам; - установку на торце каждой трубы направляющих поясов для сварочных автоматов; - просушку или предварительный подогрев концов труб; - сборку стыка; - автоматическую сварку стыка. 5.6.4.1 Раскладка труб на бровке траншеи 5.6.4.1.1 Трубы или трубные секции укладывают на инвентарных лежках под углом 15-20 градусов к оси траншеи таким образом, чтобы обеспечивалась возможность обработки торцов кромкострогальными станками. Для этого высота инвентарных лежек должна обеспечивать расстояние между грунтом и нижней образующей поверхности трубы не менее 450 мм. 5.6.4.1.2 В процессе раскладки необходимо провести осмотр труб, исправить или вырезать участки труб с поверхностными дефектами в соответствии с требованиями раздела 5.1 настоящего РД. 5.6.4.2 Обработка на торцах труб специальной разделки кромок 5.6.4.2.1 Обработку торцов труб следует производить специальными кромкострогальными станками, входящими в состав оборудования. 5.6.4.2.2 Если обработка торца осуществляется после газовой резки, следует зашлифовать "заподлицо" с внутренней поверхностью трубы внутреннее усиление заводского шва на длину не менее 100 мм от торца. При зашлифовке продольных швов толщина стенки не должна быть выведена за пределы минусового допуска. 5.6.4.2.3 Схема разделки кромок под автоматическую сварку неповоротных стыков труб приведена на рис. 5.6.4.1.
Рис. 5.6.4.1 Схема и размеры разделки кромок Условные обозначения и величины геометрических параметров: С = 10-2; D = 1,0 ± 0,2 мм; E = 1,0 ± 0,2 мм; F = 2,0 ± 0,2 мм; G = 25 ± 1°; R = 6,0+2 мм; H1 = 7,0 мм. Неуказанные предельные отклонения размеров ± 0,3 мм. 5.6.4.3 Установка на трубах направляющих поясов для сварочных автоматов. Установку поясов производят с помощью шаблонов, задающих одинаковое расстояние поясов от торца трубы. Пояс устанавливается на торец трубы, обращенный в сторону движения сварочно-монтажной колонны. 5.6.4.4 Предварительный подогрев осуществляется в соответствии с разделом 5.1 настоящего РД. 5.6.4.5 Сборка стыка 5.6.4.5.1 Сборку стыка следует производить на специальном внутреннем пневматическом центраторе, входящем в состав комплекса оборудования. Центратор устанавливают таким образом, чтобы медная технологическая подкладка находилась в плоскости стыка. 5.6.4.5.2 Перед началом работ следует произвести с помощью газовой горелки просушку медного подкладного кольца путем нагрева его секторов до температуры 20-50 °С. 5.6.4.5.3 Стык следует собирать без зазора. Допускаются локальные зазоры не более 1,0 мм. В случае, если при сборке не удается закрыть зазор в стыке, то рекомендуется собрать стык таким образом, чтобы локальные зазоры, величиной не более 1,0 мм, располагались в верхней части стыка. 5.6.4.5.4 Величина распределенного смещения кромок в собранном стыке - не более 2 мм. Если распределенное смещение кромок выше 2 мм и качество сборки не может быть улучшено поворотом стыкуемой трубы вокруг горизонтальной оси, то следует заменить трубу, подаваемую на сборку. Допускаются локальные смещения кромок не более 3 мм при их суммарной длине £1/12 периметра трубы. При этом максимальная величина смещения не должна превышать значений, регламентированных п. 5.1.16. 5.6.4.5.5 После сборки стыка следует простучать его по всему периметру кувалдой с ударной частью из цветного металла для более плотного прилегания секторов медного подкладного кольца к внутренней поверхности трубы. Зазоры между элементами медного подкладного кольца и внутренней поверхностью трубы не должны превышать 0,5 мм. 5.6.4.6 Сварка стыка 5.6.4.6.1 Сварку всех слоев шва производят "на спуск". На стыке при сварке каждого слоя работают два автомата. Каждый автомат производит сварку одного из полупериметров трубы относительно вертикальной оси. Типовая схема сварки и последовательность сварки отдельных участков приведена на рис. 5.6.4.2. 5.6.4.6.2 Параметры режима сварки каждого слоя предварительно запрограммированы и записаны на картриджах специальной конструкции, установленных в блоки управления каждого агрегата питания. Перед началом сварки конкретного слоя сварщик-оператор с помощью переключателя, установленного на сварочной головке, задает порядковый номер свариваемого слоя. 5.6.4.6.3 В процессе сварки стыка сварщик имеет возможность с пульта дистанционного управления корректировать положение электродной проволоки поперек стыка, вылет, и в узких пределах амплитуду колебаний электродной проволоки и напряжение на дуге. Дискретность регулирования положения электродной проволоки поперек стыка, вылета и амплитуды колебаний - 0,5 мм, напряжения на дуге - 0,2 В. 5.6.4.6.4 Сварку корневого слоя выполняют снаружи трубы. Формирование корневого шва происходит на медной технологической подкладке, установленной на центраторе. 5.6.4.6.5 Сварку корневого шва на участках с зазорами следует производить при увеличенном (до 15 мм) вылете электродной проволоки. При этом сварку корневого слоя следует производить в следующей последовательности: - произвести сварку участков стыка, собранных без зазора; - произвести сварку участков стыка с зазорами. 5.6.4.6.6 После окончания сварки корневого слоя следует сжать жимки центратора, уложить приваренную трубу на инвентарную лежку и переместить центратор на очередную позицию сборки.
Рис. 5.6.4.2 Схема сварки и последовательность сварки отдельных участков шва Принятые обозначения: К1, К2 - участки корневого слоя на левом и правом полупериметрах трубы; Зп 1.1 - заполняющие слои. Первая цифра обозначает номер слоя, вторая - последовательность сварки в пределах слоя; Обл.1 - облицовочный слой. Цифра обозначает - последовательность сварки в пределах слоя 5.6.4.6.7 Интервал времени между окончанием сварки корневого шва и началом сварки 1-го заполняющего шва не должен превышать 10 мин. 5.6.4.6.8 Сварку заполняющих и облицовочного слоев шва выполняют "на спуск" с поперечными колебаниями электродной проволоки одновременно двумя сварочными автоматами, при этом каждый автомат сваривает половину стыка. 5.6.4.6.9 В процессе сварки всех слоев шва участки замков следует зашлифовывать для предотвращения образования дефектов типа непроваров и удаления кратерных трещин. 5.6.4.6.10 Амплитуду колебаний при сварке облицовочного шва назначают из расчета перекрытия швом разделки по ширине не менее чем на 1,0¸2,5 мм в каждую сторону. 5.6.4.6.11 Допускается сварку облицовочного слоя выполнять за 2 прохода. 5.6.4.6.12 Схема сварного шва приведена на рис. 5.6.4.3.
Рис. 5.6.4.3 Схема сварного шва выполненного автоматической сваркой на оборудовании CWS.02 5.6.4.6.13 После завершения сварки следует провести визуальную оценку качества облицовочного слоя. Обнаруженные недопустимые внешние дефекты сварного шва (участки с порами, подрезами свыше 0,5 мм, наплывы металла шва на участках замков и др.) следует вышлифовать и устранить сваркой до неразрушающего контроля. 5.6.4.6.14 Усредненные режимы сварки неповоротных стыков труб диаметром 1020¸1220 с толщинами стенок 10¸14 мм приведены в таблице 5.6.4.1. Режимы сварки автоматически изменяются через каждые 15 градусов при отсчете положения головки от зенита стыка труб в угловых координатах. Таблица 5.6.4.1 - Режимы сварки стыков диаметром 1020 ¸ 1220 мм
5.7 Технология автоматической сварки порошковой проволокой в среде защитных газов головками системы М300-С или М3005.7.1 Область применения, особенности технологии и оборудования5.7.1.1 Способ автоматической односторонней сварки порошковой проволокой в среде защитных газов головками системы М300-С (М300) предназначен для сварки всех слоев, либо заполняющих и облицовочного слоев шва неповоротных стыков труб диаметром 426¸1220 мм с толщинами стенок 12 мм и более. 5.7.1.2 Способ сварки головками М300-С и М300 заполняющих и облицовочного слоев применяется в комбинации с двумя способами выполнения корневого слоя шва: - механизированная сварка проволокой сплошного сечения в среде углекислого газа методом SТТ (раздел 5.8 настоящего РД); - ручная дуговая сварка электродами с основным или целлюлозным видами покрытия (раздел 5.10 настоящего РД). 5.7.1.3 Основным элементом сварочной системы М300-С или М300 является наружная универсальная сварочная головка. Система управления головками построена на базе микропроцессора, что позволяет учитывать особенности технологии сварки стыка в целом и/или каждого слоя в отдельности, как при настройке головки, так и во время сварки. Головка может быть запрограммирована на сварку любого одного, нескольких или всех слоев шва. При этом настроенные сварочные режимы сохраняются в памяти головки неограниченно долго. Головка М300 позволяет сохранить четыре режима, М300-С - до 36. При использовании варианта с настройкой нескольких режимов сварщику-оператору при переходе к сварке следующего слоя достаточно выбрать нужный режим на блоке управления. Сварочная головка М300-С является новейшей модификацией головок данной серии, при этом ее отличает более высокая степень автоматизации управления, что, в свою очередь позволяет в максимальной степени учитывать конкретные особенности и условия сварки. Основными особенностями головок М300-С являются: - постоянный мониторинг и поддержание стабильности параметров режима во время сварки с помощью микропроцессорной системы управления; - возможность гибкой настройки головки на сварку конкретного слоя сварного шва; - ограничение доступа к несанкционированному изменению сварочных параметров. Сварка головками М300-С и М300 производится в разделку кромок, представленную на рис. 5.7.1.
Рис. 5.7.1. Форма и
геометрические параметры заводской разделки кромок труб Геометрические параметры: В = 9 ± 0,5 для толщины стенки 15 < S £ 19 мм. В = 10 ± 0,5 для толщины стенки 19 < S £ 21,5 мм. В = 12 ± 0,5 для толщины стенки 21,5 < S £ 27 мм. 5.7.2 Состав оборудования5.7.2.1 Система М300-С (М300) комплектуется следующими основными единицами оборудования одной сварочной станции (двух постов сварки): - универсальные сварочные головки (левого и правого исполнения) - 2 шт.; - распределительная коробка электропитания, предназначенная для сопряжения сварочной головки с источником питания и баллоном с газом - 2 шт.; - сварочный источник питания (Lincoln DC-400; Lincoln Invertec V350-pro) - 2 шт.; - газовый редуктор с расходомером и подогревателем - 2 шт.; - баллон с газом - 2 шт.; - комплект соединительных кабелей и шлангов - 2 шт.; - направляющий пояс для перемещения сварочных головок по стыку - 1 шт.; - защитная палатка-укрытие - 1 шт. Для обеспечения сварки в трассовых условиях должен быть использован агрегат энергообеспечения на базе колесных или гусеничных тракторов, на шасси которых смонтированы источники сварочного тока, рампы для баллонов с газом и другое необходимое вспомогательное оборудование. Агрегат должен быть оборудован грузоподъемной стрелой для перемещения и установки на свариваемый стык защитной палатки. 5.7.2.2 Установка сварочных параметров осуществляется на блоке управления сварочной головки. При настройке различают три группы параметров: - параметры, определяющие работу механизмов головки (только для М300-С); - вспомогательные сварочные параметры; - основные сварочные параметры. К параметрам, определяющим работу механизмов головки, относятся такие, как установка диаметра трубы, установка диаметра направляющего пояса, типа сварочной головки (левого или правого исполнения) и другие. К вспомогательным сварочным параметрам относятся: время заварки кратера, время отжига проволоки, время опережения подачи газа (для М300-С), время задержки подачи газа (для М300-С), время задержки начала движения по стыку (для М300-С). К основным сварочным параметрам, устанавливаемым на головке, относятся: - скорость и направление сварки; - скорость подачи электродной проволоки; - ширина и частота колебаний электродной проволоки и время задержки электрода в крайних положениях (слева и справа); - угол наклона электрода; - вылет электрода. 5.7.3 Сварочные материалыПеречень аттестованных марок порошковые проволок для сталей различных прочностных групп приведен в таблице 8.7 настоящего РД. Требование к смесям газов приведены в таблице 8.8 настоящего РД. 5.7.4 Технология сварки5.7.4.1 Технологический процесс сварки заполняющих и облицовочного слоев шва порошковой проволокой неповоротных стыков труб с применением головок системы М300 или М300-С состоит из следующих основных операций: - настройка сварочных головок путем установки через меню требуемых параметров работы механизмов головки (для М300-С), а также вспомогательных и основных сварочных параметров. Также производится установка необходимых параметров на источнике сварочного тока и газовом редукторе; - установка направляющего пояса с помощью специального шаблона; - установка сварочных головок на направляющий пояс и корректировка их положения относительно оси свариваемого стыка. В процессе работы выполняется периодический контроль параметров режима и, при необходимости, их корректировка; - сварка первого заполняющего слоя ("горячего прохода") методом "на спуск" или "на подъем". Параметры режимов представлены в таблицах 5.7.1-5.7.2; - сварка "на подъем" заполняющих и облицовочного слоев шва на параметрах режима, представленных в таблице 5.7.1. 5.7.4.2 Процесс сварки порошковой проволокой в среде защитных газов, должен осуществляется на жесткой вольтамперной характеристике, постоянном токе обратной полярности. Таблица 5.7.1 - Параметры режима автоматической сварки стыков труб головками системы М300, М300-С для проволоки диаметром 1,32 мм (1,4 мм)
5.7.4.3 Автоматическая сварка каждого слоя шва производится двумя сварщиками-операторами, при этом каждый оператор сваривает полупериметр трубы. 5.7.4.4 Перед сваркой "горячего прохода" необходимо произвести обработку шлифкругом поверхности корневого слоя шва до придания ему плоской формы. 5.7.4.5 Следует соблюдать следующую последовательность выполнения слоев шва стыков труб диаметром 1020-1220 мм: - "горячий проход" (при сварке "на спуск") - второй оператор начинает сварку после того, как первый оператор сварил участок периметра длиной не менее 1 м; - "горячий проход" (при сварке "на подъем"), заполняющие и облицовочный слои шва - второй оператор начинает сварку после того, как первый оператор сварил участок периметра длиной не менее 0,5 м. Для обеспечения синхронности работы допускается одному из сварщиков-операторов начинать сварку в пространственном положении 3.00-2.00 час, выполняя сварку на участке 3.00-0.00 час, а затем на участке 6.00-3.00 час. 5.7.4.10 Интервал времени между завершением корневого слоя шва и началом автоматической сварки горячего прохода не должен превышать 10 мин. 5.7.4.11 Количество заполняющих слоев определяется толщиной стенки трубы и отражается в операционной технологической карте. Амплитуду колебаний при сварке облицовочного шва выбирают из расчета перекрытия швом разделки по ширине на 1,0-2,5 мм в каждую сторону. 5.7.4.12 В процессе сварки заполняющих слоев шва участки замков при необходимости зашлифовываются. Таблица 5.7.2 - Параметры режима автоматической сварки стыков труб диаметром 1020¸1220 мм головками системы М300, М300-С для проволоки диаметром 1,2 мм
5.8 Технология механизированной сварки проволокой сплошного сечения в среде углекислого газа методом STT5.8.1 Способ сварки проволокой сплошного сечения в среде углекислого газа методом STT предназначен для односторонней механизированной сварки корневого слоя шва неповоротных и поворотных стыков труб диаметром 325-1220 мм с толщинами стенок 6-32 мм. 5.8.2 Специализированный комплект оборудования для сварки методом STT, выпускаемый фирмой Lincoln Electric, должен включать следующее: - специальный источник питания Invertec STT-II; - механизм подачи проволоки LN-27 или LF-37; - сварочная горелка Magnum 200 со шлангом; - коаксиальный кабель; - газовый баллон с редуктором, расходомером и подогревателем газа; - защитная палатка. 5.8.3 Механизированная сварка методом STT может быть использована в составе следующих технологических вариантов сварки: - корневой слой шва выполняется механизированной сваркой методом STT, заполняющие и облицовочный слои шва - механизированной сваркой самозащитной порошковой проволокой типа Иннершилд; - корневой слой шва выполняется механизированной сваркой методом STT, заполняющие и облицовочный слои шва - ручной дуговой сваркой электродами с основным видом покрытия методом "на подъем"; - корневой слой шва выполняется механизированной сваркой методом STT, заполняющие и облицовочный слои шва - ручной дуговой сваркой электродами с основным видом покрытия методом "на спуск"; - корневой слой шва выполняется механизированной сваркой методом STT, заполняющие и облицовочный слои шва - автоматической сваркой порошковой проволокой в среде защитных газов системой М300-С (М300); - выполнение на трубосварочной базе ССТ-ПАУ механизированной сварки методом STT корневого слоя шва, механизированной сварки самозащитной порошковой проволокой типа Иннершилд 1-го заполняющего слоя и автоматической сваркой под слоем флюса последующих заполняющих и облицовочного слоев шва; - выполнение на трубосварочной базе ССТ-ПАУ механизированной сварки методом STT корневого слоя шва, электродами с основным видом покрытия 1-го заполняющего слоя и автоматической сваркой под слоем флюса заполняющих и облицовочного слоев шва. 5.8.4 Перечень аттестованных марок проволок сплошного сечения для сварки в среде углекислого газа методом STT сталей различных прочностных групп приведен в таблице 8.6. 5.8.5 В качестве защитного газа следует применять 100% углекислый газ высшего сорта по ГОСТ 8050-85. Расход газа должен составлять 10-16 л/мин. 5.8.6 Сварка осуществляется способом сверху-вниз на постоянном токе обратной полярности. 5.8.7 Вылет проволоки должен составлять 10¸15 мм. Допускается вылет до 20 мм. 5.8.8 В положении 0.00-1.00 (1.30) час сварка осуществляется с небольшими поперечными колебаниями без задержки на кромках. В положении 1.00 (1.30) - 6.00 час сварка осуществляется без поперечных колебаний. 5.8.9 Режимы сварки корневого слоя шва представлены в таблице 5.8.1. Таблица 5.8.1 - Параметры режимов при механизированной сварке методом STT проволокой диаметром 1,14 мм
5.8.10 Сварка с использованием метода STT может быть использована для выполнения корневого слоя шва при специальных сварочных работах - сварке разнотолщинных соединений, захлестов, соединений труба-фитинг и труба-запорная арматура (раздел 10). 5.9 Технология механизированной сварки самозащитной порошковой проволокой Иннершилд5.9.1 Способ механизированной сварки самозащитной порошковой проволокой Иннершилд при использовании труб с заводской разделкой кромок предназначен в основном для сварки заполняющих и облицовочного слоев шва стыков труб диаметром 325-1220 мм с толщинами стенок 6-19 мм включительно. 5.9.2 Специализированный комплект оборудования для сварки самозащитной порошковой проволокой фирмы Lincoln Electric должен включать следующее: - один из источников сварочного тока - Idealarc DC-400, Invertec V350-PRO, Invertec V300-I, SAM-400 или сварочные агрегаты Commander, Vantage различных модификаций (раздел 9); - адаптер модели К350 или К350-1; - механизм подачи порошковой проволоки LN-23P; - сварочная горелка К345 со шлангом и кабелями. 5.9.3 Способ сварки самозащитной порошковой проволокой может быть использован в составе следующих технологических вариантов сварки: - корневой слой шва выполняется механизированной сваркой проволокой сплошного сечения в среде углекислого газа методом STT, все последующие слои - механизированной сваркой самозащитной порошковой проволокой Иннершилд; - корневой слой шва (или корневой слой шва и горячий проход) выполняется ручной дуговой сваркой электродами с целлюлозным видом покрытия, последующие слои - механизированной сваркой самозащитной порошковой проволокой Иннершилд; - корневой слой шва выполняется ручной дуговой сваркой электродами с основным видом покрытия, все последующие слои - механизированной сваркой самозащитной порошковой проволокой Иннершилд; - сварка на трубосварочной базе ССТ-ПАУ механизированной сваркой методом STT корневого слоя шва, самозащитной порошковой проволокой типа Иннершилд 1-го заполняющего слоя и автоматической сваркой под слоем флюса последующих заполняющих и облицовочного слоев шва; - сварка всех слоев шва проволокой Иннершилд, выполняемая в специальную узкую разделку кромок. 5.9.4 Перечень аттестованных марок самозащитных порошковых проволок для сварки сталей различных прочностных групп приведен в таблице 8.5 настоящего РД. 5.9.5 Сварка самозащитной порошковой проволокой осуществляется способом сверху-вниз на постоянном токе прямой полярности. Перед началом сварки на механизме подачи проволоки следует установить два параметра: скорость подачи проволоки и напряжение на дуге. 5.9.6 Вылет проволоки, в зависимости от пространственного положения, должен составлять: - 20 мм в положении 0.00-4.30 (5.00) час; - 25-30 мм в положении 4.30 (5.00) - 6.00 час. 5.9.7 Угол наклона горелки от перпендикуляра (углом назад), в зависимости от пространственного положения, должен составлять: - 25-45 градусов в положении 0.00-4.30 (5.00) час; - 25-0 градусов в положении 4.30 (5.00) - 5.30 час; - 5-10 градусов углом вперед в положении 5.30-6.00 час. 5.9.8 Режимы, при сварке в стандартную заводскую разделку, приведены в таблице 5.9.1. Таблица 5.9.1 - Параметры режимов при сварке проволокой Иннершилд
5.9.9 Перед выполнением первого слоя шва порошковой проволокой необходимо осуществить тщательную шлифовку корневого слоя (горячего прохода) абразивным кругом до состояния "чистый металл". 5.9.10 В связи с неравномерностью заполнения разделки по периметру стыка и ослаблением сечения шва в вертикальном положении перед выполнением облицовочного слоя в положении 1.00-4.30 час выполняется дополнительный (корректирующий) слой. 5.9.11 Заполняющие и облицовочный слои шва стыков труб с толщинами стенок до 13 мм включительно следует выполнять по методу "слой за один проход". 5.9.12 В случае использования труб с заводской разделкой кромок при сварке стыков с толщинами стенок более 13 мм заполняющие слои начиная со второго (третьего) выполняются по методу "слой за два прохода", а облицовочный слой по методу "слой за два (три) прохода". 5.9.13 Количество слоев в зависимости от толщины стенки трубы приведено в таблицах 5.9.2-5.9.3 (уточняется в процессе производственной аттестации технологии сварки). Таблица 5.9.2 - Количество заполняющих и облицовочных слоев шва при сварке проволокой Innershield NR-207 и Innershield NR-208 Special диаметром 1,7 мм
Таблица 5.9.3 - Количество заполняющих и облицовочного слоев шва при сварке проволокой Innershield NR-208 Special диаметром 2,0 мм
5.9.14 Сварка в специальную узкую разделку кромок. 5.9.14.1 В случае использования труб диаметром 1020-1220 мм класса прочности К55-К60 с толщинами стенок 14-22 мм со специальной узкой разделкой кромок (рис. 5.9.1) до начала выполнения работ следует обработать станком для обработки кромок каждую кромку трубы. Следует использовать следующую последовательность выполнения слоев шва: - сварка корневого слоя шва проволокой марки Innershield NR-204H диаметром 1,7 (1,6) мм; - выполнение подварочного слоя проволокой Innershield NR-207 диаметром 1,7 мм в местах непроваров и смещения кромок более 2 мм (допускается выполнение подварочного слоя шва электродами с основным видом покрытия); - сварка заполняющих слоев шва проволокой Innershield NR-208 Special диаметром 2,0 мм по методу "слой за один проход"; - выполнение облицовочного слоя шва проволокой Innershield NR-208 Special диаметром 2,0 мм по методу "слой за один проход" для труб с толщинами стенок до 19 мм и по методу "слой за два прохода" для труб с толщинами 20-22 мм.
Рис. 5.9.1. Форма специальной узкой разделки кромок 5.9.14.2 Режимы сварки при использовании специальной узкой разделки кромок приведены в таблице 5.9.4. Таблица 5.9.4 - Параметры режимов при сварке проволокой Иннершилд в специальную узкую разделку кромок
5.9.14.3 Ориентировочное количество слоев шва в зависимости от толщины стенки трубы приведено в таблице 5.9.5. Таблица 5.9.5 - Количество заполняющих и облицовочного слоев шва при сварке труб со специальной узкой разделкой кромок проволокой Innershield NR-208 Special диаметром 2,0 мм
5.9.15 Сварка самозащитной порошковой проволокой может быть использована для выполнения специальных сварочных работ - сварке разнотолщинных соединений труб и захлестов (раздел 10). 5.10 Технология ручной электродуговой сварки5.10.1 Технология ручной электродуговой сварки электродами с основным видом покрытия методом "на подъем"5.10.1.1 Ручная дуговая сварка электродами с основным видом покрытия методом "на подъем" предназначена для сварки всех слоев шва стыков труб прочностных классов до К65 включительно в случаях технической невозможности или нецелесообразности использования автоматических и механизированных способов сварки в нитку магистральных нефтепроводов, а также при выполнении специальных сварочных работ. 5.10.1.2 При сварке неповоротных стыков могут быть использованы следующие технологические варианты ручной дуговой сварки с использованием электродов с основным видом покрытия "на подъем": - корневой и все последующие слои шва выполняются электродами с основным видом покрытия методом "на подъем"; - корневой слой шва и горячий проход выполняются электродами с целлюлозным видом покрытия, последующие слои - электродами с основным видом покрытия методом "на подъем"; - корневой слой выполняется электродами с основным видом покрытия методом "на подъем", последующие слои шва выполняются электродами с основным видом покрытия методом "на спуск". 5.10.1.3 Ручная дуговая сварка корневого слоя шва электродами с основным видом покрытия "на подъем" может быть использована в составе следующих комбинированных вариантов сварки: - электроды с основным видом покрытия для сварки корневого слоя шва; последующие слои - механизированная сварка самозащитной порошковой проволокой Иннершилд; - электроды с основным видом покрытия для сварки корневого слоя шва; последующие слои - автоматическая сварка в среде защитных газов головками М300-С (М300); - электроды с основным видом покрытия для сварки корневого и подварочного слоев шва; последующие слои - автоматическая сварка под флюсом на трубосварочных базах типа ССТ-ПАУ; - электроды с основным видом покрытия для сварки корневого слоя шва, самозащитная порошковая проволока Иннершилд для сварки 1-го заполняющего слоя шва, последующие слои - автоматическая сварка под флюсом на трубосварочной базе ССТ-ПАУ или БНС. 5.10.1.4 Перечень аттестованных марок электродов с основным видом покрытия для сварки методом "на подъем" стыков труб из сталей различных прочностных групп приведен в таблице 8.1. 5.10.1.5 Сварку корневого слоя шва следует осуществлять на постоянном токе прямой или обратной полярности. 5.10.1.6 Сварку заполняющих и облицовочного слоев шва электродами с основным видом покрытия следует осуществлять на постоянном токе обратной полярности. 5.10.1.7 Подварка (если она регламентирована) должна осуществляться электродами с основным видом покрытия на постоянном токе обратной полярности методом "на подъем". Подварочный шов должен иметь ширину 8-10 мм, усиление 1-3 мм с плавным переходом к основному металлу. Подварку выполняют до начала сварки заполняющих слоев шва. 5.10.1.8 Режимы сварки должны соответствовать табл. 5.10.1.1. Таблица 5.10.1.1 - Режимы ручной дуговой сварки при использовании электродов с основным видом покрытия (при сварке "на подъем")
5.10.1.9 Облицовочный слой шва выполняется: - при толщинах стенки трубы до 16 мм - за один проход; - при толщинах стенки трубы 16-20 мм - за один-два прохода; - при толщине стенки трубы более 20 мм - за два-три прохода. При выполнении сварки стыков на уклонах при наклоне трубы более 250° валиковая сварка используется при сварке толщин стенок свыше 10-12 мм. 5.10.1.10 Минимальное число слоев шва при сварке электродами с основным видом покрытия "на подъем" приведено в табл. 5.10.1.2. Число слоев указано без учета подварочного слоя. Таблица 5.10.1.2 - Минимальное число слоев шва при сварке электродами с основным видом покрытия "на подъем"
5.10.1.11 Электроды с основным видом покрытия (на подъем) используются при выполнении специальных сварочных работ - сварке разнотолщинных соединений, захлестов, стыков труба - соединительная деталь и труба - запорная арматура (раздел 10) и при сварке в нитку нефтепровода с учетом положений п. 5.10.1.1. 5.10.1.12 Электроды с основным видом покрытия (на подъем) используются для ремонта кольцевых стыков труб, выполненных любыми методами сварки, в соответствии с положениями раздела 11 настоящего РД. 5.10.2 Технология ручной дуговой сварки электродами с основным видом покрытия методом "на спуск"5.10.2.1 Ручная дуговая сварка электродами с основным видом покрытия методом "на спуск" предназначена для сварки заполняющих и облицовочного слоев шва стыков труб прочностных классов К55-К65. 5.10.2.2 При выполнении неповоротных стыков применяются следующие технологические варианты сварки электродами с основным видом покрытия "на спуск": - корневой слой - электродами с основным видом покрытия методом "на подъем", последующие слои шва - электродами с основным видом покрытия методом "на спуск"; - корневой слой - механизированной сваркой в среде защитных газов методом STT, последующие слои шва - электродами с основным видом покрытия методом "на спуск". 5.10.2.3 Марки электродов с основным видом покрытия для сварки стыков труб методом "на спуск" приведен в таблице 8.3. 5.10.2.4 Сварку заполняющих и облицовочного слоев шва электродами с основным видом покрытия следует осуществлять на постоянном токе обратной полярности. 5.10.2.5 Режимы сварки должны соответствовать таблице 5.10.2.1. Таблица 5.10.2.1 - Режимы ручной дуговой сварки при использовании электродов с основным видом покрытия (сварка на спуск)
5.10.2.6 Сварку следует вести на короткой дуге. 5.10.2.7 Не допускается повторное зажигание одного и того же электрода. 5.10.2.8 Сварка всех слоев, начиная со второго заполняющего, выполняется методом "слой за два-три прохода". 5.10.2.9 Электроды с основным видом покрытия (на спуск) могут быть использованы при выполнении специальных сварочных работ - сварке разнотолщинных соединений, захлестов, соединений труба - деталь и труба - запорная арматура (раздел 10). 5.10.2.10 Ремонт сварных стыков, выполненных электродами с основным видом покрытия "на спуск", осуществляется электродами с основным видом покрытия "на подъем" либо "на спуск" в соответствии с положениями раздела 11. 5.10.3 Технология ручной электродуговой сварки электродами с целлюлозным видом покрытия5.10.3.1 Ручная дуговая сварка электродами с целлюлозным видом покрытия предназначена для сварки корневого слоя, горячего прохода, заполняющих и облицовочного слоев шва стыков труб прочностных классов до К60 включительно. 5.10.3.2 Применение на линейной части нефтепровода электродов с целлюлозным видом покрытия возможно при температуре окружающего воздуха не ниже минус 20 °С и при условии полного соблюдения требований по температуре предварительного подогрева и межслойной температуре (раздел 5.1). 5.10.3.3 При сварке неповоротных стыков могут быть применены следующие технологические варианты с использованием ручной дуговой сварки электродами с целлюлозным видом покрытия: - корневой слой шва и горячий проход - электродами с целлюлозным видом покрытия; заполняющие и облицовочный слои шва - механизированной сваркой самозащитной порошковой проволокой Иннершилд; - корневой слой шва - электродами с целлюлозным видом покрытия; горячий проход, заполняющие и облицовочный слои шва - механизированной сваркой самозащитной порошковой проволокой Иннершилд; - корневой слой шва и горячий проход - электродами с целлюлозным видом покрытия, последующие слои - электродами с основным видом покрытия методом "на подъем"; - сварка на трубосварочной базе ССТ-ПАУ электродами с целлюлозным видом покрытия корневого слоя шва и горячего прохода, электродами с основным видом покрытия 1-го заполняющего или подварочного слоев шва и автоматической сваркой под слоем флюса заполняющих и облицовочного слоев шва; - сварка всех слоев шва электродами с целлюлозным видом покрытия. 5.10.3.4 Перечень марок электродов с целлюлозным видом покрытия для сварки стыков труб из сталей различных прочностных групп приведен в таблице 8.2. 5.10.3.5 Режимы сварки корневого слоя шва и горячего прохода должны соответствовать табл. 5.10.3.1. Таблица 5.10.3.1 - Режимы ручной дуговой сварки при использовании электродов с целлюлозным видом покрытия
5.10.3.6 Сварку корневого слоя шва стыков труб с заводской разделкой кромок на линейной части нефтепровода электродами с целлюлозным покрытием осуществляют способом сверху-вниз на постоянном токе прямой полярности. Допускается применение тока обратной полярности. 5.10.3.7 При сварке корневого слоя шва необходимо зачищать от шлака и обрабатывать шлифовальным кругом места прерывания дуги. Перед выполнением "замка" необходимо обработать шлифовальным кругом участок уже выполненного шва. 5.10.3.8 При вынужденных перерывах во время сварки корневого слоя шва необходимо поддерживать температуру торцов труб на уровне требуемой температуры предварительного подогрева. 5.10.3.9 Непосредственно после окончания сварки корневого слоя его следует тщательно зашлифовать для удаления зашлакованных "карманов" и обеспечения плоской поверхности шва. 5.10.3.10 Незамедлительно после завершения сварки и зачистки корневого слоя шва выполнить сварку горячего прохода электродами с целлюлозным покрытием на постоянном токе обратной полярности способом сверху-вниз или самозащитной порошковой проволокой Иннершилд. При этом температура корневого слоя шва перед началом сварки горячего прохода не должна опускаться ниже 70 °С. Для обеспечения этого условия должен применяться предварительный или сопутствующий подогрев до 70…100 °С. 5.10.3.11 После окончания сварки горячего прохода его необходимо тщательно зачистить шлифовальным кругом до чистого металла. 5.10.3.12 Минимальное число слоев при использовании комбинированной технологии "сварка корневого слоя шва и горячего прохода электродами с целлюлозным видом покрытия + сварка последующих слоев шва электродами с основным видом покрытия методом "на подъем" на один больше числа слоев, приведенного в табл. 5.10.2. 5.10.3.13 Электроды с целлюлозным видом покрытия могут быть использованы для сварки стыков захлестов. При этом сварка корневого слоя шва осуществляется способом снизу-вверх на постоянном токе прямой полярности при токе 90-120 А. Диаметр электрода должен составлять 3,2 мм, зазор - 1,5-3,5 мм. Сварка горячего прохода осуществляется электродами с целлюлозным видом покрытия способом сверху-вниз или самозащитной порошковой проволокой Иннершилд. 6 ТРЕБОВАНИЯ К СВАРНЫМ СОЕДИНЕНИЯМ МАГИСТРАЛЬНЫХ НЕФТЕПРОВОДОВ6.1 Внешний вид и геометрические параметры сварных соединений магистральных нефтепроводов, оцениваемые по результатам визуального и измерительного контроля в соответствии с РД 03-606-03, должны соответствовать требованиям настоящего РД и операционно-технологической карты аттестованной технологии сварки, в частности: - облицовочный слой шва должен перекрывать основной металл на 1,5- 2,5 мм с каждой стороны разделки без образования подрезов по кромкам и иметь усиление 1-3 мм. Для автоматической сварки в среде защитных газов шов должен перекрывать основной металл на 1,0-2,5 мм в каждую сторону. Ширина шва, выполненного автоматической сваркой под слоем флюса, должна соответствовать требованиям, представленным в соответствующем разделе настоящего РД; - участки поверхности облицовочного слоя с грубой чешуйчатостью (превышение гребня над впадиной составляет 1 мм и более), а также участки с превышением усиления шва следует обработать шлифовальным кругом или напильником; - в случае выполнения облицовочного слоя шва в два-три валика должны выполняться следующие условия: - каждый последующей проход (валик) должен перекрывать предыдущий не менее чем на 1/3 его ширины; - глубина межваликовой канавки должна быть не более 1,0 мм, что определяется разностью между высотой валика в его верхней точке и высотой шва в месте расположения соседней канавки при установке шаблона на тело трубы; - усиление шва по периметру межваликовой канавки должна составлять не менее 1,0 мм; - высота усиления по периметру центральной оси каждого из валиков не должна превышать 3,0 мм. 6.2 Качество сварных соединений, выявляемое по результатам неразрушающего контроля физическими методами, должно соответствовать требованиям РД "Неразрушающий контроль сварных соединений при строительстве и ремонте магистральных нефтепроводов". 6.3 При отсутствии в проектной документации специальных требований механические свойства сварных соединений магистральных нефтепроводов должны отвечать следующим требованиям: 6.3.1 Временное сопротивление разрыву, определяемое на плоских образцах со снятым усилением, должно быть не ниже нормативного значения временного сопротивления разрыву основного металла труб, регламентированного техническими условиями на их поставку или ГОСТом. 6.3.2 Ударная вязкость металла шва и ЗТВ сварных соединений магистральных нефтепроводов на образцах типа IX (острый надрез) должна составлять не менее 35 Дж/см2 при температуре испытаний минус 20 °С. Ударная вязкость определяется как среднее арифметическое из результатов испытаний трех образцов, при этом минимальное значение ударной вязкости для одного образца должно составлять не менее 30 Дж/см2. 6.3.3 Среднее арифметическое значение угла изгиба образцов должно составлять не менее 120°, при минимальном для одного образца - 100°. 6.3.4 При испытании на излом соединений прямых врезок поверхность излома каждого образца должна иметь полный провар и сплавление между слоями шва. Максимальный размер любой газовой поры не должен превышать 2 мм, а суммарная площадь всех газовых пор не должна быть более 2% площади излома образца. Глубина шлаковых включений - не более 1 мм, а их длина - не более 3,5 мм. Расстояние между соседними шлаковыми включениями должно быть не менее 13 мм. Любые трещины являются браковочным признаком. Не являются браковочным признаком дефекты типа флокенов ("рыбьи глаза"). 6.3.5 Механические свойства сварных соединений магистральных нефтепроводов следует определять в состоянии "после сварки" при проведении производственной аттестации технологии. Виды испытаний и количество образцов должны соответствовать требованиям раздела 12.5 настоящего РД. Методика проведения механических испытаний должна соответствовать Приложению А к настоящему РД. 6.4 При наличии в проектной документации специальных требований к сварным соединениям магистрального нефтепровода их выполнение должно быть подтверждено результатами производственной аттестации технологии сварки. 7 ХАРАКТЕРИСТИКА ТРУБ И СОЕДИНИТЕЛЬНЫХ ДЕТАЛЕЙ ДЛЯ СТРОИТЕЛЬСТВА И КАПИТАЛЬНОГО РЕМОНТА НЕФТЕПРОВОДОВ7.1 Трубы для магистральных нефтепроводов7.1.1 Для сооружения и капитального ремонта линейной части магистральных нефтепроводов используются электросварные прямошовные и спиральношовные трубы диаметром 530-1220 мм, изготовленные из низколегированных сталей. Трубы должны соответствовать требованиям ОАО "АК "Транснефть" ОТТ-08.00-60.30.00-КТН-013-1-04. Трубы диаметром 426 мм и менее изготавливаются в соответствии с ГОСТ 8731-74, ГОСТ 8732-78 и техническими условиями заводов-изготовителей. 7.1.2 Трубы поставляются по техническим условиям поставщиков, включенных в Реестр ОАО "АК "Транснефть" - Волжского трубного завода, Выксунского металлургического завода и Челябинского трубопрокатного завода. Трубы также могут поставляться иностранными заводами-производителями. Каждая партия труб должна иметь сертификат завода - изготовителя с указанием регламентируемых техническими условиями приемо-сдаточных характеристик. Каждая труба должна иметь паспорт, оформленный организацией, осуществляющей технический надзор за производством труб. 7.1.3 Все трубы и детали трубопроводов, используемые в процессе выполнения сварочных работ, объединяются в группы согласно таблицы 7.1.1. Таблица 7.1.1 - Группы по классам прочности труб и деталей трубопроводов
7.1.4 Отклонение профиля наружной поверхности трубы от окружности в зоне сварного соединения на концевых участках длиной 200 мм от торцов и по дуге периметра 200 мм не должно превышать 0,15% номинального диаметра. 7.1.5 Отклонение от перпендикулярности торца трубы относительно образующей (косина реза) не должно превышать 1,6 мм. 7.1.6 Кривизна труб не должна превышать 1,5 мм на 1 м длины, а общая кривизна - 0,2% длины трубы. 7.1.7 Предельные отклонения от номинального наружного диаметра на концах труб на длине не менее 200 мм от торца должны быть: не более ±1,5 мм для труб диаметром менее 1020 мм и ±1,6 мм для труб диаметром 1020 и 1220 мм. 7.1.7 Допуск на овальность труб (отношение разности между наибольшим и наименьшим диаметрами к номинальному диаметру) не должен превышать 1% по концам труб с толщиной стенки менее 20 мм и 0,8% по концам труб с толщиной стенки 20 мм и более. 7.1.8 Не допускаются отклонения от прямолинейности концов труб более чем на 0,5 мм на длине до 500 мм, измеренные по зазору между металлической линейкой, поставленной на ребро, и внутренней или наружной поверхностью трубы. 7.1.9 Форма и размеры разделки кромок торцов труб под сварку в зависимости от толщины стенки должны соответствовать параметрам, установленным на рисунке 7.1.1. В зоне заводского сварного шва допускается ширина притупления не более 3 мм.
а) форма заводской разделки кромок труб с нормативной толщиной стенки S £ 15 мм
б) форма заводской разделки кромок труб с нормативной толщиной стенки S > 15 мм Рис. 7.1.1 Форма и размеры разделки торцов труб Геометрические параметры: В = 9 для толщины стенки 15 < S £ 19 мм. В = 10 для толщины стенки 19 < S £ 21,5 мм. В = 12 для толщины стенки 21,5 < S £ 32 мм. 7.1.10 Заводские швы труб должны иметь плавный переход к основному металлу без резких переходов, подрезов, несплавлений, непроваров и других дефектов формирования шва. Высота усиления шва снаружи трубы должна составлять 0,5…2,5 мм (при номинальной толщине стенки £ 10 мм) и 0,5…3,0 мм (при номинальной толщине стенки > 10 мм). Высота внутреннего усиления шва должна составлять не менее 0,5 мм, при этом на длине не менее 150 мм от торца усиление должно быть удалено до остаточной высоты не более 0,5 мм. Задир (зарез) тела трубы не допускается. 7.1.11 На наружной и внутренней поверхностях основного металла не должно быть: - рванин, плен, раскатанных пригаров и корочек, пузырей-вздутий, трещин, вкатанной окалины и иных загрязнений; - глубина рисок, царапин, задиров не должна превышать 0,2 мм. В металле труб не допускаются трещины, рванины, а также расслоения, выходящие на торцевые участки. 7.1.12 На поверхности труб не допускаются вмятины глубиной более 6,0 мм, измеренные как зазор между самой глубокой точкой вмятины и продолжением контура трубы. Не допускаются вмятины любых размеров с механическими повреждениями поверхности металла. 7.1.13 Ремонт тела трубы сваркой не допускается. 7.1.14 Остаточная магнитная индукция на торцах труб не должна быть более 3 мТл. 7.1.15 Предельные отклонения по толщине стенки на торцах электросварных труб не должны превышать значения, указанные в таблице 7.1.2. Таблица 7.1.2 - Предельные отклонения по толщине стенки сварных труб (на основе требований ГОСТ 19903 для листа нормальной точности прокатки)
7.1.16 Максимальная величина эквивалента углерода трубных сталей не должна превышать 0,43% для труб 1 и 2-го уровня качества и 0,38 для труб 3-го уровня качества. Эквивалент углерода определяется по формуле: СЭКВ. = С + Mn/6 + (Cr + Mo + V)/5 + (Cu + Ni)/15 + 15В, где: C, Mn, Cr, Mo, V, Ti, Nb, Cu, Ni, В - массовые доли (%) элементов в металле трубной стали. 7.2 Трубы малого диаметра, применяемые для обвязки узлов запуска-приема средств очистки и диагностики, узлов подключения НПС, резервуарных парков7.2.1 Электросварные (сварка ТВЧ) трубы диаметром 159-426 мм с толщиной стенки 4-12 мм могут поставляться по ГОСТ 20295-85, диаметром 42-426 мм с толщиной стенки 3-14 мм - по ГОСТ 10704-91, ГОСТ 10705-80 и техническим условиям, разработанным и утвержденным в установленном порядке. Основной металл - спокойная или полуспокойная углеродистая или низколегированная сталь. Марки трубной стали (преимущественно): Сталь 10, Сталь 20, 09Г2С. 7.2.2 Концы электросварных труб по ГОСТ 20295-85 должны иметь фаску под углом 25-30 градусов (при толщине стенки до 10 мм включительно) и 30-35 градусов (при толщине стенки более 10 мм) с величиной притупления = 1-3 мм. Концы труб по ГОСТ 10704-91, ГОСТ 10705-80 и техническим условиям (при толщине стенки до 15 мм) должны иметь фаску под углом 25-30 градусов с величиной притупления = 1-3 мм. Другие требования к геометрическим параметрам труб устанавливаются согласно разделу 3.1 настоящего РД. Показатели механических свойств устанавливаются в соответствии с классами прочности, которые регламентированы ГОСТ 20295-85 или техническими условиями на поставку труб (таблица 7.2.1). Таблица 7.2.1 - Классы прочности и механические свойства труб из углеродистых и низколегированных сталей по ГОСТ 20295-85
7.2.3 Бесшовные трубы могут быть поставлены по ГОСТ 8731-74, ГОСТ 8732-78 (группа В - с нормированием механических свойств и химического состава), 8733-74 (группа В), ГОСТ 8734-75, ГОСТ 9567-75, ГОСТ 550-75, а также по техническим условиям разработанным и утвержденным в установленном порядке. Диапазон диаметров - от 14 до 426 мм. Основной металл - спокойная или полуспокойная углеродистая или низколегированная сталь. Марки трубной стали (преимущественно): Ст. 3, Ст. 10, Ст. 20, 09Г2С. 7.2.4 Бесшовные трубы (по ГОСТ 8731-74 и ГОСТ 8733-74) с толщиной стенки 5-20 мм имеют фаску под углом 35-40 град. и притуплением 1-3 мм. При заказе бесшовных труб с толщиной стенки свыше 2 до 5 мм следует предусмотреть обработку фаски под углом 35-40 град. Предельные отклонения по наружному диаметру бесшовных труб согласно ГОСТ 8732-78 и ГОСТ 8734-75 представлены в таблицах 7.2.2 и 7.2.3 соответственно. Таблица 7.2.2 - Предельные отклонения по наружному диаметру бесшовных горячедеформированных труб согласно ГОСТ 8732-78
Таблица 7.2.3 - Предельные отклонения по наружному диаметру бесшовных холоднодеформированных труб согласно ГОСТ 8734-75
7.2.5 Предельные отклонения по толщине стенки бесшовных труб согласно ГОСТ 8732-78 и ГОСТ 8734-75 представлены в таблицах 7.2.4 и 7.2.5 соответственно. Таблица 7.2.4 - Предельные отклонения по толщине стенки бесшовных труб согласно ГОСТ 8732-78
Таблица 7.2.5 - Предельные отклонения по толщине стенки бесшовных холоднодеформированных труб согласно ГОСТ 8734-75
7.2.6 Согласно ГОСТ 8732-78 кривизна любого участка бесшовной горячедеформированной трубы на 1 м длины не должна превышать 1,5 мм при толщине стенки до 20 мм включительно, 2,0 мм - при толщине стенки свыше 20 до 30 мм включительно, 4,0 мм - при толщине стенки свыше 30 мм. В соответствии с ГОСТ 8734-75 кривизна любого участка бесшовной холодно деформированной трубы диаметром свыше 10 мм должна быть не более 1,5 мм. По требованию потребителя кривизна холоднодеформированных труб диаметром 20-90 мм не должна превышать 1 мм на 1 м длины. 7.3 Соединительные детали трубопроводов7.3.1 Соединительные детали должны соответствовать ОТТ-08.00-60.30.00-КТН-004-1-05 и поставляться в соответствии с Техническими условиями. Технические условия заводов-изготовителей должны быть включены в Реестр поставщиков ОАО "АК "Транснефть". К каждой партии деталей должен быть приложен сертификат завода-изготовителя с указанием основных приемо-сдаточных характеристик (наименование изготовителя, номер стандарта или ТУ, номер партии, типоразмер, рабочее давление, марка стали, механические свойства основного металла и т.д.), а также паспорт независимого технического надзора. Для магистральных нефтепроводов и обвязочных трубопроводов НПС, узлов запуска-приема СОД, резервуарных парков применяются следующие конструкции соединительных деталей (фитингов): - тройники горячей штамповки; - тройники штампосварные с цельноштампованными ответвлениями горячей штамповки; - тройники сварные без специальных усиливающих элементов (ребер, накладок и т.д.); - переходы конические, концентрические штампованные или штампосварные; - отводы гнутые гладкие, изготовленные из труб путем протяжки в горячем состоянии; - отводы гнутые при индукционном нагреве; - отводы штампосварные из двух половин; - заглушки эллиптические. Толщина стенок соединительных деталей должна соответствовать требованиям проектной документации и быть не менее 4 мм. Форма разделки кромок деталей должна удовлетворять условиям сварки и соответствовать разделке кромок привариваемых труб. 7.3.2 Бесшовные детали трубопроводов с условным диаметром до 600 мм, поставляемые по ГОСТ 30753-2001, ГОСТ 17375-2001, ГОСТ 17376-2001, ГОСТ 17378-2001 - ГОСТ 17380-2001, изготавливаются из труб по ГОСТ 8731-74 (группа В), ГОСТ 8733-74 (группа В) и ГОСТ 550-75 или листовой стали по ГОСТ 16523 (категория 4), ГОСТ 1542, ГОСТ 17066 и др. Основной металл - стали марок: Сталь 20 по ГОСТ 1050-74, 10Г2 по ГОСТ 4543-71 и 09Г2С по ГОСТ 19282-73. 7.3.3 Штампосварные детали трубопроводов диаметром 500-1220 мм по ТУ 102-488-05 изготавливаются из сталей прочностных классов от К42 до К60 включительно. 7.3.4 Для изолирующих фланцевых соединений следует использовать фланцы по ГОСТ 12821-80. Сопротивление изолирующих фланцев (в сборе) во влажном состоянии должно быть не менее 103 Ом. Диаметр отверстий во фланцах под крепежные детали и размеры впадины, выступа, а также длина этих крепежных деталей должны выбираться с учетом толщины изолирующих (диэлектрических) втулок и прокладок. К каждому из фланцев изолирующего соединения должен быть приварен изолированный контактный вывод из стальной полосы размером 30´6 мм. 7.3.5 Тип и конструкция запорной арматуры (задвижек, обратных клапанов) определяются требованиями проектной документации. Каждая задвижка или обратный клапан должны иметь паспорт завода-изготовителя с указанием приемо-сдаточных характеристик согласно техническим условиям на их поставку. Предпочтительным является использование запорной арматуры с переходными кольцами (патрубками) под сварку. Разделка кромок арматуры должна удовлетворять условиям применяемой технологии сварки. Толщина свариваемой кромки (размер под сварку) арматуры или переходного кольца не должна превышать 1,5S (где S - номинальная толщина стенки присоединяемой трубы). 8 СВАРОЧНЫЕ МАТЕРИАЛЫ8.1 Применяемые сварочные материалы8.1.1 Для сварки кольцевых стыков нефтепроводов могут быть использованы следующие сварочные материалы: - электроды с основным и целлюлозным видами покрытия для ручной дуговой сварки; - флюсы плавленые и агломерированные для автоматической сварки поворотных стыков; - сварочные проволоки сплошного сечения для автоматической и механизированной сварки в среде защитных газов и автоматической сварки под флюсом; - самозащитные порошковые проволоки для механизированной сварки; - порошковые проволоки для автоматической сварки в среде защитных газов; - защитные газы - аргон газообразный, двуокись углерода газообразная и их смеси - для автоматической и механизированной сварки; - присадочные прутки для аргонодуговой сварки неплавящимся электродом. 8.1.2 Все сварочные материалы (электроды, проволоки, флюсы) должны выпускаться в соответствии с действующими ГОСТами и специальными Техническими условиями (ТУ) на каждую марку сварочного материала, быть аттестованы согласно РД 03-613-03 "Порядок применения сварочных материалов при изготовлении, монтаже, ремонте и реконструкции технических устройств для опасных производственных объектов" на группу "Нефтегазодобывающее оборудование" и иметь соответствующее свидетельство об аттестации. Технические условия на сварочные материалы должны регламентировать специальные требования к качеству их изготовления, сварочно-технологическим характеристикам и обеспечению требуемого уровня прочностных и вязко-пластических свойств сварных соединений. 8.1.3 Электроды и самозащитные порошковые проволоки могут быть использованы для сварки нефтепроводов при положительных результатах аттестации конкретной марки, выпускаемой конкретной фирмой (заводом-производителем).8.1.4 Флюсы и проволоки для сварки под флюсом должны быть аттестованы в установленном порядке согласно требований РД 03-613-03. Аттестация должна выполняться для конкретных комбинаций марок флюса и проволоки. 8.1.5 При проведении аттестации проволок сплошного сечения, порошковых проволок для сварки в среде защитных газов испытания проводятся для конкретных комбинаций проволока - защитный газ. 8.1.6 Аттестация отдельных партий сварочных материалов может быть проведена их потребителем. При этом свидетельство об аттестации выдается на конкретные партии материалов. 8.1.7 Выбор сварочных материалов для сварки нефтепроводов должен осуществляться в зависимости от: - класса прочности и типоразмера свариваемых труб; - требований к механическим свойствам сварных соединений, выполненных с их использованием; - условий прокладки нефтепровода и наличия специальных требований к сварным соединениям; - сварочно-технологических свойств и производительности наплавки сварочных материалов; - схемы организации сварочно-монтажных работ и требуемого темпа их выполнения. 8.1.8 В случае сварки стыков труб из сталей различных групп прочности сварочные материалы должны выбираться исходя из следующего: - при различных значениях толщин стенок - по трубе более высокого класса прочности; - при одинаковых значениях толщин стенок стыкуемых труб - по трубе менее высокого класса прочности. 8.1.9 В случае сварки корневого слоя шва электродами с основным видом покрытия следует использовать электроды типа Э50А согласно ГОСТ 9467 (тип Е7016 или Е7018 согласно AWS А5.1) для сварки стыков труб 1-й и 2-й групп прочности. В случае выполнения заполняющих и облицовочного слоев шва электродами с основным видом покрытия следует использовать: - электроды типа Э50А или Э55 согласно ГОСТ 9467 (тип Е7016 или Е7018 согласно AWS А5.1) для сварки стыков труб 1-й группы прочности; - электроды типа Э60 согласно ГОСТ 9467 (тип Е8018 или Е8016 согласно AWS А5.5) для сварки стыков труб 2-й группы прочности. 8.1.10 Перечень аттестованных марок электродов с основным видом покрытия для сварки методом "на подъем" сталей различных прочностных групп приведен в таблице 8.1. 8.1.11 Для сварки корневого слоя шва электродами с целлюлозным видом покрытия следует использовать электроды типа: - Э46А и Э50А согласно ГОСТ 9467 (тип Е6010 согласно AWS А5.1) для сварки стыков труб 1-й и 2-й групп прочности. Для сварки "горячего прохода" (первого заполняющего слоя в случае сварки корневого слоя шва электродами с целлюлозным видом покрытия) используются следующие типы электродов с целлюлозным видом покрытия: - электроды типа Э46А или Э50А согласно ГОСТ 9467 (тип Е6010 согласно классификации AWS А5.1) для сварки стыков труб 1-й группы прочности; - электроды типа Э50А согласно ГОСТ 9467 (тип Е7010 согласно классификации AWS А5.5) для сварки стыков труб 2-й группы прочности. 8.1.12 Электроды с целлюлозным видом покрытия могут быть использованы для сварки заполняющих и облицовочного слоев шва. При этом обязательным условием является разработка и согласование соответствующих технологических карт и Инструкции по сварке применительно к каждому конкретному объекту строительства. В случае выполнения заполняющих и облицовочного слоев шва электродами с целлюлозным видом покрытия следует использовать: - электроды типа Э46А и Э50А согласно ГОСТ 9467 (тип Е6010 согласно AWS А5.1) для сварки стыков труб 1-й группы прочности с нормативным пределом прочности до 510 МПа включительно; - электроды типа Э50А согласно ГОСТ 9467 (тип Е7010 согласно AWS А5.5) для сварки стыков труб 1-й группы прочности с нормативным пределом прочности до 530 МПа включительно; - электроды типа Э60 согласно ГОСТ 9467 (тип Е9010 согласно AWS А5.5) для сварки стыков труб 2-й группы прочности. 8.1.13 Перечень аттестованных марок электродов с целлюлозным видом покрытия для сварки сталей различных прочностных групп приведен в таблице 8.2. Таблица 8.1 - Электроды с основным видом покрытия для сварки методом "на подъем
Таблица 8.2 - Электроды с целлюлозным видом покрытия
Примечание: * - электроды диаметром 3,2 мм используются только для сварки корневого слоя шва. 8.1.14 Для сварки заполняющих и облицовочного слоев шва электродами с основным видом покрытия методом "на спуск" следует применять марки, приведенные в таблице 8.3 Таблица 8.3 - Электроды с основным видом покрытия для сварки методом "на спуск"
8.1.15 Для автоматической сварки поворотных стыков труб следует применять комбинации "агломерированный флюс + проволока", перечень и область применения которых приведены в таблице 8.4. Таблица 8.4 - Сварочные материалы для сварки под флюсом
8.1.16 Для механизированной сварки неповоротных стыков труб самозащитной порошковой проволокой следует применять марки проволок, приведенные в таблице 8.5. Таблица 8.5 - Самозащитные порошковые проволоки
8.1.17 Для механизированной сварки поворотных и неповоротных стыков труб проволокой сплошного сечения в среде углекислого газа методом STT следует применять проволоки, приведенные в таблице 8.6. Таблица 8.6 - Проволоки сплошного сечения для сварки методом STT
При этом в качестве защитного газа следует использовать углекислый газ высшего сорта по ГОСТ 8050-85. 8.1.18 Для автоматической сварки заполняющих и облицовочного слоев шва стыков труб головками М300-С (М300) следует использовать порошковые проволоки, приведенные в таблице 8.7. Таблица 8.7 - Порошковые проволоки для автоматической сварки в среде защитных газов
В качестве защитного газа для сварки всех слоев шва используется готовая смесь 75% Ar + 25% СО2. Используемые в смеси защитные газы должны соответствовать требованиям ГОСТа 8050-85 для сорта "Высший" (углекислый газ) и ГОСТа 10157-79 для сорта "Высший" (аргон). Технические характеристики сварочных смесей представлены в таблице 8.8. Таблица 8.8 - Технические характеристики сварочных смесей аргона и углекислого газа
8.1.19 Для автоматической сварки комплексами CRC-Evans AW с использованием головок Р-200 (Р-260) следует использовать проволоки сплошного сечения, приведенные в табл. 8.9.
Для автоматической сварки комплексами CRC-Evans AW с использованием головок П-600 следует использовать проволоки сплошного сечения, приведенные в таблице 8.10.
При сварке головками П-200 (П-260) в качестве защитного газа для сварки корневого и облицовочного слоев шва используется готовая смесь газов 75% Ar + 25% СО2 (таблица 8.8), для сварки горячего прохода и заполняющих слоев шва - 100% углекислый газ высшего сорта. При сварке головками П-600 в качестве защитного газа используется готовые смеси газов 75% Ar + 25% СО2 (корневой слой шва), 100% СО2 (горячий проход) и 85% Ar + 15% СО2 (заполняющие и облицовочный слои шва) (таблица 8.8). 8.1.20 Сварку на оборудовании системы Saturnax фирмы Serimer Dasa следует выполнять с использованием проволок, приведенных в таблице 8.11. Таблица 8.11 - Проволоки сплошного сечения для сварки системой Saturnax фирмы Serimer Dasa
В качестве защитного газа для сварки всех слоев шва используется смесь газов 50% Ar + 50% СО2 (таблица 8.8). 8.1.21 При сварке неповоротных стыков труб с нормативным пределом прочности до 588 МПа включительно (1-я и 2-я группы прочности) с использованием оборудования CWS.02 ЕМ следует использовать проволоку сплошного сечения марки OK Autrod 12.66 фирмы ESAB VAMBERG sro (Чехия), которая подлежит аттестации согласно РД 03-613-03. В качестве защитного газа при сварке корневого слоя и первого заполняющего слоя используют углекислый газ, при сварке заполняющих и облицовочного слоев - смесь, состоящую из 40-50% аргона и 60-50% углекислого газа (таблица 8.8). 8.1.22 Для ручной аргонодуговой сварки неплавящимся электродом в качестве присадочного металла следует применять аттестованные в соответствии РД 03-613-03 марки сварочной проволоки диаметром 1,6-2,0 мм. В качестве защитного газа используется аргон высшего или первого сорта по ГОСТ 10157. Содержание аргона - не менее 99,98% (по объему). 8.1.23 По мере аттестации новых марок сварочных материалов и переаттестации марок, приведенных в соответствующих таблицах данного РД ООО "Институт ВНИИСТ" выпускает Дополнения к настоящему РД. 8.2 Хранение и подготовка сварочных материалов к сварке8.2.1 Все сварочные материалы должны проходить входной контроль, включающий: - проверку наличия сертификатов качества или сертификатов соответствия фирмы (завода-изготовителя); - проверку сохранности упаковки; - замер диаметра электродов и проволок и проверку его соответствия данным сертификата; - проверку внешнего вида покрытия электродов и проволок - прочности (адгезии) покрытия электродов, отсутствия поверхностных дефектов электродных покрытий и проволок, следов ржавчины на поверхности проволок и электродных стержнях, разнотолщинности электродного покрытия; - проверку сварочно-технологических свойств электродов и порошковых проволок при сварке катушек труб во всех пространственных положениях. 8.2.2 Сварочные материалы в соответствии с требованиями изготовителей следует хранить в сухих отапливаемых помещениях (температура воздуха - не менее +15 °С) при условиях, предупреждающих их увлажнение (влажность не более 50%) и гарантирующих сохранность и герметичность упаковки. 8.2.3 Электроды, порошковые проволоки, проволоки сплошного сечения и флюсы при условии герметичности упаковки и централизованного складирования в специально оборудованном помещении могут храниться без дополнительной проверки перед использованием в течение одного года. При хранении сварочных материалов более 1 года они должны пройти повторную проверку в соответствии с требованиями п. 8.2.1 непосредственно перед их использованием. 8.2.4 Если упаковка негерметична или повреждена, то электроды и проволока должны быть подвергнуты дополнительной проверке их внешнего вида и сварочно-технологических свойств и использованы в первую очередь. Дальнейшему длительному хранению такие сварочные материалы не подлежат. Если в результате обследования внешнего вида на поверхности проволоки или на электродном стержне обнаружены следы ржавчины и/или в результате проверки сварочно-технологических свойств сварочных материалов установлено, что они не обеспечивают качество выполнения сварных швов, то такие сварочные материалы использованию не подлежат. 8.2.5 Сварочные электроды с покрытием основного вида, упакованные в картонные коробки, обтянутые термоусадочной пленкой, должны быть прокалены перед сваркой при температуре 350-380 °С в течение 1,5-2 час с последующим размещением в термостатах (термопеналах). Конкретные режимы прокалки электродов должны соответствовать указаниям на упаковке. Электроды, не размещенные в термопеналах, хранятся в сушильно-прокалочных печах. 8.2.6 Электроды, поставляемые в пластиковых пеналах, должны быть прокалены в соответствии с правилами, приведенными в п. 8.2.5. 8.2.7 Сварочные электроды с основным видом покрытия, упакованные в герметичные металлические банки, не требуют прокалки перед сваркой. Однако, в случае, если электроды из открытой металлической банки не были использованы в течение рабочей смены (~8…10 час.), а также в случае, если герметичность банки была нарушена в процессе транспортировки или хранения, электроды следует прокалить непосредственно перед сваркой при температуре 350-380 °С в течение 1,5-2 час. Срок хранения электродов в герметичной металлической упаковке завода-изготовителя составляет - не более 5 лет, а в картонных коробках, обтянутых полиэтиленовой термоусадочной пленкой - не более 2 лет. 8.2.8 Прокаленные электроды с основным видом покрытия могут быть использованы в течение 2-х суток без дополнительной прокалки при условии хранения в герметичной емкости в сухом помещении при температуре не ниже +15 °С. Если прокаленные сварочные материалы не использованы в течение 2-х суток, то они подлежат повторной прокалке. Электроды, поставляемые в вакуумной упаковке не подлежат прокалке при их использовании непосредственно после вскрытия упаковки. 8.2.9 Допускается повторная прокалка электродов с основным видом покрытия до 5 раз (при общем времени прокалки не более 10 час). При хранении прокаленных электродов в сушильных шкафах с температурой 100-150 °С повторная прокалка не требуется. 8.2.10 Сварочные электроды с целлюлозным видом покрытия поставляются в герметичных металлических банках и не требуют предварительной сушки перед использованием. Как исключение, в случае чрезмерного увлажнения электродов с целлюлозным видом покрытия (прямое попадание влаги и др.) допускается их сушка перед использованием при температуре 80-90 °С в течение 10-20 мин. 8.2.11 Проволока сплошного сечения для автоматической сварки под слоем флюса должна поставляться в мотках прямоугольного сечения с рядной намоткой массой не более 30 кг, размещенных в двойной упаковке "полиэтилен + картонная коробка". 8.2.12 Сварочная проволока для сварки под флюсом должна выдаваться для использования в количестве, необходимом для односменной работы трубосварочной базы. На поверхости проволоки должна отсутствовать ржавчина, окалина, следы смазки и загрязнений. 8.2.13 Агломерированные флюсы следует хранить в сухих отапливаемых помещениях в герметичной упаковке завода-изготовителя (мешках из многослойной крафт-бумаги, двойных мешках из полиэтилена и крафт-бумаги, либо в "ведрах"). Масса мешка с флюсом не должна превышать 25 кг. 8.2.14 В случае повреждения упаковки флюса его следует поместить для хранения в герметичную емкость, на которой необходимо указать марку флюса, номер партии и сертификата, фирму-изготовителя. 8.2.15 Запрещается смешивать флюсы разных марок, партий поставки и заводов-изготовителей. 8.2.16 Флюс выдается для применения в количестве, необходимом для односменной работы трубосварочной базы. Непосредственно перед использованием агломерированные флюсы Pipeliner 860 и OK Flux 10.71 должны быть прокалены (просушены) при температуре 300 °С в течение 2 часов, а флюс Pipeliner MIL800-H - при температуре 160±30 °С в течение 2 часов. При сушке-прокалке флюса Pipeliner MIL800-H запрещается превышать нормируемые значения температуры. Высота слоя флюса при прокалке - не более 6 см. Количество прокалок и общая длительность прокалки флюсов не ограничены. При хранении прокаленных флюсов в закрытой герметичной таре срок их хранения не ограничен. 8.2.17 Омедненная проволока сплошного сечения для механизированной сварки в среде углекислого газа методом STT поставляется в кассетах с рядной намоткой массой 4,5-15 кг. Кассеты упаковываются в полиэтиленовый пакет, который помещается в картонную коробку. 8.2.18 Самозащитная порошковая проволока типа Иннершилд поставляется на кассетах с рядной намоткой массой 6,35 кг. В упаковке из толстого полиэтиленового мешка размещается 4 кассеты. Полиэтиленовый мешок с кассетами помещается в герметичные пластиковые контейнеры (ведра). Внутри ведра размещаются пакеты с влагопоглощающим компонентом. Общая масса упаковки - 25,4 кг. Проволока не требует предварительной сушки-прокалки перед использованием. После вскрытия упаковки она должна быть использована в течение 24 час, в случае хранения на открытом воздухе, исключающем попадание влаги. В ином случае проволока должна храниться в помещении при температуре +15 °С и выше либо быть прокалена в электропечи при температуре не более 300 °С в течение 15-30 мин. В случае прокалки проволоки в электропечи она должна быть израсходована в возможно короткий срок. 8.2.19 Омедненная проволока для автоматической сварки в среде защитных газов головками П-200 (П-260) и П-600 поставляется в катушках с рядной намоткой, специально разработанных для установки на сварочных головках фирмы CRC-Evans AW. Для установки на сварочных головках, осуществляющих сварку изнутри трубы, проволока поставляется в катушках массой 1,47 кг, для сварки головками П-200 (П-260) снаружи трубы - в катушках массой 2,71 кг. Каждая катушка проволоки упаковывается в полиэтиленовые пакеты с последующей упаковкой в герметичные металлические банки по пять катушек для наружных головок и по шесть катушек для внутренних головок. Внутри каждой упаковки находится пакет с влагопоглощающим компонентом. Для установки на сварочных головках П-600 проволока поставляется в катушках массой 13 кг. 8.2.20 Порошковая проволока для сварки в среде защитных газов головками М300 (М300-С) должна поставляться на пластмассовых кассетах массой 4,5-5 кг со специальной рядной намоткой. Каждая катушка должна быть упакована в полиэтиленовый пакет и, затем, в картонные коробки. Проволока не требует предварительной сушки-прокалки перед использованием. 8.2.21 Омедненная проволока сплошного сечения для сварки на оборудовании CWS.02 ЕМ должна поставляться с рядной намоткой на катушках специальной конструкции, адаптированной к сварочным головкам CWS.02 ЕМ. Масса катушки с проволокой - 2,5 кг. Катушки должны быть упакованы в полиэтиленовые пакеты и уложены в картонные коробки. 8.2.22 Омедненная проволока сплошного сечения для сварки на оборудовании фирмы "Serimer Dasa" должна поставляться с рядной намоткой на катушках специальной конструкции, адаптированной к сварочным головкам "Saturnax". Масса катушки с проволокой - 12,5 кг. Катушки должны быть упакованы в полиэтиленовые пакеты и уложены в картонные коробки. 8.2.23 Защитные газы следует хранить в емкостях, в которых их поставляют. Емкости следует хранить в соответствии с правилами по соблюдению техники безопасности по хранению газов и требованиями поставщика. Запрещается смешивать газы в баллонах и емкостях, в которых они поставляются. 9 ИСТОЧНИКИ СВАРОЧНОГО ТОКА И СВАРОЧНЫЕ АГРЕГАТЫ9.1 Требования к источникам сварочного тока9.1.1 Для реализации технологии сварки при строительстве и капитальном ремонте магистральных нефтепроводов следует использовать однопостовые управляемые тиристорные выпрямители, инверторные выпрямители для ручной, механизированной и автоматической сварки, а также однопостовые или двухпостовые сварочные генераторы. Для реализации технологии ручной дуговой сварки на обратной полярности допускается применение многопостовых выпрямителей, оснащенных электронными регуляторами сварочного тока ("чопперами"). Источники сварочного тока должны отвечать общим и специальным требованиям. 9.1.2 Общие требования к источникам сварочного тока: 9.1.2.1 Возможность использования источников тока в составе передвижных и самоходных агрегатов при пониженном качестве автономной электросети переменного тока, характерного для сетей ограниченной мощности. 9.1.2.2 Максимальные колебания установленных значений сварочного тока и напряжения из-за взаимного влияния постов не более ± 5% от установленных значений при использовании источников тока для компоновки автономных многопостовых агрегатов питания сварочных постов. 9.1.2.3 При колебаниях напряжения питающей сети от +10% до -10% от номинального значения, изменение установленной величины тока (напряжения) не должно превышать ±2%. Учитывая, что источники могут использоваться как стационарно, так и в составе автономных агрегатов питания, к ним предъявляются дополнительные требования: 9.1.2.4 Источники тока должны иметь степень защиты не ниже IP22 по ГОСТ 14254-80. 9.1.2.5 По стойкости к воздействию внешних климатических и механических факторов источники должны отвечать следующим требованиям: - температура окружающей среды (рабочее значение) от -40 до +40 °С при размещении источников тока в укрытиях агрегатов питания; - относительная влажность окружающей среды 80% при t = +20 °С в соответствии с ГОСТ 15543.1-89; - группа по допустимым механическим воздействиям - не ниже М18 в соответствии с ГОСТ 175161-90. 9.1.2.6 Узлы сварочного оборудования, содержащие силовые конденсаторы, должны иметь устройства для автоматической разрядки конденсаторов. 9.1.2.7 Сварочное оборудование должно быть защищено отключающими предохранителями или автоматами со стороны питающей сети и соответствовать требованиям главы 7.6 ПУЭ (7 издание, 2002 г.) и ПТЭЭП (2003 г.). 9.1.2.8 Вращающиеся части сварочного оборудования, части, находящиеся под высоким напряжением или высокой температурой (более 40 °С) должны быть надежно ограждены. 9.1.2.9 Размещение сварочного оборудования, а также расположение и конструкция его узлов и механизмов должны обеспечивать безопасный и свободный доступ к нему. 9.1.2.10 На органах управления сварочного оборудования должны быть четкие надписи или условные знаки, указывающие их функциональное назначение. Все органы управления сварочного оборудования должны иметь надежные фиксаторы, исключающие самопроизвольное или случайное их включение (или отключение). 9.1.2.11 Штепсельные соединения проводов для включения в сеть переносных пультов управления сварочного оборудования должны иметь заземляющие контакты. 9.1.2.12 Закрепление газоподводящих шлангов на присоединительных ниппелях аппаратуры, горелок и редукторов должно быть надежным и выполнено с помощью хомутов или опрессованных разъемных штуцеров. 9.1.2.13 Другие параметры должны соответствовать ГОСТ 13821-77. 9.1.3 Требования к источникам сварочного тока для ручной дуговой сварки: 9.1.3.1 Номинальный сварочный ток при ПН = 60% не менее 250 Ампер, при этом выпрямитель должен обеспечивать устойчивую работу при сварке во всем диапазоне рабочих токов, в том числе при минимальных, начиная с 50 А. 9.1.3.2 При сварке электродами с основным видом покрытия выпрямители должны обеспечивать ток короткого замыкания в пределах 1,2-1,4 от номинального сварочного тока, при сварке электродами с целлюлозным видом покрытия - 1,5-1,7 от номинального сварочного тока. 9.1.3.3 Источники должны быть оснащены малогабаритными дистанционными регуляторами сварочного тока, обеспечивающими возможность регулирования тока, не обрывая дуги и устойчиво работающих с кабелем подключения длиной до 35 метров. Дискретность регулирования сварочного тока ±5 А в диапазоне токов 50-250 А. 9.1.3.4 Наклон внешних характеристик в зоне рабочих токов 0,4±0,05 В/А для сварки электродами с целлюлозным видом покрытия, и 0,7-1,0 В/А для сварки электродами с основным видом покрытия. 9.1.3.5 Обеспечение "форсирования" дуги в момент падения напряжения на дуге до значений близких к нулевому с возможностью регулировки величины тока короткого замыкания в диапазоне от 1,2 I св. до 2,2 I св., в зависимости от типа покрытия электрода, при сварке различных слоев шва и в разных пространственных положениях. 9.1.3.6 Динамические свойства должны обеспечивать переход от короткого замыкания дугового пространства к рабочему режиму за время не более 0,01 секунды. 9.1.3.7 Для надежного возбуждения и стабильного горения при сварке электродами с различным металлургическим видом покрытия напряжение холостого хода должно быть в пределах 70-80 Вольт (или источники должны иметь устройство "горячего старта" с регулировкой величины импульса тока от 1,0 I св. до 1,8 I св.). 9.1.3.8 Номинальное рабочее напряжение 30-32 Вольта. 9.1.3.9 Для работы в особо опасных условиях (внутри металлических емкостей, в колодцах, туннелях, при наружных работах при влажности более 75%) выпрямители должны быть оснащены блоком ограничения напряжения холостого хода, обеспечивающего падение напряжения в течение не более 0,6 секунды с момента обрыва дуги до 12 Вольт. Время восстановления напряжения холостого хода при зажигании дуги должно быть не более 0,06 с. 9.1.4 Требования к источникам для механизированной и автоматической сварки в защитных газах, механизированной сварки самозащитной порошковой проволокой: 91.4.1 Номинальный сварочный ток при ПН = 100% не менее 300 Ампер. 9.1.4.2 Жесткая выходная вольтамперная характеристика с крутизной наклона не более 0,04±0,005 В/А. 9.1.4.3 Пределы регулирования напряжения на дуге от 14 до 35 Вольт. 9.1.4.4 Возможность непрерывного регулирования напряжения с точностью ±0,5В. 91.4.5 Возможность дистанционного включения и отключения напряжения на выходных клеммах источника с горелки или сварочного автомата. Перечень источников сварочного тока приведен в таблице 9.1.1. 9.2 Требования к сварочным агрегатам9.2.1 Автономные сварочные агрегаты должны отвечать следующим основным требованиям: - колебания режимов сварки, вызываемые взаимным влиянием постов при многопостовом питании, не более ± 5% от номинальных значений тока и напряжения; - наличие дистанционных регуляторов режимов сварки для каждого поста; - обязательное оснащение агрегатов вспомогательным источником тока для питания электроинструмента, печей для прокалки электродов, освещения рабочего места сварщика; - наличие в составе самоходных агрегатов питания защитной палатки, обеспечивающей защиту зоны сварки от атмосферных осадков и ветра; - для постов автоматической и механизированной сварки в защитных газах следует использовать самоходные сварочные агрегаты, которые должны быть оснащены: стрелой грузоподъемностью не менее 400 кг с устройствами для подвешивания защитных палаток, сварочных кабелей, кабелей управления, газовых коммуникаций; рампой для баллонов с защитными газами; - агрегаты питания должны быть укомплектованы оборудованием для межслойного электроподогрева свариваемых стыков; - головной агрегат колонны автоматической сварки дополнительно должен быть оснащен компрессором сжатого воздуха для привода внутреннего центратора и необходимой аппаратурой управления; - установленная мощность агрегата должна быть не менее 20 кВА на 1 пост; - диапазон температур эксплуатации от плюс 40 до минус 50 °С. 9.2.2 Перечень отечественных и импортных сварочных агрегатов, предназначенных для сварки нефтепроводов, приведен в таблицах 9.2.1-9.2.4. Таблица 9.1.1 Источники сварочного тока, предназначенные для сварки нефтепроводов
Таблица 9.2.2 Однопостовые сварочные агрегаты фирмы "Lincoln Electric" на базе преобразователя, предназначенные для сварки нефтепроводов
Таблица 9.2.3 - Однопостовые сварочные агрегаты фирмы "Cubota" на базе преобразователей
Таблица 9.2.4 - Сварочные агрегаты фирмы "Gen Set" на базе преобразователей
10 СПЕЦИАЛЬНЫЕ СВАРОЧНЫЕ РАБОТЫ10.1 Сварка захлестов10.1.1 В зависимости от условий выполнения работ, сварка захлесточных стыков при ликвидации технологических разрывов может производиться по трем схемам: - схема 1 - оба конца трубопровода свободны (не засыпаны землей), находятся в траншее (или на ее бровке) и имеют свободу перемещения, как в вертикальной, так и в горизонтальной плоскостях; - схема 2 - конец одного из стыкуемых участков трубопровода свободно перемещается в вертикальной и горизонтальной плоскостях, а другой защемлен (подходит к крановому узлу, засыпан и т.п.); - схема 3 - оба конца соединяемых участков трубопровода засыпаны (защемлены), но оси соединяемых участков находятся в пределах, соответствующих условиям сборки (раздел 5.1 настоящего РД). 10.1.2 В соответствии с первыми двумя схемами соединение участков трубопровода может осуществляться сваркой одного кольцевого захлесточного стыка или вваркой катушки с выполнением двух кольцевых стыков. В соответствии с третьей схемой ликвидацию технологического разрыва производят исключительно путем вварки катушки с выполнением двух кольцевых стыков (или трех стыков - для варианта составной катушки). 10.1.3 Для сварки стыков захлестов могут быть использованы следующие технологии и технологические варианты, регламентированные настоящим РД: - ручная дуговая сварка электродами с основным видом покрытия (все слои шва); - комбинированная технология: ручная дуговая сварка электродами с основным видом покрытия (корневой слой шва) + механизированная сварка самозащитной порошковой проволокой Иннершилд (последующие слои шва); - ручная дуговая сварка электродами с целлюлозным видом покрытия (корневой слой - методом "на подъем" + горячий проход - методом "на спуск") и электродами с основным видом покрытия (последующие слои шва); - комбинированная технология: ручная дуговая сварка электродами с целлюлозным видом покрытия (корневой слой - методом "на подъем" + горячий проход - методом "на спуск") + механизированная сварка самозащитной порошковой проволокой Иннершилд (последующие слои шва). Горячий проход может выполняться механизированной сваркой самозащитной порошковой проволокой Иннершилд; - комбинированная технология: механизированная сварка в среде углекислого газа методом STT (корневой слой шва) + механизированная сварка самозащитной порошковой проволокой Иннершилд (последующие слои шва); - комбинированная технология: механизированная сварка в среде углекислого газа методом STT (корневой слой шва) + автоматическая сварка порошковой проволокой в среде защитных газов головками системы М300-С (М300) (последующие слои шва); - комбинированная технология: ручная дуговая сварка электродами с основным видом покрытия (корневой слой шва) + автоматическая сварка порошковой проволокой в среде защитных газов системой М300-С (М300) (последующие слои). 10.1.4 До начала монтажных работ необходимо: - произвести откачку воды (при необходимости) в летнее время, а в зимнее время очистить котлован (приямок) от снега; - очистить наружную поверхность трубопровода на 2 м от торца, а также внутреннюю полость трубы от возможных загрязнений (снег, лед, грунт и др.); - произвести визуальный осмотр. Не допускается любой ремонт стыкуемых труб и катушек без согласования с Заказчиком. 10.1.5 При монтаже захлеста по схеме 1 подготовительно-сборочные и сварочные операции осуществляются в следующей последовательности: - подготовить под сварку один из концов трубопровода, уложить его на опоры высотой не менее 500 мм (по оси трубопровода), либо выкопать приямок необходимой величины; - вывесить трубоукладчиком вторую плеть рядом с первой и сделать разметку места реза. Разметка места реза должна быть выполнена с помощью шаблона, чтобы обеспечить перпендикулярность плоскости реза оси трубопровода; - обрезать конец трубы газовой резкой с последующей подготовкой фасок специализированным станком для обработки кромок и/или зачисткой шлифовальным кругом. Угол скоса кромок должен составить 30-5 градусов, притупление 1,8±0,8 мм; - состыковать трубы путем подъема обрезанной плети трубоукладчиками с помощью мягких полотенец на высоту не более 1,5 м на расстоянии 40-50 м от конца трубы так, чтобы обрезанный конец трубы провисал за счет упругих деформаций, что позволит совместить один конец трубопровода с другим; - осуществить регулировку зазора в стыке изменением высоты подъема трубопровода трубоукладчиками, установить страховочную опору и наружный центратор, выполнить прихватку для фиксации сборочного зазора; - произвести предварительный подогрев стыка и приступить к сварке корневого слоя шва. В процессе сварки корневого слоя прихватки полностью удаляются. После сварки не менее 60% длины корневого слоя шва центратор может быть снят. Затем следует доварить корневой слой и выполнить заполняющие и облицовочный слои шва 10.1.6 При выполнении захлесточного стыка путем установки катушки необходимо изготовить катушку из труб того же диаметра, той же толщины и марки стали, что и соединяемые участки трубопровода, и уложить ее на деревянные или инвентарные опоры (лежки) рядом с траншеей. Длина катушки должна быть не менее одного диаметра трубы. 10.1.7 Подготовка труб к сборке и сварке при врезке катушек (схема 2) осуществляется в приведенной ниже последовательности: - на торцах труб соединяемых плетей произвести замер (с точностью 1 мм) их периметров по внутренней и наружной поверхностям. На основании полученных результатов произвести выбор трубы аналогичного размера и класса прочности для изготовления катушки; - подготовить катушку длиной не менее одного диаметра трубы с разделкой кромок, соответствующей разделке соединяемых труб. На одном из торцов катушки целесообразно иметь заводскую разделку; - при необходимости освободить от грунта не защемленный участок трубопровода на длине (80-100 м), необходимой для манипулирования плетью при сборку стыка захлеста; - подготовить под сварку защемленную плеть трубопровода, выкопав приямок, размеры которого достаточны для безопасного проведения работ по сварке и контролю; - приподнять трубоукладчиками не защемленную плеть, установить опору и пристыковать катушку к трубопроводу; - произвести предварительный подогрев; - выполнить сборку с применением наружного центратора, выполнить прихватку, зафиксировав необходимый зазор; - приступить к сварке корневого слоя шва. В процессе сварки корневого слоя прихватки полностью удаляются. После сварки не менее 60% длины корневого слоя шва центратор может быть снят. Затем следует завершить сварку корневого слоя и выполнить заполняющие и облицовочный слои шва; - вывесить трубоукладчиком не защемленную плеть с приваренной катушкой и разметить на катушке место реза. Разметка линии реза должна быть выполнена с помощью шаблона, чтобы избежать образования "косого стыка"; - установить страховочную опору и осуществить газовую резку с последующей подготовкой фасок специализированным станком для обработки кромок и/или зачисткой шлифовальным кругом. Угол скоса кромок должен составить 30-5 градусов, притупление 1,8±0,8 мм; - поднять трубоукладчиком не защемленную плеть на высоту, необходимую для совмещения с торцом защемленной плети трубопровода. В некоторых случаях вблизи зоны сварки на поднятом конце трубопровода используется второй трубоукладчик; - выполнить предварительный подогрев, сборку и сварку второго стыка в соответствии с выше приведенными регламентациями. 10.1.8 При монтаже и сварке захлесточного стыка по схеме 3, когда оба конца соединяемых плетей защемлены, не свободны, работы следует проводить в следующей последовательности: - произвести проверку соосности соединяемых участков трубопровода; - выкопать приямок, размеры которого достаточны для безопасного проведения работ по сварке и контролю; - на торцах труб соединяемых плетей произвести замер (с точностью 1 мм) их периметров по внутренней и наружной поверхностям. На основании полученных результатов произвести выбор трубы аналогичного размера и класса прочности для изготовления катушки; - изготовить катушку длиной не менее одного диаметра трубы. Катушка должна быть той же толщины, того же диаметра и класса прочности, что и соединяемые (основные) трубы, а также с разделкой кромок (по возможности); - с помощью трубоукладчика прицентровать катушку к соединяемым торцам технологического разрыва. Установить страховочную опору; - выполнить предварительный подогрев, сборку и сварку в соответствии с регламентациями п. 10.1.7. Сварка обоих стыков выполняется одновременно. 10.1.9 В случае необходимости выполнения захлесточных стыков двух участков трубопровода, имеющих различную толщину стенки, допускается применение составной катушки в соответствии со схемой, представленной в типовой Операционно-технологической карте (Приложение Д). При этом разность толщин труб соединяемых участков должна быть не более 2,5 мм, если максимальная из двух толщин труб £ 12 мм, и не более 3,0 мм, если максимальная из двух толщин > 12 мм. 10.1.10 Для сборки стыков захлестов используют наружные центраторы предпочтительно гидравлического типа. 10.1.11 Для повышения качества сборки стык следует собирать с зазором на 0,5-1 мм меньше рекомендуемого с последующим сквозным калиброванным пропилом зазора абразивным кругом толщиной 2,5-3,0 мм. 10.1.12 В процессе монтажа захлесточного стыка запрещается для установки требуемого зазора или обеспечения соосности труб натягивать или изгибать трубы силовыми механизмами, а также нагревать за пределами зоны сварного стыка. 10.1.13 В процессе сварки захлесточного стыка запрещается производить изменения параметров монтажной схемы, зафиксированной к моменту завершения сборки. Опуск приподнятого при монтаже участка (участков) трубопровода разрешается только после окончания сварки стыка(ов). 10.1.14 Сварку захлесточных стыков следует выполнять без перерывов. Не допускается оставлять незаконченными сварные соединения захлестов. 10.1.15 Не допускается сварка разнотолщинных труб при монтаже захлестов за исключением варианта, оговоренного в п. 10.1.9. 10.1.16 Не допускается выполнение захлестов на соединении труба + кривая гнутья. 10.1.17 При выполнении стыков захлестов участка трубопровода после капитального ремонта и действующего участков нефтепровода следует выполнить (при необходимости) мероприятия по исправлению геометрии торцов труб. Для этих целей следует применять: - наружный гидравлический центратор; - наружный центратор, конструкция которого позволяет устранять эллипсность труб; гидравлический калибратор на основе цилиндров двухсторонних (типа ЦД-80) и насоса ручного (типа НР 2/80). 10.1.18 Работы по ликвидации технологических разрывов следует выполнять в светлое время дня при минимальной среднесуточной температуре (но не ниже минус 40 °С). 10.1.19 После окончания сварки захлесточный стык следует накрыть термоизолирующим поясом до полного остывания. 10.2 Сварка разнотолщинных соединений10.2.1 Общие требования10.2.1.1 К разнотолщинным соединениям относятся: - соединения труб, отличающихся по нормативной толщине более чем на 2 мм; - соединения деталей и труб с переходными кольцами; - соединения запорной арматуры с трубами или переходными кольцами; 10.2.1.2 Сборку элементов, отличающихся по толщине на 2 мм и менее, проводят без дополнительной обработки свариваемых торцов. 10.2.1.3 Подготовка, сборка и сварка разнотолщинных элементов производится в соответствии с типовыми схемами, представленными на рис. 10.2.1: - схема А - применяется для соединений "труба + труба" и "труба + деталь" на линейной части магистральных нефтепроводов при разнотолщинности S3/S1 не более 1,5. Для соединений "труба + деталь", выполняемых согласно данной схеме на монтаже трубопроводов НПС, резервуарных парков и других сооружений допускается разнотолщинность S3/S1 не более 2,0; - схема Б - применяется для кольцевых соединений без специальной обработки торца толстостенного элемента при разнотолщинности S3/S1 не более 1,5; - схема В - применяется для кольцевых соединений в случае специальной обработки торца толстостенного элемента с наружной стороны до разнотолщинности элементов в зоне сварки S2/S1 не более 1,5; - схема Г - применяется для кольцевых соединений в случае специальной обработки торца толстостенного элемента как с наружной, так и с внутренней стороны до разнотолщинности элементов в зоне сварки S2/S1 не более 1,5. Допускается соединение труб с толстостенными деталями заводского изготовления, имеющими кольцевую цилиндрическую расточку (на схеме указана пунктиром) внутренней поверхности до соответствующего диаметра присоединяемой трубы;
Рис. 10.2.1 Регламентируемые варианты обработки торцов стыкуемых разнотолщинных элементов: S1 - толщина стенки тонкостенного элемента; S2 - толщина свариваемого торца толстостенного элемента; S3 - толщина стенки толстостенного элемента. 10.2.1.4 При разнотолщинности S2/S1 более 1,5 (для схем А и Б - при S3/S1 более 1,5) соединение элементов выполняется путем вварки между ними катушки промежуточной толщины шириной не менее 250 мм или переходных колец, изготовленных в заводских условиях. Для соединений "труба + деталь", выполняемых согласно схеме "А" на монтаже трубопроводов НПС, резервуарных парков и других сооружений данное требование должно выполняться при разнотолщинности S3/S1 более 2,0. 10.2.1.5 При выборе конструктивного решения по стыковке элементов разной толщины согласно схемам Б, В и Г (рис. 10.2.1) должна производиться проверка прочности по следующей формуле:
где S1, sв1 - толщина стенки тонкостенного элемента (мм) и его нормативное временное сопротивление (МПа) соответственно; S2, sв2 - высота разделки кромки под сварку толстостенного элемента (мм) и его нормативное временное сопротивление (МПа) соответственно. Для соединений, выполняемых по схеме А (рис. 10.2.1), допускается разнотолщинность S3/S1 ≤ 1,5 при разности нормативных значений временного сопротивления разрыву основного металла элементов до 98 МПа (10 кгс/мм2) включительно, а разнотолщинность S3/S1 ≤ 2,0 - только в случае равнопрочности соединяемых элементов по нормативным значениям временного сопротивления разрыву основного металла. 10.2.2 Сварка разнотолщинных соединений труб10.2.2.1 Для сварки разнотолщинных соединений труб могут быть использованы следующие технологические варианты, регламентированные настоящим РД: - ручная дуговая сварка электродами с основным видом покрытия (все слои шва); - комбинированная технология: ручная дуговая сварка электродами с основным видом покрытия (корневой слой шва) + механизированная сварка самозащитной порошковой проволокой Иннершилд (последующие слои шва); - комбинированная технология: механизированная сварка в среде углекислого газа методом STT (корневой слой шва) + механизированная сварка самозащитной порошковой проволокой Иннершилд (последующие слои шва); - комбинированная технология: механизированная сварка в среде углекислого газа методом STT (корневой слой шва) + автоматическая сварка порошковой проволокой в среде защитных газов системой М300-С (М300) (последующие слои); - комбинированная технология: ручная дуговая сварка электродами с основным видом покрытия (корневой слой шва) + автоматическая сварка порошковой проволокой в среде защитных газов системой М300-С (М300) (последующие слои). - двухсторонняя автоматическая сварка проволокой сплошного сечения комплексом оборудования CRC-Evans AW; 10.2.2.2 При выполнении разнотолщинных соединений следует использовать трубы с заводской разделкой кромок. "Нутрение" (растачивание изнутри) более толстой трубы (см. рис. 10.2.1-А) проводится до величины, равной фактической толщине более тонкой трубы S1 (которая перед этим замеряется) или до величины S1 + 1 мм. При наличии двухскосой разделки кромок более толстой трубы допускается увеличение угла скоса кромки снаружи путем механической обработки до величины 25-30 град. 10.2.2.3 Сборку стыков разнотолщинных соединений труб диаметром 426-1220 мм следует производить на внутреннем центраторе. В случае технической невозможности применения внутреннего центратора допускается производить сборку на наружном центраторе. 10.2.2.4 При сборке разнотолщинных соединений согласно рис. 10.2.1 (А) наружное смещение кромок должно соответствовать требованиям п. 5.1.16. Для соединений согласно рис. 10.2.1 (Б, В) смещение внутренних кромок должно составлять 2 мм при толщине тонкостенного элемента до 10 мм включительно и 20% от толщины тонкостенного элемента (но не более 3,0 мм) при его толщине свыше 10 мм. 10.2.2.5 Разнотолщинные соединения труб диаметром 1020 мм и более должны выполняться с внутренней подваркой по всему периметру стыка с последующей зачисткой подварочного слоя от шлака и брызг. Подварку следует производить электродами с покрытием основного вида согласно положениям раздела 5.10 настоящего РД. 10.2.2.6 С целью повышения качества односторонней сварки разнотолщинные соединения труб диаметром 426-820 мм могут быть выполнены с применением переходных колец соответствующего диаметра длиной не менее 250 мм. При этом разнотолщинное соединение "переходное кольцо + труба" подваривается изнутри по всему периметру стыка электродами с основным видом покрытия. 10.2.2.7 Сварка всех слоев шва должна выполняться без перерыва до полного завершения сварки стыка. 10.2.3 Сварка разнотолщинных соединений "труба + деталь трубопровода" и "труба + арматура"10.2.3.1 При выполнении соединений труб с деталями трубопроводов и запорной арматурой должны соблюдаться требования, регламентированные п.п. 10.2.1.3 ÷ 10.2.1.5 настоящего РД и представленные на рис. 10.2.1. При этом сварка соединений "труба + деталь трубопровода" относится, как правило, к варианту "А" на рис. 10.2.1, а соединение "труба + арматура" - к вариантам "Б", "В" и "Г" на рис. 10.2.1. 10.2.3.2 Для сварки могут быть использованы следующие технологические варианты, регламентированные настоящим РД: - ручная дуговая сварка электродами с основным видом покрытия (все слои шва); - комбинированная технология: механизированная сварка в среде углекислого газа методом STT (корневой слой шва) + автоматическая сварка порошковой проволокой в среде защитных газов системой М300-С (М300) (последующие слои); - комбинированная технология: ручная дуговая сварка электродами с основным видом покрытия (корневой слой шва) + автоматическая сварка порошковой проволокой в среде защитных газов системой М300-С (М300) (последующие слои). 10.2.3.3 Сборку и сварку стыков "переходное кольцо + корпус арматуры" рекомендуется производить в стационарных (базовых) условиях, обеспечивающих возможность их позиционирования и фиксации в удобном для сварки пространственном положении. До сборки следует убедиться в совпадении их внутренних диаметров, выполнив замер внутреннего диаметра корпуса запорной арматуры в зоне сварки и выполнив проверочный расчет по формуле: ДАРМАТУРЫ ≤ ДВН. ТР. НОМ. - 4 мм, где: ДАРМАТУРЫ - фактический (измеренный) внутренний диаметр запорной арматуры в зоне сварки, мм ДВН. ТР. НОМ. - номинальный внутренний диаметр трубы, рассчитанный как разность номинального наружного диаметра и двух номинальных толщин стенок, мм Стыкуемый с корпусом арматуры торец переходного кольца должен иметь заводскую фаску или фаску после газовой резки и обработки специализированным станком. Рекомендуемая длина переходного кольца - не менее одного номинального диаметра трубы. Минимально допустимая длина переходного кольца - 250 мм. 10.2.3.4 Перед сборкой следует осмотреть торцы труб, деталей и арматуры. Внутренняя поверхность запорной арматуры должна быть защищена согласно рекомендациям завода-изготовителя. С кромок арматуры или переходного кольца дисковой проволочной щеткой следует удалить защитный слой. Зачистить до металлического блеска кромки труб (деталей, арматуры) и прилегающие к ним внутреннюю и наружную поверхность на ширину не менее 15 мм. 10.2.3.5 Предварительный подогрев стыков "труба + деталь" и "труба + переходное кольцо арматуры" следует выполнять в соответствии с рекомендациями раздела 5.1 настоящего РД. Предварительный подогрев стыков "переходное кольцо + корпус арматуры" должен производиться в соответствии с таблицей 10.3.1. Таблица 10.3.1 - Выбор температуры предварительного подогрева стыков "переходное кольцо + корпус арматуры"
При выполнении подогрева следует контролировать равномерность нагрева разнотолщинных элементов соединения. Замер температуры производится контактным термометром не менее чем в трех точках по периметру стыка на расстоянии 10-15 мм от торца. 10.2.3.6 Сборку соединений диаметром 426-1220 мм при наличии технической возможности следует производить на внутреннем центраторе. Для сборки соединений "труба + переходное кольцо арматуры" или "переходное кольцо + корпус арматуры" внутренний центратор должен быть специально оборудован для защиты внутренней поверхности задвижки от попадания грязи, брызг металла, окалины, шлака и других предметов. Для этой цели рекомендуется также использовать резиновые коврики и прокладки из несгораемых тканевых материалов. При выполнении сборочно-сварочных работ арматура должна находиться в состоянии "Открыто". 10.2.3.7 Допускается применение наружного центратора и монтажных приспособлений, позволяющих обеспечить требуемую точность сборки стыка с различными наружными диаметрами соединяемых элементов. Приварка монтажных приспособлений к трубам, деталям и запорной арматуре не допускается. Удаление наружного центратора производится после сварки не менее 60% периметра корневого слоя. Допускается удаление наружного центратора после выполнения прихваток при условии, что их количество превышает рекомендации п. 5.1.27 на одну прихватку, а длина каждой - не менее максимальной длины, указанной в п. 5.1.27. 10.2.3.8 Межслойная температура при сварке стыков "труба + деталь" и "труба + переходное кольцо арматуры" должна составлять +50 °С …250 °С. Для стыков "переходное кольцо + корпус арматуры" диаметром 1020-1220 мм межслойная температура должна находиться в пределах +50 °С …250 °С, а диаметром 426 - 720 мм - в пределах +50 °С …180 °С. В случае снижения межслойной температуры ниже +50 °С следует осуществить сопутствующий подогрев до +80...100 °С. 10.2.3.9 При наличии технической возможности следует выполнить 100% подварку изнутри соединения переходное кольцо-корпус запорной арматуры с номинальным диаметром 530-1220 мм. 10.2.3.10 Кромки литых свариваемых торцов запорной и распределительной арматуры (арматуры, не имеющей приваренного на заводе патрубка из кованой или горячекатаной стали) допускается подготавливать только в заводских условиях механическим путем согласно вариантам "Б", "В, и "Г" (рис. 10.2.1). Никакой дополнительной обработки литых свариваемых торцов в монтажных условиях производить не разрешается без составления соответствующего акта с представителями завода (фирмы) - поставщика и Заказчика. 10.2.3.11 Если паспорт и/или сертификат на деталь трубопровода отсутствуют, то подобные изделия принимать не разрешается без освидетельствования в установленном порядке. Порядок освидетельствования должен соответствовать "Указаниям по освидетельствованию соединительных деталей" (ВНИИСТ, 1996 г.). 10.2.3.12 Кромки приваренных к литой детали патрубков, изготовленных ковкой или прокаткой, в случае необходимости, можно обработать без специальных согласований в монтажных условиях согласно вариантам "Б", "В" и "Г" (рис. 10.2.1). Качество подготовки кромок должно быть подтверждено независимым техническим надзором путем составления акта ВИК. 11 РЕМОНТ КОЛЬЦЕВЫХ СОЕДИНЕНИЙ С ПОМОЩЬЮ СВАРКИ11.1 Ремонт сварных соединений, выполненных способами сварки, регламентированными настоящим РД и имеющих недопустимые дефекты, осуществляется ручной дуговой сваркой электродами с основным видом покрытия. 11.2 Допускается ремонт следующих дефектов: - шлаковых включений; - пор; - непроваров; - несплавлений; - подрезов. Ремонт трещин не допускается. 11.3 Суммарная длина участков шва с недопустимыми дефектами не должна превышать 1/6 периметра стыка. Максимальная длина единовременно ремонтируемого участка: - 300 мм - для стыков диаметром 720-1220 мм; - 270 мм - для стыков диаметром 530 мм; - 200 мм - для стыков диаметром 426 мм. Длина участка вышлифовки должна составлять не менее 100 мм. 11.4 Ремонт стыков труб диаметром до 1020 мм осуществляют только снаружи, а труб диаметром 1020 мм и более - снаружи или изнутри, в зависимости от глубины залегания дефекта и возможности доступа к стыку изнутри трубы. 11.5 Ремонт изнутри трубы выполняется в том случае, если дефекты расположены в корневом слое шва, подварочном слое и в горячем проходе (ремонт дефектов в горячем проходе может осуществляться также снаружи трубы). 11.6 Ремонт дефектов корневого слоя шва кольцевых стыков диаметром менее 1020 мм выполняется снаружи (со сквозным пропилом) при условии, что дефекты расположены по центру (по оси) соответствующего слоя. В данном случае должна быть обеспечена U-образная выборка части шва с углом раскрытия кромок 50-60 градусов до глубины, равной суммарной толщине стенки трубы и высоты обратного валика, за вычетом 1,5-2,5 мм с последующим сквозным пропилом шлифовальным кругом толщиной 2,5-3,0 мм. Границы выборки (разделки кромок) на ремонтируемом участке должны быть прямолинейными и параллельными. Аналогичная схема ремонта в исключительных случаях, связанных с невозможностью доступа к ремонтируемому участку изнутри трубы, может быть использована для стыков диаметром 1020 мм и более. 11.7 При ремонте заполняющих слоев шва производится частичная U-образная выборка по глубине шва с углом раскрытия кромок 50-60 градусов. 11.8 При ремонте подрезов или недостаточного перекрытия в облицовочном слое шва и подрезов в подварочном или внутреннем (при двухсторонней сварке) слоях шва выполняется вышлифовка части сечения соответствующего ремонтируемого слоя заподлицо с трубой. Ширина вышлифовки устанавливается таким образом, чтобы ширина ремонтируемого шва не вышла за пределы допустимой величины (габариты шва). Ремонт дефектов данного вида выполняется наложением одного-двух валиков. Допускается увеличение ширины шва на участке ремонта не более чем на 2 мм. 11.9 При выборке дефектов снаружи трубы ширина раскрытия кромок должна быть на 2…4 мм меньше ширины облицовочного слоя, а при выборке дефектов изнутри трубы ширина раскрытия кромок должна составлять не более 7 мм. 11.10 Во всех случаях выборка дефектных участков должна осуществляться механическим способом с помощью абразивных кругов. Для удаления дефектных участков длиной более 200 мм допускается производить выборку с применением воздушно-дуговой строжки, с последующим удалением не менее 1 мм поверхности выборки и зачисткой до металлического блеска абразивным инструментом. Запрещается выплавлять дефекты сваркой. 11.11 Подготовку к ремонту осуществляют следующим образом: - по результатам неразрушающего контроля отмечают на стыке место расположения и тип дефекта. Номер ремонтируемого стыка и место ремонта должны быть указаны дефектоскопистом с использованием несмываемого маркера; - руководитель ремонтных работ и дефектоскопист производят разметку дефектного участка под вышлифовку. Длина участка вышлифовки должна превышать фактическую длину наружного или внутреннего дефекта не менее, чем на 30 мм в каждую сторону. Глубина вышлифованного участка должна быть равна глубине залегания дефекта плюс 1-2 мм; - руководитель ремонтных работ должен убедиться в том, что в процессе вышлифовки дефекты вскрыты и удалены. 11.12 Перед началом сварки ремонтируемого участка следует выполнить обязательный предварительный подогрев до температуры 100+30 °С независимо от температуры окружающего воздуха и толщины стенки трубы. Для наружных или внутренних дефектных участков длиной менее 100 мм допускается местный подогрев однопламенной горелкой снаружи трубы. В других случаях необходим равномерный предварительный подогрев всего периметра стыка кольцевой газовой горелкой. Перед началом сварки первого ремонтного слоя температура металла должна быть не менее 100 °С. 11.13 Ручная дуговая сварка в процессе ремонта кольцевых стыков труб с толщиной стенки до 10 мм включительно должна осуществляться электродами с основным видом покрытия диаметром 2,5 мм и 3,0/3,2 мм, а с толщиной стенки свыше 10 мм - диаметром от 2,5 до 4,0 мм. Марки электродов должны соответствовать таблице 8.1, а режимы сварки - таблице 5.10.1 настоящего РД. 11.14 В процессе сварки следует контролировать межслойную температуру, которая должна быть не менее +50 °С. В случае остывания зоны сварки следует выполнить сопутствующий подогрев до 100+30 °С. 11.15 Высота каждого слоя при заварке дефектного участка не должна превышать 3,5 мм. Рекомендуемая высота каждого слоя - от 2,5 до 3,5 мм. Количество слоев при ремонте корневого или заполняющих слоев шва - не менее двух. 11.16 В процессе ремонта следует производить обязательную межслойную и окончательную очистку слоев шва от шлака и брызг. Облицовочный (или внутренний подварочный) слой шва должны быть подвергнуты чистовой обработке щеткой, шлифовальным кругом и/или напильником для сглаживания грубой чешуйчатости и улучшения формы шва. Следует также удалить щеткой брызги с прилегающей поверхности трубы. 11.17 Ремонт сварных стыков трубных секций на трубосварочных базах следует производить в удобном для выборки дефекта и сварки пространственном положении. 11.18 Ремонтные работы на стыке должны осуществляться от начала до конца без длительных перерывов. 11.19 Все отремонтированные участки стыка должны быть подвергнуты визуально-измерительному и неразрушающему контролю, регламентированному для данного вида работ. 11.20 Повторный ремонт на одном и том же участке шва не разрешается. Стык следует вырезать и вварить катушку. Минимальная длина катушки - не менее диаметра трубы. 11.21 К ремонтным работам допускаются сварщики ручной дуговой сварки, успешно прошедшие допускные испытания по выполнению ремонтных работ в соответствии с аттестованной технологией. Работу на стыке от начала до конца выполняет один сварщик. 11.22 Разработку технологических карт рекомендуется производить на основе типовых Операционно-технологических карт, приведенных в Приложении Д к настоящему РД. 12 ДОПОЛНИТЕЛЬНЫЕ ТРЕБОВАНИЯ К ПРОИЗВОДСТВЕННОЙ АТТЕСТАЦИИ ТЕХНОЛОГИИ СВАРКИ ПРИ СТРОИТЕЛЬСТВЕ, РЕКОНСТРУКЦИИ И КАПИТАЛЬНОМ РЕМОНТЕ МАГИСТРАЛЬНЫХ НЕФТЕПРОВОДОВ ОАО "АК "ТРАНСНЕФТЬ"12.1 Общие положения12.1.1 Технологии сварки, применяемые при строительстве, реконструкции и капитальном ремонте объектов магистральных нефтепроводов ОАО "АК "Транснефть", подлежат аттестации согласно требованиям, изложенным в настоящем документе, разработанном с учетом РД 03-615-03 и Рекомендаций НАКС по применению РД 03-615-03. Аттестации подлежат в том числе и технологии сварки, применяемые для исправления дефектов (ремонта) сварных соединений. 12.1.2 При организации работ по аттестации технологии сварки и при производстве сварочных работ следует руководствоваться перечнем объектов магистральных нефтепроводов, представленной в таблице 12.1. Таблица 12.1 - Перечень объектов магистральных нефтепроводов, требующих аттестации технологии сварки
12.1.3 Аттестация технологии сварки подразделяется на исследовательскую и производственную. Производственная аттестация в свою очередь подразделяется на первичную, периодическую и внеочередную. Исследовательская аттестация проводится при подготовке к применению новых технологий (технологических вариантов) сварки, не регламентированных настоящим РД. Аттестацию осуществляет ООО "Институт ВНИИСТ", как отраслевой научно-исследовательский институт и разработчик настоящего документа, по заявке организации-разработчика технологии или организации, планирующей ее использование. Производственная аттестация технологии сварки проводится только в том случае, если ООО "Институт ВНИИСТ" провел исследовательскую аттестацию этой технологии. 12.1.4 Производственная аттестация технологии сварки выполняется аттестационными центрами (АЦСТ) системы аттестации сварочных технологий (САСв) на основании заявок организаций-подрядчиков (подразделений ОАО МН), выполняющих сварочные работы при строительстве, реконструкции или капитальном ремонте магистральных нефтепроводов ОАО "АК "Транснефть". Производственная аттестация подтверждает наличие у организации-подрядчика технических, организационных возможностей и квалифицированных кадров для выполнения сварки по выбранной технологии, устанавливает соответствие механических свойств и качества сварных соединений нормативным требованиям. 12.1.5 ОАО "АК "Транснефть" формирует по согласованию с НАКС перечень аттестационных центров САСв, которым поручается проведение аттестации сварочных технологий, и осуществляет контроль их деятельности в рамках настоящего документа. 12.1.6 Первичная производственная аттестация технологии сварки выполняется в следующих случаях: - организация-подрядчик впервые использует технологию при строительстве (капитальном ремонте) магистральных нефтепроводов ОАО "АК "Транснефть"; - возникла производственная необходимость внесения изменений в используемую технологию сварки, выводящих ее за пределы установленной области распространения аттестации. 12.1.7 Периодическая производственная аттестация должна проводиться через каждые 3 года при условии, что организация-подрядчик постоянно применяет технологию при строительстве и капитальном ремонте нефтепроводов. Если перерыв в ее применении при сварке нефтепроводов превышает 6 месяцев, то перед возобновлением производства работ организация-подрядчик должна подтвердить возможность выполнения аттестованной технологии сварки согласно раздела 14 настоящего РД. 12.1.8 Внеочередную аттестацию технологии сварки проводят по требованию главного сварщика АО МН в случаях, когда организация-подрядчик выполняет сварочные работы при строительстве (капитальном ремонте) магистральных нефтепроводов с систематическим неудовлетворительным качеством сварных соединений и/или нарушением требований операционных технологических карт по сварке 12.1.9 Технологии сварки, прошедшие аттестацию до ввода в действие настоящего документа, могут использоваться подрядчиком до завершения срока действия Свидетельства НАКС о производственной аттестации технологии сварки, проведенной в соответствии с требованиями РД 03-615-03 при условии, что контрольные сварные соединения были выполнены с учетом требований РД 153-006-02. 12.2 Порядок подготовки и проведения производственной аттестации технологии сварки12.2.1 Основные этапы работ, связанные с организацией и проведением производственной аттестации технологии сварки, представлены в таблице 12.2. Таблица 12.2 - Этапы проведения производственной аттестации технологии сварки
12.2.2 Заявителем производственной аттестации является организация-подрядчик, уполномоченная выполнять сварочно-монтажные работы при строительстве (капитальном ремонте) магистральных нефтепроводов. Заявка, оформленная согласно рекомендациям по применению РД 03-615-03, с приложением требуемой производственно-технологической документации направляется для рассмотрения в аттестационный центр. Для проведения внеочередной аттестации помимо заявки в аттестационный центр должно быть направлено письмо главного инженера (главного сварщика) ОАО МН с указанием установленных фактов нарушений или отклонений в применении организацией-подрядчиком ранее аттестованной технологии. К письму может быть приложена копия предписания независимого технического надзора. 12.2.3 До проведения производственной аттестации технологии сварки должны быть разработаны операционные технологические карты сборки и сварки конструктивных элементов нефтепровода. Операционные технологические карты разрабатываются подрядчиком или уполномоченной специализированной организацией согласно требованиям ППР, настоящего Руководящего документа и на основе типовых операционных технологических карт сборки и сварки, которые прилагаются к настоящему РД. Операционные технологические карты по каждой аттестуемой технологии сварки должны быть согласованы с главным сварщиком ОАО МН и представлены заявителем в аттестационный центр для разработки программы аттестации и определения параметров контрольных сварных соединений (КСС). 12.2.4 Аттестационный центр создает комиссию. В аттестационную комиссию для проведения первичной и внеочередной аттестации технологии входят: - специалисты аттестационного центра (не менее трех человек), аттестованные НАКСом на право участия в работе комиссий по аттестации технологии сварки; - представитель регионального управления Ростехнадзора (по согласованию). Дополнительно в состав комиссии могут быть включены: - представитель Заказчика - главный сварщик АО МН (или замещающий его специалист сварочного производства III - IV уровня); - представитель организации-подрядчика (главный сварщик или руководитель сварочных работ); - представитель службы независимого технического надзора (НТН). В аттестационную комиссию для проведения периодической аттестации технологии входят: - специалисты аттестационного центра (не менее трех человек), аттестованные НАКСом на право участия в работе комиссий по аттестации технологии сварки; - представитель регионального управления Ростехнадзора (по согласованию). Дополнительно в состав комиссии могут быть включены: - представитель организации-подрядчика (главный сварщик или руководитель сварочных работ); - представитель службы независимого технического надзора. 12.2.5 Состав комиссии, программа и сроки проведения производственной аттестации должны быть утверждены приказом АЦСТ. Одновременно приказом организации-заявителя формируется состав специалистов из инженерно-технических работников и рабочих основных специальностей, назначается ответственный за организацию работ, утверждаются сроки работ. В приказе (или в приложении к приказу) организации-заявителя должен быть указан ответственный за регистрацию фактических параметров режима сварки контрольных соединений, а также определен единый порядок маркировки КСС для проведения неразрушающего и разрушающего контроля. 12.2.6 На основании поступившей заявки аттестационная комиссия с привлечением уполномоченных специалистов организации-подрядчика разрабатывает программу производственной аттестации. Форма программы должна соответствовать рекомендациям по применению РД 03-615-03. Программа должна быть согласована с руководителем организации-подрядчика и утверждена руководителем аттестационного центра. В случае проведения внеочередной аттестации программа должна быть дополнительно согласована с ООО "Институт ВНИИСТ". 12.2.7 Производственную аттестацию технологии сварки следует начинать с проверки наличия у организации-подрядчика технических и организационных возможностей, а также квалифицированных кадров для выполнения сварочных работ по заявляемой технологии. Проверке подлежит правильность оформления производственно-технологической документации по сварке, ее соответствие ППР и требованиям настоящего РД, аттестационные документы специалистов сварочного производства и сварщиков, аттестационные документы специалистов по неразрушающему контролю качества, наличие сертификатов на основные и сварочные материалы, условия их хранения и подготовки к сварке, аттестационные документы на сварочное оборудование, соответствие марок и типов сварочного и вспомогательного оборудования указанным в операционных технологических картах маркам и типам, исправность сварочного оборудования и т.п. 12.2.8 Если в результате проверки установлено, что по каким-либо признакам организация-подрядчик не удовлетворяет требованиям, необходимым для производственной аттестации технологии сварки и не имеет возможности исправить выявленные недостатки за короткий период времени, АЦ оформляет соответствующее отрицательное заключение с указанием причин. В дальнейшем организация-заявитель может претендовать на аттестацию технологии сварки только после устранения выявленных несоответствий и получения разрешения в ОАО "АК "Транснефть". 12.2.9 Сварку контрольных сварных соединений следует выполнять в условиях, тождественных производственным, при обязательном присутствии представителя аттестационного центра, организации-подрядчика и представителя службы независимого технического надзора. Другие члены аттестационной комиссии могут присутствовать при сварке КСС по согласованию. 12.2.10 В процессе аттестации осуществляется регистрация всех параметров процесса в соответствии с п. 12.2.5. 12.2.11 В процессе сварки КСС членами аттестационной комиссии должно быть установлено соответствие содержания и последовательности выполняемых работ требованиям операционной технологической карты и РД 153-006-02. По результатам сварки каждого контрольного сварного соединения оформляется карта технологического процесса сварки КСС и акт производственной аттестации технологии сварки (кроме аттестации технологии сварки для ремонта сварных швов - см. п. 12.4.7). Допускается оформление одного акта производственной аттестации для всех контрольных соединений, выполняемых по одной технологии сварки, при условии, что каждое КСС будет представлено в виде отдельного раздела акта. 12.2.12 Карта технологического процесса сварки КСС должна содержать следующую информацию: - технология сварки или комбинация технологий, предъявляемых к аттестации; - наименование конструктивного элемента нефтепровода; - идентификатор (шифр) однотипности сварных соединений1); - номер операционной технологической карты организации-подрядчика по сварке соответствующего производственного соединения; - вид соединения; - тип шва; - марка и группы основного материала, ОТТ, ГОСТ или ТУ; - размеры и конструкция КСС (толщина, диаметр, форма и размеры разделки кромок, зазор); - требования к подготовке кромок свариваемых труб (способ обработки, требования к зачистке); - положение КСС в процессе сварки; - требования к сборке стыков (тип применяемых центраторов и сборочных приспособлений, параметры сборки, количество, расположение и размеры прихваток); - применяемые сварочные материалы (марки, типы и диаметры, состав смеси защитных газов и т.д.), а также стандарт или ТУ на их поставку; - применяемое сварочное оборудование (тип, марка) - перечень и последовательность технологических операций, выполняемых в процессе сварки КСС; - зарегистрированные параметры режима сварки КСС (по перечню, представленному в соответствующей технологической карте) последовательность наложения слоев шва и их количество, временной интервал между их выполнением, межслойная температура и др.; - наличие предварительного, сопутствующего подогрева и послесварочной термообработки, а также их параметры, средства и условия контроля температуры; - геометрические параметры контрольного сварного соединения; - методы и объемы неразрушающего и разрушающего контроля КСС; - дополнительные параметры и характеристики, являющиеся существенными для выполнения КСС по аттестуемой технологии; - дата и место сварки КСС; - погодные условия при сварке КСС; - Ф.И.О. сварщиков (операторов), номера и срок действия аттестационных удостоверений. Примечание - 1) состав идентификатора однотипности сварных соединений:
1 - обозначение способа сварки; 2 - номер группы материалов; 3 - индекс однотипности по диаметру (1; 2; 3; 4; 0); 4 - индекс однотипности по толщине стенки (2; 3); 5 - индекс типа сварного соединения (С; У; Т; Н); 6 - индекс необходимости подогрева (О; П); 7 - индекс необходимости термообработки (О; Т); 8 - обозначение разделки кромок согласно таблице 12.9 (с учетом примечаний к таблице 12.9). В заключительной части карты технологического процесса сварки КСС члены комиссии должны подтвердить соответствие или несоответствие содержания и последовательности работ требованиям операционной технологической карты и настоящего РД. Типовая форма карты технологического процесса сварки КСС представлена в Приложении Б к настоящему РД. Карта технологического процесса сварки КСС должна быть подписана членом аттестационной комиссии и представителем организации-подрядчика, присутствовавшими при сварке. К карте технологического процесса сварки КСС должны быть приложены операционная технологическая карта сборки и сварки соответствующего производственного соединения, копии сертификатов на основные и сварочные материалы. 12.2.13 Типовая форма акта производственной аттестации представлена в Приложении В к настоящему РД. Акт производственной аттестации технологии должен быть подписан всеми членами аттестационной комиссии при условии положительных результатов неразрушающего и разрушающего контроля КСС. Акт производственной аттестации технологии сварки является основанием для окончательной корректировки (редактирования) технологической документации организацией-подрядчиком, ее утверждения и согласования с АО МН. 12.2.14 Для выполнения контрольных сварных соединений следует применять аттестованное и готовое к работе сварочное и вспомогательное оборудование и приспособления, обеспечивающие соблюдение требований операционной технологической карты, а также контроль режимов сварки в пределах устанавливаемых диапазонов. Контрольно-измерительные приборы сварочного оборудования и установок должны быть поверенными в установленные сроки. Сварочные материалы - аттестованы и подготовлены к сварке (наплавке) в соответствии с требованиями действующих НД и ПТД. 12.2.15 Специалисты организации-заявителя, участвующие в аттестации технологии, а также сварщики (операторы), выполняющие контрольные сварные соединения, должны быть аттестованы в соответствии с требованиями ПБ 03-273-99, РД 03-495-02 и Дополнительными Требованиями к аттестации сварщиков и специалистов сварочного производства, допускаемых к работам на объектах системы магистральных нефтепроводов ОАО "АК "Транснефть". Количество сварщиков (операторов), выполняющих сварку КСС, должно соответствовать требованиям операционной технологической карты. 12.2.16 После выполнения контроля всех КСС в объеме, предусмотренном программой производственной аттестации, организация-заявитель на основании соответствующих заключений (протоколов, актов) лаборатории контроля качества оформляет сводные таблицы результатов контроля. Сводные таблицы с приложением заверенных копий заключений (протоколов, актов) должны быть переданы в аттестационный центр для оформления заключения о готовности организации-заявителя к использованию аттестованной технологии сварки. 12.2.17 При положительных результатах первичной аттестации в операционные технологические карты вносятся все изменения параметров сварки, зафиксированные в процессе аттестации, а также производится корректировка разделов по сборке и сварке. 12.2.18 Если по каким-либо видам механических испытаний в процессе первичной аттестации получены неудовлетворительные результаты, то по решению комиссии могут быть проведены испытания дополнительных образцов или повторная сварка и испытания дополнительных стыков (соединений). Если неудовлетворительные показатели получены по результатам неразрушающего контроля из-за недопустимых дефектов сварки, то по согласованию с АЦСТ может быть проведена сварка и испытание одного дополнительного стыка (соединения). Если при повторных испытаниях вновь будут получены отрицательные результаты, решение о новых аттестационных испытаниях данной технологии сварки может быть принято АЦСТ совместно с МН после выявления и устранения организацией-подрядчиком причин неудовлетворительных результатов испытаний. 12.3 Определение основных параметров однотипности сварных соединений при проведении производственной аттестации технологий сварки12.3.1 Для проведения производственной аттестации технологии сварки должны быть сформированы группы однотипных производственных соединений. Однотипность производственных сварных соединений - это совокупность условий их выполнения, которая определяется набором признаков (основных параметров) однотипности и диапазоном значений этих признаков (основных параметров). Таблица 12.3 - Перечень способов сварки объектов магистральных нефтепроводов
В одну группу однотипных сварных соединений магистральных нефтепроводов могут быть объединены производственные сварные соединения, выполняемые одним из указанных в таблице 12.3 способов сварки. В отдельную группу однотипных сварных соединений должны быть выделены соединения, выполняемые по комбинированной технологии, т.е. с последовательным применением двух или нескольких способов сварки. 12.3.3 В состав основных параметров, определяющих однотипность производственных сварных соединений магистральных нефтепроводов, выполненных дуговыми способами сварки (табл. 12.3), входят: - конструктивный элемент (соединение) нефтепровода; - основные материалы (класс прочности); - сварочные материалы (марка); - вид соединения; - тип соединения; - тип шва; - толщина свариваемых элементов; - диаметр свариваемых элементов; - вид и угол разделки кромок; - положение при сварке; - тип центратора (центрирующего приспособления); - вид покрытия электродов (для РД); - состав защитного газа; - необходимость предварительного и сопутствующего подогрева; - необходимость термообработки; - количество и вид плавящихся электродов (для АФ; ААДП); - применение импульсно-дугового процесса (для МП; ААДП). Изменение любого из вышеперечисленных параметров делает необходимым проведение новой производственной аттестации. 12.3.5 Все трубы и детали трубопроводов, свариваемые в процессе аттестации и выполнения сварочных работ подразделяются на группы в зависимости от нормативного значения временного сопротивления разрыву основного металла. Группы и сочетания групп трубных сталей, применяемых при строительстве и капитальном ремонте магистральных нефтепроводов, приведены в таблице 12.5. В одну группу однотипных сварных соединений могут быть объединены производственные сварные соединения из сталей одной группы или одного сочетания групп. Таблица 12.4 - Группы конструктивных элементов (соединений) магистральных нефтепроводов
12.3.6 Применение сварочных материалов соответствующих типов и марок (сочетаний марок) для сварки каждой группы однотипных производственных сварных соединений устанавливается в соответствии с требованиями раздела 8 настоящего РД. 12.3.7 В одну группу однотипных сварных соединений, выполняемых дуговыми способами, могут быть включены производственные сварные соединения, имеющие следующие общие основные параметры (при соблюдении требований п.п. 12.3.2; 12.3.4 - 12.3.6 настоящего документа: 12.3.7.1 Номинальная толщина соединяемых труб и деталей. В одну группу допускается объединять стыковые соединения при номинальной толщине свариваемых деталей в пределах одного из диапазонов, указанных в таблице 12.6. Таблица 12.6 - Диапазоны номинальных толщин свариваемых деталей
Для угловых и нахлесточных сварных соединений прямых врезок должны быть сформированы комбинации групп по толщинам стенок основной трубы и трубы-ответвления (патрубка) в соответствии с таблицами 12.6 и 12.8. Номер такой комбинации групп должен состоять из двух цифр (индексов однотипности), указанных в таблице 12.6, например (2.3), где 2 - номер группы по толщине стенки патрубка (накладки), 3 - номер группы по толщине стенки основной трубы. 12.3.7.2 Номинальный диаметр свариваемых труб и деталей. В одну группу допускается объединять сварные соединения с номинальным диаметром труб в пределах одного из диапазонов, указанных в таблице 12.7. В соединениях труба-деталь (запорная арматура) группа определяется по номинальному диаметру трубы. Таблица 12.7 - Диапазоны номинальных диаметров свариваемых труб и деталей
Диаметр свариваемых элементов следует измерять: - для стыковых соединений одинаковой толщины - по наружной поверхности свариваемых элементов. - для разнотолщинных стыковых соединений - по наружной поверхности тонкостенного элемента; - для угловых соединений прямых врезок - по наружной поверхности привариваемого патрубка. Для нахлесточных соединений прямых врезок с усиливаюшей накладкой допускается не включать в перечень параметров однотипности наружный диаметр накладки в зоне расположения шва. При соотношении диаметров патрубка и основной трубы Дпатрубк/Досн. трубы < 0,3 в соединениях прямых врезок группы однотипных производственных соединений устанавливаются согласно таблице 12.8, в которой приведены комбинации номинальных диаметров труб и привариваемых патрубков. При наличии требований проектной документации относительно конструкций прямых врезок с сочетаниями диаметров и толщин стенок, не указанными в таблице 8, они должны быть выделены в отдельную группу. Таблица 12.8 - Диапазоны номинальных диаметров и толщин стенок труб и патрубков в соединениях прямых врезок
12.3.7.3 Тип сварного шва: - стыковой шов - СШ; - угловой шов - УШ. Сварные соединения с разными типами шва не могут входить в одну группу однотипности. 12.3.7.4 Тип сварных соединений: - стыковые - С; - угловые - У; - тавровые - Т; - нахлесточные - Н. В одну группу могут быть объединены угловые, тавровые и нахлесточные соединения. 12.3.7.5 Вид и номинальный угол разделки кромок свариваемых деталей. В одну группу допускается объединять сварные соединения с одной из следующих характеристик подготовки кромок, представленных в таблице 12.9. Таблица 12.9 - Типовые формы разделки кромок сварных соединений нефтепроводов
12.3.7.6 Вид сварных соединений: - сварные соединения, выполняемые с одной стороны (односторонняя сварка) - ос: - соединения, выполняемые без подкладки (на весу) - бп; - соединения, выполняемые на съемной или остающейся подкладке - сп; - сварные соединения, выполняемые с двух сторон (двухсторонняя сварка) - дс. Односторонние сварные соединения, выполняемые на подкладке (сп) и без подкладки (бп), объединяются в разные группы. 12.3.7.7 Тип центратора (центрирующего приспособления): В отдельные группы объединяются стыковые соединения, собранные с использованием внутреннего центратора и наружного центратора (центрирующего приспособления). 12.3.7.8 Положения сварки: - Для стыковых соединений труб: - Н1 - нижнее при горизонтальном расположении осей труб, свариваемых с поворотом; - В1 - переменное при горизонтальном расположении осей труб, свариваемых без поворота способом "на подъем" (допускное отклонение от горизонтали ±25 градусов); - В2 - переменное при горизонтальном расположении осей труб, свариваемых без поворота способом "на спуск" (допускное отклонение от горизонтали ±25 градусов); - Г - горизонтальное при вертикальном расположении осей труб, свариваемых без поворота или с поворотом; - Н45 - переменное при наклонном (под углом свыше 25 и до 45 градусов) расположении осей труб, свариваемых без поворота. - Для угловых соединений труб: - Н1 - нижнее при горизонтальном расположении оси привариваемой трубы, сварка с поворотом; - Н2 - нижнее при вертикальном расположении оси привариваемой трубы, сварка с поворотом или без поворота; - В1 - переменное при горизонтальном расположении оси привариваемой трубы, сварка без поворота "на подъем" (снизу вверх); - В2 - переменное при горизонтальном расположении оси привариваемой трубы, сварка без поворота "на спуск" (сверху вниз); - П2 - потолочное при вертикальном расположении оси привариваемой трубы, сварка с поворотом или без поворота; - Н45 - переменное при наклонном (под углом 45 градусов) расположении оси привариваемой трубы, сварка без поворота. Положение сварки контрольных сварных соединений должно соответствовать требованиям операционной технологической карты на аттестуемую технологию сварки. Если технология сварки предусматривает выполнение производственных сварных соединений в различных пространственных положениях, то сварку контрольных соединений следует производить в наиболее трудном из них. 12.3.7.9 Вид покрытия электродов при ручной дуговой сварке. Для ручной дуговой сварки соединений магистральных нефтепроводов могут быть использованы электроды с основным покрытием (Б) и целлюлозным покрытием (Ц), аттестованные в установленном порядке и регламентированные в разделе 8 настоящего РД. Электроды с основным и целлюлозным покрытием объединяются в отдельные группы (кроме комбинированной технологии ручной дуговой сварки). 12.3.4.10 Металлургический тип флюса для автоматической сварки под флюсом. В одну группу допускается объединять сварные соединения, выполняемые с применением одного из следующих типов флюсов: - плавленые; - керамические (агломерированные). 12.3.7.11 Состав защитного газа. В одну группу допускается объединять сварные соединения, выполняемые с применением защитного газа одного из следующих составов: - 100% углекислый газ. - 50% аргон + 50% углекислый газ; - 75% аргон + 25% углекислый газ; - 80% аргон + 20% углекислый газ; - 85% аргон + 15% углекислый газ; - 100% аргон. 12.3.7.12 Необходимость подогрева. В одну группу допускается объединять сварные соединения, требующие одно из нижеприведенных условий сварки: - без подогрева; - с предварительным подогревом. 12.3.7.13 Необходимость термической обработки после сварки. В одну группу допускается объединять сварные соединения одной из следующих разновидностей: - без термической обработки после сварки; - требующие термической обработки после сварки (отпуск 570-650 °С или 720-740 °С). - Вид 1 - ремонт дефектов корневого, подварочного или внутреннего (для двухсторонней сварки - кроме подрезов) слоев шва с частичной выборкой шва изнутри трубы (для труб диаметром 1020 мм и более); - Вид 2 - ремонт внутренних дефектов заполняющих слоев шва, внутренних и наружных дефектов (кроме подрезов) облицовочного слоя с частичной выборкой шва снаружи трубы; - Вид 3 - ремонт дефектов корневого слоя шва снаружи трубы с полной выборкой шва (сквозным пропилом); - Вид 4 - ремонт подрезов в облицовочном слое шва; - Вид 5 - ремонт подрезов во внутреннем слое шва изнутри трубы (только для технологии двухсторонней сварки труб диаметром 1020 мм и более); - Вид 6 - ремонт внутренних и наружных (кроме подрезов) дефектов угловых и нахлесточных соединений с частичной выборкой шва; - Вид 7 - ремонт подрезов в облицовочном слое шва угловых и нахлесточных соединений. 12.4 Контрольные сварные соединения (КСС)12.4.1 Для каждой группы однотипных производственных сварных соединений в процессе аттестации технологии необходимо выполнить одно или несколько контрольных сварных соединений в условиях, тождественных трассовым, с соблюдением всех положений операционных технологических карт и настоящему РД. Виды контрольных сварных соединений (КСС), выполняемых в процессе аттестации технологий сварки, представлены в таблице 12.10. Таблица 12.10 - Виды контрольных сварных соединений (КСС)
12.4.2 Число КСС для каждой группы соединений должно быть достаточным для выявления всех особенностей технологии и регистрации параметров процесса, проведения пооперационного, визуального и неразрушающего контроля физическими методами, а также разрушающего контроля - механических испытаний сварных соединений. Количество и размеры КСС должны отражаться в программе аттестационных испытаний. 12.4.3 Сварку следует производить с использованием труб, материалов и оборудования, которые указаны в технологической карте и могут быть в дальнейшем использованы для сооружения, реконструкции и капитального ремонта нефтепроводов ОАО "АК "Транснефть". Стыковые соединения "труба-труба" следует выполнять с использованием полноразмерных труб или "катушек" из труб, предназначенных для сооружения нефтепровода. Длина катушек должна составлять не менее одного номинального диаметра трубы. В случае применения для сборки стыков внутреннего центратора длина одной из катушек должна быть достаточной для его размещения в рабочем положении. 12.4.4 Выбор КСС для аттестации технологии сварки стыков "запорная арматура + труба" и "деталь трубопровода + труба", когда вырезка и механические испытания образцов по экономическим или техническим причинам невозможны, производится с учетом следующих положений: 12.4.4.1 Для аттестации технологии сварки допускается применение катушек-имитаторов деталей и запорной арматуры. Диаметр и толщина стенки, химический состав трубной стали, класс прочности и термообработка катушек-имитаторов должны соответствовать требованиям технических условий на поставку соответствующих деталей или запорной арматуры. Длина катушек-имитаторов деталей (запорной арматуры), должна составлять не менее 1/2 номинального диаметра, но не менее 250 мм. Катушки-имитаторы должны иметь разделку кромок, аналогичную заводской фаске. 12.4.4.2 При наличии у главных сварщиков ОАО МН копии свидетельства об аттестации технологии сварки с использованием катушек-имитаторов и копии операционной технологической карты допускается проводить аттестацию аналогичной технологии сварки на первом товарном стыке "труба + деталь" (запорная арматура) аналогичного типоразмера. Аттестационный центр должен письменно согласовать с ОАО МН проведение такой аттестации. Сварное соединение в этом случае подвергается контролю неразрушающими методами, регламентированными действующими НТД. Аттестационная комиссия должна рассмотреть технологические карты организации-заявителя, сертификаты (паспорта) на свариваемые изделия, результаты аттестации аналогичных технологий на трубах (соответствующих типоразмеров и классов прочности), результаты выполнения допускных стыков сварщиками, которые рекомендованы организацией-подрядчиком для сварки КСС. Назначение электросварщиков, выполняющих сварку КСС, производит аттестационная комиссия. 12.4.4.3 При совпадении значений параметров однотипности КСС катушек-имитаторов и соединений труб с деталями (запорной арматурой), поставляемых разными заводами-изготовителями, решение о распространении результатов имеющейся у подрядчика аттестации на сварку новых деталей (запорной арматуры) принимает главный сварщик ОАО МН на основании представленной подрядчиком технической документации (паспорта и сертификаты на детали, запорную арматуру и трубы, операционные технологические карты по сварке). 12.4.4.4 Для аттестации технологии сварки специальных соединений труб с деталями (запорной арматурой) допускается применять катушки труб, имеющих аналогичные с деталями (арматурой) класс прочности, диаметр, толщину стенки и форму разделки кромок. Длина катушек труб должна составлять 1/2 номинального диаметра, но не менее 250 мм. 12.4.5 Типоразмеры КСС прямых врезок следует устанавливать с учетом требований таблицы 12.8 и операционной технологической карты по аттестуемой технологии. Длина катушек труб должна обеспечивать возможность качественной подготовки отверстия, сборки и сварки КСС, а также изготовления комплекта образцов для механических испытаний. При этом минимальная длина катушек должна составлять: - 350 мм - для ввариваемого патрубка диаметром ≤ 219 мм; - 500 мм - для ввариваемого патрубка диаметром > 219 мм; - 1 номинальный диаметр - для основной трубы диаметром ≤ 530 мм; - 1/2 номинального диаметра - для основной трубы диаметром > 530 мм; Разметка места вырезки отверстия в основной трубе и заготовки для изготовления усиливающей накладки (воротника) производится бригадиром по специальному шаблону, вырезка отверстий - высококвалифицированным газорезчиком. Подготовка отверстий, а также подготовка трубы-ответвления (патрубка) и сборка стыка осуществляется бригадиром и электросварщиком, который должен выполнить сварку контрольного сварного соединения. Для сборки стыков следует использовать приспособления, обеспечивающие регламентируемые технологической картой требования к перпендикулярности и смещениям осей труб. 12.4.6 В соединениях прямых врезок с установкой усиливающей накладки (воротника) каждый из трех швов следует считать отдельным КСС (табл. 12.10), которые выполняются последовательно на одном соединении по одной технологической карте. Аттестацию технологии сварки прямых врезок следует производить в условиях, тождественных производственным. Пространственное положение сварки при аттестации должно соответствовать положению, регламентированному технологической картой и последующему выполнению производственных стыков. Если в технологической карте предусмотрено выполнение прямых врезок в разных пространственных положениях, то для сварки КСС должно быть выбрано наиболее трудное из них. Прямые врезки с диаметром ответвления до 325 мм выполняются одним сварщиком. 12.4.7 Аттестацию технологии сварки, применяемой для исправления дефектов (ремонта) сварных швов, следует проводить путем выборки механическим способом дефектного (условно) участка с последующей заваркой и контролем. Аттестация технологии сварки для всех видов ремонта, представленных в операционной технологической карте организации-заявителя, производится единовременно. В процессе аттестации на каждый вид ремонта оформляется отдельная карта технологического процесса сварки КСС. На все заявляемые (представленные в одной техкарте) виды ремонта оформляется одно свидетельство об аттестации и один акт производственной аттестации технологии сварки. Допускается проводить сварку ремонтных участков различных видов на одном сварном стыке. Длина ремонтного участка по каждому виду ремонта должна быть достаточной для проведения неразрушающего контроля и механических испытаний, но не менее 150 мм - для кольцевых соединений диаметром 89-377 мм включительно, не менее 200 мм - для соединений диаметром 426-530 мм и не менее 300 мм - для соединений диаметром более 530 мм. Для аттестации технологии ремонта кольцевых сварных соединений допускается использовать катушки труб длиной не менее 250 мм. Аттестацию технологии ремонта корневого слоя шва неповоротного стыка со сквозным пропилом (Вид 3) следует выполнять в его потолочной части (в пространственном положении от 4 час до 6 час или от 6 час до 8 час). При этом в процессе работы запрещается производить визуальную оценку степени провара корневого слоя со стороны внутренней поверхности трубы. Расположение участка и пространственное положение для других видов ремонта определяются аттестационной комиссией с учетом анализа результатов неразрушающего контроля соединения. Аттестацию технологии ремонта поворотных стыков трубных секций, выполненных на трубосварочных базах, следует производить в удобном для сварки пространственном положении. В протоколе (заключении) по результатам неразрушающего и разрушающего контроля каждый вид ремонта должен быть идентифицирован отдельно. 12.5 Контроль качества контрольных сварных соединений12.5.1 Контроль качества КСС должен выполняться уполномоченной и аттестованной в установленном порядке лабораторией контроля качества, имеющей в штате аттестованных специалистов по соответствующим методам контроля. 12.5.2 Неразрушающий контроль качества КСС следует производить методами, предусмотренными действующими нормативными документами, которые указаны в таблице 12.1. 12.5.3 В процессе производственной аттестации технологии сварки должны быть проведены следующие виды механических испытаний КСС: - испытание сварного соединения на статическое растяжение; - испытание сварного соединения на статический изгиб; - испытание сварного соединения на ударный изгиб; - испытание на сплющивание (для стыковых соединений труб диаметром £89 мм); - испытание на излом (для соединений прямых врезок). Минимальное количество образцов для механических испытаний кольцевых стыков труб представлено в таблицах 12.11 и 12.12. Схема вырезки образцов из неповоротных стыков должна соответствовать рис. 12.1 и рис. 12.2. При наличии требований проектной документации или по требованию Заказчика дополнительно производится вырезка макрошлифов для оценки твердости металла в различных зонах сварного соединения. При аттестации технологии сварки стыковых соединений труб диаметром ≥ 1020 мм одинаковой толщины без подварки изнутри (КСС № 1.1 в таблице 12.10) с выполнением подварки на отдельных участках шва из этих участков должны быть вырезаны дополнительные образцы для испытаний сварного соединения на растяжение (2 образца) и статический изгиб (4 образца). Дополнительные образцы для испытаний на ударный изгиб не требуются. Таблица 12.11 - Вид и количество образцов для механических испытаний сварных соединений труб диаметром 426 мм и более
Таблица 12.12 - Вид и количество образцов для механических испытаний сварных соединений труб диаметром до 377 мм
№ 1 - образец для испытаний на растяжение; № 2 - образец для испытаний на изгиб корнем шва наружу или на ребро; № 3 - образец для испытаний на изгиб корнем шва внутрь или на ребро; № 4 - образец для испытаний на ударный изгиб; № 5 - макрошлиф для определения твердости металла в различных зонах сварного соединения (по требованию Заказчика или проектной документации). Рис. 12.2. Схема вырезки образцов для механических испытаний сварных соединений диам. 108-377 мм: Обозначение образцов: № 1 - на растяжение; № 2 - на изгиб корнем шва вовнутрь или на ребро; № 3 - на изгиб корнем шва наружу или на ребро; № 4 - макрошлиф для определения твердости металла в различных зонах сварного соединения (по требованию Заказчика или проектной документации). Темплеты из поворотных стыков должны вырезаться равномерно по периметру стыка по аналогичной схеме, но не ближе 200 мм от места окончания процесса сварки. Вырезку темплетов следует производить с учетом припуска на величину заготовки, при котором обеспечивается отсутствие в рабочей части образца металла с измененными в результате резки свойствами. Величина припуска должна составлять: - не менее 5 мм - при кислородной или плазменной резке; - не менее 3 мм - при механической резке. Тип и размеры образцов, а также методика механических испытаний приведены в Приложении А к настоящему документу. При аттестации технологии двухсторонней автоматической сварки под флюсом дополнительно должны быть вырезаны не менее трех макрошлифов для определения геометрических параметров сварного шва. Механические испытания должны проводиться на поверенном оборудовании в испытательных лабораториях, аттестованных в установленном порядке. Перед проведением механических испытаний на растяжение и статический изгиб сварных соединений, выполненных с использованием электродов с целлюлозным видом покрытия или самозащитной порошковой проволоки Иннершилд, следует провести дефлокирующую термическую обработку образцов при температуре 250 °С в течение 6 часов. 12.5.4 Соединения прямых врезок подлежат визуальному и измерительному контролю, ультразвуковому (или радиографическому) контролю и капиллярному (или магнитопорошковому) контролю, а также механическим испытаниям (на излом). 12.5.5 Для проведения механических испытаний на излом соединений прямых врезок с усиливающей накладкой (воротником) должны быть вырезаны 2 образца для испытания углового соединения (шов I на рис. 12.3-а) и 2 образца для испытаний нахлесточного соединения (шов III на рис. 12.3-а). Из соединений прямых врезок без установки воротника должны быть вырезаны два образца для испытания углового соединения (шов I на рис. 12.3-б). Схема отбора образцов для механических испытаний представлена на рис. 12.4. Форма и размеры образцов углового и нахлесточного соединений, а также методика испытаний представлены в Приложении А.
Рис. 12.3. Порядок выполнения сварных швов прямых врезок: а - с усиливающей накладкой (воротником); б - без установки воротника.
Рис. 12.4. Схема отбора образцов для испытания металла шва на излом: № 1 и № 2 - образцы из углового сварного соединения; № 3 и № 4 - образцы из нахлесточного сварного соединения 12.5.6 С учетом требований п. 12.5.5 в процессе аттестации технологии сварки прямых врезок с установкой воротника следует выполнить не менее двух сварных соединений: - первое соединение - врезка без установки воротника (шов I на рис. 12.3-а); - второе соединение - врезка с установкой воротника (швы I-III на рис. 12.3-б). Из первого соединения вырезают два образца для испытаний на излом углового соединения, из второго соединения - 2 образца для испытаний нахлесточного соединения (см. Приложение А). Оба стыка предварительно должны быть проконтролированы согласно п. 12.5.4. При аттестации технологии сварки прямых врезок с диаметром трубы-ответвления менее 57 мм рекомендуется дополнительно выполнить еще одну врезку без установки воротника (шов I). В данном случае из каждого углового соединения следует вырезать по одному образцу шириной 40 мм (ориентировочно) для испытаний на излом. 12.5.7 Тип и количество образцов для механических испытаний контрольных сварных соединений при аттестации технологии исправления дефектов (ремонта) сварных швов представлены в таблице 12.13. Таблица 12.13 - Виды механических испытаний при аттестации технологии ремонта кольцевых стыков и количество образцов для испытаний сварных соединений диаметром 426 мм и более
Для КСС при аттестации технологии ремонта "Вид 6" и "Вид 7" должны быть проведены испытания на излом одного образца вырезанного из углового соединения (шов I на рис. 12.3-б). Для углового соединения (шов II на рис. 12.3-а) и нахлесточного соединения (шов III на рис. 12.3-а) приемка проводится по результатам неразрушающего контроля. 12.6 Область распространения результатов производственной аттестации технологии сварки12.6.1 Область распространения результатов производственной аттестации определяет диапазон допустимых изменений конструктивных и технологических параметров в рамках заявленных условий, исходя из характеристик выполненных контрольных сварных соединений. При этом должны быть учтены требования настоящего Руководящего документа и представленной организацией-заявителем производственно-технологической документации по сварке. 12.6.2 При определении границ области распространения должны быть одновременно учтены все ограничения на диапазон изменения конструктивных и технологических параметров сварного соединения, связанных с необходимостью обеспечения качества и требуемых механических свойств производственных сварных соединений. При этом область распространения результатов аттестации может быть сокращена по сравнению с интервалами однотипности сварных соединений. 12.6.3 Область распространения результатов производственной аттестации не должна выходить за пределы технологических возможностей применяемого специализированного оборудования. 12.6.4 Результаты аттестации технологий сварки нефтепроводов из конкретной марки стали (сочетания сталей) распространяются на другие марки сталей, входящих согласно таблице 12.5 в одну группу (сочетание групп) с материалом КСС при условии использования одних марок сварочных материалов. Область распространения результатов аттестации в зависимости от группы основных материалов КСС представлена в таблице 12.14. Таблица 12.14 - Область распространения результатов аттестации в зависимости от группы основных материалов КСС
12.6.5 Результаты аттестации технологии сварки кольцевых стыков с одинаковой номинальной толщиной стенки (Sн) распространяются на другие толщины стенок в пределах одной группы (согласно таблице 12.6). Для разнотолщинных контрольных соединений область распространения устанавливается как для тонкостенного элемента, так и для толстостенного элемента соединения в пределах одной из групп, указанной в таблице 12.15. Таблица 12.15 - Диапазоны номинальных толщин свариваемых деталей
12.6.6 Результаты аттестации технологии сварки в зависимости от номинального диаметра свариваемых деталей контрольного соединения (кроме соединений прямых врезок) распространяются на другие диаметры в пределах одного из диапазонов, указанных в таблице 12.7. Область распространения результатов аттестации технологии сварки прямых врезок устанавливается в зависимости от типоразмера КСС с учетом группы основного материала, комбинации диаметров и толщин стенок соединяемых элементов. Область распространения представлена в таблице 12.16 Таблица 12.16 - Область распространения результатов аттестации технологии сварки прямых врезок в зависимости от типоразмеров КСС (номинальных диаметров, толщин стенок и группы основного материала)
12.6.7 Область распространения аттестации для различных конструктивных элементов нефтепровода устанавливается в соответствии с требованиями таблицы 12.17. Таблица 12.17 - Область распространения результатов аттестации в зависимости от вида контрольных сварных соединений (КСС) и конструктивных элементов магистральных нефтепроводов (табл. 12.4)
12.6.8 Область распространения результатов аттестации в зависимости от применяемых сварочных материалов формируется согласно таблице 12.18. Таблица 12.18 - Область распространения результатов аттестации технологии сварки в зависимости от типа сварочных материалов
12.6.9 Область распространения в зависимости от состава защитного газа устанавливается согласно таблице 12.19. Таблица 12.19 - Область распространения результатов аттестации технологии сварки в зависимости от состава защитного газа
12.6.10 Область распространения результатов аттестации в зависимости от пространственного положения сварки КСС представлена в таблице 12.20. Таблица 12.20 - Область распространения результатов аттестации в зависимости от пространственного положения сварки КСС
12.6.11 Область распространения по режимам сварки (сварочный ток, напряжение на дуге, скорость сварки, скорость подачи проволоки и т.п.) устанавливают в рамках операционных технологических карт по сварке, представляемых организацией-заявителем и скорректированных по результатам аттестации. При изменении состава параметров режима сварки, а также изменении их значений за пределы установленной области интервалов, указанных в обновленной редакции операционных технологических картах, требуется проведение новой аттестации. 12.6.12 Область распространения результатов аттестации в зависимости от конструкции разделки кромок КСС представлена в таблице 12.21. Таблица 12.21 - Область распространения результатов аттестации в зависимости от конструкции разделки кромок КСС
12.6.13 В области распространения результатов аттестации технологий сварки, базирующихся на применении специализированного оборудования (АПГ, ААДП, АФ - с использованием стационарных сварочных установок), следует указывать тип и марку применяемого при аттестации оборудования. Допускается в область распространения аттестации включать другие марки однотипного оборудования при условии его аттестации согласно РД 03-614-03 для применения при сварке магистральных нефтепроводов. 12.6.14 В область распространения результатов аттестации технологий сварки, выполняемых при исправлении дефектов (ремонте) сварного шва, следует включать вид ремонта (см п. 12.3.7.14). Результаты аттестации технологии ремонта "Вид 3" могут быть распространены на технологию ремонта "Вид 2", а технологии ремонта "Вид 4" - на технологию ремонта "Вид 5" при условии использования одного способа сварки и сварочного материала. В том случае, если ремонт выполняется тем же способом сварки и теми же сварочными материалами, которые предусмотрены аттестованной технологией, разрешается аттестовать технологию всех видов ремонта по результатам радиографического контроля участка ремонта корневого слоя шва в потолочном положении со сквозным пропилом. 12.6.15 По результатам аттестации технологии сварки нефтепроводов в установленную область распространения производственной аттестации технологии (приложение к заключению аттестационного центра) следует включать параметры согласно следующему перечню: - способ сварки; - характер выполняемых работ; - конструктивный элемент нефтепровода (номер группы по таблице 12.4); - группы основных материалов (сталей); - сварочные материалы; - вид покрытия электродов (для способа РД); - тип сварочного флюса (для способа АФ); - состав защитного газа (для способов сварки в защитном газе); - тип шва; - тип соединения; - вид соединения; - вид разделки кромок (обозначение по табл. 8) - диапазон диаметров свариваемых деталей, мм; - диапазон толщин свариваемых деталей, мм; - вид ремонта (для технологий сварки, применяемых при исправлении дефектов сварных швов); - положение при сварке; - необходимость подогрева; - необходимость термообработки; - тип центратора (центрирующего приспособления) - вид, тип (марка) сварочного оборудования; - количество и вид плавящихся электродов (для способа АФ); - применение импульсно-дугового процесса (для способов МП; ААДП). Помимо указанных параметров должны быть также приведены шифр настоящего РД и шифры операционных технологических карт (в новой редакции), скорректированных и утвержденных организацией-подрядчиком по результатам аттестации. 12.7 Оформление документации по результатам производственной аттестации технологий сварки12.7.1 По результатам производственной аттестации технологии сварки аттестационная комиссия составляет заключение о готовности организации-заявителя к использованию аттестованных технологий. Заключение составляют в трех экземплярах на основании первичных документов - операционных технологических карт, технологической инструкции по сварке, сертификатов на основные и сварочные материалы, протоколов (карт технологических процессов) сварки КСС, актов, протоколов и заключений по контролю качества КСС. 12.7.2 Заключение оформляется на один способ сварки по результатам контроля КСС с учетом области распространения результатов аттестации и заявленных условий. При сварке КСС комбинированным способом заключение оформляют на комбинацию применяемых при этом способов сварки. 12.7.3 Если аттестационной комиссией установлено, что организация-заявитель по каким-либо признакам не удовлетворяет требованиям, необходимым для производственной аттестации технологии, а также в случае получения итоговых отрицательных результатов контроля КСС, АЦ оформляет соответствующее отрицательное заключение с указанием мотивированной причины отказа в оформлении положительного заключения. Организация-заявитель должна выявить и устранить причины отрицательных результатов аттестации. Для выявления причин могут быть привлечены специалисты аттестационного центра (по согласованию). Допускается повторное проведение аттестации после письменного уведомления аттестационного центра со стороны организации-заявителя об устранении выявленных недостатков. Сроки повторной аттестации устанавливает аттестационная комиссия АЦ совместно с организацией-заявителем. В том случае если повторная аттестация проводится по причине неудовлетворительного качества КСС, то должна быть выполнена сварка и контроль удвоенного количества КСС. 12.7.4 Аттестационные центр направляет заключение аттестационной комиссии с приложениями в НАКС. На основании проведенной экспертизы представленных АЦ документов в НАКС оформляется Свидетельство о готовности организации-заявителя к использованию аттестованной технологии. 12.7.5 Аттестационные центр передает оформленное Свидетельство организации-заявителю для получения в АО МН разрешения на начало производства сварочно-монтажных работ при строительстве и капитальном ремонте магистральных нефтепроводов ОАО "АК Транснефть" с применением аттестованной технологии сварки. 13 ДОПУСКНЫЕ ИСПЫТАНИЯ СВАРЩИКОВ (ОПЕРАТОРОВ)13.1 Целью допускных испытаний сварщиков (операторов) является определение способности сварщика выполнить качественное сварное соединение при использовании технологического процесса сварки, прошедшего аттестацию согласно требованиям раздела 12 настоящего РД. Решение о начале допускных испытаний принимается главным сварщиком ОАО МН на основании акта производственной аттестации технологии сварки и представленной организацией-подрядчиком операционной технологической карты для производства сварочных работ по аттестованной технологии. 13.2 Все сварщики, задействованные подрядчиком для выполнения работ на магистральном нефтепроводе, должны быть аттестованы в соответствии с действующими Правилами аттестации. 13.3 Допускные испытания сварщиков проводятся путем сварки допускных стыков непосредственно перед началом сварочных работ на магистральном нефтепроводе. 13.4 Сварщик (оператор) может пройти допускные испытания на выполнение всего шва в целом или конкретного слоя (слоев) шва. Каждый допускной стык в соответствии с технологической картой выполняют не менее двух сварщиков (операторов). Для стыков диаметром 1020 мм и более разрешается сварить одну из половин периметра стыка (относительно вертикальной оси). Сварщик-оператор автоматической сварки неповоротных стыков труб должен выполнить все наружные слои шва на 1/2 периметра стыка. Сварщик-оператор, выполняющий автоматическую сварку корневого слоя шва изнутри трубы, должен сварить весь периметр стыка вне зависимости от диаметра трубы (комплекс CRC-Evans AW). При допускных испытаниях по технологии ручной дуговой и механизированной сварки неповоротных стыков труб диаметром менее 1020 мм каждая пара сварщиков должна выполнить сварку двух стыков. Для комбинированных вариантов сварки данное требование относится к слоям, выполняемым соответствующим способом сварки. При допускных испытаниях по технологии двухсторонней автоматической сварки поворотных стыков труб каждая пара сварщиков-операторов выполняет сварку одного стыка. По результатам испытаний они могут быть допущены к сварке соответствующих слоев шва (наружных или внутреннего). При допускных испытаниях по комбинированной технологии с использованием односторонней автоматической сварки под флюсом сварщик-оператор должен выполнить сварку всех автоматных слоев шва одного стыка независимо от диаметра трубы. 13.5 Сварщик либо сварщики (операторы), выполнившие сварку стыка, признанного годным при производственной аттестации технологии сварки, считаются прошедшими испытания и могут не выполнять сварку допускного стыка. 13.6 В процессе допускных испытаний сварщик должен выполнять все требования операционной технологической карты по аттестованной технологии сварки, использовать оборудование, соблюдать технику сварки и скорость выполнения всех операций, которые будут использоваться в дальнейшем при сварке или ремонте сварных стыков нефтепровода. 13.7 Катушки труб, подготовленные для сварки допускных стыков, должны быть изготовлены из тех же труб, т.е. иметь тот же класс прочности, толщину стенки и разделку кромок, что и трубы, используемые для сооружения (капитального ремонта) магистрального нефтепровода. Длина катушки для допускных испытаний по ручной и механизированной сварке должна составлять не менее 125 мм. Для проведения допускных испытаний по автоматической сварке длина катушки устанавливается исходя из возможности обеспечения всех требований операционной технологической карты. 13.8 Допускной стык должен выполняться в присутствии представителя службы независимого технического надзора при обеспечении непрерывного пооперационного контроля и последовательной оценки качества операций. 13.9 Повторные допускные испытания сварщика, в том числе при работе в составе бригады, назначают в случаях, если: - он имел перерыв в своей работе более трех месяцев; - в содержание технологической карты внесены изменения, делающие необходимым проведение новой производственной аттестации технологии сварки. Однако сварщики могут быть допущены к работе на объекте без повторных допускных испытаний при условии, что практический экзамен при аттестации сварщиков в соответствии с действующими Правилами проводился в полном соответствии с технологической картой на процесс сварки, который прошел производственную аттестацию и применяется на данном объекте. 13.10 Допускные испытания сварщиков для выполнения ремонта дефектных сварных швов осуществляются по каждому виду ремонта, регламентируемому настоящим РД и соответствующей технологической картой. Длина участка шва для каждого вида ремонта должна составлять не менее 200 мм. 13.11 Допускной стык подвергают: - пооперационному контролю в процессе сварки; - визуальному осмотру с определением геометрических параметров сварного соединения; - радиографическому контролю; - контролю размеров швов и наличия недопустимых дефектов по макрошлифам (в случае двухсторонней автоматической сварки под флюсом); - механическим испытаниям на статический изгиб (для механизированной и автоматической сварки в среде защитных газов). Количество образцов - 4 шт. 13.12 Сварной шов считается годным, если он отвечает требованиям по визуальному и радиографическому контролю. В этом случае сварщик признается выдержавшим испытания, что должно быть подтверждено Протоколом допускных испытаний, и получает допуск к работе по сварке магистрального нефтепровода. 13.13 Если результаты контроля по п. 13.11 не удовлетворяют требованиям к допускным стыкам по п. 13.12, то разрешается выполнять сварку и контроль двух других допускных стыков. В случае получения при повторном контроле неудовлетворительных результатов хотя бы на одном из стыков, сварщик признается не выдержавшим испытание. К повторному испытанию сварщик может быть допущен только после дополнительного обучения. 13.14 По результатам допускных испытаний на каждого сварщика оформляется Допускной лист по форме, приведенной в приложении Е настоящего документа, а также составляется список сварщиков для выполнения работ на магистральном нефтепроводе (участке нефтепровода). Формы допускных листов, приведенные в приложении Е настоящего документа, вводятся взамен формы допускного листа, регламентируемого РД 39-00147105-015-98 "Правила капитального ремонта МН" (Приложение А, форма 30). Допускается применение допускных листов, ранее оформленных на другом объекте, если условия выполнения допускных испытаний (в том числе климатические), основные и сварочные материалы, технология сварки и монтажа ремонтных конструкций, а также тип применяемого оборудования не изменились. Допускные листы сварщиков, оформленные до введения настоящих форм, действительны до окончания работ на объекте, на который они оформлены. (Измененная редакция. Изм. № 3). 13.15 Срок действия Допускного листа определяется на время выполнения сварщиком работы, по которой он прошел допускные испытания, если при этом перерыв в его работе не будет превышать трех месяцев. 14 ПОРЯДОК ДОПУСКА ПОДРЯДНЫХ ОРГАНИЗАЦИЙ К ВЫПОЛНЕНИЮ СВАРОЧНО-МОНТАЖНЫХ РАБОТ НА ОБЪЕКТАХ МАГИСТРАЛЬНЫХ НЕФТЕПРОВОДОВ ОАО "АК "Транснефть"14.1 Требования к организациям-подрядчикамСварочно-монтажные работы при строительстве и капитальном ремонте магистральных нефтепроводов выполняются организациями-подрядчиками, в Уставе которых предусмотрен данный вид деятельности. Выбор подрядной организации для выполнения сварочно-монтажных работ осуществляется на конкурсной основе в соответствии с требованиями Положения о проведении конкурсных торгов, утвержденного ОАО "АК "Транснефть". Подрядная (субподрядная) организация должна иметь: - лицензию на проведение работ, полученную в государственных уполномоченных органах Российской Федерации в установленном порядке; - сертификат соответствия продукции и услуг требованиям ОАО "АК "Транснефть", выданный органом по сертификации - СДС "Транссерт"; - необходимые технические средства и специалистов инженерно-технических и рабочих специальностей для выполнения сварочно-монтажных работ; - сварочное оборудование для выполнения сварочно-монтажных работ по аттестованным технологиям (оборудование должно быть аттестовано в соответствии с требованиями РД 03-614-03 и поверено в установленном порядке); - вспомогательное оборудование для выполнения сварочно-монтажных работ по аттестованным технологиям (оборудование для сборки, подогрева стыков, контроля температуры стыка, обработки кромок, шлифовки, газовой резки и т.п.); - нормативно-техническую документацию, разработанную и утвержденную в установленном порядке. 14.2 Процедура допуска организаций-подрядчиков к сварке магистральных нефтепроводов ОАО "АК Транснефть" включает: - подтверждение соответствия организации-подрядчика требованиям, представленным в п. 14.1 настоящего РД; - подтверждение в течение периода действия результатов аттестации технологий сварки технических и организационных возможностей подрядчика по практической реализации аттестованных технологий в условиях строительства и капитального ремонта магистральных нефтепроводов; - подтверждение соответствия качества и механических характеристик сварных соединений нефтепроводов, выполняемых по аттестованной технологии, требованиям настоящего РД. 14.3 В перечень мероприятий по допуску организаций-подрядчиков к сварке магистральных нефтепроводов ОАО "АК "Транснефть" входят:- проверка наличия и сроков действия документов (лицензии, сертификатов), подтверждающих соответствие организации-подрядчика требованиям п. 14.1 настоящего РД; - проверка наличия у подрядчика документов, подтверждающих аттестацию технологии сварки магистральных нефтепроводов ОАО "АК Транснефть" с учетом требований настоящего документа, свидетельства НАКС о готовности организации-заявителя к использованию аттестованной технологии; - проверка наличия комплектности и правильности оформления производственно-технологической документации по сварке (ППР, технологической инструкции и операционных технологических карт); - проверка наличия и сроков действия аттестационных документов специалистов сварочного производства, сварщиков (операторов) с учетом "Дополнительных Требований к аттестации сварщиков и специалистов сварочного производства, допускаемых к работам на объектах системы магистральных нефтепроводов ОАО "АК "Транснефть"; - проверка документов, подтверждающих аттестацию сварочного оборудования и материалов, которые организация-подрядчик планирует применять для сварки магистрального нефтепровода; - проверка укомплектованности всех бригад (сварочных потоков) организации-подрядчика сварочным и вспомогательным оборудованием, в т.ч. его соответствия типам и маркам, указанным в аттестационных документах; - выполнение сварки контрольных кольцевых стыков, типоразмеры которых совпадают с типоразмером труб для строительства (капитального ремонта) линейной части магистрального нефтепровода. Количество стыков - не менее двух для труб диаметром менее 530 мм, не менее одного - для труб диаметром 530 мм и более. В случае применения в составе аттестованных технологий наружных и внутренних центраторов, должно быть выполнено удвоенное количество кольцевых стыков - соответственно на внутреннем и наружном центраторе. Сварка должна проводиться в присутствии представителя независимого технического надзора и представителя ОАО МН (главного сварщика или инженера по сварке); - проведение неразрушающего контроля и механических испытаний сварных соединений в объеме, аналогичном этапу производственной аттестации технологии сварки (кроме испытаний на ударный изгиб); - оформление результатов сварки стыков протоколом с приложением к нему результатов неразрушающего контроля; - при получении неудовлетворительных результатов сварки контрольных стыков проводится анализ, устранение причин и повторная сварка. При получении неудовлетворительных результатов организация получает отказ в допуске; - оформление письменного разрешения ОАО МН о допуске организации-подрядчика к выполнению работ на магистральном нефтепроводе. 14.4 Допуск должен производиться: - в срок не более 2 месяцев до начала работ на каждом магистральном нефтепроводе ОАО МН, сооружаемом в рамках одного контракта. Допуск производится один раз, если подрядчик имеет разные контракты на сооружение отдельных участков одного нефтепровода, а также, если подрядчик планирует выполнять капитальный ремонт отдельных участков на разных нефтепроводах ОАО МН и имеет достаточную для этого область распространения аттестации технологии сварки; - при перерыве в выполнении сварочных работ более 6 месяцев (по решению главного сварщика ОАО МН на основании графика строительства и капитального ремонта нефтепроводов). 14.5. Для выполнения работ на нефтепроводе ОАО МН организация-подрядчик должна иметь технологическую инструкцию по сварке, разработанную с учетом требований проекта производства работ (ППР), операционных технологических карт по аттестованным технологиям и настоящего РД. Технологическая инструкция по сварке должна включать в себя следующие разделы: - характеристика сооружаемого объекта (наименование, протяженность, рабочее давление, условия прокладки и т.п.); - процесс или комбинация процессов сварки с указанием степени их автоматизации (ручная, механизированная, автоматическая); - назначение технологии сварки; - характеристики труб, применяемых на объекте (диаметр, толщина стенки, марка трубной стали (для импортных труб - тип стали), класс прочности, эквивалент углерода, ГОСТ или ТУ на поставку); - требования к подготовке кромок свариваемых труб (форма и геометрические параметры разделки кромок, допустимая глубина плавных вмятин, царапин, рисок, задиров, подлежащих устранению, способ обработки, качество зачистки); - требования к сборке стыков (тип центратора, параметры сборки); - режим и средства для предварительного подогрева (при необходимости), схема и средства контроля температуры; - применяемые сварочные материалы (тип электрода, вид покрытия электрода, марка электрода и/или сварочной проволоки, диаметр электрода и/или сварочной проволоки, марка флюса, вид и состав защитного газа), стандарт или ТУ на поставку сварочных материалов, требования к условиям их хранения и подготовки к сварке; - тип, марка и основные характеристики сварочного и вспомогательного оборудования; - перечень технологических операций, выполняемых в процессе сварки стыка; - параметры сварочного процесса (род и полярность тока, диапазон величин сварочного тока и напряжения на дуге, направление сварки, диапазон допустимых скоростей сварки, вылет и угол наклона электрода и др.); - положение труб в процессе сварки, количество, длина и расположение прихваток, количество слоев шва и последовательность их выполнения, временной интервал между выполнением слоев шва, диапазон межслойной температуры, необходимость сопутствующего подогрева; - условия удаления центратора (минимальное количество слоев, сваренных до удаления центратора и минимальная протяженность шва); - необходимость выполнения послесварочной термобработки (параметры режима, оборудование, средства и условия контроля температуры) - геометрические параметры сварных соединений; - параметры, требующие регистрации в процессе сварки; - другие специальные характеристики, соблюдение которых необходимо для выполнения процесса сварки; - виды и объемы контроля качества сварных соединений; - способ и технология ремонта дефектных сварных швов, применяемые сварочные материалы и оборудование. Если организация-подрядчик выполняет работы на нескольких нефтепроводах ОАО МН (участках нефтепроводов) с идентичными типоразмерами труб и марками трубных сталей, допускается разработка одной технологической инструкции по сварке. 14.6 Допуск проводится специалистами службы независимого технического надзора и главным сварщиком ОАО МН. Допуск производится по результатам рассмотрения документации и сварки контрольных стыков на основании письменного обращения организации-подрядчика. 14.7 Допускается совмещение процедуры производственной аттестации технологии сварки и допуска организации-подрядчика к сварке магистральных нефтепроводов ОАО МН, если аттестация технологии проводится в срок не более 2 месяцев до начала работ. При положительных результатах аттестации допуск может быть оформлен без проведения этапа сварки и контроля соединений. 14.8 Допуск оформляется в виде письменного разрешения главного инженера ОАО МН с указанием полного наименования и адреса организации-подрядчика, наименования и протяженности нефтепровода (участка нефтепровода) с приложением планируемых сроков начала и окончания сварочных работ, перечня технологий сварки, которые согласовываются для применения подрядчиком. Типовая форма разрешения на производство сварочно-монтажных работ представлена в приложении Г к настоящему РД. ЧАСТЬ 2. СВАРКА ТРУБ ПРИ СООРУЖЕНИИ УЗЛОВ ЗАПУСКА-ПРИЕМА И ПРОПУСКА СРЕДСТВ ОЧИСТКИ И ДИАГНОСТИКИ, УЗЛОВ УСТАНОВКИ ЛИНЕЙНЫХ ЗАДВИЖЕК, ТЕХНОЛОГИЧЕСКИХ ТРУБОПРОВОДОВ ОСНОВНОГО НАЗНАЧЕНИЯ, ТРУБОПРОВОДОВ ПАРА, МАСЛА, ГОРЯЧЕЙ ВОДЫ, ГАЗОПРОВОДОВ СОБСТВЕННЫХ НУЖД И ДРУГИХ СООРУЖЕНИЙ, РАСПОЛАГАЕМЫХ НА ПЛОЩАДКАХ НПС (ЛДПС) И РЕЗЕРВУАРНЫХ ПАРКОВ.(Измененная редакция. Изм. № 1). 15 ОБЩИЕ ПОЛОЖЕНИЯ15.1 Сортамент труб, запорной арматуры, деталей трубопроводов (фитингов) и, соответственно, виды сварных соединений определяются проектной документацией и спецификациями на поставку, утвержденными Заказчиком. 15.2 На основании проектной документации (рабочих чертежей) перед началом работ по сварке рекомендуется произвести разбивку узлов трубопроводов на укрупненные заготовки. Разбивка производится проектной организацией, подрядчиком или иной специализированной организацией. Сборку и сварку укрупненных заготовок рекомендуется производить в стационарных (базовых) условиях с их последующим монтажом в соответствии с требованиями проекта. 15.3 Порядок проведения произведенной аттестации технологии сварки устанавливается в соответствии с требованиями раздела 12 настоящего РД. Сборка и сварка кольцевых стыков должна производиться на основании операционных технологических карт, разработанных подрядчиком или уполномоченной им специализированной организацией и утвержденных по результатам производственной аттестации. С целью систематизации широкой номенклатуры свариваемых изделий технологические карты на процессы ручной дуговой, механизированной (полуавтоматической) и автоматической сварки плавящимся электродом разрабатываются с учетом разбивки соединений на группы по диаметрам, толщинам стенок и классам прочности основного металла (таблицы 12.5-12.7 раздела 12 настоящего РД). 16 СБОРКА И СВАРКА КОЛЬЦЕВЫХ СТЫКОВ ТРУБ, СОЕДИНИТЕЛЬНЫХ ДЕТАЛЕЙ ТРУБОПРОВОДОВ И ЗАПОРНОЙ АРМАТУРЫ ДИАМЕТРОМ 530-1220 ММ16.1 Подготовка стыков к сварке16.1.1 Порядок подготовки стыков должен соответствовать требованиям раздела 5.1 настоящего РД и дополняться положениями разделов 16.2 и 16.3. 16.2 Сборка и сварка кольцевых стыков труб и соединительных деталей трубопроводов16.2.1 Для выполнения соединений могут быть использованы следующие технологические варианты сварки: - ручная дуговая сварка электродами с покрытием основного вида; - комбинированная технология: корневой слой - ручной электродуговой сваркой электродами с покрытием основного вида, последующие слои - механизированной сваркой с использованием самозащитной порошковой проволоки Иннершилд; - комбинированная технология: корневой слой - ручной электродуговой сваркой электродами с покрытием основного вида, последующие слои - автоматической сваркой порошковой проволокой в среде защитных газов головками системы М300 и М300С. Данная технология применяется для выполнения стыков с толщиной стенки 12 мм и более; - комбинированная технология сварки: корневой слой - механизированной сваркой в среде углекислого газа методом STT, последующие слои - автоматической сваркой порошковой проволокой в среде защитных газов головками системы М300 и М300С. Данная технология применяется для стыков диаметром 530-1220 мм, если имеется техническая возможность их сборки на внутреннем центраторе. В случае сборки на наружном центраторе технология может быть использована для сварки стыков диаметром 1020-1220 мм. При изготовлении укрупненных заготовок диаметром в стационарных (базовых) условиях рекомендуется также использовать одностороннюю автоматическую сварку в соответствии с требованиями раздела 5.3 настоящего РД. Порядок сборки и сварки должен соответствовать требованиям разделов 5.1 и 5.7÷5.10 части 1 настоящего РД и дополняться положениями настоящего раздела. 16.2.2 Сборка стыков труб и деталей осуществляется на наружном центраторе. При изготовлении укрупненных заготовок в стационарных условиях, а также при сборке стыков труб рекомендуется применять внутренний центратор, если имеется техническая возможность для его позиционирования в рабочем положении. Максимальная величина наружного смещения кромок при сборке не должна превышать значения, регламентированного п. 5.1.18 настоящего РД. 16.2.3 Наружный центратор разрешается удалять после выполнения 60% периметра корневого слоя шва, при этом участки корневого слоя должны равномерно располагаться по периметру стыка. Жимки внутреннего центратора разрешается освобождать после сварки 100% корневого слоя шва. При изготовлении укрупненных заготовок заполняющие и облицовочный слои шва могут выполняться с периодическим поворотом стыка в удобную для сварщика позицию, чтобы избежать сварки в потолочном положении. При этом должна обеспечиваться сохранность наружной изоляции труб и соединительных деталей трубопроводов. 16.2.4 Ручную дуговую и механизированную сварку кольцевых стыков должны одновременно выполнять не менее двух электросварщиков (операторов). 16.2.5 Сварочные материалы следует выбирать: - электроды для ручной дуговой сварки в соответствии с таблицей 8.1 настоящего РД; - самозащитную порошковую проволоку для механизированной сварки в соответствии с таблицей 8.5 настоящего РД; - проволоку сплошного сечения для механизированной сварки в среде углекислого газа в соответствии с таблицей 8.6 настоящего РД; - порошковую проволоку для автоматической сварки в среде защитных газов в соответствии с таблицей 8.7 настоящего РД; - защитные газы для автоматической и механизированной сварки соответствии с таблицей 8.8 настоящего РД; - флюс и проволоку для односторонней автоматической сварки - в соответствии с таблицей 8.4 настоящего РД. 16.2.6 Минимальное количество слоев шва для варианта ручной дуговой сварки устанавливается из расчета - 1 слой на 3,0-4,0 мм толщины стенки и фиксируется в операционной технологической карте, утвержденной по результатам производственной аттестации технологии сварки. 16.2.7 Минимальное количество слоев шва (включая корректирующий слой) для комбинированной технологии сварки с использованием самозащитной порошковой проволоки должно составлять: - четыре - для диапазона толщин стенок от 6,0 до 11,0 мм; - пять - для диапазона толщин стенок свыше 11,0 до 13,0 мм; При толщине стенки более 13 мм количество слоев шва устанавливается согласно операционной технологической карте (из расчета - 1 слой на 2,5-3,0 мм толщины стенки). 16.2.8 В процессе ручной дуговой сварки горизонтальных стыков и стыков, имеющих отклонение до величины ±45 градусов от вертикали, облицовочный слой шва следует выполнять в два прохода (валика) электродом диаметром 3,0 мм (3,2 мм), если толщина стенки составляет 8,0-12,5 мм. Для стыков с толщиной стенки свыше 12,5 мм применяется "валиковая" сварка заполняющих и облицовочного слоев шва. Ширина каждого валика должна составлять 9-12 мм. Смежные валики должны перекрывать друг друга на величину, составляющую не менее 1/3 от ширины одного валика. Валики облицовочного слоя должны иметь плавный переход к основному металлу. Количество валиков сварного шва должно быть отражено в операционной технологической карте. 16.3 Сборка и сварка кольцевых стыков труб и запорной арматуры16.3.1 Соединения труб с запорной арматурой (задвижками, обратными клапанами) диаметром 530-1220 мм выполняются с применением технологий, указанных в п. 16.2.1. 16.3.2 В случае поставки запорной арматуры без приваренных (заводских) переходных колец под сварку монтаж узлов трубопроводов следует начинать с приварки переходных колец к торцам запорной арматуры. Стыкуемый с корпусом торец переходного кольца должен иметь заводскую фаску или фаску после газовой резки и механической обработки станком. Рекомендуемая длина переходного кольца - один номинальный диаметр трубы. Минимально допустимая длина переходного кольца = 250 мм. 16.3.3 Работу по сборке и сварке соединений "переходное кольцо + корпус арматуры", а также стыков "труба + переходное кольцо арматуры" рекомендуется выполнять на стадии подготовки укрупненных заготовок в стационарных условиях, обеспечивающих возможность позиционирования и фиксации стыков в удобном для сварки пространственном положении. Типовые варианты соединения "переходное кольцо + корпус арматуры" представлены на рис. 10.2.1 (Б; В; Г), а типовой вариант соединения "труба +переходное кольцо арматуры" - на рис. 10.2.1 (А). Дисковой проволочной щеткой следует удалить защитный лаковый слой с кромок запорной арматуры. Зачистить до металлического блеска кромки труб и прилегающие к ним внутреннюю и наружную поверхность на ширину не менее 15 мм. 16.3.5 Сборка стыков производится с использованием наружного центратора (сборочного приспособления), который должен быть предварительно подготовлен для сборки стыка с различными наружными диаметрами соединяемых элементов. Сборка выполняется на прихватках. Количество прихваток устанавливается в соответствии с п. 5.1.27 настоящего РД, при этом длина каждой прихватки должна быть увеличена на 15-20 мм. Начало и окончание каждой прихватки следует запилить узким шлифовальным кругом с целью их плавного сопряжения с участками выполняемого корневого слоя. Удаление наружного центратора допускается после выполнения прихваток, при этом следует установить страховочные опоры. При наличии технической возможности сборку стыков рекомендуется производить на внутреннем центраторе. Освобождать жимки внутреннего центратора допускается после сварки корневого слоя на 100% периметра стыка. 16.3.6 Сварка одного стыка должна выполняться не менее чем двумя электросварщиками (операторами) одновременно. 16.3.7 Сварочные материалы следует выбирать в соответствии с требованиями п. 16.2.5 настоящего РД. Ручную дуговую сварку заполняющих и облицовочного слоев шва следует выполнять электродами диам. 3,0/3,2 мм. 16.3.8 При сборке соединений "переходное кольцо + корпус арматуры" величина смещения кромок, измеряемого по внутренним поверхностям, должна составлять не более 2 мм. 16.3.9 Предварительный подогрев следует производить в соответствии с рекомендациями таблицы 16.3.1. При выполнении подогрева следует контролировать равномерность нагрева разнотолщинных элементов соединения. При наличии в паспорте на запорную арматуру требований завода-изготовителя по максимально допустимой температуре нагрева корпуса в рабочей зоне для соединений "переходное кольцо + корпус арматуры" следует предпринять меры по ограничению температуры корпуса в рабочей зоне. Для этой цели рекомендуется применять кольцевые пропановые горелки, оборудованные боковым ограничителем пламени и/или осуществить по согласованию с Заказчиком мероприятия по сопутствующему охлаждению корпуса запорной арматуры. Замер температуры во всех случаях производится контактным термометром не менее чем в четырех точках по периметру стыка на расстоянии 10-15 мм от торца. Таблица 16.3.1 - Выбор температуры предварительного подогрева стыков труб и запорной арматуры
16.3.10 Минимальное количество слоев шва устанавливается согласно технологической карте, подтвержденной результатами аттестации технологии в установленном порядке. 16.3.11 В сварном соединении "переходное кольцо + корпус арматуры" при ширине раскрытия кромок ³ 15 мм облицовочный слой шва следует выполнять в два прохода (валика). При ширине раскрытия кромок ³ 20 мм последние заполняющие слои выполняются в 2 прохода, а облицовочный слой шва - в три и более проходов (валиков). Во всех случаях ширина каждого валика = 9-12 мм. Смежные валики должны перекрывать друг друга на величину, составляющую не менее 1/3 от ширины одного валика. Валики облицовочного слоя должны плавно сопрягаться между собой и иметь плавный переход к основному металлу. 16.3.12 В процессе сварки следует производить контроль межслойной температуры. Величина межслойной температуры для стыков "переходное кольцо + корпус арматуры" должна составлять 50…180 ОС, а для стыков "труба + переходное кольцо арматуры" - 50…200 °C. 16.3.13 При наличии технической возможности следует выполнить 100% подварку изнутри соединения переходное кольцо-корпус запорной арматуры с номинальным диаметром 530-1220 мм. 16.3.14 Сварку соединений труб (переходных колец) с запорной арматурой следует выполнять без перерывов. Сварные соединения запрещается оставлять незаконченными. 16.3.15 Работу по сварке следует производить в соответствии с операционными технологическими картами, которые должны быть подтверждены результатами производственной аттестации технологии. 17 СБОРКА И СВАРКА КОЛЬЦЕВЫХ СТЫКОВ ТРУБ, СОЕДИНИТЕЛЬНЫХ ДЕТАЛЕЙ ТРУБОПРОВОДОВ И ЗАПОРНОЙ АРМАТУРЫ ДИАМЕТРОМ 108-426 ММ17.1 Подготовка стыков к сварке17.1.1 Порядок подготовки стыков должен соответствовать требованиям раздела 5.1 настоящего РД и дополняться положениями разделов 17.2 и 17.3. 17.2 Сборка и сварка кольцевых стыков труб и деталей трубопроводов17.2.1 Для выполнения соединений могут быть использованы два технологических варианта сварки: - ручная дуговая сварка электродами с покрытием основного вида стыков диаметром 108-426 мм; - комбинированная сварка стыков диаметром 325-426 мм: корневой слой - электродами с покрытием основного вида, последующие слои - полуавтоматической сваркой с использованием самозащитной порошковой проволоки Иннершилд. Порядок сборки и сварки должен соответствовать требованиям разделов 5.1; 5.9 и 5.10 части 1 настоящего РД и дополняться положениями настоящего раздела. При изготовлении укрупненных заготовок диаметром 219-426 мм в стационарных (базовых) условиях может быть использована односторонняя автоматическая сварка под флюсом. 17.2.2 Сборка труб и деталей осуществляется на наружном центраторе. В стыках бесшовных труб и в стыках "бесшовная труба + деталь" внутреннее смещение кромок не должно превышать значения, регламентированного п. 5.1.19 настоящего РД. Величина наружного смещения в данном случае не регламентируется. Измерение величины внутреннего смещения следует выполнять специальным шаблоном. В стыках электросварных труб и в стыках "электросварная труба + деталь" максимальная величина смещения кромок, измеренного по наружным поверхностям, не должна превышать значения, регламентированного п. 5.1.18 настоящего РД. - 80-100 мм, не менее 3 прихваток - для труб диаметром 426 мм; - 40-60 мм, не менее 3 прихваток - для труб диаметром 219-377 мм; - 30-50 мм, не менее 2 прихваток - для труб диаметром 108-159 мм. Начало и окончание каждой прихватки следует запилить узким шлифовальным кругом с целью их плавного сопряжения с участками выполняемого корневого слоя. При изготовлении укрупненных заготовок диаметром 325-426 мм в стационарных условиях рекомендуется применять внутренний центратор, если имеется техническая возможность для его использования. Жимки внутреннего центратора рекомендуется освобождать после сварки 100% корневого слоя шва. При изготовлении укрупненных заготовок заполняющие и облицовочный слои шва могут выполняться с периодическим поворотом стыка в удобную для сварщика позицию, чтобы избежать сварки в потолочном положении. При этом должна обеспечиваться сохранность наружной изоляции труб и фитингов. 17.2.4 Соединения диаметром 108-273 мм выполняются одним электросварщиком, а соединения большего диаметра - двумя электросварщиками одновременно. 17.2.5 Электроды для ручной дуговой сварки следует выбирать в соответствии с таблицей 8.1 настоящего РД. Марку самозащитной порошковой проволоки типа Иннершилд для полуавтоматической сварки следует выбирать в соответствии с таблицей 8.5 настоящего РД. 17.2.6 Минимальное количество слоев шва для варианта ручной дуговой сварки должно составлять: - два - для диапазона толщин стенок от 4,0 до 6,5 мм; - три - для диапазона толщин стенок свыше 6,5 до 10,0 мм; - четыре - для диапазона толщин стенок свыше 10,0 до 12,5 мм. При толщине стенки более 12,5 мм количество слоев устанавливается согласно технологической карте (из расчета - 1 слой на 3,0-4,0 мм толщины стенки). 17.2.7 Минимальное количество слоев шва для комбинированной технологии сварки с использованием самозащитной порошковой проволоки должно соответствовать требованиям п. 7.2.8 настоящего РД. 17.2.8 Ручную дуговую сварку горизонтальных стыков следует выполнять с учетом требований п. 16.2.9 настоящего РД. 17.2.9 Все подготовительные и сборочно-сварочные операции следует производить в соответствии с операционными технологическими картами, которые должны быть подтверждены результатами производственной аттестации технологии сварки. 17.3 Сборка и сварка кольцевых стыков труб и запорной арматуры17.3.1 Соединения труб с запорной арматурой (задвижками, обратными клапанами) диаметром 108-426 мм выполняются ручной дуговой сваркой электродами с покрытием основного вида. Операции подготовки и сборки стыков должны выполняться в соответствии с требованиями раздела 16.3 настоящего РД с учетом положений настоящего раздела. 17.3.2 Минимально допустимая длина переходного кольца составляет 250 мм (для стыков диаметром 273 мм и более) и один диаметр трубы (для стыков диаметром менее 273 мм). 17.3.3 Сборка выполняется на прихватках. Количество и длина прихваток устанавливается в соответствии с п. 17.2.3. Начало и окончание каждой прихватки следует запилить узким шлифовальным кругом с целью их плавного сопряжения с участками выполняемого корневого слоя. Удаление наружного центратора допускается после выполнения прихваток и установки страховочной опоры. При наличии технической возможности сборку стыков диаметром 325-426 мм рекомендуется производить на внутреннем центраторе. Освобождать жимки внутреннего центратора допускается после сварки корневого слоя на 100% периметра стыка. 17.3.4 Сварка одного стыка диаметром до 273 мм включительно может быть выполнена одним электросварщиком, а диаметром свыше 273 мм - двумя электросварщиками одновременно. 17.3.5 Электроды для ручной дуговой сварки следует выбирать в соответствии с таблицей 8.1 настоящего РД. При этом для сварки корневого слоя шва соединений труб и запорной арматуры с номинальной толщиной стенки трубы до 8 мм включительно следует использовать электроды диаметром 2,5 мм, а с толщиной стенки трубы более 8 мм - электроды диаметром 3,0/3,2 мм. Заполняющие и облицовочный слои шва выполняются электродами диаметром 3,0/3,2 мм. 17.3.6 Величина зазора при сборке должна составлять 2-3 мм для электрода диам. 2.5 мм и 2.5-3.5 мм для электрода диам. 3,0/3,2 мм. Величина смещения кромок в стыках диам. 108-168 мм должна быть не более 1.5 мм, а диам. 219-426 мм - не более 2 мм. Измерение величины смещения кромок производится по внутренним поверхностям соединяемых элементов. 17.3.7 Предварительный подогрев следует производить в соответствии с рекомендациями таблицы 16.3.1. При выполнении подогрева следует контролировать равномерность нагрева разнотолщинных элементов соединения. Замер температуры во всех случаях производится контактным термометром не менее чем в трех точках по периметру стыка на расстоянии 10-15 мм от торца. Для соединений "труба + переходное кольцо запорной арматуры" рекомендуется применять кольцевые пропановые горелки, оборудованные боковым ограничителем пламени. При наличии в паспорте на запорную арматуру требований завода-изготовителя по максимально допустимой температуре нагрева корпуса в рабочей зоне для соединений "переходное кольцо + корпус арматуры" следует по согласованию с Заказчиком предпринять меры по ограничению температуры корпуса в рабочей зоне 17.3.8 Минимальное количество слоев шва устанавливается согласно технологической карте, подтвержденной результатами аттестации технологии в установленном порядке. 17.3.9 Соединения "переходное кольцо + корпус арматуры" при ширине раскрытия кромок ³ 15 мм следует выполнять методом "валиковой" сварки в соответствии с требованиями п. 16.3.11 настоящего РД. 17.3.10 В процессе сварки следует производить контроль межслойной температуры. Величина межслойной температуры для стыков "переходное кольцо + корпус арматуры" должна составлять 50…180°С, а для стыков "труба + переходное кольцо арматуры" - 50…200 °С. 17.3.11 Сварку соединений труб (переходных колец) с запорной арматурой следует выполнять без перерывов. Сварные соединения запрещается оставлять незаконченными. 17.3.12 Работу по сварке следует производить в соответствии с операционными технологическими картами, которые должны быть подтверждены результатами производственной аттестации технологии. 18 СБОРКА И СВАРКА КОЛЬЦЕВЫХ СТЫКОВ ТРУБ, СОЕДИНИТЕЛЬНЫХ ДЕТАЛЕЙ И ЗАПОРНОЙ АРМАТУРЫ ДИАМЕТРОМ 20 ÷ 89 мм18.1 Подготовка стыков к сварке18.1.1 Порядок подготовки стыков должен соответствовать требованиям раздела 5.1 настоящего РД и дополняться положениями разделов 18.1, 18.2 и 18.3. 18.2 Сборка и сварка кольцевых стыков труб и соединительных деталей трубопроводов18.2.1 Для выполнения соединений могут быть использованы следующие технологии и комбинированные варианты сварки, регламентированные настоящим РД: - ручная дуговая сварка электродами с покрытием основного вида соединений диаметром 25-89 мм с толщиной стенки 3,0-10,0 мм; - ручная сварка неплавящимся электродом (с присадкой) в среде аргона соединений диаметром 20-89 мм с толщиной стенки 2,0-4,0 мм; - комбинированная сварка стыков диаметром 57-89 мм с толщиной стенки 4,0-10,0 мм: корневой слой - неплавящимся электродом (с присадкой) в среде аргона, последующие слои - электродами с покрытием основного вида. Порядок сборки и сварки должен соответствовать требованиям раздела 5.1 настоящего РД и дополняться положениями настоящего раздела. Все соединения выполняются одним электросварщиком. 18.2.2 Для всех трех вариантов сварки соединений из низкоуглеродистых трубных сталей с толщинами стенок 2,0-10,0 мм и эквивалентом углерода не более 0,46% предварительный подогрев не требуется. Требования к подогреву стыков устанавливаются согласно таблице 16.3.1 настоящего РД. Для этой цели допускается использование однопламенной горелки. 18.2.3 Сборка стыков труб и деталей осуществляется с использованием наружного центратора (сборочного приспособления). Внутреннее смещение кромок в стыках бесшовных труб и в стыках "бесшовная труба + деталь" с толщинами стенок 2,0-3,2 мм не должно превышать 0,5 мм, с толщинами стенок 3.5-4,5 мм - должно быть не более 1 мм, с толщинами стенок 5,0-8,0 мм - не более 1,5 мм, с толщинами стенок 8,5-10,0 мм - не более 2,0 мм. Величина наружного смещения в данном случае не регламентируется. Измерение величины внутреннего смещения следует выполнять специальным шаблоном. Величина наружного смещения кромок электросварных труб с толщиной стенки менее 10 мм не должно превышать 40% нормативной толщины стенки, но не более 2 мм. Величина наружного смещения кромок электросварных труб с толщиной стенки 10 мм должно быть не более 2 мм. 18.2.4 Наружный центратор (сборочное приспособление) разрешается удалять после выполнения прихваток. При изготовлении укрупненных заготовок заполняющие и облицовочный слои шва могут выполняться с периодическим поворотом стыка в удобную для сварщика позицию, чтобы избежать сварки в потолочном положении. При этом должна обеспечиваться сохранность наружной изоляции труб и деталей. 18.2.5 Работы по сварке должны производиться в соответствии с операционными технологическими картами, которые должны быть подтверждены результатами аттестации технологии сварки. 18.3 Технология ручной дуговой сварки соединений диаметром 25-89 мм с толщиной стенки 3,0-10,0 мм18.3.1 Для ручной дуговой сварки всех слоев шва из сталей 1-ой группы прочности следует использовать марки электродов диаметром 2,5 мм, представленные в таблице 8.1. Величина зазора при сборке должна составлять 2-3 мм. Для сварки заполняющих и облицовочного слоев шва соединений диаметром 57-89 мм с толщиной стенки 4,0-10,0 мм следует применять электроды диаметром 2,5 мм и 3,0/3,2 мм. 18.3.2 Минимальное количество слоев шва должно составлять: - два - для диапазона толщин стенок от 3,0 до 6,0 мм; - три - для диапазона толщин стенок от 6,5 до 10,0 мм. 18.3.3 В процессе сварки горизонтальных стыков с толщиной стенки от 7,0 до 10,0 мм облицовочный слой шва выполняется в два прохода (валика). Смежные валики должны перекрывать друг друга на величину, составляющую не менее 1/3 от ширины одного валика. Валики облицовочного слоя должны иметь плавный переход к основному металлу. 18.3.4 Сварку следует производить в соответствии с операционными технологическими картами, которые должны быть подтверждены результатами производственной аттестации технологии. 18.4 Технология ручной сварки неплавящимся электродом в среде аргона соединений диаметром 20-89 мм с толщиной стенки 2,0-4,0 мм18.4.1 Перед сборкой внутренняя и наружная поверхности труб и деталей на ширине не менее 10 мм и 30 мм соответственно должны быть очищены от следов окалины, ржавчины, масла и других загрязнений, также обезжирены. Наружную поверхность труб следует зачистить до металлического блеска на ширине не менее 10 мм от торца. Сборку и сварку стыков необходимо производить в условиях надежной защиты от ветра и попадания на стык атмосферных осадков. 18.4.2 Величина зазора при сборке должна составлять 1+0.5 мм для соединений с толщиной стенки 2,0-3,0 мм и 1,5 ± 0,5 мм для соединений с толщиной стенки 3,2-4,0 мм. Внутреннее смещение кромок в обоих случаях не должно превышать 0.5 мм. 18.4.3 В качестве неплавящегося электрода применяются прутки лантанированного вольфрама (ВЛ) диаметром 2 мм (по ТУ 48-19-27-87). Для легкого возбуждения дуги и улучшения стабильности ее горения электрод должен быть заточен на конус. Форма заточки представлена на рис. 18.4.1. 18.4.4 В качестве защитного газа используется аргон высшего сорта по ГОСТ 10157. Содержание аргона - не менее 99,99% (по объему). Перед использованием баллона с аргоном необходимо проверить качество газа путем выполнения наплавки длиной 100-150 мм на поверхность пластины. Внешним осмотром наплавки определяют надежность газовой защиты. В случае обнаружения пор газ бракуют.
Рис. 18.4.1. Форма заточки вольфрамового электрода: a - угол конуса = 28-30 град.; L - длина конической части = (5¸6) ДЭ; DЭ - диаметр электрода; d - диаметр притупления = 0,2-0,5 мм. 18.4.5 В качестве присадочного металла следует применять сварочную проволоку диаметром 1,6-2,0 мм марки Св-08Г2С по ГОСТ 2246-70. 18.4.6 Для ручной сварки неплавящимся электродом в среде аргона следует использовать источники питания постоянного тока с падающей вольт-амперной характеристикой в комплекте с малогабаритными горелками, обеспечивающими доступ к месту сварки в стесненных условиях. 18.4.7 Прихватка стыков должна производиться тем же сварщиком, который будет выполнять сварку корневого слоя шва. Рекомендуемая длина прихваток = 10-15 мм, количество прихваток = 2. Они должны располагаться симметрично по периметру стыка. В качестве присадочного металла должна использоваться та же проволока, что и для сварки корневого слоя. 18.4.8 Ручную аргонодуговую сварку необходимо выполнять на постоянном токе прямой полярности при возможно более короткой длине дуги. Зажигание и гашение дуги следует производить на свариваемой кромке или на выполненном ранее шве на расстоянии 20-25 мм позади кратера. 18.4.9 Подачу аргона из горелки следует начинать на 15-20 секунд раньше момента зажигания дуги и прекращать через 10-15 секунд после обрыва дуги. В течение этих интервалов времени струю аргона следует направлять на кратер. 18.4.10 В начальный момент сварки после возбуждения дуги необходимо подогреть и оплавить кромки труб и конец присадочного прутка. После образования сварочной ванны можно начинать поступательное движение горелки. В процессе сварки корневого слоя необходимо следить за полным проплавлением кромок и отсутствием непровара. Степень проплавления можно оценить по форме ванны расплавленного металла: хорошему проплавлению соответствует ванна, вытянутая в сторону направления сварки (рис. 18.4.2-а), недостаточному - круглая или овальная (рис.18.4.2-б).
Рис. 18.4.2 Форма сварочной ванны при полном (а) и недостаточном (б) проплавлении корня шва вертикального (I) и горизонтального (II) кольцевых стыков 18.4.11 Минимальное количество слоев шва для стыков с толщиной стенки 2,0-4,0 мм - два. Рекомендуемая высота слоя (валика) составляет 2-2,5 мм. Направление и порядок сварки вертикального и горизонтального неповоротных стыков должны соответствовать рис. 18.4.3. Длина сваренных участков не должна превышать 200 мм. При большей длине участка шва его необходимо выполнять обратноступенчатым способом. 18.4.12 При изготовлении укрупненных заготовок допускается поворот стыков в удобную для сварщика позицию, чтобы избежать сварки в потолочном положении. Если периодическое проворачивание стыка затруднительно, сварка корневого слоя может быть выполнена в два поворота согласно схеме, представленной на рис. 18.4.4.
Рис. 18.4.3. Порядок сварки неповоротного кольцевого стыка одним сварщиком: А - корневой слой шва вертикального стыка; Б - второй и последующие слои шва вертикального стыка; В - корневой и последующие слои шва горизонтального стыка; 1; 2; 3; 4 - последовательность выполнения участков и слоев шва.
Рис. 18.4.4 Схема сварки корневого слоя шва вертикального стыка в два поворота при его затрудненном вращении: 1; 2; 3; 4 - последовательность сварки участков корневого слоя шва. 18.4.12 Взаимное расположение горелки и проволоки при сварке вертикального и горизонтального стыков представлено на рис. 18.4.5. Угол a (между электродом и радиусом трубы в месте сварки) зависит от качества защиты и конструктивных особенностей горелки: для горелок, приспособленных для сварки в стесненных условиях и вглубокую разделку угол a может изменяться в пределах 0 - 70 градусов, для остальных горелок с канальной схемой истечения газа - в пределах от 0 до 25 градусов.
Рис. 18.4.5. Схема расположения горелки и присадочной проволоки при сварке вертикальных и горизонтальных стыков: А - сварка вертикального стыка в обычных условиях; Б - сварка горизонтального стыка в обычных условиях; В - сварка горизонтального стыка в стесненных условиях горелкой с удлиненным мундштуком; (1 - направление подачи проволоки; 2 - направление сварки) 18.4.14 Присадочная проволока должна подаваться в сварочную ванну навстречу движению горелки, а горелка должна двигаться справа налево. Корневой слой шва рекомендуется выполнять с минимальными колебаниями присадочной проволоки и горелки (амплитуда = 2-4 мм). Последующие слои шва выполняются с поперечными колебаниями горелки (амплитуда = 6-8 мм). Оплавляемый конец присадочной проволоки должен всегда находиться под защитой аргона. Не следует резко подавать присадочный пруток в сварочную ванну, так как это может привести к разбрызгиванию металла. 18.4.15 В процессе сварки межслойная температура шва должна составлять 50-250 °С. 18.4.16 Сварка должна выполняться в укрытиях (палатках), обеспечивающих надежную защиту от ветра и атмосферных осадков. 18.4.17 Сварку следует производить в соответствии с технологическими картами, которые должны быть подтверждены результатами аттестации технологии. 18.5 Комбинированный технологический вариант сварки стыков диаметром 57-89 мм с толщиной стенки 4,0-10,0 мм: корневой слой - неплавящимся электродом в среде аргона, последующие слои - электродами с покрытием основного вида18.5.1 Сварка корневого слоя шва должна производиться в соответствии с требованиями раздела 18.4 настоящего РД. 18.5.2 Сварку заполняющих и облицовочного слоев шва следует выполнять согласно рекомендациям раздела 18.3 настоящего РД. 18.5.3 Сварку по комбинированному варианту следует производить в соответствии с операционными технологическими картами, которые должны быть подтверждены результатами производственной аттестации технологии. 18.6 Сборка и сварка кольцевых стыков труб и запорной арматуры18.6.1 Соединения труб с запорной арматурой (задвижками, обратными клапанами) диаметром 57-89 мм выполняются ручной дуговой сваркой электродами с покрытием основного вида или комбинированной технологией: корневой слой - неплавящимся электродом в среде аргона, последующие слои - электродами с покрытием основного вида. Работу по сборке и сварке соединений рекомендуется выполнять в стационарных условиях на стадии подготовки укрупненных заготовок. Сварка одного стыка может быть выполнена одним электросварщиком. 18.6.2 Перед сборкой следует осмотреть торцы труб и запорной арматуры и выполнить мероприятия по защите внутренней поверхности арматуры согласно рекомендациям п. 16.3.4 настоящего РД. Дисковой проволочной щеткой следует удалить защитный слой с кромок запорной арматуры. Зачистить до металлического блеска кромки труб и прилегающие к ним внутреннюю и наружную поверхность на ширину не менее 10 мм. 18.6.3 Сборку следует производить с использованием наружного центратора (сборочного приспособления), который должен быть предварительно подготовлен для сборки стыка с различными наружными диаметрами соединяемых элементов. Сборка выполняется на прихватках. Количество прихваток при выполнении ручной дуговой сварки - не менее двух. Длина = 30-40 мм. Начало и окончание прихваток следует запилить узким шлифовальным кругом с целью их плавного сопряжения с участками выполняемого корневого слоя. Удаление наружного центратора (сборочного приспособления) допускается после выполнения прихваток. 18.6.4 Сборку и сварку корневого слоя шва следует выполнять в соответствии с раздела 18.4 настоящего РД. 18.6.5 Для ручной дуговой сварки соединений из низкоуглеродистых сталей следует использовать электроды диаметром 2,5 мм (все слои шва). Величина зазора при сборке должна составлять 2-3 мм. Для сварки заполняющих и облицовочного слоев шва соединений "труба + арматура" с толщиной стенки 4,0-10,0 мм могут быть использованы электроды диаметром 3,0/3,2 мм. Марки электродов следует выбирать в соответствии с таблицей 8.1 настоящего РД (электроды для 1-ой группы прочности). 18.6.6 Величина смещения кромок в стыках диаметром 57 мм должна быть не более 1 мм, а диаметром 89 мм - не более 1,5 мм. Измерение величины смещения кромок производится по внутренним поверхностям соединяемых элементов. 18.6.7. Предварительный подогрев следует производить в соответствии с рекомендациями таблицы 16.3.1 настоящего РД. 18.6.8. Минимальное количество слоев шва устанавливается согласно операционной технологической карте и уточняется в процессе производственной аттестации технологии сварки. 18.6.9. В процессе сварки следует производить контроль межслойной температуры. Величина межслойной температуры должна составлять 50-180 °С. 18.6.10 Сварка соединений труб с запорной арматурой следует выполнять без перерывов. Сварные соединения запрещается оставлять незаконченными. 18.6.11 Сварку следует производить в соответствии с операционными технологическими картами, которые должны быть подтверждены результатами аттестации технологии. 19 СВАРКА СПЕЦИАЛЬНЫХ СВАРНЫХ СОЕДИНЕНИЙ19.1 Сварка прямых врезок19.1.1 Конструкция прямых врезок и типоразмеры труб должны соответствовать требованиям проектной документации. 19.1.2 Разметка места вырезки отверстия в основной трубе и заготовки для изготовления усиливающей накладки (воротника) производится бригадиром по специальному шаблону, вырезка отверстий - высококвалифицированным газорезчиком, подготовка отверстий, а также подготовка трубы-ответвления и сборка стыка осуществляется бригадиром и электросварщиком, который должен выполнить сварку контрольного стыка. 19.1.3 Расстояние между отверстием в основной трубе и заводским швом трубы должно быть не менее 250 мм. 19.1.4 Для сборки стыков следует использовать приспособления и устройства (уровень, отвес, угольник, теодолит), обеспечивающие выполнение следующих требований: - смещение осей трубы-ответвления и основной трубы не должно превышать 5 мм; - отклонение трубы-ответвления от вертикали должно быть не более 1 град. 19.1.5 Стыки прямых врезок следует выполнять ручной дуговой сваркой электродами с покрытием основного вида. Выбор электродов производится в соответствии с таблицей 8.1 настоящего РД. 19.1.6 Температуру предварительного подогрева следует выбирать согласно таблице 5.1.2 настоящего РД. 19.1.7 Оптимальной схемой работы на рассматриваемых объектах является изготовление укрупненных заготовок в стационарных (базовых) условиях с их последующим монтажом на площадках. В связи с этим сварку прямых врезок рекомендуется производить в стационарных (базовых) условиях, позволяющих обеспечить лучшее качество сборки и сварки, а также избежать сварки в потолочном положении. 19.1.8 Прямые врезки с диаметром ответвления до 325 мм включительно выполняются одним сварщиком, а с диаметром ответвления свыше 325 мм - двумя сварщиками одновременно. 19.1.9 Сварку стыков прямых врезок следует производить в соответствии с операционными технологическими картами, которые должны быть подтверждены результатами аттестации технологии. 19.2 Сварка разнотолщинных соединений труб19.2.1 Разнотолщинные соединения диаметром менее 325 мм следует выполнять ручной дуговой сваркой электродами с покрытием основного вида (все слои шва). 19.2.2 Для соединений диаметром 325 мм и выше, собранных на наружном центраторе, могут быть использованы следующие технологии и технологические варианты, регламентированные настоящим РД: - ручная дуговая сварка электродами с покрытием основного вида (все слои шва); - комбинированная технология: ручная дуговая сварка электродами с покрытием основного вида (корневой слой шва) + механизированная сварка самозащитной порошковой проволокой "Иннершилд" (последующие слои шва). 19.2.3 Для соединений диаметром 325 мм и выше, собранных на внутреннем центраторе, могут быть использованы технологии и технологические варианты, регламентированные разделом 10.2 настоящего РД. 19.2.4 Сварку разнотолщинных соединений следует производить в соответствии с требованиями настоящего раздела и разделов 10.2 настоящего РД на основании технологических карт, которые должны быть подтверждены результатами производственной аттестации технологии. 19.3 Сварка захлестов19.3.1 Сварка стыков захлестов производится электродами с покрытием основного вида согласно требованиям раздела 10.1 настоящего РД. 19.3.2 Сварку следует производить в соответствии с технологическими картами, которые должны быть подтверждены результатами производственной аттестации технологии. 20 РЕМОНТ СВАРНЫХ СОЕДИНЕНИЙ С ПОМОЩЬЮ СВАРКИ20.1 Ремонт кольцевых стыков следует производить ручной дуговой сваркой электродами с покрытием основного вида. Требования к выполнению ремонта регламентируются разделом 11 настоящего РД и дополняются положениями настоящего раздела. 20.2 Суммарная длина дефектов сварного шва не должна превышать 1/6 периметра ремонтируемого кольцевого стыка. Максимальная длина единовременно ремонтируемого участка должна составлять: - 200 мм - для стыков диаметром 426 мм; - 10% периметра сварного шва для соединений диаметром 57-377 мм. 20.3 Минимальная длина участка вышлифовки должна составлять: - 100 мм - для соединений диаметром 219-426 мм - 80 мм - для соединений диаметром 89-168 мм; - 60 мм - для соединений диаметром 57-85 мм. Длина участка вышлифовки должна превышать фактическую длину наружного или внутреннего дефекта на величину: - не менее 30 мм - для соединений диаметром 219-426 мм; - не менее 25 мм - для соединений диаметром 89-168 мм; - не менее 20 мм - для соединений диаметром 57-85 мм. 20.4 Сварные кольцевые стыки диаметром 20-54 мм, имеющие недопустимые дефекты, подлежат вырезке. 20.5 Ремонт стыков сваркой следует производить на основании технологических карт, которые должны быть подтверждены результатами аттестации технологии. 21 ТРЕБОВАНИЯ К ДОПУСКНЫМ ИСПЫТАНИЯМ СВАРЩИКОВ (ОПЕРАТОРОВ)21.1 Все сварщики (операторы), задействованные подрядчиком для выполнения работ на объекте, должны быть аттестованы в соответствии с действующими Правилами аттестации. Порядок проведения допускных испытаний должен соответствовать требованиям раздела 13 настоящего РД и дополняться положениями настоящего раздела. 21.2 В процессе допускных испытаний на право выполнять сварку стыков "труба + труба", "труба + соединительная деталь", каждый сварщик должен выполнить не менее 2 кольцевых стыков труб диаметром < 108 мм и не менее 1 стыка диаметром 108-426 мм. Конкретный типоразмер труб определяется главным сварщиком ОАО МН в соответствии с утвержденной технологической картой. 21.3 Сварку допускных стыков следует производить с расположением оси стыка под углом 45 градусов к горизонтальной плоскости (положение Н45), если утвержденная технология предусматривает выполнение стыков труб с расположением оси трубопровода под углом свыше 25 градусов к горизонтали. В данном случае сварщик, успешно прошедший испытания, допускается к выполнению соединений, регламентируемых техкартой, во всех пространственных положениях. 21.4 К сварке допускных стыков прямых врезок могут быть допущены наиболее квалифицированные сварщики, ранее выполнявшие сварку разнотолщинных соединений труб или стыков захлестов при сооружении линейной части нефтепровода. Перед сваркой допускного соединения рекомендуется выполнить 1-2 тренировочных соединения. Пространственное положение сварки должно соответствовать требованиям технологической карты. В случае, если технологическая карта предусматривает выполнение прямых врезок в различных пространственных положениях, допускные испытания проводятся в положении В1 (при горизонтальном расположении оси патрубка). В процессе допускных испытаний должны соблюдаться требования по сборке, сварке, неразрушающему контролю и механическим испытаниям сварных соединений, регламентированные в разделах 12 и 19 настоящего РД и в утвержденной технологической карте. Сварщик, успешно выдержавший допускные испытания, может быть допущен к сварке прямых врезок с диаметром трубы-ответвления в пределах диапазона, установленного операционной технологической картой. Сварщик, выполнявший прямую врезку в пространственном положении В1, допускается к сварке прямых врезок в положениях, указанных в таблице 12.20. 21.5 Допускные испытания сварщиков на право выполнения кольцевых стыков "труба + переходное (заводское) кольцо задвижки (шарового крана)" и "труба + задвижка (шаровой кран)" осуществляются при сварке первого товарного (производственного) стыка. К сварке допускных стыков могут быть допущены наиболее квалифицированные сварщики, ранее выполнявшие аналогичные соединения или разнотолщинные соединения труб при сооружении линейной части нефтепроводов. Перед сваркой допускного стыка рекомендуется выполнить 1-2 тренировочных стыка катушек труб соответствующего типоразмера. 21.6 Ремонт специальных соединений и кольцевых стыков "труба + переходное (заводское) кольцо задвижки (шарового крана)" и "труба + задвижка (шаровой кран)" должен производиться сварщиками, которые имеют допуск к сварке указанных соединений. Отдельные допускные испытания в данном случае не требуются. 21.7 Допускные испытания сварщиков для выполнения ремонта кольцевых стыков труб осуществляется по каждому виду ремонта, регламентируемому технологической картой. Длина участка шва для каждого вида ремонта должна соответствовать требованиям раздела 20 настоящего РД. Приложение
А
| ||||||||||||||||||||||||||||||||||||||||||||||||||||||||||||||||||||||||||||||||||||||||||||||||||||||||||||||||||||||||||||||||||||||||||||||||||||||||||||||||||||||||||||||||||||||||||||||||||||||||||||||||||||||||||||||||||||||||||||||||||||||||||||||||||||||||||||||||||||||||||||||||||||||||||||||||||||||||||||||||||||||||||||||||||||||||||||||||||||||||||||||||||||||||||||||||||||||||||||||||||||||||||||||||||||||||||||||||||||||||||||||||||||||||||||||||||||||||||||||||||||||||||||||||||||||||||||||||||||||||||||||||||||||||||||||||||||||||||||||||||||||||||||||||||||||||||||||||||||||||||||||||||||||||||||||||||||||||||||||||||||||||||||||||||||||||||||||||||||||||||||||||||||||||||||||||||||||||||||||||||||||||||||||||||||||||||||||||||||||||||||||||||||||||||||||||||||||||||||||||||||||||||||||||||||||||||||||||||||||||||||||||||||||||||||||||||||||||||||||||||||||||||||||||||||||||||||||||||||||||||||||||||||||||||||||||||||||||||||||||||||||||||||||||||||||||||||||||||||||
|
Толщина стенки трубы, мм |
Толщина образца a, мм |
Ширина рабочей части образца, b, мм |
Ширина захватной части образца, b1, мм |
Длина рабочей части образца, l мм |
Общая длина образца, L, мм |
|
Равна толщине стенки трубы |
15 ± 0,5 |
25 |
50 |
l + 2h |
|
|
Свыше 6 до 10 вкл. |
20 ± 0,5 |
30 |
60 |
||
|
Свыше 10 до 25 вкл. |
25 ± 0,5 |
35 |
100 |
||
|
Свыше 25 до 50 вкл. |
30 ± 0,5 |
40 |
160 |
||
|
Примечание 1. Длину захватной части образца h устанавливают в зависимости от конструкции испытательной машины. 2. Скорость нагружения образцов в процессе испытаний должна составлять не более 15 мм/мин. |
|||||
1.2 Усиление шва на образцах должно быть снято механическим способом до уровня основного металла, при этом допускается удалять основной металл по всей поверхности образца на глубину до 15% от толщины стенки трубы, но не более 4 мм. Удаление основного металла с поверхности образца производят только с той стороны, с которой снимают усиление шва. Строгать усиление следует поперек шва. Острые кромки плоских образцов в пределах рабочей части должны быть закруглены радиусом не более 1,0 мм путем сглаживания напильником вдоль кромки. Разрешается строгать усиление вдоль продольной оси шва с последующим удалением рисок. Шероховатость поверхности RZ в местах удаления усиления должна быть не более 6,3 мкм.
1.3 Перед проведением испытаний сварных соединений, выполненных с применением электродов с целлюлозным видом покрытия или самозащитной порошковой проволокой типа Иннершилд следует провести дефлокирующую термическую обработку образцов при температуре 250 °С в течение 6 часов.
1.4 Временное сопротивление разрыву, определяемое на плоских образцах со снятым усилением, должно быть не ниже нормативного значения временного сопротивления разрыву основного металла труб, регламентированного техническими условиями на их поставку или ГОСТом.
2.1 При испытаниях стыковых соединений труб определяют способность сварных соединений принимать заданный по размеру и форме изгиб. Эта способность характеризуется углом изгиба a, при котором в растянутой зоне образца появляется первая трещина, развивающаяся в процессе испытаний. Если длина трещин, возникающих в растянутой зоне образца в процессе испытания, не превышает 20% его ширины, но не более 5 мм, то такие трещины не являются браковочным признаком. Определяется также место образования трещины или разрушения (металл шва, металл околошовной зоны или основной металл).
2.2 Форма и размеры образцов представлены в таблице 2.1 и на рис. 2.1.
Таблица 2.1 - Размеры образцов для испытаний на статический изгиб
|
Вид изгиба |
Толщина основного металла S, мм |
Ширина образца b, мм |
Общая длина образца, L, мм |
Расстояние между опорами, мм |
|
Корнем шва наружу или внутрь |
До 12,5 |
1,5S, но не менее 10 |
2,5D + 80 |
2,5D |
|
На ребро |
12,5 и более |
12,5 ± 0,2 |
180-200 |
80 |
|
Примечание - D - диаметр нагружающей оправки (мм), устанавливается в соответствии с требованиями таблицы 2.2 настоящего приложения. |
||||

Рис 2.1 Форма образцов для испытаний на статический изгиб.
а - образец для изгиба корнем шва наружу или внутрь;
б - образец для изгиба на ребро.
Таблица 2.2 - Определение диаметра нагружающей оправки (D) для испытаний на статический изгиб
|
Класс прочности трубной стали |
Вид испытания на изгиб |
Диаметр нагружающей оправки D, мм |
|
До К50 вкл. |
Корнем шва наружу или внутрь |
2S ± 2 |
|
На ребро |
30 ± 2 |
|
|
Свыше К50 до К54 вкл. |
Корнем шва наружу или внутрь |
3S ± 2 |
|
На ребро |
40 ± 2 |
|
|
От К55 до К65 вкл. |
Корнем шва наружу или внутрь |
4S ± 2 |
|
На ребро |
50 ± 2 |
|
|
Примечание: S - толщина основного металла |
||
2.3 Толщина образцов должна равняться толщине основного металла. Усиление шва по обеим сторонам образца снимается механическим способом до уровня основного металла. Разрешается строгать усиление шва в любом направлении с последующим удалением рисок. Кромки образцов в пределах их рабочей части должны быть закруглены радиусом ³ 0,1 толщины образца (но не более 2 мм) путем сглаживания напильником вдоль кромки.
2.4 Перед проведением испытаний сварных соединений, выполненных с применением электродов с целлюлозным видом покрытия или самозащитной порошковой проволокой типа Иннершилд следует провести дефлокирующую термическую обработку образцов при температуре 250 °С в течение 6 часов.
2.5 Обязательным условием проведения испытаний является плавность возрастания нагрузки на образец. Испытания проводят со скоростью не более 15 мм/мин. до достижения нормируемого угла изгиба или угла изгиба, при котором образуется первая являющаяся браковочным признаком трещина. Угол изгиба при испытании до образования первой трещины замеряют в ненапряженном состоянии с погрешностью ±2 град.
2.6 Среднее арифметическое значение угла изгиба образцов должно быть не менее 120°, а минимальное значение угла изгиба одного образца должно быть не ниже 100°. При подсчете среднего арифметического значения угла изгиба все углы более 150° следует принимать равными 150°.
3.1 При испытании на ударный изгиб определяют энергию удара и ударную вязкость металла шва на образцах с острым надрезом (Шарпи) типа IХ (для толщины основного металла 11 мм и более) и типа Х (для толщины основного металла 6-10 мм) по ГОСТ 6996-66. Форма и размеры образцов представлены на рис. 3.1. Схема нанесения надреза на образцах приведена на рис. 3.2.
3.2 Вырезку и изготовление образцов следует производить таким образом, чтобы одна из чистовых поверхностей каждого образца (после окончательной обработки) располагалась на расстоянии 2-3 мм от внутренней поверхности трубы. При вырезке образцов из соединений с толщиной основного металла 11 мм и 6 мм допускается наличие необработанного основного металла на двух поверхностях образца. Надрез наносят перпендикулярно поверхности трубы (см. схему на рис. 3.2).
3.3 При номинальной толщине стенки трубы более 19 мм для испытаний на ударный изгиб следует изготовить дополнительно два комплекта образцов (по шву и по ЗТВ), одна из чистовых поверхностей которых расположена на расстоянии 2-3 мм от наружной поверхности трубы. Каждый комплект должен включать в себя не менее 3 образцов.

Рис. 3.1. Форма и размеры образцов для испытаний на ударный изгиб по ГОСТ 6996-66
3.4 Ударная вязкость, определяемая как среднее арифметическое результатов испытаний трех образцов, должна быть не менее значений, указанных в разделе 6 настоящего РД.

а) S £ 19 мм

б) S £ 19 мм

в) S > 19 мм

г) S > 19 мм
Рис. 3.2. Схема вырезки и выполнения надреза на образцах для испытаний на ударный изгиб.
а); б) - по металлу сварного шва (по оси шва);
в); г) - по металлу в зоне термического влияния (линии сплавления - ЛС).
4.1 Для оценки механических свойств аттестационных соединений диаметром £89 мм должны быть изготовлены три полноразмерных трубчатых образца для испытаний на растяжение и три трубчатых образца для испытаний на сплющивание. Форма и размеры образцов для испытаний на растяжение представлена на рис. 4.1. Размеры образца и схема испытаний на сплющивание представлена на рис. 4.2. Скорость нагружения при испытаниях на растяжение и сплющивание не должна превышать 15 мм/мин. Перед выбором типоразмера труб для аттестации следует произвести расчет площади поперечного сечения трубы и возможного усилия разрыва. Испытание трубчатых образцов на растяжение рекомендуется производить на разрывных машинах с усилием не менее 50 тс.


Рис. 4.2 Эскиз трубчатого образа для испытаний на сплющивание и схема испытаний:
D - диаметр трубы; L - длина образца; Р - направление приложения сжимающей нагрузки; В - величина просвета между сжимающими плитами.
4.2 Перед испытанием трубчатых образцов на растяжение следует удалить усиление сварного шва. В формулу расчета временного сопротивления разрыву должна быть введена площадь сечения трубы вне сварного шва. Концы трубчатого образца перед испытанием могут быть сплющены, если этого требует конструкция разрывной машины. Расстояние от оси шва до начала сплющиваемого участка должно быть в данном случае не менее двух диаметров (2D) трубы. Временное сопротивление разрыву при растяжении трубчатых образцов должно быть не ниже нормативного значения временного сопротивления разрыву, регламентированного стандартом или техническими условиями на поставку труб.
4.3 Перед испытанием трубчатых образцов на сплющивание следует удалить усиление сварного шва заподлицо с основным металлом. При испытании образцов сварной шов располагают по оси сжимающей нагрузки. Результаты испытания образцов на сплющивание характеризуются величиной просвета "В" между сжимающими плитами до появления первой трещины на поверхности образца (рис. 4.2.). Допустимая величина просвета "В" для труб диаметром до 48 мм равна 3S, для труб диаметром 48-89 мм - 4S (S - толщина стенки трубы, мм). Появление надрывов длиной до 5 мм на кромках и на поверхности образца, не развивающихся в трещину в процессе дальнейших испытаний до полного сплющивания образца, браковочным признаком не является.
4.4 Результаты испытаний трубчатых образцов на растяжение и сплющивание оценивают, как среднее арифметическое значение, рассчитанное для трех образцов. Допускается снижение результатов испытаний для одного образца на 10% ниже нормативного значения, если средний арифметический результат отвечает нормативным требованиям.
5.1 Образцы для испытаний углового соединения должны иметь ширину 50 мм (приблизительно) и длину 100-150 мм (см. рис 5.1). Надрез по оси сварного шва выполняют ножовкой на глубину 1,5 мм.
5.2 Образцы для испытания нахлесточного соединения должны иметь ширину 25 мм (приблизительно) и длину 100-150 мм (см. рис. 5.2). Надрез выполняется ножовкой со стороны, противоположной усилению сварного шва. Глубина надреза равна толщине стенки трубы плюс половина высоты поперечного сечения сварного шва. Допускается применение шлифмашинки (с узким шлифкругом) для выполнения части наклонного надреза (пропила) на глубину, равную толщине стенки трубы. Заключительную часть надреза следует выполнять ножовкой.

Рис. 5.1 Форма и размеры образцов для испытания металла шва углового соединения на излом:
1 - надрез ножовкой по оси шва глубиной 1,5 мм; 2 - сварной шов; 3 - обработка сварного шва газовой резкой.

Рис. 5.2. Форма и размеры образцов для испытания металла шва нахлесточного соединения на излом:
1 - надрез глубиной S + половина высоты поперечного сечения сварного шва (S - толщина стенки трубы); 2 - сварной шов; 3 - обработка сварного шва газовой резкой.
5.3 Образцы для испытания на излом должны иметь параллельные гладкие кромки. Следы окалины после газовой резки должны быть удалены путем механической обработки или зачистки шлифмашинкой.
5.4 При испытаниях металла шва на излом образцы разрушают ударом по свободному участку образца при закрепленном другом участке. Удар наносится со стороны корневого слоя шва. Поверхность излома каждого образца должна продемонстрировать полный провар и сплавление между слоями шва. Максимальный размер любой газовой поры не должен превышать 2 мм, а суммарная площадь всех газовых пор не должна быть более 2% площади излома образца. Глубина шлаковых включений - не более 1 мм, а их длина - не более 3,5 мм. Расстояние между соседними шлаковыми включениями должно быть не менее 13 мм. Любые трещины являются браковочным признаком. Не являются браковочным признаком дефекты типа флокенов ("рыбьи глаза").
6.1 Измерение твердости по Виккерсу (НV 10) производят на образцах (макрошлифах), вырезанных таким образом, чтобы были охвачены все участки сварного соединения (шов, зона термического влияния, основной металл). Должна быть обеспечена параллельность сечений шлифа и обработка поверхности в местах замеров с шероховатостью RА не более 0,80 мкм. Схема замера твердости представлена на рис. 6.1. В каждой зоне замера должно быть не менее трех отпечатков (для ЗТВ и основного металла - с двух сторон от оси шва).

Рис. 6.1 Схема замера твердости по Виккерсу в различных зонах сварного соединения
|
Наименование технологии_________________________________________________________ Вид аттестации __________________________________________________________________ Наименование организации-подрядчика (заявителя аттестации) Наименование аттестационного центра: _____________________________________________ Перечень нормативных документов, согласно которым проводится аттестация:______________________________________________________________________ Шифр НТД (операционной технологической карты) по сварке КСС: _____________________ Конструктивный элемент нефтепровода: ____________________________________________ ________________________________________________________________________________ Идентификатор однотипности КСС: ________________________________________________ Порядковый номер (клеймо) КСС: __________________________________________________
Характеристики процесса и данные о сварке контрольного сварного соединения (КСС)
Сварочное оборудование (тип, марка): ______________________________________________ Вспомогательное оборудование и оснастка: __________________________________________Метод подготовки и очистки: _____________________________________________________Требования к прихватке: _________________________________________________________ Защита сварочной ванны/защита корня шва: _________________________________________ Защитный газ: _________________________________________________________________Сварочный флюс: _______________________________________________________________Неплавящийся электрод (тип, размер): ______________________________________________Детали формирования корня шва: __________________________________________________ Параметры процесса сварки КСС**
Примечание: ** - параметры процесса в таблице должны выбираться в соответствии с технологической картой сварки КСС отдельно для каждого способа сварки. В таблице должны быть указаны фактические параметры режима сварки, зарегистрированные в процессе выполнения КСС. Данные о сборке и сварке КСС:*** ________________________________________________________________________________ ________________________________________________________________________________ ________________________________________________________________________________ Примечание: ***- приводятся фактические данные о результатах пооперационного контроля сборки и сварки КСС (температура подогрева, количество и размеры прихваток, величина смещения кромок, межслойная температура, схема выполнения шва, последовательность наложения слоев, толщина и ширина валиков (слоев) шва, данные о послойной очистке и шлифовке шва, геометрические параметры швов и т.п.) Требования к контролю качества КСС
Место сварки КСС: _______________________________________________________________ Дата сварки: ____________________________________________________________________ Погодные условия (температура, скорость ветра): _____________________________________ Данные о сварщиках (операторах)
Дополнительные сведения о проведении аттестации**** ________________________________________________________________________ ________________________________________________________________________ Примечание: **** - по усмотрению аттестационной комиссии приводятся результаты входного контроля сварочных материалов и их подготовки перед сваркой, а также другие сведения, имеющие существенное значение для выполнения КСС по аттестуемой технологии Соответствие содержания настоящей карты технологического процесса требованиям, изложенным в технологии представленной на аттестацию (ТК-__________________) и выполнение подготовки и сварки КСС в соответствии с требованиями НД и данными, указанными выше подтверждаем:
Член аттестационной комиссии: ______________ _____________________ подпись (фамилия, имя, отчество) Представитель организации-заявителя: _____________ _____________________ подпись (фамилия, имя, отчество) Приложения: 1. Технологическая карта сборки и сварки КСС: ________________________________ 2. Сертификат на основной материал: ________________________________________ 3. Сертификаты на сварочные материалы: _____________________________________
|
|||||||||||||||||||||||||||||||||||||||||||||||||||||||||||||||||||||||||||||||||||||||||||||||||||||||||
|
________________________________________________________________________________ (указать название нефтепровода или участка нефтепровода) ____________________ 200__ г. _________________________________________ (дата проведения аттестации) (место проведения аттестации)
8. Наименование конструктивного элемента (соединения) нефтепровода ________________ ______________________________________________________________________________ 9. Характеристика свариваемых труб (деталей)
17. Состав бригады сварщиков, участвующих в аттестации технологии сварки
18. Положение при сварке _________________________________________________________ ________________________________________________________________________________
27. Результаты аттестации: Аттестация технологии сварки проведена в соответствии с вышеупомянутой нормативной документацией, технология сварки рекомендуется к применению при строительстве (капитальном ремонте) нефтепровода (участка нефтепровода) _______________________________________________________________________________ (название нефтепровода или участка нефтепровода) _______________________________________________________________________________ строительно-монтажной организацией _______________________________________________________________________________ (название организации)
Приложения (копии документов): 1. Операционная технологическая карта. 2. Протоколы механических испытаний сварного соединения 3. Заключение по неразрушающему контролю сварных соединений физическими методами. 4. Протокол визуального и измерительного контроля сварных швов; 5. Протокол оценки геометрических параметров шва по макрошлифам (для двухсторонней автоматической сварки под флюсом); 6. Результаты других видов контроля, если они предусмотрены нормативной документацией
Ф.И.О. и подписи членов комиссии
Примечание. По решению аттестационной комиссии допускается корректировка, дополнение и изменение последовательности разделов акта производственной аттестации с учетом особенностей аттестуемой технологии сварки.
|
|||||||||||||||||||||||||||||||||||||||||||||||||||||||||||||||||||||||||||||||||||||||||||||||
ОАО "АК "Транснефть"
ОАО МН
(типовая форма)
|
Рассмотрев документацию, представленную подрядной организацией _______________ _______________________________________________________________________________ название адрес
1. Лицензию на проведение монтажных работ ________________________________________ ________________________________________________________________________________ №, дата 2. Сертификат ОАО "АК "Транснефть" соответствия продукции и услуг ________________________________________________________________________________ №, дата, уровень 3. ППР на проведение монтажных работ _____________________________________________ ________________________________________________________________________________ №, название 4. Технологическую инструкцию на сварку № ________________________________________ 5. Операционные технологические карты: ___________________________________________ ________________________________________________________________________________ ________________________________________________________________________________ ________________________________________________________________________________ 6. Свидетельства НАКС о готовности организации к использованию аттестованной технологии
7. Удостоверения специалистов по сварочному производству:
8. Удостоверения сварщиков
9. Свидетельства НАКС об аттестации применяемого сварочного оборудования
10. Свидетельства об аттестации применяемых сварочных материалов
11. Перечень применяемого организацией сварочного и вспомогательного оборудования
_____________ * - кроме источников тока 12. Паспорт ПИЛ ___________________________________________________________ организация 13. Удостоверения специалистов по контролю
в том числе специалисты, участвующие в комиссии по входному контролю, обеспечивающие приемку качества подготовки кромок и сборки 14. Операционные карты по видам контроля
и проверив практическое выполнение сварки кольцевых стыков труб ___________ в количестве _______ шт. и фактическое состояние применяемого оборудования, а также на основании результатов неразрушающего и разрушающего контроля допускных стыков: Акт по ВИК № ___________ от _____________ Заключение по радиографическому контролю № ______________ от ____________ Протокол механических испытаний № ______________ от ______________ разрешаю ___________________________________________________________________ наименование организации производство сварочно-монтажных работ с применением указанных выше технологий при строительстве (капитальном ремонте) участка нефтепровода ______________________________________________________________________________ название, пикетаж Главный инженер ОАО МН _____________________ Главный сварщик ОАО МН _____________________ Представитель независимого технического надзора _____________________
|
|
ДАО МН ___________________ Подразделение: _____________ Колонна/поток/участок: ______
ДОПУСКНОЙ ЛИСТ СВАРЩИКА № _________________ на сварку трубопровода
от "____" ___________ 200 __ г. ______________________________________________________________________________ (Ф.И.О сварщика) _____________________________________________________________________________ (аттестационное удостоверение, №, дата выдачи, действительно до …) ____________________ __________________ (разряд) (шифр, клеймо) Стаж работы _____________ (лет) Подготовка _____________________________________________________________________, (место прохождения предаттестационной подготовки, АУЦ ДАО МН или учебный центр, комбинат) аттестация: _________________________________ (аттестационный пункт (центр) НАКС) Дата последнего выполнения сварочных работ _______________________________________ (заполняется непосредственно с момента перерыва: отпуск, болезнь и т.д.) Допускной стык сварен _____________ в ходе проведения предаттестационной подготовки в (дата) Аттестационном учебном центре ___________________________________________________ (указать ДАО МН) в соответствии с требованиями _____________________________________________________ (указать норматив(ы))
Заключение по контролю качества допускного стыка: Визуально-измерительный контроль: № _____________________ от "_____" _________200 __г. Радиографический контроль: № _____________________ от "_____" _________200 __г. Контроль по макрошлифам: № _____________________ от "_____" _________200 __г. Механические испытания на ст. изгиб: № _________________ от "_____" _________200 __г. (Заключения по результатам контроля КСС при проведении практического экзамена на данные виды работ в АУЦ ДАО МН (АП НАКС)). По результатам сварки допускного стыка, сварщик допущен к: ___________________ сварке (способ сварки по РД 08.00-60.30.00-КТН-050-1-05, табл. 12.3) соединений ____________________________________ сло(ев)я _________________________ (тип и вид соединения по РД 08.00-60.30.00-КТН-050-1-05, п.п. 12.3.7.3-12.3.7.6) (указать слой, слои, либо "Всех") стыков труб групп(ы) прочности основного металла _____________, толщина _________ мм, диаметр ______________ мм, в положении ___________________________________ (группа(ы) прочности, толщина(ы), диаметр и положение(я) по РД 08.00-60.30.00-КТН-050-1-05, табл. 12.5, 12.6, 12.7 и п. 12.3.7.8 соответ-но)
с применением сварочных материалов ______________________________________________ (тип сварочных материалов (электроды типа Э50А и т.п.) (вид покрытия электродов, защитный газ (флюс) по РД 08.00-60.30.00-КТН-050-1-05, п.п. 12.3.7.9-12.3.7.11) _____________ * Способы сварки, тип и вид сварного соединения, сварочные слои, диапазоны групп прочности, диаметров, толщин, пространственных положений и применяемые сварочные материалы должны быть ограничены с учетом области аттестации сварщика, указанной в аттестационных документах и особенностями применяемого способа сварки.
Главный инженер РНУ ___________________________________________________ (наименование РНУ, ДАО МН, ФИО) подпись, дата Специалист ТН __________________________________________________________ (должность, организация, ФИО) подпись, дата Инженер по сварке РНУ ДАО МН ____________________________________________________________ (наименование РНУ, ДАО МН, ФИО) подпись, дата
|
|
Организация: _______________ Подразделение: _____________ Колонна/поток/участок: ______
ДОПУСКНОЙ ЛИСТ СВАРЩИКА № _________________ на сварку трубопровода
от "____" ___________ 200 __ г. ______________________________________________________________________________ (Ф.И.О сварщика) _____________________________________________________________________________ (аттестационное удостоверение, №, дата выдачи, действительно до …) ____________________ __________________ (разряд) (шифр, клеймо) Стаж работы _____________ (лет) Подготовка _____________________________________________________________________, (место прохождения предаттестационной подготовки, АУЦ ДАО МН или учебный центр, комбинат) аттестация: _________________________________ (аттестационный пункт (центр) НАКС) Дата последнего выполнения сварочных работ _______________________________________ (заполняется непосредственно с момента перерыва: отпуск, болезнь и т.д.)
Заключение по контролю качества допускного стыка: Визуально-измерительный контроль: № ___________________ от "_____" _________200 __г. Радиографический контроль: № _____________________ от "_____" _________200 __г. Контроль по макрошлифам: № _____________________ от "_____" _________200 __г. Механические испытания на ст. изгиб: № __________________ от "_____" _________200 __г. (Методы контроля согласно РД 08.00-60.30.00-КТН-050-1-05, п. 13.11. Методика и дефектовка согласно РД 08.00-60.30.00-КТН-046-1-05). По результатам сварки допускного стыка, сварщик допущен к: ___________________ сварке (способ сварки по РД 08.00-60.30.00-КТН-050-1-05, табл. 12.3) соединений ____________________________________ сло(ев)я _________________________ (тип и вид соединения по РД 08.00-60.30.00-КТН-050-1-05, п.п. 12.3.7.3-12.3.7.6) (указать слой, слои, либо "Всех") стыков труб групп(ы) прочности основного металла _____________, толщина _________ мм, диаметр ______________ мм, в положении ___________________________________ (группа(ы) прочности, толщина(ы), диаметр и положение(я) по РД 08.00-60.30.00-КТН-050-1-05, табл. 12.5, 12.6, 12.7 и п. 12.3.7.8 соответ-но) с применением сварочных материалов ______________________________________________ (тип сварочных материалов (электроды типа Э50А и т.п.) (вид покрытия электродов, защитный газ (флюс) по РД 08.00-60.30.00-КТН-050-1-05, п.п. 12.3.7.9-12.3.7.11) _____________ * Способы сварки, тип и вид сварного соединения, сварочные слои, диапазоны групп прочности, диаметров, толщин, пространственных положений и применяемые сварочные материалы должны быть ограничены с учетом области аттестации сварщика, указанной в аттестационных документах и особенностями применяемого способа сварки.
Руководитель организации (технический) ____________________________________________ (должность, организация, ФИО) подпись, дата Специалист НТН __________________________________________________________ (должность, организация, ФИО) подпись, дата
Инженер по сварке РНУ ДАО МН ____________________________________________________________ (ФИО) подпись, дата Специалист по сварке организации, составивший лист ___________________________________________________ (должность, организация, ФИО) подпись, дата
|
ПРИЛОЖЕНИЕ Е. (Измененная редакция, Изм. № 3).
СОДЕРЖАНИЕ
|