|
|
Все документы, представленные в каталоге, не являются их официальным изданием и предназначены исключительно для ознакомительных целей. Электронные копии этих документов могут распространяться без всяких ограничений. Вы можете размещать информацию с этого сайта на любом другом сайте.
Приказ Федеральной службы по
экологическому, технологическому и атомному надзору Об утверждении и введении в действие Методических указаний по применению статистических методов при проведении инспекций систем учета и контроля ядерных материалов с использованием технических средств измерений Приказываю: 1. Утвердить и ввести в действие с 1 декабря 2008 г. прилагаемые Методические указания по применению статистических методов при проведении инспекций систем учета и контроля ядерных материалов с использованием технических средств измерений (РД 07-16-2008). 2. Считать не подлежащими применению с 1 декабря 2008 г.: приказ Госатомнадзора России от 19 января 2000 г. N 4 "Об утверждении и введении в действие Временных методических указаний по применению технических средств контроля и измерений ядерных материалов на ядерных установках и в пунктах хранения ядерных материалов"; приказ Госатомнадзора России от 20 декабря 2002 г. N 129 "Об утверждении и введении в действие Методических указаний по применению статистических методов при проведении инспекций систем учета и контроля ядерных материалов с использованием технических средств измерений".
Руководитель Н.Г. Кутьин Руководящие документы Методические указания по применению статистических методов при проведении инспекций систем учета и контроля ядерных материалов с использованием технических средств измерений РД 07-16-2008
Зарегистрированы Федеральной службой Введены в действие с 01 декабря 2008 г. I. Общие положения1. Методические указания по применению статистических методов при проведении инспекций систем учета и контроля ядерных материалов с использованием технических средств измерений (далее - Методические указания) определяют совокупность и последовательность действий по применению статистических методов на этапах подготовки, проведения и анализа результатов инспекций систем учета и контроля ядерных материалов, а также порядок использования технических средств измерений на ядерных установках всех типов и в пунктах хранения ядерных материалов (далее - ядерные установки) за исключением ядерных установок военного назначения. Используемые технические средства измерений ядерных материалов могут находиться в собственности Федеральной службы по экологическому, технологическому и атомному надзору (далее - Служба), эксплуатирующей организации (лицензиата) и других организаций. 2. Методические указания разработаны на основе действующих в области использования атомной энергии нормативных правовых актов Российской Федерации, в том числе Положения о системе государственного учета и контроля ядерных материалов (постановление Правительства Российской Федерации от 06 мая 2008 г. N 352), Положения о Федеральном службе по экологическому, технологическому и атомному надзору (постановление Правительства Российской Федерации от 30 июля 2004 г. N 401) с изменениями, внесенными в указанное Положение постановлением Правительства Российской Федерации от 29 мая 2008 г. N 404, а также Положения об организации государственного надзора за безопасностью при использовании атомной энергии (РД-03-43-98) и Основных правил учета и контроля ядерных материалов (НП-030-05). 3. Методические указания обязательны для выполнения специалистами Службы (центрального аппарата и межрегиональных территориальных управлений по надзору за ядерной и радиационной безопасностью), принимающими участие в инспекциях систем учета и контроля ядерных материалов на ядерных установках, программами проведения которых предусмотрено использование технических средств измерений для проверки наличия ядерных материалов. 4. Используемые в Методических указаниях сокращения и их расшифровка приведены в приложении N 1. 5. В Методических указаниях используются термины, установленные в Положении о системе государственного учета и контроля ядерных материалов и Основных правилах учета и контроля ядерных материалов (НП-030-05), а также термины и их определения, приведенные в приложении N 2. II. Цели проведения инспекционных измерений6. Целями инспекционных измерений являются: - выявление недостачи/излишка порогового количества ядерного материала; - подтверждение фактического наличия ядерных материалов; - оценка состояния учета и контроля ядерных материалов. 7. Для выявления недостачи/излишка порогового количества ядерного материала проверяют наличие всех учетных единиц и наличие ядерного материала в каждой учетной единице. При этом возможно применение статистической выборки для снижения объема инспекционных измерений. При отсутствии времени для измерения всей рассчитанной выборки допускается проводить меньшее (по сравнению с рассчитанной выборкой) количество измерений. На основе результатов измерений делается вывод о наличии или отсутствии недостачи/излишка порогового количества ядерного материала с соответствующей вероятностью обнаружения. 8. Подтверждение фактического наличия ядерных материалов проводится исходя из времени, отведенного на инспекционные измерения. В зависимости от категории ядерного материала, его состава, химической формы, других характеристик, требуемой точности измерения - выбираются одна или несколько методик выполнения измерений, один или несколько приборов неразрушающего контроля. На основе данных измерений делается вывод о фактическом наличии ядерного материала, измеренного в ходе инспекции. При выборе измеряемого ядерного материала необходимо учитывать условия его сохранности и достоверность данных о нем. 9. Оценка состояния учета и контроля ядерных материалов при помощи инспекционных измерений заключается в определении отсутствия аномалий в учете и контроле ядерных материалов. При проведении таких измерений необходимо проанализировать возможные аномалии (ошибки, несовершенство) в учете и контроле данного вида ядерного материала. Методики проведения измерений и приборы неразрушающего контроля выбираются таким образом, чтобы максимально обеспечить определение наличия или отсутствия аномалии в учете и контроле выбранных ядерных материалов. Ядерные материалы для измерений выбираются исходя из оценки возможностей возникновения и обнаружения аномалий в их учете и контроле. 10. Статистические методы при проведении инспекционных измерений применяются для обоснования выбора инспектируемой ЗБМ и учетных единиц, подлежащих инспекционным измерениям, а также для анализа результатов измерений. III. Принципы выполнения измерений ядерных материалов инспекторами службы11. Принципы выполнения измерений ядерных материалов инспекторами Службы: Ресурсная поддержка, обеспеченность всех работ, связанных с проведением измерений ядерных материалов необходимыми приборами, материалами, обеспечение доставки приборов и вспомогательного оборудования. Организация совместного использования технических средств, находящихся в ведении инспекторского состава и в ведении поднадзорных организаций. Дифференцированный подход к выбору объемов измерений и измеряемых характеристик ядерных материалов в зависимости от категорий ядерных материалов, достигнутого состояния системы учета и контроля на поднадзорном объекте, с учетом оснащенности инспекторского состава и поднадзорного объекта техническими средствами. Независимость инспекторов Службы от персонала поднадзорного объекта при организации выбора ядерных материалов для измерений, при выборе методов измерений и измеряемых характеристик, при интерпретации результатов измерений и принятии решений на их основе. При этом проведение измерений не должно необоснованно ограничивать деятельность поднадзорных организаций. Открытость для поднадзорных организаций информации о методиках, процедурах и результатах измерений ядерных материалов инспекторами Службы. Ответственность, основанная на понимании каждым инспектором выполняемой задачи, заключается в осознании персональной ответственности и важности соблюдения требований, норм и правил, разграничение ответственности сторон, участвующих в проведении измерений. Всю полноту ответственности за надлежащее обращение с ядерными материалами несут эксплуатирующие организации. Ответственность за обеспечение надлежащего государственного надзора несут органы государственного регулирования безопасности при использовании атомной энергии. 12. Указанные принципы реализуются поддержанием: Профессионализма и компетентности. Подразумевают эффективную систему обучения и повышения квалификации инспекторов. Контроля качества измерений. Обеспечение качества выполняемых измерений путем исполнения правил, норм, процедур и методик при проведении измерений. 13. Соблюдение этих принципов при подготовке и проведении измерений ядерных материалов ведет к обеспечению надлежащего качества измерений и повышению вероятности обнаружения несанкционированного использования ядерных материалов, а также аномалий в учете и контроле ядерных материалов. IV. Требования к инспекторам службы, осуществляющим измерения ядерных материалов с применением технических средств14. К работе с использованием технических средств допускаются инспекторы, имеющие документ, подтверждающий факт их обучения в специализированных центрах подготовки, и имеющие практические навыки по применению технических средств и навыки статистической обработки измерений. 15. При применении технических средств инспекторы Службы обязаны: - использовать технические средства по назначению; - подготавливать технические средства к измерениям в соответствии с инструкциями по их эксплуатации; - эксплуатировать технические средства в соответствии с инструкциями по эксплуатации; - планировать организацию инспекционных измерений с осуществлением необходимых процедур по оформлению допуска к работе с ядерными материалами; - правильно оформлять результаты измерений ядерных материалов; - соблюдать требования нормативных документов по защите информации при оформлении результатов измерений и подготовке отчетных документов; - соблюдать требования радиационной безопасности и правил охраны труда при проведении измерений ядерных материалов и обращении со стандартными образцами в соответствии с требованиями нормативных документов. V. Использование статистических методов при выборе ЗБМ и учетных единиц для инспекционных измерений16. Выбор инспектируемых ЗБМ из числа имеющихся на ядерной установке производится на этапе составления рабочей программы проведения инспекции с учетом типа применяемых технических средств измерений, времени и условий планируемых измерений, а также категории ядерных материалов. В случае наличия на ядерной установке нескольких ЗБМ с ядерными материалами различных категорий выбор инспектируемых ЗБМ необходимо проводить способом, изложенным в приложении N 3. 17. Ядерный материал в ЗБМ, который может быть измерен с помощью применяемых инспектором технических средств измерений, проверяется полностью, если времени и других ресурсов достаточно для проведения инспекционных измерений всех учетных единиц. В противном случае проводятся измерения учетных единиц, отобранных случайным образом из общего числа учетных единиц в ЗБМ. При этом необходимо применять дифференцированный подход, учитывающий влияние трех факторов: категория ядерного материала, объем применения к нему СКД и масса ядерного материала в учетной единице. 18. Для реализации указанного дифференцированного подхода учетные единицы распределяются по стратам, и составляется перечень учетных единиц, входящих в каждую страту, при этом объем выборки задается двумя величинами: G - пороговым количеством ядерных материалов в единицах массы и Р - вероятностью обнаружения недостачи/излишка порогового количества ядерных материалов в безотносительных единицах. 19. Для ядерных материалов категорий 1, 2 и 3* пороговое количество G должно приниматься равным: - 3 кг - для плутония, урана-233; - 8 кг - для урана-235. Для урана с обогащением менее 20% (категория 4) пороговое количество G принимается равным 70 кг по урану-235. ______________________________ * Категории ядерных материалов определяются в соответствии с Основными правилами учета и контроля ядерных материалов (НП-030-05).
20. Вероятность обнаружения недостачи/излишка Р необходимо определять в соответствии с таблицей. Таблица Вероятность обнаружения недостачи/излишка порогового количества ядерных материалов для расчета объема выборки подтверждающих измерений
21. Если ядерные материалы представлены в форме учетных единиц, целостность которых при нахождении в ЗБМ в межбалансовом периоде обеспечена их конструкцией (например, неразборные тепловыделяющие сборки или диски, блочки, изделия с ядерными материалами, покрытые оболочками, в результате чего ядерные материалы не могут быть извлечены из них без нарушения целостности оболочек) и может быть подтверждена (например, визуальным осмотром, сравнением образов гамма - или ультразвукового сканирования швов сварки), то для этих ядерных материалов при расчете объема выборки для инспекционных измерений следует использовать значения вероятностей обнаружения, аналогичные применяющимся к ядерным материалам с УИВ. 22. Перед расчетом объема выборки необходимо рассчитать величину отношения G/x. 23. Расчет объема выборки (n) осуществляется следующим образом (см. пример расчета в приложении N 4): при величине G/x£N, объем выборки (n) рассчитывается по формуле
при величине G/x>N, объем выборки (n) рассчитывается по формуле
N - количество учетных единиц в страте; х - средняя масса ядерного материала в одной учетной единице;
24. Если время, отведенное на проведение инспекционных измерений, не позволяет провести измерения ядерного материала в рассчитанном числе учетных единиц, то объемы выборок по каждой страте для проведения измерений уменьшаются пропорционально времени, отведенному для измерений. Решение об уменьшении объема выборки принимает инспектор, проводящий измерений. Объем выборок для проведения измерений может быть увеличен по решению инспектора также пропорционально, если время, отведенное на проведение инспекционных измерений, позволяет провести большее число измерений (см. пример расчета в приложении N 4). Если объем выборки не соответствует рассчитанному, то пересчету подлежит и значение вероятности обнаружения недостачи/излишка порогового количества ядерных материалов для каждой страты по обратной формуле:
Пересчитанное значение вероятности обнаружения приводится в акте инспекции. 25. Номера подлежащих измерению учетных единиц выбираются случайным образом из перечня проверяемых учетных единиц каждой страты. Случайный выбор производится с помощью функции RND микрокалькулятора или другим известным доступным способом с предварительным присвоением каждой учетной единице проверяемой страты порядкового номера от 1 до N. 26. После выбора учетных единиц инспектор запрашивает у персонала ядерной установки необходимые данные о них (идентификатор учетной единицы, номер УИВ, массу брутто ядерного материала и ее погрешность, процентное содержание целевого изотопа ядерного материала и погрешность его определения). VI. Порядок использования технических средств при проведении инспекционных измерений27. Подготовка к применению технических средств должна включать в себя следующие мероприятия: - изучение руководств, инструкций и методик проведения измерений; - проверку обеспечения требований радиационной безопасности при проведении работ со стандартными образцами; - определение типа технического средства для достижения требуемых целей инспекционных измерений; - проверку работоспособности технических средств и подготовку стандартных образцов для обеспечения градуировки технических средств; - подготовку бланков протоколов измерений; - подготовку рабочего места для проведения работ с техническими средствами на ядерной установке, включая обеспечение оптимальной геометрии измерений ядерных материалов, исключение влияния на результаты измерений расположенных рядом источников ионизирующего излучения, обеспечение электрического питания приборов и исключения радиоактивного загрязнения технических средств, а также защиту от вредных производственных факторов (обеспечение спецодеждой, средствами индивидуальной защиты, дозиметрами). 28. Градуировка проводится в соответствии с требованиями методики выполнения измерений. 29. Для проведения градуировки технического средства по энергии используются стандартные g-источники комплекта ОСГИ или подходящие образцы ядерного материала. 30. Порядок допуска инспекторов Службы к работе со стандартными образцами должен соответствовать требованиям Основных санитарных правил обеспечения радиационной безопасности ОСПОРБ-99 (СП 2.6.1.799-99) и Норм радиационной безопасности НРБ-99 (СП 2.6.1.758-99). 31. Перед выполнением измерений инспектор должен проверить наличие учетных единиц в установленных местах, целостность упаковок и состояние УИВ. 32. Все измерения ядерных материалов должны производиться в присутствии ответственного представителя инспектируемой организации. 33. Инспекторам Службы, осуществляющим измерения ядерных материалов на ядерных установках, запрещается вмешиваться в технологический процесс ядерной установки и самостоятельно перемещать ядерные материалы. 34. В случае отказа персонала ядерной установки от предоставления выбранной для проведения измерения учетной единицы необходимо потребовать его аргументированного обоснования. При наличии аргументированного (документально подтвержденного) обоснования инспектор заменяет ранее выбранную учетную единицу на другую из той же страты. При отсутствии аргументированного (документально подтвержденного) обоснования инспектор вправе расценить это как утрату учетной единицы. 35. Для проведения измерений ядерных материалов необходимо установить технические средства на организованном рабочем месте и провести измерения выбранных ядерных материалов в соответствии с планом проведения измерений и методиками выполнения измерений (приложения NN 5 - 8). 36. Результаты измерений должны быть оформлены протоколами (приложение N 9). 37. В процессе проведения измерений необходимо проводить оперативный контроль качества измерений в соответствии с методиками выполнения измерений. 38. Результат измерения характеристики каждой учетной единицы, а также погрешность инспекционного измерения (sинсп.) заносятся в протокол измерений. Погрешность инспекционного измерения определяется по соответствующей методике выполнения измерений. VII. Анализ результатов измерений39. На каждую измеренную учетную единицу предварительно запрашиваются у персонала ядерной установки учетные данные и соответствующие им погрешности учетных измерений, по которым определяются среднеквадратические погрешности учетных измерений (sучетн.). Эти данные должны быть в наличии на ядерной установке в соответствии с требованиями пунктов 3.3.2 и 6.1.5 Основных правил учета и контроля ядерных материалов (НП-030-05). 40. Если значение погрешности учетного измерения неизвестно - оно принимается равным нулю. 41. Значения контрольного допуска (К) для каждого результата измерений рассчитываются по формуле:
где s - погрешность, приведенная к вероятности 0,67
Результаты расчета необходимо занести в протокол измерений. Протокол должен быть подписан инспектором, проводившим измерения, а в случае выявления аномалии и представителем администрации ядерной установки, присутствовавшим при проведении измерений. Пример расчета контрольного допуска приведен в приложении N 10. 42. При обнаружении значимых расхождений результатов измерений, проведенных инспектором, с учетными данными инспектируемой организации (три среднеквадратических отклонения), следует убедиться в исправности технического средства и правильности выполнения измерений. После этого необходимо повторно выполнить измерения. Если повторное измерение дало подозрение на аномалию, инспектор должен провести измерение учетной единицы по наиболее точной методике выполнения измерений, доступной для использования. 43. Если результат такого измерения также не совпадает с учетными данными в пределах контрольного допуска, инспектор сообщает представителю организации о подозрении на аномалию и требует провести изучение данной учетной единицы. В результате изучения должны быть установлены причины несоответствия результата измерения инспектора учетным данным для соответствующей учетной единицы. При этом либо устанавливается, что аномалия подтверждается и в организации создается комиссия по ее расследованию (в соответствии с нормативными документами предприятия), либо подтверждаются учетные данные и определяется отсутствие аномалии, при этом необходимо найти причину несовпадения результата инспекционного измерения (несоответствие условий измерения условиям применимости методики, неисправность прибора и т.д.). 44. Вывод представителей организации о подтверждении учетных данных и отсутствии аномалии должен быть подтвержден результатами неразрушающего либо разрушающего контроля (при этом должны использоваться аттестованные методики измерений), или представлено обоснованное объяснение несовпадения результата инспекционного измерения с учетными данными. В случае несогласия инспектора с результатами расследования, проведенного организацией, инспектор может потребовать проведения арбитражных измерений в соответствии с отраслевым стандартом ОСТ 95-10571. 45. Инспектор должен установить пломбировочное устройство на учетную единицу, для которой результат измерения указывает на возможность аномалии. Порядок применения пломбировочных устройств устанавливается соответствующими руководящими документами. Пломбировочное устройство устанавливается для подтверждения отсутствия несанкционированного доступа к материалу в период проведения расследования подозрения на аномалию. При проведении расследования вскрытие контейнера, отбор проб из него и анализ должны производиться в присутствии инспектора (для исключения возможности подмены ядерного материала) либо по согласованию с ним. VIII. Использование технических средств46. При проведении инспекционных измерений инспекторы Службы могут использовать как приборы, находящиеся в распоряжении структурных подразделений Службы, так и приборы поднадзорных организаций - по взаимной договоренности. Весы также относятся к приборам неразрушающего контроля и могут использоваться для подтверждения количества ядерного материала и/или его характеристик. 47. Для используемых приборов неразрушающего контроля должен выполняться требуемый контроль работоспособности, требования обеспечения качества измерений, другие требования к использованию приборов неразрушающего контроля ядерных материалов. 48. При получении территориальными органами Службы технических средств приказом руководителя межрегионального территориального управления по надзору за ядерной и радиационной безопасностью назначаются лица, ответственные за их эксплуатацию и сохранность, выделяются необходимые помещения, а также определяется список инспекторов управления, которым разрешается работа с техническими средствами. 49. Ответственные за эксплуатацию и сохранность технических средств должны вести Журнал приема (передачи) технических средств (приложение N 11). 50. В процессе эксплуатации технических средств возможны неисправности и отказы. Возможные неисправности технических средств должны быть описаны в инструкции на соответствующий тип технического средства. Для контроля работоспособности технического средства необходимо, в соответствии с инструкцией по его эксплуатации или методикой проведения измерений, проводить калибровки и проверять состояние источников питания. 51. О выявленных в результате проверки работоспособности неисправностях составляется акт технического состояния, в котором подробно описываются выявленные неисправности и характер их проявления. Акт технического состояния подписывается комиссией из трех человек и утверждается руководителем структурного подразделения (приложение N 12). Техническое средство вместе с соответствующим актом направляется в организацию, осуществляющую ремонт. 52. Ремонт технических средств производится в центрах технической поддержки Службы и организациях-поставщиках (с учетом гарантийного срока технического средства). IX. Использование стандартных образцов53. При проведении процедур градуировки и обеспечения качества измерений инспекторы Службы могут использовать как стандартные образцы, находящиеся в распоряжении ее структурных подразделений, так и стандартные образцы поднадзорных организаций - по взаимной договоренности. 54. Необходимо, чтобы у стандартного образца был действующий сертификат о соответствующем уровне аттестации. При отсутствии стандартных образцов допускается использовать для процедур градуировки и обеспечения качества измерений образцы, выбранные из доступных образцов, находящихся в поднадзорной организации. Такие образцы должны иметь характеристики, определенные с точностью, превышающей точность соответствующей используемой методики измерений. Как правило, должны использоваться образцы с характеристиками, определенными при помощи масс-спектрометрического измерения, при этом необходимо, чтобы соответствующая методика измерений при помощи массспектрометра имела действующий сертификат об аттестации. X. Использование методик выполнения измерений55. При проведении инспекционных измерений инспекторы Службы должны использовать по возможности методики выполнения измерений, имеющие государственный уровень аттестации, так как они могут применяться в любых поднадзорных организациях, независимо от ведомственной принадлежности. Также могут использоваться методики, имеющие отраслевой уровень аттестации (в организациях, принадлежащих данному ведомству) или аттестованные на уровне организации (только в пределах данной организации). 56. При этом инспектор должен по возможности использовать методику выполнения измерений, используемую в системе учета и контроля инспектируемой организации для данного ядерного материала. Если методика, имеющаяся у инспектора, обеспечивает более точное измерение - инспектор должен стремиться использовать более точную методику выполнения измерений (или методику выполнения измерений с более высоким уровнем аттестации при совпадающей точности). Также при выборе методики выполнения измерений следует учитывать время и точность измерения, характерные для проведения измерений соответствующими методиками выполнения измерений. 57. При проведении измерений необходимо выполнять условия измерений, требуемые соответствующими методиками выполнения измерений. Также необходимо проводить все процедуры контроля качества измерений, контроля работоспособности и т.д., требуемые соответствующей методикой выполнения измерений. XI. Планирование инспекций с инспекционными измерениями58. Планирование инспекций с инспекционными измерениями осуществляется соответствующими структурными подразделениями Службы, под надзором которых находится организация. В общем случае инспекции с использованием приборов неразрушающего контроля должны проводиться в каждой поднадзорной организации, обращающейся с ядерными материалами, доступными для проведения измерений средствами. 59. Частота проведения инспекций в поднадзорных организациях, а также объем проведения измерений во время инспекции определяются в соответствии с Положением о надзоре за системой государственного учета и контроля ядерных материалов (РД-08-01-2003): должна проводиться одна инспекция в год состояния учета и контроля ядерных материалов в организации и одна в каждой ЗБМ. Рекомендуемая частота проведения инспекций с использованием приборов неразрушающего контроля приведена в приложении N 13. После составления плана инспекций на следующий год на его основе составляется Программа инспекций с применением ПНК на следующий год и направляется в Управление по регулированию безопасности объектов ядерного топливного цикла, ядерных энергетических установок судов и радиационно-опасных объектов, надзору за учетом и контролем ядерных материалов и радиоактивных веществ и физической защитой Ростехнадзора. Форма, по которой составляется Программа инспекций, приведена в приложении N 14. Приложение N 1(справочное) Перечень сокращений и их расшифровкаВОУ - высокообогащенный уран. ЗБМ - зона баланса материалов. МВИ - методика выполнения измерений. НОУ - низкообогащенный уран. ОСГИ - образцы спектрометрические гамма-излучения. ПНК - прибор неразрушающего контроля. СКД - средства контроля доступа. СО - стандартный образец. ТВС - тепловыделяющая сборка. ТС - техническое средство. УЕ - учетная единица. УИВ - устройства индикации вмешательства. ЯМ - ядерный материал. Приложение N 2(справочное) Термины и их определенияВЫБОРКА - учетные единицы с ядерными материалами, выбранные по определенному принципу, в определенном порядке. ВЫСОКООБОГАЩЕННЫЙ УРАН - уран с обогащением не менее 20% по изотопу уран-235. ГРАДУИРОВКА - процесс определения градуировочной характеристики (ГХ). ГХ - зависимость между значениями величин на входе и выходе средства измерений, полученная экспериментально. ИЗМЕРЕНИЕ ЯДЕРНЫХ МАТЕРИАЛОВ - измерение количества или изотопного состава ядерного материала. ИНСПЕКЦИОННЫЕ ИЗМЕРЕНИЯ - проводимые в ходе инспекции измерения, результаты которых используются для проверки всех или некоторых количественных характеристик и (или) атрибутивных признаков ядерных материалов, учетных единиц, продуктов. КАТЕГОРИЯ ЯДЕРНОГО МАТЕРИАЛА - количественная характеристика значимости ядерного материала с точки зрения учета и контроля ядерных материалов, определяемая в соответствии с Основными правилами учета и контроля ядерных материалов (НП-030-05). КОНТРОЛЬНЫЙ ДОПУСК - наибольшая допустимая величина модуля разности между значением результата инспекционного измерения и значением учетной характеристики ядерного материала. НИЗКООБОГАЩЕННЫЙ УРАН - уран с обогащением менее 20% по изотопу уран-235. ПОГРЕШНОСТЬ ИЗМЕРЕНИЯ - отклонение результата измерения от истинного значения измеряемой величины. Статистическая оценка погрешности служит мерой точности измеряемой величины. СИСТЕМА УЧЕТА И КОНТРОЛЯ ЯДЕРНЫХ МАТЕРИАЛОВ - система организационных и технических мероприятий, обеспечивающих определение и подтверждение на периодической основе присутствия ядерного материала в предписанных местах нахождения, незамедлительное расследование аномалий, потенциально или явно указывающих на утрату, хищение или несанкционированное использование ядерных материалов, своевременное представление информации и содействие в расследовании и возврате ядерных материалов. СТАНДАРТНЫЙ ОБРАЗЕЦ - образец вещества (материала) с установленными в результате метрологической аттестации значениями одной или более величин, характеризующими свойство или состав этого вещества (материала). СТРАТА - совокупность отдельных учетных единиц с одинаковыми или близкими физическими характеристиками и химическим составом ядерных материалов для осуществления статистической выборки при проведении инспекционных измерений. СРЕДСТВО ИЗМЕРЕНИЯ - техническое средство, предназначенное для измерений, имеющее нормированные метрологические характеристики, воспроизводящее и (или) хранящее единицу физической величины, размер которой принимают неизменным (в пределах установленной погрешности) в течение известного интервала времени. Приложение N 3(обязательное) Пример выбора ЗБМ на ядерной установке с ядерными материалами различных категорий для проведения измеренийПредположим, что инспектор должен сделать выбор из шести ЗБМ с ядерными материалами различных категорий. Чтобы ЗБМ первой категории проверялась чаще, чем остальные, а ЗБМ второй категории чаще, чем ЗБМ третьей и четвертой категорий и т.д. инспектор должен каждой ЗБМ назначить вес, равный числу физических инвентаризаций ядерных материалов в ЗБМ в течение календарного года. Например: в ЗБМ с ядерными материалами первой категории - 12, второй категории - 4, третьей категории - 2 и четвертой категории - 1. После этого инспектор составляет таблицу: Таблица Выбор ЗБМ на ядерной установке с ядерными материалами различных категорий для проведения измерений
Нарастающий итог веса ЗБМ определяется как результат суммирования весов предыдущих ЗБМ с весом последующей ЗБМ. Затем инспектор должен вызвать на микрокалькуляторе функцию RND, выдающую случайное число в пределах от 0 до 1 и полученный результат умножить на конечный нарастающий итог веса ЗБМ (в нашем примере это будет - 35). Далее он округляет полученное значение до ближайшего большего целого. Если результат округления окажется равным 1 или 2, то необходимо проверить ЗБМ N 1, если 3, 4, 5 или 6 - то ЗБМ N 2, если 7 - то ЗБМ N 3, а если от 8 до 19 - то ЗБМ N 4 и т.д. Приложение N 4(рекомендуемое) Пример расчета объемов выборок, а также их пересчета в условиях недостатка/избытка времени на проведение инспекционных измерений ядерных материаловВ ЗБМ находится три страты ядерных материалов, в каждой из которых содержится 1000 учетных единиц. Определение страты приведено в приложении N 2. На практике в отдельные страты принято объединять ТВС одной партии, либо однотипные ТВС; одинаковые в пределах технических условий учетные единицы для формирования критических (подкритических) сборок; партии одинаковых продуктов, на которые оформляется общий паспорт и т.д. В научно-исследовательских организациях, а также в организациях, где номенклатура используемых ядерных материалов велика, количество страт также может оказаться большим. В таких случаях инспектор, исходя из отведенного на измерения времени, может из всего списка страт выбрать случайным образом (с помощью функции RND) выбрать те, которые он будет исследовать. При этом возможно использование способа, описанного в приложении N 3 (назначение весов стратам производится инспектором исходя из поставленных перед ним задач, собственного опыта). Первая и вторая страты представлены одинаковыми учетными единицами, содержащими металлический высокообогащенный уран в алюминиевой оболочке с номерами, выполненными электроискровым карандашом. Подобным образом выполнены учетные единицы третьей страты, содержащие металлический низкообогащенный уран. В каждой из учетных единиц, содержащих ВОУ и НОУ, находится по 1000 г урана 235U. Учетные единицы первой страты в данный межбалансовый период после использования в эксперименте были извлечены из критсборки, помещены в трубы как в контейнеры, трубы опечатаны после регистрации соответствующих учетных данных. Учетные единицы второй и третьей страт в данный МБП не использовались, и находились в опечатанных трубах с момента предыдущей инвентаризации. Таким образом, для первой страты вероятность обнаружения принимается равной 0,5 в соответствии с пунктом 22 настоящих Методических указаний, а для второй и третьей страт - равной 0,25, так как материалы второй и третьей страт находились еще и под системой наблюдения. 1) Как рассчитать объем выборки для инспекционных измерений в каждой из страт? Поскольку отношение G/x для первой и второй страт 8000/1000=8, а для третьей 70000/1000=70 и во всех случаях G/x£N (значение N для каждой из страт равно 1000), то для расчета объема выборки во всех случаях используем формулу (1) из пункта 24 настоящих Методических указаний. По-видимому, в тексте предыдущего абзаца допущена опечатка. Имеется в виду пункт 23 В соответствии с формулой (1) и параметрами G и Р, установленными в п.п. 20 - 22 настоящих Методических указаний, для первой страты объем выборки составит:
Для второй страты:
Для третьей страты:
Всего должно быть подвергнуто инспекционным измерениям: 83+36+1=120 учетных единиц. 2) Как пересчитать объем выборки для инспекционных измерений в каждой из страт в случае недостатка времени на проведение измерений? Допустим, на проведение одного измерения требуется время tодно изм.»0,25 час, а все время, выделенное на проведение измерений во время инспекции, tвсе изм.»10 час. За время, отведенное на проведение инспекционных измерений, можно проверить »40 учетных единиц. Пересчитанные объемы выборок n* для проведения измерений в каждой страте должны быть уменьшены пропорционально времени, имеющемуся на проведение измерений, следующим образом:
Таким образом, получаем:
Округляя Аналогично:
Округляя 28+12+1=41 учетная единица. При этом достигнутые значения вероятности обнаружения недостачи/излишка порогового количества ядерных материалов для страт составят: для первой страты
для второй страты
для третьей страты
3) Как пересчитать объем выборки для инспекционных измерений в каждой из страт в случае излишка времени на проведение измерений? Допустим, на проведение одного измерения требуется время tодно изм.»3 мин, а все время, выделенное на проведение измерений во время инспекции, tвсе изм.»10 час. За время, отведенное на проведение инспекционных измерений, можно было бы проверить 200 учетных единиц. Пересчитанные объемы выборок n* для проведения измерений в каждой страте могут быть увеличены пропорционально времени, имеющемуся на проведение измерений, следующим образом:
Округляя
Округляя
Округляя Всего может быть подвергнута инспекционным измерениям: 139+60+2=201 учетная единица. При этом достигнутые значения вероятности обнаружения недостачи/излишка порогового количества ядерных материалов для страт составят: для первой страты
для второй страты
для третьей страты
Приложение N 5(обязательное) Уран и его соединения. Методика выполнения измерений массовой доли изотопа урана-235 гамма-спектрометрическим методом с использованием гамма-спектрометра INSPECTOR с сцинтилляционным детектором на основе NAI и программы IMCA
Приложение Метрологические характеристики МВИ 223.13.17.103/2006 "ГСИ. Уран и его соединения. Методика выполнения измерений массовой доли изотопа урана-235 гамма-спектрометрическим методом с использованием гамма-спектрометра InSpector с сцинтилляционным детектором на основе Nal и программы IMCA" Приписанные характеристики погрешности - среднее квадратическое отклонение (СКО) повторяемости sr, СКО воспроизводимости sR при n=1 и n=3, систематическая составляющая погрешности dС, границы погрешности измерений d при n=1 и n=3 в относительной форме, %, при доверительной вероятности Р=0,95 для различных диапазонов массовых долей урана-235 в уране и его соединениях в зависимости от времени измерения и толщины стенки контейнера (упаковки) из стали, приведены в таблицах 1 - 3. Таблица 1 - Характеристики погрешности измерений массовой доли урана-235 с использованием коллиматора диаметром 44 мм
Зав. лабораторией ГНМЦ ФГУП "УНИИМ" Г.И. Терентьев
Дата выдачи свидетельства: 03.2006 г. Срок действия свидетельства: 03.2011 г. Таблица 2 - Характеристики погрешности измерений массовой доли урана-235 с использованием коллиматора диаметром 18 мм
Зав. лабораторией ГНМЦ ФГУП "УНИИМ" Г.И. Терентьев
Дата выдачи свидетельства: 03.2006 г. Срок действия свидетельства: 03.2011 г. Таблица 3 - Характеристики погрешности измерений массовой доли урана-235 для коллиматора диаметром 10 мм
Зав. лабораторией ГНМЦ ФГУП "УНИИМ" Г.И. Терентьев
Дата выдачи свидетельства: 03.2006 г. Срок действия свидетельства: 03.2011 г. Государственная система обеспечения единства измерений Уран и его соединения. Методика выполнения измерений массовой доли изотопа урана-235 гамма-спектрометрическим методом с использованием гамма-спектрометра InSpector с сцинтилляционным детектором на основе Nal и программы IMCA МВИ 223.13.17.103/2006 (утв. Управлением Федеральной службы по экологическому, технологическому и атомному надзору и отделением ФГУП "ВНИИМ им. А.А. Бочвара") Дата введения - 2006 - МВИ 223.13.17.103/2006 Предисловие 1 Разработана ФГУП "ВНИИНМ им. А.А. Бочвара" Ведущий научный сотрудник, к.т.н. /подпись/ Т.К. Рагимов "__" __________ 2006 г. Старший научный сотрудник, к.т.н. /подпись/ В.И. Тимошин "__" __________ 2006 г. Научный сотрудник /подпись/ A.H. Сиротинин "__" __________ 2006 г. Инженер /подпись/ А.А. Самойлов "__" __________ 2006 г. Федеральной службой по экологическому, технологическому и атомному надзору Заместитель начальника Управления /подпись/ Б.Н. Крупчатников "__" __________ 2006 г. Главный специалист /подпись/ Д.А. Боков "__" __________ 2006 г. 2 Аттестована Государственным научным метрологическим центром (ГНМЦ) - Федеральным государственным унитарным предприятием "Уральский научно-исследовательский институт метрологии" (ГНМЦ ФГУП "УНИИМ") Зав. лабораторией 223, к.ф.-м.н. /подпись/ Г.И. Терентьев "__" __________ 2006 г. 1 Область применения Настоящий документ устанавливает методику выполнения измерений массовой доли (обогащения) изотопа урана-235 (м.д. 235U) в уране, его соединениях и сплавах на его основе (далее - в уране), находящихся непосредственно в контейнерах, упаковках и учетных единицах из различных материалов (сталь, алюминий, стекло, полиэтилен и др.) гамма-спектрометрическим методом с использованием гамма-спектрометра InSpector. Обработку результатов измерений м.д. 235U в уране проводят с использованием компьютерной программы IMCA. Диапазоны измеряемых значений м.д. 235U в уране приведены в таблицах 1 - 3. При измерениях проводят одно (n=1) или три (n=3) параллельных определения в зависимости от требуемой точности. Время набора одного аппаратурного спектра гамма-излучения 300, 500, 1000 с. Анализируемая проба урана должна быть однородной по всему объему, как по изотопному составу, так и по составу матрицы. Содержание изотопа 232U в анализируемом уране с массовой долей более (10-91,25E235), %, где E235 - м.д. 235U в уране, %, ограничивает возможность использования методики. При отсутствии данных о химической форме урансодержащего материала, толщине стенок и материале контейнера данная методика выполнения измерений м.д. 235U в уране не может быть применима. 2 Нормативные ссылки В настоящем документе использованы ссылки на следующие нормативные документы: ГОСТ 1583-93 Сплавы алюминиевые литейные. Технические условия ГОСТ 5632-72 Стали высоколегированные и сплавы коррозионностойкие, жаростойкие и жаропрочные. Марки и технические требования ГОСТ Р ИСО 5725-2002 Точность (правильность и прецизионность) методов и результатов измерений (1, 2, 3, 4, 5, 6 части) ГОСТ Р 50779.42-99 Статистические методы. Контрольные карты Шухарта ГОСТ 10354-82 Пленка полиэтиленовая. Технические условия ГОСТ 21400-75 Стекло химико-лабораторное. Технические требования. Методы испытаний РМГ 61-2003 ГСИ. Показатели точности, правильности, прецизионности методик количественного химического анализа ОСПОРБ-99 Основные санитарные правила обеспечения радиационной безопасности ПБЯ 06-09-90 Правила ядерной безопасности при хранении и транспортировке ядерно-опасных делящихся материалов НРБ-99 Нормы радиационной безопасности Примечание - При пользовании настоящей методикой целесообразно проверить действие ссылочных документов по соответствующему указателю стандартов, составленному по состоянию на 1 января текущего года, и по соответствующим информационным указателям, опубликованным в текущем году. Если ссылочный документ заменен (изменен), то при пользовании настоящей методикой следует руководствоваться замененным (измененным) стандартом. Если ссылочный документ отменен без замены, то положение, в котором дана ссылка на него, применяется в части, не затрагивающей эту ссылку. 3 Термины и определения В настоящем документе применены следующие термины с соответствующими определениями по ГОСТ Р ИСО 5725-1, РМГ 61: 3.1 точность: Степень близости результата измерений к принятому опорному значению. 3.2 принятое опорное значение: Значение, которое служит в качестве согласованного для сравнения. 3.3 правильность: Степень близости среднего значения, полученного на основании большой серии результатов измерений, к принятому опорному значению. 3.4 прецизионность: Степень близости друг к другу независимых результатов измерений, полученных в конкретных регламентированных условиях. 3.5 воспроизводимость: Прецизионность в условиях воспроизводимости. 3.6 повторяемость: Прецизионность в условиях повторяемости. 3.7 условия воспроизводимости: Условия, при которых результаты измерений получают одним и тем же методом, на идентичных объектах испытаний, в разных лабораториях, разными операторами, с использованием различного оборудования. 3.8 условия повторяемости: Условия, при которых независимые результаты измерений получают одним и тем же методом на идентичных объектах испытаний, в одной и той же лаборатории, одним и тем же оператором, с использованием одного и того же оборудования, в пределах короткого промежутка времени. 3.9 критический диапазон: Значение, которое с доверительной вероятностью 95% не превышается величиной разности между максимальным и минимальным результатами трех или более измерений, полученными в условиях повторяемости. 3.10 предел воспроизводимости: Значение, которое с доверительной вероятностью 95% не превышается величиной разности между результатами двух измерений, полученными в условиях воспроизводимости. 3.11 среднее квадратическое отклонение воспроизводимости: Среднее квадратическое отклонение результатов измерений, полученных в условиях воспроизводимости. 3.12 приписанные характеристики погрешности методики выполнения измерений и ее составляющих: Установленные характеристики погрешности и ее составляющих для любого из совокупности результатов измерений, полученного при соблюдении требований и правил аттестованной методики выполнения измерений. 3.13 анализируемый образец: Материал урана или его соединения, находящийся в контейнере, упаковке или учетной единице. 3.14 анализируемая проба: материал урана или его соединения, непосредственно подвергаемый измерениям. 4 Характеристики погрешности измерений Приписанные характеристики погрешности - критический диапазон CR0,95(3), среднее квадратическое отклонение (СКО) воспроизводимости sR при n=1 и n=3, систематическая составляющая погрешности dС, границы погрешности измерений d при n=1 и n=3 в относительной форме, %, при доверительной вероятности Р=0,95 для различных диапазонов м.д. 235U в уране в зависимости от времени измерения и толщины стенки контейнера (упаковки) из стали (d), приведены в таблицах 1 - 3. Таблица 1 - Характеристики погрешности измерений м.д. 235U с использованием коллиматора диаметром 44 мм.
Таблица 2 - Характеристики погрешности измерений м.д. 235U с использованием коллиматора диаметром 18 мм.
Таблица 3 - Характеристики погрешности измерений м.д. 235U для коллиматора диаметром 10 мм.
5 Средства измерений, вспомогательные устройства и материалы 5.1 Переносной сцинтилляционный гамма-спектрометр InSpector фирмы "Canberra", включающий в себя сцинтилляционный Nal детектор с импрегнированным 241Am, портативную спектрометрическую станцию InSpector, соединенную с персональным компьютером, и программное обеспечение Genie 2000 с программой обработки спектров IMCA или более современные сцинтилляционные гамма-спектрометры на основе портативных цифровых анализаторов InSpector-2000, DSA-1000, DSA-2000 или аналогичные с программным обеспечением GENIE-2000 и программой обработки спектров IMCA. Энергетическое разрешение (полная ширина на половине высоты, ПШПВ) по энергии 186 кэВ сцинтилляционного детектора с кристаллом Nal (Tl) не более 10%. Диапазон энергии регистрируемого излучения сцинтилляционного детектора с кристаллом Nal (T1) от 50 до 300 кэВ. Основная погрешность характеристики преобразования с блоком детектирования Nal(Tl) не более 1%. Нестабильность показаний не более 0,05%. 5.2 Основной коллиматор диаметром 44 мм и дополнительные коллиматоры диаметром 18 и 10 мм, изготовленные из вольфрама или свинца. Дополнительные коллиматоры вставляются в отверстие основного коллиматора. Размеры дополнительных коллиматоров приведены в приложении А. Примечание - допускается проводить измерения с использованием фильтров из стали, алюминия, полиэтилена или стекла диаметром не менее 70 мм различной толщины от 0,2 до 15 мм, абсолютная погрешность измерения толщины фильтра ±0,1 мм.
5.3 Толщиномер любого типа. Абсолютная погрешность измерения толщины стенок не более ±0,1 мм в диапазоне толщин от 0,4 до 16 мм. 5.4 Государственные, отраслевые стандартные образцы или стандартные образцы предприятия (ГСО, ОСО или СОП) изотопного состава урана, утвержденные в установленном порядке. Примечания 1 При использовании ГСО, ОСО или СОП массовая поверхностная плотность загруженного в контейнер порошка диоксида урана должна быть не менее 5,5 г/см2, при которой обеспечивается "бесконечно толстый слой", (например, для оксида урана высота засыпки должна быть не менее 27 мм), внутренний диаметр контейнера или упаковки должен быть не менее 50 мм. 2 ГСО, ОСО или СОП должны иметь трехкратный запас по точности по отношению к погрешности, приведенной в таблицах 1 - 3 для данной точки диапазона измерений.
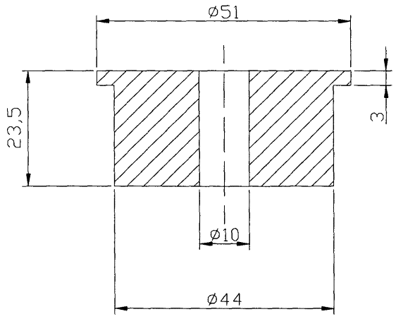
5.5 ОСО 95 651-2003П - ОСО 95 655-2003П изотопного состава урана в диоксиде урана. Масса диоксида урана около 10,5 г, массовая поверхностная плотность не менее 5,5 г/см2. ОСО имеют внутренний диаметр контейнера 14 мм и высоту 40 мм, толщина стенки дна контейнера 0,8 мм, высота засыпки урана не менее 27,5 мм. Примечание к 5.5 - ОСО 95 651-2003П - ОСО 95 655-2003П изотопного состава урана в диоксиде урана допускается использовать только для проверки работоспособности гамма-спектрометра InSpector. 6 Метод измерений С помощью гамма-спектрометра на основе сцинтилляционного Nal детектора регистрируют гамма-излучение 235U с энергией 186 кэВ от образца, имеющего "бесконечно толстый слой" урана для этой энергии. Определение м.д. 235U в анализируемых образцах урана проводится с помощью компьютерной программы IMCA путем обработки аппаратурного спектра гамма-излучения. Программа IMCA рассчитывает м.д. 235U в уране по формуле
где А и В - градуировочные коэффициенты, % × с; R1 - скорость счета импульсов в области энергий 161 - 211 кэВ, с-1; R2 - скорость счета импульсов в области энергий 217 - 277 кэВ, с-1. 7 Требования безопасности Лица, постоянно работающие или временно привлекаемые к работе с гамма-спектрометрами и гамма-радиометрами, должны руководствоваться требованиями, установленными ОСПОРБ-99, ПБЯ 06-09-90, НРБ-99. 8 Требования к квалификации оператора К выполнению измерений допускаются лица, прошедшие обучение и практическую подготовку по соответствующей программе и имеющие квалификацию лаборанта не ниже разряда, или инженерно-технические работники, допущенные к выполнению указанных работ в установленном на предприятии порядке. 9 Условия выполнения измерений 9.1 На рабочем месте, где проводятся измерения, должны выполняться следующие условия: - температура окружающего воздуха от 0 до плюс 50°С; - атмосферное давление от 95,0 до 106,7 кПа; (от 675 до 840 мм рт. ст.); - относительная влажность воздуха от 30% до 80%; - напряжение питающей сети (220 ± 22)В; - частота питающей сети (50,0 ± 0,5) Гц; Нумерация пунктов здесь и далее по тексту приводится в соответствии с источником 9.3 Пик полного поглощения в аппаратурном спектре гамма-излучения 235U с энергией 185,74 кэВ должен находиться в канале 300 ± 5. 9.4 Энергетическое разрешение (полная ширина на половине высоты, ПШПВ) для гамма-линии с энергией 185,7 кэВ не должно превышать 22 кэВ. 9.5 Скорость счета импульсов гамма-спектрометром должна быть максимальной и не должна превышать 20% по индикатору "мертвое время". 9.6 Диаметр коллиматора, время набора одного спектра и количество измерений выбирается в зависимости от требуемой погрешности результатов измерения м.д. 235U в уране, приведенной в таблицах 1 - 3. 9.7 Матрица измеряемого урана должна быть известна, и соответствовать одному из видов матриц, перечисленных в программе IMCA. 9.8 Анализируемый уран должен быть однородным по всему объему, как по массовой доле 235U в уране, так и по виду матрицы. 9.9 Массовая поверхностная плотность анализируемого урана в контейнере, упаковке или учетной единице, рассчитывается по формуле
где m - масса урана в анализируемом образце, г; S - площадь поперечного сечения анализируемого образца, см3, и должна быть не менее 5,5 г/см2.
9.10 Измерения проводят в контейнерах и упаковках, изготовленных из стали, алюминия, полиэтилена и стекла. 9.11 Толщина стенок контейнера или упаковки не должна превышать 15,5 мм. 9.12 При известной толщине стенки контейнера используются паспортные данные, а при неизвестной толщине стенки проводят измерение ее толщины ультразвуковым толщиномером или другим методом. 9.13 Абсолютная погрешность определения толщины стенок контейнера, указанная в паспорте или определенная толщиномером, не должна превышать ±0,1 мм. 9.14 Допускается проводить измерения м.д. 235U в сложных контейнерах или упаковках, состоящих из двух или более контейнеров из различных материалов, например, стали и алюминия, и помещенных друг в друга. При этом необходимо, чтобы толщина материалов этих контейнеров была известна и суммарная толщина материалов такого сложного контейнера не превышала 15,5 мм. 9.15 При проведении измерения контейнера или упаковки с ураном с торцевой поверхности минимальный внутренний диаметр и высота заполнения контейнера или упаковки для различной толщины стенки контейнера должны удовлетворять требованиям, приведенным в таблице 4, при этом необходимо обеспечить установку гамма-спектрометра соосно и перпендикулярно к измеряемому объекту. Таблица 4 - Минимально допустимые внутренние размеры контейнера или упаковки для коллиматоров с диаметром 10, 18 и 44 мм с различной толщиной стенки при измерении с торцевой поверхности
9.16 При проведении измерений контейнера или упаковки с ураном с боковой поверхности минимальный внутренний диаметр и высота заполнения контейнера или упаковки для различной толщины стенки контейнера должны удовлетворять условиям, приведенным в таблице 5, при этом необходимо обеспечить установку гамма-спектрометра перпендикулярно к контейнеру или упаковке и по центру измеряемого урансодержащего материала. Таблица 5 - Минимально допустимые внутренние размеры контейнера или упаковки для коллиматоров с диаметром 10, 18 и 44 мм с различной толщиной стенки при измерении с боковой поверхности
9.17 Измерения м.д. 235U в уране и его соединениях проводят, помещая блок детектирования гамма-спектрометра вплотную к поверхности контейнера или упаковки с урансодержащим материалом. 9.18 Допускается использовать ОСО по 5.5 при проверке работоспособности гамма спектрометра, а также для определения перекрестного градуировочного коэффициента по методике, приведенной в приложении Б. 9.19 Допустимое содержание изотопа 235U в уране должно быть не более (1,25×10-9Е235) % при радиоактивном равновесии между 235U и продуктом его распада 228Th. Здесь Е235 - массовая доля изотопа 235U в уране, %. 9.20 Допускается проводить измерение обогащения в уране с неустановившимся радиоактивным равновесием между 235U и продуктом его распада 228Th. При этом допускается увеличение допустимого содержания изотопа 235U в уране по 9.19 до значений, указанных в таблице 6. Таблица 6 - Допустимое содержание 235U в уране в зависимости от времени, прошедшего с момента полной очистки урана от тория.
10 Подготовка к выполнению измерений 10.1 Подготовку гамма-спектрометра к работе проводят в соответствии с его "Руководством по эксплуатации" и "Руководством пользователя программного обеспечения". 10.2 Градуировка гамма-спектрометра 10.2.1 Градуировку гамма-спектрометра проводят с использованием ГСО, ОСО или СОП по 5.4 в соответствии с "Руководством по эксплуатации" на гамма-спектрометр. Рекомендуется использовать ГСО, ОСО или СОП с м.д. 235U, близкой к измеряемому значению м.д. 235U в анализируемых образцах. Примечание - Допускается проводить градуировку гамма-спектрометра с использованием имеющихся контейнеров или упаковок урана с известными характеристиками (известны по паспортным данным: м.д. 235U в уране, матрица урана, толщина стенки контейнера и др.), в которых выполняются условия 9.7 - 9.17 и 9.19 - 9.20. Массовая доля 235U в уране, находящемся в контейнере, должна быть известна с погрешностью, не более указанной в таблицах 1 - 3.
10.2.2 На каждом выбранном ГСО, ОСО или СОП проводят измерения спектра от 235U не менее 3 раз. По введенным в программу аттестованным значениям м.д. 235U в уране, программа IMCA рассчитывает градуировочные коэффициенты. 10.2.3 Полученные значения градуировочных коэффициентов для каждого коллиматора и диапазона м.д. 235U в уране фиксируются в протоколах измерения, выдаваемых системой (программой). 10.2.4 Для приближения условий градуировки к условиям измерения допускается использование дополнительных поглощающих фильтров. Толщина и материал поглощающих фильтров должны соответствовать материалу исследуемого контейнера или упаковки и быть близкими к нему по толщине. 11 Выполнение измерений 11.1 Перед проведением серии рабочих измерений проводят контроль точности результатов измерений м.д. 235U в уране в соответствии с разделами 12, 14 настоящей методики с использованием стандартных образцов по 5.4. При этом рекомендуется выбирать ГСО, ОСО или СОП с м.д. 235U в уране в диапазоне от 2% до 40%. 11.2 Уточняют характеристики анализируемого урана по 9.7 - 9.9. 11.3 Уточняют материал и толщину стенок контейнера или упаковки по 9.10 - 9.16. 11.4 В случае, если анализируемая проба находится в сложном контейнере или упаковке, состоящей из двух или более контейнеров из различных материалов по 9.14, то рассчитывают эквивалентную толщину сложного контейнера на один из материалов по формуле
где к1=m1× r1 - линейный коэффициент поглощения гамма-квантов данной энергии в материале стенки первого контейнера или упаковки, см-1; кi=mi× ri - линейный коэффициент поглощения гамма-квантов данной энергии в материале стенки i-ого контейнера, см-1; m - полный массовый коэффициент поглощения гамма-квантов данной энергии в материале стенки контейнера, см2/г; r - плотность материала стенки контейнера, г/см3; d1 - толщина материала стенки в первом контейнере, см; di - толщина материала стенки i-ого контейнера, см. 11.5 Выбирают значение градуировочного коэффициента согласно диаметру коллиматора и диапазона измерений м.д. 235U в уране. 11.6 Заносят значения определенных параметров: градуировочного коэффициента, вида материала и толщины стенки контейнера, вида матрицы урана, а также паспортное или предполагаемое значение м.д. 235U в уране в память компьютера, устанавливают величину времени измерения в зависимости от требуемой погрешности. 11.7 Устанавливают анализируемый образец на детектор или помещают детектор вплотную к анализируемому образцу, при этом должны выполняться условия по 9.15 или 9.16. 11.8 Выполняют измерения м.д. 235U в уране в анализируемой пробе согласно "Руководства пользователя программного обеспечения". 12 Обработка результатов измерений 12.1 Проведение корректировки результатов измерений 12.1.1 В том случае, если толщина стенки контейнера анализируемого образца отличается от толщины стенки корпуса (упаковки) стандартных образцов, использовавшихся при градуировке, более чем на 0,5 мм, то проводят корректировку измеренной м.д. 235U в уране. 12.1.2 Расчет корректированного значения м.д. 235U в уране с учетом поправочного коэффициента на толщину стенки контейнера проводят по формуле.
где Eизм. - значение измеренной м.д. 235U в уране или среднее значение м.д. 235U, полученное по трем измерениям, %; у - поправочный коэффициент на толщину стенки контейнера.
12.1.3 Поправочный коэффициент для контейнера (упаковки) из стали рассчитывают по формулам - для коллиматора диаметром 44 мм
- для коллиматора диаметром 18 мм
- для коллиматора диаметром 10 мм
где Dх - разница между толщинами стенок контейнеров с ураном, использовавшихся для градуировки и контейнера с анализируемым ураном, мм. 12.1.4 При измерениях м.д. 235U в уране, находящегося в контейнерах или упаковках из других материалов, их поглощающие свойства и соответственно толщину характеризуют эквивалентной толщиной по стали, т.е. такой толщиной стали, которая ослабляет гамма-излучение с энергией ~ 185,7 кэВ в такой же степени, как и используемый материал. 12.1.5 Эквивалентную толщину по стали контейнеров или упаковок из других материалов рассчитывают по формуле
где Хх - толщина другого (отличного от стали) материала, см; mFe и mx - массовые коэффициенты ослабления гамма - излучения с энергией 185,7 кэВ соответственно сталью и другим материалом, см2/г; rFe и rx - плотности стали и другого материала, соответственно, г/см3. 12.1.6 Справочные значения m и r для стали, алюминия, стекла и полиэтилена приведены в таблице 7. Таблица 7 - Данные значений m, r и k для гамма-излучения с энергией 185,7 кэВ в различных материалах.
Примечание - Для расчета эквивалентной толщины по стали контейнеров (упаковок) из других материалов используют справочные данные, приведенные в нормативных документах и технической литературе.
12.1.7 При использовании комбинированных контейнеров эквивалентную толщину по стали рассчитывают по формуле
и она должна удовлетворять условию по 9.14. 12.1.8 В том случае, если градуировка проводилась с использованием дополнительных поглощающих фильтров, соответствующих по толщине стенке контейнера анализируемого урана, то введение поправки не требуется. 12.2 Проведение проверки приемлемости результатов трех параллельных определений 12.2.1 Проводят проверку приемлемости результатов трех параллельных измерений м.д. 235U в анализируемой пробе, полученных в условиях повторяемости. Вычисляют среднее арифметическое значение результатов трех параллельных определений м.д. 235U в уране анализируемой пробы по формуле
где Ei - результат i-го параллельного определения м.д. 235U в исследуемой пробе, %, n - число измерений (n=3). Примечание - При числе измерений n = 1 после корректировки результатов измерений сразу переходят к оформлению результатов измерений по разделу 13. 12.2.2 Диапазон 12.2.3 Если диапазон
результатов превышает критический диапазон 12.2.4 Диапазон Таблица 8 - Критерии проверки приемлемости результатов измерений для коллиматора диаметром 44 мм
Таблица 9 - Критерии проверки приемлемости результатов измерений для коллиматора диаметром 18 мм
Таблица 10 - Критерии проверки приемлемости результатов измерений для коллиматора диаметром 10 мм
12.2.5 Если диапазон
результатов измерений превышает критический диапазон
где Е3 и Е4 - третий и четвертый члены упорядоченного ряда, %. 12.3 Проведение проверки приемлемости результатов измерений, полученных в условиях воспроизводимости 12.3.1 При необходимости (например, в случае, если результаты измерений проверяет контролирующий орган, или, если результат измерений подвергается сомнению) проводят проверку приемлемости результатов измерений, полученных в условиях воспроизводимости (двумя лабораториями, разными приборами одного типа). При этом анализируемые пробы (анализируемые образцы) для выполнения измерений должны быть одними и теми же. Число параллельных измерений в каждой лаборатории должно быть равным 3. Каждая лаборатория проводит проверку приемлемости своих результатов измерений по 12.2 и получает результат измерений в условиях повторяемости. 12.3.2 Совместимость окончательных результатов, полученных двумя лабораториями, проверяют, сравнивая относительное расхождение между двумя результатами измерений с критической разностью CD0,95, которую рассчитывают с использованием следующих алгоритмов а) В случае, если обе лаборатории получили свой результат измерений как среднее арифметическое (n1=n2=3), критическая разность CD0,95 равна
б) В случае, если одна лаборатория получила свой результат измерений как среднее арифметическое (n1=3), а другая - как медиану (n2=6), критическая разность CD0,95 равна
в) В случае, если обе лаборатории получили свой результат измерений как медиану (n1=n2=6), критическая разность CD0,95 равна
Коэффициент с(n) - это отношение стандартного отклонения медианы к стандартному отклонению среднего арифметического значения (при n=6 с(n)=1,135). R - предел воспроизводимости (таблицы 8 - 10).
12.3.4 В случае, когда относительное расхождение между двумя результатами измерений превышает критическую разность CD0,95, рассчитанную по формулам (12), (13), (14), результаты, полученные двумя лабораториями считают несовместимыми. В этом случае разрешение противоречий проводят следующим образом. Каждая лаборатория анализирует один и тот же стандартный образец (ГСО, ОСО или СОП по 5.4), близкий по массовой доле 235U к содержанию в измеряемой пробе. Далее проводят анализ деятельности лабораторий с целью определения наличия и значения систематической составляющей погрешности для каждой из лабораторий. Значение систематической составляющей погрешности для каждой из лабораторий рассчитывают по формуле.
где Еизм и Еатт - измеренная и аттестованная массовая доля 235U в стандартном образце соответственно, %. 12.3.5 Значения dс(рассч) сопоставляют со значением систематической составляющей погрешности измерений, приведенной в таблицах 1 - 3 - dс(табл). Если выполняется неравенство dс(рассч)£dс(табл), то результат измерений, полученный в данной лаборатории считается правильным. Если dс(рассч)>dс(табл), то результат измерений, полученный в данной лаборатории считается неправильным. В этом случае, выясняют причины получения неправильных результатов в данной лаборатории и устраняют их. В случае необходимости, можно прибегнуть к помощи референтной лаборатории. 12.4. Допускается проведение измерений массовой доли 235U в уране и его соединениях проводить при времени измерения и числе параллельных измерений, отличных от регламентированных в данной МВИ при условии расчета новых характеристик погрешности МВИ. Алгоритм расчета, приписываемых МВИ, новых характеристик погрешности результата измерения, приведен в приложением В. Для применения на практике, новые установленные приписанные характеристики погрешности МВИ, оформленные в виде "изменения" (дополнения) к МВИ, должны пройти экспертизу в ФГУП ВО "Безопасность" и допущены к применению в установленном порядке. 13 Оформление результатов измерений Результат измерения м.д. 235U в уране анализируемой пробы округляют до второго десятичного знака и представляют в абсолютной форме в виде
где Е - результат измерений массовой доли 235U в уране анализируемой пробы, %;
d - границы относительной погрешности измерений массовой доли 235U при n=3 или n=1, приведенные в таблицах 1 - 3 для соответствующей точки диапазона измерений, % (берется для диапазона массовой доли 235U, которому принадлежит результат измерения Е); Р - доверительная вероятность, с которой установлены границы погрешности измерений массовой доли 235U, P=0,95; n - число параллельных определений; h - толщина стенки контейнера (упаковки), мм; t - время измерений, с; D - диаметр коллиматора, мм.
Пример - Результат измерений массовой доли 235U в уране анализируемой пробы при n=3 параллельных определениях, толщине стенки контейнера 1,9 мм и времени измерения 500 с с использованием коллиматора диаметром 18 мм представляют в абсолютной форме в виде (36,48 ± 0,62)%; Р=0,95; n=3; h=0,5 мм; t=500 с; D=18 мм. 14 Контроль точности результатов измерений 14.1 Контроль точности результатов измерений осуществляют перед каждой серией измерений в соответствии с требованиями раздела 6 ГОСТ Р ИСО 5725-6. 14.2 Контроль стабильности показателя правильности проводят с использованием контрольных карт (КК) Шухарта по ГОСТ Р 50779.42. 14.3 Контроль стабильности показателя правильности измерений проводят в следующей последовательности. 14.3.1 В качестве образцов для контроля используют ГСО (при отсутствии ГСО допускается использовать ОСО или СОП) изотопного состава урана, указанные в разделе 5. Выбирают три СО с аттестованной м.д. 235U, соответствующей началу, середине и концу диапазона измерений МВИ. 14.3.2 В условиях повторяемости, в соответствии с разделами 10, 11, получают результат измерений определяемого параметра Ejk на j-ом образце для контроля (с порядковым номером контрольного измерения (k)) при числе параллельных определений n=3. 14.3.3 Рассчитывают оценку систематической погрешности для j-го образца для контроля Dcjk, по формуле
где Ejатт - аттестованное значение массовой доли изотопа 235U в j-ом образце для контроля. 14.3.4 Рассчитывают текущие расхождения Wjk по формуле
14.3.5 Рассчитанные по формулам (16) и (17) значения наносят на контрольные карты Шухарта - карту оценки систематической погрешности (Х-карта) и карту текущих расхождений. 14.3.6 Параметры контрольных карт Х-карта:
Средняя линия - нулевая или равна нулю. Пределы действия: верхняя граница, нижняя граница, Пределы предупреждения: верхняя граница, нижняя граница,
Карта текущих расхождений: Средняя линия Пределы действия: верхняя граница, нижняя граница, Пределы предупреждения: верхняя граница, нижняя граница,
Примечание - В таблицах 1 - 3 приведено СКО воспроизводимости sR, выраженное в относительных единицах (%). Для расчета параметров контрольных карт используют СКО воспроизводимости sRабс, выраженное в абсолютных единицах. Его определяют по формуле
14.3.7 Если очередная точка Dcjk или Wjk находится внутри пределов предупреждения, то процедуру анализа признают удовлетворительной. 14.3.8 Если очередная точка Dcjk или Wjk попала между пределами предупреждения и пределами действия, то контрольную процедуру повторяют. При повторном появлении указанной ситуации процесс анализа приостанавливают, выясняют и устраняют причины появления неудовлетворительных результатов контроля. 14.3.9 Если очередная точка Dcjk или Wjk попала за границу пределов действия, то контрольную процедуру повторяют. Повторение указанной ситуации служит предупреждением о выходе процесса измерения из состояния статистической управляемости. В этом случае качество процедуры измерений признают неудовлетворительным, процесс измерений приостанавливают, выясняют и устраняют причины появления неудовлетворительных результатов контроля. 14.3.10 Пример построения контрольной карты приведен в приложении Г. (рекомендуемое)
Рисунок А.1 – Коллиматор диаметром 10 мм
Рисунок А.2 – Коллиматор диаметром 18 мм (рекомендуемое) Расчет градуировочного коэффициента гамма-спектрометра Б.1. Градуировку гамма-спектрометра проводят с использованием образцов по 5.4 и 5.5 в соответствии с "Руководством по эксплуатации". Полученные значения градуировочных коэффициентов заносят в память компьютера для соответствующего значения массовой доли 235U в уране и диаметре коллиматора. Б.2 В случае проведения измерений массовой доли 235U другим аналогичным прибором InSpector при отсутствии для его градуировки образцов по 5.4 и наличии образцов по 5.5 градуировочные коэффициенты этого прибора могут быть рассчитаны по формулам
где А0 и В0 - значения градуировочных коэффициентов А и В, полученные на первом приборе с использованием образцов по 5.5 в А1; ПА и ПВ - значения "перекрестных" коэффициентов, рассчитанные по формулам
и
где 14А0 и 14В0 - значения градуировочных коэффициентов А и В, полученные на первом приборе с использованием стандартных образцов по 5.4 в Б.1, Б.2; 14Ах и 14Вх - значения градуировочных коэффициентов, полученные на втором приборе с использованием стандартных образцов по 5.4.
Б.3 Значение градуировочных коэффициентов определяют с коллиматором диаметром 10 мм в диапазоне массовых долей 235U в уране от 0,7% до 3,5%, от 3,5% до 21%, от 21% до 90%. При проведении градуировки с использованием ОСО по 5.4 устанавливают к поверхности коллиматора без поглощающих фильтров соосно с осью коллиматора. На каждом ОСО проводят не менее шести параллельных измерений. Время одного измерения не менее 500 с. Б.4 Проводят проверку приемлемости результатов градуировки
где 14DАi и 14DВi - абсолютные погрешности величин 14Аi и 14Вi рассчитанные программой IMCA при проведении градуировки.
Б.5 Если условие Б.3 выполняется, то корректировку градуировочных коэффициентов не проводят. Б.6 Если условие Б.3. не выполняется, то проводят корректировку градуировочных коэффициентов путем повторного выполнения процедуры градуировки по Б.2 - Б.4. (рекомендуемое) В.1 Установление приписанных характеристик погрешности МВИ и ее составляющих проводят в соответствии с РМГ 61. В.2 Для установления новых приписанных характеристик погрешности измерений по данной МВИ, проводят измерения массовой доли 235U в уране по стандартным образцам (СО) с аттестованной массовой долей 235U, близкой к началу, середине и концу диапазона измерений по данной МВИ, в соответствии с разделом 5 МВИ. Число СО выбирают с учетом числа поддиапазонов, на которые разбит диапазон действия МВИ. В.3 На стандартных образцах получают L серий измерений по N результатов измерений в каждой серии. Каждую серию измерений получают в различных условиях (разные приборы одного и того же типа, разное время, разные операторы и т.д.), при этом в пределах одной серии результаты измерений получают в условиях повторяемости (в пределах короткого интервала времени, одним оператором, на одном и том же приборе). Примечание - Рекомендуется получить не менее L = 5 серий измерений по N = 10 измерений (параллельных определений) в каждой серии. В.4 Оценка показателей прецизионности (повторяемости и воспроизводимости) МВИ В.4.1 Оценка показателя повторяемости МВИ В.4.1.1 По каждой
серии рассчитывают среднее арифметическое
В.4.1.2 На основе
полученных значений L выборочных дисперсий Значение критерия Кохрена Gm(max) рассчитывают по формуле
и сравнивают его с табличным значением этого критерия Gтабл для числа степеней свободы n=N-1, соответствующего максимальной дисперсии, и f=L, соответствующего числу суммируемых дисперсий, и принятой доверительной вероятности Р=0,95. При L=5, N=10Gтабл=0,4241. Примечание - Значения Gтабл при других значениях L и N приведены в РМГ 61, таблицах по математической статистике. Если Gm(max)>
Gтабл,
то соответствующее В.4.1.3 Не исключенные
из расчетов
где в числе слагаемых нет отброшенных значений. В.4.1.4 Показатель повторяемости МВИ в виде СКО - srm для массовой доли U235, соответствующей массовой доле U235 в m-ом СО, устанавливают, принимая равным Sm
В.4.1.5 Показатель повторяемости МВИ в виде критического диапазона - CR0,95 для массовой доли U235, соответствующей массовой доле U235 в m-ом СО, рассчитывают по формуле
где n - число параллельных определений, предусмотренных МВИ для получения результата измерений, Q(P, n)=2,77 при n=2, P=0,95; Q(P, n)=3,31 при n=3, P=0,95; Q(P, n)=3,63 при n=4, P=0,95; Q(P, n)=3,86 при n=5, P=0,95; Q(P, n)=4,0 при n=6, P=0,95. В.4.2 Оценка показателя воспроизводимости МВИ В.4.2.1 Рассчитывают выборочное СКО результатов измерений m-го СО, полученных в условиях воспроизводимости, - SRm по формуле
где Хm - общее среднее значение результатов измерений, полученных в условиях воспроизводимости. Хm рассчитывают по формуле
В.4.2.2 Оценка показателя воспроизводимости МВИ Показатель воспроизводимости МВИ в виде СКО - sRm для массовой доли U235, соответствующей массовой доле U235 в m-ом СО, устанавливают, принимая равным sRm
Показатель воспроизводимости МВИ в виде предела воспроизводимости - Rm для массовой доли U235, соответствующей массовой доле U235 в m-ом СО, рассчитывают по формуле
где Q(P, 2)=2,77 при P=0,95. В.5 Оценка показателя правильности МВИ В.5.1 Рассчитывают оценку математического ожидания систематической погрешности МВИ - Qm как разность между средним значением результатов измерений Xm и аттестованным значением m-го СО - Cm
В.5.2 Проверяют значимость вычисленных значений Qm по критерию Стьюдента. Для этого рассчитывают значение t-критерия для m-го СО - tm по формуле
где D0 - абсолютная погрешность аттестованного значения m-го СО.
В.5.3 Полученное значение tm сравнивают с tтабл при числе степеней свободы l=L-1 для доверительной вероятности P=0,95. При L=5 и P=0,95 значение tтабл=2,78. Примечание - Значения tтабл=2,78 при других значениях L и Р приведены в РМГ 61, таблицах по математической статистике. В.5.4 Если tm£tтабл, то оценка систематической погрешности незначима на фоне случайного разброса, и в этом случае ее принимают равной нулю (Qm=0). В.5.5 При незначимости Q показатель правильности МВИ [верхнюю (Dс.в.m.) и нижнюю (Dс.н.m) границы, в которых неисключенная систематическая погрешность МВИ (для массовой доли U235, соответствующей массовой доле U235 в m-ом СО) находится с принятой вероятностью P=0,95 рассчитывают по формуле.
В.6 Оценка показателя точности МВИ В.6.1 Верхнюю (Dв.m) и нижнюю (Dн.m) границы, в которых погрешность результата измерений (для массовой доли U235, соответствующей массовой доле U235 в m-ом СО) находится с принятой вероятностью Р = 0,95, рассчитывают по формуле
В.6.2 Для каждого из поддиапазонов измерений массовой доли U235 в уране по данной МВИ устанавливают свои значения погрешности и ее составляющих в относительной форме. (рекомендуемое) Построение контрольных карт Шухарта Г.1 Применение контрольных карт Шухарта основано на сопоставлении результатов контрольных процедур (в данном случае Dcjk или Wjk) с установленными нормативами контроля: пределами действия и пределами предупреждения. Г.2 Для контроля стабильности показателя правильности измерений используют контрольные карты Шухарта - х-карту и карту текущих расхождений (w). Г.3 Для построения х-карты и карты текущих расхождений необходимо знать приписанную характеристику погрешности методики выполнения измерений, установленную при ее аттестации - среднее квадратическое отклонение (СКО) воспроизводимости результатов измерений sR при числе параллельных измерений n=3. Г.4 Параметры контрольной карты (среднюю линию, пределы действия, пределы предупреждения) рассчитывают с использованием нормированных коэффициентов, зависящих от числа параллельных измерений и приведенных в ГОСТ Р ИСО 5725-6. Формулы для расчета параметров контрольных карт приведены в разделе 14 данной МВИ. Для расчета параметров контрольных карт, СКО воспроизводимости, приведенное в таблицах 1 - 3, переводят в абсолютные единицы по формуле (18). Примечание - СКО воспроизводимости, приведенное в таблицах 1 - 3, зависит от измеряемой величины массовой доли U235, толщины стенки контейнера (упаковки) и времени измерений, поэтому для каждого образца для контроля в зависимости от условий измерений, будут свои параметры контрольных карт. Г.5 Требования к проведению контрольных измерений аналогичны требованиям к проведению измерений рабочих проб, установленным в соответствующих разделах методики выполнения измерений. Измерения проводят с использованием стандартных образцов по 5.4. При этом рекомендуется выбирать ГСО (при отсутствии ГСО допускается использовать ОСО или СОП) с массовой долей 235U в диапазоне от 2,0 до 40,0%. Толщина окна упаковки стандартного образца приведена в паспорте на стандартный образец. Рекомендуемое время измерений - 500 с. Примечание - При необходимости, руководитель лаборатории может принять решение о контроле точности измерений с помощью контрольных карт при другом времени измерений. Г.6 Данные, необходимые для построения контрольной карты представляют в виде таблицы. Г.6.1 Пример заполнения таблицы для построения контрольных карт представлен в таблице Г.1. Таблица Г.1
Окончание таблицы Г.1
Г.7 Строят контрольную карту в виде графика. По оси абсцисс откладывают номер контрольной процедуры, фиксируя при этом данные, характеризующие измерения (дату проведения измерений, фамилию оператора и т.п.). По оси ординат откладывают результат контрольной процедуры, рассчитанный по формулам (16), (17). Г.8 Вид контрольных карт Х-карта:
Г.8 Контрольные карты ведет сотрудник лаборатории, выполняющий измерения. Г.9 Контроль за ведением контрольных карт осуществляет начальник лаборатории. Приложение N 6(обязательное) Уран и его соединения. Методика выполнения измерений массовой
доли изотопа урана-235 гамма-спектрометрическим
| ||||||||||||||||||||||||||||||||||||||||||||||||||||||||||||||||||||||||||||||||||||||||||||||||||||||||||||||||||||||||||||||||||||||||||||||||||||||||||||||||||||||||||||||||||||||||||||||||||||||||||||||||||||||||||||||||||||||||||||||||||||||||||||||||||||||||||||||||||||||||||||||||||||||||||||||||||||||||||||||||||||||||||||||||||||||||||||||||||||||||||||||||||||||||||||||||||||||||||||||||||||||||||||||||||||||||||||||||||||||||||||||||||||||||||||||||||||||||||||||||||||||||||||||||||||||||||||||||||||||||||||||||||||||||||||||||||||||||||||||||||||||||||||||||||||||||||||||||||||||||||||||||||||||||||||||||||||||||||||||||||||||||||||||||||||||||||||||||||||||||||||||||||||||||||||||||||||||||||||||||||||||||||||||||||||||||||||||||||||||||||||||||||||||||||||||||||||||||||||||||||||||||||||||||||||||||||||||||||||||||||||||||||||||||||||||||||||||||||||||||||||||||||||||||||||||||||||||||||||||||||||||||||||||||||||||||||||||||||||||||||||||||||||||||||||||||||||||||||||||
|
Рисунок (герб) 0590
ФЕДЕРАЛЬНОЕ АГЕНТСТВО ПО ТЕХНИЧЕСКОМУ РЕГУЛИРОВАНИЮ И МЕТРОЛОГИИ
Государственный научный метрологический центр ФГУП "Уральский научно-исследовательский институт метрологии"
СВИДЕТЕЛЬСТВО
N 223.13.17.106/2006
Методика выполнения измерений массовой доли изотопа урана-235 гамма- ________________________________________________ наименование измеряемой величины; объекта и метода измерений спектрометрическим методом с использованием гамма-спектрометра InSpector с ____________________________________________________________________________ германиевым детектором и программы IMCA ____________________________________________________________________________
разработанная Федеральной службой по экологическому, технологическому и атомному ________________________________________________________________ наименование организации (предприятия), разработавшей МВИ надзору и ФГУП "ВНИИНМ им. А.А. Бочвара"
и регламентированная в МВИ 223.13.17.106/2006 ГСИ. Уран и его соединения. Методика ________________________________________________________ обозначение и наименование документа выполнения измерений массовой доли изотопа урана-235 гамма-спектрометрическим ____________________________________________________________________________ методом с использованием гамма-спектрометра InSpector с германиевым детектором ____________________________________________________________________________ и программы IMCA аттестована в соответствии с ГОСТ Р 8.563.
Аттестация осуществлена по результатам метрологической экспертизы материалов по __________________________________________ разработке МВИ ____________________________________________________________________________ вид работ: метрологическая экспертиза материалов по разработке МВИ, теоретическое или экспериментальное исследование МВИ, другие виды работ В результате аттестации установлено, что МВИ соответствует предъявляемым к ней метрологическим требованиям и обладает следующими основными метрологическими характеристиками, приведенными в приложении. диапазон измерений, характеристики погрешности измерений (неопределенность измерений) и (или) характеристики составляющих погрешности (при необходимости – нормативы контроля)
Приложение: метрологические характеристики МВИ на 11 листах.
Зам. директора по научной работе С.В. Медведевских
Зав. лабораторией Г.И. Терентьев
Дата выдачи: 03.2006 г.
Срок действия: 03.2011 г. МП:
Россия, 620000, г. Екатеринбург, ул. Красноармейская, 4 тел.: (343) 350-26-18, факс: (343) 350-20-39, E-mail: uniim@uniim.ru
|
Приложение
к свидетельству
N 223.13.17.106/2006
Метрологические характеристики МВИ 223.13.17.106/2006 "ГСИ. Уран и его соединения. Методика выполнения измерений массовой доли изотопа урана-235 гамма-спектрометрическим методом с использованием гамма-спектрометра InSpector с германиевым детектором и программы IMCA"
Приписанные характеристики погрешности измерений: среднее квадратическое отклонение (СКО) повторяемости sr, %, СКО воспроизводимости sR, %, при числе измерений n=1 и n=3, систематическая составляющая погрешности dC, %, границы погрешности измерений d, %, при n=1 и n=3 в относительной форме, при доверительной вероятности P=0,95 для различных диапазонов массовых долей 235U в уране, в зависимости от времени измерения, толщины стенки контейнера (упаковки) из стали и диаметра коллиматора, приведены в таблицах 1 - 3.
Таблица 1 - Характеристики погрешности МВИ с использованием коллиматора диаметром 25 мм
|
Время измерения, c |
Диапазон измеряемых массовых долей (235)U в уране, % |
sR, % (СКО повторяемости) |
sr, % (СКО воспроизводимости) |
dС, % |
d, % |
||
|
n=1 |
n=3 |
n=1 |
n=3 |
||||
|
Толщина стенки контейнера (упаковки) от 0,4 до 1,0 мм включ. |
|||||||
|
300 |
От 0,09 до 0,30 включ. |
8,7 |
15,9 |
11,3 |
5,6 |
18,5 |
13,8 |
|
Св. 0,30 " 1,50 " |
2,9 |
5,3 |
3,8 |
4,0 |
7,1 |
5,9 |
|
|
" 1,50 " 10,00 " |
0,6 |
1,1 |
0,8 |
2,0 |
2,4 |
2,2 |
|
|
" 10,00 " 20,00 " |
0,4 |
0,8 |
0,6 |
1,9 |
2,1 |
2,0 |
|
|
" 20,00 " 40,00 " |
0,3 |
0,5 |
0,4 |
1,7 |
1,8 |
1,8 |
|
|
500 |
От 0,09 до 0,30 включ. |
6,9 |
12,5 |
8,9 |
5,6 |
14,9 |
11,4 |
|
Св. 0,30 " 1,50 " |
2,3 |
4,1 |
2,9 |
4,0 |
6,1 |
5,2 |
|
|
" 1,50 " 10,00 " |
0,5 |
0,9 |
0, 6 |
2,0 |
2,3 |
2,2 |
|
|
" 10,00 " 20,00 " |
0,3 |
0,6 |
0,4 |
1,9 |
2,1 |
2,0 |
|
|
" 20,00 " 40,00 " |
0,2 |
0,4 |
0,3 |
1,7 |
1,8 |
1,8 |
|
|
1000 |
От 0,09 до 0,30 включ. |
4,8 |
8,8 |
6,3 |
5,6 |
11,3 |
9,0 |
|
Св. 0,30 "1,50 " |
1,6 |
2,9 |
2,1 |
4,0 |
5,2 |
4,7 |
|
|
" 1,50 "10,00 " |
0,3 |
0,6 |
0,4 |
2,0 |
2,2 |
2,1 |
|
|
" 10,00 " 20,00 " |
0,2 |
0,4 |
0,3 |
1,9 |
2,0 |
1,9 |
|
|
|
" 20,00 " 40,00 " |
0,16 |
0,3 |
0,2 |
1,7 |
1,8 |
1,7 |
|
Толщина стенки контейнера (упаковки) св. 1,0 до 2,5 мм включ. |
|||||||
|
300 |
От 0,09 до 0,30 включ. |
9,0 |
16,4 |
11,7 |
5,5 |
19,0 |
14,1 |
|
|
Св. 0,30 " 1,50 " |
3,0 |
5,5 |
3,9 |
3,9 |
7,3 |
5,9 |
|
|
" 1,50 " 10,00 " |
0,7 |
1,3 |
0,9 |
2,0 |
2,5 |
2,3 |
|
|
" 10,00 " 20,00 " |
0,5 |
0,9 |
0,6 |
1,9 |
2,2 |
2,1 |
|
|
" 20,00 " 40,00 " |
0,33 |
0,6 |
0,4 |
1,7 |
1,9 |
1,8 |
|
500 |
От 0,09 до 0,30 включ. |
7,0 |
12,8 |
9,1 |
5,6 |
15,2 |
11,6 |
|
|
Св. 0,30 " 1,50 " |
2,4 |
4,3 |
3,1 |
4,0 |
6,3 |
5,3 |
|
|
"1,50 " 10,00 " |
0,6 |
1,0 |
0,7 |
2,0 |
2,3 |
2,2 |
|
|
" 10,00 " 20,00 " |
0,4 |
0,7 |
0,5 |
1,9 |
2,1 |
2,0 |
|
|
" 20,00 " 40,00 " |
0,27 |
0,5 |
0,4 |
1,7 |
1,8 |
1,8 |
|
1000 |
От 0,09 до 0,30 включ. |
5,0 |
9,0 |
6,5 |
5,6 |
11,5 |
9,2 |
|
|
Св. 0,30 " 1,50 " |
1,6 |
3,0 |
2,1 |
4,0 |
5,3 |
4,8 |
|
|
" 1,50 " 10,00 " |
0,4 |
0,8 |
0,6 |
2,0 |
2,2 |
2,1 |
|
|
" 10,00 " 20,00 " |
0,3 |
0,5 |
0,4 |
1,9 |
2,0 |
2,0 |
|
|
" 20,00 " 40,00 " |
0,16 |
0,3 |
0,2 |
1,7 |
1,8 |
1,7 |
|
Толщина стенки контейнера (упаковки) от 2,5 до 4,0 мм |
|||||||
|
300 |
От 0,09 до 0,30 включ. |
10,1 |
18,4 |
13,1 |
5,6 |
21,2 |
15,6 |
|
|
Св. 0,30 " 1,50 " |
3,4 |
6,1 |
4,4 |
4,0 |
7,9 |
6,3 |
|
|
" 1,50 " 10,00 " |
0,8 |
1,5 |
1,1 |
2,0 |
2,4 |
2,4 |
|
|
" 10,00 " 20,00 " |
0,6 |
1,1 |
0,8 |
1,9 |
2,3 |
2,1 |
|
|
" 20,00 " 40,00 " |
0,4 |
0,8 |
0,6 |
1,7 |
2,0 |
1,9 |
|
500 |
От 0,09 до 0,30 включ. |
8,1 |
14,7 |
10,5 |
5,6 |
17,2 |
12,9 |
|
|
Св. 0,30 "1,50 " |
2,6 |
4,7 |
3,4 |
4,0 |
6,6 |
5,5 |
|
|
" 1,50 "10,00 " |
0,7 |
1,2 |
0,9 |
2,0 |
2,5 |
2,3 |
|
|
" 10,00 "20,00 " |
0,5 |
0,9 |
0,6 |
1,9 |
2,2 |
2,1 |
|
|
" 20,00 " 40,00 " |
0,3 |
0,6 |
0,4 |
1,7 |
1,9 |
1,8 |
|
1000 |
От 0,09 до 0,30 включ. |
5,6 |
10,1 |
7,2 |
5,6 |
12,6 |
9,8 |
|
|
Св. 0,30 " 1,50 " |
1,8 |
3,3 |
2,4 |
4,0 |
5,5 |
4,9 |
|
|
"1,50 " 10,00 " |
0,4 |
0,8 |
0,6 |
2,0 |
2,2 |
2,1 |
|
|
" 10,00 " 20,00 " |
0,3 |
0,6 |
0,4 |
1,9 |
2,1 |
2,0 |
|
|
" 20,00 " 40,00 " |
0,14 |
0,25 |
0,2 |
1,7 |
1,8 |
1,7 |
|
Толщина стенки контейнера (упаковки) от 4,0 до 7,0 мм включ. |
|||||||
|
300 |
От 0,09 до 0,30 включ. |
12,8 |
23,3 |
16,6 |
5,6 |
26,5 |
19,3 |
|
|
Св. 0,30 " 1,50 " |
4,3 |
7,8 |
5,6 |
4,0 |
9,5 |
7,4 |
|
|
" 1,50 " 10,00 " |
1,3 |
2,4 |
1,7 |
2,0 |
3,4 |
2,8 |
|
|
"10,00 " 20,00 " |
0,8 |
1,4 |
1,0 |
1,9 |
2,5 |
2,2 |
|
|
" 20,00 " 40,00 " |
0,6 |
1,1 |
0,8 |
1,7 |
2,1 |
2,0 |
|
|
" 40,00 " 90,00 " |
0,4 |
0,8 |
0,6 |
1,5 |
1,8 |
1,7 |
|
|
Св. 90,00 |
0,33 |
0,6 |
0,4 |
1,4 |
1,6 |
1,5 |
|
500 |
От 0,09 до 0,30 включ. |
9,8 |
17,8 |
12,7 |
5,6 |
20,5 |
15,1 |
|
|
Св. 0,30 " 1,50 " |
3,4 |
6,1 |
4,4 |
4,0 |
7,9 |
6,3 |
|
|
" 1,50 " 10,00 " |
1,0 |
1,9 |
1,4 |
2,0 |
2,9 |
2,6 |
|
|
" 10,00 " 20,00 " |
0,6 |
1,1 |
0,8 |
1,9 |
2,3 |
2,1 |
|
|
" 20,00 " 40,00 " |
0,4 |
0,8 |
0,6 |
1,7 |
2,0 |
1,9 |
|
|
" 40,00 " 90,00 " |
0,3 |
0,6 |
0,4 |
1,5 |
1,7 |
1,6 |
|
|
Св. 90,00 |
0,27 |
0,5 |
0,36 |
1,4 |
1,5 |
1,5 |
|
1000 |
От 0,09 до 0,30 включ. |
7,1 |
12,9 |
9,2 |
5,6 |
15,3 |
11,6 |
|
|
Св. 0,30 " 1,50 " |
2,4 |
4,3 |
3,1 |
4,0 |
6,3 |
5,3 |
|
|
"1,50 "10,00" |
0,8 |
1,4 |
1,00 |
2,0 |
2,6 |
2,3 |
|
|
"10,00 "20,00" |
0,5 |
0,9 |
0,6 |
1,9 |
2,2 |
2,1 |
|
|
" 20,00 " 40,00 " |
0,3 |
0,6 |
0,4 |
1,7 |
1,9 |
1,8 |
|
|
" 40,00 " 90,00 " |
0,2 |
0,4 |
0,3 |
1,5 |
1,6 |
1,6 |
|
|
Св. 90,00 |
0,16 |
0,3 |
0,2 |
1,4 |
1,5 |
1,4 |
|
Толщина стенки контейнера (упаковки) от 7,0 до 12,0 мм |
|||||||
|
300 |
От 0,3 до 1,50 включ. |
5,1 |
9,3 |
6,60 |
4,0 |
11,1 |
8,4 |
|
|
Св. 1,50 " 10,00 " |
1,6 |
2,9 |
2,1 |
2,0 |
3,8 |
3,1 |
|
|
" 10,00 " 20,00 " |
1,0 |
1,8 |
1,3 |
1,9 |
2,8 |
2,4 |
|
|
" 20,00 " 40,00 " |
0, 8 |
1,4 |
1,0 |
1,7 |
2,3 |
2,1 |
|
|
" 40,00 " 90,00 " |
0, 6 |
1,1 |
0,8 |
1,5 |
2,0 |
1,8 |
|
|
Св. 90,00 |
0,4 |
0,8 |
0,6 |
1,4 |
1,7 |
1,6 |
|
500 |
От 0,3 до 1,50 включ. |
4,0 |
7,2 |
5,1 |
4,0 |
8,9 |
7,0 |
|
|
Св. 1,50 " 10,00 " |
1,2 |
2,2 |
1,6 |
2,0 |
3,2 |
2,7 |
|
|
" 10,00 " 20,00 " |
0, 8 |
1,4 |
1,0 |
1,9 |
2,5 |
2,2 |
|
|
" 20,00 " 40,00 " |
0, 6 |
1,1 |
0,8 |
1,7 |
2,1 |
2,0 |
|
|
" 40,00 " 90,00 " |
0,5 |
0,9 |
0,6 |
1,5 |
1,8 |
1,7 |
|
|
Св. 90,00 |
0,3 |
0,6 |
0,4 |
1,4 |
1,6 |
1,5 |
|
1000 |
От 0,3 до 1,50 включ. |
2,8 |
5,1 |
3,6 |
4,0 |
7,0 |
5,8 |
|
|
Св. 1,50 " 10,00 " |
0,9 |
1,7 |
1,2 |
2,0 |
2,8 |
2,5 |
|
|
" 10,00 " 20,00 " |
0,6 |
1,0 |
0,7 |
1,9 |
2,2 |
2,1 |
|
|
" 20,00 " 40,00 " |
0,4 |
0,8 |
0,6 |
1,7 |
2,0 |
1,9 |
|
|
" 40,00 " 90,00 " |
0,3 |
0,6 |
0,4 |
1,5 |
1,7 |
1,6 |
|
|
Св. 90,00 |
0,2 |
0,4 |
0,3 |
1,4 |
1,5 |
1,5 |
|
Толщина стенки контейнера (упаковки) от 12,0 до 15,5 мм включ. |
|||||||
|
300 |
От 0,3 до 1,50 включ. |
5,9 |
10,7 |
7,6 |
4,0 |
12,5 |
9,4 |
|
|
Св. 1,50 " 10,00 " |
1,8 |
3,3 |
2,4 |
2,0 |
4,2 |
3,3 |
|
|
" 10,00 " 20,00 " |
1,5 |
2,7 |
1,9 |
1,9 |
3,6 |
2,9 |
|
|
" 20,00 " 40,00 " |
1,1 |
2,1 |
1,5 |
1,7 |
2,9 |
2,4 |
|
|
" 40,00 " 90,00 " |
0,9 |
1,6 |
1,1 |
1,5 |
2,3 |
2,0 |
|
|
Св. 90,00 |
0,6 |
1,1 |
0,8 |
1,4 |
1,9 |
1,7 |
|
500 |
От 0,3 до 1,50 включ. |
4,6 |
8,3 |
5,9 |
4,0 |
10,0 |
7,7 |
|
|
Св. 1,50 " 10,00 " |
1,4 |
2,6 |
1,9 |
2,0 |
3,5 |
2,9 |
|
|
" 10,00 " 20,00 " |
1,2 |
2,1 |
1,5 |
1,9 |
3,0 |
2,6 |
|
|
" 20,00 " 40,00 " |
0,9 |
1,6 |
1,1 |
1,7 |
2,5 |
2,2 |
|
|
" 40,00 " 90,00 " |
0,7 |
1,2 |
0,9 |
1,5 |
2,0 |
1,8 |
|
|
Св. 90 |
0,4 |
0,7 |
0,5 |
1,4 |
1,6 |
1,5 |
|
1000 |
От 0,3 до 1,50 включ. |
3,2 |
5,9 |
4,2 |
4,0 |
7,7 |
6,2 |
|
|
Св. 1,50" 10,00" |
1,0 |
1,8 |
1,3 |
2,0 |
2,9 |
2,5 |
|
|
" 10,00 "20,00" |
0,8 |
1,5 |
1,1 |
1,9 |
2,6 |
2,3 |
|
|
" 20,00 " 40,00 " |
0,7 |
1,2 |
0,9 |
1,7 |
2,2 |
2,0 |
|
|
" 40,00 " 90,00 " |
0,5 |
0,9 |
0,6 |
1,5 |
1,8 |
1,7 |
|
|
Св. 90,00 |
0,3 |
0,5 |
0,4 |
1,4 |
1,5 |
1,5 |
Зав. лабораторией ГНМЦ ФГУП "УНИИМ" Г.И. Терентьев
Дата выдачи свидетельства: 03.2006 г.
Срок действия свидетельства: 03.2011 г.
Таблица 2 - Характеристики погрешности МВИ с использованием коллиматора диаметром 18 мм
|
Время измерения, с |
Диапазон измеряемых массовых долей (235)U в уране, % |
sR, % (СКО повторяемости) |
sr, % (СКО воспроизводимости) |
dc, % |
d, % |
||
|
n=1 |
n=3 |
n=1 |
n=3 |
||||
|
Толщина стенки контейнера (упаковки) от 0,4 до 1,0 мм включ. |
|||||||
|
300 |
От 0,09 до 0,30 включ. |
9,8 |
17,8 |
12,7 |
6,6 |
20,8 |
15,6 |
|
|
Св. 0,30 " 1,50 " |
4,3 |
7,9 |
5,6 |
4,1 |
9,7 |
7,5 |
|
|
" 1,50 " 10,00 " |
1,4 |
2,6 |
1,9 |
2,1 |
3,6 |
3,0 |
|
|
"10,00 " 20,00 " |
0,6 |
1,0 |
0,7 |
1,4 |
1,8 |
1,6 |
|
|
" 20,00 " 40,00 " |
0,4 |
0,7 |
0,5 |
1,3 |
1,5 |
1,4 |
|
|
" 40,00 " 90,00 " |
0,3 |
0,5 |
0,4 |
1,2 |
1,4 |
1,3 |
|
|
Св. 90,00 |
0,2 |
0,4 |
0,3 |
1,2 |
1,3 |
1,26 |
|
500 |
От 0,09 до 0,30 включ. |
8,1 |
14,8 |
10,6 |
6,6 |
17,7 |
13,5 |
|
|
Св. 0,30 " 1,50 " |
3,4 |
6,1 |
4,6 |
4,3 |
8,0 |
6,5 |
|
|
" 1,50 " 10,00 " |
1,2 |
2,1 |
1,5 |
2,1 |
3,2 |
2,7 |
|
|
" 10,00 " 20,00 " |
0,4 |
0,8 |
0,6 |
1,4 |
1,7 |
1,6 |
|
|
" 20,00 " 40,00 " |
0,3 |
0,6 |
0,4 |
1,3 |
1,5 |
1,4 |
|
|
" 40,00 " 90,00 " |
0,2 |
0,4 |
0,3 |
1,2 |
1,3 |
1,26 |
|
|
Св. 90,00 |
0,16 |
0,3 |
0,2 |
1,2 |
1,27 |
1,24 |
|
1000 |
От 0,09 до 0,30 включ. |
5,8 |
10,6 |
7,6 |
6,6 |
13,5 |
10,8 |
|
|
Св. 0,30 " 1,50 " |
2,4 |
4,4 |
3,1 |
4,2 |
6,5 |
5,5 |
|
|
" 1,50 " 10,00 " |
0,8 |
1,5 |
1,1 |
2,1 |
2,7 |
2,5 |
|
|
" 10,00 " 20,00 " |
0,3 |
0,6 |
0,4 |
1,4 |
1,6 |
1,5 |
|
|
" 20,00 " 40,00 " |
0,2 |
0,4 |
0,3 |
1,3 |
1,4 |
1,4 |
|
|
" 40,00 " 90,00 " |
0,16 |
0,3 |
0,2 |
1,2 |
1,3 |
1,2 |
|
|
Св. 90,00 |
0,1 |
0,2 |
0,14 |
1,2 |
1,2 |
1,2 |
|
Толщина стенки контейнера (упаковки) от 1,0 до 2,5 мм |
|||||||
|
300 |
От 0,09 до 0,30 включ. |
11,3 |
20,5 |
14,6 |
6,6 |
23,7 |
17,5 |
|
|
Св. 0,30 " 1,50 " |
4,5 |
8,2 |
5,9 |
4,1 |
10,0 |
7,7 |
|
|
" 1,50 " 10,00 " |
1,5 |
2,8 |
2,0 |
2,1 |
3,8 |
3,1 |
|
|
" 10,00 " 20,00 " |
0,7 |
1,2 |
0,9 |
1,4 |
2,0 |
1,7 |
|
|
" 20,00 " 40,00 " |
0,5 |
0,9 |
0,6 |
1,3 |
1,7 |
1,5 |
|
|
" 40,00 " 90,00 " |
0,33 |
0,6 |
0,4 |
1,2 |
1,4 |
1,3 |
|
|
Св. 90,00 |
0,2 |
0,4 |
0,3 |
1,2 |
1,31 |
1,26 |
|
500 |
От 0,09 до 0,30 включ. |
9,4 |
17,1 |
12,2 |
6,6 |
20,1 |
15,1 |
|
|
Св. 0,30 " 1,50 " |
3,5 |
6,4 |
4,6 |
4,1 |
8,2 |
6,6 |
|
|
" 1,50 " 10,00 " |
1,2 |
2,2 |
1,6 |
2,1 |
3,3 |
2,8 |
|
|
" 10,00 " 20,00 " |
0,5 |
0,9 |
0,6 |
1,4 |
1,8 |
1,6 |
|
|
" 20,00 " 40,00 " |
0,4 |
0,7 |
0,5 |
1,3 |
1,5 |
1,4 |
|
|
" 40,00 " 90,00 " |
0,27 |
0,5 |
0,4 |
1,2 |
1,4 |
1,3 |
|
|
Св. 90,00 |
0,16 |
0,3 |
0,2 |
1,2 |
1,27 |
1,24 |
|
1000 |
От 0,09 до 0,30 включ. |
6,6 |
12,1 |
8,6 |
6,6 |
15,0 |
11,7 |
|
|
Св. 0,30 " 1,50 " |
2,5 |
4,5 |
3,2 |
4,1 |
6,5 |
5,5 |
|
|
" 1,50 " 10,00 " |
0,8 |
1,5 |
1,1 |
2,1 |
2,7 |
2,5 |
|
|
" 10,00 " 20,00 " |
0,4 |
0,7 |
0,5 |
1,4 |
1,6 |
1,5 |
|
|
" 20,00 " 40,00 " |
0,3 |
0,5 |
0,4 |
1,3 |
1,44 |
1,4 |
|
|
" 40,00 " 90,00 " |
0,2 |
0,3 |
0,2 |
1,2 |
1,3 |
1,2 |
|
|
Св. 90,00 |
0,1 |
0,2 |
0,14 |
1,2 |
1,24 |
1,2 |
|
Толщина стенки контейнера (упаковки) от2,5 до 4,0 мм включ. |
|||||||
|
300 |
От 0,09 до 0,30 включ. |
12,0 |
21,9 |
15,6 |
6,6 |
25,2 |
18,6 |
|
|
Св. 0,30 " 1,50 " |
5,3 |
9,6 |
6,9 |
4,1 |
11,4 |
8,7 |
|
|
" 1,50 " 10,00 " |
1,9 |
3,4 |
2,4 |
2,1 |
4,3 |
3,4 |
|
|
" 10,00 " 20,00 " |
0, 8 |
1,5 |
1,1 |
1,4 |
2,2 |
1,9 |
|
|
" 20,00 " 40,00 " |
0, 6 |
1,1 |
0,8 |
1,3 |
1,8 |
1,6 |
|
|
" 40,00 " 90,00 " |
0,4 |
0,8 |
0,6 |
1,2 |
1,5 |
1,4 |
|
|
Св. 90,00 |
0,3 |
0,5 |
0,4 |
1,2 |
1,4 |
1,3 |
|
500 |
От 0,09 до 0,30 включ. |
10,2 |
18,5 |
13,2 |
6,6 |
21,6 |
16,1 |
|
|
Св. 0,30 " 1,50 " |
4,2 |
7,6 |
5,4 |
4,1 |
9,4 |
7,3 |
|
|
" 1,50 " 10,00 " |
1,0 |
1,9 |
1,4 |
2,1 |
3,0 |
2,6 |
|
|
" 10,00 "20,00 " |
0,7 |
1,2 |
0,9 |
1,4 |
2,0 |
1,7 |
|
|
" 20,00 " 40,00 " |
0,4 |
0,8 |
0,6 |
1,3 |
1,6 |
1,5 |
|
|
" 40,00 " 90,00 " |
0,3 |
0,6 |
0,4 |
1,2 |
1,4 |
1,3 |
|
|
Св. 90,00 |
0,2 |
0,4 |
0,3 |
1,2 |
1,31 |
1,26 |
|
1000 |
От 0,09 до 0,30 включ. |
7,2 |
13,1 |
9,4 |
6,6 |
15,9 |
12,3 |
|
|
Св. 0,30 " 1,50 " |
2,9 |
5,3 |
3,8 |
4,1 |
7,2 |
5,9 |
|
|
" 1,50 " 10,00 " |
0,9 |
1,7 |
1,2 |
2,1 |
2,9 |
2,5 |
|
|
" 10,00 " 20,00 " |
0,4 |
0,8 |
0,6 |
1,4 |
1,7 |
1,6 |
|
|
" 20,00 " 40,00 " |
0,3 |
0,6 |
0,4 |
1,3 |
1,5 |
1,4 |
|
|
" 40,00 " 90,00 " |
0,27 |
0,5 |
0,36 |
1,2 |
1,4 |
1,3 |
|
|
Св. 90,00 |
0,16 |
0,3 |
0,2 |
1,2 |
1,27 |
1,24 |
|
Толщина стенки контейнера (упаковки) от 4,0 до 7,0 мм |
|||||||
|
300 |
От 0,09 до 0,30 включ. |
13,2 |
24,0 |
17,1 |
6,6 |
27,5 |
20,1 |
|
|
Св. 0,30 " 1,50 " |
6,0 |
10,9 |
7,8 |
4,1 |
12,8 |
9,6 |
|
|
"1,50 " 10,00 " |
2,1 |
3,9 |
2,8 |
2,1 |
4,8 |
3,8 |
|
|
" 10,00 " 20,00 " |
1,2 |
2,1 |
1,5 |
1,4 |
2,7 |
2,2 |
|
|
" 20,00 " 40,00 " |
0,8 |
1,4 |
1,0 |
1,3 |
2,0 |
1,7 |
|
|
" 40,00 " 90,00 " |
0,5 |
1,0 |
0,7 |
1,2 |
1,7 |
1,5 |
|
|
Св. 90,00 |
0,3 |
0,6 |
0,4 |
1,2 |
1,4 |
1,3 |
|
500 |
От 0,09 до 0,30 включ. |
10,2 |
18,5 |
13,2 |
6,6 |
21,6 |
16,1 |
|
|
Св. 0,30 " 1,50 " |
4,6 |
8,4 |
6,0 |
4,1 |
10,2 |
7,8 |
|
|
" 1,50 " 10,00 " |
1,6 |
3,0 |
2,1 |
2,1 |
4,0 |
3,2 |
|
|
" 10,00 " 20,00 " |
0,9 |
1,6 |
1,1 |
1,4 |
2,3 |
1,9 |
|
|
" 20,00 " 40,00 " |
0, 6 |
1,1 |
0,8 |
1,3 |
1,8 |
1,6 |
|
|
" 40,00 " 90,00 " |
0,4 |
0,8 |
0,6 |
1,2 |
1,5 |
1,4 |
|
|
Св. 90,00 |
0,3 |
0,5 |
0,4 |
1,2 |
1,35 |
1,26 |
|
1000 |
От 0,09 до 0,30 включ. |
7,2 |
13,1 |
9,4 |
6,6 |
16,0 |
12,3 |
|
|
Св. 0,30 "1,50 " |
3,2 |
5,9 |
4,2 |
4,1 |
7,7 |
6,3 |
|
|
" 1,50 " 10,00 " |
1,2 |
2,1 |
1,5 |
2,1 |
3,2 |
2,7 |
|
|
" 10,00 " 20,00 " |
0, 8 |
1,4 |
1,0 |
1,4 |
2,1 |
1,8 |
|
|
" 20,00 " 40,00 " |
0,4 |
0,8 |
0,6 |
1,3 |
1,6 |
1,5 |
|
|
" 40,00 " 90,00 " |
0,3 |
0,6 |
0,4 |
1,2 |
1,4 |
1,3 |
|
|
Св. 90,00 |
0,2 |
0,4 |
0,3 |
1,2 |
1,31 |
1,26 |
|
Толщина стенки контейнера (упаковки) от 7,0 до 12,0 мм включ. |
|||||||
|
300 |
От 0,30 до 1,50 включ. |
6,4 |
11,6 |
8,3 |
4,1 |
13,5 |
10,1 |
|
|
Св. 1,50 " 10,00 " |
2,4 |
4,4 |
3,1 |
2,3 |
5,4 |
4,2 |
|
|
" 10,00 " 20,00 " |
1,3 |
2,3 |
1,6 |
1,4 |
2,9 |
2,3 |
|
|
" 20,00 " 40,00 " |
0,9 |
1,7 |
1,2 |
1,3 |
2,3 |
1,9 |
|
|
" 40,00 " 90,00 " |
0,6 |
1,1 |
0,8 |
1,3 |
1,8 |
1,6 |
|
|
Св. 90 |
0,4 |
0,8 |
0,6 |
1,3 |
1,5 |
1,4 |
|
500 |
От 0,30 до 1,50 включ. |
5,0 |
9,0 |
6,4 |
4,1 |
10,8 |
8,2 |
|
|
Св. 1,50 " 10,00 " |
1,9 |
3,4 |
2,4 |
2,3 |
4,4 |
3,6 |
|
|
" 10,00 " 20,00 " |
1,0 |
1,8 |
1,3 |
1,4 |
2,5 |
2,0 |
|
|
" 20,00 " 40,00 " |
0,7 |
1,3 |
0,9 |
1,3 |
2,00 |
1,7 |
|
|
" 40,00 " 90,00 " |
0,5 |
0,9 |
0,6 |
1,3 |
1,7 |
1,5 |
|
|
Св. 90,00 |
0,3 |
0,6 |
0,4 |
1,3 |
1,4 |
1,3 |
|
1000 |
От 0,30 до 1,50 включ. |
3,5 |
6,4 |
4,6 |
4,1 |
8,2 |
6,6 |
|
|
Св. 1,50 " 10,00 " |
1,3 |
2,4 |
1,7 |
2,3 |
3,6 |
3,0 |
|
|
" 10,00 " 20,00 " |
0,7 |
1,3 |
0,9 |
1,4 |
2,0 |
1,8 |
|
|
" 20,00 " 40,00 " |
0,5 |
0,9 |
0,6 |
1,3 |
1,7 |
1,5 |
|
|
" 40,00 " 90,00 " |
0,3 |
0,6 |
0,4 |
1,3 |
1,5 |
1,4 |
|
|
Св. 90,00 |
0,2 |
0,4 |
0,3 |
1,3 |
1,31 |
1,26 |
|
Толщина стенки контейнера (упаковки) от 12,0 до 15,5 мм включ. |
|||||||
|
300 |
От 0,30 до 1,50 включ. |
7,0 |
12,8 |
9,1 |
4,1 |
14,8 |
10,9 |
|
|
Св. 1,50 " 10,00 " |
2,7 |
4,9 |
3,5 |
2,3 |
5,9 |
4,5 |
|
|
" 10,00 " 20,00 " |
1,4 |
2,5 |
1,8 |
1,4 |
3,1 |
2,4 |
|
|
" 20,00 " 40,00 " |
1,1 |
2,0 |
1,4 |
1,3 |
2,6 |
2,1 |
|
|
" 40,00 " 90,00 " |
0, 8 |
1,5 |
1,1 |
1,3 |
2,1 |
1,8 |
|
|
Св. 90 |
0,7 |
1,3 |
0,9 |
1,3 |
1,9 |
1,6 |
|
500 |
От 0,30 до 1,50 включ. |
5,5 |
10,1 |
7,2 |
4,1 |
11,9 |
9,0 |
|
|
Св. 1,50 " 10,00 " |
2,1 |
3,8 |
2,7 |
2,3 |
4,8 |
3,8 |
|
|
"10,00 " 20,00 " |
1,0 |
1,9 |
1,4 |
1,4 |
2,5 |
2,1 |
|
|
" 20,00 " 40,00 " |
0, 8 |
1,5 |
1,1 |
1,3 |
2,1 |
1,8 |
|
|
" 40,00 " 90,00 " |
0,7 |
1,2 |
0,9 |
1,3 |
1,9 |
1,6 |
|
|
Св. 90,00 |
0,6 |
1,0 |
0,7 |
1,3 |
1,7 |
1,5 |
|
1000 |
От 0,30 до 1,50 включ. |
3,9 |
7,1 |
5,1 |
4,1 |
8,9 |
7,0 |
|
|
Св. 1,50 " 10,00 " |
1,5 |
2,7 |
1,9 |
2,3 |
3,8 |
3,2 |
|
|
" 10,00 " 20,00 " |
0,7 |
1,3 |
0,9 |
1,4 |
2,0 |
1,8 |
|
|
" 20,00 " 40,00 " |
0,6 |
1,1 |
0,8 |
1,3 |
1,8 |
1,6 |
|
|
" 40,00 " 90,00 " |
0,5 |
0,9 |
0,6 |
1,3 |
1,7 |
1,5 |
|
|
Св. 90,00 |
0,4 |
0,7 |
0,5 |
1,3 |
1,5 |
1,35 |
Зав. лабораторией ГНМЦ ФГУП "УНИИМ" Г.И. Терентьев
Дата выдачи свидетельства: 03.2006 г.
Срок действия свидетельства: 03.2011 г.
Таблица 3 - Характеристики погрешности МВИ с использованием коллиматора диаметром 10 мм
|
Время измерения, с |
Диапазон измеряемых массовых долей (235)U в уране, % |
sR, % (СКО повторяемости) |
sг, % (СКО воспроизводимости) |
dс, % |
d, % |
||
|
n=1 |
n=3 |
n=1 |
n=3 |
||||
|
Толщина стенки контейнера (упаковки) от 0,4 до 1,0 мм включ. |
|||||||
|
300 |
От 1,50 до 10,0 включ. |
4,0 |
7,2 |
5,1 |
2,2 |
8,3 |
6,1 |
|
|
Св. 10,00 " 20,00 " |
1,2 |
2,1 |
1,5 |
1,4 |
2,7 |
2,2 |
|
|
" 20,00 " 40,00 " |
0,6 |
1,1 |
0,8 |
1,3 |
1,8 |
1,6 |
|
|
" 40,00 " 90,00 " |
0,5 |
0,9 |
0,6 |
1,3 |
1,7 |
1,5 |
|
|
Св. 90,00 |
0,33 |
0,6 |
0,4 |
1,2 |
1,4 |
1,3 |
|
500 |
От 1,50 до 10,0 включ. |
3,1 |
5,6 |
4,0 |
2,2 |
6,6 |
5,0 |
|
|
Св. 10,00 " 20,00 " |
0,9 |
1,6 |
1,1 |
1,4 |
2,3 |
1,9 |
|
|
" 20,00 " 40,00 " |
0,44 |
0,8 |
0,6 |
1,3 |
1,6 |
1,5 |
|
|
" 40,00 " 90,00 " |
0,32 |
0,6 |
0,4 |
1,3 |
1,5 |
1,4 |
|
|
Св. 90,00 |
0,27 |
0,5 |
0,36 |
1,2 |
1,4 |
1,3 |
|
1000 |
От 1,50 до 10,0 включ. |
2,1 |
3,9 |
2,8 |
2,2 |
4,9 |
3,8 |
|
|
Св. 10,00 " 20,00 " |
0,6 |
1,1 |
0,8 |
1,4 |
1,9 |
1,7 |
|
|
" 20,00 " 40,00 " |
0,38 |
0,7 |
0,5 |
1,3 |
1,5 |
1,4 |
|
|
" 40,00 " 90,00 " |
0,2 |
0,4 |
0,3 |
1,3 |
1,4 |
1,4 |
|
|
Св. 90,00 |
0,17 |
0,3 |
0,2 |
1,2 |
1,3 |
1,3 |
|
Толщина стенки контейнера (упаковки) от 1,0 до 2,5 мм включ. |
|||||||
|
300 |
От 1,50 до 10,0 включ. |
4,2 |
7,6 |
5,4 |
2,2 |
8,7 |
6,4 |
|
|
Св. 10,00 " 20,00 " |
1,1 |
2,0 |
1,4 |
1,4 |
2,6 |
2,1 |
|
|
" 20,00 " 40,00 " |
0,7 |
1,2 |
0,9 |
1,3 |
1,9 |
1,6 |
|
|
" 40,00 " 90,00 " |
0,5 |
0,9 |
0,6 |
1,3 |
1,7 |
1,5 |
|
|
Св. 90,00 |
0,33 |
0,6 |
0,4 |
1,2 |
1,4 |
1,3 |
|
500 |
От 1,50 до 10,0 включ. |
3,2 |
5,9 |
4,2 |
2,2 |
6,9 |
5,2 |
|
|
Св. 10,00 " 20,00 " |
0, 8 |
1,5 |
1,1 |
1,4 |
2,2 |
1,9 |
|
|
" 20,00 " 40,00 " |
0,5 |
0,9 |
0,6 |
1,3 |
1,7 |
1,5 |
|
|
" 40,00 " 90,00 " |
0,4 |
0,7 |
0,5 |
1,3 |
1,5 |
1,4 |
|
|
Св. 90,00 |
0,3 |
0,5 |
0,4 |
1,2 |
1,4 |
1,3 |
|
1000 |
От 1,50 до 10,0 включ. |
2,3 |
4,2 |
3,0 |
2,2 |
5,2 |
4,0 |
|
|
Св. 10,00 " 20, 00 " |
0,6 |
1,1 |
0,8 |
1,4 |
1,9 |
1,7 |
|
|
" 20,00 " 40,00 " |
0,4 |
0,8 |
0,6 |
1,3 |
1,6 |
1,5 |
|
|
" 40,00 " 90,00 " |
0,3 |
0,6 |
0,4 |
1,3 |
1,5 |
1,4 |
|
|
Св. 90,00 |
0,2 |
0,3 |
0,2 |
1,2 |
1,3 |
1,24 |
|
Толщина стенки контейнера (упаковки) от 2,5 до 4,0 мм включ. |
|||||||
|
300 |
От 1,50 до 10,0 включ. |
4,7 |
8,5 |
6,1 |
2,2 |
9,7 |
7,1 |
|
|
Св. 10,00 " 20,00 " |
1,3 |
2,4 |
1,7 |
1,4 |
3,0 |
2,4 |
|
|
" 20,00 " 40,00 " |
0,8 |
1,5 |
1,1 |
1,3 |
2,1 |
1,8 |
|
|
" 40,00 " 90,00 " |
0,7 |
1,2 |
0,9 |
1,3 |
1,9 |
1,6 |
|
|
Св. 90,00 |
0,5 |
0,9 |
0,6 |
1,2 |
1,6 |
1,4 |
|
500 |
От 1,50 до 10,0 включ. |
3,6 |
6,6 |
4,7 |
2,2 |
7,6 |
5,7 |
|
|
Св. 10,00 " 20,00 " |
1,0 |
1,9 |
1,4 |
1,4 |
2,5 |
2,1 |
|
|
" 20,00 " 40,00 " |
0,7 |
1,2 |
0,9 |
1,3 |
1,9 |
1,6 |
|
|
" 40,00 " 90,00 " |
0,5 |
0,9 |
0,6 |
1,3 |
1,7 |
1,5 |
|
|
Св. 90,00 |
0,4 |
0,7 |
0,5 |
1,2 |
1,5 |
1,4 |
|
1000 |
От 1,50 до 10,0 включ. |
2,8 |
5,1 |
3,6 |
2,2 |
6,1 |
4,6 |
|
|
Св. 10,00 " 20,00 " |
0,7 |
1,3 |
0,9 |
1,4 |
2,0 |
1,8 |
|
|
" 20,00 " 40,00 " |
0, 44 |
0,8 |
0,6 |
1,3 |
1,6 |
1,5 |
|
|
" 40,00 " 90,00 " |
0,38 |
0,7 |
0,5 |
1,3 |
1,5 |
1,4 |
|
|
Св. 90,00 |
0,3 |
0,5 |
0,4 |
1,2 |
1,4 |
1,3 |
|
Толщина стенки контейнера (упаковки) от 4,0 до 7,0 мм включ. |
|||||||
|
300 |
От 1,50 до 10, 0 включ. |
5,2 |
9,5 |
6,8 |
2,2 |
10,8 |
7,8 |
|
|
Св. 10,00 " 20,00 " |
1,5 |
2,8 |
2,0 |
1,4 |
3,4 |
2,6 |
|
|
" 20,00 " 40,00 " |
0,9 |
1,7 |
1,2 |
1,3 |
2,3 |
1,9 |
|
|
" 40,00 " 90,00 " |
0,8 |
1,4 |
1,0 |
1,3 |
2,0 |
1,7 |
|
|
Св. 90,00 |
0,6 |
1,1 |
0,8 |
1,2 |
1,7 |
1,5 |
|
500 |
От 1,50 до 10,0 включ. |
4,0 |
7,3 |
5,2 |
2,2 |
8,4 |
6,2 |
|
|
Св. 10,00 " 20,00 " |
1,2 |
2,2 |
1,6 |
1,4 |
2,8 |
2,3 |
|
|
" 20,00 " 40,00 " |
0,7 |
1,3 |
0,9 |
1,3 |
2,0 |
1,7 |
|
|
" 40,00 " 90,00 " |
0,6 |
1,1 |
0,8 |
1,3 |
1,8 |
1,6 |
|
|
Св. 90,00 |
0,4 |
0,8 |
0,6 |
1,2 |
1,5 |
1,4 |
|
1000 |
От 1,50 до 10,0 включ. |
2,9 |
5,2 |
3,7 |
2,2 |
6,2 |
4,7 |
|
|
Св. 10,00 " 20,00 " |
0,8 |
1,5 |
1,1 |
1,4 |
2,2 |
1,9 |
|
|
" 20,00 " 40,00 " |
0,5 |
0,9 |
0,64 |
1,3 |
1,7 |
1,5 |
|
|
" 40,00 " 90,00 " |
0,4 |
0,8 |
0,56 |
1,3 |
1,6 |
1,5 |
|
|
Св. 90,00 |
0,3 |
0,6 |
0,4 |
1,2 |
1,4 |
1,3 |
|
Толщина стенки контейнера (упаковки) от 7,0 до 12,0 мм включ. |
|||||||
|
300 |
От 1,50 до 10,0 включ. |
6,2 |
11,3 |
8,1 |
2,2 |
12, 8 |
9,2 |
|
|
Св. 10,00 " 20,00 " |
1,8 |
3,2 |
2,3 |
1,4 |
3,8 |
2,9 |
|
|
" 20,00 " 40,00 " |
1,1 |
2,0 |
1,4 |
1,3 |
2,6 |
2,1 |
|
|
" 40,00 " 90,00 " |
0,9 |
1,6 |
1,1 |
1,3 |
2,2 |
1,8 |
|
|
Св. 90,00 |
0,7 |
1,3 |
0,9 |
1,2 |
1,9 |
1,6 |
|
500 |
От 1,50 до 10,0 включ. |
4,8 |
8,8 |
6,3 |
1,2 |
10,0 |
7,3 |
|
|
Св. 10,00 " 20,00 " |
1,3 |
2,4 |
1,7 |
1,4 |
3,0 |
2,4 |
|
|
" 20,00 " 40,00 " |
0,8 |
1,5 |
1,1 |
1,3 |
2,1 |
1,8 |
|
|
" 40,00 " 90,00 " |
0,7 |
1,2 |
0,9 |
1,3 |
1,9 |
1,6 |
|
|
Св. 90,00 |
0,5 |
1,0 |
0,7 |
1,2 |
1,7 |
1,5 |
|
1000 |
От 1,50 до 10,0 включ. |
3,4 |
6,2 |
4,4 |
2,2 |
7,2 |
5,4 |
|
|
Св. 10,00 " 20,00 " |
1,0 |
1,8 |
1,3 |
1,4 |
2,5 |
2,0 |
|
|
" 20,00 " 40,00 " |
0,6 |
1,1 |
0,8 |
1,3 |
1,8 |
1,6 |
|
|
" 40,00 " 90,00 " |
0,5 |
0,9 |
0,6 |
1,3 |
1,7 |
1,5 |
|
|
Св. 90,00 |
0,4 |
0,7 |
0,5 |
1,2 |
1,5 |
1,4 |
|
Толщина стенки контейнера (упаковки) от 12,0 до 15,5 мм включ. |
|||||||
|
300 |
От 1,50 до 10,0 включ. |
7,2 |
13,1 |
9,4 |
2,2 |
14,8 |
10,6 |
|
|
Св. 10,00 " 20,00 " |
2,0 |
3,7 |
2,6 |
1,4 |
4,3 |
3,3 |
|
|
" 20,00 " 40,00 " |
1,3 |
2,3 |
1,6 |
1,3 |
2,9 |
2,3 |
|
|
" 40,00 " 90,00 " |
1,0 |
1,8 |
1,3 |
1,3 |
2,4 |
2,0 |
|
|
Св. 90,00 |
0,8 |
1,5 |
1,1 |
1,2 |
2,1 |
1,7 |
|
500 |
От 1,50 до 10,0 включ. |
5,6 |
10,2 |
7,3 |
2,2 |
11,6 |
8,4 |
|
|
Св. 10,00 " 20,00 " |
1,6 |
2,9 |
2,1 |
1,4 |
3,5 |
2,7 |
|
|
" 20,00 " 40,00 " |
1,0 |
1,8 |
1,3 |
1,3 |
2,4 |
2,0 |
|
|
" 40,00 " 90,00 " |
0, 8 |
1,4 |
1,0 |
1,3 |
2,0 |
1,7 |
|
|
Св. 90,00 |
0,7 |
1,2 |
0,9 |
1,2 |
1,8 |
1,6 |
|
1000 |
От 1,50 до 10,0 включ. |
4,0 |
7,3 |
5,2 |
2,2 |
8,4 |
6,2 |
|
|
Св. 10, 00 " 20, 00 " |
1,1 |
2,0 |
1,4 |
1,4 |
2,6 |
2,1 |
|
|
" 20,00 " 40,00 " |
0,7 |
1,3 |
0,9 |
1,3 |
2,0 |
1,7 |
|
|
" 40,00 " 90,00 " |
0,6 |
1,0 |
0,7 |
1,3 |
1,7 |
1,6 |
|
|
Св. 90,00 |
0,4 |
0,8 |
0,6 |
1,2 |
1,5 |
1,4 |
Зав. лабораторией ГНМЦ ФГУП "УНИИМ" Г.И. Терентьев
Дата выдачи свидетельства: 03.2006 г.
Срок действия свидетельства: 03.2011 г.
|
Согласовано |
|
|
|
|
|
Зам. директора ФГУП "УНИИМ" |
С.В. Медведевских |
|
|
|
|
Утверждаю |
|
|
|
|
|
Начальник Управления Федеральной службы по экологическому, технологическому и атомному надзору |
В.С. Беззубцев |
|
|
|
|
7 апреля 2006 г. |
|
|
|
|
|
Директор отделения ФГУП ВНИИМ им. А.А. Бочвара |
В.С. Руденко |
|
|
|
|
3 апреля 2006 г. |
|
Государственная система обеспечения единства измерений "Уран и его соединения. Методика выполнения измерений массовой доли изотопа урана-235 гамма-спектрометрическим методом с использованием гамма-спектрометра InSpector с германиевым детектором и программы IMCA
МВИ 223.13.17.106/2006
(утв. Управлением Федеральной службы по экологическому, технологическому и атомному надзору и отделением ФГУП "ВНИИМ им. А.А. Бочвара")
Дата
введения - 2006 -
МВИ 223.13.17.106/2006
Предисловие
1 Разработана ФГУП "ВНИИНМ им. А.А. Бочвара"
Ведущий научный сотрудник, к.т.н.
/подпись/ Т.К. Рагимов
"__" __________ 2006 г.
Старший научный сотрудник, к.т.н.
/подпись/ В.И. Тимошин
"__" __________ 2006 г.
Научный сотрудник
/подпись/ A.H. Сиротинин
"__" __________ 2006 г.
Инженер
/подпись/ А.А. Самойлов
"__" __________ 2006 г.
Федеральной службой по экологическому, технологическому и атомному надзору
Заместитель начальника Управления
/подпись/ Б.Н. Крупчатников
"__" __________ 2006 г.
Главный специалист
/подпись/ Д.А. Боков
"__" __________ 2006 г.
2 Аттестована Государственным научным метрологическим центром (ГНМЦ) - Федеральным государственным унитарным предприятием "Уральский научно-исследовательский институт метрологии" (ГНМЦ ФГУП "УНИИМ")
Зав. лабораторией 223, к.ф.-м.н.
/подпись/ Г.И. Терентьев
"__" __________ 2006 г.
1 Область применения
Настоящий документ устанавливает гамма-спектрометрическую методику выполнения измерений массовой доли (обогащения) изотопа уран-235 (м.д. 235U) в уране и его соединениях непосредственно в контейнерах, упаковках и учетных единицах из различных материалов с использованием гамма-спектрометра InSpector и программы IMCA.
Обработку результатов измерений проводят с использованием компьютерной программы IMCA. Продолжительность анализа определяется в зависимости от требуемой погрешности, при этом проводят одно (n=1) или три (n=3) параллельных измерения массовой доли 235U (Е235, %) в уране (набирают один или три аппаратурных спектра гамма-излучения одного и того же образца). Время набора одного аппаратурного спектра может составлять 300, 500, 1000 с. Анализируемый уран или его соединения в контейнере (упаковке) должны быть однородными по всему объему, как по содержанию м.д. 235U в уране, так и по составу матрицы. Содержание изотопа 235U в анализируемом уране с массовой долей более 1,25×10-9×Е235 %, где Е235 - м.д. 235U в уране, %, ограничивает возможность использования методики. При отсутствии данных о химической форме (матрице) ураносодержащего материала, толщине стенок и материале контейнера данная методика выполнения измерений м.д. 235U в уране не может быть применима.
2 Нормативные ссылки
В настоящем документе использованы ссылки на следующие нормативные документы:
ГОСТ 1583-93 Сплавы алюминиевые литейные. Технические условия
ГОСТ 5632-72 Стали высоколегированные и сплавы коррозионностойкие, жаростойкие и жаропрочные. Марки и технические требования
ГОСТ 9293-74 Азот газообразный и жидкий. Технические условия
ГОСТ 21400-75 Стекло химико-лабораторное. Технические требования. Методы испытаний
ГОСТ 10354-82 Пленка полиэтиленовая. Технические условия
ГОСТ Р ИСО 5725-1-2002 Точность (правильность и прецизионность) методов и результатов измерений. Часть 1. Основные положения и определения
ГОСТ Р ИСО 5725-6-2002 Точность (правильность и прецизионность) методов и результатов измерений. Часть 6. Использование значений точности на практике
ГОСТ Р 50779.42-99 Статистические методы. Контрольные карты Шухарта
РМГ 61-2003 ГСИ. Показатели точности, правильности, прецизионности методик количественного химического анализа
ОСПОРБ-99 Основные санитарные правила обеспечения радиационной безопасности
ПБЯ 06-09-90 Правила ядерной безопасности при хранении и транспортировке ядерно-опасных делящихся материалов
НРБ-99 Нормы радиационной безопасности
Примечание - При пользовании настоящей методикой целесообразно проверить действие ссылочных документов по соответствующему указателю стандартов, составленному по состоянию на 1 января текущего года, и по соответствующим информационным указателям, опубликованным в текущем году. Если ссылочный документ заменен (изменен), то при пользовании настоящей методикой следует руководствоваться замененным (измененным) стандартом. Если ссылочный документ отменен без замены, то положение, в котором дана ссылка на него, применяется в части, не затрагивающей эту ссылку.
3 Термины и определения
В настоящем документе применены следующие термины с соответствующими определениями по ГОСТ Р ИСО 5725-1, РМГ 61:
3.1 точность: Степень близости результата измерений к принятому опорному значению.
3.2 принятое опорное значение: Значение, которое служит в качестве согласованного для сравнения.
3.3 правильность: Степень близости среднего значения, полученного на основании большой серии результатов измерений, к принятому опорному значению.
3.4 прецизионность: Степень близости друг к другу независимых результатов измерений, полученных в конкретных регламентированных условиях.
3.5 воспроизводимость: Прецизионность в условиях воспроизводимости.
3.6 повторяемость: Прецизионность в условиях повторяемости.
3.7 условия воспроизводимости: Условия, при которых результаты измерений получают одним и тем же методом, на идентичных объектах испытаний, в разных лабораториях, разными операторами, с использованием различного оборудования.
3.8 условия повторяемости: Условия, при которых независимые результаты измерений получают одним и тем же методом на идентичных объектах испытаний, в одной и той же лаборатории, одним и тем же оператором, с использованием одного и того же оборудования, в пределах короткого промежутка времени
3.9 критический диапазон: Значение, которое с доверительной вероятностью 95% не превышается величиной разности между максимальным и минимальным результатами трех или более измерений, полученными в условиях повторяемости.
3.10 предел воспроизводимости: Значение, которое с доверительной вероятностью 95% не превышается величиной разности между результатами двух измерений, полученными в условиях воспроизводимости.
3.11 среднее квадратическое отклонение воспроизводимости: Среднее квадратическое отклонение результатов измерений, полученных в условиях воспроизводимости.
3.12 приписанные характеристики погрешности методики выполнения измерений и ее составляющих: Установленные характеристики погрешности и ее составляющих для любого из совокупности результатов измерений, полученного при соблюдении требований и правил аттестованной методики выполнения измерений.
3.13 анализируемый образец: Материал урана или его соединения, находящийся в контейнере, упаковке или учетной единице.
3.14 анализируемая проба: Материал урана или его соединения, непосредственно подвергаемый измерениям.
4 Характеристики погрешности измерений
Приписанные характеристики погрешности измерений: среднее квадратическое отклонение (СКО) воспроизводимости sR, %, при числе измерений n=1 и n=3, систематическая составляющая погрешности dС, %, границы погрешности измерений d при n=1 и n=3 в относительной форме, %, при доверительной вероятности Р=0,95 для различных диапазонов массовых долей 235U в уране, в зависимости от времени измерения, толщины стенки контейнера (упаковки) из стали и диаметра коллиматора, приведены в таблицах 1 - 3.
Таблица 1 - Характеристики погрешности МВИ с использованием коллиматора диаметром 25 мм
|
Время измерения, с |
Диапазон измеряемых массовых долей (235)U в уране, % |
sR, % (СКО воспроизводимости) |
dC, % |
d, % |
||
|
n=1 |
n=3 |
n=1 |
n=3 |
|||
|
Толщина стенки контейнера (упаковки) от 0,4 до 1,0 мм включ. |
||||||
|
300 |
От 0,09 до 0,30 |
15,9 |
11,3 |
5,6 |
18,5 |
13,8 |
|
|
включ. |
5,3 |
3,8 |
4,0 |
7,1 |
5,9 |
|
|
Св. 0,30 " 1,50 " |
1,1 |
0,8 |
2,0 |
2,4 |
2,2 |
|
|
" 1,50 " 10,00 " |
0,8 |
0,6 |
1,9 |
2,1 |
2,0 |
|
|
" 10,00 " 20, 00 " |
0,5 |
0,4 |
1,7 |
1,8 |
1,8 |
|
|
" 20,00 " 40,00 " |
|
|
|
|
|
|
500 |
От 0,09 до 0,30 |
12,5 |
8,9 |
5,6 |
14,9 |
11,4 |
|
|
включ. |
4,1 |
2,9 |
4,0 |
6,1 |
5,2 |
|
|
Св. 0,30 " 1,50 " |
0,9 |
0,6 |
2,0 |
2,3 |
2,2 |
|
|
" 1,50 " 10,00 " |
0,6 |
0,4 |
1,9 |
2,1 |
2,0 |
|
|
" 10,00 " 20, 00 " |
0,4 |
0,3 |
1,7 |
1,8 |
1,8 |
|
|
" 20,00 " 40,00 " |
|
|
|
|
|
|
1000 |
От 0,09 до 0,30 |
8,8 |
6,3 |
5,6 |
11,3 |
9,0 |
|
|
включ. |
2,9 |
2,1 |
4,0 |
5,2 |
4,7 |
|
|
Св. 0,30 " 1,50 " |
0,6 |
0,4 |
2,0 |
2,2 |
2,1 |
|
|
" 1,50 " 10,00 " |
0,4 |
0,3 |
1,9 |
2,0 |
1,9 |
|
|
" 10,00 " 20, 00 " |
0,3 |
0,2 |
1,7 |
1,8 |
1,7 |
|
|
" 20,00 " 40,00 " |
|
|
|
|
|
|
Толщина стенки контейнера (упаковки) св. 1,0 до 2,5 мм включ. |
||||||
|
300 |
От 0,09 до 0,30 |
16,4 |
11,7 |
5,5 |
19,0 |
14,1 |
|
|
включ. |
5,5 |
3,9 |
3,9 |
7,3 |
5,9 |
|
|
Св. 0,30 " 1,50 " |
1,3 |
0,9 |
2,0 |
2,5 |
2,3 |
|
|
" 1,50 " 10,00 " |
0,9 |
0, 6 |
1,9 |
2,2 |
2,1 |
|
|
" 10,00 " 20, 00 " |
0, 6 |
0,4 |
1,7 |
1,9 |
1,8 |
|
|
" 20,00 " 40,00 " |
|
|
|
|
|
|
500 |
От 0,09 до 0,30 включ. |
12,8 |
9,1 |
5,6 |
15,2 |
11,6 |
|
|
Св. 0,30 " 1,50 " |
4,3 |
3,1 |
4,0 |
6,3 |
5,3 |
|
|
" 1,50 " 10,00 " |
1,0 |
0,7 |
2,0 |
2,3 |
2,2 |
|
|
" 10,00 " 20, 00 " |
0,7 |
0,5 |
1,9 |
2,1 |
2,0 |
|
|
" 20,00 " 40,00 " |
0,5 |
0,4 |
1,7 |
1,8 |
1,8 |
|
1000 |
От 0,09 до 0,30 включ. |
9,0 |
6,5 |
5,6 |
11,5 |
9,2 |
|
|
Св. 0,30 " 1,50 " |
3,0 |
2,1 |
4,0 |
5,3 |
4,8 |
|
|
" 1,50 " 10,00 " |
0,8 |
0,6 |
2,0 |
2,2 |
2,1 |
|
|
" 10,00 " 20, 00 " |
0,5 |
0,4 |
1,9 |
2,0 |
2,0 |
|
|
" 20,00 " 40,00 " |
0,3 |
0,2 |
1,7 |
1,8 |
1,7 |
|
Толщина стенки контейнера (упаковки) от 2,5 до 4,0 мм |
||||||
|
300 |
От 0,09 до 0,30 включ. |
18,4 |
13,1 |
5,6 |
21,2 |
15,6 |
|
|
Св. 0,30 " 1,50 " |
6,1 |
4,4 |
4,0 |
7,9 |
6,3 |
|
|
" 1,50 " 10,00 " |
1,5 |
1,1 |
2,0 |
2,4 |
2,4 |
|
|
" 10,00 " 20, 00 " |
1,1 |
0,8 |
1,9 |
2,3 |
2,1 |
|
|
" 20,00 " 40,00 " |
0,8 |
0,6 |
1,7 |
2,0 |
1,9 |
|
500 |
От 0,09 до 0,30 включ. |
14,7 |
10,5 |
5,6 |
17,2 |
12,9 |
|
|
Св. 0,30 " 1,50 " |
4,7 |
3,4 |
4,0 |
6,6 |
5,5 |
|
|
" 1,50 " 10,00 " |
1,2 |
0,9 |
2,0 |
2,5 |
2,3 |
|
|
" 10,00 " 20, 00 " |
0,9 |
0,6 |
1,9 |
2,2 |
2,1 |
|
|
" 20,00 " 40,00 " |
0,6 |
0,4 |
1,7 |
1,9 |
1,8 |
|
1000 |
От 0,09 до 0,30 включ. |
10,1 |
7,2 |
5,6 |
12,6 |
9,8 |
|
|
Св. 0,30 " 1,50 " |
3,3 |
2,4 |
4,0 |
5,5 |
4,9 |
|
|
" 1,50 " 10,00 " |
0,8 |
0,6 |
2,0 |
2,2 |
2,1 |
|
|
" 10,00 " 20, 00 " |
0,6 |
0,4 |
1,9 |
2,1 |
2,0 |
|
|
" 20,00 " 40,00 " |
0,25 |
0,2 |
1,7 |
1,8 |
1,7 |
|
Толщина стенки контейнера (упаковки) от 4,0 до 7,0 мм |
||||||
|
300 |
От 0,09 до 0,30 включ. |
23,3 |
16,6 |
5,6 |
26,5 |
19,3 |
|
|
Св. 0,30 " 1,50 " |
7,8 |
5,6 |
4,0 |
9,5 |
7,4 |
|
|
" 1,50 " 10,00 " |
2,4 |
1,7 |
2,0 |
3,4 |
2,8 |
|
|
" 10,00 " 20, 00 " |
1,4 |
1,0 |
1,9 |
2,5 |
2,2 |
|
|
" 20,00 " 40,00 " |
1,1 |
0,8 |
1,7 |
2,1 |
2,0 |
|
|
" 40,00 " 90,00 " |
0,8 |
0,6 |
1,5 |
1,8 |
1,7 |
|
|
Св. 90,00 |
0,6 |
0,4 |
1,4 |
1,6 |
1,5 |
|
500 |
От 0,09 до 0,30 включ. |
17,8 |
12,7 |
5,6 |
20,5 |
15,1 |
|
|
Св. 0,30 " 1,50 " |
6,1 |
4,4 |
4,0 |
7,9 |
6,3 |
|
|
" 1,50 " 10,00 " |
1,9 |
1,4 |
2,0 |
2,9 |
2,6 |
|
|
" 10,00 " 20,00 " |
1,1 |
0,8 |
1,9 |
2,3 |
2,1 |
|
|
" 20,00 " 40,00 " |
0,8 |
0,6 |
1,7 |
2,0 |
1,9 |
|
|
" 40,00 " 90,00 " |
0,6 |
0,4 |
1,5 |
1,7 |
1,6 |
|
|
Св. 90,00 |
0,5 |
0,36 |
1,4 |
1,5 |
1,5 |
|
1000 |
От 0,09 до 0,30 включ. |
12,9 |
9,2 |
5,6 |
15,3 |
11,6 |
|
|
Св. 0,30 " 1,50 " |
4,3 |
3,1 |
4,0 |
6,3 |
5,3 |
|
|
" 1,50 " 10,00 " |
1,4 |
1,00 |
2,0 |
2,6 |
2,3 |
|
|
" 10,00 " 20,00 " |
0,9 |
0,6 |
1,9 |
2,2 |
2,1 |
|
|
" 20,00 " 40,00 " |
0, 6 |
0,4 |
1,7 |
1,9 |
1,8 |
|
|
" 40,00 " 90,00 " |
0,4 |
0,3 |
1,5 |
1,6 |
1,6 |
|
|
Св. 90,00 |
0,3 |
0,2 |
1,4 |
1,5 |
1,4 |
|
Толщина стенки контейнера (упаковки) от 7, до 12,0 мм |
||||||
|
300 |
От 0,3 до 1,50 включ. |
9,3 |
6,60 |
4,0 |
11,1 |
8,4 |
|
|
Св. 1,50 "10,00 " |
2,9 |
2,1 |
2,0 |
3,8 |
3,1 |
|
|
" 10,00 " 20,00 " |
1,8 |
1,3 |
1,9 |
2,8 |
2,4 |
|
|
" 20,00 " 40,00 " |
1,4 |
1,0 |
1,7 |
2,3 |
2,1 |
|
|
" 40,00 " 90,00 " |
1,1 |
0,8 |
1,5 |
2,0 |
1,8 |
|
|
Св. 90,00 |
0,8 |
0,6 |
1,4 |
1,7 |
1,6 |
|
500 |
От 0,3 до 1,50 включ. |
7,2 |
5,1 |
4,0 |
8,9 |
7,0 |
|
|
Св. 1,50 " 10,00 " |
2,2 |
1,6 |
2,0 |
3,2 |
2,7 |
|
|
"10,00 " 20,00 " |
1,4 |
1,0 |
1,9 |
2,5 |
2,2 |
|
|
" 20,00 " 40,00 " |
1,1 |
0,8 |
1,7 |
2,1 |
2,0 |
|
|
" 40,00 " 90,00 " |
0,9 |
0,6 |
1,5 |
1,8 |
1,7 |
|
|
Св. 90,00 |
0,6 |
0,4 |
1,4 |
1,6 |
1,5 |
|
1000 |
От 0,3 до 1,50 включ. |
5,1 |
3,6 |
4,0 |
7,0 |
5,8 |
|
|
Св. 1,50 " 10,00 " |
1,7 |
1,2 |
2,0 |
2,8 |
2,5 |
|
|
"10,00 " 20,00 " |
1,0 |
0,7 |
1,9 |
2,2 |
2,1 |
|
|
" 20,00 " 40,00 " |
0,8 |
0,6 |
1,7 |
2,0 |
1,9 |
|
|
" 40,00 " 90,00 " |
0,6 |
0,4 |
1,5 |
1,7 |
1,6 |
|
|
Св. 90,00 " |
0,4 |
0,3 |
1,4 |
1,5 |
1,5 |
|
Толщина стенки контейнера (упаковки) от 12,0 до 15,5 мм |
||||||
|
300 |
От 0,3 до 1,50 включ. |
10,7 |
7,6 |
4,0 |
12,5 |
9,4 |
|
|
Св. 1,50 " 10,00 " |
3,3 |
2,4 |
2,0 |
4,2 |
3,3 |
|
|
" 10,00 " 20, 00 " |
2,7 |
1,9 |
1,9 |
3,6 |
2,9 |
|
|
" 20,00 " 40,00 " |
2,1 |
1,5 |
1,7 |
2,9 |
2,4 |
|
|
" 40,00 " 90,00 " |
1,6 |
1,1 |
1,5 |
2,3 |
2,0 |
|
|
Св. 90,00 |
1,1 |
0,8 |
1,4 |
1,9 |
1,7 |
|
500 |
От 0,3 до 1,50 включ. |
8,3 |
5,9 |
4,0 |
10,0 |
7,7 |
|
|
Св. 1,50 " 10,00 " |
2,6 |
1,9 |
2,0 |
3,5 |
2,9 |
|
|
" 10,00 " 20, 00 " |
2,1 |
1,5 |
1,9 |
3,0 |
2,6 |
|
|
" 20,00 " 40,00 " |
1,6 |
1,1 |
1,7 |
2,5 |
2,2 |
|
|
" 40,00 " 90,00 " |
1,2 |
0,9 |
1,5 |
2,0 |
1,8 |
|
|
Св. 90 |
0,7 |
0,5 |
1,4 |
1,6 |
1,5 |
|
1000 |
От 0,3 до 1,50 включ. |
5,9 |
4,2 |
4,0 |
7,7 |
6,2 |
|
|
Св. 1,50 " 10,00 " |
1,8 |
1,3 |
2,0 |
2,9 |
2,5 |
|
|
"10,00 " 20,00 " |
1,5 |
1,1 |
1,9 |
2,6 |
2,3 |
|
|
" 20,00 " 40,00 " |
1,2 |
0,9 |
1,7 |
2,2 |
2,0 |
|
|
" 40,00 " 90,00 " |
0,9 |
0,6 |
1,5 |
1,8 |
1,7 |
|
|
Св. 90,00 |
0,5 |
0,4 |
1,4 |
1,5 |
1,5 |
Таблица 2 - Характеристики погрешности МВИ с использованием коллиматора диаметром 18 мм
|
Время измерения, с |
Диапазон измеряемых массовых долей (235)U в уране, % |
sR, % (СКО воспроизводимости) |
dC, % |
d, % |
||
|
n=1 |
n=3 |
n=1 |
n=3 |
|||
|
Толщина стенки контейнера (упаковки) от 0,4 до 1,0 мм |
||||||
|
300 |
От 0,09 до 0,30 включ. |
17,8 |
12,7 |
6,6 |
20,8 |
15,6 |
|
|
Св. 0,30 " 1,50 " |
7,9 |
5,6 |
4,1 |
9,7 |
7,5 |
|
|
" 1,50 " 10,00 " |
2,6 |
1,9 |
2,1 |
3,6 |
3,0 |
|
|
" 10,00 " 20,00 " |
1,0 |
0,7 |
1,4 |
1,8 |
1,6 |
|
|
" 20,00 " 40,00 " |
0,7 |
0,5 |
1,3 |
1,5 |
1,4 |
|
|
" 40,00 " 90,00 " |
0,5 |
0,4 |
1,2 |
1,4 |
1,3 |
|
|
Св. 90,00 |
0,4 |
0,3 |
1,2 |
1,3 |
1,26 |
|
500 |
От 0,09 до 0,30 включ. |
14,8 |
10,6 |
6,6 |
17,7 |
13,5 |
|
|
Св. 0,30 " 1,50 " |
6,1 |
4,6 |
4,3 |
8,0 |
6,5 |
|
|
" 1,50 " 10,00 " |
2,1 |
1,5 |
2,1 |
3,2 |
2,7 |
|
|
" 10,00 " 20,00 " |
0,8 |
0,6 |
1,4 |
1,7 |
1,6 |
|
|
" 20,00 " 40,00 " |
0,6 |
0,4 |
1,3 |
1,5 |
1,4 |
|
|
" 40,00 " 90,00 " |
0,4 |
0,3 |
1,2 |
1,3 |
1,26 |
|
|
Св. 90,00 |
0,3 |
0,2 |
1,2 |
1,27 |
1,24 |
|
1000 |
От 0,09 до 0,30 включ. |
10,6 |
7,6 |
6,6 |
13,5 |
10,8 |
|
|
Св. 0,30 " 1,50 " |
4,4 |
3,1 |
4,2 |
6,5 |
5,5 |
|
|
" 1,50 " 10,00 " |
1,5 |
1,1 |
2,1 |
2,7 |
2,5 |
|
|
" 10,00 " 20,00 " |
0,6 |
0,4 |
1,4 |
1,6 |
1,5 |
|
|
" 20,00 " 40,00 " |
0,4 |
0,3 |
1,3 |
1,4 |
1,4 |
|
|
" 40,00 " 90,00 " |
0,3 |
0,2 |
1,2 |
1,3 |
1,2 |
|
|
Св. 90,00 |
0,2 |
0,14 |
1,2 |
1,2 |
1,2 |
|
Толщина стенки контейнера (упаковки) от 1,0 до 2,5 мм |
||||||
|
300 |
От 0,09 до 0,30 включ. |
20,5 |
14,6 |
6,6 |
23,7 |
17,5 |
|
|
Св. 0,30 " 1,50 " |
8,2 |
5,9 |
4,1 |
10,0 |
7,7 |
|
|
" 1,50 " 10,00 " |
2,8 |
2,0 |
2,1 |
3,8 |
3,1 |
|
|
" 10,00 " 20,00 " |
1,2 |
0,9 |
1,4 |
2,0 |
1,7 |
|
|
" 20,00 " 40,00 " |
0,9 |
0,6 |
1,3 |
1,7 |
1,5 |
|
|
" 40,00 " 90,00 " |
0,6 |
0,4 |
1,2 |
1,4 |
1,3 |
|
|
Св. 90,00 |
0,4 |
0,3 |
1,2 |
1,31 |
1,26 |
|
500 |
От 0,09 до 0,30 включ. |
17,1 |
12,2 |
6,6 |
20,1 |
15,1 |
|
|
Св. 0,30 " 1,50 " |
6,4 |
4,6 |
4,1 |
8,2 |
6,6 |
|
|
" 1,50 " 10,00 " |
2,2 |
1,6 |
2,1 |
3,3 |
2,8 |
|
|
"10,00 " 20,00 " |
0,9 |
0,6 |
1,4 |
1,8 |
1,6 |
|
|
" 20,00 " 40,00 " |
0,7 |
0,5 |
1,3 |
1,5 |
1,4 |
|
|
" 40,00 " 90,00 " |
0,5 |
0,4 |
1,2 |
1,4 |
1,3 |
|
|
Св. 90,00 |
0,3 |
0,2 |
1,2 |
1,27 |
1,24 |
|
1000 |
От 0,09 до 0,30 включ. |
12,1 |
8,6 |
6,6 |
15,0 |
11,7 |
|
|
Св. 0,30 " 1,50 " |
4,5 |
3,2 |
4,1 |
6,5 |
5,5 |
|
|
" 1,50 " 10,00 " |
1,5 |
1,1 |
2,1 |
2,7 |
2,5 |
|
|
" 10,00 " 20,00 " |
0,7 |
0,5 |
1,4 |
1,6 |
1,5 |
|
|
" 20,00 " 40,00 " |
0,5 |
0,4 |
1,3 |
1,44 |
1,4 |
|
|
" 40,00 " 90,00 " |
0,3 |
0,2 |
1,2 |
1,3 |
1,2 |
|
|
Св. 90,00 |
0,2 |
0,14 |
1,2 |
1,24 |
1,2 |
|
Толщина стенки контейнера (упаковки) от 2,5 до 4,0 мм |
||||||
|
300 |
От 0,09 до 0,30 включ. |
21,9 |
15,6 |
6,6 |
25,2 |
18,6 |
|
|
Св. 0,30 " 1,50 " |
9,6 |
6,9 |
4,1 |
11,4 |
8,7 |
|
|
" 1,50 " 10,00 " |
3,4 |
2,4 |
2,1 |
4,3 |
3,4 |
|
|
" 10,00 " 20,00 " |
1,5 |
1,1 |
1,4 |
2,2 |
1,9 |
|
|
" 20,00 " 40,00 " |
1,1 |
0,8 |
1,3 |
1,8 |
1,6 |
|
|
" 40,00 " 90,00 " |
0,8 |
0,6 |
1,2 |
1,5 |
1,4 |
|
|
Св. 90,00 |
0,5 |
0,4 |
1,2 |
1,4 |
1,3 |
|
500 |
От 0,09 до 0,30 включ. |
18,5 |
13,2 |
6,6 |
21,6 |
16,1 |
|
|
Св. 0,30 " 1,50 " |
7,6 |
5,4 |
4,1 |
9,4 |
7,3 |
|
|
" 1,50 " 10,00 " |
1,9 |
1,4 |
2,1 |
3,0 |
2,6 |
|
|
" 10,00 " 20,00 " |
1,2 |
0,9 |
1,4 |
2,0 |
1,7 |
|
|
" 20,00 " 40,00 " |
0,8 |
0,6 |
1,3 |
1,6 |
1,5 |
|
|
" 40,00 " 90,00 " |
0,6 |
0,4 |
1,2 |
1,4 |
1,3 |
|
|
Св. 90,00 |
0,4 |
0,3 |
1,2 |
1,31 |
1,26 |
|
1000 |
От 0,09 до 0,30 включ. |
13,1 |
9,4 |
6,6 |
15,9 |
12,3 |
|
|
Св. 0,30 " 1,50 " |
5,3 |
3,8 |
4,1 |
7,2 |
5,9 |
|
|
" 1,50 " 10,00 " |
1,7 |
1,2 |
2,1 |
2,9 |
2,5 |
|
|
" 10,00 " 20,00 " |
0,8 |
0,6 |
1,4 |
1,7 |
1,6 |
|
|
" 20,00 " 40,00 " |
0,6 |
0,4 |
1,3 |
1,5 |
1,4 |
|
|
" 40,00 " 90,00 " |
0,5 |
0,36 |
1,2 |
1,4 |
1,3 |
|
|
Св. 90,00 |
0,3 |
0,2 |
1,2 |
1,27 |
1,24 |
|
Толщина стенки контейнера (упаковки) от 4,0 до 7,0 мм |
||||||
|
300 |
От 0,09 до 0,30 включ. |
24,0 |
17,1 |
6,6 |
27,5 |
20,1 |
|
|
Св. 0,30 " 1,50 " |
10,9 |
7,8 |
4,1 |
12,8 |
9,6 |
|
|
"1,50 " 10,00 " |
3,9 |
2,8 |
2,1 |
4,8 |
3,8 |
|
|
" 10,00 " 20,00 " |
2,1 |
1,5 |
1,4 |
2,7 |
2,2 |
|
|
" 20,00 " 40,00 " |
1,4 |
1,0 |
1,3 |
2,0 |
1,7 |
|
|
" 40,00 " 90,00 " |
1,0 |
0,7 |
1,2 |
1,7 |
1,5 |
|
|
Св. 90,00 |
0,6 |
0,4 |
1,2 |
1,4 |
1,3 |
|
500 |
От 0,09 до 0,30 включ. |
18,5 |
13,2 |
6,6 |
21,6 |
16,1 |
|
|
Св. 0,30 " 1,50 " |
8,4 |
6,0 |
4,1 |
10,2 |
7,8 |
|
|
" 1,50 " 10,00 " |
3,0 |
2,1 |
2,1 |
4,0 |
3,2 |
|
|
" 10,00 " 20,00 " |
1,6 |
1,1 |
1,4 |
2,3 |
1,9 |
|
|
" 20,00 " 40,00 " |
1,1 |
0,8 |
1,3 |
1,8 |
1,6 |
|
|
" 40,00 " 90,00 " |
0,8 |
0,6 |
1,2 |
1,5 |
1,4 |
|
|
Св. 90,00 |
0,5 |
0,4 |
1,2 |
1,35 |
1,26 |
|
1000 |
От 0,09 до 0,30 включ. |
13,1 |
9,4 |
6,6 |
16,0 |
12,3 |
|
|
Св. 0,30 " 1,50 " |
5,9 |
4,2 |
4,1 |
7,7 |
6,3 |
|
|
" 1,50 " 10,00 " |
2,1 |
1,5 |
2,1 |
3,2 |
2,7 |
|
|
" 10,00 " 20,00 " |
1,4 |
1,0 |
1,4 |
2,1 |
1,8 |
|
|
" 20,00 " 40,00 " |
0,8 |
0,6 |
1,3 |
1,6 |
1,5 |
|
|
" 40,00 " 90,00 " |
0,6 |
0,4 |
1,2 |
1,4 |
1,3 |
|
|
Св. 90,00 |
0,4 |
0,3 |
1,2 |
1,31 |
1,26 |
|
Толщина стенки контейнера (упаковки) от 7,0 до 12,0 мм |
||||||
|
300 |
От 0,30 до 1,50 включ. |
11,6 |
8,3 |
4,1 |
13,5 |
10,1 |
|
|
Св. 1,50 "10,00 " |
4,4 |
3,1 |
2,3 |
5,4 |
4,2 |
|
|
"10,00 "20,00 " |
2,3 |
1,6 |
1,4 |
2,9 |
2,3 |
|
|
" 20,00 " 40,00 " |
1,7 |
1,2 |
1,3 |
2,3 |
1,9 |
|
|
" 40,00 " 90,00 " |
1,1 |
0,8 |
1,3 |
1,8 |
1,6 |
|
|
Св. 90 |
0,8 |
0,6 |
1,3 |
1,5 |
1,4 |
|
500 |
От 0,30 до 1,50 включ. |
9,0 |
6,4 |
4,1 |
10,8 |
8,2 |
|
|
Св. 1,50 " 10,00 " |
3,4 |
2,4 |
2,3 |
4,4 |
3,6 |
|
|
" 10,00 " 20,00 " |
1,8 |
1,3 |
1,4 |
2,5 |
2,0 |
|
|
" 20,00 " 40,00 " |
1,3 |
0,9 |
1,3 |
2,00 |
1,7 |
|
|
" 40,00 " 90,00 " |
0,9 |
0,6 |
1,3 |
1,7 |
1,5 |
|
|
Св. 90,00 |
0,6 |
0,4 |
1,3 |
1,4 |
1,3 |
|
1000 |
От 0,30 до 1,50 включ. |
6,4 |
4,6 |
4,1 |
8,2 |
6,6 |
|
|
Св. 1,50 " 10,00 " |
2,4 |
1,7 |
2,3 |
3,6 |
3,0 |
|
|
"10,00 " 20,00 " |
1,3 |
0,9 |
1,4 |
2,0 |
1,8 |
|
|
" 20,00 " 40,00 " |
0,9 |
0,6 |
1,3 |
1,7 |
1,5 |
|
|
" 40,00 " 90,00 " |
0,6 |
0,4 |
1,3 |
1,5 |
1,4 |
|
|
Св. 90,00 |
0,4 |
0,3 |
1,3 |
1,31 |
1,26 |
|
Толщина стенки контейнера (упаковки) от 12,0 до 15,5 мм |
||||||
|
300 |
От 0,30 до 1,50 включ. |
12,8 |
9,1 |
4,1 |
14,8 |
10,9 |
|
|
Св. 1,50 " 10,00 " |
4,9 |
3,5 |
2,3 |
5,9 |
4,5 |
|
|
" 10,00 " 20,00 " |
2,5 |
1,8 |
1,4 |
3,1 |
2,4 |
|
|
" 20,00 " 40,00 " |
2,0 |
1,4 |
1,3 |
2,6 |
2,1 |
|
|
" 40,00 " 90,00 " |
1,5 |
1,1 |
1,3 |
2,1 |
1,8 |
|
|
Св. 90,00 |
1,3 |
0,9 |
1,3 |
1,9 |
1,6 |
|
500 |
От 0,30 до 1,50 включ. |
10,1 |
7,2 |
4,1 |
11,9 |
9,0 |
|
|
Св. 1,50 " 10,00 " |
3,8 |
2,7 |
2,3 |
4,8 |
3,8 |
|
|
" 10,00 " 20,00 " |
1,9 |
1,4 |
1,4 |
2,5 |
2,1 |
|
|
" 20,00 " 40,00 " |
1,5 |
1,1 |
1,3 |
2,1 |
1,8 |
|
|
" 40,00 " 90,00 " |
1,2 |
0,9 |
1,3 |
1,9 |
1,6 |
|
|
Св. 90,00 |
1,0 |
0,7 |
1,3 |
1,7 |
1,5 |
|
1000 |
От 0,30 до 1,50 включ. |
7,1 |
5,1 |
4,1 |
8,9 |
7,0 |
|
|
Св. 1,50 " 10,00 " |
2,7 |
1,9 |
2,3 |
3,8 |
3,2 |
|
|
" 10,00 " 20,00 " |
1,3 |
0,9 |
1,4 |
2,0 |
1,8 |
|
|
" 20,00 " 40,00 " |
1,1 |
0,8 |
1,3 |
1,8 |
1,6 |
|
|
" 40,00 " 90,00 " |
0,9 |
0,6 |
1,3 |
1,7 |
1,5 |
|
|
Св. 90,00 |
0,7 |
0,5 |
1,3 |
1,5 |
1,35 |
Таблица 3 - Характеристики погрешности МВИ с использованием коллиматора диаметром 10 мм
|
Время измерения, с |
Диапазон измеряемых массовых долей (235)U в уране, % |
sR, % (СКО воспроизводимости) |
dC, % |
d, % |
||
|
n=1 |
n=3 |
n=1 |
n=3 |
|||
|
Толщина стенки контейнера (упаковки) от 0,4 до 1,0 мм |
||||||
|
300 |
От 1,50 до 10,0 включ. |
7,2 |
5,1 |
2,2 |
8,3 |
6,1 |
|
|
Св. 10,00 " 20,00 " |
2,1 |
1,5 |
1,4 |
2,7 |
2,2 |
|
|
" 20,00 " 40,00 " |
1,1 |
0,8 |
1,3 |
1,8 |
1,6 |
|
|
" 40,00 " 90,00 " |
0,9 |
0,6 |
1,3 |
1,7 |
1,5 |
|
|
Св. 90,00 |
0,6 |
0,4 |
1,2 |
1,4 |
1,3 |
|
500 |
От 1,50 до 10,0 включ. |
5,6 |
4,0 |
2,2 |
6,6 |
5,0 |
|
|
Св. 10,00 " 20,00 " |
1,6 |
1,1 |
1,4 |
2,3 |
1,9 |
|
|
" 20,00 " 40,00 " |
0,8 |
0,6 |
1,3 |
1,6 |
1,5 |
|
|
" 40,00 " 90,00 " |
0,6 |
0,4 |
1,3 |
1,5 |
1,4 |
|
|
Св. 90,00 |
0,5 |
0,36 |
1,2 |
1,4 |
1,3 |
|
1000 |
От 1,50 до 10,0 включ. |
3,9 |
2,8 |
2,2 |
4,9 |
3,8 |
|
|
Св. 10, 00 " 20, 00 " |
1,1 |
0,8 |
1,4 |
1,9 |
1,7 |
|
|
" 20,00 " 40,00 " |
0,7 |
0,5 |
1,3 |
1,5 |
1,4 |
|
|
" 40,00 " 90,00 " |
0,4 |
0,3 |
1,3 |
1,4 |
1,4 |
|
|
Св. 90,00 |
0,3 |
0,2 |
1,2 |
1,3 |
1,3 |
|
Толщина стенки контейнера (упаковки) от 1,0 до 2,5 мм |
||||||
|
300 |
От 1,50 до 10,0 включ. |
7,6 |
5,4 |
2,2 |
8,7 |
6,4 |
|
|
Св. 10,00 " 20,00 " |
2,0 |
1,4 |
1,4 |
2,6 |
2,1 |
|
|
" 20,00 " 40,00 " |
1,2 |
0,9 |
1,3 |
1,9 |
1,6 |
|
|
" 40,00 " 90,00 " |
0,9 |
0,6 |
1,3 |
1,7 |
1,5 |
|
|
Св. 90,00 |
0,6 |
0,4 |
1,2 |
1,4 |
1,3 |
|
500 |
От 1,50 до 10,0 включ. |
5,9 |
4,2 |
2,2 |
6,9 |
5,2 |
|
|
Св. 10,00 " 20,00 " |
1,5 |
1,1 |
1,4 |
2,2 |
1,9 |
|
|
" 20,00 " 40,00 " |
0,9 |
0,6 |
1,3 |
1,7 |
1,5 |
|
|
" 40,00 " 90,00 " |
0,7 |
0,5 |
1,3 |
1,5 |
1,4 |
|
|
Св. 90,00 |
0,5 |
0,4 |
1,2 |
1,4 |
1,3 |
|
1000 |
От 1,50 до 10,0 включ. |
4,2 |
3,0 |
2,2 |
5,2 |
4,0 |
|
|
Св. 10,00 " 20,00 " |
1,1 |
0,8 |
1,4 |
1,9 |
1,7 |
|
|
" 20,00 " 40,00 " |
0,8 |
0,6 |
1,3 |
1,6 |
1,5 |
|
|
" 40,00 " 90,00 " |
0,6 |
0,4 |
1,3 |
1,5 |
1,4 |
|
|
Св. 90,00 |
0,3 |
0,2 |
1,2 |
1,3 |
1,24 |
|
Толщина стенки контейнера (упаковки) от 2,5 до 4,0 мм |
||||||
|
300 |
От 1,50 до 10,0 включ. |
8,5 |
6,1 |
2,2 |
9,7 |
7,1 |
|
|
Св. 10,00 "20,00 " |
2,4 |
1,7 |
1,4 |
3,0 |
2,4 |
|
|
" 20,00 " 40,00 " |
1,5 |
1,1 |
1,3 |
2,1 |
1,8 |
|
|
" 40,00 " 90,00 " |
1,2 |
0,9 |
1,3 |
1,9 |
1,6 |
|
|
Св. 90,00 |
0,9 |
0,6 |
1,2 |
1,6 |
1,4 |
|
500 |
От 1,50 до 10,0 включ. |
6,6 |
4,7 |
2,2 |
7,6 |
5,7 |
|
|
Св. 10,00 " 20,00 " |
1,9 |
1,4 |
1,4 |
2,5 |
2,1 |
|
|
" 20,00 " 40,00 " |
1,2 |
0,9 |
1,3 |
1,9 |
1,6 |
|
|
" 40,00 " 90,00 " |
0,9 |
0,6 |
1,3 |
1,7 |
1,5 |
|
|
Св. 90,00 |
0,7 |
0,5 |
1,2 |
1,5 |
1,4 |
|
1000 |
От 1,50 до 10,0 включ. |
5,1 |
3,6 |
2,2 |
6,1 |
4,6 |
|
|
Св. 10,00 " 20,00 " |
1,3 |
0,9 |
1,4 |
2,0 |
1,8 |
|
|
" 20,00 " 40,00 " |
0,8 |
0,6 |
1,3 |
1,6 |
1,5 |
|
|
" 40,00 " 90,00 " |
0,7 |
0,5 |
1,3 |
1,5 |
1,4 |
|
|
Св. 90,00 |
0,5 |
0,4 |
1,2 |
1,4 |
1,3 |
|
Толщина стенки контейнера (упаковки) от 4,0 до 7,0 мм |
||||||
|
300 |
От 1,50 до 10,0 включ. |
9,5 |
6,8 |
2,2 |
10,8 |
7,8 |
|
|
Св. 10,00 " 20,00 " |
2,8 |
2,0 |
1,4 |
3,4 |
2,6 |
|
|
" 20,00 " 40,00 " |
1,7 |
1,2 |
1,3 |
2,3 |
1,9 |
|
|
" 40,00 " 90,00 " |
1,4 |
1,0 |
1,3 |
2,0 |
1,7 |
|
|
Св. 90,00 |
1,1 |
0,8 |
1,2 |
1,7 |
1,5 |
|
500 |
От 1,50 до 10,0 включ. |
7,3 |
5,2 |
2,2 |
8,4 |
6,2 |
|
|
Св. 10,00 " 20,00 " |
2,2 |
1,6 |
1,4 |
2,8 |
2,3 |
|
|
" 20,00 " 40,00 " |
1,3 |
0,9 |
1,3 |
2,0 |
1,7 |
|
|
" 40,00 " 90,00 " |
1,1 |
0,8 |
1,3 |
1,8 |
1,6 |
|
|
Св. 90,00 |
0,8 |
0,6 |
1,2 |
1,5 |
1,4 |
|
1000 |
От 1,50 до 10,0 включ. |
5,2 |
3,7 |
2,2 |
6,2 |
4,7 |
|
|
Св. 10,00 " 20,00 " |
1,5 |
1,1 |
1,4 |
2,2 |
1,9 |
|
|
" 20,00 " 40,00 " |
0,9 |
0,64 |
1,3 |
1,7 |
1,5 |
|
|
" 40,00 " 90,00 " |
0,8 |
0,56 |
1,3 |
1,6 |
1,5 |
|
|
Св. 90,00 |
0,6 |
0,4 |
1,2 |
1,4 |
1,3 |
|
Толщина стенки контейнера (упаковки) от 7,0 до 12,0 мм |
||||||
|
300 |
От 1,50 до 10,0 включ. |
11,3 |
8,1 |
2,2 |
12,8 |
9,2 |
|
|
Св. 10,00 " 20,00 " |
3,2 |
2,3 |
1,4 |
3,8 |
2,9 |
|
|
" 20,00 " 40,00 " |
2,0 |
1,4 |
1,3 |
2,6 |
2,1 |
|
|
" 40,00 " 90,00 " |
1,6 |
1,1 |
1,3 |
2,2 |
1,8 |
|
|
Св. 90,00 |
1,3 |
0,9 |
1,2 |
1,9 |
1,6 |
|
500 |
От 1,50 до 10,0 включ. |
8,8 |
6,3 |
2,2 |
10,0 |
7,3 |
|
|
Св. 10,00 " 20,00 " |
2,4 |
1,7 |
1,4 |
3,0 |
2,4 |
|
|
" 20,00 " 40,00 " |
1,5 |
1,1 |
1,3 |
2,1 |
1,8 |
|
|
" 40,00 " 90,00 " |
1,2 |
0,9 |
1,3 |
1,9 |
1,6 |
|
|
Св. 90,00 |
1,0 |
0,7 |
1,2 |
1,7 |
1,5 |
|
1000 |
От 1,50 до 10,0 включ. |
6,2 |
4,4 |
2,2 |
7,2 |
5,4 |
|
|
Св. 10,00 " 20,00 " |
1,8 |
1,3 |
1,4 |
2,5 |
2,0 |
|
|
" 20,00 " 40,00 " |
1,1 |
0,8 |
1,3 |
1,8 |
1,6 |
|
|
" 40,00 " 90,00 " |
0,9 |
0,6 |
1,3 |
1,7 |
1,5 |
|
|
Св. 90,00 |
0,7 |
0,5 |
1,2 |
1,5 |
1,4 |
|
Толщина стенки контейнера (упаковки) от 12,0 до 15,5 мм |
||||||
|
300 |
От 1,50 до 10,0 включ. |
13,1 |
9,4 |
2,2 |
14,8 |
10,6 |
|
|
Св. 10,00 " 20,00 " |
3,7 |
2,6 |
1,4 |
4,3 |
3,3 |
|
|
" 20,00 " 40,00 " |
2,3 |
1,6 |
1,3 |
2,9 |
2,3 |
|
|
" 40,00 " 90,00 " |
1,8 |
1,3 |
1,3 |
2,4 |
2,0 |
|
|
Св. 90,00 |
1,5 |
1,1 |
1,2 |
2,1 |
1,7 |
|
500 |
От 1,50 до 10,0 включ. |
10,2 |
7,3 |
2,2 |
11,6 |
8,4 |
|
|
Св. 10,00 " 20,00 " |
2,9 |
2,1 |
1,4 |
3,5 |
2,7 |
|
|
" 20,00 " 40,00 " |
1,8 |
1,3 |
1,3 |
2,4 |
2,0 |
|
|
" 40,00 " 90,00 " |
1,4 |
1,0 |
1,3 |
2,0 |
1,7 |
|
|
Св. 90,00 |
1,2 |
0,9 |
1,2 |
1,8 |
1,6 |
|
1000 |
От 1,50 до 10,0 включ. |
7,3 |
5,2 |
2,2 |
8,4 |
6,2 |
|
|
Св. 10,00 " 20,00 " |
2,0 |
1,4 |
1,4 |
2,6 |
2,1 |
|
|
" 20,00 " 40,00 " |
1,3 |
0,9 |
1,3 |
2,0 |
1,7 |
|
|
" 40,00 " 90,00 " |
1,0 |
0,7 |
1,3 |
1,7 |
1,6 |
|
|
Св. 90,00 |
0,8 |
0,6 |
1,2 |
1,5 |
1,4 |
5 Средства измерений, вспомогательные устройства и материалы
5.1 Переносной полупроводниковый гамма-спектрометр InSpector фирмы "Canberra", включающий в себя планарный детектор из высокочистого германия типа GL, портативную спектрометрическую станцию InSpector, соединенную с персональным компьютером, и программное обеспечение Genie-2000 с программой обработки спектров IMCA или более современные полупроводниковые гамма-спектрометры на основе портативных цифровых анализаторов InSpector-2000, DSA-1000, DSA-2000 или аналогичные с программным обеспечением GENIE-2000 и программой обработки спектров IMCA.
Предел относительной погрешности характеристики преобразования гамма-спектрометра, не более 0,07%.
Энергетическое разрешение (полная ширина на половине высоты, ПШПВ) спектрометрического тракта (на линии 122 кэВ) - от 0,500 до 0,750 кэВ.
Нестабильность за 8 часов непрерывной работы (после установления рабочего режима) - не более 0,05%.
5.2 Основной коллиматор диаметром 25 мм и дополнительные коллиматоры диаметрами 18 и 10 мм, изготовленные из вольфрама или свинца. Размеры коллиматоров приведены в приложении А. Дополнительные коллиматоры вставляются в отверстие основного коллиматора.
5.3 Устройство для заливки жидкого азота D-2 или любое другое аналогичное устройство.
5.4 Жидкий азот по ГОСТ 9293.
5.5 Толщиномер любого типа. Абсолютная погрешность определения толщины стенок не более ±0,1 мм в диапазоне толщин от 0,4 до 16 мм.
5.6 Набор фильтров из стали, или алюминия, или полиэтилена, или стекла диаметром не менее 70 мм различной толщины от 0,5 до 15 мм.
5.7 Государственные (ГСО), отраслевые (ОСО) или стандартные образцы предприятия (СОП) изотопного состава урана, имеющие внутренний диаметр контейнера или упаковки не менее 50 мм. Массовая поверхностная плотность помещенного в контейнер урана или его соединений должна быть не менее 5,5 г/см2, при которой обеспечивается "бесконечно толстый слой", (например, для диоксида урана высота засыпки должна быть не менее 27 мм).
ГСО (ОСО или СОП) массовой доли изотопов урана должны иметь трехкратный запас по точности по отношению к погрешности, указанной в таблицах 1 - 3, для определяемой точки диапазона.
5.8 ОСО 95 651-2003П - ОСО 95 655-2003П, изготовленные из диоксида урана с различным изотопным составом. Масса диоксида урана (UO2) около 10,5 г, массовая поверхностная плотность не менее 5,5 г/см2. ОСО имеют внутренний диаметр контейнера 14 мм и высоту 40 мм, толщина стенки дна контейнера 0,8 мм, высота засыпки диоксида урана не менее 27,5 мм.
Примечание к 6.8 - Отраслевые стандартные образцы ОСО 95 651-2003П - ОСО 95 655-2003П допускается использовать для проверки работоспособности гамма-спектрометра InSpector и установления "перекрестного градуировочного коэффициента" по методике, приведенной в приложении Б.
6 Метод измерения
С помощью гамма-спектрометра InSpector на основе германиевого полупроводникового детектора с высоким энергетическим разрешением регистрируют гамма-излучение 235U с энергией 185,7 кэВ от образца, имеющего "бесконечно толстый слой" урана для этой энергии.
Определение м.д. 235U в уране в анализируемых образцах проводится с помощью компьютерной программы IMCA путем обработки аппаратурного спектра гамма-излучения. Программа IMCA определяет скорость счета импульсов в пике с энергией 185,7 кэВ и рассчитывает м.д. 235U в уране по формуле
, (1)
где К -
калибровочный коэффициент,
;
R - скорость счета импульсов в области энергий от 181 до 187 кэВ за вычетом скорости счета от подложки под пиком, с-1;
k - линейный коэффициент поглощения гамма-излучения, см-1;
d - толщина стенки контейнера, см.
7 Требования безопасности
Работы по измерению массовой доли (обогащения) изотопа уран-235 в уране и его соединениях непосредственно в контейнерах, упаковках и учетных единицах из различных материалов с использованием гамма-спектрометра InSpector и программы IMCA должны проводиться в соответствии с требованиями НРБ-99, ОСПОРБ-99 и ПБЯ 06-09-90.
8 Требования к квалификации оператора
К выполнению измерений допускаются лица, прошедшие обучение и практическую подготовку по соответствующей программе и имеющие квалификацию лаборанта не менее 5-го разряда, или инженерно-технические работники, допущенные к выполнению указанных работ в установленном на предприятии порядке.
9 Условия выполнения измерений
9.1 На рабочем месте, где проводятся измерения, должны соблюдаться следующие условия:
- температура окружающего воздуха от 0°С до плюс 50°С,
- относительная влажность воздуха от 30% до 80%,
- атмосферное давление от 84,0 до 106,7 кПа (от 630 до 840 мм. рт. ст.).
9.2 Диапазон допустимых изменений напряжения в сети переменного тока с частотой (50,0 ± 0,5) Гц и номинальным напряжением 220 В составляет ±10%.
9.3 В аппаратурном спектре гамма-излучения пик полного поглощения от 235U с энергией 185,7 кэВ должен находиться в канале 2476 ± 6.
9.4 Энергетическое разрешение (полная ширина на половине высоты, ПШПВ) для гамма-линии с энергией 185,7 кэВ не должно превышать 860 эВ.
9.5 Загрузка спектрометрического тракта не должна превышать 30% по индикатору "мертвое время".
9.6 Диаметр коллиматора, время набора одного спектра и количество измерений выбираются в зависимости от требуемой погрешности результатов измерения м.д. 235U в уране, приведенной в таблицах 1 - 3.
9.7 Матрица измеряемого урана должна быть известна и соответствовать одному из видов матриц, перечисленных в программе IMCA.
9.8 Анализируемый уран должен быть однородным по всему объему, как по содержанию м.д. 235U в уране, так и по виду матрицы.
9.9 Массовая поверхностная плотность анализируемой пробы урана в контейнере, упаковке или учетной единице, рассчитывается по формуле (2)
, (2)
где m - масса урана в анализируемом образце, г;
S - площадь внутреннего поперечного сечения анализируемого образца (внутренняя площадь контейнера), см2, и должна быть не менее 5,5 г/см2.
9.10 Измерения м.д. 235U в пробах урана или его соединениях, проводят в контейнерах и упаковках, изготовленных из стали, алюминия, полиэтилена и стекла.
9.11 Толщина стенок контейнера или упаковки, в том числе эквивалентная толщина, не должны превышать 15,5 мм.
9.12 При известной толщине стенки контейнера используются паспортные данные, а при неизвестной толщине стенки проводят измерение ее толщины ультразвуковым толщиномером или толщиномером другого типа.
9.13 Абсолютная погрешность определения толщины стенок контейнера не должна превышать ±0,1 мм.
9.14 Допускается проводить измерения обогащения урана в сложных контейнерах или упаковках, состоящих из двух или более контейнеров из различных материалов, например, стали и алюминия, помещенных друг в друга. При этом необходимо, чтобы толщина материалов этих контейнеров была известна и суммарная толщина материалов такого сложного контейнера не превышала 15,5 мм.
9.15 При проведении измерения анализируемого образца (контейнера или упаковки с ураносодержащим материалом) с торцевой поверхности, минимальный внутренний диаметр и высота заполнения контейнера или упаковки для различной толщины стенки контейнера должны удовлетворять требованиям, приведенным в таблице 4. При этом необходимо обеспечить установку гамма-спектрометра соосно и перпендикулярно к измеряемому объекту.
Таблица 4 - Минимально допустимые внутренние размеры контейнера или упаковки для коллиматоров диаметрами 10, 18 и 25 мм с различной толщиной стенки при измерении с торцевой поверхности
|
Толщина стенки контейнера, мм |
Диаметр коллиматора, мм |
|
||
|
10 |
18 |
25 |
||
|
Минимально допустимые диаметры и высота заполнения ураном или его соединениями в контейнере или упаковке |
||||
|
|
Диаметр заполнения, мм |
Высота заполнения, см |
||
|
До 5 включ. |
20 |
35 |
40 |
|
|
Св. 5 " 10 " |
30 |
45 |
50 |
|
|
" 10 " 15 " |
40 |
50 |
70 |
|
|
Примечание - Здесь r - плотность урана или его соединения, г/см3; 5,5 - Массовая поверхностная плотность анализируемой пробы урана в виде порошка или его соединения, г/см2. |
||||
9.16 При проведении измерения анализируемого образца (контейнера или упаковки с ураносодержащим материалом) с боковой поверхности, минимальный внутренний диаметр и высота заполнения контейнера или упаковки для различной толщины стенки контейнера должны удовлетворять условиям, приведенным в таблице 5. При этом необходимо обеспечить установку гамма-спектрометра перпендикулярно к контейнеру или упаковки и посередине измеряемого ураносодержащего материала.
Таблица 5 - Минимально допустимые внутренние размеры контейнера или упаковки для коллиматоров диаметрами 10, 18 и 25 мм с различной толщиной стенки при измерении с боковой поверхности
|
Толщина стенки контейнера, мм |
Диаметр коллиматора, мм |
|||||
|
10 |
18 |
25 |
||||
|
Минимально допустимые диметры и высота заполнения ураном или его соединениями в контейнере или упаковке, мм |
||||||
|
Диаметр |
Высота |
Диаметр |
Высота |
Диаметр |
Высота |
|
|
До 5 включ. |
30 |
30 |
35 |
30 |
40 |
40 |
|
Св. 5 " 10 " |
40 |
40 |
45 |
40 |
50 |
50 |
|
" 10" 15 " |
50 |
50 |
55 |
55 |
70 |
70 |
9.17 Измерения м.д. 235U в уране проводят, помещая анализируемый образец на блок детектирования гамма-спектрометра или вплотную к боковой поверхности контейнера или упаковки с ураносодержащим материалом.
9.18 Допускается использовать ОСО по 6.8 при проверке работоспособности гамма-спектрометра в соответствии с "Руководством по эксплуатации", а также для определения "перекрестного градуировочного (калибровочного)" коэффициента по алгоритму, приведенному в приложении А.
9.19 Допустимое содержание изотопа 232U в уране должно быть не более (1,25×10-9×E235) % при радиоактивном равновесии между 232U и продуктом его распада 228Th. Здесь Е235 - массовая доля изотопа 235U в уране, %.
9.20 Допускается проводить измерение обогащения в уране с неустановившимся радиоактивным равновесием между 232U и продуктом его распада 228Th. При этом допускается увеличение допустимого содержания изотопа 232U в уране по 9.19 до значений, указанных в таблице 6.
Таблица 6 - Допустимое содержание 232U в уране в зависимости от времени, прошедшего с момента полной очистки урана от тория.
|
Время, прошедшее с момента полной очистки урана от тория, месяцы |
Допустимое содержание (232)U в уране, % |
Время, прошедшее с момента полной очистки урана от тория, месяцы |
Допустимое содержание (232)U в уране, % |
|
1 |
4,2´10´(-8)´Е235 |
9 |
5,2´10´(-9)´Е235 |
|
2 |
2,1´10´(-8)´Е235 |
12 |
4,1´10´(-9)´Е235 |
|
3 |
1,4´10´ (-8)´Е235 |
18 |
3,0´10´(-9)´Е235 |
|
4 |
1,2´10´ (-8)´Е235 |
24 |
2,4´10´(-9)´Е235 |
|
5 |
8,8´10´ (-8)´Е235 |
36 |
1,9´10´(-9)´Е235 |
|
6 |
7,5´10´ (-8)´Е235 |
48 |
1,б´10´ (-9)´Е235 |
10 Подготовка к выполнению измерений
10.1 Подготовку гамма-спектрометра к проведению измерений проводят в соответствии с "Руководством по эксплуатации" и "Руководством пользователя программного обеспечения".
10.2 Градуировка гамма-спектрометра
10.2.1. Градуировку гамма-спектрометра проводят с использованием ГСО, ОСО или СОП по 6.7 в соответствии с "Руководством по эксплуатации" гамма-спектрометра и "Руководством пользователя программного обеспечения" с использованием коллиматоров различных диаметров. Рекомендуется использовать ГСО, ОСО или СОП с м.д. 235U, близкой к измеряемому значению м.д. 235U в анализируемых образцах.
Примечание - допускается проводить градуировку гамма-спектрометра с использованием имеющихся на предприятии образцов для анализа (контейнеров или упаковок с ураном или ураносодержащим материалом) с известными характеристиками (по паспорту на контейнер с урансодержащим материалом известны м.д. 235U в уране, матрица урана, толщина стенки контейнера и др), в которых выполняются условия 9.6 - 9.19.
10.2.2 На каждом ГСО, ОСО или СОП проводится набор спектра гамма-излучения от 235U не менее 3 раз. По введенным в программу аттестованным значениям м.д. 235U в уране ГСО, ОСО или СОП, программа IMCA рассчитывает градуировочные коэффициенты для каждого коллиматора и поддиапазона измерений м.д. 235U в уране.
10.2.3 Полученные значения градуировочных коэффициентов для каждого коллиматора и поддиапазона м.д. 235U в уране фиксируются в протоколах измерения, выдаваемых системой (программой).
10.2.4 Для приближения условий градуировки к условиям измерения допускается использование дополнительных поглощающих фильтров по 5.6. Толщина и материал поглощающих фильтров должны соответствовать материалу контейнера и отличаться по толщине не более чем на 0,5 мм от толщины исследуемого контейнера или упаковки.
11 Выполнение измерений
11.1 Перед проведением серии рабочих измерений проводят контроль точности (и приемлемости) результатов измерений м.д. 235U в уране в соответствии с 12.3, 14.3 с использованием стандартных образцов по 6.7. При этом рекомендуется выбирать ГСО, ОСО или СОП с м.д. 235U в уране в диапазоне от 2 до 40%. При положительных результатах проверки приемлемости и процедур контроля точности измерений переходят к измерениям м.д. 235U в уране ураносодержащего материала, находящегося в контейнере.
По-видимому, в тексте предыдущего абзаца допущена опечатка. Здесь и далее по тексту имеется в виду 5.7
11.2 Уточняют характеристики анализируемого ураносодержащего материала по 9.7 - 9.9.
11.3 Уточняют материал и толщину стенок контейнера или упаковки по 9.10 - 9.16.
11.5 В случае, если анализируемый ураносодержащий материал находится в сложном контейнере или упаковке, состоящим из двух или более контейнеров из различных материалов по 9.14, то рассчитывают эквивалентную толщину сложного контейнера на один из материалов по формуле
, (3)
где к1=m1×r1 - линейный коэффициент поглощения гамма-квантов данной энергии в материале стенки первого контейнера или упаковки, см-1;
кi=mi×ri - линейный коэффициент поглощения гамма-квантов данной энергии в материале стенки i - ого контейнера, см-1;
m - полный массовый коэффициент поглощения гамма-квантов данной энергии в материале стенки контейнера, см2/г;
r - плотность материала стенки контейнера, г/см3;
d1 - толщина материала стенки в первом контейнере, см;
di - толщина материала стенки i-ого контейнера, см.
Справочные значения m и r для стали, аллюминия, стекла и полиэтилена приведены в таблице 7.
Таблица 7 - Значения m, r и k для гамма-излучения с энергией 185,7 кэВ в различных материалах.
|
Вид материала |
m, см2/г |
r, г/см3 |
k, см-1 |
|
Сталь марки 12Х18Н10Т по ГОСТ 5632 |
0,158 |
7,87 |
1,243 |
|
Алюминий марки Амгбл по ГОСТ 1583 |
0,126 |
2,70 |
0,340 |
|
Стекло листовое силикатное по ГОСТ 21400 |
0,130 |
2,50 |
0,325 |
|
Полиэтилен низкого давления по ГОСТ 10354 |
0,140 |
0,95 |
0,133 |
|
Примечание - Для расчета эквивалентной толщины по стали контейнеров (упаковок) из других материалов используют справочные данные, приведенные в нормативных документах и технической литературе. |
|||
11.6 Выбирают значения градуировочного коэффициента согласно диаметру, используемого при измерениях коллиматора и предполагаемой м.д. 235U в уране.
11.7 В память компьютера заносят значения следующих параметров:
- градуировочного коэффициента,
- вид материала и толщину стенки контейнера,
- вид матрицы урана,
- паспортную или предполагаемую м.д. 235U в уране.
- время измерения, в зависимости от требуемой погрешности измерений.
11.8 Устанавливают анализируемый образец на детектор или помещают детектор вплотную к анализируемому образцу, при этом должно выполняться условие по 9.15 и 9.16.
11.9 Проводят одно или три измерения м.д. 235U в уране в анализируемом образце в зависимости от требуемой погрешности.
12 Обработка результатов измерений
12.1 Проведение корректировки результатов измерений
12.1.1 В случае, если толщина стенки контейнера анализируемого образца отличается от толщины стенки корпуса (упаковки) стандартных образцов, использовавшихся при градуировке, более чем на 0,5 мм, то проводят корректировку измеренной м.д. 235U в уране и получают новое значение Екорр с учетом поправочного коэффициента по формуле
, (4)
где Еимз - значение измеренной м.д. 235U в уране при n=1 или среднее значение м.д. 235U в уране, полученное по трем измерениям (n=3);
у - поправочный коэффициент, рассчитываемый для стали по формулам
для коллиматора диаметром 25 мм,
для коллиматора диаметром 18 мм,
для коллиматора диаметром 10 мм,
где Dx - абсолютная разница между толщинами стенок контейнера с ураном, использовавшимся для градуировки (для ГСО, ОСО и СОП - толщина окна упаковки стандартного образца) и контейнера с анализируемым ураном, мм.
12.1.2 В случае измерения м.д. 235U в уране, находящегося в контейнере или упаковке из другого материала, для использования поправочного коэффициента по стали необходимо рассчитать эквивалентную толщину этого материала соответствующего толщине стального контейнера или упаковки по формуле
, (5)
где dx - толщина другого (отличного от стали) материала, см;
mFe и mx - массовые коэффициенты ослабления гамма-излучения с энергией 185,7 кэВ соответственно сталью и другим материалом по 11.5, см2/г;
rFe и rx - плотности стали и другого материала, соответственно по 11.5, г/см3.
12.1.3 В том случае, если градуировка проводилась с использованием дополнительных поглощающих фильтров по 5.6, соответствующим по толщине стенке контейнера анализируемого урана, то введение поправки не требуется.
12.2 Проведение проверки приемлемости результатов трех параллельных определений
12.2.1 После проведения всех корректировок измеренной м.д. 235U по 12.1, в случае проведения трех параллельных определений м.д. 235U в уране, проводят проверку приемлемости результатов трех параллельных определений м.д. 235U для анализируемой пробы урана.
Вычисляют среднее арифметическое значение результатов трех параллельных определений м.д. 235U в уране анализируемой пробы по формуле
, (6)
где Ei - результат i-го параллельного определений м.д. 235U в уране, %;
n - число измерений (n=3).
Примечание - В случае выполнения однократного измерения м.д. 235U в уране, полученный результат измерения считают окончательным и переходят к оформлению результата измерения по 13.
12.2.2 Диапазон
, %,
результатов измерений в относительной форме сопоставляют с критическим
диапазоном
для трех результатов измерений, приведенным в
таблицах 8 - 10. Если диапазон результатов не превышает критический, то среднее
арифметическое значение результатов трех измерений, рассчитанное по формуле
(6), используют в качестве окончательного результата.
12.2.3 Если диапазон
результатов
, %,
превышает критический диапазон
, то
получают еще три результата измерений.
12.2.4 Диапазон
, %, шести
результатов измерений сопоставляют с критическим диапазоном
для n = 6 в относителной форме,
приведенным в таблицах 8 - 10. Если диапазон результатов не превышает
критический, то за результат измерения принимают среднее арифметическое
значение результатов шести параллельных измерений.
Таблица 8 - Критерии проверки приемлемости результатов измерений в относительной форме с использованием коллиматора диаметром 25 мм
|
Массовая доля U-235, % |
Критический диапазон CR0,95 (n=3), % |
Предел воспроизводимости, Rотн. , % |
Критический диапазон CR0,95 (n=6), % |
Критическая разность CD0,95 (n1=n2=3), % |
|
Толщина контейнера (упаковки) от 0,4 до 1,0 мм |
||||
|
Время измерения 300 с |
||||
|
От 0,09 до 0,30 включ. |
28,8 |
31,4 |
34,6 |
20,7 |
|
Св. 0,30 " 1,50 " |
9,6 |
10,5 |
11,6 |
6,9 |
|
" 1,50 "10,00 " |
2,0 |
2,2 |
2,4 |
1,4 |
|
" 10,00 " 20,00 " |
1,5 |
1,6 |
1,8 |
1,0 |
|
" 20,00 " 40,00 " |
0,9 |
1,0 |
1,1 |
0,7 |
|
Время измерения 500 с |
||||
|
От 0,09 до 0,30 включ. |
22,7 |
24,7 |
27,5 |
16,3 |
|
Св. 0,30 " 1,50 " |
7,5 |
8,1 |
9,0 |
5,3 |
|
" 1,50 " 10,00 " |
1,6 |
1,8 |
2,0 |
1,2 |
|
" 10,00 " 20,00 " |
1,1 |
1,2 |
1,3 |
0,8 |
|
" 20,00 " 40,00 " |
0,7 |
0,7 |
0,9 |
0,5 |
|
Время измерения 1000 с |
||||
|
От 0,09 до 0,30 включ. |
16,0 |
17,4 |
19,4 |
11,5 |
|
Св. 0,30 " 1,50 " |
5,3 |
5,7 |
6,4 |
3,8 |
|
" 1,50 " 10,00 " |
1,1 |
1,2 |
1,3 |
0,8 |
|
" 10,00 " 20,00 " |
0,7 |
0,8 |
0,9 |
0,5 |
|
" 20,00 " 40,00 " |
0,5 |
0,6 |
0,7 |
0,4 |
|
Толщина контейнера (упаковки) от 1,0 до 2,5 мм |
||||
|
Время измерения 300 с |
||||
|
От 0,09 до 0,30 включ. |
29,9 |
32,5 |
36,1 |
21,4 |
|
Св. 0,30 " 1,50 " |
10,0 |
10,9 |
12,1 |
7,2 |
|
" 1,50 " 10,00 " |
2,4 |
2,6 |
2,9 |
1,7 |
|
" 10,00 " 20,00 " |
1,6 |
1,8 |
2,0 |
1,2 |
|
" 20,00 " 40,00 " |
1,1 |
1,2 |
1,3 |
0,8 |
|
Время измерения 500 с |
||||
|
От 0,09 до 0,30 включ. |
23,2 |
25,3 |
28,1 |
16,7 |
|
Св. 0,30 " 1,50 " |
7,8 |
8,5 |
9,5 |
5,6 |
|
" 1,50 " 10,00 " |
1,8 |
2,0 |
2,2 |
1,3 |
|
" 10,00 " 20,00 " |
1,3 |
1,4 |
1,5 |
0,9 |
|
" 20,00 " 40,00 " |
0,9 |
1,0 |
1,1 |
0,7 |
|
Время измерения 1000 с |
||||
|
От 0,09 до 0,30 включ. |
16,4 |
17,9 |
19,9 |
11,8 |
|
Св. 0,30 " 1,50 " |
5,5 |
5,9 |
6,6 |
3,9 |
|
" 1,50 " 10,00 " |
1,5 |
1,6 |
1,8 |
1,0 |
|
" 10,00 " 20,00 " |
0,9 |
1,0 |
1,1 |
0,7 |
|
" 20,00 " 40,00 " |
0,5 |
0,6 |
0,7 |
0,4 |
|
Толщина контейнера (упаковки) от 2,5 до 4,0 мм |
||||
|
Время измерения 300 с |
||||
|
От 0,09 до 0,30 включ. |
33,5 |
36,4 |
40,4 |
24,0 |
|
Св. 0,30 " 1,50 " |
11,1 |
12,1 |
13,4 |
8,0 |
|
" 1,50 " 10,00 " |
2,7 |
3,0 |
3,3 |
2,0 |
|
" 10,00 " 20,00 " |
2,0 |
2,2 |
2,4 |
1,4 |
|
" 20,00 " 40,00 " |
1,5 |
1,6 |
1,8 |
1,0 |
|
Время измерения 500 с |
||||
|
От 0,09 до 0,30 включ. |
26,7 |
29,1 |
32,3 |
19,2 |
|
Св. 0,30 " 1,50 " |
8,5 |
9,3 |
10,3 |
6,1 |
|
" 1,50 " 10,00 " |
2,2 |
2,4 |
2,6 |
1,6 |
|
" 10,00 " 20,00 " |
1,6 |
1,8 |
2,0 |
1,2 |
|
" 20,00 " 40,00 " |
1,1 |
1,2 |
1,3 |
0,8 |
|
Время измерения 1000 с |
||||
|
От 0,09 до 0,30 включ. |
18,4 |
20,0 |
22,2 |
13,2 |
|
Св. 0,30 " 1,50 " |
6,0 |
6,5 |
7,3 |
4,3 |
|
" 1,50 " 10,00 " |
1,5 |
1,6 |
1,8 |
1,0 |
|
" 10,00 " 20,00 " |
1,1 |
1,2 |
1,3 |
0,8 |
|
" 20,00 " 40,00 " |
0,45 |
0,49 |
0,55 |
0,33 |
|
Толщина контейнера (упаковки) от 4,0 до 7,0 мм |
||||
|
Время измерения 300 с |
||||
|
От 0,09 до 0,30 включ. |
42,4 |
46,1 |
51,2 |
30,4 |
|
Св. 0,30 " 1,50 " |
14,2 |
15,4 |
17,1 |
10,2 |
|
" 1,50 " 10,00 " |
4,4 |
4,7 |
5,3 |
3,1 |
|
" 10,00 " 20,00 " |
2,5 |
2,8 |
3,1 |
1,8 |
|
" 20,00 " 40,00 " |
2,0 |
2,2 |
2,4 |
1,4 |
|
" 40,00 " 90,00 " |
1,5 |
1,6 |
1,8 |
1,0 |
|
Св. 90,00 |
1,1 |
1,2 |
1,3 |
0,8 |
|
Время измерения 500 с |
||||
|
От 0,09 до 0,30 включ. |
32,3 |
35,1 |
39,0 |
23,1 |
|
Св. 0,30 " 1,50 " |
11,1 |
12,1 |
13,4 |
8,0 |
|
" 1,50 " 10,00 " |
3,5 |
3,8 |
4,2 |
2,5 |
|
" 10,00 " 20,00 " |
2,0 |
2,2 |
2,4 |
1,4 |
|
" 20,00 " 40,00 " |
1,5 |
1,6 |
1,8 |
1,0 |
|
" 40,00 " 90,00 " |
1,1 |
1,2 |
1,3 |
0,8 |
|
Св. 90,00 |
0,9 |
1,0 |
1,1 |
0,7 |
|
Время измерения 1000 с |
||||
|
От 0,09 до 0,30 включ. |
23,4 |
25,4 |
28,3 |
16,8 |
|
Св. 0,30 " 1,50 " |
7,8 |
8,5 |
9,5 |
5,6 |
|
" 1,50 " 10,00 " |
2,5 |
2,8 |
3,1 |
1,8 |
|
" 10,00 " 20,00 " |
1,6 |
1,8 |
2,0 |
1,2 |
|
" 20,00 " 40,00 " |
1,1 |
1,2 |
1,3 |
0,8 |
|
" 40,00 " 90,00 " |
0,7 |
0,8 |
0,9 |
0,5 |
|
Св. 90,00 |
0,5 |
0,6 |
0,7 |
0,4 |
|
Толщина контейнера (упаковки) от 7,0 до 12,0 мм |
||||
|
Время измерения 300 с |
||||
|
От 0,30 до 1,50 включ. |
16,9 |
18,4 |
20,4 |
12,1 |
|
Св. 1,50 " 10,00 " |
5,3 |
5,7 |
6,4 |
3,8 |
|
" 10,00 "20,00 " |
3,3 |
3,6 |
4,0 |
2,3 |
|
" 20,00 " 40,00 " |
2,5 |
2,8 |
3,1 |
1,8 |
|
" 40,00 " 90,00 " |
2,0 |
2,2 |
2,4 |
1,4 |
|
Св. 90,00 |
1,5 |
1,6 |
1,8 |
1,0 |
|
Время измерения 500 с |
||||
|
От 0,30 до 1,50 включ. |
13,1 |
14,2 |
15,8 |
9,4 |
|
Св. 1,50 " 10,00 " |
4,0 |
4,4 |
4,8 |
2,9 |
|
" 10,00 " 20,00 " |
2,5 |
2,8 |
3,1 |
1,8 |
|
" 20,00 " 40,00 " |
2,0 |
2,2 |
2,4 |
1,4 |
|
" 40,00 " 90,00 " |
1,6 |
1,8 |
2,0 |
1,2 |
|
Св. 90,00 |
1,1 |
1,2 |
1,3 |
0,8 |
|
Время измерения 1000 с |
||||
|
От 0,30 до 1,50 включ. |
9,3 |
10,1 |
11,2 |
6,6 |
|
Св. 1,50 " 10,00 " |
3,1 |
3,4 |
3,7 |
2,2 |
|
" 10,00 " 20,00 " |
1,8 |
2,0 |
2,2 |
1,3 |
|
" 20,00 " 40,00 " |
1,5 |
1,6 |
1,8 |
1,0 |
|
" 40,00 " 90,00 " |
1,1 |
1,2 |
1,3 |
0,8 |
|
Св. 90,00 |
0,7 |
0,8 |
0,9 |
0,5 |
|
Толщина контейнера (упаковки) от 12,0 до 15,5 мм |
||||
|
Время измерения 300 с |
||||
|
От 0,30 до 1,50 включ. |
19,5 |
21,2 |
23,5 |
13,9 |
|
Св. 1,50 " 10,00 " |
6,0 |
6,5 |
7,3 |
4,3 |
|
" 10,00 " 20,00 " |
4,9 |
5,3 |
5,9 |
3,5 |
|
" 20,00 " 40,00 " |
3,8 |
4,2 |
4,6 |
2,7 |
|
" 40,00 " 90,00 " |
2,9 |
3,2 |
3,5 |
2,1 |
|
Св. 90,00 |
2,0 |
2,2 |
2,4 |
1,4 |
|
Время измерения 500 с |
||||
|
От 0,30 до 1,50 включ. |
15,1 |
16,4 |
18,2 |
10,8 |
|
Св. 1,50 " 10,00 " |
4,7 |
5,1 |
5,7 |
3,4 |
|
" 10,00 " 20,00 " |
3,8 |
4,2 |
4,6 |
2,7 |
|
" 20,00 " 40,00 " |
2,9 |
3,2 |
3,5 |
2,1 |
|
" 40,00 " 90,00 " |
2,2 |
2,4 |
2,6 |
1,6 |
|
Св. 90,00 |
1,3 |
1,4 |
1,5 |
0,9 |
|
Время измерения 1000 с |
||||
|
От 0,30 до 1,50 включ. |
10,7 |
11,7 |
13,0 |
7,7 |
|
Св. 1,50 " 10,00 " |
3,3 |
3,6 |
4,0 |
2,3 |
|
"10,00 " 20,00 " |
2,7 |
3,0 |
3,3 |
2,0 |
|
" 20,00 " 40,00 " |
2,2 |
2,4 |
2,6 |
1,6 |
|
" 40,00 " 90,00 " |
1,6 |
1,8 |
2,0 |
1,2 |
|
Св. 90,00 |
0,9 |
1,0 |
1,1 |
0,7 |
Таблица 9 - Критерии проверки приемлемости результатов измерений в относительной форме с использованием коллиматора диаметром 18 мм
|
Массовая доля U-235, % |
Критический диапазон CR0,95 (n=3), % |
Предел воспроизводимости, Rотн. , % |
Критический диапазон CR0,95 (n=6), % |
Критическая разность CD0,95 (n1=n2=3), % |
|
Толщина контейнера (упаковки) от 0,4 до 1,0 мм |
||||
|
Время измерения 300 с |
||||
|
От 0,09 до 0,30 включ. |
32,4 |
35,2 |
39,1 |
23,2 |
|
Св. 0,30 " 1,50 " |
14,4 |
15,6 |
17,4 |
10,3 |
|
" 1,50 " 10,00 " |
4,7 |
5,1 |
5,7 |
3,4 |
|
" 10,00 " 20,00 " |
1,8 |
2,0 |
2,2 |
1,3 |
|
" 20,00 " 40,00 " |
1,3 |
1,4 |
1,5 |
0,9 |
|
" 40,00 " 90,00 " |
0,9 |
1,0 |
1,1 |
0,7 |
|
Св. 90,00 |
0,7 |
0,8 |
0,9 |
0,5 |
|
Время измерения 500 с |
||||
|
От 0,09 до 0,30 включ. |
26,9 |
29,3 |
32,5 |
19,3 |
|
Св. 0,30 " 1,50 " |
11,1 |
12,1 |
13,4 |
8,0 |
|
" 1,50 " 10,00 " |
3,8 |
4,2 |
4,6 |
2,7 |
|
" 10,00 " 20,00 " |
1,5 |
1,6 |
1,8 |
1,0 |
|
" 20,00 " 40,00 " |
1,1 |
1,2 |
1,3 |
0,8 |
|
" 40,00 " 90,00 " |
0,7 |
0,8 |
0,9 |
0,5 |
|
Св. 90,00 |
0,5 |
0,6 |
0,7 |
0,4 |
|
Время измерения 1000 с |
||||
|
От 0,09 до 0,30 включ. |
19,3 |
21,0 |
23,3 |
13,8 |
|
Св. 0,30 " 1,50 " |
8,0 |
8,7 |
9,7 |
5,7 |
|
" 1,50 " 10,00 " |
2,7 |
3,0 |
3,3 |
2,7 |
|
" 10,00 " 20,00 " |
1,1 |
1,2 |
1,3 |
0,8 |
|
" 20,00 " 40,00 " |
0,7 |
0,8 |
0,9 |
0,5 |
|
" 40,00 " 90,00 " |
0,5 |
0,6 |
0,7 |
0,4 |
|
Св. 90,00 |
0,36 |
0,4 |
0,44 |
0,3 |
|
Толщина контейнера (упаковки) от 1,0 до 2,5 мм |
||||
|
Время измерения 300 с |
||||
|
От 0,09 до 0,30 включ. |
37,3 |
40,6 |
45,1 |
22,3 |
|
Св. 0,30 " 1,50 " |
14,9 |
16,2 |
18,0 |
10,7 |
|
" 1,50 " 10,00 " |
5,1 |
5,5 |
6,2 |
3,6 |
|
" 10,00 " 20,00 " |
2,2 |
2,4 |
2,6 |
1,6 |
|
" 20,00 " 40,00 " |
1,6 |
1,8 |
2,0 |
1,2 |
|
" 40,00 " 90,00 " |
1,1 |
1,2 |
1,3 |
0,8 |
|
Св. 90,00 |
0,7 |
0,8 |
0,9 |
0,5 |
|
Время измерения 500 с |
||||
|
От 0,09 до 0,30 включ. |
31,1 |
33,8 |
37,6 |
22,3 |
|
Св. 0,30 " 1,50 " |
11,6 |
12,7 |
14,1 |
8,3 |
|
" 1,50 " 10,00 " |
4,0 |
4,4 |
4,8 |
2,9 |
|
" 10,00 " 20,00 " |
1,6 |
1,8 |
2,0 |
1,2 |
|
" 20,00 " 40,00 " |
1,3 |
1,4 |
1,5 |
0,9 |
|
" 40,00 " 90,00 " |
0,9 |
1,0 |
1,1 |
0,7 |
|
Св. 90,00 |
0,5 |
0,6 |
0,7 |
0,4 |
|
Время измерения 1000 с |
||||
|
От 0,09 до 0,30 включ. |
22,0 |
23,9 |
26,6 |
15,8 |
|
Св. 0,30 " 1,50 " |
8,2 |
8,9 |
9,9 |
5,9 |
|
" 1,50 " 10,00 " |
2,7 |
3,0 |
3,3 |
2,0 |
|
" 10,00 " 20,00 " |
1,3 |
1,4 |
1,5 |
0,9 |
|
" 20,00 " 40,00 " |
0,9 |
1,0 |
1,1 |
0,7 |
|
" 40,00 " 90,00 " |
0,5 |
0,6 |
0,7 |
0,4 |
|
Св. 90,00 |
0,36 |
0,4 |
0,44 |
0,3 |
|
Толщина контейнера (упаковки) от 2,5 до 4,0 мм |
||||
|
Время измерения 300 с |
||||
|
От 0,09 до 0,30 включ. |
39,8 |
43,3 |
48,1 |
28,5 |
|
Св. 0,30 " 1,50 " |
17,5 |
19,0 |
21,1 |
12,5 |
|
" 1,50 " 10,00 " |
6,2 |
6,7 |
7,5 |
4,4 |
|
" 10,00 " 20,00 " |
2,7 |
3,0 |
3,3 |
2,0 |
|
" 20,00 " 40,00 " |
2,0 |
2,2 |
2,4 |
1,4 |
|
" 40,00 " 90,00 " |
1,5 |
1,6 |
1,8 |
1,0 |
|
Св. 90,00 |
0,9 |
1,0 |
1,1 |
0,7 |
|
Время измерения 500 с |
||||
|
От 0,09 до 0,30 включ. |
33,6 |
36,6 |
40,7 |
24,1 |
|
Св. 0,30 " 1,50 " |
13,8 |
15,0 |
16,7 |
9,9 |
|
" 1,50 " 10,00 " |
3,5 |
3,8 |
4,2 |
2,5 |
|
" 10,00 " 20,00 " |
2,2 |
2,4 |
2,6 |
1,6 |
|
" 20,00 " 40,00 " |
1,5 |
1,6 |
1,8 |
1,0 |
|
" 40,00 " 90,00 " |
1,1 |
1,2 |
1,3 |
0,8 |
|
Св. 90,00 |
0,7 |
0,8 |
0,9 |
0,5 |
|
Время измерения 1000 с |
||||
|
От 0,09 до 0,30 включ. |
23,8 |
25,9 |
28,8 |
17,1 |
|
Св. 0,30 " 1,50 " |
9,6 |
10,5 |
11,6 |
6,9 |
|
" 1,50 " 10,00 " |
3,1 |
3,4 |
3,7 |
2,2 |
|
" 10,00 " 20,00 " |
1,5 |
1,6 |
1,8 |
1,0 |
|
" 20,00 " 40,00 " |
1,1 |
1,2 |
1,3 |
0,8 |
|
" 40,00 " 90,00 " |
0,9 |
1,0 |
1,1 |
07 |
|
Св. 90,00 |
0,5 |
0,6 |
0,7 |
0,4 |
|
Толщина контейнера (упаковки) от 4,0 до 7,0 мм |
||||
|
Время измерения 300 с |
||||
|
От 0,09 до 0,30 включ. |
43,6 |
47,5 |
52,7 |
31,3 |
|
Св. 0,30 " 1,50 " |
19,8 |
21,6 |
24,0 |
14,2 |
|
" 1,50 " 10,00 " |
7,1 |
7,7 |
8,6 |
5,1 |
|
" 10,00 " 20,00 " |
3,8 |
4,2 |
4,6 |
2,7 |
|
" 20,00 " 40,00 " |
2,5 |
2,8 |
3,1 |
1,8 |
|
" 40,00 " 90,00 " |
1,8 |
2,0 |
2,2 |
1,3 |
|
Св. 90,00 |
1,1 |
1,2 |
1,3 |
0,8 |
|
Время измерения 500 с |
||||
|
От 0,09 до 0,30 включ. |
33,6 |
36,6 |
40,7 |
24,1 |
|
Св. 0,30 " 1,50 " |
15,3 |
16,6 |
18,5 |
10,9 |
|
" 1,50 "10,00 " |
5,5 |
5,9 |
6,6 |
3,9 |
|
" 10,00 " 20,00 " |
2,9 |
3,2 |
3,5 |
2,1 |
|
" 20,00 " 40,00 " |
2,0 |
2,2 |
2,4 |
1,4 |
|
" 40,00 " 90,00 " |
1,5 |
1,6 |
1,8 |
1,0 |
|
Св. 90,00 |
0,9 |
1,0 |
1,1 |
0,7 |
|
Время измерения 1000 с |
||||
|
От 0,09 до 0,30 включ. |
23,8 |
25,9 |
28,8 |
17,1 |
|
Св. 0,30 " 1,50 " |
10,7 |
11,7 |
13,0 |
7,7 |
|
" 1,50 " 10,00 " |
3,8 |
4,2 |
4,6 |
2,7 |
|
" 10,00 " 20,00 " |
2,5 |
2,8 |
3,1 |
1,8 |
|
" 20,00 " 40,00 " |
1,5 |
1,6 |
1,8 |
1,0 |
|
" 40,00 " 90,00 " |
1,1 |
1,2 |
1,3 |
0,8 |
|
Св. 90,00 |
0,7 |
0,8 |
0,9 |
0,5 |
|
Толщина контейнера (упаковки) от 7,0 до 12,0 мм |
||||
|
Время измерения 300 с |
||||
|
От 0,30 до 1,50 включ. |
21,1 |
23,0 |
25,5 |
15,1 |
|
Св. 1,50 " 10,00 " |
8,0 |
8,7 |
9,7 |
5,7 |
|
" 10,00 " 20,00 " |
4,2 |
4,6 |
5,1 |
3,0 |
|
" 20,00 " 40,00 " |
3,1 |
3,4 |
3,7 |
2,2 |
|
" 40,00 " 90,00 " |
2,0 |
2,2 |
2,4 |
1,4 |
|
Св. 90,00 |
1,5 |
1,6 |
1,8 |
1,0 |
|
Время измерения 500 с |
||||
|
От 0,30 до 1,50 включ. |
16,4 |
17,8 |
19,8 |
11,7 |
|
Св. 1,50 " 10,00 " |
6,2 |
6,7 |
7,5 |
4,4 |
|
" 10,00 " 20,00 " |
3,3 |
3,6 |
4,0 |
2,4 |
|
" 20,00 " 40,00 " |
2,4 |
2,6 |
2,9 |
1,7 |
|
" 40,00 " 90,00 " |
1,6 |
1,8 |
2,0 |
1,2 |
|
Св. 90,00 |
1,1 |
1,2 |
1,3 |
0,8 |
|
Время измерения 1000 с |
||||
|
От 0,30 до 1,50 включ. |
11,6 |
12,7 |
14,1 |
8,3 |
|
Св. 1,50 " 10,00 " |
4,4 |
4,7 |
5,3 |
3,1 |
|
" 10,00 " 20,00 " |
2,4 |
2,6 |
2,9 |
1,7 |
|
" 20,00 " 40,00 " |
1,6 |
1,8 |
2,0 |
1,2 |
|
" 40,00 " 90,00 " |
1,1 |
1,2 |
1,3 |
0,8 |
|
Св. 90,00 |
0,7 |
0,8 |
0,9 |
0,5 |
|
Толщина контейнера (упаковки)от 12,0 до 15,5 мм |
||||
|
Время измерения 300 с |
||||
|
От 0,30 до 1,50 включ. |
23,3 |
25,3 |
28,1 |
16,7 |
|
Св. 1,50 " 10,00 " |
8,9 |
9,7 |
10,8 |
6,4 |
|
" 10,00 " 20,00 " |
4,6 |
4,9 |
5,5 |
3,3 |
|
" 20,00 " 40,00 " |
3,6 |
4,0 |
4,4 |
2,6 |
|
" 40,00 " 90,00 " |
2,7 |
3,0 |
3,3 |
2,0 |
|
Св. 90,00 |
2,4 |
2,6 |
2,9 |
1,7 |
|
Время измерения 500 с |
||||
|
От 0,30 до 1,50 включ. |
18,4 |
20,0 |
22,2 |
13,2 |
|
Св. 1,50 " 10,00 " |
6,9 |
7,5 |
8,4 |
5,0 |
|
" 10,00 " 20,00 " |
3,5 |
3,8 |
4,2 |
2,5 |
|
" 20,00 " 40,00 " |
2,7 |
3,0 |
3,3 |
2,0 |
|
" 40,00 " 90,00 " |
2,2 |
2,4 |
2,6 |
1,6 |
|
Св. 90,00 |
1,8 |
2,0 |
2,2 |
1,3 |
|
Время измерения 1000 с |
||||
|
От 0,30 до 1,50 включ. |
12,9 |
14,0 |
15,6 |
9,3 |
|
Св. 1,50 " 10,00 " |
4,9 |
5,3 |
5,9 |
3,5 |
|
" 10,00 " 20,00 " |
2,4 |
2,6 |
2,9 |
1,7 |
|
" 20,00 " 40,00 " |
2,0 |
2,2 |
2,4 |
1,4 |
|
" 40,00 " 90,00 " |
1,6 |
1,8 |
2,0 |
1,2 |
|
Св. 90,00 |
1,3 |
1,4 |
1,5 |
0,9 |
Таблица 10 - Критерии проверки приемлемости результатов измерений в относительной форме с использованием коллиматора диаметром 10 мм
|
Массовая доля U-235, % |
Критический диапазон CR0,95 (n=3), % |
Предел воспроизводимости, Rотн. , % |
Критический диапазон CR0,95 (n=6), % |
Критическая разность CD0,95 (n1=n2=3), % |
|
Толщина контейнера (упаковки) от 0,4 до 1,0 мм |
||||
|
Время измерения 300 с |
||||
|
От 1,50 до 10,00 включ |
13,1 |
14,2 |
15,8 |
9,4 |
|
Св. 10,00 " 20,00 " |
3,8 |
4,2 |
4,6 |
2,7 |
|
" 20,00 " 40,00 " |
2,0 |
2,2 |
2,4 |
1,4 |
|
" 40,00 " 90,00 " |
1,6 |
1,8 |
2,0 |
1,2 |
|
Св. 90,00 |
1,1 |
1,2 |
1,3 |
0,8 |
|
Время измерения 500 с |
||||
|
От 1,50 до 10,00 включ |
10,2 |
11,1 |
12,3 |
7,3 |
|
Св. 10,00 " 20,00 " |
2,9 |
3,2 |
3,5 |
2,1 |
|
" 20,00 " 40,00 " |
1,5 |
1,6 |
1,8 |
1,0 |
|
" 40,00 " 90,00 " |
1,1 |
1,2 |
1,3 |
0,8 |
|
Св. 90,00 |
0,9 |
1,0 |
1,1 |
0,7 |
|
Время измерения 1000 с |
||||
|
От 1,50 до 10,00 включ |
7,1 |
7,7 |
8,6 |
5,1 |
|
Св. 10,00 " 20,00 " |
2,0 |
2,2 |
2,4 |
1,4 |
|
" 20,00 " 40,00 " |
1,3 |
1,4 |
1,5 |
0,9 |
|
" 40,00 " 90,00 " |
0,7 |
0,8 |
0,9 |
0,5 |
|
Св. 90,00 |
0,56 |
0,61 |
0,7 |
0,4 |
|
Толщина контейнера (упаковки) от 1,0 до 2,5 мм |
||||
|
Время измерения 300 с |
||||
|
От 1,50 до 10,00 включ. |
13,8 |
15,0 |
16,7 |
9,9 |
|
Св. 10,00 " 20,00 " |
3,6 |
4,0 |
4,4 |
2,6 |
|
" 20,00 " 40,00 " |
2,2 |
2,4 |
2,6 |
1,6 |
|
" 40,00 " 90,00 " |
1,6 |
1,8 |
2,0 |
1,2 |
|
Св. 90,00 |
1,1 |
1,2 |
1,3 |
0,8 |
|
Время измерения 500 с |
||||
|
От 1,50 до 10,00 включ |
10,7 |
11,7 |
13,0 |
7,7 |
|
Св. 10,00 " 20,00 " |
2,7 |
3,0 |
3,3 |
2,0 |
|
" 20,00 " 40,00 " |
1,6 |
1,8 |
2,0 |
1,2 |
|
" 40,00 " 90,00 " |
1,3 |
1,4 |
1,5 |
0,9 |
|
Св. 90,00 |
0,9 |
1,0 |
1,1 |
0,7 |
|
Время измерения 1000 с |
||||
|
От 1,50 до 10,00 включ. |
7,6 |
8,3 |
9,2 |
5,5 |
|
Св. 10,00 " 20,00 " |
2,0 |
2,2 |
2,4 |
1,4 |
|
" 20,00 " 40,00 " |
1,5 |
1,6 |
1,8 |
1,0 |
|
" 40,00 " 90,00 " |
1,1 |
1,2 |
1,3 |
0,8 |
|
Св. 90,00 |
0,5 |
0,6 |
0,7 |
0,4 |
|
Толщина контейнера (упаковки) от 2,5 до 4,0 мм |
||||
|
Время измерения 300 с |
||||
|
От 1,50 до 10,00 включ. |
15,5 |
16,8 |
18,7 |
11,1 |
|
Св. 10,00 " 20,00 " |
4,4 |
4,7 |
5,3 |
3,1 |
|
" 20,00 " 40,00 " |
2,7 |
3,0 |
3,3 |
2,0 |
|
" 40,00 " 90,00 " |
2,2 |
2,4 |
2,6 |
1,6 |
|
Св. 90,00 |
1,6 |
1,8 |
2,0 |
1,2 |
|
Время измерения 500 с |
||||
|
От 1,50 до 10,00 включ. |
12,0 |
13,1 |
14,5 |
8,6 |
|
Св. 10,00 " 20,00 " |
3,5 |
3,8 |
4,2 |
2,5 |
|
" 20,00 " 40,00 " |
2,2 |
2,4 |
2,6 |
1,6 |
|
" 40,00 " 90,00 " |
1,6 |
1,8 |
2,0 |
1,2 |
|
Св. 90,00 |
1,3 |
1,4 |
1,5 |
0,9 |
|
Время измерения 1000 с |
||||
|
От 1,50 до 10,00 включ. |
9,3 |
10,1 |
11,2 |
6,6 |
|
Св. 10,00 " 20,00 " |
2,4 |
2,6 |
2,9 |
1,7 |
|
" 20,00 " 40,00 " |
1,5 |
1,6 |
1,8 |
1,0 |
|
" 40,00 " 90,00 " |
1,3 |
1,4 |
1,5 |
0,9 |
|
Св. 90,00 |
0,9 |
1,0 |
1,1 |
0,7 |
|
Толщина контейнера (упаковки) от 4,0 до 7,0 мм |
||||
|
Время измерения 300 с |
||||
|
От 1,50 до 10,00 включ. |
17,3 |
18,8 |
20,9 |
12,4 |
|
Св. 10,00 " 20,00 " |
5,1 |
5,5 |
6,2 |
3,6 |
|
" 20,00 " 40,00 " |
3,1 |
3,4 |
3,7 |
2,2 |
|
" 40,00 " 90,00 " |
2,5 |
2,8 |
3,1 |
1,8 |
|
Св. 90,00 |
2,0 |
2,2 |
2,4 |
1,4 |
|
Время измерения 500 с |
||||
|
От 1,50 до 10,00 включ. |
13,3 |
14,4 |
16,0 |
9,5 |
|
Св. 10,00 " 20,00 " |
4,0 |
4,4 |
4,8 |
2,9 |
|
" 20,00 " 40,00 |
2,4 |
2,6 |
2,9 |
1,7 |
|
" 40,00 " 90,00 " |
2,0 |
2,2 |
2,4 |
1,4 |
|
Св. 90,00 |
1,5 |
1,6 |
1,8 |
1,0 |
|
Время измерения 1000 с |
||||
|
От 1,50 до 10,00 включ. |
9,5 |
10,3 |
11,4 |
6,8 |
|
Св. 10,00 "20,00" |
2,7 |
3,0 |
3,3 |
2,0 |
|
" 20,00 " 40,00 " |
1,6 |
1,8 |
2,0 |
1,2 |
|
" 40,00 " 90,00 " |
1,5 |
1,6 |
1,8 |
1,0 |
|
Св. 90,00 |
1,1 |
1,2 |
1,3 |
0,8 |
|
Толщина контейнера (упаковки) от 7,0 до 12,0 мм |
||||
|
Время измерения 300 с |
||||
|
От 1,50 до 10,00 включ. |
20,6 |
22,4 |
24,8 |
14,7 |
|
Св. 10,00 " 20,00 " |
5,8 |
6,3 |
7,0 |
4,2 |
|
" 20,00 " 40,00 " |
3,6 |
4,0 |
4,4 |
2,6 |
|
" 40,00 " 90,00 " |
2,9 |
3,2 |
3,5 |
2,1 |
|
Св. 90,00 |
2,4 |
2,6 |
2,9 |
1,7 |
|
Время измерения 500 с |
||||
|
От 1,50 до 10,00 включ. |
16,0 |
17,4 |
19,3 |
11,5 |
|
Св. 10,00 " 20,00 " |
4,4 |
4,7 |
5,3 |
3,1 |
|
" 20,00 " 40,00 " |
2,7 |
3,0 |
3,3 |
2,0 |
|
" 40,00 " 90,00 " |
2,2 |
2,4 |
2,6 |
1,6 |
|
Св. 90,00 |
1,8 |
2,0 |
2,2 |
1,3 |
|
Время измерения 1000 с |
||||
|
От 1,50 до 10,00 включ. |
11,3 |
12,3 |
13,6 |
8,1 |
|
Св. 10,00 " 20,00 " |
3,3 |
3,6 |
4,0 |
2,3 |
|
" 20,00 " 40,00 " |
2,0 |
2,2 |
2,4 |
1,4 |
|
" 40,00 " 90,00 " |
1,6 |
1,8 |
2,0 |
1,2 |
|
Св. 90,00 |
1,3 |
1,4 |
1,5 |
0,9 |
|
Толщина контейнера (упаковки) от 12,0 до 15,5 мм |
||||
|
Время измерения 300 с |
||||
|
От 1,50 до 10,00 включ. |
23,8 |
25,9 |
28,8 |
17,1 |
|
Св. 10,00 " 20,00 " |
6,7 |
7,3 |
8,1 |
4,8 |
|
" 20,00 " 40,00 " |
4,2 |
4,6 |
5,1 |
3,0 |
|
" 40,00 " 90,00 " |
3,3 |
3,6 |
4,0 |
2,3 |
|
Св. 90,00 |
2,62 |
2,85 |
3,16 |
1,87 |
|
Время измерения 500 с |
||||
|
От 1,50 до 10,00 включ. |
18,6 |
20,2 |
22,4 |
13,3 |
|
Св. 10,00 " 20,00 " |
5,3 |
5,7 |
6,4 |
3,8 |
|
" 20,00 " 40,00 " |
3,3 |
3,6 |
4,0 |
2,3 |
|
" 40,00 " 90,00 " |
2,5 |
2,8 |
3,1 |
1,8 |
|
Св. 90,00 |
2,2 |
2,4 |
2,6 |
1,6 |
|
Время измерения 1000 с |
||||
|
От 1,50 до 10,00 включ. |
13,3 |
14,4 |
16,0 |
9,5 |
|
Св. 10,00 " 20,00 " |
3,6 |
4,0 |
4,4 |
2,6 |
|
" 20,00 " 40,00 " |
2,4 |
2,6 |
2,9 |
1,7 |
|
" 40,00 " 90,00 " |
1,8 |
2,0 |
2,2 |
1,3 |
|
Св. 90,00 |
1,5 |
1,6 |
1,8 |
1,0 |
12.2.5 Если диапазон
результатов шести измерений
, %,
превышает критический диапазон
, то за
результат измерений принимают медиану результатов шести измерений. В данном
случае, полученные результаты шести измерений упорядочивают по возрастанию и за
результат измерения принимают медиану упорядоченного ряда по формуле
, (7)
где E3 и E4 - третий и четвертый члены упорядоченного ряда значений м.д. 235U в уране, %.
12.3 Проверка приемлемости результатов измерений, полученных в условиях воспроизводимости
12.3.1 При необходимости (в случае, если результаты измерений проверяет контролирующий орган, или, если результат измерения подвергается сомнению) проводят проверку приемлемости результатов измерений, полученных в условиях воспроизводимости (двумя лабораториями, разными операторами, разными приборами одного типа и т.п.). При этом образцы для выполнения измерений, время измерения, диаметр коллиматора и толщина стенки контейнера должны быть одними и теми же. Каждая лаборатория выполняет в условиях повторяемости по n=3 параллельных определения м.д. 235U в уране. При проверке контролирующим органом, измерения выполняют только на ГСО изотопного состава урана или его соединений.
12.3.2 Каждая лаборатория проводит проверку приемлемости своих результатов измерений по 12.2 (в случае неприемлимости 3 параллельных определений, полученных какой-либо из лабораторий, данная лаборатория проводит еще 3 определения и получает новый результат измерения в условиях повторяемости).
12.3.3 Совместимость окончательных результатов, полученных двумя лабораториями, проверяют, сравнивая относительное расхождение между двумя результатами измерений с относительной критической разностью CR0,95, которую рассчитывают с использованием следующих алгоритмов:
а) В случае, если обе лаборатории получили свой результат измерений как среднее арифметическое (n1=n2=3), критическая разность CR0,95 равна
(8)
Критическая разность CR0,95 для случая а) приведена в таблицах 8 - 10.
б) В случае, если одна лаборатория получила свой результат измерений как среднее арифметическое (n1=3), а другая - как медиану (n2=6), критическая разность CR0,95 равна
(9)
в) В случае, если обе лаборатории получили свой результат измерений как медиану (n1=n2=6), критическая разность CR0,95равна
, (10)
где с(n) - это отношение стандартного отклонения медианы к стандартному отклонению среднего арифметического значения (при n=6 с(n1)=1,135);
R - предел воспроизводимости в относительной форме из таблиц 8 - 10.
12.3.4 В случае, когда относительное расхождение между двумя результатами измерений превышает критическую разность CR0,95, рассчитанную по формулам (8), (9), (10), результаты, полученные двумя лабораториями, считают несовместимыми. В этом случае разрешение противоречий проводят следующим образом. Если имеется возможность, то лаборатории обмениваются анализируемыми рабочими пробами. Если обмен невозможен, то каждая лаборатория анализирует один и тот же стандартный образец (ГСО, ОСО или СОП по 6.7), близкий по массовой доле 235U к анализируемой пробе. Далее проводят анализ деятельности лабораторий с целью определения наличия и значения систематической составляющей погрешности для каждой из лабораторий. Значение систематической составляющей погрешности измерений в относительной форме, %, для каждой из лабораторий рассчитывают по формуле
, (11)
где Еизм и Еатт - измеренное и аттестованное значение массовой доли 235U в стандартном образце, соответственно, %.
12.3.5 Значения dс(рассч) сопоставляют со значением систематической составляющей погрешности измерений, dс(табл), приведенной в таблицах 1 - 3, для соответствующего значения м.д. 235U в уране, времени измерения, диаметре коллиматора и толщины стенки контейнера. Если выполняется неравенство dс(рассч)£ dс(табл), то результат измерений, полученный в данной лаборатории считается правильным. Если dс(рассч)£ dс(табл), то результат измерений, полученный в данной лаборатории считается неправильным. В этом случае, выясняют причины получения неправильных результатов в данной лаборатории и устраняют их. В случае необходимости, можно прибегнуть к помощи референтной лаборатории.
12.4 Допускается проведение измерений массовой доли урана-235 в уране и его соединениях проводить при времени измерения и числе параллельных определений, отличных от регламентированных в данной МВИ, с использованием гамма-спектрометра с лучшими характеристиками погрешности при условии расчета новых характеристик погрешности МВИ. Алгоритм расчета, приписываемых МВИ, новых характеристик погрешности результата измерения, приведен в приложении Б.
Для применения на практике новых установленных приписанных характеристик погрешности МВИ, они должны быть оформлены в виде "изменения" (дополнения) к МВИ, должны пройти экспертизу в ФГУП ВО "Безопасность" и допущены к применению в установленном порядке. Полученные значения приписанных характеристик погрешности методики выполнения измерений должны быть не хуже, установленных в данной методике.
13 Оформление результатов измерений
Результат измерения массовой доли 235U в анализируемой пробе округляют до второго десятичного знака и представляют в абсолютной форме в виде.
%; Р=0,95; n; h; t
где Е - результат измерений массовой доли 235U в анализируемой пробе, %;
- границы абсолютной погрешности измерений
массовой доли 235U
при n=3 или n=1 для соответствующей точки
диапазона измерений, %;
d - границы относительной погрешности измерений массовой доли 235U при n=3 или n=1, приведенные в таблицах 1 - 3 для соответствующей точки диапазона измерений, диаметра коллиматора, времени измерения и толщины стенки контейнера (h), % (берется для диапазона массовой доли 235U, которому принадлежит результат измерения Е);
Р - доверительная вероятность, с которой установлены границы погрешности измерений, Р=0,95;
n - число параллельных определений;
h - толщина стенки контейнера (упаковки), мм;
t - время измерений, с.
Пример - Результат измерений массовой доли 235U при n=3 параллельных определениях, толщине стенки контейнера 1 мм, времени измерения 300 с, с использованием коллиматора диаметром 25 мм, представляют в абсолютной форме
(35,52
0,47)%; Р=0,95; n=3; h=1 мм; t=300 с,
коллиматор в 25 мм.
14 Контроль точности результатов измерений
14.1 Контроль точности результатов измерений проводят перед каждой серией измерений в соответствии с требованиями раздела 6 ГОСТ Р ИСО 5725-6.
14.2 Контроль стабильности показателя правильности проводят с использованием контрольных карт (КК) Шухарта по ГОСТ Р 50779.42.
14.3 Контроль стабильности показателя правильности измерений проводят в следующей последовательности.
14.3.1 В качестве образцов для контроля используют ГСО (при отсутствии ГСО допускается использовать ОСО или СОП) изотопного состава урана, указанные в 6.7. При этом рекомендуется выбирать не более трех ГСО с м.д. 235U в уране, перекрывающими диапазон от 2,0 до 40,0%.
14.3.2 В условиях повторяемости, в соответствии с разделами 9 - 11, получают результат измерений определяемого параметра Ejk на j-ом образце для контроля (с порядковым номером контрольного измерения (k)) при числе параллельных определений n=3.
14.3.3 Рассчитывают оценку систематической погрешности для j-го образца для контроля Dcjk, с порядковым номером контрольного измерения (k) по формуле
, (12)
где Ejатт - аттестованное значение массовой доли изотопа 235U в j-ом образце для контроля.
14.3.4 Рассчитывают текущее расхождение Wjk по формуле
, (13)
где k - порядковый номер контрольного измерения.
14.3.5 Рассчитанные по формулам (14) и (15) значения наносят на контрольные карты Шухарта - карту оценки систематической погрешности (Х-карта) и карту текущих расхождений.
14.3.6 Параметры контрольных карт
Х-карта:
Средняя линия - нулевая или равна нулю.
Пределы действия:
верхняя граница,
;
нижняя граница,
;
Пределы предупреждения:
верхняя граница,
;
нижняя граница,
.
Карта текущих расхождений:
Средняя линия
;
Пределы действия:
верхняя граница,
;
нижняя граница, LCL - отсутствует;
Пределы предупреждения:
верхняя граница,
;
нижняя граница, LCL - отсутствует.
Примечание - В таблицах 1 - 3 приведено СКО воспроизводимости sR, выраженное в относительных единицах, %. Для расчета параметров контрольных карт используют СКО воспроизводимости, выраженное в абсолютных единицах, %. Его определяют по формуле
. (14)
14.3.7 Если очередная точка Dcjk или Wjk находится внутри пределов предупреждения, то процедуру измерений признают удовлетворительной.
14.3.8 Если очередная точка Dcjk или Wjk попала между пределами предупреждения и пределами действия, то контрольную процедуру повторяют. При повторном появлении указанной ситуации процесс измерений приостанавливают, выясняют и устраняют причины появления неудовлетворительных результатов контроля.
14.3.9 Если очередная точка Dcjk или Wjk попала за границу пределов действия, то контрольную процедуру повторяют. Повторение указанной ситуации служит предупреждением о выходе процесса измерения из состояния статистической управляемости. В этом случае качество процедуры измерений признают неудовлетворительным, процесс измерений приостанавливают, выясняют и устраняют причины появления неудовлетворительных результатов контроля.
14.3.10 Пример построения контрольной карты приведен в приложении Г.
(рекомендуемое)
Размеры дополнительных коллиматоров

Рисунок А.1 - Коллиматор диаметром 10 мм.

Рисунок А.2 - Коллиматор диаметром 18 мм.
(рекомендуемое)
Градуировка гамма-спектрометра
Б.1. Проводят градуировку гамма-спектрометра с использованием образцов по 6.7 согласно разделу 9.2 во всех поддиапазонах измерения массовой доли 235U в уране с использование коллиматоров различного диаметра. Полученные результаты фиксируются и при проведении измерений м.д. 235U в уране в анализируемых образцах значения градуировочного коэффициента вводятся в память компьютера.
Б.2 В случае проведения измерений м.д. 235U другим аналогичным гамма-спектрометром InSpector с программой IMCA при отсутствии для его калибровки образцов по 6.7 и наличии образцов по 6.8 градуировочный коэффициент этого прибора может быть рассчитан по формуле
, (Б1)
где K0 - значение калибровочного коэффициента, полученное на приборе с использованием образцов по 6.7;
П - значение "перекрестного коэффициента", рассчитанное по формуле
, (Б2)
где 14K0 - значение градуировочного коэффициента, полученное на первом приборе с использованием стандартных образцов по 6.7;
14Kx - значение градуировочного коэффициента, полученное на втором приборе с использованием стандартных образцов по 6.8.
Б.3. Значения градуировочных коэффициентов 14K0 и 14Kx определяют с коллиматором диаметром 10 мм в диапазоне м.д. 235U в уране от 0,7% до 3,5%, от 3,5% до 21%, от 21% до 100%.
При проведении градуировки с использованием ОСО по 6.8 их устанавливают к поверхности коллиматора без поглощающих фильтров соосно с осью коллиматора.
Если градуировка проводится по одному ОСО, то его измеряют не менее 12 раз. При проведении градуировки по двум и более ОСО каждое из них измеряется не менее 6 раз. Время одного измерения не менее 500 с.
Проводят контроль повторяемости результатов градуировки
, (Б3)
где 14Dx и 14D0 - абсолютные погрешности измерения 14Kx и 14K0, рассчитанные программой IMCA при проведении градуировки.
Б.4. Если условие Б3 выполняется, то корректировку градуировочного коэффициента не проводят.
Б.5. Если условие Б3 не выполняется, то проводят корректировку градуировочного коэффициента по Б1 и это значение используют при дальнейших измерениях.
(Рекомендуемое)
Установление приписанных характеристик погрешности результатов измерения массовой доли 235U в уране гамма-спектрометрическим методом
В.1 Установление приписанных характеристик погрешности МВИ и ее составляющих проводят в соответствии с РМГ 61-2003.
В.2 Для установления новых приписанных характеристик погрешности измерений по данной МВИ, проводят измерения массовой доли 235U в уране по стандартным образцам (СО) по 6.7 с аттестованной массовой долей 235U, близкой к началу, середине и концу диапазона измерений по данной МВИ. Число СО выбирают с учетом числа поддиапазонов, на которые разбит диапазон действия МВИ.
В.3 На стандартных образцах получают L серий измерений по N результатов измерений в каждой серии. Каждую серию измерений получают в различных условиях (разные приборы одного и того же типа, разное время, разные операторы и т.д.), при этом в пределах одной серии результаты измерений получают в условиях повторяемости (в пределах короткого интервала времени, одним оператором, на одном и том же приборе).
Примечание - Рекомендуется получить не менее L = 5 серий измерений по N = 10 измерений (параллельных определений) в каждой серии.
В.4 Оценка показателей прецизионности (повторяемости и воспроизводимости) МВИ
В.4.1 Оценка показателя повторяемости МВИ
В.4.1.1 По каждой
серии рассчитывают среднее арифметическое Xml и выборочную дисперсию
результатов измерений массовой доли 235U в
m-ом СО, полученных в условиях повторяемости
, (B.1)
, (B.2)
В.4.1.2 На основе
полученных значений L выборочных дисперсий
, _,
в m-ом СО, проверяют гипотезу о равенстве L
дисперсий, используя критерий Кохрена.
Значение критерия Кохрена Gm(max) рассчитывают по формуле
(B.3)
и сравнивают его с табличным значением этого критерия Gтабл для числа степеней свободы n=N-1, соответствующего максимальной дисперсии, и f=L, соответствующего числу суммируемых дисперсий, и принятой доверительной вероятности Р=0,95. При L=5, N-10Gтабл=0,4241.
Примечание – Значения Gтабл при других значениях L и N приведены в РМГ 61-2003, таблицах по математической статистике.
Если Gm(max)>Gтабл,
то соответствующее
из дальнейших расчетов исключают и процедуру
повторяют для следующего по значению
и т.д. до тех пор, пока Gm(max)
не станет меньше либо равно Gтабл.
В.4.1.3 Не исключенные
из расчетов
считают однородными и по ним оценивают средние
квадратические отклонения (далее - СКО), характеризующие повторяемость
результатов единичного измерения (параллельных определений), полученных для
массовой доли U235,
соответствующей массовой доле U235
в m-ом СО. Эти СКО - Sm рассчитывают по
формуле
, (B.4)
где в числе слагаемых нет отброшенных значений.
В.4.1.4 Показатель повторяемости МВИ в виде СКО - srm для массовой доли U235, соответствующей массовой доле U235 в m-ом СО, устанавливают, принимая равным Sm
. (В.5)
B.4.1.5 Показатель повторяемости МВИ в виде критического диапазона - CR0,95 для массовой доли U235, соответствующей массовой доле U235 в m-ом СО, рассчитывают по формуле
, (B.6)
где n - число параллельных определений, предусмотренных МВИ для получения результата измерений,
Q(P, n)=2,77 при n=2, P=0,95;
Q(P, n)=3,31 при n=3, P=0,95;
Q(P, n)=3,63 при n=4, P=0,95;
Q(P, n)=3,86 при n=5, P=0,95;
Q(P, n)=4,0 при n=6, P=0,95.
В.4.2 Оценка показателя воспроизводимости МВИ
В.4.2.1 Рассчитывают выборочное СКО результатов измерений m-го СО, полученных в условиях воспроизводимости, - SRm по формуле
, m=1,...,M,
(B.7)
где Xm - общее среднее значение результатов измерений, полученных в условиях воспроизводимости.
Xm рассчитывают по формуле
. (В.8)
В.4.2.2 Оценка показателя воспроизводимости МВИ
Показатель воспроизводимости МВИ в виде СКО - sRm для массовой доли U235, соответствующей массовой доле U235 в m-ом СО, устанавливают, принимая равным sRm
(В.9)
Показатель воспроизводимости МВИ в виде предела воспроизводимости - Rm для массовой доли U235, соответствующей массовой доле U235 в m-м СО, рассчитывают по формуле
, (В.10)
где Q(P,2)=2,77 при P=0,95.
В.5 Оценка показателя правильности МВИ
В.5.1 Рассчитывают оценку математического ожидания систематической погрешности МВИ - Qm как разность между средним значением результатов измерений Xm и аттестованным значением m-го СО - Cm
. (В.11)
В.5.2 Проверяют значимость вычисленных значений Qm по критерию Стьюдента. Для этого рассчитывают значение t-критерия для m-го СО - tm по формуле
, (B.12)
где
- дисперсия, характеризующая разброс средних
арифметических значений результатов единичного анализа Xml, полученных для l-й серии, относительно
среднего значения результатов анализа Xm;
D0 - абсолютная погрешность аттестованного значения m-го СО.
В.5.3 Полученное значение tm сравнивают с tтабл при числе степеней свободы f=L-1 для доверительной вероятности Р=0,95. При L=5 и Р = 0,95 значение tтабл=2,78.
Примечание - Значения tтабл при других значениях L и Р приведены в РМГ 61-2003, таблицах по математической статистике.
В.5.4 Если tm£tтабл, то оценка систематической погрешности незначима на фоне случайного разброса, и в этом случае ее принимают равной нулю (Qm=0).
В.5.5 При незначимости Q показатель правильности МВИ [верхнюю (Dс.в.m.) и нижнюю ((Dс.н.m) границы, в которых неисключенная систематическая погрешность МВИ (для массовой доли U235, соответствующей массовой доле U235 в m-ом СО) находится с принятой вероятностью Р=0,95 рассчитывают по формуле
. (B.13)
В.6 Оценка показателя точности МВИ
В.6.1 Верхнюю (Dв.m.) и нижнюю (Dн.m.) границы, в которых погрешность результата измерений (для массовой доли U235, соответствующей массовой доле U235 в m-ом СО) находится с принятой вероятностью Р=0,95, рассчитывают по формуле
. (В.14)
В.6.2 Для каждого из поддиапазонов измерений массовой доли U235 в уране по данной МВИ устанавливают свои значения погрешности и ее составляющих в относительной форме.
(рекомендуемое)
Г.1 Применение контрольных карт Шухарта основано на сопоставлении результатов контрольных процедур (в данном случае Dcjk или Wjk) с установленными нормативами контроля: пределами действия и пределами предупреждения.
Г.2 Для контроля стабильности показателя правильности измерений используют контрольные карты Шухарта - х-карту и карту текущих расхождений (w).
Г.3 Для построения х-карты и карты текущих расхождений необходимо знать приписанную характеристику погрешности методики выполнения измерений, установленную при ее аттестации - среднее квадратическое отклонение (СКО) воспроизводимости результатов измерений sR при числе параллельных измерений n=3.
Г.4 Параметры контрольной карты (среднюю линию, пределы действия, пределы предупреждения) рассчитывают с использованием нормированных коэффициентов, зависящих от числа параллельных измерений и приведенных в ГОСТ Р ИСО 5725-6. Формулы для расчета параметров контрольных карт приведены в разделе 14 данной МВИ. Для расчета параметров контрольных карт, СКО воспроизводимости, приведенное в таблицах 1 - 3 переводят в абсолютные единицы по формуле (14).
Примечание - СКО воспроизводимости, приведенное в таблицах 1 - 3, зависит от измеряемой величины массовой доли U235, толщины стенки контейнера (упаковки) и времени измерений, поэтому для каждого образца для контроля в зависимости от условий измерений, будут свои параметры контрольных карт.
Г.5 Требования к проведению контрольных измерений аналогичны требованиям к проведению измерений рабочих проб, установленным в соответствующих разделах методики выполнения измерений. Измерения проводят с использованием стандартных образцов по 5.4. При этом рекомендуется выбирать ГСО с массовой долей 235U в диапазоне от 2,0 до 40,0%. Толщина окна упаковки стандартного образца приведена в паспорте на стандартный образец. Рекомендуемое время измерений - 300 с (как наиболее критичное по своим характеристикам погрешности).
Примечание - При необходимости, руководитель лаборатории может принять решение о контроле точности измерений с помощью контрольных карт при другом времени измерений.
Г.6 Данные, необходимые для построения контрольной карты представляют в виде таблицы.
Г.6.1 Пример заполнения таблицы для построения контрольных карт
Таблица Г.1
|
Лаборатория |
Лаборатория А |
|
Методика выполнения измерений |
МВИ 223.13.17.106-2006 |
|
Период заполнения контрольной карты |
15.01.2006-15.03.2006 |
|
Образец для контроля (ГСО) |
ГСО 7528-99 |
|
Толщина стенки контейнера, мм |
1,9 |
|
Время измерений, с |
300 |
|
Аттестованное значение массовой доли изотопа (235)U в образце для контроля, Е атт, % |
3,5348 |
Окончание таблицы Г.1
|
Контрольная карта |
Х-карта |
Карта текущих расхождений |
|||||
|
Пределы предупреждения (ПП): |
|
|
|||||
|
- верхний |
0,0919 |
0,1594 |
|||||
|
- нижний |
-0,0919 |
отсутствует |
|||||
|
Пределы действия (ПД): |
|
|
|||||
|
- верхний |
0,1379 |
0,2003 |
|||||
|
- нижний |
-0,1379 |
отсутствует |
|||||
|
Средняя линия |
0 |
0,0777 |
|||||
|
N Ко нтро льного измерения j |
Результат контрольного измерения, Еизм, % |
Результат контрольной процедуры |
Выводы о несоответствии результата контрольной процедуры пределам действия или предупреждения |
Примечание |
|||
|
Оценка систематической погрешности dс=Еизм-Eатт |
Текущее расхождение W=|dcj+1 - dcj| |
Х-карта |
Карта текущих расхождений |
||||
|
1 |
3,4338 |
-0,101 |
0,0776 |
Сверх ПП |
- |
|
|
|
2 |
3,5114 |
-0,0234 |
0,0908 |
- |
- |
|
|
|
3 |
3,4206 |
-0,1142 |
0,1345 |
Сверх ПП |
- |
|
|
|
4 |
3,5551 |
0,0203 |
0,1684 |
- |
Сверх ПП |
|
|
|
5 |
3,3867 |
-0,1481 |
0,2044 |
Сверх ПД |
Сверх ПД |
|
|
|
6 |
3,5911 |
0,0563 |
0,1316 |
- |
- |
|
|
|
7 |
3,4595 |
-0,0753 |
0,0839 |
- |
- |
|
|
|
8 |
3,5434 |
0,0086 |
0,0552 |
- |
- |
|
|
|
9 |
3,4882 |
-0,0466 |
0,0479 |
- |
- |
|
|
|
10 |
3,5361 |
0,0013 |
|
- |
|
|
|
Г.7 Строят контрольную карту в виде графика. По оси абсцисс откладывают номер контрольной процедуры, фиксируя при этом данные, характеризующие измерения (дату проведения измерений, фамилию оператора и т.п.). По оси ординат откладывают результат контрольной процедуры, рассчитанный по формулам (14), (15).
Г.8 Вид контрольных карт
Х-карта:

Г.8 Контрольные карты ведет сотрудник лаборатории, выполняющий измерения.
Г.9 Контроль за ведением контрольных карт осуществляет начальник лаборатории.
(обязательное)
|
Рисунок (герб) 0120
ФЕДЕРАЛЬНОЕ АГЕНТСТВО ПО ТЕХНИЧЕСКОМУ РЕГУЛИРОВАНИЮ И МЕТРОЛОГИИ
Государственный научный метрологический центр ФГУП "Уральский научно-исследовательский институт метрологии"
СВИДЕТЕЛЬСТВО
N 223.13.17.105/2006
Методика выполнения измерений массовой доли изотопа урана-235 гамма- ________________________________________________ наименование измеряемой величины; объекта и метода измерений спектрометрическим методом с использованием гамма-спектрометра U-Pu InSpector ____________________________________________________________________________ и программы MGAU ____________________________________________________________________________
разработанная Федеральной службой по экологическому, технологическому и атомному ________________________________________________________________ наименование организации (предприятия), разработавшей МВИ надзору и ФГУП "ВНИИНМ им. А.А. Бочвара"
и регламентированная в МВИ 223.13.17.105/2006 ГСИ. Уран и его соединения. Методика ________________________________________________________ обозначение и наименование документа выполнения измерений массовой доли изотопа урана-235 гамма-спектрометрическим ____________________________________________________________________________ методом с использованием гамма-спектрометра U-Pu InSpector и программы MGAU ____________________________________________________________________________
аттестована в соответствии с ГОСТ Р 8.563.
Аттестация осуществлена по результатам метрологической экспертизы материалов по __________________________________________ разработке МВИ ____________________________________________________________________________ вид работ: метрологическая экспертиза материалов по разработке МВИ, теоретическое или экспериментальное исследование МВИ, другие виды работ В результате аттестации установлено, что МВИ соответствует предъявляемым к ней метрологическим требованиям и обладает следующими основными метрологическими характеристиками, приведенными в приложении. диапазон измерений, характеристики погрешности измерений (неопределенность измерений) и (или) характеристики составляющих погрешности (при необходимости – нормативы контроля)
Приложение: метрологические характеристики МВИ на 3 листах.
Зам. директора по научной работе С.В. Медведевских
Зав. лабораторией Г.И. Терентьев
Дата выдачи: 03.2006 г.
Срок действия: 03.2011 г. МП:
Россия, 620000, г. Екатеринбург, ул. Красноармейская, 4 тел.: (343) 350-26-18, факс: (343) 350-20-39, E-mail: uniim@uniim.ru
|
Приложение
к свидетельству
N 223.13.17.105/2006
Метрологические характеристики МВИ 223.13.17.105/2006 "ГСИ. Уран и его соединения. Методика выполнения измерений массовой доли изотопа урана-235 гамма-спектрометрическим методом с использованием гамма-спектрометра U-Pu InSpector и программы MGAU"
Приписанные характеристики погрешности - среднее квадратическое отклонение (СКО) повторяемости, sr, СКО воспроизводимости, sR, при n=1 и n=3, систематическая составляющая погрешности dC, границы погрешности измерений при d n=1 и n=3 в относительной форме, %, при доверительной вероятности Р=0,95 для различных диапазонов массовых долей урана-235 в уране и его соединениях, в зависимости от времени измерения и толщины стенки контейнера (упаковки) из стали, приведены в таблице.
Таблица - Характеристики погрешности измерений массовой доли урана-235 в уране и его соединениях
|
Время измерения, с |
Диапазон измеряемых массовых долей урана-235 в уране и его соединениях, % |
sR, % (СКО повторяемости) |
sr, % (СКО воспроизводимости) |
dC, % |
d, % |
||
|
n=1 |
n=3 |
n=1 |
n=3 |
||||
|
Толщина стенки контейнера (упаковки) от 0 до 2,0 мм включ. |
|||||||
|
300 |
От 0,30 до 1,00 включ. |
6,0 |
11,2 |
6,1 |
1,9 |
21,8 |
12,1 |
|
|
Св. 1,00 " 5,00" |
2,5 |
4,6 |
2,5 |
1,5 |
8,5 |
5,0 |
|
|
" 5,00 " 20,00 " |
1,7 |
3,2 |
1,7 |
1,7 |
5,9 |
3,5 |
|
|
" 20,00 " 40,00 " |
1,3 |
2,4 |
1,3 |
1,5 |
4,4 |
2,6 |
|
|
"40,00 " 90,00" |
1,6 |
2,8 |
1,9 |
1,2 |
5,6 |
3,9 |
|
|
" 90,00 " 95,00 " |
4,3 |
7,5 |
5,0 |
1,3 |
14,9 |
10,4 |
|
500 |
От 0,30 до 1,00 включ. |
4,6 |
8,6 |
4,6 |
1,8 |
16,7 |
9,3 |
|
|
Св. 1,00 " 5,00" |
1,9 |
3,6 |
1,9 |
1,5 |
7,0 |
3,9 |
|
|
" 5,00 " 20,00 " |
1,4 |
2,6 |
1,4 |
1,3 |
4,8 |
2,8 |
|
|
" 20,00 " 40,00 " |
1,0 |
1,8 |
1,0 |
1,2 |
3,5 |
1,9 |
|
|
" 40,00 " 90,00 " |
1,2 |
2,2 |
1,2 |
1,2 |
4,4 |
2,5 |
|
|
"90,00 " 95,00" |
3,1 |
5,8 |
3,1 |
1,2 |
11,3 |
7,8 |
|
1000 |
От 0,30 до 1,00 включ. |
3,3 |
6,1 |
3,3 |
1,7 |
11,9 |
6,6 |
|
|
Св. 1,00 " 5,00" |
1,4 |
2,5 |
1,4 |
1,4 |
4,9 |
2,7 |
|
|
" 5,00 " 20,00 " |
1,0 |
1,8 |
1,0 |
1,2 |
3,5 |
1,9 |
|
|
"20,00 " 40,00" |
0,7 |
1,3 |
0,7 |
1,1 |
2,5 |
1,4 |
|
|
"40,00 " 90,00" |
1,1 |
1,7 |
1,1 |
1,1 |
3,5 |
2,3 |
|
|
Св. 90,00 |
2,6 |
4,1 |
2,6 |
1,2 |
8,9 |
6,3 |
|
Толщина стенки контейнера (упаковки) св. 2,0 до 4,0 мм включ. |
|||||||
|
300 |
От 0,30 до 1,00 включ. |
8,8 |
16,3 |
8,8 |
1,9 |
31,7 |
17,6 |
|
|
Св. 1,00 " 5,00 " |
2,8 |
5,2 |
2,8 |
1,5 |
10,1 |
5,6 |
|
|
" 5,00 " 20,00 " |
2,1 |
4,0 |
2,2 |
1,7 |
7,8 |
4,3 |
|
|
" 20,00 " 40,00 " |
1,7 |
3,1 |
1,7 |
1,8 |
6,2 |
3,7 |
|
|
" 40,00 " 90,00 " |
2,0 |
3,3 |
2,0 |
1,8 |
6,5 |
4,2 |
|
|
" 90,00 " 95,00 " |
5,0 |
8,2 |
5,5 |
1,5 |
16,1 |
11,2 |
|
500 |
От 0,30 до 1,00 включ. |
6,8 |
12,6 |
6,8 |
1,6 |
24,5 |
13,6 |
|
|
Св. 1,00 " 5,00 " |
2,1 |
4,0 |
2,2 |
1,4 |
7,8 |
4,3 |
|
|
" 5,00 " 20,00 " |
1,7 |
3,1 |
1,7 |
1,5 |
6,6 |
3,4 |
|
|
" 20,00 " 40,00 " |
1,6 |
2,6 |
1,6 |
1,5 |
5,3 |
3,2 |
|
|
" 40,00 " 90,00 " |
1,8 |
3,5 |
1,8 |
1,8 |
7,0 |
4,0 |
|
|
" 90,00 " 95,00 " |
3,8 |
6,4 |
3,8 |
1,4 |
12,7 |
8,8 |
|
1000 |
От 0,30 до 1,00 включ. |
4,8 |
8,9 |
4,8 |
1,7 |
17,3 |
9,6 |
|
|
Св. 1,00 " 5,00 " |
1,5 |
2,8 |
1,5 |
1,3 |
5,4 |
3,0 |
|
|
" 5,00 " 20,00 " |
1,2 |
2,2 |
1,2 |
1,2 |
4,3 |
2,4 |
|
|
" 20,00 " 40,00 " |
0,9 |
1,7 |
0,9 |
1,1 |
3,3 |
1,8 |
|
|
" 40,00 " 90,00 " |
1,8 |
2,5 |
1,3 |
1,8 |
5,0 |
2,7 |
|
|
" 90,00 " 95,00 " |
2,7 |
4,5 |
2,8 |
1,4 |
9,5 |
6,7 |
|
Толщина стенки контейнера (упаковки) св. 4,0 до 6,0 мм включ. |
|||||||
|
300 |
От 0,40 до 1,00 включ. |
10,1 |
18,7 |
10,1 |
1,9 |
36,4 |
20,2 |
|
|
Св. 1,00 " 5,00 " |
5,1 |
8,8 |
5,1 |
1,3 |
17,2 |
9,9 |
|
|
" 5,00 " 20,00 " |
3,2 |
5,6 |
3,3 |
1,5 |
12,2 |
7,2 |
|
|
" 20,00 " 40,00 " |
2,6 |
4,5 |
2,6 |
1,3 |
8,8 |
5,1 |
|
|
" 40,00 " 90,00 " |
2,7 |
5,1 |
2,8 |
1,7 |
10,0 |
5,6 |
|
|
" 90,00 " 95,00 " |
4,7 |
8,7 |
5,8 |
1,5 |
17,1 |
11,9 |
|
500 |
От 0,40 до 1,00 включ. |
7,9 |
15,1 |
7,9 |
1,7 |
29,4 |
15,4 |
|
|
Св. 1,00 " 5,00 " |
3,8 |
6,3 |
3,8 |
1,7 |
12,4 |
7,6 |
|
|
" 5,00 " 20,00 " |
2,6 |
4,6 |
2,7 |
1,5 |
9,7 |
5,7 |
|
|
" 20,00 " 40,00 " |
1,8 |
3,4 |
1,8 |
1,5 |
6,6 |
3,7 |
|
|
" 40,00 " 90,00 " |
2,1 |
3,9 |
2,1 |
1,7 |
7,6 |
4,2 |
|
|
" 90,00 " 95,00 " |
3,7 |
6,7 |
4,0 |
1,4 |
13,8 |
9,6 |
|
1000 |
От 0,40 до 1,00 включ. |
6,6 |
12,8 |
6,6 |
1,6 |
25,1 |
12,8 |
|
|
Св. 1,00 " 5,00 " |
2,6 |
4,8 |
2,6 |
1,1 |
9,3 |
5,2 |
|
|
" 5,00 " 20,00 " |
1,7 |
3,2 |
1,7 |
1,5 |
6,2 |
3,5 |
|
|
" 20,00 " 40,00 " |
1,3 |
2,4 |
1,3 |
1,3 |
4,7 |
2,6 |
|
|
" 40,00 " 90,00 " |
1,5 |
2,8 |
1,5 |
1,2 |
5,4 |
3,0 |
|
|
" 90,00 " 95,00 " |
2,7 |
5,2 |
2,8 |
1,5 |
10,4 |
7,2 |
|
Толщина стенки контейнера (упаковки) св. 6,0 до 7,5 мм включ. |
|||||||
|
300 |
От 0,40 до 1,00 включ. |
12,1 |
22,5 |
12,2 |
1,9 |
43,8 |
24,3 |
|
|
Св. 1,00 " 5,00 " |
5,8 |
10,6 |
5,8 |
1,3 |
20,6 |
11,2 |
|
|
" 5,00 " 20,00 " |
4,6 |
8,0 |
4,7 |
1,5 |
17,8 |
9,3 |
|
|
" 20,00 " 40,00 " |
3,5 |
6,5 |
3,5 |
1,9 |
12,6 |
7,0 |
|
|
" 40,00 " 90,00 " |
4,0 |
7,4 |
4,0 |
1,7 |
14,4 |
8,0 |
|
|
" 90,00 " 95,00 " |
5,6 |
9,5 |
6,3 |
1,5 |
18,5 |
12,9 |
|
500 |
От 0,40 до 1,00 включ. |
9,3 |
17,3 |
9,4 |
1,5 |
33,7 |
18,7 |
|
|
Св. 1,00 " 5,00 " |
4,7 |
7,9 |
4,7 |
1,4 |
15,5 |
9,3 |
|
|
" 5,00 " 20,00 " |
3,5 |
6,5 |
3,5 |
1,3 |
12,6 |
7,0 |
|
|
" 20,00 " 40,00 " |
2,7 |
5,0 |
2,7 |
1,4 |
9,7 |
5,4 |
|
|
" 40,00 " 90,00 " |
3,1 |
5,7 |
3,1 |
1,2 |
11,1 |
6,2 |
|
|
" 90,00 " 95,00 " |
4,4 |
7,9 |
4,4 |
1,2 |
16,3 |
11,4 |
|
1000 |
От 0,40 до 1,00 включ. |
7,2 |
13,4 |
7,2 |
1,2 |
26,1 |
14,5 |
|
|
Св. 1,00 " 5,00 " |
3,4 |
6,3 |
3,4 |
1,9 |
12,3 |
6,8 |
|
|
" 5,00 " 20,00 " |
2,4 |
4,4 |
2,4 |
1,5 |
8,6 |
4,8 |
|
|
" 20,00 " 40,00 " |
1,9 |
3,6 |
1,9 |
1,4 |
7,0 |
3,9 |
|
|
" 40,00 " 90,00 " |
2,1 |
4,0 |
2,2 |
1,2 |
7,8 |
4,3 |
|
|
" 90,00 " 95,00 " |
2,8 |
5,7 |
3,1 |
1,4 |
11,6 |
8,2 |
Зав. лабораторией ГНМЦ ФГУП "УНИИМ" Г.И. Терентьев
Дата выдачи свидетельства: 03.2006 г.
Срок действия свидетельства: 03.2011 г.
|
Согласовано |
|
|
|
|
|
Зам. директора ФГУП "УНИИМ" |
С.В. Медведевских |
|
|
|
|
Утверждаю |
|
|
|
|
|
Начальник Управления Федеральной службы по экологическому, технологическому и атомному надзору |
В.С. Беззубцев |
|
|
|
|
7 апреля 2006 г. |
|
|
|
|
|
Директор отделения ФГУП ВНИИМ им. А.А. Бочвара |
В.С. Руденко |
|
|
|
|
3 апреля 2006 г. |
|
Государственная система обеспечения
единства измерений
Уран и его соединения. Методика выполнения измерений массовой доли изотопа
урана-235 гамма-спектрометрическим методом с использованием гамма-спектрометра
U-Pu InSpector и программы MGAU"
МВИ 223.13.17.104/2006
(утв. Управлением Федеральной службы по экологическому, технологическому и атомному надзору и отделением "ФГУП ВНИИМ им. А.А. Бочвара")
Дата
введения - 2006 -
МВИ 223.13.17.104/2006
Предисловие
1 Разработана ФГУП "ВНИИНМ им. А.А. Бочвара"
Ведущий научный сотрудник, к.т.н.
/подпись/ Т.К. Рагимов
"__" __________ 2006 г.
Старший научный сотрудник, к.т.н.
/подпись/ В.И. Тимошин
"__" __________ 2006 г.
Научный сотрудник
/подпись/ A.H. Сиротинин
"__" __________ 2006 г.
Инженер
/подпись/ А.А. Самойлов
"__" __________ 2006 г.
Федеральной службой по экологическому, технологическому и атомному надзору
Заместитель начальника Управления
/подпись/ Б.Н. Крупчатников
"__" __________ 2006 г.
Главный специалист
/подпись/ Д.А. Боков
"__" __________ 2006 г.
2 Аттестована Государственным научным метрологическим центром (ГНМЦ) - Федеральным государственным унитарным предприятием "Уральский научно-исследовательский институт метрологии" (ГНМЦ ФГУП "УНИИМ")
Зав. лабораторией 223, к.ф.-м.н.
/подпись/ Г.И. Терентьев
"__" __________ 2006 г.
1 Область применения
Настоящий документ устанавливает методику выполнения измерений массовой доли (обогащения) изотопа урана-235 (м.д. 235U) в уране, его соединениях и сплавах на его основе (далее - в уране), находящихся непосредственно в контейнерах, упаковках и учетных единицах из различных материалов (сталь, алюминий, стекло, полиэтилен и др.) гамма-спектрометрическим методом с использованием полупроводникового гамма-спектрометра высокого разрешения U-Pu InSpector и программы MGAU.
Обработку результатов измерений м.д. 235U в уране проводят с использованием компьютерной программы многогруппового анализа MGAU. Диапазоны измеряемых значений массовой доли 235U в уране приведены в таблице 1. При измерениях проводят одно (n=1) или три (n=3) параллельных определения в зависимости от требуемой точности. Время набора одного аппаратурного спектра гамма-излучения 300, 500, 1000 с.
Анализируемая проба урана или его соединения должна быть однородна по всему объему как по изотопному составу, так и по составу матрицы. Обязательным условием проведения измерений является наличие радиоактивного равновесия между 235U и 234Th, которое наступает приблизительно через 5 месяцев после отделения тория (234Th) от урана. Присутствие в уране изотопа 232U и его продуктов распада может оказать влияние на результаты измерений.
В настоящем документе использованы ссылки на следующие нормативные документы:
ГОСТ 1583-93 Сплавы алюминиевые литейные. Технические условия
ГОСТ 5632-72 Стали высоколегированные и сплавы коррозионностойкие, жаростойкие и жаропрочные. Марки и технические требования
ГОСТ Р ИСО 5725-1-2002 Точность (правильность и прецизионность) методов и результатов измерений. Часть 1. Основные положения и определения
ГОСТ Р ИСО 5725-6-2002 Точность (правильность и прецизионность) методов и результатов измерений. Часть 6. Использование значений точности на практике
ГОСТ 9293-74 Азот газообразный и жидкий. Технические условия
ГОСТ 10354-82 Пленка полиэтиленовая. Технические условия
ГОСТ 21400-75 Стекло химико-лабораторное. Технические требования. Методы испытаний
ГОСТ Р 50779.42-99 Статистические методы. Контрольные карты Шухарта
РМГ 61-2003 ГСИ. Показатели точности, правильности, прецизионности методик количественного химического анализа
ОСПОРБ-99 Основные санитарные правила обеспечения радиационной безопасности
ПБЯ 06-09-90 Правила ядерной безопасности при хранении и транспортировке ядерно-опасных делящихся материалов
НРБ-99 Нормы радиационной безопасности
Примечание - При пользовании настоящей методикой целесообразно проверить действие ссылочных документов по соответствующему указателю стандартов, составленному по состоянию на 1 января текущего года, и по соответствующим информационным указателям, опубликованным в текущем году. Если ссылочный документ заменен (изменен), то при пользовании настоящей методикой следует руководствоваться замененным (измененным) стандартом. Если ссылочный документ отменен без замены, то положение, в котором дана ссылка на него, применяется в части, не затрагивающей эту ссылку.
3 Термины и определения
В настоящем документе применены следующие термины с соответствующими определениями по ГОСТ Р ИСО 5725-1, РМГ 61:
3.1 точность: Степень близости результата измерений к принятому опорному значению.
3.2 принятое опорное значение: Значение, которое служит в качестве согласованного для сравнения.
3.3 правильность: Степень близости среднего значения, полученного на основании большой серии результатов измерений, к принятому опорному значению.
3.4 прецизионность: Степень близости друг к другу независимых результатов измерений, полученных в конкретных регламентированных условиях.
3.5 воспроизводимость: Прецизионность в условиях воспроизводимости.
3.6 повторяемость: Прецизионность в условиях повторяемости.
3.7 условия воспроизводимости: Условия, при которых результаты измерений получают одним и тем же методом, на идентичных объектах испытаний, в разных лабораториях, разными операторами, с использованием различного оборудования.
3.8 условия повторяемости: Условия, при которых независимые результаты измерений получают одним и тем же методом на идентичных объектах испытаний, в одной и той же лаборатории, одним и тем же оператором, с использованием одного и того же оборудования, в пределах короткого промежутка времени
3.9 критический диапазон: Значение, которое с доверительной вероятностью 95% не превышается величиной разности между максимальным и минимальным результатами трех или более измерений, полученными в условиях повторяемости.
3.10 предел воспроизводимости: Значение, которое с доверительной вероятностью 95% не превышается величиной разности между результатами двух измерений, полученными в условиях воспроизводимости.
3.11 среднее квадратическое отклонение воспроизводимости: Среднее квадратическое отклонение результатов измерений, полученных в условиях воспроизводимости.
3.12 приписанные характеристики погрешности методики выполнения измерений и ее составляющих: Установленные характеристики погрешности и ее составляющих для любого из совокупности результатов измерений, полученного при соблюдении требований и правил аттестованной методики выполнения измерений.
3.13 анализируемый образец: Материал урана или его соединения, находящийся в контейнере, упаковке или учетной единице.
3.14 анализируемая проба: Материал урана или его соединения, непосредственно подвергаемый измерениям.
4 Характеристики погрешности измерений
Приписанные
характеристики погрешности - критический диапазон
, среднее
квадратическое отклонение (СКО) воспроизводимости sR
при n=1 и n=3, систематическая составляющая погрешности dC,
границы погрешности измерений d
при n=1 и n=3 в относительной форме, %, при доверительной
вероятности Р=0,95 для различных диапазонов массовых долей 235U в уране, в зависимости от времени
измерения и толщины стенки контейнера (упаковки) из стали (d), приведены
в таблице 1.
Таблица 1 - Характеристики погрешности измерений м. д. 235U в уране
|
Время измерения, с |
Диапазон измеряемых массовых долей (235) U в уране, % |
Критический диапазонCR0?953 |
sr, % (СКО воспроизводимости) |
dC, % |
d, % |
||
|
n=1 |
n=3 |
n=1 |
n=3 |
||||
|
Толщина стенки контейнера (упаковки) от 0 до 2,0 мм включ. |
|||||||
|
300 |
От 0,30 до 1,00 включ. |
20,0 |
11,2 |
6,1 |
1,9 |
21,8 |
12,1 |
|
|
Св. 1,00 " 5,00 " |
8,2 |
4,6 |
2,5 |
1,5 |
8,5 |
5,0 |
|
|
" 5,00 " 20,00 " |
5,7 |
3,2 |
1,7 |
1,7 |
5,9 |
3,5 |
|
|
" 20,00 " 40,00 " |
4,3 |
2,4 |
1,3 |
1,5 |
4,4 |
2,6 |
|
|
" 40,00 " 90,00 " |
5,4 |
2,8 |
1,9 |
1,2 |
5,6 |
3,9 |
|
|
" 90,00 " 95,00 " |
14,3 |
7,5 |
5,0 |
1,3 |
14,9 |
10,4 |
|
500 |
От 0,30 до 1,00 включ. |
15,3 |
8,6 |
4,6 |
1,8 |
16,7 |
9,3 |
|
|
Св. 1,00 " 5,00 " |
6,4 |
3,6 |
1,9 |
1,5 |
7,0 |
3,9 |
|
|
" 5,00 " 20,00 " |
4,6 |
2,6 |
1,4 |
1,3 |
4,8 |
2,8 |
|
|
" 20,00 " 40,00 " |
3,2 |
1,8 |
1,0 |
1,2 |
3,5 |
1,9 |
|
|
" 40,00 " 90,00 " |
3,9 |
2,2 |
1,2 |
1,2 |
4,4 |
2,5 |
|
|
" 90,00 " 95,00 " |
10,3 |
5,8 |
3,1 |
1,2 |
11,3 |
7,8 |
|
1000 |
От 0,30 до 1,00 включ. |
10,9 |
6,1 |
3,3 |
1,7 |
11,9 |
6,6 |
|
|
Св. 1,00 " 5,00 " |
4,5 |
2,5 |
1,4 |
1,4 |
4,9 |
2,7 |
|
|
" 5,00 " 20,00 " |
3,2 |
1,8 |
1,0 |
1,2 |
3,5 |
1,9 |
|
|
" 20,00 " 40,00 " |
2,3 |
1,3 |
0,7 |
1,1 |
2,5 |
1,4 |
|
|
"40,00 " 90,00 " |
3,5 |
1,7 |
1,1 |
1,1 |
3,5 |
2,3 |
|
|
" 90,00 " 95,00 " |
8,6 |
4,1 |
2,6 |
1,2 |
8,9 |
6,3 |
|
Толщина стенки контейнера (упаковки) св. 2,0 до 4,0 мм включ. |
|||||||
|
300 |
От 0,30 до 1,00 включ. |
29,1 |
16,3 |
8,8 |
1,9 |
31,7 |
17,6 |
|
|
Св. 1,00 " 5,00 " |
9,3 |
5,2 |
2,8 |
1,5 |
10,1 |
5,6 |
|
|
" 5,00 " 20,00 " |
7,1 |
4,0 |
2,2 |
1,7 |
7,8 |
4,3 |
|
|
" 20,00 " 40,00 " |
5,5 |
3,1 |
1,7 |
1,8 |
6,2 |
3,7 |
|
|
" 40,00 " 90,00 " |
6,6 |
3,3 |
2,0 |
1,8 |
6,5 |
4,2 |
|
|
" 90,00 " 95,00 " |
16,4 |
8,2 |
5,5 |
1,5 |
16,1 |
11,2 |
|
500 |
От 0,30 до 1,00 включ. |
22,4 |
12,6 |
6,8 |
1,6 |
24,5 |
13,6 |
|
|
Св. 1,00 " 5,00 " |
7,1 |
4,0 |
2,2 |
1,4 |
7,8 |
4,3 |
|
|
" 5,00 " 20,00 " |
5,5 |
3,1 |
1,7 |
1,5 |
6,6 |
3,4 |
|
|
" 20,00 " 40,00 " |
5,3 |
2,6 |
1,6 |
1,5 |
5,3 |
3,2 |
|
|
" 40,00 " 90,00 " |
6,1 |
3,5 |
1,8 |
1,8 |
7,0 |
4,0 |
|
|
" 90,00 " 95,00 " |
12,7 |
6,4 |
3,8 |
1,4 |
12,7 |
8,8 |
|
1000 |
От 0,30 до 1,00 включ. |
15,9 |
8,9 |
4,8 |
1,7 |
17,3 |
9,6 |
|
|
Св. 1,00 " 5,00 " |
5,0 |
2,8 |
1,5 |
1,3 |
5,4 |
3,0 |
|
|
" 5,00 " 20,00 " |
3,9 |
2,2 |
1,2 |
1,2 |
4,3 |
2,4 |
|
|
" 20,00 " 40,00 " |
3,0 |
1,7 |
0,9 |
1,1 |
3,3 |
1,8 |
|
|
" 40,00 " 90,00 " |
4,5 |
2,5 |
1,3 |
1,8 |
5,0 |
2,7 |
|
|
" 90,00 " 95,00 " |
8,8 |
4,5 |
2,8 |
1,4 |
9,5 |
6,7 |
|
Толщина стенки контейнера (упаковки) св. 4,0 до 6,0 мм включ. |
|||||||
|
300 |
От 0,40 до 1,00 включ. |
33,3 |
18,7 |
10,1 |
1,9 |
36,4 |
20,2 |
|
|
Св. 1,00 " 5,00 " |
16,8 |
8,8 |
5,1 |
1,3 |
17,2 |
9,9 |
|
|
11 5,00 " 20,00 " |
10,6 |
5,6 |
3,3 |
1,5 |
12,2 |
7,2 |
|
|
" 20,00 " 40,00 " |
8,5 |
4,5 |
2,6 |
1,3 |
8,8 |
5,1 |
|
|
" 40,00 " 90,00 " |
9,1 |
5,1 |
2,8 |
1,7 |
10,0 |
5,6 |
|
|
" 90,00 " 95,00 " |
15,5 |
8,7 |
5,8 |
1,5 |
17,1 |
11,9 |
|
500 |
От 0,40 до 1,00 включ. |
26,2 |
15,1 |
7,9 |
1,7 |
29,4 |
15,4 |
|
|
Св. 1,00 " 5,00 " |
12,7 |
6,3 |
3,8 |
1,7 |
12,4 |
7,6 |
|
|
" 5,00 " 20,00 " |
8,6 |
4,6 |
2,7 |
1,5 |
9,7 |
5,7 |
|
|
" 20,00 " 40,00 " |
6,1 |
3,4 |
1,8 |
1,5 |
6,6 |
3,7 |
|
|
" 40,00 " 90,00 " |
7,0 |
3,9 |
2,1 |
1,7 |
7,6 |
4,2 |
|
|
" 90,00 " 95,00 " |
12,1 |
6,7 |
4,0 |
1,4 |
13,8 |
9,6 |
|
1000 |
От 0,40 до 1,00 включ. |
21,7 |
12,8 |
6,6 |
1,6 |
25,1 |
12,8 |
|
|
Св. 1,00 " 5,00 " |
8,6 |
4,8 |
2,6 |
1,1 |
9,3 |
5,2 |
|
|
" 5,00 " 20,00 " |
5,7 |
3,2 |
1,7 |
1,5 |
6,2 |
3,5 |
|
|
" 20,00 " 40,00 " |
4,3 |
2,4 |
1,3 |
1,3 |
4,7 |
2,6 |
|
|
" 40,00 " 90,00 " |
5,0 |
2,8 |
1,5 |
1,2 |
5,4 |
3,0 |
|
|
" 90,00 " 95,00 " |
9,3 |
5,2 |
2,8 |
1,5 |
10,4 |
7,2 |
|
Толщина стенки контейнера (упаковки) св. 6,0 до 7,5 мм включ. |
|||||||
|
300 |
От 0,40 до 1,00 включ. |
40,1 |
22,5 |
12,2 |
1,9 |
43,8 |
24,3 |
|
|
Св. 1,00 " 5,00 " |
19,1 |
10,6 |
5,8 |
1,3 |
20,6 |
11,2 |
|
|
" 5,00 " 20,00 " |
15,3 |
8,0 |
4,7 |
1,5 |
17,8 |
9,3 |
|
|
" 20,00 " 40,00 " |
11,6 |
6,5 |
3,5 |
1,9 |
12,6 |
7,0 |
|
|
" 40,00 " 90,00 " |
13,2 |
7,4 |
4,0 |
1,7 |
14,4 |
8,0 |
|
|
" 90,00 " 95,00 " |
18,5 |
9,5 |
6,3 |
1,5 |
18,5 |
12,9 |
|
500 |
От 0,40 до 1,00 включ. |
30,9 |
17,3 |
9,4 |
1,5 |
33,7 |
18,7 |
|
|
Св. 1,00 " 5,00 " |
15,7 |
7,9 |
4,7 |
1,4 |
15,5 |
9,3 |
|
|
" 5,00 " 20,00 " |
11,6 |
6,5 |
3,5 |
1,3 |
12,6 |
7,0 |
|
|
" 20,00 " 40,00 " |
8,9 |
5,0 |
2,7 |
1,4 |
9,7 |
5,4 |
|
|
" 40,00 " 90,00 " |
10,2 |
5,7 |
3,1 |
1,2 |
11,1 |
6,2 |
|
|
" 90,00 " 95,00 " |
14,5 |
7,9 |
4,4 |
1,2 |
16,3 |
11,4 |
|
1000 |
От 0,40 до 1,00 включ. |
23,9 |
13,4 |
7,2 |
1,2 |
26,1 |
14,5 |
|
|
Св. 1,00 " 5,00 " |
11,2 |
6,3 |
3,4 |
1,9 |
12,3 |
6,8 |
|
|
" 5,00 " 20,00 " |
7,8 |
4,4 |
2,4 |
1,5 |
8,6 |
4,8 |
|
|
" 20,00 " 40,00 " |
6,4 |
3,6 |
1,9 |
1,4 |
7,0 |
3,9 |
|
|
" 40,00 " 90,00 " |
7,1 |
4,0 |
2,2 |
1,2 |
7,8 |
4,3 |
|
|
" 90,00 " 95,00 " |
10,7 |
5,7 |
3,1 |
1,4 |
11,6 |
8,2 |
5 Средства измерений, вспомогательные устройства и материалы
5.1 Переносной полупроводниковый гамма-спектрометр U-Pu InSpector фирмы "Canberra", включающий в себя: планарный детектор из высокочистого германия типа GL, смонтированный на многопозиционном криостате, портативную спектрометрическую станцию InSpector, соединенную с персональным компьютером, программное обеспечение Genie-2000 с программой обработки спектров MGAU или более современные полупроводниковые гамма-спектрометры на основе портативных цифровых анализаторов InSpector-2000, DSA-1000, DSA-2000 или аналогичные с программным обеспечением Genie-2000 и программой обработки спектров MGAU.
Предел относительной погрешности характеристики преобразования - не более 0,07%. Энергетическое разрешение (полная ширина на половине высоты, ПШПВ) спектрометрического тракта (на линии 122 кэВ) - от 0,500 до 0,750 кэВ. Нестабильность за 8 часов непрерывной работы (после установления рабочего режима) - не более 0,05%.
5.2 Устройство для заливки жидкого азота типа D-2.
5.3 Жидкий азот по ГОСТ 9293.
5.4 Государственные, отраслевые стандартные образцы или стандартные образцы предприятия (ГСО, ОСО или СОП) изотопного состава урана, утвержденные в установленном порядке.
Примечания
1 При использовании ГСО, ОСО или СОП массовая поверхностная плотность загруженного в контейнер порошка диоксида урана должна быть не менее 4,0 г/см2, при которой обеспечивается "бесконечно толстый слой" для гамма-излучения с энергией 90 кэВ.
2 ГСО, ОСО или СОП должны иметь трехкратный запас по точности по отношению к погрешности, приведенной в таблице 1 для данной точки диапазона измерений.
5.5 ОСО 95 651-2003П - 95 655-2003П изотопного состава урана в диоксиде урана. Масса диоксида урана около 10,5 г, массовая поверхностная плотность не менее 5,5 г/см2. ОСО имеют внутренний диаметр контейнера 14 мм и высоту 40 мм, толщина стенки дна контейнера 0,8 мм, высота засыпки диоксида урана не менее 27,5 мм.
Примечание к 5.5 - ОСО 95 651-2003П - 95 655-2003П изотопного состава урана в диоксиде урана допускается использовать только для проверки работоспособности гамма-спектрометра U-Pu InSpector.
5.6 Набор фильтров из стали, алюминия, полиэтилена или стекла диаметром не менее 70 мм и толщиной 1, 2, 3 и 5 мм.
6 Метод измерений
С помощью полупроводникового гамма-спектрометра с высоким энергетическим разрешением регистрируют фотонное излучение в области энергий от 0 до 300 кэВ, испускаемое изотопами урана и продуктами их распада.
Массовую долю 235U в уране рассчитывают путем обработки получаемых аппаратурных спектров фотонного излучения с помощью компьютерной программы многогруппового анализа MGAU.
7 Требования безопасности
Лица, постоянно работающие или временно привлекаемые к работе с гамма-спектрометрами и гамма-радиометрами, должны руководствоваться требованиями, установленными ОСПОРБ-99, ПБЯ 06-09-90, НРБ-99.
8 Требования к квалификации оператора
К выполнению измерений допускаются лица, прошедшие обучение и практическую подготовку по соответствующей программе и имеющие квалификацию лаборанта не ниже 5 разряда, или инженерно-технические работники, допущенные к выполнению указанных работ в установленном на предприятии порядке.
9 Условия выполнения измерений
9.1 На рабочем месте, где проводятся измерения, должны соблюдаться следующие условия:
- температура окружающего воздуха от 0 до плюс 50°С;
- атмосферное давление от 84,0 до 106,7 кПа
(от 630 до 800 мм рт. ст.);
- относительная влажность воздуха от 30% до 80%;
- напряжение питающей сети (220 +- 22)В;
- частота питающей сети (50,0 +- 0,5) Гц.
9.2 Масса урана в анализируемой пробе, в контейнере, упаковке или учетной единице должна быть не менее 50 г при массовой поверхностной плотности урана не менее 4,0 г/см2.
9.3 Толщина стенки (или дна) контейнера из стали не должна превышать 7,5 мм. При использовании контейнеров из других материалов суммарная толщина их стенок (или дна) не должна превышать 10 мм.
9.4 Скорость счета импульсов гамма-спектрометра должна быть максимальной и не превышать 25% по индикатору "мертвое время".
9.5 Время набора одного спектра должно составлять 300, 500 или 1000 с в зависимости от требуемой точности результатов измерений (таблица 1).
9.6 Одному отсчетному каналу по шкале энергий должно соответствовать (75,0 ± 0,2) эВ/канал.
9.7 Энергетическое разрешение (полная ширина на половине высоты, ПШПВ) гамма-спектрометра должно составлять не более 700 эВ по гамма-излучению с энергией 122 кэВ или 860 эВ по гамма-излучению с энергией 185,7 кэВ.
9.8 Допускается проводить измерение обогащения урана в сложных контейнерах или упаковках, состоящих из двух или более контейнеров из различных материалов, например, стали и алюминия, и помещенных друг в друга. При этом необходимо, чтобы толщины материалов этих контейнеров были известны и эквивалентная толщина материалов такого сложного контейнера не превышала 7,5 мм по стали. Расчет эквивалентной толщины проводится по 11.1.5.
9.9 Допускается проводить измерение обогащения урана в отобранных пробах массой от 1 до 50 г, помещенных в контейнеры из стали, алюминия или бюксы из стекла, полиэтилена, тефлона толщиной не более 3 мм.
9.10 Допустимое содержание изотопа 232U в уране должно быть не более (2,5×10-9×Е235)% при радиоактивном равновесии между 232U и продуктом его распада 228Th. Здесь E235 - массовая доля изотопа 238U в уране, %.
9.11 Допускается проводить измерение обогащения в уране с неустановившимся радиоактивным равновесием между 232U и продуктом его распада 228Th, в котором с момента полной очистки от тория прошло не менее 5 месяцев. При этом допускается увеличение допустимого содержания изотопа 232U в уране по 9.10 до значений, указанных в таблице 2.
Таблица 2 - Допустимые значения содержания 232U в уране в зависимости от времени, прошедшего с момента полной очистки урана от тория
|
Время, прошедшее с момента полной очистки урана от тория, месяцы |
Допустимое содержание (232) U в уране, % |
Время, прошедшее с момента полной очистки урана от тория, месяцы |
Допустимое содержание (232) U в уране, % |
|
5 |
1,8 ´ 10-8 ´ Е235 |
12 |
7,5 ´ 10-8 ´ Е235 |
|
6 |
1,5 ´ 10-8 ´ Е235 |
24 |
5,0 ´ 10-8 ´ Е235 |
|
7 |
1,2 ´ 10-8 ´ Е235 |
36 |
3,8 ´ 10-8 ´ Е235 |
|
10 |
1,0 ´ 10-8 ´ Е235 |
48 |
3,2 ´ 10-8 ´ Е235 |
10 Подготовка и выполнение измерений
10.1 Проводят подготовку гамма-спектрометра к работе в соответствии с его "Руководством по эксплуатации" и "Руководством пользователя программного обеспечения".
10.2 Перед проведением серии рабочих измерений проводят контроль точности результатов измерений массовой доли 235U в уране в соответствии с 11.3, 13.3 с использованием стандартных образцов по 5.4. При этом рекомендуется выбирать ГСО (при отсутствии ГСО допускается использовать ОСО или СОП) с массовой долей 235U в диапазоне от 2,0 до 40,0%. При получении положительных результатов контроля приступают к рабочим измерениям.
10.3 Устанавливают анализируемый образец на детектор или помещают детектор вблизи анализируемого образца (контейнера с анализируемой пробой).
10.4 Запускают режим "тестовое измерение" - набор тестовых спектров.
10.5 Меняют расстояние между детектором и анализируемой пробой таким образом, чтобы скорость счета импульсов гамма-спектрометра была максимальной и, при которой загрузка спектрометрического тракта не должна превышать 25% по индикатору "мертвое время".
10.6 Во время проведения измерений контролируют положение пиков при энергиях ~ 63,1 и 185,7 кэВ, принадлежащих соответственно 234Th и 235U. Максимумы пиков должны находиться соответственно в каналах (844 ± 1) и (2476 ± 5). Если это условие не выполняется, регулируют усиление спектрометрического тракта в соответствии с "Руководством по эксплуатации". Энергетическое разрешение (полная ширина на половине высоты, ПШПВ) спектрометра по пику 185,7 кэВ не должно превышать 860 эВ.
10.7 Выполняют измерения массовой доли 235U в анализируемой пробе согласно "Руководству пользователя программного обеспечения".
11 Обработка результатов измерений
11.1 Проведение корректировки результатов измерений
11.1.1 Проводят корректировку результатов измерения массовой доли 235U в уране с использованием поправочных коэффициентов в зависимости от толщины стенки контейнера (упаковки). Корректировка проводится для анализируемых образцов урана с массовой долей 235U более 20% при толщине стенки контейнера более 0,5 мм.
11.1.2 Расчет корректированного значения массовой доли 235U в уране с учетом поправочного коэффициента на толщину стенки контейнера проводят по формуле
, (1)
где Еизм - измеренное значение массовой доли 235U, %;
у - поправочный коэффициент на толщину стенки контейнера.
11.1.3 Поправочный коэффициент для контейнера (упаковки) из стали рассчитывают по формулам
- для м.д. 235U в уране в диапазоне от 20% до 40% включительно
, (2)
- для м.д. 235U в уране в диапазоне свыше 40% до 60% включительно
, (3)
- для м.д. 235U в уране в диапазоне свыше 60% до 75% включительно
, (4)
- для м.д. 235U в уране в диапазоне свыше 75%
, (5)
где х - толщина стенки стального контейнера или упаковки, мм.
11.1.4 При измерениях массовой доли 235U в уране, находящемся в контейнерах или упаковках из других материалов, их поглощающие свойства и соответственно толщину характеризуют эквивалентной толщиной по стали, т е. такой толщиной стали, которая ослабляет гамма-излучение с энергией ~ 90 кэВ в такой же степени, как и используемый материал.
11.1.5 Эквивалентная толщина по стали контейнеров или упаковок из других материалов рассчитывается по формуле
, (6)
где Хх - толщина другого (отличного от стали) материала, см;
mFe и mx - массовые коэффициенты ослабления гамма-излучения с энергией ~ 90 кэВ, соответственно сталью и другим материалом, см2/г;
rFe и rx - плотности стали и другого материала, соответственно, г/см3.
11.1.6 Справочные данные для расчета эквивалентной толщины по стали контейнеров (упаковок):
из стали марки
12Х18Н10Т по ГОСТ 5632
,
г/см3;
из алюминия марки
Амг6л по ГОСТ 1583
, по
г/см3;
из стекла листового
силикатного по ГОСТ 21400
,
г/см3;
из полиэтилена низкого
давления по ГОСТ 10354
,
г/см3.
Примечание - Для расчета эквивалентной толщины по стали контейнеров (упаковок) из других материалов используют справочные данные, приведенные в нормативных документах и технической литературе.
11.1.7 При использовании комбинированных контейнеров эквивалентную толщину по стали рассчитывают по формуле
, (7)
и она должна удовлетворять условию по 9.3.
11.2 Проведение проверки приемлемости результатов трех параллельных определений
11.2.1 Проводят проверку приемлемости результатов трех параллельных измерений массовой доли 235U в анализируемой пробе, полученных в условии повторяемости. Вычисляют среднее арифметическое значение результатов трех параллельных измерений массовой доли 235U в уране анализируемой пробы по формуле
, (8)
где Ei - результат i-го параллельного измерения массовой доли 235U в исследуемой пробе, %.
n - число измерений (n=3).
Примечание - При числе измерений n=1 сразу переходят к процедуре оформления результата измерений по разделу 12.
11.2.2 Диапазон
, %,
результатов измерений в относительной форме сопоставляют с критическим
диапазоном
для трех результатов измерений, приведенным в
таблице 1. Если диапазон результатов не превышает критический, то среднее
арифметическое значение результатов трех измерений, рассчитанное по формуле
(8), используют в качестве окончательного результата.
11.2.3 Если диапазон
результатов
, %,
превышает критический диапазон
, то
получают еще три результата измерений.
11.2.4 Диапазон
, %, шести
результатов измерений в относительной форме сопоставляют с критическим
диапазоном
для n=6, приведенным в таблице 3. Если
диапазон результатов не превышает критический, то за результат измерений
принимают среднее арифметическое значение результатов шести параллельных измерений.
Таблица 3 - Критерии проверки приемлемости результатов измерений
|
Время измерения, с |
Диапазон измеряемых массовых долей (235)U в уране, % |
Критический диапазон, CR0,956, % |
Предел воспроизводимости, R (для m = 2 результатов измерений), % |
|
|
n=1 |
n=3 |
|||
|
Толщина стенки контейнера (упаковки) от 0 до 2,0 мм включ. |
||||
|
300 |
От 0,30 до 1,00 включ. |
24,2 |
31,0 |
16,9 |
|
|
Св. 1,00 " 5,00 " |
9,9 |
12,7 |
6,9 |
|
|
" 5,00 " 20,00" |
6,9 |
8,9 |
4,7 |
|
|
" 20,00 " 40,00" |
5,2 |
6,6 |
3,6 |
|
|
" 40,00 " 90,00" |
6,5 |
7,8 |
5,3 |
|
|
" 90,00 " 95,00" |
17,3 |
20,8 |
13,9 |
|
500 |
От 0,30 до 1,00 включ. |
18,5 |
23,8 |
12,7 |
|
|
Св. 1,00 " 5,00 " |
7,7 |
10,0 |
5,3 |
|
|
" 5,00 " 20,00 " |
5,6 |
7,2 |
3,9 |
|
|
" 20,00 " 40,00 " |
3,9 |
5,0 |
2,8 |
|
|
" 40,00 " 90,00 " |
4,7 |
6,1 |
3,3 |
|
|
" 90,00 " 95,00 " |
12,4 |
16,1 |
8,6 |
|
1000 |
От 0,30 до 1,00 включ. |
13,2 |
16,9 |
9,1 |
|
|
Св. 1,00 " 5,00 " |
5,4 |
6,9 |
3,9 |
|
|
" 5,00 " 20,00 " |
3,9 |
5,0 |
2,8 |
|
|
" 20,00 " 40,00 " |
2,8 |
3,6 |
1,9 |
|
|
" 40,00 " 90,00 " |
4,2 |
4,7 |
3,0 |
|
|
" 90,00 " 95,00 " |
10,4 |
11,4 |
7,2 |
|
Толщина стенки контейнера (упаковки) св. 2,0 до 4,0 мм включ. |
||||
|
300 |
От 0,30 до 1,00 включ. |
35,2 |
45,2 |
24,3 |
|
|
Св. 1,00 " 5,00 " |
11,2 |
14,4 |
7,8 |
|
|
" 5,00 " 20,00 " |
8,6 |
11,1 |
6,1 |
|
|
" 20,00 " 40,00 " |
6,6 |
8,6 |
4,7 |
|
|
" 40,00 " 90,00 " |
8,0 |
9,1 |
5,5 |
|
|
" 90,00 " 95,00 " |
19,8 |
22,7 |
13,9 |
|
500 |
От 0,30 до 1,00 включ. |
27,1 |
34,9 |
18,8 |
|
|
Св. 1,00 " 5,00 " |
8,6 |
11,1 |
6,1 |
|
|
" 5,00 " 20,00 " |
6,6 |
8,6 |
4,7 |
|
|
" 20,00 " 40,00 " |
6,4 |
7,2 |
4,4 |
|
|
" 40,00 " 90,00 " |
7,4 |
9,7 |
5,0 |
|
|
" 90,00 " 95,00 " |
15,3 |
17,7 |
10,5 |
|
1000 |
От 0,30 до 1,00 включ. |
19,2 |
24,7 |
13,3 |
|
|
Св. 1,00 " 5,00 " |
6,0 |
7,8 |
4,2 |
|
|
" 5,00 " 20,00 " |
4,7 |
6,1 |
3,3 |
|
|
" 20,00 " 40,00 " |
3,6 |
4,7 |
2,5 |
|
|
" 40,00 " 90,00 " |
7,3 |
9,7 |
5,0 |
|
|
" 90,00 " 95,00 " |
10,6 |
12,5 |
7,2 |
|
Толщина стенки контейнера (упаковки) св. 4,0 до 6,0 мм включ |
||||
|
300 |
От 0,40 до 1,00 включ. |
40,2 |
51,8 |
28,0 |
|
|
Св. 1,00 " 5,00 " |
20,3 |
24,4 |
14,1 |
|
|
" 5,00 " 20,00 " |
12,8 |
15,5 |
9,1 |
|
|
" 20,00 " 40,00 " |
10,3 |
12,5 |
7,2 |
|
|
" 40,00 " 90,00 " |
11,0 |
14,1 |
7,8 |
|
|
" 90,00 " 95,00 " |
18,7 |
24,1 |
13,3 |
|
500 |
От 0,40 до 1,00 включ. |
31,7 |
41,8 |
21,9 |
|
|
Св. 1,00 " 5,00 " |
15,3 |
17,5 |
10,5 |
|
|
" 5,00 " 20,00 " |
10,4 |
12,7 |
7,5 |
|
|
" 20,00 " 40,00 " |
7,4 |
9,4 |
5,0 |
|
|
" 40,00 " 90,00 " |
8,5 |
10,8 |
5,8 |
|
|
" 90,00 " 95,00 " |
14,6 |
18,6 |
10,2 |
|
1000 |
От 0,40 до 1,00 включ. |
26,2 |
35,5 |
18,3 |
|
|
Св. 1,00 " 5,00 " |
10,4 |
13,3 |
7,2 |
|
|
" 5,00 " 20,00 " |
6,9 |
8,9 |
4,7 |
|
|
" 20,00 " 40,00 " |
5,2 |
6,6 |
3,6 |
|
|
" 40,00 " 90,00 " |
6,0 |
7,8 |
4,2 |
|
|
" 90,00 " 95,00 " |
10,8 |
13,3 |
7,5 |
|
Толщина стенки контейнера (упаковки) св. 6,0 до 7,5 мм включ. |
||||
|
300 |
От 0,40 до 1,00 включ. |
48,5 |
62,3 |
33,8 |
|
|
Св. 1,00 " 5,00 " |
23,1 |
29,4 |
16,1 |
|
|
" 5,00 " 20,00 " |
18,5 |
22,2 |
13,0 |
|
|
" 20,00 " 40,00 " |
14,0 |
18,0 |
9,7 |
|
|
" 40,00 " 90,00 " |
16,0 |
20,5 |
11,1 |
|
|
" 90,00 " 95,00 " |
22,3 |
26,3 |
15,5 |
|
500 |
От 0,40 до 1,00 включ. |
37,3 |
47,9 |
26,0 |
|
|
Св. 1,00 " 5,00 " |
17,8 |
21,9 |
13,0 |
|
|
" 5,00 " 20,00 " |
14,0 |
18,0 |
9,7 |
|
|
" 20,00 " 40,00 " |
10,8 |
13,9 |
7,5 |
|
|
" 40,00 " 90,00 " |
12,3 |
15,8 |
8,6 |
|
|
" 90,00 " 95,00 " |
17,5 |
21,9 |
12,2 |
|
1000 |
От 0,40 до 1,00 включ. |
28,9 |
37,1 |
19,9 |
|
|
Св. 1,00 " 5,00 " |
13,5 |
17,5 |
9,4 |
|
|
" 5,00 " 20,00 " |
9,4 |
12,2 |
6,6 |
|
|
" 20,00 " 40,00 " |
7,7 |
10,0 |
5,3 |
|
|
" 40,00 " 90,00 " |
8,6 |
11,1 |
6,1 |
|
|
" 90,00 " 95,00 " |
11,1 |
14,7 |
7,8 |
11.2.5 Если диапазон
, %, шести
результатов измерений превышает критический диапазон
, то за
результат измерений принимают медиану результатов шести измерений. В данном
случае, полученные результаты шести измерений упорядочивают по возрастанию и за
результат измерения принимают медиану упорядоченного ряда по формуле
, (9)
где Е3 и Е4 - третий и четвертый члены упорядоченного ряда, %.
11.3 Проверка приемлемости результатов измерений, полученных в условиях воспроизводимости
11.3.1 При необходимости (например, в случае, если результаты измерений проверяет контролирующий орган, или, если результат измерений подвергается сомнению) проводят проверку приемлемости результатов измерений, полученных в условиях воспроизводимости (двумя лабораториями, разными приборами одного типа). При этом анализируемые пробы (анализируемые образцы) для выполнения измерений должны быть одними и теми же. Число параллельных измерений в каждой лаборатории (или на каждом приборе) должно быть равным 3. Каждая лаборатория проводит проверку приемлемости своих результатов измерений по 11.2 и получает результат измерений в условиях повторяемости.
11.3.2 Совместимость окончательных результатов, полученных двумя лабораториями, проверяют, сравнивая относительное расхождение между двумя результатами измерений с критической разностью CD0,95, которую рассчитывают с использованием следующих алгоритмов
а) В случае, если обе лаборатории получили свой результат измерений как среднее арифметическое (n1=n2=3), критическая разность CD0,95 равна
(10)
б) В случае, если одна лаборатория получила свой результат измерений как среднее арифметическое (n1=3), а другая - как медиану (n2=6), критическая разность CD0,95 равна
(11)
в) В случае, если обе лаборатории получили свой результат измерений как медиану (n1=n2=6), критическая разность CD0,95 равна
, (12)
где - c(n) - это отношение стандартного отклонения медианы к стандартному отклонению среднего арифметического значения (при n=6, c(n)=1,135);
R - предел воспроизводимости (таблица 2).
11.3.3 В случае, когда относительное расхождение между двумя результатами измерений превышает критическую разность CD0,95, рассчитанную по формулам (10), (11), (12), результаты, полученные двумя лабораториями считают несовместимыми. В этом случае разрешение противоречий проводят следующим образом. Каждая лаборатория анализирует один и тот же стандартный образец (ГСО, ОСО или СОП по 5.4), близкий по массовой доле 235U к содержанию в измеряемой пробе. Далее проводят анализ деятельности лабораторий с целью определения наличия и значения систематической составляющей погрешности для каждой из лабораторий. Значение систематической составляющей погрешности в относительной форме, %, для каждой из лабораторий рассчитывают по формуле
, (13)
где Еизм и Еатт - измеренная и аттестованная массовая доля 235U в стандартном образце, соответственно, %.
11.3.4 Значения
сопоставляют со значением относительной
систематической составляющей погрешности измерений,
,
приведенной в таблице 1, для соответствующего значения массовой доли 235U в
уране, времени измерения и толщины контейнера (упаковки). Если выполняется
неравенство
результат измерений, полученный в данной
лаборатории считается правильным. Если
, то
результат измерений, полученный в данной лаборатории считается неправильным. В
этом случае, выясняют причины получения неправильных результатов в данной
лаборатории и устраняют их. В случае необходимости, можно прибегнуть к помощи
референтной лаборатории.
11.4 Допускается проводить измерение массовой доли 235U в уране и его соединениях при времени измерения и числе параллельных измерений, отличных от регламентированных в данной МВИ при условии расчета новых характеристик погрешности МВИ. Алгоритм расчета, приписываемых МВИ, новых характеристик погрешности результата измерения, приведен в приложении А. Для применения на практике, новые установленные приписанные характеристики погрешности МВИ, оформленные в виде "изменения" (дополнения) к МВИ, должны пройти экспертизу в ФГУП ВО "Безопасность" и допущены к применению в установленном порядке.
12 Оформление результатов измерений
Результат измерения массовой доли 235U в уране анализируемой пробы округляют до второго десятичного знака и представляют в абсолютной форме в виде
%; Р=0,95; n; h; t,
где Е - результат измерений массовой доли 235U в уране анализируемой пробы, %;
- границы абсолютной погрешности измерений
массовой доли 235U
при n=3 или n=1 для соответствующей точки диапазона
измерений, %;
d - границы относительной погрешности измерений массовой доли 235U при n=3 или n=1, приведенные в таблице 1 для соответствующей точки диапазона измерений, % (берется для диапазона массовой доли 235U, которому принадлежит результат измерения Е);
Р - доверительная вероятность, с которой установлены границы погрешности измерений определяемого параметра, Р=0,95;
n - число параллельных определений;
h - толщина стенки контейнера (упаковки), мм;
t - время измерений, с.
Пример - результат измерений массовой доли 235U в уране анализируемой пробы при n=3 параллельных определениях, толщине стенки контейнера 1 мм и времени измерения 300 с представляют в абсолютной форме в виде
(35,52 +- 0,85)%; Р=0,95; n=3; h=1 мм; t=300 с.
13 Контроль точности результатов измерений
13.1 Контроль точности результатов измерений проводят перед каждой серией измерений в соответствии с требованиями раздела 6 ГОСТ Р ИСО 5725-6.
13.2 Контроль стабильности показателя правильности проводят с использованием контрольных карт (КК) Шухарта по ГОСТ Р 50779.42.
13.3 Контроль стабильности показателя правильности измерений проводят в следующей последовательности.
13.3.1 В качестве образцов для контроля используют ГСО (при отсутствии ГСО допускается использовать ОСО или СОП) изотопного состава урана, указанные в 5.4. Выбирают три СО с аттестованной массовой долей 235U, соответствующей началу, середине и концу диапазона измерений по данной МВИ.
13.3.2 В условиях повторяемости, в соответствии с разделами 10 и 11, получают результат измерений определяемого параметра Ejk на j-ом образце для контроля (с порядковым номером контрольного измерения (k)) при числе параллельных определений n=3.
13.3.3 Рассчитывают оценку систематической погрешности для j-го образца для контроля Dcjk, с порядковым номером контрольного измерения (k) по формуле
, (14)
где Ejатт - аттестованное значение массовой доли изотопа 235U в j-ом образце для контроля.
13.3.4 Рассчитывают текущее расхождение Wjk по формуле
, (15)
где k - порядковый номер контрольного измерения.
13.3.5 Рассчитанные по формулам (14) и (15) значения наносят на контрольные карты Шухарта - карту оценки систематической погрешности (Х-карта) и карту текущих расхождений.
13.3.6 Параметры контрольных карт
Х-карта:
Средняя линия - нулевая или равна нулю.
Пределы действия:
верхняя граница,
;
нижняя граница,
;
Пределы предупреждения:
верхняя граница,
;
нижняя граница,
;
Карта текущих расхождений:
Средняя линия
;
Пределы действия:
верхняя граница,
;
нижняя граница,
- отсутствует;
Пределы предупреждения:
верхняя граница,
;
нижняя граница,
- отсутствует.
Примечание - В таблице 1 приведено СКО воспроизводимости sR, выраженное в относительных единицах (%). Для расчета параметров контрольных карт используют СКО воспроизводимости, sRабс, выраженное в абсолютных единицах. Его определяют по формуле
. (16)
13.3.7 Если очередная точка Dcjk или Wjk находится внутри пределов предупреждения, то процедуру анализа признают удовлетворительной.
13.3.8 Если очередная точка Dcjk или Wjk попала между пределами предупреждения и пределами действия, то контрольную процедуру повторяют. При повторном появлении указанной ситуации процесс анализа приостанавливают, выясняют и устраняют причины появления неудовлетворительных результатов контроля.
13.3.9 Если очередная точка Dcjk или Wjk попала за границу пределов действия, то контрольную процедуру повторяют. Повторение указанной ситуации служит предупреждением о выходе процесса измерения из состояния статистической управляемости. В этом случае качество процедуры измерений признают неудовлетворительным, процесс измерений приостанавливают, выясняют и устраняют причины появления неудовлетворительных результатов контроля.
13.3.10 Пример построения контрольной карты приведен в приложении Б.
(рекомендуемое)
Установление приписанных характеристик погрешности результатов измерения массовой доли 235U в уране гамма-спектрометрическим методом.
А.1 Установление приписанных характеристик погрешности МВИ и ее составляющих проводят в соответствии с РМГ 61.
А.2 Для установления новых приписанных характеристик погрешности измерений по данной МВИ, проводят измерения массовой доли 235U в уране по стандартным образцам (СО) с аттестованной массовой долей 235U, близкой к началу, середине и концу диапазона измерений по данной МВИ, в соответствии с разделом 5 МВИ. Число СО выбирают с учетом числа поддиапазонов, на которые разбит диапазон действия МВИ (или на требуемый для работы диапазон измерений).
А.3 На стандартных образцах получают L серий измерений по N результатов измерений в каждой серии. Каждую серию измерений получают в различных условиях (разные приборы одного и того же типа, разное время, разные операторы и т.д.), при этом в пределах одной серии результаты измерений получают в условиях повторяемости (в пределах короткого интервала времени, одним оператором, на одном и том же приборе).
Примечание - Рекомендуется получить не менее L = 5 серий измерений по N = 10 измерений (параллельных определений) в каждой серии.
А.4 Оценка показателей прецизионности (повторяемости и воспроизводимости) МВИ
А.4.1 Оценка показателя повторяемости МВИ
А.4.1.1 По каждой
серии рассчитывают среднее арифметическое Xml и выборочную дисперсию
результатов измерений массовой доли U235 в m-ом СО,
полученных в условиях повторяемости
, (A.1)
. (A.2)
A.4.1.2 На основе
полученных значений L выборочных дисперсий
, _,
в m-ом СО, проверяют гипотезу о равенстве L
дисперсий, используя критерий Кохрена.
Значение критерия Кохрена Gm(max) рассчитывают по формуле
(A.3)
и сравнивают его с табличным значением этого критерия Gтабл. Для числа степеней свободы n=N-1, соответствующего максимальной дисперсии, и f=L, соответствующего числу суммируемых дисперсий, и принятой доверительной вероятности Р = 0,95. При L=5, N=10Gтабл=0,4241.
Примечание - Значения Gтабл при других значениях L и N приведены в РМГ 61, таблицах по математической статистике.
Если
, то
соответствующее
из дальнейших расчетов исключают и процедуру
повторяют для следующего по значению
и т.д. до тех пор, пока Gm(max)
не станет меньше либо равно Gтабл.
А.4.1.3 Не исключенные
из расчетов
считают однородными и по ним оценивают
средние квадратические отклонения (далее - СКО), характеризующие повторяемость
результатов единичного измерения (параллельных определений), полученных для
массовой доли U235,
соответствующей массовой доле U235
в m-ом СО. Эти СКО - Srm рассчитывают по
формуле
, (А.4)
где в числе слагаемых нет отброшенных значений.
А.4.1.4 Показатель повторяемости МВИ в виде СКО - srm для массовой доли U235, соответствующей массовой доле U235 в m-ом СО, устанавливают, принимая равным Srm
. (A.5)
А.4.1.5 Показатель повторяемости МВИ в виде критического диапазона - CR0,95 для массовой доли U235, соответствующей массовой доле U235 в m-ом СО, рассчитывают по формуле
, (A.6)
где n - число параллельных определений, предусмотренных МВИ для получения результата измерений,
Q(P, n)=2,77 при n=2, P=0,95;
Q(P, n)=3,31 при n=3, P=0,95;
Q(P, n)=3,63 при n=4, P=0,95;
Q(P, n)=3,86 при n=5, P=0,95;
Q(P, n)=4,0 при n=6, P=0,95.
А.4.2 Оценка показателя воспроизводимости МВИ
А.4.2.1 Рассчитывают выборочное СКО результатов измерений m-го СО, полученных в условиях воспроизводимости, SRm по формуле
, m=1,...,M, (A.7)
где Xm - общее среднее значение результатов измерений, полученных в условиях воспроизводимости.
Xm рассчитывают по формуле
. (A.8)
А.4.2.2 Оценка показателя воспроизводимости МВИ
Показатель воспроизводимости МВИ в виде СКО - SRm для массовой доли U235, соответствующей массовой доле U235 в m-ом СО, устанавливают, принимая равным SRm
. (A.9)
Показатель воспроизводимости МВИ в виде предела воспроизводимости - Rm для массовой доли U235, соответствующей массовой доле U235 в m-ом СО, рассчитывают по формуле
, (A.10)
где Q(P, 2)=2,77 при P=0,95.
А.5 Оценка показателя правильности МВИ
А.5.1 Рассчитывают оценку математического ожидания систематической погрешности МВИ - Qm как разность между средним значением результатов измерений Xm и аттестованным значением m-го СО - Cm
. (A.11)
А.5.2 Проверяют значимость вычисленных значений Qm по критерию Стьюдента. Для этого рассчитывают значение t-критерия для m-го СО - tm по формуле
, (A.12)
где
- дисперсия, характеризующая разброс средних
арифметических значений результатов единичного анализа Xml, полученных для l-й серии, относительно
среднего значения результатов анализа Xm;
D0 - абсолютная погрешность аттестованного значения m-го СО.
А.5.3 Полученное значение tm сравнивают с tтабл при числе степеней свободы f=L-1 для доверительной вероятности Р=0,95. При L=5 и Р=0,95 значение tтабл=2,78.
Примечание - Значения tтабл при других значениях L и Р приведены в РМГ 61, таблицах по математической статистике.
А.5.4 Если tm£tтабл, то оценка систематической погрешности незначима на фоне случайного разброса, и в этом случае ее принимают равной нулю (Qm=0).
А.5.5 При незначимости Q показатель правильности МВИ [верхнюю (Dc.в.m.) и нижнюю (Dc.н.m) границы, в которых неисключенная систематическая погрешность МВИ (для массовой доли U235, соответствующей массовой доле U235 в m-ом СО) находится с принятой вероятностью P=0,95рассчитывают по формуле
, (A.13)
А.6 Оценка показателя точности МВИ
А.6.1 Верхнюю (Dв.m) и нижнюю (Dн.m) границы, в которых погрешность результата измерений (для массовой доли U235, соответствующей массовой доле U235 в m-ом СО) находится с принятой вероятностью Р = 0,95, рассчитывают по формуле
. (A.14)
А.6.2 Для каждого из поддиапазонов измерений массовой доли U235 в уране по данной МВИ устанавливают свои значения погрешности и ее составляющих в относительной форме.
(рекомендуемое)
Построение контрольных карт Шухарта
Б.1 Применение контрольных карт Шухарта основано на сопоставлении результатов контрольных процедур (в данном случае Dcjk или Wjk) с установленными нормативами контроля: пределами действия и пределами предупреждения.
Б.2 Для контроля стабильности показателя правильности измерений используют контрольные карты Шухарта - х-карту и карту текущих расхождений (w).
Б.3 Для построения х-карты и карты текущих расхождений необходимо знать приписанную характеристику погрешности методики выполнения измерений, установленную при ее аттестации - среднее квадратическое отклонение (СКО) воспроизводимости результатов измерений sRабс при числе параллельных измерений n=3.
Б.4 Параметры контрольной карты (среднюю линию, пределы действия, пределы предупреждения) рассчитывают с использованием нормированных коэффициентов, зависящих от числа параллельных измерений и приведенных в ГОСТ Р ИСО 5725-6. Формулы для расчета параметров контрольных карт приведены в разделе 13 данной МВИ. Для расчета параметров контрольных карт, СКО воспроизводимости, приведенное в таблице 1 переводят в абсолютные единицы по формуле (16).
Примечание - СКО воспроизводимости, приведенное в таблице 1, зависит от измеряемой величины массовой доли U235, толщины стенки контейнера (упаковки) и времени измерений, поэтому для каждого образца для контроля в зависимости от условий измерений, будут свои параметры контрольных карт.
Б.5 Требования к проведению контрольных измерений аналогичны требованиям к проведению измерений рабочих проб, установленным в соответствующих разделах методики выполнения измерений. Измерения проводят с использованием стандартных образцов по 5.4. При этом рекомендуется выбирать ГСО (при отсутствии ГСО допускается использовать ОСО или СОП) с массовой долей 235U в диапазоне от 2,0 до 40,0%. Толщина окна упаковки стандартного образца приведена в паспорте на стандартный образец. Рекомендуемое время измерений - 500 с.
Примечание - При необходимости, руководитель лаборатории может принять решение о контроле точности измерений с помощью контрольных карт при другом времени измерений.
Б.6 Данные, необходимые для построения контрольной карты представляют в виде таблицы.
Б.6.1 Пример заполнения таблицы для построения контрольных карт
Таблица Б.1
|
Лаборатория |
Лаборатория А |
||||||
|
Методика выполнения измерений |
МВИ 223.13.17.105/2006 |
||||||
|
Период заполнения контрольной карты |
15.01.2006-15.03.2006 |
||||||
|
Образец для контроля (ГСО, ОСО или СОП) |
ОСО 95 890-2004 |
||||||
|
Толщина стенки контейнера, мм |
1,5 |
||||||
|
Время измерений, с |
500 |
||||||
|
Аттестованное значение массовой доли изотопа (235)U в образце для контроля, Е атт, % |
3,5348 |
||||||
|
Контрольная карта |
Х-карта |
Карта текущих расхождений |
|||||
|
Пределы предупреждения (ПП): |
|
|
|||||
|
- верхний |
0,0919 |
0,1594 |
|||||
|
- нижний |
-0,0919 |
отсутствует |
|||||
|
Пределы действия (ПД): |
|
|
|||||
|
- верхний |
0,1379 |
0,2003 |
|||||
|
- нижний |
-0,1379 |
отсутствует |
|||||
|
Средняя линия |
0 |
0,0777 |
|||||
|
N контрольного измерения k |
Результат контрольного измерения, Еk, % |
Результат контрольной процедуры |
Выводы о несоответствии результата контрольной процедуры пределам действия или предупреждения |
Примечание |
|||
|
Оценка систематической погрешности dс=Еk-Еатт,% |
Текущее расхождение w =|d ck+1 - d ck|, % |
Х-карта (dс) |
Карта текущих расхождений (W) |
||||
|
1 |
3,4338 |
-0,101 |
0,0776 |
Сверх ПП |
- |
|
|
|
2 |
3,5114 |
-0,0234 |
0,0908 |
- |
- |
|
|
|
3 |
3,4206 |
-0,1142 |
0,1345 |
Сверх ПП |
- |
|
|
|
4 |
3,5551 |
0,0203 |
0,1684 |
- |
Сверх ПП |
|
|
|
5 |
3,3867 |
-0,1481 |
0,2044 |
Сверх ПД |
Сверх ПД |
|
|
|
6 |
3,5911 |
0,0563 |
0,1316 |
- |
- |
|
|
|
7 |
3,4595 |
-0,0753 |
0,0839 |
- |
- |
|
|
|
8 |
3,5434 |
0,0086 |
0,0552 |
- |
- |
|
|
|
9 |
3,4882 |
-0,0466 |
0,0479 |
- |
- |
|
|
|
10 |
3,5361 |
0,0013 |
|
- |
|
|
|
Б.7 Строят контрольную карту в виде графика. По оси абсцисс откладывают номер контрольной процедуры, фиксируя при этом данные, характеризующие измерения (дату проведения измерений, фамилию оператора и т.п.). По оси ординат откладывают результат контрольной процедуры, рассчитанный по формулам (14), (15).
Б.8 Вид контрольных карт
Х-карта:

Б.8 Контрольные карты ведет сотрудник лаборатории, выполняющий измерения.
Б.9 Контроль за ведением контрольных карт осуществляет начальник лаборатории.
(обязательное)
|
Рисунок (герб) 0121
ФЕДЕРАЛЬНОЕ АГЕНТСТВО ПО ТЕХНИЧЕСКОМУ РЕГУЛИРОВАНИЮ И МЕТРОЛОГИИ
Государственный научный метрологический центр ФГУП "Уральский научно-исследовательский институт метрологии"
СВИДЕТЕЛЬСТВО
N 223.13.17.104/2006
Методика выполнения измерений массовой доли изотопов плутония и изотопа ________________________________________________ наименование измеряемой величины; объекта и метода измерений америций-241 в плутоний спектрометрическим методом с использованием гамма- ____________________________________________________________________________ спектрометра U-Pu InSpector _________________________________________________________________________
разработанная Федеральной службой по экологическому, технологическому и атомному ________________________________________________________________ наименование организации (предприятия), разработавшей МВИ надзору и ФГУП "ВНИИНМ им. А.А. Бочвара"
и регламентированная в МВИ 223.13.17.104/2006 ГСИ. Уран и его соединения. Методика ________________________________________________________ обозначение и наименование документа выполнения измерений массовых долей изотопов плутония и изотопа америций-241 в ____________________________________________________________________________ плутоний гамма-спектрометрическим методом с использованием гамма-спектрометра ____________________________________________________________________________ U-Pu InSpector
аттестована в соответствии с ГОСТ Р 8.563.
Аттестация осуществлена по результатам метрологической экспертизы материалов по __________________________________________ разработке МВИ ____________________________________________________________________________ вид работ: метрологическая экспертиза материалов по разработке МВИ, теоретическое или экспериментальное исследование МВИ, другие виды работ В результате аттестации установлено, что МВИ соответствует предъявляемым к ней метрологическим требованиям и обладает следующими основными метрологическими характеристиками, приведенными в приложении. диапазон измерений, характеристики погрешности измерений (неопределенность измерений) и (или) характеристики составляющих погрешности (при необходимости – нормативы контроля)
Приложение: метрологические характеристики МВИ на 3 листах.
Зам. директора по научной работе С.В. Медведевских
Зав. лабораторией Г.И. Терентьев
Дата выдачи: 03.2006 г.
Срок действия: 03.2011 г. МП:
Россия, 620000, г. Екатеринбург, ул. Красноармейская, 4 тел.: (343) 350-26-18, факс: (343) 350-20-39, E-mail: uniim@uniim.ru
|
Приложение
к свидетельству
N 223.13.17.104/2006
Метрологические характеристики
МВИ 223.13.17.104/2006 "ГСИ. Плутоний и его соединения. Методика
выполнения измерений массовых долей изотопов плутония и изотопа америций-241 в
плутонии гамма-спектрометрическим методом с использованием гамма-спектрометра
U-Pu InSpector"
Приписанные характеристики погрешности - среднее квадратическое отклонение (СКО) повторяемости sr, СКО воспроизводимости sR при числе параллельных определений n=1 и n=3, систематическая составляющая погрешности dC, границы погрешности измерений d при n=1 и n=3 в относительной форме, %, при доверительной вероятности Р=0,95, времени измерения 300, 500 и 1000 с и толщинах стенок стального контейнера от 0 до 10 мм приведены в таблицах 1 - 3.
Таблица 1 - Характеристики погрешности измерений при времени измерения 300 с для толщины стенки контейнера из стали от 0 до 10 мм
|
Изотоп |
Диапазон измеряемых массовых долей, % |
sR, % (СКО повторяемости) |
sR, % (СКО воспроизводимости) |
dC, % |
d, % |
||
|
n=1 |
n=3 |
n=1 |
n=3 |
||||
|
(238) Pu |
От 0,040 до 0,200 включ. |
3,1 |
6,0 |
3,1 |
2,2 |
14,2 |
7,5 |
|
Св. 0,200 до 1,000 " |
1,4 |
2,6 |
1,4 |
0,9 |
6,1 |
3,4 |
|
|
" 1,000 " 2,000 " |
0,9 |
1,2 |
0,9 |
0,3 |
4,7 |
2,2 |
|
|
(238) Pu |
От 60,00 до 70,00 включ. |
0,6 |
0,9 |
0,6 |
0,8 |
4,9 |
2,8 |
|
Св. 70,00 " 80,00 " |
0,3 |
0,5 |
0,3 |
0,6 |
2,6 |
1,4 |
|
|
" 80,00 " 90,00 " |
0,2 |
0,4 |
0,2 |
0,4 |
1,8 |
1,0 |
|
|
" 90,00 " 97,50 " |
0,2 |
0,2 |
0,1 |
0,1 |
0,6 |
0,3 |
|
|
(240) Pu |
От 2,50 до 3, 50 включ. |
4,9 |
11,0 |
7,3 |
1,5 |
21,4 |
14,3 |
|
Св. 3,50 " 6,00 " |
1,8 |
4,0 |
2,7 |
1,0 |
7,8 |
5,2 |
|
|
" 6,00" 10,00 " |
1,5 |
3,4 |
2,3 |
1,0 |
6,6 |
4,5 |
|
|
" 10,00" 20,00 " |
1,2 |
2,7 |
1,8 |
0,9 |
5,3 |
3,6 |
|
|
" 20,00" 25,00 " |
0,8 |
1,9 |
1,3 |
0,7 |
3,7 |
2,5 |
|
|
(241) Pu |
От 0,010 до 0,100 включ. |
3,0 |
5,9 |
3,1 |
2,0 |
13,9 |
7,4 |
|
Св. 0,100 " 1,000 " |
1,5 |
3,5 |
2,3 |
1,2 |
6,9 |
4,6 |
|
|
" 1,000 " 5,000 " |
1,3 |
2,6 |
1,3 |
1,1 |
6,0 |
3,2 |
|
|
" 5,000 " 10,000 " |
0,8 |
2,3 |
1,2 |
1,0 |
3,9 |
2,7 |
|
|
(241) Am |
От 0,002 до 0,010 включ. |
8,5 |
19,0 |
12,7 |
2,2 |
37,1 |
24,8 |
|
Св. 0,010 " 0,030 " |
5,0 |
9,0 |
5,0 |
2,1 |
21,4 |
12,0 |
|
|
" 0,030" 0,100 " |
2,8 |
5,3 |
2,8 |
1,8 |
12,7 |
6,7 |
|
|
" 0,100 " 0,500 " |
1,3 |
3,0 |
2,0 |
1,2 |
5,9 |
4,0 |
|
|
" 0,500 " 3,000 " |
1,0 |
1,4 |
1,2 |
0,9 |
5,5 |
2,9 |
|
|
" 3,000 и выше |
0,5 |
1,0 |
0,7 |
0,4 |
2,0 |
1,4 |
|
Зав. лабораторией ГНМЦ ФГУП "УНИИМ" Г.И. Терентьев
Дата выдачи свидетельства: 03.2006 г.
Срок действия свидетельства: 03.2011 г.
Текст приводится в соответствии с источником
Таблица 3 - Характеристики погрешности измерений при времени измерения 1000 с для толщины стенки контейнера из стали от 0 до 10 мм
|
Изотоп |
Диапазон измеряемых массовых долей, % |
sR, % (СКО повторяемости) |
sR, % (СКО воспроизводимости) |
dC, % |
d, % |
||
|
n=1 |
n=3 |
n=1 |
n=3 |
||||
|
(238) Pu |
От 0,040 до 0,040 включ. |
9,0 |
20,2 |
13,5 |
2,4 |
39,4 |
26,2 |
|
Св. 0,040 до 0,200 " |
1,1 |
2,4 |
1,6 |
1,5 |
4,8 |
3,4 |
|
|
" 0,200 " 1,000 " |
0,6 |
1,4 |
0,9 |
0,3 |
2,7 |
1,8 |
|
|
" 1,000 " 2,000 " |
0,3 |
0,6 |
0,4 |
0,2 |
1,2 |
0,6 |
|
|
(238) Pu |
От 60,00 до 70,00 включ. |
0,2 |
0,5 |
0,3 |
0,2 |
1,0 |
0,7 |
|
Св. 70,00 " 80,00 " |
0,1 |
0,3 |
0,2 |
0,1 |
0,6 |
0,4 |
|
|
" 80,00 " 90,00 " |
0,1 |
0,2 |
0,1 |
0,1 |
0,4 |
0,3 |
|
|
" 90,00 " 97,50 " |
0,03 |
0,1 |
0,1 |
0,1 |
0,2 |
0,2 |
|
|
(240) Pu |
От 2,50 до 3, 50 включ. |
2,0 |
4,5 |
3,0 |
1,5 |
8,8 |
6,0 |
|
Св. 3,50 " 6,00 " |
0,6 |
1,3 |
0,9 |
1,0 |
2,7 |
1,9 |
|
|
" 6,00 " 10,00 " |
0,5 |
1,0 |
0,7 |
0,7 |
2,0 |
1,5 |
|
|
" 10,00 " 20,00 " |
0,3 |
0,6 |
0,4 |
0,5 |
1,3 |
0,9 |
|
|
" 20,00 " 25,00 " |
0,2 |
0,5 |
0,3 |
0,5 |
1,1 |
0,8 |
|
|
(241) Pu |
От 0,010 до 0,100 включ. |
0,7 |
2,6 |
1,8 |
2,0 |
5,7 |
4,3 |
|
Св. 0,100 " 1,000 " |
0,5 |
2,0 |
1,2 |
2,0 |
4,3 |
3,3 |
|
|
" 1,000 " 5,000 " |
0,4 |
1,2 |
1,0 |
1,5 |
3,9 |
2,8 |
|
|
" 5,000 " 10,000 " |
0,4 |
1,0 |
0,9 |
1,5 |
3,1 |
2,0 |
|
|
(241) Am |
От 0,002 до 0,010 включ. |
3,9 |
8,7 |
5,8 |
1,5 |
16,9 |
11,3 |
|
Св. 0,010 " 0,030 " |
2,0 |
4,0 |
2,0 |
1,1 |
9,4 |
4,7 |
|
|
" 0,030" 0,100 " |
1,2 |
2,4 |
1,2 |
0,9 |
5,7 |
3,0 |
|
|
" 0,100 " 0,500 " |
0,6 |
1,4 |
0,9 |
0,7 |
2,8 |
1,9 |
|
|
" 0,500 " 3,000 " |
0,3 |
0,7 |
0,5 |
0,5 |
1,4 |
1,2 |
|
|
" 3,000 и выше |
0,3 |
0,6 |
0,4 |
0,4 |
1,2 |
0,9 |
|
Зав. лабораторией ГНМЦ ФГУП "УНИИМ" Г.И. Терентьев
Дата выдачи свидетельства: 03.2006 г.
Срок действия свидетельства: 03.2011 г.
|
Согласовано |
|
|
|
|
|
Зам. директора ФГУП "УНИИМ" |
С.В. Медведевских |
|
|
|
|
Утверждаю |
|
|
|
|
|
Начальник Управления Федеральной службы по экологическому, технологическому и атомному надзору |
В.С. Беззубцев |
|
|
|
|
7 апреля 2006 г. |
|
|
|
|
|
Директор отделения ФГУП ВНИИМ им. А.А. Бочвара |
В.С. Руденко |
|
|
|
|
3 апреля 2006 г. |
|
Государственная система обеспечения
единства измерений
"Плутоний и его соединения. Методика выполнения измерений массовых долей
изотопов плутония и изотопа америций-241 в плутонии гамма-спектрометрическим
методом с использованием гамма-спектрометра U-Pu InSpector"
МВИ 223.13.17.104/2006
(утв. Управлением Федеральной службы по экологическому, технологическому и атомному надзору и отделением ФГУП "ВНИИМ им. А.А. Бочвара")
Дата
введения - 2006 -
МВИ 223.13.17.104/2006
Предисловие
1 Разработана ФГУП "ВНИИНМ им. А.А. Бочвара"
Ведущий научный сотрудник, к.т.н.
/подпись/ Т.К. Рагимов
"__" __________ 2006 г.
Старший научный сотрудник, к.т.н.
/подпись/ В.И. Тимошин
"__" __________ 2006 г.
Научный сотрудник
/подпись/ A.H. Сиротинин
"__" __________ 2006 г.
Инженер
/подпись/ А.А. Самойлов
"__" __________ 2006 г.
Федеральной службой по экологическому, технологическому и атомному надзору
Заместитель начальника Управления
/подпись/ Б.Н. Крупчатников
"__" __________ 2006 г.
Главный специалист
/подпись/ Д.А. Боков
"__" __________ 2006 г.
2 Аттестована Государственным научным метрологическим центром (ГНМЦ) - Федеральным государственным унитарным предприятием "Уральский научно-исследовательский институт метрологии" (ГНМЦ ФГУП "УНИИМ")
Зав. лабораторией 223, к.ф.-м.н.
/подпись/ Г.И. Терентьев
"__" __________ 2006 г.
1 Область применения
Настоящий документ устанавливает методику выполнения измерений массовых долей изотопов плутония и изотопа америций-241 (241Am) в плутонии или его соединениях, находящемся в различной форме (металл, оксиды, растворы) гамма-спектрометрическим методом с использованием полупроводникового гамма-спектрометра высокого разрешения U-Pu InSpector. Методика распространяется на плутоний и его соединения, находящиеся в контейнерах, упаковках, учетных единицах и т.д.
Обработку результатов измерений проводят с использованием программы многогруппового анализа MGA. Диапазоны измеряемых значений массовых долей изотопов плутония и 241Am в плутонии приведены в таблицах 1 - 3. Продолжительность анализа и количество измерений определяются требуемой точностью. При анализе проводят одно (n=1) или три (n=3) параллельных определения массовой доли изотопов плутония и массовой доли 241Am в плутонии в зависимости от требуемой точности. Время набора одного аппаратурного спектра гамма-излучения 300, 500 или 1000 с.
Анализируемый материал должен быть однородным по всему объему как по изотопному составу плутония, так и по его химическому составу (матрице).
2 Нормативные ссылки
В настоящем документе использованы ссылки на следующие нормативные документы:
ГОСТ 9293-74 Азот газообразный и жидкий. Технические условия
ГОСТ Р ИСО 5725-1-2002 Точность (правильность и прецизионность) методов и результатов измерений. Часть 1. Основные положения и определения
ГОСТ Р ИСО 5725-6-2002 Точность (правильность и прецизионность) методов и результатов измерений. Часть 6. Использование значений точности на практике
ГОСТ Р 50779.42-99 Статистические методы. Контрольные карты Шухарта
РМГ 61-2003 ГСИ. Показатели точности, правильности, прецизионности методик количественного химического анализа
ОСПОРБ-99 Основные санитарные правила обеспечения радиационной безопасности
ПБЯ 06-09-90 Правила ядерной безопасности при хранении и транспортировке ядерно-опасных делящихся материалов
НРБ-99 Нормы радиационной безопасности
Примечание - При пользовании настоящей методикой целесообразно проверить действие ссылочных документов по соответствующему указателю стандартов, составленному по состоянию на 1 января текущего года, и по соответствующим информационным указателям, опубликованным в текущем году. Если ссылочный документ заменен (изменен), то при пользовании настоящей методикой следует руководствоваться замененным (измененным) стандартом. Если ссылочный документ отменен без замены, то положение, в котором дана ссылка на него, применяется в части, не затрагивающей эту ссылку.
В настоящем документе применены следующие термины с соответствующими определениями по ГОСТ Р ИСО 5725-1, РМГ 61:
3.1 точность: Степень близости результата измерений к принятому опорному значению.
3.2 принятое опорное значение: Значение, которое служит в качестве согласованного для сравнения.
3.3 правильность: Степень близости среднего значения, полученного на основании большой серии результатов измерений, к принятому опорному значению.
3.4 прецизионность: Степень близости друг к другу независимых результатов измерений, полученных в конкретных регламентированных условиях.
3.5 воспроизводимость: Прецизионность в условиях воспроизводимости.
3.6 повторяемость: Прецизионность в условиях повторяемости.
3.7 условия воспроизводимости: Условия, при которых результаты измерений получают одним и тем же методом, на идентичных объектах испытаний, в разных лабораториях, разными операторами, с использованием различного оборудования.
3.8 условия повторяемости: Условия, при которых независимые результаты измерений получают одним и тем же методом на идентичных объектах испытаний, в одной и той же лаборатории, одним и тем же оператором, с использованием одного и того же оборудования, в пределах короткого промежутка времени
3.9 критический диапазон: Значение, которое с доверительной вероятностью 95% не превышается величиной разности между максимальным и минимальным результатами трех или более измерений, полученными в условиях повторяемости.
3.10 предел воспроизводимости: Значение, которое с доверительной вероятностью 95% не превышается абсолютной величиной разности между результатами двух измерений, полученными в условиях воспроизводимости.
3.11 среднее квадратическое отклонение воспроизводимости: Среднее квадратическое отклонение результатов измерений, полученных в условиях воспроизводимости.
3.12 приписанные характеристики погрешности методики выполнения измерений и ее составляющих: Установленные характеристики погрешности и ее составляющих для любого из совокупности результатов измерений, полученного при соблюдении требований и правил аттестованной методики выполнения измерений.
3.13 анализируемый образец: Материал плутония или его соединения, находящийся в контейнере, упаковке или учетной единице.
3.14 анализируемая проба: Материал плутония или его соединения, непосредственно подвергаемый измерениям.
4 Характеристики погрешности измерений
Диапазоны измерений
массовых долей изотопов плутония и 241Am в
плутонии и приписанные характеристики погрешности - критический диапазон
, среднее
квадратическое отклонение (СКО) воспроизводимости sR при числе
параллельных определений n=1 и n=3, систематическая составляющая
погрешности dC,
границы погрешности измерений d при числе параллельных определений n=1 и
n=3 в относительной форме, %, при доверительной вероятности Р=0,95,
времени измерения 300, 500 и 1000 с и толщинах стенок стального контейнера от 0
до 10 мм приведены в таблицах 1 - 3.
Таблица 1 - Характеристики погрешности измерений при времени измерения 300 с для толщины стенки контейнера из стали от 0 до 10 мм
|
Изотоп |
Диапазон измеряемых массовых долей, % |
CR0,953, % |
sR,% (СКО воспроизводимости) |
dC, % |
d, % |
||
|
n=1 |
n=3 |
n=1 |
n=3 |
||||
|
(238) Рu |
От 0,040 до 0,200 включ. |
10,2 |
6,0 |
3,1 |
2,2 |
14,2 |
7,5 |
|
Св. 0,200 до 1,000 " |
4,7 |
2,6 |
1,4 |
0,9 |
6,1 |
3,4 |
|
|
" 1,000 " 2,000 " |
2,9 |
1,2 |
0,9 |
0,3 |
4,7 |
2,2 |
|
|
(239) Pu |
От 60,00 до 70,00 включ. |
2,0 |
0,9 |
0,6 |
0,8 |
4,9 |
2,8 |
|
Св. 70,00 " 80,00 " |
0,9 |
0,5 |
0,3 |
0,6 |
2,6 |
1,4 |
|
|
" 80,00 " 90,00 " |
0,6 |
0,4 |
0,2 |
0,4 |
1,8 |
1,0 |
|
|
" 90,00 " 97,50 " |
0,5 |
0,2 |
0,1 |
0,1 |
0,6 |
0,3 |
|
|
(240) Pu |
От 2,50 до 3,50 включ. |
16,2 |
11,0 |
7,3 |
1,5 |
21,4 |
14,3 |
|
Св. 3,50 " 6,00 " |
5,9 |
4,0 |
2,7 |
1,0 |
7,8 |
5,2 |
|
|
" 6,00" 10,00 " |
5,0 |
3,4 |
2,3 |
1,0 |
6,6 |
4,5 |
|
|
" 10,00 " 20,00 " |
4,0 |
2,7 |
1,8 |
0,9 |
5,3 |
3,6 |
|
|
" 20,00" 25,00 " |
2,8 |
1,9 |
1,3 |
0,7 |
3,7 |
2,5 |
|
|
(241) Pu |
От 0,010 до 0,100 включ. |
10,0 |
5,9 |
3,1 |
2,0 |
13,9 |
7,4 |
|
Св. 0,100 " 1,000 " |
5,1 |
3,5 |
2,3 |
1,2 |
6,9 |
4,6 |
|
|
" 1,000 " 5,000 " |
4,2 |
2,6 |
1,3 |
1,1 |
6,0 |
3,2 |
|
|
" 5,000 " 10,000 " |
2,6 |
2,3 |
1,2 |
1,0 |
3,9 |
2,7 |
|
|
(241) Am |
От 0,002 до 0,010 включ. |
28,0 |
19,0 |
12,7 |
2,2 |
37,1 |
24,8 |
|
Св. 0,010 " 0,030 " |
16,7 |
9,0 |
5,0 |
2,1 |
21,4 |
12,0 |
|
|
" 0,030 " 0,100 " |
9,2 |
5,3 |
2,8 |
1,8 |
12,7 |
6,7 |
|
|
" 0,100 " 0,500 " |
4,4 |
3,0 |
2,0 |
1,2 |
5,9 |
4,0 |
|
|
" 0,500 " 3,000 " |
3,2 |
1,4 |
1,2 |
0,9 |
5,5 |
2,9 |
|
|
" 3,000 и выше |
1,5 |
1,0 |
0,7 |
0,4 |
2,0 |
1,4 |
|
Таблица 2 - Характеристики погрешности измерений при времени измерения 500 с для толщины стенки контейнера из стали от 0 до 10 мм
|
Изотоп |
Диапазон измеряемых массовых долей, % |
CR0,953, % |
sR,% (СКО воспроизводимости) |
dC, % |
d, % |
||
|
n=1 |
n=3 |
n=1 |
n=3 |
||||
|
(238)Pu |
От 0,004 до 0,040 включ. |
41,4 |
26,2 |
12,5 |
3,7 |
62,9 |
29,7 |
|
|
Св. 0,040 до 0,200 " |
5,0 |
3,4 |
2,3 |
1,5 |
6,7 |
4,6 |
|
|
" 0,200 " 1,000 " |
3,7 |
2,0 |
1,1 |
0,4 |
5,1 |
2,6 |
|
|
" 1,000 " 2,000 " |
2,4 |
0,9 |
0,7 |
0,4 |
2,1 |
1,8 |
|
(238)Pu |
От 60,00 до 70,00 включ. |
1,0 |
0,7 |
0,5 |
0,4 |
1,4 |
1,0 |
|
|
Св. 70,00 " 80,00 " |
0,6 |
0,4 |
0,3 |
0,3 |
0,8 |
0,6 |
|
|
" 80,00 " 90,00 " |
0,4 |
0,3 |
0,2 |
0,1 |
0,6 |
0,4 |
|
|
" 90,00 " 97,50 " |
0,3 |
0,2 |
0,1 |
0,1 |
0,4 |
0,3 |
|
(240)Pu |
От 2,50 до 3, 50 включ. |
11,8 |
8,0 |
5,3 |
1,7 |
15,6 |
10,4 |
|
|
Св. 3,50 " 6,00 " |
2,9 |
2,0 |
1,3 |
1,0 |
4,0 |
2,7 |
|
|
" 6,00 " 10,00 " |
2,6 |
1,8 |
1,2 |
1,0 |
3,6 |
2,5 |
|
|
" 10,00 " 20,00 " |
2,2 |
1,5 |
1,0 |
0,6 |
3,0 |
2,0 |
|
|
" 20,00 " 25,00 " |
1,8 |
1,2 |
0,8 |
0,5 |
2,4 |
1,6 |
|
(241)Pu |
От 0,010 до 0,100 включ. |
7,8 |
4,5 |
2,3 |
3,4 |
10,8 |
6,5 |
|
|
Св. 0,100 " 1,000 " |
4,1 |
2,8 |
1,9 |
2,1 |
5,8 |
4,2 |
|
|
" 1,000 " 5,000 " |
2,4 |
1,6 |
1,1 |
1,8 |
3,6 |
2,8 |
|
|
" 5,000 " 10,000 " |
1,8 |
1,2 |
0,8 |
0,9 |
2,5 |
1,8 |
|
(241)Am |
От 0,002 до 0,010 включ. |
15,3 |
10,4 |
6,9 |
2,0 |
20,3 |
13,5 |
|
|
Св. 0,010 " 0,030 " |
8,2 |
4,5 |
2,5 |
1,2 |
10,6 |
5,9 |
|
|
" 0,030 " 0,100 " |
4,8 |
2,7 |
1,5 |
1,1 |
6,1 |
3,6 |
|
|
" 0,100 " 0,500 " |
2,5 |
1,7 |
1,1 |
0,9 |
3,4 |
2,3 |
|
|
" 0,500 " 3,000 " |
1,3 |
0,8 |
0,6 |
0,7 |
1,7 |
1,4 |
|
|
" 3,000 и выше |
1,0 |
0,7 |
0,5 |
0,4 |
1,4 |
1,0 |
Таблица 3 - Характеристики погрешности измерений при времени измерения 1000 с для толщины стенки контейнера из стали от 0 до 10 мм
|
Изотоп |
Диапазон измеряемых массовых долей, % |
CR0,953, % |
sR,% (СКО воспроизводимости) |
dC, % |
d, % |
||
|
n=1 |
n=3 |
n=1 |
n=3 |
||||
|
(238)Pu |
От 0,004 до 0,040 включ. |
29,7 |
20,2 |
13,5 |
2,4 |
39,4 |
26,2 |
|
|
Св. 0,040 до 0,200 " |
3,5 |
2,4 |
1,6 |
1,5 |
4,8 |
3,4 |
|
|
" 0,200 " 1,000 " |
2,1 |
1,4 |
0,9 |
0,3 |
2,7 |
1,8 |
|
|
" 1,000 " 2,000 " |
0,9 |
0,6 |
0,4 |
0,2 |
1,2 |
0,6 |
|
(239)Pu |
От 60,00 до 70,00 включ. |
0,7 |
0,5 |
0,3 |
0,2 |
1,0 |
0,7 |
|
|
Св. 70,00 " 80,00 " |
0,4 |
0,3 |
0,2 |
0,1 |
0,6 |
0,4 |
|
|
" 80,00 " 90,00 " |
0,3 |
0,2 |
0,1 |
0,1 |
0,4 |
0,3 |
|
|
" 90,00 " 97,50 " |
0,1 |
0,1 |
0,1 |
0,1 |
0,2 |
0,2 |
|
(240)Pu |
От 2,50 до 3, 50 включ. |
6,6 |
4,5 |
3,0 |
1,5 |
8,8 |
6,0 |
|
|
Св. 3,50 " 6,00 " |
1,9 |
1,3 |
0,9 |
1,0 |
2,7 |
1,9 |
|
|
" 6,00" 10,00 " |
1,5 |
1,0 |
0,7 |
0,7 |
2,0 |
1,5 |
|
|
" 10,00" 20,00 " |
0,9 |
0,6 |
0,4 |
0,5 |
1,3 |
0,9 |
|
|
" 20,00 " 25,00 " |
0,7 |
0,5 |
0,3 |
0,5 |
1,1 |
0,8 |
|
(241)Pu |
От 0,010 до 0,100 включ. |
2,2 |
2,6 |
1,8 |
2,0 |
5,7 |
4,3 |
|
|
Св. 0,100 " 1,000 " |
1,6 |
2,0 |
1,2 |
2,0 |
4,3 |
3,3 |
|
|
" 1,000 " 5,000 " |
1,4 |
1,2 |
1,0 |
1,5 |
3,9 |
2,8 |
|
|
" 5,000 " 10,000 " |
1,2 |
1,0 |
0,9 |
1,5 |
3,1 |
2,0 |
|
(241)Am |
От 0,002 до 0,010 включ. |
12,8 |
8,7 |
5,8 |
1,5 |
16,9 |
11,3 |
|
|
Св. 0,010 " 0,030 " |
6,6 |
4,0 |
2,0 |
1,1 |
9,4 |
4,7 |
|
|
" 0,030" 0,100 " |
4,0 |
2,4 |
1,2 |
0,9 |
5,7 |
3,0 |
|
|
" 0,100 " 0,500 " |
2,1 |
1,4 |
0,9 |
0,7 |
2,8 |
1,9 |
|
|
" 0,500 " 3,000 " |
1,0 |
0,7 |
0,5 |
0,5 |
1,4 |
1,2 |
|
|
" 3,000 и выше |
0,9 |
0,6 |
0,4 |
0,4 |
1,2 |
0,9 |
5 Средства измерений, вспомогательные устройства, материалы
5.1 Переносной полупроводниковый гамма-спектрометр U-Pu InSpector фирмы "Canberra", включающий в себя планарный детектор из высокочистого германия типа GL, смонтированный на многопозиционном криостате; портативную спектрометрическую станцию InSpector, соединенную с персональным компьютером; программное обеспечение GENIE-2000 с программой обработки спектров MGA или более современные полупроводниковые гамма-спектрометры на основе портативных цифровых анализаторов InSpector-2000, DSA-1000, DSA-2000 или аналогичные с программным обеспечением GENIE-2000 и программой обработки спектров MGA. Предел относительной погрешности характеристики преобразования - не более 0,07%. Энергетическое разрешение (полная ширина на половине высоты, ПШПВ) спектрометрического тракта (на линии 122 кэВ) - от 0,500 до 0,700 кэВ. Нестабильность за 8 часов непрерывной работы (после установления рабочего режима) - не более 0,05%.
5.2 Устройство для заливки жидкого азота типа D-2.
5.3 Жидкий азот по ГОСТ 9293.
5.4 Государственные стандартные образцы (ГСО) изотопного состава плутония типа ГСО 8485-2003, ГСО 7905-2001, ГСО 7906-2001 или другие ГСО, отраслевые стандартные образцы (ОСО) или стандартные образцы предприятия (СОП), аттестованные и утвержденные в установленном порядке.
Примечание - ГСО должны иметь трехкратный запас по точности по отношению к погрешности, приведенной в таблицах 1 - 3 для данной точки диапазона.
5.5 При проведении измерений для снижения загрузки детектора могут использоваться коллиматоры из вольфрама или свинца.
6 Метод измерений
С помощью полупроводникового гамма-спектрометра с высоким энергетическим разрешением регистрируют фотонное излучение в области энергий до 300 кэВ, испускаемое изотопами плутония - 238Pu, 239Pu, 240Pu, 241Pu, а также 241Am и 237U - продуктами распада 241Pu.
Массовые доли изотопов плутония - 238Pu, 239Pu, 240Pu и 241Pu, а также массовую долю 241Am в плутонии рассчитывают путем обработки получаемых аппаратурных спектров в области энергий от 94 до 104 кэВ с помощью программы многогруппового анализа MGA. Массовая доля изотопа 242Pu может вводиться в расчет пользователем при известном ее значении или рассчитываться на основе корреляционных зависимостей программой.
7 Требования безопасности
Лица, постоянно работающие или временно привлекаемые к работе с гамма-спектрометрами и гамма-радиометрами, должны руководствоваться требованиями, установленными ОСПОРБ-99, ПБЯ 06-09-90, НРБ-99.
8 Требования к квалификации оператора
К выполнению измерений допускаются лица, прошедшие обучение и практическую подготовку по соответствующей программе и имеющие квалификацию лаборанта не ниже 5 разряда, или инженерно-технические работники, допущенные к выполнению указанных работ в установленном на предприятии порядке.
9 Условия выполнения измерений
9.1 На рабочем месте, где проводятся измерения, должны поддерживаться:
- температура окружающего воздуха от 0 до плюс 50°С;
- атмосферное давление от 84,0 до 106,7 кПа
(от 630 до 800 мм рт. ст.);
- относительная влажность воздуха от 40% до 80%;
- напряжение питающей сети (220 +- 22)В;
- частота питающей сети (50,0 +- 0,5) Гц.
9.2 Толщина стенок контейнера или упаковки, в которых может находиться анализируемая проба, не должна превышать 10 мм по стали.
9.3 Масса анализируемого плутония или его соединений должна составлять от 20 г до 5 кг, при массовой поверхностной плотности диоксида плутония не менее 4,0 г/см3.
Примечание - Допускается проводить измерения массовой доли изотопов плутония и массовой доли америция при массе плутония или его соединений от 1 до 20 г, при этом толщина стенки контейнера не должна превышать 5 мм по стали.
9.4 Анализируемый плутоний или его соединения должны быть однородными по всему объему как по изотопному составу, так и по матрице.
9.5 Содержание нептуния-237 в анализируемом плутонии или его соединениях должно быть не более 2,5% в расчете на плутоний.
9.6 Скорость счета импульсов гамма-спектрометра при проведении измерений должна быть максимальной, но загрузка спектрометрического тракта не должна превышать 25% по индикатору "мертвое время".
9.7 При необходимости, для снижения интенсивности гамма-излучения с энергией 59,5 кэВ (америций-241), используют дополнительные поглощающие фильтры из кадмия или олова. При этом толщина фильтров выбирается из условия, чтобы высота пика с энергией 59,5 кэВ не отличалась более чем в 3 раза от высоты наиболее интенсивного пика в области 100 кэВ в линейном масштабе. Используемые фильтры должны полностью перекрывать окно коллиматора.
9.8 Время набора одного спектра может составлять 300, 500 или 1000 с в зависимости от требуемой точности результата измерений (таблицы 1 - 3).
9.9 Одному обсчетному каналу по шкале энергий должно соответствовать значение (75,0 ± 0,2) эВ/канал.
9.10 Энергетическое разрешение (полная ширина на половине высоты, ПШПВ) гамма-спектрометра должно составлять не более 700 эВ по гамма-излучению с энергией 122 кэВ.
10 Подготовка к выполнению измерений
10.1 Проводят подготовку гамма-спектрометра к работе в соответствии с его "Руководством по эксплуатации" и "Руководством пользователя программного обеспечения".
10.2 Устанавливают на детектор или перед детектором стандартный образец по 5.4 таким образом, чтобы выполнялось условие 9.6 и проводят набор спектра. В случае необходимости используют кадмиевые или оловянный фильтры для ослабления гамма- излучения с энергией 59,6 кэВ в соответствии с 9.7. Проверяют градуировку спектрометра по шкале энергии (энергетическую калибровку) и энергетическое разрешение спектрометра. Максимумы пиков при энергиях ~ 59,6 кэВ (241Am) и 129,2 кэВ (239Pu) должны находиться соответственно в каналах (795 ± 1) и (1723 ± 5). Если это условие не выполняется, регулируют усиление спектрометрического тракта в соответствии с "Руководством по эксплуатации" гамма-спектрометра. Энергетическое разрешение (полная ширина на половине высоты, ПШПВ) гамма-спектрометра по пикам 129,2 и 208 кэВ не должно превышать 750 и 850 эВ, соответственно. В случае его превышения проводят необходимые регулировки в соответствии с "Руководством по эксплуатации".
10.3 Проводят измерение массовых долей изотопов плутония и массовой доли 241Am в плутонии в соответствии с "Руководством по эксплуатации" гамма-спектрометра. Время измерения выбирают равным 500 с. При этом проводят три параллельных определения. При проведении измерений массовая доля 242Pu задается в соответствии со значением, указанным в паспорте на стандартный образец.
10.4 После окончания измерений на экран компьютера будет выведен отчет, где будут приведены результаты измерения массовых долей изотопов плутония и 241Am в плутонии, а также их средние значения. В соответствии с 12.1, 14.3 настоящей методики, проводят контроль приемлемости и точности результатов измерений массовых долей изотопов плутония и массовой доли 241Am в плутонии. При удовлетворительных результатах процедур по 12.1 и 14.3 приступают к выполнению измерений массовых долей изотопов плутония и массовой доли 241Am в плутонии или его соединениях, находящемся в анализируемом образце.
11 Выполнение измерений
11.1 Устанавливают анализируемый образец на детектор или помещают детектор вблизи анализируемого образца.
11.2 Проверяют выполнение условия 9.7. Подбирают, в случае необходимости, толщину кадмиевых или оловянных фильтров таким образом, чтобы выполнялось условие 9.7.
11.3 Проверяют выполнение условия 9.6. Меняют расстояние между детектором и анализируемым образцом таким образом, чтобы выполнялось условие 9.6. При этом необходимо, чтобы в поле зрения детектора находилась только анализируемая проба. При необходимости, для снижения загрузки, используют коллиматоры различного диаметра.
11.4 Определяют значение градуировочного коэффициента, выбирая градуировочный коэффициент из списка, или проводя градуировку гамма-спектрометра либо по файлам, либо по СО в соответствии с его "Руководством по эксплуатации" и "Руководством пользователя программного обеспечения".
Проводят измерения массовых долей изотопов плутония и массовой доли 241Am в плутонии в соответствии с "Руководством по эксплуатации" гамма-спектрометра. Если известно содержание 242Pu в плутонии или его соединениях - выбирают пункт меню "Декларированное содержание Рu-242", где задают паспортное значение массовой доли 242Pu в плутонии на момент измерения. В том случае, если значение массовой доли 242Pu в плутонии неизвестно выбирают пункт меню "Измерение Рu". В этом случае массовая доля 242Pu в плутонии будет определяться программой на основе корреляционных отношений. Время измерений и число параллельных определений выбирают, исходя из требуемой точности результатов измерений (таблицы 1 - 3).
11.5 После окончания измерений на экран компьютера будет выведен отчет, где будут приведены результаты измерения массовых долей изотопов плутония и массовой доли 241Am в плутонии, а также их средние значения (в том случае, если проводилось три параллельных определения).
12 Обработка результатов измерений*
12.1 Проведение проверки приемлемости результатов трех параллельных определений
12.1.1 Проводят проверку приемлемости результатов трех параллельных определений массовой доли изотопов плутония и массовой доли 241Am в плутонии в анализируемой пробе, полученных в условии повторяемости.
Определяют из отчета
средние арифметические значения результатов трех параллельных определений
массовой доли изотопов плутония и массовой доли 241Am в
плутонии в исследуемой пробе -
, где
, (1)
где Ci - результат i-го параллельного измерения массовой доли изотопов плутония или массовой доли 241Am в плутонии в исследуемой пробе, %;
n - число параллельных измерений (n=3).
12.1.2 Диапазон
, %,
результатов измерений в относительной форме сопоставляют с критическим
диапазоном
,
приведенным в таблицах 1 - 3 для трех результатов измерений. Если диапазон
результатов не превышает критический, то среднее арифметическое значение
результатов трех измерений, определенное по 12.1.1, используют в качестве
окончательного результата.
12.1.3 Если диапазон
результатов превышает критический диапазон
, то
получают еще три результата измерений.
12.1.4 Диапазон
, %, шести
результатов измерений в относительной форме сопоставляют с критическим
диапазоном
для n=6, приведенным в таблицах 4 - 6. Если
диапазон результатов не превышает критический, то за результат измерений
принимают среднее арифметическое значение результатов шести параллельных
определений.
Таблица 4 - Критерии проверки приемлемости результатов измерений при времени измерения 300 с для толщины стенки контейнера из стали от 0 до 10 мм
|
Изотоп |
Диапазон измеряемых массовых долей, % |
Критический диапазон (для n = 6 результатов параллельных определений) CR0,95(6), % |
Предел воспроизводимости (для m = 2 результатов измерений), R,% |
|
|
n=1 |
n=3 |
|||
|
(238)Pu |
От 0,040 до 0,200 включ. |
12,3 |
16,6 |
8,6 |
|
|
Св. 0,200 до 1,000 " |
5,7 |
7,2 |
3,9 |
|
|
" 1,000 " 2,000 " |
3,5 |
3,3 |
2,5 |
|
(239)Pu |
От 60,00 до 70,00 включ. |
2,4 |
2,5 |
1,4 |
|
|
Св. 70,00 " 80,00 " |
1,1 |
1,4 |
0,8 |
|
|
" 80,00 " 90,00 " |
0,7 |
1,1 |
0,6 |
|
|
" 90,00 " 97,50 " |
0,6 |
0,6 |
0,3 |
|
(241)Pu |
От 2,50 до 3, 50 включ. |
19,6 |
30,5 |
20,3 |
|
|
Св. 3,50 " 6,00 " |
7,1 |
11,1 |
7,4 |
|
|
" 6,00 " 10,00 " |
6,1 |
9,4 |
6,3 |
|
|
" 10,00 " 20,00 " |
4,8 |
7,5 |
5,0 |
|
|
" 20,00 " 25,00 " |
3,4 |
5,3 |
3,5 |
|
(241)Pu |
От 0,010 до 0,100 включ. |
12,1 |
16,3 |
8,6 |
|
|
Св. 0,100 " 1,000 " |
6,2 |
9,7 |
6,5 |
|
|
" 1,000 " 5,000 " |
5,1 |
7,2 |
3,6 |
|
|
" 5,000 " 10,000 " |
3,1 |
6,4 |
3,3 |
|
(141)Am |
От 0,002 до 0,010 включ. |
33,8 |
52,6 |
35,2 |
|
|
Св. 0,010 " 0,030 " |
20,2 |
24,9 |
13,9 |
|
|
" 0,030" 0,100 " |
11,1 |
14,7 |
7,8 |
|
|
" 0,100 " 0,500 " |
5,3 |
8,3 |
5,5 |
|
|
" 0,500 " 3,000 " |
3,9 |
3,9 |
3,3 |
|
|
" 3,000 и выше |
1,8 |
2,8 |
1,9 |
Таблица 5 - Критерии проверки приемлемости результатов измерений при времени измерения 500 с для толщины стенки контейнера из стали от 0 до 10 мм
|
Изотоп |
Диапазон измеряемых массовых долей, % |
Критический диапазон (для n = 6 результатов параллельных определений) CR0,95(6), % |
Предел воспроизводимости (для m = 2 результатов измерений), R,% |
|
|
n=1 |
n=3 |
|||
|
(238)Pu |
От 0,004 до 0,040 включ. |
50,0 |
72,6 |
34,6 |
|
Св. 0,040 до 0,200 " |
6,0 |
9,4 |
6,4 |
|
|
" 0,200 " 1,000 " |
4,5 |
5,5 |
3,0 |
|
|
" 1,000 " 2,000 " |
6,6 |
2,5 |
1,9 |
|
|
(239)Pu |
От 60,00 до 70,00 включ. |
1,2 |
1,9 |
1,3 |
|
Св. 70,00 " 80,00 " |
0,7 |
1,1 |
0,7 |
|
|
" 80,00 " 90,00 " |
0,5 |
0,8 |
0,6 |
|
|
" 90,00 " 97,50 " |
0,4 |
0,6 |
0,4 |
|
|
(240)Pu |
От 2,50 до 3, 50 включ. |
14,3 |
22,2 |
14,8 |
|
Св. 3,50 " 6,00 " |
3,6 |
5,5 |
3,7 |
|
|
" 6,00 " 10,00 " |
3,2 |
5,0 |
3,3 |
|
|
" 10,00 " 20,00 " |
2,7 |
4,2 |
2,8 |
|
|
" 20,00 " 25,00 " |
2,1 |
3,3 |
2,2 |
|
|
(241)Pu |
От 0,010 до 0,100 включ. |
9,4 |
12,5 |
6,4 |
|
Св. 0,100 " 1,000 " |
5,0 |
7,8 |
5,2 |
|
|
" 1,000 " 5,000 " |
2,9 |
4,4 |
3,0 |
|
|
" 5,000 " 10,000 " |
2,2 |
3,3 |
2,2 |
|
|
(241)Am |
От 0,002 до 0,010 включ. |
18,5 |
28,8 |
19,1 |
|
Св. 0,010 " 0,030 " |
9,9 |
12,5 |
6,9 |
|
|
" 0,030 " 0,100 " |
5,8 |
7,5 |
4,2 |
|
|
" 0,100 " 0,500 " |
3,0 |
4,7 |
3,0 |
|
|
" 0,500 " 3,000 " |
1,6 |
2,2 |
1,7 |
|
|
" 3,000 и выше |
1,2 |
1,9 |
1,4 |
|
Таблица 6 - Критерии проверки приемлемости результатов измерений при времени измерения 1000 с для толщины стенки контейнера от 0 до 10 мм
|
Изотоп |
Диапазон измеряемых массовых долей, % |
Критический диапазон (для n = 6 результатов параллельных определений) CR0,95(6),% |
Предел воспроизводимости (для m = 2 результатов измерений), R,% |
|
|
n=1 |
n=3 |
|||
|
(238)Pu |
От 0,004 до 0,040 включ. |
36,0 |
56,0 |
37,3 |
|
Св. 0,040 до 0,200 " |
4,2 |
6,6 |
4,4 |
|
|
" 0,200 " 1,000 " |
2,5 |
3,9 |
2,5 |
|
|
"1,000 " 2,000 " |
1,1 |
1,7 |
1,1 |
|
|
(239)Pu |
От 60,00 до 70,00 включ. |
0,9 |
1,4 |
0,9 |
|
Св. 70,00 " 80,00 " |
0,5 |
0,8 |
0,6 |
|
|
" 80,00 " 90,00 " |
0,4 |
0,6 |
0,4 |
|
|
" 90,00 " 97,50 " |
0,2 |
0,3 |
0,2 |
|
|
(240)Pu |
От 2,50 до 3, 50 включ. |
8,0 |
12,5 |
8,3 |
|
Св. 3,50 " 6,00 " |
2,3 |
3,6 |
2,4 |
|
|
" 6,00 " 10,00 " |
1,8 |
2,8 |
1,8 |
|
|
" 10,00 " 20,00 " |
1,1 |
1,7 |
1,1 |
|
|
" 20,00 " 25,00 " |
0,9 |
1,4 |
0,9 |
|
|
(241)Pu |
От 0,010 до 0,100 включ. |
2,7 |
7,2 |
5,0 |
|
Св. 0,100 " 1,000 " |
1,9 |
5,5 |
3,3 |
|
|
" 1,000 " 5,000 " |
1,7 |
3,3 |
2,8 |
|
|
" 5,000 " 10,000 " |
1,5 |
2,8 |
2,5 |
|
|
(241)Am |
От 0,002 до 0,010 включ. |
15,5 |
24,1 |
16,1 |
|
Св. 0,010 " 0,030 " |
8,0 |
11,1 |
5,5 |
|
|
" 0,030 " 0,100 " |
4,8 |
6,6 |
3,3 |
|
|
" 0,100 " 0,500 " |
2,5 |
3,9 |
2,5 |
|
|
" 0,500 " 3,000 " |
1,2 |
1,9 |
1,4 |
|
|
" 3,000 и выше |
1,1 |
1,7 |
1,1 |
|
12.1.6 Если диапазон
, %,
результатов измерений превышает критический диапазон
, то за
результат измерений принимают медиану результатов шести измерений. В данном
случае, полученные результаты шести измерений упорядочивают по возрастанию и за
результат измерения принимают медиану упорядоченного ряда по формуле
, (2)
где С3, С4 - третье и четвертое значение массовой доли изотопа плутония или массовой доли 241Am в плутонии из упорядоченного ряда.
12.2 Проверка приемлемости результатов измерений, полученных в условиях воспроизводимости
12.2.1 При необходимости (например, в случае, если результаты измерений проверяет контролирующий орган, или, если результат измерения подвергается сомнению) проводят проверку приемлемости результатов измерений, полученных в условиях воспроизводимости (двумя лабораториями, разными приборами одного типа). При этом анализируемые пробы (анализируемые образцы) для выполнения измерений должны быть одними и теми же. Число параллельных определений в каждой лаборатории должно быть равно 3. При проверке контролирующим органом, измерения выполняют только на ГСО изотопного состава плутония или его соединений.
Каждая лаборатория проводит проверку приемлемости своих результатов измерений по 12.1 и получает результат измерений в условиях повторяемости.
12.2.2 Совместимость окончательных результатов, полученных двумя лабораториями, проверяют, сравнивая относительное расхождение между двумя результатами измерений с критической разностью CD0,95, которую рассчитывают с использованием следующих алгоритмов
а) В случае, если обе лаборатории получили свой результат измерений как среднее арифметическое (n1=n2=3), критическая разность CD0,95 равна
; (3)
б) В случае, если одна лаборатория получила свой результат измерений как среднее арифметическое (n1=3), а другая - как медиану (n2=6), критическая разность CD0,95 равна
; (4)
в) В случае, если обе лаборатории получили свой результат измерений как медиану (n1=n2=6), критическая разность CD0,95 равна
, (5)
где c(n) - это отношение стандартного отклонения медианы к стандартному отклонению среднего арифметического значения (при n=6, c(n1)=c(n2)=1,135);
R - предел воспроизводимости (таблицы 4 - 6).
12.2.3 В случае, когда относительное расхождение между двумя результатами измерений превышает критическую разность CD0,95, рассчитанную по формулам (3), (4), (5), результаты, полученные двумя лабораториями считают несовместимыми. В этом случае разрешение противоречий проводят следующим образом. Каждая лаборатория анализирует один и тот же стандартный образец (ГСО, ОСО или СОП по 5.4), близкий по изотопному составу к измеряемой пробе. Далее проводят анализ деятельности лабораторий с целью определения наличия и значения систематической составляющей погрешности для каждой из лабораторий. Значение систематической составляющей погрешности в относительной форме для каждой из лабораторий рассчитывают по формуле
, (6)
где Cизм и Сатт - измеренное и аттестованное значение массовой доли изотопов плутония или массовой доли 241Am в плутонии в стандартном образце, соответственно, %.
12.2.4 Значения dс(рассч) сопоставляют со значением систематической составляющей погрешности измерений, dс(табл), приведенной в таблицах 1 - 3 для соответствующего значения массовой доли изотопа плутония или 241Am в плутонии и времени измерения. Если выполняется неравенство dс(рассч)£dс(табл), то результат измерений, полученный в данной лаборатории считается правильным. Если dс(рассч)>dс(табл), то результат измерений, полученный в данной лаборатории считается неправильным. В этом случае, выясняют причины получения неправильных результатов в данной лаборатории и устраняют их. В случае необходимости, можно прибегнуть к помощи референтной лаборатории.
12.3 Допускается проведение измерений массовых долей изотопов плутония и массовой доли 241Am в плутонии или его соединениях проводить при времени измерения и числе параллельных измерений, отличных от регламентированных в данной МВИ при условии расчета новых характеристик погрешности МВИ. Алгоритм расчета, приписываемых МВИ, новых характеристик погрешности результата измерения, приведен в приложении А. Для применения на практике новых установленных приписанных характеристик погрешности МВИ, оформленных в виде "изменения" (дополнения) к МВИ, они должны пройти экспертизу в ФГУП ВО "Безопасность" и допущены к применению в установленном порядке.
13 Оформление результатов измерений
Результат измерения массовой доли изотопов плутония и массовой доли 241Am в плутонии исследуемой пробы округляют до второго (третьего - для 238Pu, 241Pu и 241Am) десятичного знака и представляют в абсолютной форме в виде
(C±D)%; Р = 0,95; n; t
где С - результат измерения массовой доли изотопов плутония или массовой доли 241Am в плутонии исследуемой пробы (образца), %;
- границы абсолютной погрешности измерений
массовой доли изотопов плутония или массовой доли 241Am в плутонии при n=3 или n=1
для соответствующей точки диапазона измерений, %;
d - границы относительной погрешности измерений массовой доли изотопов плутония или массовой доли 241Am в плутонии при n=3 или n=1, приведенные в таблицах 1 - 3 для соответствующей точки диапазона измерений, % (берется для диапазона массовой доли 235Pu, которому принадлежит результат измерения Е);
Р - доверительная вероятность, с которой установлены границы погрешности измерений, Р=0,95;
n - число параллельных определений;
t - время измерений, с.
Пример - Для изотопа 240Pu при n=3 параллельных определениях и времени измерения 300 с результат измерения представляют в абсолютной форме в виде
(9,45 ± 0,52)%; Р = 0,95; n=3; t = 300c.
14 Контроль точности результатов измерений
14.1 Контроль точности результатов измерений осуществляют перед каждой серией измерений в соответствии с требованиями ГОСТ Р ИСО 5725-6.
14.2 Контроль стабильности показателя правильности проводят с использованием контрольных карт (КК) Шухарта по ГОСТ Р 50779.42.
14.3 Контроль стабильности показателя правильности измерений проводят в следующей последовательности.
14.3.1 В качестве образцов для контроля используют ГСО (при отсутствии ГСО допускается использовать ОСО или СОП) изотопного состава плутония, указанные в разделе 5. Выбирают один СО с аттестованной массовой долей 240Pu от 2,5% до 20,0%.
14.3.2 В условиях повторяемости, в соответствии с разделами 11 и 12, получают результат измерений определяемого параметра Dcjk на j-ом образце для контроля (с порядковым номером контрольного измерения (k)) при числе параллельных определений n=3.
14.3.3 Рассчитывают оценку систематической погрешности для j-го образца для контроля Dcjk с порядковым номером контрольного измерения (k) по формуле
, (7)
где Cjатт - аттестованное значение массовой доли изотопа плутония или массовой доли 241Am в плутонии в j-ом образце для контроля.
14.3.4 Рассчитывают текущие расхождения Wjk по формуле
, (8)
где k - порядковый номер контрольного измерения.
14.3.5 Рассчитанные по формулам (7) и (8) значения наносят на контрольные карты Шухарта - карту оценки систематической погрешности (Х-карта) и карту текущих расхождений.
Текст приводится в соответствии с источником
14.3.6 Параметры контрольных карт
14.3.6 Параметры контрольных карт
Х-карта:
Средняя линия - нулевая или равна нулю.
Пределы действия:
верхняя граница,
;
нижняя граница,
;
Пределы предупреждения:
верхняя граница,
;
нижняя граница,
.
Карта текущих расхождений:
Средняя линия
;
Пределы действия:
верхняя граница,
;
нижняя граница,
- отсутствует;
Пределы предупреждения:
верхняя граница,
;
нижняя граница,
- отсутствует.
Примечание - В таблицах 1 - 3 приведено СКО воспроизводимости <jR, выраженное в относительных единицах (%). Для расчета параметров контрольных карт используют СКО воспроизводимости, выраженное в абсолютных единицах. Его определяют по формуле
. (9)
14.3.7 Если очередная точка Dcjk или Wjk находится внутри пределов предупреждения, то процедуру анализа признают удовлетворительной.
14.3.8 Если очередная точка Dcjk или Wjk попала между пределами предупреждения и пределами действия, то контрольную процедуру повторяют. При повторном появлении указанной ситуации процесс анализа приостанавливают, выясняют и устраняют причины появления неудовлетворительных результатов контроля.
14.3.9 Если очередная точка Dcjk или Wjk попала за границу пределов действия, то контрольную процедуру повторяют. Повторение указанной ситуации служит предупреждением о выходе процесса измерения из состояния статистической управляемости. В этом случае качество процедуры измерений признают неудовлетворительным, процесс измерений приостанавливают, выясняют и устраняют причины появления неудовлетворительных результатов контроля.
14.3.10 Пример построения контрольной карты приведен в приложении Б.
______________________________
* Данный раздел выполняется только при числе параллельных определений n=3. При числе параллельных определений n=1 сразу переходят к разделу 13.
(рекомендуемое)
Установление приписанных характеристик погрешности результатов измерения массовых долей изотопов плутония и 241Am в плутонии гамма-спектрометрическим методом
А.1 Установление приписанных характеристик погрешности МВИ и ее составляющих проводят в соответствии с РМГ 61.
А.2 Для установления новых приписанных характеристик погрешности измерений по данной МВИ, проводят измерения массовых долей изотопов плутония и массовой доли 241Am в плутонии по стандартным образцам (СО) с аттестованной массовой долей 240Pu, близкой к началу, середине и концу диапазона измерений по данной МВИ, в соответствии с разделом 5 МВИ. Число СО выбирают с учетом числа поддиапазонов, на которые разбит диапазон действия МВИ.
А.3 На стандартных образцах получают L серий измерений по N результатов измерений в каждой серии. Каждую серию измерений получают в различных условиях (разные приборы одного и того же типа, разное время, разные операторы и т.д.), при этом в пределах одной серии результаты измерений получают в условиях повторяемости (в пределах короткого интервала времени, одним оператором, на одном и том же приборе).
Примечание - Рекомендуется получить не менее L = 5 серий измерений по N = 10 измерений (параллельных определений) в каждой серии.
А.4 Оценка показателей прецизионности (повторяемости и воспроизводимости) МВИ
А.4.1 Оценка показателя повторяемости МВИ
А.4.1.1 По каждой
серии рассчитывают среднее арифметическое Xml и выборочную дисперсию
результатов измерений массовых долей изотопов
плутония и массовой доли 241Am в
плутонии в m-ом СО, полученных в условиях повторяемости
, (A.1)
. (A.2)
А.4.1.2 На основе
полученных значений L выборочных дисперсий
, _,
в m-ом СО, проверяют гипотезу о равенстве L
дисперсий, используя критерий Кохрена. Значение критерия Кохрена Gm(max)
рассчитывают по формуле
(A.3)
и сравнивают его с табличным значением этого критерия Gтабл для числа степеней свободы n=N-1, соответствующего максимальной дисперсии, и f=L, соответствующего числу суммируемых дисперсий, и принятой доверительной вероятности Р = 0,95. При L=5, N=10 Gтабл=0,4241.
Примечание - Значения Gтабл при других значениях L и N приведены в РМГ 61, таблицах по математической статистике.
Если Gm(max)>Gтабл,
то соответствующее
из дальнейших расчетов исключают и процедуру
повторяют для следующего по значению
и т.д. до тех пор, пока Gm(max)
не станет меньше либо равно Gтабл.
А.4.1.3 Не исключенные
из расчетов
считают однородными и по ним оценивают
средние квадратические отклонения (далее - СКО), характеризующие повторяемость
результатов единичного измерения (параллельных определений), полученных для
массовых долей изотопов плутония и массовой доли 241Am в плутонии, соответствующих массовым
долям изотопов плутония и массовой доли 241Am в плутонии в m-ом СО. Эти СКО - Sm рассчитывают по формуле
, (A.4)
где в числе слагаемых нет отброшенных значений.
А.4.1.4 Показатель повторяемости МВИ в виде СКО - srm массовых долей изотопов плутония и массовой доли 241Am в плутонии, соответствующих массовым долям изотопов плутония и массовой доли 241Am в плутонии в m-ом СО, устанавливают, принимая равным Sm.
. (A.5)
А.4.1.5 Показатель повторяемости МВИ в виде критического диапазона - CR0,95 для массовых долей изотопов плутония и массовой доли 241Am в плутонии, соответствующих массовым долям изотопов плутония и массовой доли 241Am в плутонии в m-ом СО, рассчитывают по формуле
, (A.6)
где n - число параллельных определений, предусмотренных МВИ для получения результата измерений,
Q(P, n)=2,77 при n=2, P=0,95;
Q(P, n)=3,31 при n=3, P=0,95;
Q(P, n)=3,63 при n=4, P=0,95;
Q(P, n)=3,86 при n=5, P=0,95;
Q(P, n)=4,0 при n=6, P=0,95.
А.4.2 Оценка показателя воспроизводимости МВИ
А.4.2.1 Рассчитывают выборочное СКО результатов измерений m-го СО, полученных в условиях воспроизводимости, - SRm по формуле
, m=1,...,M, (A.7)
где Xm - общее среднее значение результатов измерений, полученных в условиях воспроизводимости.
Xm рассчитывают по формуле
. (A.8)
А.4.2.2 Оценка показателя воспроизводимости МВИ
Показатель воспроизводимости МВИ в виде СКО - sRm для массовых долей изотопов плутония и массовой доли 241Am в плутонии, соответствующих массовым долям изотопов плутония и массовой доли 241Am в плутонии в m-ом СО, устанавливают, принимая равным
. (A.9)
Показатель воспроизводимости МВИ в виде предела воспроизводимости - Rm для массовых долей изотопов плутония и массовой доли 241Am в плутонии, соответствующих массовым долям изотопов плутония и массовой доли 241Am в плутонии в m-ом СО, рассчитывают по формуле
, (A.10)
где Q(P, 2)=2,77 при P=0,95.
А.5 Оценка показателя правильности МВИ
А.5.1 Рассчитывают оценку математического ожидания систематической погрешности МВИ - Qm как разность между средним значением результатов измерений Xm и аттестованным значением m-го CO - Cm
. (A.11)
А.5.2 Проверяют значимость вычисленных значений Qm по критерию Стьюдента. Для этого рассчитывают значение t-критерия для m-го СО - tm по формуле
, (A.12)
где
- дисперсия, характеризующая разброс средних
арифметических значений результатов единичного анализа Xml, полученных для l-й серии, относительно
среднего значения результатов анализа Xm;
D0 - абсолютная погрешность аттестованного значения m-го СО.
А.5.3 Полученное значение tm сравнивают с tтабл при числе степеней свободы f=L-1 для доверительной вероятности Р=0,95. При L=5 и Р=0,95 значение tтабл=2,78.
Примечание - Значения tтабл при других значениях L и Р приведены в РМГ 61, таблицах по математической статистике.
А.5.4 Если tm£ tтабл, то оценка систематической погрешности незначима на фоне случайного разброса, и в этом случае ее принимают равной нулю (Qm=0).
А.5.5 При незначимости Q показатель правильности МВИ [верхнюю (Dс.в.m.) и нижнюю (Dс.н.m) границы, в которых неисключенная систематическая погрешность МВИ (для массовых долей изотопов плутония и массовой доли 241Am в плутонии, соответствующих массовым долям изотопов плутония и массовой доли 241Am в плутонии в m-ом СО) находится с принятой вероятностью Р = 0,95 рассчитывают по формуле
. (A.13)
А.6 Оценка показателя точности МВИ
А.6.1 Верхнюю (Dв.m) и нижнюю (Dн.m) границы, в которых погрешность результата измерений (для массовых долей изотопов плутония и массовой доли 241Am в плутонии, соответствующих массовым долям изотопов плутония и массовой доли 241Am в плутонии в m-ом СО) находится с принятой вероятностью Р = 0,95, рассчитывают по формуле
. (A.14)
А.6.2 Для каждого из поддиапазонов измерений массовых долей изотопов плутония и массовой доли 241Am в плутонии по данной МВИ устанавливают свои значения погрешности и ее составляющих в относительной форме.
(рекомендуемое)
Построение контрольных карт Шухарта
Б.1 Применение контрольных карт Шухарта основано на сопоставлении результатов контрольных процедур (в данном случае Dcjk или Wjk) с установленными нормативами контроля: пределами действия и пределами предупреждения.
Б.2 Для контроля стабильности показателя правильности измерений используют контрольные карты Шухарта - х-карту и карту текущих расхождений (w).
Б.3 Для построения х-карты и карты текущих расхождений необходимо знать приписанную характеристику погрешности методики выполнения измерений, установленную при ее аттестации - среднее квадратическое отклонение (СКО) воспроизводимости результатов измерений sR при числе параллельных измерений n=3.
Б.4 Параметры контрольной карты (среднюю линию, пределы действия, пределы предупреждения) рассчитывают с использованием нормированных коэффициентов, зависящих от числа параллельных измерений и приведенных в ГОСТ Р ИСО 5725-6. Формулы для расчета параметров контрольных карт приведены в разделен данной МВИ. Для расчета параметров контрольных карт, СКО воспроизводимости, приведенное в таблицах 1 - 3 переводят в абсолютные единицы по формуле (9).
Примечание - СКО воспроизводимости, приведенное в таблицах 1 - 3, зависит от измеряемой величины массовой доли изотопов плутония или массовой доли 241Am в плутонии и времени измерений, поэтому для каждого изотопа образца для контроля в зависимости от условий измерений, будут свои параметры контрольных карт.
Б.5 Требования к проведению контрольных измерений аналогичны требованиям к проведению измерений рабочих проб, установленным в соответствующих разделах методики выполнения измерений. Измерения проводят с использованием стандартных образцов по 5.4. При этом рекомендуется выбирать ГСО (при отсутствии ГСО допускается использовать ОСО или СОП) с массовой долей 240Pu в диапазоне от 2,5% до 20,0%. Толщина окна упаковки стандартного образца приведена в паспорте на стандартный образец. Рекомендуемое время измерений - 500 с.
Примечание - При необходимости, руководитель лаборатории может принять решение о контроле точности измерений с помощью контрольных карт при другом времени измерений.
Б.6 Данные, необходимые для построения контрольной карты представляют в виде таблицы.
Б.6.1 Пример заполнения таблицы для построения контрольных карт
Таблица Б.1
|
Лаборатория |
Лаборатория А |
||||||
|
Методика выполнения измерений |
МВИ 223.13.17.104/2006 |
||||||
|
Период заполнения контрольной карты |
15.01.2006-15.03.2006 |
||||||
|
Образец для контроля (ГСО, ОСО или СОП) |
ГСО 8454-2003 (01.1.02) |
||||||
|
Толщина стенки контейнера, мм |
5 |
||||||
|
Время измерений, с |
500 |
||||||
|
Аттестованное значение массовой доли изотопа (240)Ри в образце для контроля, С атт, % |
5,649 |
||||||
|
Контрольная карта |
Х-карта |
Карта текущих расхождений |
|||||
|
Пределы предупреждения (ПП): |
|
|
|||||
|
- верхний |
0,1695 |
0,2939 |
|||||
|
- нижний |
-0,1695 |
отсутствует |
|||||
|
Пределы действия (ПД): |
|
|
|||||
|
- верхний |
0,2542 |
0,3693 |
|||||
|
- нижний |
-0,2542 |
отсутствует |
|||||
|
Средняя линия |
0 |
0,1435 |
|||||
|
N контрольного измерения k |
Результат контрольного измерения, Ck, % |
Результат контрольной процедуры |
Выводы о несоответствии результата контрольной процедуры пределам действия или предупреждения |
Примечание |
|||
|
Оценка систематической погрешности Dс=Cк -Cатт |
Текущее расхождение W = |D(ck + 1) - Dck|, % |
Х-карта |
Карта текущих расхождений |
||||
|
1 |
5,6545 |
0,0055 |
0,0356 |
- |
- |
|
|
|
2 |
5,6189 |
-0,0301 |
0,0457 |
- |
- |
|
|
|
3 |
5,5732 |
-0,0758 |
0,1083 |
- |
- |
|
|
|
4 |
5,4649 |
-0,1841 |
0,2407 |
Сверх ПП |
- |
|
|
|
5 |
5,7056 |
0,0566 |
0,0671 |
- |
- |
|
|
|
6 |
5,7727 |
0,1237 |
0,1908 |
- |
- |
|
|
|
7 |
5,5819 |
-0,0671 |
0,0376 |
- |
- |
|
|
|
8 |
5,6195 |
-0,0295 |
0,0262 |
- |
- |
|
|
|
9 |
5,6457 |
-0,0033 |
0,0268 |
- |
- |
|
|
|
10 |
5,6189 |
-0,0301 |
|
- |
|
|
|
Б.7 Строят контрольную карту в виде графика. По оси абсцисс откладывают номер контрольной процедуры, фиксируя при этом данные, характеризующие измерения (дату проведения измерений, фамилию оператора и т.п.). По оси ординат откладывают результат контрольной процедуры, рассчитанный по формулам (7), (8).
Б.8 Вид контрольных карт

Б.8 Контрольные карты ведет сотрудник лаборатории, выполняющий измерения.
Б.9 Контроль за ведением контрольных карт осуществляет начальник лаборатории.
(обязательное)
1. Форма протокола измерений изотопного состава плутония
N _______
__ ______________ 200__ г. г._____________
|
Инспектируемая организация |
|
|
1. Сведения об инспекции
|
Вид инспекции |
Период проведения |
|||
|
начало |
окончание |
|||
|
|
|
|
||
|
Код ЗБМ |
Место нахождения ЯМ |
Категория ЯМ |
||
|
|
|
|
|
|
2. Таблицы градуировок (необязательный раздел).
Градуировка по энергии.
|
Номер комплекта ОСГИ |
|||||
|
Дата градуировки |
Изотоп |
Энергия, (кэВ) |
Номер канала |
"Мертвое время", (%) |
Время измерения (сек) |
|
|
|
|
|
|
|
|
|
|
|
|
|
|
3. Результаты измерений ЯМ
|
партия |
конт. |
Изотопный состав плутония (результат/погрешность при Р=0,95) |
||||||
|
Pu-238 |
Pu-239 |
Pu-240 |
Pu-241 |
Pu-242 |
Am 241 |
t, сек. |
||
|
|
|
|
|
|
|
|
|
|
|
|
|
|
|
|
|
|||
|
Декл. данные на ___ ___ ___ г |
|
|
|
|
|
|
|
|
|
|
Комментарии |
|
|
|
Измерения провели:
2. Форма протокола измерений массовой доли урана-235
N _______
__ ______________ 200__ г. г._____________
|
Инспектируемая организация |
Код организации |
Код ЗБМ |
|
|
|
|
1. Сведения об инспекции
|
Вид инспекции |
Период проведения |
|||
|
начало |
окончание |
|||
|
|
|
|
||
|
Код ЗБМ |
Место нахождения ЯМ |
Категория ЯМ |
||
|
|
|
|
|
|
2. Таблицы градуировок (необязательный раздел).
Градуировка по энергии.
|
Номер комплекта ОСГИ |
|||||
|
Дата градуировки |
Изотоп |
Энергия, (кэВ) |
Номер канала |
"Мертвое время", (%) |
Время измерения (сек) |
|
|
|
|
|
|
|
|
|
|
|
|
|
|
Градуировка по массовой доли U235
|
Состав технического средства |
||||||
|
Дата измерений |
Номер стандартного образца |
Массовая доля U235 в стандартном образце (%) |
Геометрия измерений L (мм) |
Коллиматор диаметр (мм) |
"Мертвое время", (%) |
Количество и время измерений (сек.) |
|
|
|
|
|
|
|
|
3. Результаты измерений ЯМ
|
Состав технического средства |
||||||||
|
Комплект InSpector серийный N |
Тип детектора (Ge/Nal) серийный N |
|||||||
|
N п/п |
N учетной единицы |
Мертвое время I Т (%) |
Геометрия измерения L (мм) |
Массовая доля U235 заявленная |
Массовая доля U235 измеренная |
Разница, относительная |
Погрешность измерения sотн (%) |
Контр. допуск 3 sотн |
|
|
|
|
|
|
|
|
|
|
|
|
Комментарии |
|
|
|
Измерения провели:
3. Форма протокола измерений приборов Scout
|
Протокол измерений N ____ __ ____ 200__ года Организация: _____________ ЗБМ: ________ Подразделение: __________Ядерный материал: ____________________ Измеряемая величина: наличие урана Измерительный прибор: Scout N ________
|
||||||
|
|
N изм. |
N контейнера |
Декларированный материал |
Обнаруженные Гамма-пики |
Вывод |
|
|
|
1 |
123 |
U |
186 кэВ, |
Наличие U |
|
|
|
|
|
|
777 кэВ |
|
|
|
|
|
|
|
|
|
|
|
|
||||||
|
Время начала измерений: ______ Время окончания измерений: ____
Примечания:
Измерения проводил: Инспектор ____________ Петров А.А.
Присутствовал: Инженер ____________ Иванов И.И.
|
||||||
(обязательное)
Инспектором с помощью гамма - спектрометрической станции U-Pu InSpector с низкоэнергетическим германиевым детектором измерен образец с процентным содержанием Рu-239, равным по данным разрушающего анализа 85,06 ± 0,06 (учетные данные). Для получения учетных данных в поднадзорных организациях согласно требованию пункта 4.3 Основных правил учета и контроля ядерных материалов (НП-030-05) методики выполнения измерений должны быть метрологически аттестованы в соответствии с требованиями документов в области стандартизации (границы погрешности измерений устанавливаются для доверительной вероятности 95%).
Для получения данных об изотопном составе с помощью гамма-спектрометрической станции U-Pu InSpector с низкоэнергетическим германиевым детектором спектр обрабатывается с помощью программного обеспечения станции MGA V9.63A CI. Для определения границ погрешности измерения в рассматриваемом случае должна быть использована методика, приведенная в приложении N 8 Методических указаний (границы погрешности измерений по этой методике устанавливаются для доверительной вероятности 95%). Результат, получаемый инспектором в этом случае, оказывается равным: 85,05 ± 0,05.
Поскольку все погрешности документируются и рассчитываются при 95% доверительной вероятности, то для получения среднеквадратических погрешностей значения 0,06 и 0,05 должны быть уменьшены в 1,96 раза. Таким образом,
.
Расхождение учетных данных и результата, полученного инспектором, составляет 0,01 и находится в пределах контрольного допуска 0,12.
(рекомендуемое)
|
N п/п |
Инвентарный/Серийный номер ТС/ элемента |
Наименование ТС |
Дата выдачи |
Подпись получившего ТС |
Основание для выдачи |
Место хранения |
Дата возврата ТС |
Подпись принявшего ТС |
|
|
|
|
|
|
|
|
|
|
(обязательное)
Утверждаю
_________________________
"__" _________________ г.
АКТ N _______________
технического состояния ________________________________________
наименование технического средства
Серийный N технического средства _____________________________
Дата выявления "__" __________________ г.
неисправности ТС
Описание ______________________________________________________________
неисправности ТС
Продолжительность с "__" ___________ г. по
эксплуатации ТС до "__" ___________ г.
выявления неисправности
Документ, в
соответствии с _______________________________________________
которым
осуществлялась
эксплуатация ТС
Возможные __________________________________________________
причины
неисправности
Подписи членов комиссии:
____________________________/Подпись/
____________________________/Подпись/
____________________________/Подпись/
(обязательное)
Частота проведения инспекций состояния учета и контроля ядерных материалов определена в РД-08-01-2003: не менее одной целевой инспекции на предприятии в год. Определение частоты проводимых инспекций состояния учета и контроля ядерных материалов с применением ПНК рекомендуется устанавливать по приведенным критериям. Частота проведения инспекций с применением ПНК может быть изменена по согласованию с начальником соответствующего отдела инспекций, с представлением обоснования.
А) Для предприятий топливного цикла (предприятий по переработке ядерного материала и изготовлению топлива):
Для ЗБМ с ядерными материалами первой категории
1.1. На каждой ЗБМ с ядерными материалами первой категории должно быть проведено не менее одной инспекции в год с инспекционными измерениями.
1.2. При проведении целевых инспекций с применением ПНК рекомендуется участие не менее двух инспекторов (зависит от объема измерений).
Для ЗБМ с ядерными материалами второй-четвертой категорий
1.3. На каждой ЗБМ с ядерными материалами второй категории должно быть проведено не менее одной инспекции в два года с применением приборов неразрушающего анализа (ПНА) в соответствии с программой измерений.
Б) Для научно-исследовательских центров и институтов, транспортных ядерных установок:
2.1 Для организаций, имеющих ЗБМ 1 или 2 категории, должно быть проведено не менее одной инспекции организации в год с применением ПНК. Для организаций, имеющих ЗБМ не выше 3 или 4 категории, должно быть проведено не менее одной целевой инспекции раз в два года с применением ПНК.
2.2 При проведении целевых инспекций с применением приборов неразрушающего анализа в организациях, имеющих ЗБМ 1 или 2 категории рекомендуется участие не менее двух инспекторов (зависит от объема измерений).
В) Для АЭС:
3.1 Проведение инспекций с применением ПНК планируется отдельно для каждой инспекции. Рекомендуется проводить инспекции с ПНК не реже одного раза в 3 года.
3.2 При проведении инспекции ЗБМ со свежим топливом могут применяться ПНК, осуществляющие качественные измерения наличия ядерных материалов. Могут применяться приборы наблюдения черенковского излучения для проверки наличия отработанных ТВС.
(обязательное)
|
N п/ п |
Организация |
ЗБМ, вид ЯМ, категория ЯМ |
ФИО инспекторов |
Частота проведения инспекций с ПНА |
200 год План/факт |
200 год План |
|
|
ЦМТО |
|
|
|
|
|
|
1 |
ВНИИНМ |
4 ЗБМ 1 категории |
Иванов И.И. |
1 раз в год в целом по организации |
Май/май |
Апрель |
|
2 |
ВНИИНМ |
4 ЗБМ 2 категории |
|
|
|
|
|
3 |
ВНИИНМ |
2 ЗБМ 3 категории |
|
|
|
|
|
4 |
ВНИИНМ |
22 ЗБМ 3 категории |
|
|
|
|
|
Согласовано |
|
|
|
|
|
Зам. директора ФГУП "УНИИМ" |
С.В. Медведевских |
|
|
|
|
Начальник Управления Федеральной службы по экологическому, технологическому и атомному надзору |
В.С. Беззубцев |
|
|
|
|
Директор отделения ФГУП "ВНИИМ им. А.А. Бочвара" |
В.С. Руденко |
|