|
|
Все документы, представленные в каталоге, не являются их официальным изданием и предназначены исключительно для ознакомительных целей. Электронные копии этих документов могут распространяться без всяких ограничений. Вы можете размещать информацию с этого сайта на любом другом сайте.
ЭЛЕКТРОУСТАНОВКИ НИЗКОВОЛЬТНЫЕ Часть 6ИспытанияIEC 60364-6:2006 Москва ПредисловиеЦели и принципы стандартизации в Российской Федерации установлены Федеральным законом от 27 декабря 2002 г. № 184-ФЗ «О техническом регулировании», а правила применения национальных стандартов Российской Федерации - ГОСТ Р 1.0-2004 «Стандартизация в Российской Федерации. Основные положения» Сведения о стандарте1 ПОДГОТОВЛЕН Федеральным государственным унитарным предприятием «Всероссийский научно-исследовательский институт стандартизации и сертификации в машиностроении» (ФГУП «ВНИИНМАШ») на основе собственного аутентичного перевода стандарта, указанного в пункте 4 2 ВНЕСЕН Техническим комитетом по стандартизации ТК 337 «Электроустановки зданий» 3 УТВЕРЖДЕН И ВВЕДЕН В ДЕЙСТВИЕ Приказом Федерального агентства по техническому регулированию и метрологии от 27 декабря 2007 г. № 594-ст 4 Настоящий стандарт является модифицированным по отношению к международному стандарту МЭК 60364-6:2006 «Электроустановки низковольтные. Часть 6. Испытания» (IEC 60364-6:2006 «Low-voltage electrical installations - Part 6. Verification») путем внесения дополнительных требований, выделенных в тексте стандарта курсивом, пояснение к которым приведено во введении к настоящему стандарту. Сведения о соответствии ссылочных международных стандартов национальным стандартам Российской Федерации, использованным в настоящем стандарте в качестве нормативных ссылок, приведены в приложении I 5 ВЗАМЕН ГОСТ Р 50571.16-99 Информация об изменениях к настоящему стандарту публикуется в указателе «Национальные стандарты», а текст этих изменений и поправок - в ежемесячно издаваемых информационных указателях «Национальные стандарты». В случае пересмотра или отмены настоящего стандарта соответствующее уведомление будет опубликовано в ежемесячно издаваемом информационном указателе «Национальные стандарты». Соответствующая информация, уведомление и тексты размещаются также в информационной системе общего пользования - на официальном сайте Федерального агентства по техническому регулированию и метрологии в сети Интернет СодержаниеВведениеНастоящий стандарт подготовлен на основе международного стандарта МЭК 60364-6:2006, устанавливающего объем и методы испытаний электроустановок номинальным напряжением до 1000 В, в том числе электроустановок зданий и сооружений различного назначения. По решению ТК 64 МЭК «Электрические установки и защита от поражения электрическим током» с 2005 г. область применения стандартов комплекса МЭК 60364, ранее распространявшихся только на электроустановки зданий, по сравнению с предыдущими изданиями расширена на низковольтные электроустановки в целом. Данное положение отражено в требованиях настоящего стандарта, раздел 6.1 которого соответствует [1]. Для обеспечения преемственности требований к приемо-сдаточным испытаниям вновь вводимых и реконструируемых электроустановок раздел 61 и приложение F настоящего стандарта максимально приближены к требованиям ГОСТ Р 50571.16 и дополнены новыми видами испытаний. Настоящий стандарт содержит следующие отличия от ГОСТ Р 50571.16: - расширена область применения испытаний: помимо приемо-сдаточных испытаний вновь вводимых и реконструируемых электроустановок введены требования периодического контроля действующих электроустановок путем визуальных осмотров и испытаний; - изменены требования к испытанию при проверке защиты электроустановки защитным отключением источника питания сети; - настоящий стандарт дополнен рекомендациями по измерению сопротивления заземляющего контура с помощью электрических зажимов, а также информацией по оценке падения напряжения; - введены требования к средствам измерений и метрологическому обеспечению испытаний электроустановок или их частей для целей подтверждения соответствия ГОСТ Р 51672 с учетом требований [2]; - стандарт дополнен разделом «Термины и определения». Приведенные в настоящем стандарте методы испытаний и способы измерений носят рекомендательный характер и могут быть заменены другими, но при обязательном обеспечении требуемой точности и достоверности определяемых параметров испытуемых электроустановок. Следует иметь в виду, что объем приемо-сдаточных испытаний в соответствии с требованиями настоящего стандарта значительно расширены по сравнению с пунктом 1.8.37 раздела «Электрические аппараты, вторичные цепи и электропроводки напряжением до 1 кВ» [3] и пунктом 1.8.39 раздела «Заземляющие устройства» [3]. Результаты испытаний и визуальных осмотров, приведенных в соответствии с требованиями настоящего стандарта в совокупности с испытаниями по [3], могут быть использованы субъектами хозяйственной деятельности для подтверждения соответствия электроустановок требованиям стандартов комплекса ГОСТ Р 50571, а также при сдаче и приемке в эксплуатацию законченных строительством объектов в соответствии с [4]. Примечание - Настоящий стандарт будет пересматриваться по мере принятия в качестве национальных стандартов Российской Федерации следующих международных стандартов: МЭК 60364-6:2006 [5], МЭК 60364-4-41:2005 [6], МЭК 60364-4-42:2001 [7], МЭК 60364-4-43:2001 [8], МЭК 60364-5-51:2005 [9], МЭК 60364-5-52:2001 [10], МЭК 60364-5-53:2002 [11], МЭК 60364-5-54:2002 [12], МЭК 61557-5:1997 [13], МЭК 61557-6:1997[14], МЭК 61557-7:1997[15], МЭК 61557-8:1997[16].
Дата введения - 2009-01-01 6.1 Область применения6.1.1 Настоящий стандарт распространяется на низковольтные электроустановки: a) жилых зданий; b) торговых предприятий; c) общественных зданий; d) производственных зданий; e) сельскохозяйственных и садоводческих строений; f) зданий из сборных элементов; g) жилых автофургонов и стоянок для них; h) строительных площадок, зрелищных сооружений, ярмарок и других временных сооружений; i) причалов для яхт и прогулочных катеров; j) устройств внешнего освещения зданий и сооружений; k) медицинских учреждений; l) мобильных или транспортных средств; m) фотогальванических систем; n) низковольтных электрогенераторов. 6.1.2 Настоящий стандарт также распространяется на: a) электрические сети с номинальным напряжением до 1000 В переменного тока или 1500 В постоянного тока; Для переменного тока предпочтительны частоты, принятые в соответствии с настоящим стандартом, 50; 60 и 400 Гц. Допускается использование других частот для специальных целей; b) электрические цепи напряжением, превышающим 1000 В, питаемые отустановки напряжением не более 1000 В переменного тока (за исключением внутренней проводки электротехнических устройств), например газоразрядные лампы, электростатические фильтры; c) любые электропроводки, на которые не распространяются действующие стандарты на электротехнические изделия; d) электроустановки потребителя вне зданий; е) проводки стационарные, сигнализации, управления и т.п. (за исключением внутренней проводки этих устройств); f) реконструируемые или измененные электроустановки, а также для частей существующей электроустановки, на которые влияет конкретное расширение. 6.1.3 Настоящий стандарт не распространяется на: а) электрическое тяговое оборудование; в) автотракторное оборудование; c) электроустановки на борту судов; d) электроустановки самолетов; e) электроустановки уличного освещения; f) электроустановки подземных шахт и выработок; g) помехоподавляющая радиоаппаратура; h) предохранительные ограждения; i) молниезащиту зданий; j) электрооборудование машин и механизмов. Настоящий стандарт устанавливает требования к объему, порядку и методам проведения приемосдаточных проверок, измерений, испытаний и нормативным документам (в части требований к низковольтным электроустановкам [3], соответствие которым обеспечивает требуемую электро- и пожаробезопасность. Требования к проведению визуального осмотра и испытаний вновь вводимых и реконструируемых электроустановок с целью определения возможности ввода их в эксплуатацию установлены в разделе 61. Требования к проведению визуального осмотра и периодических испытаний действующих электроустановок или их частей с целью определения возможности продолжения их эксплуатации установлены в разделе 62. Настоящий стандарт рекомендован к применению испытательными лабораториями, аттестованными в установленном порядке, и испытательными лабораториями монтажно-наладочных или других организаций, осуществляющих монтажные работы электроустановок или проводящих контроль за их безопасным состоянием. 6.2 Нормативные ссылкиВ настоящем стандарте использованы ссылки на следующие стандарты: ГОСТ Р ИСО/МЭК 17025-2006 Общие требования к компетентности испытательных и калибровочных лабораторий ГОСТ Р 50571.2-94 (МЭК 60364-3-93) Электроустановки зданий. Часть 3. Основные характеристики ГОСТ Р 50571.3-94 (МЭК 364-4-41-92) Электроустановки зданий. Часть 4. Требования по обеспечению безопасности. Защита от поражения электрическим током ГОСТ Р 50571.4-95 (МЭК 364-4-42-80) Электроустановки зданий. Часть 4. Требования по обеспечению безопасности. Защита от тепловых воздействий ГОСТ Р 50571.5-94 (МЭК 364-4-43-77) Электроустановки зданий. Часть 4. Требования по обеспечению безопасности. Защита от сверхтока ГОСТ Р 50571.8-95 (МЭК 364-4-47-81) Электроустановки зданий. Часть 4. Требования по обеспечению безопасности. Общие требования по применению мер защиты для обеспечения безопасности. Требования по применению мер защиты от поражения электрическим током ГОСТ Р 50571.9-94 (МЭК 364-4-473-77) Электроустановки зданий. Часть 4. Требования по обеспечению безопасности. Применение мер защиты от сверхтоков ГОСТ Р 50571.10-96 (МЭК 364-5-54-80) Электроустановки зданий. Часть 5. Выбор и монтаж электрооборудования. Глава 54. Заземляющие устройства и защитные проводники ГОСТ Р 50571.15-97 (МЭК 364-5-52-93) Электроустановки зданий. Часть 6. Выбор и монтаж электрооборудования. Глава 52. Электропроводки ГОСТ Р 50571.16-99 (МЭК 60364-6-61-86) Электроустановки зданий. Часть 6. Испытания. Глава 61. Приемо-сдаточные испытания ГОСТ Р 50571.17-2000 (МЭК 60364-4-482-82) Электроустановки зданий. Часть 4. Требования по обеспечению безопасности. Глава 48. Выбор мер защиты в зависимости от внешних условий. Раздел 482. Защита от пожара ГОСТ Р 50571.18-2000 (МЭК 60364-4-442-93) Электроустановки зданий. Часть 4. Требования по обеспечению безопасности. Глава 44. Защита от перенапряжений. Раздел 442. Защита электроустановок до 1 кВ от перенапряжений, вызванных замыканиями на землю в электроустановках выше 1 кВ ГОСТ Р 50571.19-2000 (МЭК 60364-4-443-95) Электроустановки зданий. Часть 4. Требования по обеспечению безопасности. Глава 44. Защита от перенапряжений. Раздел 443. Защита электроустановок от грозовых и коммутационных перенапряжений ГОСТ Р 50571.20-2000 (МЭК 60364-4-444-96) Электроустановки зданий. Часть 4. Требования по обеспечению безопасности. Глава 44. Защита от перенапряжений. Раздел 444. Защита электроустановок от перенапряжений, вызванных электромагнитными воздействиями ГОСТ Р 50571.24-2000 (МЭК 60364-5-51-97) Электроустановки зданий. Часть 5. Выбор и монтаж электрооборудования. Глава 51. Общие требования ГОСТ Р 51322.1-99 (МЭК 60884-1-94) Соединители электрические штепсельные бытового и аналогичного назначения. Часть 1. Общие требования и методы испытаний ГОСТ Р 51324.1-99 (МЭК 60669-1-98) Выключатели для бытовых и аналогичных стационарных электрических установок. Часть 1. Общие требования и методы испытаний ГОСТ Р 51350-99 (МЭК 61010-1-90) Безопасность электрических контрольно-измерительных приборов и лабораторного оборудования. Часть 1. Общие требования ГОСТ Р 51672-2000 Метрологическое обеспечение испытаний продукции для целей подтверждения соответствия. Основные положения ГОСТ Р МЭК 61557-2-2005 Сети электрические распределительные низковольтные напряжением до 1000 В переменного тока и 1500 В постоянного тока. Электробезопасность. Аппаратура для испытания, измерения или контроля средств защиты. Часть 2. Сопротивление изоляции ГОСТ Р 52350.17-2006 (МЭК 60079-17:2002) Электрооборудование для взрывоопасных газовых сред. Часть 17. Проверка и техническое обслуживание электроустановок во взрывоопасных зонах (кроме подземных выработок) ГОСТ 7746-2001 Трансформаторы тока. Общие технические условия ГОСТ 8594-80 Коробки для установки выключателей и штепсельных розеток при скрытой электропроводке. Общие технические условия Примечание - При пользовании настоящим стандартом целесообразно проверить действие ссылочных стандартов в информационной системе общего пользования - на официальном сайте Федерального агентства по техническому регулированию и метрологии в сети Интернет или по ежегодно издаваемому информационному указателю «Национальные стандарты», который опубликован по состоянию на 1 января текущего года, и ежемесячно издаваемым по соответствующим информационным указателям, опубликованным в текущем году. Если ссылочный стандарт заменен (отменен), то при пользовании настоящим стандартом следует руководствоваться заменяющим (измененным) стандартом. Если ссылочный стандарт отменен без замены, то положение, в котором дана ссылка на него, применяется в части, не затрагивающей эту ссылку. 6.3 Термины и определенияВ настоящем стандарте применены следующие термины с соответствующими определениями: 6.3.1 проверка, контроль (verification): Комплекс действий по определению соответствия электроустановки настоящему стандарту. Примечание - Включает в себя визуальный осмотр, испытание и составление протоколов. 6.3.2 осмотр визуальный (inspection): Визуальный осмотр электроустановки на соответствие требованиям настоящего стандарта предназначен для подтверждения правильного выбора, надлежащего проведения монтажа и гарантирует, что электрооборудование установлено в соответствии с требованиями проекта и инструкциями изготовителя и его работоспособность не ухудшилась при нормальных условиях эксплуатации. 6.3.3 испытание, диагностирование (testing): Проведение испытаний, проверки в электроустановке с целью определения эффективности ее функционирования. Примечание - Испытание включает в себя подтверждение значений, полученных с помощью соответствующих измерительных приборов. Эти значения нельзя получить при визуальном осмотре. 6.3.4 составление протокола (reporting): Оформление результатов визуального осмотра и испытаний. 6.3.5 техническое обслуживание (maintenance): Совокупность технических и административных мероприятий, включающих в себя контроль состояния электроустановки для поддержания ее в рабочем состоянии. 61 Общие положения61.1.1. Каждая электроустановка в ходе монтажа и/или после него, до пуска в эксплуатацию должна быть осмотрена и испытана с тем, чтобы удостовериться насколько это возможно, что требования стандартов комплекса ГОСТ Р 50571 выполнены. 61.1.2. Для проведения испытаний должна быть представлена необходимая проектная документация на испытуемую электроустановку и необходимая производственная документация (сертификаты, инструкции, электрические схемы и т.д.). 61.1.3. В ходе визуального осмотра и испытания должны быть приняты меры предосторожности, чтобы избежать возникновения опасности для людей, повреждения имущества и установленного оборудования. 61.1.4. При расширении или реконструкции существующей электроустановки необходимо удостовериться, что ее расширение или реконструкция отвечает требованиям стандартов комплекса ГОСТ Р 50571 и не снижает безопасность существующей электроустановки или ее части. 61.1.5. Испытания должны проводиться квалифицированным персоналом. 61.1.6. После испытаний в соответствии с 61.1.1 и 61.1.4 составляют протокол. 611 Визуальный осмотрВизуальный осмотр должен предшествовать испытанию и обычно проводится при полностью отключенной электроустановке. 611.2 Визуальный осмотр проводят, чтобы удостовериться, что все стационарно установленное и подключенное электрооборудование: - соответствует требованиям безопасности и соответствующих стандартов на оборудование. Примечание - Соответствие может быть установлено визуальным осмотром маркировки (идентификацией) электрооборудования или проверкой наличия на него сертификатов соответствия; - правильно выбрано и смонтировано в соответствии с требованиями стандартов комплекса ГОСТ Р 50571; - не имеет видимых повреждений, снижающих его безопасность. При визуальном осмотре проверяют соблюдение необходимых требований, предъявляемых к специальным электроустановкам или месту их расположения. 611.3 Визуальный осмотр должен включать в себя, по крайней мере: a) выбор методов защиты от поражения электрическим током, в том числе измерение расстояний, имеющих значение, например, для защиты путем использования ограждений, корпусов и оболочек, создания барьеров или размещения токопроводящих частей вне зоны досягаемости по ГОСТ Р 50571.3, пункты 412.2 - 412.4, подраздел 413.3; ГОСТ Р 50571.8, раздел 471; ГОСТ Р 50571.17, раздел 482; ГОСТ Р 50571.15, раздел 527; ГОСТ Р 50571.5, раздел 43. Примечание - Соблюдение требований ГОСТ Р 50571.3, пункт 413.3 «Защита путем размещения оборудования в изолирующих (непроводящих) помещениях, зонах, площадках» подлежит проверке исключительно там, где в состав электроустановки входит только стационарно подключаемое электрооборудование; b) наличие противопожарных уплотнений и соблюдение других мер предосторожности, препятствующих распространению огня, и для защиты от тепловых воздействий обеспечиваются требованиями ГОСТ Р 50571.4, раздел 422; ГОСТ Р 50571.15, раздел 527; c) выбор проводников в соответствии с допустимыми нагрузками по току и падениями напряжения ГОСТ Р 50571.5, ГОСТ Р 50571.15, раздел 525; d) выбор и установочные параметры устройств защиты, контроля и сигнализации согласно требованиям [11], проектной и исполнительной документации; e) наличие и правильное расположение соответствующих отключающих и коммутирующих устройств согласно требованиям [11] и проектной и исполнительной документации; f) выбор электрооборудования и защитных мер в зависимости от внешних воздействий согласно требованиям ГОСТ Р 50571.24, подраздел 512.2, ГОСТ Р 50571.3, раздел 422, ГОСТ Р 50571.15, раздел 522; g) проверку маркировки (идентификации) нулевых рабочих и защитных проводников по ГОСТ Р 50571.24, подраздел 514.3; h) наличие однополюсных переключающих устройств в фазных проводниках согласно требованиям [11], проектной и исполнительной документации; i) наличие схем, предупреждающих надписей или другой подобной информации по ГОСТ Р 50571.24, подраздел 514.5; j) проверку маркировки (идентификации) цепей, устройств защиты от сверхтоков, выключателей, клемм и др. по ГОСТ Р 50571.24, раздел 514; к) правильность соединения проводников по ГОСТ Р 50571.15, раздел 526; l) наличие и правильный выбор защитных проводников, включая основные и дополнительные выравнивающие проводники по ГОСТ Р 50571.10; m) доступность удобной работы, идентификации и технического обслуживания электроустановки по ГОСТ Р 50571.24, разделы 513, 514; n) наличие и правильный выбор (при необходимости) мер защиты электроустановок: в зависимости от внешних условий - ГОСТ Р 50571.17, раздел 482; защиты электроустановок до 1 кВ от перенапряжений, вызванных замыканиями на землю в электроустановках выше 1 кВ - - ГОСТ Р 50571.18, раздел 442; от грозовых и коммутационных перенапряжений – ГОСТ Р 50571.19, раздел 443; от перенапряжений, вызванных электромагнитными воздействиями согласно требованиям ГОСТ Р 50571.20, раздел 444; о) наличие и правильный выбор (при необходимости) измерительного трансформатора тока до 1000 В по ГОСТ 7746. 612 Испытания612.1 Общие положенияВ зависимости от состава используемых мер защиты должны быть выполнены следующие проверки, измерения и испытания с учетом требований [2], предпочтительно в приведенной ниже последовательности: - испытания непрерывности защитных проводников, включая проводники главной и дополнительной систем уравнивания потенциалов (см. 612.2); - измерение сопротивления изоляции электроустановки (см. 612.3); - проверка защиты посредством разделения цепей (см. 612.4); - измерение сопротивления изоляции пола и стен (см. 612.5); - проверка защиты, обеспечивающей автоматическое отключение источника питания (см. 612.6); - проверка полярности (см. 612.7); - испытания на электрическую прочность (см. 612.8); - проверка работоспособности (см. 612.9); - проверка на термическое воздействие; проверка на падение напряжения (см. 612.10) - проверка прочности крепления розеток и выключателей по ГОСТ 8594. В случае если в результате какого-либо испытания выявляется несоответствие требованиям настоящего стандарта, данное испытание и любое предшествующее ему испытание, на результаты которого может оказывать влияние выявленный дефект, после устранения этого дефекта должны быть проведены повторно. Методы проведения испытаний, описанные в данном разделе, приводятся только в качестве справочного материала; применяют также и другие методы, если они дают не менее достоверные результаты. Средства измерений, используемые для проведения испытаний по требованиям безопасности, должны соответствовать требованиям ГОСТ Р 51350 и стандартов комплекса ГОСТ Р МЭК 61557. Примечание - Испытания электроустановок во взрывоопасных зонах и в зонах опасных по воспламенению горючей пыли проводят с учетом требований безопасности по ГОСТ Р 52350.17 и МЭК 61241-17 [17]. 612.2 Непрерывность защитных проводников, включая главные и дополнительные проводники системы уравнивания потенциаловДолжно быть проведено испытание на непрерывность электрической цепи. Рекомендуется проводить это испытание с использованием источника электропитания, имеющего напряжение холостого хода от 4 до 24 В постоянного или переменного тока при минимальном токе 0,2 А. 612.3 Сопротивление изоляции электроустановкиСопротивление изоляции измеряют: а) между токоведущими проводниками, взятыми по очереди «два к двум» относительно друг друга. Примечание - На практике эти измерения могут быть выполнены только в процессе монтажа электроустановок до присоединения электроприборов; б) между каждым из токоведущих проводников и «землей». Примечания 1 В системе заземления TN-C PEN-проводник рассматривают как часть «земли». 2 Во время испытания фазный и нулевой рабочий проводники могут быть соединены вместе. Таблица 61А - Минимальное значение сопротивления изоляции
Сопротивление изоляции, измеренное при испытательном напряжении, указанном в таблице 61 А, считают удовлетворительным, если каждая цепь с отсоединенными электроприемниками имеет сопротивление изоляции не менее значения, приведенного в таблице 61 А. Измерения должны быть проведены на постоянном токе. Рекомендуется, чтобы испытательная аппаратура обеспечивала подачу испытательного напряжения, указанного в таблице 61 А, нагрузке 1 мА. Если в состав цепи входят электронные приборы, то должно быть измерено сопротивление изоляции между соединенными вместе фазными и нулевым рабочим проводниками и «землей». Примечания Эта мера предосторожности необходима в связи с тем, что проведение испытания без соединения токоведущих проводников может привести к повреждению электронных приборов. Для измерения нейтральный проводник должен быть отделен от защитного проводника. В системах TN-C измерение проводят между токоведущими проводниками и PEN-проводником. В пожароопасных помещениях сопротивление изоляции измеряют между токоведущими проводниками. На практике может возникнуть необходимость провести измерение во время монтажа электроустановки до подключения оборудования. 612.4 Защита разделением цепейРазделение токоведущих частей одной цепи от других цепей и от «земли» в соответствии с требованиями ГОСТ Р 50571.3, подразделы 411.1 и 413.5 должно проверяться измерением сопротивления изоляции. Полученные значения сопротивлений изоляции должны соответствовать значениям, указанным в таблице 61 А. При этом, по возможности, электроприемники должны быть подсоединены. 612.5 Сопротивление пола и стенЕсли требуется обеспечить соответствие требованиям ГОСТ Р 50571.3, подраздел 413.3, для изолирующих (непроводящих) помещений, зон, площадок, серия, по крайней мере, из трех измерений должна быть проведена в одном и том же помещении. Одно из этих измерений должно быть проведено примерно на расстоянии 1 мот любой из сторонних проводящих частей в данном помещении. Два других измерения проводят на более значительных расстояниях. Вышеуказанная серия измерений должна повторяться для каждой соответствующей поверхности помещения. Пример одного из методов измерения сопротивления изоляции пола и стен приведен в приложении А. 612.6 Проверка защиты, обеспечивающей автоматическое отключение источника питания612.6.1 Общие положенияПроверку эффективности мер защиты от косвенного прикосновения посредством автоматического отключения источника электропитания осуществляют следующим образом. a) Для систем TN В соответствии с требованиями ГОСТ Р 50571.3, подпункт 413.1.3.3, проверяют: 1) измерением - сопротивления петли «фаза - нуль» (см. 612.6.3). Примечания 1 Соответствие стандарту может быть подтверждено измерением сопротивления защитных проводников в условиях, описанных в приложении Е. 2) Вышеуказанные измерения не проводят, если имеются расчеты сопротивления петли «фаза-нуль» или сопротивления защитных проводников и если расположение электроустановки позволяет проверить длину и поперечное сечение проводников. В этом случае проверка непрерывности защитных проводников (см. 612.2) является достаточной. 2) проверкой - характеристики защитного устройства (т.е. путем визуального осмотра значения номинального тока уставки расцепителя и плавкой вставки предохранителя, а также испытанием устройства защитного отключения). Примечание - Примеры методов испытания устройств защитного отключения приведены в приложении В. Кроме того, должно предусматриваться наличие эффективного заземляющего сопротивления Rb там, где это необходимо согласно ГОСТ Р 50571.3, подпункт 413.1.3.7. b) Для систем ТТ Соответствие требованиям ГОСТ Р 50571.3, подпункт 413.1.4.2, должно быть проверено: 1) измерением - сопротивления заземлителя для открытых проводящих частей электроустановки (см. 612.6.2); 2) проверкой - характеристик защитного устройства. Данная проверка должна быть проведена: - для устройств защитного отключения - визуальным осмотром и испытанием. Примечание - Примеры методов испытания устройств защитного отключения приведены в приложении В; - для защитных устройств от сверхтоков - визуальным осмотром (т.е. визуальным осмотром значения номинального тока уставки автоматических выключателей, тока плавкой вставки для предохранителей); - для защитных проводников - путем контроля их непрерывности (см. 612.1). c) Для систем IT Соответствие требованиям ГОСТ Р 50571.3, подпункт 413.1.5.3, должно быть проверено расчетом или измерением тока первого замыкания на «землю» (первичного повреждения). Примечания 1 Данное измерение не требуется, если все открытые проводящие части электроустановки присоединены к системе заземления источника электропитания по ГОСТ Р 50571.2, пункт 312.2.3, в случае, если система соединена с «землей» через сопротивление по ГОСТ Р 50571.3, подпункт 413.1.5.1. 2 Измерение проводят только в том случае, если расчет провести невозможно из-за того, что соответствующие параметры неизвестны. При проведении этого измерения должны быть приняты меры предосторожности во избежание опасности, которая может возникнуть вследствие двойного замыкания на «землю». Там, где возникают условия, аналогичные условиям, возникающим в системах ТТ в случае второго замыкания на «землю» (при вторичном повреждении) согласно ГОСТ Р 50571.3, подпункт 413.1.5.5, перечисление а), проверку проводят в соответствии с положениями данного пункта, перечисление b). Там, где возникнут условия, аналогичные условиям, возникающим в системах TN согласно ГОСТ Р 50571.3, подпункт 413.1.5.5, перечисление b), проверку проводят в соответствии с положениями данного пункта, перечисление а). Примечание - В процессе измерения сопротивления петли «фаза-нуль» необходимо подсоединить сопротивление с небольшим значением между нейтральной точкой системы и защитным проводником в самом начале конструкции электроустановки. 612.6.2 Измерение сопротивления заземлителяИзмерение сопротивления заземлителя там, где это требуется по ГОСТ Р 50571.3, подпункт 413.1.4.2, относительно систем ТТ, по ГОСТ Р 50571.3, подпункт 413.1.3.2, относительно систем TN и ГОСТ Р 50571.3, подпункт 413.1.5.3, относительно систем IT, осуществляется соответствующим методом. Примечания 1 Пример метода измерения с использованием двух вспомогательных электродов заземления приведен в приложении С (методы 1 и 2). 2 Там, где в системе ТТ расположение электроустановки является таковым (например, в городе), что фактически невозможно обеспечить наличие двух вспомогательных заземляющих электродов, измерение полного сопротивления (или активного сопротивления растеканию) даст в результате завышенное значение. 612.6.3 Измерение полного сопротивления петли «фаза-нуль»Измерение полного сопротивления петли «фаза-нуль» проводят на частоте, равной номинальной частоте сети. Примечание - Примеры методов измерения полного сопротивления петли «фаза-нуль» приведены в приложении D. Измеренное полное сопротивление петли «фаза-нуль» должно соответствовать требованиям ГОСТ Р 50571.3, подпункт 413.1.3.3, для системы TN и ГОСТ Р 50571.3, подпункт 413.1.5.6, - для систем IT. Примечание - Если на величину полного сопротивления петли «фаза-нуль» могут повлиять значительные токи короткого замыкания на землю, то могут приниматься в расчет результаты измерений, проведенные при таких токах в заводских или лабораторных условиях. Это относится к комплектным устройствам производственного изготовления, в том числе систем сборных шинопроводов, металлических кабелепроводов и кабелей с металлическими оболочками. Там, где требования настоящего подпункта не удовлетворяются, или в случае возникновения сомнения, а также там, где согласно ГОСТ Р 50571.3, пункт 413.1.6, применяется дополнительное уравнивание потенциалов, эффективность этого соединения проверяют методом по ГОСТ Р 50571.3, подпункт 413.1.6.2. 612.7 Проверка полярностиТам, где запрещена установка однополюсных выключающих аппаратов в нулевом рабочем проводнике, проверка полярности должна быть проведена так, чтобы удостовериться в том, что все такие аппараты включены только в фазный проводник. Проверку правильности установки отключающих аппаратов в фазном проводе проводят на включенной под напряжением электроустановке. 612.8 Проверка работоспособности (функциональные испытания)Комплектные устройства, например распределительные устройства и щиты управления, приводы, системы управления и блокировки, должны быть проверены на работоспособность с тем, чтобы убедиться, что они правильно смонтированы, отрегулированы и установлены в соответствии с требованиями стандартов комплекса ГОСТ Р 50571. Аппараты защиты в случае необходимости должны быть проверены на работоспособность, чтобы удостовериться в правильности их установки и регулировки. Примечание - Методы проверки работы устройств защитного отключения приведены в качестве примеров в приложении В. 612.9 Проверка последовательности чередования фазДля многофазных цепей проверяют последовательность чередования фаз. 612.10 Проверка падения напряженияПримечание - Падение напряжения в электроустановках не должно превышать 4 % номинального напряжения электроустановки. Временно действующие условия, например переходные процессы и колебания напряжения, вызванные неправильной (ошибочной) коммутацией, не учитывают. При проверке соответствия необходимо использовать следующие параметры: - падение напряжения, определенное измерением полного сопротивления цепи; - падение напряжения, определенное с помощью диаграммы, пример которой приведен в приложении Е (см. рисунок Е.1). 612.11 Проверка прочности крепления розеток и выключателейПроверку прочности крепления розеток и выключателей бытового и аналогичного назначения проводят методами, описанными в ГОСТР 51322.1 и ГОСТР 51324.1, с учетом требований ГОСТ 8594. 612.12 Протокол испытанийПосле проведения испытаний оформляют протокол испытаний с учетом требований ГОСТ Р ИСО/МЭК 17025, ГОСТ Р 51672 и настоящего стандарта. 62 Периодический контроль62.1 Общие положения62.1.1 При необходимости проводят визуальный осмотр и периодические испытания каждой электроустановки в соответствии с 62.1.2 - 62.1.6. Периодический осмотр и испытание электроустановок проводят с целью определения, не ухудшилось ли состояние электроустановки или ее части настолько, чтобы представлять опасность при эксплуатации, и соответствуют ли они действующим нормативным документам. Дополнительно необходимо проверить, не изменились ли условия использования помещений по сравнению с теми, для которых данная электроустановка предназначалась. Примечание - Информация, необходимая для проведения приемо-сдаточных испытаний, пригодна также для периодических осмотров и испытаний. Необходимо также учитывать протоколы и рекомендации периодических испытаний, проведенных ранее. 62.1.2 Периодические испытания, включающие в себя контроль технического состояния электроустановки, проводят без демонтажа или при частичном демонтаже электроустановки и (если необходимо) дополняют проведением соответствующих измерений в соответствии с разделом 61, в том числе проверкой соблюдения требований о времени отключения электрической сети по ГОСТ Р 50571.3, предъявляемых к устройствам защиты, с проверкой требований с целью обеспечения: а) безопасности человека или животных при возможном поражении электрическим током и ожогах; б) защиты имущества от повреждений при пожаре либо перегреве, вызванном неисправностью электроустановки; в) подтверждения того, что состояние электроустановки не ухудшилось настолько, чтобы она представляла опасность при дальнейшей эксплуатации; г) идентификации дефектов электроустановки и отклонений от требований настоящего стандарта, которые могут стать источником опасности. При отсутствии протоколов предыдущих периодического осмотра и испытания проводят дополнительные испытания. 62.1.3 Во время периодических испытаний необходимо соблюдать меры предосторожности, во избежание нанесения ущерба здоровью человека или животных, а также повреждения имущества людей и оборудования в случае неисправности электрической цепи. Средства измерений, используемые для проведения испытаний по требованиям безопасности, должны соответствовать ГОСТ Р 51350 и стандартам комплекса ГОСТ Р МЭК 61557. Если применяют другие приборы, то они должны иметь аналогичные рабочие характеристики и обеспечивать безопасность электроустановок при их применении. 62.1.4 Объем и результаты периодических испытаний конкретной электроустановки или ее части заносят в протокол. 62.1.5 Любое повреждение, дефект, ухудшение состояния или нарушение требований безопасности электроустановки заносят в протокол. Кроме того, значительное снижение объема проведения испытания, предусмотренного требованиями настоящего стандарта, и объяснение причин этого снижения также отражают в протоколе. 62.1.6 Испытания должны проводиться квалифицированными специалистами, компетентными в области испытаний электроустановок. 62.1.7 Объем периодических испытаний Периодические испытания должны включать в себя, по крайней мере: - визуальный осмотр электроустановки, включая проверку защиты от прямого прикосновения и возгорания; - испытание сопротивления изоляции; - испытание непрерывности защитных проводников; - проверку целостности нулевого проводника; - испытание защиты от косвенного прикосновения; - проверку работоспособности устройств защитного отключения (см. приложение В). Рекомендуется оперативное тепловизионное обследование состояния электроустановок и их частей с целью оценки их технического состояния по действующим нормативным документам с учетом требований [18] (см. приложение G). 62.2 Интервал между периодическими осмотрами и испытаниями62.2.1 Интервал между периодическими осмотрами и испытаниями электроустановки определяют в соответствии с типом электроустановки и электрооборудования, ее эксплуатацией и режимом работы, качеством электрической энергии питающей сети, интервалом и качеством технического обслуживания, а также условиями внешней среды. Периодические испытания электроустановок проводят через минимальный интервал времени. Примечания 1 Минимальный интервал времени проведения испытаний определяет потребитель электроустановки. 2 Данный интервал времени может быть установлен, например, один раз в два года, за исключением следующих случаев, при которых может существовать более высокий риск, что требует более короткого периода времени между осмотрами и испытаниями: - при наличии рабочих мест и зоны, в которых существует опасность снижения качества установки, возгорания или взрыва; - при наличии рабочих мест и зоны, где присутствует как низкое, так и высокое напряжение; - в случае использования коммунальных электроустановок; - для строительных площадок; - для зон, где используют переносное оборудование (например аварийные светильники). 3 Для жилых помещений, интервалы времени между проведением проверок могут увеличиваться. 4 При изменении условий эксплуатации жилого помещений обязательно проводят проверку состояния электроустановки. 5 В случае отсутствия протокола предыдущих периодических испытаний проводят дополнительные испытания. Следует также учитывать результаты и рекомендации предыдущих испытаний (при наличии). 62.2.2 При эффективной системе управления и профилактическом обслуживании электроустановки при нормальной эксплуатации периодический контроль заменяют соответствующим непрерывным контролем и техническим обслуживанием электроустановки и ее частей, выполняемыми квалифицированным персоналом согласно инструкций изготовителя. Соответствующие записи об этом заносят в протокол. 62.3 Отчет о периодическом контроле62.3.1 После каждого периодического контроля составляют отчет, который, в дополнение ко всей информации об осмотре, проведенных испытаниях и их результатах, должен включать в себя информацию о любых изменениях или модернизации и реконструкции электроустановки и выявленных несоответствиях установки или ее частей действующим нормативным документам. Приложение А
| ||||||||||||||||||||||||||||||||||||||||||||||||||||||||||||||||||||||||||||||||||||||||||||||||||||||||||||||||||||||||||||||||||||||||||||||||
|
|
(В.1) |
где UL - предельное нормируемое напряжение прикосновения, В.
Примечания
1 Метод 3 может быть использован только в том случае, если расположение электроустановки позволяет использовать вспомогательный электрод
2 Метод 3 может быть использован для систем TN-S, ТТ и IT. В системе IT может быть необходимым при проведении испытаний соединение точки системы с землей для обеспечения срабатывания устройства защитного отключения
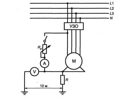
3 Методы 1 - 3 довольно просты и не требуют применения сложных измерительных приборов. Проверка устройств защитного отключения, осуществляемая этими методами, позволяет установить только факт работоспособности устройств и определить только один параметр - номинальный отключающий дифференциальный ток - I∆n, что явно недостаточно. Указанные методы применимы для проверки устройств защитного отключения только типа АС, поскольку для типов А и В требуются специальные приборы.
Пример проведения измерения сопротивления заземлителя в качестве примера может быть принята следующая методика (см. рисунке С.1).

Зоны растекания (не перекрывающиеся)
Т-заземлитель, подлежащий испытанию, отключенный от всех источников питания; Т1 - вспомогательный заземляющий электрод; Т2 - второй вспомогательный заземляющий электрод; X- измененное положение Т2 для проверочного измерения; У - другое измененное положение Т2 для проверочного измерения
Рисунок С.1 - Измерение сопротивления электрода заземления
Переменный ток неизменного значения пропускают между заземлителем T и вспомогательным электродом заземления Т1, расположенным на таком расстоянии, чтобы зоны растекания двух заземлителей не перекрывались.
Второй вспомогательный электрод заземления Т2, в качестве которого может использоваться металлический стержень, погруженный в землю, помещают между электродами Т и Т2. Затем измеряют падение напряжения между T и Т2.
Сопротивление заземлителя равно напряжению между электродами Т и Т2, деленному на ток, протекающий между Т и Т1 при условии, что нет перекрытия зон растекания.
Для того, чтобы проверить правильность определения сопротивления заземлителя, проводят два дополнительных измерения, при которых второй вспомогательный электрод Т2 переносят соответственно на 6 м дальше и на 6 м ближе к Т. Если три результата существенно не отличаются, то их среднее значение принимают за значение сопротивления заземления Т. Если имеется существенное различие, то испытания повторяют при увеличенном расстоянии между электродами T и T1,
В случае проведения испытаний на переменном токе промышленной частоты внутреннее сопротивление используемого вольтметра должно быть не менее 200 Ом/В.
Источник тока, используемый для испытания, должен быть отделен от питающей электросети (например, путем использования разделительного трансформатора).
С.2 Измерение сопротивления заземляющего контура с помощью токоизмерительных клещей
Данный метод измерения предназначен для действующих контуров заземления внутри ячеистой системы заземления.
Первый зажим индуктирует измеряемое напряжение U на контуре, второй - измеряет ток I внутри контура. Сопротивление контура рассчитывают делением напряжения U на ток I.
Так как полученное значение параллельных сопротивлений R1 и Rn обычно в расчет не принимают, то неизвестное сопротивление должно быть равно измеренному сопротивлению контура или немного менее этой величины.
Зажимы допускается подключать к проводнику по отдельности или объединять в один зажим.
Данный метод может напрямую использоваться в системах TN, а также внутри ячеистой системы заземления ТТ.
В системах ТТ, где значение заземления неизвестно, заземляющий контур во время измерения может быть кратковременно замкнут перемычкой между заземлителем и нейтральным проводом (квазисистема TN).
Во избежание несчастных случаев в результате образования разницы напряжений между нейтральным проводом и заземлителем при подключении и отключении приборов систему следует отключать от сети.

RТ - сопротивление заземления трансформатора; Rх - неизвестная величина сопротивления заземления, которую необходимо измерить; R1…Rn - параллельные заземления, подключенные при помощи системы выравнивания потенциалов или PEN-проводника
Рисунок С.2 - Схема измерения сопротивления заземляющего контура с помощью токоизмерительных клещей
Измерение полного сопротивления петли «фаза-нуль» проводят в соответствии с 612.6.3. В качестве примера может быть рассмотрен метод измерения с помощью падения напряжения.
Примечания
1 Методы, представленные в данном приложении, позволяют получить лишь приблизительные значения полного сопротивления петли «фаза-нуль», так как не учитывают векторную природу напряжения, т.е. условия, возникающие во время реального замыкания на «землю». Однако данная степень приближенности приемлема при незначительном измеряемом реактивном сопротивлении цепи.
2 Перед проведением измерения полного сопротивления петли «фаза-нуль» рекомендуется провести испытание на непрерывность между нейтральной точкой и открытыми проводящими частями.
Метод 1. Измерение сопротивления петли «фаза-нуль» способом падения напряжения
Примечание - Следует обратить внимание на определенные трудности при применении данного метода.
Напряжение в испытуемой цепи измеряют с включенным и отключенным сопротивлением нагрузки, и сопротивление петли «фаза-нуль», Ом, рассчитывают по формуле
|
|
(D.1) |
где Z - полное сопротивление петли «фаза-нуль», Ом;
U1 - напряжение, измеренное при отключенном сопротивлении нагрузки, В;
U2 - напряжение, измеренное при включенном сопротивлении нагрузки, В;
IR - ток, протекающий через сопротивление нагрузки, А.
Примечание - Разница между U1 и U2 должна быть значительной.

Рисунок D. 1 - Схема измерения (метод 1)
Метод 2. Измерение сопротивления петли «фаза-нуль» с помощью отдельного источника электропитания
Измерение проводят при отключенной электросети и закороченной первичной обмотке питающего трансформатора. При этом используют напряжение от отдельного источника питания (см. рисунок D.2) и сопротивление петли «фаза-нуль» рассчитывают по формуле
|
|
(D.2) |
где Z - сопротивление петли «фаза-нуль», Ом;
U - измеренное испытательное напряжение, В;
I - измеренный испытательный ток, А

Рисунок D.2 - Схема измерения (метод 2)

Примечания
1 Максимальная длина кабеля с падением напряжения 4 % обеспечивается при номинальном напряжении 400 В, трехфазной системе электропроводки кабелей с поливинилхлоридной изоляцией и медными жилами и температуре нагрева изоляции 55 °С.
2 При однофазной системе электропроводки и номинальном напряжении 230 В максимальную длину кабеля делят на два.
3 При кабелях с алюминиевыми жилами максимальную длину кабеля делят на 1,6.
4 Данную ориентировочную схему не применяют при длительно допустимых токах для проводников.
Рисунок Е.1 - Ориентировочная схема определения значения падения напряжения, %, в электропроводах
В настоящем приложении представлены технические требования, правила приемки и методы испытаний, которые дополняют или изменяют соответствующие разделы и/или пункты стандарта.
Нумерация пунктов и подпунктов настоящего приложения соответствует нумерации пунктов настоящего стандарта.
F.611
F.611.2 Данная проверка предназначена также, чтобы убедиться, что оборудование установлено в соответствии с инструкциями изготовителя и его работоспособность при этом не ухудшилась.
F.611.3
Второй абзац
а) Наличие противопожарных уплотнений согласно ГОСТ Р 50571.15, подраздел 527.2, и других средств, препятствующих распространению огня, а также защиты от тепловых воздействий по ГОСТ Р 50571.15, подразделы 527.3 и 527.4.
Установка уплотнений подтверждается соответствием монтажным инструкциям, разработанным на основе типовых испытаний МЭК для соответствующих материалов (на рассмотрении в ИСО). Никаких других испытаний после этого не требуется.
б) Защита от термических эффектов согласно ГОСТ Р 50571.4, глава 4 и по ГОСТ Р 50571.5, глава 43. Правила главы 4, касающиеся защиты от термических эффектов, относятся к нормальным условиям работы, т.е. при отсутствии аварий.
Защита от сверхтока электропроводок является предметом согласно ГОСТ Р 50571.5, глава 43 и по ГОСТ Р 50571.9, раздел 473.
Работу аппаратов защиты в результате аварии, включая короткое замыкание, или перегрузки рассматривают как работу в нормальных условиях.
в) Защита от возгорания согласно ГОСТ Р 50571.17, глава 482.
Требования согласно ГОСТ Р 50571.17, раздел 482, для пожароопасных зон подразумевают, что защита от сверхтока выполнена в соответствии с правилами по ГОСТ Р 50571.5, глава 43.
Третий и четвертый абзацы
Выбор проводников по длительно допустимому току и потере напряжения, выбор устройств защиты и сигнализации и уставок их срабатывания.
Выбор проводников, включая их сечения и материал, способ монтажа, монтаж, а также уставки защитных устройств проверяют в соответствии с расчетами проектировщика электроустановок согласно требованиям стандартов комплекса ГОСТ Р 50571 и особенно ГОСТ Р 50571.3, глава 41, ГОСТ Р 50571.5, глава 43, ГОСТ Р 50571.15, глава 52, и ГОСТ Р 50571.10, глава 54.
Восьмой абзац
Наличие схем, предупреждающих надписей или другой подобной информации
Схема, определенная по ГОСТ Р 50571.24, пункт 514.5, особенно необходима, если электроустановка имеет несколько распределительных пунктов.
Десятый абзац
Правильность соединения проводников.
Целью этой проверки является проверка правильности выбора соединителей для проводников и их монтажа.
В случае сомнения рекомендуется измерить сопротивление соединений: значение сопротивления не должно превышать значение сопротивления проводника длиной 1 м и поперечным сечением, равным наименьшему сечению соединяемых проводников.
Одиннадцатый абзац
Доступность для удобной работы, идентификации и обслуживания электроустановки.
Необходимо проверить, чтобы рабочие приборы были легкодоступны оператору.
F.612 Испытания
F.612.2
Непрерывность защитных проводников, включая проводники главной и дополнительной систем уравнивания потенциалов
Данное испытание, необходимое для проверки действия защиты, осуществляемой посредством отключения питания (см. 612.6), считают удовлетворительным, если прибор, используемый для испытания, дает соответствующие показания.
Примечание - Ток, используемый для испытания, должен быть малым, чтобы не вызвать опасности возгорания или взрыва.
F.612.3
Измерения проводят на отключенной электроустановке.
Обычно измерение сопротивления изоляции проводят на вводе установки.
Если измеренное значение сопротивления изоляции окажется менее приведенного в таблице 61 А, установка может быть разделена на несколько участков, и проводят измерение сопротивления изоляции каждого участка. Если для какого-либо участка установки измеренное сопротивление изоляции будет менее определенного в таблице 61 А, необходимо измерить сопротивление изоляции каждой цепи этого участка электроустановки.
Если несколько цепей или их частей отключаются защитой минимального напряжения (например, контакторами, отключающими все токоведущие проводники), сопротивление изоляции этих цепей или их частей измеряют раздельно.
Если некоторые электроприемники присоединены к цепи стационарно, то измерения разрешается проводить между токоведущими проводниками и «землей».
Если при этом значение сопротивления изоляции окажется меньше приведенного в таблице 61А, то электроприемники отсоединяют и измерения повторяют.
F.612.4
Если оборудование имеет как отделенную цепь, так и другие цепи, требуемая изоляция обеспечивается конструкцией электрооборудования, соответствующей требованиям безопасности.
Если стационарный разделительный источник электропитания не имеет соответствующей маркировки, необходимо проверить, что его вторичные цепи имеют двойную или усиленную изоляцию относительно его корпуса (для передвижных источников питания согласно требованиям ГОСТ Р 50571.3, подпункт 413.5.1.1).
F.612.6
Проверка защиты, обеспечивающей автоматическое отключение источников питания
F.612.6.3 Измерение полного сопротивления петли «фаза-нуль»
В приложении D приведены следующие примеры методов измерения сопротивления петли «фаза-нуль».
а) Рассмотрение повышения сопротивления проводников, вызванного повышением температуры.
Если измерения проведены при комнатной температуре и малых токах, то для того, чтобы принять в расчет повышение сопротивления проводников в связи с повышением температуры, вызванного током замыкания, и убедиться для системы TN в соответствии измеренного значения сопротивления петли «фаза-нуль» требованиям ГОСТ Р 50571.3, пункт 413.1.3, может быть применен нижеприведенный метод.
Считают, что требования ГОСТ Р 50571.3, пункт 413.1.3, выполнимы, если измеренное значение петля «фаза-нуль» соответствуют уравнению
|
|
(F.1) |
где Zs(m) - измеренное значение сопротивления петли «фаза-нуль», Ом;
U0 - фазное напряжение, В;
Iа – значение тока, вызывающего автоматическое срабатывание аппаратов защиты в течение времени, указанного в таблице 41 А, или в течение 5 с в соответствии с условиями, приведенными в ГОСТ Р 50571.3, пункт 413.1.3, [А].
Если измеренное значение сопротивления петли «фаза-нуль» превышает 2U0 /3Ia более точно оценить соответствие требованиям ГОСТ Р 50571.3, пункт 413.1.3, можно измерением значения сопротивления петли «фаза-нуль» в следующей последовательности:
- сначала измеряют сопротивление петли «фаза-нуль» источника питания на вводе электроустановки Ze;
- затем измеряют сопротивление фазного и защитного проводников сети от ввода до распределительного пункта или щита управления;
- измеряют сопротивление фазного и защитного проводников от распределительного пункта или щита управления до электроприемника;
- значения сопротивлений фазного и нулевого защитного проводников увеличивают для учета повышения температуры проводников при протекании по ним тока замыкания. При этом необходимо учитывать значение тока срабатывания аппаратов защиты;
- эти увеличенные значения сопротивления прибавляют к величине сопротивления петли «фаза-нуль» источника питания Ze и в результате получают реальную величину Z в условиях замыкания.
б) Измерение сопротивления защитных проводников
Измерение сопротивления петли «фаза-нуль» может быть заменено измерением сопротивления R между любой открытой проводящей частью и ближайшей точкой главной системы уравнивания потенциалов при следующих условиях:
- защитный проводник должен составлять единую электропроводку с фазными проводниками и не содержать участков из ферромагнитных материалов. В этом случае реактивным сопротивлением можно пренебречь.
Примечание - Защитные проводники включают в себя металлические трубы и другие металлические оболочки проводников на условиях, определенных в ГОСТ Р 50571.10, подраздел 543.2;
- сечение защитных проводников не превышает 95 мм2 по меди.
Рекомендуется, чтобы измерения проводились с источником питания напряжением в пределах 4-24 В переменного или постоянного тока при токе не менее 0,2 А.
Измеренное сопротивление R, Ом, должно удовлетворять следующим условиям:
1) когда сопротивлением источника питания можно пренебречь
|
|
(F.2) |
|
|
(F.3) |
|
|
(F.4) |
где U0 - номинальное напряжение между фазой и нейтралью, В;
U - номинальное напряжение между фазами, В;
Iа - ток А, обеспечивающий срабатывание отключающего защитного аппарата за время, определенное в ГОСТ Р 50571.3, таблица 41А для системы ТN или в ГОСТ Р 50571.3, таблица 41В для системы IT, или при условиях, приведенных в ГОСТ Р 50571.3, пункт 413.3.5, в течение 5 с.
т - отношение R/Rph, равное
|
|
(F.5) |
где Rh - сопротивление фазного проводника, находящегося в той же самой электропроводке, что и защитный проводник, Ом;
R - сопротивление защитного проводника между любой открытой проводящей частью и ближайшей точкой главной системы уравнивания потенциалов, Ом.
Примечание - Для того, чтобы измеренное значение R отвечало вышеуказанному условию, например в случае системы TN, заменяя сопротивление петли Zs на R, получим
|
|
(F.6) |
Для выполнения условия для сопротивления петли «фаза-нуль» (в соответствии с ГОСТ Р 50571.3, пункт 413.1.3.3, для системы TN) необходимо, чтобы
|
|
(F.7) |
или
|
|
(F.8) |
При т = 1 условие будет выполнено, если
|
|
(F.9) |
С увеличением т допустимое значение измеренного сопротивления R также увеличивается. Например, при т = 2 условие будет выполнено, если
|
|
(F.10) |
2) когда сопротивлением источника питания нельзя пренебречь, например, для системы TN
|
|
(F.11) |
Примечание - Коэффициент 0,8 является электрической величиной отношения между сопротивлением защищаемой цепи и сопротивлением петли «фаза-нуль». Как показывает опыт, это значение справедливо в большинстве случаев.
Если известно реальное значение этого коэффициента, то коэффициент 0,8 должен быть заменен на это реальное значение.
G.1 Общие положения
G.1.1 На основании тепловизионного обследования принимают решение о необходимости ремонта или его замены электроустановки или ее частей, уточняются объем и сроки проведения мероприятий по устранению обнаруженных неисправностей.
G.1.2 Аппаратура
Для контроля электроустановок применяют тепловизоры с температурной разрешающей способностью не хуже 0,1 °С при 30 °С и предпочтительно спектральным диапазоном 3-14 мкм, диапазоном измеряемых температур не хуже минус 25 °С…плюс 250 °С, пределы допускаемой погрешности, не более: относительной - ± 2 %, абсолютной - + 2 °С и т.д.
G.2 Предельные значения температуры нагрева и температуры ее превышения приведены в [18] и указаны также в стандартах на конкретные изделия.
Н.1 Протокол испытаний должен содержать достоверные, объективные и точные результаты испытаний, данные об условиях испытаний и погрешности измерений, заключение о соответствии испытуемой электроустановки требованиям нормативных документов и проектной документации и представлять точно, четко и недвусмысленно результаты испытаний и другую, относящуюся к ним информацию.
Н.2 Протокол испытаний должен содержать следующие основные сведения:
- наименование и адрес испытательной лаборатории;
- регистрационный номер, дату выдачи и срок действия аттестата аккредитации, наименование аккредитующей организации, выдавшей аттестат (при наличии), или свидетельство о регистрации в органах государственного энергетического надзора;
- номер и дату регистрации протокола испытаний, нумерацию каждой страницы протокола, а также общее число страниц;
- полное наименование электроустановки и ее частей;
- код ОКП;
- наименование и адрес организации-заявителя или фамилию, имя, отчество заказчика и его адрес;
- дату получения заявки на испытания;
- наименование и адрес монтажной организации;
- сведения о проектной документации, в соответствии с которой смонтирована электроустановка;
- сведения об актах скрытых работ (организация и ее адрес, номер, дата);
- дату проведения испытаний;
- место проведения испытаний;
- климатические условия проведения испытаний (температура, влажность, давление);
- цель испытаний (приемо-сдаточные, для целей сертификации, сличительные, контрольные);
- программу испытаний (объем испытаний в виде перечисления пунктов (разделов) нормативного документа на требования к электроустановке и ее элементному составу).
Примечание - Программа испытаний может быть приведена в приложении к протоколу испытаний;
- нормативный документ, на соответствие требованиям которого проведены испытания (обозначение, правила, нормы и т.п.);
- перечень применяемого испытательного оборудования и средств измерений с указанием наименования и типа испытательного оборудования и средств измерений, диапазона и точности измерений, данных о номере метрологического аттестата или свидетельства и дате последней и очередной аттестации и поверки;
- значения показателей и допусков (при необходимости);
- фактические значения показателей испытаний электроустановок с указанием погрешности измерений;
- вывод о соответствии нормативному документу по каждому показателю;
- информацию о дополнительном протоколе испытаний, выполненных на условиях субподряда (при его наличии);
- заключение о соответствии (или несоответствии) испытанной электроустановки или ее элементов требованиям комплекса стандартов ГОСТ Р 50571 или других нормативных документов;
- подписи и должности лиц, ответственных за проведение испытаний и оформление протокола испытаний, включая руководителя испытательной лаборатории;
- печать испытательной лаборатории (или организации);
- указание на титульном листе о недопустимости частичной или полной перепечатки или копировании без разрешения заказчика (или испытательной лаборатории) на титульном листе;
- на титульном листе указывают, что протокол испытаний распространяется только на испытанную электроустановку.
Н.3 Исправления и дополнения в тексте протокола испытаний после его окончательного оформления не допускаются. При необходимости их оформляют только в виде отдельного документа «Дополнение к протоколу испытаний» (номер, дата) в соответствии с приведенными выше требованиями к протоколу. На конкретные виды испытаний могут оформляться отдельные протоколы, входящие в состав общего протокола испытаний электроустановки.
Н.4 В протоколе испытаний не допускается помещать рекомендации и советы по устранению недостатков или совершенствованию испытаний электроустановок.
Н.5 Копии протоколов испытаний подлежат хранению в испытательной организации не менее шести лет.
Таблица I.1
|
Обозначение ссылочного национального стандарта Российской Федерации |
Обозначение и наименование ссылочного международного стандарта и условное обозначение степени его соответствия ссылочному национальному стандарту |
|
ИСО/МЭК Общие требования к компетентности испытательных и калибровочных лабораторий (NEQ) |
|
|
МЭК 60364-3-93 Электроустановки зданий. Часть 3. Основные характеристики (NEQ) |
|
|
МЭК 60364-4-41-92 Электроустановки зданий. Часть 4. Требования по обеспечению безопасности. Защита от поражения электрическим током (NEQ) |
|
|
МЭК 60364-4-42-80 Электроустановки зданий. Часть 4. Требования по обеспечению безопасности. Защита от тепловых воздействий (NEQ) |
|
|
МЭК 60364-4-43-77 Электроустановки зданий. Часть 4. Требования по обеспечению безопасности. Защита от сверхтока (NEQ) |
|
|
МЭК 60364-4-47-81 Электроустановки зданий. Часть 4. Требования по обеспечению безопасности. Общие требования по применению мер защиты для обеспечения безопасности. Требования по применению мер защиты от поражения электрическим током (NEQ) |
|
|
МЭК 60364-4-473-77 Электроустановки зданий. Часть 4. Требования по обеспечению безопасности. Применение мер защиты от сверхтоков (NEQ) |
|
|
МЭК 60364-5-54-80 Электроустановки зданий. Часть 5. Выбор и монтаж электрооборудования. Глава 54. Заземляющие устройства и защитные проводники (NEQ) |
|
|
МЭК 60364-5-52-93 Электроустановки зданий. Часть 5. Выбор и монтаж электрооборудования. Глава 52. Электропроводки (NEQ) |
|
|
МЭК 60364-6-61-86 Электроустановки зданий. Часть 6. Испытания. Глава 61. Приемо-сдаточные испытания (MOD) |
|
|
МЭК 60364-4-482-82 Электроустановки зданий. Часть 4. Требования по обеспечению безопасности. Глава 48. Выбор мер защиты в зависимости от внешних условий. Раздел 482. Защита от пожара (NEQ) |
|
|
МЭК 60364-4-442-93 Электроустановки зданий. Часть 4. Требования по обеспечению безопасности. Глава 44. Защита от перенапряжений. Раздел 442. Защита электроустановок до 1 кВ от перенапряжений, вызванных замыканиями на землю в электроустановках выше 1 кВ (NEQ) |
|
|
МЭК 60364-4-442-93 Электроустановки зданий. Часть 4. Требования по обеспечению безопасности. Глава 44. Защита от перенапряжений. Раздел 442. Защита электроустановок до 1 кВ от перенапряжений, вызванных замыканиями на землю в электроустановках выше 1 кВ (NEQ) |
|
|
МЭК 60364-4-444-96 Электроустановки зданий. Часть 4. Требования по обеспечению безопасности. Глава 44. Защита от перенапряжений. Раздел 444. Защита электроустановок от перенапряжений, вызванных электромагнитными воздействиями (NEQ) |
|
|
МЭК 60364-5-51-97 Электроустановки зданий. Часть 5. Выбор и монтаж электрооборудования. Глава 51. Общие требования (NEQ) |
|
|
ГОСТ Р 51322.1-99 |
МЭК 60884-1-94 Соединители электрические штепсельные бытового и аналогичного назначения. Часть 1. Общие требования и методы испытаний (NEQ) |
|
МЭК 60669-1-98 Выключатели для бытовых и аналогичных стационарных электрических установок. Часть 1. Общие требования и методы испытаний (MOD) |
|
|
ГОСТ Р 51350.1-99 |
МЭК 61010-1-90 Безопасность электрических контрольно-измерительных приборов и лабораторного оборудования. Часть 1. Общие требования (NEQ) |
|
МЭК 61557-2-97 Сети электрические распределительные низковольтные напряжением до 1000 В переменного тока и 1500 В постоянного тока. Электробезопасность. Аппаратура для испытания, измерения или контроля средств защиты. Часть 2. Сопротивление изоляции (NEQ) |
|
|
МЭК 60079-17:2002 Электрооборудование для взрывоопасных газовых сред. Часть 17. Проверка и техническое обслуживание электроустановок во взрывоопасных зонах (кроме подземных выработок) (NEQ) |
|
Низковольтные электроустановки. Часть 1. Основные положения. Оценка общих характеристик, определения |
|
|
[2] Метрологическое обеспечение испытаний продукции для целей подтверждения соответствия. Методическое пособие, ВНИИМС, М., 2003 |
|
|
[3] Правила устройства электроустановок. (ПУЭ, 7 издание), - М., Энергоатомиздат, 2007: глава 1.8, пункты 1.8.37 и 1.8.39 |
|
|
[4] СниП 3.01.04-87 |
Приемка в эксплуатацию законченных строительством объектов. Общие положения |
|
Низковольтные электроустановки. Часть 6: Испытания |
|
|
Низковольтные электроустановки. Часть 4-41: Требования по обеспечению безопасности - Защита от поражения электрическим током |
|
|
Электроустановки зданий. Часть 4-42: Требования по обеспечению безопасности - Защита от тепловых воздействий |
|
|
Электроустановки зданий. Часть 4-43: Требования по обеспечению безопасности - Защита от сверхтока |
|
|
Электроустановки зданий. Часть 5-51: Выбор и монтаж электрооборудования. Общие правила |
|
|
Электроустановки зданий. Часть 5-52: Выбор и монтаж электрооборудования - Системы электропроводки |
|
|
Электроустановки зданий. Часть 5-53: Выбор и монтаж электрооборудования - Аппаратура защиты и управления |
|
|
Электроустановки зданий. Часть 5-54: Выбор и монтаж электрооборудования - Заземляющие устройства и защитные проводники |
|
|
Электробезопасность в низковольтных распределительных сетях напряжением до 1000 В переменного тока и 1500 В постоянного тока. Аппаратура для испытания, измерения или контроля средств защиты. Часть 5. Сопротивление заземления |
|
|
Электробезопасность в низковольтных распределительных сетях напряжением до 1000 В переменного тока и 1500 В постоянного тока. Аппаратура для испытания, измерения или контроля средств защиты. Часть 6. Устройства защитного отключения, управляемые дифференциальным током в электрических сетях с системами заземления IT и TN |
|
|
Электробезопасность в низковольтных распределительных сетях напряжением до 1000 В переменного тока и 1500 В постоянного тока. Аппаратура для испытания, измерения или контроля средств защиты. Часть 7. Последовательность чередования фаз |
|
|
Электробезопасность в низковольтных распределительных сетях напряжением до 1000 В переменного тока и 1500 В постоянного тока. Аппаратура для испытания, измерения или контроля средств защиты. Часть 8. Устройства текущего контроля сопротивления изоляции в электрических сетях с системой заземления IT |
|
|
[17] Объем и нормы испытаний электрооборудования. СО 34.45-51.300-97, РД 34.45-51.300-97, М., ЭНАС, 2007 |
|
|
Ключевые слова: электроустановки зданий, испытания, приемо-сдаточные испытания, периодические испытания, электробезопасность электроустановок, пожаробезопасность электроустановок, сопротивление изоляции, защита разделением цепей, сопротивление пола и стен, автоматическое отключение источника питания |
|