ИНФОСАЙТ.ру
Госты, стандарты, нормативы. В библиотеке 60000 документов. Регулярное обновление. Круглосуточный бесплатный доступ!
БИБЛИОТЕКА ГОСТОВ, СТАНДАРТОВ И НОРМАТИВОВ

:: АЛГОТРЕЙДИНГ ::


АЛГОТРЕЙДИНГ
шаг за шагом


БЕСПЛАТНЫЕ УРОКИ по созданию торговых роботов на PYTHON с нуля, шаг за шагом.


Минимальные знания на PYTHON.
Библиотеки BackTrader и Pandas, сигналы с Pine Script из TradingView.
Связка с брокерами, телеграм.
Создание простых интерфейсов.

 

Все документы, представленные в каталоге, не являются их официальным изданием и предназначены исключительно для ознакомительных целей. Электронные копии этих документов могут распространяться без всяких ограничений. Вы можете размещать информацию с этого сайта на любом другом сайте.


Открытое акционерное общество
«ВСЕРОССИЙСКИЙ НАУЧНО-ИССЛЕДОВАТЕЛЬСКИЙ ИНСТИТУТ
ГИДРОТЕХНИКИ им. Б.Е. ВЕДЕНЕЕВА»

РЕКОМЕНДАЦИИ ПО ПРОВЕДЕНИЮ
НАТУРНЫХ НАБЛЮДЕНИЙ ЗА ОСАДКАМИ
ГРУНТОВЫХ ПЛОТИН

П 87-2001

ВНИИГ

Санкт-Петербург
2001

В Рекомендациях приведены основные положения, определяющие область их применения, организацию работ по наблюдениям, состав используемой контрольно-измерительной аппаратуры для выполнения измерений осадок и деформаций; указаны основные принципы размещения геодезических знаков и приборов; даны методические рекомендации по проведению натурных наблюдений, обработке и анализу результатов, оценке состояния объектов наблюдений.

Рекомендации предназначены для специалистов, выполняющих натурные наблюдения за работой и состоянием грунтовых плотин, оснований, откосов береговых примыканий, бортов водохранилищ и дающих оценку безопасности сооружений.

Содержание

ПРЕДИСЛОВИЕ

1. ОБЩИЕ ПОЛОЖЕНИЯ

2. СОСТАВ И ОРГАНИЗАЦИЯ РАБОТ ПО НАБЛЮДЕНИЯМ ЗА ОСАДКАМИ ПЛОТИН И ДЕФОРМАЦИЯМИ ОСНОВАНИЙ

3. АППАРАТУРА И ИНСТРУМЕНТЫ ДЛЯ ПРОИЗВОДСТВА НАБЛЮДЕНИЙ ЗА ОСАДКАМИ И ДЕФОРМАЦИЯМИ

4. ОСНОВНЫЕ ПРИНЦИПЫ РАЗМЕЩЕНИЯ ПРИБОРОВ ДЛЯ ИЗМЕРЕНИЯ ОСАДОК И ДЕФОРМАЦИЙ.

ТЕХНИКА УСТАНОВКИ

5. МЕТОДИКА И ТЕХНИКА НАБЛЮДЕНИЙ ЗА ОСАДКАМИ И ДЕФОРМАЦИЯМИ

6. ОБРАБОТКА И АНАЛИЗ РЕЗУЛЬТАТОВ НАБЛЮДЕНИЙ*

6.1. Первичная обработка результатов

6.2. Вторичная обработка результатов

6.3. Анализ результатов наблюдений

6.4. Установление предельно допустимых показателей (критериев) осадки грунтовой плотины*

6.5. Прогнозирование конечной величины и хода осадки плотины

7. РЕКОМЕНДАЦИИ ПО ВЕДЕНИЮ ОТЧЕТНОЙ ДОКУМЕНТАЦИИ ПРИ НАБЛЮДЕНИЯХ ЗА ОСАДКАМИ

ПРИЛОЖЕНИЕ

ОСНОВНЫЕ СВЕДЕНИЯ ОБ АППАРАТУРЕ И ИНСТРУМЕНТАХ

ПРЕДИСЛОВИЕ

Имеющиеся в настоящее время различные документы по натурным наблюдениям за грунтовыми плотинами и другими гидросооружениями являются, в большинстве случаев, нормативными и руководящими. Они регламентируют, главным образом, общие принципы организации и проведения наблюдений. В этих документах практически отсутствуют подробные методические рекомендации по технике проведения наблюдений, интерпретации и правильной оценке результатов натурных наблюдений, которые были бы четко ориентированы на эксплуатационный персонал и исключали бы грубые ошибки и погрешности измерений.

Используемые на объектах «Местные инструкции», разрабатываемые зачастую организациями или отдельными авторами, не имеющими достаточного опыта в натурных наблюдениях, как правило, обладают многими недостатками методического характера, а иногда содержат и ошибочные положения. Это снижает качество контроля за сооружениями и часто делает невозможным объективно оценить их надежность из-за непредставительности и недостоверности получаемой информации.

В настоящее время ВНИИГ им. Б.Е. Веденеева закончил разработку предназначенных для эксплуатационного персонала электростанций комплекта современных методических документов (Рекомендаций) по проведению основных видов натурных наблюдений на плотинах.

Данные Рекомендации посвящены вопросам методики и техники натурных наблюдений за осадками грунтовых плотин и их оснований. Осадка плотин является одним из важных интегральных показателей их работы и эксплуатационной надежности. Натурные наблюдения за осадками и другими видами деформаций и анализ их развития во времени представляют основные источники информации о текущем и прогнозируемом состоянии грунтовых плотин в процессе длительной эксплуатации.

При разработке Рекомендаций использован многолетний опыт натурных наблюдений и исследований, выполненных на ряде отечественных плотин и других ответственных сооружений, а также учтены основные положения ранее выпущенных нормативно-методических документов по данной теме.

Рекомендации содержат разделы, посвященные организации наблюдений за осадками грунтовых плотин, основным принципам размещения приборов в сооружениях, методике и технике проведения наблюдений, обработке и анализу полученных результатов, оценке состояния плотин по данному контролируемому параметру. Рекомендации иллюстрированы значительным количеством рисунков, схем, таблиц и графиков.

Рекомендации могут рассматриваться как документ, направленный на развитие положений «Правил технической эксплуатации электрических станций и сетей Российской Федерации» и реализацию требований Федерального закона «О безопасности гидротехнических сооружений».

Рекомендации разработаны в ОАО «ВНИИГ им. Б.Е. Веденеева» кандидатами технических наук B.C. Кузнецовым и В.А. Крупиным.

1. ОБЩИЕ ПОЛОЖЕНИЯ

Область применения

1.1. Настоящие Рекомендации следует использовать при проведении строительных и эксплуатационных натурных наблюдений за осадками грунтовых плотин и деформациями оснований и откосов.

1.2. Рекомендации распространяются на грунтовые плотины всех классов, входящие в состав энергетических и комплексных гидроузлов.

1.3. Рекомендации содержат требования к организации натурных наблюдений, размещению КИА, сведения о составе и характеристиках КИА; указания по методике и технике наблюдений за осадками и деформациями, по обработке и анализу данных натурных наблюдений и оценке результатов.

1.4. Целью настоящих Рекомендаций является установление единообразного методического подхода к организации и проведению натурных наблюдений на строящихся и эксплуатируемых гидротехнических сооружениях за осадками грунтовых плотин.

1.5. Рекомендации предназначены для использования службами эксплуатации грунтовых плотин, инженерно-техническим персоналом научно-исследовательских и проектных организаций, участвующих в работах по контролю и оценке состояния сооружений.

1.6. Натурные наблюдения за осадками грунтовых плотин и деформациями оснований и откосов должны проводиться в соответствии с требованиями СНиП и «Правилами технической эксплуатации электрических станций и сетей» (ПТЭ), РД 34.20.501-95, предусматривающими выявление и оценку основных видов деформаций сооружений под воздействием различных видов нагрузок.

Основными задачами систематических натурных наблюдений и исследований деформаций грунтовых плотин являются: проведение визуальных и инструментальных наблюдений за развитием во времени осадок, деформаций оснований и откосов под влиянием внешних воздействий; прогноз хода осадок и деформаций на основе фактических результатов наблюдений и оценка надежности ГТС по контролируемым параметрам.

1.7. Контроль за осадками и деформациями плотин и береговых примыканий входит составной частью в единый комплекс визуальных и инструментальных натурных наблюдений для определения их эксплуатационной надежности и безопасности. Наблюдения позволяют устанавливать и контролировать:

качество уплотнения грунта в плотине при строительстве и степень однородности (или неоднородности) тела плотины по плотности сложения грунта;

роль основания в общем процессе деформаций и напряженного состояния тела плотины, отдельных ее элементов и участков основания;

влияние на осадку плотины и основания таких факторов, как таяние захороненных ледовых линз, «растепление» вечномерзлых пород основания (например, в условиях северной строительно-климатической зоны), интенсивная замочка водой верховой призмы при первом наполнении водохранилища;

появление и развитие скрытых очагов суффозии грунта в сопряжениях с бетонными сооружениями, бортами каньона и крутыми береговыми уступами, в локальных дефектных зонах производственного характера (недоуплотнение грунта, нарушение его гранулометрического состава, промораживание грунта);

образования сквозных фильтрующих трещин и ходов в плотине и основании, обусловленных процессами суффозии;

скорость консолидации глинистых грунтов в противофильтрационных элементах и основании плотины;

отдельные фактические характеристики грунта тела плотины и основания (например, модуль общей деформации) для проверки достоверности расчетов сооружения и оценки общей картины деформирования объектов наблюдений.

НОРМАТИВНЫЕ ССЫЛКИ

1.8. В тексте Рекомендаций даются ссылки на следующие нормативные документы:

СНиП 2.06.01-86. Гидротехнические сооружения. Основные положения проектирования. М.: ЦИТП Госстроя СССР, 1987.

СНиП 2.02.02-85. Основания гидротехнических сооружений. М.: ЦИТП Госстроя СССР, 1986.

СНиП 2.02.01-83. Основания зданий и сооружений. М.: ЦИТП Госстроя СССР, 1985.

СНиП 2.06.05-84. Плотины из грунтовых материалов. М.: ЦИТП Госстроя СССР, 1985.

Правила технической эксплуатации электрических станций и сетей Российской Федерации: РД 34.20.501-95, 15-е издание. М.: Энергия, 1977.

Рекомендации по определению предельно допустимых значений показателей состояния и работы гидротехнических сооружений: П-836-85/Гидропроект. М., 1985.

Рекомендации по проведению натурных наблюдений за деформациями скальных оснований бетонных плотин: П-792-83/Гидропроект. М, 1985.

Руководство по наблюдениям за гидротехническими сооружениями электростанций/ВНИИГ им. Б.Е. Веденеева М. - Л.: Госэнергоиздат, 1955.

Руководство по наблюдениям за деформациями оснований и фундаментов зданий и сооружений/НИИ оснований и подземных сооружений им. Герсеванова. М.: Стройиздат, 1975.

Руководство по натурным наблюдениям за деформациями гидротехнических сооружений и их оснований геодезическими методами: П-648/Гидропроект. М.: Энергия, 1980.

Руководство по наблюдениям за осадками и смещениями инженерных сооружений фотограмметрическими методами / Главное управление геодезии и картографии при Совете Министров СССР. М.: Недра, 1979.

Инструкция по контролю качества возведения намывных земляных сооружений: ВСН 43-71 / Минэнерго СССР. Л.: Энергия, 1971.

Инструкция по наблюдениям и исследованиям на судоходных гидротехнических сооружениях / (Главное управление водных путей и гидротехнических сооружений). Л.: Транспорт, 1967.

Методические указания по составу и периодичности эксплуатационного контроля за состоянием гидротехнических сооружений гидравлических и тепловых электростанций. РД 34.21.341-88. М.: Союзтехэнерго, 1989.

ГОСТ 19185-73. Гидротехника. Основные понятия. Термины и определения. М.: Изд. стандартов, 1973.

ГОСТ 27.002-89. Надежность в технике. Основные понятия. Термины и определения. М: Изд. стандартов, 1990.

Федеральный закон «О безопасности гидротехнических сооружений» от 21.08.97. № 117-ФЗ.

ТЕРМИНОЛОГИЯ

1.9. Основные термины и определения, используемые в Рекомендациях, приняты согласно ГОСТ 19185-73 и ГОСТ 27.002-89.

2. СОСТАВ И ОРГАНИЗАЦИЯ РАБОТ ПО НАБЛЮДЕНИЯМ ЗА ОСАДКАМИ ПЛОТИН И ДЕФОРМАЦИЯМИ ОСНОВАНИЙ

2.1. Систематические контрольные натурные наблюдения за осадками грунтовых плотин и деформациями оснований включают визуальные и инструментальные наблюдения и должны проводиться на основе единой комплексной программы работ, входящей в состав проекта натурных наблюдений за сооружением и его основанием в период строительства и эксплуатации (СНиП 2.06.05-84).

2.2. Основными объектами натурных наблюдений за осадками и деформациями должны быть: конструктивные элементы плотин, определяющие их надежность и безопасность; прилегающая к плотинам территория и берега; участки примыкания плотин к бетонным сооружениям, берегам и бортам каньона; стенки, своды и днища потерн и галерей, расположенных в теле плотин и на контакте с основанием; основание и другие объекты.

2.3. Состав натурных наблюдений за осадками и деформациями каждой грунтовой плотины должен назначаться с учетом класса капитальности сооружения, его конструктивных особенностей, природно-климатических и технологических условий, требований эксплуатации, особенностей рельефа и геологического строения основания и береговых участков.

2.4. В общем случае натурные наблюдения за осадками и деформациями грунтовой плотины должны включать:

выявление и оценку местных деформаций откосов, гребня, берм плотины, а также береговых склонов в примыканиях и участков у подошвы плотины со стороны низового откоса;

выявление, регистрацию и оценку развития всевозможных трещин на гребне, откосах и бермах;

контроль деформаций креплений верхового и низового откосов и берегов, эрозии берегов;

выявление признаков морозного выветривания материалов тела плотины;

контроль изменения во времени геометрического профиля плотины, в том числе его подводных частей.

2.5. Систематические инструментальные наблюдения следует дополнять результатами визуальных предпаводковых и послепаводковых обследований сооружений, данными внеочередных обследований, выполняемых после землетрясений, штормов, ураганов и других экстремальных событий, в том числе повреждений и отказов.

2.6. В состав инструментальных наблюдений входят геодезические и телеметрические методы измерений. Геодезические методы включают: геометрическое, тригонометрическое и гидростатическое нивелирование, основанное на измерениях высотных отметок и превышений, расстояний между геодезическими знаками; триангуляционный, фотограмметрический, створный, комбинированный и другие методы [П- 648, 2, 5, 11, 18, 19, 22]. Наблюдения за послойными осадками тела плотины и деформациями основания могут выполняться с помощью телеметрических (дистанционных) средств контроля, например, на базе датчиков линейных перемещений струнного типа ПЛПС-320 (160) и других приборов.

2.7. Основным современным методом инструментальных наблюдений за осадками плотин и оснований в условиях относительно ровного ландшафта является метод геометрического нивелирования высотных знаков, составляющих геодезическую основу в районе расположения сооружений.

2.8. Геодезическая высотная основа (ГВО) должна включать главную и рабочую основы, предусмотренные проектом геодезическо-маркшейдерских работ. Главная геодезическая высотная основа предназначена для обеспечения необходимой точности измерений при передаче отметок высот от опорной геодезической сети на рабочие реперы и контрольные высотные марки в плотине и основании. Главная ГВО гидроузла, определяемая на базе специальных технических расчетов, включает сеть знаков, привязанных не менее чем к двум реперам или маркам Государственного нивелирования высшего класса. Абсолютные отметки высотных знаков главной ГВО гидроузла следует определять нивелированием II-III классов [П-648, 5].

Рабочая геодезическая высотная основа должна состоять из сети реперов и марок, предназначенных для передачи рабочих высотных отметок и для контроля осадок плотины, основания, участков сопряжений и прилегающей территории с помощью нивелирования по II-IV классам точности [П-648, 23].

2.9. Перед началом наблюдений за осадкой плотины, деформациями основания и откосов геодезическая основа (после ее реализации на местности в соответствии с проектом) должна быть передана исполнителями по акту Заказчику (или владельцу сооружения) со всей необходимой документацией, включающей плановые схемы расположения, а также каталог координат и высот размещения знаков и пунктов, конструктивные чертежи и исполнительные схемы установки планово-высотных знаков, расчеты, отвечающие заданной точности измерений и т.п.

Геодезические знаки и пункты должны быть промаркированы и защищены ограждениями от повреждений механизмами. Подходы к знакам следует расчистить от строительного мусора и обезопасить.

2.10. Для выполнения натурных наблюдений подразделение-исполнитель должно быть обеспечено необходимыми приборами и устройствами, соответствующими по своим техническим характеристикам условиям получения заданной точности наблюдений.

При самостоятельном выполнении наблюдений геодезическими методами геодезическая служба гидроузла или региональной энергетической системы до начала работ должна располагать соответствующими инструментами и изделиями, включающими нивелиры, теодолиты, стандартные рейки, штативы, рулетки, мерные ленты и проволоки, кипрегели и другие приборы.

Для наблюдений за осадками и деформациями грунтовых плотин с помощью устройств телеметрического (дистанционного) контроля необходимы преобразователи линейных перемещений струнные типа ПЛПС-320(160), периодомеры цифровые портативные ПЦП-1, коммутаторы преобразователей КП-24, двухпроводные и многожильные кабели, другие соответствующие приспособления.

2.11. До начала наблюдений подразделение-исполнитель работ должно быть обеспечено необходимой нормативной, методической и технической литературой по вопросам геодезических и телеметрических наблюдений на гидротехнических сооружениях. К началу наблюдений должны быть изготовлены рабочие журналы геодезиста и наблюдателя по телеметрической КИА, ведомости наблюдений, ведомости первичной и вторичной обработки данных измерений.

2.12. Натурные наблюдения за осадками и деформациями должны выполняться в соответствии с Программой наблюдений, входящей в состав проекта плотины. В случае конструктивных и технологических изменений сооружения в ходе строительства или отмеченных неблагоприятных тенденций в его работе, не отвечающих проектным предпосылкам, Программа наблюдений должна быть откорректирована с привлечением проектной или специализированной научной организации.

Программа наблюдений должна включать задачи и состав наблюдений; перечень и координаты контрольных наблюдательных створов и отдельных измерительных точек в пределах границ плотины и прилегающей территории; исполнительные схемы размещения реперов, марок и других геодезических знаков, телеметрических приборов, коммутаторов, линий коммуникации в контрольных створах, измерительных точках и на прилегающей территории; координаты и начальные отметки установленных приборов и устройств; методику измерений осадок и деформаций; периодичность циклов измерений на различных стадиях ввода в эксплуатацию и эксплуатации плотины; формы рабочих журналов и ведомостей наблюдений; формы представления (первичной и вторичной обработки) результатов измерений; предельные (критериальные) значения осадок плотины и деформации основания.

В зависимости от хода деформаций, состояния сооружения и характера его изменения во времени Программа наблюдений за осадкой, деформациями и другими показателями работы плотины может подвергаться корректировке.

2.13. Измерения осадок грунтовой плотины и деформаций основания должны производиться высококвалифицированными инженерами и техниками-геодезистами. Анализ и интерпретация данных измерений, а также оценка поведения объектов наблюдения должны выполняться технически подготовленными к данному виду работ инженерами и техниками-гидротехниками подразделения технического контроля объекта. Техническая подготовка включает изучение понятий, причин и последствий (благоприятных и неблагоприятных) деформаций плотины и основания; ознакомление с плановой и высотной основой объекта, конструкциями применяемых приборов, устройств и систем; изучение исполнительных схем на установку приборов и устройств, особенностей условий работы каждого прибора; приобретение практических навыков первичной и вторичной обработки результатов измерений, выявления и отбраковки явно ошибочных данных, навыков элементарной оценки закономерности хода осадки и деформаций во времени, аппроксимации данных наблюдений математическими функциями, сравнения с расчетными и критериальными показателями, определения опасных тенденций в развитии осадок и деформаций; подробное изучение основных положений настоящих Рекомендаций и рекомендуемой литературы [П-648, П-792-83, РД 34,21, 341-88, 10, 12-14, 21].

2.14. Проверка качества подготовки эксплуатационного персонала к выполнению наблюдений производится путем сдачи зачета руководителю подразделения технического контроля или специальной квалификационной комиссии.

В состав задач по подготовке эксплуатационного персонала рекомендуется включать освоение работы на персональных ЭВМ, в том числе операции введения, хранения, обработки данных натурных наблюдений, оценки состояния сооружения по закономерности развития и прогнозу деформаций, а также проведение стажировок и аттестации персонала в специализированных организациях.

3. АППАРАТУРА И ИНСТРУМЕНТЫ ДЛЯ ПРОИЗВОДСТВА НАБЛЮДЕНИЙ ЗА ОСАДКАМИ И ДЕФОРМАЦИЯМИ

3.1. Измерения осадок фунтовых плотин, деформаций их оснований и откосов следует выполнять с помощью геодезической, телеметрической и другой контрольно-измерительной аппаратуры, приборов и инструментов, включающих нивелиры, теодолиты, планово-высотные знаки, нивелирные рейки, приборы для измерения расстояний, щелемеры, отвесы, преобразователи линейных перемещений и другие приборы [П-648, 3, 4, 7, 23]. В Рекомендациях приведены лишь краткие сведения об основных типах и характеристиках КИА по данному виду наблюдений. Более подробные сведения приведены в справочной и методической литературе, указанной в прилагаемом списке использованных и рекомендуемых публикаций, и в Приложении.

3.2. Нивелиры - приборы для определения превышений геометрическим методом с помощью устройства, обеспечивающего горизонтальность визирного луча в процессе измерений [5, 6].

В зависимости от типа и класса нивелирования различают нивелиры:

H1, H2, Н3 (Н - нивелир; 1, 2, 3 - классы нивелирования) - высокоточные нивелиры для нивелировок линий I, II и III классов;

НС2, НС3, НС4 - точные нивелиры с компенсаторами для нивелировок линий II, III и IV классов;

НТ и НТС - нивелиры для технического нивелирования;

НЛС - нивелир с наклонным лучом визирования для технического нивелирования.

3.3. Теодолиты - геодезические приборы для измерения горизонтальных и вертикальных углов. Теодолиты классифицируют по свойству основных осей, точности проводимых измерений и другим критериям. В зависимости от устройства осей лимба (горизонтального и вертикального угломерных кругов) теодолиты разделяют на простой, повторительный и с поворотным лимбом.

3.4. Приборы для измерения расстояний включают штриховые мерные ленты длиной до 50 м; измерительные рулетки длиной до 100 м; мерные проволоки длиной 24 и 48 м; светодальномеры электромагнитные малого (до 2-5 км), среднего (до 15 км) и большого (до 50 км) радиуса действия. Погрешность измерения расстояний светодальномерами малого радиуса составляет 2-20 мм. Такие приборы можно устанавливать на стойки серийных теодолитов или самостоятельную подставку. Применение дальномеров-автоматов позволяет процесс измерений и вычислений окончательной длины и других данных выполнять в автоматическом режиме работы.

3.5. Преобразователи линейных перемещений струнные типа ПЛПС-320(160) - дистанционные электромагнитные приборы для наблюдений за послойными осадками и деформациями грунтовых плотин и оснований в условиях одноосных взаимных линейных перемещений их элементов (участков) в пределах 160-320 мм. При установке приборы с помощью двухпроводных и многожильных кабелей в резиновой оболочке соединяют с коммутаторами преобразователей КП-24 или центральным измерительным пунктом. Измерения перемещений выполняют с помощью цифрового периодомера типа ПЦП-1.

3.6. Нивелирные рейки - приборы для определения превышений и осадок при нивелировании [П-648, 5, 6, 23].

В практике строительства и эксплуатации гидросооружений применяют нивелирные рейки с инварной полосой длиной до 3 м и специальные рейки для помещений (потерн, галерей) длиной до 2 м: подвесные, подвесные магнитные и стандартные.

3.7. Нивелирные геодезические знаки - элементы высотной основы, предназначенные для сохранения на местности точек с известными высотами и выполнения наблюдений за осадками грунтовых плотин, оснований и откосов.

В зависимости от назначения различают:

знаки главной геодезической высотной основы - исходные и рабочие реперы, отметки которых определяют нивелированием I и II классов [17, 23];

знаки рабочей геодезической высотной основы, включающие марки и реперы, установленные в сооружении, основании и откосах (отметки определяются нивелированием II, III и IV классов);

высотные знаки для оползневых и обвалоопасных участков грунтовых плотин, откосов примыканий и бортов.

3.8. Исходные реперы служат для длительного сохранения известных постоянных отметок высот точек в устойчивых грунтах за пределами зоны возможной деформации. В зависимости от условий расположения и рельефа местности исходные реперы могут быть трубчатого типа (для прочных скальных пород) и глубинного типа (при глубоком расположении коренных пород, пригодных для установки якоря репера).

3.9. Рабочие реперы предназначены для передачи высотных отметок от исходной геодезической сети на контрольные высотные знаки в плотине, основании и на откосах.

В зависимости от способов установки различают реперы для скальных оснований и реперы для оснований из мягких грунтов трубчатого типа, устанавливаемые при помощи бурения или в котловане.

3.10. Контрольные марки (реперы) для измерения осадок фунтовых плотин, их оснований и откосов в зависимости от глубины заложения подразделяются на глубинные и поверхностные.

К числу глубинных контрольных знаков относятся универсальный глубинный репер конструкции Проктора с повышенной точностью измерения осадок, глубинная трубчатая марка, закладываемая в буровую скважину или в шурф, глубинная железобетонная плита - марка на предварительно подготовленной опорной железобетонной плите.

Поверхностная грунтовая марка устанавливается на глубину ниже глубины промерзания грунта и предназначена для измерений осадок поверхности грунтовых плотин, откосов или других сооружений.

Для измерений осадок бетонных элементов грунтовых плотин в зависимости от положения измеряемой точки различают: стенные марки закрытого и открытого типа; плитные марки, располагаемые на глубине 5-8 см от поверхности железобетонной плиты и защищенные завинчивающейся крышкой; цокольные марки, устанавливаемые на бетонной или гранитной поверхности за пределами участков транспортного или пешеходного движения.

3.11. Контрольные высотные знаки на поверхности оползневых или обвалоопасных участков для случая потенциально неустойчивого участка (плотины) выполняют в виде отрезков трубы или арматуры, заведенных на дне шурфа в слой бетона или установленных в бетон. Основание шурфа расположено на 0,5 м ниже глубины сезонного промерзания грунта. Для наблюдений за осадками движущихся масс грунта в районах с незначительной глубиной промерзания используют стержни из труб, арматуры или сваи из дерева, забиваемые вертикально на глубину до 0,6 - 0,9 м.

3.12. Плановые знаки, используемые для определения горизонтальных деформаций, также подразделяют:

на исходные, устанавливаемые за пределами зоны возможных деформаций в устойчивых фунтах;

на рабочие (опорные), располагаемые вблизи исследуемого объекта наблюдений в зоне возможных деформаций пород для измерений горизонтальных деформаций контрольных пунктов;

на контрольные, закладываемые в характерные контролируемые створы сооружения или берегового склона.

3.13. Пикетные знаки предназначены для обозначений расстояний по длине грунтовых плотин и располагаются по оси сооружений, вдоль бровки откосов, берм или подошвы низовых откосов.

Знаки-указатели применяют для обозначения положения осей плотины и других сооружений, мест их поворота, положения скрытых в грунте или под водой конструктивных элементов плотин и других устройств (дренажей, экранов, креплений и т.п.)

4. ОСНОВНЫЕ ПРИНЦИПЫ РАЗМЕЩЕНИЯ ПРИБОРОВ ДЛЯ ИЗМЕРЕНИЯ ОСАДОК И ДЕФОРМАЦИЙ.

ТЕХНИКА УСТАНОВКИ

4.1. Размещение геодезических знаков и других контрольных приборов на участках и элементах плотины, в основании и прилегающей территории выполняют исходя из условий получения наиболее полной и достоверной информации о величине и распределении осадок гребня по его длине (продольная осадка), об осадках основания и собственно тела плотины, об осадках плотины в примыканиях к устоям и бортам каньона, о деформациях поперечного профиля плотины (поперечная осадка) и деформациях возможного выпора грунта основания у подошвы сооружения [РД 34.20.501-95, ВСН 43-71, 10-14, 17].

4.2. Количество и расположение приборов для измерения деформаций определяются классом капитальности плотины, ее конструктивными и технологическими особенностями, инженерно-геологическими, сейсмическими, климатическими и другими природными условиями створа и района гидроузла.

4.3. Фундаментальные (исходные) реперы, входящие в высотную основу плотины, располагают за пределами зоны возможных деформаций коренных пород, происходящих в результате строительства гидросооружений и наполнения водохранилища. Более предпочтительно их размещать на выходах коренных, преимущественно скальных пород, расположенных на незатопляемых отметках в точках, удаленных от оползневых и карстовых участков, мест тектонических разломов и грунтов, склонных к пучению или осадкам. Для эксплуатационных наблюдений за плотиной и другими сооружениями фундаментальные реперы следует привязывать к ближайшему фундаментальному реперу Государственной сети нивелированием I класса.

4.4. Рабочие реперы, предназначенные для передачи отметок от фундаментальных реперов к сооружению, располагают на расстоянии не менее 500-800 м от плотины с соблюдением требований к положению фундаментальных реперов (п. 4.3). Отметки рабочих реперов определяют от фундаментальных (исходных) реперов нивелированием II класса и периодически контролируют.

Основным условием размещения фундаментальных и рабочих реперов является обеспечение стабильности абсолютных отметок во время эксплуатации гидроузла.

4.5. Поверхностные марки, используемые для контроля деформаций плотины, основания и прилегающей территории, размещают преимущественно в продольных и поперечных створах, расположенных параллельно и перпендикулярно к оси сооружения.

4.5.1. Поверхностные марки, установленные в продольных наблюдательных створах, предназначены для контроля закономерности осадки плотины по ее длине, относительных смещений между боковыми призмами и противофильтрационными элементами, деформаций выпора основания за плотиной. Количество продольных створов и марок в каждом створе зависит от конструкции плотины, ее размеров и геологического строения основания и должно составлять:

в однородных плотинах - не менее одного створа, расположенного вдоль верховой, низовой бровок, либо вдоль оси гребня (рис. 4.1, а);

в плотинах с грунтовыми экранами или водоупорными верховыми призмами - не менее двух продольных створов, располагаемых на гребне вдоль бровок верхового и низового откосов (рис. 4.1, б);

в плотинах с центральным ядром или диафрагмой из суглинка или асфальтобетона - не менее трех продольных створов, контролирующих осадки находящихся во взаимодействии (вплоть до аварийно-опасного напряженно-деформированного состояния) верховой и низовой призмы и противофильтрационного элемента и расположенных вдоль верховой и низовой бровок гребня и по гребню ядра или диафрагмы (рис. 4.1, в).

4.5.2. Поверхностные марки, установленные в поперечных наблюдательных створах, позволяют контролировать осадки гребня, откосов и основания плотины, территории у основания плотины со стороны нижнего бьефа на характерных и ответственных участках сооружения, в том числе

на русловом участке через 20-50 м, где плотина имеет наибольшую высоту и наибольшие ожидаемые осадки;

на участках залегания в основании плотины прослоек сильно деформируемых или резко отличающихся по строению фунтов (рис. 4.2);

в местах резкого изменения высоты плотины над изломами поверхности основания;

в сопряжениях плотины с встроенными или проложенными под ней бетонными сооружениями (устоями, туннелями, трубами и т.п.);

над зонами тектонических разломов и крупных трещин в основании;

на границах участков плотины, выполненных из разных материалов, а в условиях Севера также на границах сопряжения участков руслового талика с мерзлыми береговыми массивами;

на береговых и пойменных участках плотины постоянного профиля, расположенных на пологих берегах, сложенных однородными качественными грунтами, через каждые 50-100 м по длине сооружения;

над ослабленными зонами тела плотины, образовавшимися при строительстве (некачественный грунт с льдонасыщенными включениями и т.п.) или над выявленными расчетами и наблюдениями зонами возможного трещинообразования, химической суффозии и др.;

в местах поворотов плотины под углом более 15°;

в промежутках между указанными выше характерными участками через 50-100 м.

На протяженных (в несколько километров) плотинах расстояние между поперечными наблюдательными створами может достигать 150-200 м.

Рис. 4.1. Размещение створов марок в грунтовых плотинах:

I-I - V-V - продольные створы марок; 1-1 - 8-8 - поперечные створы марок;  - марки поверхностные; А - граница экрана; Б - границы ядра; В - водохранилище; а - однородная плотина; б - плотина с экраном (водоупорной верховой призмой); в - плотина с ядром (диафрагмой)

Рис. 4.2. Схема размещения поперечных наблюдательных створов марок:

IIIII - створы марок; 1 - водопроницаемый слой; 2 - тектоническая трещина; 3 - временный водосброс; 4 - аллювий; 5 - тектонический разлом; 6 - зона промерзания; 7 - водосброс

4.6. Для контроля за горизонтальными смещениями (перпендикулярно оси плотины) высоких грунтовых плотин оборудуют специальный визирный створ, как правило, совмещенный с продольным створом за пределами проезжей части гребня. При этом визирные марки совмещают с высотными поверхностными марками, расположенными на гребне, низовых бермах и у подошвы низового откоса.

Высотные и планово-высотные поверхностные марки размещают в точках пересечения продольных и поперечных измерительных створов, когда общее количество марок соответствует количеству точек пересечения створов. Каждая марка в указанных точках служит одновременно для измерений осадок в продольном и поперечном направлениях, а также для измерений горизонтальных смещений плотины (рис. 4.3, а).

4.7. Глубинные марки для определения послойных осадок устанавливают в массиве тела плотины и основании в поперечных створах, причем их плановые координаты не всегда совпадают с расположением поверхностных марок.

4.8. Потерны и галереи, расположенные в фунтовых плотинах, оснащают поверхностными, боковыми и глубинными марками для определения общей и послойной осадки основания и тела плотины. Боковые (стеновые) марки размещают по концам секций (у швов), глубинные - с пола потерны в точках, совпадающих с местоположением поперечных измерительных створов на плотине.

Вертикальные смотровые шахты в теле плотин оснащают марками, устанавливаемыми на днище и у торцов соседних звеньев (рис. 4.3, б).

Рис. 4.3. Схема размещения марок в грунтовых плотинах:

а - на поверхности и у подошвы участка плотины; б - в смотровой шахте; а - а,...,е - е, 5 - 5, 6 - 6, 7 - 7 - продольные и поперечные створы с марками;  - марка поверхностная;

1 - звено шахты;  - марка в смотровой шахте; 8 - положение УВБ

4.9. Деформации земной поверхности в районе створа высоконапорных плотин при их возведении и наполнении водохранилища, связанные с образованием воронки оседания, фиксируются по реперам и маркам, установленным:

по берегам водохранилища;

в направлениях, перпендикулярных берегам водохранилища от 1-2 точек у каждого берега на 5-10 км вглубь горных массивов;

в направлении от створа плотины вниз по течению реки на 5-10 км.

4.10. Наблюдения за деформациями оползней и потенциально неустойчивых массивов выполняют с помощью створных, плановых и высотных геодезических знаков, расположение которых предварительно установлено визуальными наблюдениями и исследованиями. Рабочие реперы и опорные пункты должны находиться за контуром оползня или потенциально неустойчивого массива. Направление створа обычно принимают перпендикулярным направлению движения оползня. Осадки марок, установленных в характерных и доступных для наблюдения точках оползня и потенциально неустойчивого массива, определяют с помощью геометрического и тригонометрического нивелирования.

4.11. Контроль за возможными неотектоническими подвижками по расположенным вблизи гидроузла разломам в скальных массивах выполняют по плановым и высотным знакам в характерных поперечниках. Каждый поперечник обычно оснащен 4 и более марками (не менее 2 на каждой стенке разлома), а также плановыми знаками, смещения которых определяют створными и линейными измерениями. Для выполнения натурных наблюдений могут быть использованы светодальномеры и лазерные дальномеры, а в качестве закладной КИА - деформометры, гидростатические уровни и другие приборы.

4.12. Для установки грунтовой поверхностной высотной марки должны быть последовательно выполнены следующие операции (рис. 4.4, а):

разметка и закрепление колышками мест установки марок на плотине (берегах, территории);

рытье шурфов (котлованов) под каждую марку на глубину 0,4 - 0,5 м ниже глубины сезонного промерзания грунта;

зачистка дна шурфов, подсыпка и уплотнение выравнивающего слоя песка толщиной 5-7 см;

установка на дно шурфов стояков марок, «притирка» опорных площадок стояков к поверхности грунта, центровка;

смазка (обильная) наружных поверхностей труб стояков марок солидолом или техническим вазелином, обертка (по смазке) стеклотканью на высоту контакта труб с грунтом обсыпки;

обсыпка вручную стояков марок непучинистым песчано-гравийным или другим грунтом послойно с тщательным уплотнением трамбовкой (до отметок установки защитных труб-люков, т.е. примерно на высоту 0,8-1,2 м от дна шурфа);

установка (одевание) над стояками марок защитных труб-люков диаметром порядка 200-219 мм, опирание их на отсыпанный в шурфы грунт на глубине 0,6-0,8 м от поверхности, при этом превышение верха труб-люков над поверхностью должно составлять 0,3-0,5 м;

обсыпка труб-люков грунтом послойно с уплотнением трамбовкой (производится заполнение шурфов грунтом до поверхности);

подгонка крышек и запоров на выступающих оголовках труб-люков;

окраска металлических поверхностей, маркировка марок;

устройство вокруг марок ограждений из уголка.

Рис. 4.4. Последовательность операций при установке марок:

а - грунтовая поверхностная марка; б - поверхностная марка в бетонном сооружении; в - грунтовая глубинная марка; 1 - цементный раствор; 2 - марка; 3 - обсадная труба; 4 - обертка по смазке; 5 - перфорация; 6 - подача цементного раствора

4.13. Установка простейших по конструкции поверхностных марок типа МПП (марка поверхностная постоянная) и МБП (марка боковая постоянная) в полу и стене цементационной галереи, на бетонных креплениях гребня или верхового откоса, на парапетах, в смотровых галереях и шахтах предусматривает последовательное выполнение ряда операций, в состав которых входят (рис. 4.4, б):

разметка яркой краской точек установки марок;

бурение в намеченных точках отверстий (углублений) диаметром 40-50 мм и глубиной 12-15 см для размещения и закрепления марок;

заполнение на 3/4 объема углублений пластичным цементным раствором;

установка (втапливание) стержней-анкеров марок в цементный раствор в углублениях, корректировка вручную положения головок марок относительно бетонной поверхности, удобного для размещения на ней рейки;

защита марок от случайных повреждений до полного отвердевания цементного раствора в углублениях и надежного закрепления их в гнездах;

окраска головок марок яркой краской, маркировка.

4.14. Установку каждой из глубинных марок для определения послойных осадок грунтовой плотины (основания) рекомендуется производить в отдельных (автономных) скважинах кустовым способом. Техника установки отдельной марки состоит в следующем (рис. 4.4, в):

местоположение марки размечается и закрепляется на поверхности колышком;

скважина диаметром 200-210 мм проходится в обсадке на глубину заложения опоры марки;

собранная, готовая к установке в скважину труба-стояк марки обильно смазывается снаружи солидолом и обертывается стеклотканью (устраивается скользящая изоляция стенок трубы-стояка от грунта), в нижней части трубы, в пределах 0,8-1,0 м, наносится перфорация отверстиями диаметром 8-10 мм;

труба-стояк краном опускается в скважину до опирания днищем на грунт в забое скважины и центруется;

обсадная труба приподнимается на 1-1,5 м вверх;

через трубу-стояк марки в скважину подается строго дозированная порция цементного раствора состава 1:3 - при сухой скважине или 1:1 - при скважине, заполненной водой; объем раствора назначается таким, чтобы заполнить затрубное пространство внизу скважины на высоту 1-1,5 м (высота подъема обсадной трубы по пункту);

залитый в скважину раствор выдерживается до схватывания (2-3 часа);

обсадная труба поэтапно извлекается и одновременно производится заполнение затрубного пространства скважины мелким рядовым грунтом, извлеченным при бурении, и его уплотнение;

верх глубинной марки у поверхности оборудуется защитной трубой-люком с крышкой и замком, окрашивается и маркируется.

Далее в этом же месте (на расстоянии 0,5-1,5 м) устанавливаются другие глубинные марки, входящие в куст и имеющие другие отметки заложения.

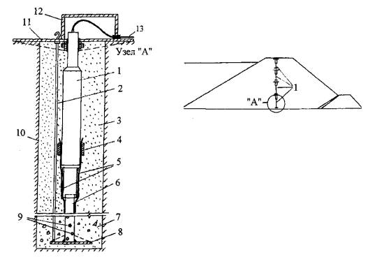
4.15. При установке телеметрических преобразователей ПЛПС-320/160 для измерений послойных осадок в грунтовой плотине (основании) должны быть выполнены следующие этапы работ (рис. 4.5):

разметка и закрепление колышками мест установки преобразователей;

бурение скважин диаметром порядка 219 мм под установку преобразователей;

отсыпка на дно скважин песка слоем 5-10 см;

оснащение преобразователей установленными шаблонами для фиксации их базовых размеров (штоки преобразователей выдвигаются полностью), смазка удлинителей солидолом и обертывание их полимерной пленкой и стеклотканью;

установка преобразователей, оснащенных шаблонами, в скважины и их центровка*;

заполнение скважин сухим песком (без специального уплотнения);

извлечение установочных шаблонов из скважин;

вывод кабелей от преобразователей на временные измерительные пульты, защита пультов и кабелей от случайных повреждений;

отсыпка защитного слоя грунта над установленным преобразователем.

После отсыпки следующего контролируемого яруса грунта в тело плотины снова производится установка преобразователей, располагающихся над преобразователями нижерасположенного яруса и т.д. вплоть до гребня плотины (образуется «цепочка» из преобразователей, расположенных друг над другом по одной вертикали).

* При необходимости над анкерной пластиной телеметрического преобразователя, расположенной в основании скважины, устраивают якорь путем заполнения полости пластичным цементным раствором на требуемую высоту.

Рис. 4.5. Устройство для измерений послойных осадок грунтовой плотины:

1 - преобразователь линейных перемещений типа ПЛПС-320 (160); 2 - шаблон установочный; 3 - мелкозернистый грунт; 4 - муфта; 5 – обертка из стеклоткани и полимерной пленки по смазке; 6 - удлинительная труба; 7 -якорь; 8 - пластина анкерная нижняя; 9 - перфорация; 10 - скважина Ø не менее 200 мм; 11 - пластина анкерная верхняя; 12 - крышка защитная; 13 - электрокабель

5. МЕТОДИКА И ТЕХНИКА НАБЛЮДЕНИЙ ЗА ОСАДКАМИ И ДЕФОРМАЦИЯМИ

5.1. При наблюдениях за осадками грунтовых плотин применяют рекомендуемое Государственной инструкцией нивелирование III и IV классов.

Данные о допускаемой точности измерения деформаций объектов наблюдений, характеризуемой средней квадратической погрешностью измерений, приведены в табл. 5.1 [П-648].

Для оценки состояния грунтовой плотины по данным наблюдений за осадкой при средней скорости ее снижения порядка 0,5-1 мм/мес, сопоставимой с точностью измерения, класс нивелирования следует повысить (например, при развитии неблагоприятных процессов деформации).

5.2. Наблюдения за деформациями грунтовых плотин, их оснований и откосов рекомендуется выполнять отдельными циклами в сроки, обусловленные периодом работы сооружения, состоянием объекта наблюдения и другими факторами (табл. 5.2).

5.3. При строительстве плотины осадки определяют по временным маркам, располагаемым на промежуточных отметках, соответствующих условным ярусам, на которых намечена их установка.

Таблица 5.1

Объекты наблюдений

Средняя квадратическая погрешность определения деформаций, мм

осадки

горизонтальные смещения

Грунтовые сооружения

строительный период

эксплуатационный период

 

 

10

5-10

5

3-5

Оползни

30-50

10

Обвалоопасные участки скального массива

1-2

1-2

Начальный, наиболее ответственный цикл измерений выполняют после отсыпки первого яруса грунта (по принятой условной разбивке) высотой около 3-5 м и давлении на основание 0,5-1 кгс/см2. При переводе наблюдений с нижележащего яруса на вышерасположенные отметки выполняют переходное нивелирование старых и новых марок, установленных над нижним ярусом. При этом отметкам новых марок придают суммарную осадку нижних, обеспечивая непрерывность наблюдений до окончания строительства и передачу суммарной осадки за весь период на верхние постоянные марки. Наблюдение осадок каждого, оборудованного марками, яруса должно включать не менее 2-3 циклов измерений, прежде чем на вышележащем ярусе будут установлены новые марки.

5.4. Перед наполнением водохранилища выполняют контрольный цикл наблюдений, включающий нивелирование плотины по всем маркам, установленным к этому времени на сооружении и других объектах наблюдения.

5.5. В период наполнения водохранилища цикличность измерения осадок увязывают с этапами подъема и положением УВБ. При относительно быстром и безостановочном подъеме УВБ (в течение нескольких месяцев или недель) рекомендуется выполнить не менее пяти циклов измерений осадки, например, через каждые 5-10 м подъема уровня. При наполнении водохранилищ большой емкости (в течение 1-2 лет) циклы измерений можно выполнять в зависимости от высоты подъема отметки УВБ, например, через каждые 10-20 м подъема или этапов задержек подъема.

При задержках подъемов уровня на промежуточных отметках на срок более 1 месяца рекомендуется выполнять дополнительные циклы измерений в начале и в конце каждого этапа задержки.

Таблица 5.2 Периодичность натурных наблюдений за осадками грунтовых плотин, деформациями оснований и откосов

Виды натурных наблюдений

Строительный период (до наполнения водохранилища)

Аномальный ход осадок и др. процессов. Периоды повышенного риска. Активизация деформаций

Первое наполнение водохранилища

Первые годы эксплуатации (3-5 лет)

Период нормальной эксплуатации (40-50 лет)

Старение сооружения (через 40-60 лет)

Грунтовые плотины и основания

Визуальные

Ежедневно

2 раза в сутки

2 раза в сутки

Ежедневно

Ежедневно

2-3 раза в неделю

Обследование состояния крепления откосов грунтовых плотин и понуров

-

Еженедельно

2 раза в месяц

Ежеквартально

Не реже 3 раз в год

Ежеквартально

Осмотры подводных участков плотин (дамб) водолазами

-

Еженедельно

Ежемесячно

2 раза в год - ежегодно (после паводка)

Ежегодно - 1 раз в два года (после паводка)

2 раза в год - ежегодно

По поверхностным высотным и плановым знакам

2 раза в месяц

Еженедельно

Еженедельно-ежеквартально

Ежемесячно-ежеквартально

Ежегодно - 1 раз в два года

Ежеквартально

По глубинным высотным и плановым знакам

2 раза в месяц

Еженедельно

1-2 раза в месяц

Ежеквартально

1-2 раза в 2 года

Ежегодно

По дистанционным деформометрам

-

Еженедельно

1-2 раза в месяц

Ежемесячно

Ежемесячно

2-3 раза в год

Откосы береговых примыканий и бортов водохранилищ

Визуальные

Ежемесячно

2-3 раза в неделю

Еженедельно

Еженедельно

Ежемесячно

Еженедельно

Геодезические

Ежегодно

Еженедельно

Ежемесячно

Ежеквартально

1 раз в 2 года

Ежеквартально-ежегодно

По дистанционным деформометрам и другой КИА

Ежемесячно

Еженедельно

Ежемесячно

Ежемесячно

Ежемесячно-ежеквартально

Ежемесячно-ежеквартально

5.6. При нормальном поведении плотины в период наполнения водохранилища (отсутствие проявлений опасных деформаций, трещин, оползней, просадок и т.п.) периодичность измерений ее осадки может быть ориентировочно назначена в пределах 1-2 циклов в месяц. При обнаружении проявлений опасных деформаций измерения осадок следует проводить чаще (вплоть до ежедневных измерений) до принятия необходимых мер по нормализации процесса.

5.7. В первые 3-5 лет нормальной (без осложнений) эксплуатации плотины, за которые она «приспосабливается» к работе под нагрузкой и процессы ее стабилизации не полностью затухли, измерения осадки выполняют 3-4 раза в год: перед паводком и после него, а также осенью перед началом сезонной сработки водохранилища.

5.8. В период нормальной эксплуатации плотины (25-50 лет) измерение осадки рекомендуется выполнять 1 раз в год и при этом соблюдать определенные календарные сроки выполнения наблюдений.

5.9. При появлении признаков «старения» плотины (обычно после 25-30 лет эксплуатации) периодичность измерений осадки должна быть повышена и доведена до двух, а при необходимости и больше циклов в год.

5.10. Внеочередные циклы измерения осадок выполняют

после каждого землетрясения в районе расположения гидроузла силой не менее 4-6 баллов;

после проведения взрывов большой мощности вблизи объекта;

при обнаружении аномалий в ходе осадки или заметных «оживлений» высотных знаков и др.

5.11. Наблюдения за послойной и общей осадками плотины и основания по телеметрической КИА (например, типа ПЛПС-320/160) проводят по общему графику измерений по данному типу приборов, обычно 1 -2 цикла в месяц, как в строительный, так и в эксплуатационный периоды.

5.12. Натурные наблюдения за гидротехническими сооружениями как потенциально опасными объектами для населения и окружающей среды не должны прекращаться в течение всего срока их эксплуатации. По мере стабилизации осадок до скорости 1-2 мм/год периодичность измерений можно увеличить до одного года.

5.13. Для обеспечения заданной точности нивелирования, удовлетворительного качества результатов натурных наблюдений и безаварийного состояния и работы объектов наблюдений рекомендуется соблюдать следующие положения.

5.13.1. Высотная и плановая сеть плотины должны включать несколько групп глубинных или фундаментных реперов и исходных плановых знаков, установленных в коренных породах основания вне зоны воздействия давления плотины и водохранилища и на разных берегах реки.

5.13.2. Наблюдения за осадками и другими деформациями, выполняемые геодезическими методами, проводятся инженером-геодезистом высокой квалификации. Для получения удовлетворительных по точности результатов измерений рекомендуется, чтобы во всех циклах, по возможности, они выполнялись одной организацией, одним и тем же специалистом, одними и теми же инструментами.

5.13.3. Для измерений следует использовать современные приборы и инструменты, отвечающие требованиям заданной точности измерений и прошедшие очередную поверку.

5.13.4. Перед наблюдениями осадочные марки, плановые знаки и другая закладная КИА должны быть освобождены от завалов, очищены от грязи, обновлена их маркировка, устранены неисправности, проверены отметки и показания с соответствующей записью в журнале. Подходы к геодезическим знакам и закладной КИА, галереям, бермам и т.д. должны быть расчищены и приведены в безопасное состояние.

5.13.5. Ежегодные повторяющиеся циклы измерений осадок и горизонтальных смещений должны проводиться, по возможности, при одинаковых условиях: в одни и те же календарные сроки (квартал, месяц, число), при одинаковых отметках УВБ и УНБ, при благоприятной погоде.

5.13.6. Продолжительность работ в каждом цикле наблюдений должна быть минимальной (1-2 суток), особенно в строительный период, когда осадка проходит интенсивно.

5.13.7. При обнаружении на плотине, у подошвы низового откоса, откосах береговых примыканий или бортов водохранилища, просадок, оползней, трещин отрыва и других аномальных деформаций в местах их проявления следует оперативно установить временные марки, организовать более частые систематические наблюдения вплоть до проведения ежесуточных измерений. Прекращение этих наблюдений возможно только после выяснения причин деформаций, их устранения и установления, что процесс стабилизировался.

Аналогичную схему измерений необходимо соблюдать и в отношении тех знаков на плотине, в основании или берегах, показания которых дают резкое увеличение деформации по сравнению с предыдущим периодом наблюдений.

Для обоснования достоверности получаемых результатов геодезических наблюдений необходимо периодически контролировать стабильность положения высотной и плановой сети, отметки исходных и рабочих реперов.

5.13.8. Геодезические наблюдения за осадкой плотины, деформациями основания и откосов должны обязательно дополняться соответствующими визуальными осмотрами поверхностей сооружения, прилегающей к плотине территории и берегов в целях обнаружения различного рода деформаций, подвижек грунта, трещин и т.п. Места указанных проявлений деформаций после их оснащения марками включают в систему геодезических наблюдений.

5.13.9. Применительно к каждой конкретной плотине с учетом ее конструктивных особенностей, условий эксплуатации и технического состояния рекомендуется составление годовых (или на несколько лет) графиков натурных наблюдений за ее осадкой, а также деформациями основания и откосов. Примерная форма такого графика приведена на рис. 5.1. Последовательность выполнения работ по организации и проведению наблюдений рекомендуется выполнять, придерживаясь сетевого графика, приведенного на рис. 5.2.

5.13.10. Результаты геодезических наблюдений самым тщательным образом (без подчисток и исправлений цифр) заносят в специальный полевой журнал геодезиста.

По окончании цикла геодезических наблюдений результаты должны незамедлительно подвергнуться камеральной обработке (на следующий же день).

Рис. 5.1. График наблюдений за осадками плотины: + - циклы выполнения работ

Рис. 5.2. Состав и последовательность работ по организации и выполнению наблюдений за осадками грунтовых плотин методом нивелирования:

1 - подготовка проекта натурных наблюдений за осадками со схемами и рабочими чертежами размещения КИА; 2 - организация СПНН. Обучение работников. Подготовка документации; 3 - заказ, приобретение и изготовление КИА и оборудования для наблюдений за осадками; 4 - технический контроль качества КИА; 5 - установка и монтаж геодезических знаков главной высотной основы (исходных и рабочих реперов); 6 - проверка состояния геодезических знаков; 7 - привязка исходных реперов к реперам государственной геодезической сети; 8 - привязка рабочих реперов к исходным реперам; 9 - строительство грунтовой плотины; 10 - установка геодезических знаков рабочей высотной основы; 11 - привязка контрольных высотных знаков к исходным реперам. Проведение систематических натурных наблюдений; 12 - обработка данных наблюдений. Оформление журналов, графиков, схем; 13 - анализ результатов. Оценка состояния и работы плотины и основания. Передача данных и результатов соисполнителям; 14 - проведение дополнительных наблюдений и исследований хода и причин аномальных и аварийно опасных осадок; 15 - организация и выполнение мероприятий по ремонту плотины. Проектирование и установка дополнительной КИА; 16 - составление глав технических отчетов по осадкам

6. ОБРАБОТКА И АНАЛИЗ РЕЗУЛЬТАТОВ НАБЛЮДЕНИЙ*

6.1. Первичная обработка результатов

6.1.1. Вычисленные инженером-геодезистом абсолютные и относительные значения осадок высотных марок плотины и данные других геодезических измерений по плотине, основанию и откосам немедленно заносят в соответствующие таблицы накопительных ведомостей (табл. 6.1).

Значения осадок высотных знаков при каждом очередном цикле измерений определяют как разность между полученными отметками этих знаков и отметками, зафиксированными при первом (начальном) цикле. Отметки марок вычисляют от исходных реперов.

* В данном разделе рассмотрены способы обработки, представления и анализа данных геодезических наблюдений с позиций использования их для оценки работы и состояния плотины.

Не рассмотрены вопросы специфической обработки результатов геодезических наблюдений, выполняемой инженером-геодезистом (оценка точности измерений, уравнивание нивелирных ходов и сетей, вычисление отметок марок, невязок и т.д.)

Таблица 6.1 Ведомость абсолютных осадок (образец)

№№ реперов

Исходная абс. отметка, мм, на 01.06.90 г. I цикл

Осадка, мм, с 01.06.90 г. по...

Абсолютная отметка, мм на 02.06.91 г. IV цикл

Примечание

01.10.90 II цикл

05.04.91 III цикл

02.06.91 IV цикл

М-16

149865,6

4,2

6,4

24,9

149840,7

 

М-17

149800,3

4,3

6,6

27,9

149772,4

М-18

149603,8

5,7

8,1

32,2

149571,6

М-19

150115,9

6,8

8,0

30,3

150085,6

….

….

….

….

….

….

Средняя осадка, мм

5,25

7,28

28,83

 

 

6.1.2 Для оценки однородности сложения грунта тела плотины более предпочтительно использовать значения относительных осадок высотных марок. Для каждой марки относительная осадка на определенную дату измерений вычисляется как отношение величины ее абсолютной осадки к высоте плотины под маркой, выраженное в процентах:

                                                                     (6.1)

где Si - абсолютная осадка i-й марки;

hi - высота плотины под i-й маркой;

Si% - относительная осадка i-й марки.

Вычисленные по (6.1) относительные осадки марок заносят в ведомость, форма которой приведена в табл. 6.2.

6.1.3. Необходимой информацией для анализа и оценки состояния и работы объектов наблюдений являются данные о среднемесячных или среднегодовых скоростях (интенсивности) осадки марок, а также горизонтальных деформациях плановых знаков. Средние значения скорости осадки любой марки на плотине вычисляют по формуле

                                                      (6.2)

где  - среднее значение скорости (интенсивности) осадки i-й марки в заданном интервале времени Δtn;

Sn, Sn-1 - осадки, измеренные соответственно в моменты времени tn и tn-1 (мес., год).

Таблица 6.2 Ведомость относительных осадок

№№ марок, ПК

М-1, ПК 0+30

М-5, ПК 1+20

М-7, ПК 2+00

М-8, ПК 2+40

Примечание

Абсол. осадка, м

Высота плоти-
ны, м

Относ. осадка, %

Абсол. осадка, м

Высота плоти-
ны, м

Относ. осадка, %

Абсол. осадка, м

Высота плоти-
ны, м

Относ. осадка, %

Абсол. осадка, м

Высота плоти-
ны, м

Относ. осадка, %

«__»____

199___г.

«__»____

199___г.

 

 

 

 

 

 

 

 

 

 

 

 

 

Показатели скорости осадок марок приводятся в табличной форме (табл. 6.3).

Таблица 6.3 Показатели скорости (интенсивности) осадки марок

№№ марок, реперов

Средняя скорость осадки

Средний коэффициент уменьшения скорости осадки

1949 г.

1950 г.

1951 г.

1952 г.

1953 г.

мм/мес.

мм/год

мм/мес.

мм/год

мм/мес.

мм/год

мм/мес.

мм/год

мм/мес.

мм/год

М-1

4,6

55,2

2,6

31,2

1,4

16,8

0,8

9,6

0,4

4,8

1,8

М-3

7,6

91,2

3,6

43,2

1,7

20,4

0,9

10,8

0,5

6,0

2,0

….

….

….

….

….

….

….

….

….

….

….

….

6.1.4. При наличии в плотине глубинных марок, установленных на контакте ее подошвы с основанием, общую осадку гребня в данном створе можно разделить на осадку собственно плотины (деформация уплотнения грунта тела плотины) и на осадку поверхности основания за счет уплотнения (или выпора) грунта в пределах активной зоны.

Осадку (уплотнение) тела плотины Sп определяют путем вычитания из величины общей осадки Sобщ зарегистрированной поверхностной маркой, осадки основания Sо которую показала глубинная марка, т.е.

Sп = SобщSо,                                                                        (6.3)

где Sобщ - осадка, показанная поверхностной маркой; Sо - осадка, показанная глубинной маркой; Sп - осадка, вызванная уплотнением грунта собственно тела плотины.

6.1.5. При наличии в створе плотины участков с резким изменением профиля основания (каньона) или близко расположенных зон, сложенных грунтами, сильно отличающимися по деформативным характеристикам, при обработке результатов наблюдений рекомендуется определять показатели относительной неравномерности осадок соседних марок на указанных участках по зависимости

                                                                              (6.4)

где ΔS = (Sik Sik-1) - разность абсолютных осадок марок, расположенных в соседних (на данном участке) поперечных створах K-1 и K на одной отметке; L - расстояние между марками в продольном створе i.

6.1.6. Первичную обработку данных измерений горизонтальных (перпендикулярных продольной оси плотины) смещений гребня или противофильтрационных элементов плотины рекомендуется выполнять в соответствии с указаниями пп. 6.1.1 и 6.1.3 по осадке, включая составление ведомости горизонтальных смещений С и определение интенсивности смещений uc в табличной форме.

Первичная обработка результатов измерений горизонтальных перемещений (деформаций грунта вдоль оси плотины) после очередного цикла наблюдений должна включать составление ведомостей абсолютных перемещений П плановых знаков и определение значений относительных перемещений ПΔ по зависимости

                                                                              (6.5)

где Δi =(li - lo) - изменение расстояния между соседними марками в момент времени ti. по сравнению с исходным расстоянием lо (положительное при увеличении расстояния и отрицательное при его уменьшении); lo - расстояние между знаками в начальный момент наблюдений to . Результаты приводят в табличной форме.

6.1.7. Этап первичной обработки результатов наблюдений осадки и деформаций плотины после выполнения очередного цикла измерений должен быть закончен просмотром и оценкой их качества руководителем группы натурных наблюдений объекта и инженером-геодезистом (исполнителем работ). В случае выявления при просмотре незакономерного (аномального) хода осадки одной или нескольких марок (например, резкого увеличения осадки после плавного хода в предыдущие периоды наблюдений) камеральный расчет осадок должен быть перепроверен. При подтверждении правильности расчета осадки по данным измерений следует выполнить повторный цикл геодезических наблюдений и убедиться в отсутствии ошибок (или ошибочности) предыдущих результатов. По данным повторных измерений делают вывод о поведении сооружения и необходимости выполнения углубленного анализа данных других видов натурных наблюдений (фильтрационного режима, напряженного состояния и др.).

6.2. Вторичная обработка результатов

6.2.1. Вторичная обработка результатов геодезических наблюдений включает:

построение графиков хода осадок и деформаций плотины и основания во времени по всем высотным маркам, плановым знакам и другой КИА;

построение эпюр осадок и деформаций плотины и основания на даты циклов измерений или другие характерные даты;

сопоставление натурных данных наблюдений осадок и деформаций с их расчетными или критериальными значениями и др.

Оформляемые материалы должны содержать также вспомогательную информацию об изменениях УВБ, УНБ, динамических воздействиях и других показателях, необходимых для сопоставления и анализа процессов.

В целом результаты вторичной обработки данных наблюдений осадок и других деформаций должны быть ориентированы на определение фактических показателей работы и состояния сооружения, основания и откосов для оценки их эксплуатационной надежности и безопасного состояния.

6.2.2. Графики хода осадок плотины, основания и откосов строят на основе данных, внесенных в накопительные ведомости. Построение графиков выполняют для каждого створа высотных марок. На один чертеж наносят одновременно результаты измерений по всем маркам, расположенным в одном и том же наблюдательном створе и в одном масштабе. Для установления корреляционной связи осадок с ростом насыпи плотины (строительный период), с уровнем верхнего бьефа, динамическими воздействиями или температурой наружного воздуха (эксплуатационный период) указанные воздействующие на сооружение факторы также в графической форме наносят на графики осадок (рис. 6.1 и 6.2). Как правило, графики осадок марок и деформаций оснований и откосов следует строить в течение всего периода геодезических наблюдений, т.е. на протяжении многих лет эксплуатации. Масштаб графиков принимают исходя из условий удобства их построения, безошибочного считывания результатов при пользовании и анализе информации.

Рис. 6.1. Осадки марки на гребне плотины:  - регистрация землетрясения

Рис. 6.2. Осадки контрольных марок на гребне грунтовой плотины: □ - М1; Å - М2; - М3; - М4; Ñ - M5; x - М6

6.2.3. Последовательность и техника построения графиков хода осадки марок следующая. На миллиметровую бумагу в осях «осадка-время» и выбранном масштабе наносят координатную сетку. Значения осадки (мм) от нуля до ожидаемых величин наносят с левой стороны на ось ординат с положительным направлением вниз по вертикали. По оси абсцисс (в горизонтальном направлении) наносят годы (месяцы) наблюдений в рассматриваемый период. Начальное высотное положение всех приведенных на графике знаков, расположенных в контролируемом створе или на исследуемом элементе сооружения, определяется датой первого нивелирования и нулевой ординатой.

Значения последующих абсолютных осадок каждого высотного знака, полученные из очередных наблюдений и отмечаемые в соответствующем масштабе, служат продолжением кривых хода осадок при новых датах измерений.

Обозначенные на графиках точками (или другими условными знаками) осадки каждого высотного знака последовательно соединяют плавными линиями, которые обозначают номерами тех марок, осадки которых они иллюстрируют. При разбросе точек и отсутствии надлежащей корреляционной связи в развитии процесса рекомендуется проводить осредненную плавную линию, используя метод наименьших квадратов. Аналогичным образом рекомендуется выполнять построение графиков изменений во времени относительных значений осадок марок (рис. 6.3) и других показателей геодезических измерений, в том числе значений относительной неравномерности осадок марок ΔS/L, расположенных в соседних поперечных створах (например, 7 и 7а, 10 и 10а на рис. 4.2).

Рис. 6.3. Относительные осадки марок на гребне грунтовой плотины:

 - осадка относительно высоты плотины;

 - осадка относительно высоты плотины и основания в пределах сжимаемого слоя

6.2.4. Эпюры осадок плотины, основания и откосов представляют собой такие графики, на которых абсциссы показывают положение осадочных марок на сооружении, в его основании или на откосах, а ординаты - величины осадок в миллиметрах за определенный период наблюдений. Эпюры позволяют наглядно иллюстрировать распределение осадок в рассматриваемом створе, например, по длине плотины (рис. 6.4). Верхняя горизонтальная линия эпюры условно соответствует высотному положению гребня плотины при первом (начальном) цикле измерений. Вторая и последующие нижерасположенные линии изогнутого очертания показывают изменявшееся в ходе осадки положение гребня в различные циклы измерений.

Над эпюрами осадок, приведенными на рисунке, рекомендуется размещать схематический продольный разрез плотины, сжимаемой толщи основания или оползня; на линии гребня плотины указывают местоположение и порядковые номера высотных знаков продольного створа.

Рис. 6.4. Эпюры осадки гребня грунтовой плотины:

1-5 - даты измерения осадок; 6-11 - номера контрольных марок; 12 - гребень плотины; 13 - положение верха противофильтрационного элемента по проекту; 14 - НПУ

Эпюры осадок рекомендуется наносить после каждого цикла нивелирования марок. Техника построения эпюр практически не отличается от применяемой при построении графиков осадки. На каждой из эпюр следует указать дату выполнения нивелировки марок. Эпюры осадок целесообразно строить как для абсолютных, так и для относительных осадок (рис. 6.5).

Рис. 6.5. Эпюры абсолютной и относительной осадок гребня грунтовой плотины:

1, 2- осадки гребня по измерениям в 1961 и 1962 гг.;  - поверхностная марка

Построение эпюр относительной неравномерности осадок гребня (берм) на участках створов плотин с резкими изломами профиля поверхности основания выполняют по приведенной выше методике, откладывая по вертикали расчетные значения ΔS/L.

Для поперечных створов плотин, оснащенных поверхностными и многоярусными глубинными марками, рекомендуется выполнять построение эпюр осадок внутри тела плотины по вертикалям (рис. 6.6) и, по возможности, эпюр распределения осадок по ширине профиля или под подошвой сооружения (рис. 6.7).

Рис. 6.6. Эпюры эксплуатационных осадок внутри тела плотины

6.2.5. Обработанные данные измерений горизонтальных поперечных смещений плотины представляются графически в виде эпюр, вид которых приведен на рис. 6.7.

Рис. 6.7. Эпюры осадки основания и смещений грунтовой плотины:

1 - осадка основания после возведения плотины; 2 - осадка основания после наполнения водохранилища; 3 - расчетная осадка основания для случая наполненного водохранилища; 4 - экран; 5 - деформации экрана; 6 - эпюры расчетных смещений; 7 - эпюры измеренных смещений;  - марка

6.2.6. Эпюры относительных горизонтальных перемещений характерных точек гребня вдоль продольной оси плотины Δ/l рекомендуется размещать под схематическим продольным разрезом створа, включающим местоположение и номера плановых и высотных знаков. Выполнять построение эпюр следует после каждого цикла измерений расстояний между знаками, откладывая значение Δ/l от средней горизонтальной линии, условно соответствующей нулевому значению перемещений. Величину относительных перемещений соседних знаков Δ/l, иногда выраженную в процентах

,

откладывают по вертикалям между точками измерений. В случаях увеличения во времени расстояний между знаками значение относительного перемещения считается положительным и откладывается вверх, а при уменьшении расстояний - отрицательным, направленным вниз (рис. 6.8).

Рис. 6.8. Относительные перемещения и осадки гребня плотины:

а - продольный профиль плотины и эпюра осадок марок; б - эпюра относительных перемещений; 1-10 - номера марок; А - зоны растяжений; Б - зона сжатий грунта

6.2.7. Расчетные и критериальные значения осадок и горизонтальных деформаций плотины и основания, необходимые для сравнения с полученными в натуре, следует брать из проекта, либо определять любым достоверным методом, прошедшим широкую апробацию на практике.

6.2.8. Результаты визуальных наблюдений за местными деформациями плотин, прилегающих территорий и откосов, выполняемых параллельно с геодезическими и телеметрическими наблюдениями, приводят на плане, профиле сооружений и развернутых масштабных схемах (развертках) в виде зарисовок дефектных участков и описания происходящих на них процессов (рис. 6.9). Схемы с зарисовками рекомендуется дополнять сериями фотографий дефектов (оползней, потенциально неустойчивых массивов, просадок, сдвигов, трещин и пр.), последовательно снятых через некоторые интервалы времени и фиксирующих динамику развития процессов.

Рис. 6.9. Данные визуальных наблюдений за местными деформациями грунтовой плотины:

1 - трещины разрыва; 2 - оползневые ступени (уступы); 3 - застой воды; 4 - трещины выпучивания; 5 - язык оползня; 6 - тело оползня; 7 - ложе оползня; 8 - верхняя граница оползня; 9 - линия бровки срыва; 10 - трещины скольжения; 11 - выход воды; 12 - нижняя граница оползня; 13 - продольные трещины на гребне; 14- выпор грунта; 15 - воронка проседания

6.3. Анализ результатов наблюдений

6.3.1. Анализ хода осадок плотины, деформаций основания и откосов должен проводиться квалифицированным инженерным персоналом в соответствии с нижеприведенными рекомендациями, доступными для практического использования при оценке состояния и безопасности работы объектов наблюдений. При необходимости для этих целей может быть привлечена специализированная организация.

6.3.2. Одним из основных положений анализа результатов наблюдений за осадками следует считать установление закономерности хода осадки плотины во времени. С этой целью рекомендуется проводить анализ очертания кривых графиков хода осадок по каждой высотной марке. Практический опыт натурных наблюдений на грунтовых плотинах позволяет выделить следующие характерные случаи изменений осадок во времени: нормальный, аномальный и аварийный, ход развития которых с различной скоростью приближается к предусмотренному проектом предельному значению осадки (рис. 6.10, график 1) [12].

6.3.3. Нормальный ход развития осадок плотины (основания) характеризуется его плавностью, монотонным уменьшением приращений осадок во времени (от цикла к циклу измерений), плавным приближением происходящих осадок (рис. 6.10, график 2) к горизонтальной асимптоте 1. График нормального хода осадки плотины по своему очертанию должен быть близок к очертанию графика уплотнения грунта тела плотины под нагрузкой.

Рис. 6.10. Характерные графики хода осадок во времени:

1 - ожидаемое предельное значение затухающей осадки (горизонтальная асимптота); 2 - график нормального хода осадки; 3 - график изменения осадки с временным отклонением от нормального хода; 4 - аварийный характер развития осадки с участками: начального постепенно затухающего хода осадки (а), затухающего хода (б), ускоряющегося хода осадки (в) с возможной аварией

6.3.4. В строительный период плавность графика осадки в отдельные временные отрезки может нарушаться (рис. 6.11), но ее общий ход сохраняет закономерность. Нарушения плавности хода в этот период обусловлены наращиваниями насыпи свежим грунтом и переносами высотных марок с яруса на ярус. После прекращения отсыпки грунта графики хода осадки приобретают и сохраняют в дальнейшем свою плавность и тенденцию к монотонному затуханию.

Рис. 6.11. Графики возведения плотины и хода осадки при послойной укладке грунта:

1 - график хода осадки при последовательном возведении плотины; 2 - график возведения плотины; 3 - величина предельной осадки

6.3.5. Показателями закономерного хода осадки плотины (основания) могут служить очертание и взаимное расположение эпюр осадок, построенных по измерениям, выполненным через равные временные интервалы. Осадку плотины можно считать закономерной, если:

а) эпюры повторяют контурную линию створа плотины, меняя свои ординаты в соответствии с изменением высоты плотины;

б) интервалы между нижними, ограничивающими эпюры линиями, построенными на разные даты через равные отрезки времени, уменьшаются сверху вниз (рис. 6.4), т.е. линии эпюр с каждым годом располагаются ближе друг к другу, что является признаком затухания осадки во времени;

в) эпюры осадок не имеют резких перегибов и ступеней.

6.3.6. При анализе состояния и работы плотины, основания и откосов по данным геодезических наблюдений за их деформациями необходимо учесть и соответствующие результаты визуальных наблюдений. Отсутствие на плотине и других объектах наблюдений видимых проявлений просадок грунта, оползней, трещин, вспучиваний, очагов фильтрации и т.п. свидетельствует о благополучном состоянии сооружения, его основания и откосов.

6.3.7. Аномальный ход осадки характеризуется, как правило, одним или несколькими нарушениями закономерности ее развития. К числу причин аномальных отклонений хода осадки можно отнести: интенсивное замачивание грунта плотины при быстром наполнении водохранилища; набухание глинистых грунтов в плотине, геологической среде основания или откосов при их водонасыщении; морозное пучение или «омоноличивание» грунтов; динамические сотрясения от взрывов, землетрясений, транспорта и др.; выпор слабых грунтов из основания; суффозионные процессы и другие факторы.

Воздействие указанных выше факторов на осадку плотины проявляется в следующем.

6.3.8. Интенсивное замачивание тела плотины вызывает ослабление контактных связей между частицами грунта; в крупнообломочных грунтах проявляется взвешивающая сила, снижаются показатели внутреннего трения и т.п. Указанные явления способствуют резкому увеличению скорости осадки грунта под действием собственного веса насыпи за счет переукладки частиц в более плотное состояние. Процесс носит сравнительно кратковременный характер и отражается на графике хода осадки ступенчатым падением (рис. 6.12, а).

6.3.9. Набухание при замачивании наблюдается, как правило, в высокодисперсных глинистых грунтах типа четвертичных отложений хвалынских глин в Поволжье, майкопских, крымских, закавказских глин и др. Деформации набухания таких глин при средней природной влажности порядка 20-25 % достигают 10-20 % от первоначального объема, что при замачивании может привести к значительному увеличению в грунте давления [2].

В грунтовой плотине, основании или откосах из глинистого материала деформации набухания возможны после наполнения водохранилища и начала фильтрации. Такие деформации накладываются (с обратным знаком) на осадку, обусловленную уплотнением тела плотины и основания от собственного веса грунта (рис. 6.12, б). Процесс набухания может длиться достаточно долго из-за малой водопроницаемости глин, а величина деформаций набухания в значительной мере будет зависеть от размеров глинистого массива (высоты плотины).

6.3.10. Деформации морозного пучения проявляются, как правило, в поверхностном контуре профиля плотины, выполненной из глины, суглинка или морены. Деформации носят сезонный (циклический характер) и при неглубоком заложении высотных марок на гребне, низовых бермах, территориях и откосах (выше глубины сезонного промерзания грунта) приводят в зимний период к подъему марок в пучинистом грунте, искажая действительный ход осадки. Графически этот процесс проявляется некоторыми подъемами кривых хода осадки в зимние месяцы (рис. 6.12, в).

6.3.11. Сезонные глубокие промерзания низовых призм плотин в условиях Крайнего Севера с возможным образованием и накоплением в пустотах (порах) грунта льда вызывают замедление процесса осадки, фиксируемое марками на низовых бермах (рис. 6.12, г).

Рис. 6.12. Графики изменения осадок с отклонениями от нормального хода под воздействием различных факторов:

а - влияние замачивания грунта; б - влияние набухания грунта; в - влияние морозного пучения и промерзания тела плотины; г - влияние глубокого промерзания низовой призмы

6.3.12. Выпор слабых грунтов из основания под действием веса плотины вызывает, как правило, очень большие осадки сооружения (иногда в несколько метров). Ориентировочно график осадки плотины при выпоре грунта из основания может соответствовать приведенному на рис. 6.12, д.

6.3.13. Землетрясения и мощные взрывы могут вызвать при определенных условиях быстрое увеличение скорости осадок объектов наблюдений и даже их обрушение. Возможное изменение хода осадки при кратковременных динамических воздействиях приведено на графиках рис. 6.12, е.

6.3.14. Суффозионный вынос грунта из тела плотины (основания) может приводить к образованию на поверхности плотины локальных просадок, что может быть зафиксировано высотными марками, располагающимися в зоне проседания. На графиках хода осадки этих марок появляются аномальные отклонения кривых, указывающие на повышение скорости осадки (рис. 6.12, ж).

6.3.15. Аналогичным образом отражается на графиках хода осадки протаивание оказавшихся в теле плотины при строительстве линз льда или снега (рис. 6.12, з).

Рис. 6.12. Продолжение

д - влияние выпора грунта основания; е - влияние динамических воздействий; ж - влияние суффозии грунта; з - влияние оттаивания линз льда; - землетрясение 6,5 балла

6.3.16. При анализе данных наблюдений рекомендуется учитывать, что аномальный ход осадки плотины по указанным выше и другим причинам не всегда является признаком неблагополучной работы плотины и основания или нарушения их целостности, так как с прекращением воздействия факторов, нарушающих нормальное развитие осадки (например, замачивание грунта тела плотины водой, небольшие сотрясения взрывами или сейсмом, таяние находившегося в грунте льда и т.д.), дальнейший процесс ее развития приобретает вполне закономерный характер.

6.3.17. Аварийный ход осадки плотины (основания, откосов) характеризуется незатухающим, ускоряющимся во времени процессом ее развития (рис. 6.10, кривая 4). Такое развитие процесса может быть обусловлено нарушением статической устойчивости откосов плотины, выпором слабых грунтов из основания, контактным выпором (выносом) и контактным размывом, сопровождающимся разрушением грунта на контакте с более крупнозернистым материалом (нарушениями фильтрационной прочности); повреждениями плотины, вызванными воздействием сейсма или взрывов и др. В данном случае в анализ хода осадки плотины должны быть включены результаты и других видов наблюдений за сооружением.

6.3.18. Оценку закономерности хода и общей тенденции развития осадок плотины рекомендуется производить не по отдельным фрагментарным графикам и эпюрам, а по данным за весь период наблюдений, т.е. ретроспективным способом, что позволяет путем визуального сравнения с большой наглядностью проследить за всеми изменениями в характере осадки плотины с начала наблюдений. Для упрощения анализа на чертежи рекомендуется нанести графики изменений во времени уровней верхнего и нижнего бьефов, графики температуры наружного воздуха (для северных районов) и других факторов, оказывающих влияние на ход осадки (рис. 6.12, а-г, ж).

6.3.19. Следующим этапом анализа результатов натурных наблюдений за осадкой является их сравнение с данными проекта или специальных расчетов. Сопоставление производится путем нанесения на графики и эпюры изменений наблюдаемых осадок, расчетных графиков и эпюр, вычисленных для соответствующих створов, сечений или точек. Затем данные натурных наблюдений сравнивают с предельно допустимыми показателями по осадке. Если натурные значения осадок не превосходят расчетных и предельно допустимых величин, а ход осадки является вполне закономерным, то плотину по этому показателю (осадке) можно считать работоспособной. В случае превышения величин натурных осадок их критериальных значений рекомендуется:

выполнить повторный расчет осадки плотины и основания с введением в него уточненных геотехконтролем характеристик грунта и граничных условий;

включить в анализ результаты других видов натурных наблюдений по плотине с целью выяснения возможных причин развития и выхода осадки за пределы расчетных значений (данные по плотности и качеству уложенных в плотину грунтов, криологии основания, погребенному снегу, суффозионным процессам, динамическим воздействиям и др.).

6.3.20. Для оценки эксплуатационной надежности плотины по данным наблюдений за осадкой рекомендуется установить степень однородности ее сложения по плотности грунта, а также выяснить равномерность деформаций сооружения. Наглядными показателями для оценки плотности тела плотины являются графики и эпюры, характеризующие относительную осадку сооружения (в процентах от его высоты) и изменение относительной неравномерности осадок соседних марок (ΔS/L) на участках с резким изменением профиля основания плотины. В случае однородного по плотности состава грунта в плотине на всем ее протяжении относительная осадка гребня или берм во всех контрольных створах будет одинакова (при равной продолжительности наблюдений и идентичности грунтов основания в каждом створе). Неравномерность абсолютных осадок гребня (берм) плотины по ее длине рекомендуется оценивать визуально путем сравнения эпюр осадок. При относительно плавном очертании эпюр можно заключить, что вероятность образования на гребне плотины опасных в фильтрационном отношении поперечных трещин невелика. При наличии на эпюрах осадок резких перегибов или ступеней требуется тщательно обследовать соответствующие участки плотины на трещинообразование. Существенная разность между значениями осадок двух близких поперечных створов может свидетельствовать о возникновении в грунте растягивающих или значительных касательных напряжений, способных привести к образованию поперечных фильтрующих трещин.

6.3.21. Анализ результатов наблюдений за осадками внутри тела плотины по вертикали заключается в сопоставлении значений расчетных и фактических осадок; при этом максимальные осадки по замерам не должны превышать расчетных значений, определенных по действующим СНиП. Минимальные значения фактических осадок не должны иметь существенных отличий от осадок соседних слоев плотины, т.е. весь график эксплуатационных осадок должен носить плавный характер от нулевого значения осадки тела плотины у подошвы до максимального на гребне или бермах. Появление на графиках участков с резким изменением величины осадки может свидетельствовать о локальных зависаниях ядра на боковой призме, возможного образования горизонтальной трещины и последующего гидравлического прорыва ядра.

Значительная неравномерность осадок негрунтового экрана плотины может привести к разгерметизации его швов, нарушениям целостности защитного покрытия и, как следствие этого, к увеличению фильтрации.

6.3.22. При анализе графиков хода осадок в различных наблюдательных створах или отдельных точках плотины очень важно установить закономерность процесса их затухания во времени. Признаками благополучного поведения плотины является монотонное уменьшение скорости осадки во времени и ее стремление к нулю, т.е. соблюдение условия

us(t1)>us(t2)>….>us(tn)→0,                                                    (6.6)

где us - скорость осадки, мм/год, месяц, в моменты времени t1 ,...,tn Признаками нормальной работы плотины по показателям горизонтальных поперечных смещений ее гребня являются:

а) закономерное следование смещений гребня возрастающей или убывающей гидростатической нагрузке при наполнении и сработке водохранилища;

б) уменьшение через 2-3 цикла «наполнения-сработки» уровня верхнего бьефа необратимой составляющей смещений до значений, близких к нулю (аналогично условию 6.6), и переход горизонтальных деформаций гребня в стадию упругой работы.

При оценке состояния грунтовой плотины принято считать, что она находится в фазе стабилизации деформаций, если график хода осадки асимптотически приближается к горизонтали, а скорость (интенсивность) осадки составляет примерно 1-2 мм/год [2].

6.3.23. Анализ эпюр относительных горизонтальных перемещений (вдоль оси плотины) дает возможность выявить зоны сжатия и наиболее опасные зоны растяжения грунта, максимальные значения которых наблюдаются преимущественно в период строительства и первого наполнения водохранилища. Зоны растяжения грунта, как правило, располагаются над «неблагополучными» участками основания (крутые береговые склоны, борта каньона и др. по п. 4.5.2). Здесь наиболее вероятно появление опасных поперечных трещин при растягивающих относительных деформациях, достигающих 0,5 % от высоты плотины.

Во всех случаях нарушений закономерности хода развития деформаций для различных участков плотины необходимо проведение комплексного анализа результатов других видов натурных наблюдений, в том числе результатов фильтрационных, температурных и других измерений.

6.4. Установление предельно допустимых показателей (критериев) осадки грунтовой плотины*

6.4.1. Под критериями осадки плотины понимают такие ее предельные и количественные значения, достижение которых в натурных условиях свидетельствует либо

о нормальной работе плотины в соответствии с проектными предпосылками;

о наличии существенных отклонений в работе и состоянии плотины от проектных и нормативных требований, но сохранении возможности эксплуатации с некоторыми ограничениями;

об исчерпании плотиной или отдельными элементами возможностей восприятия проектных нагрузок и воздействий и выполнения своего функционального назначения [П-836-85, СНиП 2.06.01-86].

* Выпущена «Методика определения критериев безопасности гидротехнических сооружений», РД 153-34.2-21.342-00. М. 2001.

6.4.2. Критерии, характеризующие состояние плотины, условно подразделяют на два вида: предельно допустимые и предельные. В общем случае оценку надежности работы плотины по показателю осадки выполняют путем сравнения фактических (полученных натурными измерениями)  значений осадки с ее критериальными показателями:

при исправной работе

SнатSпр.доп.;                                                                          (6.7)

при неисправной работе

Sпр.доп. < Sнат < Sпред;                                                               (6.8)

при предельном (предаварийном) состоянии

Sпр.доп. < Sнат » Sпред,                                                               (6.9)

где Sнат, Sпр.доп., Sпред - соответственно, натурные, предельно допустимые и предельные значения осадки плотины.

6.4.3. В качестве критериев осадки исправной грунтовой плотины можно рекомендовать неравенства

SнатSрасч ± ΔS;                                                                     (6.10)

us(t1)>us(t2)>….>us(tn)→0,                                                    (6.11)

где Sнат и Sрасч - значения, соответственно, измеренной и расчетной осадки плотины за одинаковый период времени;

ΔS - погрешность измерения расчетной осадки (±5%);

us(t1),us(t2),….,us(tn) - интенсивность приращения осадки плотины, соответственно, в первый, второй и последующие годы наблюдений, начиная с первого измерения в момент to.

Для лучшего сравнения результатов измерений осадок по интенсивности (скорости) рекомендуется выполнять условие равенства временных интервалов между циклами:

Δti = Δt2 = Δt3 =...=Δtn.                                                         (6.12)

6.4.4. Показатели осадки, указывающие на стабильную или возрастающую величину ее интенсивности во времени, следует рассматривать как признак неблагополучного состояния плотины или ее основания, т.е.

us(t1) = us(t2) = us(t3) =….= us(tn),                                          (6.13)

us(t1) < us(t2) < us(t3) <….< us(tn),                                          (6.14)

Эти показатели можно считать предельно допустимыми (6.13) и предельными (6.14) критериями, указывающими на возможность появления предаварийной ситуации.

Предельно допустимые и предельные критериальные показатели осадки плотины устанавливаются расчетными или статистическими методами, а также по данным многолетних натурных наблюдений [24].

6.5. Прогнозирование конечной величины и хода осадки плотины

6.5.1. Расчет осадки отсыпаемой или намываемой плотины во времени должен быть выполнен при ее проектировании на основе данных компрессионных испытаний грунтов тела и основания путем суммирования для заданного момента времени деформаций сжатия элементарных слоев (Δzi) по высоте сооружения [СНиП 2.02.01-83, СНиП 2.02.02-85, 8, 9, 15, 20]:

                                                                (6.15)

где S(t) - осадка на момент времени t;

h - высота плотины; σit - напряжения в скелете грунта расчетного слоя;

еi - коэффициент пористости грунта расчетного слоя;

аi - коэффициент уплотнения (сжимаемости) участка компрессионной прямой.

6.5.2. По мере изменений характеристик грунтов при строительстве величину прогнозируемой осадки рекомендуется уточнять, при этом следует принимать во внимание соответствующие данные геотехконтроля и специальных исследований [16]. Результаты этих расчетов осадки могут служить в качестве значений номинального критерия.

6.5.3. При необходимости прогнозирования осадки в период эксплуатации плотины по данным натурных наблюдений и сопоставления результатов со значениями проектного прогноза полученные данные измерений хода осадки рекомендуется аппроксимировать функцией вида

                                                                        (6.16)

где t - время;

а и b - эмпирические коэффициенты, определяемые из условия наилучшего соответствия данных измерений аппроксимирующей функции;

S(t) - осадка за рассматриваемое время t (годы, месяцы).

6.5.4. После определения аппроксимирующей функции и описания графика осадки за период времени наблюдений t (например, за 5 лет наблюдений) по зависимости (6.16) выполняют расчет осадки на интересующий будущий момент времени ti (например, на последующие 5, 10 или большее количество лет, в том числе на t = ∞) в качестве примера на рис. 6.13 приведены натурная и прогнозируемая кривые осадки, а в табл. 6.4 - рекомендуемая форма для выполнения обработки данных наблюдений осадки аппроксимацией и ее прогнозирования.

Таблица 6.4 Обработка данных наблюдений осадки аппроксимирующей функцией

№№ высотного знака

Дата измерений осадки

Измеренная осадка Sn, см

Время от начала наблюдений, мес.

Коэффициенты функций

Коэффициент корреляции r

Прогнозируемая осадка к ... году, см

Конечная осадка S, см (1/a)

a, 1/см

b, мес/см

 

 

 

 

 

 

 

 

1

В качестве аппроксимирующих могут быть использованы и другие функции, позволяющие более достоверно описать развитие осадки, а прогноз осадки по мере получения новых данных наблюдений рекомендуется уточнять [12].

Для снижения трудоемкости и сокращения времени обработки результатов наблюдений указанные расчеты рекомендуется выполнять на ПЭВМ или на микрокалькуляторах с программным режимом работы типа МК-52 (программа № 40).

Рис. 6.13. Графики хода осадок грунтовой плотины:

1 - график возведения плотины; 2 - график хода осадки по данным натурных наблюдений; 3 - график хода прогнозируемой осадки

7. РЕКОМЕНДАЦИИ ПО ВЕДЕНИЮ ОТЧЕТНОЙ ДОКУМЕНТАЦИИ ПРИ НАБЛЮДЕНИЯХ ЗА ОСАДКАМИ

7.1. Основными отчетными документами в строительный период являются: промежуточные технические отчеты о наблюдениях, выполненных в одном цикле или квартале; годовые технические отчеты; сводный технический отчет о наблюдениях, выполненных до сдачи сооружения в эксплуатацию.

Отчетная документация в виде пояснительных записок должна подготавливаться группой, выполняющей наблюдения за осадкой и деформациями на объекте, и передаваться Заказчику.

7.2. Годовые технические отчеты должны содержать: введение (начало наблюдений, организации-исполнители, наличие предыдущих отчетов); характеристики района и условий строительства (физико-географические условия района, геологический профиль по оси плотины (рис. 4.2), сведения о температуре воздуха, атмосферных осадках, землетрясениях, состоянии возводимых сооружений); схемы размещения сооружений; схемы размещения КИА (схемы опорной и контрольной сетей, см. рис. 4.1, 4.3, 4.4, 6.2, 6.4, 6.5, 6.7, 6.8), количество и координаты КИА, допущенные отклонения от проекта, методики измерений, данные о цикличности наблюдений (см. рис. 5.1, табл. 5.2); результаты измерений осадок и деформаций (см. табл. 5.1, 6.1 - 6.3) и их анализа (см. табл. 6.4, рис. 6.13); заключение (общие выводы).

7.3. Сводный технический отчет должен быть составлен к сдаче ГЭС в промышленную эксплуатацию и содержать сведения о всех выполненных в строительный период работах по наблюдениям за деформациями сооружений ГЭС геодезическими и другими методами. Содержание сводного отчета по составу должно соответствовать содержанию годовых отчетов; в приложениях к нему следует привести схемы размещения КИА, установленной к моменту сдачи сооружения в эксплуатацию, а также ведомости и графики осадок и других деформаций сооружений с начала наблюдений, график наполнения водохранилища.

7.4. Основными отчетными документами в эксплуатационный период должны быть: промежуточные технические отчеты о наблюдениях в каждом очередном и дополнительном циклах (при аномальном ходе осадок и в периоды повышенного риска работы сооружений); краткие годовые технические отчеты по наблюдениям за общими и местными осадками; сводные технические отчеты по наблюдениям за осадками в течение основных периодов эксплуатации сооружений.

7.5. Краткий годовой технический отчет должен включать сведения, рекомендованные для составления полных годовых отчетов в строительный период и основные положения, рассмотренные в настоящих Рекомендациях, в том числе результаты визуальных наблюдений за прошедший период, графики и таблицы изменений УВБ, случаи аварийных ситуаций на плотине, сведения о состоянии КИА, данные наблюдений за осадками и деформациями, оценку состояния и работы сооружений, оснований и береговых примыканий, оценку достаточности КИА и предложения по совершенствованию работ и дооснащению КИА.

7.6. Сводный технический отчет по наблюдениям за осадками должен соответствовать содержанию краткого годового технического отчета, а также включать сведения о работах, выполненных в основные периоды эксплуатации: первого наполнения водохранилища; первых лет эксплуатации; через каждые 5-10 лет (в условиях нормальной эксплуатации в течение 40-50 лет); через каждые 5-7 лет в условиях старения сооружения (после 40-60 лет эксплуатации).

ПРИЛОЖЕНИЕ

ОСНОВНЫЕ СВЕДЕНИЯ ОБ АППАРАТУРЕ И ИНСТРУМЕНТАХ

П.1. Нивелиры

Конструкция нивелира включает следующие основные части: уровень, зрительную трубу для визирования и подставку; у нивелиров с самоустанавливающейся линией визирования, кроме того, имеется компенсатор.

В зависимости от конструкции различают нивелиры уровенные (с уровнями), компенсаторные и глухие, у которых зрительная труба и уровень наглухо скреплены между собой и с подставкой трубы. Глухие нивелиры с уровнями бывают с элевационным винтом и без него (рис. П.1).

Рис. П.1. Схема глухого нивелира:

а - с элевационным винтом; б - без элевационного винта; 1 - треножник-подставка; 2 - ось вращения нивелира; 3 - маховичок элевационного винта; 4 - опорная плита; 5 - визирная труба с уровнем; 6 - горизонтальная ось вращения трубы; 7 - круглый уровень

П.2. Нивелирные рейки и вспомогательные приспособления

П.2.1. Нивелирные рейки выполняют в виде бруска из сухой выдержанной древесины цельными или складными. Рейки для нивелирования III и IV класса типа РНЗ имеют двухстороннюю дециметровую шашечную шкалу. Погрешность в длине дециметровых делений реек не должна превышать соответственно классу ±0,2 и ±0,3 мм. Для нивелирования I и II класса обычно применяют цельные 3-метровые штриховые рейки с двумя шкалами на одной стороне типа РН2 или штриховые двухсторонние рейки. Деления таких реек, равные 5 мм, нанесены тонкими штрихами на металлическое полотно из инвара (рис. П.2).

Рис. П.2. Нивелирные стандартные рейки:

а - рейка шашечная РН3; б - рейка штриховая РН2 с двумя шкалами на одной стороне; в - рейка штриховая двухсторонняя

Нижний конец реек обивают железом, внешнюю плоскость которого называют пяткой, совпадающей с нулем рейки. В процессе работ для исключения систематической погрешности следят за исправностью реек и плоскостью пяток.

Для установки рейки в вертикальное положение к ней прикрепляют круглый уровень или отвес, располагаемый на небольшом кронштейне.

При работе в помещении (потерне, галерее) обычно применяют специальные нивелирные рейки (реечки), конструкция которых позволяет упростить измерения осадок и ускорить процесс геодезических наблюдений.

Рабочим элементом таких реек являются две шкалы с делениями через 5 мм, смещенные одна относительно другой на 2,5 мм.

Основные конструкции нивелирных реек для помещений приведены на рис. П.3.

Рис. П.3. Нивелирные рейки для помещений:

а - магнитная подвесная рейка, б - подвесная рейка, в - стандартная рейка, 1 – инварная полоса, 2 - пластина из оргстекла, 3 - стакан металлический, 4 - верхняя грань магнита, 5 - винт, 6 - пластина Г-образная, 7 - крюк, 8 - пластина металлическая, 9 - противовес, 10 - подпятник, 11 - рама П-образная, 12 - пятка

П.2.2. Подвесная магнитная рейка (рис. П.3, а) включает нивелирную полосу 7, расположенную между двумя пластинами 2 из оргстекла и закрепленную винтами 5. Металлический стакан 3 с магнитом 4 скреплен с рейкой Г-образными пластинками 6 при помощи винтов. Верхняя грань магнита является пяткой рейки. Отверстие в верхней части стакана выбирают по диаметру боковой марки для обеспечения однообразия подвески марки во всех циклах.

П.2.3. Подвесная рейка простейшей конструкции (рис. П.3, б) включает крюк 7, к которому прикреплена металлическая пластина 8. С пластиной соединена винтами инварная полоса 1 и защитная пластина из оргстекла 2. Вертикальное положение рейки при подвеске достигается с помощью противовеса 9; фиксация подвески достигается с помощью подпятника 10.

П.2.4. Стандартная рейка с приспособлением для подвески (рис. П.3, в) длиной 1,5-2,0 м состоит из приспособления для подвески в виде П-образной рамы 11, прикрепленной винтами 5 к корпусу рейки. В верхней части рамы закреплена пятка 12, расстояние от которой до начального штриха рейки изменяется винтами крепления.

До начала работ на объекте и при их последующем выполнении нивелирные рейки должны периодически проходить поверки и исследования.

П.2.5. Нивелирные башмаки и костыли предназначены для установки реек в наиболее ответственных случаях привязки высотной геодезической сети объекта к реперам Государственного нивелирования. Костыль или башмак из металла со сферической головкой забивают в грунт перед выполнением нивелирования, а затем в процессе измерений вытаскивают, переносят и устанавливают на следующую станцию. В случае постоянных ходов нивелирования вместо переносных костылей и башмаков рекомендуется устанавливать постоянные бетонные тумбы с зацементированным в центре костылем со сферической головкой.

П.2.6. Пикетные колышки и сторожки из деревянных реек устанавливают по оси трассы нивелирования. Колышки длиной 10-30 см забивают вровень с землей в пикетных точках. При нивелировании на эти колья устанавливают рейки. Рядом с пикетным колышком забивают второй - сторожок, несколько выступающий над землей. На сторожке записывают номер пикета.

П.3. Приборы для измерения расстояний в геодезическом производстве делят на три вида: концевые, длина которых заключена между концами прибора (рис. П.4, а); штриховые, длина которых заключена между штрихами, нанесенными в вырезах для шпилек у начала и конца прибора (рис. П.4, б, в); шкаловые, длина которых заключена между нулями шкал, помещаемых в начале и конце прибора (рис. П.4, г).

Рис. П.4. Мерные ленты и шкалы к проволокам:

а - концевой прибор; б - штриховая лента; в - шпильки к штриховой ленте; г - шкаловая лента; д - шкалы инварной проволоки

П.3.1. При геодезических работах распространено измерение стальной 20-метровой штриховой мерной лентой и рулетками. Мерные ленты изготовляют длиной 24 и 50 м с допустимыми отклонениями от действительной длины не более ±1 - ±3 мм.

П.3.2. Измерительные рулетки выпускают металлическими и полотняными длиной от 5 до 100 м. Допустимые отклонения от действительной длины регламентируют в пределах от 0,5 до 14 мм в зависимости от класса рулетки, условий и методики измерений.

П.3.3. При особо точных работах используют мерные проволоки, шкалы которых приведены на рис. П.4, д. Шкалы длиной 8 или 10 см с миллиметровыми делениями крепят на концах проволок. Материал проволок - сталь или инвар диаметром 1,65 мм. Относительная погрешность измерений стальной проволокой составляет от 1:10000 до 1:25000, а инварными проволоками от 1:30000 до 1:100000. Проволоки используют в комплекте с приспособлениями для подвески.

П.4. Конструкции нивелирных геодезических знаков

П.4.1. Конструкция исходных реперов определяется геологическими, гидрогеологическими и климатическими условиями места их расположения и рельефом местности.

При залегании в зоне расположения исходных реперов прочных скальных пород следует применять реперы трубчатого типа (рис. П.5), включающие реперную трубу 2 с головкой из нержавеющей стали 3 в верхней части и перфорацией в нижней части, которая заполнена на 60-80 см бетоном и образует вместе с трубой якорь 1. Над скважиной должны быть расположены защитная труба 4 и реперный колодец 5, оснащенные крышками 6-8. Свободное пространство скважины и колодца заполнено теплоизоляционным материалом 9 (шлаковата, опилки с битумом и др.).

Рис. П.5. Исходный репер трубчатого типа:

1 - якорь; 2 - реперная труба; 3 - головка; 4 - защитная труба; 5 - колодец из железобетонных колец; 6, 7, 8 - крышки; 9 - теплоизоляционный материал

При отсутствии в местах установки исходных реперов выходов скальных пород приборы следует устанавливать в коренные породы. Конструкция глубинного репера приведена на рис. П.6 и включает якорь 14, реперную трубу 1, реперную головку 2, защитную трубу 3, сальник 11 и реперный колодец 7. Реперная труба 1 состоит из соединенных муфтами стальных газовых или буровых труб наружным диаметром 89 мм, заполняемых для более длительной сохранности цементным раствором или битумом. Нижний конец реперной трубы, заканчивающийся якорем, должен располагаться в коренных породах на глубине до 15-25 м. К верху реперной трубы крепится полусферическая головка 2 из нержавеющей стали или бронзы диаметром 30-40 мм.

Реперный колодец 7 устроен из железобетона или кирпичной кладки, бетонного дна и чугунного люка с крышкой. Колодец предохраняет верхнюю часть репера от смещения вследствие температурных изменений, пучения грунтов от промерзания и случайных воздействий при работах. Во избежание передачи возможных вертикальных смещений колодца на реперную трубу, защитная труба 3 в месте ее прохода через бетонный пол обернута двойным слоем толя 15. Дно колодца должно быть расположено выше уровня грунтовых вод и на 0,5 м ниже глубины промерзания грунта.

Расстояние между низом чугунной крышки и реперной головкой для удобства нивелирования следует принимать равным 20 см. Для уменьшения колебаний температуры в колодце в люке наряду с чугунной следует расположить нижнюю, обитую войлоком или другим теплоизоляционным материалом деревянную крышку 5. До уровня реперной головки колодец должен быть засыпан сухим шлаком или шлаковатой 9.

Рис. П.6. Исходный глубинный репер:

1 - реперная труба; 2 - головка репера; 3 - защитная труба; 4, 5, 6 - крышки; 7 - защитный колодец; 8 - основание колодца; 9 - теплоизоляционный материал; 10 - диафрагма; 11 - сальник; 12 - тампон из пакли; 13 - бетон; 14 - якорь; 15 - прокладка; 16 - максимальная глубина промерзания

Защитная труба 3 предохраняет реперную трубу от возможных смещений, вызываемых сжатием или набуханием окружающего грунта.

Сальник 11 состоит из стального цилиндра, заполненного сальниковой набивкой с тавотом или тяжелым смазочным маслом, наглухо скреплен с нижним концом защитной трубы и служит препятствием для проникновения ила в пространство между реперной и защитной трубами.

П.4.2. Рабочие реперы в зависимости от способов установки подразделяют на реперы трубчатого типа, заложенные с помощью бурения, и реперы, установленные в котлованы.

Конструкция рабочего репера трубчатого типа, заложенного в грунт при помощи бурения (рис. П.7, а), состоит из реперной трубы 1 диаметром 30-50 мм с полусферической головкой 2 из коррозионностойкого металла в верхней части и с перфорацией 3 в нижней. Перфорированная нижняя часть трубы с бетоном высотой 20-30 см представляет якорь репера 6. Выше якоря расположена защитная труба 7 диаметром 168 мм, заканчивающаяся крышкой 8. Пространство между реперной и защитной трубами заполнено теплоизоляционным материалом 9 (шлаковатой или опилками, пропитанными битумом). Над верхом репера расположен защитный колодец 4 из железобетонного кольца или трубчатого типа с крышкой 5.

Рабочий репер, установленный в котловане (рис. П.7, б) имеет реперную трубу 1 диаметром 40-50 мм, соединенную с полусферической головкой 2 из неокисляющегося металла в верхней части и с анкерной плитой 10 размером 40×40×5 см в нижней. Анкерная плита залита слоем бетона высотой 20-30 см и образует якорь репера 6. Над репером оборудован колодец 4, выполненный из железобетонных колец или другого материала с основанием 12 и защитной крышкой 5. Пространство между реперной трубой и стенками шурфа и колодца заполнены теплоизоляционным материалом 9, например, из пропитанных битумом опилок.

Основание таких реперов в мягких грунтах должно располагаться на отметках на 0,5-0,7 м ниже максимальной глубины промерзания.

Рис. П.7. Конструкции рабочих реперов для мягких грунтов:

а - трубчатый репер; б - репер в котловане; 1 - реперная труба; 2 - реперная головка; 3 - перфорация; 4 - защитный колодец; 5 - крышка колодца; 6 - якорь репера; 7 - защитная труба; 8 - защитная крышка; 9 - теплоизоляционный материал; 10 - анкерная плита; 11 – максимальная глубина промерзания; 12 – основание колодца

Рабочий репер для скальных оснований, приведенный на рис. П.8, выполнен в штрабе и состоит из арматурного стержня 5, соединенного путем сварки с подпятником 7, в который впрессован шар 2 из коррозионностойкого металла. Стержень расположен в защитном стакане 4 с завинчивающейся крышкой 1, заполненном цементным раствором. Над репером оборудуется защитный колодец 8, аналогичный колодцу для грунтовых реперов.

Рис. П.8. Рабочий репер для скальных оснований на базе марки поверхностной МПП:

1 - крышка; 2 - стальной шар; 3 - насечка; 4 - стакан; 5 - арматурный стержень; 6 - цементный раствор; 7 - подпятник; 8 - защитный колодец

П.4.3. Контрольные высотные марки (реперы) для измерений осадок грунтовых плотин и их оснований в зависимости от глубины заложения подразделяются на глубинные и поверхностные.

Наблюдения за осадками отдельных слоев грунта в основании грунтовых плотин производятся с помощью универсальных глубинных реперов и глубинных марок, закладываемых на кровле и ниже подошвы этих слоев. К числу глубинных геодезических знаков для измерения осадок с повышенной точностью относится универсальный глубинный репер конструкции Проктора (рис. П.9), включающий рабочую трубу 1 диаметром 5-6 см, один конец которой доходит до кровли исследуемого слоя, а другой оканчивается выше площадки наблюдения 4 у верхнего обреза компенсационной трубы 7 и снабжен специальной головкой из нержавеющей стали 8; защитную трубу 5, которая короче реперной на 0,5 м внизу и на 1 м в верхней части; компенсационную трубу 7, прикрепленную к консоли 12; кронштейн 11 на компенсационной трубе с двумя опорными выступами для установки съемного мессура 10.

Нижний конец рабочей трубы с башмаком (якорем) 6 зацементирован в исследуемом слое на высоту 0,35 м. Над цементной заделкой расположен сальник 13 из просмоленного жгута длиной 0,5 м, заведенный в защитную трубу. Для исключения контакта рабочей трубы с защитной и компенсационной трубами она снабжена направляющими резиновыми кольцами (дисками) 14, исключающими ее возможный изгиб. Верхний конец защитной трубы заканчивается фланцем 3 с резиновой прокладкой, обеспечивающим свободное перемещение рабочей трубы в вертикальном направлении.

Рис. П.9. Универсальный глубинный репер конструкции Проктора:

1 - рабочая труба; 2 - соединительная муфта; 3 - фланец; 4 - цементный пол; 5 - защитная труба; 6 - башмак; 7 - компенсационная труба; 8 - головка репера; 9 - винт реперной головки; 10 - мессур; 11 - кронштейн для мессура; 12 - анкерная консоль; 13 - сальник из просмоленного жгута; 14 - направляющие кольца; 15 - крестообразные перекладины

Схема другой глубинной трубчатой марки приведена на рис. П.10. В зависимости от условий строительства марку закладывают в буровые скважины или в шурфы. Конструкция глубинной марки включает внутреннюю рабочую трубу 2 диаметром 50 мм с полусферической головкой, наружную защитную трубу 3 диаметром 75-100 мм, опорный диск с арматурой 4 и сальники 5 из просмоленной пакли, бетонный якорь 6 с заведенной в него арматурой, хомуты 7, опирающиеся на грунт и удерживающие защитную трубу у устья скважины [18].

Рис. П.10. Глубинные трубчатые марки:

а - схема расположения марок; б - заделка основания марки; 1 - защитный колодец; 2 - рабочая труба; 3 - защитная труба; 4 - опорный диск с арматурой; 5 - сальник; 6 - бетон; 7 - хомут; 8 - зазор

Глубинная железобетонная плита-марка (рис. П.11) состоит из рабочей трубы 2 диаметром 50-100 мм, распорных диафрагм 6, установленных для удержания трубы-марки на оси защитной трубы 7 диаметром 100-168 мм, защитной трубы-люка диаметром 200 мм с крышкой 3 на шарнире и металлическим листом 4, опирающимся на бетонную подготовку 5, полусферической головки 1 из малоокисляющегося металла, второй защитной крышки 12, верхнего сальника 11 из просмоленного жгута и нижнего сальника 8 в виде пропитанной маслом прокладки из пакли, выдвижного звена защитной трубы, металлического листа размером 1,5×1,5 м, расположенного на опорной железобетонной плите 9 такого же размера.

Рис. П.11. Глубинная железобетонная плита-марка:

1 - полусферическая головка; 2 - рабочая труба; 3 - защитная труба-люк с крышкой; 4 - металлический лист; 5 - бетонная подготовка; 6 - распорная диафрагма; 7 - защитная труба; 8 - нижний сальник; 9 - железобетонная плита; 10 - глубина промерзания грунта; 11 - верхний сальник; 12 - защитная крышка

Поверхностная грунтовая марка (рис. П.12, а) устанавливается на глубине ниже глубины промерзания грунта и используется для измерения деформаций поверхности грунтовых плотин или других сооружений.

Марка состоит из рабочей трубы 2 с полусферической головкой 1, защитной трубы-люка диаметром 200 мм и длиной около 1 м с крышкой 7 на шарнире, металлических листов 5 с косынками жесткости 3, приваренных к рабочей и защитной трубам и опирающихся на бетонную подготовку. Верхний фланцевый опорный лист служит для удержания защитной трубы на глубине 0,6-0,7 м от поверхности, а второй служит опорой рабочей трубы 2.

Рис. П.12. Конструкции марок:

а - поверхностная грунтовая марка; б - боковая постоянная марка; 1 - полусферическая головка; 2 - рабочая труба; 3 - диафрагма жесткости; 4 - глубина промерзания грунта; 5 - стальная опорная пластина; 6 - шурф; 7 - крышка; 8 - марка; 9 - винты; 10 - швеллер; 11 - основание марки

В плотинах из связных грунтов конструктивные элементы марок (рис. П.13) должны быть защищены от деформаций морозного пучения, например, слоем песчано-гравийной смеси 10, исключающей контакт внешней поверхности колодца 3 с телом плотины.

Рис. П.13. Схемы поверхностных постоянных марок:

1 - марка из неокисляющегося металла; 2 - труба марки; 3 - колодец трубчатого типа; 4 - слой бетона; 5 - анкерная плита; 6 - патрубок; 7 - основание колодца; 8 - теплоизоляция; 9 - суглинистый грунт; 10 - защитный слой песка; 11 - переходный слой; 12 - защитная крышка; 13 - граница шурфа; 14 - глубина промерзания грунта

Марки для измерения осадок бетонных элементов грунтовых плотин в зависимости от расположения могут иметь различное конструктивное исполнение.

Стенная закладная марка закрытого типа (рис. П.14) изготавливается из стали и включает полусферическую головку 5, наглухо соединенную с хвостовиком 7, имеющим полусферические выступы 8 и 9 для фиксации высотной точки. Во время измерений хвостовик вставляется в закрепленный в стене 2 полый цилиндр из нержавеющей стали 1. После измере­ний полый цилиндр закрывают съемной крышкой 3.

Рис. П.14. Конструкция стенной закладной постоянной марки:

1 - цилиндр из нержавеющей стали; 2 - стенка цементационной потерны; 3 - крышка съемная; 4 - кронштейн; 5 - высотная точка; 6 - полость для уровня; 7 - хвостовик; 8, 9 - полусферические выступы

На рис. П.15 приведено другое конструктивное решение марки закрытого типа [18].

Рис. П.15. Марка закрытого типа конструкции Перепоновой:

1 - корпус; 2 - головка для установки рейки; 3 - упорная шайба; 4 - крышка; 5 - кольцо; 6 - рейка; 7 - бетон; 8 - стенка; 9 - резьба

Марка боковая постоянная конструкции Гидропроекта открытого типа (рис. П.12, б) состоит из собственно марки 8 с защитной завинчивающейся крышкой 7, основания 11, соединенного винтами 9 со швеллером 10 или другим анкером, заложенным в стену потерны или галереи плотины.

На рис. П.16 приведена другая конструкция марки открытого типа, имеющая инварную полосу с двумя шкалами штриховой рейки для нивелирования без применения переносных реек.

Рис. П.16. Стенная марка конструкции Пискунова:

1 - закладная деталь; 2 - инварная полоса; 3 - опорная пятка; 4 - держатель марки; 5 - крепежный винт

Плитные марки 3 (рис. П.17) устанавливают на глубине 8-10 см от поверхности железобетонной плиты. Для сохранности плитные марки защищают металлическим коробом 2 с завинчивающейся крышкой 1. Для свободной установки пятки нивелирной рейки на головку марки внутренний диаметр защитного короба должен быть не менее 100 мм. В целях предохранения поверхности полусферической головки марки от коррозии ее покрывают защитным слоем тавота [18].

Рис. П.17. Плитная марка (размеры в мм):

а - разрез; б - вид сверху; 1 - крышка; 2 - защитный короб; 3 - марка

Цокольные марки 1 (рис. П.18) закладывают на бетонной или гранитной поверхности 2 за пределами участков пешеходного или транспортного движения. Марка из нержавеющего металла имеет полусферическую головку диаметром 5-15 мм и зацементированный стержень 3 длиной 3-4 см с раздвоенным основанием.

Рис. П.18. Цокольная марка (размеры в мм):

1 - головка марки R = 8 мм из нержавеющего металла; 2 - бетон; 3 - цементный раствор

На рис. П. 19, д приведена разновидность цокольной марки [П-648, 18].

П.4.4. Возможные конструкции контрольных высотных знаков на оползневых и обвалоопасных участках приведены на рис. П.19.

Для случая потенциально неустойчивого участка плотины (рис. П.19, а, б) конструкция состоит из отрезков труб или арматуры 1, заведенных на дно шурфа в слой бетона или установленных в бетон 4. Основание их располагается на 0,5 м ниже глубины сезонного промерзания грунта 5. Верх знаков снабжен полусферической головкой 2, покрытой тавотом и защищенной колпачком 3.

Знаки для наблюдений за осадками движущихся грунтовых масс имеют стержни из труб, арматуры или дерева 1 (рис. П.19, в), вертикально расположенные в грунте до глубины 0,6-0,9 м, а также стержни из трубы или арматуры 1 (рис. П.19, г), установленные в заполненном бетоном шурфе размером 0,4×0,4×0,5 м. Конструкции применяют в районах с незначительной глубиной промерзания грунтов.

Для наблюдения за осадками на участках плотины с бетонными элементами используются цокольная марка (рис. П.19, д), боковая поверхностная марка (рис. П.19, е) или плитная марка (рис. П.17).

Рис. П.19. Геодезические знаки для установки на обвалоопасных участках и оползнях:

1 - металлическая труба или арматурный стержень; 2 - полусферическая головка; 3 - защитный колпачок; 4 - бетон; 5 - наибольшая глубина промерзания; 6 - закладная марка; 7 - железобетонный элемент

П.4.5. Конструкция пикетного знака приведена на рис. П.20 и представляет собой бетонный, металлический или деревянный столбик с надписью. Глубина заложения столбика в грунт составляет 100-150 см. Километровые, пикетные и полупикетные знаки должны иметь разную величину и форму. Надписи и обозначения на поверхность бетона следует наносить краской, либо прикреплять металлические пластинки с надписями или накладные цифры.

Рис. П.20. Пикетные знаки (размеры в см):

а - деревянный знак; б - металлический знак; в - бетонный знак; 1 - шурф размером 70×100; 2 - галька, щебень; 3 - бордюрный камень; 4 - сварка; 5 - рельс; 6 - заклепки; 7 - подсыпка щебнем или гравием

П.4.6. Конструктивно знаки-указатели выполняются аналогично пикетным знакам. Примеры конструкций знаков-указателей показаны на рис. П.21 [17].

Рис. П.21. Знаки-указатели:

а - деревянные знаки; б - металлические знаки; 1 - окраска масляной краской; 2 - металлический лист; 3 - бордюрный камень; 4 - галька или щебень; 5 - фасонное железо

П.5. Инструменты и оборудование для тригонометрического нивелирования

П.5.1. Теодолит - оптико-механический прибор для измерения горизонтальных и вертикальных углов. Основными частями прибора являются зрительная труба, горизонтальные и вертикальные угломерные круги (лимбы), устройство для снятия по ним отсчетов, осевая система, приспособления для рабочей установки и наведения прибора на визируемый предмет. Теодолиты классифицируют по устройству основных сетей, точности проводимых измерений и другим критериям.

В зависимости от устройства сетей лимба теодолиты разделяют на простой, повторительный и с поворотным лимбом. Схема повторительного теодолита, у которого лимб и алидаду (линейку, скрепленную с оптической трубой) можно вращать и вместе и отдельно, приведена на рис. П.22.

Рис. П.22. Схема повторительного теодолита с металлическими Лимбами:

1 - зажимной винт лимба; 2 - ось лимба; 3 - ось алидады; 4 - подъемный винт; 5 - подставка теодолита; 6 - зажимной винт алидады; 7 - лимб; 8 - алидада; 9 - исправительный винт уровня; 10 - уровень; 11 - подставка зрительной трубы; 12 - объектив зрительной трубы; 13 - вертикальный круг; 14 - исправительный винт сетки нитей; 15 - окулярная трубочка; 16 - ось вращения зрительной трубы; 17 - исправительный винт подставки зрительной трубы

П.5.2. Светодальномер - это электромагнитный (электронный) дальномер использующий электромагнитные волны светового диапазона для измерения длины. По дальности действия различают светодальномеры малого (до 2-5 км), среднего (до 15 км) и большого (до 50 км) радиусов.

По точности измерений светодальномеры делят на высокоточные и точные. К высокоточным дальномерам относится группа дальномеров малого радиуса с погрешностью измерения расстояний 2-20 мм.

По конструкции светодальномеры малого радиуса действия можно устанавливать на стойки серийных теодолитов или на самостоятельную подставку.

По степени автоматизации процесса измерений и вычислений различают обычные дальномеры, дальномеры-полуавтоматы и дальномеры-автоматы. В дальномерах-автоматах весь процесс измерений и вычислений автоматизирован.

СПИСОК ИСПОЛЬЗОВАННОЙ ЛИТЕРАТУРЫ

1. Аварии и повреждения больших плотин / Н.С. Розанов, А.И. Царев, Л.П. Михайлов, И.Б. Соколов. М: Энергоатомиздат, 1975.

2. Брайт П.И. Геодезические методы измерения деформаций оснований и сооружений. М.: Недра, 1965.

3. Васютинский И.Ю. Гидростатическое нивелирование. М: Недра, 1976.

4. Геодезические методы измерения вертикальных смещений сооружений и анализ устойчивости реперов / В.Н. Ганьшин, А.Ф. Стороженко, Н.А. Буденков и др. М.: Недра, 1991.

5. Геодезические работы в строительстве / В.Н. Ганьшин, В.И. Коськов, Л.С. Хренов и др. М.: Стройиздат, 1984.

6. Геодезия / В.М. Голубкин, Н.И. Соколова, И.М. Палехин и др. М.: Недра, 1975.

7. Гинзбург М.Б. Натурные исследования крупных гидротехнических сооружений. М.: Энергия, 1964.

8. Гольдин А.Л., Рассказов Л.Н. Проектирование грунтовых плотин. М.: Энергоатомиздат, 1987.

9. Иванов П.Л. Грунты и основания гидротехнических сооружений. М.: Высш. школа, 1991.

10. Инструкция по наблюдениям и исследованиям на судоходных гидротехнических сооружениях / (Главное управление водных путей и гидротехнических сооружений). Л.: Транспорт, 1967.

11. Карлсон А.А. Измерения деформаций гидротехнических сооружений. М.: Недра, 1984.

12. Малаханов В.В. Техническая диагностика грунтовых плотин. М.: Энергоатомиздат, 1990.

13. Молоков Л.А. Взаимодействие инженерных сооружений с геологической средой. М.: Недра, 1988.

14. Опыт организации и основные результаты натурных исследований плотин Чарвакской и Нурекской ГЭС / А.И. Царев, М.Н. Леднев, В.И. Вуцель, С.Г. Сатановский, В.В. Алипов, И.М. Косырева // Материалы конференций и совещаний по гидротехнике: Натурные исследования как средство оперативного контроля безопасной работы гидротехнических сооружений / ВНИИГ им. Б.Е. Веденеева. 1980.

15. Основания и фундаменты / Н.А. Цытович, В.А. Веселое, П.Г. Кузьмин и др. М.: Гос. изд-во литер, по строительству, 1959.

16. Прогноз скорости осадок оснований сооружений / Н.А. Цытович, Ю.К. Зарецкий, М.В. Малышев и др. М.: Гос. изд-во литер. по строительству, 1967.

17. Руководство по наблюдениям за гидротехническими сооружениями электростанции / ВНИИГ им. Б.Е. Веденеева. М. Л.: Госэнергоиздат, 1955.

18. Руководство по наблюдениям за деформациями оснований и фундаментов зданий и сооружений / НИИ оснований и подземных сооружений им. Герсеванова. М.: Стройиздат, 1975.

19. Руководство по наблюдениям за осадками и смешениями инженерных сооружений фотограмметрическими методами / Главное управление геодезии и картографии при Совете Министров СССР. М.: Недра, 1979.

20. Справочник проектировщика. Гидротехнические сооружения. М.: Стройиздат, 1983.

21. Типовая техническая программа обследования гидротехнических сооружений электростанций. М.: Союзтехэнерго, 1982.

22. Угинчус А.А., Бомбчинский В.П. Контрольно-измерительная аппаратура гидротехнических сооружений. М: Гос. изд-во литературы по строительству и архитектуре, 1954.

23. Улитин А.И. Наставление но наблюдениям за осадками и горизонтальными смещениями гидротехнических сооружений геодезическими методами. М.-Л.: Госэнергоиздат, 1958.

24. Кузнецов B.C. Критерии оценки надежности и безопасности грунтовых плотин / Известия ВНИИГ им. Б.Е. Веденеева. 2000. Т. 238.

25. Малахов В.В. Классификация состояний и критерии эксплуатационной надежности гидротехнических сооружений // Гидротехническое строительство. 2000. № 11.



уроки по алготрейдингу на Python с нуля



Яндекс цитирования