ИНФОСАЙТ.ру
Госты, стандарты, нормативы. В библиотеке 60000 документов. Регулярное обновление. Круглосуточный бесплатный доступ!
БИБЛИОТЕКА ГОСТОВ, СТАНДАРТОВ И НОРМАТИВОВ

:: АЛГОТРЕЙДИНГ ::


АЛГОТРЕЙДИНГ
шаг за шагом


БЕСПЛАТНЫЕ УРОКИ по созданию торговых роботов на PYTHON с нуля, шаг за шагом.


Минимальные знания на PYTHON.
Библиотеки BackTrader и Pandas, сигналы с Pine Script из TradingView.
Связка с брокерами, телеграм.
Создание простых интерфейсов.

 

Все документы, представленные в каталоге, не являются их официальным изданием и предназначены исключительно для ознакомительных целей. Электронные копии этих документов могут распространяться без всяких ограничений. Вы можете размещать информацию с этого сайта на любом другом сайте.


МИНИСТЕРСТВО ТРАНСПОРТНОГО СТРОИТЕЛЬСТВА СССР

ТЕХНИЧЕСКИЕ УКАЗАНИЯ
ПО ТЕХНОЛОГИИ ПРОИЗВОДСТВА
СТРОИТЕЛЬНЫХ И МОНТАЖНЫХ РАБОТ
ПРИ ЭЛЕКТРИФИКАЦИИ
ЖЕЛЕЗНЫХ ДОРОГ
(УСТРОЙСТВА ЭНЕРГОСНАБЖЕНИЯ)

ВСН 116-65

Минтрансстрой СССР

Утверждены
Техническим управлением
Государственного производственного комитета
по
транспортному строительству СССР
19 мая 1965 г. приказом №
30

ОРГТРАНССТРОЙ

Москва 1966

ПРЕДИСЛОВИЕ

Настоящие «Технические указания по технологии производства строительных и монтажных работ при электрификации железных дорог (устройства энергоснабжения)» разработаны в развитие «Строительных норм и правил» (СНиП), часть III и «Технических условий производства и приемки строительных и монтажных работ при электрификации железных дорог (устройства энергоснабжения)» (ВСН 12-59).

«Технические указания» разработаны на основании обобщения передового опыта строительно-монтажных организаций, осуществляющих работы по электрификации железных дорог, ряда научных работ, выполненных в ЦНИИСе по этому вопросу, а также специально проведенных исследований.

В «Технических указаниях» изложены методы производства строительных и монтажных работ, осуществляемых при сооружении контактной сети и тяговых подстанций выбранные на основании технико-экономического сравнения вариантов и обеспечивающие выполнение работ при наименьших затратах труда и стоимости.

«Технические указания» предназначены для инженерно-технических работников, занимающихся производством строительно-монтажных работ при электрификации железных дорог и проектированием устройств энергоснабжения.

«Технические указания» разработаны Всесоюзным научно-исследовательским институтом транспортного строительства (ЦНИИСом) и рассмотрены Главтрансэлектромонтажом (Ю.П. Шигарин), ГУЖДС Поволжья и Юга (Н.Н. Коновалов), трестом «Трансэлектромонтаж» (В.П. Луппов), Техническим управлением Министерства транспортного строительства СССР (В.И. Гребенников) и секцией электрификации Технического совета Минтрансстроя (председатель секции Л.О. Грубер).

«Технические указания» разрабатывали: В.П. Шурыгин (руководитель работы) - раздел 1, раздел 2, главы 1 - 9; И.А. Шапиро - раздел 2, главы 6 - 10, раздел 3; А.А. Орел - раздел 2, глава 7; Е.А. Баранов, И.В. Рыбин, В.С. Сидоров, Е.Ф. Треполовский, А.С. Марков - раздел 4; М.Г. Ваньков и В.И. Суворкин - раздел 5.

Общее редактирование работы выполнено В.П. Шурыгиным.

Настоящие «Технические указания», охватывающие технологию всех строительно-монтажных работ при электрификации железнодорожных линий, издаются впервые.

О всех замечаниях и предложениях, которые будут возникать при практическом использовании «Технических указаний», просьба сообщать по адресу: Москва, И-329, ул. Игарский проезд, д. 2, Всесоюзному научно-исследовательскому институту транспортного строительства.

Директор института
д-р технических наук Н. Губанков

Министерство транспортного строительства СССР

Ведомственные строительные нормы

ВСН 116-65

Минтрансстрой СССР

Технические указания по технологии производства строительных и монтажных работ при электрификации железных дорог (устройства энергоснабжения)

Взамен:

«Технологических правил сооружения опор контактной сети» (1956 г.);

«Технологических правил монтажа контактной сети понизу на электрифицируемых железных дорогах» (1956 г.);

«Указаний по перевозке и установке железобетонных опор контактной сети» (ВСН 10-58) (1958 г.)

Раздел 1

ОБЩИЕ ПОЛОЖЕНИЯ

1.1. Настоящие «Технические указания» составлены в развитие «Строительных норм и правил» (СНиП), часть III и «Технических условий производства и приемки строительных и монтажных работ при электрификации железных дорог (устройства энергоснабжения)» (ВСН 12-59).

1.2. «Технические указания» распространяются на все виды строительных и монтажных работ, выполняемых при сооружении контактной сети и тяговых подстанций электрифицируемых железных дорог.

1.3. Настоящие «Технические указания» обязательны для всех организаций, осуществляющих проектирование и сооружение устройств электроснабжения электрифицируемых железных дорог.

Данные о расходе материалов (приложение 1), производительности механизмов (приложение 2) и бригад рабочих, частично приведенные в настоящих «Технических указаниях», не заменяют действующие нормы и расценки и не могут служить основанием для расчетов за выполненные работы, а предназначены для использования как ориентировочные при составлении проектов организации строительства и производства работ.

Внесены Всесоюзным научно-исследовательским институтом транспортного строительства (ЦНИИСом)

Утверждены Техническим управлением Государственного производственного комитета по транспортному строительству СССР приказом № 30
от 19 мая 1965 г.

Срок введения -
15 декабря 1965 г.

1.4. При производстве работ по сооружению контактной сети и тяговых подстанций надлежит выполнять действующие правила технической эксплуатации железных дорог, техники безопасности для строительных и монтажных работ, «Правила техники безопасности на строительно-монтажных работах при электрификации железных дорог», «Правила техники безопасности при работах по монтажу контактной сети и ЛЭП 6 - 10 кв, расположенных на ее опорах вновь электрифицируемых участков железных дорог», а также ведомственные инструкции по технике безопасности, относящиеся к данному виду работ.

Раздел 2

ТЕХНОЛОГИЯ СООРУЖЕНИЯ ОПОР КОНТАКТНОЙ СЕТИ

2.1. ОБЩИЕ УКАЗАНИЯ

2.1.1. Работы по сооружению контактной сети могут быть начаты только при наличии утвержденной проектной и технической документации, включая проект производства работ.

2.1.2. Основанием для составления проекта производства работ по сооружению контактной сети служат утвержденные технический проект (или проектное задание при двухстадийном проектировании) и проект организации строительства, а также рабочие чертежи-планы контактной сети по перегонам и станциям и типовые чертежи применяемых конструктивных элементов узлов и деталей.

2.1.3. Проекты производства работ должны устанавливать:

а) методы и продолжительность сооружения контактной сети;

б) последовательность производства работ;

в) календарную потребность в кадрах и материально-технических ресурсах, а также способы ее удовлетворения.

Кроме того, в проекте производства работ должны быть:

а) ведомость фундаментов опор, анкеров и других конструкций (лежней, опорных плит, жестких поперечин и др.) с выделением участков установки опор «с пути» и «с поля» (по номерам опор);

б) график поступления фундаментов и опор с производственных предприятий строительства и заводов-поставщиков;

в) график работы комплектов механизмов;

г) размещение и планы линейных (комплектовочных) баз.

Проекты производства работ должны соответствовать действующим нормативным документам, определяющим порядок составления и утверждения проектов организации строительства и проектов производства работ: «Строительным нормам и правилам. Организационно-техническая подготовка к строительству. Основные положения» (СНиП III-A.6-62) и специальным инструкциям по железнодорожному строительству.

2.1.4. Для обоснования решений, принимаемых в проекте производства работ по сооружению контактной сети, необходимо:

а) обследовать электрифицируемый участок, включая предусмотренные проектным заданием места установки опор «с пути» и «с поля», с целью уточнения времени выполнения работ по графику (с учетом весенней и осенней распутиц) и условий подъезда;

б) согласовать с дорогой составленные на основании анализа расчетной (проектной) и фактической интенсивности движения поездов на электрифицируемом участке продолжительность и график предоставления «окон» для движения машин, перемещающихся по рельсовому пути, и возврата их на комплектовочные базы;

в) установить и согласовать с дорогой места расположения линейных комплектовочных баз.

2.1.5. Опоры контактной сети «с поля» рекомендуется сооружать:

а) при возможности беспрепятственно обеспечить подвоз опор и подъезд механизмов к пути или после выполнения небольших объемов земляных работ с помощью бульдозера, а также при отсутствии линий связи, автоблокировки, энергоснабжения и других обустройств, мешающих проходу и нормальной работе машин и механизмов;

б) в случаях, когда рабочие отметки насыпей не превышают 3 м и ширина бермы допускает размещение крана и при глубине выемок не более 2,5 м;

в) при объеме работ на участке длиной 3 - 4 км (с одной стороны пути), равном не менее одной сменной нормы комплекта механизмов, работающих «с поля».

2.1.6. При разработке проекта организации строительства для производства работ «с пути» на перегонах, главных путях станций, а также на стрелочных горловинах, примыкающих к главным путям, следует предусматривать «окна» минимальной продолжительностью 2 ч.

При организации работ на станционных путях следует учитывать возможность производства их в течение всего рабочего дня (для чего должны предоставляться пути без перерыва один за другим) или в «окна» продолжительностью не менее 4 ч.

2.1.7. Линейные комплектовочные базы должны обеспечивать:

стоянку механизмов, занятых на сооружении опор контактной сети «с пути»;

разгрузку, сортировку и складирование необходимого запаса опор, фундаментов и других конструкций;

комплектование и погрузку опор и фундаментов на платформы установочных поездов или на транспортные средства, обеспечивающие работы по сооружению опор контактной сети «с поля».

Комплектовочные базы (приложение 3) должны иметь:

один или два рабочих пути (существующих или укладываемых вновь) для стоянки и экипировки установочных поездов и землеройных механизмов, работающих с железнодорожного пути, а также для производства маневров с ними;

прирельсовые площадки шириной до 20 м и длиной 100 - 150 м для складирования конструкций и погрузки их на транспортные средства, входящие в комплекты механизмов, работающих «с пути» или «с поля»;

подъездные дороги для автомобилей и тракторов;

временное помещение для отдыха рабочих;

телефонную связь.

Комплектовочная база должна обслуживать, как правило, два смежных перегона.

Погрузочно-разгрузочные работы на комплектовочных базах следует возлагать на персонал установочных поездов и производить при помощи кранов в период между «окнами», предоставляемыми для работы на перегонах и станциях.

2.1.8. Сооружение опор контактной сети может осуществляться следующими основными способами:

а) разработка котлованов (или погружение свайных фундаментов), перевозка и установка опор - комплектом механизмов, работающих с железнодорожного пути;

б) рытье котлованов, развозка и установка опор - механизмами, работающими «с поля»;

в) развозка опор по железнодорожному пути с разгрузкой на обочину, образование котлованов и установка опор - механизмами, работающими «с поля» (комбинированный метод).

Правильная организация работ должна предусматривать рациональное совмещение метода производства работ «с пути» с методом сооружения опор «с поля» (в местах, где это возможно по местным условиям).

2.1.9. Опоры контактной сети, в целях наиболее рационального использования механизмов и внедрения передовой технологии производства работ, рекомендуется сооружать специализированными механизированными колоннами, организованными на базе подразделений, освоивших работы по сооружению опор контактной сети.

Примечание. В отдельных случаях при объеме работ по электрификации менее 50 км допускается сооружение опор контактной сети специализированными бригадами.

2.1.10. Специализированная колонна по сооружению опор контактной сети должна иметь две комплексных бригады для сооружения опор контактной сети с железнодорожного пути и одну или две комплексные бригады для выполнения работ «с поля» (при объеме работ «с поля» до 30 % - одну, до 60 % - две бригады).

Каждая комплексная бригада, работающая «с пути», должна иметь следующий комплект механизмов:

Установочный поезд. В состав установочного поезда входит:

локомотив (тепловоз).................................................................................................. 1

кран МК-15 или КМ-16............................................................................................... 1

подстреловая платформа............................................................................................ 1

четырехосные платформы для опор.......................................................................... 2

крытый вагон-теплушка.............................................................................................. 1

Буровая машина................................................................................................................ 1

Многоковшовый котлованокопатель........................................................................ 1 - 2

Механизмы и приспособления для засыпки и уплотнения

грунта или заполнения раствором пазух в котлованах после

установки опор............................................................................................................ 2

Приспособление к крану МК-15 для забивки свайных

фундаментов станционных опор.................................................................................... 1

Дрезина ТД-5 с прицепом (для перевозки рабочих к месту работ и обратно).......... 1

Автомашина...................................................................................................................... 1

Агрегат АВСЭ (при необходимости).............................................................................. 1

Комплексные бригады, сооружающие опоры «с пути», должны, как правило, работать одновременно в одно «окно» на двух смежных перегонах.

Комплексная бригада, сооружающая опоры контактной сети «с поля», должна иметь следующий комплект механизмов:

Бульдозер на тракторе С-80 (типа Д-259А)................................................................. 1

Котлованокопатель МКТС-2......................................................................................... 2

Кран ТКЭ-58 или КТС-5Э.............................................................................................. 1

Кран К-51......................................................................................................................... 1

Тракторы ДТ-54........................................................................................................... 2 - 3

Прицепы удлиненные или трайлеры ЗПТ-40-206....................................................... 3

Автомашины................................................................................................................. 1 – 2

Механизмы и приспособления для засыпки и уплотнения грунта

в котлованах после установки опор.............................................................................. 2

В каждой комплексной бригаде должно быть 2 звена:

по разработке котлованов, развозке и установке опор;

по вертикальной регулировке опор с засыпкой и уплотнением грунта в котлованах и установке оттяжек анкерных опор.

Специализированная колонна должна иметь передвижные механические мастерские, а также необходимое количество вагонов для жилья, служебных и коммунально-бытовых помещений.

2.1.11. Для каждой специализированной механизированной колонны по сооружению опор контактной сети должен быть выделен фронт работ на два года - два смежных электрифицируемых участка общей длиной около 300 км.

Примечание. При отсутствии возможности выделения участка такой длины необходимо предоставлять фронт работы специализированным колоннам исходя из годовой производительности колонны 100 - 150 км.

2.1.12. Для нормального обеспечения механизированных колонн готовыми конструкциями опор, лежней, фундаментов, анкеров и др. должны составляться графики завоза конструкций, согласованные с заводами-поставщиками.

2.1.13. Разработка котлованов или забивка свайных фундаментов может быть начата только после разбивки мест установки опор в соответствии с планами контактной сети перегонов и станций и при наличии конструкций (фундаментов или опор), подлежащих установке в эти котлованы. Оси опор подлежат обязательному закреплению путем нанесения вертикальной черты светлой краской на наружной стороне шейки рельса с указанием порядкового номера, типа опоры и габарита ее установки. К разбивке опор на крупных станциях может привлекаться проектная организация. Правильность разбивки опор оформляется актом за подписью производителя работ строящей организации и выделенного для этой цели представителя заказчика.

Разбивку и разработку котлованов следует осуществлять таким образом, чтобы для опор, устанавливаемых на прямых участках и с внешней стороны кривых, стенка котлована со стороны пути была расположена на расстоянии, равном проектному расстоянию от оси пути до ближайшей грани фундаментной части опоры; для опор, устанавливаемых на внутренней стороне кривых, полевая стенка котлована должна быть расположена на расстоянии, равном проектному расстоянию от оси пути до грани фундаментной части опоры с полевой стороны.

Стенки котлована должны быть вертикальными для обеспечения возможности установки фундамента или опоры вплотную к ненарушенному грунту.

2.1.14. При разработке котлованов в местах прохода действующих подземных коммуникаций должны быть приняты меры против их повреждения. Котлованы в местах, где расположены действующие электрические кабели, необходимо разрабатывать в присутствии представителей организации, эксплуатирующей кабельную сеть.

2.1.15. Разработка котлованов или забивка свайных фундаментов должна производиться с разрешения дистанции сигнализации и связи и участка энергоснабжения или при отсутствии последнего - локомотивного отдела отделения дороги.

Перечисленные организации должны обеспечивать выдачу разрешений на производство земляных работ и установку временных сигналов-указателей направления кабеля на участке его расположения не позднее чем через двое суток после заявки об этом заказчику строительной организацией.

2.1.16. Последовательность работ по сооружению опор контактной сети должна быть установлена графиком, составляемым для каждого перегона и станции.

2.1.17. Устройство котлованов под опоры контактной сети должно производиться под наблюдением представителя дистанции пути.

Руководитель работ должен не позднее чем за 12 ч до начала работ поставить в известность начальника дистанции пути или выделенного им представителя о местах разработки котлованов под опоры контактной сети.

2.1.18. Руководители работ, непосредственно осуществляющие сооружение контактной сети (начальники колонн, производители работ, мастера и бригадиры), а также все работающие на механизмах, связанных с движением поездов, должны иметь удостоверения о сдаче испытаний в знании «Правил технической эксплуатации железных дорог Союза ССР», «Инструкции по сигнализации на железных дорогах Союза ССР», «Инструкции по движению поездов на железных дорогах Союза ССР», «Инструкции по обеспечению безопасности движения поездов при производстве путевых работ», действующих правил техники безопасности, «Технических условий производства и приемки строительных и монтажных работ при электрификации железных дорог (устройства энергоснабжения)» (ВСН 12-59) и должностной инструкции.

2.2. ПОГРУЗКА, РАЗГРУЗКА И ПЕРЕВОЗКА ЖЕЛЕЗОБЕТОННЫХ ОПОР НА ЭЛЕКТРИФИЦИРУЕМОМ УЧАСТКЕ

2.2.1. Погрузка железобетонных опор контактной сети на железнодорожный подвижной состав и крепление их при перевозке (в поездах МПС) с завода-изготовителя на линейные комплектовочные базы электрифицируемого участка должны осуществляться в соответствии с действующими «Техническими условиями погрузки, крепления грузов и использования вагонов» и специальными инструкциями МПС.

Перевозку железобетонных опор установочными поездами и безрельсовым транспортом в пределах электрифицируемого участка от линейных комплектовочных баз к месту установки следует осуществлять в соответствии с настоящими указаниями.

2.2.2. Прибывающие с завода-изготовителя платформы или полувагоны с опорами рекомендуется включать в состав установочных поездов и разгружать, совмещая операции разгрузки и установки. Заводы-изготовители по согласованию со строительной организацией должны отгружать опоры в соответствии со спецификациями, составляемыми строительной организацией для каждого перегона, и адресовать опоры с разгрузкой на электрифицируемом перегоне.

Железобетонные консольные опоры (приложение 5), прибывающие с заводов, должны иметь закладные части для крепления консолей.

До выезда установочного поезда на перегон следует на платформах с железобетонными опорами снять верхние проволочные скрутки и крепления, предотвращающие продольный сдвиг.

2.2.3. В тех случаях, когда выгрузку из вагонов опор, прибывающих с завода, невозможно совместить с их установкой, а также при необходимости последующей развозки опор безрельсовым транспортом их разгружают на комплектовочной базе.

2.2.4. Опоры с прибывающего подвижного состава следует разгружать кранами с использованием грузозахватных приспособлений или стропов. Захват опоры стропом следует производить в двух точках, расположенных на расстоянии, равном 0,3 длины опоры от ее центра тяжести (рис. 1).

Для предотвращения повреждения или откола защитного слоя железобетонных опор рекомендуется на тросы стропов надевать резиновые шланги.

Рис. 1. Схема строповки опоры

Во избежание повреждений опоры и закладных деталей категорически запрещаются рывки и удары при подъеме, развороте и опускании. Опору при разгрузке и укладке следует плавно поднимать и опускать в горизонтальном положении, удерживая ее от разворота с помощью веревки, привязываемой к концу опоры.

2.2.5. Опоры, разгружаемые на линейных комплектовочных базах, следует распределять по типам и укладывать в отдельные штабеля высотой не более чем в 4 горизонтальных ряда. Штабеля необходимо располагать на выровненной горизонтальной площадке в зоне действия кранов; между штабелями должны оставляться проезды для автомобильного или тракторного крана.

До укладки штабеля на площадке необходимо уложить две поперечных подкладки, а между рядами опор - прокладки сечением 4´15 см. Подкладки и прокладки следует укладывать на расстоянии, равном 0,2 длины опор, измеряемом от ее торцов. Каждый ряд центрифугированных опор следует раскреплять клиньями во избежание раскатывания.

При складировании опор с закладными деталями необходимо опоры в каждом ряду укладывать так, чтобы диаметральная плоскость, в которой расположены болты крепления, была повернута под углом 30 - 45° к горизонту.

2.2.6. Для погрузки железобетонных опор на платформы или в полувагоны установочных поездов следует использовать краны установочных поездов в период между «окнами», а на безрельсовые транспортные средства - автомобильный или тракторный кран грузоподъемностью 3,5 т.

Все опоры, погружаемые на транспортные средства для развозки к местам установки, подлежат тщательному осмотру в целях предотвращения установки дефектных конструкций.

2.2.7. Погрузка железобетонных опор на подвижном составе установочных поездов и их крепление должны соответствовать тем же условиям, что и при перевозке с завода-изготовителя на электрифицируемый участок, при этом, однако, верхние поперечные проволочные скрутки стоек и крепления опор от продольного сдвига не устанавливают.

На продольных сторонах платформы устанавливают по 4 стойки. Каждая пара стоек соединяется поперечной стяжкой, состоящей из двух нитей проволоки диаметром 6 мм и проходящей между вторым и третьим рядами опор.

2.2.8. Железобетонные опоры безрельсовым транспортом рекомендуется развозить на тракторах со специальными двухосными прицепами или с прицепами ЗПТ-40-206 (рис. 2) со скоростью не более 8 км/ч. Развозка опор на автомобилях с прицепами допускается только при наличии хороших дорог, проходящих вдоль железнодорожного пути, и со скоростью не более 15 км/ч.

2.2.9. Автомобильные или тракторные прицепы для развозки железобетонных опор должны быть оборудованы специальными поворотными брусьями (турникетами) с гнездами для опор, покрытыми листовой резиной, и соответствующим креплением.

Погруженные на прицеп железобетонные опоры должны опираться в двух точках (см. рис. 2), расположенных на расстояниях, равных 0,18 длины опоры от нижнего и на 0,22 от ее верхнего торца; соответственно расстояние между точками опирания опоры должно составлять 0,6 ее длины.

2.2.10. Разгрузку опор «с поля» на перегоне следует совмещать с их установкой. Если установка опоры с одной стоянки крана невозможна или при развозке «с поля» не готовы котлованы, допускается, как исключение, разгрузка опор у места установки.

Запрещается при разгрузке железобетонных опор сбрасывать их с транспортных средств. Разгрузку следует осуществлять кранами со строповочными приспособлениями, предохраняющими опоры от повреждения.

Разгруженная на перегоне опора должна быть уложена с опиранием в двух точках; длина пролета между точками опирания не должна превышать 0,7, а длина консоли - не более 0,2 общей длины опоры.


Рис. 2. Схема перевозки железобетонных центрифугированных опор на прицепе ЗПТ-40-206


2.2.11. Двутавровые железобетонные и решетчатые металлические опоры следует грузить на подвижной состав таким образом, чтобы плоскость наибольшей жесткости находилась в вертикальном положении.

2.3. СООРУЖЕНИЕ КОНСОЛЬНЫХ (ПЕРЕГОННЫХ) ОПОР «С ПУТИ»

2.3.1. Разработка котлованов и установка опор с железнодорожного пути осуществляется комплексно-механизированным методом с выездом в одно «окно» механизмов, разрабатывающих котлованы, и установочного поезда. Состав комплекта подбирается таким образом, чтобы было обеспечено наиболее полное использование всех механизмов, входящих в комплект, и в первую очередь ведущего механизма - крана установочного поезда.

Для обеспечения крану установочного поезда нормального фронта работ в комплект следует включать два - три механизма для разработки котлованов - буровую машину и один - два многоковшовых котлованокопателя и один установочный поезд, состоящий из локомотива-тепловоза, крана МК-15 (КМ-16), подстреловой платформы, двух четырехосных платформ для опор и вагона для рабочих.

Комплексная бригада, сооружающая опоры контактной сети с железнодорожного пути, состоит из 24 - 26 чел. (табл. 1).

Таблица 1

Состав комплексной бригады для сооружения опор «с пути»

Наименование работ

Профессия

Количество

Руководство работой бригады

Бригадир-электромонтер 6 разр.

1

Разработка котлованов механизмами

Машинист дрезины 6 разр.

1

Помощник машиниста 5 разр.

1

Машинист бурового механизма 6 разр.

1

Машинисты многоковшового котлованокопателя 6 разр.

1 - 2

Помощники машинистов 5 разр.

1 - 2

Установка консольных опор

Машинист локомотива

1

Помощник машиниста

1

Главный кондуктор

1

Сигналисты

2

Машинист крана 6 разр.

1

Электромонтер 5 разр.

1

          "                  4    "

1

Электромонтеры 3 разр.

2

Вертикальная регулировка опор, засыпка котлованов с уплотнением грунта и установка анкерных оттяжек

Электромонтеры 5    "

2

            "                  4    "

2

Землекопы 2 разр.

4

 

Итого

24 - 26

Примечания. 1. В соответствии с § 223 «Инструкции по движению поездов и маневровой работе на железных дорогах СССР» обязанности главного кондуктора могут быть возложены на ответственного руководителя работ.

2. Рабочие, занятые вертикальной регулировкой опор, засыпкой котлованов с уплотнением грунта и установкой анкерных оттяжек, разбиты на 2 звена по 4 чел. в каждом.

2.3.2. На участках с руководящим уклоном не более 8 %о и преобладанием прямых для установки опор рекомендуется следующий комплект механизмов: 4 - 6 котлованокопателей (буровые машины и многоковшовые котлованокопатели) и 1 установочный поезд (рис. 3) в составе локомотива (тепловоза), подстреловой платформы, крана МК-15 (КМ-16), платформы с опорами, двухосного крытого вагона-теплушки, четырехосной платформы с лежнями и опорными плитами, второй платформы с опорами, второго крана МК-15 (КМ-16) с подстреловой платформой.

Комплексная бригада в этом случае состоит из 42 чел. (табл. 2).

2.3.3. Сооружение опор контактной сети комплектом механизмов, работающих «с пути» в «окно», следует осуществлять таким образом, чтобы вслед за механизированной разработкой котлованов в это же «окно» проводилась установка опор. Разрыв во времени между окончанием разработки котлованов и установкой в них опор должен быть не более суток. Количество заблаговременно отрытых котлованов должно быть таким, чтобы обеспечить бесперебойную работу установочного поезда в следующие сутки и должно составлять 50 % производительности установочного поезда в одно «окно».

Рис. 3. Схема установочного поезда

2.3.4. После предоставления «окна» движение поездов по условиям эксплуатации, как правило, прекращается на нескольких смежных перегонах. Поэтому для улучшения использования предоставляемого «окна» установку опор следует производить при помощи двух комплектов механизмов, работая одновременно на двух перегонах. При этом на каждый перегон выезжает по 3 поездных единицы.

2.3.5. Механизированную разработку котлованов и установку опор с железнодорожного пути рекомендуется осуществлять в светлое время суток. Установочный поезд необходимо отправлять на перегон сцепленным с двумя - тремя механизмами для разработки котлованов под единым руководством.

После прибытия на место котлованокопатель и буровую машину отцепляют от установочного поезда и они приступают к разработке котлованов, а установочный поезд устанавливает опоры в котлованы, вырытые механизмами в предыдущее «окно».

Работа комплекта механизмов для сооружения опор контактной сети «с пути» должна выполняться согласно технологическому графику (рис. 4), разрабатываемому с учетом конкретных местных условий (длина перегона, группа грунтов и др.).

Таблица 2

Состав комплексной бригады для сооружения опор «с пути» с одновременной работой двух кранов

Наименование работ

Профессия

Количество

Руководство работой бригады

Бригадир-электромонтер 6 разр.

1

Разработка котлованов механизмами

Машинисты дрезины 6 разр.

2

Помощники машинистов 5 разр.

2

Машинисты бурового механизма

2

Машинисты котлованокопателей 6 разр.

2

Помощники машинистов 5 разр.

2

Установка консольных опор

Машинист локомотива

1

Помощник машиниста локомотива

1

Главный кондуктор

1

Сигналисты

2

Машинисты крана 6 разр.

2

Электромонтеры 5 разр.

2

               "               4    "

2

               "               4    "

4

Вертикальная регулировка опор, засыпка котлованов с уплотнением грунта и установка анкерных оттяжек

Электромонтеры 5    "

4

               "               4    "

4

Землекопы 2 разр.

8

Итого

42 чел.

Примечание. Рабочие, занятые вертикальной регулировкой опор, засыпкой котлованов с уплотнением грунта и установкой анкерных оттяжек разбиты на 4 звена по 4 чел. в каждом.

2.3.6. Установочный поезд должен иметь двухстороннюю радио- или телефонную связь с поездным диспетчером.

На двухпутных участках, оборудованных автоблокировкой, рекомендуется (по согласованию с поездным диспетчером) в соответствии с § 220 «Инструкции по движению поездов и маневровой работе на железных дорогах СССР» отправлять установочные поезда на перегон по сигналам автоблокировки, не ожидая закрытия перегона для производства работ.


Рис. 4. Примерный технологический график работы по сооружению опор «с пути»


2.3.7. Разработка котлованов многоковшовым котлованокопателем осуществляется в следующем порядке. После прибытия к месту работ машинист дрезины останавливает машину таким образом, чтобы ось поворотного круга бара находилась против оси котлована. Затем он затормаживает машину и переводит ее из транспортного в рабочее положение, для чего машинист котлованокопателя отсоединяет распор опорного устройства от рабочего органа, а машинист дрезины переключает двигатель с ходовой трансмиссии на привод генератора. Машинист котлованокопателя устанавливает поворотную ферму с рабочим органом перпендикулярно оси пути, переводит гидравлические опоры из горизонтального в вертикальное положение, опускает их до упора в поверхность земляного полотна, производит выдвижение фермы на необходимый вылет и переводит рабочий орган из горизонтального в вертикальное положение.

После этого машинист котлованокопателя, включив механизм опускания рабочего органа, опускает последний на грунт, включает транспортер, ковшовые цепи и приступает к разработке котлована.

После достижения проектной глубины концевые выключатели срабатывают и ковшовые цепи останавливаются. Затем машинист поднимает рабочий орган из котлована, наклоняет его на выдвижной раме, переводит механизм из рабочего положения в транспортное и переезжает к месту следующего котлована.

Размеры в плане котлована, разрабатываемого многоковшовым котлованокопателем ВК, позволяют производить установку опор без лежней.

При необходимости установки опор с лежнями котлован разрабатывают двумя смежными параллельными вертикальными проходками.

2.3.8. Разработку котлованов буровой машиной осуществляют в следующем порядке.

После прибытия на место работ машинист дрезины останавливает ее у места будущего котлована таким образом, чтобы после поворота фермы с рабочим органом на заданный угол центр бура совпал с центром котлована. Затем помощник машиниста дрезины освобождает домкраты, машинист бурового механизма поворачивает ферму на заданный угол, при котором расстояние от оси пути до центра бура будет равно расстоянию от оси пути до центра котлована, переводит раму бура в вертикальное положение, производит точную установку бура над центром котлована путем передвижки дрезины, затормаживает ее, опускает бур до соприкосновения с грунтом, опускает опорные домкраты и опирает их на грунт, приводит бур во вращение и начинает разрабатывать котлован. Цикл бурения состоит из заглубления бура на 0,7 - 0,8 м, подъема бура с грунтом выше поверхности грунта, разбрасывания грунта за счет центробежной силы, появляющейся при увеличении числа оборотов бура и опускания бура в котлован. Циклы бурения повторяют до достижения проектной глубины котлована, после чего механизм переводят в транспортное положение и переезжают к следующему котловану.

Диаметр разрабатываемых буровой машиной котлованов в зависимости от диаметра бура составляет 500, 600 и 800 мм, что обеспечивает возможность установки в котлованы консольных опор, не имеющих лежней.

2.3.9. В комплект механизмов, работающих «с пути», в целях обеспечения разработки котлованов в различных грунтовых условиях для опор как с лежнями, так и без лежней, рекомендуется включить буровую машину, обеспечивающую разработку котлованов в тяжелых, а также в мерзлых грунтах, и многоковшовый котлованокопатель, обеспечивающий разработку котлованов для опор, имеющих лежни или опорные плиты, и для анкеров анкерных опор.

2.3.10. При работе с котлованокопателями надлежит руководствоваться инструкциями по их эксплуатации. Во время работы котлованокопателей нахождение на них посторонних лиц не разрешается. Запрещается также стоять у бура ближе чем на расстоянии 4 м.

2.3.11. Лежни, анкерные плиты и анкеры рекомендуется развозить на подстреловой платформе, располагаемой рядом с краном установочного поезда, и разгружать этим же краном; в отдельных случаях развозку можно осуществлять дрезиной ДГК, выпускаемой в одно «окно» с установочным поездом. Дрезина ДГК имеет полноповоротный консольный кран. Грузоподъемность крана при вылете стрелы 5,8 м составляет 1,65 т, а при вылете 2,5 м - 3,5 т. На части платформы дрезины могут быть размещены лежни.

2.3.12. На платформы или в полувагоны установочного поезда опоры следует грузить по типам и с учетом очередности установки.

2.3.13. Начальник установочного поезда (производитель работ или строительный мастер), машинисты буровой машины и многоковшового котлованокопателя накануне дня выезда на перегон должны иметь ведомость котлованов, намеченных к разработке, и опор, предусмотренных к установке в «окно», с указанием типов, данных о предусмотренных проектом лежнях, глубинах котлованов, а также километров и пикетов места производства работ. Главный кондуктор и машинист до выезда на перегон должны знать места остановок поезда.

Примечание. Рекомендуется устанавливать цветные инвентарные флажки размером 6´6 см на шесте высотой 50 см у мест разработки котлованов и установки опор для сигнализации машинистам мест остановок механизмов, разрабатывающих котлованы, и установочного поезда, а электромонтерам (такелажникам) - типа устанавливаемой опоры. Для обозначения различных типов опор можно применять различные цвета флажков, за исключением красного, зеленого и желтого. Для сокращения количества применяемых цветов отдельные типы опор можно обозначать двумя или тремя флажками.

2.3.14. Установочный поезд следует останавливать против котлована в таком положении, чтобы взятая с платформы и подвешенная в вертикальном положении опора после поворота стрелы крана могла быть опущена в котлован без дополнительной передвижки поезда (рис. 5).

2.3.15. Для установки железобетонных консольных опор контактной сети с железнодорожного пути следует применять краны грузоподъемностью 10 т при работе без аутригеров и со стандартной длиной стрелы 14 и 18 м. Наиболее удобна стрела длиной 16 м (ее получают добавляя к стандартной стреле длиной 12 м специальную четырехметровую вставку). Из числа существующих железнодорожных кранов рекомендуется устанавливать опоры кранами МК-15 и КМ-16.

2.3.16. Железобетонные консольные опоры следует стропить специальным тросом, позволяющим опускать опору в котлован без перестроповки. При этом трос укрепляют на расстоянии 1 - 1,5 м выше центра тяжести опоры.

Центрифугированные опоры рекомендуется стропить тросом диаметром 16 мм, длиной 3,5 - 4,5 м. При этом концы троса соединяют между собой при помощи трех сжимов, полученным бесконечным тросом следует строповать опору самозатягивающейся петлей (удавкой) с зацеплением свободного конца за крюк крана двойной петлей (рис. 6).

При строповке двутавровых опор на тросовую петлю длиной 1,4 - 1,8 м следует надеть резиновый шланг диаметром 50 - 60 мм, оставив незащищенной шлангом только петлю, набрасываемую на крюк (рис. 6, б). Тросовая петля стропа пропускается в отверстие, расположенное на 1 - 1,5 м выше центра тяжести опоры.


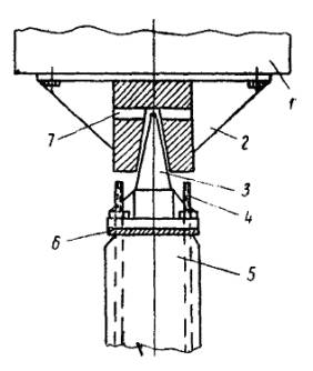
Рис. 5. Схема установки железобетонной опоры железнодорожным краном МК-15


Правильность строповки следует проверять путем подъема опоры на 5 - 10 см.

2.3.17. Расстроповку опор закрытого профиля (центрифугированных) рекомендуется производить при помощи кранового крюка и веревки, не влезая на опору. Для этого к петле в месте, отстоящем на 8 - 10 см от места соединения концов, прикрепляют один конец веревки, а другой ее конец закрепляют на нерабочую часть крюка (к обойме нижнего блока) (рис. 7). После установки опоры машинист крана, опуская крюк выводит его из зацепления с петлей, затем, используя вес нижнего блока, соединенного веревкой со стропом, ослабляет самозатягивающуюся петлю (удавку) и производит расстроповку. При этом строп остается привязанным к крюку.

Рис. 6. Трос для строповки железобетонных опор:

а - центрифугированных; б - двутавровых; 1 - трос диаметром 16 мм, развернутая длина 4,5 м; 2 - центрифугированная опора; 3 - положение троса при строповке опоры; 4 - крюк крана; 5 - петли троса; 6 - веревка диаметром 10 мм; 7 - незащищенные петли троса; 8 - резиновый шланг диаметром 50 - 60 мм; 9 - двутавровая опора

Расстроповку двутавровых опор, стропуемых петлей за отверстие, следует производить путем сбрасывания одного конца тросовой петли при помощи тонкой рейки с крючком (без влезания на опору) или же после вывода крюка крана из зацепления со строповочным тросом при помощи веревки, заранее прикрепленной к строповочному тросу.

Рис. 7. Схема расстроповки центрифугированной опоры:

1 - строповочный трос; 2 - веревка; 3 - опора

Рис. 8. Шаблон для проверки глубины и габарита котлована

2.3.18. Установку железобетонных консольных опор «с пути» осуществляют в следующем порядке:

После прибытия к месту установки кран переводят из транспортного в рабочее положение и расстанавливают сигналистов, ограждающих установочный поезд;

стропуют опору;

поднимают опору над платформой, одновременно приводя ее в вертикальное положение;

поворачивают кран с опорой в полевую сторону и устанавливают ее над котлованом;

опускают опору в котлован и при помощи специального шаблона (рис. 8) проверяют расстояние до внутренней ее грани от оси пути;

проверяют положение опоры по вертикали и засыпают котлован грунтом (с трамбовкой) на 1/3 его глубины;

расстроповывают опору;

поворачивают стрелу крана в положение вдоль пути;

передвигают установочный поезд к следующему месту установки, производя одновременно строповку очередной опоры и перемещая сигналистов, ограждающих поезд, на длину пролета по его ходу (переход установочного поезда осуществляется по сигналу главного кондуктора, после получения сигнала машиниста крана о его готовности к перемещению).

После окончания работ кран приводят в транспортное положение, установочный поезд сцепляют с буровой машиной и многоковшовым котлованокопателем, сигналисты возвращаются к поезду и поезд отправляют на станцию прибытия.

Рис. 9. Приспособление для разворота опоры с закладными деталями:

1 - трос с петлей и крюком; 2 - рычаг (лом); 3 - опора

2.3.19. Место работы котлованокопателей и установочного поезда должно быть ограждено в соответствии с требованиями «Инструкции по сигнализации на железных дорогах СССР», «Инструкции по обеспечению безопасности движения поездов при производстве путевых работ» и «Инструкции по движению поездов и маневровой работе на железных дорогах СССР».

На двухпутных участках при появлении поезда на соседнем пути сигналист, находящийся у петард, извещает сигнальным рожком или другим способом руководителя работ, а также механиков котлованокопателей и крана о приближении поезда. В этом случае на время пропуска поезда по соседнему пути работы по установке опоры следует прекратить, стрелу крана повернуть вдоль пути, а крюк с грузом опустить на платформу.

2.3.20. При опускании опоры в котлован следует обращать особое внимание на правильность установки опоры по габариту (приложение 4), величину заглубления, а также расположение закладных деталей перпендикулярно оси пути и поворотной петли для крепления пяты консоли - в сторону пути. Разворачивать опору в плане для обеспечения правильного расположения закладных деталей относительно оси пути рекомендуется с помощью специального приспособления, состоящего из троса с петлей и крюком и короткого лома с загнутым концом (рис. 9). Рекомендуется устанавливать опоры с увеличением на уровне головки рельса их расстояния от оси пути против проектного положения на 5 см.

2.3.21. Вертикальную регулировку и засыпку фундаментной части нераздельных опор следует производить в день их установки. До засыпки котлована, для обеспечения безопасного движения поездов, установленные железобетонные опоры должны находиться под постоянным наблюдением строительного мастера или бригадира.

Вертикальную регулировку опор производят при помощи легких переносных домкратов (рис. 10). Запрещается эту операцию производить путем оттягивания опоры веревками или тросами, закрепленными на высоте более 2 м от обреза фундамента. Рекомендуется при регулировке опор придавать им наклон 1,5 - 2 % в сторону, противоположную действию основных нагрузок (запас на обжатие грунта); на прямых участках и с внешней стороны кривых наклон делать в сторону поля, а на внутренней стороне кривых радиусом менее 1000 м - в сторону пути.

Рис. 10. Схема регулировки железобетонных опор реечными домкратами:

а - регулировка опоры поперек пути; б - регулировка опоры вдоль пути; в - общий вид реечного домкрата; 1 - реечный домкрат; 2 - доска; 3 - подпорка опоры; 4 - засыпной грунт

2.3.22. Засыпку пазух котлованов следует производить с предварительным размельчением грунта, не допуская комьев крупнее 50 мм. Грунт в котлованы следует засыпать слоями толщиной не более 20 см, тщательно трамбуя каждый слой.

2.3.23. Раздельные опоры, устанавливаемые в стаканные фундаменты (см. приложение 5), следует после вертикальной регулировки временно закреплять клиньями, заделывая стыки в дальнейшем: летом - цементным раствором; заделку стыков стаканных фундаментов с опорой зимой следует производить зачеканиванием полусухой смесью цемента с песком в пропорции 1:2 (при этом необходимо обращать особое внимание на удаление из стакана фундамента воды, снега и льда).

2.3.24. Установку опор контактной сети в зимнее время следует осуществлять в соответствии с «Техническими указаниями по обеспечению устойчивости фундаментов и опор контактной сети, устанавливаемых в зимних условиях» (ВСН 67-62).

2.3.25. Анкеры анкерных опор при наличии агрегата АВСЭ следует применять свайного типа и сооружать в соответствии с рекомендациями пп. 2.6.1 - 2.6.10 настоящих указаний. При отсутствии механизмов для погружения свайных анкеров применяют вертикальные закапываемые анкеры. Котлованы следует разрабатывать при помощи многоковшовых котлованокопателей в соответствии с рекомендациями пп. 2.3.7 и 2.4.6 настоящих указаний, обращая особое внимание на правильность расстояния между анкером и анкерной опорой. Установку анкеров производят краном МК-15 «с пути» или краном КТС-5Э (ТКЭ-58) «с поля».

2.3.26. Установку анкерных оттяжек производит звено из 4 чел. с применением переносных алюминиевых лестниц. До установки оттяжек должен быть сделан тщательный промер расстояний между анкерной опорой и анкером, на основании которого на комплектовочной базе должна быть сделана регулировка длин оттяжек.

К каждой оттяжке прикрепляют бирку с указанием перегона (или станции) и номера опоры.

2.3.27. Установленные опоры должны удовлетворять требованиям «Технических условий производства и приемки строительных и монтажных работ при электрификации железных дорог (устройства энергоснабжения) (ВСН 12-59) и «Строительных норм и правил. Контактные сети. Правила организации строительства, производства работ и приемки в эксплуатацию» (СНиП III-Д.9-62).

2.4. СООРУЖЕНИЕ КОНСОЛЬНЫХ (ПЕРЕГОННЫХ) ОПОР «С ПОЛЯ»

2.4.1. Для сооружения опор контактной сети «с поля» рекомендуется следующий комплект машин:

Бульдозер Д-259А.............................................................................................................. 1

Котлованокопатель МКТС-2............................................................................................ 1

Кран ТКЭ-58 или КТС-5Э................................................................................................ 1

Тракторы ДТ-54.......................................................................................................... 2 - 3

Трайлеры грузоподъемностью 40 т или соответствующие

двухосные прицепы........................................................................................................... 3

Автомобильный кран грузоподъемностью 3 - 5 т........................................................ 1

Передвижной автофургон для размещения и обогрева рабочих.................................. 1

Все рабочие, обслуживающие перечисленный комплект механизмов, должны быть объединены в комплексную бригаду конечной продукции, измеряемой количеством сооружаемых опор (включая устройство подъездов, разработку котлованов, погрузку, развозку и установку опор, обратную засыпку котлованов после установки).

Комплексная бригада по сооружению опор контактной сети «с поля» состоит из 19 чел. (табл. 3).

Таблица 3

Состав комплексной бригады для сооружения опор «с поля»

Наименование работ

Профессия

Количество

Руководство работой бригады

Бригадир-электромонтер 6 разр.

1

Подготовка подъездов

Машинист бульдозера 5 разр.

1

Разработка котлованов

Машинист котлованокопателя МКТС-2 6 разр.

1

Помощник машиниста 5 разр.

1

Развозка опор

Машинисты трактора 5 разр.

2

Погрузка опор на базе

Машинист автокрана 5 разр.

1

Установка опор

Машинист крана ТКЭ-58 5 разр.

1

Электромонтер 5 разр.

1

                "           4    "

2

                "           3    "

2

Установка опор

Сигналисты 3 разр.

2

Засыпка котлованов с уплотнением грунта

Электромонтер 5 разр.

1

                  "         4    "

1

Землекопы 2 разр.

2

Итого

19

2.4.2. До начала работ по сооружению опор контактной сети «с поля» производитель работ и строительный мастер, руководствуясь ведомостью распределения участков по способам производства работ («с пути» или «с поля»), должны сделать осмотр мест, где предусматривается разработка котлованов и установка опор «с поля».

При этом определяются:

объем и характер работ по устройству подъездов и площадок для стоянки механизмов у места разработки котлованов и установки опор, выполняемый бульдозером;

рабочие отметки земляного полотна (высоты насыпей и глубины выемок), необходимые для точной разбивки котлованов и места остановки котлованокопателя;

характер грунтов;

наличие проводов связи и других препятствий для проезда механизмов к месту производства работ;

состояние дорог, по которым предусматривается доставка опор к месту их установки.

На основании данных осмотра и проектных материалов составляют «Ведомость опор контактной сети, сооружаемых «с поля», в которой указываются: места расположения опор (перегон, километр, пикет и плюс), рабочие отметки земляного полотна, расстояния от котлована до площадок стоянки котлованокопателя, характеристика грунтов, размеры котлована в плане и по глубине, тип опор, характеристика подъездов и работ, необходимых для их улучшения. Выписка из этой ведомости должна быть выдана строительному мастеру или бригадиру комплексной бригады, а также механикам бульдозера, котлованокопателя и установочного крана.

2.4.3. Разбивку положения опор и мест стоянок котлованокопателя производят на основании плана контактной сети и «Ведомости опор контактной сети, сооружаемых «с поля».

Разбивку мест стоянок котлованокопателя следует осуществлять с помощью шаблона, которым после закрепления центра котлована определяют положение края гусеницы котлованокопателя, располагаемого вдоль оси пути. Это положение отмечают колышком.

2.4.4. Для обеспечения четкой работы комплекта механизмов должен быть составлен технологический график их движения по каждому перегону (рис. 11) с учетом конкретных местных условий - расстояний перемещения в течение смены, категорий грунтов, характеристики подъездов, расстояния от комплектовочной базы до мест установки опор и др.

Рис. 11. Примерный технологический график работы по сооружению опор «с поля»

2.4.5. До начала сооружения опор необходимо подготовить бульдозером площадки и подъезды с таким расчетом, чтобы обеспечить на половину смены работу остальных механизмов.

Площадка для стоянки котлованокопателя или крана с трактором и прицепом (трайлером) должна быть горизонтальной; подъезды к площадке со стороны грунтовой дороги должны иметь плавные закругления с радиусом не менее 15 м. Расстояние от площадки до котлована должно соответствовать данным «Ведомости сооружения опор контактной сети «с поля».

Рис. 12. Схема разработки котлованов «с поля»:

1 - котлованокопатель МКТС-2; 2 - котлованы; l - расстояние между опорами по проекту

2.4.6 Разработку котлованов консольных опор «с поля» котлованокопателем МКТС-2 (рис. 12) необходимо производить в следующем порядке:

в соответствии с данными «Ведомости сооружения опор контактной сети «с поля» машинист канавокопателя подъезжает к месту работ и устанавливает машину параллельно оси пути (кабина со стороны поля) таким образом, чтобы край гусеницы, находящейся со стороны пути, был размещен рядом с разбивочным колышком, определяющим ее положение, а ось поворотного круга механизма была против центра котлована. Затем, проверив горизонтальность площадки по указателю уклонов, установленному в кабине, машинист вместе с помощником опускают выносные домкраты до упора в грунт (при работе в выемке), поднимают двуногую стойку, открепляют рабочий орган от креплений прицепа, а освободившиеся тяги прицепа прикрепляют к сцепному устройству трактора, после чего поднимают стрелу до положения, при котором направляющая рама бара займет вертикальное положение, прикрепляют параллелограммные тяги к двуногой стойке, отсоединяют рабочий орган от подвесного крюка, поднимают его в верхнее положение и, повернув платформу к месту разработки грунта, устанавливают рабочий орган над будущим котлованом. Далее машинист с помощником опускают опорные выносные домкраты у направляющих ковшового бара, закрепляют распорку между стрелой и стойкой противовеса, соединяют тросом стойки противовеса и поворотную. После этого периодическим нажатием кнопки «опускание» (на выносном пульте) машинист опускает рабочий орган на грунт и приступает к разработке котлована.

Контроль за глубиной разработки производится по шкале, нанесенной краской на раме рабочего органа.

По достижении проектной отметки котлована машинист поднимает из котлована рабочий орган, закрепляет его, затем, подняв выносные опорные домкраты на высоту 1 - 1,5 м, используя приспособление Доманова и Павленко (см. приложение 2), переезжает к следующему месту работы.

2.4.7. Старший звена рабочих по погрузке опор на комплектовочной базе, а также трактористы накануне дня развозки и установки опор должны получить выписку с указанием типов опор, очередности их погрузки на прицепы (или трайлеры), порядка их следования к местам установки на перегоне, а также данных о километрах, пикетах и номерах опор. При работе двух тракторов с тремя прицепами, один из прицепов будет находиться на погрузке, а два - в рейсе с тракторами (см. рис. 12).

2.4.8. Установку опор «с поля» (рис. 13 и 14) следует производить непосредственно после разработки котлована, не допуская разрыва более полусменной производительности установочного крана. Разгрузку опор с транспортных средств следует совмещать с их установкой.

2.4.9. Технология установки железобетонных опор «с поля» следующая:

кран подъезжает к месту установки;

трактор с прицепом или трайлером, загруженным опорами, подъезжает в зону действия крана;

кран из транспортного переводят в рабочее положение (операцию производят одновременно с предыдущей);

стропуют опору;

поднимают опору;

производят поворот крана с установкой опоры над котлованом;

опускают опору в котлован и выверяют расстояние от оси пути до опоры;

при помощи крана производят вертикальную регулировку опоры;

закрепляют опору, засыпая котлован грунтом на глубину 70 - 80 см слоями по 20 см, тщательно уплотняя каждый слой;

расстроповывают опору;

трактор с прицепом, загруженным опорами, передвигается к следующему котловану (эту операцию совмещают с четырьмя последними);

приводят кран в транспортное положение;

кран перемещается к следующему котловану.

Рис. 13. Установка опоры краном ТКЭ-58 «с поля»

Рис. 14. Развозка и установка опор «с поля» краном КТС-5Э

2.4.10. Опускание опоры в котлован, выверка габарита, строповка и расстроповка опор производятся в соответствии с указаниями, изложенными в главе 2.3 («Сооружение консольных (перегонных) опор «с пути»).

2.4.11. Место работ при сооружении консольных опор «с поля» должно ограждаться сигналами остановки так же, как установка опор «с пути», с выдачей соответствующих предупреждений машинистам поездов (см. п. 2.3.19 настоящих указаний).

2.4.12. Комплект механизмов, работающих «с поля», рекомендуется для уменьшения потерь времени оставлять на ночь на перегоне под охраной, собрав его в одно место. К концу рабочего дня на это же место следует доставить трактор с прицепом, загруженным опорами, что обеспечит нормальную работу ведущего механизма (установочного крана) с начала рабочего дня.

2.5. СООРУЖЕНИЕ КОНСОЛЬНЫХ ОПОР КОМБИНИРОВАННЫМ МЕТОДОМ

2.5.1. Сооружение консольных опор комбинированным методом с развозкой их к местам установки с железнодорожного пути, а разработкой котлованов и установкой опор механизмами, работающими «с поля», допускается, как исключение, в следующих случаях:

а) если по местным условиям нельзя организовать комплектовочную базу для обеспечения опорами транспортных средств, развозящих опоры «с поля»;

б) в случае отсутствия дорог для проезда тракторов с прицепами, гружеными опорами, или необходимости выполнения дорогостоящих работ для создания подъездов к местам разгрузки опор;

в) во время осенней и весенней распутиц, а также больших снежных заносов, затрудняющих проход трактора с опорами к месту работ;

г) при отсутствии у строительной организации необходимых транспортных средств для развозки опор «с поля».

В остальных случаях необходимо как разработку котлованов, так и развозку и установку опор в местах, где могут подойти механизмы, осуществлять «с поля».

2.5.2. Развозку опор железнодорожным транспортом при установке их со стороны поля следует производить без перегрузки прибывающих с завода платформ или полувагонов на комплектовочной базе. Они должны быть включены в установочный поезд, поданы на перегон и разгружены в одно «окно».

Для более полного использования крана установочного поезда, производящего в «окно» только разгрузку опор на обочину, рекомендуется, кроме опор, погруженных на платформу, находящуюся в составе рядом с краном, погружать их также на подстреловую платформу крана (один - два ряда). Это позволит разгрузить на обочину не менее 30 опор, что обеспечит загрузку механизмов, работающих «с поля», в течение двух суток.

2.5.3. Сооружение опор комбинированным методом следует сочетать с установкой их «с пути». Для этого необходимо составить график работы установочного поезда, в котором предусмотреть один день для разгрузки опор и один день для установки их «с пути». Для разработки котлованов «с пути» в одно «окно» с установочным поездом должна выезжать ежедневно одна машина (буровая или многоковшовый котлованокопатель).

2.5.4. В комплект механизмов для сооружения опор комбинированным методом должны входить:

Установочный поезд. В состав установочного поезда входит:

локомотив................................................................................................................ 1

кран МК-15.............................................................................................................. 1

подстреловая платформа........................................................................................ 1

четырехосная платформа....................................................................................... 1

крытый вагон для рабочих бригады...................................................................... 1

Механизм для разработки котлованов «с пути»

(буровая машина или многоковшовый котлованокопатель) .................................. 1

Котлованокопатель МКТС-2....................................................................................... 1

Кран ТКЭ-58 или КТС-5Э........................................................................................... 1

Бульдозер Д-259А......................................................................................................... 1

Комплексная бригада состоит из 34 человек:

Бригадир-электромонтер 6 разр................................................................................. 1

а) Работа «с пути»

Машинист буровой машины 6 разр........................................................................... 1

Машинист дрезины ДМ 6 разр.................................................................................. 1

Помощник машиниста 5 разр.................................................................................... 1

Машинист локомотива............................................................................................... 1

Помощник машиниста локомотива........................................................................... 1

Главный кондуктор..................................................................................................... 1

Сигналисты 3 разр...................................................................................................... 2

Машинист крана 6 разр.............................................................................................. 1

Электромонтер 5 разр................................................................................................. 1

»             4     »................................................................................................... 1

Электромонтеры 3 разр.............................................................................................. 2

Электромонтер   5 » (помощник бригадира)............................................................ 1

                                                   Итого........................................ 14 чел.

б) Работа «с поля»

Машинист бульдозера 5 разр...................................................................................... 1

Машинист котлованокопателя 6 разр........................................................................ 1

Помощник машиниста котлованокопателя 5 разр................................................... 1

Машинист крана ТКЭ-58 5 разр................................................................................. 1

Электромонтер 5 разр.................................................................................................. 1

Электромонтеры 4 разр............................................................................................... 2

»             3      »................................................................................................... 2

Электромонтер 5 разр. (помощник бригадира)........................................................ 1

                                                   Итого........................................ 10 чел.

в) Вертикальная регулировка и окончательная засыпка котлованов (два звена)

Электромонтеры 5 разр............................................................................................... 2

»               4   »................................................................................................... 2

Землекопы                   2   ».......................................................................................... 4

Электромонтер   5 » (помощник бригадира)............................................................ 1

Итого......................................... 9 чел.

2.5.5. Технология строповки и разгрузки опор аналогична описанной в гл. 2.2, технология разработки котлованов с пути - согласно указаниям гл. 3.3, а разработка котлованов и установка опор «с поля» - согласно указаниям гл. 2.4, за исключением того, что строповку опоры производят не на прицепе трактора, а на обочине.

2.6. СООРУЖЕНИЕ СВАЙНЫХ ЖЕЛЕЗОБЕТОННЫХ ФУНДАМЕНТОВ ПОД ПЕРЕГОННЫЕ ОПОРЫ

2.6.1. Погружение свайных железобетонных фундаментов (см. приложение 5) в грунт производится механизированным способом с применением виброагрегата АВСЭ (рис. 15).

2.6.2. Агрегат АВСЭ производит погружение свайных фундаментов «с пути» в «окно». Работу агрегата в «окно» следует осуществлять согласно технологическому графику, разрабатываемому с учетом конкретных условий (рис. 16). Получение «окна» и выезд агрегата на перегон оформляется таким же порядком, как это делается для работы установочных поездов (см. пп. 2.3.4, 2.3.6, 2.3.13 и 2.3.19).

2.6.3. Агрегат перемещается и обеспечивается электроэнергией специальным мотовозом-электростанцией мощностью 200 квт и напряжением 380 в. При отсутствии мотовоза-электростанции обеспечение электрической энергией производится от передвижной электростанции на железнодорожном ходу мощностью 200 квт.

Рис. 15. Агрегат АВСЭ:

а - транспортное положение; б - рабочее положение; 1 - кабина машиниста; 2 - направляющая рабочего органа; 3 - гидравлические захваты; 4 - свайный фундамент; 5 - стол для соосной постановки фундамента с захватом; 6 - кран-балка; 7 - тельфер; 8 - склад фундаментов

2.6.4. В комплект механизмов, необходимых для производства работ по погружению свайных фундаментов в грунт, должны входить:

Агрегат АВСЭ............................................................................................................. 1

Мотовоз-электростанция........................................................................................... 1

Крытый вагон (для хранения запаса деталей, инструмента

и укрытия обслуживающего персонала на случай непогоды)............................... 1

При отсутствии мотовоза-электростанции набор механизмов в комплекте следующий:

Агрегат АВСЭ............................................................................................................. 1

Тепловоз...................................................................................................................... 1

Вагон-электростанция............................................................................................... 1

Крытый вагон.............................................................................................................. 1

Комплексная бригада, необходимая для обслуживания комплекта механизмов, состоит в первом случае из 10 чел.:

Машинист мотовоза-электростанции 6 разр........................................................... 1

Помощник машиниста мотовоза электростанции 5 разр....................................... 1

Машинист агрегата АВСЭ 6 разр.............................................................................. 1

Помощник машиниста агрегата АВСЭ 5 разр......................................................... 1

Электромонтер 5 разр................................................................................................ 1

Электромонтеры 4 разр............................................................................................. 2

Главный кондуктор.................................................................................................... 1

Сигналисты................................................................................................................. 2


Рис. 16. Примерный технологический график работы агрегата АВСЭ


Во втором случае, т.е. при замене мотовоза-электростанции на вагон-электростанцию, состав комплексной бригады увеличивается на одного человека - машиниста электростанции.

2.6.5. Погружение свайных фундаментов производят следующим образом: машинист агрегата, проверив прочность закрепления фундамента, производит поворот стрелы агрегата перпендикулярно оси пути, переводит фундамент в вертикальное положение, устанавливает его на необходимом расстоянии от оси пути и опускает до упора в грунт. После этого погружает фундамент до проектного положения; освобождает его от гидравлических захватов, устанавливает агрегат в транспортное положение и перемещает к новому месту работы.

2.6.6. О времени работ по погружению фундаментов должны быть заранее предупреждены дистанции сигнализации и связи и участок энергоснабжения или локомотивный отдел отделения дороги.

2.6.7. Погружение фундаментов в целях лучшего использования предоставляемых «окон» следует совмещать с установкой опор.

2.6.8. Агрегат АВСЭ в свободное время от работы на перегонах рекомендуется использовать для погружения свайных фундаментов на станциях под консольные опоры или стойки жестких металлических поперечин.

2.6.9. Непосредственное руководство работами по погружению свайных фундаментов и надзор за качеством их выполнения осуществляет строительный мастер.

2.6.10. Работа с агрегатом АВСЭ должна производиться с соблюдением инструкции по уходу за ним и эксплуатации его.

2.6.11. Погружение свай в песчаных и плотных глинистых грунтах рекомендуется осуществлять с применением подмыва. Для этого в комплект агрегата АВСЭ включают цистерну грузоподъемностью 50 т с укрепленным на ней центробежным насосом. Подмыв осуществляется через две трубы, равные длине свай, имеющие внутренний диаметр 19 мм и наконечники диаметром 5 мм. Трубы приваривают к станине рабочего органа и соединяют гибким шлангом с насосом.

2.6.12. При погружении свайных фундаментов в местах прохождения кабельных линий необходимо:

до начала работы агрегата АВСЭ кабель откопать на 10 м в обе стороны от оси свайного фундамента, поднять и отвести от контура фундамента;

после погружения сваи кабель вновь уложить и засыпать.

Эти работы необходимо выполнить в присутствии представителя организации, эксплуатирующей кабель.

2.7. СООРУЖЕНИЕ ЖЕЛЕЗОБЕТОННЫХ СВАЙНЫХ ФУНДАМЕНТОВ ПОД СТАНЦИОННЫЕ ОПОРЫ ГИБКИХ ПОПЕРЕЧИН

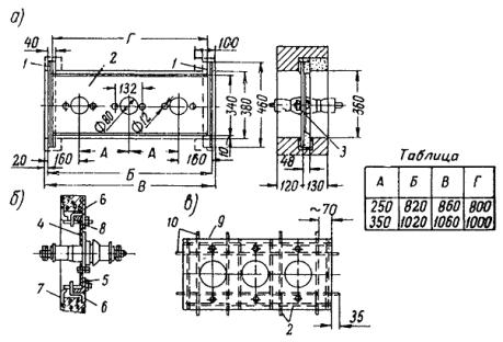
2.7.1. Свайные фундаменты станционных опор гибких поперечин (приложение 6) Состоят из куста свай (от 4 до 8 шт.), объединенных по верху плитой (ростверком), на которую устанавливается опора.

Сечение свай - 30´30 см, длина - от 5 до 8 м. Как исключение, в особых грунтовых условиях допускается применение свай длиной более 8 м.

Все сваи фундамента должны погружаться на проектную глубину.

Для уточнения расчетной длины свай перед сооружением свайных фундаментов на станции производится погружение пробных свай с последующим их испытанием. Количество пробных свай и место их погружения указываются в проекте.

2.7.2. В обводненные песчаные грунты и мягкопластичные супеси или суглинки сваи следует погружать вибропогружателем ВП-1, а в тугопластичные глинистые грунты - трубчатым дизель-молотом УР1-1250 (С-858) или вибропогружателем при обязательном устройстве направляющих скважин перед забивкой свай. Погружение свай рекомендуется осуществлять при помощи крана, оборудованного копровой направляющей рамой (рис. 17).

Направляющую раму следует шарнирно подвешивать на стрелу крана ниже стреловых блоков. Положение направляющей фиксируется внизу с помощью горизонтальных телескопических распорок, которые крепят к основанию стрелы. При переводе в транспортное положение направляющую и телескопические распорки убирают под стрелу крана. В таком положении кран может производить обычные грузовые операции, в частности, установку ростверков. Направляющую изготавливают из двух швеллеров № 18; швеллеры соединяют между собой решеткой.

2.7.3. Свайные фундаменты сооружают «с пути» и «с поля».

«С пути» работы производятся установочным поездом, который состоит из тяговой единицы (тепловоза), железнодорожного крана МК-15 или КМ-16 со стрелой 14 м, оборудованного копровой направляющей рамой, одной четырехосной подстреловой платформы и одной платформы, предназначенной для перевозки сваебойного оборудования (вибропогружателя или дизель-молота, свайных наголовников, шлангового кабеля, инструментов и инвентаря).

При погружении свай вибропогружателем в установочный поезд включается мотовоз-электростанция МЭС-200 или вагон-электростанция ВЭС-3.

При производстве работ «с поля» используется автокран К-104 или К-161, оборудованный копровой направляющей рамой, и автомашина ЗИЛ-130 для перевозки сваебойного оборудования и всего инвентаря от одного фундамента к другому. При этом в качестве источника электроэнергии для вибропогружателя служит передвижная электростанция ПЭС-100. При необходимости для устройства подъездов в комплект механизмов добавляют бульдозер.

Рис. 17. Схема крана МК-15, оборудованного копровой направляющей рамой для вибропогружения свайных фундаментов:

1 - стрела крана; 2 - шарнир; 3 - копровая направляющая рама; 4 - горизонтальные телескопические распорки; 5 - вибропогружатель ВП-1; 6 - свая

2.7.4. Бригада, сооружающая свайные фундаменты «с пути», состоит из 10 чел.:

Бригадир-электромонтер 6 разр.............................................................................. 1

Машинист локомотива............................................................................................. 1

Помощник машиниста локомотива........................................................................ 1

Машинист электростанции...................................................................................... 1

Электрик-оператор 5 разр........................................................................................ 1

Электромонтер 5 разр.............................................................................................. 1

Электромонтеры 4 разр............................................................................................ 2

Сигналисты................................................................................................................ 2

Бригада, сооружающая свайные фундаменты «с поля», состоит из 11 чел.:

Бригадир-электромонтер 6 разр............................................................................. 1

Машинист автокрана............................................................................................... 1

Шофер автомашины................................................................................................ 1

Машинист бульдозера............................................................................................. 1

»          электростанции.................................................................................... 1

Электрик-оператор 5 разр....................................................................................... 1

Электромонтер 5 разр............................................................................................. 1

Электромонтеры 4 разр........................................................................................... 2

Сигналисты............................................................................................................... 2

При забивке свай дизель-молотом состав бригады уменьшается на 2 чел. (машиниста электростанции и электрика-оператора).

2.7.5. Технология сооружения свайных фундаментов на площадке следующая:

а) производится разбивка положения фундамента на местности;

б) подготавливают площадку для установки ростверка;

в) ростверк и сваи на комплектовочной базе погружают на платформы и транспортируют их к месту сооружения фундаментов;

г) требуемые типы ростверков и свай разгружают у мест сооружения фундаментов;

д) устанавливают ростверк в проектное положение и точно выверяют его положение в плане (относительно оси пути) и по высоте;

е) забивают сваи, используя при этом ростверк как направляющий кондуктор;

ж) соединяют сваи с ростверком и устраивают бетонный оголовок (сливы).

Рис. 18. Технологическая схема сооружения сборного свайного фундамента на насыпи:

а - погружение средней сваи № 1 на откосе; б - установка ростверка; в - погружение свай через отверстия в ростверке; 1, 2, 3, 4 и 5 - последовательность погружения свай

2.7.6. Технология сооружения свайных фундаментов на откосе насыпи следующая:

выполняют операции а, б, в и г п. 2.7.5;

забивают одну (среднюю) сваю откосного ряда фундамента (рис. 18, а);

устанавливают ростверк, который со стороны откоса закрепляют на погруженной свае, а со стороны пути устанавливают на спланированную обочину насыпи (рис. 18, б);

забивают остальные сваи фундамента (рис 18, в), причем в первую очередь погружают сваи со стороны пути;

соединяют сваи с ростверком и устраивают бетонный оголовок (сливы).

2.7.7. Планировочные работы по устройству площадок под ростверки должны осуществляться (в период между работами по погружению свай) бульдозером или двумя электромонтерами из состава бригады установочного поезда.

Подготовка площадки должна быть закончена за день до установки ростверка.

Перед установкой ростверков следует произвести обследование мест сооружения свайных фундаментов, выполняемое комиссией с участием представителей организаций, эксплуатирующих наземные коммуникации, с целью определения точного расположения последних.

2.7.8. Транспортирование ростверков и свай, а также раскладку их на месте сооружения свайных фундаментов следует осуществлять в период между «окнами» поездом, который устанавливает перегонные опоры контактной сети, или установочным поездом, который ведет забивку свай.

Если свайные фундаменты устраивают с ростверками, расположенными над грунтом, то их следует устанавливать на подкладки (обрезки шпал). После устройства стыков ростверка со сваями подкладки удаляют.

Сваи раскладывают в непосредственной близости от ростверков параллельно пути. Головы свай укладывают на подкладки с промежутком 0,3 - 0,4 м для удобства крепления наголовников.

2.7.9. При погружении свай вибропогружателем применяют конусное приспособление (рис. 19), состоящее из конусного стакана и стального конуса. Конусный стакан крепят к днищу вибропогружателя.

Конус прикрепляют к свае за анкерные выпуски. Для уменьшения ударных воздействий следует между головой сваи и конусом укладывать прокладку (из отходов транспортерной ленты или 1 - 2 листов фанеры).

2.7.10. Погружение свай при помощи вибропогружателя, подвешенного к стреле крана, оборудованной направляющей рамой, осуществляется следующим образом:

а) поднимают стрелу крана над подстреловой платформой и разворачивают на 180° к платформе, на которой установлен вибропогружатель с прикрепленным конусным стаканом;

б) производят строповку вибропогружателя за крюк крана;

в) от основания стрелы крана освобождают низ направляющей рамы и крепят к ней горизонтальные телескопические распорки;

г) поворачивают стрелу крана к ростверку и заводят ролики вибропогружателя в направляющую раму;

д) сваю с прикрепленным к ней конусным наголовником стропят к вибропогружателю и поднимают его вместе со сваей (при этом длину стропа подбирают таким образом, чтобы при вертикально поднятой свае зазор между низом конусного стакана и верхом конуса составлял не более 1 - 2 см);

Рис. 19. Конусное приспособление для крепления вибропогружателя к свае:

1 - днище вибропогружателя; 2 - конусный стакан; 3 - стальной конус; 4 - анкерный выпуск из сваи; 5 - свая; 6 - прокладка; 7 - отверстие конусного стакана

е) поворотом стрелы крана сваю располагают над отверстием ростверка, при необходимости ее разворачивают и опускают на грунт;

ж) опускают вибропогружатель таким образом, чтобы конус, закрепленный на свае, вошел в конусный стакан вибропогружателя;

з) проверяют вертикальное положение сваи и закрепляют горизонтальные телескопические распорки направляющей рамы;

и) погружают сваю на проектную глубину; при этом крюк крана должен свободно опускаться вслед за вибропогружателем, чтобы вибрация не передавалась на стрелу крана;

к) отсоединяют от сваи вибропогружатель, для чего натягивают стропы и клином, вставленным в отверстие конусного стакана, выбивают конус;

л) отболчивают конусный наголовник и вместе с прокладкой переносят к следующей свае;

м) поднимают вибропогружатель и перемещают его к следующей свае.

2.7.11. При забивке свай дизель-молотом применяют обычные наголовники с дубовым подбабком. Последовательность операций по забивке свай дизель-молотом та же, что и при погружении вибропогружателем.

2.7.12. При погружении свай необходимо вести журнал забивки свай (см. приложение 6), который является основным исполнительным документом. С этой целью перед погружением свая должна быть размечена мелом или краской через каждые 10 см. Начало отсчета принимают от низа сваи (заострение сваи не учитывается).

2.7.13. Для обеспечения точного погружения свай на проектную глубину, уменьшения динамических воздействий на сваю, более точного выявления геологических данных в месте сооружения свайного фундамента, а также для повышения производительности вибропогружателя до забивки свай следует предварительно устраивать в грунте направляющие скважины. Площадь поперечного сечения скважин рекомендуется принимать равной 30 - 35 % площади поперечного сечения сваи (для свай сечением 30´30 см рекомендуемый диаметр скважины 20 - 25 см).

2.7.14. Устройство направляющих скважин с помощью полой трубы (рис. 20) и вибропогружателя осуществляется следующим образом:

выполняют операции а, б, в, г, ж, з и и п. 2.7.10, при этом вместо сваи используют трубу, а конус крепят к торцовому листу 5 (см. рис. 20) четырьмя болтами М27;

погружают трубу в грунт на глубину не более 2 - 2,5 м, после чего ее извлекают при работающем с наименьшей частотой вибропогружателе (для уменьшения передачи вибрации на стрелу крана при выдергивании трубы с грунтом вибропогружатель следует подвешивать к крюку крана через амортизатор (рис. 21);

поворотом стрелы крана извлеченную из грунта трубу отводят в сторону от ростверка и удаляют из нее керн грунта;

вновь располагают трубу над скважиной и погружают на большую глубину.

Рис. 20. Труба для образования направляющих скважин:

а - детали трубы; б - деталь поршневого клапана; в - деталь обратного клапана; 1 - стенка трубы; 2 - прорези; 3 - упоры; 4 - буртик, наплавленный электросваркой; 5 - торцовый лист; 6 - ребра; 7 - отверстия для крепления конуса; 8 - штанга; 9 - строповочное кольцо штанги; 10 - обратный клапан; 11 - винтовой упор

Рис. 21. Конструктивная схема амортизатора

Для образования скважины глубиной 5 - 7,5 м выполняют от 3 до 6 проходок, так как при увеличении глубины погружения сопротивление трубы выдергиванию резко возрастает. Вследствие этого последующие проходки уменьшают до 1,5 - 0,7 м.

Общее время, затрачиваемое на образование одной направляющей скважины, составляет от 10 до 15 мин.

2.7.15. В глинистых грунтах приступать к погружению свай следует не менее чем через 1 сутки после образования направляющих скважин для всех свай фундамента. В песках направляющие скважины следует устраивать поочередно непосредственно перед погружением свай. Перед погружением свай направляющие скважины рекомендуется заливать водой. Направляющие скважины в глинистых грунтах образовывают трубой с поршневым клапаном на конце (см. рис. 20, б), который служит для удаления керна грунта из трубы. После подъема трубы на поверхность крючком, прикрепленным к ростверку, зацепляют нижнее кольцо штанги поршневого клапана и путем дальнейшего подъема трубы извлекают из нее керн грунта.

Направляющие скважины в песках образовывают трубой с обратным клапаном на конце (см. рис. 20, в), который препятствует выпадению керна грунта при подъеме на поверхность трубы.

2.7.16. Отсоединение трубы от вибропогружателя производят после образования последней направляющей скважины. Для этого трубу вновь опускают в скважину, стропят к вибропогружателю и отболчивают конус от трубы, после чего подъемом крюка крана извлекают ее из грунта. После опускания трубы на землю выбивают конус из конусного стакана вибропогружателя в соответствии с операцией к п. 2.7.10.

2.7.17. В зимнее время до забивки свай в мерзлые грунты следует обязательно устраивать направляющие скважины.

2.7.18. Сооружение свайных фундаментов под станционные опоры контактной сети с гибкими поперечинами может производиться также другими механизмами и технологическим оборудованием как специально разрабатываемым, так и применяемым в других ведомствах, в частности, вибровдавливающим агрегатом ВВПС-20/11 (или ВВПС-30/19) для погружения свай фундаментов линии электропередачи.

Для образования направляющих скважин вместо вибропогружателя ВП-1 можно использовать вибромолот ВМ-9.

2.8. СООРУЖЕНИЕ БЛОЧНЫХ ФУНДАМЕНТОВ СТАНЦИОННЫХ ОПОР С МЕХАНИЗИРОВАННОЙ РАЗРАБОТКОЙ КОТЛОВАНОВ

2.8.1. Блочные закапываемые фундаменты (приложение 7) разрешается применять только в случаях невозможности сооружения свайных фундаментов со сборными ростверками (сухие связные грунты, грунты с большим количеством включений, наличие сложных подземных коммуникаций на станциях, отсутствие специального сваебойного оборудования у строительных организаций и др.).

2.8.2. Разработку котлованов под блочные фундаменты станционных опор рекомендуется производить механизированным способом с применением экскаваторов Э-221, Э-302, вертикального котлованокопателя ВК и кранов с грейферными ковшами (табл. 4).

Экскаваторы Э-221 и Э-302, оборудованные обратными лопатами, могут обеспечивать разработку котлованов на площадках с нулевыми отметками и насыпях высотою до 2 м в грунтах I, II и III групп.

Экскаватор Э-221 следует применять для разработки котлованов глубиной до 3 м от уровня стоянки экскаватора, а Э-302 - до 4 м.

Разработка котлованов в междупутье может быть осуществлена вертикальным котлованокопателем ВК, краном с грейферным ковшом с отвалом грунта в междупутье или экскаваторами Э-221 и Э-302 с погрузкой грунта на подвижной состав. В последнем случае ширина междупутья должна быть не менее 8 м при работе экскаватором Э-221 и не менее 10 м при работе экскаватором Э-302.

2.8.3. Блочные фундаменты станционных опор рекомендуется устанавливать:

со стороны поля - краном К-151 или К-161 при весе блоков до 15 т и краном К-104 при весе блоков до 10 т;

«с пути» - краном МК-15.

Блоки весом более 10 т необходимо устанавливать, как исключение, кранами грузоподъемностью 25 т, арендуемыми у восстановительных поездов дороги.

Таблица 4

Показатели производительности машин для разработки котлованов на станциях

Наименование машин

Группы грунтов

Способы работы

в отвал

с погрузкой на платформы

производительность, м3

Экскаватор Э-221

I

18

16

II

15

13

III

10

8

Экскаватор Э-302

I

21

18

II

18

15

III

13

11

Вертикальный многоковшовый котлованокопатель ВК

I

9

-

II

7

-

III

5

-

2.8.4. Для сооружения блочных фундаментов под станционные опоры рекомендуется применять комплекты механизмов, приведенные в табл. 5, и составы бригад, указанные в табл. 6.

2.8.5. Блочные фундаменты под станционные опоры гибких поперечин для лучшего использования наличных механизмов следует устанавливать теми же установочными поездами, которые производят работы на перегонах.

В отдельных случаях для выполнения работ по электрификации крупных узлов и станций могут быть организованы специальные комплекты механизмов.

2.8.6. До начала работ по сооружению блочных фундаментов необходимо совместно с начальником станции составить график производства работ с указанием очередности их выполнения, порядка и продолжительности занятия отдельных станционных путей.

Таблица 5

Комплекты машин для сооружения блочных фундаментов станционных опор с механизированной разработкой котлованов

Наименование машин

Работа со стороны поля при глубине котлована

Установка фундаментных блоков «с пути», разработка котлованов со стороны поля при глубине котлована

Установка фундаментных блоков «с пути». Работа в междупутье

Примечание

с погрузкой грунта на железнодорожные платформы при глубине котлована

с разработкой грунта в отвал

 

до 3 м

до 4 м

до 3 м

до 4 м

до 3 м

до 4 м

 

№ комплекта

 

№ 1

№ 2

№ 3

№ 4

№ 5

№ 6

№ 7

 

Экскаватор Э-221

1

-

1

-

1

-

-

 

 

Экскаватор Э-302

-

1

-

1

-

1

-

 

 

Бульдозер Д-315

-

1

-

1

-

1

1

 

 

Кран автомобильный типа АК-5Г с грейферным ковшом

1

1

1

1

1

1

-

Для доработки котлована на глубину более указанной в п. 2.8.2

 

Кран К-151

1

1

-

-

-

-

-

 

 

Многоковшовый котлованокопатель ВК

-

-

-

-

-

-

1

 

 

Землевозный поезд в составе:

 

 

 

 

 

 

 

 

 

тепловоз ТГМ

-

-

-

-

1

1

-

 

 

платформы четырехосные

-

-

-

-

2

2

-

 

 

Установочный поезд в составе:

 

 

 

 

 

 

 

 

 

тепловоз ТГМ-1

-

-

1

1

1

1

1

 

 

кран МК-15

 

-

1

1

1

1

1

 

 

платформы железнодорожные четырехосные

-

-

2

2

2

2

2

 

 

вагон-теплушка

-

-

1

1

1

1

1

 

 

Таблица 6

Состав комплексных бригад для сооружения фундаментов станционных опор

Наименование профессий

Разряд

№ комплектов машин (см. табл. 5)

№ 1

№ 2

№ 3

№ 4

№ 5

№ 6

№ 7

Машинист экскаватора

5

1

1

1

1

1

1

-

Машинист бульдозера

5

-

1

-

1

-

1

1

Машинист автокрана типа АК-5Г

5

1

1

1

1

1

1

-

Машинист крана К-151

6

1

1

-

-

-

-

-

Машинист многоковшового котлованокопателя ВК

5

-

-

-

-

-

-

1

Помощник машиниста многоковшового котлованокопателя ВК

4

-

-

-

-

-

-

1

Машинисты тепловоза

6

-

-

1

1

2

2

1

Помощники машинистов

5

-

-

1

1

2

2

1

Машинист крана МК-15

6

-

-

1

1

1

1

1

Главные кондукторы

-

-

-

1

1

2

2

1

Сигналисты

-

2

2

2

2

2

2

2

Землекоп

3

1

1

1

1

1

1

1

»

2

1

1

1

1

4

4

1

Плотники

3

2

2

2

2

2

2

2

Электромонтер

5

1

1

1

1

1

1

1

»

4

1

1

1

1

1

1

1

»

3

2

2

2

2

2

2

2

Бригадир комплексной бригады

6

1

1

1

1

1

1

1

Итого

-

14

15

17

18

23

24

18

2.8.7. Разработку котлованов для фундаментов станционных опор гибких поперечин можно осуществлять двумя способами.

Первый способ. Экскаватор разрабатывает вдоль подошвы насыпи, параллельно оси пути, первую продольную траншею. Ее длина должна быть больше соответствующего размера котлована на 0,5 - 0,7 м с каждой стороны (рис. 22). При необходимости, для обеспечения стоянки экскаватора, нижняя часть откоса насыпи может быть временно удалена и не позднее чем через сутки должна быть вновь засыпана и уплотнена. Затем стенку траншеи со стороны пути закрепляют при помощи щитов. При этом распорки устанавливают по концам траншеи так, чтобы они не мешали экскаватору разрабатывать котлован последующими проходками перпендикулярно оси пути. Затем экскаватор разрабатывает котлован при закрепленной стенке со стороны пути таким образом, чтобы проходки по границам котлована были выполнены последними.


Рис. 22. Схема разработки экскаватором котлована для фундаментов опор гибких поперечин:

а - последовательность разработки котлована; б - конструкция деревянного щита; 1 - стойка; 2 - бобышка; 3 - щит; 4 - распорки; 5 - бруски 160´160´5000 мм; 6 - монтажные петли; 7 - доски 50´200´1750 мм


Грунт, полученный от первой проходки экскаватора, укладывают в отвал со стороны поля и в дальнейшем перемещают бульдозером за пределы границы котлована.

Второй способ. Экскаватор разрабатывает котлован несколькими проходками, перпендикулярными оси крайнего пути, с отвалом грунта за пределы котлована (рис. 23).

Рис. 23. Разработка котлована экскаватором без крепления стенок

Ширина траншей соответствует ширине ковша. Число проходок определяется размерами котлованов в плане и наибольшим радиусом выгрузки.

Разработку котлованов по второму способу можно производить только при расстояниях от оси пути до ближайшей грани опоры, равных 5,5 м на нулевых местах и 7,6 м на насыпи высотой до 1 м (см. рис. 23), позволяющих отрывать котлован механизированным способом без ручной доработки.

В остальных случаях рытье котлованов целесообразно вести по первому способу.

2.8.8. В междупутье разработка котлованов ведется траншеями, параллельными осям путей, с погрузкой грунта на платформы.

Часть грунта, необходимая для засыпки пазух котлованов, оставляется в междупутье.

Доработка котлованов до проектных отметок и последующая засыпка пазух котлованов осуществляется автокранами с грейферными ковшами.

Котлован в междупутье закрепляется со стороны обоих путей согласно указаниям п. 2.8.7 (см. рис. 22).

2.8.9. Подачу локомотива с платформами под погрузку грунта следует производить поочередно, по одному из двух соседних с котлованом станционных путей. По мере разработки котлована и удаления экскаватора от оси пути, на котором стоит локомотив с платформами и когда расстояние между экскаватором и платформой становится равным радиусу погрузки, локомотив с платформами необходимо переставить на станционный путь с другой стороны котлована.

2.8.10. В случае, если разработка котлованов при помощи экскаватора невозможна, рекомендуется применять многоковшовые котлованокопатели в комплексе с кранами, оборудованными грейферными ковшами или транспортерами. В этом случае грунт разрабатывают котлованокопателем с перекидкой грейфером или транспортером.

Котлован окончательно дорабатывают по глубине (при необходимости) краном МК-15 с грейферным ковшом емкостью 0,75 м3.

2.8.11. Предоставление «окон» для работы многоковшовых котлованокопателей, кранов МК-15 с грейферами и землевозных составов, а также их передвижение в пределах станции оформляется таким же порядком, как и при работе установочных поездов.

2.8.12. В законченных разработкой котлованах должны быть проверены размеры в плане, положение относительно оси пути, глубина и качество планировки дна. При этом положение в плане и глубина котлованов проверяется при помощи шаблонов и уровней с рейками. Готовность котлованов оформляется актом на скрытые работы.

2.8.13. Погрузку блоков рекомендуется производить так, чтобы более тяжелые блоки размещались со стороны платформы установочного поезда, находящейся ближе к крану.

Если все блоки невозможно разместить на платформе в положении, отвечающем грузоподъемности крана при данном его вылете стрелы, то следует производить подтягивание блоков под стрелу крана при помощи специальной лебедки, установленной на кране или платформе установочного поезда. При отсутствии специальной лебедки блоки могут быть подтянуты крюком крана при помощи троса, пропущенного через отводной блок, укрепленный на раме крана.

Установку блочных фундаментов большого веса, для уменьшения вылета стрелы при подъеме блока с платформы, в исключительных случаях можно осуществлять размещая платформу с блоками на соседнем пути.

2.8.14. Блочные фундаменты устанавливают в следующем порядке:

загружают установочный поезд на базе;

подают поезд к месту работ;

приводят стрелу крана в рабочее положение и стропуют блок;

поднимают блок поворотом стрелы и переводят его в положение над котлованом;

опускают блок в котлован и выправляют его положение в котловане в соответствии с проектом;

проверяют правильность установки блока в котловане и производят расстроповку.

2.8.15. При сооружении раздельных фундаментов, состоящих из двух блоков типа «Р», рекомендуется установить один блок, тщательно выверить правильность его положения согласно проекту и только после этого устанавливать второй блок.

Установка блоков с соблюдением их взаимного расположения, а также расстояние их от оси пути должны проверяться шаблонами.

2.8.16. Засыпку пазух котлованов грунтом рекомендуется производить с применением легких бульдозеров или экскаваторов Э-221, оборудованных бульдозерными ножами или грейферными ковшами. Засыпка должна производиться с обязательным послойным трамбованием грунта. Во избежание смещения блоков фундаментов типа «Р», до начала засыпки на анкерные болты необходимо надевать специальные шаблоны, фиксирующие положение болтов.

2.9. УСТАНОВКА СТАНЦИОННЫХ ОПОР ГИБКИХ ПОПЕРЕЧИН

2.9.1. Станционные опоры гибких поперечин (приложение 8) при наличии удовлетворительных подъездов по грунту, а также при условии, когда работе кранов не мешают линии связи, СЦБ, энергоснабжения и другие обустройства, устанавливают со стороны поля, а в остальных случаях - «с пути».

2.9.2. Установку станционных опор следует выполнять теми же механизмами, которыми устанавливают перегонные опоры. При этом необходимо, чтобы стрелы кранов МК-15, входящих в состав установочных поездов имели длину 18 м.

Такая длина стрелы позволяет подвешивать опору почти в вертикальном положении, чем в значительной степени облегчается установка ее на анкерные болты фундамента.

Для установки стальных опор «с поля» могут быть использованы тракторные краны КТС-5Э, ТКЭ-58 и автомобильные краны К-104 и К-151.

2.9.3. До установки опор должны быть выполнены следующие работы: проверено положение фундамента, засыпаны пазухи, выправлены анкерные болты и исправлена поврежденная резьба болтов.

2.9.4. Установочные поезда загружают опорами на комплектовочной базе. Последовательность погрузки опор по типам должна быть обратной их установке.

До погрузки опор следует проверить их соответствие требованиям «Технических условий производства и приемки строительных и монтажных работ при электрификации железных дорог» (устройства энергоснабжения) (ВСН 12-59) и СНиП III-Д.9-62.

2.9.5. Если прибывающие в вагонах с заводов опоры по типам совпадают с требующимися для установки, целесообразно в установочные поезда включать такие вагоны без перегрузки.

2.9.6. Станционные опоры устанавливают по заранее разработанному графику производства работ, согласованному c начальником станции.

В графике, обязательно должно быть указано, какие станционные пути предоставляются для работы установочных поездов, в какое время и на какую продолжительность.

2.9.7. Выход установочного поезда с комплектовочных баз или с другого места его стоянки к месту производства работ оформляется установленным порядком.

2.9.8. Установка станционных стальных опор производится следующим образом:

установочный поезд после загрузки его опорами и получения разрешения на выезд следует с комплектовочной базы или другого места его стоянки на станционный путь, предоставленный для работы;

у места работы поезд останавливают, кран МК-15 приводят в рабочее положение; после этого опору стропуют выше центра тяжести тросовой петлей и поднимают краном с платформ (сцепа) в вертикальное положение;

после проверки надежности строповки опору поворотом стрелы устанавливают над фундаментом и затем опускают на анкерные болты;

поставленную опору временно раскрепляют путем установки гаек на анкерные болты и расстроповывают, после чего установочный поезд переезжает к месту установки следующей опоры.

Окончательная выправка опоры с постоянным закреплением ее производится специальным звеном рабочих в составе четырех электромонтеров.

Основная работа по установке опоры выполняется бригадой в составе 11 чел. - машиниста крана, пяти электромонтеров, трех человек, входящих в поездную бригаду, и двух сигналистов.

2.10. СООРУЖЕНИЕ ЖЕЛЕЗОБЕТОННЫХ ОПОР С ЖЕСТКИМИ ПОПЕРЕЧИНАМИ НА СТАНЦИЯХ И ПЕРЕГОНАХ

2.10.1. Сооружение станционных опор для лучшего использования механизмов и рабочей силы следует поручать тем же строительным подразделениям (колоннам) и бригадам (с теми же комплектами механизмов), которые выполняют работы по сооружению консольных опор на перегонах.

2.10.2. На раздельном пункте (станции), где должны быть установлены опоры с жесткими поперечинами, необходимо иметь на период работ строительной организации подъездной путь или тупик с прилегающей площадкой для обеспечения стоянки механизмов установочного поезда и организации комплектовочной базы, для складирования необходимого запаса конструкций (железобетонных стоек опор, металлических жестких поперечин, опорных плит, фундаментов и др.).

В тех случаях, когда на данном раздельном пункте (станции) нет возможности выделить отдельный путь или тупик для указанных выше целей, комплектовочную базу располагают на ближайшем раздельном пункте (станции).

2.10.3. Сооружение станционных опор с жесткими металлическими поперечинами (приложение 9) производится в промежутках между движением поездов или в специальное время, отведенное для этой цели.

Для планомерной и четкой организации работ начальник строительного подразделения (колонны) составляет график работ комплекта механизмов, занятых на разработке котлованов (или погружении свайных фундаментов), а также установочных поездов по установке стоек опор и жестких металлических поперечин и согласовывает его с начальником станции.

В графике должно быть указано, для каких работ, какие станционные пути предоставляются с указанием времени и продолжительности занятия путей.

2.10.4. Транспортирование жестких металлических поперечин от пункта их изготовления до комплектовочной базы следует производить, как правило, отдельными блоками. Прибывшие блоки необходимо складировать на спланированной площадке на деревянных подкладках, с подбором одинаковых типов блоков по длине и по ширине.

2.10.5. Разработку котлованов под железобетонные станционные опоры (стойки) жестких поперечин следует производить в соответствии с указаниями, изложенными в главах 2.1, 2.3 и 2.4. При этом следует строго следить за тем, чтобы противоположные котлованы располагались в створе поперечины и на расстоянии один от другого, соответствующем проекту.

2.10.6. Установку стоек-опор в котлованы следует производить в день их разработки. Если по каким-либо причинам опоры в котлованы не были установлены, то котлованы должны быть закрыты щитами.

2.10.7. Сооружение свайных фундаментов под железобетонные опоры жестких поперечин следует осуществлять в соответствии с указаниями гл. 2.6 настоящих указаний.

При погружении фундамента необходимо строго следить, чтобы противоположные фундаменты были расположены в одном створе и на расстоянии, равном длине жесткой поперечины.

2.10.8. Железобетонные стойки под опоры с жесткими металлическими поперечинами следует устанавливать установочным поездом в период между «окнами», предусмотренными для работы установочного поезда на перегонах, или в специально выделяемое время для этих работ. При этом состав установочного поезда должен быть такой же, как и при установке консольных опор на перегонах.

2.10.9. В тех случаях, когда к месту установки стоек ведут удовлетворительные подъездные грунтовые дороги, а электросиловые линии и линии связи не мешают работе крана, установку железобетонных стоек опор жестких поперечин рекомендуется осуществлять со стороны поля.

2.10.10. Установка железобетонных стоек под жесткие поперечины осуществляется следующим образом:

на комплектовочной базе производится загрузка установочного поезда железобетонными стойками; при этом до погрузки необходимо проверить, удовлетворяют ли стойки требованиям технических условий (ВСН 12-59) и СНиП III-Д.9-62;

установочный поезд, получив разрешение, выходит с комплектовочной базы или другого места его стоянки на станционный путь, с которого производится установка стоек (опор);

при установке нераздельных стоек (без стаканного фундамента) предварительно в котлованы опускают опорные плиты. После укладки плит краном МК-15 устанавливают железобетонные стойки в котлованы, производят их вертикальную регулировку с выверкой положения относительно оси пути, засыпают котлованы грунтом на 1/3 глубины; стойки расстроповывают (не влезая на них); окончательная засыпка котлована производится бригадой в составе 2 чел. при обязательном послойном (через 20 см) трамбовании грунта;

раздельные опоры устанавливают непосредственно в стакан свайного фундамента, ранее погруженного в грунт. Установленную в стакан стойку временно раскрепляют деревянными клиньями. После раскрепления стойки ее расстроповывают, а установочный поезд переезжает к новому месту работы. Окончательное закрепление стойки омоноличиванием ее в стакане-фундаменте выполняется отдельной бригадой в составе 2 чел.

Цементный раствор для этой цели развозится на дрезине АГМ или, при наличии подъездов, автотранспортом.

2.10.11. Установка железобетонных стоек жестких поперечин должна производиться с соблюдением требований СНиП III-Д.9-62 и технических условий ВСН 12-59. Кроме того, необходимо:

сохранять отвесность осей стоек;

строго следить за створом и расстоянием в створе между противоположными стойками;

следить, чтобы стойки были установлены так, чтобы поперечные оси наголовников противоположных стоек находились бы строго в плоскости створа;

соблюдать габаритные размеры, предусмотренные проектом;

обеспечить, чтобы условные обрезы фундаментов стоек одной поперечины находились на одном уровне.

Отступление от указанных требований может вызвать значительные осложнения при установке жестких поперечин.

2.10.12. Подготовку жестких металлических поперечин к установке: сборку их из отдельных блоков необходимой длины согласно проекту, соединение блоков, окраску поперечин и сверление отверстий в уголках, приваренных к поясам крайних панелей для крепления поперечины к оголовкам и прикрепление металлических оголовков к поперечине - следует производить на комплектовочной базе. С одного конца поперечины на заводе сверлят отверстия овальные, а на противоположном конце - круглые. Диаметр отверстий должен соответствовать проекту. При сборке поперечины из отдельных блоков необходимо обращать особое внимание на правильность расположения раскосов и обеспечения строительного подъема.

2.10.13. Установка поперечин на стойки может выполняться одним из следующих способов:

вариант I - поперечину устанавливают непосредственно с установочного поезда с занятием одного станционного или главного пути (рис. 24);

вариант II - поперечину устанавливают с установочного поезда с занятием двух станционных путей (рис. 25) (на одном пути находятся платформы с поперечинами, а по соседнему пути передвигается кран МК-15);

вариант III - поперечину устанавливают с междупутья с занятием одного станционного пути (рис. 26).

Жесткие металлические поперечины длиной до 22 м на станциях или перегонах следует устанавливать на стойки краном МК-15 первым способом, который является более рациональным.

Поперечины длиннее 22 м могут устанавливаться только вторым или третьим способом. Однако более целесообразным является второй способ, так как при установке поперечины этим способом отпадает необходимость в разгрузке поперечины и расположении ее на междупутье.

2.10.14. Поперечины на железобетонные опоры следует устанавливать поездом, состоящим из тепловоза, двух четырехосных платформ (под стрелу крана), крана МК-15 со стрелой длиной 18 м, сцепа из двух четырехосных платформ (на который грузят поперечины) и крытого вагона для обслуживающей бригады, хранения приспособлений, запчастей и инструмента.

При погрузке на сцеп поперечин длиннее 24 м количество платформ соответственно увеличивается.

2.10.15. Установка поперечин осуществляется следующим образом.

Установочный поезд до выхода к месту производства работ загружают на комплектовочной базе жесткими поперечинами (на сцеп из четырехосных платформ загружают 10 поперечин).

После получения разрешения установочный поезд выезжает с комплектовочной базы или другого места стоянки на путь, с которого будет производиться работа.

Рис. 24. Установка жесткой поперечины краном МК-15 с занятием одного пути

Рис. 25. Установка жесткой поперечины краном МК-15 с занятием двух смежных путей

Рис. 26. Установка жесткой поперечины краном МК-15 с междупутья с занятием одного пути

При работе по первому способу (см. рис. 24) установочный поезд подходит к месту установки поперечины, останавливается, затем стрелу крана располагают над лежащими на сцепе поперечинами, стропуют нужную поперечину, поднимают краном на необходимую высоту с одновременным разворотом стрелы и устанавливают поперечину на стойки; после установки в проектное положение поперечину закрепляют к стойкам.

При работе по второму способу (см. рис. 25) перемещение крана рациональнее производить по среднему пути; установочный поезд, перемещая по пути, последовательно останавливают у мест установки поперечин; кран МК-15, находящийся на смежном пути, разворачивают и устанавливают стрелу над поперечинами; стропуют поперечины, поднимают и устанавливают их на стойки (опоры); после установки в проектное положение поперечину прикрепляют к стойкам.

При работе по третьему способу (см. рис. 26) после прибытия установочного поезда на станционный путь, предоставленный для работы, разгружают со сцепа поперечины на междупутье у мест установки. Каждую поперечину укладывают на деревянные подкладки с обязательным соблюдением габарита приближения строений. Количество разгруженных поперечин должно соответствовать числу устанавливаемых в данный день поперечин.

Не рекомендуется оставлять поперечины в междупутье на следующий день.

После разгрузки поперечин от установочного поезда отцепляют кран с локомотивом и производят установку поперечин на стойки.

Оставшуюся часть установочного поезда размещают на данном станционном пути вне зоны работы крана. После окончания установки поперечин кран с локомотивом сцепляют с оставшейся частью и установочный поезд возвращают на постоянное место стоянки - комплектовочную базу.

2.10.16. Поперечины (рис. 27) стропуют четырехветвевым стропом. С одного конца ветви объединяются петлей, которая надевается на крюк крана. Для ветвей стропа применяют трос диаметром 9 мм.

Места крепления стропа к поперечине зависят от типа поперечины (рис. 28).

2.10.17. Подъем рабочих на вершину стоек для закрепления поперечин осуществляется при помощи переносных алюминиевых лестниц.

2.10.18. Для облегчения разворота поперечины и установки ее на стойки к ее концам прикрепляют веревочные расчалки, при помощи которых рабочие с земли регулируют ее положение.

2.10.19. Установку жестких металлических поперечин на станциях следует производить в присутствии начальника станции или выделенного им представителя.

2.10.20. Во время установки жесткой поперечины на стойки, начиная с подъема до установки и закрепления ее на вершинах стоек, в зоне работ не разрешается передвижение поездов или других подвижных единиц.

Рис. 27. Деталь строповки жестких поперечин

2.10.21. Запрещается производить работы по установке жестких поперечин при ветре более четырех баллов, тумане, сильном снегопаде, метели и в темное время суток.

Рис. 28. Схемы строповки жестких поперечин

2.10.22. Бригада установочного поезда при установке жестких металлических поперечин состоит из 12 чел.: машиниста крана МК-15, шести электромонтеров, трех человек поездной бригады и двух сигналистов.

Для установки поперечин необходимы:

установочный поезд;

две лестницы (алюминиевые);

набор инструмента (ключи гаечные, молотки, кувалды и др.);

два комплекта стропов.

2.10.23. Установкой жестких металлических поперечин обязан руководить начальник колонны (производитель работ).

Раздел 3

ТЕХНОЛОГИЯ СООРУЖЕНИЯ ТЯГОВЫХ ПОДСТАНЦИЙ

3.1. ОБЩИЕ УКАЗАНИЯ

3.1.1. Тяговая подстанция состоит из следующего комплекса сооружений:

здания тяговой подстанции;

конструкций открытой части и контура заземления;

кабельных каналов;

подъездных путей;

наружных сетей водопровода, канализации и водоотводных устройств;

проезжих дорог и пешеходных дорожек;

ограждения территории подстанции.

3.1.2. Настоящие «Технические указания» разработаны применительно к строительству тяговой подстанции каркасно-панельной конструкции со свайным вариантом фундаментов для конструкций открытой части.

3.1.3. Сборные конструкции тяговой подстанции (железобетонные фундаменты, колонны, балки перекрытия, плиты покрытия, стеновые панели, панели для перегородок, столярные изделия, сваи-стойки; фундаменты типа ДС, опоры, блоки надземных каналов) должны быть изготовлены на заводах или стройдворах и доставлены на строительную площадку в сроки, установленные графиком производства работ и завоза конструкций.

3.1.4. Железобетонные и бетонные конструкции и детали, поступившие с завода и полигонов, должны иметь:

установленную прочность и тщательную внешнюю отделку лицевых поверхностей, ребер, углов, кромок и проемов, исключающую необходимость дальнейшей обработки или отделки на строительной площадке, кроме шпаклевки и окраски;

штамп ОТК завода, свидетельствующий о том, что конструкция принята, разрешена к отгрузке и в точности соответствует утвержденным техническим условиям;

паспорт, направляемый потребителю вместе с накладными.

3.1.5. Панели и другие конструкции на приобъектном складе для повышения производительности кранов и рабочих следует складировать в соответствии с технологической последовательностью монтажа. Порядок складирования должен предусматриваться проектом производства работ и строго соблюдаться при выгрузке конструкций. Условия хранения конструкций должны исключать возможность их повреждения.

3.1.6. Раскладку железобетонных конструкций на приобъектном складе необходимо делать с соблюдением следующих требований:

на территории строительства должны быть установлены указатели проездов и проходов;

железобетонные и бетонные конструкции необходимо размещать так, чтобы их заводская маркировка легко читалась со стороны прохода или проезда, а монтажные петли конструкций, уложенных в штабеля, были обращены кверху;

конструкции необходимо укладывать на деревянные подкладки по предварительно выровненному горизонтальному основанию; между рядами конструкций должны быть уложены деревянные прокладки (размер и сечение подкладок определяется проектом производства работ);

конструкции должны быть расположены в зоне действия кранов;

стеновые и перегородочные панели следует укладывать на ребро, с установкой в кондукторы или опиранием на рамки с упорами.

3.1.7. Выбор кранов для монтажа конструкций тяговой подстанции производится с учетом:

размера сооружения;

веса, расположения, габарита и степени укрупнения монтируемых элементов;

стесненности площадки, наличия траншей и железнодорожных путей;

объема и заданных темпов строительства, степени механизации работ и степени использования машин по грузоподъемности;

эксплуатационных параметров кранов: высоты подъема крюка, длины стрелы, радиуса ее действия, угла вращения крана, грузоподъемности и пр.

3.1.8. В наибольшей степени технологическим требованиям, определяемым условиями сооружения тяговых подстанций, удовлетворяют самоходные краны грузоподъемностью 3 и 5 т.

3.1.9. Для обеспечения равномерной загрузки и высокой производительности машин на строительстве тяговой подстанции необходимо:

иметь заранее разработанный график производства работ, в котором должна быть четко увязана работа механизмов по времени и видам работ;

заблаговременно устраивать и тщательно содержать подъезды к площадке и проезды по ней, особенно в условиях наличия на территории большого количества монтируемых и разгруженных конструкций, полотно дороги должно быть чистым, плотным и сухим, для чего оно профилируется бульдозером и укатывается катком;

при наличии разжижающегося грунта на строительной площадке проезды устраивать на слое дренирующего грунта;

в местах пересечения дорог с траншеями укладывать деревянные щиты из брусьев;

иметь на площадке передвижные ремонтные мастерские (на автомашине) с запасом деталей для производства мелкого ремонта на месте работы.

3.2. ПОРЯДОК РАЗВЕРТЫВАНИЯ СТРОИТЕЛЬСТВА

3.2.1. Строительство тяговой подстанции выполняется в 3 периода: подготовительный, основной и заключительный. Основной период подразделяется на работы нулевого цикла и работы надземного цикла.

3.2.2. В подготовительный период должны быть выполнены:

строительство подъездного железнодорожного пути к зданию тяговой подстанции и ввод его в действие;

устройство сети временного энергоснабжения и освещения;

планировка территории строительства с устройством водоотводов;

строительство постоянных и временных автомобильных дорог;

устройство наружного водопровода и канализации;

разгрузка и развозка конструкций по местам складирования;

устройство постоянного ограждения;

строительство растворобетонного узла, сарая и навеса;

подготовка помещений для жилья, конторы, гардероба, приема пищи и электростанции в оборудованных для этой цели вагонах, устанавливаемых на временном пути;

снос и перенос сооружений.

Сооружения, конструкции и материалы должны быть размещены в соответствии со стройгенпланом (рис. 29), разрабатываемым при составлении проектов производства работ.


Рис. 29. Стройгенплан работ подготовительного периода тяговой подстанции:

1 - контора; 2 - помещение для отдыха; 3 - передвижная электростанция; 4 - инвентарный растворо-бетонный узел 4´6 м; 5 - сарай; 6 - навес 10´7 м; 7 - навес 5´3 м; 8 - уборная; 9 - подъездной путь; 10 - постоянная дорога; 11 - временная дорога; 12 - здание подстанции; 13 - площадка для строительства жилого дома; 14 - площадка для инертных 20´6 м; 15 - площадка для свай и ригелей 6´4 м; 16 - площадка для опор 12´2 м; 17 - площадка для плит; 18 - площадка для размещения оборудования закрытой части; 19 - площадка для размещения оборудования ОРУ

Календарный график производства работ по строительству тяговой подстанции - рис. 30

Рис. 30 (продолж.)

Рис. 30. Календарный график производства работ по строительству тяговой подстанции


3.2.3. В основной период выполняются следующие работы (рис. 30).

I. Нулевой цикл:

сооружение (свай-стоек) под оборудование открытой части тяговой подстанции;

разработка котлованов под фундаменты здания и оборудования подстанции;

установка фундаментов и колонн;

засыпка котлованов, чистая планировка и укатка площади внутри здания, устройство бетонных полов;

устройство наружного контура заземления.

II. Надземный цикл:

установка опор, ригелей, металлоконструкций и других конструкций открытой части;

монтаж здания подстанции;

монтаж кабельных каналов;

устройство кровли;

санитарно-технические и электротехнические работы;

отделочные работы.

3.2.4. В заключительный период устраняются мелкие недоделки, а также производятся местная затирка и окраска поверхностей после производства электромонтажных работ.

3.2.5. Строительные работы основного периода и электромонтажные работы для сокращения сроков сооружения тяговых подстанций рекомендуется производить параллельными потоками. При этом сначала заканчиваются строительные работы на стороне высокого напряжения открытой части, после чего начинают монтаж электрооборудования. Затем по мере окончания сборки здания тяговой подстанции и строительных работ на стороне низкого напряжения бригада электромонтажников переходит на эти объекты.

3.3. ПРОИЗВОДСТВО РАБОТ ПОДГОТОВИТЕЛЬНОГО ПЕРИОДА

3.3.1. Земляные работы при сооружении подъездного пути, устройстве водоснабжения, канализации, водоотводных сооружений и общей планировке площади застройки должны выполняться механизированным способом.

Для выполнения земляных работ (копки котлованов, траншей, планировки территории, отсыпки насыпи и т.д.) рекомендуется следующий комплект машин:

Бульдозер Д-259А...................................................................................................... 1

Экскаватор Э-221 или Э-302.................................................................................... 1

Автосамосвалы........................................................................................................ 3 - 4

Скрепер с ковшом емкостью 6 м3............................................................................ 1

Бригада для выполнения земляных работ состоит из 14 чел.:

Бригадир..................................................................................................................... 1

Машинист бульдозера............................................................................................... 1

»          экскаватора............................................................................................ 1

»          скрепера.................................................................................................. 1

Шоферы...................................................................................................................... 4

Землекопы.................................................................................................................. 4

Плотники.................................................................................................................... 2

3.3.2. Укладку и балластировку пути рекомендуется производить с применением следующих машин и механизмов: крана МК-15 или КТС-5Э, электрифицированного инструмента, электростанции ЖЭС-9 и автомашины.

Строительство подъездного пути протяжением 0,7 км может быть выполнено бригадой из 18 чел. за 22 смены.

3.3.3. Разгрузка и развозка конструкций по местам складирования, а также подача конструкций и материалов для строительной части подстанции должны осуществляться, как правило, по своевременно законченному строительством железнодорожному подъездному пути.

3.3.4. Все детали конструкций открытой части, заборы, колонны с башмаками, панели стен здания тяговой подстанции и т.д. должны быть завезены на площадку, выгружены и разложены кранами по местам, предназначенным для складирования изделий; детали конструкции забора раскладывают по периметру строительной площадки.

Эти работы выполняются кранами (КТС-5Э, КТС-3Г, автопогрузчиком 4000-М), предназначенными для монтажа конструкций.

3.3.5. При поступлении на строительную площадку под выгрузку конструкций в период монтажа здания тяговой подстанции, последний рекомендуется производить с «колес». При невозможности осуществления такого метода работы конструкции выгружают краном и складируют по маркам вокруг здания подстанции.

3.3.6. Для хранения столярных изделий, мелких деталей сантехнического оборудования и материалов для кровельных, столярных, штукатурных и малярных работ используются навес и сараи.

3.3.7. Заполнители, применяемые для приготовления бетонной смеси и раствора, разгружают рядом с бетонным узлом. Инвентарный подвижной бетонный узел должен быть расположен поблизости к источнику водоснабжения. Приготовленная бетонная смесь и раствор может подвозиться к месту укладки автосамосвалом.

3.3.8. Технологическое оборудование должно, как правило, поступать по подъездному пути к началу его монтажа. Выгрузку оборудования рекомендуется производить краном, а развозку его на месте - автопогрузчиком 4000-М.

3.3.9. Постоянный забор рекомендуется сооружать следующим образом:

котлованы под стойки разрабатывать буровой машиной БКГМ;

железобетонные стойки в котлованы устанавливать автокраном КТС-3Г, проверяя точность установки шаблоном;

котлованы после установки стоек засыпать с тщательным трамбованием грунта;

промежутки между стойками заполняют железобетонными панелями ограждения при помощи крана КТС-3Г.

3.4. ПРОИЗВОДСТВО РАБОТ ОСНОВНОГО ПЕРИОДА

3.4.1. Строительные работы основного периода рекомендуется осуществлять следующим примерным комплектом механизмов и комплексной бригадой в составе 30 чел. (табл. 7).

Комплект механизмов для сооружения тяговой подстанции

Бульдозер на тракторе С-80 или С-100..................................................................... 1

Экскаватор Э-221 (Д-312) или Э-302, оборудованный обратной

лопатой емкостью 0,25 - 0,3 м3................................................................................. 1

Моторный каток Д-338А............................................................................................ 1

Автокраны грузоподъемностью 3 т (КТС-3Г или ЛАЗ-690)................................. 2

Скрепер с ковшом емкостью 6 м3............................................................................. 1

Гусеничный кран грузоподъемностью 5 т (КТС-5Э)............................................. 1

Железнодорожный кран МК-15 или КМ-16............................................................. 1

Электростанция ЖЭС-65 или ЭС-54........................................................................ 1

Трансформатор сварочный СТЭ-34.......................................................................... 1

Вибропогружатели ВП-2............................................................................................ 2

Металлический кондуктор......................................................................................... 1

Амортизатор................................................................................................................ 1

Бетономешалка............................................................................................................ 1

Автопогрузчик 4000-М с захватом или ковшом...................................................... 1

Малогабаритный автопогрузчик 4004 с подхватом................................................. 1

Битумоварка Д-124А................................................................................................... 1

Штукатурный агрегат ШМСМ или ТШМ-2............................................................. 1

Малярная передвижная станция................................................................................ 1

Автомашина ЗИЛ-130................................................................................................. 1

Автосамосвал ЗИЛ-585............................................................................................... 1

Бурильно-крановая машина БКГМ-1 или БТС-2..................................................... 1

Приспособление для образования скважин............................................................. 1

Котлованокопатель МКТС-2...................................................................................... 1

В зависимости от объема земляных работ при устройстве подъездного пути и планировки территории тяговой подстанции в комплект механизмов могут быть внесены изменения.

Таблица 7

Примерный состав комплексной бригады для выполнения строительных работ основного периода на тяговой подстанции

Профессия рабочих

Количество

Выполняемые работы

Бригадир

1

Руководство бригадой

Машинист крана КТС-5Э или ТКЭ-58

1

Вибропогружение свай-стоек, установка портальных и одиночных опор

Монтажники (такелажники)

3

Монтаж зданий тяговой подстанции, погрузочно-разгрузочные работы

Машинист крана КТС-3Г

1

Установка стоек и панелей ограждения, монтаж зданий тяговой подстанции, кабельных каналов

Монтажники

3

Электросварщики

2

Монтаж металлоконструкций на открытой части тяговой подстанции

Машинист МКТС-2

1

Образование котлованов под портальные и отдельно стоящие опоры

Машинист буровой машины БКГМ

1

Образование скважин для свай-стоек, установка столбов освещения и силовой линии

Машинист бетонного узла

1

Приготовление бетонной смеси и раствора

Землекопы

3

Устройство каналов, засыпка котлованов, чистая планировка

Машинист крана МК-15*

-

Монтаж отдельных конструкций здания

Бетонщики

2

Сооружение фундаментов под оборудование и полов в здании тяговой подстанции

Асфальтобетонщики

2

Плотники, столяры

4

Плотничные, столярные, штукатурные и малярные работы

Штукатуры

2

Маляр

1

Кровельщики

2

Жестянщик

1

Итого

31

 

* В состав бригады не входит.

А. Сооружение конструкций открытой части тяговой подстанции

3.4.2. На открытой части тяговой подстанции сооружаются: опоры под оборудование, состоящие из рамно-ригельных конструкций и свай-стоек с прикрепленными к ним ригелями или без ригелей;

порталы (и отдельно стоящие опоры) - из типовых железобетонных консольных опор контактной сети, устанавливаемых на фундаменты типа «ДС»;

наземные кабельные каналы из отдельных железобетонных коробов;

фундаменты под понизительные трансформаторы и т.д.

3.4.3. Опоры под оборудование, состоящие из свай-стоек, рекомендуется сооружать методом вибропогружения с применением буровой машины БКГМ, крана КТС-5Э, вибропогружателя ВП-2, металлического кондуктора, наголовника, трубы для образования скважин и амортизатора.

Энергию для питания вибропогружателя, а также других машин, используемых при строительстве (при отсутствии возможностей получения энергии от существующих сетей), получают от электростанции мощностью 50 - 60 квт.

Работы по вибропогружению, а именно - установка металлического кондуктора, погружение трубы и свай-стоек в грунт, перестановка кондуктора на новое место, выполняются бригадой из 4 чел.: машиниста крана КТС-5Э и трех монтажников (такелажников).

3.4.4. Погружение свай-стоек необходимо выполнять в следующем порядке.

На площадку предварительно завозят до 50 % свай-стоек, которые разгружают в заранее намеченных местах (с учетом зоны действия и беспрепятственного прохода крана). Стойки следует раскладывать так, чтобы оси имеющихся в них отверстий располагались параллельно поверхности строительной площадки. Соблюдение этого условия позволит в последующем надевать наголовник на сваи-стойки без их раскантовки.

Места погружения свай-стоек определяют с помощью теодолита и закрепляют колышками.

С помощью буровой машины или полой трубы образовывают скважины, необходимые для повышения точности и сокращения времени погружения свай, предохранения их от трещин и сколов, определения, нет ли в грунте валунов и других включений, а также повышения производительности вибропогружателя.

Рис. 31. Кондуктор для погружения свай-стоек открытой части тяговой подстанции

Буровой машиной БКГМ бурят скважины диаметром 20 см и глубиной 2 м, а для свай, погружаемых на глубину более 2 м, скважины образовывают путем вибропогружения в грунт полой трубы длиной 5 м.

В стенках трубы вырезают окна шириной 0,2 длины окружности, длиной до 1,5 м, для того, чтобы облегчить извлечение грунта из трубы; окна располагают друг против друга, а по длине трубы - в шахматном порядке.

Рис. 32. Наголовник

Трубу с грунтом извлекают с помощью крана КТС-5Э. Отрыв трубы от грунта производят с помощью вибропогружателя, подвешиваемого к стреле крана.

В образованные отверстия погружают сваи-стойки.

Для сооружения свай-стоек рекомендуется применять металлический кондуктор для обеспечения отвесности свай-стоек и сохранения створа при их погружении, вибропогружатель ВП-2 и наголовник. Один из видов металлического кондуктора показан на рис. 31.

3.4.5. Вибропогружатель ВП-2 по весу и характеристике удовлетворяет условиям погружения в грунт железобетонных свай-стоек сечением 20´20 см.

Рекомендуется применять наголовник (рис. 32), скрепленный болтами с вибропогружателем, позволяющий шарнирно соединить сваю с вибропогружателем, когда он находится в нижнем положении, и жестко скреплять их между собой после подъема сваи.

Вибропогружатель ВП-2 с наголовником поднимают стрелой крана КТС-5Э и заводят в металлический кондуктор.

3.4.6. Для ограничения степени влияния вибрации на стрелу крана вибропогружатель рекомендуется подвешивать непосредственно к амортизатору (рис. 33), а последний - к крюку стрелы крана.

Рис. 33. Подъем краном КТС-5Э сваи-стойки с вибропогружателем ВП-2

3.4.7. Вибропогружение свай-стоек (после того, как образованы скважины и установлен кондуктор) производят в следующем порядке:

устанавливают кран с вибропогружателем на место погружения;

подтаскивают сваю-стойку и соединяют ее с наголовником вибропогружателя;

поднимают вибропогружатель с наголовником вместе со сваей-стойкой (см. рис. 33);

закрепляют сваю-стойку в наголовнике;

заводят сваю-стойку в кондуктор;

погружают сваю-стойку до проектной глубины;

снимают наголовник и вибропогружатель с головы сваи-стойки.

Установка крана у места погружения свай должна быть произведена так, чтобы с одной стоянки или при минимальном количестве передвижек можно было бы погрузить наибольшее количество свай-стоек.

Наголовник вибропогружателя со сваей-стойкой соединяют в следующем порядке: вибропогружатель с наголовником переносят краном к подготовленной к установке свае-стойке (лежащей в горизонтальном положении); затем вибропогружатель опускают на голову сваи так, чтобы отверстия в щеках наголовника совпали с имеющимся отверстием в голове сваи. Затем шкворень наголовника вводят в отверстие сваи. Перед подъемом вибропогружателя тарелку прижимного устройства наголовника отводят в крайнее верхнее положение. После этого приступают к подъему вибропогружателя вместе со сваей-стойкой. При подъеме свая-стойка, вращаясь вокруг оси шкворня, принимает отвесное положение, после чего подъем прекращают.

До установки сваи-стойки в кондуктор качанием двухстороннего трещоточного ключа, производимого при помощи двух веревок, закрепленных на его концах, приводят во вращение червяк, прижимающий подвижную тарелку наголовника к торцу сваи, чем обеспечивают их жесткое соединение. После этого сваю-стойку устанавливают в кондуктор на место, проверяют правильность ее положения и приступают к погружению ее в грунт.

Для контроля за глубиной погружения на сваях-стойках заранее наносят краской риски, а в процессе погружения производят инструментальную проверку положения верха свай.

После погружения извлекают шкворень из отверстия головы свай и щек наголовника, применяя приставную деревянную лестницу.

3.4.8. Для вибропогружения свай-стоек необходимо составить план погружения с указанием стоянок кранов и направления их перемещения, а также мест расположения конструкций. Чтобы не загораживать проезды кранам, погружение следует производить «на себя».

3.4.9. Производительность комплекта механизмов, погружающего сваи-стойки, зависит от грунтовых условий, сечения свай-стоек, глубины их погружения и технологии производства работ.

3.4.10. Для сооружения портальных и отдельностоящих опор рекомендуется применять следующие машины:

для образования котлованов под фундаменты типа «ДС» - машину МКТС-2;

для установки фундаментов типа «ДС» в котлованы, а также железобетонных опор на фундаменты - краны КТС-5Э.

3.4.11. Монтаж кабельных каналов производит звено монтажников из 3 чел. с использованием автопогрузчика 4000-М. Для проезда машин через кабельные каналы необходимо оставлять разрывы или устраивать переезды.

3.4.12. Ригели и металлоконструкции монтирует звено монтажников из 3 чел. с использованием крана КТС-5Э.

Монтируемые элементы сваривают 2 сварщика, один из которых наживляет конструкции, а второй - сваривает элементы после расстроповки установленной конструкции.

3.4.13. Конструкции открытой части подстанции следует монтировать в порядке, предусмотренном проектом производства работ.

Б. Строительство здания тяговой подстанции

3.4.14. Монтаж конструкций может производиться с подачей их с приобъектного склада или непосредственно с транспортных средств.

3.4.15. Для сокращения сроков строительства здания целесообразно совмещать монтаж конструкций с производством работ по устройству каналов и бетонных полов внутри здания.

В этом случае весь монтаж ведется по наружному контуру.

3.4.16. Монтаж конструкций здания тяговой подстанции (кроме балок покрытия) рекомендуется осуществлять кранами КТС-5Э и КТС-3Г.

Монтаж балок перекрытия рекомендуется производить краном К-151, К-104 или МК-15 с предварительно уложенного подъездного пути вдоль здания тяговой подстанции.

3.4.17. Для обеспечения высокого качества работ необходимо постоянно проводить инструментальную проверку положения конструкций в плане и в вертикальной плоскости, а также их установку строго по отметкам согласно рабочим чертежам.

3.4.18. Строительство здания тяговой подстанции выполняется с соблюдением следующих указаний по технологии и порядку производства работ.

В образованные и выверенные по отметкам котлованы краном КТС-3Г укладывают железобетонные фундаменты-башмаки. Затем этим же краном устанавливают в башмаки колонны, проверяя их положение и отметки, после чего колонны раскрепляют клиньями и омоноличивают цементным раствором.

К установленным колоннам крепят стеновые панели, причем вначале устанавливают панели, образующие устойчивые соединения - углы и пересечения стен - и являющиеся маяками для последующего монтажа, а затем - остальные панели.

После установки цокольных и первого ряда стеновых панелей на колонны устанавливают балки перекрытия и закрепляют их, чем обеспечивают поперечную жесткость каркаса.

Одновременно с установкой балок продолжают работы по монтажу стеновых панелей, заполнение дверных и оконных проемов.

По установленным и закрепленным балкам укладывают плиты покрытия.

Рулонную кровлю устраивают с применением установки для варки битума и штукатурного агрегата для нанесения цементной стяжки.

Отделочные работы выполняют с применением штукатурного и малярного агрегатов, руководствуясь альбомами технологических схем, разработанными НИИОМТП в 1959 - 1960 гг.

Раздел 4

ТЕХНОЛОГИЯ МОНТАЖА КОНТАКТНОЙ ПОДВЕСКИ

4.1. ОБЩИЕ УКАЗАНИЯ

4.1.1. Работы по монтажу контактной сети разрешается производить только на участках, принятых под монтаж.

4.1.2. Наряду с настоящими указаниями при организации и производстве монтажных работ необходимо руководствоваться: главой СНиП III-Д.9-62, «Правилами технической эксплуатации железных дорог Союза ССР», «Техническими условиями производства и приемки строительных и монтажных работ при электрификации железных дорог (устройства энергоснабжения)» (ВСН 12-59), «Инструкцией по сигнализации на железных дорогах Союза ССР», «Инструкцией по обеспечению безопасности движения поездов при производстве путевых работ», существующими инструкциями и правилами по технике безопасности.

4.1.3. Все монтажные и предохранительные приспособления (раскаточные платформы, подъемные и съемные вышки, лебедки, пояса, полиспасты и др.) должны быть испытаны в соответствии с действующими нормами, пронумерованы и зарегистрированы в книге испытания монтажных приспособлений, хранящейся в местах, к которым приписаны механизмы и приспособления (у производителя работ, в главных мастерских поезда и др.).

На монтажных и предохранительных приспособлениях, помимо номера, должна быть отметка о сроках их испытания.

Протоколы испытания на монтажные, предохранительные и натяжные приспособления должны храниться в течение срока годности и находиться в монтажном поезде или на прорабском пункте.

Категорически запрещается пользоваться монтажными и предохранительными приспособлениями с просроченным временем очередного испытания.

4.1.4. Монтаж контактной подвески рекомендуется выполнять комплексными бригадами.

Состав комплексной бригады:

Электромонтер 5 разр.............................................................................. 1

Электромонтеры 4 разр......................................................................... 1 - 2

»                3   »............................................................................... 2

»                2   »............................................................................ 1 – 2

Сигналисты................................................................................................ 2

Итого.................. 7 - 9 чел.

В отдельных случаях (с учетом профиля пути и сложности выполняемых работ) состав бригады может быть изменен производителем работ.

4.1.5. Монтаж контактной сети рекомендуется выполнять таким образом, чтобы обеспечить минимальные затраты времени на переходы. Так, например, следует одновременно (без переходов) осуществлять монтаж кронштейнов линии ДПР (или ЛЭП-10 кв), переброску через опору предварительно раскатанных проводов линий ДПР, ЛЭП-10 кв, усиливающих и других проводов, монтируемых с полевой стороны, монтаж консолей и фиксаторных кронштейнов (кроме случаев монтажа подвески методом «понизу»), завеску изоляторов, монтаж заземления и т.п.

4.1.6. В состав работ по монтажу контактной сети входят:

армирование опор (монтаж консолей, кронштейнов);

армирование жестких поперечин;

армирование и монтаж гибких поперечин;

раскатка и монтаж проводов контактной сети на перегоне;

регулировка контактной подвески и монтаж сопряжений анкерных участков;

раскатка и монтаж проводов контактной сети на станциях;

регулировка контактной подвески на станции;

монтаж устройств секционирования и воздушных стрелок;

монтаж питающих, отсасывающих и усиливающих проводов, проводов ДПР и воздушных линий электропередачи на опорах контактной сети;

монтаж заземлений, разрядников и разъединителей;

монтаж подвески в искусственных сооружениях.

4.2. МОНТАЖ КОНСОЛЕЙ

4.2.1. Монтировать консоли на опоры рекомендуется с помощью полиспастов, переносных лебедок или машины МШТС.

При подъеме консолей легкого и среднего типа используются полиспасты грузоподъемностью 500 кг. Консоли тяжелого типа рекомендуется поднимать ручной лебедкой, полиспастом грузоподъемностью 2000 кг или краном.

Поворотные консоли следует монтировать с расположением их вдоль пути.

4.2.2. Консоли необходимо комплектовать на базе электромонтажного поезда или на прорабских пунктах. Для сборки консолей должна быть выделена специальная площадка, на которой оборудуют стеллажи.

4.2.3. Изолированные трубчатые консоли отгружают с завода укомплектованными.

4.2.4. При сборке швеллерных изолированных консолей выполняются следующие работы:

армирование кронштейна консоли ушком крепления фиксатора, при этом гайки на болте ушка окончательно не закрепляют, так как после установки консолей может появиться необходимость смещения этой детали;

крепление на кронштейне серьги с пестиком, армированной седлом (для консолей с растянутой тягой), или треугольника с серьгой и седлом (для консолей со сжатой тягой); в тех случаях, когда подъем несущего троса в седло намечено производить полиспастом, закрепленным на опоре, необходимо между кронштейном швеллерной консоли с растянутой тягой и серьгой с пестиком установить деталь Армсети СК-8;

сборка тяг.

Растянутые тяги комплектуют регулировочными планками, а сжатые - регулировочными трубами.

Растянутые тяги присоединяют к кронштейнам заклепкой и подвязывают проволокой. Сжатые тяги закреплять к кронштейну нецелесообразно, так как в этом случае затрудняется транспортировка консолей.

4.2.5. Армирование кронштейнов изолированных консолей изоляторами, как правило, должно производиться на месте работы.

В тех случаях, когда установку консолей намечено производить с помощью машины с шарнирной стрелой, размещенной на железнодорожной платформе, армирование изоляторами сжатых тяг и кронштейнов консолей следует выполнять на прорабском пункте.

4.2.6. Консоли с тягами и детали армировки развозят по перегону автомобильным или железнодорожным транспортом и раскладывают на обочину земляного полотна рядом с соответствующей опорой.

4.2.7. При монтаже консолей с помощью машины с шарнирной стрелой погружаемые на платформу кронштейны и тяги изолированных консолей следует укладывать на специальные стеллажи так, чтобы изоляторы не соприкасались друг с другом и не могли разбиться при транспортировке.

Кронштейны и тяги должны быть размещены на платформе в последовательности, соответствующей намечаемой выгрузке консолей на перегоне (станции).

4.2.8. При транспортировке, погрузке, выгрузке и монтаже нельзя допускать ударов по изоляторам и деталям, непосредственно с ними связанным. Запрещается сбрасывать изоляторы и производить выгрузку материалов до полной остановки локомотива.

4.2.9. Для подъема на железобетонные опоры используются специальные легкие переносные лестницы или другие приспособления.

4.2.10. Во всех сварных конструкциях консолей до их установки необходимо проверить внешним осмотром качество сварных швов.

Закладные детали крепления консоли на опоре окрашивают и закрепляют на заводе.

4.2.11. Армирование консолей бугелями и изоляторами следует, как правило, производить на земле, до их установки. Гирлянды из четырех изоляторов (для консолей с подвесными изоляторами) рекомендуется подвешивать после установки консолей.

4.2.12. Однопутные консоли устанавливают полиспастом (рис. 34) в следующем порядке: один блок полиспаста закрепляют через струбцину за верх опоры, другой блок - через струбцину за консоль и затем поднимают консоль хоботом вниз до пяты; после закрепления консоли в пяте, установки ее в проектное положение и закрепления тяги блоки снимают. При подъеме консолей в целях обеспечения безопасности работающих ведущую веревку полиспаста следует натягивать в сторону поля. Если местные условия этого не позволяют, веревку натягивают вдоль пути, но рабочие при этом должны находиться на обочине.

4.2.13. Установку двухпутных консолей, как правило, следует производить краном и в виде исключения полиспастом или лебедкой.

Установка двухпутных консолей полиспастами или лебедкой производятся в следующем порядке:

консоль с закрепленными на ней тягами укладывают у опоры;

устанавливают уголки крепления и пяту консоли;

закрепляют струбцину за верх опоры;

за струбцину закрепляют крюк полиспаста с разведенными блоками или же ролик с заправленным тросом лебедки;

закрепляют струбцину за поперечную планку в середине консоли;

крюк троса лебедки или подвижного блока полиспаста закрепляют за струбцину, установленную на консоли, и пропускают трос полиспаста через проволочное кольцо пяты консоли;

поднимают консоль пятой вверх и закрепляют ее на опоре;

поднимают консоль до горизонтального положения, поворачивая ее вокруг шарнира пяты;

закрепляют тяги консоли на опоре.

Если отверстия стрелы консоли и шарнира не совпадают, то консоль заносят на ближний к опоре (закрытый для движения поездов) путь.

Рис. 34. Схема подъема однопутной консоли:

1 - закладная деталь пяты консоли; 2 - закладная деталь тяги консоли; 3 - струбцина; 4 - полиспаст; 5 - консоль; 6 - веревка; 7 - временная вязка из проволоки

Подъем двухпутных консолей следует осуществлять вдоль пути с поворотом в проектное положение после закрепления тяг.

Во время подъема двухпутной консоли последняя должна расчаливаться по горизонтали «удочками» (расчалками).

Перед подъемкой консолей место работ ограждается сигналистами с двух сторон по обоим путям и бригадиром или мастером делается заявка на выдачу предупреждений об особой бдительности машинистов и подачи оповестительных сигналов при приближении поездов к месту работ.

4.2.14. Монтаж изолированных консолей с помощью полиспаста (рис. 35) выполняют в следующем порядке:

производят осмотр изоляторов, проверяют надежность закрепления деталей всех узлов кронштейна и тяги консоли (осмотр должен выполняться бригадиром);

армируют консоли изоляторами и переходными деталями на переносных козлах. Козлы должны устанавливаться на обочине пути, не ближе 2 м от крайнего рельса, при этом электромонтеры, армирующие консоль, должны находиться по отношению к козлам со стороны поля;

консольный изолятор располагается так, чтобы отверстие для удаления влаги находилось снизу. При таком положении изолятора (относительно кронштейна консоли) нарезная часть полухомутов должна находиться сверху, причем гайки должны быть расположены в одной (горизонтальной) плоскости;

закрепление хомутов консольного изолятора нужно выполнять осторожно, без ударов; затяжку гаек хомута следует производить равномерно;

устанавливают требуемую длину тяги при помощи регулировочной планки или трубы;

при закреплении на тяге регулировочной планки или трубы (рис. 36) следует руководствоваться данными табл. 8; тяги швеллерных изолированных консолей присоединяют к кронштейну и подвязывают к нему проволокой;

изолятор растянутой тяги поднимают с помощью «удочки» и закрепляют его на закладной детали;

поднимаются на опору, пользуясь дюралюминиевой лестницей, закрепляют вокруг опоры струбцину (см. рис. 35, а), располагая ее поверх закладных деталей крепления тяги; поднимают полиспаст грузоподъемностью 0,5 т и крюк неподвижного блока закрепляют за струбцину;

между швеллерами кронштейна консоли на расстоянии 1 м от изолятора за приваренные накладки закрепляют струбцину, к которой крепят крюк полиспаста, затем поднимают кронштейн консоли и присоединяют его к пяте.

Рис. 35. Схема установки изолированной консоли с помощью полиспаста:

а - начало подъема; б - подъем консоли; 1 - опора; 2 - консоль; 3 - тяга; 4 - закладная деталь пяты консоли; 5 - полиспаст; 6 - струбцина; 7 - веревка-удочка; 8 - временная вязка из проволоки

Для крепления полиспаста к трубчатым консолям следует применять специальный захват или струбцину.

Во время подъема консоли ее удерживают от раскачивания веревкой, пропущенной через отверстие в седле, предназначенное для сборки седел в гирлянду.

Рис. 36. Схема смонтированной на опоре изолированной консоли:

1 - подкос; 2 - тяга; 3 - регулировочная скоба (труба); 4 - закладная деталь тяги; 5 - закладная деталь пяты

Длина веревки должна быть равной двойному расстоянию от головки рельсов до конца консоли, находящейся в проектном положении. При подъеме консоли веревку удерживают за оба конца, временно связав их между собой.

Таблица 8

Ведомость разметки отверстий для регулировки тяги изолированных консолей

Типы консолей

И (ИТ)-II

И (ИТ)-III

И (ИТ)-V

И (ИТ)-VI

Г

отв.

Г

отв.

Г

отв.

Г

отв.

3

1

3,6

3

4,7

4

5,3

5

3,1

2

3,8

5

4,9

6

5,4

6

3,2

4

4

8

5,1

8

5,5

7

3,3

5

-

-

-

-

-

-

3,4

7

-

-

-

-

-

-

3,5

9

-

-

-

-

-

-

Примечания. 1. При установке заклепки в отверстие регулировочной трубы (скобы) в соответствии с данной таблицей устанавливается конструктивная высота подвески «к» в пределах  при условии установки опор по высоте с допуском ± 100 мм.

2. Таблица составлена для опор высотой 9,3 и 10 м. Размеры в скобках на рис. 36 соответствуют опорам высотой 10 м.

3. Консоли III и VI типов применяются только на переходных опорах сопряжений анкерных участков с секционированием.

Не меняя места крепления полиспаста к кронштейну, поднимают консоль до проектного положения, оттягивая конец консоли веревкой, консоль и ведущая ветвь полиспаста при этом должны быть расположены с противоположной стороны опоры по отношению к электромонтеру, находящемуся на лестнице (см. рис. 35, б).

Полиспаст при закреплении к кронштейну консоли располагают со стороны электромонтера, находящегося на лестнице;

закрепляют регулировочную планку с растянутой тягой к изолятору или изолятор с тягой к закладным деталям сжатой тяги, ослабляют натяжение троса полиспаста и, убедившись в правильности установки консоли относительно оси пути, снимают полиспаст со струбцинами с опоры и консоли. Установку консоли по отношению к оси пути производят отвесом, в качестве которого используется веревка с грузом;

убедившись, что консоль установлена правильно, веревкой ее разворачивают и подводят к электромонтеру, находящемуся на лестнице, на расстояние, при котором он сможет легко снять полиспаст и струбцину с кронштейна консоли;

опустив полиспаст на землю, электромонтер опускается по лестнице с опоры; после этого лестницу снимают с опоры, устанавливают консоль веревкой вдоль пути в крайнее положение, концы веревки развязывают и, потянув за один из них, снимают веревку с консоли, после чего переходят к следующей опоре.

4.2.15. Монтаж консолей с помощью машины МШТС-2 с шарнирной стрелой, смонтированной на платформе и перемещаемой тепловозом или мотовозом, производят на перегоне в «окно», а на станции - с закрытием пути. При выполнении этих работ возможно нарушение габарита подвижного состава для соседнего пути, поэтому необходимо заранее, в установленном порядке, оформить заявку на выдачу предупреждения машинистам поездов.

Работой машины МШТС-2 должен руководить мастер или бригадир. В состав бригады должен быть включен оператор-электромонтер, имеющий право управления стрелой машины.

4.2.16. Установку консолей с помощью машины МШТС-2 производят в следующем порядке:

монтажный поезд останавливают вблизи опоры на расстоянии, обеспечивающем работу шарнирной стрелы;

корзину стрелы подводят к платформе с консолями, укладывают кронштейн консоли на ролики, закрепленные на корзинах стрелы, закрепляют его с помощью специальной цепи и одновременно удерживают руками, загружают тягу, пяту и другие детали консоли, после чего электромонтеры влезают в корзины (после загрузки деталей и захода электромонтеров в корзины управление стрелой осуществляется электромонтером-оператором непосредственно из корзины);

поднимают стрелу на уровень закрепления тяги и присоединяют последнюю к закладной детали, расположенной на опоре;

опускают стрелу так, чтобы корзины располагались у места установки пяты консоли;

присоединяют кронштейн консоли к пяте;

освобождают кронштейн консоли от временного крепления и начинают поднимать стрелу вверх, смещая ее одновременно от опоры в сторону оси пути; кронштейн при этом скользит по роликам; один из электромонтеров удерживает в руках тягу консоли, поднимая ее одновременно с перемещением стрелы;

после подъема стрелы на нужную высоту и установки корзины примерно над осью пути производят крепление тяги к кронштейну. Правильность установки консоли по высоте и в плане определяется с помощью отвеса, замер рекомендуется производить относительно пола платформы, причем отвес должен иметь строго определенную длину нити;

опускают шарнирную стрелу, перемещают корзину к платформе с консолями и загружают очередную консоль;

монтажный поезд перемещается к следующей опоре со скоростью 5 - 10 км/ч.

При наличии подъезда к опорам со стороны поля консоли рекомендуется устанавливать с помощью машины МШТС-2А или МШТС-2Т со стороны поля.

4.2.17. При монтаже изолированных консолей на переходных опорах обеспечивают такое положение кронштейнов консолей и точек подвеса несущего троса, при котором исключается соприкосновение несущих тросов смежных анкерных участков между собой и с кронштейнами консолей. Это достигается изменением в нужных пределах длины тяг и наклоном кронштейнов.

В случае необходимости следует перемещать точку крепления тяги по кронштейну консоли. После раскатки несущего троса на сопряжениях анкерных участков и на воздушных стрелках следует проверить с дрезины ДМ взаимное расположение несущих тросов обоих анкерных участков и при необходимости следует произвести регулировку наклона консоли.

4.2.18. Чтобы избежать раскачивания консолей от ветра и возможных ударов консольных изоляторов о траверсы, консоли после их установки на переходных опорах следует развернуть вдоль пути в разные стороны от опоры и подвязать к опоре стальной проволокой диаметром 3 - 4 мм.

4.3. АРМИРОВАНИЕ ЖЕСТКИХ ПОПЕРЕЧИН

4.3.1. Армирование жесткой поперечины производится с вышки дрезины ДМ или с поперечины с использованием для подъема на нее лестницы.

4.3.2. Устанавливается следующий порядок работ:

на земле производят сборку гирлянд изоляторов с узлом крепления несущего троса;

поднимают и монтируют крепительные уголки в узлах жесткой поперечины для каждого электрифицируемого пути;

поднимают и закрепляют в точках подвеса гирлянды изоляторов;

подвешивают траверсы через переходные планки;

поднимают и закрепляют фиксаторные стойки; подъем деталей и изоляторов для армировки поперечины осуществляют «удочкой» через ролик;

подъем армированной стойки производится «удочкой» через ролик или полиспастом грузоподъемностью 500 кг;

тягу треугольного подвеса изгибают по месту.

4.3.3. Изолированные консоли, монтируемые на жесткой поперечине, собирают внизу, сочленяют со стойками, в собранном виде полиспастом грузоподъемностью 500 кг поднимают и закрепляют на жесткой поперечине.

Разрешается производить монтаж изолированной консоли по частям. При этом сначала поднимают и закрепляют консольную стойку, а после этого поднимают консоль и монтируют ее на стойке.

4.3.4. Для монтажа консолей и армирования жестких поперечин рекомендуется применять следующие инструменты и приспособления:

Полиспаст грузоподъемностью 500 или 2000 кг................................... 1

Ключи гаечные 22´24, 24´27.................................................................. 2

Ключ раздвижной № 4............................................................................. 1

Веревки-удочки......................................................................................... 2

Пассатижи................................................................................................. 2

4.4. МОНТАЖ И АРМИРОВАНИЕ ГИБКИХ ПОПЕРЕЧИН

4.4.1. Для монтажа и армирования гибких поперечин необходимы следующие инструменты и приспособления:

Полиспаст грузоподъемностью 500 кг................................................... 1

Крюковые зажимы.................................................................................... 2

Молоток слесарный.................................................................................. 1

Ключи разводные № 5.............................................................................. 2

Веревка («удочка»)................................................................................ 20 м

Ключи гаечные 19´22............................................................................... 2

То же 19´24............................................................................................... 2

Ключ газовый № 2.................................................................................... 1

Кусачки...................................................................................................... 1

4.4.2. До начала основных работ по армированию гибких поперечин следует к каждой паре опор доставить в необходимом количестве материалы и детали контактной сети (трос, анкеровочные штанги, изоляторы и др.).

4.4.3. Тросы гибких поперечин заготавливают на обочине ближайшего к опорам пути с доставленного на место барабана. Тросы, заготовленные заранее, сматывают в бухты, вешают на них бирки с указанием номеров опор и доставляют на место монтажа.

Необходимую длину поперечно-несущего троса определяют по табл. 9 или по формуле:

,

где     l - расстояние между передними гранями опор на уровне крепления поперечно-несущих тросов, м (при определении l учитывается сбег опор и отклонение их от вертикали в полевую сторону);

          f - стрела провеса ненагруженного несущего троса, м.

При расчете по этой формуле приближенно принимают: для опор высотой 15 м стрелу провеса, равную 5 м, а для опор высотой 20 м - 10 м.

Таблица 9

Длины поперечных несущих тросов

Количество перекрываемых путей

Расстояние между опорами, м

Длина троса, м

Для опор высотой 15 м

3

17,6

20,7

4

22,9

25,4

5

28,2

30,1

6

33,5

35,4

7

38,9

40,3

8

44,3

45,5

9

49,6

50,7

10

54,9

56,0

11

60,2

61,1

Для опор высотой 20 м

10

55,1

59,2

11

60,4

64,2

12

65,7

69,2

13

71,0

74,2

14

76,3

79,2

15

81,6

84,4

Примечание. При расстояниях между опорами, отличающихся от приведенных в таблице, длину поперечного несущего троса определяют путем интерполяции.

Длина фиксирующих тросов определяется непосредственным промером расстояния между опорами.

4.4.4. Монтаж и армирование гибких поперечин производят в следующем порядке:

подвешивают верхний фиксирующий трос;

подвешивают поперечно-несущие тросы;

армируют тросы деталями (завеска точек);

подвешивают нижний фиксирующий трос (после раскатки продольных несущих тросов, а для гибких поперечин, перекрывающих более десяти путей, - после раскатки несущих тросов и контактных проводов);

регулируют гибкую поперечину (после подвески контактного провода).

4.4.5. Верхний фиксирующий трос подвешивают в следующем порядке:

армируют анкеровочные штанги изоляторами;

на одном конце верхнего фиксирующего троса заделывают клиновой зажим и крепят к тросу анкеровочную штангу с изоляторами;

подвешивают один конец троса на опору через анкеровочную штангу;

с помощью крюкового зажима поднимают второй конец троса на опору и уточняют необходимую длину троса;

после этого конец троса опускают вниз, обрезают и заделывают в клиновой зажим;

с помощью полиспаста конец троса поднимают на опору, вытягивают и крепят с изоляторами к опоре через предварительно подвешенную анкеровочную штангу.

4.4.6. Порядок подвески поперечно-несущих тросов рекомендуется следующий:

производят армировку опор анкеровочными штангами с изоляторами;

на конце поперечно-несущего троса заделывают клиновой зажим или коуш;

подвешивают один конец всех поперечно-несущих тросов на опору через анкеровочную штангу с помощью полиспаста;

трос перетаскивают через пути, к его концу прикрепляют крюковой зажим, с помощью полиспаста конец троса поднимают на опору и задают стрелу провеса необходимой величины.

Наибольшая стрела провеса поперечно-несущего троса должна быть не менее 1/10 длины поперечного пролета.

На поднятом тросе меткой отмечают необходимую длину и опускают его вниз;

рубят трос по метке, заделывают его конец на клиновой зажим и соединяют с изоляторами заранее армированной анкеровочной штанги;

с помощью полиспаста производят подъем и подвеску на опору второго конца поперечно-несущего троса.

В том же порядке производится подвеска остальных поперечно-несущих тросов гибкой поперечины.

При интенсивном движении поездов и занятости путей переброска поперечно-несущих тросов производится по верхнему фиксирующему тросу с применением люльки и поддерживающих крючьев.

Примечания. 1. Концы троса, выступающие из клиновых зажимов, должны быть прикреплены к тросу проволочными бандажами.

2. Нижние точки всех поперечно-несущих тросов одной гибкой поперечины должны находиться на одном уровне.

3. Тросы гибкой поперечины не должны иметь выкрутов и изломов.

4.4.7. Армирование гибких поперечин производится в следующем порядке:

на земле собирают гирлянды изоляторов и к ним крепят седла; при этом плашечные зажимы вывертывают и крепят проволокой к седлу;

на поперечных несущих тросах для каждого электрифицируемого пути устанавливают зажим. При четырех несущих тросах два зажима, находящиеся в створе, следует соединять планкой;

одновременно на верхнем фиксирующем тросе устанавливают хомутовые зажимы для крепления изоляторов. Бригадир или старший звена, находясь на земле, следит за правильностью установки деталей арматуры на гибкой поперечине (точки которой фиксируются отвесом), за приближением поездов и осуществляет подачу наверх необходимых деталей с помощью веревки («удочки»);

хомутовые зажимы подвязывают струнами из биметаллической проволоки к распорным зажимам на поперечно-несущих тросах;

производят подвеску изоляторов;

одновременно с этим к ушку седла крепят усик из биметаллической проволоки диаметром 4 - 5 мм и длиной 2,5 - 3 м;

гирлянды изоляторов поднимают с помощью «удочки» или блока и крепят на верхнем фиксирующем тросе.

Примечания. 1. Струну, соединяющую зажим для поперечно-несущих тросов и хомутовый зажим, следует крепить к зажиму поперечно-несущего троса на земле. Длину ее выбирают в зависимости от того, над каким путем по отношению к опорам находится точка.

2. Зажимы для поперечно-несущих тросов, для удобства последующей регулировки, следует устанавливать таким образом, чтобы они имели смещение относительно оси пути в сторону опор.

3. При подвязке к струнам верхнего фиксирующего троса последнему должна быть задана отрицательная стрела провеса.

4.4.8. При выполнении работ по монтажу и армированию гибких поперечин на станциях следует соблюдать следующие мероприятия по обеспечению техники безопасности:

перед началом работ бригада должна быть проинструктирована по правилам техники безопасности при выполнении данного вида работ;

до начала работ следует сделать запись в журнале осмотра путей, стрелочных переводов, устройств СЦБ и связи, указав место работ и номера путей, перекрываемых гибкими поперечинами; под записью должен расписаться дежурный по станции;

бригада обязана установить связь с дежурным по станции или со специально назначенным для этой цели представителем эксплуатационного персонала станции, который должен информировать монтажников о движении поездов;

если во время монтажа гибких поперечин на путях находится подвижной состав, то необходимо принять меры, предотвращающие внезапное трогание поездов.

4.4.9. Подвеску нижнего фиксирующего троса производят после перевода продольных несущих тросов в седла теми же приемами, что и подвеску верхнего фиксирующего троса. При необходимости, в нижний фиксирующий трос должны быть врезаны изоляторы для секционирования контактной сети отдельных путей. При этом, если контактная сеть группы путей, перекрываемых гибкой поперечиной, секционируется не более чем на две части, врезку изоляторов в нижний фиксирующий трос следует производить на земле до его подъема. В остальных случаях изоляторы следует врезать после завески нижнего фиксирующего троса со съемной вышки, применяя при этом стяжную муфту или блоки Бубновского.

4.4.10. Гибкие поперечины регулируют звенья из 3 чел.; при этом один монтер находится на верхнем фиксирующем тросе, другой - на поперечно-несущем тросе, а третий - на земле.

4.4.11. Гибкие поперечины следует регулировать после раскатки и монтажа продольных несущих тросов и контактных проводов до регулировки цепной подвески в следующем порядке:

устанавливают в проектное положение относительно оси пути продольные несущие тросы;

сдвигают зажимы по поперечным несущим тросам до приведения струн гибких поперечин в вертикальное положение;

регулируют положение верхнего фиксирующего троса (эта операция осуществляется путем подъема или опускания, с помощью блоков Бубновского или полиспаста грузоподъемностью 500 кг, точек подвеса и несущего троса до приведения его в горизонтальное положение);

закрепляют струны гибкой поперечины;

подтягивают верхний фиксирующий трос, используя резьбу штанг, если в процессе регулировки натяжение его уменьшится.

4.5. МОНТАЖ ПРОВОДОВ КОНТАКТНОЙ СЕТИ НА ПЕРЕГОНЕ

А. Общие указания

4.5.1. Метод производства работ по монтажу проводов контактной сети выбирают в зависимости от интенсивности движения поездов, протяженности кривых участков пути и величины радиуса кривой, а также от наличия мостов и тоннелей.

Комбинированный метод монтажа с раскаткой несущего троса на обочину, подвеской струн на земле и раскаткой контактного провода «поверху» следует применять на всех участках при компенсированной подвеске и на участках, где количество кривых радиусом менее 1200 м достигает 40 - 50 % от их общей длины при монтаже, полукомпенсированной подвески.

Монтаж контактной сети методом «понизу» с предварительной раскаткой проводов на обочину можно применять на прямых участках с интенсивным движением поездов, а также на участках, не имеющих кривых радиусом менее 1200 м. Монтаж контактной сети на изолированных консолях методом «понизу» запрещается.

Метод «поверху» (раскатка несущего троса непосредственно на консоли или ригели, подвеска струн и раскатка контактного провода с подвеской к струнам) рекомендуется применять при монтаже подвески на станциях, на участках с кривыми малых радиусов (менее 600 м), на многопутных участках, а также при монтаже контактной сети на изолированных консолях на кривых участках пути радиусом менее 1000 м (при отсутствии специального вагона с вышкой, позволяющего применять комбинированный метод монтажа на кривых участках пути радиусом не менее 300 м).

4.5.2. Раскатку проводов рекомендуется выполнять комплексной бригадой, закрепленной за раскаточными механизмами.

4.5.3. До начала работ по раскатке проводов производится установка барабанов с проводами на раскаточную платформу. Барабаны с контактным проводом и несущим тросом необходимо устанавливать на раскаточную платформу так, чтобы раскатываемый провод при раскатке «поверху» сходил с верхней части барабана. Запрещается устанавливать на раскаточную платформу барабаны с проводом, у которых имеются поломанные доски на щеках, выступающие гвозди, ослабленные стяжки с болтами и плохо закрепленные втулки барабанов.

4.5.4. Провод следует раскатывать с «начатого» барабана, а подстыковку провода - с «целого» барабана, с таким расчетом, чтобы на анкерном участке было не более двух стыков.

4.5.5. Провода следует раскатывать под непосредственным руководством производителя работ или мастера, который обязан лично проверить перед выездом надежность закрепления барабанов на раскаточных платформах, состояние устройств для торможения барабанов и средств связи с машинистом локомотива.

4.5.6. До начала раскатки проводов должны быть выполнены следующие работы:

монтаж кронштейнов проводов ДПР, ЛЭП-10 кв, усиливающих, питающих и отсасывающих проводов; раскатка и переброска через опоры этих проводов;

монтаж консолей и поперечин с подвеской изоляторов;

монтаж анкеровочных устройств.

Примечание. При монтаже подвески комбинированным методом подъем полиспастом в седло раскатанного несущего троса совмещается по времени с монтажом изолированных консолей.

4.5.7. При монтаже контактной сети на изолированных консолях запрещается:

закрепляться за изолированную консоль цепью предохранительного пояса;

находиться на цепной подвеске во время прохода поезда;

производить какие-либо работы с применением «люлек».

Б. Комбинированный метод монтажа

4.5.8. Монтаж проводов комбинированным методом производится в следующем порядке:

подвешивают детали анкеровок проводов;

производят раскатку несущего троса на обочину, сращивание, предварительный подъем и закладку его в установленные на опорах монтажные ролики или крючья, вытяжку и анкеровку (при раскатке троса на обочину допускается закрепление его на анкерной опоре через инвентарную струбцину из стального троса длиной примерно равной расстоянию анкеровочной гирлянды от опоры);

прикрепляют струны к несущему тросу;

производят подъем троса на консоли и закладку его в седла;

раскатывают и анкеруют контактный провод;

выполняют регулировку проводов контактной сети.

4.5.9. Несущий трос раскатывают в «окна» с монтажного поезда.

4.5.10. В предоставленные для раскатки проводов контактной сети «окна» рекомендуется совмещать работу нескольких бригад. Одновременно с раскаткой целесообразно производить работу по установке фиксаторов с вышки дрезины, подъему троса, укладке его в седла и другие работы.

4.5.11. Для раскатки несущего троса на обочину земляного полотна применяют монтажный поезд, состоящий из мотовоза МК-2 с одной раскаточной платформой (рис. 37) или тепловоза с двумя раскаточными платформами, на которых установлены барабаны с раскатываемым тросом.

Рис. 37. Раскатка несущего троса на обочину земляного полотна

4.5.12. Перед троганием поезда с места и в начале его движения барабаны необходимо раскручивать, чтобы избежать резкого толчка при натяжении троса.

4.5.13. В процессе раскатки троса допускается временное его стыкование одним соединительным зажимом для медных проводов. При этом должны оставляться концы длиной, необходимой для постоянного стыкования.

4.5.14. По окончании раскатки несущего троса бригада может быть использована на подготовительных работах (погрузка и установка барабанов с проводами и др.) на базе монтажной организации или выполнять работу по дальнейшему монтажу раскатанных проводов.

4.5.15. Бригада, производящая стыкование и анкеровку несущего троса, должна иметь пресс для обжатия трубчатых соединителей и набор гаечных ключей.

Медные и сталемедные несущие тросы следует стыковать при помощи трубчатых соединителей, а бронзовые и стальные - посредством клиновых зажимов с соединением концов троса, выходящих из клиновых зажимов, двумя питательными зажимами (клиновой зажим должен применяться при нагрузках, не превышающих 1500 кг, а при нагрузках больше 1500 кг применяют треххомутовые зажимы).

4.5.16. Подбор вкладышей для обжатия производят по нанесенной на них маркировке. При этом буквенная и цифровая маркировка обоих вкладышей должна соответствовать монтируемым соединителям и проводам, а выбранная пара вкладышей должна иметь одинаковые порядковые номера.

4.5.17. Раскатываемый на обочину несущий трос подвешивают на монтажные ролики и крючья, которые устанавливают на опорах на высоте 1,5 - 2 м от уровня обочины. После проверки состояния троса и стыков его поднимают на монтажные крючья и вытягивают.

4.5.18. Вытяжку несущего троса производят участками, равными по длине анкерным участкам контактного провода.

Если в конце первого вытягиваемого участка несущий трос не анкеруется, его закрепляют временно за нижнюю часть анкерной опоры с помощью струбцины и крюкового зажима. В таком порядке трос вытягивают на следующих анкерных участках до опоры, на которой трос должен быть заанкерован постоянно.

Запрещается временная анкеровка несущего троса за промежуточные опоры и за анкерные опоры, на которых не установлены проектные оттяжки.

4.5.19. Стрела провеса несущего троса определяется при вытяжке в соответствии с монтажными таблицами следующим образом:

на двух опорах и в середине пролета производится замер высоты подвески несущего троса h1, h2 и h3 от уровня головок рельсов (рис. 38).

Стрела провеса .

При несовпадении замеренной стрелы провеса с проектной стрелой по монтажным таблицам производится изменение натяжения троса в большую или меньшую сторону.

Такие замеры должны производиться в трех пролетах анкерного участка (третий и четвертый пролеты от анкерных опор и в смежном пролете со средней анкеровкой).

Величина натяжения несущего троса (приложение 10) может также проверяться с помощью динамометра, включенного между тросом и блоками.

Рис. 38. Схема определения стрелы провеса несущего троса:

h1, h2 - высота подвески несущего троса на опорах (от уровня головок рельсов); h3 - высота подвески несущего троса в середине пролета (от уровня головок рельсов)

4.5.20. По окончании вытяжки и анкеровки троса бригада устанавливает струны, заготовка которых производится в мастерской поезда, а при большом расстоянии от них - в мастерских прорабского пункта.

4.5.21. Подъем несущего троса и закладка его в седла допускается только с разрешения производителя работ или мастера после проверки ими качества стыкования и состояния поверхности троса (заделка в зажимы, отсутствие выкрутов и т.п.). Разрешение на производство работ оформляется записью в журнале работ.

Подъем несущего троса и закладка его в седла производится полиспастом грузоподъемностью 500 кг. Неподвижный блок полиспаста с ведущей веревкой крепят за консоль, а крюк подвижного блока полиспаста - за несущий трос.

Ведущая ветвь полиспаста пропускается через направляющий ролик (рис. 39), закрепленный проволокой у основания опоры на высоте 1 м от поверхности земли, а затем натягивается вдоль пути по обочине земляного полотна.

На сопряжениях анкерных участков каждая ветвь несущего троса поднимается полиспастом отдельно.

4.5.22. Подъем несущего троса на неизолированные консоли может осуществляться следующими способами:

полиспастами - подъем под пяту с последующим переводом в седло при наличии предохранительного троса;

полиспастами - непосредственно в седло консолей, перпендикулярных оси пути или развернутых вдоль пути;

дрезиной ДМ или специальным вагоном-вышкой с роликом - в седла.

Рис. 39. Схема подъема несущего троса и укладки его в седло с помощью полиспаста и направляющего ролика:

1 - направляющий ролик; 2 - временные вязки из проволоки; 3 - полиспаст; 4 - седло, закрепленное на изоляторе; 5 - несущий трос; 6 - струна для подвешивания контактного провода

Перед подъемом несущего троса на кривых двухпутных участках поворотные консоли, расположенные друг против друга, временно соединяют проволокой диаметром 4 - 5 мм.

При наличии «окон» для производства других работ рекомендуется поднимать несущий трос непосредственно в седла, совмещая эти работы с другими работами, выполняемыми в одно «окно».

4.5.23. На прямых участках пути при поворотных консолях рекомендуется производить подъем троса на консоли, развернутые вдоль пути, с применением направляющего ролика (см. рис. 39), который устанавливают у основания опоры.

4.5.24. Консоли в нормальное положение устанавливают после подъема троса на следующей опоре или по окончании всей подъемки троса с укладкой его в седла.

4.5.25. При подъеме несущего троса в седла с применением дрезины ДМ или специального вагона-вышки на площадке вышки устанавливается стрела с роликом, допускающим свободный проход троса с установленными струновыми зажимами и струнами.

Электрические соединения до подъема несущего троса не устанавливаются.

Порядок работы при подъеме троса с помощью вышки следующий:

два монтера из трех находящихся на вышке, следят за прохождением несущего троса с установленными на нем струнами по ролику и производят закладку троса в седло прямо со стрелы или при помощи полиспаста грузоподъемностью 500 кг, а третий монтер наблюдает за прохождением струн по ограждению вышки;

впереди дрезины или вышки 2 монтера отвязывают трос от опор и на кривых участках пути оттягивают его к оси пути.

4.5.26. Подъем несущего троса и укладка его в седло при помощи полиспаста разрешается на прямых участках пути и на внутренней стороне кривой радиусом более 1000 м.

4.5.27. Подъем несущего троса на внешней стороне кривой, во избежание попадания его в пределы габарита подвижного состава, разрешается производить только в «окно».

4.5.28. Подъем и укладка несущего троса в седло при изолированных консолях должны быть совмещены с установкой консолей. К установке консолей необходимо приступать только после окончания раскатки, вытяжки, анкеровки несущего троса и установки струн по всему анкерному участку.

Подъем несущего троса и укладка его в седло данным способом производится следующим образом (рис. 40):

на опоре закрепляют инвентарный кронштейн и навешивают на него полиспаст грузоподъемностью 0,5 т;

при помощи полиспаста устанавливают консоль и выводят ее «удочкой» в положение, параллельное оси пути;

к крюку полиспаста привязывают веревку, посредством которой распускают трос полиспаста;

веревку отвязывают от крюка полиспаста и закрепляют последний за несущий трос;

натягивая трос полиспаста, поднимают несущий трос до тех пор, пока он не окажется несколько выше седла. Чтобы при подъеме несущий трос не цеплялся за пяту консоли, анкерный кронштейн и т.п., его оттягивают веревкой (на рис. 40 она не показана);

Рис. 40. Схема подъема несущего троса и укладки его в седло на изолированных консолях с помощью инвентарного кронштейна и полиспаста:

1 - опора; 2 - консоль; 3 - приставная лестница; 4 - полиспаст; 5 - веревка; 6 - деталь СК-8; 7 - седло; 8 - инвентарный кронштейн; 9 - несущий трос

«удочкой» заводят седло на несущий трос и плавно опускают ведущий трос полиспаста;

от кронштейна отсоединяют полиспаст и опускают его на землю. Затем от опоры открепляют инвентарный кронштейн и также опускают его на землю. С консоли сдергивают «удочку», снимают с опоры приставную лестницу и переходят к следующей опоре.

После окончания подъема несущего троса в седло по всей длине анкерного участка производят перемещение консолей в проектное положение. Выполнение этой работы производится в «окно» с дрезины ДМ или с машины с шарнирной стрелой, расположенной на железнодорожной платформе.

Консоли перемещают с помощью специального крючка. Выправленные консоли располагают с нужным смещением (см. приложение 10) их вдоль пути. Одновременно несущий трос закрепляют в седлах плашками и устанавливают струны для подвески сочлененных фиксаторов.

4.5.29. При подъеме несущего троса на кривых участках пути натяжение несущего троса целесообразно уменьшить до 800 - 1000 кг; после подъема троса и перевода консолей в положение, перпендикулярное оси пути, дополняют компенсаторные грузы до обеспечения проектного натяжения. После этого с дрезины проверяют величину смещения консолей вдоль пути. В случае необходимости производят сдвижку консолей, закрепляют несущий трос в седлах плашками и устанавливают струны для подвески сочлененных фиксаторов.

4.5.30. Контактный провод раскатывают в «окно» с монтажного поезда (рис. 41), в состав которого входят: вагон-вышка, раскаточная платформа и локомотив (тепловоз). Допускается вместо вагон-вышки использовать монтажную дрезину ДМ. В этом случае монтажный поезд состоит из раскаточной платформы и дрезины ДМ.

Рис. 41. Схема раскатки контактного провода методом «поверху»

Скорость раскатки контактных проводов при использовании вагон-вышки - 10 - 12 км/ч, при использовании вышки дрезины ДМ - 5 - 7 км/ч.

4.5.31. При раскатке контактного провода «поверху» 2 чел. находятся на вышке и подвязывают провод, а 3 чел. на раскаточной платформе следят за разматыванием провода с барабанов и при необходимости слегка их притормаживают.

4.5.32. При раскатке контактных проводов «поверху» необходимо делать только постоянные стыковки.

4.5.33. Для производства работ по раскатке и анкеровке проводов необходимы следующие механизмы, инструмент и приспособления:

Монтажная дрезина ДМ или мотовоз с вагоном-вышкой.................... 1

Раскаточная платформа........................................................................... 1

Полиспасты грузоподъемностью 2000 и 500 кг..................................... 2

Крюковые зажимы.................................................................................... 2

Комплекты гаечных ключей (22´27; 19´22 и др.)................................. 2

Веревка («удочка»)................................................................................ 20 м

Ножовка по металлу................................................................................. 1

Молоток слесарный.................................................................................. 1

Пассатижи................................................................................................. 1

Струбцины................................................................................................. 2

Гибмашина для контактного провода.................................................... 1

Ключ разводной № 4................................................................................ 1

Ключи рихтовочные................................................................................. 2

4.5.34. При раскатке контактных проводов с помощью монтажного поезда анкеровка проводов может производиться специальной бригадой.

4.5.35. Анкеровка несущего троса полукомпенсированной цепной подвески осуществляется следующим образом:

на анкерной опоре монтируют узел анкеровки, состоящей из штанги для несущего троса и изоляторов;

на вершине опоры закрепляют полиспаст через струбцину; ведущая ветвь полиспаста при этом должна быть на блоке, закрепленном на опоре;

анкеруемый трос предварительно вытягивают руками, после чего устанавливают на нем крюковой зажим на расстоянии, равном длине полиспаста при разведенных блоках;

закрепляют крюк подвижного блока полиспаста за установленный крюковой зажим и производят вытяжку троса в соответствии с монтажной таблицей;

после вытяжки свободный конец троса поднимают веревкой на высоту анкеровки, отмечают место заделки троса и заделывают трос через коуш, соединяемый с изоляторами анкеровочного узла;

снимают полиспаст, крюковой зажим и струбцину.

4.5.36. Анкеровка контактного провода полукомпенсированной подвески осуществляется через компенсирующее устройство, которое монтируется до раскатки проводов.

При монтаже компенсирующего устройства выполняются следующие работы:

монтаж компенсаторного троса с одним или двумя подвижными роликами и одним неподвижным; монтаж компенсаторных грузов;

сочленение врезной штанги и изоляторов с крайним подвижным роликом.

Штанги для грузов компенсации на первых, по ходу раскатки, анкерных опорах следует привязывать к опоре на высоте, определяемой по монтажной таблице плюс 0,5 м.

Анкеровка контактного провода выполняется в следующем порядке:

закрепляют крюк полиспаста с разведенными блоками за струбцину, которая закрепляется за вилку подвижного ролика компенсирующего устройства;

производят предварительную вытяжку раскатанного контактного провода и отмечают место установки крюкового (натяжного) зажима;

устанавливают крюковой зажим на контактном проводе и закрепляют за него подвижной блок полиспаста;

производят вытяжку контактного провода до проектного натяжения и подъема грузов до высоты, определяемой по монтажной таблице с проверкой его положения;

закрепляют врезную штангу и изоляторы;

производят подъем конца контактного провода и замер его загиба;

армируют конец контактного провода клиновым зажимом и соединяют его с изоляторами;

снимают полиспаст, крюковой зажим и струбцины;

проверяют положение вытянутого контактного провода в анкерном участке.

4.5.37. Анкеровка проводов компенсированной цепной подвески постоянного тока осуществляется раздельно для несущего троса и контактных проводов. Технология монтажа компенсированных анкеровок осуществляется в соответствии с п. 4.5.36.

Анкеровка проводов компенсированной цепной подвески переменного тока выполняется на объединенное коромыслом компенсирующее устройство с двумя подвижными роликами. При этом производят предварительную сборку компенсирующего устройства совместно с коромыслом и гирляндой изоляторов.

Монтаж анкеровки без предварительной сборки коромысла с изоляторами выполняется в следующем порядке:

на подвижной ролик в вилку через струбцину подвешивают крюк полиспаста с разведенными блоками;

производят предварительную вытяжку троса и замер места установки крюкового зажима;

устанавливают крюковой зажим, на который подвешивают крюк подвижного блока полиспаста;

производят вытяжку, замеряют место заделки и затем излишнюю часть троса отрезают;

производят заделку конца троса;

соединяют ушко вилки подвижного ролика с врезной штангой, а последнюю с гирляндой изоляторов;

соединяют изоляторы с коромыслом с помощью соединительной планки;

соединяют армированный конец троса с коромыслом через регулировочную планку;

снимают полиспаст, крюковой зажим и струбцину.

4.5.38. Анкеровка контактного провода производится следующим образом:

закрепляют струбцину за коромысло;

подвешивают за струбцину крюк блока полиспаста с ведущей ветвью;

производят предварительную вытяжку контактного провода, отметку места заделки клинового зажима и обрезают излишнюю часть контактного провода;

конец контактного провода пропускается в клиновой зажим;

гибмашиной загибают конец контактного провода, на котором заделывается клиновой зажим с установленным вкладышем;

армированный конец контактного провода закрепляют на коромысле;

снимают полиспаст, крюковой зажим и струбцину.

Примечания. 1. При вытяжке количество грузов на штанге должно быть вдвое менее проектного.

2. Грузы должны быть подняты на 0,5 - 1 м выше предусмотренного монтажной таблицей.

3. Первая анкеровка проводов производится на штангу с изоляторами при полном количестве грузов.

4. После анкеровки несущего троса и контактного провода дополняются недостающие анкеровочные грузы.

5. Вышеуказанная анкеровка производится с применением изоляторов П-7.

6. Изоляторы П-4,5 врезают в каждую анкеруемую ветвь (и несущий трос и контактный провод), при этом врезная штанга переносится в ветвь контактного провода и за счет этого достигается смещение изоляторов в анкеруемых ветвях.

В. Монтаж проводов методом «понизу»

4.5.39. Монтаж проводов методом «понизу» производят в следующем порядке:

выполняются подготовительные работы;

раскатывают несущий трос на обочину с последующим подъемом его на монтажные ролики или крючья, сращиванием, вытяжкой и анкеровкой;

на обочину раскатывают контактный провод с последующей его вытяжкой и анкеровкой;

размечают и устанавливают струны и электрические соединения;

монтируют цепную контактную подвеску с последующей черновой регулировкой;

поднимают контактную подвеску под пяту и переводят ее на консоль с укладкой в седла;

окончательно регулируют цепную контактную подвеску.

4.5.40. К подготовительным работам относятся:

доставка к месту работ деталей и материалов, необходимых для производства работ;

подвеска монтажных роликов или крючков на опоры контактной сети (эту работу рекомендуется производить непосредственно перед закладкой несущего троса в ролики);

сборка и подвеска деталей анкеровок на анкерные опоры;

подвеска дополнительного троса в местах сопряжений анкерных участков (если последний предусмотрен проектом).

Подготовительные работы выполняет бригада из 5 чел.:

Монтер 5 разр.................................................................................................. 1

»      4   »..................................................................................................... 1

»      3   »..................................................................................................... 1

Монтеры 2 разр................................................................................................ 2

4.5.41. Раскатку продольного несущего троса и контактных проводов рекомендуется совмещать по времени с работами по установке опор «с пути» в «окно» на ближайших перегонах или в специально выделяемые «окна».

4.5.42. Рабочий поезд для раскатки проводов «понизу» состоит из локомотива (мотовоза или тепловоза) и раскаточных платформ с проводами.

Количество платформ, включаемых в состав такого поезда, принимается в зависимости от объемов предстоящих работ и от мощности локомотива.

4.5.43. При монтаже полукомпенсированной или компенсированной подвески с двумя контактными проводами раскатка несущего троса ведется без пропусков анкерных участков, а раскатка контактных проводов - через один. Раскатку контактных проводов на пропущенных анкерных участках ведут во время второго рейса поезда.

4.5.44. Стыкование несущего троса, закладка его в ролики или крючья и анкеровка производятся в соответствии с п.п. 4.5.15 - 4.5.17 и 5.5.35. При монтаже «понизу» несущий трос подвешивают на монтажные крючья на высоте 2 - 2,5 м.

4.5.45. После установки на продольном несущем тросе струн к ним подвешивают контактные провода, предварительно вытянутые на земле и заанкерованные.

На внешней стороне кривой контактный провод до начала вытяжки привязывают к опорам проволокой диаметром 4 мм таким образом, чтобы он при вытяжке не попадал в габарит подвижного состава. Контактный провод стыкуют на земле до его натяжения.

4.5.46. Монтаж цепной контактной подвески начинают с установки средней анкеровки и ведут двумя звеньями, в обе стороны от нее. Работа каждого звена начинается с установки струновых зажимов на контактные провода и подвязывания их к струнам.

Черновую регулировку контактной подвески при монтаже «понизу» рекомендуется производить следующим образом:

на опорах отмечают уровень головки рельса, конструктивную высоту подвески, производят промеры от точек крепления несущего троса на монтажных крючьях вниз по опоре;

производят крепление контактного провода в соответствии с размеченной конструктивной высотой подвески и монтируют рессорные струны;

одновременно с подвязкой контактных проводов на струны производится устранение возможных перекруток контактных проводов, их выправка, а также закрепление поперечных электрических соединителей.

4.5.47. Смонтированная внизу контактная подвеска должна быть тщательно проверена. Контактную подвеску осматривает производитель работ или мастер накануне дня ее подъема и бригадир подъемочной бригады - во время подъема.

4.5.48. Подъем контактной подвески под пяту консоли выполняется с помощью полиспаста грузоподъемностью 500 кг следующим образом:

полиспаст с разведенными блоками подвешивают через струбцину на опору выше пяты консоли;

подтягивают контактный провод крюком подвижного блока к несущему тросу;

связывают в местах подъема проволокой несущий трос и контактный провод;

перецепляют крюк подвижного блока полиспаста с контактного провода за несущий трос, производят подъем подвески под пяту консоли и закрепляют ее проволокой диаметром 5 мм.

4.5.49. Несущий трос цепной подвески переводят в седло полиспастом грузоподъемностью 500 кг. До перевода подвески в седло следует подвесить на трех смежных опорах предохранительный трос.

Для предохранительных тросов применяют стальные тросы марки С-70. На концах троса должны быть клиновые клеммы. Один конец предохранительного троса закрепляют за хобот консоли (у бугеля), а другой конец - за опору ниже пяты консоли. Поднимаемая подвеска должна быть над предохранительным тросом.

Неподвижный блок полиспаста с ведущей ветвью закрепляют за конец хобота консоли, около бугеля; крюком подвижного блока захватывают несущий трос, отвязанный от контактного провода.

Поднятый трос укладывают в седло, после чего выправляют консоль и закрепляют трос в седле.

На кривых участках пути консоли удерживают «удочкой» или связывают с консолями соседнего пути.

После укладки в седло снимают с консоли предохранительный трос и блоки.

При длинном хоботе консоли, и особенно на консолях с фиксаторными стойками, нельзя подвешивать полиспаст на конец хобота; в этом случае полиспаст следует крепить рядом с бугелем.

Подъем несущего троса в седло рекомендуется производить от средней анкеровки по направлению к сопряжению.

Перевод продольного несущего троса на консоль без предохранительного троса запрещается.

Работы по переводу продольного несущего троса контактной подвески в седло в пределах анкерного участка следует выполнять в течение одного рабочего дня.

4.5.50. По окончании перевода проводов цепной подвески на консоль производится продольная регулировка с установкой фиксаторов.

Г. Монтаж проводов «поверху»

4.5.51. Монтаж проводов методом «поверху» осуществляется следующим образом:

на анкерных опорах монтируют детали анкеровки проводов;

поворотные консоли на кривых участках связывают проволокой диаметром 4 - 5 мм с консолями соседнего пути (если они не были связаны при монтаже консолей);

на хобот консолей подвешивают раскаточные ролики или крючья;

раскатывают несущий трос и одновременно укладывают его в раскаточные ролики или крючья;

вытягивают и анкеруют несущий трос согласно монтажным таблицам;

переводят трос из роликов в седла, подвешивают в необходимых случаях вспомогательный трос («усы») на сопряжениях анкерных участков и для средних анкеровок;

монтируют струны и электрические соединения на несущем тросе;

раскатывают и анкеруют контактный провод с подвешиванием на струны к несущему тросу;

регулируют цепную подвеску контактной сети.

4.5.52. Провода методом «поверху» раскатывают с помощью специального монтажного поезда, состоящего из локомотива (тепловоза), специальной раскаточной платформы с барабанами и четырехосного вагона-вышки (см. рис. 41). Допускается раскатка проводов облегченным монтажным поездом, состоящим из дрезины ДМ и двухосной раскаточной платформы.

Раскатка проводов выполняется в «окно» с занятием железнодорожного пути.

Для раскатки несущего троса применяются следующие инструменты и приспособления:

Монтажная дрезина ДМ или тепловоз с вагоном-вышкой..................................... 1

Раскаточная платформа.............................................................................................. 1

Полиспаст грузоподъемностью 2000 кг или ручная лебедка грузоподъемностью 500 кг............................................................ 1

Крюковые зажимы...................................................................................................... 2

Ключи гаечные разные (17´19; 19´22 и 22´27)...................................................... 3

Ножовка с полотном по металлу............................................................................... 1

Струбцины из стального троса.................................................................................. 2

«Удочка»...................................................................................................................... 1

Полиспаст грузоподъемностью 500 кг...................................................................... 1

4.5.53. Вытяжку несущего троса после раскатки производят с помощью специальной монтажной лебедки, находящейся на раскаточной платформе, или полиспаста грузоподъемностью 2000 кг.

4.5.54. Перевод несущего троса в седло (после его анкеровки) производят с вышки дрезины ДМ или вагона-вышки со стрелой.

4.5.55. Струны устанавливают с монтажной вышки, люльки или с помощью машины МШТС; при этом следует обращать особое внимание на соблюдение правил техники безопасности.

4.5.56. При монтаже контактной сети на изолированных консолях установку струн с люлек производить запрещается.

4.5.57. Раскатка контактного провода и анкеровка его производится так же, как и при комбинированном методе, в соответствии с указаниями п.п. 4.5.30, 4.5.31 - 4.5.34, 4.5.36, 4.5.37.

4.6. РЕГУЛИРОВКА КОНТАКТНОЙ ПОДВЕСКИ НА ПЕРЕГОНАХ И МОНТАЖ СОПРЯЖЕНИЙ АНКЕРНЫХ УЧАСТКОВ

4.6.1. При регулировке цепной подвески и раскатанном контактном проводе методом «поверху» выполняются следующие работы:

монтаж средней анкеровки;

установка струновых клемм на контактных проводах и подвязывание их к струнам с регулировкой по высоте согласно монтажным таблицам;

выправка контактных проводов;

монтаж фиксаторов с установкой зигзагов;

монтаж электрических соединителей.

4.6.2. Регулировка проводов контактной подвески производится с использованием съемной вышки.

Для выполнения работ по регулировке контактной подвески необходимы следующие приспособления и инструмент:

Съемная вышка (лейтер).......................................................................... 1

Полиспаст грузоподъемностью 500 кг................................................... 1

Ключи гаечные разные (14´17; 17´19 и 19´22).................................... 4

Молоток слесарный.................................................................................. 1

»      деревянный............................................................................... 1

Правило...................................................................................................... 1

Пассатижи................................................................................................. 1

Правочные ключи..................................................................................... 2

Лестница длиной 3 м................................................................................ 1

Рейка регулировочная (с отвесом).......................................................... 1

Монтажные таблицы................................................................................ 1

Термометр................................................................................................. 1

Ножовка..................................................................................................... 1

4.6.3. При раскатке проводов «понизу» производится черновая и отделочная (чистовая) регулировки.

Черновая регулировка производится в соответствии с указаниями п. 4.5.46.

Отделочная регулировка контактной подвески производится со съемной вышки после подъема и укладки несущего троса в седла; при этом выполняются следующие работы:

регулировка контактного провода по высоте согласно монтажным таблицам;

выправка контактного провода;

установка фиксаторных кронштейнов и монтаж фиксаторов с установкой зигзагов.

4.6.4. Регулировку цепной подвески начинают от средней анкеровки к концам анкерного участка.

При полукомпенсированной цепной подвеске среднюю анкеровку устанавливают со съемной вышки с использованием монтажной лестницы длиной 3 м.

4.6.5. Среднюю анкеровку компенсированной цепной подвески с подвеской вспомогательного троса (см. приложение 10) монтируют в следующем порядке:

укладывают в седло вспомогательный трос, временно закрепляют его, производят вытяжку и анкеровку;

закрепляют вспомогательный трос плашками и по обе стороны консоли соединяют его с несущим тросом соединительными зажимами; монтаж вспомогательного троса выполняют при переводе несущего троса в седла;

монтируют ветви средней анкеровки контактных проводов.

4.6.6. Заготовку и сборку фиксаторов производят в мастерской. Длина фиксатора определяется в зависимости от величины зигзага и габарита установки опор.

Фиксаторы, фиксаторные кронштейны и фиксаторные стойки развозятся по перегону автотранспортом или мотовозом до начала работ по регулировке цепной подвески.

4.6.7. Высоту подвески контактного провода проверяют при помощи рейки, устанавливаемой на съемной вышке. Положение несущего троса и контактных проводов по высоте должно соответствовать монтажным таблицам. Бригада на месте работ должна иметь термометр.

При полукомпенсированной подвеске регулировку контактного провода по высоте с установлением его проектной стрелы провеса в середине пролета производят следующим образом:

промеряют высоту контактного провода под фиксатором и в середине пролета;

приводят высоту контактного провода под фиксатором в соответствие с проектом, а в середине пролета - в соответствие с монтажными таблицами, придавая проводу необходимую стрелу провеса;

регулируют провода по высоте под остальными струнами.

При регулировке компенсированной подвески контактному проводу от опоры до первой простой вертикальной струны придается горизонтальное положение с соблюдением проектной высоты, а в середине пролета должна быть обеспечена стрела провеса, величина которой должна соответствовать табл. 10.

До начала регулировки все консоли должны быть установлены в проектное положение.

Таблица 10

Стрелы провеса контактного провода компенсированной подвески (в мм)

Тип подвески

Длина пролета, м

40

45

50

55

60

65

70

ПБСМ70+1МФ100

-

30

30

40

40

50

50

ПБСМ95+2МФ100

25

30

40

50

50

60

65

М120+2МФ100

4.6.8. Контактный провод выправляют при помощи деревянного или свинцового молотка и правила.

Выкрутку контактного провода производят при помощи правочных ключей.

Перед выкруткой необходимо осмотреть контактный провод в зоне ее действия (2 - 3 м).

При наличии пайки выкрутку необходимо производить, соблюдая особую осторожность, находясь спиной в сторону средней анкеровки. При плохой пайке до выкрутки контактный провод следует соединять путем стыкования.

4.6.9. Проверка положения контактного провода относительно оси пути производится по рейке, закрепленной на вышке, или с помощью отвеса.

При работе на кривых участках пути следует учитывать смещение центра пантографа относительно оси пути, вызванное возвышением наружного рельса.

Смещение определяется по формуле:

,

где   C - величина смещения центра пантографа внутрь кривой;

    h - возвышение наружного рельса, см;

    Н - высота контактного провода от головки рельса, см;

    k - ширина колеи, мм.

4.6.10. Регулировка контактной подвески на перегонах заканчивается монтажом и регулировкой сопряжений анкерных участков.

До начала монтажа и регулировки сопряжений необходимо, чтобы на прилегающих к сопряжению анкерных участках была выполнена регулировка, а несущий трос на переходных и анкерных опорах переведен в седла.

Кроме этого, должны быть установлены фиксаторные кронштейны (или фиксаторные стойки), у опор разложены фиксаторы и, при необходимости, заготовлен и доставлен на место дополнительный трос.

4.6.11. Монтаж сопряжений анкерных участков (без дополнительного троса) производится в следующем порядке:

производят постановку струновых зажимов на контактные провода и черновую регулировку подвески;

монтируют фиксаторы, регулируют зигзаги;

осуществляют регулировку контактных проводов по высоте, а также их выправку и выкрутку;

производят монтаж электрических соединителей.

Примечание. Для обеспечения плавки гололеда токами короткого замыкания, если это предусмотрено проектом, на сопряжениях в струны переходного пролета врезают антенные изоляторы и монтируют переходное электросоединение с одной рабочей ветви контактной подвески на другую.

4.6.12. Ветви компенсированной подвески сопряжений анкерных участков подвешивают на траверсе в двух точках; при этом рабочую ветвь подвешивают на ролике, а ветвь, отходящую на анкеровку, - в седло.

У переходных опор нерабочую ветвь устанавливают выше рабочей на 200 мм. Снижение должно быть плавное.

Начало подъема нерабочей ветви контактного провода осуществляется на расстоянии 23 м от переходной опоры, в сторону середины переходного пролета (для прямых участков пути).

4.6.13. Монтаж вспомогательного троса производится в следующем порядке:

заготовленный трос раскатывают между анкерными опорами и устанавливают на нем струновые зажимы со струнами;

подвешивают вспомогательный трос;

вытягивают трос, согласно монтажным таблицам, и анкеруют его;

закрепляют вспомогательный трос плашками, а около опор с помощью соединительных зажимов крепят к основному тросу.

После монтажа вспомогательного троса и раскатки контактного провода производятся работы согласно п. 4.6.11.

Анкеруемые ветви контактного провода подвешивают от середины переходного пролета до анкерной опоры к вспомогательному тросу.

4.6.14. Монтаж сопряжения анкерных участков с секционированием полукомпенсированной цепной подвески ведется в следующем порядке:

выполняется черновая регулировка с установлением проектного расстояния между ветвями цепных подвесок;

врезают изоляторы в несущие тросы и контактные провода;

устанавливают струновые зажимы на контактные провода;

монтируют фиксаторы с установкой контактных проводов в проектное положение в плане;

регулируют контактные провода;

монтируют и подсоединяют шлейфы секционного разъединителя к контактной сети и к самому разъединителю (при этом контактные поверхности проводов, тросов и соединительных зажимов в местах крепления соединителей должны быть тщательно очищены от окиси и пыли).

При компенсированной подвеске на участках с одним контактным проводом около врезных изоляторов монтируют коромысла, соединяющие несущий трос и контактный провод отходящих анкерных ветвей (рис. 42).

4.6.15. Изоляторы на сопряжениях анкерных участков с секционированием врезают следующим образом:

устанавливают крюковые зажимы на несущем тросе или контактном проводе и стягивают до ослабления натяжной муфтой или полиспастом;

перерезают ослабленный трос или провод;

заделывают концы несущего троса или контактного провода;

соединяют концы проводов через изоляторы и включают предусмотренные проектом планки или вставки;

ослабляют стяжное устройство и снимают его.

4.6.16. При монтаже сопряжений анкерных участков применяются следующие инструменты и приспособления:

Съемная вышка (лейтер).......................................................................... 1

Трехметровая лестница............................................................................ 1

Ножовка по металлу................................................................................. 1

Молоток слесарный.................................................................................. 1

Пресс для опрессовки трубчатых соединителей с плашками.............. 1

Ключ раздвижной № 4............................................................................. 1

Ключ гаечный 22´27................................................................................ 1

»        »        14´17................................................................................. 1

»        »        22´19................................................................................. 1

Полиспаст грузоподъемностью 2000 кг или стяжная муфта............... 1

Крюковые зажимы.................................................................................... 2

Гибмашина для контактного провода.................................................... 1


Рис. 42. Сопряжение анкерных участков с секционированием компенсированной цепной подвески с одним контактным проводом:

1 - несущий трос анкеруемой ветви; 2 - несущий трос рабочей ветви; 3 - коромысло; 4 - контактный провод рабочей ветви


4.6.17. Установка фиксаторов на изолированных консолях промежуточных и переходных опор, как правило, состоит из двух этапов:

закрепление основного фиксатора с монтажной площадки дрезины ДМ, развернутой перпендикулярно оси пути, или с помощью машины с шарнирной стрелой;

установка дополнительных фиксаторов на контактный провод с одновременной регулировкой зигзагов и выносов (эти работы выполняются с лейтера, а при возможности - с дрезины ДМ, машины с шарнирной стрелой, вагона с монтажной вышкой; в этом случае установка основных и дополнительных фиксаторов производится одновременно).

Допускается установка основных фиксаторов со съемной монтажной вышки.

4.6.18. По окончании работ по регулировке смонтированная контактная сеть должна быть проверена прорабом или мастером, для чего он объезжает участок на дрезине с выверенным пантографом.

Мастер и бригадир, находясь на вышке дрезины, наблюдают за проходом пантографа и отмечают недостатки, которые в дальнейшем устраняются бригадой со съемной вышки.

Особое внимание обращается на выносы контактного провода в середине пролетов на кривых участках пути.

4.7. МОНТАЖ НЕСУЩИХ ТРОСОВ КОНТАКТНОЙ ПОДВЕСКИ НА СТАНЦИЯХ

4.7.1. В комплект механизмов и приспособлений для раскатки несущего троса контактной подвески на станциях входят:

Экскаватор Э-221 или Э-302................................................................... 1

Монтажная дрезина ДМ (или мотовоз с вагоном-вышкой)................. 1

Раскаточная платформа........................................................................... 1

Полиспаст грузоподъемностью 500 кг................................................... 1

»                     »                     2000 кг................................................. 1

Крюковые зажимы.................................................................................... 2

Гаечные ключи 22´27.............................................................................. 2

Веревка («удочка»)................................................................................ 20 м

Ножовка по металлу................................................................................. 1

Молоток слесарный.................................................................................. 1

Пассатижи................................................................................................. 1

Съемная вышка.......................................................................................... 1

4.7.2. Выбор метода производства работ по монтажу контактной сети на станциях определяется загруженностью станции маневровой работой и схемой разбивки опор. Раскатку проводов на станции рекомендуется производить для каждого пути методом «поверху».

В тех случаях, когда невозможно осуществить раскатку проводов над каждым путем, следует производить раскатку проводов групповым методом «поверху».

4.7.3. Перед раскаткой проводов на всех анкерных опорах должны быть подвешаны детали анкеровки проводов контактной подвески.

4.7.4. До начала раскатки проводов необходимо выполнить следующие подготовительные работы:

наметить «окно» для раскатки в светлое время суток и установить порядок работ на станционных путях;

уточнить места анкеровок, расположение несущих тросов на воздушных стрелках, установить очередность расположения раскатываемых тросов;

подготовить к работе раскаточную платформу в соответствии с требованиями, изложенными в п. 4.5.3.

4.7.5. Рекомендуется следующий порядок работ по раскатке тросов контактной подвески методом «поверху» на станциях:

дрезину ДМ вместе с раскаточной платформой останавливают у анкерной опоры;

к концу троса крепят коуш или клиновой зажим, посредством которого конец троса соединяют с анкеровочной штангой, заранее армированной изоляторами;

конец троса вместе со штангой и изоляторами поднимают на анкерную опору и крепят на ней;

дрезину ДМ вместе с раскаточной платформой перемещают по соответствующему пути в сторону второй анкерной опоры (на противоположном конце станции); монтеры, находящиеся на вышке дрезины, закладывают трос в ролики или крючья на всех по порядку поперечинах или консолях; на первой поперечине после проезда стрелочной улицы тросы временно вытягивают для обеспечения габарита в горловине станции;

у второй анкерной опоры трос через струбцину и натяжной зажим цепляют за крюк дрезины ДМ и дают вытяжку тросу;

подвешивают полиспаст на анкерной опоре и соединяют его с крюковым зажимом, установленным на тросе;

поднимают с помощью полиспаста конец троса на опору, вытягивают, отмеряют необходимую длину троса с учетом длины анкеровочной штанги с изоляторами, опускают на землю и рубят по метке;

оснащают конец троса коушем или клиновым зажимом, соединяют с анкеровочной штангой, армированной изоляторами, поднимают на анкерную опору и крепят на ней.

4.7.6. После раскатки тросов производится закладка их в седла, подвеска струн и последующая раскатка контактных проводов.

Рис. 43. Схема групповой раскатки несущих тросов на станции методом «поверху»:

А4, А6, А8 - анкерные опоры четного направления

4.7.7. Групповую раскатку проводов «поверху» (рис. 43) следует производить одновременно для трех-четырех смежных путей, причем начинать ее нужно с самой удаленной от оси пассажирского здания анкерной опоры.

Порядок раскатки проводов следующий:

на анкерной опоре делают постоянную анкеровку несущего троса одного из путей;

раскаточный поезд перемещают ко второй по пути следования анкерной опоре и на ней анкеруют трос второго пути, после чего производят раскатку одновременно двух тросов;

в той же последовательности повторяют анкеровку и раскатку для всех остальных путей;

вытягивают один несущий трос на первой гибкой поперечине для обеспечения габарита подвижного состава;

закладывают вытянутые тросы в седла, при этом для предупреждения перемещения тросов в обратном направлении на них перед седлом следует укрепить соединительный зажим и закрепить трос проволокой к седлу;

вытягивают остальные несущие тросы и крепят в седлах на следующих гибких поперечинах (по одному на поперечину);

раскаточный поезд перемещают по заданному пути и бригада раскатывает все тросы;

одновременно с раскаткой тросов один из них закладывают в седла своего пути, а остальные - в монтажные крючья, подвешенные на верхних фиксирующих тросах (крючья должны располагаться по обе стороны основного троса (седла) соответственно своему пути);

на противоположном конце станции производят анкеровку проводов с учетом габарита подвижного состава: сначала - временную, а затем постоянную.

Рис. 44. Схема перемещения несущего троса от опоры к седлу станционного пути по верхнему фиксирующему тросу с помощью полиспаста:

1 - станционные пути; 2 - главные пути станции; 3 - ведущая ветвь полиспаста

4.7.8. Перевод троса в седла на соответствующие пути при помощи полиспаста грузоподъемностью 500 кг (рис. 44 и 45) производится в следующем порядке:

закрепляют полиспаст неподвижным блоком за точку подвеса изолятора ближайшего пути, а подвижным блоком - за трос, подлежащий перемещению;

перемещают трос при помощи полиспаста в крючке по верхнему фиксирующему тросу к точке подвеса, расположенной над ближайшим электрифицированным путем;

переводят трос на второй монтажный крючок и освобождают первый;

перевешивают полиспаст тем же приемом, как и ранее для дальнейшего передвижения троса по верхнему фиксирующему тросу;

перемещают трос к точке подвеса над следующим путем и т.д. до тех пор, пока он не будет перемещен в проектное положение;

переводят трос в седло при помощи полиспаста.

Рис. 45. Схема перемещения несущего троса от седла одного пути к другому по верхнему фиксирующему тросу с помощью полиспаста:

1 - поперечно-несущие тросы; 2 - верхний фиксирующий трос; 3 - временная вязка из проволоки; 4 - ведущая ветвь полиспаста

4.7.9. Закладка троса в седло на гибкой поперечине осуществляется монтером, непосредственно или с помощью «удочек».

4.7.10. В горловинах станций, где подвеска монтируется на консольных опорах, перевод тросов в седло выполняется так же, как и при монтаже на перегонах.

4.7.11. По окончании перевода тросов в проектное положение производится подвеска струн звеном из 2 чел. при выполнении работ без занятия пути или бригадой из 5 чел., когда работы ведут со съемной вышки.

Подвеска струн звеном из 2 чел. производится при помощи люльки. При этом один монтер, находящийся в люльке, устанавливает струну, а второй - «удочкой» (веревкой) помогает перемещать люльку по несущему тросу и при необходимости с помощью «удочки» подает материал и инструмент.

4.7.12. После выверки стрел провеса заменяют временные анкеровки на постоянные, заделываемые на проектной высоте, после чего переводят несущий трос в седла.

4.7.13. Если в горловинах станций контактная подвеска одного или нескольких путей переходит по съездам на другую сторону станции и анкеруется там на соответствующих опорах, то несущие тросы следует раскатывать по внешней стороне парка одного направления и временно анкеровать на той же стороне (например, на опоре 54, рис. 46).

Рис. 46. Схема раскатки несущего троса в горловине станции с пересечением главных путей по съезду:

1 - временная анкеровка несущего троса на соединительные зажимы; 2 - ведущая ветвь полиспаста

После закрепления зажимов трос отрезают с барабана с таким расчетом, чтобы его хватило до анкерной опоры 57.

Свободный конец несущего троса переносят через пути, подвешивают на опоре 55 и вытягивают полиспастом с допускаемой нагрузкой 2000 кг на анкерной опоре 57.

После передачи натяжения на полиспаст соединительные зажимы снимают, а несущий трос вытягивают до нормального натяжения и анкеруют.

Если временная анкеровка остается на следующий день (что делается в исключительных случаях) раскатанный и свободный конец провода должны быть убраны за пределы габарита подвижного состава.

4.7.14. Работа по анкеровке несущего троса выполняется в следующем порядке:

мастер или бригадир согласовывает с дежурным по станции время переброски троса через пути;

расставляют сигналистов для ограждения места работ с двух сторон;

производят подвеску на анкерной опоре полиспаста грузоподъемностью 2000 кг;

устанавливают на конце несущего троса крюковой зажим с таким расчетом, чтобы его можно было достать крюком полиспаста;

по команде бригадира или мастера трос переносят через пути, подвешивают на консоль (опора 55, см. рис. 46), цепляют крюковым зажимом за крюк полиспаста и производят вытяжку;

освобождают трос от временной анкеровки и производят вытяжку его полиспастом грузоподъемностью 2000 кг на анкерной опоре;

монтируют постоянную анкеровку;

переводят трос в седло на остальных поперечинах.

Примечания. 1. Сигналистов снимают после устройства постоянной анкеровки.

2. В случае приближения поезда и невозможности пропуска последнего, ответственный руководитель обязан принять меры к остановке поезда.

4.8. РАСКАТКА КОНТАКТНЫХ ПРОВОДОВ НА СТАНЦИЯХ

4.8.1. Раскатка контактных проводов с подвязыванием к струнам, смонтированным на несущем тросе производится с раскаточного поезда.

Для выполнения работ по раскатке контактных проводов бригада должна быть оснащена теми же машинами, инструментом и приспособлениями, что и при раскатке несущих тросов.

4.8.2. Компенсирующий узел, как правило, следует монтировать предварительно.

Штанги для грузов на первых по ходу раскатки анкерных опорах следует привязывать к опоре проволокой на высоте, определяемой по монтажным таблицам плюс 0,5 м.

Концы контактных проводов на барабанах, погруженных на раскаточную платформу, следует проверить, чтобы не было захлестывания, и прикрепить их к барабану.

Конец контактного провода посредством клинового зажима крепят к деталям компенсированной анкеровки, после чего производят раскатку контактного провода и временную подвязку его струнами к несущему тросу.

4.8.3. На опорах, установленных с внешней стороны кривой, следует закрепить временные оттяжки из стальной проволоки диаметром 4 - 5 мм. Во время раскатки контактный провод необходимо подтягивать к этим оттяжкам с целью облегчения последующей установки фиксаторов и точной установки положения грузов в соответствии с монтажными таблицами.

Рис. 47. Схема монтажа компенсированной анкеровки двойного контактного провода:

1 - клиновой зажим; 2 - неподвижный компенсаторный ролик; 3 - подвижные компенсаторные ролики; 4 - врезная штанга; 5 - крюковой зажим; 6 - струбцина; 7 - уравнительный ролик

4.8.4. Анкеровку контактного провода (рис. 47) на анкерной опоре соответствующего пути в противоположной стороне станции выполняют в следующем порядке:

укладывают грузы на штангу компенсатора;

монтируют крюковые зажимы на контактный провод и врезную штангу;

закрепляют полиспаст одним блоком к штанге, а другим (с ведущим концом веревки) посредством струбцины - к контактному проводу;

вытягивают контактный провод с помощью полиспаста (вытяжку следует производить до тех пор, пока штанга с грузами не поднимется на высоту, указанную в монтажных таблицах);

заделывают по месту на конец контактного провода клиновой зажим;

крепят контактный провод к анкеровочной штанге.

В случае раскатки двух контактных проводов крюковые зажимы следует ставить на оба контактных провода; с целью обеспечения равного натяжения проводов их вытяжку следует производить через блок.

4.9. РЕГУЛИРОВКА КОНТАКТНОЙ ПОДВЕСКИ НА СТАНЦИЯХ И УСТАНОВКА ФИКСАТОРОВ

4.9.1. Для регулировки контактного провода необходимо:

установить на контактный провод струновые зажимы;

произвести регулировку контактного провода на струнах по высоте со сдвижкой струн в соответствии с монтажными таблицами;

произвести монтаж фиксаторов с установлением зигзагов и выносов;

выправить выгибы и, при необходимости, исправить положение фаски контактного провода.

4.9.2. Регулировку контактного провода производят со съемкой вышки, при этом бригада должна иметь гаечные и рихтовочные ключи, деревянный молоток и дубовое правило.

4.9.3. Установку фиксаторных кронштейнов и фиксаторных стоек звено производит с переносной лестницы, используя для подъема кронштейнов и стоек веревку («удочку») или блоки.

4.9.4. Необходимый фиксаторный кронштейн выбирают в зависимости от типа опоры (железобетонная двутавровая, коническая или металлическая).

4.9.5. Монтаж фиксаторов и регулировку зигзагов контактного провода следует производить с вышки дрезины или со съемной монтажной вышки (лейтера).

Для определения выноса контактного провода используется отвес и рейка, а для оттяжки провода - полиспаст или веревка.

4.9.6. Сборка фиксаторов и армировка их изоляторами производится в мастерской.

4.9.7. Фиксаторы на гибких поперечинах устанавливают путем непосредственного крепления их на нижнем фиксирующем тросе или с помощью специальных устройств.

Количество контактных проводов, имеющих зигзаг одного направления, должно быть, по возможности, равным количеству проводов, подвешенных на той же гибкой поперечине, имеющих зигзаг противоположного направления.

4.9.8. Регулировку контактной подвески следует производить от средней анкеровки к концам анкерного участка со съемной вышки, на которой должна быть закреплена вертикальная линейка для определения высоты контактного провода.

4.9.9. Для цепной подвески без эластичных струн высоту контактного провода под фиксатором следует принимать в соответствии с проектом, в середине пролета - по монтажным таблицам. Высоту контактного провода при эластичной подвеске определяют только по монтажным таблицам.

4.9.10. Наклон струн и угол (в плане) между осью пути и фиксатором устанавливают в соответствии с температурой воздуха во время монтажа и расстоянием струн от средней анкеровки.

4.9.11. Во время регулировки контактных проводов производится закрепление на них электрических соединителей и обводов.

4.10. МОНТАЖ УСИЛИВАЮЩИХ, ОТСАСЫВАЮЩИХ, ПИТАЮЩИХ ПРОВОДОВ, ПРОВОДОВ ДПР И ЛЭП-10 кв

4.10.1. Методы раскатки и монтажа проводов ДПР и усиливающих проводов выбирают в зависимости от способа расположения их на опорах и от условий местности.

Если усиливающий провод располагается на консолях контактной подвески, раскатка его производится теми же методами, что и раскатка несущего троса. Монтаж усиливающих проводов в этом случае должен быть выполнен до установки фиксаторов.

Усиливающие, отсасывающие, питающие провода ДПР и ЛЭП-10 кв, располагаемые с полевой стороны опор, рекомендуется раскатывать с кабельной тележки или транспортных саней, оборудованных кабельными домкратами.

Если по местным условиям такой метод раскатки применить невозможно, раскатку проводов производят на обочину пути методом «понизу» с использованием дрезины ДМ и раскаточной платформы.

Переброску проводов через опоры контактной сети следует производить до вытяжки их, а также до установки консолей и фиксаторных кронштейнов.

Раскатку проводов в исключительных случаях можно производить вручную. Провода раскатывают при этом с барабана, установленного в начале анкерного участка на козлах, кабельных домкратах или шпальной клетке.

4.10.2. Допускается при раскатке производить временную стыковку проводов одним соединительным зажимом; вытяжку проводов в этом случае производить нельзя.

Постоянная стыковка производится трубчатым соединителем перед вытяжкой проводов.

4.10.3. Механизированную раскатку проводов (с дрезины или трактором) осуществляют 3 чел.:

Электромонтер 5 разр.............................................................................. 1

»                         4   »................................................................................... 1

»                         2   »................................................................................... 1

Монтаж проводов (переброска, натяжение и анкеровка, подъемка и т.п.) производится полной комплексной бригадой.

При раскатке проводов вручную количество электромонтеров 2 разр. в бригаде увеличивается на 1 - 4 чел. (в зависимости от длины пролета).

4.10.4. Во всех случаях раскатка проводов на земле производится после расчистки ее от посторонних предметов. При необходимости под провода подкладывают доски.

По окончании раскатки производят вытяжку проводов блоками грузоподъемностью 2000 кг, а для проводов ЛЭП - грузоподъемностью 500 кг, а затем анкеровку.

4.10.5. Раскатанные провода поднимают на консоли или специальные кронштейны веревкой через блок, подвешиваемый на консолях, или полиспастом грузоподъемностью 500 кг.

4.10.6. При анкеровке алюминиевых проводов из-под овального соединителя выпускают концы проводов, используемые в дальнейшем для монтажа обводов. Длина этих концов зависит от габарита установки анкерных опор и расстояния от места анкеровки проводов до места стыкования или присоединения к разъединителю, к контактной подвеске и т.п. Место стыковки выбирают с учетом возможности его осмотра.

4.10.7. Поперечные электрические соединения следует подсоединять к усиливающему проводу на земле до его подъема и перевода в седла.

4.10.8. Для переброски отсасывающих, питающих и усиливающих проводов, а также проводов ДПР и ЛЭП-10 кв через линии связи рекомендуется использовать машины с шарнирной стрелой.

4.10.9. Для монтажа проводов бригады должны иметь следующий инструмент и приспособления:

Дрезина ДМ с раскаточной платформой или трактор (автомашина) с кабельной тележкой или санями с домкратами или козлами.................................................... 1

Полиспаст грузоподъемностью 2000 кг..................................................................... 1

Полиспаст грузоподъемностью 500 кг (или ролик с веревкой)............................... 1

Динамометр на 3000 кг................................................................................................ 1

Ножовка по металлу..................................................................................................... 1

Пресс с плашками......................................................................................................... 1

Ключ раздвижной № 4................................................................................................. 1

Ключи гаечные 19´22................................................................................................... 2

«Удочки» - (веревки).................................................................................................... 2

Лестницы монтажные.................................................................................................. 2

4.11. МОНТАЖ УСТРОЙСТВ СЕКЦИОНИРОВАНИЯ И ВОЗДУШНЫХ СТРЕЛОК

4.11.1. Место врезки секционного изолятора определяется прорабом или мастером в соответствии с планом контактной сети и со схемой секционирования станции.

4.11.2. Секционный изолятор с изолирующей вставкой или фарфоровым изолятором размещают, по возможности, ближе к опоре или гибкой поперечине, но вне пределов зоны прохождения пантографа по соседнему сопряженному на стрелке пути.

4.11.3. Двухпроводные и трехпроводные секционные изоляторы на съезде размещают следующим образом:

находят середину съезда (замер производится от оснований крестовин) и корректируют общую длину секционного изолятора в зависимости от длины съезда;

отмеряют от середины съезда в обе стороны расстояния, равные половине длины между врезными изоляторами, а затем колышками отмечают эти точки;

от колышков отмеряют расстояние, равное длине вспомогательного провода;

над одним из врезанных (в контактном проводе) изоляторов, расположенном ближе к консоли или гибкой (жесткой) поперечине, врезают изолятор в несущий трос.

4.11.4. Врезку секционного изолятора, предварительно собранного в мастерских или на заводе, производят после продольной регулировки контактного провода с использованием съемной вышки, полиспаста грузоподъемностью 500 кг, стяжной муфты и крюковых зажимов.

4.11.5. Секционный изолятор с изолирующими вставками или фарфоровыми изоляторами в контактном проводе монтируют следующим образом:

врезают изолятор в несущий трос при помощи стяжной муфты;

ослабляют контактный провод при помощи стяжной муфты на участке, где должен монтироваться секционный изолятор;

вырезают ослабленный участок контактного провода;

поднимают готовый секционный изолятор наверх и стыкуют его с основным контактным проводом;

подвешивают на струнах и окончательно регулируют секционный изолятор с одновременной выправкой и рихтовкой контактного провода в монтируемом пролете.

4.11.6. Двухпроводный секционный изолятор монтируют следующим образом:

размечают место монтажа секционного изолятора;

врезают изолятор в несущий трос с помощью стяжной муфты и крюковых зажимов;

ликвидируют натяжение на участке контактного провода посредством стяжной муфты; вырезают кусок контактного провода длиной 20 см; подстыковывают к основному контактному проводу дополнительный контактный провод и сочленяют его с дополнительным тросом через изоляторы; вытягивают и закрепляют конец дополнительного троса через зажимы средней анкеровки к рабочему проводу;

заделывают в клиновой зажим следующий конец контактного провода и сочленяют его с другим дополнительным тросом через изоляторы; временно закрепляют конец троса к рабочему проводу посредством зажимов средней анкеровки;

выравнивают натяжения в ветвях с помощью полиспаста грузоподъемностью 500 кг, устанавливают коромысла и регулируют воздушный промежуток с выправкой контактного провода.

4.11.7. Трехпроводный секционный изолятор (см. приложение 10) монтируют следующим образом:

врезают изоляторы в несущий трос с помощью стяжной муфты;

ликвидируют натяжение контактного провода (в месте врезки) посредством стяжной муфты, прикрепляют концы разрезанного контактного провода к стержневому изолятору вместе с двойной распоркой;

закрепляют заготовленные концы контактных проводов секционного изолятора на рабочем контактном проводе посредством переходного зажима;

натягивают ветви секционного изолятора полиспастом и закрепляют оттяжки зажимов средней анкеровки к рабочему контактному проводу;

закрепляют одиночную распорку на рабочем контактном проводе и двойную на ветвях секционного изолятора;

производят выправку перекосов и правку контактных проводов при помощи деревянного молотка и правила.

4.11.8. Изоляторы в несущий трос врезают следующим образом:

с помощью съемной вышки и трехметровой лестницы устанавливают крюковые зажимы со струбциной и натяжной муфтой на участке врезки изолятора;

ликвидируют натяжение несущего троса в месте врезки изолятора (стяжной муфтой) и разрезают трос;

заделывают один конец троса и сочленяют его с изолятором, временно подвязанным к струбцине;

соединяют изолятор с врезной штангой (если несущего троса хватает для сочленения с изоляторами, врезную штангу не устанавливают);

замеряют и заделывают другой конец троса, сочленяемый с врезной штангой;

ослабляют натяжение муфты и демонтируют натяжные приспособления;

делают бандаж на концы троса из мягкой проволоки.

4.11.9. При монтаже секционных изоляторов применяется следующий инструмент и монтажные приспособления:

Съемная вышка.......................................................................................... 1

Полиспаст грузоподъемностью 500 кг................................................... 1

Стяжная муфта на 3000 кг........................................................................ 1

Струбцины стальные................................................................................ 2

Крюковые зажимы.................................................................................... 2

Ключ гаечный 22´27................................................................................ 1

»             14´17................................................................................. 1

»             19´22................................................................................. 1

Молоток..................................................................................................... 1

Ножовка по металлу................................................................................. 1

Пассатижи................................................................................................. 1

Гибмашина для контактного провода.................................................... 1

4.11.10. Воздушные стрелки следует монтировать после монтажа компенсирующих устройств, регулировки контактных проводов, установки фиксаторов и фиксирующих оттяжек.

4.11.11. Порядок работы по монтажу воздушной стрелки следующий:

определяют точку пересечения контактных проводов на пути;

опускают отвес с контактного провода;

монтируют фиксаторы и устанавливают необходимые зигзаги контактных проводов (точка пересечения контактных проводов воздушной стрелки должна совпадать с намеченной точкой на пути по отвесу);

регулируют контактную подвеску по высоте и монтируют приемные струнки (они должны находиться над внешней стороной головки рельса в месте пересечения с ним контактного провода);

устанавливают электрические соединители;

устанавливают крестовую накладку;

регулируют ветви воздушной стрелки по уровню (если приемные струнки расположены друг против друга, контактные провода устанавливают на одной высоте, а если между приемными струнами имеется определенное расстояние вдоль пути, то под ними контактный провод поднимают на 15 - 20 мм, а в середине между приемными струнами контактные провода устанавливают на одном уровне);

производят дополнительную регулировку после монтажа секционных изоляторов.

4.11.12. Монтаж и регулировка воздушных стрелок должны быть организованы так, чтобы на небольших станциях каждую горловину путей монтировали не более одной-двух бригад, а на крупных станциях - несколько бригад, каждая из которых должна монтировать свой ряд прилегающих друг к другу путей, образующих воздушные стрелки.

Номера стрелок, монтируемых той или иной бригадой, следует регистрировать.

Для монтажа воздушной стрелки применяется следующий инструмент и приспособления:

Съемная вышка с навесной трехметровой лестницей.......................... 1

Отвес.......................................................................................................... 1

Уровень с рейкой...................................................................................... 1

Ключи рихтовочные................................................................................. 2

Ключи гаечные (разные).......................................................................... 3

Ключ разводной № 3................................................................................ 1

Ножовка по металлу................................................................................. 1

Молоток слесарный.................................................................................. 1

Правило дубовое со свинцовым молотком............................................ 1

4.11.13. Секционные разъединители монтируют с использованием приставной лестницы и «удочки» (веревки) или со съемной вышки.

Для подъема на опору отдельных конструкций или разъединителя используют полиспаст грузоподъемностью 500 кг.

4.11.14. Порядок работ по монтажу секционного разъединителя следующий:

устанавливают элементы крепления разъединителя на опоре;

устанавливают на опору изоляторы и собранный разъединитель;

устанавливают на опору детали крепления тяги привода и затем тягу привода;

крепят на опоре привод и соединяют его с разъединителем;

присоединяют шлейфы секционного разъединителя к электрическому соединению контактной сети;

смазывают контакты разъединителя и трущиеся части привода;

регулируют разъединители (нож с вилкой и рога).

4.11.15. Шлейфы разъединителя присоединяют к контактной подвеске через изоляторы; при этом изолятор одной стороной крепят к несущему тросу, а к другой подсоединяют и закрепляют шлейфы разъединителя. Концы шлейфов крепят к электрическому соединению с помощью соединительных зажимов.

При пересечении шлейфов секционного разъединителя с несущим тросом другого пути или другой ветви в местах продольного секционирования, шлейф подвешивают к пересекаемому несущему тросу через изолятор.

4.11.16. Регулировка секционного разъединителя электрифицируемых участков на постоянном токе должна обеспечить:

правильный заход ножа в вилку;

касание рогов друг друга на всем протяжении отключения и включения;

опережение разрыва ножа с вилкой относительно разрыва рогов при отключении разъединителя;

опережение соединения рогов относительно ножа с вилкой при включении.

При включенном положении разъединителя нож не должен доходить до шапки неподвижного изолятора на 5 мм (регулировка осуществляется с помощью шарнирных ушков соединительной тяги).

4.11.17. При регулировке разъединителя переменного тока необходимо добиться полного включения ножа в вилку с нормальным нажатием губок вилки на нож. Для этого необходимо:

устранить недопустимые зазоры подкладкой шайб между трубой и овальным наконечником в верхнем и нижнем шарнирах тяги привода;

отрегулировать соединительную тягу изоляторов и закрепить ее контргайками;

проверить болтовые соединения, с помощью которых разъединитель крепят к несущим конструкциям;

проверить крепление стопорных болтов на муфте тяги в месте сочленения двух труб привода;

4.11.18. Для монтажа секционных разъединителей рекомендуется применять следующий комплект инструментов и приспособлений:

Съемная монтажная вышка с трехметровой лестницей

(или приставная лестница)...................................................................... 1

Полиспаст грузоподъемностью 500 кг................................................... 1

Ключ гаечный 14´7.................................................................................. 1

»           17´19................................................................................. 1

»           19´22................................................................................. 1

Ключ раздвижной № 4............................................................................. 1

Ножовка по металлу................................................................................. 1

«Удочка» (веревка)................................................................................... 1

Полотно наждачное.............................................................................. 0,2 м2

Пассатижи................................................................................................. 1

Молоток..................................................................................................... 1

4.12. МОНТАЖ ЗАЗЕМЛЕНИЙ, РАЗРЯДНИКОВ И РАЗЪЕДИНИТЕЛЕЙ

4.12.1. Заземление металлических конструкций, используемых для подвески и крепления проводов контактной сети, а также всех других металлических конструкций, расположенных на расстоянии менее 5 м (по горизонтали) от находящихся под напряжением проводов контактной сети для участков постоянного тока и 10 м - для переменного тока (светофорные стойки, гидроколонки, пешеходные мосты и др.), должно быть выполнено в соответствии с проектом до подачи напряжения в контактную сеть.

4.12.2. Заземления металлических частей опор контактной сети, мостов и путепроводов монтируют с помощью легкой переносной лестницы.

4.12.3. Порядок работ по монтажу заземления следующий:

крепят заземляющий провод к консоли и фиксаторному кронштейну, а также к хомутам анкеровок на анкерных опорах;

укладывают заземляющий проводник по опоре с закреплением его на опоре в определенных точках (на участках постоянного тока);

прокладывают заземляющий проводник по кювету и обочине и соединяют его с проводником, проложенным по опоре (на участках постоянного тока) или внутри опоры (на участках переменного тока);

подсоединяют проводник к ближнему от опоры электротяговому рельсу.

4.12.4. Для заземляющего проводника (шины) применяют круглую сталь марки Ст.2 или Ст.3 диаметром 12 мм для постоянного тока и 10 мм - для переменного тока.

На металлической опоре заземляющий проводник крепят болтами к специально приваренной для этого планке или к раскосу опоры.

4.12.5. Монтаж спусков заземляющего проводника по опоре следует производить в период армировки опор консолями, кронштейнами и т.п.

4.12.6. На конических центрифугированных железобетонных опорах проводник заземления (спуск) должен крепиться в двух точках: между фиксаторным кронштейном (или пятой консоли) и основанием опоры - бандажом из стальной оцинкованной проволоки диаметром 2 - 5 мм, а внизу на высоте 1 м от поверхности земли - хомутом из полосовой стали.

На двутавровых опорах заземляющий проводник крепят с помощью крюковых болтов.

На участках переменного тока заземляющий проводник прокладывают в бетоне опоры; вывод проводника из тела опоры соединяют заземлителем с рельсовой цепью. Заземляющий проводник и хомуты, монтируемые на опоре, перед установкой должны быть окрашены.

4.12.7. Заземляющие проводники, прокладываемые от опор к электротяговому рельсу, заготавливают в мастерских на основании данных ведомости фактических габаритов установленных опор, составляемой при приемке опор под монтаж, данных о поперечном профиле земляного полотна (насыпи или выемки) и плана контактной сети.

Заземлители развозят автомашинами или рельсовым транспортом.

4.12.8. Искровой промежуток монтируют следующим образом:

на высоте 1 м от земли на опоре устанавливают специальную конструкцию, к которой своим верхним контактом крепят искровой промежуток;

к нижнему контакту искрового промежутка закрепляют заземляющий проводник, прокладываемый от опоры к рельсу;

спуск заземления, идущий по опоре, подсоединяют к выступающему концу верхнего контакта конструкции крепления искрового промежутка;

на металлических опорах искровой промежуток крепят к раскосу опоры.

4.12.9. Для заземляющего троса группового заземления применяют: на линиях, электрифицируемых на переменном токе, - провод марки ПБСМ 60 или ПБСМ 70; на линиях, электрифицируемых на постоянном токе, - провод ПБСМ 70 или ПБСМ 95.

4.12.10. Тросы групповых заземлений раскатывают, как правило, с дрезины на обочину с последующей переброской через опору или с прошивкой по горизонтали.

4.12.11. Анкеровку заземляющего троса крепят:

на двутавровых опорах на перегонах - на высоте около 2 м от условного обреза фундамента;

на металлических опорах - на уровне крепления нижнего фиксирующего троса;

на центрифугированных опорах - на высоте 4 м от уровня заделки в грунт.

4.12.12. Максимальное натяжение в заземляющем тросе не должно превышать 400 кг.

Натяжение заземляющего троса (см. приложение 10) определяют с помощью монтажных таблиц.

4.12.13. Групповое заземление присоединяют к средней точке дроссель-трансформатора или к тяговому рельсу.

4.12.14. Групповое заземление монтируют в следующем порядке:

монтируют на опорах крепительные детали подвески и анкеровки заземляющего троса;

раскатывают заземляющий трос, вытягивают его полиспастом грузоподъемностью 500 кг и анкеруют;

поднимают заземляющий трос в седла и укрепляют его;

подсоединяют стальные детали опор к тросу группового заземления и осуществляют монтаж спусков.

4.12.15. Заземляющий проводник, прокладываемый от опоры к электротяговому рельсу или дросселю, должен быть тщательно покрыт двухслойной битумной изоляцией или другим предусмотренным в проекте составом.

4.12.16. Для монтажа заземлений рекомендуется следующий комплект инструментов и приспособлений:

Монтажная лестница................................................................................ 1

Полиспаст грузоподъемностью 500 кг................................................... 1

Струбцины................................................................................................. 2

Натяжные зажимы.................................................................................... 2

Молоток..................................................................................................... 1

Ключи гаечные разные............................................................................. 3

Ключ раздвижной № 4............................................................................. 1

Пассатижи................................................................................................. 1

4.12.17. Роговые разрядники на участках постоянного тока, как правило, располагают на вершинах опор.

Провода (шлейфы) от разрядника к несущему тросу подключают через изолятор П-4,5. Конец шлейфа разрядника присоединяют к электрическому соединению.

При компенсированной цепной подвеске длина троса (шлейфа) не должна препятствовать перемещению подвески вдоль пути.

4.12.18. На участках, электрифицируемых на переменном токе, применяются трубчатые разрядники.

Трубчатые разрядники дополняются внешним искровым промежутком, который образуется электродами из прутка диаметром не менее 10 мм.

Трубчатый разрядник устанавливают открытым концом вниз под углом 15 - 20°, а в местах, подвергающихся усиленному загрязнению, угол увеличивается до 45°.

Электрод дополнительного (внешнего) искрового промежутка разрядника закрепляют на изоляторе ИФС-27,5 и присоединяют к электрическому соединению проводом марки МГГ-70.

4.12.19. Разрядники комплектуют в мастерской прорабского пункта.

Собранные разрядники развозят по перегону или станции к месту их установки.

4.12.20. Разрядники монтируют следующим образом:

поднимают и закрепляют разрядник на опоре;

подсоединяют шлейфы разрядников к электрическим соединениям;

проверяют и регулируют по шаблону пробивные воздушные промежутки разрядника.

4.12.21. При монтаже разрядников применяются следующие инструменты и приспособления:

Легкая лестница или лейтер.............................................................................. 1

Полиспаст или ролик с «удочкой» для подъема рогового разрядника......... 1

Ключи гаечные разные....................................................................................... 3

Ключ разводной № 4.......................................................................................... 1

Ножовка по металлу........................................................................................... 1

Полотно наждачное....................................................................................... 0,25 м2

4.13. МОНТАЖ КОНТАКТНОЙ ПОДВЕСКИ В ИСКУССТВЕННЫХ СООРУЖЕНИЯХ

4.13.1. Способ монтажа контактной подвески в искусственных сооружениях зависит от типа и конструкции сооружения, его длины и высоты сооружения над уровнем головки рельсов.

4.13.2. Для монтажа подвески в искусственных сооружениях рекомендуется применять следующие инструменты и приспособления:

Съемная вышка.......................................................................................... 1

Ключи гаечные разные...................................................................... 1 компл.

Молоток слесарный.................................................................................. 1

Муфта стяжная.......................................................................................... 1

Крюковые зажимы.................................................................................... 2

Струбцины разной длины........................................................................ 2

Пассатижи................................................................................................. 1

Рихтовочный ключ.................................................................................... 1

Правило и молоток деревянный....................................................... 1 компл.

4.13.3. В искусственных сооружениях (путепроводы, однопутные и двухпутные сигнальные и пешеходные мосты и т.п.), длина которых не превышает 12 м, контактную подвеску монтируют одним из следующих способов:

с пропуском подвески без крепления к искусственному сооружению;

с креплением несущего троса к искусственному сооружению и включением в трос изолирующей вставки;

с анкеровкой несущего троса за искусственное сооружение;

с использованием искусственного сооружения как опоры.

4.13.4. При монтаже подвески с анкеровкой несущего троса за искусственное сооружение выполняют следующие работы:

а) анкеруют несущий трос на искусственном сооружении;

б) монтируют обводы;

в) монтируют отбойники для несущего троса или контактных проводов;

г) устанавливают ограничительные кольца;

д) монтируют выносные кронштейны и устанавливают фиксаторы на контактный провод;

е) монтируют снижение контактного провода под искусственное сооружение.

4.13.5. Несущий трос на искусственном сооружении анкеруют с помощью стяжной муфты или полиспаста, крюковых зажимов и струбцин, которые устанавливают на несущем тросе.

Вытянутый и ослабленный несущий трос разрезают. На месте разреза устанавливают с двух сторон бандаж из мягкой проволоки.

После разреза концы несущего троса, заделанные в коуш, соединяют с изоляторами и штангами и анкеруют с обеих сторон на искусственном сооружении или же через изоляторы закрепляют на анкеровочной вставке, которая выполняется из полосовой или круглой стали.

Анкеровочную изолирующую вставку закрепляют после монтажа на искусственном сооружении с помощью хомутов или других приспособлений, предусмотренных проектом.

4.13.6. Монтаж обводов может быть осуществлен в междупутье, по искусственному сооружению.

При монтаже обвода по искусственному сооружению необходимо установить кронштейны, на которые подвешивают обвод через изоляторы в седла. Кронштейны рекомендуется делать выносными.

Сечение проводов обвода должно быть равно сечению разрезанного несущего троса.

4.13.7. После монтажа обвода производят: установку ограничительных колец или отбойников, установку электрических соединений, монтаж выносных фиксаторных кронштейнов, установку зигзага фиксатором, монтаж снижения контактного провода под искусственным сооружением (если есть в этом надобность), выкрутку и выправку контактного провода.

4.13.8. Дополнительный контактный провод монтируют после монтажа поперечных тросов или специальных кронштейнов, на которые затем подвешивают контактные провода; последним следует обеспечить возможность продольного перемещения.

4.13.9. Изоляторы в тоннелях, при наличии электровозной и тепловозной (паровозной) тяги, выносят от оси пути за габарит пантографа.

Контактный провод при одинарной цепной подвеске рекомендуется относить от оси пути на 30 - 40 см.

При подвеске двух контактных проводов последние должны быть раздвинуты от оси пути на такую же величину.

4.13.10. Если габарит искусственного сооружения по вертикали допускает подвеску контактной сети, то искусственное сооружение рекомендуется использовать как промежуточную опору.

Конструкция подвески несущего троса на искусственном сооружении при компенсированной подвеске должна обеспечивать возможность продольного перемещения троса.

4.13.11. Работы на малых искусственных сооружениях производят со съемной вышки.

Место работы ограждается сигналистами в соответствии с требованиями «Инструкции по сигнализации на железных дорогах Союза ССР».

4.13.12. Работы по монтажу подвески в тоннелях и на больших мостах производятся в «окна» с ограждением места производства работ согласно «Инструкции по сигнализации» (как препятствия для движения поездов).

Связь сигналиста с ответственным производителем работ должна быть надежной. При необходимости такая связь может осуществляться по телефону.

Раздел 5

ТЕХНОЛОГИЯ МОНТАЖА ОБОРУДОВАНИЯ ТЯГОВЫХ ПОДСТАНЦИЙ

5.1. ОБЩИЕ УКАЗАНИЯ

5.1.1. Настоящие «Технические указания» распространяются на электромонтажные работы, выполняемые на тяговых подстанциях постоянного и переменного тока вновь электрифицируемых участков железных дорог СССР.

5.1.2. Работы по монтажу тяговой подстанции могут быть начаты только при наличии проектной и сметной документации, а также проекта производства электромонтажных работ.

Монтажные работы на тяговых подстанциях выполняются после приемки под монтаж строительной части подстанции согласно требованиям «Технических условий производства строительных и монтажных работ при электрификации железных дорог (устройства энергоснабжения)» (ВСН 12-59).

По согласованию между строительной и монтажной организациями допускается производство строительных и монтажных работ по совмещенному графику.

5.1.3. Все работники, ведущие монтаж и наладку тяговых подстанций, постов секционирования, комплектных трансформаторных подстанций (КТП) и пунктов группировок контактной сети, должны иметь удостоверения о сдаче ими следующих: экзаменов:

правил техники безопасности при монтаже тяговых подстанций;

правил технической эксплуатации и безопасности обслуживания электроустановок промышленных предприятий (для руководителей и наладчиков);

правил безопасности при эксплуатации тяговых подстанций электрифицированных железных дорог (для наладчиков);

«Правил технической эксплуатации железных дорог Союза ССР»;

«Инструкции по сигнализации на железных дорогах Союза ССР»;

«Технических условий производства и приемки строительных и монтажных работ при электрификации железных дорог (устройства энергоснабжения)» (ВСН 12-59);

правил устройства электроустановок (в объеме, необходимом для занимаемой должности).

Экзамены принимаются комиссией, назначаемой в соответствии с действующими положениями.

5.1.4. Руководители электромонтажных работ (прораб, мастер) обязаны вести запись в журнале производства работ с указанием сроков начала и окончания работы и фамилий ее исполнителей.

Законченные работы должны быть приняты прорабом или мастером с проверкой соответствия рабочим чертежам и техническим условиям.

5.1.5. Применяемое на тяговых подстанциях оборудование (аппараты, трансформаторы, измерительные приборы, кабели и пр.) и материалы должны соответствовать требованиям ГОСТов или технических условий, утвержденных в установленном порядке.

На электрооборудовании должны быть таблички с техническими данными, предусмотренными ГОСТом или техническими условиями.

Оборудование, поступающее на монтаж, должно проверяться с точки зрения состояния и комплектности прорабом в присутствии заказчика.

5.1.6. Замена одного вида оборудования или аппаратуры другим может быть произведена только с согласия проектирующей организации и заказчика, что оформляется в установленном порядке с внесением исправлений в рабочие чертежи или схемы.

5.1.7. Для выполнения электромонтажных работ (кроме ревизии маслонаполненного оборудования, пусконаладочных работ, переборки и формовки РВ и аккумуляторной батареи) прорабский пункт должен иметь комплексные бригады с общей численностью от 25 до 40 чел. на одной подстанции.

Примерный состав бригады по квалификациям:

Электромонтеры 2 разр............................................................................. 6 чел.

»             3   »................................................................................. 8  »

»             4   »................................................................................. 8  »

»             5   »................................................................................. 4  »

»             6   »................................................................................. 4  »

Итого          30 чел.

Для производства отдельных видов монтажных работ прорабом или мастером выделяется количество рабочих, необходимое для своевременного выполнения данной работы, исходя из ее объема и соблюдения правил техники безопасности при монтаже.

5.1.8. Рекомендуется всемерное обучение рабочих смежным специальностям для исключения возможных простоев отдельных рабочих при несвоевременном поступлении оборудования и материалов на монтажные площадки.

5.1.9. Электромонтажные работы на тяговых подстанциях выполняются электромонтажными поездами, в состав которых входит несколько прорабских пунктов.

Каждый из прорабских пунктов выполняет работы на одной-двух тяговых подстанциях. В его распоряжении должен быть специальный технологический вагон (мастерская) с необходимым оборудованием и инструментом, своя передвижная электростанция.

Прорабский пункт должен быть оснащен следующим оборудованием и приспособлениями для производства электромонтажных работ на тяговых подстанциях:

Дизель-генераторная электростанция типа ЖЭС-30 или ЖЭС-60............ 1

Токарно-винторезный станок........................................................................ 1

Сверлильный станок для заготовки отверстий до 25 мм............................ 1

То же до 15 мм................................................................................................. 1

Обдирочно-заточный станок.......................................................................... 1

Электродрели до 20 мм................................................................................... 2

»             до 15   ».................................................................................... 3

»             до 8     ».................................................................................... 3

Электросварочный агрегат переменного тока............................................. 1

То же постоянного тока.................................................................................. 1

Рычажные пресс-ножницы............................................................................. 2

Строительно-монтажные пистолеты СМП-1............................................... 2

Ручные гидропрессы РГП-7М........................................................................ 2

Трансформатор переносный паяльный......................................................... 1

Клещи для пайки проводов............................................................................. 1

Пресс-клещи ПК-1........................................................................................... 1

»           ПК-2........................................................................................... 1

Клещи типа КТ-1 или КТ-2............................................................................ 2

Трубогиб типа ВГС-10.................................................................................... 1

Лебедка ручная малая..................................................................................... 1

Домкраты реечные грузоподъемностью 6 т................................................ 4

Домкраты кабельные...................................................................................... 1

Станок для изгибания шин плашмя............................................................... 1

То же на ребро................................................................................................. 1

Таль грузоподъемностью 5 т......................................................................... 1

Полиспаст грузоподъемностью 0,5 т............................................................ 1

То же 1 т.......................................................................................................... 1

Станок для забивки электродов заземления*............................................... 1

Кабельный укладчик*..................................................................................... 1

Автокран грузоподъемностью 5 т*............................................................... 1

Автомашина грузоподъемностью 3 т*......................................................... 1

Машина с шарнирной стрелой МШТС-2*.................................................... 1

Специальный вагон масляного хозяйства**................................................. 1

Специальный вагон по переборке РВ**........................................................ 1

Вагон для монтажа аккумуляторной батареи**........................................... 1

* Придается прорабскому пункту по мере надобности поездом.

** Принадлежит прорабскому наладочному пункту.

5.1.10. Конструкции и оборудование необходимо отгружать на подстанции в собранном виде или в виде отдельных монтажных узлов, изготовленных и смонтированных на заводах или в мастерских.

5.1.11. На тяговых подстанциях постоянного и переменного тока электрифицируемых магистральных железных дорог производятся монтаж открытой части, монтаж закрытой части и пуско-наладочные работы.

5.1.12. К монтажу открытой части относятся следующие работы:

монтаж заземления;

установка оборудования: силовых трансформаторов, масляных выключателей, разъединителей, короткозамыкателей, разрядников, измерительных приборов;

обработка маслонаполненного оборудования, включающая ревизию трансформаторов, регулировку масляных выключателей, сушку и заливку трансформаторного масла (на тяговых подстанциях переменного тока работы, связанные с монтажом выпрямительных агрегатов, отсутствуют);

ошиновка - монтаж сборных шин, подключение оборудования;

сборка и регулировка оборудования;

прокладка, разделка и подключение силовых и контрольных кабелей;

подключение оборудования к контуру заземления;

монтаж освещения открытой части.

5.1.13. К монтажу закрытой части относятся следующие работы:

прокладка внутреннего контура заземления;

монтаж освещения помещений здания подстанций;

монтаж, переборка и формовка ртутных выпрямителей;

монтаж и формовка аккумуляторных батарей;

монтаж фильтрующего устройства;

кабельные работы;

монтаж распределительных устройств.

Кроме того, в объем работ по монтажу закрытой части тяговой подстанции входит установка и подключение зарядного и подзарядного агрегатов, силового оборудования (моторы вентиляторов, насосов и др.).

5.2. МОНТАЖ ОТКРЫТОЙ ЧАСТИ ПОДСТАНЦИИ

а) Установочные работы

5.2.1. Погрузочно-разгрузочные работы и установку оборудования на строительные конструкции следует производить автокраном грузоподъемностью 3 т (рис. 48), а транспортировку - автомашиной той же грузоподъемности. Подвозку отдельных изделий к стоянке автокрана можно производить также автопогрузчиком с вилочным захватом.

5.2.2. Кабельные каналы на участках (на рис. 48 обозначенных «проезд») до окончания ошиновочных работ временно разбирают для проезда машин.

б) Заземление

5.2.3. Наружный контур заземления состоит из проложенных в траншеях шин, приваренных к электродам заземления. Электродами служат газовые трубы длиной 2,5 м или стальной уголок.

Забивать электроды в грунт рекомендуется вибрационной установкой, подвешиваемой на крюк автокрана и установленной своей пригрузочной плитой на электрод. Приводом служит электродвигатель (4,5 квт, 1450 об/мин). Погружение (при длине электродов 2,5 - 3 м) длится от 1 до 3 мин.

Рис. 48. Технологическая схема установочных работ на открытой части тяговой подстанции

Рис. 49. Конструкции заземления открытой части тяговой подстанции:

а - электрод наружного контура заземления; б - соединение заземляющей шины со стальной конструкцией; в - заземление разъединителей; 1 - заземляющий проводник из круглой стали; 2 - электрод заземления из трубы; 3 - заземляющая шина из полосовой стали; 4 - стальная конструкция; 5 - заземляющая шина

Взамен вибрационной установки можно применить станок с приводом от электродвигателя (приложение 11).

5.2.4. Заземление монтирует звено из трех электромонтеров, один из которых имеет права электросварщика. Заземляющие шины укладывают в предварительно заготовленные траншеи. Элементы заземления и стыки заземляющих шин соединяют сваркой.

5.2.5. Заземляющие шины выполняются из полосовой или круглой стали.

5.2.6. К наружному контуру заземления строительные конструкции присоединяют электросваркой, а технологическое оборудование - с помощью крепежных деталей к местам, специально предусмотренным для этой цели (рис. 49).

Каждый заземляющий элемент электроустановки должен быть присоединен к заземлителю или к заземляющей магистрали при помощи отдельного ответвления. Последовательное включение в заземляющий проводник нескольких заземляемых частей запрещается. Все места подсоединений к контуру заземления должны быть выполнены с наиболее доступной стороны для периодического осмотра во время эксплуатации.

в) Ошиновка открытого распределительного устройства

5.2.7. Гибкие шины открытого распределительного устройства проектируются из сталеалюминиевых голых проводов (приложение 12), подвешенных на изоляторах П-4,5, собранных в гирлянды. Количество изоляторов в гирлянде определяется проектом и диктуется принятым напряжением.

Для напряжения 35 кв гирлянда состоит из четырех изоляторов П-4,5, а для напряжения 110 кв - из восьми изоляторов П-4,5. Количество изоляторов может быть увеличено в случае загрязнения атмосферы в районе подстанции (угольной пылью, летучими отходами химических заводов) или при непосредственной близости от моря.

5.2.8. В процессе сборки гирлянд необходимо производить наружный осмотр каждого изолятора для проверки целости глазури, отсутствия трещин и сколов, надежности армировки. Одновременно изоляторы очищаются от пыли и грязи.

5.2.9. Перед началом работы по подвеске и натяжке ошиновки необходимо осмотреть закладные детали порталов и приваренных к ним ушек для анкеровки проводов. Ошиновку необходимо начинать с подвески более высоких перекидок - мостов и затем уже подвешивать более низкие сборные шины.

5.2.10. Цепи ошиновки, как правило, необходимо выполнять целыми проводами. Для этого анкеровку проводов ошиновки к порталам делают с помощью вставок из стального троса или же штанг из круглой стали. Провода нарезают с учетом длины спусков к аппаратуре.

Так, например, при ошиновке двухпролетных сборных или обводных шин без секционного разъединителя или масляного выключателя отмеренные концы проводов раскатывают на земле по месту подвески равными концами от среднего портала в обе стороны. Затем размечают ось основания опоры среднего портала; от оси в обе стороны по проводу отмеряют для ОРУ напряжением 35 кв - по 1400 мм, а для ОРУ напряжением 110 кв - по 2300 мм. В этих местах закрепляют натяжные болтовые зажимы с таким расчетом, чтобы отверстие зажима совпадало с концом отмеренных длин провода от оси опоры портала.

Выбор типа натяжного зажима определяется проектом и берется в зависимости от сечения подвешиваемого провода.

5.2.11. Подвеску провода начинают с крайнего провода среднего портала. Гирлянду изоляторов сцепляют с проводом одной стороны шин через натяжной зажим, провод с гирляндой поднимают при помощи монтажного ролика к порталу и подвешивают. После этого поднимают отдельную гирлянду и подвешивают по другую сторону ригеля портала на эту же фазу сборных или обводных шин. Затем подтягивают висящий провод с закрепленным ранее натяжным зажимом и сцепляют его с гирляндой изоляторов, после чего обе гирлянды этой фазы занимают отвесное положение вместе с подвешенным проводом. По выполнении перечисленных работ переходят к одному из крайних порталов и натягивают провод для того, чтобы отмерить расстояние до места установки натяжного болтового зажима. При отмеривании учитывают расстояние от оси ригеля до ушка анкеровки, а также длину гирлянды изоляторов. Перед закреплением зажима необходимо надеть овальные соединители или ответвительные прессуемые зажимы, если они требуются, сориентировав их относительно подключаемого к ним оборудования.

5.2.12. Натяжение сборных шин ОРУ выполняется по монтажным таблицам, выдаваемым проектными организациями.

В случае их отсутствия можно руководствоваться габаритными условиями, приведенными на рис. 50.

Изоляционные расстояния, которые должны быть выдержаны после монтажа, приведены в табл. 11. Перетяжка сборных шин ОРУ независимо от их длины не допускается.

Рис. 50. Минимальные изоляционные расстояния в свету от токоведущих частей до элементов открытого распределительного устройства подстанций 34 ¸ 500 кв:

а - между токоведущими частями разных фаз и между ними и заземленными частями при жесткой ошиновке; б - между токоведущими частями разных фаз и между ними и заземленными частями (размер а определяется возможными понижениями проводов в пролете под действием ветра или изменений температуры); в - от токоведущих частей до габаритов транспортируемого оборудования; г - от неограждаемых токоведущих частей до земли и от нижней кромки фарфора изоляторов до земли; д - от токоведущих частей до верхней кромки внешней ограды; е - между токоведущими частями разных цепей (предусмотрено обслуживание одной цепи при не отключенной другой); ж - высота ограждений низко установленных аппаратов и минимальные расстояния от токоведущих и незаземленных частей до постоянных внутренних ограждений; з - от контактов разъединителей в отключенном положении до заземленных и токоведущих частей; и - между токоведущими частями разных цепей в разных плоскостях (предусмотрено обслуживание нижней цепи при не отключенной верхней); к - между токоведущими частями и зданиями или сооружениями

Таблица 11

Расстояние, мм

Напряжение, кв

3 ¸ 10

20

36

110

150

220

330

500

Аф - з

200

100

400

900

1300

1800

2500

3750

Аф - ф

220

330

440

1000

1400

2000

2800

4200

В

950

1050

1150

1650

2050

2550

3250

4500

С

2900

3000

3100

3600

4000

4500

5200

6450

Д

2200

2300

2400

2900

3300

3800

4500

5750

5.2.13. Присоединение гибких проводов к плоским контактным выводам аппаратов на тяговых подстанциях должна выполняться с помощью аппаратных и ответвительных прессуемых зажимов (рис. 51) и, как исключение, - с помощью аппаратных болтовых зажимов (рис. 52).

Рис. 51. Соединение голых проводов, оконцованных аппаратным и ответвительным прессуемыми зажимами, с контактным выводом аппарата:

1 - контактный вывод аппарата; 2 - зажим аппаратный прессуемый; 3 - зажим ответвительный прессуемый; 4 - медная пластина; 5 - голый провод

Рис. 52. Соединение голых проводов, оконцованных аппаратным болтовым зажимом, с контактным выводом аппарата:

1 - контактный вывод аппарата; 2 - зажим аппаратный болтовой; 3 - медная пластина; 4 - голый провод

Прессуемые зажимы треста «Армсеть» изготовляются: для медных проводов - из сплава меди, а для алюминиевых проводов - из сплава алюминия. Они имеют одно, два и четыре отверстия для присоединения к контактным выводам аппаратов или шинам. В конструкции зажимов, предназначенных для алюминиевых проводов, предусмотрены переходные медные планки, скрепленные с телом зажимов пайкой или сваркой (на рис. 51 не показаны).

Присоединение гибких проводов к стержневым нарезным контактным выводам можно выполнить одним из следующих способов:

медные провода присоединяют непосредственно с помощью болтовых или прессуемых аппаратных зажимов, имеющих в лапке зажима одно отверстие, если диаметр стержневого вывода равен 12 мм;

медные провода (если диаметр стержневого вывода больше 12 мм) или алюминиевые провода присоединяют через промежуточные медные пластины с помощью болтовых или прессуемых аппаратных зажимов. В этом случае применяются аппаратные зажимы, имеющие в лапке зажима 2 или 4 отверстия.

Способ оконцевания голых проводов, присоединяемых к аппаратам, определяется проектом.

5.2.14. Провода в местах установки аппаратных болтовых зажимов должны быть промыты бензином и тщательно очищены стальной щеткой; перед чисткой щеткой алюминиевые провода закрывают вазелином. После очистки вазелин удаляют с проводов тряпкой, смоченной бензином, и заменяют слоем чистого вазелина.

Перед закреплением алюминиевых проводов контактные поверхности алюминиевых аппаратных зажимов покрывают слоем вазелина. Затем контактные поверхности слегка обрабатывают напильником для удаления с поверхности пленки окиси. После обработки загрязненный вазелин удаляется с помощью тряпки, смоченной бензином, и заменяется тонким слоем чистого вазелина. Луженые медные желобки, предназначенные для закрепления медных проводов в зажимах, следует промыть бензином и покрыть слоем вазелина. Зачищать шкуркой такие желобки не следует.

Провода в зажиме необходимо закреплять следующим образом: заложить провода в соответствующие желобки зажима (при монтаже переходных зажимов с меди на алюминий медный провод должен соприкасаться с луженым медным желобком, а алюминиевый провод - с алюминием), установить плашки, покрыть нарезанную часть болтов морской смазкой марки АМС-1, не допуская попадания ее на контактную поверхность, и затянуть болты.

Затяжку болтов гайками следует производить равномерно с тем, чтобы все части зажима испытывали одинаковое давление по длине контакта. После полной затяжки болтов между плашками должен оставаться зазор 3 - 4 мм. Сближение плашек вплотную указывает на то, что размеры желобков не соответствуют данному проводу и требуемое давление в контакте не обеспечено. Такие зажимы подлежат замене.

По истечении нескольких дней необходимо дополнительно подтянуть болты, так как давление в контакте несколько ослабевает в результате неравномерного давления на провод, местных перенапряжений и явлений текучести, которые особенно имеют значение при алюминиевых проводах.

5.2.15. Оконцевание алюминиевых гибких шин наконечником и соединение их с помощью овальных соединителей, которые подбираются для каждой марки проводов в соответствии с табл. 12, должно производиться следующим образом: концы проводов на участке, равном длине трубчатой части наконечника или соединителя, покрывают слоем защитной кварцевазелиновой пасты и под этим слоем зачищают металлической щеткой для снятия с поверхности провода пленки окиси алюминия. Подготовленный таким образом конец вводят в заполненный той же пастой наконечник (или соединитель) до упора и затем производят опрессование с помощью пресса РГП-7М.

Оконцевание и соединение получается надежным при условии применения толстостенных наконечников и соединителей из чистого алюминия заводского изготовления, а также обязательного применения кварцевазелиновой пасты. Для опрессования алюминиевых шин применяют те же матрицы и пуансоны, что и для медных жил, но берут на одну ступень выше по шкале стандартных сечений (например, для шины сечением 16 мм2 берется матрица и пуансон, необходимые для опрессования медной жилы сечением 25 мм2).

По окончании опрессования удаляют заусенцы, тщательно смывают пасту, после чего производят герметизацию места соединения.

Герметизация заключается в покрытии мест соединения влагонепроницаемым лаком воздушной сушки (например, асфальтовым).

Соединение алюминиевых шин с медными должно выполняться с помощью специальных переходных зажимов.

5.2.16. Для соединения, оконцевания и опрессования жил медных проводов сечением от 16 до 120 мм2 и сталеалюминиевых проводов сечением от 16 до 185 мм2, а также для перекусывания жил сечением до 185 мм2 бригада должна быть снабжена ручным гидравлическим прессом типа РГП-7М (этот пресс может применяться и на кабельных работах). Для проводов большего сечения применяется пресс МИ-1.

Таблица 12

Овальные соединители (зажимы) для соединения проводов

Наименование зажима

Марка соединяемого провода

Диаметр соединяемого провода, мм

Вес 1 шт., кг

Наружный размер после обжима, мм

Гарантированная прочность заделки провода, кг

СОМ-16-1

М-16

5,1

0,053

10,5

550

СОМ-25-1

М-25

6,3

0,077

12

770

СОМ-35-1

М-35

7,5

0,097

14,5

1090

СОМ-50-1

М-50

9

0,151

17,5

1560

СОМ-70-1

М-70

10,6

0,195

20,5

2170

СОМ-95-1

М-95

12,4

0,295

24

2960

СОМ-120-1

М-120

14

0,42

27,5

3750

СОМ-150-1

М-150

15,8

0,51

31,5

4680

СОА-16-1

А-16

5,1

0,025

10,5

230

СОА-25-1

А-25

6,3

0,035

12,5

350

СОА-35-1

А-35

7,5

0,04

14

470

СОА-50-1

А-50

9

0,055

16,5

660

СОА-70-1

А-70

10,6

0,07

19,5

930

СОА-95-1

А-95

12,4

0,1

23

1300

СОА-120-1

А-120

14

0,15

26

1520

СОА-150-1

А-150

15,8

0,16

30

2050

СОА-185-1

А-185

17,4

0,2

33,5

2550

СОАС-35-1

АС-35

6,3

0,164

17,5

830

СОАС-50-1

АС-50

9,9

0,224

20,5

1290

СОАС-70-1

АС-70

11,7

0,34

25

1790

СОАС-95-1

АС-95

13,9

0,52

29

2930

СОАС-120-1

АС-120

15,3

0,91

33

3590

СОАС-150-1

АС-150

17

1,05

36

4400

СОАС-185-1

АС-185

19,1

1,42

39

5580

СОАС-240-1

АС-240

21,5

1

43

4070

Кроме того, у бригады должны быть клещи типа ПК-1, с помощью которых можно оконцовывать и соединять опрессованием медные и алюминиевые жилы проводов сечением 16 ¸ 50 мм2 и перекусывать шины сечением до 70 мм2.

Вес пресса РГП-7М в рабочем состоянии - 6,5 кг; вес клещей типа ПК-1 - 2,5 кг.

Ошиновку с помощью машины МШТС-2 выполняют 3 чел.

г) Открытые распределительные устройства

5.2.17. При монтаже открытых распределительных устройств производится ревизия, сборка, установка и регулировка разъединителей, отделителей и короткозамыкателей.

Работы выполняются следующим образом:

устанавливают с помощью автокрана оборудование на строительные конструкции;

выверяют правильность установки оборудования, проверяя положение осей симметрии и по уровню; закрепляют опорную раму;

устанавливают приводы и промежуточные подшипники;

производят предварительное сочленение разъединителя с приводом и блок-контактами;

регулируют контакты и проверяют их нажатие;

проверяют одновременность включения контактов;

производят общую регулировку разъединителя, привода и блок-контактов;

окончательно соединяют разъединитель с приводом.

5.2.18. При ревизии разъединителей, отделителей и короткозамыкателей выполняются:

наружный осмотр, очищается пыль и грязь;

проверка состояния поверхности фарфоровых деталей, на которых не должно быть трещин и сколов;

проверка состояния контактных поверхностей (отсутствие раковин и пленки окиси);

проверка отсутствия боковых ударов ножа о губки и ударов ножа о головку изолятора;

проверка исправности пружин и ножей и наличие требуемого нажатия контакта;

проверка состояния гибких связей и всех креплений.

Ножи должны входить в губки плавно, без ударов; зазор при полностью включенном ноже между его нижней гранью и головкой изолятора должен быть 3 - 5 мм. При полном отключении ножа угол его поворота должен соответствовать паспортным данным этого изделия.

Плотность прилегания контактов определяется щупом толщиной 0,05 мм и шириной 10 мм. Щуп не должен входить между неподвижным контактом и ножом на глубину более 4 - 5 мм.

Контактное давление проверяют путем замера динамометром усилия при вытягивании ножа из губок. Величина усилия должна соответствовать следующим данным:

Усилие

Номинальный ток разъединителя, а                                                 вытягивания, кг

400.......................................................................................................... 10 - 12

600.......................................................................................................... 16 - 18

1000........................................................................................................ 18 - 20

2000 - 3000............................................................................................ 50 - 60

4000........................................................................................................ 70 - 80

Силу нажатия регулируют нажимными винтами или пружинами, предусмотренными для этой цели в данной конструкции.

5.2.19. Одновременность включения ножей регулируют изменением длин междуполюсных тяг. Величина зазора между запаздывающим ножом и губкой в момент касания губок опережающим ножом не должна превышать 3 мм для разъединителей напряжением до 35 кв и 5 - 7 мм - до 220 кв.

Величина холостого хода (люфта) рукоятки привода при оперативных переключениях для всей передачи не должна быть более 5° (см. ВСН 12-59, п. 391).

При необходимости производится регулировка путем изменения длины тяг.

5.2.20. По окончании монтажа все трущиеся части контактной системы и привода должны быть промыты бензином и смазаны соответствующей смазкой: зимой - незамерзающей, летом - техническим вазелином.

5.2.21. На стороне переменного тока применяют вентильные разрядники типа РВП и РВС. Разрядники типа РВП изготовляют на номинальные напряжения 3; 6 и 10 кв и соответственно обозначают РВП-3, РВП-6, РВП-10.

К опорным конструкциям разрядники РВП крепят хомутами или подвешивают при помощи изолирующих устройств. К линии разрядники присоединяют при помощи болтов, имеющихся в их верхних частях. К контуру заземления разрядники присоединяют через шпильки, находящиеся в их нижних частях. Разрядник можно заземлять как непосредственно, так и через регистратор срабатывания.

5.2.22. Разрядники типа РВС на напряжения до 35 кв (включительно) комплектуют из одного элемента, а на номинальные напряжения выше 35 кв собирают из нескольких стандартных элементов.

Каждый стандартный элемент состоит из вилитовых дисков, искровых промежутков и шунтирующих сопротивлений, заключенных в герметизированный фарфоровый кожух.

Отдельные элементы каждой из фаз устанавливают один на другой согласно обозначениям на их фланцах (1-1; 2-2; 3-3 и т.д.) и соединяют болтами. Затяжку болтов необходимо производить крест-накрест, осторожно, во избежание появления перекосов и трещин в армировке и фарфоре. Контактные поверхности торцов фланцев каждого из элементов предварительно должны быть защищены и смазаны техническим вазелином. После сборки разрядников соединительные швы между ними должны быть покрыты 2 - 3 раза влагостойким лаком.

5.2.23. Шины к зажимам разрядников должны присоединяться без натяжения, так как в зимнее время, вследствие их укорочения, возможно разрушение разрядника.

5.2.24. Провод заземления прокладывается по кратчайшему расстоянию от разрядника к контуру заземления. Провода заземления присоединяют к каждой фазе специальными болтами, которые имеются на фланцах разрядника.

д) Монтаж РУ-27,5

5.2.25. Распределительное устройство на напряжение 27,5 кв подстанции переменного тока монтируют на металлоконструкциях, укрепленных непосредственно на железобетонных опорах фидеров на напряжение 27,5 кв и дополнительных опорах.

5.2.26. Все подготовительные работы по сверлению и вырезке отверстий, сварке кронштейнов, хомутов и опорных площадок должны выполняться на заводах или в мастерских.

На монтажной площадке следует производить лишь сборку металлоконструкций, крепежные работы и сварку тех конструкций, которые по конструктивным данным и условиям монтажа должны выполняться на месте.

5.2.27. Изготовление и монтаж металлоконструкций ведется по чертежам проекта. Габаритные расстояния расположения отдельных конструкций по высоте опоры должны быть строго выдержаны.

5.2.28. Все металлоконструкции должны быть заземлены соединением с контуром заземления открытой части подстанции.

е) Демпфирующее устройство

5.2.29. Перед началом монтажа демпфирующего устройства необходимо путем внешнего осмотра произвести ревизию комплектующих изделий, входящих в его состав, и при необходимости провести электрические испытания.

Ревизии подлежат: опорные изоляторы, бумажно-масляные конденсаторы, входящие в состав конденсаторной батареи, ящик сопротивлений, а также распределительное устройство.

5.2.30. Конденсаторы следует очистить от пыли и грязи, после чего проверить целость изоляторов и корпусов конденсаторов, обращая внимание на то, чтобы не было трещин, вмятин, подтеков масла.

В ящике сопротивлений внешним осмотром проверяется целость пакетов сопротивлений и проходного изолятора.

5.2.31. На швеллерные конструкции ячейки конденсаторной батареи крепят опорные изоляторы на 35 кв, на которые устанавливают опорные конструкции для конденсаторов. Расстояние между корпусами конденсаторов должно выдерживаться согласно проектным данным.

5.2.32. Ошиновку конденсаторной батареи выполняют медной шиной размером 40´4 мм. Внешние соединения комплектующих изделий демпфирующего устройства выполняются согласно проектным данным.

ж) Компенсирующее устройство

5.2.33. Работы по монтажу компенсирующего устройства состоят из сборки конденсаторов, бетонного реактора, масляных выключателей, трансформаторов напряжения и устройства схемы внешних соединений.

5.2.34. Конденсаторы перед монтажом должны быть подвергнуты ревизии аналогично конденсаторам демпфирующего устройства. Их монтаж производится на металлоконструкциях, устанавливаемых на железобетонных элементах.

Кожухи конденсаторов имеют скобы, с помощью которых они навешиваются на конструкции опорного столика. Опорный столик, в свою очередь, подвешивают с помощью подвесных изоляторов на верхнюю раму металлоконструкций.

5.2.35. Расстояние между корпусами навешенных конденсаторов должно быть выдержано согласно проектным данным. Ошиновка конденсаторов производится медной шиной размером 40´4 мм.

5.2.36. Внешние соединения элементов компенсирующего устройства производятся в соответствии со схемой соединений, приведенной в проекте.

з) Масляные выключатели

5.2.37. Масляные выключатели до монтажа должны быть подвергнуты ревизии.

При внутреннем осмотре следует проверить состояние изолирующих частей, изоляции бака, бакелитовых втулок, штанг, бакелитовых экранов, а также осмотреть приводной механизм, дугогасящие устройства и контакты.

При осмотре привода следует проверить состояние сигнально-блокировочных контактов, контактора, клеммных рядов.

Части механизма привода, сигнально-блокировочные контакты и контакторы следует прочистить и смазать техническим вазелином.

5.2.38. Монтаж масляных выключателей состоит из следующих операций:

установки выключателя и привода; механического регулирования выключателя и привода; регулирования контактов выключателя; подсушки внутрибаковой изоляции и заполнения маслом (для многообъемных выключателей);

проверки выключателя совместно с приводом; смазки трущихся частей и контактов, ошиновки и заземления.

5.2.39. Масляные выключатели устанавливают автокраном соответствующей грузоподъемности.

После установки масляных выключателей (которые должны транспортироваться во включенном состоянии) производят проверку их положения в горизонтальной и вертикальной плоскостях по уровню и отвесу, регулировку их положения подкладками из листовой стали и проверку положения всех трех фаз выключателей по одной продольной оси (несоосность расположения фаз должна быть не более 3 - 4 мм; расстояние между осями фаз не должно отклоняться от паспортного более чем на + 5 мм) (рис. 53).

Рис. 53. Схема установки масляного выключателя MK17-110

По окончании этих операций выключатель крепят к несущей конструкции. При этом следует обращать особое внимание на надежность и прочность крепления, так как в отличие от других аппаратов крепежные детали, а следовательно, и несущие конструкции масляных выключателей подвержены воздействию значительных динамических усилий, возникающих в момент включения и выключения аппарата.

5.2.40. При регулировке контактов должно быть проверено и установлено требуемое нажатие, ход и одновременность включения (касания) отдельных фаз в контактах, а также запасной ход подвижного контакта.

Нажатие в контактах задается заводом для каждого типа выключателя и проверяется динамометром или пружинными весами. Ход в контактах выключателя также задается заводом-изготовителем и замеряется стальной линейкой либо специальным шаблоном. Величина хода определяется расстоянием, которое проходит траверса или стержень с момента касания подвижного и неподвижного контактов (определяется по загоранию лампы последовательно включенной в цепь контакта) до полного включения выключателя.

Качество соединений в контактах проверяется с помощью щупа толщиной 0,06 и шириной 10 мм, который должен проходить между контактами на глубину не более 3 - 4 мм.

При регулировке хода в контактах необходимо обеспечить запасной ход подвижного контакта (рис. 54), так как при его отсутствии возможны разрушение и поломка частей выключателя.

Одновременность включения фаз регулируют с помощью ламп (рис. 55). Выключатель включают вручную домкратом и по загоранию ламп определяют, в какой из фаз необходимо произвести подрегулировку подвижного контакта. При установке ввода на выключатель, прокладки и поверхности фланцев смазывают бакелитовым лаком. Затяжку болтов, крепящих фланец ввода, следует производить осторожно и равномерно во избежание появления трещин в армировке или фарфоре.

Рис. 54. Ход подвижного контакта выключателя типа МГГ:

1 - подвижный стержневой контакт; 2 - розеточный контакт; 3 - контактные пластины; 4 - контактные пружины; 5 - цилиндр; а - ход контакта; б - запасной ход

Рис. 55. Схема регулировки одновременности включения фаз выключателя:

1 - подвижный контакт; 2 - неподвижный контакт; 3 - фаза выключателя; 4 - лампа

5.2.41. Выключатель должен быть сразу же после регулировки залит маслом, так как при хранении без масла его изоляционные детали могут отсыреть, металлические части покрыться окисями, что потребует повторной разборки и проверки состояния внутренних деталей.

Заполнение выключателя маслом должно производиться с помощью центрифуги и фильтр-пресса. Предварительно внутренние полости бака и все детали протираются насухо тряпками, дно бака и спускной кран промываются чистым сухим маслом. Изоляционные детали, внутрибаковая изоляция должны быть просушены продуванием через баки сухого горячего воздуха с помощью воздуходувки с подогревом или с помощью устройства для подогрева масла в баке.

Во избежание коробления изоляционных деталей в обоих случаях нагрев внутренней части должен производиться постепенно, чтобы температура 70 ± 5° устанавливалась примерно в течение трех часов. Температура воздуха в баке не должна даже кратковременно подниматься выше 100 °С.

После просушки воздухом производится окончательная сушка и пропитка изоляции баков горячим трансформаторным маслом при температуре 60 ± 5° центрифугой (с подогревом). Для этого выключатель заливают сухим трансформаторным маслом, удовлетворяющим требованиям ГОСТа, до маслоуказателя и к нему подключают центрифугу. Сушка производится до тех пор, пока электрическая прочность масла в течение 6 - 8 ч будет оставаться примерно постоянной - не ниже 45 кв для выключателей напряжением 35 - 220 кв и не ниже 35 кв для выключателей на напряжение менее 35 кв.

5.2.42. Опробование выключателя можно производить после того, как выключатель отрегулирован и залит маслом, все крепежные детали затянуты, а все трущиеся части очищены и смазаны. Опробование производят путем включений и отключений вручную при ручном приводе или дистанционно при дистанционном.

и) Выключатели ВВН-110

5.2.43. После установки и выверки тележки полюса выключателя на фундаменте (рис. 56) следует произвести очистку от грязи и пыли поверхности плиты, на которой устанавливают опорную колонку и гнездо дутьевого клапана, снять трубки (для чего отвертываются накидные гайки) и продуть сжатым воздухом, прочистить отверстие в ниппеле, снять трубки и шариковые клапаны, ввернутые в отверстие для вентиляции, после чего эти отверстия прочистить.

Рис. 56. Установка выключатели BBH-110:

1 - ушки для подъема дугогасительной камеры; 2 - линейный вывод; 3 - дугогасительная камера; 4 - шкаф управления; 5 - подвижный контакт; 6 - опорная колонка неподвижного контакта; 7 - опора тележки; 8 - указатель поступления воздуха на вентиляцию; 9 - распределительный шкаф

5.2.44. Воздухопроводы включения и отключения устанавливают следующим образом: в плиту тележки ввертывают шпильки, укладывают прокладки и устанавливают упорные втулки; в них закладывают резиновое кольцо, а на него накладывается фланец; вставляют поочередно воздухопроводы отключения и включения (предварительно протертые чистой тряпкой, смоченной спиртом или бензином), выверяют их положение по отвесу и закрепляют с помощью гаек с пружинными шайбами. Точно так же устанавливают и закрепляют на плите тележки опорную колонку. Далее на нее надо установить переходную плиту.

5.2.45. Переходную плиту монтируют следующим образом: на верхний буртик фарфора опорной колонки надевают резиновое уплотнение и кольца (нажимное и стяжное).

Кольца в процессе монтажа следует осторожно укладывать на верхнюю юбку фарфорового изолятора. Затем на фарфор накладывают переходную плиту с обоймами, в которые закладывают уплотнения и упорные втулки для воздухопроводов включения и отключения. При установке переходной плиты осевая линия, общая для двух имеющихся в ней отверстий, в которые входят обоймы, должна совпасть с продольной осью полюса. Правильная установка плиты необходима для исключения возможности перекоса фарфоровых воздухопроводов после их закрепления сверху и обеспечения в дальнейшем правильного положения ножа отделителя по отношению к его неподвижному контакту.

5.2.46. Привод ножа отделителя присоединяют к подготовленной опорной колонке с помощью колец и шпилек, затягиваемых гайками с пружинными шайбами. Во время крепления привода к изолятору необходимо соблюдать осторожность, как и при креплении изолятора к плите тележки. Окончательную затяжку гаек следует осуществлять после центрирования ножа относительно неподвижного контакта. Шпильки, крепящие крышки к приводу, должны быть установлены на пакле с суриком.

Далее необходимо собрать колонку неподвижного контакта отделителя из изоляторов ИШД-35 и закрепить на тележке, а изоляторы протереть. На колонке слегка закрепляют неподвижный контакт, с которого снимают кожух.

5.2.47. Проверку взаимоположения ножа отделителя и его неподвижного контакта относительно друг друга осуществляют следующим образом: рукой слегка приподнимают нож отделителя (запирающая пружина из привода отделителя предварительно вынимается) так, чтобы он вышел из губок неподвижного контакта, а затем нож свободно опускают в губки, куда он должен входить соосно, равномерно раздвигая их; соосность контактов следует регулировать поворотом неподвижного контакта отделителя или поворотом на 2 - 4° всего привода с ножом на изоляторе (большой поворот не допускается, так как можно повредить фарфоровые воздухопроводы).

По окончании регулирования взаиморасположения ножа и неподвижного контакта привод окончательно закрепляют на изоляторе, запирающую пружину ставят на место и неподвижный контакт отделителя закрепляют окончательно.

Следует проверить нажатие губок неподвижного контакта на плоскости ножа отделителя. Нормальная величина нажатия (40 - 50 кг) обеспечивается зазором величиной 14 мм между губками при отключенном ноже отделителя. Величину зазора регулируют натяжением пружин. Усилие нажатия проверяют поочередным оттягиванием губок от включенного ножа через динамометр. Показания динамометра, при которых происходит отрыв губки от ножа, равны силе контактного нажатия. По окончании регулировки надевают и закрепляют кожух и смазывают контактные поверхности губок.

5.2.48. Все доступные части и фарфор гасительной камеры до ее сборки необходимо тщательно очистить и протереть тряпкой, смоченной спиртом, а также проверить, хорошо ли затянуты и раскернены стопорные винты механизмов камеры. Если стопорные винты затянуты плохо, то их следует подтянуть и вновь раскернить. Проверяется ход подвижного контакта, который должен быть 35 мм (с допуском ± 2 мм).

5.2.49. Для сборки гасительной камеры в центральное отверстие фланца вставляют механизм подвижного контакта и закрепляют тугой затяжкой сверху неподвижного контакта и стопорного винта в нем. Аналогично собирают механизм верхней камеры и верхнего фланца, причем в обеих камерах проверяют центричность расположения механизма подвижного контакта по отношению к изоляторам и величину предварительного нажатия подвижного контакта. На нижний фланец устанавливают резиновые прокладки и нижнюю гасительную камеру, которую закрепляют к нижнему фланцу на корпусе привода ножа отделителя. Резиновыми прокладками под средним фланцем регулируют расстояние между фланцами, которое должно быть 541 - 546 мм. Далее закрепляют средний фланец, на который устанавливают верхнюю гасительную камеру и сверху - верхний фланец. Гасительные камеры устанавливают так, чтобы выхлопные козырьки верхних фланцев были направлены перпендикулярно оси ножа, а один из козырьков средних фланцев был направлен в сторону ножа. Далее надевают и закрепляют кожухи, прикрывающие систему крепления опорного изолятора.

Аналогично собирают и монтируют два других полюса выключателя.

5.2.50. Запирающую пружину и заднюю крышку привода следует снимать. Для этого нож отделителя поднимают рукой (при этом необходимо одновременно толкать поршень привода) в крайнее верхнее положение и с силой опускают на неподвижные контакты. При этом нож должен мягко входить в губки контакта, а нижняя его кромка не должна выходить за пределы губок. Эту операцию нужно повторять 3 - 4 раза, причем необходимо следить за плавностью движения ножа и механизма привода, а также за тем, чтобы не было заеданий. Одновременно проверяют правильность взаимного положения ножа и контакта отделителя.

5.2.51. Демпфер привода следует заливать маслом. Для этого необходимо отвернуть болт в крышке со стороны демпфера и открыть масломерное отверстие, находящееся сбоку демпфера. Через верхнее отверстие наливают масло до тех пор, пока оно не начинает вытекать через боковое отверстие. После этого делают несколько энергичных взмахов ножом, чтобы вытолкнуть воздух из цилиндров демпфера и заполнить их маслом. Затем снова подливают масло. Когда оно полностью заполнит цилиндры демпфера, нужно закрыть масломерное отверстие и долить еще 150 - 200 г масла, после чего наглухо закрыть верхнее отверстие; затем устанавливают ранее снятую с привода запирающую пружину.

Для заливки в демпферы рекомендуются следующие сорта масел:

Температура загустевания

масла, °С

Масло трансформаторное (ГОСТ 982-43)............................................. 45

Масло МИ-8 (ТУ 380-51)........................................................................ 55

Масло приборное МПВ (ГОСТ 1805-51)............................................... 60

Масло ЦИАТИМ-1-М (ТУ 327-50)......................................................... 60

Масло АМГ-10 (ГОСТ 6794-53)............................................................. 70

Заливаемое в демпферы масло должно иметь температуру загустения на 10 °С ниже минимальной температуры, наблюдаемой в местности, где установлен выключатель.

5.2.52. Проверка работы привода СБК производится при открытой крышке шкафа управления ручным поворотом рычага с пружиной из одного крайнего положения в другое. Движение должно происходить без заеданий и задержек. При этом усилие для приведения в действие привода СБК достигает значительных размеров, так как его механизм в крайних положениях удерживается запирающей пружиной.

5.2.53. Проверка правильности установки блока клапанов каждого полюса выключателя, а также расстояния от бойка электромагнита до выступающей части штока клапана местного управления и от штока клапана местного управления до штока пускового клапана (рис. 57) является обязательной.

5.2.54. Выключатель ВВН-110 должен быть проверен в действии. Перед опробованием необходимо проверять соответствие положения блок-контактов положению ножа отделителя; при включенном положении ножа привод СБК должен находиться в таком положении, при котором его рычаг с пружиной был бы направлен в сторону оператора, находящегося с лицевой стороны шкафа.

Рис. 57. Схема электромагнитного клапана ручного пневматического управления выключателя ВВН-110:

1 - клапан пневматического управления; 2 - кронштейн; 3 - пневматический блок; 4 - поршень клапана ручного управления; 5 - пружина; 6 - катушки электромагнита; 7 - якорь электромагнита; 8 - блок

5.2.55. Игла отсечки отключения должна быть для регулировки полностью вывернута, а затем постепенным ее ввертыванием должно быть найдено такое положение регулировочной иглы (отвертывание иглы уменьшает сброс, а ввертывание - увеличивает), при котором понижение давления в резервуаре за одну операцию отключения (сброс) составило бы около 1,6 ати при начальном давлении воздуха в резервуаре 15 ати. При этой регулировке иглы масляного демпфера должны быть полностью ввернуты.

5.2.56. Проверка отсутствия перетекания сжатого воздуха из большого воздухопровода в малый в верхней части колонки осуществляется следующим образом: вместо прокладки, установленной на приводе под клапаном АПВ, ставится резиновая прокладка размером 150´190 мм, толщиной 3 - 5 мм, в которой вырезаются отверстия под болты; затем при помощи дистанционного или местного пневматического управления производится операция отключения, при которой срабатывание камеры сопровождается сильным звуком, а нож остается включенным. При отсутствии перетока воздуха между воздухопроводами вал привода блок-контактов должен оставаться неподвижным, что проверяется визуальным наблюдением или включением сигнальной лампы на свободную пару блок-контактов.

Если переток воздуха наблюдается и вал привода блок-контактов приходит в движение, то его нужно устранить разборкой и тщательной сборкой верхней части опорной колонки.

После устранения перетока под клапан АПВ устанавливается прокладка и проверяется положение рычага привода СБК, как указано в п. 5.2.54.

5.2.57. Отключение ножа отделителя следует проверять продолжительным нажатием (в течение 2 - 3 сек) кнопки отключения местного пневматического управления. Отключение сопровождается сильным звуком, похожим на выстрел. При этой операции давление в баках должно понизиться на 4 - 5 ати.

Одновременно с этим проверяется работа привода СБК. При положении ножа «Отключено» рычаг с пружиной СБК должен быть направлен внутрь шкафа. При давлении ножа 15 ати блок-контакты иногда могут не переключаться, что, однако, не означает неправильной работы привода.

Вслед за этим нажимается кнопка местного пневматического управления (без предварительного повышения давления в баках выключателя) и производится операция включения, при которой нож при небольшом шуме должен врубиться в губки неподвижного контакта. Не исключена возможность, что при данном давлении нож полностью не дойдет до нормального положения.

к) Выключатели ВВН-220

5.2.58. Опорная колонка состоит из двух фарфоровых изоляторов, соединенных посредством средней плиты. Воздухопроводы, состоящие из двух половин, соединяют с помощью обойм, стяжных шпилек и резиновых уплотнений. Сверху на фарфоровые трубы устанавливают дистанционные шайбы. Количество дистанционных шайб определяют в зависимости от расстояния между торцом втулки и шайбой на фарфоровом воздухопроводе, которое должно быть 7 - 10 мм.

5.2.59. До установки привода отделителя на место следует произвести смазку его трущихся частей. Для этого снимают переднюю и заднюю крышки привода; с вала привода снимают токосъемники, вынимают запирающую пружину и вал привода приподнимают так, чтобы оси звеньев механизма привода оказались на одной прямой, вывертывают винт и вынимают ось вилки, ось поводка, вывертывают винты, удерживающие ось серьги (для чего поршень привода штока выдвигают вперед) и серьгу снимают. Все оси и цилиндр привода протирают и смазывают. Собирают привод в обратном порядке (крышки привода пока не устанавливают).

5.2.60. Привод осторожно устанавливают на верхнюю плиту опорной колонки (на плите должны быть установлены все прокладки) и слегка на ней закрепляют. Окончательно привод закрепляют лишь после того, как будет собрана колонка контакта отделителя, проверена правильность взаиморасположения ножа и контакта отделителя (см. п. 5.2.50). После этой регулировки окончательно закрепляют привод и его крышки.

5.2.61. Для удобства монтажа дугогасительной камеры, состоящей из четырех разрывов, следует предварительно собрать попарно разрывы, а затем уже устанавливать их на приводе отделителя. При установке отдельных разрывов нельзя ни в коем случае менять местами дистанционные кольца. Следует установить необходимое количество уплотнений, так как правильность сборки определяет вжим контактов, нормальная величина которого должна быть 14 - 18 мм.

При установке отдельных разрывов фланец с механизмом дугогасительной камеры слегка закрепляют на крепежном бортике изолятора с помощью предварительно надетых на него разъемного и нажимного колец и уплотнений. Убедившись в центричности механизма по отношению к изолятору, следует произвести закрепление фланца гайками на изоляторе.

При сборке последнего, четвертого разрыва, необходимо обеспечить герметичность стыка между верхним фланцем и гайкой. Уплотнение между ними заменяется новым. При сборке парных разрывов должны быть правильно расположены фланцы с контактами для присоединения делителя напряжения. Окончательное закрепление гасительной камеры производится после того, как будет смонтирован делитель напряжения, состоящий из четырех шунтирующих сопротивлений.

5.2.62. Сборка и монтаж элементов делителя напряжения производится попарно. Перед монтажом проверяется шунтирующее сопротивление. Величина каждого шунтирующего сопротивления должна быть 180000 ± 5400 ом. После монтажа делителя каждое его шунтирующее сопротивление соединяется шинами с разрывами гасительной камеры и затягиваются гайки крепления гасительной камеры.

5.2.63. Фарфоровые тяги привода СБК перед монтажом следует протереть авиационным бензином. Тяги на полюсе устанавливают через специальный люк, расположенный сверху в корпусе привода отделителя между опорными плитами гасительной камеры и делителя напряжения. С этого люка снимают крышку и внутрь опорной колонки осторожно вводят одну из тяг. Конец тяги, на котором имеется регулировочная гайка, должен быть сверху. На приводе отделителя должны быть сняты задняя крышка (со стороны запирающей пружины) и боковая (справа от задней крышки). Внизу тягу присоединяют к ролику троса коробки передач. Сверху на приводе тягу крепят к такому же сектору. При закреплении тяги необходимо следить за тем, чтобы механизмы привода отделителя и коробки передач были в определенном положении.

Подобным же образом устанавливают вторую тягу. Для удобства установки рычага коробки передач имеется специальная вилка. Перед присоединением тяг к нижнему тросу последний должен быть плотно посажен в канавку сектора. При предварительной регулировке тяг контакты СБК устанавливают в нейтральное положение и посредством регулировочной гайки регулируют натяжение тяг. Натяжение считается нормальным, если при захвате и сжатии обеих тяг рукой с некоторым усилием они касаются друг друга. Сборка считается правильной, если при переводе ножа, производимого вручную, из одного крайнего положения в другое (при этом поршень привода принудительно доводится до крайних положений) рычаг вала коробки передач не доходит до своих упоров на 1,5 - 2 мм, а блок-контакты под действием пружины коробки передач надежно переключаются. После регулировки тяг ставят на место на приводе запирающую пружину и ранее снятые крышки.

5.2.64. Шкаф управления следует осмотреть и проверить, при этом тщательно проверяют зазоры между катушками управления, пневматическим устройством для ручного управления и пневматическим блоком, расстояние между бойками и клапанами, которое должно быть соответственно равно 4 и 1,5 - 2 мм.

5.2.65. В выключателях, не предназначенных для работы в цикле БАПВ, клапан АПВ блокируется путем установки специального стержня, который поставляется комплектно с выключателем.

5.2.66. После установки всех трех полюсов выключателя производится монтаж шкафа управления, воздухопроводов выключателя и цепей вторичной коммутации (рис. 58); проверяют работу выключателя на утечку, расход воздуха на вентиляцию и регулировку выключателя.

5.2.67. Механическая регулировка выключателя производится в то время, когда резервуары не заполнены сжатым воздухом. При регулировке проверяют работу механизма привода отделителя, натяжение фарфоровых тяг (устанавливают зазор 1 - 1,5 мм между рычагом механической отсечки и штоками клапанов отсечки во включенном и отключенном положениях), взаиморасположение ножа и контакта отделителя (люфт ножа в любом случае не должен превышать 30 - 50 мм), механическое состояние катушек управления и правильность соединения электрических цепей.

5.2.68. Иглы клапанов и демпфера до регулировки следует устанавливать в следующее положение:

боковые иглы блока клапанов полностью вывертывать (на 6 - 7 оборотов);

иглы клапанов отсечки завертывать до крайнего положения и затем вывертывать на 1,5 - 2 оборота;

иглы воздушного демпфера завертывать до отказа и затем вывертывать на четверть оборота.

5.2.69. Испытание каждого полюса выключателя следует начинать при пониженном давлении (15 ати) и 3 - 5 раз их включить и отключить. Во время этих опытов необходимо контролировать исправность фарфоровых деталей, расход воздуха на отключение (сброс давления) и визуально вести наблюдения за скоростью движения ножа. Недоход ножа до конечного положения и падение его обратно на контакты при этом давлении не служит признаком неисправности выключателя. Если в процессе опробования окажется, что демпфер не снижает скорости движения ножа и последний при отключении с силой бьет по приводу, а при включении - по контактам, то следует вскрыть и отремонтировать демпфер и снова проверить выключатель.

Рис. 58. Установка выключателя BBН-220:

1 - дугогасительная камера; 2 - подвижный контакт; 3 - делитель напряжения; 4 - привод разъединителя; 5 - опорная колонка подвижного контакта; 6 - тележка; 7 - опорная колонка неподвижного контакта; 8 - неподвижный контакт; 9 - шкаф управления; 10 - распределительный шкаф; 11 - рама для подъема выключателя; 12 - указатель вентиляции; 13 - линейный вывод; 14 - опора тележки; 15 - кабельная муфта; 16 - крышка люка; 17 - спускная пробка; 18 - местное пневматическое управление; 19 - главный воздухопровод (внутренний диаметр не менее 25 мм)

Давление сжатого воздуха в выключателе повысится до 17,5, а затем до 20 ати и при этих давлениях производят по одной-две операции включения и отключения выключателя. При этом также визуально контролируют скорость движения ножа. Если при давлении 17,5 ати не наблюдается отброс ножа в конечных положениях и конец его не достигает резинового буфера, установленного на плите неподвижного контакта, то приступают к регулировке выключателя при давлении 20 ати. Следует иметь в виду, что при отключении нож может не дойти на 2 - 3° до конечного положения, остановиться и лишь затем дойти до конца. Это явление, вызываемое образованием воздушной подушки, допускается. Если при отключении нож «зависает», т.е. не дойдя до крайнего положения падает вниз, то регулировкой демпфера следует несколько уменьшить торможение при отключении.

л) Силовые и тяговые трансформаторы

5.2.70. При разгрузке или установке на собственную тележку трансформатор следует поднимать при помощи стальных стропов за 4 подъемные крюка; угол между стропом и вертикалью не должен превышать 30°.

5.2.71. Для обеспечения правильной и безотказной работы газовой защиты силовые и тяговые трансформаторы должны быть установлены так, чтобы наклон (подъем) крышек по направлению к газовому реле был 1 - 1,5 %.

5.2.72. Маслопровод от трансформатора к расширителю должен иметь подъем не менее 2 % по отношению к крышке трансформатора.

Маслопровод должен быть присоединен к наивысшей точке крышки трансформатора.

Необходимый наклон крышки трансформатора должен быть достигнут путем установки металлических подкладок толщиной 15 - 25 мм и длиной не менее 150 мм под катки трансформатора со стороны расширителя. Катки трансформаторов должны быть заклинены для предупреждения их самопроизвольного перемещения на фундаментах.

5.2.73. Хранение трансформаторов длительное время допускается лишь при условии заливки его сухим маслом с созданием некоторого избыточного давления за счет расширителя. Разность температур трансформатора и масла при его заливке не должна превышать 5 °С.

5.2.74. Перед началом монтажа трансформатора необходимо:

из каждого маслонаполненного ввода произвести отбор пробы трансформаторного масла (приложение 13) для определения пробивного напряжения и проведения химического анализа;

подготовить достаточное количество сухого масла для доливки или заливки трансформатора;

подготовить чистый бак для слива масла из трансформатора на время осмотра его выемной части;

промыть и испытать съемные радиаторы охлаждения давлением 0,5 ати сухого горячего трансформаторного масла с помощью центрифуги или фильтрпресса;

в соответствии с размерами и весом трансформатора подготовить стальные стропы и валики для подъема внутренних деталей, а также всего трансформатора, если это окажется необходимым;

проверить состояние крана на расширителе; расширитель внутри промыть чистым маслом, одновременно испытать его на отсутствие течи, установить маслоуказатель так, чтобы было удобно вести наблюдение за уровнем масла в расширителе во время работы трансформатора;

установить на предохранительную (выхлопную) трубу стеклянную диафрагму на резиновых прокладках, покрытых для большей непроницаемости бакелитовым лаком;

проверить состояние и работу поплавковой системы газового реле и всех приборов контроля температуры, устанавливаемых на трансформаторе;

наклеить резиновые прокладки с помощью специального или резинового клея на адаптеры (переходные фланцы) под высоковольтные вводы;

просушить при температуре 105 °С в течение 24 ч бакелитовые цилиндры (экраны) перед установкой на высоковольтные вводы.

5.2.75. Определение условий включения масляных трансформаторов без сушки производится в соответствии с «Инструкцией по контролю состояния изоляции трансформаторов перед вводом в эксплуатацию» (ПУЭ 1-8-16, п. 1).

5.2.76. Устранение всех обнаруженных повреждений и неисправностей производят при осмотре внутренней части трансформатора (если он будет производиться).

При этом подпрессовывают обмотку (если она ослабла) подтяжкой прессующих шпилек или расклиновкой просушенными прокладками из картона;

проверяют крепежные детали и подтягивают их;

проверяют состояние переключателей и для облегчения дальнейшей сборки устанавливают их в первое положение;

замеряют сопротивление изоляции обмоток трансформатора на корпус и между собой, а также изоляции всех доступных прессующих шпилек на магнитопроводе, верхних и нижних консолей при снятом с них заземлении;

проверяют сопротивление обмоток постоянному току на всех ступенях переключения, коэффициент трансформации для всех ступеней напряжения;

проверяют целость всех деревянных креплений отводов.

По окончании ревизии выемную часть трансформатора рекомендуется промыть струей чистого сухого масла.

5.2.77. До заливки трансформатора маслом (см. приложение 13) на крышке устанавливают постоянные вводы, термометры, приводы переключателей. При этом под действием пружин контактных колец должно четко фиксироваться каждое положение переключателя.

Вначале навешивают часть радиаторов, расположенных под расширителем, затем устанавливают расширитель, его соединительную трубу с газовым реле, предохранительную (выхлопную) трубу. После этого навешивают остальные радиаторы, термосифонные фильтры и затем производят необходимые измерения.

5.2.78. После заливки трансформатора маслом производится проверка уплотнений избыточным давлением столба масла высотой 0,6 м над уровнем расширителя для трубчатых и гладких баков и высотой 0,3 м для волнистых и радиаторных баков в течение 1 мин. Затем монтируют вентиляторы охлаждения с проверкой их работы, если таковые предусмотрены конструкцией данного трансформатора.

5.2.79. Трансформатор испытывают в соответствии с «Инструкцией по контролю состояния изоляции трансформаторов перед вводом в эксплуатацию» (ПУЭ, п. 1-8-16).

5.2.80. Трансформаторы монтируют при помощи крана грузоподъемностью, определяемой весом трансформатора.

м) Измерительные трансформаторы

5.2.81. Перед монтажом измерительных трансформаторов (приложение 14) следует произвести их ревизию: проверить соответствие паспортных данных проекту, исправность фарфоровых изоляторов и их армировки, исправность маслоуказателя, спускных пробок.

5.2.82. Перед монтажом измерительных трансформаторов необходимо также проверить, хорошо ли сообщается бак с маслоуказателем и отсутствуют ли заглушки в дыхательных устройствах (при сливе небольшого количества масла через спускную пробку уровень в маслоуказателе должен понизиться; после этой проверки необходимо долить в трансформатор соответствующее количество свежего сухого масла).

5.2.83. Уровень масла в маслоуказателе должен находиться против черты, соответствующей данной окружающей температуре. В случае необходимости масло нужно долить. При наличии следов течи трансформатор следует отправить в ремонт.

5.2.84. Пробу масла для определения электрической прочности берут из нижней части бака, при этом спускное отверстие предварительно промывают сливаемым маслом. Электрическая прочность должна быть не ниже значений, приведенных в приложении 13. При меньших значениях масло заменяют свежим сухим и через 24 ч берут повторную пробу.

5.2.85. Выемную часть маслонаполненного трансформатора поднимают из бака только в том случае, если имеется предположение, что обмотка или другие внутренние детали повреждены. При этом чтобы избежать сушки изоляции, выемка должна производиться в сухом помещении, а пребывание обмоток вне масла должно быть не более 16 ч в сухую погоду и 12 ч при влажной погоде (допустимая относительная влажность воздуха 65 - 75 %).

Рис. 59. Установка трансформаторов тока проходного типа:

а - на стальных угольниках; б - на железобетонной или стальной плите (приведены схемы установки двух трансформаторов тока и одного проходного изолятора); 1 - угловая сталь; 2 - лист стальной толщиной 3 - 5 мм; 3 - отверстия для крепления; 4 - болт стальной М12 (головка приварена)

5.2.86. Проверенные трансформаторы устанавливают на предварительно подготовленные конструкции (рис. 59) в соответствии с проектом. Маслонаполненные трансформаторы должны устанавливаться с учетом удобного обслуживания и наблюдения за маслоуказателем и маслоспускной пробкой.

5.2.87. После проверки конструктивных и изоляционных расстояний, которые выдерживаются по чертежам проекта, но не менее данных, приведенных в приложении 15, производят присоединение шин без передачи усилия тяжения от шин на выводной зажим изолятора трансформатора. Затем трансформаторы заземляют, производят окраску шин (при жесткой ошиновке), наносят необходимые надписи.

н) Сушка трансформаторов под вакуумом

5.2.88. Если установлено, что трансформатор подлежит сушке, то ее необходимо производить в следующем порядке:

слить масло из бака в чистый сухой резервуар;

осмотреть сердечник (см. п. 5.2.76);

удалить из бака остатки масла и грязь и промыть его чистым маслом;

установить внутри трансформатора термопары для контроля температуры его нагрева;

для измерения сопротивления изоляции обмоток при сушке на крышке вместо основных смонтировать временные вводы;

собрать схему вакуумной установки (рис. 60) и проверить герметичность уплотнений;

утеплить бак двумя слоями асбестовых листов толщиной 4 - 5 мм или стеклотканью (категорически запрещается производить утепление бака мешковиной, строительным войлоком и другими легковоспламеняющимися материалами);

намотать поверх асбеста намагничивающую обмотку проводом с асбестовой изоляцией (при отсутствии можно применить провод ПРТО или ПМД).

5.2.89. Намагничивающую обмотку следует выполнить из двух-трех секций по высоте бака трансформатора для того, чтобы иметь возможность в процессе сушки регулировать температуру сердечника в допустимых пределах включением и отключением соответствующей части обмотки.

Под дно бака устанавливают электропечи или воздуходувки.

5.2.90. В процессе сушки необходимо периодически производить замеры сопротивления изоляции, температуры нагрева вакуума и количества выделяемого конденсата. На основании замеров следует построить кривые (рис. 61), которые позволяют судить о процессе сушки.

Рис. 60. Схема сушки трансформатора индукционным методом в собственном баке без масла под вакуумом:

1 - сердечник трансформатора; 2 - асбестовая изоляция; 3 - намагничивающая обмотка; 4 - корпус; 5 - вакуумнасос; 6 - охладитель конденсата; 7 - отстойник для сбора конденсата; 8 - кран для регулировки вакуума; 9 - вакуумметр; 10 - временные выводы для термопар (Т4, Т5, Т6,); 11 - временные выводы для измерения сопротивления изоляции обмоток трансформатора; 12 - электропечи

5.2.91. При питании однофазным током секции обмотки соединяют параллельно (см. рис. 61, схема 1).

При питании трехфазным током секции обмотки соединяют звездой. При этом направление тока в средней секции должно быть обратным по отношению к верхней и нижней секциям (см. рис. 61, схема 2).

5.2.92. Направление намотки всех фаз одинаковое; пофазная регулировка тока при этой схеме соединения намагничивающей обмотки может быть осуществлена перемещением общей точки «0» звезды, при этом ток в фазах выравнивается, когда число витков в средней фазе составит примерно 40 % числа витков одной из крайних фаз.

5.2.93. Передача тепла от стенок бака внутренним частям выемной части трансформатора затруднена, особенно при наличии изоляции (рубашки) внутри бака, поэтому обязательно следует производить обогрев дна бака. В этом случае восходящий тепловой поток ускорит и обеспечит более равномерный прогрев сердечника и всей внутренней изоляции. С этой же целью, а также во избежание образования конденсации влаги, в течение всего прогрева трансформатора бак вентилируется продувкой подогретого до 100 - 105 °С наружного воздуха с помощью вакуумнасоса, при постоянном допустимом вакууме.

Рис. 61. Кривые изменения во времени относительной влажности Q, сопротивления R, давления Р и температуры t при сушке трансформаторов и способы соединений секции обмотки:

схема 1 - при питании однофазным током (параллельно); схема 2 - при питании трехфазным током («звезда»)

5.2.94. При достижении прогрева всех внутренних частей трансформатора до температуры 100 - 105 °С следует начать постепенное равномерное повышение вакуума по 0,1 ати/ч до предельно допустимой величины для данного типа трансформатора.

Моменту полного разогрева всей массы изоляции соответствует минимальная величина сопротивления изоляции обмоток и максимальная величина тангенса угла потерь и емкости. С этого момента и следует начать подъем вакуума.

5.2.95. Остаточное давление в баке паровоздушной смеси при неполном (ограниченном) вакууме затрудняет процесс испарения влаги, поэтому до полного прекращения выделения ее из изоляции трансформатора необходимо продолжать отсос из бака увлажненного воздуха указанным выше способом. Увлажненный воздух из бака трансформатора вытесняют созданием подсоса подогретого до 100 - 105 °С атмосферного (холодного) воздуха или азота через нижний край бака с сохранением внутри последнего постоянными наибольшей допустимой температуры (100 - 105 °С) и наибольшего допустимого вакуума.

5.2.96. При сушке необходимо регулировать подогрев выемной части так, чтобы температура ее держалась равномерной и не превышала 105 - 110 °С и температура стенок бака не превышала 120 - 125°, а дна - 110 - 115°. Затруднения в поддержании указанных температур указывают на недостаточность утепления бака.

5.2.97. Температуру регулируют периодическим включением и отключением намагничивающей обмотки (но не раскрытием утепления). Это удобно сделать при помощи автоматических выключателей. Количество отключений можно свести до минимума снижением тока намагничивающей обмотки. Осуществляется это путем различных комбинаций соединения отдельных секций обмотки или переключением на предусмотренные ранее дополнительные витки в количестве 10 - 15 % основной обмотки.

5.2.98. Сушка считается законченной при одновременном выполнении следующих условий:

а) если полностью прекратится выделение конденсата влаги;

б) если после прекращения выделения влаги сопротивление изоляции обмоток, постепенно повышаясь, останется при постоянной температуре 105 - 110° в течение последних 8 ч неизменным, а тангенс угла изоляции обмоток при температуре сушки 105 - 110°, уменьшаясь, достигает постоянной величины в течение 8 ч подряд.

5.2.99. По окончании сушки следует отключить нагрев и, не снижая предельно возможного вакуума, снизить температуру внутри бака до 80 - 85°, произвести заливку трансформатора маслом, имеющим пробивное напряжение не ниже 45 кв, через верхний кран на крышке. После заполнения выемную часть трансформатора необходимо выдержать в масле при том же вакууме. Время выдержки в масле под вакуумом должно составлять:

для трансформаторов с напряжением 110 кв - 3 ч;

для трансформаторов с напряжением 154 ¸ 220 кв - 5 ч.

Затем вакуум следует снять, взять пробу масла из нижнего крана и выдержать выемную часть трансформатора в масле еще в течение 1 ч, после чего приступить к ее ревизии и монтажу трансформатора с заливкой масла под вакуумом.

5.2.100. При индукционном методе более равномерную температуру нагреваемой части по всей ее высоте возможно получить лишь при особо тщательном отеплении всего трансформатора с дополнительным подогревом дна и подачей горячего воздуха внутрь бака, как было указано выше.

При этом для успешного проведения сушки в минимальный срок удельный расход мощности Р (квт/м2 поверхности под обмоткой) должен составлять:

для нагрева стенок бака (индукционной обмоткой)............... 1 ¸2 квт/м2;

для нагрева дна бака (электропечами)..................................... 2,5 ¸ 3 ».

Ориентировочно число витков W определяется периметром бака и напряжением, подводимым к намагничивающей обмотке, по формуле:

,

где      U - подводимое напряжение в в;

L - периметр бака в м;

А - коэффициент пропорциональности, зависящий от р:

р............... 1          1,25     1,5        1,75      2;

А............... 1,85     1,7       1,6        1,5        1,45.

Мощность Р намагничивающей обмотки (или секции обмотки) составит:

Р = р×L×h,

где h - высота обмотки, м.

Сечение провода берется в зависимости от протекающего в обмотке тока, равного

,

где cosj - коэффициент мощности, берется в пределах 0,5 ¸ 0,7.

Для уменьшения числа витков намагничивающей обмотки при сушке трансформаторов необходимо уменьшить напряжение питания этой намагничивающей обмотки. Для этой цели могут быть использованы сварочные или печные трансформаторы.

5.2.101. В процессе сушки при ограниченном вакууме непрерывный отсос увлажненного воздуха из бака трансформатора должен производиться (пока выделяется влага) заменой (вытеснением) его подогретым до 100 - 110° более сухим воздухом или азотом через нижний кран бака без снижения при этом температуры сушки и наибольшей допустимой степени разряжения.

о) Отбраковка и монтаж фарфоровых изоляторов

5.2.102. У опорных изоляторов при отбраковке (ревизии и подборе) проверяют:

1) отсутствие на поверхности глазури трещин (осмотр производится при помощи увеличительного стекла);

2) отсутствие отбитых краев и сколов у изоляторов внутренней установки площадью более 1 см2 и глубиной 1 мм, а у изоляторов наружной установки - длиной более 60 мм и глубиной более 10 мм (только на одной юбке); дефектное место, если оно не превышает нормы, должно быть покрыто двумя слоями бакелитового или глифталевого лака с просушкой каждого слоя;

3) отсутствие на поверхности глазури вкраплений песка и металла (от электросварки), лысин площадью более 3 см2 и т.п.;

4) прочность армировки колпачка и фланца; отсутствие выкрашивания из швов цементирующей замазки; шов должен быть покрыт влагостойким лаком (в ЗРУ - лаком № 351, в ОРУ - глифталевым лаком);

5) диаметр отверстий в головке и фланце; расстояние между отверстиями (эти размеры должны соответствовать ГОСТу);

6) внешние размеры изоляторов (рис. 62); высота изолятора не должна отличаться от стандартной более чем на ± 3 мм (изоляторы с одинаковым отклонением по высоте группируются); смещение оси колпачка относительно оси фланца не должно быть более ± 3 мм.

5.2.103. У проходных изоляторов дополнительно проверяют:

1) резьбу и диаметр токоведущего стержня;

2) соответствие размеров токоведущего стержня номинальному току изолятора;

3) отсутствие конусности у токоведущих стержней круглого сечения;

4) отсутствие коррозии контактных поверхностей (поверхности зачищаются стальной щеткой и смазываются нейтральным вазелином);

5) наличие антикоррозийного покрытия на болтах, гайках и шайбах (применяются чистые);

6) наличие медных или латунных контргаек у гаечных контактов (при круглых стержнях) и пружинящих шайб у болтовых контактов (при плоских стержнях).

5.2.104. При отбраковке проходные изоляторы подбираются в соответствии со схемой заполнения по их номинальным токам.

Рис. 62. Дефекты в армировке изоляторов:

а - непараллельность колпачка и фланца; б - несовпадение центра колпачка с осью изолятора; в - несовпадение осей отверстий колпачка и фланца; г - отсутствие зазора в шве армировки

5.2.105. У подвесных изоляторов дополнительно проверяют:

1) наличие замков (шплинтов) фирменного изготовления;

2) отсутствие трещин, коррозии и целость антикоррозийного покрытия на деталях сцепной арматуры;

3) прочность посадки пестика и шапки, отсутствие выкрашивания замазки.

5.2.106. В процессе отбраковки подвесные изоляторы сортируют по цветам и оттенкам глазури, после чего собирают в гирлянды.

5.2.107. При монтаже опорные изоляторы крепят:

1) на стенах толщиной до 100 мм - сквозными болтами или шпильками; при этом должно быть предотвращено провертывание при затяжке гаек;

2) на стенах толщиной более 100 мм - штырями;

3) в зимних условиях при толщине стен более 100 мм - безвмазочными закрепами;

4) на стальных конструкциях - болтами.

5.2.108. При установке и выверке изоляторов необходимо обеспечить выполнение следующих требований.

1) Поверхности колпачков (головок) должны находиться в одной плоскости (при расположении на одной полке, стене и т.п.) с допуском ± 2 мм. Проверку ведут при помощи уровня и рейки длиной 2 - 4 м. Для выравнивания под фланцы изоляторов подкладывают стальные пластины и шайбы.

2) Оси головок изоляторов должны совпадать с поперечными и продольными разметочными осями симметрии с допуском 1 мм. Проверку ведут при помощи натянутых стальных проволок.

3) Фланцы изоляторов должны располагаться на «чистой» поверхности стен, полок и т.п. (не утапливаться в штукатурку).

4) Заземляющие болты изоляторов или места заземления конструкции с изоляторами располагают во всех камерах одинакового назначения однообразно.

5) Участки для присоединения заземления, а также поверхности соприкосновения фланцев и конструкции под ними должны быть зачищены до блеска и смазаны вазелином.

6) На конструкциях, подверженных постоянным вибрациям, изоляторы крепят с применением контргаек или пружинных шайб.

7) Колпачки и фланцы изоляторов, поддерживающие конструкции, кроме мест присоединения заземления, окрашивают черной эмалевой краской (в период отделки всего РУ).

8) Опорные и штыревые изоляторы, как правило, должны устанавливаться вертикально; наклон их оси по отношению к вертикали допускается не более 45°.

9) При установке и выверке проходных изоляторов выдерживаются условия, приведенные для опорных изоляторов.

Изоляторы устанавливают на плитах из листовой стали (рис. 63, а), из угловой и листовой стали (рис. 63, б) и железобетонных (рис. 63, в).

Рис. 63. Плиты для установки проходных изоляторов типов ПА и ПБ до 600 а в проемах каменных стен:

а - плита из листовой стали (размеры А, Б, В, Г приведены в таблице); б - плита из угловой и листовой стали; в - железобетонная плита; 1 - опорные стойки из стали толщиной 3 мм; 2 - стенка из стали толщиной 2 мм; 3 - болт М10´35; 4 - стальная плита; 5 - угловая сталь; 6 - Z-образные скобы; 7 - Г-образные скобы; 8 - отверстие в Z-образной скобе; 9 - плита; 10 - стальная арматура

10) При номинальном токе проходных изоляторов 1500 а и выше стальные плиты изготовляют из двух половин с устройством между ними зазора 5 - 6 мм; обе части плиты соединяют планками из маломагнитного материала.

В плитах и щитах диаметр отверстия для изолятора должен быть на 5 - 6 мм больше диаметра тела изолятора.

На плитах, щитах и рамах предварительно наносят оси симметрии, которые при установке совмещают с осями симметрии камеры.

Выверка ведется при помощи рейки и уровня.

Отклонения от осей симметрии и от размеров чертежа проекта не должны превышать ± 2 мм.

В изоляторах типа ИПШ устанавливают специальные планки, через которые шины должны проходить свободно.

11) Линейные вводы устанавливают с углом наклона их оси по отношению к горизонтальной плоскости не более 30° (рис. 64).

Рис. 64. Угол наклона линейного ввода:

1 - вертикальная плоскость; 2 - горизонтальная плоскость; 3 - ось изолятора; 4 - наружная часть ввода

Наружная ребристая часть линейного ввода должна располагаться так, чтобы предупреждалось скопление влаги и твердых осадков.

5.3. МОНТАЖ ЗАКРЫТОЙ ЧАСТИ ПОДСТАНЦИИ

а) Заземление

5.3.1. Внутренний контур заземления монтируют в два этапа. Вначале прокладывают шины, прикрепляемые к стенам, а затем, после установки всего оборудования на рабочих местах, производят его подсоединение отдельными ответвлениями к общему контуру. Для прокладки внутреннего контура заземления применяют плоские шины. Заземляющая шина должна прокладываться вдоль стен: в горизонтальной части - по уровню, в вертикальной - по отвесу.

5.3.2. Заземляющие шины следует прикреплять к строительным конструкциям специальными гвоздями с помощью строительно-монтажного пистолета типа СМП-1. Точки крепления шины к стене должны отстоять одна от другой на расстоянии не более 1,5 м на прямых участках. В местах прохода шины сквозь стену и перекрытие оставляется проем такого размера, чтобы зазор между шиной и стеной был 3 - 5 мм. Возможен проход шины через стену или перекрытие также и в стальной трубе. В этом случае зазор между стенкой трубы и шиной также должен быть не менее 3 мм. Делается это для удобства осмотра и возможности замены шины, если в этом появится необходимость.

5.3.3. Соединение шин между собой, как правило, должно производиться электросваркой внахлестку или в стык с дополнительной накладкой, равной по длине учетверенной ширине полосы для плоских шин или шестикратному диаметру для круглых шин.

5.3.4. К внутреннему контуру заземления, входящему в зону действия земляной защиты, подсоединяются следующие элементы оборудования, связанные с преобразовательными агрегатами:

оболочки силовых высоковольтных кабелей выпрямленного тока (за исключением отсасывающих и анодных);

опорные изоляторы ртутных выпрямителей;

ограждения, шкафы и панели управления ртутными выпрямителями;

арматура разрядников постоянного тока; арматура разъединителей и изоляторов главной, вспомогательной, формовочной и секционной или распределительного устройства постоянного тока;

каркасы ограждения и конструкции распределительного устройства выпрямленного тока, включая отдельно стоящие панели разъединителей ртутных выпрямителей.

При прокладке шин заземления следует обратить внимание на необходимость устранения шунтирующих цепей.

5.3.5. Внутренний контур заземления, к которому подсоединены конструкции оборудования постоянного тока, должен быть соединен с остальным контуром заземления в двух удаленных друг от друга точках через реле замыкания на землю с помощью болтового соединения.

5.3.6. Все болтовые соединения заземляющих проводников должны удовлетворять следующим требованиям:

диаметр болтов должен быть не менее 12 мм;

во всех болтовых соединениях под гайку необходимо ставить пружинную шайбу;

отверстие в шине под болт может быть больше диаметра болта на 2 мм.

5.3.7. При проходе шины заземления через температурные швы здания на ней должен быть сделан небольшой компенсатор во избежание нарушения крепления шины при температурных смещениях строительных конструкций.

5.3.8. Подсоединение шины заземления к оборудованию допускается только с помощью крепежных деталей. Электросваркой присоединяются только металлические конструкции.

5.3.9. Для предохранения стен от загрязнения во время покраски шин и их сварки под них следует подкладывать лист фанеры, картона или железа.

б) Освещение

5.3.10. Порядок производства работ при монтаже освещения следующий: в каждом из помещений размечают места прохода магистрали освещения и точек крепления осветительных приборов-светильников, выключателей, штепсельных розеток, распределительных щитков. Затем разметочным шнуром, натертым мелом, углем или каким-нибудь красителем отбивают линии прокладки соединительных проводов по наиболее короткому расстоянию между приборами с целью экономии материалов, соблюдая правила прокладки проводов, параллельно строительным и архитектурным линиям помещения для придания ей аккуратного внешнего вида.

5.3.11. Крепить кабели и провода у коробок, проходов и т.д. следует на расстоянии 50 - 100 мм от них. В местах изгибов провода или кабеля крепление производится на расстоянии, равном допустимому радиусу изгиба плюс 10 мм от точки пересечения осей точек крепления (рис. 65). При этом кабель изгибают вручную, а провод ТПРФ - клещами КТ-1 со съемными пуансонами или КТ-2, имеющими поворотный универсальный пуансон.

Наиболее удобными для изгибания провода ТПРФ как со стальной, так и с алюминиевой оболочкой наружным диаметром от 4,8 до 10,6 мм являются клещи КТ-2.

При изгибании провода клещами необходимо:

подобрать лунку в пуансоне в соответствии с диаметром провода;

первые 2 - 3 вдавливания выполнить неполным сжатием клещей, а последующие - сжатием до отказа;

места вдавливания располагать на минимальном расстоянии друг от друга, но с таким расчетом, чтобы последующее вдавливание не заходило на предыдущее;

поправить изгиб руками после окончания работы клещами.

Провод нужно изгибать осторожно, во избежание повреждения изоляции и его оболочек.

5.3.12. Каждый провод или его отрезок крепят вначале в крайних точках, а затем в средних, с натяжением его без провисания в промежутках между точками крепления. Расстояние между точками крепления должно быть не более: для шнуровых проводов сечением до 2,5 мм2 - 800 мм; для сечений более 2,5 мм2 - 1000 мм; для кабеля и провода ТПРФ при горизонтальной прокладке - 500 мм и при вертикальной - 700 мм. Провода к стенам крепят на роликах или на изоляторах и закрепляют их шпагатом, а кабели - с помощью стальных скобок. Кабели, прокладываемые параллельно, крепят одной скобой (рис. 66).

Рис. 65. Установка скоб в месте изгиба кабеля или провода

Рис. 66. Крепление одного и двух параллельно прокладываемых кабелей с помощью скобы и дюбеля типа Г-4

Ответвления проводов производятся их скруткой с пропайкой или опрессованием.

Скобы и осветительные приборы, указанные в п. 5.3.10, крепят к опорным поверхностям (стенам, потолкам, металлическим конструкциям) с помощью строительно-монтажного пистолета, дюбелей или шурупов, в зависимости от места крепления и материала прикрепляемого изделия.

5.3.13. В производственных помещениях тяговой подстанции, как правило, применяют провода и кабели марок ВРГ, СРГ, ТПРФ, а в бытовых помещениях - провода марок ПР и ПРД.

При проводке кабелем марки СРГ под скобу ставят прокладку из электрокартона, выступающую на 1 мм с каждой ее стороны.

Шов металлической оболочки провода ТПРФ при его горизонтальной прокладке по стене должен быть расположен внизу, при вертикальной - направлен к стене и при прокладке по потолку - направлен к опорной поверхности.

5.3.14. Провода перед прокладкой должны быть выправлены путем протяжки через специальное приспособление - роликовый выпрямитель. Радиус изгиба провода марки ТПРФ должен быть не менее шестикратного наружного диаметра провода, а кабеля марки СРГ - не менее десятикратного наружного диаметра кабеля.

5.3.15. Проход через стены и перегородки допускается выполнять в изоляционных трубках без оконцевания втулками. При проходе через плиты перекрытия кабелей и проводов (исключая шнуровые) они должны быть заключены в стальную трубку на высоту до 2 м от уровня пола или же защищены на ту же высоту металлическим или деревянным кожухом во избежание механического повреждения.

5.3.16. Медные многожильные провода и шнуры сечением до 6 мм2 и одножильные сечением до 10 мм2 можно подсоединять к приборам без специальных наконечников, изготовив петлю из самого провода. При этом конец многожильного провода либо опаивается, либо подсоединяется с помощью шайбового наконечника. Многожильные провода сечением более 6 мм2 и одножильные сечением свыше 10 мм2 подсоединяют только с помощью кабельного наконечника. Оконцевание проводов кабельными наконечниками производится с помощью клещей типа ПК-2 для проводов сечением до 10 мм2 и клещами типа ПК-1 для проводов сечением до 50 мм2.

5.3.17. Групповые осветительные щитки, как правило, устанавливают заводского изготовления, поэтому перед установкой они подвергаются ревизии. Установка производится по уровню и отвесу. При необходимости их обслуживания с задней стороны расстояние от задней панели щитка до стены должно быть 200 - 250 мм. По окончании всех подсоединений на лицевой панели щитка около рубильников и предохранительных пробок должны быть прикреплены указатели подсоединенных осветительных приборов каждого из помещений подстанции.

в) Монтаж шин

5.3.18. Шины укрепляют на опорных изоляторах, выводных контактах проходных изоляторов и трансформаторов тока и на выводных зажимах аппаратов. На опорных изоляторах шины крепят плашмя или на ребро.

Ошиновочные работы состоят из следующих повторяющихся операций:

предварительных замеров с изготовлением шаблона;

заготовки участков ошиновки с выполнением предварительных работ по сверлению, правке, гибке и соединению шин между собой (там, где допустимо);

монтажа шин на месте установки.

5.3.19. Заготовку шин и подготовку их к монтажу следует производить индустриальными методами в мастерских или в технологическом вагоне-мастерской, приданном каждому прорабскому пункту, в котором имеются станки и приспособления, позволяющие механизировать работы.

По заранее снятым шаблонам заготовляют шины необходимой длины и конфигурации.

Для изготовления шаблонов каждого из участков ошиновки должны быть определены размеры по месту каждого из элементов данной шины (прямые участки, изгибы, повороты), заключенного между центрами опорных изоляторов или контактных выводов аппаратов. При изготовлении шаблона необходимо учитывать, что шина должна проходить по наикратчайшему пути с минимальным количеством изгибов и с соблюдением допустимых изоляционных расстояний согласно ПУЭ п. IV-2-96 (приложение 15).

5.3.20. Перед монтажом шину выправляют в двух плоскостях. Затем ее закрепляют с помощью струбцин на двутавровой или швеллерной балке и все неровности выправляют (в зависимости от сечения шины) деревянным молотком (киянкой) или свинцовой кувалдой весом 5 ¸ 7 кг с наложением на неровности накладки из того же материала, что и шина.

5.3.21. Шину большого сечения изгибают на специальном шинотрубогибе, который должен находиться в технологическом вагоне-мастерской. Шины малого сечения можно гнуть на оправке киянкой или вручную. Изгибание «уткой» (рис. 67) для соединения шин внахлестку может быть выполнено на ручном винтовом прессе. Сверление отверстий в шинах для соединения их между собой болтами должно производиться на сверлильном станке с помощью кондуктора и, как исключение, без кондуктора - по разметке. Сверление может выполняться также и электродрелью непосредственно на месте монтажа. Резка шин производится с помощью электроножовки, представляющей собой электродрель, у которой рабочим органом является дисковая пила, снабженная защитным кожухом. Концы отрезанных шин зачищают от заусенцев, острые кромки притупляют напильником.

Рис. 67. Изгиб «уткой» для соединения шин внахлестку

5.3.22. Сборные шины и шинопроводы в основном следует соединять электросваркой. В малоответственных местах допускается соединение шин методом опрессования. Болтовые соединения должны применяться для присоединения шин к аппаратам и в тех местах, где это диктуется необходимостью соблюдения разборности шин.

5.3.23. Алюминиевые шины следует сваривать под слоем флюса, так как на поверхности алюминия на воздухе появляется тугоплавкая пленка окиси. Если ее не удалить, то расплавляя основной металл можно перемешать его с этой пленкой и ухудшить электропроводность металла в месте стыка, так как пленка окиси обладает большим электрическим сопротивлением. Флюс удаляет пленку окиси с поверхности металла. Для сварки алюминия должен применяться флюс ВАМИ. Подготовленные к сварке поверхности, а также присадочный пруток обмазывают слоем флюса, после чего шины сваривают за один проход с последующей подваркой на 1/3 глубины стыка с обратной стороны шины. Для сварки применяют электроды из графитизированного угля диаметром 12 ¸ 18 мм и длиной 120 - 150 мм. Размеры электродов зависят от толщины свариваемых шин и силы сварочного тока.

5.3.24. При соединении шин методом опрессования следует обращать особое внимание на подготовку контактных поверхностей шин. Зачистка их может производиться с помощью электродрели, рабочим органом которой является диск из кардоленты, снабженной с одной стороны густой щеткой из тонких стальных проволок. Зачищенную поверхность шины протирают от пыли чистой сухой тряпкой и во избежание окисления поверхности смазывают слоем вазелина. Алюминиевые шины необходимо зачищать под слоем вазелина.

Малейшее загрязнение контактной поверхности после зачистки, даже прикосновение к ней руки, ухудшает электропроводность места стыка и снижает его механическую прочность. Соединение шин опрессованием производится внахлестку, причем длина стыка должна быть не менее ширины шины. Подготовленные концы шин закладывают в соответствующий кондуктор и опрессовывают давлением с помощью ручного гидропресса типа РГП-7М.

5.3.25. При обработке контактной поверхности шин под болтовые соединения необходимо полностью удалить окись с медных шин, ржавчину - со стальных и оксидную пленку - с алюминиевых шин. Контактная поверхность медных, алюминиевых и стальных шин не должна иметь недопустимых вмятин, раковин и неровностей; она должна быть плоской и ровной.

Металлическая пыль должна быть удалена чистой тряпкой, а обработанная поверхность покрыта тонким слоем технического нейтрального вазелина.

Окончательную зачистку контактной поверхности алюминиевых шин производят наждачной или стеклянной бумагой под слоем нейтрального вазелина, который после зачистки удаляют и заменяют чистым.

Контактную поверхность стальных шин, монтируемых на открытых установках и в сырых помещениях, необходимо защитить лужением или другим равноценным покрытием.

5.3.26. Отверстия для болтовых соединений шин заготовляют по одному из рабочих эскизов (рис. 68), на которых предусмотрены соединения шин из однородных металлов и соединения медных шин с алюминиевыми.

Непосредственное соединение алюминиевых шин со стальными не допускается; при необходимости их соединяют при помощи промежуточных медных планок. Ответвления от алюминиевых шин стальными следует выполнять так, чтобы до аппарата были алюминиевые шины, а после аппарата стальные.

5.3.27. Сборка болтовых и сжимных контактных соединений производится следующим образом:

удаляют вазелин с обработанных контактных поверхностей чистой сухой тряпкой и (независимо от установки внутри или вне зданий) вместо удаленного слоя немедленно наносят тонкий слой свежего вазелина;

вставляют болты в отверстия шин таким образом, чтобы гайки были доступны наблюдению и обслуживанию. Под головки болтов и гайки для медных и стальных шин подкладывают чистые стальные шайбы. При соединении алюминиевых шин рекомендуется под гайки и головки болтов подкладывать специальные шайбы увеличенных размеров; при соединении медных шин с алюминиевыми специальную шайбу подкладывать только со стороны алюминиевой шины. При отсутствии специальных шайб допускается установка двух нормальных шайб вместо одной специальной.

Болты диаметром до 10 мм ставят получистые с шестигранной головкой по ГОСТ 7798-57, а диаметром 12 мм и выше - получистые с большой шестигранной головкой по ГОСТ 7799-57.

Рис. 68. Рабочие эскизы заготовки отверстий для болтовых контактных соединений медных, алюминиевых и медных с алюминиевыми плоских шин размером до 100´10 мм:

А - алюминий; М - медь; AM - алюминий с медью

Длину болтов выбирают в зависимости от толщины шин в месте соединения; при этом болты предусмотрены без контргаек; после полной сборки контактного соединения концы болтов будут выступать из гаек на 2 - 3 нитки резьбы.

На болтовых контактных соединениях медных, алюминиевых и стальных шин, находящихся во взрывоопасных помещениях, а также подверженных вибрации, следует устанавливать контргайки, стопорные шайбы или другие приспособления, предохраняющие гайки от ослабления.

Пружинные шайбы (разрезные) по ГОСТ 6402-52 при соединениях алюминиевых шин не рекомендуются, а при соединениях медных и стальных шин - надежно обеспечивают застопоривание резьбовых соединений.

Диаметр отверстий в шинах в зависимости от диаметра болтов выбирают исходя из следующих данных:

Диаметр болтов, мм                                   6      10      12      16

Диаметр отверстий в шинах, мм               7      11      13      17

5.3.28. При сборке контактных соединений гайки завинчивают нормальными гаечными или разводными ключами соответствующего размера. Затяжку необходимо выполнять следующим образом: при диаметре болтов свыше 10 мм сначала, постепенно и плавно, доводят силу нажатия руки на ключ до 40 кг, после чего затяжку ослабляют и вторично затягивают гайку с нормальными усилиями (15 - 20 кг). Болты диаметром 10 мм и меньше надлежит сразу затягивать с нормальным усилием (15 - 20 кг). Категорически воспрещается применять для увеличения силы нажатия удлинители, например, рычаги, надеваемые на ключ, трубы и т.п., так как при этом можно настолько повысить силу затягивания, что последняя превзойдет предел текучести материала шины или болтов. Особенно внимательно необходимо относиться к затяжке болтовых соединений алюминиевых шин. Желательно при затяжке болтов пользоваться ключами с регулируемым крутящим моментом.

5.3.29. После затяжки болтов наружные поверхности контактных соединений и линии швов должны быть очищены чистой тряпкой от выдавленного вазелина.

В условиях агрессивных сред, а также в наружных установках и сырых помещениях линии швов контактных соединений шин, места выхода проводов из зажимов и наружные швы между зажимами или шинами и контактными выводами аппаратов подлежат окраске свинцовым суриком на натуральной олифе. В соединениях разнородных металлов рекомендуется более стойкое покрытие эмалью ПХВ-26 с предварительным покрытием поверхности грунтовкой № 138. До нанесения грунтовки поверхность должна быть зачищена и промыта бензином. Грунтовку № 138 наносят мягкой кистью. Окрашенная зона подвергается естественной сушке. Продолжительность сушки при температуре 18 - 23 °С - около 24 ч. Эмаль ПХВ-26 наносят мягкой кистью в 3 слоя. Длительность сушки каждого из слоев около двух часов.

Для возможности работы кистью в эмаль ПХВ-26 добавляют до 20 % сольвента.

До нанесения покрытий при температуре окружающего воздуха ниже + 5 °C следует предварительно подогреть подлежащие окраске места до температуры 40 - 60 °С.

При пользовании для подогрева поверхности паяльной лампой необходимо соблюдать осторожность, так как грунтовка № 138, эмаль ПХВ-26 и сольвент легко воспламеняются и не должны находиться вблизи пламени.

5.3.30. После окончания ошиновки производят выборочную проверку качества затяжки контактных соединений, и кроме того, 2 - 3 % соединений разбирают, проверяют качество обработки контактных поверхностей и наличие вазелина между ними.

Величина сопротивления участка шин в месте контактного соединения не должна превышать сопротивления шины такой же длины более чем в 1,2 раза.

5.3.31. Все контактные выводы аппаратов выполняют в виде пластин или стержней. Присоединения токоведущих шин прямоугольного сечения к выводам аппаратов в закрытых установках с нормальной средой следует производить:

медных шин к плоским и к нарезным стержневым выводам аппаратов - непосредственно;

алюминиевых шин к плоским выводам и к нарезным стержневым выводам до 600 а - непосредственно, свыше 600 а - через медные или медно-алюминиевые переходные шайбы.

Присоединение токоведущих шин прямоугольного сечения и гибких проводов к выводам аппаратов открытых установок и в сырых помещениях следует производить:

медных шин к плоским и к нарезным стержневым выводам аппаратов - непосредственно;

алюминиевых шин к плоским выводам и к нарезным стержневым выводам через медные или медно-алюминиевые переходные шайбы.

Таблица 13

Соединения алюминиевых шин

Что соединяется

С чем соединяется

Способ соединения

Требование к болтам, шайбам, гайкам

Конструкция переходной медной планки

Алюминиевая шина шириной, равной ширине плоского контакта аппарата

Плоские контакты выводов до 600 а, проходных изоляторов выключателей ВМГ-133, выключателей нагрузки, предохранителей ПК-6 и ПК-10 трансформаторов тока, разъединителей

Непосредственный

Шайбы увеличенные по две на болт. Болты, гайки, контргайки нормальные

-

а - при токе до 500 а; б - при токе 600 а; 1 - медный вывод аппарата; 2 - алюминиевая шина

Алюминиевая шина шириной более плоского контакта аппарата

Плоские контакты выводов до 600 а, проходных изоляторов выключателей ВМГ-133, выключателей нагрузки, предохранителей ПК-6 и ПК-10 трансформаторов тока, разъединителей

Через медную переходную планку

Шайбы увеличенные по две на болт. Болты, гайки, контргайки нормальные

Ширина не менее ширины алюминиевой шины, а длина - в зависимости от конструкции вывода и варианта присоединения

1 - медный вывод аппарата; 2 - медная переходная планка; 3 - алюминиевая шина

Алюминиевая шина шириной более углового контакта аппарата

Уголковые выводы аппаратов на 1000 а

Через медную переходную планку

Шайбы увеличенные по две на болт. Болты, гайки, контргайки нормальные

Ширина не менее ширины алюминиевой шины, а длина - в зависимости от конструкции вывода и варианта присоединения

1 - алюминиевая шина; 2 - медная переходная планка; 3 - медный вывод аппарата

Алюминиевая шина шириной более плоского контакта аппарата

Плоские контакты верхних выводов масляных выключателей на 600 и 1000 а

Через медную переходную планку

Шайбы увеличенные по две на болт. Болты, гайки, контргайки нормальные

Ширина не менее ширины алюминиевой шины, а длина - в зависимости от конструкции вывода и варианта присоединения

а - при токе 600 а; б - при токе 1000 а; 1 - медный вывод аппарата; 2 - медная переходная планка; 3 - алюминиевая шина

Алюминиевая шина шириной не менее двойного диаметра стержня

Стержневые выводы масляных выключателей на 600 и 1000 а

Непосредственный

Усиленные шайбы латунные, гайка латунная, контргайка стальная

-

Алюминиевая шина шириной менее двойного диаметра стержня

То же

Через медную переходную планку

Усиленные шайбы латунные, гайка латунная, контргайка стальная

Ширина и длина медной планки не менее ширины алюминиевой шины

а - не менее двойного диаметра стержня (непосредственно); б - менее двойного диаметра стержня; 1 - латунная гайка; 2 - шайбы латунные; 3 - контргайка стальная; 4 - алюминиевая шина; 5 - медная переходная планка

Алюминиевая шина

Медные выводы трансформаторов напряжения, разрядников, статических конденсаторов, независимые от сечения шин

Непосредственный

Нормальные болты, гайки, шайбы

-

Кабели с алюминиевыми жилами и алюминиевыми наконечниками

Плоские выводы разъединителей до 600 а

Через медную переходную планку

Нормальные болты, гайки и шайбы

Ширина планки равна ширине шины

1 - медный вывод аппарата; 2 - медная переходная планка; 3 - алюминиевый наконечник жилы кабеля

Алюминиевая шина

Плоские выводы рубильников на 600 - 1000 а, контактов на 600 а

То же, что и для стержневых выводов масляных выключателей на 600 а и на 1000 а

Усиленные шайбы. Нормальные болты, гайки и контргайки

Ширина планки равна ширине шины

Алюминиевые шины

Медный плоский контакт низковольтной сборки, а также предохранителя на 1000 а

Непосредственный

Усиленные шайбы. Нормальные болты, гайки и контргайки

-

1 - медный вывод аппарата; 2 - алюминиевая шина

Алюминиевые шины

Медные наконечники

Через медную переходную планку

Усиленные шайбы. Нормальные болты, гайки и контргайки

Ширина планки равна ширине шины

Алюминиевые шины

Медные, плоские и стержневые выводы аппаратов

Через медно-алюминиевую пластину, свариваемую в стык способом контактной сварки

При болтовом соединении - шайбы увеличенные, а болты, гайки и контргайки - нормальные

Пластины и отверстия медной части переходной медно-алюминиевой планки изготовляются по размерам выводов соответствующих аппаратов, а алюминиевая часть приваривается к шинам

1 - медный вывод аппарата; 2 - медно-алюминиевая пластина; 3 - алюминиевая шина

5.3.32. Присоединения медных, алюминиевых и стальных шин к контактным выводам аппаратов как во внутренних, так и в наружных установках следует производить в соответствии с конструкцией вывода и крепежом, предусмотренным и поставленным заводом-изготовителем аппаратов.

Алюминиевые шины следует присоединять к аппаратам высокого и низкого напряжений в соответствии с рекомендациями, приведенными в табл. 13. Присоединять с одной стороны контактного пластинчатого вывода одну шину, а с другой стороны две шины нельзя, так как при таком присоединении крайняя шина будет нагружена значительно меньше, чем шина, непосредственно прилегающая к контактному выводу, что может привести к недопустимому перегреву контакта и прилегающей к контакту шины.

Рассверливать отверстия в плоских контактных выводах аппаратов под увеличенные, против предусмотренных заводами, диаметры болтов воспрещается.

Примечания. 1. Все смонтированные контакты должны быть проверены на плотность прилегания контактных поверхностей с помощью щупа 0,05´10 мм. Щуп должен проходить между контактными поверхностями с любой стороны контакта на глубину не более чем 3 - 4 мм.

2. Контактные соединения окрашивать запрещается.

5.3.33. По окончании монтажа шины должны быть окрашены эмалевой краской. Для каждой фазы переменного тока и полярности шин постоянного тока существует свой определенный цвет.

Для переменного тока фаза А окрашивается в желтый цвет, фаза В - в зеленый, фаза С - в красный; для постоянного тока плюсовая шина - в красный цвет, минусовая - в синий.

Стыки шин и места наложения переносных заземлений краской не окрашиваются.

г) Распределительные устройства на напряжение 6 - 10 кв

5.3.34. Для распределительного устройства на напряжение 6 - 10 кв применяют комплектные ячейки заводского изготовления.

Эти ячейки транспортируют через монтажные проемы внутрь помещения, где с помощью полиспаста поднимают и устанавливают на место, после чего выверяют по осям симметрии, скрепляют между собой и прикрепляют к закладным частям в полу посредством электросварки.

5.3.35. После установки ячеек монтируют сборные шины и ответвления, устанавливают проходные плиты с изоляторами, а также все оборудование и приборы, снятые на время транспортировки заводом-поставщиком. Одновременно с этим монтируют системы освещения и отопления, а также прокладывают и разделывают силовые и контрольные кабели.

д) Щит управления и распределительное устройство постоянного тока на напряжение 3,3 кв

5.3.36. Распределительное устройство постоянного тока собирают из отдельных частей ячеек, изготовляемых на заводе.

Ячейки разъединителей устанавливают и выверяют на закладных конструкциях в полу машинного зала. Эти конструкции не должны быть электрически связаны с арматурой железобетонного пола.

После выверки ячеек разъединителей и их закрепления устанавливают шкафы управления автоматами и переднюю часть ограждения. Затем в ячейках ставят опорные конструкции для автоматов и устанавливают автоматы. По окончании установочных работ приступают к монтажу сборных и ответвительных шин, прокладке, разделке и подключению кабелей.

5.3.37. Доставленный на место установки быстродействующий выключатель следует осторожно освободить от заводской упаковки так, чтобы не повредить отдельные части механизма. Присоединение автомата к линии выполняют при помощи шин согласно проекту.

5.3.38. Панели щита управления, защиты и устройств автоматики поступают на подстанцию в готовом виде (заводского изготовления). Свободностоящие панели устанавливают на направляющих швеллерных закладных конструкциях, затем выверяют по осям установки, скрепляют между собой болтами, а к закладным конструкциям приваривают электросваркой. Прислонные панели крепят к закладным конструкциям, предусмотренным в стене.

После закрепления панелей по их верху на специальных клицах прокладывают шины оперативного тока, устанавливают снятые на время транспортировки приборы и другую аппаратуру, прокладывают силовой и контрольный кабели.

Отдельно стоящие панели управления, а также шкафы к ртутному выпрямителю устанавливают аналогично.

К установленным на своих местах панелям и щитам должны быть подведены кабели и провода, подлежащие подсоединению.

5.3.39. Работы по вторичной коммутации начинают с разделки кабелей, прозвонки жил, с целью определения одной и той же жилы на обоих концах подсоединяемого кабеля или провода. Прозвонка может выполняться с помощью аккумуляторной батареи и последовательно соединенного с ней звонка или лампочки или же двух телефонов полевого типа. При этом один конец от батареи подсоединяют к земле или к оболочке кабеля, если она металлическая, а другой конец от второй клеммы звонка или от лампочки поочередно присоединяют к зачищенным жилам или проводам. При этом с другого конца кабеля должна быть замкнута на землю или металлическую оболочку одна из жил кабеля или провод. Искомую жилу или провод находят путем создания электрической цепи - по звону звонка или загоранию лампочки.

Прозвонка таким методом выполняется двумя электромонтерами. Существуют приборы, которые дают возможность проводить данную работу одному электромонтеру. Одним из таких приборов является жилоискатель типа ЖИ-30.

Рис. 69. Коммутационные приспособления:

а - коммутационная гребенка; б - коммутационная линейка

5.3.40. Разводка жил должна выполняться без перекрещиваний, изгибы должны быть одинаковыми так, чтобы внешний вид кос был опрятный и легко доступен внешнему осмотру. Это может быть сделано с помощью простейших приспособлений - коммутационных гребенок и линеек (рис. 69).

5.3.41. Во время прозвонки на всех жилах кабелей и проводах вешают временные надписи или бирки с указанием их номеров. Сгруппировав жилы и кабели по потокам расположения на щите в соответствии с монтажной схемой и выделив из них резервные провода, их разделяют на отдельные группы по клеммным сборкам. При горизонтальном расположении последних вначале отбирают провода к верхним, затем к средним и потом к нижним клеммным сборкам.

Сгруппированные потоки жил и проводов временно перевязывают отходами провода, а в местах креплений обматывают изоляционной лентой. Расстояние между точками крепления выбирают так, чтобы не было выпучивания жил между ними. Вначале каждый пучок проводов прикрепляют временно на верхней скобе (при вертикальной прокладке), а затем - на всех нижележащих скобках и выравнивают.

С помощью коммутационной гребенки, которая может быть изготовлена из гетинакса, текстолита или алюминиевой шины с прорезями шириной 6 - 8 мм и длиной, равной длине клеммной сборки, подгибают проводники на равном расстоянии друг от друга, обвязывают всю косу шпагатом и привязывают к ней каждый из отходящих проводников.

Коммутационная линейка дает возможность делать изгибы, одинаковые по форме и величине. Проводники отгибаются от косы так, чтобы они закрывали ее собою. Линейку делают из того же материала, что и гребенку. На одном ее конце приклеивают толстую полоску с закругленным краем, который и дает возможность получить одинаковые изгибы. Подготовленные таким образом косы крепят к опорным конструкциям панелей. Затем отрезают лишние концы подсоединяемых проводников, снимают изоляцию на необходимой длине, производят зачистку конца и придают ему необходимую форму в соответствии с конструкцией крепления. Для этих операций применяют клещи типа КСИ. С их помощью можно отрезать конец провода сечением 1,5 - 2,5 мм2, а также снять с него изоляцию без повреждения жилы.

На концы проводов должны надеваться специальные изоляционные оконцеватели типа ОН-2,5.

Хлорвиниловую трубку выбирают так, чтобы ее внутренний диаметр был больше наружного диаметра провода на 0,2 - 0,6 мм. После насадки на провод между концом трубки и контактным колечком жилы должен оставаться зазор 3 мм.

5.3.42. Многопроволочные жилы при подсоединении должны быть окручены и пропаяны или же снабжены наконечниками. Пропайка может производиться электропаяльником или путем окунания мест соединения вначале в ванночку с канифолью, а затем в небольшой электротигель с расплавленным припоем. Тигель может быть изготовлен из отрезка трубы. Для этого у нее один конец заваривают, покрывают трубу слоем асбеста и наматывают несколько витков нихромовой проволоки, через которую пропускают электрический ток напряжением 6 - 10 в, получаемый через трансформатор.

Подсоединение проводников под головку винта производят с помощью отвертки с пружинным держателем винта.

Присоединение проводников к клеммным сборкам или отдельным клеммам приборов производят с небольшим запасом длины (на случай возможного отрыва проводника в процессе эксплуатации).

5.3.43. Провода к панелям крепят с помощью специальных скоб, укрепленных на заводских панелях.

5.3.44. Каждый монтажник, помимо указанного выше инструмента, должен быть снабжен пассатижами, круглогубцами, отвертками, ножом, ножницами, специальными коммутационными плоскогубцами ТЭЗ-а.

е) Ртутные выпрямители

5.3.45. Перед транспортировкой прибывшего на строительную площадку ртутного выпрямителя к месту установки его освобождают от упаковки для обеспечения прохода через монтажный проем в стене здания подстанции.

После распаковки к низу рамы ртутного выпрямителя прикрепляют конструкции из швеллерной стали, с помощью которых создают возможность передвигать ртутный выпрямитель на катках. Передвижку осуществляют с помощью лебедки или полиспастов. Опорные изоляторы под ртутные выпрямители устанавливают на чистый пол. С помощью домкратов ртутный выпрямитель после выверки по осям устанавливают на изоляторы. Одновременно с ртутным выпрямителем устанавливают шкафы и панели его управления, после чего производят работы по прокладке анодных кабелей и цепей управления, а также ошиновку обратного автомата и прокладку ответвлений к сборным шинам РУ 3,3 кв.

5.3.46. Анодную ошиновку выполняют проводом ПС-4. Провод прокладывают на клицах. Оконцевание проводов выполняется болтовыми концевыми зажимами или наконечниками с опрессовкой или сваркой. Пайка наконечников не разрешается.

У концевых разделок необходимо снимать оплетку провода ПС на расстоянии 150 мм и обматывать оголенную резину лентой, пропитанной изоляционным лаком.

5.3.47. Все вспомогательные цепи РВ-ШРВ, электрически соединенные с катодом, цепи зажигания и возбуждения, а также все цепи, электрически связанные с корпусом РМНВ (ртутный насос, электровакуумметр и т.д.), должны быть проложены проводом ПС-4 или кабелем СРГ-4 в асбоцементной трубе, отделенной от остальных кабелей; выход их из пола должен быть осуществлен также в трубе, выступающей из пола не менее чем на 50 мм.

5.3.48. Выпрямитель присоединяется шлангами к теплообменнику. Шланги определенной длины поставляют вместе с выпрямителем. Укорачивать шланги не разрешается. Если теплообменник устанавливают на расстоянии более 2 м от выпрямителя, то к теплообменнику присоединяют водопроводные трубы необходимой длины. Необходимо обратить особое внимание на плотное и надежное соединение шлангов с трубами при помощи стальных обжимов.

ж) Запаянный ртутный выпрямитель

5.3.49. После распаковки ртутный выпрямитель устанавливают на опорные изоляторы в соответствии с установочным чертежом. Шкаф управления ШУ-1М устанавливают перед выпрямителем, корпус шкафа заземляют.

5.3.50. Электрическая связь от главных анодов ртутного выпрямителя до трансформатора осуществляется: до роговых разрядников типа РРВ-1 - шинами, а от них - через реле РАБ-5Б гибкими изолированными проводами. Сечение провода должно соответствовать действующему значению анодного тока.

Для главного трансформатора со схемой вторичной обмотки «две обратные звезды с уравнительным реактором» фазный ток равен:

,

где Id - номинальный выпрямленный ток.

Первичный линейный ток сети, питающий главный трансформатор, зависит от напряжения сети U1 и первичной номинальной мощности трансформатора Р1 и равен:

.

Значения U1 и Р1 указаны на заводском щитке трансформатора. Величины анодных токов и фазных напряжений вторичной обмотки (необходимые для выбора сечения проводов) для выпрямителя ИВС-200/10´6:

                                    Ud               Id                I2               U2

                                 3300 в       1200 а        372 а        3020 в.

Ток в каждой ветви уравнительного реактора равен половине выпрямленного.

5.3.51. Шкаф управления присоединяют к ртутным вентилям и панелям управления РВ по схемам, приведенным на рис. 70 и 71, а присоединение системы охлаждения ртутного выпрямителя к теплообменнику - на рис. 72.

Рис. 70. Монтажная схема выпрямителя ИВС-200/10´6 со шкафом ШУ-1М

Все контакты, а особенно контакты цепей зажигания должны быть проверены и подтянуты. Органы управления (ключи, рубильники, кнопки и т.д.) монтируют на щите управления подстанции. Однако на установках, где панель управления агрегатом очень загружена аппаратурой и приборами, а также для уменьшения длины проводов рекомендуется вблизи теплообменника устанавливать отдельный щиток, от которого можно питать электродвигатель насоса, подогреватель теплообменника, электродвигатель насоса первичного цикла и другие потребители электрической энергии.

5.3.52. Установка теплообменника производится согласно установочным чертежам системы охлаждения. Выпрямитель присоединяют к магистрали, идущей от теплообменника, при помощи резинового шланга диаметром 65 мм. Шланги длиной 14 м поставляются вместе с преобразователем. Укорачивание шлангов (длина одного шланга диаметром 65 мм равна 7 м) не рекомендуется. Если теплообменник устанавливают на расстоянии более 7 м от выпрямителя, то от теплообменника прокладывают водопроводные трубы необходимой длины и диаметра.

Рис. 71. Схема шкафа управления выпрямителя

Рис. 72. Схема охлаждения выпрямителя ИВС-200/10´6 от теплообменника АТВ-3000-П:

1 - бачок расширительный; 2 - термометр ртутный в оправе 0 ¸ 100 °С; 3 - вентиль запорный Д-40; 4 - вентиль запорный, муфта диаметром 1½"; 5 - электронагреватель (U = 220/380 в, Р = 2 квт); 6 - электродвигатель; 7 - насос водяной; 8 - манометр пружинный; 9 - термосигнализатор; 10 - терморегулятор; 11 - теплообменник; 12 - вентили выпрямителей; 13 - струйное реле диаметром 1½"; 14 - шланг дюритовый диаметром 27/31 мм; 15 - вентиль запорный диаметром ½"; 16 - вентиль для спуска воды диаметром ½"; 17 - вентиль для спуска воздуха; 18 - шланг резиновый тканевый, напорный диаметр 65 мм

Необходимо обратить внимание на плотное и надежное соединение шлангов и труб при помощи стальных хомутов.

5.3.53. После подключения цепей зажигания, подхватывающих анодов и сеток к вентилям и питания к шкафу управления производят проверку настройки и фазировки напряжений на элементах аппаратуры собственных нужд. Методика проверки следующая:

а) с помощью осциллографа ЭО-7 проверяется кривая напряжения заряда и разряда конденсатора (рис. 73) блоков зажигания (С1, С2, С3) (рис. 74). Напряжение на вход осциллографа следует подавать с высокоомного омического делителя напряжения, рассчитанного таким образом, чтобы подаваемое на входные клеммы осциллографа напряжение составляло примерно одну десятую часть от напряжения на конденсаторе, что предотвращает пробой на входе осциллографа. Напряжение на конденсаторе при резонансе должно иметь форму кривой (см. рис. 73). При этом величина амплитуды напряжения на конденсаторе должна составлять 1,2 - 1,3 U2 (U2 - амплитудное значение напряжения на вторичной обмотке зарядных трансформаторов TЗ1, TЗ2, ТЗ3). Если форма кривой напряжения на конденсаторе отлична от кривой (см. рис. 73), регулировкой зазора линейного дросселя добиваются нужной формы кривой. Настройка цепочек производится последовательно, причем при настройке одной цепочки напряжение на другой может быть отключено. После окончания наладки необходимо проверить крепление магнитного шунта дросселей ДЛ1, ДЛ2, ДЛ3. Одновременно с контролем формы напряжения на конденсаторе производится контроль работы зажигателей. Для этой цели осциллографируется форма напряжения на зажигателе. При этом на вход осциллографа подается напряжение зажигатель - катод. При нормальной работе зажигателя напряжение на нем соответствует кривой, изображенной сплошной линией. При нечеткой работе зажигателя (пропуски зажигания) форма напряжения на нем соответствует кривой, изображенной пунктирной линией (рис. 75);

Рис. 73. Кривые напряжений заряда и разряда конденсатора блока зажигания

Рис. 74. Принципиальная схема блока зажигания:

ТЗ - трансформатор зажигания; ДЛ - дроссель линейный; ДН - дроссель насыщенный; ТИ - трансформатор импульсный; C1 - конденсатор; ВС1, BC2 - выпрямители селеновые; 1PB, 4РВ - вентили, включенные в первую и четвертую фазы тягового трансформатора

Рис. 75. Форма кривой напряжения на зажигателе (пунктиром показано напряжение на зажигателе при пропуске, сплошной линией - напряжение при нормальной работе зажигателя)

б) наладка работы аппаратуры подхватывающих анодов и сеток сводится практически к осциллографической проверке фазировки напряжения на подхватывающих анодах и сетках при работе системы зажигания. Напряжение на подхватывающем аноде опережает по фазе напряжение на главном аноде на угол 60°. К моменту подачи импульса на зажигатель на подхватывающем аноде имеется напряжение (соответствует фазе 60°), достаточное для зажигания вспомогательного разряда. Кривая напряжения на подхватывающем аноде при его работе имеет вид, изображенный на рис. 76;

в) для того, чтобы зажигатель, подхватывающий анод и сетки выполняли свое назначение, напряжение, питающее эти цепи, должно быть строго сфазировано с напряжением своего анода. Это обеспечивается правильным присоединением соединительных проводов между шкафом управления и выпрямителем к соответствующим клеммам согласно монтажной схеме и маркировке.

Рис. 76. Кривая напряжения на подхватывающем аноде

5.3.54. Фазировку преобразователя с обмотками главного трансформатора удобнее всего производить осциллографом ЭО-7. В процессе фазировки шкафа управления с преобразователем добиваются такого положения, чтобы на всех установках подстанции очередность зажигания игнитронов была одинаковой. Это достигается перебросом фаз питающего напряжения с последующей проверкой осциллографом.

После того, как сфазирован шкаф управления с установкой, приступают к фазировке трансформатора с выпрямителем. Прежде всего проверяется возможность включения на параллельную работу трансформаторов. Для этого необходимо, чтобы главные трансформаторы, питающие параллельно работающие преобразователи, имели одинаковую схему электрических соединений, одинаковый коэффициент трансформации и равные напряжения короткого замыкания.

Кроме того, преобразователи должны иметь одинаковые падения в дуге и работать при равных углах зажигания. При фазировке трансформатора с преобразователем осциллограф ЭО-7 включается во вторичную обмотку трансформатора напряжения НОМ-10 через омический делитель. Первичная обмотка трансформатора напряжения подключается к одной из фаз трансформатора и минусовой шине. При переключении обмотки трансформатора напряжения на другие фазы на осциллографе видна фактическая очередность фаз. Начало импульса зажигания должно совпадать с нулем кривой анодного напряжения.

Рис. 77. Расположение кривых напряжения при фазировке:

I - изменение напряжения на фазах трансформатора; II - импульсы зажигателей, подаваемые на соответствующий вентиль; III - изменение напряжения на подхватывающих анодах; IV - изменение напряжения на сетках

Напряжения на подхватывающих анодах и сетках совпадают по фазе, но опережают на 60° электрическое напряжение на главных анодах.

Если при выполнении вышеуказанных требований окажется, что отдельный агрегат не берет нагрузку, то необходимо питание на этот шкаф подать через фазорегулятор и обеспечить нормальную параллельную работу. Расположение кривых при фазировке показано на рис. 77.

з) Аккумуляторная батарея

5.3.55. Аккумуляторная батарея на тяговой подстанции применяется как источник независимого тока для питания цепей управления, сигнализации, защиты и автоматики.

Для размещения аккумуляторной батареи на подстанции отводится специальное отдельное помещение, оборудованное вытяжной и приточной вентиляцией.

На тяговых подстанциях применяют стационарные кислотные аккумуляторные батареи типов СК-5, СК-6, СК-8, СК-10 и СК-12.

5.3.56. До начала сборки аккумуляторной батареи должно быть закончено устройство вентиляции и электрического освещения помещения аккумуляторной; должна быть выполнена ошиновка, а также закончены отделочные работы внутри аккумуляторного помещения.

5.3.57. Заготовка под электропроводку и ошиновку батареи должна выполняться до окраски помещения.

Ошиновка аккумуляторного помещения выполняется медными шинами. Шины прокладывают на изоляторах типа ТФ, установленных на скобах или штырях. Расстояние между шинами, а также от шины до строительных конструкций должно быть не менее 50 мм, а расстояние между точками крепления шин - не более 2 м.

5.3.58. Аккумуляторы монтируются параллельными рядами на выверенных по уровню и отвесу стеллажах из деревянных брусьев. Поперечные брусья стеллажей должны быть установлены на деревянных тумбочках, изолированных от стеллажей и пола посредством изолирующих прокладок, стойких против воздействия электролита и его паров. Стеллажи должны удовлетворять требованиям ГОСТ 1226-41.

5.3.59. По окончании установки стеллажей в помещение аккумуляторной заносят детали батарей. Детали очищают, тщательно проверяют и при выявлении дефектов заменяют. С особым вниманием осматривают стеклянные сосуды, проверяя, нет ли в них трещин. Пластины осматривают, сортируют на положительные и отрицательные, выправляют и чистят.

Далее устанавливают сосуды на стеллажи. Верхние края сосудов должны находиться в одной горизонтальной плоскости. После этого в сосудах с помощью специального шаблона (стальная линейка с равноотстоящими прорезями, в которые вставляются хвосты пластин) собирают пластины, которые припаивают к соединительным полосам свинцом. Олово при пайке не применяют, так как оно вступает в реакцию с электролитом. Наиболее удобно паять с помощью водородной горелки. Она дает пламя высокой температуры и исключает возможность образования пленки окиси. Пайка в этом случае ведется без применения флюсов. Возможно применение также газовой горелки с переносным баллоном, наполненным пропаном.

В качестве приспособления применяют специальные щипцы (рис. 78).

Перед пайкой шаблоны и щипцы в горячем состоянии погружают в жир, а затем смазывают маслом, чтобы расплавленный свинец не прилипал к ним. Губками щипцов обжимают хвост пластины так, чтобы скос щипцов в передней части плотно прилегал к скосу соединительной полосы.

Пайку ведут от пластины к полосе, расплавляя свинец и заполняя ванночку. По окончании пайки одной соединительной полосы место спая зачищают и слегка оплавляют для придания ему аккуратного внешнего вида.

После окончания паяльных работ сосуды должны быть очищены от остатков свинца и пыли.

После этого проверяют правильность соединения батареи с зарядным устройством, элементным коммутатором, исправность работы зарядного устройства и вентиляции. Затем производят окончательную сборку аккумуляторов с установкой сепараторов и изолирующих деталей.

Рис. 78. Щипцы для пайки полос

5.3.60. Электролит для заливки батареи приготовляют следующим образом: в деревянный, выложенный свинцом, бак емкостью 200 л наливают отмеренное количество дистиллированной воды, затем в воду вливают тонкой струей аккумуляторную кислоту отдельными порциями, полученный раствор перемешивают стеклянной палкой или трубкой. При этом жидкость нагревается, в силу чего раствор приготовляют постепенно. Электролит приготовляют за 12 - 24 ч до заливки в батарею, что дает ему возможность охладиться до нормальной температуры. Нельзя заливать элементы батареи электролитом с температурой выше 30 °С. Плотность электролита измеряют с помощью ареометра и доводят до нормы, предписанной заводом-поставщиком для данного типа аккумуляторной батареи. Заполняют аккумуляторы электролитом из стеклянных бутылей до уровня, превышающего верхние кромки пластин на 10 - 15 мм.

5.3.61. Заливка всех аккумуляторов батареи должна быть произведена одновременно, в наиболее короткое время, за которое электролит заполняет все поры в активной массе пластин и охлаждается после соприкосновения с ними. Нельзя оставлять аккумуляторы продолжительное время без заряда, во избежание сульфатации пластин под действием кислоты.

5.3.62. Формовка батареи должна быть начата через 2 - 4 ч после заливки электролита.

5.3.63. Зарядку батареи надо вести беспрерывно в течение 25 ч, после чего отключить ее на 1 ч, вновь включить и продолжать зарядку при том же токе до сильного газовыделения, затем в таком же порядке продолжать выключения и включения батареи до тех пор, пока сразу не начнется сильное кипение электролита при включении батареи после перерыва продолжительностью 1 - 2 ч. Общая продолжительность первой зарядки должна составлять примерно 60 - 100 ч. Во время зарядки следует измерять и записывать в протокол напряжение и плотность электролита в элементах и, обнаружив отстающие элементы, устранить причину отставания.

Необходимо также выборочно измерять температуру электролита, не допуская ее повышения свыше + 40 °C. В случае повышения температуры электролита надо прервать заряд для остывания электролита до 30 °С. Зарядный ток первые 1,5 - 2 ч необходимо регулировать дополнительным (жидкостным или другим) реостатом, а затем его следует зашунтировать и в дальнейшем регулировать реостатом возбуждения генератора. После фиксации в протоколе показаний конца заряда делается получасовой перерыв для выравнивания концентрации и температуры электролита. Во время зарядки батареи доливка элементов производится только электролитом. Повышение плотности электролита при зарядке производят не выключая зарядного тока. Для этого из элементов отсасывается резиновой грушей часть электролита и доливается раствор серной аккумуляторной кислоты повышенной плотности (1,4 г/см3). Конец заряда определяется постоянством напряжения - 2,6 - 2,8 в на элемент при зарядном токе в 75 % от наибольшего допускаемого и сильном выделении газовых пузырей из электролита («кипении») при не повышающейся плотности электролита.

5.3.64. По окончании формовки батарею разряжают для определения ее емкости, подключив к ней потребитель тока. После этого аккумуляторы заряжают окончательно до устойчивого (в течение 1 ч) напряжения и до равномерного интенсивного газообразования на пластинах обеих полярностей. Плотность электролита окончательно заряженной батареи должна быть в пределах нормы, указанной заводом.

5.3.65. Сопротивление изоляции батареи измеряют мегомметром на напряжение не выше 1000 в. Оно должно быть не менее 50000 ом при напряжении до 110 в и 100000 ом - при напряжении 220 в (см. ПУЭ 1-8-35, п. 5).

5.3.66. Источником постоянного тока для полного заряда батареи является устанавливаемый на подстанции мотор-генератор. Для постоянного подзаряда служит купроксный или другой полупроводниковый выпрямитель.

5.3.67. Для монтажа стационарных кислотных аккумуляторов необходимо иметь следующие инструменты, механизмы, приборы и приспособления:

Наименование операции

Наименование инструментов, механизмов, приборов и приспособлений

Ошиновка

Сварочный трансформатор, гаечные ключи, кисти для покраски конструкции и ошиновки

Установка стеллажей

Рулетка, уровень, рейка

Установка аккумуляторов

Уровень, отвес, шаблон для установки изоляторов

Правка и сборка пластин

Строганные деревянные бруски, струбцина, шаблоны для сборки пластин, респираторы, стальные щетки

Приготовление электролита

Деревянный бак емкостью 200 л, выложенный внутри свинцом, специальные носилки для переноски бутылей, стеклянная палочки для перемешивания, стеклянные кружки емкостью 1 - 2 л, ареометр, термометр со шкалой до 50 °С, резиновые шланги

Заливка элементов

Резиновые шланги с приспособлением для зажима шлангов, стеклянные трубки со шкалой диаметром 5 - 6 мм для измерения уровней, резиновая груша, ареометр с грушей

Формовка, зарядка и испытание батареи

Реостат нагрузочный, термометр с ценой деления 0,1 °С со шкалой до 50 °С, ареометр, часы, вольтметр 0 - 3 в класса 1,5 с внутренним сопротивлением 300 ом, амперметр класса точности 1,5 с набором шунтов, позволяющих получить цену деления шкалы 0,1 - 1 а; мегомметр на напряжение не выше 1000 в

Общее

5 %-ный раствор питьевой или очищенной соды, дистиллированная вода, резиновые сапоги или галоши, резиновые фартуки, резиновые перчатки, спецодежда из шерсти, очки

и) Бетонный реактор

5.3.68. Обмотка бетонных реакторов выполняется из гибкого медного или алюминиевого провода, укрепленного в бетонных колоннах. Для удобства транспортировки и монтажа реактор выполняется из нескольких секций.

5.3.69. Перед монтажом секции реактора подвергаются ревизии, во время которой их очищают от пыли, грязи и посторонних предметов, если таковые будут обнаружены между витками катушки. Особо тщательно необходимо проверить состояние бетонных колонок и витков катушки.

Бетонные колонки не должны иметь трещин и отбитых краев. В случае больших повреждений секции реактора устанавливать нельзя. Реактор монтируют автокраном с подвозкой к месту установки каждой секции на автомашине.

До установки реактора на место в помещении реакторной должен быть оставлен проем и не покрыта кровля.

5.3.70. Нижнюю секцию реактора устанавливают на фундаменте с обязательным равномерным опиранием на все опорные изоляторы. Опорные плоскости выравнивают эластичными прокладками (например, из электрокартона).

Фланец каждого опорного изолятора нижней секции реактора подсоединяют заземляющим проводником к внутреннему контуру заземления.

к) Кабельные работы

5.3.71. Барабан с кабелем, предназначенным для укладки, подвозят на машине или автопогрузчике к началу его подсоединения на открытой части, устанавливают на кабельных домкратах и раскатывают с одновременной укладкой согласно проекту на полках кабельного канала как на открытой, так и в закрытой части подстанции. При раскатке необходимо кабель осмотреть и в случае обнаружения на нем дефекта (пробой оболочки и др.) заменить.

Не допускается прокладка кабеля в каналах в джутовой оплетке. Все кабели, проложенные в каналах открытой части, должны быть окрашены асфальтовым лаком.

5.3.72. Перед прокладкой бронированных высоковольтных кабелей необходимо произвести их испытание в соответствии с ПУЭ, п. 1-8-37.

5.3.73. Во избежание повреждения кабеля во время прокладки необходимо соблюдать следующие условия:

а) прокладка кабеля без предварительного разогрева допускается в тех случаях, когда температура в течение суток до начала прокладки не опускалась ниже:

+ 5° - для кабелей 23 - 35 кв c бумажной изоляцией;

0° - для кабелей до 10 кв с бумажной изоляцией;

- 10° - для кабелей до 1 кв с резиновой изоляцией, бронированных и небронированных, а также для кабелей с асфальтовым покрытием;

- 20° - для кабелей с голой свинцовой оболочкой и резиновой изоляцией;

б) размер радиуса изгиба кабеля на поворотах должен быть не менее следующих значений:

Наименование кабеля

Наименьший радиус изгиба кабеля, см

Силовые одножильные с бумажной пропитанной изоляцией, в свинцовой оболочке, бронированные и небронированные, а также маслонаполненные кабели низкого и среднего давления

25

Силовые многожильные с бумажной пропитанной изоляцией, в алюминиевой оболочке, бронированные и небронированные

20

Силовые многожильные и контрольные кабели с бумажной пропитанной изоляцией, в свинцовой оболочке, бронированные и небронированные

15

Силовые и контрольные кабели с резиновой изоляцией в свинцовой или полихлорвиниловой оболочке:

 

бронированные

10

небронированные

6

5.3.74. Прогрев кабеля перед укладкой может быть произведен различными способами. Самый простой - это выдержка в теплом помещении. Этот способ обладает тем недостатком, что прогрев длится долго, например, при температуре в помещении 5 - 10° на прогрев кабеля требуется не менее трех суток.

Возможен прогрев электрическим током от специального трехфазного трансформатора мощностью 15 - 25 ква. При этом барабан утепляют. На внутреннем конце кабеля жилы зачищают от изоляции и соединяют проволочным бандажом. Место соединения изолируют и конец кабеля обматывают смоляной лентой. Наружный конец кабеля заделывают во временную кабельную воронку с заливкой ее кабельной массой. Прогрев ведется до тех пор, пока наружный покров верхнего ряда витков кабеля, контролируемый термометром, не достигнет температуры + 20° при температуре окружающего воздуха от - 10° до - 20°.

5.3.75. Собранная электрическая схема должна давать возможность контролировать напряжение и силу тока. Для кабелей сечением от 10 до 240 мм2 напряжение колеблется в пределах от 23 до 5 в (большее значение напряжения для меньшего сечения) на каждые 100 м кабеля, а сила тока - в пределах 76 - 490 а (табл. 14).

Таблица 14

Ориентировочное время прогрева кабеля (в минутах)

Сечение жил, мм2

Наибольший ток при прогревании, а

Необходимое напряжение на каждые 100 м кабеля, в

Температура окружающего воздуха

0 °С

- 10 °C

- 20 °С

10

76

23

59

76

97

16

102

19

68

73

94

25

130

16

71

88

106

35

150

14

74

93

112

50

190

11,5

90

112

134

70

230

10

97

122

149

96

215

9

99

124

151

120

330

8,5

111

138

170

150

375

7,5

124

150

185

185

425

6,0

134

167

208

240

490

5,3

152

190

234

5.3.76. Проложенные по конструкциям кабели крепят при вертикальной прокладке: силовые на расстоянии 1,5 - 2 м и контрольные - 1 - 1,5 м. Крепление производится скобами, хомутами и колодками при вертикальной прокладке на всех опорах. Крепящие скобы или хомуты устанавливают на опорах на расстоянии не более чем 100 мм от горловины муфты, воронки или концевой заделки.

5.3.77. Проход кабелей через капитальные стены и перекрытия выполняется в трубах, а через внутренние стены и перегородки - через незаделанные проемы в них.

5.3.78. Кабели напряжением 3 - 10 кв на открытом воздухе разделывают в муфтах Фирсова с заливкой их кабельной массой.

Таблица 15

Область применения различных видов концевых заделок контрольных кабелей

Изоляция жил кабеля

Вид заделки

Разность уровней не более, м

Область применения

Пропитанная кабельная бумага

С применением эпоксидного компаунда

25

Повсеместно, при всех способах прокладки кабелей

С применением полихлорвиниловой ленты, полихлорвиниловых трубок и лаков

12

То же

В стальной воронке, заливаемой кабельной массой

10

То же, но только в случае отсутствия материалов для заделок, указанных выше. Повсеместно при всех способах прокладки кабелей

Резиновая

С применением защитного найритового покрытия

Без ограничения

Только в случае отсутствия защитных найритовых покрытий

5.3.79. В закрытой части подстанции для кабелей напряжением до 10 кв с бумажной изоляцией применяют сухую разделку с применением полихлорвиниловой ленты и изоляционного лака или разделывают в воронках с заливкой их кабельной массой.

Рис. 79. Сухая заделка контрольного кабеля с бумажной изоляцией с применением полихлорвиниловой ленты, полихлорвиниловых трубок и лаков:

1 - голая жила; 2 - лента полихлорвиниловая липкая; 3 - трубка полихлорвиниловая; 4 - жила в заводской изоляции; 5 - «замок» из липкой полихлорвиниловой ленты; 6 - оголенный участок жилы; 7 - лак № 2; 8 - свинцовая или алюминиевая оболочка кабеля; 9 - бандаж из мягкой оцинкованной проволоки; 10 - броня кабеля

Концы низковольтных силовых и контрольных кабелей с бумажной изоляцией заводят на открытой части подстанции в клеммные ящики и разделывают в воронках. В закрытой части подстанции может применяться сухая разделка кабеля. Для силовых и контрольных кабелей с резиновой изоляцией применяется только сухая разделка с покрытием изоляционным лаком.

5.3.80. Во избежание последующих аварий необходимо обращать особое внимание на тщательность соединений и качество концевых заделок кабелей.

5.3.81. Выбор вида концевых заделок контрольных кабелей в зависимости от изоляции и разности уровней концов прокладываемых кабелей производится по табл. 15.

5.3.82. Сухая заделка кабелей с бумажной изоляцией с применением полихлорвиниловой ленты, полихлорвиниловых трубок и лаков (рис. 79) выполняется следующим образом: отмеряют необходимую длину разделки; с конца кабеля снимают оболочку брони и на расстоянии 30 мм от нее свинцовую (или алюминиевую) оболочку и общую изоляцию.

Предварительно на броню накладывают бандаж из мягкой проволоки диаметром 1 мм или из кровельной стали и протирают поверхность свинцовой или алюминиевой оболочки кабеля тряпкой, смоченной в бензине или керосине до полной чистоты.

Операции по надрезу свинцовой оболочки выполняют кабельным ножом типа ПК-1. На расстоянии 2 мм от места среза брони делают на оболочке один кольцевой надрез и, отступив от него на 10 мм, - второй. От второго кольцевого надреза и до конца кабеля делают продольный надрез оболочки. Сначала удаляют часть свинцовой оболочки, заключенной между продольными надрезами, а затем ее снимают полностью, начиная от конца кабеля, до второго кольцевого надреза.

Снятие алюминиевой оболочки выполняется специальным ножом (рис. 80): вначале делают кольцевые надрезы, а затем от второго кольцевого надреза надрезают по винтовой линии и снимают оболочку до второго кольцевого надреза.

При выполнении надрезов нужно следить за тем, чтобы не прорезать оболочку. Глубина надреза не должна превышать 2/3 толщины оболочки.

Рис. 80. Нож для снятия с кабеля свинцовой оболочки

В целях предохранения изоляции от возможных разрывов кольцевой пояс свинцовой или алюминиевой оболочки, заключенной между двумя кольцевыми надрезами, удаляют только после выполнения «замков» на жилах и надевания на них полихлорвиниловых трубок.

Общую изоляцию от торца оболочки до конца кабеля удаляют путем размотки и обрыва отдельных ее лент. После разделки конца кабеля удаляют изоляцию каждой жилы на длине 10 - 15 мм, отступая 15 мм от второго кольцевого надреза.

Оголенный участок жил и их изоляцию обезжиривают протиранием чистой тряпкой, смоченной в бензине. Затем нижний участок изоляции жил и оголенный участок покрывают полихлорвиниловым лаком № 2, после чего выполняют «замки», плотно наматывая липкую полихлорвиниловую ленту на голый участок жил. Намотка «замков» должна покрывать голый участок и заходить на изоляцию жил по 5 мм с каждой стороны. Толщина этой намотки должна обеспечивать плотное надвигание на нее полихлорвиниловой трубки.

По окончании намотки «замков» на жилы надвигают полихлорвиниловые трубки, выбираемые по табл. 16. Затем жилы несколько разводят, после чего удаляют кольцевой поясок свинцовой или алюминиевой оболочки, закрывающей ступень общей изоляции. На край изоляции накладывают бандаж из суровых ниток, а поверхность ее (так же как и ступень оболочки) обезжиривают с помощью тряпки, смоченной в бензине.

Таблица 16

Диаметр полихлорвиниловых трубок (в мм) для различных сечений жил разделываемого кабеля

Сечение жил кабеля, мм2

Наружный диаметр жилы в резиновой изоляции, мм

Внутренний диаметр

Наружный диаметр

1

3,1

3,5

4,5

1,5

3,4

4,5

5,5 - 6

2,5

3,8

4,5

5,5 - 6

4

4,2

4,5

5,5 - 6

6

4,7

5

6,0 - 6,5

10

6,7

7

8,0 - 8,5

Пространство между жилами в корешке заделки заполняют полихлорвиниловым лаком № 2, а жилы стягивают в пучок несколькими витками хлопчатобумажной ленты. Затем липкой полихлорвиниловой лентой выполняется обмотка, покрывающая общую изоляцию, участок жил и оболочки кабеля. Ленты этой обмотки должны заходить на оболочку на длине не менее 22 мм и покрывать общую изоляцию и полихлорвиниловые трубки на длине 40 - 45 мм. Обмотка выполняется в 5 - 6 слоев ленты, наматываемой с натяжением и пятидесяти процентным перекрытием витков. Поверхность обмотки покрывается полихлорвиниловым лаком № 1. Поверх общей обмотки (на всей ее длине) накладывается плотный бандаж из крученого шпагата диаметром 1 - 1,5 мм, который покрывается асфальтовым изоляционным лаком или лаком № 1154.

Для подключения к зажимам аппарата концы полихлорвиниловых трубок и выходящие из них голые жилы кабеля обматывают липкой полихлорвиниловой лентой с заходом ленты на голую жилу и трубку.

Намотка ленты покрывается полихлорвиниловым лаком № 1.

Материалы, необходимые для выполнения заделок, приведены в табл. 17.

Таблица 17

Расход материалов на одну заделку кабеля с применением полихлорвиниловой ленты, полихлорвиниловых трубок и лаков

Наименование материалов

Единица измерения

Количество жил кабеля до

4

7

10

14

19

24

30

37

Полихлорвиниловая трубка

м

4

7

10

14

19

24

30

37

Лента полихлорвиниловая

кг

0,010

0,010

0,014

0,014

0,016

0,018

0,020

0,022

Лак полихлорвиниловый № 1

"

0,005

0,005

0,010

0,010

0,010

0,015

0,015

0,015

Лак полихлорвиниловый № 2

"

0,010

0,010

0,020

0,020

0,020

0,030

0,030

0,030

Лак асфальтовый

"

0,020

0,020

0,030

0,030

0,030

0,050

0,050

0,050

Шпагат крученый диаметром 1 мм

"

0,004

0,004

0,005

0,005

0,006

0,007

0,007

0,007

Нитки суровые № 10

"

0,003

0,003

0,003

0,004

0,005

0,005

0,006

0,006

Проволока мягкая оцинкованная диаметром 1 мм

"

0,010

0,010

0,010

0,015

0,020

0,020

0,020

0,030

Бензин

"

0,030

0,030

0,040

0,040

0,050

0,050

0,100

0,100

Тряпки чистые

"

0,100

0,100

0,100

0,100

0,150

0,200

0,200

0,200

Примечание. Расход материалов подсчитан для заделки бронированного кабеля сечением 2,5 мм2 с бумажной изоляцией при длине разделки 1 м.

5.3.83. Заделка с применением эпоксидного компаунда (рис. 81) выполняется следующим образом.

Снятие брони, свинцовой или алюминиевой оболочки производится как указано в п. 5.3.82.

Первый концевой надрез на свинцовой или алюминиевой оболочке делают на расстоянии 50 мм от среза брони, а второй - на 10 мм отступя от первого. После удаления оболочки общей изоляции до второго кольцевого надреза снимают изоляцию жил. Для этого на расстоянии 30 мм от второго кольцевого надреза (что соответствует краю общей изоляции) предварительно накладывают на изоляцию каждой жилы бандаж из суровых ниток.

Рис. 81. Заделка контрольного кабеля с бумажной изоляцией с применением эпоксидного компаунда:

1 - голая жила; 2 - труба полихлорвиниловая; 3 - бандаж из суровых ниток; 4 - жила в заводской изоляции; 5 - поясная изоляция; 6 - эпоксидный компаунд; 7 - оболочка из тафтяной ленты; 8 - оболочка кабеля; 9 - бандаж из мягкой оцинкованной проволоки; 10 - броня кабеля; 11 - насечка на оболочке

Далее снимают кольцевой поясок оболочки и накладывают бандаж из суровых ниток на край изоляции. Ступени оболочки, изоляции, а также оголенные и изолированные участки жил тщательно обезжиривают с помощью тряпки, смоченной в отвердителе № 1. На длине 25 - 30 мм от первого кольцевого надреза на свинцовой или алюминиевой оболочке делают насечку ножом.

Из эпоксидной шпаклевки Э-4021 и отвердителя № 1 приготавливают заливочный компаунд (на 100 весовых частей шпаклевки Э-4021 добавляют 12 весовых частей отвердителя № 1, смесь тщательно перемешивают).

Голые участки жил на длине 20 мм, изолированные участки жил, общая изоляция и ступень оболочки покрывают тонким слоем эпоксидного компаунда. Покрытие затвердевает через 25 - 30 мин. После этого на жилы кабеля надевают обезжиренные отвердителем № 1 полихлорвиниловые трубки так, чтобы расстояние между изоляцией жилы и концом трубки по жиле было 20 мм.

На оболочку с заходом на общую изоляцию наматывают тафтяную ленту в 3 слоя с промазкой каждого слоя эпоксидным компаундом. Съемную форму устанавливают так, чтобы она заходила на оболочку кабеля на 30 мм. Съемная конусная форма может быть изготовлена из жести толщиной 0,5 мм или из электрокартона.

Установленную и уплотненную изоляционной лентой форму заливают эпоксидным компаундом. Перед заливкой необходимо развести жилы кабеля так, чтобы расстояние между оголенными участками было не менее 2 мм. Положение жил при заливке (в случае большого количества жил) фиксируют с помощью шаблона из электрокартона, устанавливаемого на шинах несколько выше съемной формы, чтобы не мешать заливке.

Смешивание эпоксидной шпаклевки с отвердителем, наложение герметизирующей оболочки и заливку порошка следует производить в резиновых (анатомических) перчатках и защитных очках, следя за тем, чтобы указанные материалы не попадали на кожу. При попадании капель на кожу необходимо немедленно смыть их ацетоном, а затем промыть водой с мылом.

При подключении разделанных концов жил к зажимам аппарата концы полихлорвиниловых трубок и выходящую из них голую жилу кабеля обматывают липкой полихлорвиниловой лентой с обмоткой жилы и трубки на 10 - 15 мм.

Необходимые для выполнения заделок материалы приведены в табл. 18.

Таблица 18

Расход материалов на одну заделку кабеля с применением эпоксидного компаунда

Наименование материалов

Единица измерения

Количество жил кабеля

до 8

9 - 16

19 - 24

30 - 37

Эпоксидная шпаклевка Э-4021

кг

0,150

0,230

0,300

0,350

Отвердитель № 1

"

0,036

0,056

0,072

0,084

Полихлорвиниловая трубка

м

8

9 - 16

19 - 24

30 - 37

Лента полихлорвиниловая липкая

кг

0,005

0,008

0,010

0,012

Тафтяная лента

"

0,004

0,006

0,008

0,010

Нитки суровые № 10

"

0,002

0,003

0,004

0,005

Проволока мягкая оцинкованная диаметром 1 мм

"

0,010

0,015

0,020

0,030

Примечание. Расход материалов подсчитан для заделки бронированного кабеля сечением 2,5 мм2 с бумажной изоляцией при длине заделки 1 м.

5.3.84. Заделка в стальной воронке, заливаемой кабельной массой (рис. 82), применяется в случае отсутствия материалов для выполнения заделок, указанных в пп. 5.3.82 и 5.3.83.

Рис. 82. Заделка контрольного кабеля с бумажной изоляцией в стальной воронке, заливаемой кабельной массой:

1 - голая жила; 2 - лента полихлорвиниловая липкая; 3 - труба полихлорвиниловая; 4 - крышка пластмассовая; 5 - корпус воронки стальной; 6 - заводская изоляция жилы; 7 - поясная изоляция; 8 - свинцовая или алюминиевая оболочка; 9 - бандаж из мягкой оцинкованной проволоки; 10 - подмотка смоляной лентой; 11 - броня кабеля; 12 - кабельная масса

На конец кабеля после удаления брони до предварительно установленного на ней проволочного бандажа надевают стальную воронку, которую опускают по кабелю ниже места разделки. Свинцовую или алюминиевую оболочку кабеля протирают тряпкой, смоченной в бензине, и оболочку снимают.

На расстоянии 15 - 25 мм от второго кольцевого надреза на изоляцию каждой жилы нанизывают бандаж из 3 - 4 витков суровых ниток, после чего изоляцию жил удаляют от места установки бандажей до конца жил. Затем жилы кабеля несколько разводят и на оставшиеся участки изолированных жил надвигают муфточки длиной 12 - 20 мм из полихлорвиниловых трубок. На голые жилы также надевают соответствующего диаметра полихлорвиниловые трубки, нижние концы которых не должны доходить до ранее надетых муфточек на 10 - 12 мм. Выбор полихлорвиниловых трубок, надеваемых на голые и изолированные жилы, производится по табл. 19.

Далее удаляют кольцевой поясок оболочки, а на край изоляции накладывают бандаж из суровых ниток.

Воронку временно надвигают на место разделки, намечают на кабеле ее положение, после чего сдвигают вверх и на кабель под ее горловину (для уплотнения) наматывают смоляную ленту. Далее воронку окончательно насаживают на место и закрепляют на конструкции.

В пластмассовой крышке воронки по насечкам, выполняемым на заводе, выбивают по числу жил отверстия, в которые пропускают жилы кабеля в трубках. Крышки устанавливают после заливки воронки кабельной массой. Воронки заливают кабельной массой марки МК-45 или МБ-90 при монтаже заделок внутри отапливаемых помещений и устройств и массой МВ-70, МБМ-1 или МБМ-2 в случаях монтажа заделок в неотапливаемых помещениях и наружных установках. Температура заливки кабельной массы указанных марок не должна превышать 140 °С во избежание повреждения полихлорвиниловых трубок.

Таблица 19

Диаметр полихлорвиниловых трубок (в мм), применяемых для разделки кабеля

Сечение жил кабеля, мм

Голая жила

Изолированная жила

Диаметр

наружный

внутренний

наружный

внутренний

1

3

2

4,5

3,5

1,5

3

2

4,5

3,5

2,5

3,5

2,5

5,5

4,5

4

3,5

2,5

5,5

4,5

6

4,5

3,5

6

5

10

5,5 - 5,9

4,5

7

6

Таблица 20

Расход материалов на одну заделку кабеля в стальной воронке

Наименование материалов

Единица измерения

Тип воронок

К-630

K-631

К-632

Количество жил кабеля

до 8

от 9 до 16

от 19 до 24

Масса кабельная заливочная МБМ-1, МБ-90, МБ-70, МБМ-2 или МК-45

кг

0,100

0,170

0,260

Проволока стальная оцинкованная диаметром 1 мм

 

0,010

0,015

0,020

Лента кабельная смоляная

"

0,040

0,050

0,060

Трубка полихлорвиниловая

м

4 - 8

9 - 16

19 - 24

Шпагат диаметром 1 мм или нитки суровые № 10

кг

0,006

0,008

0,010

Лента полихлорвиниловая липкая или прорезиненная

"

0,005

0,008

0,010

Лак асфальтовый № 462 или 467

"

0,030

0,050

0,060

Бензин

"

0,050

0,100

0,150

Тряпки чистые

"

0,100

0,150

0,200

Примечания. 1. Расход материалов подсчитан для заделки бронированного кабеля сечением 2,5 мм2 при длине разделки 1 м.

2. Тип воронок указан по номенклатуре заводов Главэлектромонтажа.

Рис. 83. Заделка контрольного кабеля с резиновой изоляцией с применением защитного найритового покрытия:

1 - голая жила; 2 - резиновая изоляция с нанесенным найритовым покрытием; 3 - лента полихлорвиниловая липкая; 4 - прорезиненная тканевая лента; 5 - оболочка; 6 - бандаж из мягкой оцинкованной проволоки; 7 - броня кабеля

Кабельную массу разогревают в электрическом разогревателе, а при отсутствии его - на угольной жаровне в металлической кастрюле с крышкой и носиком до температуры 140 °С. Перед заливкой воронку подогревают паяльной лампой и затем заливают массой в два приема: вначале на 2/3 ее высоты, затем после некоторого остывания и усадки массы воронку доливают доверху и закрывают крышкой. Воронку и крепящую ее скобу (или хомут) окрашивают асфальтовым лаком. При заделке концов жил для подключения к зажимам аппаратуры концы полихлорвиниловых трубок и выходящую из них голую жилу кабеля обматывают полихлорвиниловой лентой с перекрытием жилы и трубки на 10 - 15 мм.

Материалы, необходимые на одну заделку, приведены в табл. 20.

5.3.85. Заделку кабелей, имеющих резиновую изоляцию жил с применением защитного найритового покрытия (рис. 83), выполняют следующим образом:

с конца кабеля ножом или с помощью паяльника снимают броню и свинцовую или полихлорвиниловую (винилитовую) оболочку. Предварительно на броню накладывают бандаж из мягкой проволоки диаметром 1 мм или из кровельной стали. Оболочку оставляют на разделанном конце на расстоянии 15 - 20 мм от брони кабеля. Заусенцы, оставшиеся на свинцовой оболочке, зачищают и оболочку слегка разбортовывают. На расстоянии 5 - 10 мм от оболочки оставляют подмотку из прорезиненной тканевой ленты. Жилы кабеля у корешка заделки разводят, а корешок заделки с выходящими из него жилами кистью тщательно покрывают защитным найритовым покрытием (марки МКФ). Жилы кабеля у корешка заделки на 15 - 20 мм от оболочки плотно обматывают несколькими слоями полихлорвиниловой ленты с заходом на такой же длине на свинцовую или полихлорвиниловую оболочку кабеля. На резиновую изоляцию жил кабеля после окончания заделки пульверизатором или кистью наносят покрытие (марки МКФ). Для понижения вязкости покрытия МКФ применяют разбавитель из равных по объему частей бензина и этилацетата. Найритовую смесь перед употреблением взбалтывают. После покрытия равномерным слоем жил кабеля и корешка заделки их необходимо выдержать не менее 20 - 30 мин для того, чтобы растворитель улетучился. Затем покрытие припудривают тальком (чтобы оно не прилипало к рукам). Время для стабилизации защитного слоя желательно увеличить, а припудривание тальком производится через 20 - 25 мин.

5.3.86. Заделку с применением полихлорвиниловых трубок (рис. 84) следует применять только при отсутствии защитного найритового покрытия.

С конца кабеля снимают броню и свинцовую или полихлорвиниловую оболочку кабеля.

Ступень оболочки оставляется на расстоянии 20 - 25 мм от брони кабеля. Заусенцы, оставшиеся на свинцовой оболочке, зачищают и оболочку слегка разбортовывают.

На расстоянии 5 мм от оболочки оставляют заводскую обмотку из прорезиненной тканевой ленты. По окончании разделки кабеля на жилы надевают полихлорвиниловые трубки, выбираемые по табл. 16.

Трубки, надеваемые на жилы, должны иметь косой срез на длине 10 - 15 мм. Острые концы срезов трубок должны заходить на тканевую ленту и оболочку кабеля. На концы срезанных трубок, заходящие на оболочку, накладывают бандаж из суровых ниток. Затем выполняется плотная наружная обмотка заделки 5 - 6 слоями липкой полихлорвиниловой ленты, наматываемой с натяжением и пятидесяти процентным перекрытием витков. Эту обмотку следует выполнять таким образом, чтобы ленты ее перекрывали жилы, а также оболочку кабеля на длине 25 - 30 мм от края оболочки.

Рис. 84. Заделка контрольного кабеля с резиновой изоляцией с применением полихлорвиниловых трубок:

1 - голая жила; 2 - трубка полихлорвиниловая; 3 - наружная обмотка полихлорвиниловой липкой лентой; 4 - прорезиненная тканевая лента; 5 - бандаж из ниток; 6 - оболочка; 7 - бандаж из мягкой оцинкованной проволоки; 8 - броня кабеля

Поверхность наружной намотки покрывается полихлорвиниловым лаком № 1.

При монтаже заделки в сырых помещениях необходимо произвести наружную обмотку лентой до заполнения корешка заделки полихлорвиниловым лаком № 2.

При подключении жил кабеля к зажимам аппарата никакой специальной заделки концов полихлорвиниловых трубок не производится.

Материалы, необходимые для выполнения заделки, приведены в табл. 21.

Таблица 21

Расход материалов на одну заделку кабеля с применением полихлорвиниловых трубок

Наименование материалов

Единица измерения

Количество жил кабеля, до

4

7

10

14

19

24

30

37

Трубка полихлорвиниловая

шт.

4

7

10

14

19

24

30

37

Лента полихлорвиниловая липкая

кг

0,008

0,012

0,014

0,014

0,016

0,018

0,020

0,022

Проволока мягкая оцинкованная диаметром 1 мм

"

0,010

0,010

0,010

0,015

0,020

0,020

0,020

0,030

Тряпки чистые

"

0,100

0,100

0,100

0,150

0,150

0,200

0,200

0,200

Лак полихлорвиниловый № 1

"

0,005

0,005

0,010

0,010

0,012

0,015

0,015

0,015

Примечание. Расход материалов подсчитан для бронированного кабеля сечением 2,5 мм2 с резиновой изоляцией при длине разделки 1 м.

5.3.87. При монтаже мачтовой муфты проверяют комплектность и состояние деталей (рис. 85), муфту протирают от грязи и пыли, надевают на кабель и временно размещают на покрытую чистой тряпкой часть кабеля ниже места разделки (рис. 86). На длине, требуемой для наконечника, снимают изоляцию жил. У обреза изоляции накладывают бандаж из суровых ниток. Наконечник надевают на жилу и опрессовывают.

Рис. 85. Крепление проходного изолятора мачтовой муфты:

1 - головка изолятора; 2 - медный токоведущий стержень; 3 - гайка медная; 4 - шайба пружинная; 5 - шайба; 6 - прокладка эластичная; 7 - изолятор типа КН-6 2768 при 6 кв и КН-10 4722-а при 10 кв; 8 - кольцо стальное; 9 - стальной корпус муфты толщиной 1,5 ¸ 2 мм; 10 - уплотняющая прокладка; 11 - разъемное нажимное кольцо; 12 - болт; 13 - эластичная прокладка

Рис. 86. Размеры разделки кабеля на напряжение до 10 кв для мачтовых муфт:

1 - броня кабеля; 2 - свинцовая или алюминиевая оболочка; 3 - поясная изоляция; 4 - жилы кабеля в заводской изоляции; 5 - голая жила

Муфту поднимают, тщательно очищают ее внутреннюю полость, выправляют разделанный участок кабеля внутри полости муфты.

Наконечники каждой фазы кабеля прикрепляют к штырям проходных изоляторов. Корпус муфты временно крепят в строго вертикальном положении к опоре и окончательно затягивают контргайки на штырях изоляторов. Перетяжка гаек недопустима во избежание поломки изоляторов. Свинцовый манжет простукивают до плотного прилегания к свинцовой оболочке кабеля и припаивают к ней (рис. 87).

Рис. 87. Крепление горловины мачтовой муфты к кабелю:

1 - нижняя часть муфты из листовой стали толщиной 1,5 ¸ 2 мм; 2 - горловина муфты; 3 - фланец стальной; 4 - вводный латунный патрубок точеный; 5 - свинцовая жила; 6 - прокладка эластичная; 7 - болт; 8 - оболочка кабеля; 9 - бандаж; 10 - броня кабеля; 11 - провод заземления; 12 - шайба

Внутреннюю полость муфты промывают заливочной массой, которую сливают через сливной патрубок в нижней части муфты.

После промывки сливной патрубок закрывают винтовой пробкой. Во избежание облива кабельной массой верхней плоскости нижнего фланца, где устанавливают резиновую диафрагму, на него надевают жестяной защитный кожух.

Затем заливают кабельную массу: в первый прием - до уровня фланцев изоляторов, во второй прием после охлаждения - до покрытия штырей проходных изоляторов. После повторного охлаждения кабельной массы до температуры, превышающей температуру окружающего воздуха на 10 - 15 °С, производится окончательная заливка муфты до отметки, обозначенной на рис. 88. Затем снимают защитный кожух и устанавливают на место резиновую диафрагму-компенсатор. Предварительно крепят к корпусу верхний фланец, после чего на место устанавливают крышку и равномерно затягивают болты. При этом через верхнее смотровое отверстие и с торцов фланцев наблюдают за правильным положением диафрагмы.

Рис. 88. Мачтовая муфта с компенсатором для кабелей на напряжение до 10 кв:

1 - болт с гайкой; 2 - точеный стальной фланец верхний; 3 - то же нижний; 4 - горловина верхняя; 5 - диафрагма из мембранной резины (компенсатор и уплотняющая прокладка); 6 - кронштейн; 7 - поддерживающий диск; 8 - крышка из листовой стали толщиной 1,5 ¸ 2 мм; 9 - винт; 10 - держатель

После этого монтируют заземление, поднимают муфту на опору с помощью блока, закрепляют ее и испытывают.

Рис. 89. Размеры разделки конца силового кабеля при прокладке его в земле и соединении с муфтой

5.3.88. Оконцевание и заделку силовых кабелей напряжением до 10 кв производят в следующем порядке:

при прокладке кабеля в земле и соединении его муфтой прежде всего разделывают конец кабеля (рис. 89), наружный джутовый покров снимают на участке Б, оставшийся на кабеле конец джутовой оплетки закрепляют бандажом из 3 - 4 витков просмоленной ленты. Броня снимается с него на участке В, на остающемся конце поверх ленточного накладывают дополнительно проволочный бандаж; размер Б или В должен учитывать длину свободного конца кабеля от заделки до места подключения (табл. 22).

Затем снимают внутреннюю джутовую оплетку, на которой была броня, кабельную бумагу, покрывающую свинцовую оболочку кабеля и, наконец, внутреннюю свинцовую оболочку. Для снятия внутренней оболочки делают 2 кольцевых надреза и 2 продольных надреза от второго кольцевого для снятия на этом участке оболочки. Во избежание порчи внутренней изоляции надрезы делают только на половину толщины оболочки. Для этой цели применяют специальный нож.

Далее снимают бумажную изоляцию до обреза оболочки, удаляют маслоканифольную массу тряпкой, смоченной бензином и сильно отжатой. Броню кабеля зачищают и облуживают, к ней бандажом из медной луженой проволоки присоединяют заземляющий медный проводник сечением не менее 16 мм2 и место соединения пропаивают.

Размер Д зависит от длины кабельного наконечника или длины соединительной муфты.

Таблица 22

Размеры разделок кабеля в свинцовых муфтах (в мм) для кабелей на напряжение 3 и 6 кв (см. рис. 89)

Тип муфты

Сечение жил, м2

Б

В/Г

Размер Д

для медных жил, соединяемых пайкой и прессовкой

для жил алюминиевых соединений

пайка

контактная сварка

МС-60

10

16

330

270/175

30

35

40

40

45

45

МС-70

25

345

285/190

35

40

45

35

35

40

45

50

40

50

45

МС-80

70

370

310/215

40

50

50

95

45

50

50

МС-90

120

380

320/225

45

60

55

150

50

60

55

МС-100

185

405

345/250

50

-

60

240

55

-

60

МС-70

16

345

285/190

35

40

45

25

МС-80

35

370

310/215

35

40

45

50

40

50

МС-90

70

380

320/225

40

50

50

95

45

МС-100

120

405

305/250

45

60

55

150

50

МС-110

185

430

370/275

50

-

60

240

55

Рис. 90. Концевая овальная воронка:

1 - обмотка тафтяной лентой с подклейкой эпоксидным компаундом, полихлорвиниловой лентой или лентой из лакоткани; 2 - фарфоровая втулка; 3 - корпус воронки; 4 - стальная заземляющая скоба; 5 - болт М8; 6 - гайка М8; 7 - стальная шайба; 8 - полухомутик нижний из тонкой листовой стали; 9 - то же верхний; 10 - заземляющий медный провод; 11 - стальная крышка воронки; 12 - стальная крышка заливочного отверстия

Рис. 91. Концевая круглая воронка

5.3.89. При заделке конца кабеля в воронке (рис. 90 и 91 и табл. 23 - 26) ее предварительно протирают чистой тряпкой без ворсин внутри и снаружи, надевают на кабель ниже места разделки и разделывают конец (рис. 92). Жилы кабеля обматывают тафтяной лентой с подклейкой эпоксидным компаундом, полихлорвиниловой лентой или лентой из лакоткани.

Рис. 92. Размеры разделки конца силового кабеля для заделки его в воронке:

1 - броня кабеля; 2 - оболочка; 3 - поясная изоляция; 4 - изолированные жилы кабеля; 5 - уровень края воронки; 6 - голая жила

Примерив место установки воронки, дополнительно наматывают просмоленную ленту в количестве, необходимом для создания надежного уплотнения при насадке воронки; воронку насаживают, надевают на концы жил фарфоровые втулки, намотав под них предварительно кабельную бумагу, надевают крышку и заливают кабельную массу. После остывания дополнительно доливают кабельную массу до краев воронки и закрывают заливочное отверстие.

Таблица 23

Основные размеры овальных воронок для кабелей напряжением 3; 6 и 10 кв

Тип воронки

Напряжение, кв

Размеры воронок, мм (см. рис. 90)

3; 6

10

А

Б

С

Н

h1

h2

d1

d2

сечение жил, мм2

ВО-1

до 16

до 16

168

96

45

215

45

80

40

58

ВО-2

25 - 50

до 16

180

112

50

250

50

85

45

65

ВО-3

70 - 120

25 - 50

212

130

60

300

60

95

50

74

ВО-4

150 - 185

70 - 120

244

148

65

340

75

110

60

90

ВО-5

240

150 - 185

264

162

70

370

80

115

65

97

ВО-6

-

240

282

172

75

395

90

125

70

106

5.3.90. Для заливки соединительных муфт и воронок применяют следующие кабельные массы: масло канифольное МК-45 - для кабелей напряжением до 35 кв; битуминозная марки МБ-70 - для кабелей напряжением до 10 кв, прокладываемых в земле или неотапливаемых помещениях с температурой до 10 °С или марки МБ-90 - для кабелей, прокладываемых в отапливаемых помещениях. Расход материалов приведен в табл. 27.

Таблица 24

Основные размеры круглых воронок для кабелей на напряжение 3; 6 и 10 кв

Тип воронок

Напряжение, кв

Размеры воронок, мм (рис. 91)

3; 6

10

Д

Н

С

h1

h2

d1

d2

сечение жил, мм2

ВК-1

до 16

-

118

190

45

45

70

40

58

ВК-2

25 - 30

до 16

131

210

50

50

75

45

65

ВК-3

70 - 120

25 - 50

152

250

55

60

95

50

74

ВК-4

150 - 185

70 - 120

174

280

60

75

100

60

90

ВК-5

240

150 - 185

189

305

65

80

110

65

97

ВК-6

-

240

202

325

70

90

120

70

106

Примечание. Кабели напряжением 1 кв трехжильные сечением свыше 150 мм2, четырехжильные сечением свыше 120 мм2 монтируют в круглых воронках нормального габарита без крышек и втулок.

Таблица 25

Размеры разделки кабелей напряжением 3; 6 и 10 кв в овальной воронке

Тип муфты

Напряжение кабеля, кв

Размеры разделки, мм

3; 6

10

Б

В

сечение жил, мм

ВО-1

до 16

-

100

170

ВО-2

25 - 50

до 16

105

200

ВО-3

70 - 120

25 - 50

115

240

ВО-4

150 и 185

70 - 120

130

265

ВО-5

240

150 и 185

135

290

ВО-6

-

240

145

305

Примечание. При монтаже кабелей напряжением 1 кв в овальных воронках ступень поясной изоляции принимают равной 20 мм.

Таблица 26

Размеры разделки кабелей напряжением 3; 6 и 10 кв в круглой воронке

Тип муфты

Напряжение кабеля, кв

Размер разделки, мм

3; 6

10

Б

В

сечение жил, мм2

ВК-1

до 16

-

100

145

ВК-2

25 - 50

до 16

105

160

ВК-3

70 - 120

25 - 50

115

190

ВК-4

150 и 185

70 - 120

130

205

ВК-5

240

150 - 185

135

225

ВК-6

-

240

145

235

Примечание. При монтаже кабелей напряжением 1 кв в круглых воронках ступень поясной изоляции принимают равной 20 мм.

Таблица 27

Материалы, необходимые для монтажа концевых воронок для кабелей напряжением 10 кв

Наименование материалов

Единица измерения

Малогабаритные воронки

Круглые и овальные воронки нормального габарита

МГВ-1, МГВ-2

МГВ-3, МГВ-4

ВО-1, ВО-2, ВК-1, ВК-2

ВО-3, ВО-4, ВК-3, ВК-4

ВО-5, ВО-6, ВК-5, ВК-6

Масса заливочная МБ-90 или МБ-70

кг

0,3

1,5

2,5

5

7

Масса прошпарочная

"

-

-

1,5

2

2,5

Припой ПОС-30

"

0,25

0,3

0,3

0,35

0,4

Проволока оцинкованная диаметром 1,5 мм

г

40

60

60

60

70

Хлопчатобумажная пряжа

"

15

20

20

20

20

Смоляная лента

кг

0,2

0,2

0,25

0,3

0,3

Полихлорвиниловая лакотканая или тафтяная лента

Количество ленты принимается в зависимости от сечения и длины жил, выведенных из воронки

Цапонглифталевый лак

г

100

100

100

150

150

Медный провод с наконечником

м

0,3

0,4

0,5

0,6

0,7

Парафин

кг

0,1

0,1

0,1

0,1

0,1

Тряпки

"

0,5

0,5

0,5

0,5

0,5

Бирки

шт.

1

1

1

1

1

Уголь древесный

кг

8

8

10

10

10

Бензин

"

1

1

1

1

1

Керосин

"

0,5

0,5

0,5

0,5

0,5

Наконечники

шт.

3 или 4

3 или 4

3

3

3

Припой марки А

 

Для алюминиевой оболочки

5.3.91. При дождливой погоде монтаж воронок и муфт кабелей, прокладываемых на открытой части подстанции, следует производить под брезентовой палаткой. Кабельную массу разогревают в ведре с крышкой.

5.3.92. При сухой заделке кабеля (рис. 93) конец его разделывают так же, как и при заделке в воронку, затем на фазовую изоляцию жилы в месте установки небольшого кабельного наконечника накладывают бандаж, напрессовывают кабельный наконечник, изолируют каждую жилу двумя слоями киперной ленты вполнахлестки с промазкой каждого слоя глифталевым маслостойким лаком. Затем снимают металлическую оболочку между кольцевыми надрезами, поясную изоляцию бандажируют нитками, металлическую оболочку отбортовывают, пространство между ней и поясной изоляцией уплотняют паклей, смоченной в глифталевом лаке. Далее паклю поджимают киперной лентой, которую пропускают вначале крестообразно между жилами, а потом все жилы обматывают вместе. Одновременно обматывают поясную изоляцию и металлическую оболочку, предварительно покрытые лаком. После этого поверх киперной ленты на этом участке в заделке и у хвостовиков кабельных наконечников накладывают бандаж из шпагата. Всю заделку покрывают глифталевым лаком.

Рис. 93. Сухая концевая заделка силового кабеля с бумажной изоляцией:

1 - броня кабеля; 2 - поясная изоляция; 3 - оболочка; 4 - провод заземления; 5 - уплотнение корешка заделки паклей, пропитанной цапонглифталевым лаком; 6 - то же под отбортовкой; 7 - два слоя киперной ленты; 8 - уплотняющая изоляция киперной лентой; 9 - бандаж из крученого шпагата

Рис. 94. Концевая заделка из эпоксидного компаунда:

1 - наконечник; 2 - бандаж из шпагата, покрытого эпоксидным компаундом; 3 - жила кабеля; 4 - дополнительная подмотка из киперной ленты с покрытием каждого слоя эпоксидным компаундом; 5 - трехслойная подмотка из киперной ленты с покрытием каждого слоя эпоксидным компаундом; 6 - фазная изоляция; 7 - эпоксидный компаунд; 8 - конец подмотки корешка заделки; 9 - бандаж из хлопчатобумажной пряжи; 10 - поясная изоляция; 11 - насечка ножом на оболочке кабеля; 12 - проволочный бандаж; 13 - припайка заземляющего троса; 14 - заземляющий трос; 15 - броня кабеля

5.3.93. Концевая заделка кабеля из эпоксидного компаунда производится следующим образом (рис. 94): после обычной разделки конца кабеля участки поясной изоляции и свинцовой оболочки, а также разведенные шины кабеля обматывают тремя слоями киперной ленты, причем каждый слой покрывают эпоксидным компаундом; затем на корешок кабеля надевают съемную форму, которую заливают тем же компаундом. Форму удаляют после затвердевания компаунда.

При наличии разности уровней кабеля эпоксидная заделка производится с применением тампона, предназначенного для поглощения пропитывающего состава. Тампон, состоящий из нескольких витков киперной ленты, закладывают в корешок кабеля до установки временной формы. Съемную форму можно изготовить из металла, картона, пластмассы и других материалов. Перед употреблением внутреннюю поверхность съемной воронки смазывают трансформаторным маслом или тавотом, чтобы после затвердения компаунда форму можно было легко удалить.

В помещении, где производится монтаж заделок из эпоксидного компаунда, должна поддерживаться до окончания затвердения (примерно в течение суток) температура окружающей среды (10 - 15 °С). При более высокой температуре затвердение ускоряется.

Компаунд перед употреблением смешивают с отвердителем № 1 (на 100 весовых частей компаунда 12 весовых частей отвердителя). После этого компаунд становится пригодным к употреблению в течение 3 ч при температуре окружающей среды 8 - 15° и в течение 1,5 ч - при температуре 20 - 25 °С. При выдержке сверх указанного срока вязкость компаунда увеличивается и он становится непригодным для монтажа.

Типоразмеры концевых эпоксидных заделок и необходимые материалы для их выполнения приведены в табл. 28 и 29.

5.3.94. На каждую разделку высоковольтной муфты или воронки должен быть составлен паспорт.

5.3.95. Для опрессовки наконечников и соединения жил в гильзах должен применяться гидропресс типа РГП-7М со сменным инструментом.

5.3.96. Резервные жилы кабелей разделывают так же, как и рабочие и консервируют их.

5.3.97. Контрольные кабели на открытой части подстанции пропускают в трубах на участке от кабельного канала до подсоединяемого клеммного ящика; при этом трубы закрепляют не менее чем в двух местах.

Таблица 28

Типоразмеры эпоксидной концевой заделки

Типоразмер заделки

Сечение жил кабеля (мм) на напряжение в кв

Размеры заделок (мм) (см. рис. 94)

1

6

10

h

Д

d не менее

п

C

K

ЗЭ-1

2,5 - 10

-

-

105

45

40

20

80

15

ЗЭ-2

16 - 35

10

-

110

58

40

20

80

20

ЗЭ-3

50 - 70

16 - 35

-

130

67

40

20

80

25

ЗЭ-4

95

50

16 - 35

135

71

40

20

80

30

ЗЭ-5

120 - 150

70 - 95

50 - 70

155

82

45

20

85

30

ЗЭ-6

185

120 - 150

95 - 120

165

88

45

25

85

35

ЗЭ-7

240

185

150

185

96

50

25

90

40

ЗЭ-8

-

240

185 - 240

200

105

50

25

90

55

Примечание. Концевые заделки предназначены для установки в помещениях отапливаемых и не отапливаемых, сухих и сырых.

Таблица 29

Материалы, необходимые на одну заделку

Наименование материалов

Единица измерения

Типоразмеры заделок

ЗЭ-1

ЗЭ-2

ЗЭ-3

ЗЭ-4

ЗЭ-5

ЗЭ-6

ЗЭ-7

ЗЭ-8

Эпоксидная шпаклевка Э-4021 (красная)

кг

0,21

0,3

0,52

0,65

0,85

0,95

1,05

1,45

Отвердитель № 1

г

18

26

45

56

73

81

90

125

Лента киперная 15

мм

18

20

25

35

40

48

55

60

Ацетон

кг

0,1

0,15

0,2

0,2

0,3

0,3

0,4

0,4

Масло трансформаторное

г

30

30

40

50

60

80

100

100

Провод медный с наконечником

В зависимости от условий заземления

Наконечник

шт.

3

3

3

3

3

3

3

3

Припой ПОС-30

г

50

50

60

80

80

100

100

100

Припой марки А

Для алюминиевых оболочек

5.3.98. На всех кабелях, проложенных на подстанции, должны быть прикреплены бирки из пластмассы или пропитанного дерева с указанием напряжения, сечения жил, назначения данного кабеля и обозначением номера кабеля (в соответствии с кабельным журналом).

Бирки закрепляют на кабеле у входа и выхода из кабельного канала; на прямых участках - через каждые 10 м, на поворотах - с обеих сторон прохода кабеля через перекрытия и у каждой муфты или заделки.

5.3.99. Звено из 2 - 3 электромонтеров, занятых на оконцевании и соединении кабелей, должно быть обеспечено следующими инструментами и приспособлениями:

Метры складные деревянные................................................................... 2

Ножи монтерские..................................................................................... 3

Ножовочный станок................................................................................. 1

Бронерезки кабельные.............................................................................. 2

Нож кабельный......................................................................................... 1

Ножницы по металлу................................................................................ 1

Кабелерезка............................................................................................... 1

Клещи для снятия изоляции типа КСИ-1............................................... 2

Острогубцы (кусачки) длиной 150 мм.................................................... 2

Плоскогубцы комбинированные............................................................. 3

Круглогубцы длиной 150 мм................................................................... 2

Молотки слесарные весом 0,4 кг............................................................. 2

Отвертки длиной 150 мм......................................................................... 3

Отвертка длиной 250 мм.......................................................................... 1

Напильники драчевые длиной 250 - 300 мм.......................................... 2

Напильник личной плоский длиной 250 - 300 мм................................ 1

Обколотка деревянная.............................................................................. 1

Подбойка деревянная............................................................................... 1

Кисти ручные малые................................................................................. 2

Ключ гаечный разводной № 2................................................................. 1

Лампа паяльная бензиновая емкостью 0,5 л.......................................... 1

Кисточка стальная.................................................................................... 1

Пульверизатор........................................................................................... 1

Чумичка..................................................................................................... 1

Ковш для разогрева припоя...................................................................... 1

Разогреватель кабельной массы типа ЭРКМ-2...................................... 1

Кастрюля емкостью 2 л............................................................................ 1

Ведро емкостью 10 л с крышкой и носиком.......................................... 1

Термометр до 300 °С................................................................................ 1

Бидон для бензина емкостью 5 л............................................................. 1

Ящик инструментальный......................................................................... 1

Сумка инструментальная......................................................................... 1

Очки предохранительные.................................................................... 2 пары

Рукавицы брезентовые.......................................................................... 3    "

Прибор для прозвонки жил контрольного кабеля................................. 1

Гидропресс типа РГП-7М со сменным инструментом......................... 1

ПРИЛОЖЕНИЯ

Приложение 1

ОСНОВНЫЕ ПОКАЗАТЕЛИ РАСХОДА МАТЕРИАЛОВ И ОБОРУДОВАНИЯ НА 1 км ЭКСПЛУАТАЦИОННОЙ ДЛИНЫ КОНТАКТНОЙ СЕТИ ЭЛЕКТРИФИЦИРУЕМЫХ ЛИНИЙ

Наименование показателей

Единица измерения

Линия постоянного тока

Линия переменного тока

двухпутный участок

однопутный участок

двухпутный участок

однопутный участок

Медные контактные провода (МФ-85 и МФ-100)

т

4,94

2,7

2,75

1,7

Медные голые провода (М-120, М-50, МГГ-70, МГТ-95)

"

2,6

1,3

0,12

0,06

Биметаллические (сталемедные) тросы и проволока

"

1

0,8

2,1

1,3

Трос стальной

"

0,13

0,08

0,15

0,1

Алюминиевые голые провода

"

0,15

0,6

0,2

0,15

Детали из цветного металла

"

0,37

0,21

0,3

0,16

Детали из ковкого чугуна и из стали

"

0,45

0,25

0,32

0,18

Трубы газовые

"

0,07

0,04

0,06

0,04

Сталь сортовая для металлических опор (включая жесткие поперечины)

"

4,5

3,9

3,7

3,4

Арматура железобетонных опор (включая высокопрочную проволоку)

"

4,1

2,2

3,3

1,8

Сталь сортовая для консолей

"

2

1,2

1,8

1

Сталь сортовая для фундаментов опор контактной сети

"

1,1

1

0,95

0,9

Сталь сортовая на армировку опор контактной сети (кронштейны, хомуты, пяты консолей, крепительные детали и пр.)

"

1,8

1,2

1,7

1

Изоляторы подвесные и натяжные (П-4,5)

шт.

175

110

260

160

То же фиксаторные

"

36

20

36

20

Разрядники

"

3,5

2,5

0,8

0,5

Разъединители

"

1,5

0,6

1,6

0,7

Ручные приводы

"

0,5

0,2

0,5

0,2

Моторные приводы

шт.

1

0,4

1,1

0,5

Суммарный расход черных металлов

т

18

12,5

15

10

То же цнетных металлов (приведенный к весу меди)

"

11

6

5

3

Расход бетона для железобетонных опор

м3

26

13

26

13

Расход бетона для фундаментов опор

"

50

40

45

35

Развернутая длина электрифицированных путей

км

2,6

1,7

2,6

1,7


Приложение 2

ТЕХНИЧЕСКИЕ ХАРАКТЕРИСТИКИ ОСНОВНЫХ МАШИН, ПРИМЕНЯЕМЫХ ПРИ ЭЛЕКТРИФИКАЦИИ ЖЕЛЕЗНЫХ ДОРОГ

1. Параметры кранов общего назначения

Основные параметры, необходимые для выполнения работ кранами данного типажа

Типы кранов

Единица измерения

Автомобильные и пневмоколесные

Гусеничные и тракторные

Железнодорожные

МШТС-2А

(МШТС-2Т)**

К-64,

К-68А,

К-69,

(К-63,

АК-75)

К-104,

К-106,

(К-124,

К-123)

К-161,

К-162

К-255

(K-252)

К-401

К-631*

ДЭК-25Г

ДЭК-50

КТС-63

(КТС-5Э-61,

ТКЭ-58)

КМ-16

КДЭ-161

(МК-15,

КДЭ-151,

КДВ-15)

КДЭ-251

(К-251)

КЖ-63

(К-501)

Грузоподъемность наибольшая

на выносных опорах

тс

2

6,3

10 - 12

16

25

40

63

-

-

5

16

25

50

без выносных опор

"

-

2

4

4,4

10

15

30

25

50

2

10

16

25

Вылет

наименьший

м

5,8

3,3

4

3,9

4,5

4,5

4,5

4,25

5

3

5

4,5

5,5

наибольший

15,35

10

16 - 20

20

20

20

24

22

39

10

18

18

20

Грузовой момент наибольший

тсм

11,6

20,8

40 - 50,5

62,4

112,5

180

270

106,25

250

15

80

112,5

275

Высота подъема наибольшая

м

6,5

12

20,3

21,8

25

28

35

30

46,1

11,4

19

25,5

28,5

Длина стрелы

"

10 + 6

7,35; 11,74

10; 18; 18 с гуськом

10; 14; 18; 22

15; 25; 25 с гуськом

15; 25; 25 с гуськом

15; 24; 31; 38; 38 с гуськом

14; 20; 26; 33

15; 25; 30; 40; 50

-

15; 20

12; 25; 25 с гуськом

12,5; 25,5

11

* Подлежит изготовлению по ГОСТу 877-65 взамен крана К-501.

** Краны, помещенные без скобок, лучше, чем краны, указанные в скобках.

Рис. 1. Краны, рекомендуемые к применению при электрификации железных дорог

Рис. 2. Кран МК-ЦУМЗ-15


2. Кран МК-15

Кран МК-15 (рис. 2 и 3) с двигателем внутреннего сгорания ЗИЛ-164 имеет грузоподъемность 15 т и является самоходным полноповоротным краном, перемещающимся по железнодорожному пути нормальной колеи. Кран оснащен стрелой длиной 14 м и может работать с крюком и грейфером. Стрела крана может быть удлинена до 18 м путем использования специальной вставки. При работе крана на выносных опорах со стрелой 14 м его грузоподъемность изменяется от 5 до 15 тс и при работе без выносных опор со стрелой 14 м - от 3 до 10 тс и со стрелой 18 м - от 1,3 до 7,5 тс. Кран вписывается в железнодорожный габарит № 1В (ОСТ ВКС 6435), после снятия поручней - в габарит № 0.

Рис. 3. Диаграммы грузоподъемности крана МК-15:

а - со стрелой длиной 14 м; б - со стрелой длиной 18 м

Основные эксплуатационно-технические данные крана:

Время подъема стрелы................................................................................... 52 сек

Скорость передвижения крана при помощи собственного двигателя... 11,6 км/ч

Путевые показатели

Минимальный радиус закругления пути, необходимый для

движения крана при помощи собственного двигателя 50 м

Минимальный радиус закругления пути, необходимый для

движения крана в составе поезда............................ 120 м

Тяговое усилие на автосцепе, создаваемое двигателем крана, при

крутизне подъема пути 9 %о......................................... 900 кг

Предельно возможный подъем пути при передвижении собственным

двигателем.......................................................................... 25 %о

Скорость следования в составе поезда в транспортном

состоянии (ходовые шестерни расцеплены).......... не более 60 км/ч

Скорость следования с локомотивом с нерасцепленными

ходовыми шестернями..................................... не более 15 км/ч

Вес крана в рабочем состоянии.................................................................... 55,5 т

Ширина кузова крана..................................................................................... 3,07 м

Полная длина крана........................................................................................ 19,5 м

3. Кран КДВ-15

Основные размеры

Вылет платформы крана от оси вращения (с автосцепкой)................... 4190 мм

Вылет платформы крана от оси крашения (без автосцепки)................... 3440 »

Ширина кузова крана от оси вращения...................................................... 3070 »

Радиус вращения задней стенки кузова...................................................... 3300 »

Вылет опоры стрелы..................................................................................... 1225 »

Вылет стрелы в транспортном состоянии................................................ 15100 »

Полная длина крана в транспортном состоянии...................................... 19500 »

Высота поворотной части крана над уровнем рельса............................... 1430 »

Вылет поджимных домкратов выносных опор от оси пути..................... 2200 »

База крана...................................................................................................... 2950 »

Высота крана над уровнем рельса.............................................................. 4500 »

Путевые показатели

Тяговое усилие на автосцепке крана при подъеме, равном 9 %о............. 900 кг

Минимальный радиус закругления при передвижении самоходом........... 50 м

Минимальный радиус закругления пути при транспортировке

в составе поезда............................................................................................... 120 м

Наибольший преодолеваемый уклон пути без груза................................... 25 %о

Допускаемая скорость движения крана в рабочем состоянии

с отдельным локомотивом............................................................................ 20 км/ч

Характеристика двигателя

Тип двигателя........................................................................ автомобильный ЗИЛ 164

Номинальная мощность...................................................................... 100 л.с.

Число оборотов коленчатого вала................................................. 2800 об/мин

Расход топлива в граммах на 1 л.с./ч.................................................... 250

Коробка передач............................................................................. I и II и задняя

Объем топливного бака........................................................................ 140 л

пневматическое

Управление............................................................................... с пульта управления

и ножное (педали)

Характеристика крана

КДВ-15П полноповоротный,

железнодорожный стреловой

Тип крана............................................................................... с переменным вылетом,

самоходный с двигателем

внутреннего сгорания

Режим работы...................................................................................... средний

Грузоподъемность крана (рис. 4):

на аутригерах со стрелой 14 м........................................................ 15 тс

без аутригеров                    ».............................................................. 10 »

без аутригеров со стрелой 18 м....................................................... 7,5 »

Высота подъема крюка:

при стреле 14 м................................................................................ 13,8 м

»                  18 м................................................................................ 17,8 »

Скорость подъема крюка:

при работе на аутригерах со стрелой 14 м................................ 15,4 м/мин

то же без аутригеров........................................................................ 20,5 »

при работе без аутригеров со стрелой 18 м.................................. 30,8 »

Скорость движения крана................................................................ 11,86 км/ч

Скорость вращения поворотной части крана................................. 2,9 об/мин

Коэффициент грузовой устойчивости............................................ более 1,15

Вес крана в рабочем состоянии.......................................................... 50,5 т

Коэффициент собственной устойчивости...................................... более 1,15

Вес крана в транспортном положении................................................ 50 т

Давление на ось в транспортном положении:

задней тележки................................................................................ 13,6 т

передней тележки............................................................................ 11,3 »

Давление на ось в рабочем состоянии крана при подъеме максимального груза при стреле 14 м и грузе весом 10 т:

задней тележки................................................................................ 10,3 т

передней тележки............................................................................ 17,3 »

Давление выдвижной опоры крана на клетку при

аутригерной работе.............................................................................. 22,3 т

Рис. 4. Диаграмма грузоподъемности крана КДВ-15

4. Кран КТС-5Э (рис. 5)

Рис. 5. Кран КТС-5Э

Техническая характеристика

Наименование показателей

Измеритель

Вылет стрелы

3

6

10

Грузоподъемность (рис. 6)

тс

5

2

1,05

Высота подъема крюка

м

11,4

10,3

6,8

Скорость подъема груза.............................................................................. 6,4 м/мин

Скорость передвижения крана............................................................. 2,36 - 10,15 км/ч

Число оборотов поворотной части в минуту................................................... 1

Время полного изменения вылета стрелы................................................... 45 сек

Коэффициент устойчивости наименьший..................................................... 1,16

Число электродвигателей.................................................................................. 3

Общая мощность............................................................................................. 10 квт

Характеристика генератора:

тип............................................................................................................ СГТ-25/6

мощность.............................................................................................. 25 ква/20 квт

напряжение................................................................................................. 380 в

число оборотов в минуту............................................................................ 1000

Габаритные размеры крана (в транспортном положении):

длина........................................................................................................ 13500 мм

ширина........................................................................................................ 3025 »

высота......................................................................................................... 3200 »

Вес.................................................................................................................... 21,5 т

Тип крана........................................................................... стреловой с индивидуальным

электроприводом механизмов

Рис. 6. Диаграмма грузоподъемности крана КТС-5Э

Кран смонтирован на тракторе С-100 с уширенными гусеницами (720 мм). Привод механизмов подъема стрелы груза и поворота крана - электрический. Питание электродвигателей производится от собственного генератора СГТ-25/6 мощностью 20 квт; возможно питание от внешней сети.

Управление краном - кнопочное (из кабины) или дистанционное на расстояние до 10 м. Кран работает без выносных опор.

5. Кран ТКЭ-58 (рис. 7)

Кран - дизель-электрический. Оборудование смонтировано на тракторе С-100. Дизельный двигатель трактора КДМ-100 приводит в действие синхронный генератор СГТ-25/6 мощностью 25 ква, вырабатывающий ток напряжением 380 в, 50 пер/сек. Управление краном кнопочное. Выносных опор кран не имеет.

Техническая характеристика

Вылет стрелы, м                       2,3        3             4           5           6             8

Грузоподъемность, тс             5           4,5          3,2        2,6        2             1,5

Наибольшая высота подъема груза........................................................ 11 м

Скорости:

подъема груза............................................................................... 6,4 м / мин

поворота........................................................................................ 1,0 об/мин

передвижения........................................................................... 2,25 - 9,65 км/ч

Мощность электродвигателей:

подъема груза..................................................................................... 5 квт

подъема стрелы................................................................................... 2,8 »

поворота крана.................................................................................... 1,7 »

Вес незаправленной машины.............................................................. 19520 кг

Габаритные размеры в транспортном положении:

длина..................................................................................................... 12000 мм

ширина.................................................................................................... 2760 »

высота...................................................................................................... 3600 »

Рис. 7. Диаграмма грузоподъемности и схема крана ТКЭ-58

6. Краны АК-5Г (рис. 8) и АК-51

Рис. 8. Кран АК-5Г

Грузоподъемность и высота подъема крюка крана АК-5Г:

Показатели

При стреле длиной 6,2 м и вылете стрелы, м

При стреле длиной 9 м и вылете стрелы, м

2,5

3,5

4,5

5,5

5

6

7

8

9

Грузоподъемность на выносных опорах, тс

5

3

1,8

1

1,5

1,2

1

0,75

0,5

Высота подъема крюка, м

6,5

6,1

5,5

4,5

10

9,5

9

8

6,5

Размеры в транспортном положении крана АК-51:

длина................................................................................................. 8800 мм

ширина............................................................................................... 2340 »

высота................................................................................................. 3450 »

Колесная база......................................................................................... 1000 »

Ширина колеи:

передних колес.................................................................................. 1700 »

задних       »........................................................................................ 1740 »

Общий вес.............................................................................................. 8550 кг

Марка шасси......................................................................................... ЗИЛ-164

Скорость движения своим ходом........................................................ 45 км/ч

7. Автомобильный кран К-51 (рис. 9)

Рис. 9. Диаграмма грузоподъемности и схема крана К-51

8. Кран К-104

Кран К-104 (рис. 10) грузоподъемностью 10 тс является тяжелым полууниверсальным автомобильным краном. Он установлен на автомобиле ЯАЗ-210, оснащен стрелой длиной 10 м и может работать с крюком или грейфером.

Стрела крана может быть удлинена до 18 м путем использования специальной вставки.

Рис. 10. Кран К-104

При работе крана на выносных опорах со стрелой 10 м его грузоподъемность изменяется от 2,2 до 10 тс, со стрелой 18 м - от 0,75 до 6 тс. При работе без выносных опор со стрелой 10 м грузоподъемность изменяется от 1 до 4 тс и со стрелой 18 м - от 0,25 до 1,5 тс. При работе с грейфером на средних вылетах стрелы грузоподъемность крана составляет 3,5 тс.

Скорость движения крана своим ходом: по асфальтированному шоссе - до 35 км/ч, по проселочным дорогам - до 20 км/ч. Кран может передвигаться также с грузом до 3 т, висящим на нормальной стреле при вылете 4 м; скорость движения при этом не должна превышать 5 км/ч.

Техническая характеристика

Марка шасси......................................................................................... ЯАЗ-210

Габаритные размеры (в транспортном положении):

длина................................................................................................ 14300 мм

ширина............................................................................................... 2750 »

высота................................................................................................. 3910 »

Ширина колеи:

передних колес................................................................................ 1950 мм

задних колес...................................................................................... 1920 »

Общий вес крана................................................................................... 22800 кг

Величины скоростей:

подъема груза весом 10 т................................................................ 3,5 - 9 м/мин

вращения поворотной части.......................................................... 0,5 - 1,5 об/мин

подъема груза на малом крюке...................................................... 4,5 - 15 м/мин

подъема грейфера................................................................................ 27 м/мин

подъема груза весом 6 т при стреле длиной 18 м....................... 5 - 12,5 м/мин

передвижения крана с грузом............................................................ 2 - 5 км/ч

Грузоподъемность крана К-104:

а) При стреле длиной 10 м

Наименование показателей

Измеритель

На выносных опорах

Без выносных опор

Грузоподъемность

тс

10

6

3,5

2,2

4

2,5

1,4

1

Вылет стрелы

м

4

5,5

8

10

4

5,5

8

10

б) При стреле длиной 18 м

Наименование показателей

Измеритель

На выносных опорах

Без выносных опор

Грузоподъемность

тс

6

4

2,5

1,25

0,75

1,5

1

0,6

0,25

Вылет стрелы

м

5

7

9

13

16

5

7

9

13

9. Кран K-151 (рис. 11)

Автомобильный дизель-электрический кран К-151 грузоподъемностью 15 тс является полноповоротным; в зависимости от перерабатываемых грузов он может работать на выносных опорах или без них. Длина стрелы крана 10 м. При помощи вставки длиной 8 или 12 м стрела может быть удлинена до 18 или 22 м.

Дизель-электрический кран К-151 смонтирован на шасси автомобиля ЯАЗ-219, имеющем двухтактный шестицилиндровый дизель ЯАЗ-М206А мощностью 180 л.с.

Электрическая установка крана - трехфазного тока напряжением 400 в с питанием от собственного генератора MCA 73/4A мощностью 30 ква или от внешней сети переменного тока напряжением 380 в. Все рабочие механизмы имеют индивидуальный электропривод с механической передачей на рабочие органы.

Техническая характеристика крана

Режим работы крана............................................................................ средний

Максимальная грузоподъемность крана:

основного подъема............................................................................ 15 тс

вспомогательного подъема................................................................. 2 »

Высота подъема крюка:

при стреле 10 м................................................................................... 9,1 м

при стреле 18 м.................................................................................. 16,1 »

при стреле 18 м с гуськом................................................................ 17,2 »

при стреле 22 м.................................................................................. 19,5 »

при стреле 22 м с гуськом................................................................ 20,5 »

Скорость подъема крюка:

при стреле 10 м............................................................................. 3 - 8 м/мин

при стреле 18 м........................................................................... 4 - 12,5 м/мин

при стреле 22 м............................................................................... 4 - 12,5 »

Скорость подъема груза на малом крюке....................................... 2 - 11 м/мин

Максимальная скорость передвижения крана (при стреле 10 м, установленной вдоль продольной оси крана):

по асфальтовому шоссе.................................................................... 35 км/ч

по проселочным дорогам с грузом 2 т........................................... 5 км/ч

Скорость вращения поворотной части......................................... 0,5 - 1,5 об/мин

Вес крана со стрелой 10 м................................................................... 20800 кг

Габаритные размеры:

продольная база шасси.................................................................... 5750 мм

высота в транспортном положении................................................ 3910 »

общая длина в транспортном положении со стрелой 10 м......... 14000 »

наибольшая ширина в транспортном положении......................... 2740 »

Рис. 11. Диаграмма грузоподъемности и схема крана К-151

10. Кран K-161 (рис. 12)

Самоходный полноповоротный дизельный на пневмоколесном ходу.

Наибольшая грузоподъемность крана при работе со стрелой 10 м (при вылете 3,75 м) составляет 16 тс.

Кран оборудован стрелой 10 м, которая с помощью вставок может увеличиваться до 15; 20 и 25 м.

Для подъема грузов больших габаритов весом до 2 т все стрелы крана снабжены надставкой длиной 6 м и вспомогательным крюком. Возможна одновременная работа двумя крюками.

Кран может передвигаться с поднятым грузом.

Наличие в трансмиссии крана турботрансформатора обеспечивает плавное бесступенчатое регулирование рабочих скоростей всех крановых механизмов, плавный подъем и опускание, а также получение минимальных посадочных скоростей груза.

Кинематическая схема крана допускает совмещение основных крановых операций.

Наличие переднего и заднего ведущих мостов автомобильного типа создает высокую проходимость крана по дорогам с различным покрытием.

Управление разворотом колес и механизмами ходовой части - гидравлическое, а механизмами поворотной части - пневматическое.

Специальное приспособление позволяет перевозить кран на буксире.

Кабина машиниста отделена от механизмов, оборудована отоплением и вентиляцией.

Кран снабжен электрооборудованием для освещения кабины и рабочей зоны в ночное время.

Кран оборудован ограничителем подъема стрелы и сигнализацией.

Техническая характеристика крана

Рабочая характеристика крана с надставкой:

Наименование показателей

Измеритель

Длина основной стрелы, м

10

15

20

25

Грузоподъемность вспомогательного крюка

тс

2; 1,75

2; 1,75

1,75; 1,5

1,75; 1,5

Вылет от оси вращения

м

10; 11

11; 12

12,5; 14

13; 15

Высота подъема крюка

²

10,5; 9,5

15; 14,5

20,5; 19,5

25,5; 25

Скорость подъема наибольшего груза....................................... от 0,1 до 10 м/мин

Скорость вращения поворотной части..................................... от 0,5 до 2,8 об/мин

Скорость передвижения без груза....................................................... 15 км/ч

Наибольшая скорость передвижения крана самоходом.................. 14,7 км/ч

Характеристика двигателя:

СМД-14 четырехтактный,

тип........................................................................................... бескомпрессорный

число цилиндров................................................................................... 4

мощность............................................................................................ 75 л.с.

число оборотов в минуту................................................................... 1700

Габаритные размеры крана:

длина в транспортном положении со стрелой длиной 10 м...... 14000 мм

высота в транспортном положении................................................ 3885 »

наибольшая ширина крана............................................................... 3150 »

ширина колеи колес.......................................................................... 2400 »

Вес крана со стрелой 10 м.............................................................. 23300 кг

Рис. 12. Диаграмма грузоподъемности и схема крана К-161

11. Вертикальный многоковшовый котлованокопатель ВК (рис. 13)

Рис. 13. Вертикальный многоковшовый котлованокопатель

Техническая характеристика котлованокопателя

Мощность двигателя дрезины............................................................... 90 л.с.

Скорость передвижения:

на первой передаче.......................................................................... 9,5 км/ч

на второй передаче............................................................................ 17,9 »

на третьей передаче.......................................................................... 31,2 »

на четвертой передаче...................................................................... 59,4 »

Длина базы машины............................................................................. 5200 мм

Вес машины............................................................................................ 18,1 т

Производительность в час............................................................... 6 котлованов

Вылет рабочего органа от оси пути:

наибольший...................................................................................... 6000 мм

наименьший....................................................................................... 2700 »

Число ковшей.......................................................................................... 20 шт.

Емкость одного ковша............................................................................. 20 л

Шаг ковшей............................................................................................ 600 мм

Скорость движения ковшей............................................................... 0,61 м/сек

Скорость движения ленты транспортера............................................... 4 »

Скорость подачи рабочего орган....................................................... 0,5 м/сек

Размеры отрываемых котлованов:

в плане........................................................................................... 660´900 мм

глубина.............................................................................................. до 4,6 м

12. Буровая машина (рис. 14)

Рис. 14. Буровая машина

Техническая характеристика буровой машины

Мощность двигателя дрезины............................................................... 93 л.с.

Мощность двигателя бурового агрегата................................................. 54 »

Максимальная скорость передвижения по перегону........................ 60 км/ч

Производительность в час............................................................ 6 - 8 котлованов

Вылет рабочего органа:

наименьший........................................................................................ 2,7 м

наибольший......................................................................................... 5,5 »

Максимальная глубина отрываемого котлована от уровня

головки рельса......................................................................................... 4,4 м

То же с перестановкой гайки................................................................. 4,8 м

Диаметр отрываемых котлованов........................................... 500; 600; 700 и 800 мм

Вес машины.............................................................................................. 18 т

Буровая машина может работать в грунтах I - IV категорий как талых, так и мерзлых, кроме сухих песков, плывунов и грунтов с каменистыми включениями размером более 200 мм, т.е. практически в любых грунтовых условиях.

13. Котлованокопатель МКТС-2 (рис. 15)

Техническая характеристика

Размер отрываемого котлована:

в плане............................................................................................ 0,65´0,9 м

глубина.............................................................................................. до 4,8 м

Максимально допустимая глубина выемки.......................................... 2,5 м

Максимальный вылет рабочего органа от оси машины...................... 6,3 »

Максимально допустимая высота насыпи............................................ 3,5 м

Мощность электродвигателя:

рабочего органа................................................................................. 14 квт

механизма изменения вылета стрелы................................................ 5 »

механизма подъема рабочего органа................................................ 2,3 »

поворотной платформы..................................................................... 1,7 »

Мощность генератора.............................................................................. 30 »

Число ковшей........................................................................................... 14 »

Скорость движения ковшовой цепи.................................................. 0,51 м/сек

Скорость передвижения машины.................................................. 2,25 - 7,4 км/ч

Продолжительность рытья одного котлована................................... 4 - 6 мин

Габаритные размеры (в транспортном положении):

высота.................................................................................................. 3,4 м

ширина................................................................................................. 2,7 »

длина.................................................................................................. 13,67 »

Вес машины............................................................................................ 22,6 т

Вес рабочего органа................................................................................ 1,9 »

Вес узлов, укладываемых на прицеп..................................................... 3,5 »

Рис. 15. Котлованокопатель МКТС-2

Для перевода МКТС-2 в транспортное положение между стойкой и подкосом (рис. 16), находящимися у противовеса двигателя, и верхней частью стрелы устанавливают распорку. Кроме того, между стойкой противовеса на двигателе и противовесом поворотной платформы протягивают трос диаметром 15,5 мм, который закрепляется, как это показано на том же рисунке.

Котлованокопатель МКТС-2 с указанным приспособлением может быть применен при передвижении по ровной непересеченной местности, при этом рабочий орган должен быть на минимальном вылете.


Рис. 16. Приспособление для передвижения котлованокопателя МКТС-2 с поднятым рабочим органом:

а - рабочее положение котлованокопателя МКТС-2 с приспособлением для передвижения без приведения рабочего органа в транспортное положение; б - деталь крепления распорки к стойке и подкосу; в - деталь крепления распорки к стреле; г - схема крепления троса; 1 - распорка; 2 - стойка; 3 - подкос; 4 - болт M12´75; 5 - болт М22´100 со шплинтом; 6 - стрела; 7 - ось валка шарнирного соединения с направляющими рабочего органа; 8 - противовес поворотной платформы; 9 - трос; 10 - противовес, закрепленный впереди двигателя трактора; 11 - стойка для опирания стрелы при крановом оборудовании


14. Экскаватор Э-221

Техническая характеристика сменного оборудования

Рис. 17. Экскаватор Э-221 (прямая лопата)

а) Прямая лопата (рис. 17)

Емкость ковша............................................................................................ 0,25 м3

Длина стрелы А............................................................................................ 2,85 м

Длина рукоятки Б......................................................................................... 1,6 »

Глубина копания ниже уровня стоянки В.................................................. 0,2 »

Радиус копания на уровне стоянки Г........................................................ 3,95 »

Наибольший радиус копания Д................................................................... 4,8 »

Наибольшая высота копания Е................................................................... 1,9 м

Радиус выгрузки при наибольшей высоте выгрузки Ж............................ 2,8 м

Наибольшая высота выгрузки З.................................................................. 2,05 »

Продолжительность цикла при повороте рабочего органа на 80°....... 22,5 сек

б) Обратная лопата (рис. 18)

Емкость ковша............................................................................................ 0,25 м3

Радиус выгрузки И........................................................................................ 4,3 м

Наибольшая высота выгрузки К................................................................. 2,95 »

Наибольший радиус копания Л.................................................................. 5,1 м

Наибольшая глубина копания М................................................................ 3,19 »

Продолжительность цикла при повороте рабочего органа на 80°....... 28,5 сек

Рис. 18. Экскаватор Э-221 (обратная лопата)

в) Бульдозер

Ширина захвата Ч................................................................................ 2000 мм

Высота отвала Ш..................................................................................... 650 »

Наибольшая глубина резания.................................................................. 50 »

Наибольшая высота подъема................................................................. 280 »

Дорожный просвет.................................................................................. 300 »

Длина базы.............................................................................................. 2380 »

Ширина колеи:

передних колес.................................................................................. 1500 »

задних колес...................................................................................... 1550 »

Шины:

передних колес................................................................................ 6,50 - 20

задних колес.................................................................................... 12,00 - 38

Давление в шинах:

передних колес.......................................................................... 1,7 - 1,8 кГс/см2

задних »............................................................................................... 2,3 »

Скорости передвижения:

вперед..................................................................................... от 4,50 до 12,95 км/ч

назад................................................................................................. 3,42 км/ч

Двигатель:

мощность............................................................................................ 40 л.с.

число оборотов в минуту................................................................... 1500

Габаритные размеры:

длина................................................................................................. 6140 мм

ширина............................................................................................... 2000 »

высота................................................................................................. 4450 »

Вес навесного оборудования................................................................ 2522 кг

15. Экскаватор Э-302 (рис. 19)

Техническая характеристика

Емкость ковша........................................................................................ 0,3 м3

Ширина ковша........................................................................................ 0,83 м

Длина стрелы А........................................................................................ 4,9 »

Длина рукояти Б...................................................................................... 2,3 »

Радиус выгрузки начальный В.............................................................. 4,15 м

Радиус выгрузки конечный Г................................................................. 6,8 »

Наименьшая высота выгрузки Д........................................................... 3,06 »

Наибольшая высота выгрузки Е............................................................. 5,6 »

Наибольший радиус копания Ж............................................................. 7,8 »

Наибольшая глубина копания З:

траншеи................................................................................................. 4 м

котлована............................................................................................. 2,6 »

Вес с обратной лопатой.......................................................................... 11 т

Продолжительность цикла (при работе в отвал с поворотом на 90°

и средней глубине копания).................................................................. 15 сек

Радиус, описываемый хвостовой частью И.......................................... 2,6 м

Ширина поворотной платформы К...................................................... 2,35 »

Высота с кабиной Л............................................................................... 3,13 »

Просвет под поворотной платформой М............................................. 1,34 »

Просвет под мостами Н........................................................................ 0,293 »

Расстояние от оси пяты стрелы до оси вращения............................... 0,65 »

Длина базы П........................................................................................... 2,8 »

Ширина колеи по передним колесам Р.............................................. 2,042 »

Шины  12 - 20 »

Давление в шинах............................................................................... 5,5 кГс/см2

Расстояние от оси вращения экскаватора до оси задних колес С....... 1 м

Скорости передвижения:

первая................................................................................................ 1,3 км/ч

вторая................................................................................................... 3,1 »

третья.................................................................................................. 5,66 »

четвертая............................................................................................ 13,1 »

Число оборотов поворотной платформы в минуту

на первой передаче............................................................................. 2,79

на второй        ».................................................................................... 6,43

Силовая установка............................................................................. дизель Д-38

Номинальная мощность......................................................................... 38 л.с.

Число оборотов в минуту........................................................................ 1400

Наибольший преодолеваемый подъем пути.......................................... 22°

Рис. 19. Экскаватор Э-302

16. Тепловоз ТГМ1

Техническая характеристика

маневровый и

Род службы..................................................................................... промышленный

односекционный с

Тип............................................................................................... гидромеханической

передачей

Двигатель................................................................................................. 1Д12

Мощность силовой установки.............................................................. 400 л.с.

Сила тяги длительная:

маневровый режим........................................................................ 12200 кГс

поездной режим................................................................................ 6100 »

Конструкционная скорость.................................................................. 50 км/ч

Осевая формула....................................................................................... 0-3-0

Ширина колеи....................................................................................... 1524 мм

Служебный вес......................................................................................... 48 т

Давление от колесной пары на рельсы................................................. 16 т

Диаметр колес по кругу катания........................................................ 1050 мм

Минимальный радиус проходимых кривых.......................................... 60 м

Полная длина тепловоза (по осям автосцепок)................................. 9750 мм

Ширина кузова....................................................................................... 3150 »

Высота тепловоза (от головки рельсов)............................................... 3940 »

Запасы:

топлива.............................................................................................. 1350 кг

масла.................................................................................................... 135 »

воды..................................................................................................... 200 »

песка.................................................................................................... 200 »

17. Тепловоз ТГМ3

Техническая характеристика

маневровый

Род службы.................................................................................... и промышленный

односекционный с

Тип............................................................................................... гидромеханической

передачей

Двигатель................................................................................................ М-751

Мощность силовой установки.............................................................. 750 л.с.

Сила тяги длительная:

маневровый режим (при скорости 3 км/ч).................................. 20400 кГс

поездной режим (при скорости 16 км/ч)........................................ 8900 »

Конструкционная скорость.................................................................. 90 км/ч

Осевая формула..................................................................................... 0-2-2-0

Ширина колеи....................................................................................... 1524 мм

Служебный вес......................................................................................... 68 т

Давление от колесной пары на рельсы.................................................. 17 »

Диаметр колес по кругу катания........................................................ 1050 мм

Минимальный радиус проходимых кривых.......................................... 40 м

Полная длина тепловоза (по осям автосцепок)................................ 12600 мм

Ширина кузова....................................................................................... 3000 »

Высота тепловоза (от головок рельсов)............................................... 4310 »

Длина базы тележки.............................................................................. 6000 »

Запасы:

топлива.............................................................................................. 2800 кг

воды..................................................................................................... 430 »

песка.................................................................................................... 400 »

масла.................................................................................................... 300 »


Приложение 3

СХЕМА КОМПЛЕКТОВОЧНОЙ БАЗЫ

1 - штабеля железобетонных опор; 2 - штабеля жестких стальных поперечин; 3 - штабеля фундаментов

Примечание. Площадка устраивается исходя из размещения 50 % всех конструкций.


Ведомость конструкций

Наименование конструкций

Измеритель

Принято к складированию

Размеры штабеля, м2

Количество штабелей

Железобетонные опоры

шт.

430

13,6´7,7

12

Жесткие металлические поперечины

²

25

24´7,7

2

Конструкции фундаментов

²

38

4´7

2

Комплектовочные базы устраивают на раздельных пунктах из расчета обслуживания одной базой, как правило, двух прилегающих перегонов. В случаях, когда заказчик (дорога) не может предоставить пути и необходимую площадь (по рекомендуемой схеме), а устройство базы требует выполнения дорогостоящих земляных работ, то условие размещения их может быть изменено в зависимости от конкретных производственных условий, но при этом следует непроизводительный пробег установочных поездов ограничивать одним - двумя перегонами.

Оптимальное решение устанавливается на стадии разработки проекта организации строительства на основе технико-экономического сравнения затрат на устройство баз с затратами, вызванными непроизводительным пробегом установочных поездов.

Линейные комплектовочные базы должны обеспечивать:

а) стоянку механизмов (двух комплектов для работы «с пути»), занятых на сооружении опор контактной сети;

б) разгрузку, сортировку и складирование необходимого запаса конструкций;

в) комплектование и погрузку опор и фундаментов на платформы установочных поездов или на транспортные средства, обеспечивающие работу по сооружению опор контактной сети «с поля»;

г) производство маневров с установочными средствами без нарушений операций по разгрузке и погрузке конструкций;

д) сохранность конструкций, устранение потерь их и более высокую производительность установочных поездов, обусловленные концентрацией всех средств в едином комплексе - базе.

Приложение 4

ГАБАРИТЫ ОПОРНЫХ КОНСТРУКЦИЙ И ПОДВЕСКИ

Наименование размеров

Расстояния, мм

номинальное напряжение, кв

3

25 ¸ 35

Горизонтальные расстояния до ближайшей грани опоры контактной сети:

 

 

от оси крайнего пути на перегонах и станциях для прямых участков пути не менее

3100

3100

от оси крайнего пути минимальное на станциях в особо трудных условиях для прямых участков пути

2450

2450

то же на перегонах

2750

2750

от оси крайнего пути в сильно заносимых выемках (кроме скальных)

5700

5700

от проезжей части переезда через пути

5000

5000

от края островной пассажирской платформы

2000

2000

от края боковой пассажирской платформы

4000

4000

Вертикальные расстояния до проводов контактной сети (размеры даны при беспровесном положении):

 

 

от уровня головки рельса до контактного провода на перегонах, нормальное

6250

6250

то же на перегонах, минимальное

5750

5750

от уровня головки рельса до контактного провода на станциях, нормальное

6600

6600

то же на станциях, минимальное

6250

6250

от уровня головки рельса до контактного провода на перегонах и станциях, максимальное

6800

6800

то же в пределах искусственных сооружений с особого разрешения МПС, минимальное

5550

5675 - 5750

до усиливающих и питающих проводов от уровня земли в ненаселенной местности, минимальное

6000

6000

то же в населенных местах

6000

7000

то же в местах, недоступных для пешеходов (скалы, утесы)

4500

5000

то же от уровня головки рельсов при переходе через пути

7500

7500

до несущего троса от линии электропередачи 110 - 220 кв при пересечении ими электрифицируемых путей (при наличии грозозащитных устройств), минимальное

4000

4000

то же от линий электропередачи 20 - 110 кв

3000

3000

то же от линий электропередачи 10 кв и ниже, а также от низковольтных линий связи и других

2000

3000

Прочие расстояния:

 

 

нормальное смещение контактного провода (зигзаг) на прямых

300

300

то же (вынос) на кривых

400

400

Приложение 5

ЖЕЛЕЗОБЕТОННЫЕ ОПОРЫ И ФУНДАМЕНТЫ

1. Опоры консольные центрифугированные (рис. 1)

Струнобетонные опоры с арматурой из стали 30ХГ2С

Длина стойки L, м

Тип опоры

Размеры стойки, мм

Нормативный момент, тсм

Расход материалов

Марка бетона

Вес стойки, т

D

б

Пята консоли

Условный обрез фундамента

Бетон, м3

Металл, кг

12,8

СК 3,5/12,8

480

50

2

3,5

0,7

31

400

1,7

СК 4,5/12,8

50

2,25

4,5

0,7

36

1,7

СК 6/12,8

55

3

6

0,75

53

1,9

СК 8/12,8

55

4

8

0,75

79

500

1,9

13,6

СК 3,5/13,6

492

50

2

3,5

0,75

33

400

1,9

СК 4,5/13,6

50

2,25

4,5

0,75

39

1,9

СК 6/13,6

55

3

6

0,81

57

2

СК 8/13,6

55

4

8

0,81

84

500

2

11,2

СК 3,5/11,2

458

50

2

3,5

0,6

27

400

1,5

СК 4,5/11,2

50

2,25

4,5

0,6

32

1,5

СК 6/11,2

55

3

6

0,65

47

1,6

СК 8/11,2

55

4

8

0,65

69

500

1,6

12,8

ГК 4,5/12,8

480

50

2,25

4,5

0,7

72

400

1,7

ГК 6/12,8

50

3

6

0,7

90

1,7

ГК 8/12,8

55

4

8

0,75

136

1,9

ГК 10/12,8

55

5

10

0,75

164

1,9

13,6

ГК 4,5/13,6

492

50

2,25

4,5

0,75

77

400

1,9

ГК 6/13,6

50

3

6

0,75

96

1,9

ГК 8/13,6

55

4

8

0,81

145

2

ГК 10/13,6

55

5

10

0,81

174

2

11,2

ГК 4,5/11,2

458

50

2,25

4,5

0,6

64

400

1,5

ГК 6/11,2

50

3

6

0,6

79

1,5

ГК 8/11,2

55

4

8

0,65

120

1,6

ГК 10/11,2

55

5

10

0,65

145

1,6

Примечание. У опор, устанавливаемых в стаканные фундаменты, добавляется индекс ДС.

2. Опоры консольные двутавровые - струнобетонные (СД) и армированные прядями (ПД) (рис. 2)

Длина стойки L, м

Тип опоры

Размеры стойки, мм

Нормативный момент, тсм

Расход материала

Марка бетона

Вес стойки, т

а

б

Пята консоли

Условный обрез фундамента

Бетон, м3

Металл, кг

12,8

СД 4,5/12,8

600

280

2,25

4,5

0,71

40,0

400

1,8

СД 6/12,8

3

6

45,9

СД 8/12,8

4

8

53,9

СД 10/12,8

5

10

67,8

500

13,6

СД 4,5/13,6

620

285

2,25

4,5

0,77

42,5

400

1,9

СД 6/13,6

3

6

48,9

СД 8/13,6

4

8

57,2

СД 10/13,6

5

10

71,9

500

12,8

ПД 4,5/12,8

600

280

2,25

4,5

0,71

42,8

400

1,8

ПД 6/12,8

3

6

47,9

ПД 8/12,8

4

8

58,2

ПД 10/12,8

5

10

68,4

500

13,6

ПД 4,5/13,6

620

285

2,25

4,5

0,77

45,5

400

1,9

ПД 6/13,6

3

6

50,9

ПД 8/13,6

4

8

61,8

ПД 10/13,6

5

10

72,7

500

3. Расход материалов на анкерные опоры (рис. 3)

Тип опор

Опора

Анкер

Опорная плита

Всего

Бетон

Арматура

Бетон

Арматура

Бетон

Арматура

Бетон

Арматура

СК 8-40/12,8

0,75

78,9

0,84

82

0,04

1,2

1,63

162,1

СК 8-40/13,6

0,85

83,8

1,69

167,0

СК 8-40/11,2 ДС

0,65

69,3

1,53

152,5

ГК 8-40/12,8

0,75

136,1

0,84

82

0,04

1,2

1,63

219,3

ГК 8-40/13,6

0,81

144,5

1,69

227,7

ГК 8-40/11,2 ДС

0,65

119,9

1,53

203,1

СД 8-40/12,8

0,71

53,9

0,84

82

0,04

1,2

1,59

137,1

СД 8-40/13,6

0,77

57,2

1,65

140,4

ПД 8-40/12,8

0,71

58,2

0,84

82

0,04

1,2

1,59

141,4

ПД 8-40/13,6

0,77

61,8

1,65

145,0

Примечание. Фундаменты типа ДС и оттяжки в объемы работ не включены.

Рис. 1. Схема центрифугированной опоры

Рис. 2. Схема двутавровой опоры

Рис. 3. Конструкция железобетонного двутаврового анкера типа ДА

Рис. 4. Конструкция свайного фундамента типа ДС

4. Железобетонные лежни и опорные плиты

Основные показатели лежней и опорных плит

Наименование показателей

Лежни

Опорные плиты

тип I

тип II

тип III

тип IV

тип I

тип II

тип III

Размеры, м

1´0,5

1,8´0,5

1´0,5

1,8´0,5

D = 0,75

0,6´0,85

0,9´0,85

Объем бетона, м3

0,04

0,08

0,03

0,06

0,035

0,04

0,06

5. Железобетонные стаканные фундаменты двутаврового сечения типа ДС (рис. 4)

Типы фундаментов

Размеры фундаментов, мм

Для опор мощностью, тсм

Расход материала

Марка бетона

Вес фундамента, т

Бетон, м3

Металл, кг

L

а

в

при Ст.5

при Ст.25ГС

ДС 6/3-120

3000

1200

1200

35 - 6

0,77

67,7

58,5

400

1,6

ДС 6/3,5-120

3500

1200

1700

0,84

74,2

63,5

1,8

ДС 10/3,5-120

8 - 10

88,9

75,7

ДС 6/4-120

4000

1200

2200

3,5 - 6

0,91

80,8

68,6

1,9

ДС 10/4-120

8 - 10

97,6

82,6

ДС 6/4,5-120

4600

1200

2700

3,5 - 6

0,98

87,7

73,8

2,1

ДС 10/4,5-120

8 - 10

106,6

89,8


6. Условия установки центрифугированных опор длиной 13,6 м (рис. 5)

Допускаемые моментын) на уровне условного обреза фундамента (тсм)

Количество применяемых лежней

Опоры на насыпи

Опоры в выемке

Габарит, м

Г = 3,1

Г = 3,4

Г = 4,9

Направление действия нагрузки

к пути

к полю

к пути

к полю

к пути

к полю

Допускаемое давление на грунт кГс/см2

1

1,5

2

1

1,5

2

1

1,5

2

1

1,5

2

1

1,5

2

1

1,5

2

Высота насыпи или глубина выемки

До 1 м

Без лежней

9,7

13,8

-

6

8,5

12,4

8

11,3

16,4

5,4

7,7

11,1

8,6

12,2

-

7,9

11,3

-

1 - I

13,3

-

-

7,6

10,5

-

11,7

-

-

6,8

9,5

-

11,3

-

-

10,3

-

-

1 - II

-

-

-

-

-

-

-

-

-

8,1

-

-

-

-

-

-

-

-

От 1 до 2 м

Без лежней

8,5

12,1

-

4,4

6,3

9,1

7

10

14,5

4,1

5,8

8,4

9,6

13,7

-

9,5

-

-

1 - I

11,8

-

-

5,6

7,8

11,4

10,3

14,6

-

5,1

7,1

10,4

12,6

-

-

-

-

-

1 - II

-

-

-

6,5

9

-

12,4

-

-

6

8,5

-

-

-

-

-

-

-

Более 2 м

Без лежней

-

9,7

14

-

4,7

6,8

-

8,4

12,2

-

4,1

5,9

9,6

13,7

-

9,5

-

-

1 - I

-

13,7

-

-

5,7

8,3

-

12,4

-

-

5

7,4

12,6

-

-

-

-

-

1 - II

-

-

-

-

6,6

9,7

-

-

-

-

6

8,7

-

-

-

-

-

-

1 - II + 1 - I

-

-

-

-

8

-

-

-

-

-

7,3

10,6

-

-

-

-

-

-

Примечание. Допускаемые моменты для всех нераздельных опор подсчитаны при доле постоянной нагрузки в суммарной - 35 %. При других соотношениях нагрузок табличные значения моментов умножаются на коэффициенты:

Доля постоянной нагрузки, %                                  0               20            35              50            60              80                                                                                           100

Коэффициент........................................................... 1,35           1,12            1               0,9          0,85           0,75......................................................................................... 0,68

7. Условия установки центрифугированных опор длиной 12,8 м (рис. 6)

Допускаемые моментын) на уровне условного обреза фундамента cм)

Количество применяемых лежней

Габарит, м

Г £ 3,1 с присыпкой Г = 3,4

Г = 3,4

Г = 4,9

Г = 5,7

Направление действия нагрузки

к пути

к полю

к пути

к полю

к пути

к полю

к пути

к полю

Допускаемое давление на грунт, кГс/см2

1

1,5

2

1

1,5

2

1

1,5

2

1

1,5

2

1

1,5

2

1

1,5

2

1

1,5

2

1

1,5

2

Высота насыпи или глубина выемки

До 1 м

Без лежней

5,4

7,6

11,1

3,2

4,5

6,6

4,2

5,8

8,5

2,9

4,2

6,1

4,9

6,9

10,1

4,9

6,9

10,1

6,8

9,5

13,8

7,5

10,7

15,5

1 - I

7,7

10,7

-

4,2

5,8

8,7

6,2

8,5

12,4

4,0

5,4

7,8

6,6

9,2

13,2

6,6

9,3

13,3

8,5

12,1

-

9,7

-

-

1 - II

9,9

13,8

-

5,0

7,0

10,4

7,9

11,0

-

4,7

6,5

9,4

8,2

11,4

-

8,3

11,5

-

10,4

-

-

-

-

-

1 - II + 1 - I

12,2

-

-

6,2

8,6

-

9,8

13,8

-

5,8

8,0

11,7

10,2

14,3

-

10,2

-

-

12,8

-

-

-

-

-

2 - II + 1 - I

-

-

-

7,9

10,6

-

11,6

-

-

7,3

10,1

-

-

-

-

-

-

-

-

-

-

-

-

-

От 1 до 2 м

Без лежней

-

6,5

9,4

-

3,2

4,6

-

5,0

7,3

-

2,8

4,1

-

-

-

-

-

-

-

-

-

-

-

-

1 - I

-

9,1

13,3

-

4,1

6,0

-

7,3

10,6

-

3,7

5,3

-

-

-

-

-

-

-

-

-

-

-

-

1 - II

-

11,7

-

-

5,0

7,2

-

9,5

13,7

-

4,5

6,4

-

-

-

-

-

-

-

-

-

-

-

-

1 - II + 1 - I

-

-

-

-

6,1

9,0

-

11,9

-

-

5,5

8,0

-

-

-

-

-

-

-

-

-

-

-

-

2 - II + 1 - I

-

-

-

-

7,5

11,3

-

-

-

-

6,8

10,0

-

-

-

-

-

-

-

-

-

-

-

-

Более 2 м

Без лежней

-

5,4

7,7

-

2,6

3,9

-

4,2

6,1

-

2,2

3,2

5,1

7,3

10,7

5,3

7,6

11,1

То же, что и в выемках до 1 м

1 - I

-

7,5

10,9

-

3,4

5,0

-

6,1

8,9

-

2,8

4,1

7,0

9,8

14,0

7,3

10,2

-

1 - II

-

9,6

14,2

-

4,1

6,0

-

7,9

11,4

-

3,4

5,0

8,6

12,1

-

9,2

-

-

1 - II + 1 - I

-

12,0

-

-

5,1

7,5

-

9,9

14,4

-

4,2

6,2

10,8

-

-

11,2

-

-

2 - II + 1 - II

-

-

-

-

6,3

9,4

-

-

-

-

5,2

7,7

-

-

-

-

-

-

Примечание. Допускаемые моменты для всех нераздельных опор подсчитаны при доле постоянной нагрузки в суммарной - 35 %. При других соотношениях нагрузок табличные значения моментов умножаются на коэффициенты:

Доля постоянной нагрузки, %                                  0               20            35              50            60              80                                                                                           100

Коэффициент........................................................... 1,35           1,12            1               0,9          0,85           0,75......................................................................................... 0,68


Рис. 5. Схема установки центрифугированных опор длиной 13,6 м

Рис. 6. Схема установки центрифугированных опор длиной 12,8 м

Рис. 7. Схема установки центрифугированных опор длиной 11,2 м на фундаменте ДС


8. Условия установки центрифугированных опор длиной 11,2 м с фундаментами ДС (рис. 7)

Допускаемые моментын) на уровне обреза фундамента cм)

Длина фундамента L, м

Опоры на насыпи

Опоры в выемке

Габарит, м

Г £ 3,1 и с присыпкой Г = 3,1

Г = 3,4

Г = 4,9

Г = 5,7

Направление действия нагрузки

к пути

к полю

к пути

к полю

к пути

к полю

к пути

к полю

Допускаемое давление на грунт, кГс/смг

1

1,5

2

1

1,5

2

1

1,5

2

1

1,5

2

1

1,5

2

1

1,5

2

1

1,5

2

1

1,5

2

Высота насыпи или глубина выемки

До 1 м

3

4,8

6,3

8,8

2,9

3,9

5,4

3,7

4,9

6,9

2,5

3,5

4,7

4,4

6,1

8,5

4,5

6,1

8,5

6,8

9,3

13,3

8

11,2

>11,2

3,5

7,8

10,7

15,2

4,9

6,7

9,7

6,5

8,9

12,5

4,4

6,0

8,4

7,5

10,4

14,5

7,1

9,9

-

10,9

15,2

-

12,2

-

-

4

12,1

>12,1

-

7,8

10,7

-

10,3

14,2

-

7,1

9,7

> 9,7

11,6

>11,6

-

10,8

-

-

16,5

-

-

-

-

-

4,5

-

-

-

11,5

-

-

15,2

-

-

10,5

-

-

-

-

-

-

-

-

-

-

-

-

-

-

От 1 до 2 м

3

-

5,1

7,2

-

2,3

3,3

-

4,2

5,9

-

2,0

2,9

4,7

6,6

9,1

4,9

6,8

9,5

То же, что и в выемках высотой до 1 м

3,5

6,8

9,2

13,0

3,2

4,4

6,3

5,5

7,6

10,7

2,9

4,0

5,5

8,0

11,0

15,1

7,9

11,0

-

4

10,7

14,9

-

5,6

7,9

11,0

9,0

12,4

>12,4

5,1

7,1

9,9

12,3

-

-

11,4

-

-

4,5

16,4

-

-

8,7

12,1

-

14,7

-

-

8,0

11,1

-

-

-

-

-

-

-

Более 2 м

3

-

4,5

6,3

-

2,2

3,0

-

3,6

4,9

-

1,8

2,6

5,0

7,0

9,7

5,4

7,5

10,5

3,5

-

7,4

10,5

-

3,6

5,0

-

6,1

8,5

-

3,0

4,2

8,4

11,6

16,0

8,7

12,1

-

4

8,5

11,9

>11,9

4,1

5,7

8,2

7,6

10,4

14,8

3,6

5,0

7,1

13,0

-

-

13,1

-

-

4,5

14,2

-

-

6,4

9,0

13,0

12,8

-

-

5,7

7,8

11,3

-

-

-

-

-

-

Примечание. Закапываемые фундаменты устанавливаются на опорные плиты типа II. При установке фундаментов под анкерные опоры в грунтах с допускаемым давлением 1,5 и 2 кГс/см2 применяются плиты типа II, а при 1 кГс/см2 - типа III.

9. Условия установки двутавровых опор длиной 13,6 м (рис. 8)

Допускаемые моментын) на уровне условного обреза фундамента (тсм)

Количество применяемых лежней

Габарит, м

Г £ 3,1 м и с присыпкой Г = 3,4

Г = 3,4

Г = 4,9

Направление действия нагрузки

к пути

к полю

к пути

к полю

к пути

к полю

Допускаемое давление на грунт, кГс/см2

1

1,5

2

1

1,5

2

1

1,5

2

1

1,5

2

1

1,5

2

1

1,5

2

Высота насыпи или глубина выемки

До 1 м

Без лежней

8,3

12

17,8

5,2

7,5

11,2

6,8

9,9

14,8

4,7

6,8

10,2

7,6

11,1

16,4

6,9

10

14,9

1 - III

11

15,8

-

5,8

8,4

12,2

9,4

13,4

-

5,3

7,6

-

9,1

13

-

8,3

-

-

1 - IV

14,1

-

-

7

10

-

12

-

-

6,5

9,3

-

11,3

-

-

10,3

-

-

1 - IV + 1 - III

-

-

-

9,1

-

-

-

-

-

8,4

-

-

-

-

-

-

-

-

2 - IV + 1 - III

-

-

-

12,3

-

-

-

-

-

11,5

-

-

-

-

-

-

-

-

От 1 до 2 м

Без лежней

7,3

10,5

15,7

3,8

5,5

8,2

6,1

8,8

13,2

3,5

5,1

7,6

8,5

12,3

18,2

8,4

12,1

18

1 - III

9,7

14

-

4,4

6,3

9,2

8,2

11,8

-

4,0

5,8

8,6

10,2

-

-

10,1

-

-

1 - IV

12,5

-

-

5,2

7,5

-

10,6

-

-

4,9

7,1

10,3

12,6

-

-

-

-

-

1 - IV + 1 - III

-

-

-

6,8

9,8

-

14,4

-

-

6,3

9,2

-

-

-

-

-

-

-

2 - IV + 1 - III

-

-

-

9,2

-

-

-

-

-

8,7

-

-

-

-

-

-

-

-

Более 2 м

Без лежней

-

8,9

13,2

-

4,2

6,3

-

7,6

11,3

-

3,6

5,5

То же, что и в выемках от 1 до 2 м

1 - III

-

11,6

-

-

4,6

6,9

-

10,1

-

-

4,1

6,1

1 - IV

-

-

-

-

5,6

8,3

-

13

-

-

5,0

7,3

1 - IV + 1 - III

-

-

-

-

7,3

10,7

-

-

-

-

6,5

9,6

2 - IV + 1 - III

-

-

-

-

10,8

-

-

-

-

-

8,8

-

Примечания. 1. Анкерные опоры обязательно устанавливаются на опорных плитах. Опорные плиты типа I и II применяются в грунтах с допускаемым давлением 1,5 и 2 кГс/см2, типа III - при 1 кГс/см2.

2. Допускаемые моменты для всех нераздельных опор подсчитаны при доле постоянной нагрузки в суммарной - 35 %. При других соотношениях нагрузок табличные значения моментов умножаются на коэффициенты:

Доля постоянной нагрузки, %                                  0               20            35              50            60              80                                                                                           100

Коэффициент........................................................... 1,35           1,12            1               0,9          0,85           0,75......................................................................................... 0,68

10. Условия установки опор длиной 12,8 м (рис. 9)

Допускаемые моментын) на уровне условного обреза фундамента (тсм)

Количество применяемых лежней

Габарит, м

Г = 3,1 и с присыпкой Г = 3,4

Г = 3,4

Г = 4,9

Г = 5 - 7

Направление действия нагрузки

к пути

к полю

к пути

к полю

к пути

к полю

к пути

к полю

Допускаемое давление на грунт, кГс/см2

1

1,5

2

1

1,5

2

1

1,5

2

1

1,5

2

1

1,5

2

1

1,5

2

1

1,5

2

1

1,5

2

Высота насыпи или глубина выемки

До 1 м

Без лежней

4

5,8

8,5

2,5

3,6

5,2

3,2

4,6

6,8

2,1

3,1

4,7

3,7

5,4

8,0

3,6

5,2

7,7

5,7

8,2

12,2

6,4

9,3

13,8

1 - III

5,9

8,3

12,2

3,1

4,3

6,3

4,8

6,8

9,9

2,8

4

5,8

5

7,1

10,3

4,8

6,8

10

7

10,1

-

8

-

-

1 - IV

7,5

10,6

-

3,8

5,4

7,8

5,9

8,4

12,3

3,4

4,9

7

6,2

8,9

12,9

6,1

8,7

-

8,8

12,6

-

10,1

-

-

1 - IV + 1 - III

11

15,6

-

5,1

7,1

10,5

9,3

13,1

-

4,6

6,6

9,6

8,7

12,5

-

8,2

11,7

-

11,9

-

-

-

-

-

1 - IV + 1 - III

12,8

-

-

7,1

9,9

-

9,8

-

-

6,4

9

-

11,1

-

-

10,8

-

-

-

-

-

-

-

-

От 1 до 2 м

Без лежней

-

4,9

7,2

-

2,3

3,4

-

3,9

5,8

-

2,1

3,1

4,2

6,1

9

4,4

6,3

9,4

То же, что и в выемках до 1 м

1 - III

-

7,1

10,3

-

2,8

4,1

-

5,8

8,5

-

2,7

3,8

5,6

8

11,6

5,8

8,3

-

1 - IV

-

9

13,1

-

3,5

5,1

-

7,2

10,4

-

3,3

4,7

6,9

10

-

7,4

10,5

-

1 - IV + 1 - III

-

13,2

-

-

4,6

6,9

-

11,2

16,2

-

4,4

6,4

9,8

14

-

10

-

-

2 - IV + 1 - III

-

-

-

-

6,4

9,3

-

11,9

-

-

6

8,6

12,4

-

-

-

-

-

Более 2 м

Без лежней

 

3,9

5,8

-

2

2,9

-

3,2

4,6

-

1,6

2,4

То же, что и в выемках до 1 м

1 - III

-

5,7

8,3

-

2,4

3,5

-

4,7

6,8

-

2

2,9

1 - IV

-

7,3

10,6

-

2,9

4,3

-

5,8

8,4

-

2,5

3,6

1 - IV + 1 - III

-

10,7

15,6

-

3,9

5,8

-

9,0

13

-

3,3

4,9

2 - IV + 1 - III

-

12,4

-

-

5,4

7,8

-

9,5

-

-

4,5

6,6

Примечания. 1. Анкерные опоры устанавливаются на опорных плитах. Опорные плиты типа I и II применяются в грунтах с допускаемым давлением 1,5 и 2 кГс/см2, типа III - при 1 кГс/см2.

2. Допускаемые моменты для всех нераздельных опор подсчитаны при доле постоянной нагрузки в суммарной - 35 %. При других соотношениях нагрузок табличные значения моментов умножаются на коэффициенты:

Доля постоянной нагрузки, %                                  0               20            35              50            60              80                                                                                           100

Коэффициент........................................................... 1,35           1,12            1               0,9          0,85           0,75......................................................................................... 0,68


Рис. 8. Схема установки двутавровых опор длиной 13,6 м

Рис. 9. Схема установки двутавровых опор длиной 12,8 м

Приложение 6

СВАЙНЫЕ ФУНДАМЕНТЫ СТАНЦИОННЫХ ОПОР ГИБКИХ ПОПЕРЕЧИН

1. Характеристика ростверков по типовому проекту (инв. № 319)

Тип ростверка

Тип опоры

Высота ростверка h, мм

Размеры в плане, мм

Анкерные болты

Расход материалов

Вес ростверка, кг

База «К», мм

Количество на ростверк, шт.

Бетон, м3

Металл, кг*

П 45/15

45/15

400

2050´3500

1320

8 Æ 36

2,20

265

253

5,5

П 65/15

65/15

1320

8 Æ 42

298

287

П 65/20

65/20

1620

8 Æ 42

281

269

ПА 45/15

40 - 40/15; 45 - 25/15

500

1320

16 Æ 36

2,75

390

360

6,9

ПА 65/15

65 - 25/15

1320

16 Æ 36

407

397

ПА 45-65/15

45 - 25/15;

500

2850´3800

1320

16 Æ 36

3,8

485

9,5

65 - 25/15

П 105/20

105/20

1820

16 Æ 36

456

П 150/20

150/20

1820

16 Æ 42

527

* С учетом веса накладок для соединения свай с ростверком: в числителе - для 5 свай (для П 45/15; П 65/15; П 65/20) или 6 свай (для ПА 45/15; ПА 65/15), в знаменателе - для 4 свай.

2. Характеристика свай

Тип сваи

Длина Z, м

Вес, т

Расход материалов

Бетон М300, м3

Арматура, кг

С5-1

5

1,15

0,46

46,4

С6-1

6

1,38

0,55

55,2

С6-2

6

1,38

0,55

66,7

С8-2

8

1,83

0,73

86,0

С8-3

8

1,83

0,73

112,6

С10-2

10

2,27

0,91

98,6

С10-3

10

2,27

0,91

125,2

3. Расход материалов на соединение свай с ростверком (рис. 1)

Тип ростверка

Количество свай

Вариант стыка

Накладки

Объем раствора для омоноличивания, м2

Размеры металла, мм

Вес, кг

на 1 сваю

общий

на 1 сваю

общий

П 45/15; П 65/15; П 65/20

4

2

200´150´12

11,3 (4 шт.)

45,2

0,013

0,06

5

56,5

0,07

П 105/20; П 150/20; ПА 45 65/15

8

90,4

0,13

ПА 45/15

4

1

530´150´12

15 (2 шт.)

60

0,016

0,07

6

90

0,10

ПА 65/15

4

530´150´16

20 (2 шт.)

80

0,07

6

530´150´12

15 (2 шт.)

90

0,10

Рис. 1. Детали соединения свай с ростверком:

а - вариант № 1; б - вариант № 2

4. Выбор свай для промежуточных и анкерных опор при погружении в однородные грунты

Тип опор

Схема установки опор

Способы погружения свай

Забивка дизель-молотом

Погружение вибраторами

Грунты

Глины, суглинки мягкопластичные; супеси пластичные

Глины, суглинки тугопластичные; пески мелкие

Глины, суглинки супеси полутвердые; пески крупные и средней крупности

Глины, суглинки мягкопластичные; супеси пластичные

Глины, суглинки тугопластичные; пески мелкие

Глины, суглинки, супеси полутвердые, пески крупные и средней крупности

а) Для промежуточных опор

45

15

а

3 (С8-2)

2 (С6-1)

3 (С6-2)

2 (С6-2)

3 (С8-2)

2 (С6-1)

3 (С6-2)

2 (С6-2)

б, г, е

2 (С6-1)

2 (С6-1)

2 (С5-1)

2 (С5-1)

3 (С6-1)

2 (С6-1)

2 (С5-1)

2 (С5-1)

в, д

3 (С5-1)

2 (С5-1)

3 (С8-2)

2 (С6-1)

2 (С6-1)

2 (С6-1)

2 (С5-1)

2 (С5-1)

65

15

а

3 (С8-3)

2 (С6-1)

2 (С8-3)

2 (С6-1)

3 (С10-3)

2 (С8-2)

3 (С8-3)

2 (С6-1)

2 (С8-3)

2 (С6-1)

б, г, е

3 (С6-1)

2 (С6-1)

2 (С6-2)

2 (С6-2)

 

3 (С8-2)

2 (С6-1)

3 (С5-1)

2 (С5-1)

65

20

в, д

3 (С8-2)

2 (С6-1)

3 (С8-2)*

2 (С8-2)

3 (С6-1)

2 (С6-1)

2 (С6-2)

2 (С6-2)

105

20

а

4 (C10-2)

4 (С8-2)

4 (С8-2)

4 (С6-1)

4 (С6-2)

4 (С6-1)

4 (С10-2)

4 (С8-2)

4 (С8-2)

4 (С6-1)

4 (С6-2)*

4 (С6-1)

б, г, е

4 (С6-1)

4 (С6-1)

4 (С5-1)

4 (С5-1)

4 (С8-2)

4 (С8-2)

4 (С5-1)

4 (С5-1)

в, д

4 (С8-2)

4 (С8-2)

4 (С8-2)*

4 (С8-2)

4 (С6-1)

4 (С6-1)

4 (С5-1)

4 (С5-1)

150

20

а

-

4 (С8-3)

4 (С6-1)

-

4 (С10-3)

4 (С8-2)

4 (С8-3)

4 (С6-1)

б, г, е

4 (С8-2)

4 (С8-2)

4 (С6-1)

4 (С6-1)

4 (С5-1)

4 (С5-1)

4 (С10-2)

4 (С10-2)

4 (С8-2)

4 (С6-1)

4 (С6-1)

4 (С6-1)

в, д

4 (С10-2)

4 (С8-2)

4 (С8-2)

4 (С6-1)

4 (С10-2)

4 (С10-2)

4 (С8-2)

4 (С6-1)

4 (С6-1)*

4 (С6-1)

* При погружении растянутых свай вибраторами в глины длина их должна увеличиваться на 2 м.

б) Для анкерных опор

45 - 25

15

а

4 (С10-2)

4 (С8-2)

4 (С8-2)

4 (С6-1)

3 (С8-3)

3 (С6-1)

4 (С10-2)

4 (С8-2)

4 (С8-2)*

4 (С6-1)

4 (С8-2)

4 (С6-1)

б, г, е

4 (С8-2)

4 (С6-1)

2 (С8-2)

2 (С6-1)

2 (С6-2)

2 (С6-2)

4 (С8-2)*

4 (С6-1)

4 (С6-1)

4 (С6-1)

2 (С8-2)

2 (С6-1)

в, д

4 (С8-2)

4 (С6-1)

3 (С8-2)

3 (С6-1)

2 (С8-2)

2 (С6-1)

4 (С10-2)

4 (С8-2)

4 (С8-2)

4 (С6-1)

3 (С8-2)

3 (С6-1)

65 - 25

15

а

-

4 (С8-2)

4 (С6-1)

4 (С8-2)

4 (С6-1)

-

4 (С10-2)

4 (С8-2)

4 (С8-2)

4 (С6-1)

б, г, е

4 (С8-2)

4 (С6-1)

3 (С8-2)

3 (С6-1)

2 (С8-3)

2 (С6-1)

4 (С10-2)

4 (С8-2)

4 (С8-2)

4 (С6-1)

3 (С8-2)

3 (С6-1)

в, д

4 (С10-2)

4 (С8-2)

4 (С6-1)

4 (С6-1)

2 (С8-3)

2 (С6-1)

4 (С10-2)

4 (С10-2)

4 (С8-2)

4 (С6-1)

4 (С6-1)

4 (С6-1)

40 - 40

15

а

-

4 (С10-2)

4 (С8-2)

4 (С8-2)

4 (С6-1)

-

4 (С10-2)

4 (С8-2)

4 (С8-2)*

4 (С6-1)

б, г, е

4 (С10-2)

4 (С8-2)

4 (С6-1)

4 (С6-1)

2 (С8-3)

2 (С6-1)

4 (С10-2)

4 (С8-2)

4 (С8-2)

4 (С6-1)

3 (С8-3)*

3 (С6-1)

в, д

4 (С10-2)

4 (С8-2)

4 (С8-2)

4 (С6-1)

3 (С8-3)

3 (С6-1)

4 (С10-2)

4 (С8-2)

4 (С8-2)*

4 (С6-1)

4 (С8-2)

4 (С6-2)

* При погружении свай вибраторами в глину длина сваи должна увеличиваться на 2 м.

Примечание. В числителе приведены данные для растянутых свай, в знаменателе - для сжатых; цифры перед скобками показывают количество свай, в скобках - тип свай.

5. Журнал забивки свай фундамента опоры №                  

электрифицируемого участка____________________________________________

________________________ ж. д.________________ ст._______________________

Тип опоры_______________ Тип ростверка_______________ Тип свай__________

Тип оборудования, применяемого при забивке свай_________________________

______________________________________________________________________

Дата «_______ »______________________ 196 г.

№ свай

Время забивки, час, мин

Погружение от залога, см

Схема фундамента, примечание

 

 

 

 

Строительный мастер

6. Опоры на свайных фундаментах (рис. 2)

Рис. 2. Схема установки опор на свайные фундаменты:

а, в, д - ростверки над грунтом; б, г, е - ростверки на грунте


Приложение 7

БЛОЧНЫЕ ФУНДАМЕНТЫ СТАНЦИОННЫХ ОПОР ГИБКИХ ПОПЕРЕЧИН И ИНЖЕНЕРНО-ГЕОЛОГИЧЕСКИЕ ДАННЫЕ

1. Характеристика блоков типа Р (рис. 1 и 2)

Наименование геометрических размеров и показателей

Измеритель

Типы блоков

Р1-1

Р2-1

Р3-1

Р3-2

Р4-1

Р4-2

Р4-3

Р5-1

P5-2

Р5-3

Р6-1

Р6-2

Р7-1

Р7-2

Р7-3

Р8-1

Р8-2

Р9-1

Р10-1

L

см

300

350

400

400

450

450

450

450

470

470

а

²

145

145

145

160

180

160

190

240

180

210

b

²

265

265

265

325

395

265

345

395

395

395

с

²

65

65

65

80

100

80

80

100

100

100

т

²

40

40

40

40

40

40

55

70

40

55

п

²

69

69

69

69

134

69

109

134

134

134

d

²

40

40

40

55

55

55

55

55

55

55

Количество анкерных болтов на блок

шт.

4

4

4

4

4

4

8

4

4

8

4

8

4

8

8

4

8

8

8

Диаметр анкерных болтов

мм

36

36

36

42

36

42

36

36

42

36

42

42

42

36

42

42

36

36

36

Объем бетона блока (М-300)

м3

2,14

2,33

2,52

3,41

4,32

3,33

4,06

5,26

4,68

5,07

Объем бетона оголовка (М-150)

²

0,18

0,18

0,18

0,18

0,18

0,18

0,18

0,18

0,18

0,18

Объем бетона (всего)

м3

2,32

2,51

2,70

3,59

4,50

3,51

4,24

5,44

4,86

5,25

Вес арматуры

кг

131

152

162

211

218

252

257

251

284

308

243

256

306

313

438

363

310

310

353

Вес блока (без оголовка)

т

5,4

5,8

6,3

8,5

10,8

8,3

10,2

13,2

11,7

12,7

Примечание. Геометрические размеры и объем бетона блоков Р3, Р4, Р5, Р6, Р7 и Р8 одинаковые для первой, второй и третьей модификаций данных типоразмеров.

2. Привязка анкерных болтов блочных фундаментов

Анкерные болты

Единица измерения

Типы опор

Расстояние между болтами - К

см

102

132

132

162

182

182

102

132

162

Диаметр

мм

36

36

42

42

36

42

36

36

36

Количество на блок

шт.

4

4

4

4

8

8

8

8

8


Рис. 1. Общий вид блочного фундамента

Рис. 2. Соединение опор с блочным фундаментом

Рис. 3. Схемы установки блочных фундаментов:

а - на насыпи; б - в нулевых местах и выемках глубиной до 2 м; в - в выемках глубиной более 2 м; С - сжатый блок; Р - растянутый блок


3. Условия применения блочных фундаментов типа Р (рис. 3)

Типы опор

На насыпи Г £ 3,2 м

Насыпь Г = 3,3 - 4 м

Нулевые места выемки (независимо от глубины выемки)

без присыпки

с присыпкой

без присыпки

с присыпкой

Допускаемое давление на грунт, кГс/см2

1,5

2,0

1,5

2,0

1,0

1,5

2,0

Блоки

Р

С

Р

С

Р

С

Р

С

Р

С

Р

С

Р

С

Промежуточные направленные

МН 35/15-60

Р3-1

Р3-1

Р2-1

Р2-1

Р3-1

Р3-1

Р3-1

Р3-1

Р1-1

Р1-1

Р1-1

Р1-1

Р1-1

Р1-1

МН 35/15-60

Р4-1

Р3-1

Р3-1

Р3-1

Р5-1

Р2-1

Р3-1

Р2-1

Р5-1

Р1-1

Р3-1

Р1-1

Р3-1

Р4-1

Р2-1

Р2-1

Р1-1

Р1-1

МН 45/15-60

Р4-1

Р3-1

Р4-1

Р3-1

Р5-1

Р2-1

Р3-1

Р2-1

Р5-1

Р2-1

Р3-1

Р2-1

Р3-1

Р4-1

Р2-1

Р2-1

Р2-1

Р2-1

МН 65/15-60

Р7-1

Р3-2

Р6-1

Р3-2

Р7-1

Р3-2

Р6-1

Р3-2

Р8-1

Р4-2

Р6-1

Р4-2

Р8-1

Р3-2

Р6-1

Р3-2

Р4-2

Р5-2

Р4-2

Р4-2

Р3-2

Р3-2

МН 65/20-60

Р7-1

Р3-2

Р6-1

Р3-2

Р7-1

Р3-2

Р6-1

Р3-2

Р8-1

Р3-2

Р6-1

Р3-2

Р8-1

Р3-2

Р6-1

Р3-2

Р3-2

Р5-2

Р3-2

Р3-2

Р3-2

Р3-2

МН 85/20-60

Р8-1

Р4-2

Р6-1

Р4-2

Р7-1

Р3-2

Р6-1

Р3-2

Р8-1

Р4-2

Р6-1

Р4-2

Р8-1

Р3-2

Р6-1

Р3-2

Р4-2

Р5-2*

Р4-2

Р3-2*

Р3-2

Р3-2

МН 105/20-60

Р8-2

Р4-3

Р7-2

Р4-3

Р8-2

Р4-3

Р7-2

Р4-3

-

Р4-3

-

Р4-3

-

Р4-3

-

Р4-3

Р7-2

Р8-2

Р4-3

Р4-3

Р4-3

Р4-3

МН 150/20-60

-

Р7-3

-

Р7-3

-

Р7-3

- *

Р6-2

-

Р7-3

-

Р7-3

-

Р7-3

- *

Р6-2

Индивидуальный проект

Р7-3

Р7-3

Р7-3

Р6-2

Анкерные

Р9-1

Р9-1

Р9-1

Р9-1

-

Р5-3

-

Р5-3

-

Р4-3

-

Р4-3

Р9-1

Р9-1

Р5-3

Р5-3

Р4-3

Р4-3

Р10-1

Р10-1

Р9-1

Р9-1

-

Р5-3

-

Р5-3

-

Р5-3

-

Р5-3

Р10-1

Р10-1

Р5-3

Р5-3

Р4-3

Р4-3

Р9-1

Р9-1

Р9-1

Р9-1

-

Р5-3

-

Р5-3

-

Р4-3

-

Р4-3

Р9-1

Р9-1

Р5-3

Р5-3

Р4-3

Р4-3

**

Р4-1

Р4-1

Р4-1

Р4-1

Р5-1

Р5-1

Р5-1

Р5-1

Р5-1

Р5-1

Р3-1

Р3-1

Р3-1

Р3-1

***

Р10-1

Р10-1

Р10-1

Р10-1

-

Р5-3

-

Р5-3

-

Р5-3

-

Р5-3

Р10-1

Р10-1

Р5-3

Р5-3

Р5-3

Р5-3

* В основании обязательно устройство щебеночной подушки толщиной 20 см.

** При установке блоки разворачивают на 90°.

*** Опора может быть использована как угловая с моментом 40 - 40/15.


4. Инженерно-геологические данные фундаментов опор контактной сети

Допускаемое давление на грунт R, кГс/см2

(Допускаемое давление на грунты дается из расчета глубины заложения фундамента Н = 2 м)

а) Глинистые грунты - (не макропористые)

Наименование грунта

Коэффициент пористости e

Состояние грунта основания

твердое

пластичное

Супеси

0,5

3,0

3,0

0,7

2,5

2,0

Суглинки

0,5

3,0

2,5

0,7

2,5

1,8

1,0

2,0

1,0

Глины

0,5

6,0

4,0

0,6

5,0

3,0

0,8

3,0

2,0

1,1

2,5

1,0

б) Песчаные и крупнообломочные грунты

Наименование грунта

Состояние грунтов

плотные

средней плотности

Пески гравелистые и крупные, независимо от их влажности

4,5

3,5

Пески средней крупности, независимо от их влажности

3,5

2,5

Пески мелкие:

 

 

а) маловлажные

3,0

2,0

б) очень влажные и насыщенные водой

2,5

1,5

Пески пылеватые:

 

 

а) маловлажные

2,5

2,0

б) очень влажные

2,0

1,5

в) насыщенные водой

1,5

1,0

Щебенистый (галечниковый) с песчаным заполнением

-

6,0

Дресвяной (гравийный) из обломков изверженных пород

-

5,0

То же из обломков осадочных пород

-

3,0

в) Скальные грунты

Допускаемое давление на грунты скального основания, независимо от размеров и глубины заложения фундаментов, определяется по формуле:

R = KPн,

где   Рн - предел прочности на одноосное сжатие грунтов в водонасыщенном состоянии, кГс/см2;

        К - коэффициент однородности грунта, равный 0,17.

г) Насыпные грунты

Насыпные грунты, слагающие тело железнодорожных насыпей, независимо от их состава (пески, супеси, суглинки), могут служить основанием для опор контактной сети с допускаемым давлением R = 1,5 кГс/см2 при возрасте насыпей не менее 5 лет (условно).

Допускаемое давление на грунты, не предусмотренные пп. а, б, в и г, назначается в каждом отдельном случае после производства специальных исследований.

При глубине заложения фундаментов более 2 или менее 1,5 м допускаемое давление пересчитывается (см. таблицу).

Допускаемое давление на грунт на различной глубине (по формулам из НиТУ 127-55)

Глубина заложения подошвы фундамента, м

Допускаемое давление на грунт под подошвой фундамента при различных значениях допускаемого давления на глубине 2 м, кГс/см2

R = 1,0

R = 1,5

R = 2,0

R = 2,5

R = 3,0

1,0

0,83

1,25

1,67

2,08

2,49

1,2

0,90

1,34

1,79

2,24

2,69

1,4

0,96

1,44

1,92

2,41

2,88

1,5

1,00

1,50

2,00

2,50

3,00

2,0

1,00

1,50

2,00

2,50

3,00

2,2

1,06

1,57

2,07

2,57

3,07

2,4

1,13

1,63

2,14

2,64

3,14

2,6

1,19

1,70

2,20

2,71

3,22

2,8

1,26

1,76

2,27

2,78

3,29

3,0

1,32

1,83

2,34

2,85

3,36

3,2

1,38

1,90

1,41

2,92

3,43

3,4

1,45

1,96

2,48

2,99

3,50

3,6

1,51

2,03

2,54

3,05

3,58

3,8

1,58

2,09

2,61

3,13

3,65

4,0

1,64

2,16

2,68

3,20

3,72

4,2

1,70

2,23

2,75

3,27

3,79

4,4

1,77

2,29

2,82

3,34

3,86

4,6

1,83

2,36

2,88

3,41

3,94

4,8

1,90

2,42

2,95

3,48

4,01

5,0

1,96

2,49

3,02

3,55

4,58

Приложение 8

СТАЛЬНЫЕ СТАНЦИОННЫЕ ОПОРЫ ГИБКИХ ПОПЕРЕЧИН

Наименование опор

Обозначение опор

Вес опоры, кг

Примечание

Опоры гибких поперечин высотой 10 м, анкерные

832

Изготовляются из стали марки Ст. 3 мартеновской, по группе А

Консольные опоры высотой 13 м

567

Изготовляются из стали марки Ст. 3 мартеновской, по группе А

Опоры гибких поперечин высотой 15 м, промежуточные

715

Изготовляются из стали марки Ст. 3 мартеновской, по группе А

839

917

1116

Опоры гибких поперечин высотой 15 м, направленные

703

Изготовляются из стали марки Ст. 3 мартеновской, по группе А

816

Опоры гибких поперечин высотой 20 м, промежуточные (направленные)

1217

Изготовляются из стали марки 14Г2

1384

1608

1932

Опоры гибких поперечин высотой 20 м, промежуточные (направленные)

1340

Изготовляются из стали марки Ст. 3 мартеновской, по группе А

1535

1778

2197

Опоры гибких поперечин высотой 15 м, анкерные

1224

Изготовляются из стали марки Ст. 3 мартеновской, по группе А

1575

1124

Опоры гибких поперечин высотой 20 м, анкерные

1573

Изготовляются из стали марки Ст. 3 мартеновской, по группе А

Опоры гибких поперечин высотой 20 м, анкерные

1424

Изготовляются из стали 14Г2

Приложение 9

ЖЕСТКИЕ ПОПЕРЕЧИНЫ НА ЖЕЛЕЗОБЕТОННЫХ СТОЙКАХ

1. Объемы работ на две стойки (опоры) (см. рисунок)

Наименование конструкций

Нераздельные опоры с лежнями

Раздельные опоры на свайных фундаментах

Тип стойки

4,5

6,0

8,0

4,6

6,0

8,0

бетон, м3

металл, кг

бетон, м3

металл, кг

бетон, м3

металл, кг

бетон, м3

металл, кг

бетон, м3

металл, кг

бетон, м3

металл, кг

Количество лежней или тип свай

-

4-I (-)

- (-)

4-II (4-I)

4-I (-)

ДС 6/4,5-120

ДС 10/4,5-120

Железобетонные стойки опор

1,22

74,76

1,34

108,56

1,34

421,4

0,90

65,8

0,98

94,6

0,99

326,4

Железобетонные опорные плиты

0,04

2,42

0,04

2,42

0,04

2,42

-

-

-

-

-

-

Железобетонные сваи

-

-

-

-

-

-

1,96

175

1,96

175

1,96

215

Оголовки

0,06

40,9

0,06

40,9

0,06

40,9

0,06

40,9

0,06

40,9

0,06

40,9

Заглушки и омоноличивание опор

0,08

-

0,08

-

0,08

-

0,24

-

0,24

-

0,36

-

Итого без лежней

1,4

43,32

74,76

1,52

43,32

108,36

1,52

464,72

3,16

215,9

65,8

3,24

215,9

94,6

3,37

580,3

Примечание. Типы и количество лежней в скобках даны для нулевых мест и выемок.

Схемы жестких поперечин и расход металла:

L - длина поперечины; l - расстояние между стойками

2. Характеристика основных типов поперечин

Расчетная длина, м

Высота, м

Ширина, м

Длина, м

Несущая способность, тсм

Принятая маркировка поперечин

Примечание

30,5

0,79

0,50

0,90

24; 22

п 24/30,5

Без освещения

п 22/30,5

27,8

0,79

0,74

0,90

19; 22

п 19/27,8

С освещением

п 22/27,8

30,27

1,010

0,74

1,13

31; 25

п 31/30,3

То же

п 25/30,3

33,41

1,010

0,74

1,13

32; 28; 25

п 32/33,4

Без освещения и с освещением

п 28/33,4

п 25/33,4

35,40

1,14

0,74

1,18

36; 32; 28

п 36/35,4

То же

п 32/35,4

п 28/35,4

38,42

1,14

0,74

1,18

46; 36; 32

п 46/38,4

²

п 36/38,4

п 32/38,4

3. Длины применяемых поперечин

Тип поперечин (основных)

Расчетная длина основной поперечины, м

Допускаемая расчетная длина поперечины, м

при уменьшении количества панелей

при уменьшении количества панелей и с учетом изменения опирания поперечин в пределах крайних усиленных панелей, м

 

30,5

29,6

30,5 - 29,42

п 24/30,5;

28,7

29,6 - 28,52

п 22/30,5

27,8

28,6 - 27,62

 

27,8 - 26,72

п 22/27,8; п 19/27,8

27,8

 

27,8 - 26,72

п 31/30,3; п 25/30,3

30,27

29,14

30,27 - 29,39

28,01

29,14 - 28,26

 

28,01 - 27,13

п 32/33,4; п 28/33,4;

33,41

32,28

33,41 - 32,53

п 25/33,4

31,15

32,28 - 31,4

31,15 - 30,27

п 36/35,4; п 32/35,4;

35,4

34,22

35,4 - 34,48

п 28/35,4

34,22 - 33,3

п 46/38,4; п 36/38,4;

38,42

37,24

38,42 - 37,5

п 32/38,4

36,06

37,24 - 36,32

36,06 - 35,14

Приложение 10

ГЛАВНЕЙШИЕ МОНТАЖНЫЕ ДАННЫЕ ЦЕПНЫХ КОНТАКТНЫХ ПОДВЕСОК (рис. 1-10)

1. Номинальное натяжение несущих тросов компенсированной подвески

Несущий трос                                      М120       ПБСМ95        М95           ПБСМ70

Номинальное натяжение                   1800         1600               1700          1500

2. Схема средней анкеровки компенсированной подвески (см рис. 1)

Монтажная таблица

Длина пролета lо, м

Стрелы провеса F (см) и натяжения Т (кГс)

Температура воздуха при монтаже

- 10°

- 30°

-20°

-10°

+10°

+20°

+ 30°

+40°

40

Т

1000

860

740

680

685

505

440

400

370

Р

12

14

16

18

20

24

27

30

33

50

Т

1000

870

785

660

565

470

400

360

325

Р

19

22

25

28

33

40

47

52

57

60

Т

1000

880

770

640

535

440

370

320

285

Р

27

31

35

42

50

61

73

84

94

70

Т

1000

890

780

620

500

400

330

285

250

Р

37

41

47

59

73

92

111

129

140

3. Минимальные длины переходных пролетов lп на кривых при наибольших скоростях (рис. 2)

R, м

1500 и более

1200

1000

700

600

500

400

300

V, км/ч

160

150

135

115

105

95

85

75

lп, м

Схема I

-

43

40

19

38

36

35

33

Схема II

-

39

36

35

34

32

31

24

Рис. 1. Схема средней анкеровки компенсированной подвески:
1 - несущий трос цепной подвески; 2 - контактный провод цепной подвески; 3 - дополнительный трос средней анкеровки; lо - длина промежуточного пролета

Рис. 2. Схема переходного пролета цепной подвески с одним контактным проводом.

а) - при сопряжении с секционированием, б) - при сопряжении без секцинонирования; а - расстояние между струнами; lо - длина промежуточного пролета; lп - длина переходного пролета


Рис. 3. Перемещения фиксаторов и консолей в компенсированных подвесках:

а - при медных контактных проводах и медном несущем тросе (постоянный ток); б - при сталемедном несущем тросе (постоянный ток); в - в подвеске переменного тока с несущим тросом ПБСМ-70; L - расстояние от средней анкеровки, м; А - величина перемещения, мм; tср - средняя температура;


Рис. 4. Кривые зависимости стрел провеса от натяжения троса группового заземления (40, 50, 60 и 70 м - длины мачтовых пролетов):

а - для троса ПБСМ-60; б - для тросов ПБСМ-70 и С-70

Рис. 5. Наибольшие длины пролетов цепной подвески при различных радиусах кривых и разных скоростях ветра:

а - для подвески с одним контактным проводом МФ-85; б - для подвески с одним контактным проводом МФ-100; в - для цепной подвески с двойным контактным проводом 2МФ-100; г - для цепной подвески с двойным контактным проводом 2МФ-100, расположенной на насыпях высотой более 5 м; R - радиус кривой, м; l - длина пролета, м; V - скорость ветра, м/сек

Рис. 6. Длины пролетов цепной подвески на прямой в зависимости от зигзагов:

а - цепная подвеска с одним контактным проводом МФ-100 (гирлянда из 3-х изоляторов); б - цепная подвеска с двойным контактным проводом 2МФ-100; b - величина зигзага, см; l - длина пролетов, м

Рис. 7. Зависимость стрел провеса цепных подвесок (с рессорными струнами) от температуры:

а - цепной подвески с проводами ПБСМ70 + МФ-100; б - цепной подвески с проводами М-120 + 2МФ-100; F - стрела провеса, см; t - температура в градусах; lэ - длина эквивалентного пролета, м; Lр - длина рабочего пролета, м

Рис. 8. Кривые зависимости стрел провеса провода А-185 от температуры и длины эквивалентных пролетов lэ:

а - при натяжении в проводе 500 кг; б - при натяжении в проводе 900 кг; F - стрела провеса, см; Lр - длина рабочего пролета, м


Рис. 9. Схема провеса контактных проводов в промежуточном пролете:

а) - компенсированной подвески ПБСМ70 + 1МФ-100; б) - компенсированных подвесок М120 + 2МФ-100; М95 + 2МФ-100; ПБСМ95 + 2МФ-100 постоянного тока; а - расстояние между струнами, м; fн - стрела провеса контактного провода в середине пролета, мм (см. табл. 10)

Рис. 10. Секционные изоляторы:

а - переменного тока; б - трехпроводный секционный изолятор


Приложение 11

МЕХАНИЗМЫ И ПРИБОРЫ, ПРИМЕНЯЕМЫЕ ПРИ МОНТАЖЕ ОБОРУДОВАНИЯ ТЯГОВЫХ ПОДСТАНЦИЙ

1. Станок для забивки электродов заземления

Станок (рис. 1) состоит из тележки с площадкой, на которой расположены электродвигатель, редуктор и лебедка направляющих стоек из стальных труб. По направляющим скользит ударник (чугунная болванка весом 55 кг) верхнего барабана. На одном валу с редуктором установлен наматывающий барабан.

После установки станка над местом заглубления электрода, подсоединения электродвигателя к источнику питания и установки электрода в зажиме станка двигатель включают в работу и при помощи рычага включают подъемное устройство.

Ремень с закрепленным на нем ударником наматывают на нижний барабан, а через верхний барабан ударник поднимают вверх. После включения сцепления болванка, падая вниз, ударяет по верхней части электрода. Операцию повторяют до погружения электрода в грунт на требуемую глубину. Для забивки одного электрода в грунт третьей категории требуется около 10 мин.

Станок легко разбирается для перевозки вдоль траншеи. Управляет им один рабочий.

2. Крепление деталей и конструкций с помощью строительно-монтажного пистолета и дюбелей

Строительно-монтажный пистолет типа СМП-1 служит для забивки специальных крепежных деталей (дюбелей) в различные строительные основания - бетон, железобетон, кирпич, сталь. Его применение позволяет в 4 - 5 раз ускорить выполнение креплений электроконструкций. Пистолет состоит (рис. 2) из ствола с муфтой, корпуса с размещенным в нем ударно-спусковым механизмом и защелкой запирания, устройства ступенчатой блокировки безопасности кожуха с резиновой ручкой и предохранительной пробкой, сменных защитных наконечников, предохраняющих рабочих от осколков, и рукоятки. Сменные наконечники обычно имеют круглую форму, но в некоторых случаях такая форма затрудняет забивку дюбелей в требуемом месте, поэтому в наборе имеются 2 фасонных защитных наконечника.

Пистолет снабжен двумя сменными стволами диаметром 3 и 12 мм, каждый из которых применяют в зависимости от размеров забиваемых крепежных деталей.

Применяются дюбеля трех типов: а) с наружной резьбой; б) гвоздеобразный; в) с внутренней резьбой.

Дюбеля с наружной или внутренней резьбой забивают в кирпичные и бетонные стены или в стальные конструкции, после чего к ним крепят детали оборудования. В случае, если монтируемое изделие во время эксплуатации снимать не требуется, то оно закрепляется гвоздеобразными дюбелями.

Рис. 1. Станок для забивки электродов

В зависимости от назначения и веса закрепляемой детали, способа крепления и материала конструкции выпускаются дюбеля различных типов (табл. 1) и размеров.

К пистолету выпускаются патроны диаметром 12,5 мм, двенадцати типоразмеров: 3 группы В длиной 17,5 мм и 4 группы Г длиной 24 мм (табл. 2).

Патроны выбираются в зависимости от размеров забиваемых дюбелей и материала конструкции, в которую их забивают.

Рис. 2. Строительно-монтажный пистолет:

а - дюбель с наружной резьбой; б - гвоздеобразный дюбель; в - дюбель с внутренней резьбой; 1 - ударный механизм; 2 - ствол; 3 - рукоятка; 4 - наконечник; 5 - сменные наконечники; l1 - длина резьбы; l - часть дюбеля без резьбы; d - диаметр дюбеля; D - диаметр головки; М - метрическая резьба

Таблица 1

Размеры дюбелей к пистолету СМП-1 (см. рис. 2)

Для ствола калибром 8 мм

Для ствола калибром 12 мм

Номенклатурный №

d

D

М

l

l1

Номенклатурный №

d

D

М

l

l1

Дюбеля с наружной резьбой

1

4,5

-

5

60

20

5

8

-

10

45

25

2

5,5

-

5

60

20

6

8

 

10

65

25

3

5,5

-

8

45

25

7

8

-

10

50

40

4

5,5

-

8

65

25

8

8

-

12

45

25

23

4,5

-

5

20

20

9

8

-

12

65

25

24

5,5

-

8

20

20

26

8

-

10

25

20

25

5,5

-

8

25

25

27

8

-

10

35

40

-

-

-

-

-

-

28

8

-

12

30

25

Гвоздеобразные дюбеля

10

4,5

8

-

25

-

16

8

12

-

25

-

11

4,5

8

-

35

-

17

8

12

-

40

-

12

4,5

8

-

55

-

18

8

12

-

65

-

13

4,5

8

-

75

-

-

-

-

-

-

-

14

5,5

8

-

55

-

-

-

-

-

-

-

15

5,5

8

-

75

-

-

-

-

-

-

-

Дюбеля с внутренней резьбой

10

5,5

8

4

45

15

-

-

-

-

-

-

20

5,5

8

4

60

15

-

-

-

-

-

-

21

5,5

8

6

45

15

-

-

-

-

-

-

22

5,5

8

6

60

15

-

-

-

-

-

-

Таблица 2

Характеристика патронов к пистолету СМП-1

Группы патронов

Номера патронов

Ориентировочный вес зарядов, г

Цвет пыжей

В (для ствола калибром 8 мм)

1

0,3

Белый

2

0,35

Зеленый

3

0,4

Черный

4

0,45

Бурый

5

0,5

Желтый

6

0,55

Синий

7

0,6

Красный

8

0,7

Бордовый

Г (для ствола калибром 12 мм)

1

0,8

Белый

2

0,9

Зеленый

3

1

Черный

4

1,1

Синий

Дюбеля забивают следующим образом: нажав рукой на защелку, расположенную с левой стороны пистолета, открывают его; в ствол пистолета вводят дюбель с надетым на него полиэтиленовым наконечником; вставляют надлежащего размера патрон и закрывают пистолет резким поворотом ствола (глубину забивки дюбеля регулируют также установкой ограничительной шайбы), берут пистолет обеими руками: левой за кожух ствола и правой за рукоятку, большим пальцем левой руки нажимают на предохранительную кнопку, пистолет с силой прижимают к строительной конструкции, нажимая одновременно правой рукой на рукоятку, спусковым крючком производят выстрел. Выстрел разрешается производить только в защитных очках.

Рис. 3. Дюбель:

а - общий вид; б - шпилька, болт и винт; в - продольный разрез

Для работы с пистолетом рабочий должен быть специально обучен и иметь удостоверение, получаемое после сдачи испытания квалификационной комиссии.

Крепление с помощью дюбелей, так называемое безвмазочное, осуществляется следующим образом: подготавливают отверстия по диаметру и глубине, соответствующие размерам применяемых дюбелей, и в них ударами молотка забивают дюбеля так, чтобы их наружные торцы были в одной плоскости с краями отверстий. Затем винт, болт или шпильку пропускают через деталь крепления устанавливаемого изделия и ввинчивают в распорную гайку дюбеля до отказа.

Распорная гайка, перемещаясь в корпусе дюбеля, раздвигает его лепестки, вдавливая их в стенки гнезда, и создает, таким образом, самозаклинивание дюбеля в отверстии (рис. 3).

Дюбеля выпускаются различных размеров. Ниже приводятся типоразмеры дюбелей, выпускаемых Московским заводом электромонтажных инструментов треста «Электромонтажконструкция» (табл. 3). Помимо этого, можно использовать простые дюбеля типов Д6 и Д4 с наружной резьбой М6 и М4 и дюбеля в виде гвоздей с круглой шляпкой типа Г4, которые забиваются в опорную поверхность с помощью специальных оправок типа ОД-6, ОД-4 и ОГ-4.

Таблица 3

Характеристика дюбелей с распорной гайкой

Индекс дюбелей

Метизы для крепления изделий

Размеры, мм

Наибольшие допустимые усилия на выдергивание, кг

 

диаметр гильзы

длина гильзы

толщина закрепляемой детали

по бетону

по кирпичу

 

К-434

Винт М4´35

10

24

до 10

180

170

 

К-435

Винт М6´40

12

30

до 10

210

200

 

K-426/1

Болт М8´55

15

48

до 10

420

400

 

К-426/2

Болт М8´65

11 - 20

 

К-437/I

Болт М10´65

18

55

до 15

620

590

 

K-437/II

Болт М10´80

16 - 30

 

K-438/1

Болт M12´80

20

65

до 20

750

630

 

К-438/2

Болт М12´100

26

85

21 - 40

900

730

 

K-439/I

Болт М16´100

до 20

 

K-439/II

Болт М16´120

15

48

21 - 40

420

400

 

К-436/III

Шпилька М8´90

до 20

 

К-437/III

Шпилька М10´100

18

55

до 30

620

590

 

К-438/III

Шпилька М12´138

20

65

до 40

750

630

 

К-439/III

Шпилька М16´160

26

85

до 40

900

730

 

3. Жилоискатель типа ЖИ-30. Карманный искатель жил

У жилоискателя типа ЖИ-30 в качестве индикатора (указателя номера жилы) служит омметр (рис. 4), изготовленный из микроамперметра на 300 мка типа М-24. Его деления обозначены порядковыми номерами от 1 до 30. Второй частью прибора является магазин сопротивлений, состоящий из 30 сопротивлений различной величины, от каждого из которых сделан вывод к соответствующему зажиму. Зажимы обозначены порядковыми номерами.

Жилы кабеля находятся следующим образом: после разделки кабеля с обеих сторон концы всех жил зачищают до металлического блеска. На одном конце кабеля жилы его присоединяют к магазину сопротивлений в произвольном порядке. Этим самым каждой жиле присваивается номер и соответствующее сопротивление относительно земли или свинцовой оболочки кабеля.

Перед началом операции прозвонки проверяют нулевое положение стрелки омметра, соответствующее контрольной точке 30. Последовательно с микроамперметром включено углеродистое сопротивление типа ВС-05 на 1000 ом, которое вместе с микроамперметром шунтировано переменным сопротивлением типа СП-II на 15000 ом, служащим для компенсации падения напряжения в батарейке карманного фонаря типа КВС-0,5, питающей прибор. Этим переменным сопротивлением устанавливают стрелки микроамперметра на контрольную точку 30. Для замыкания зажимов прибора при контроле служит кнопка.

Соединив с другого конца кабеля зажим омметра, обозначенный знаком заземления (равно, как соответственно обозначенные зажимы магазина сопротивлений), с землей или металлической оболочкой кабеля, касаются поочередно каждой жилой кабеля к зажиму Ж прибора. При этом через прибор каждый раз будет протекать ток, величина которого будет зависеть от величины подключенного сопротивления, соответствующего определенной жиле, и стрелка прибора будет показывать номер жилы, которой прикоснулись к зажиму Ж. При помощи описанного прибора можно прозванивать одновременно до 30 жил при длине их до 3 км (см. рис. 4).

Для проверки правильности монтажа проводок в пределах панелей щитов, если эта проводка выполнена в два или более слоев, в коробах, жгутами и т.п., когда за направлением проводов непосредственно проследить невозможно, применяется карманный искатель, состоящий из сухого элемента от батарейки карманного фонаря и указательного блинкера (рис. 5).

Рис. 4. Жилоискатель:

1 - омметр (микроамперметр); 2 - магазин сопротивлений; 3 - сопротивления; 4 - сопротивление переменное; 5 - батарея от карманного фонаря; 6 - кнопка

Рис. 5. Карманный жилоискатель:

1 - элемент; 2 - блинкер; 3 - корпус; 4 - контакт; 5 - пластина; 6 - провод; 7 - зажим; 8 - выводы вилки для проверки цепи

Элемент и блинкер заключены в цилиндрический пластмассовый корпус. Один контакт элемента присоединен к зажиму блинкера, второй контакт замыкается свинцовой пластиной, к которой подсоединен провод. От второго зажима блинкера отходит провод. Провода оконцованы однополюсными вилками. Касаясь вилкой (см. рис. 5) концов проверяемой цепи, можно судить о правильности подсоединения.

Приложение 12

ХАРАКТЕРИСТИКА СТАЛЕАЛЮМИНИЕВЫХ ПРОВОДОВ НОРМАЛЬНОЙ ПРОЧНОСТИ

Марка провода

Число проволок алюминиевых

Диаметр стальных проволок, мм

Сечение провода, мм2

Расчетный диаметр, мм

Вес провода, кг/км

Строительная длина, м

алюминиевой части

стального сердечника

стального сердечника

провода в целом

АС-10

5´1,6

1´1,2

10,1

1,13

1,2

4,4

36

3000

АС-16

6´1,8

1´1,8

15,3

2,5

1,8

5,4

62

3000

АС-25

6´2,2

1´2,2

22,8

3,8

3,2

6,6

32

3000

АС-35

6´2,8

1´2,8

36,9

6,2

2,8

8,4

150

3000

АС-50

6´3,2

1´3,2

48,3

8

3,2

9,6

196

3000

АС-70

6´3,8

1´3,8

68

11,3

3,8

11,4

275

2000

АС-95

6´4,5

1´4,5

96,4

15,9

4,5

13,5

386

1500

АС-120

28´2,29

7´2

115

22

6

15,2

492

2000

АС-150

28´2,59

7´2,2

148

26,6

6,6

17

617

2000

АС-185

28´2,87

7´2,5

181

34,4

7,5

19

771

2000

АС-240

28´3,29

7´2,8

238

43,1

8,4

21,6

997

2000

Приложение 13

ТРАНСФОРМАТОРНОЕ (ИЗОЛЯЦИОННОЕ) МАСЛО

Нормы на изоляционное масло

Наименование показателя

Свежее масло по нормам (ГОСТ 982-56)

При сдаче в эксплуатацию по нормам ПУЭ

Кинематическая вязкость при 50 °С, не более, сек

9,6 (1,8 °Э)

9,6 (1,8 °Э)

То же при 20 °С, не более, сек

30 (4,2 °Э)

30 (4,2 °Э)

Температура вспышки, не ниже, °С

135

135

Температура застывания (см. примечание 7), не выше, °С

- 45

- 45

Наличие механических примесей

Отсутствие

Отсутствие

Содержание взвешенного угля

-

-

Зольность, не более, %

0,005

0,005

Наличие активной серы

-

-

Содержание летучих и нелетучих водорастворимых кислот на 1 г масла, мг КОН

0,005 (0,005 с присадкой ВТИ-1)

0,05 (0,08 с присадкой ВТИ-1)

Натровая проба в баллах, не более

2

2

Стабильность против окисления: кислотное число на 1 г масла, мг КОН

0,35 (0,2 с присадкой ВТИ-1)

0,35 (0,2 с присадкой ВТИ-1)

Содержание осадков, %

0,1 (0,05 с присадкой ВТИ-1)

0,1 (0,05 с присадкой ВТИ-1)

Электрическая прочность (в стандартном пробойнике), кв для аппаратов напряжением:

 

 

35 кв и выше

-

40

ниже 35 кв

-

30

Наличие водорастворимых кислот и щелочей

Отсутствие

0,005 кг КОН кислот на 1 г масла

Содержание воды

-

Отсутствие

Прозрачность при 5 °С

Прозрачно

Прозрачно

tgd, не более, %

 

 

при 20 °С

0,3

0,03

при 70 °С

2,5

2,5

Содержание присадок ВТИ-1, %

0,009 - 0,015

0,009 - 0,015

Примечания. 1. Испытания вновь полученного масла являются обязательными по всем пунктам. При вводе аппарата в эксплуатацию масло проверятся по пп. 4, 5, 9, 12, 13 и 14.

2. Электрическая прочность масла, хранящегося в таре, должна быть перед заливкой нa 5 - 10 кв выше приведенной для свежего масла.

3. Удельный вес масла при 20 °С должен быть не более 0,895.

4. Во избежание смешивания (на предприятиях, где применяется масло с температурой застывания - 45 °С) масло с температурой застывания - 35 °С применять не рекомендуется.

5. Масло подвергается очистке и сушке центрифугой или фильтр-прессом при обнаружении в нем механических примесей или при снижении его электрической прочности за счет попадания влаги (см. таблицу).

6. На трансформаторах мощностью 100 ква и выше для сохранения масла и удлинения его срока службы ставятся устройства для непрерывной регенерации (например, термосифонный фильтр).

7. Масло с температурой застывания - 35 °С применяется для выключателей, установленных снаружи или в неотапливаемых помещениях, где окружающая температура не бывает ниже - 20 °С, а масло с температурой застывания - 45 °С - где окружающая температуры может быть ниже - 20 °С. Для масла трансформаторов, реакторов и т.п. температура застывания не нормируется.

8. Содержание присадки ВТИ - в пределах 0,09 - 0,015 %.

9. Прочеркнутые показатели (тире) не нормируются.

Рекомендуемые аппараты для очистки и сушки изоляционного масла

Рекомендуемые аппараты и температура масла

Примеси, содержащиеся в масле

Уголь

Вода

Растворимый шлам, выпадающий при понижении температуры

Уголь и вода

Уголь и шлам (нерастворимый)

Вода и шлам (нерастворимый)

Уголь, вода и шлам

Рекомендуемый аппарат для очистки масла

ФП

ФП

Цкл

ФП

Последовательно Цкл и ФП

Цкл или последовательно с ФП

Цкл и ФП

Температура масла, входящего в маслоочистительный аппарат, °С

50 - 55

20 - 35

20 - 35

20 - 35

50 - 55

20 - 35

20 - 35

Примечания. 1. Приняты следующие обозначения: ФП - фильтр-пресс; Цкл - центрифуга с барабаном-кларифактором для удаления механических примесей.

2. В тех случаях, когда центрифуга и фильтр-пресс включаются последовательно, первым аппаратом (на входе масла), как правило, ставится центрифуга.

3. Температура масла при последовательной работе указана для центрифуги.

Отбор проб масла из трансформаторов

1. Для взятия пробы масла должны применяться стеклянные банки со стеклянными притертыми пробками. Для испытания на электрическую прочность отбирается не менее 0,5 л масла, а для сокращенного и полного испытания - не менее 1 л. Проба берется с максимальной тщательностью и аккуратностью.

2. Летом проба должна отбираться в сухую погоду, зимой - в морозную, без осадков при температуре масла не ниже 5 °С.

3. Проба масла берется из нижнего бокового крана (или специальной пробки) трансформатора.

4. Перед взятием пробы необходимо спустить через кран в ведро немного масла со дна бака (не менее 2 л), затем очистить кран от грязи чистыми тряпками, вновь спустить немного масла для промывки крана, далее промыть маслом из трансформатора банки и, наконец, взять пробу масла в банку, после чего немедленно ее закрыть пробкой.

5. Если банки с маслом вносятся с мороза в теплое помещение, то нельзя вскрывать их раньше, чем они примут температуру помещения, иначе масло увлажнится.

Приложение 14

ХАРАКТЕРИСТИКА ИЗМЕРИТЕЛЬНЫХ ТРАНСФОРМАТОРОВ

1. Технические данные основных измерительных трансформаторов тока

Тип трансформатора тока

Номинальное напряжение, кв

Номинальный первичный ток (от и до), а

Вес, кг

Размеры, мм

высота

по продольной оси

по поперечной оси

0,49-У-0,5

0,5

5 - 800

1,3 - 1,7

105

175, 200

135

ТКМ

0,5

50 - 800

1,7 - 2,3

104

130

160 - 225

ТНШ-1

0,5

750 - 7500

8,5 - 14

270

150

230

ТНШ-3

0,5

7500 - 15000

25 - 46

360

140

275

ТКБ-1

-

Первичный - 5, вторичный - 3,5

36

168

136

107

ТЗЛ

Испытательное 2 кв

-

3,5

183

135

146

ТПФМ

6,10

5 - 400

28 - 32

482

615 - 690

206

ТПФМУ

6,10

5 - 300

28 - 32

482

615 - 690

206

ТПОФ

10

600 - 1500

-

580 - 730

310

310

ТПШФ

10

2000 - 3000

-

620

436

466

ТПШФ20

20

6000

110

536

720

500

ТПОЛ-10-Р

10

600 - 1500

16

412

220

248

ТПОЛ-10-0,5/Р

10

600 - 1500

17

412

220

248

ТКЛ-10-Р

10

5 - 400

8,5

255

220

155

ТКЛ-10-0,5/Р

10

5 - 400

15

255

220

155

ТКЛУ-10-0,5/Р

10

5 - 100

15 - 17

220

190

155

ТПЛ-10-Р

10

5 - 400

9

213

400

180

ТПЛУ-10-Р/Р

10

10 - 100

17

213

400

180

ТФН

35

15 - 1000

Полный - 270, масла - 45

-

-

-

ТФНУ

35

15 - 600

-

-

-

ТФНД (двухсердечниковый)

35

15 - 2000

-

1030

520 - 600

520 - 624

ТФН-110 (двухсердечниковый)

110

50 - 600

Полный - 700, масла - 200

1840

656 - 860

700

ТФН-110 (трехсердечниковый)

110

75 - 2000

Полный - 950,

1840

-

740 - 860

масла - 350

2000

-

Примечания. 1. Для всех трансформаторов тока (ТТ) (кроме ТКБ, ТЗР и ТЗ) номинальный ток вторичных обмоток при номинальном токе первичной обмотки равен 5 а; ТТ может иметь одну или две вторичные обмотки.

2. Приняты следующие обозначения: Т - трансформатор тока; Н - низковольтный (у типа ТНШ); Ш - шинный; К - катушечный; Ф - с фарфоровой изоляцией; П - проходной; О - одновитковый; Н - для наружной установки (у типа ТФН); М - модернизированный (у ТТМ - малогабаритный); В - встроенный; Л - с литой изоляцией (из пластмассы); Р - обозначение сердечника; цифры 0,5; 1 и 3 - класс точности; числа 3, 6, 10, 35 и 110 - номинальное напряжение, кв: последнее число - номинальный ток, а (например, ТФНД-35-Д/0,5-750). Д и З - соответственно для дифференциальной и земляной защит; У - усиленный.

3. Для выключателей 35 кв и выше выпускаются встроенные трансформаторы тока типов ТВ и ТВД на номинальные первичные токи 50 - 2000 а.

2. Технические данные основных трансформаторов напряжения

Тип трансформатора напряжения

Номинальное напряжение, кв

Вес, кг

Размеры, мм

первичное

вторичное

полный

масла

высота

по продольной оси

по поперечной оси

НОС-0,5

0,38; 0,5

0,1

28

-

192

133

122

НТС-0,5

0,38; 0,5

0,1

20

-

282

340

132

НОСК-3

3

0,1

12,7

-

202

196

130

НОМ-6

3:6

0,1

23

5

355

Æ 275

Æ 275

НТМК-6-48

3:6

0,1

47,5

15

640

324

305

НТМИ-6

3:6

0,1; 0,1; 3

105

32

743

Æ 380

Æ 380

НОМ-10

10

0,1

36

7,3

495

Æ 315

Æ 315

НТМК-10

10

0,1

110

27

858

Æ 380

Æ 380

НТМИ-10

10

0,1; 0,1; 3

190

70

914

Æ 472

Æ 472

НОМ-35

35

0,1

248

75

1040

740

840

НОМ-35-54

35/

0,1/; 0,1; 3

200

67

1330

Æ 605

Æ 605

НКФ-110

110/

0,1

875

140

1830

728

780

Примечания. 1. Приняты следующие обозначения: Н - трансформатор напряжения; О - однофазный; С - сухой (без масла); Т - трехфазный; М - масляный; К - с компенсационной обмоткой; И - пятистержневой в фарфоровой рубашке; числа - номинальное напряжение; З - для сетей с изолированной нейтралью; знак Æ - диаметр бака.

2. Все трехфазные трансформаторы соединены в звезду по схеме Y0/Y = 12.

Приложение 15

НАИМЕНЬШИЕ ДОПУСТИМЫЕ ИЗОЛЯЦИОННЫЕ РАССТОЯНИЯ В СВЕТУ ДЛЯ ЗАКРЫТЫХ РУ (мм)

(см. рисунок)

Элементы закрытого РУ для иллюстрации наименьших допустимых расстояний в свету:

1 - шины; 2 - выключатель; 3 - сплошные ограждения; 4 - сетчатое ограждение; 5 - барьер; А, Б, В, Г, Д, Ж - изоляционные расстояния

Наименование расстояния

Номинальное напряжение установки, кв

1 - 3

6

10

20

35

110

От токоведущих частей до заземленных конструкций и частей зданий Аф-з

65

90

120

180

290

900

Между голыми токоведущими частями разных фаз Аф-ф

70

100

130

200

320

1000

От токоведущих частей до сплошных ограждений Б

95

120

150

210

320

930

От токоведущих частей до сетчатых ограждений В

165

190

220

280

390

1000

Между неогражденными токоведущими частями разных цепей Г

2000

2000

2000

2000

2200

2900

От неогражденных токоведущих частей до пола Д

2500

2500

2500

2700

2700

3400

От неогражденных линейных выводов из РУ до земли при отсутствии движения транспорта под выводами Ж (см. примечание 2)

4500

4500

4500

4750

4750

5500

Примечания. 1. Применение барьеров для ограждения токоведущих частей в открытых камерах не допускается.

2. При меньшем, чем указано в последней (нижней) строке, расстоянии от провода до земли территория под вводом должна быть ограждена в соответствии с правилами.

СОДЕРЖАНИЕ

Предисловие. 1

Раздел 1 Общие положения. 2

Раздел 2 Технология сооружения опор контактной сети. 2

2.1. Общие указания. 2

2.2. Погрузка, разгрузка и перевозка железобетонных опор на электрифицируемом участке. 6

2.3. Сооружение консольных (перегонных) опор «с пути». 9

2.4. Сооружение консольных (перегонных) опор «с поля». 18

2.5. Сооружение консольных опор комбинированным методом.. 22

2.6. Сооружение свайных железобетонных фундаментов под перегонные опоры.. 23

2.7. Сооружение железобетонных свайных фундаментов под станционные опоры гибких поперечин. 26

2.8. Сооружение блочных фундаментов станционных опор с механизированной разработкой котлованов. 31

2.9. Установка станционных опор гибких поперечин. 36

2.10. Сооружение железобетонных опор с жесткими поперечинами на станциях и перегонах. 37

Раздел 3 Технология сооружения тяговых подстанций. 42

3.1. Общие указания. 42

3.2. Порядок развертывания строительства. 43

3.3. Производство работ подготовительного периода. 48

3.4. Производство работ основного периода. 49

Раздел 4 Технология монтажа контактной подвески. 53

4.1. Общие указания. 53

4.2. Монтаж консолей. 54

4.3. Армирование жестких поперечин. 59

4.4. Монтаж и армирование гибких поперечин. 59

4.5. Монтаж проводов контактной сети на перегоне. 62

4.6. Регулировка контактной подвески на перегонах и монтаж сопряжений анкерных участков. 71

4.7. Монтаж несущих тросов контактной подвески на станциях. 76

4.8. Раскатка контактных проводов на станциях. 79

4.9. Регулировка контактной подвески на станциях и установка фиксаторов. 80

4.10. Монтаж усиливающих, отсасывающих, питающих проводов, проводов ДПР и ЛЭП-10 кв. 81

4.11. Монтаж устройств секционирования и воздушных стрелок. 82

4.12. Монтаж заземлений, разрядников и разъединителей. 85

4.13. Монтаж контактной подвески в искусственных сооружениях. 87

Раздел 5 Технология монтажа оборудования тяговых подстанций. 88

5.1. Общие указания. 88

5.2. Монтаж открытой части подстанции. 90

а) Установочные работы.. 90

б) Заземление. 91

в) Ошиновка открытого распределительного устройства. 92

г) Открытые распределительные устройства. 96

д) Монтаж РУ-27,5. 97

е) Демпфирующее устройство. 98

ж) Компенсирующее устройство. 98

з) Масляные выключатели. 98

и) Выключатели ВВН-110. 100

к) Выключатели ВВН-220. 103

л) Силовые и тяговые трансформаторы.. 105

м) Измерительные трансформаторы.. 107

н) Сушка трансформаторов под вакуумом.. 108

о) Отбраковка и монтаж фарфоровых изоляторов. 111

5.3. Монтаж закрытой части подстанции. 113

а) Заземление. 113

б) Освещение. 114

в) Монтаж шин. 116

г) Распределительные устройства на напряжение 6 - 10 кв. 121

д) Щит управления и распределительное устройство постоянного тока на напряжение 3,3 кв. 121

е) Ртутные выпрямители. 123

ж) Запаянный ртутный выпрямитель. 124

з) Аккумуляторная батарея. 128

и) Бетонный реактор. 131

к) Кабельные работы.. 131

Приложения:

1. Основные показатели расхода материалов и оборудования на 1 км эксплуатационной длины контактной сети электрифицируемых линий. 148

2. Технические характеристики основных машин, применяемых при электрификации железных дорог. 149

3. Схема комплектовочной базы.. 168

4. Габариты опорных конструкций и подвески. 169

5. Железобетонные опоры и фундаменты.. 170

6. Свайные фундаменты станционных опор гибких поперечин. 179

7. Блочные фундаменты станционных опор гибких поперечин и инженерно-геологические данные. 183

8. Стальные станционные опоры гибких поперечин. 187

9. Жесткие поперечины на железобетонных стойках. 188

10. Главнейшие монтажные данные цепных контактных подвесок. 189

11. Механизмы и приборы, применяемые при монтаже оборудования тяговых подстанций. 198

12. Характеристика сталеалюминиевых проводов нормальной прочности. 202

13. Трансформаторное (изоляционное) масло. 202

14. Характеристика измерительных трансформаторов. 204

15. Наименьшие допустимые изоляционные расстояния в свету для закрытых РУ.. 205

 



уроки по алготрейдингу на Python с нуля



Яндекс цитирования

   Copyright © 2008-2026 ,  www.infosait.ru

backtrader - уроки алготрейдинга на python