ИНФОСАЙТ.ру
Госты, стандарты, нормативы. В библиотеке 60000 документов. Регулярное обновление. Круглосуточный бесплатный доступ!
БИБЛИОТЕКА ГОСТОВ, СТАНДАРТОВ И НОРМАТИВОВ

:: АЛГОТРЕЙДИНГ ::


АЛГОТРЕЙДИНГ
шаг за шагом


БЕСПЛАТНЫЕ УРОКИ по созданию торговых роботов на PYTHON с нуля, шаг за шагом.


Минимальные знания на PYTHON.
Библиотеки BackTrader и Pandas, сигналы с Pine Script из TradingView.
Связка с брокерами, телеграм.
Создание простых интерфейсов.

 

Все документы, представленные в каталоге, не являются их официальным изданием и предназначены исключительно для ознакомительных целей. Электронные копии этих документов могут распространяться без всяких ограничений. Вы можете размещать информацию с этого сайта на любом другом сайте.


Министерство транспорта Российской Федерации
Департамент автомобильного транспорта

РУКОВОДСТВО
по организации и выполнению услуг
и работ по переводу на компримированный природный газ
автотранспортных средств, находящихся в эксплуатации

Руководящий документ
РД 03112194-1099-03

 

Взамен РТМ 200-РСФСР-12-0014-84

Срок действия с 01.07.2004 г.

РД 200-РСФСР-12-0227-88

до 01.07.2009 г.

РД 200-РСФСР-12-0045-85

 

РД 200-РСФСР-12-0052-85

 

Москва 2005

Настоящий руководящий документ, разработанный взамен РТМ 200-РСФСР-12-0014-84, РД 200-РСФСР-12-0227-88, РД 200-РСФСР-12-0045-85, РД 200-РСФСР-12-0052-85, касается организации перевода автотранспортных средств для работы на компримированном природном газе (КПГ) с учетом конструктивных решений газобаллонного оборудования (ГБО) нового поколения, организации процесса испытания газотопливных систем газобаллонных автомобилей, работающих на КПГ.

В документе изложены: общие положения и требования к организации перевода базовых АТС для работы на КПГ и испытания их газотопливных систем (ГТС); технические требования к АТС и ГБО, предъявляемые к ним при переоборудовании; правила приемки и выдачи АТС при переоборудовании; типовые технологии выполнения основных операций по установке ГБО на АТС и испытаний газотопливных систем; требования к квалификации персонала, выполняющего работы по переоборудованию и испытаниям газотопливных систем; вопросы безопасности при проведении работ по установке и испытаниям ГБО; требования к применяемому технологическому оборудованию, оснастке и инструменту.

Руководство предназначено для руководящих, инженерно-технических работников, обслуживающего персонала различных организаций, предприятий (фирм), занимающихся переводом АТС для работы на КПГ и испытаниями ГТС газобаллонных АТС.

Содержание

Принятые сокращения

Введение

1. ОБЩИЕ ПОЛОЖЕНИЯ

2. ОРГАНИЗАЦИЯ ПЕРЕВОДА АТС В ГБТС, РАБОТАЮЩИЕ НА КПГ, И ИСПЫТАНИЙ ГАЗОТОПЛИВНЫХ СИСТЕМ

2.1. Основные технологические операции процесса перевода АТС для работы на КПГ и испытаний газотопливных систем

2.2. Организация предприятия (пункта) по переводу АТС для работы на КПГ и испытаний газотопливных систем

2.3. Сертификация услуг, связанных с переводом АТС для работы на КПГ и испытаниями газотопливных систем

3. ТЕХНИЧЕСКИЕ ТРЕБОВАНИЯ К АВТОТРАНСПОРТНЫМ СРЕДСТВАМ ПРИ ПРИЕМКЕ НА УСТАНОВКУ ГБО, ВЫПУСКЕ ПОСЛЕ УСТАНОВКИ И УСТАНАВЛИВАЕМОМУ ГБО

3.1. Технические требования к автотранспортным средствам, сдаваемым на установку ГБО

3.2. Технические требования к газобаллонному оборудованию для КПГ, устанавливаемому на АТС

3.3. Технические требования к монтажу ГБО

3.4. Технические требования к автотранспортным средствам, выпускаемым после установки ГБО

4. ПРАВИЛА ПРИЕМКИ НА УСТАНОВКУ ГБО И ВЫДАЧИ ГБТС ПОСЛЕ УСТАНОВКИ ГБО И ИСПЫТАНИЙ ГТС. ПРИЕМО-СДАТОЧНАЯ ДОКУМЕНТАЦИЯ

5. ТИПОВАЯ ТЕХНОЛОГИЯ ВЫПОЛНЕНИЯ ОСНОВНЫХ ОПЕРАЦИЙ ПО УСТАНОВКЕ ГБО ДЛЯ КПГ НА ЛЕГКОВЫЕ, ГРУЗОВЫЕ АВТОМОБИЛИ И АВТОБУСЫ

6. ТИПОВАЯ ТЕХНОЛОГИЯ ВЫПОЛНЕНИЯ РАБОТ ПРИ ПРОВЕДЕНИИ ИСПЫТАНИЙ ГТС ГБТС

7. КОНСТРУКТИВНЫЕ ОСОБЕННОСТИ ГАЗОВОЙ АППАРАТУРЫ ДЛИ КОЗДПРИМИРОБАННОГО ПРИРОДНОГО ГАЗА

7.1. Компримированный природный газ как моторное топливо

7.2. Конструкция некоторых моделей газовой аппаратуры нового поколения и примерные схемы их монтажа на различные модели АТС

7.2.1. Автомобильная газовая топливная система «САГА-7»

7.2.2. Газовая аппаратура ОАО «Новогрудский завод газовой аппаратуры».

7.2.3. Инжекторное газобаллонное оборудование фирмы «Грико» и ОАО «Автогаз»

7.2.4. Газодизельная аппаратура ООО «МОБИЛГАЗ» (АО «КамАЗ»)

7.2.5. Газовая аппаратура Рязанского завода автомобильной аппаратуры

7.2.6. Газовая аппаратура ЗАО «Автосистема».

8. ОБОРУДОВАНИЕ, ОСНАСТКА И ИНСТРУМЕНТ, ПРИМЕНЯЕМЫЕ ПРИ ПЕРЕВОДЕ АТС ДЛЯ РАБОТЫ НА КПГ И ПРОВЕДЕНИИ ИСПЫТАНИЙ ГАЗОТОПЛИВНЫХ СИСТЕМ ГБТС

8.1. Требования к оснащенности приспособлениями, оснасткой, инструментом, специализированным оборудованием и контрольно-регулировочными стендами

8.2. Оборудование участка (станции) испытаний газотопливных систем ГБТС

9. ТРЕБОВАНИЯ К КВАЛИФИКАЦИИ ПЕРСОНАЛА, ВЫПОЛНЯЮЩЕГО РАБОТЫ ПО УСТАНОВКЕ ГБО, И ИСПЫТАНИЯМ ГАЗОТОПЛИВНЫХ СИСТЕМ ГБТС

10. ТЕХНИКА БЕЗОПАСНОСТИ ПРИ ПРОВЕДЕНИИ РАБОТ ПО ПЕРЕВОДУ АТС ДЛЯ РАБОТЫ НА КПГ И ИСПЫТАНИЯМ ГАЗОТОПЛИВНЫХ СИСТЕМ ГБТС

10.1. Общие положения

10.2. Требования безопасности при проведении работ по установке ГБО на АТС

10.3. Требования безопасности при проведении испытаний газотопливных систем ГБТС

11. НОРМАТИВНО-ТЕХНИЧЕСКАЯ ДОКУМЕНТАЦИЯ, РЕГЛАМЕНТИРУЮЩАЯ ПРОЦЕССЫ ПЕРЕВОДА АТС ДЛЯ РАБОТЫ НА КПГ И ИСПЫТАНИЙ ГАЗОТОПЛИВНЫХ СИСТЕМ

Приложение 1

Приложение 2

Приложение 3

Приложение 4

Приложение 5

Приложение 6

Приложение 7

Приложение 8

 

Принятые сокращения

АГНКС - автомобильная газонаполнительная компрессорная станция

АГТС - автомобильная газовая топливная система

АТС - автотранспортное средство

ГА - газовая аппаратура

ГБА - газобаллонный автомобиль

ГБО - газобаллонное оборудование

ГБТС - газобаллонное транспортное средство

ГТА - газотопливная аппаратура

ГТС - газотопливная система

ЗУ - заправочное устройство

КИП - контрольно-измерительные приборы

КПГ - компримированный природный газ

НТД - нормативно-техническая документация

НИИАТ - Научно-исследовательский институт автомобильного транспорта

ОГ - отработанный газ

ОСУ - орган сертификации услуг

ПАГЗ - передвижной автомобиль - газовый заправщик

ПГ - подогреватель газа

РВД - редуктор высокого давления

РНД - редуктор низкого давления

РПВД - редуктор-подогреватель высокого давления

ТНВД - топливный насос высокого давления

ТО - техническое обслуживание

ТР - текущий ремонт

ТУ - технические условия

ФГ - фильтр газовый

ЭБУ - электронный блок управления

ЭМК - электромагнитный клапан

Введение

Использование компримированного (сжатого) природного газа (КПГ) в качестве моторного топлива на транспорте и в сельском хозяйстве позволяет рациональнее использовать изменяющуюся в настоящее время инфраструктуру топливно-энергетического комплекса России:

- сократить потребление нефтяного топлива в условиях снижающейся добычи нефти;

- значительно ускорить решение проблемы защиты окружающей среды от вредных воздействий транспорта.

Из-за относительно быстрого роста в 1998-2002 гг. в крупных регионах Российской Федерации (Москва, Санкт-Петербург, Самара, Казань и др.) автомобильного парка доля выбросов загрязняющих веществ с отработанными газами от автомобильных двигателей резко возросла. В ряде мегаполисов она стала составлять от 70 до 85 % от общего числа вредных веществ, загрязняющих окружающую среду.

Один из радикальных методов уменьшения влияния автотранспорта на окружающую среду - перевод части транспортных средств на КПГ.

В 1994 г. в России эксплуатировалось более 42 тыс. автомобилей на КПГ. В стране создана сеть автомобильных газонаполнительных компрессорных станций (АГНКС), позволяющая заправлять ежесуточно компримированным газом более 170 тыс. автомобилей, что эквивалентно обслуживанию парка в 160-170 тыс. газобаллонных автомобилей.

В системе автотранспорта общего пользования в течение 1984 - 2000 гг. разработан и прошел апробацию комплект нормативно-технической документации по организации эксплуатации газобаллонных автомобилей на КПГ, переводу базовых моделей автомобилей в газобаллонные, освидетельствованию автомобильных баллонов для природного газа и т.д.

В 1995 - 2000 гг. перевод автомобильного транспорта на КПГ значительно замедлился по различным экономическим и социальным причинам. Минтранс РФ, РАО «Газпром» и другие ведомства, учитывая направленность развития топливно-энергетического комплекса России, принимают меры, направленные на расширение использования газомоторного топлива в различных отраслях народного хозяйства, в том числе и на автомобильном транспорте.

В настоящее время во многих регионах Российской Федерации приняты пли разрабатываются экологические программы и законодательные акты, предусматривающие значительное улучшение экологической обстановки в крупных городах за счет использования КПГ для автотранспортных средств.

В 1995-2001 гг. различными организациями и предприятиями России (АО «Автосистема», НПФ «САГА», АО «Завод им. Фрунзе», РЗАА, ООО «Грико» и др.) разработаны конструкции газобаллонной аппаратуры нового поколения для установки в условиях эксплуатации практически на все модели автомобилей и автобусов отечественного производства.

Нормативная документация по переоборудованию АТС для работы на КПГ, разработанная в 1984-1986 гг., морально и технически устарела и не соответствует современным требованиям.

Создание настоящего документа направлено на:

- проведение единой технической политики в области перевода базовых моделей автомобилей и автобусов для работы на КПГ и испытания их газотопливных систем в новых условиях хозяйствования;

- организацию процесса перевода АТС для работы на КПГ с учетом конструктивных решений газобаллонного оборудования (ГБО) нового поколения;

- организацию процесса испытания газотопливных систем газобаллонных автомобилей (ГБА), работающих на КПГ.

В соответствии с перечисленными выше задачами в Руководстве приведены:

- общие положения и требования к организации перевода базовых АТС для работы на КПГ и испытаний их газотопливных систем;

- технические требования к АТС и газобаллонному оборудованию, предъявляемые к ним при установке ГБО;

- правила приемки и выдачи АТС при проведении работ по установке ГБО;

- типовые технологии выполнения основных операций по установке ГБО на АТС и испытаниям газотопливных систем;

- конструктивные особенности некоторых моделей ГБО для КПГ и примерные схемы их монтажа на различные модели АТС;

- требования к оснащенности оборудованием и инструментом при проведении работ по установке ГБО и испытаниям газотопливных систем;

- требования к квалификации персонала, выполняющего работы по установке ГБО и испытаниям газотопливных систем;

- вопросы техники безопасности при проведении работ по установке ГБО и испытаниям газотопливных систем.

Изложенные в настоящем Руководстве требования, рекомендации, значения различных параметров, правила техники безопасности в части всего комплекса работ, связанных с переводом АТС для работы на КПГ и испытаниями газотопливных систем, распространяются на все предприятия и организации независимо от их организационно-правовых форм и форм собственности.

1. ОБЩИЕ ПОЛОЖЕНИЯ

1.1. Перевод автотранспортных средств на КПГ в Российской Федерации производится за счет выпуска автомобильными заводами новых газобаллонных АТС и переоборудования АТС, находящихся в эксплуатации, в ГБА.

1.2. Для перевода АТС, находящихся в эксплуатации, в газобаллонные предприятия и организации-изготовители ГБО поставляют по договорам или через торговые организации комплекты ГБО специализированным предприятиям (фирмам), выполняющим работы по установке ГБО на АТС.

1.3. Установку ГБО на АТС для работы на КПГ могут осуществлять предприятия и организации любой формы собственности, обязательно имеющие:

1.3.1. Соответствующую производственную базу, технологическое оборудование и аттестованный для выполнения этих работ рабочий и инженерно-технический персонал.

1.3.2. Сертификат, выданный аккредитованным органом сертификации услуг (ОСУ) по техническому обслуживанию (ТО) и текущему ремонту (ТР) АТС на право производства работ по переоборудованию автотранспортных средств в газобаллонные.

1.4. Испытания газотопливных систем питания ГБТС на КПГ включают два вида работ:

1.4.1. Испытания на герметичность и прочность соединений агрегатов и узлов оборудования (опрессовка).

1.4.2. Испытание на функционирование газотопливных систем питания при работе на КПГ и нефтяном топливе, включая и испытания на токсичность и дымность отработанных газов двигателей при работе на КПГ и нефтяном топливе.

1.5. Испытания газотопливных систем питания ГБТС могут производиться на специализированных испытательных станциях (пунктах) независимо от их формы собственности или на автомобильных АГНКС, имеющих:

1.5.1. Соответствующую производственную базу и технологическое, в том числе компрессорное, оборудование.

1.5.2. Сертификат, выданный специально аккредитованным органом ОСУ.

1.6. Работы по установке ГБО на базовые модели АТС и испытанию их газотопливных систем питания могут осуществляться как на едином технологическом комплексе, удовлетворяющем в совокупности требованиям п. 1.3 и 1.5, так и на различных производственных базах, каждая из которых удовлетворяет соответственно требованиям п. 1.3 или 1.5.

1.7. Предприятия, не отвечающие любому из требований п. 1.3 или п. 1.5, выполнять установку ГБО на АТС для работы на КПГ или испытание их газотопливных систем питания не имеют права.

1.8. Переводу АТС для работы на КПГ, соответствующем требованиям ГОСТ 27577-2000, могут подвергаться все АТС, находящиеся в эксплуатации, отечественные и зарубежные модели, включая легковые, грузовые, специализированные и специальные автомобили, городские и пригородные автобусы, автобусы общего и местного назначения, снабженные поршневыми двигателями с искровой системой зажигания или воспламенением от сжатия, прицепы и полуприцепы.

1.9. Настоящий документ предназначен для руководящих и инженерно-технических работников, рабочего персонала предприятий и организаций (фирм), осуществляющих перевод АТС для работы на КПГ.

2. ОРГАНИЗАЦИЯ ПЕРЕВОДА АТС В ГБТС, РАБОТАЮЩИЕ НА КПГ, И ИСПЫТАНИЙ ГАЗОТОПЛИВНЫХ СИСТЕМ

При организации перевода базовых АТС для работы на КПГ необходимо выполнить следующие мероприятия:

- создать пункт (участок) по переоборудованию и испытаниям газотопливных систем;

- организовать технологический процесс установки ГБО на АТС и испытаний газотопливных систем;

- провести сертификацию услуг, связанных с переводом АТС, для работы на КПГ;

- заключить договора на поставку ГБО с предприятиями-изготовителями или торгующими организациями;

- обучить (с получением соответствующего удостоверения) рабочий персонал работам по установке ГБО и испытаниям ГТС.

2.1. Основные технологические операции процесса перевода АТС для работы на КПГ и испытаний газотопливных систем

2.1.1. Процесс перевода АТС для работы на КПГ состоит из следующих основных этапов:

- приемка АТС для перевода на КПГ;

- подготовка АТС к установке ГБО;

- подготовка комплекта ГБО к установке на АТС;

- установка (монтаж) ГБО на АТС;

- испытания газотопливных систем переоборудованного ГБТС;

- оформление приемосдаточной документации и выдача ГБТС заказчику.

Каждый этап в отдельности состоит из следующих последовательных технологических операций:

2.1.2. Приемка АТС для перевода на КПГ включает в себя:

- проверку сопроводительной документации и комплектности АТС;

- мойку АТС;

- проверку технического состояния АТС и принятие решения о проведении установки ГБО;

- слив топлива и охлаждающей жидкости (при необходимости).

2.1.3. Подготовка АТС к установке ГБО состоит из следующих операций.

- демонтажные работы на АТС и в моторном отсеке;

- подготовка мест крепления газовой аппаратуры;

- подготовка мест крепления газовых баллонов.

Содержание работ по выполнению указанных операций зависит от типа АТС и мест размещения газовых баллонов и ГТА.

2.1.4.  Подготовка комплекта ГБО к установке на АТС включает в себя:

- проверку сопроводительной документации, комплектности и технического состояния агрегатов и узлов ГТА и газовых баллонов;

- сборку агрегатов и узлов ГТА и газовых баллонов.

2.1.5. Установка (монтаж) ГБО на АТС состоит из следующих основных операций:

- монтажные работы по установке деталей и узлов ГТА на двигателе и в моторном отсеке;

- монтаж газовых баллонов и деталей ГТА на раме (платформе) или кузове АТС, включая газовые трубопроводы высокого давления;

- установка дополнительного электрооборудования и контрольно-измерительных приборов;

- монтаж грузовой платформы (фургона, специального кузова или установки).

2.1.6. По окончании установки ГБО на АТС проверяют качество выполненных работ и оформляют часть приемо-сдаточной документации согласно требованиям, изложенным в разд. 4 и нормативно-технических документах, приведенных в разд. 11 настоящего документа, АТС, переведенное на КПГ, направляют на испытание газотопливных систем.

2.1.7. Испытания газотопливных систем (ГТС) питания ГБТС могут производиться:

- на специализированных станциях (пунктах) сжатым воздухом с последующим вакуумированием газобаллонного оборудования ГБТС или его дегазацией инертным (негорючим) газом;

- на АГНКС, КПГ с оставлением его в баллонах ГБТС при положительных результатах испытаний.

2.1.8. Испытания ГТС питания ГБТС на КПГ включают в себя следующие этапы:

- приемка ГБТС для проведения испытаний ГТС;

- испытания на герметичность и прочность соединений (далее - опрессовка) агрегатов и узлов ГБО;

- испытания на функционирование ГТС питания при работе на КПГ и нефтяном топливе, включая и испытания на токсичность и дымность (газодизельных ГБТС) отработавших газов двигателей при работе на КПГ и нефтяном топливе.

2.1.9. Испытания ГБО на герметичность и прочность соединений, составляющих ее агрегатов и узлов проводят:

- у всех АТС, переведенных в газобаллонные для работы на КПГ;

- у ГБТС, на которых произошла смена баллонов вследствие истечения срока их освидетельствования;

- у ГБТС, попавших в дорожно-транспортное происшествие и получивших повреждения, связанные с необходимостью демонтажа и последующего монтажа газовых баллонов, соединительных газопроводов, запорно-расходной и предохранительной аппаратуры;

- после ТО и ТР, если технические воздействия по некоторым причинам привели к потере герметичности газотопливной системы питания КПГ.

2.1.10. Приемка ГБТС для проведения испытаний ГТС состоит из следующих операций:

- проверка сопроводительной документации и технического состояния ГБТС;

- подготовка ГБТС к проведению испытаний.

2.1.11. Опрессовка агрегатов и узлов состоит из следующих работ:

- проверка внешней и внутренней герметичности соединений, узлов и агрегатов ГБО давлением 1,0 МПа (10 кгс /см2);

- проверка герметичности и работоспособности электромагнитного клапана (ЭМК) нефтяной системы питания ГБТС;

- вакуумирование баллонов или продувка инертным газом (при проведении испытания сжатым воздухом);

- проверка прочности резьбовых соединений газопроводов, агрегатов и узлов ГБО под давлением последовательно 2,5; 4,9; 9,8; 19,6 МПа.

2.1.12. Испытания ГТС питания ГБТС на функционирование включает в себя следующие операции:

- проверка работоспособности и регулировка двигателя на природном газе (проводится на АГНКС или от постороннего источника КПГ, в том числе от передвижного газозаправщика (ПАГЗ), поста аккумулирования газа и др.);

- испытание ГТС питания ГБТС с искровой системой зажигания на недопущение одновременной работы двигателя на КПГ и бензине;

- испытания системы питания газодизеля, исключающей одновременную работу двигательной установки на КПГ и неограниченной подачи дизельного топлива;

- испытания на функционирование системы переключения вида топлива;

- проверка содержания оксида углерода (СО) и углеводородов (СН) в отработанных газах (ОГ) двигателя при работе на газе и нефтяном топливе; у газодизельных двигателей - дополнительно - проверка содержания твердых частиц углерода (С) в ОГ (дымности) при работе на КПГ и дизтопливе.

2.1.13. Опрессовку газотопливной системы питания ГБТС и ее функционирование при работе на КПГ проводят по единой технологии согласно разд. 6 настоящего Руководства.

2.1.14. Проверка внешней и внутренней герметичности агрегатов и узлов ГБО и топливной аппаратуры на всех этапах испытаний осуществляют методом омыливания или с помощью специальных приборов - течеискателей.

2.1.15. Оформление результатов испытаний и приемосдаточной документации осуществляют в соответствии с требованиями, изложенными в разд. 4 настоящего документа и нормативно-технической документации, указанной в разд. 11.

2.1.16. Функциональная схема выполнения работ по переводу АТС для работы на КПГ и испытаний газотопливных систем приведена на рис. 2.1.

2.2. Организация предприятия (пункта) по переводу АТС для работы на КПГ и испытаний газотопливных систем

2.2.1. Назначение и размещение производства.

Рис. 2.1. Функциональная схема выполнения работ по переводу АТС для работы на КПГ и испытаниям ГТС

Предприятие (пункт) по переводу АТС для работы на КПГ должно состоять из следующих основных участков:

- участок по установке ГБО на АТС;

- участок по испытаниям газотопливных систем ГБТС;

- участок комплектации, подготовки, ремонта, проверки ГБО. Предприятие (для расширения - сферы оказания услуг) может

- организовать участок по ТО газобаллонного оборудования, на котором проводятся следующие виды работ:

- проверка состояния и крепления газовых баллонов:

- проверка герметичности и крепления вентильных устройств (запорно-расходной и наполнительной аппаратуры), проведение смазочных работ;

- проверка состояния и крепления газопроводов;

- проверка состояния и крепления теплообменных устройств и подводящих трубопроводов;

- обслуживание фильтрующего элемента магистрального фильтра;

- проверка состояния и технических характеристик газового редуктора высокого давления (РВД), включая газовый фильтр;

- регулировочные работы (на воздухе);

- проверка работоспособности дозирующих устройств;

- слив отстоя из редуктора низкого давления (РНД);

- проверка состояния, крепления и работоспособности смесительных клапанов;

- проверка состояния и работоспособности агрегатов и узлов систем питания АТС нефтяным - топливом и их функционирование при переводе двигателя на КПГ;

- проверка состояния и работоспособности системы электрооборудования АТС, связанной с применением КПГ;

- оформление документации, связанной с ТО газотопливных систем питания ГБТС.

2.2.2. Требования к планировочному решению производственного корпуса предприятия по переводу АТС для работы на КПГ.

Предприятия (в дальнейшем - пункты) по переводу АТС на КПГ могут создаваться как в помещениях новой постройки, так и на существующих производственных площадях действующего предприятия.

Основные производственные участки должны располагаться в производственном корпусе и должны быть оснащены необходимым технологическим оборудованием.

Мойка АТС и склад газовых баллонов могут быть организованы отдельно от производственного корпуса или примыкать к нему.

Высот помещения производственного корпуса - 7 м до выступающих строительных конструкций.

Рекомендуемое соотношение сторон участков: 6×3,6×9,6×12 м и т.д.

При выборе помещения для участка следует обратить внимание на необходимость обеспечения кран-балкой максимально отведенной для этой цели площади для осуществления перемещения баллонов, съем и установку кузовов грузовых АТС в процессе выполнения работ.

Наиболее предпочтительным является такое размещение участка в производственном корпусе, при котором, с одной стороны, было бы достигнуто максимальное естественное освещение (наличие оконных проемов), а с другой стороны - к участку примыкала бы проезжая часть для транспортировки баллонов и въезда (выезда) АТС.

При недостаточной естественной освещенности освещение производственной площади может быть компенсировано при помощи верхнего освещения через зенитные фонари.

При организации выхода из производственного помещения через внутренний коридор последний не должен иметь порогов и других препятствий, а ширина его должна обеспечивать свободную транспортировку баллонов.

Размещение основного технологического оборудования на площади участков должно быть предусмотрено в технологической последовательности выполнения различных видов работ.

Размещение оборудования и ширина проемов должны учитывать свободное перемещение крупногабаритных комплектующих (кузов, баллоны в сборе и т.д.) с помощью кран-балки и тележек на основном производственном участке, складе или площадке для временного хранения.

Изготовление и поставка основного технологического оборудования предусматриваются из существующего и серийного выпускаемого предприятиями ОАО «ГАРО» и другими организациями.

Остальное оборудование - инвентарь, стеллажи, верстаки, тележки и захваты - должно быть приобретено или изготовлено своими силами.

Установка ГБО должна производиться по монтажным чертежам заводов-изготовителей ГБО.

Доставка оборудования в помещение к месту монтажа должна производиться через наружный дверной проем шириной не менее 1,5 м или наружные ворота, имеющие габаритные размеры 4,5×4,2 м.

Участки должны включать в себя производственные площади для:

- установки ГБО на АТС;

- испытания ГТС и ТО газобаллонного оборудования ГБТС;

- комплектации, проверки и текущего ремонта газобаллонного оборудования;

- компрессорного оборудования с системой аккумулирования сжатого воздуха.

Административные помещения (для начальника производства, бухгалтерии, конторы и т.д.), а также бытовые помещения для рабочих в целях экономии основных производственных площадей рекомендуется расположить над производственными участками, организовав второй этаж (при общей высоте корпуса 7 м).

Примерная технологическая планировка пункта со специализированными производственными участками представлена на рис. 2.2.

Рис. 2.2. Примерное технологическое планировочное решение пункта по переводу АТС для работы на КПГ и испытаний ГТС

Экспликация участков и производственных помещений, входящих в состав пункта, и используемое технологическое оборудование приведены соответственно в табл. 2.1 и 2.2.

Таблица 2.1

Экспликация участков и помещений пункта по переводу АТС в газобаллонные и их техническому обслуживанию

№ по планировке

Наименование

Примерная производственная площадь, м2

А

Участок испытания ГТС и ТО ГБТС

72,0

Б

Участок комплектации, подготовки, ремонта, проверки ГБО

36,0

В

Компрессорный участок совместно с воздушным аккумулятором

24,0

Г

Участок по установке ГБО на АТС

126,0

Таблица 2.2

Технологическое оборудование пункта

№ п/п

Наименование технологического оборудования

Модель

Ед. изм.

Кол-во

1

2

3

4

5

А

Участок испытания ГТС и технического обслуживания ГБТС

1

Ящик с песком

-

шт.

1

2

Ящик с обтирочными концами

-

шт.

1

3

Установка для мойки агрегатов и узлов системы питания АТС

М-312

шт.

1

4

Пост для ТР газотопливного оборудования и газопроводов

Р-991

шт.

1

5

Установка для проверки и регулировки газотопливного оборудования

К-277 или стенд НПФ «САГА»

шт.

I

6

Тумбочка инструментальная и

-

шт.

1

специнструмент для ГБО

И-149

компл.

2

7

Стеллаж

-

шт.

3

8

ГБТС для испытания ГТС и ТО

-

шт.

1

Б

Участок комплектации, подготовки, ремонта и проверки ГБО

9

Кран-балка (Q = 1,0 т)

-

шт.

1

10

Стеллаж для ГБО

-

шт.

3

11

Тумбочка инструментальная, включая:

-

шт.

1

специнструмент

И-149

компл.

2

специнструмент

И-150

компл.

2

Приспособление для сборки крестовины

Н-703

шт.

2

12

Пост для текущего ремонта ГБО

Р-991

шт.

1

13

Стенд для проверки и регулировки газотопливного оборудования

ИС

шт.

1

(0,01÷0,04)

или К-278

14

Ящик с песком

-

шт.

1

15

Ящик с обтирочными концами

-

шт.

1

16

Установка для мойки агрегатов и узлов системы питания АТС и ГБТС

М-312

шт.

1

В

Компрессорный участок

17

Аккумулятор сжатого воздуха

-

шт.

1

18

Компрессорная установка

ВШВ-2,3/230

шт.

1

Г

Участок по установке ГБО на АТС

19

АТС для переоборудования в газобаллонный (легковой, грузовой автомобиль, автобус, специализированный автомобиль)

-

шт.

2

20

Приспособление для монтажа вентильных устройств

Н-701

шт.

1

21

Секция для сборки баллонов в пакет

-

шт.

1

-

Захват для транспортировки баллонов (на схеме не указан)

Н-709

шт.

2

-

Тележка для транспортировки баллонов для КПГ (на схеме не указана)

-

шт.

1

Участок испытания ГТС и ТО ГБТС отделен от других участков кирпичной или железобетонной перегородкой высотой 3,5 - 4,0 м и должен быть оборудован системой контроля загазованности среды (типа ГАЗ-1М или СГХ-10) и вытяжной вентиляцией, обеспечивающей однократный воздухообмен, при условии, что заезд ГБТС в зону участка будет осуществлен на одном баллоне при давлении в нем не выше 5,0 МПа. При заезде с давлением КПГ в баллонах выше 5,0 МПа требуется создание аварийной вентиляции, обеспечивающей соответствующую кратность воздухообмена.

Участки комплектации и проверки ГБО, переоборудования АТС совмещены между собой и в разделительных перегородках и в специальном оснащении не нуждаются.

Компрессорный участок располагается в отдельном (изолированном) помещении и включает в себя компрессорную установку (типа ВШВ 2.3/230), аккумулятор сжатого воздуха и вспомогательное оборудование (рабочее место оператора, КИП и др.)

Санитарно-бытовое обслуживание персонала пункта должно быть предусмотрено в специально организованных помещениях.

2.2.3. Инженерное обеспечение производства.

Обеспечение рабочего процесса, входящих в состав предприятия (пункта) производственных участков электроэнергией, теплом, водой и вентиляцией предусматривается от существующих источников питания с подключением по месту к инженерным сетям и коммуникациям действующего производства.

Участок питания ГТС и ТО ГБТС должен обеспечиваться подачей природного газа (от газовой сети, аккумулятора газа, передвижного газозаправщика).

Искусственное общее освещение помещения должно обеспечивать IV-б разряд зрительных работ с освещенностью не менее 200 лк при люминесцентном освещении и не менее 150 лк - при лампах накаливания.

В помещениях должны быть предусмотрены принудительно-вытяжная вентиляция, обеспечивающая трехкратный воздухообмен, а также естественная вытяжка.

Температура в помещении должна быть 16-18°С.

Все помещения участков, входящих в состав пункта, относятся к категории «В-2» по пожарной опасности и к «нормальному классу» - по правилам устройства электроустановок и осуществления каких-либо специальных противопожарных мероприятий не требуется.

Исключение составляет участок испытания ГТС и ТО ГБТС, помещение которого должно соответствовать требованиям нормативного документа «Требования пожарной безопасности для предприятий, эксплуатирующих автотранспортные средства на компримированном природном газе» (РД 3112199-1069-98).

2.2.4. Снабжение производства сжатым воздухом.

Технологическое оборудование участков для своего функционирования требует потребления сжатого воздуха двух параметров:

- низкого давления - 0,4-0,6 МПа;

- высокого давления - 20,0-22,0 МПа.

К потребителям сжатого воздуха низкого давления относится установка для монтажа вентильных устройств на баллоны.

Снабжение сжатым воздухом низкого давления предусматривается от сети воздухоснабжения действующего производства с подводом его к устанавливаемому технологическому оборудованию по временной схеме или от собственной компрессорной установки из аккумулятора сжатого воздуха высокого давления после его редуцирования до 0,6 МПа.

К потребителям сжатого воздуха высокого давления относятся:

- установка для проверки газотопливного оборудования (мод. К-277);

- стенд для проверки газотопливного оборудования (мод. типа ИС-001 илиК-278).

Снабжение сжатым воздухом высокого давления предусматривается от стационарной компрессорной установки (типа ВШВ 2.3/230) через аккумулятор сжатого воздуха.

В качестве аккумулятора сжатого воздуха высокого давления могут быть применены автомобильные газовые баллоны для КПГ в количестве не менее 20 шт., смонтированные на специальной раме-подставке и закрепленные к стене. Вентили баллонов должны быть соединены последовательно стальными трубками; к одному из них подключается выходной патрубок компрессора, а от конечного - к потребителю (напрямую или через редуцирующее устройство).

При эксплуатации компрессорной установки и аккумулятора со сжатым воздухом должны соблюдаться требования Госгортехнадзора РФ.

2.3. Сертификация услуг, связанных с переводом АТС для работы на КПГ и испытаниями газотопливных систем

Работы, связанные с переводом АТС в ГБТС для работы на КПГ, испытаниями газотопливных систем ГБТС, их ТО, ремонт газотопливного оборудования подлежат сертификации согласно правилам «Системы сертификации услуг по техническому обслуживанию и ремонту автотранспортных средств» (далее - Система).

Проведение работ по сертификации и выдаче сертификата соответствия осуществляют органы по сертификации услуг (ОСУ), аккредитованные в Системе.

Для получения сертификата на проведение указанных выше работ по переводу АТС для работы на КПГ согласно правилам Системы должны быть выполнены три основные требования:

- наличие и приспособленность производственно-технической базы (включая наличие технологического оборудования) к проведению технологического процесса по переводу АТС в газобаллонные, испытанию топливной системы питания на герметичность и надежность соединений газовых трубопроводов, проведению регулировочных работ;

- необходимой нормативно-технической документации;

- наличие квалифицированных рабочих кадров и ИТР. Работы по установке ГБО на АТС должны выполняться качественно и соответствовать требованиям нормативной документации.

3. ТЕХНИЧЕСКИЕ ТРЕБОВАНИЯ К АВТОТРАНСПОРТНЫМ СРЕДСТВАМ ПРИ ПРИЕМКЕ НА УСТАНОВКУ ГБО, ВЫПУСКЕ ПОСЛЕ УСТАНОВКИ И УСТАНАВЛИВАЕМОМУ ГБО

3.1. Технические требования к автотранспортным средствам, сдаваемым на установку ГБО

3.1.1. На установку ГБО принимаются находящиеся в эксплуатации АТС (согласно п. 1.8 настоящего Руководства) отечественного или зарубежного производства.

3.1.2. АТС, предназначенные для установки ГБО должны быть технически исправны, укомплектованы в соответствии с техническими условиями и документацией предприятия-изготовителя.

3.1.3. Перед сдачей на установку ГБО, АТС должны пройти ТО в полном объеме ТО-2, указанном в «Положении о техническом обслуживании и ремонте подвижного состава автомобильного транспорта» или в «Инструкции по эксплуатации ...» АТС данной модели или в сервисной книжке АТС.

3.1.4. Направляемые (принимаемые) на установку ГБО АТС должны удовлетворять следующим требованиям:

- наличие ремонтных воздействий (дополнительных сварочных швов, отверстий, накладок) в зонах крепления газовой аппаратуры и баллонов не допускается;

- двигатель АТС не должен иметь повышенных износов цилиндропоршневой группы и газораспределительного механизма, выходящих за пределы, определяемые техническими условиями предприятия-изготовителя;

- система искрового зажигания АТС должна быть в технически исправном состоянии;

- топливный насос высокого давления (ТНВД) у АТС с дизельными двигателями должен быть проверен и при необходимости отрегулирован на специальном стенде;

- форсунки у АТС с дизельным двигателем должны быть проверены на герметичность запорного корпуса, на величину давления начала подъема иглы, качество распыливания; при необходимости они должны быть отрегулированы или заменены.

Примечание: Результаты проверки и регулировки ТНВД и форсунок должны быть зафиксированы в специальном протоколе с указанием зафиксированных цифровых значений показателей, которые должны быть в пределах их нормативных величин.

3.1.5. Сдаваемое на установку ГБО АТС должно иметь запас топлива в топливном баке в количестве не менее:

- легковые автомобили и автобусы особого малого класса - 5 л;

- грузовые, специализированные автомобили полной массой до 10 т автобусы малого и среднего класса - 10 л;

- грузовые, специализированные автомобили полной массой более 10 т автобусы большого и особо большого класса - 15 л.

3.1.6. Автомобили, направляемые на установку ГБО, должны пройти мойку. Особенно тщательно должны быть вымыты места крепления ГБО (моторный отсек, багажник, рама автомобиля, днище кузова).

3.1.7. Система питания двигателей АТС, направляемых на установку ГБО, должна быть отрегулирована на показатели токсичности отработавших газов в соответствии с требованиями ГОСТ 17.2.2.03-87 - при работе на бензине и ГОСТ 21393-75 - при работе на дизельном топливе.

3.1.8. Направляемые на установку ГБО легковые автомобили должны удовлетворять следующим требованиям:

3.1.8.1. Кузов автомобиля не должен иметь сильной или сквозной коррозии, трещин и механических повреждений в местах крепления газобаллонного оборудования.

3.1.8.2. Пространство багажного отделения должно быть освобождено от предметов, не относящихся к комплектности автомобиля.

3.1.8.3. На установку ГБО принимаются легковые автомобили независимо от типа кузова при условии, что предприятие-изготовитель газобаллонного оборудования рекомендует в своих технических условиях (ТУ) установку его на эти автомобили с гарантией обеспечения отвода возможной утечки газа из зоны размещения газового баллона за пределы ГБТС.

3.1.9. Грузовые, специализированные и специальные автомобили и прицепы (полуприцепы) при сдаче на установку ГБО должны удовлетворять следующим требованиям:

3.1.9.1. Грузовые, специализированные и специальные автомобили и прицепы, имеющие деревянную платформу или фургон, не должны иметь поврежденных продольных и поперечных брусьев, досок пола.

Металлические платформы или фургоны не должны иметь механических повреждений в зоне крепления ГБО.

3.1.9.2. Рама автомобилей, прицепов (полуприцепов) не должна иметь трещин, ослаблений заклепочных соединений и механических повреждений в местах крепления ГБО.

3.1.9.3. Установленные на АТС специализированные установки и механизмы (фургоны, цистерны, машины коммунального хозяйства, самосвальные кузова и т.п.) должны соответствовать ТУ и конструкторской документации предприятий-изготовителей этих установок.

3.1.9.4. Конструкция прицепов и полуприцепов, направленных на установку ГБО, должна соответствовать конструкторской документации предприятия-изготовителя, особенно в зоне установки газовых баллонов.

3.1.10. Автобусы, направляемые на установку ГБО, должны удовлетворять следующим требованиям:

3.1.10.1. Автобусы, направляемые на установку ГБО, не должны находиться в ветхом состоянии. Система вентиляции должна быть в исправном состоянии и обеспечивать воздухообмен в салоне, предусмотренный ТУ завода-изготовителя.

3.1.10.2. Кузов автобуса, его несущий каркас, крыша и стойки не должны иметь трещин, механических повреждений, сквозной коррозии, особенно в местах крепления газотопливного оборудования и баллонов.

3.2. Технические требования к газобаллонному оборудованию для КПГ, устанавливаемому на АТС

3.2.1. ГБО, устанавливаемое на АТС, - это совокупность агрегатов и элементов, включая баллоны для хранения газа, соединительные трубопроводы, электрооборудование и электронные устройства, обеспечивающие работу АТС на КПГ.

ГБО должно соответствовать требованиям ОСТ 37.001.653-99, ОСТ 37.001.654-99, ОСТ 37.001.655-99, ОСТ 37.001.656-99, ОСТ 37.001.657-99, других действующих нормативных документов и конструкторской документации предприятия-изготовителя.

3.2.2. ГБО, устанавливаемое на АТС, должно иметь сертификат соответствия для данного типа АТС согласно требованиям ОСТ 37.001.653-99.

Применение на АТС несертифицированного ГБО не допускается.

3.2.3. Каждый баллон, устанавливаемый на АТС, независимо от их количества, должен иметь запорный вентиль, позволяющий отключать его (в случае необходимости) от газотопливной системы питания, в том числе при проведении ТО, ремонтных работ, хранении АТС в закрытом помещении и в других случаях.

3.2.4. Конструкция ГБО должна обеспечивать возможность подсоединения к отдельным устройствам контрольно-диагностического оборудования с целью их диагностики, регулировки и ТО, а также возможность подсоединения к агрегатам и узлам ГБО постороннего источника газа или воздуха (без заполнения газовых баллонов на ГБТС).

Газовые баллоны, входящие в состав ГБО для транспортных средств, эксплуатируемых на КПГ, должны соответствовать требованиям ГОСТ Р 51753-2001, ГОСТ 949-73, ГОСТ 9731-79, Правил ПБ 10-115-96.

3.2.5. Газовые баллоны для КПГ производства после 1 января 1996 г. должны иметь знак соответствия сертификату Российской Федерации по ГОСТ Р 50460.

Допускается использовать автомобильные баллоны для КПГ зарубежного производства, имеющие соответствующий сертификат, выданный (или подтвержденный) аккредитованным в Российской Федерации соответствующим органом.

3.2.6. Металлические части баллона для КПГ должны быть окрашены снаружи краской в соответствии с ТУ предприятия-изготовителя, стойкой к атмосферному воздействию и горюче-смазочным материалам.

3.2.7. Каждый баллон типа 1, 2, 3, 4 по ГОСТ Р 51753-2001 должен иметь паспорт, содержание которого приведено в приложении «А», указанного стандарта.

Паспорта на баллоны для КПГ должны быть приложены к технической документации ГБО, установленному на АТС.

3.2.8. Конструкция вентилей (баллонных или магистральных) должна обеспечивать их герметичность во всех положениях запорного устройства (клапана) и не должна допускать его самопроизвольного перемещения под действием любых вибраций, имеющих место на АТС.

3.2.9. Конструкция заправочного устройства для заправки баллонов КПГ для всех типов и моделей ГТА транспортных средств должна соответствовать требованиям ОСТ 37.001.657-99 и другой действующей нормативной документации.

Заправочное устройство должно иметь защитный колпачок для предотвращения загрязнения, а также устройство, предотвращающее выход газа из баллона при отсоединении заправочного шланга.

3.2.10. ГТА должна иметь запорно-предохранительные устройства, обеспечивающие автоматическое отключение подачи газа при внезапной остановке двигателя, в том числе при отключении бортовой системы электропитания ГБТС.

3.2.11. Все сигналы от срабатывания предохранительных устройств ГБО должны поступать на щиток приборов на рабочее место водителя и преобразовываться в звуковые или световые сигналы.

3.2.12. Металлические газопроводы должны изготавливаться из стальных или медных трубок. В случае использования бесшовных медных трубок газопровод должен иметь резиновую или пластмассовую защитную оплетку.

3.2.13. На наружную поверхность стальных трубопроводов высокого давления должно быть нанесено лакокрасочное покрытие красного цвета, стойкое к воздействию окружающей среды и горюче-смазочных материалов.

3.2.14. Соединительные газопроводы высокого давления должны иметь компенсационные витки для придания им эластичности при движении ГБТС и его маневрах, в том числе связанных с перекосом рамы, грузовой платформы, кузова.

3.2.15. Газобаллонное оборудование ГБТС, допускающих эксплуатацию как на КПГ, так и на нефтяном топливе, должно включать в себя переключатель на различные виды топлива и систему автоматической блокировки, исключающую продолжительную подачу (более 5 с) полных расходов обоих видов топлива (КПГ и нефтяного).

При переключении с одного вида топлива на другое допускается непродолжительное совмещение режимов подачи топлива.

Переключение работы двигателя с одного вида топлива на другой должно осуществляться с рабочего места водителя без остановки двигателя.

3.2.16. Конструкция ГБО должна обеспечивать надежный пуск двигателя транспортного средства на КПГ при температуре окружающего воздуха выше -5°С.

При температуре окружающей среды ниже -5°С допускается производить пуск двигателя ГБТС на нефтяном топливе (бензине или дизельном).

3.3. Технические требования к монтажу ГБО

3.3.1. Установка всех агрегатов и узлов газобаллонного оборудования на АТС должна быть произведена в соответствии с требованиями ТУ 152-12-007-99 (изм. №1 от 2000 г.), ОСТ 37.001.653-99, другой действующей нормативной и технической документации, разработанной предприятием-изготовителем (разработчиком) комплекта ГБО.

3.3.2. Способ крепления газовых баллонов для КПГ и их размещение на ГБТС должно осуществляться с соблюдением требований стандартов ГОСТ Р 51753-2001 и ОСТ 37.001.653-99 и конструкторской документации предприятий-изготовителей газовых баллонов и комплектов ГБО. Не допускается:

- крепление газовых баллонов с использованием стальных тросов;

- использовать сварку для присоединения крепежных деталей к корпусу баллона.

3.3.3. При установке газовых баллонов на крыше автобуса они должны быть закреплены в специальных ложементах и защищены специальным кожухом от прямых солнечных лучей и атмосферных осадков.

3.3.4. Запрещается устанавливать на транспортные средства баллоны для КПГ:

- не имеющие паспорта или с неразборчивыми паспортными данными, не соответствующие требованиям ГОСТ Р 51753-2001или требованиям ПБ 10-115-96;

- с истекшим сроком периодического освидетельствования;

- с неисправной расходно-запорно-наполнительной и предохранительной аппаратурой;

- с поврежденным корпусом (трещины, вмятины, коррозия, измененная форма);

не соответствующие требованиям окраски и надписей согласно правилам ПБ 10-115-96, ГОСТ Р 51753-2001 или ТУ предприятия-изготовителя;

- не соответствующие требованиям п. 3.2.5, 3.2.7 настоящего Руководства.

3.3.5. Баллоны для КПГ, бывшие в аварии, допускаются к эксплуатации только после внеочередного освидетельствования.

Ремонт баллонов или их самоосвидетельствование не допускается.

3.3.6. Размещение газопроводов, ГТА, ее отдельных агрегатов и узлов должно соответствовать требованиям ОСТ 37.001.653-99 и другой действующей нормативной документации.

3.3.7. Крепление агрегатов и узлов ГБО на ГБТС, включая и баллоны для КПГ, должно выдерживать перегрузки в соответствии с требованиями ОСТ 37.001.653-99 и другой действующей нормативной документации.

3.3.8. Заправочное устройство (ЗУ) должно размещаться на ГБТС таким образом, чтобы выполнялись следующие условия:

- подсоединение к ЗУ заправочного шланга заправочной колонки на газонаполнительной компрессорной станции либо от передвижного газозаправщика должно осуществляться за пределами транспортного средства;

- ЗУ не должно выступать за пределы кузова транспортного средства, на которое оно устанавливается, либо при ином размещении в конструкции должна быть предусмотрена эквивалентная защита ЗУ от повреждений;

- крепление ЗУ должно обеспечивать защиту от его проворачивания.

3.4. Технические требования к автотранспортным средствам, выпускаемым после установки ГБО

3.4.1. Газобаллонные автотранспортные средства после установки ГБО должны быть испытаны на герметичность и прочность соединений агрегатов и узлов ГТС питания под давлением до 19,6 МПа согласно порядку и методике, изложенным в разд. 6 настоящего Руководства.

3.4.2. При положительных результатах испытаний ГТС питания и ГБО на герметичность и прочность соединения, составляющих его узлов и агрегатов должна быть проведена регулировка работы ГТА ГБТС на КПГ в соответствии с инструкцией предприятия-изготовителя, в том числе и на токсичность отработавших газов двигательной установки согласно требованиям ГОСТ 17.2.02.06-99 (для ГБТС с искровой системой зажигания) и ГОСТ 21393 (для ГБТС с газодизельной системой питания).

3.4.3. ГБТС при выдаче заказчику после переоборудования должны иметь запас нефтяного топлива в топливном баке в объемах, установленных требованиями п. 3.1.5 настоящего документа, или запас КПГ в баллонах давлением не менее 5,0 МПа.

3.4.4. Узлы и детали АТС, снятые при установке ГБО, должны быть возвращены владельцу данного АТС.

3.4.5. К переведенному на КПГ АТС должна выдаваться инструкция (руководство) по эксплуатации данного ГБТС.

4. ПРАВИЛА ПРИЕМКИ НА УСТАНОВКУ ГБО И ВЫДАЧИ ГБТС ПОСЛЕ УСТАНОВКИ ГБО И ИСПЫТАНИЙ ГТС. ПРИЕМО-СДАТОЧНАЯ ДОКУМЕНТАЦИЯ

4.1. При сдаче (приемке) на установку ГБО АТС, принадлежащего предприятию, организации и т.д., независимо от их организационно-правовых форм и форм собственности, оформляется приемо-сдаточный акт формы 1а (Приложение 1).

Акт подписывается представителями предприятия (организации) заказчика и предприятия, осуществляющего установку ГБО («исполнителя работ»), и скрепляется печатью исполнителя.

Примечание: Для АТС с дизельным двигателем к акту прикладывается протокол проверки ТНВД и топливных форсунок в соответствии с требованиями п. 3.1.4 настоящего Руководства, подписанный представителем предприятия-заказчика.

4.2. При сдаче (приемке) АТС на переоборудование, находящегося в личной собственности, оформляется приемо-сдаточный акт формы 16 (Приложение 2).

Акт подписывается владельцем АТС и представителем предприятия, осуществляющего переоборудование АТС, и скрепляется печатью предприятия - исполнителя работ.

4.3. В приемосдаточном акте (формы 1а или 1б) указывается:

- модель АТС;

- государственный регистрационный знак;

- год выпуска, номер кузова (шасси) и двигателя;

- пробег АТС с начала эксплуатации;

- комплектация АТС;

- техническое состояние сдаваемого АТС (состояние рамы, кабины, платформы (пассажирского салона), двигателя, его систем питания и др. );

- предприятие, осуществляющее переоборудование АТС, его адрес и телефон, № сертификата на право производства работ по установке ГБО на АТС для КПГ согласно п. 1.3 настоящего Руководства;

- решение предприятия - исполнителя работ о принятии АТС на установку ГБО или мотивированном отказе (с указанием причин) в выполнении работ по установке ГБО (например, из-за несоответствия технического состояния АТС настоящим требованиям (конкретно каким) или по другим причинам).

4.4. Приемо-сдаточный акт (форма 1а или 1б) оформляется в двух экземплярах, один из которых остается на предприятии, производящем перевод АТС для работы на КПГ, второй - выдается владельцу АТС.

В случае отказа предприятия в приеме АТС на установку ГБО в акте приемки-сдачи делается соответствующая запись, а АТС возвращается владельцу.

4.5. Выдача ГБТС после установки ГБО представителю предприятия (организации и г.п.) или владельцу АТС производится представителем предприятия, производившим установку ГБО, и оформляется соответственно свидетельством формы 2а и 2б.

Формы этих свидетельств приведены в Приложении 3 и 4.

4.6. Свидетельства, выдаваемые представителю транспортного предприятия или владельцу ГБТС, должны содержать и результаты испытаний ГБО на герметичность и прочность соединений согласно разд. 6 настоящего Руководства, и результаты проверки работоспособности двигательной установки на КПГ и нефтяном топливе, регулировки газотопливной системы питания на токсичность отработанных газов согласно требованиям ГОСТ 17.2.02.06-99 (у ГБТС с искровой системой питания) или ГОСТ 21393 (у ГБТС с газодизельной системой питания).

Свидетельство формы 2а оформляется в четырех экземплярах:

- один экземпляр остается на предприятии, производившем установку и регулировку ГБО на его функционирование и проверку на токсичность ОГ;

- один экземпляр остается на предприятии (пункте) пли АГНКС, производившем испытания газобаллонного оборудования ГБТС на герметичность и опрессовку;

- два экземпляра выдаются представителю предприятия-заказчика или владельцу АТС для последующего представления в органы ГИБДД МВД РФ.

4.8. Прием ГБТС, переведенных для работы на КПГ, на опрессовку газобаллонного оборудования производят при наличии у заказчика (автовладельца) свидетельства формы 2а (Приложение 3).

Прием ГБТС, находящихся в эксплуатации, на опрессовку газобаллонного оборудования осуществляется при наличии технического паспорта на ГБТС и оформляется приемо-сдаточным актом формы 4а или 46 (Приложение 5, 6).

4.9. Выдача ГБТС после испытаний газотопливных систем питания заказчику производится с оформлением свидетельства формы 2б:

- переведенных для работы на КПГ ГБТС - свидетельство формы 2б оформляется в трех экземплярах;

- у ГБТС, находящихся в эксплуатации - свидетельства формы 2б оформляются в двух экземплярах.

Свидетельство формы 2б должно быть заверено печатью предприятия, проводившего испытания.

4.10. Один экземпляр свидетельства формы 2б остается на предприятии, проводившим испытание ГБТС, а другие выдаются заказчику:

- два экземпляра - представителю предприятия, проводившего перевод АТС для работы на КПГ;

- один экземпляр - автовладельцу ГБТС совместно с транспортным средством.

4.11. Полученные владельцем ГБТС свидетельства являются документами для органов ГИБДД МВД РФ при совершении регистрационных действий или при проведении периодических технических осмотров.

4.12. Формы актов и свидетельств, оформляемых при проведении перевода АТС для работы на КПГ и испытаний газотопливных систем питания, должны соответствовать требованиям ТУ-152-12-007-99.

5. ТИПОВАЯ ТЕХНОЛОГИЯ ВЫПОЛНЕНИЯ ОСНОВНЫХ ОПЕРАЦИЙ ПО УСТАНОВКЕ ГБО ДЛЯ КПГ НА ЛЕГКОВЫЕ, ГРУЗОВЫЕ АВТОМОБИЛИ И АВТОБУСЫ

Наименование и содержание работы

Квалификация исполнителя

Технические требования

Примечание

1

2

3

4

5.1. ПРИЕМКА АТС НА УСТАНОВКУ ГБО

Операция № 1. Проверка сопроводительной документации и комплектности АТС

1. Ознакомиться с сопроводительной документацией АТС, представленного для установки ГБО

Мастер специализированного участка по установке ГБО на АТС

АТС, сдаваемое на установку ГБО, должно иметь приемо-сдаточный акт формы 1а или 16 (см. Приложение 1 и 2 к настоящему Руководству). Приемо-сдаточный акт формы 1а оформляется и подписывается организацией - (юридическим лицом) собственником АТС и организацией, осуществляющей установку ГБО. Приемосдаточный акт формы 16 оформляется предприятием, осуществляющим установку ГБО, и подписывается владельцем АТС (физическим лицом) и предприятием, осуществляющим установку ГБО

Для АТС с дизельными двигателями к акту прилагается протокол проверки ТНВД и топливных форсунок, подписанный уполномоченными на это техническими работниками. Приемосдаточный акт оформляется в двух экз., один из которых передается собственнику или владельцу АТС. Форма акта должна соответствовать ТУ-152-12-007-99

2. Проверить комплектность АТС

Мастер специализированного участка по установке ГБО на АТС

АТС, сдаваемое на установку ГБО, должно быть укомплектовано в соответствии с ТУ предприятия-изготовителя

 

Операция № 2. Мойка АТС

1. Установить АТС на пост мойки

Водитель

Водитель должен иметь в удостоверении разрешение на управление данной категорией АТС

 

2. Произвести наружную мойку АТС

Оператор механизированной мойки или мойщик(ца) 3-го разряда(ручная мойка)

Тщательно должны быть вымыты рама и платформа грузового автомобиля, фургон или установка специализированного автомобиля, кузов легкового автомобиля или автобуса

Особенно тщательно должны быть вымыты места крепления ГБО

3. Произвести внутреннюю мойку АТС

Мойщик(ца) 3-го разряда (ручная мойка)

Должны быть вымыты двигатель и моторный отсек АТС, кабина грузового (специализированного) автомобиля, салон легкового автомобиля или автобуса, багажник легкового автомобиля

 

4. Перегнать АТС на пост проверки технического состояния

Водитель

 

 

Операция № 3. Проверка технического состояния АТС и принятие решения о проведении переоборудования

1. Установить АТС на пост проверки технического состояния

Водитель

 

 

2. Произвести внешний осмотр АТС:

Мастер участка и слесарь 4-го разряда

 

 

- у легковых автомобилей: моторный отсек, салон, багажник, днище

 

Кузов легкового автомобиля не должен иметь сильной ли сквозной коррозии, трещин и механических повреждений в местах крепления ГБО

Пространство багажного отделения должно быть освобождено от предметов, не относящихся к комплектности автомобиля. Наличие ремонтных воздействий (сварка, а кладки и т.п.) в зонах крепления ГБО не допускается

- у грузовых, специализированных автомобилей, прицепов и полуприцепов: раму, деревянную платформу или фургон, специализированную установку

 

Деревянная платформа или фургон не должны иметь повреждений продольных и оперенных брусьев, досок пола. Металлическая платформа и фургон не должны иметь механических повреждений в зоне крепления ГБО. Рама не должна иметь трещин, ослаблений заклепочных соединений и механических повреждений в тестах крепления ГБО

 

- у автобусов: кузов, несущий каркас, крышу, стойки

 

Кузов автобуса, его несущий каркас, крыша и стойки не должны иметь трещин, механических повреждений, сквозной коррозии в местах крепления ГТА и газовых баллонов

 

3. Проверить давление в конце сжатия в цилиндрах двигателя

Слесарь 4-го разряда

Двигатель не должен иметь повышенного износа цилиндро-поршневой группы и газораспределительного механизма выходящего за пределы, определяемые ТУ предприятия изготовителя

 

4. Завести двигатель и проверить его заботу на холостом ходу. После проверки заглушить двигатель

«-»

Наличие посторонних стуков в кривошипношатунном и газораспределительном механизмах не допускается. Система искрового зажигания и система питания нефтяным топливом должны быть в технически исправном состоянии

При проверке по возможности необходимо использовать стенд (прибор) типа «Мотортестер»

5. Принятие решения о проведении установки ГБО на АТС

Мастер участка установки ГБО

При установлении, что АТС технически исправно и соответствует требованиям нормативных документов, принимается решение о проведении установки ГБО. При отрицательных результатах - АТС возвращается заказчику

Результаты тех проверки заносят в приемо-сдаточный акт (форма 1а или 16), который подписывается представителем организации, осуществляющей установку ГБО, скрепляется печатью; один экземпляр акта передается заказчику

6. При положительном решении АТС направить на участок установки ГБО

 

 

 

5.2. ПОДГОТОВКА АТС К УСТАНОВКЕ ГБО

Операция № 4. Демонтажные работы на АТС и в моторном отсеке

1. Установить АТС на специализированный участок по установке ГБО для работы на КПГ

Водитель соответствующей категории

Перед установкой АТС на участок при необходимости (на открытой площадке) следует слить жидкость из системы охлаждения двигателя и жидкое топливо из системы питания

При сливе охлаждающей жидкости и нефтяного топлива АТС на участок установки ГБО устанавливается с помощью дополнительного транспортного средства

2. Выполнить демонтажные работы на двигателе и в моторном отсеке АТС

Слесарь 3-го и 4-го разряда, электрик 5-го разряда

Номенклатура выполнения работ по демонтажу деталей и узлов двигателя и его системы электрооборудования должна соответствовать требованиям нормативно-технической документации (НТД) изготовителя и разработчика ГТА

 

2.1. У АТС с бензиновыми двигателями следует снять:

 

Электрические провода должны быть отсоединены от аккумуляторной батареи

Аккумуляторную батарею снимают при расположении е в моторном отсеке

- воздушный фильтр с кронштейном крепления;

- фильтр тонкой очистки топлива(при его наличии);

- бензиновые трубки от насоса до карбюратора;

- карбюратор с прокладкой;

- аккумуляторную батарею, предварительно отсоединив провода;

- некоторые детали электрооборудования;

- узлы и агрегаты различных систем двигателя, затрудняющие процесс установки ГТА

2.2. У АТС с дизельными двигателями следует снять:

- топливный насос высокого давления;

- форсунки (при необходимости);

- компрессор;

- впускные коллекторы;

- радиатор (при необходимости);

- некоторые детали электрооборудования;

узлы и агрегаты систем двигателя, затрудняющие процесс установки ГТА

 

 

 

2.3. У инжекторных бензиновых автомобилей:

- снять воздушный фильтр;

- подготовить бензиновую систему к отключению поступления бензина в камеру сгорания

 

При подготовке инжекторных бензиновых АТС к переводу на КПГ следует строго руководствоваться рекомендациями разработчика и изготовителя ГБО

 

3. Произвести необходимые демонтажные работы по электрооборудованию в кабине (салоне) АТС

Электрик 5-го разряда

Выполнение работ должно соответствовать номенклатуре НТД изготовителя и разработчика ГТА

 

4. Выполнить следующие демонтажные работы

 

 

 

4.1. На легковых автомобилях:

- удалить запасное колесо из багажника автомобиля (кузов типа «седан»):

- снять защитный кожух багажного отделения (кузов типа «комби» или «универсал»)

Слесарь 3-го разряда

«-»

 

4.2. На грузовых (специализированных) автомобилях, прицепах

«-»

Выполнение работы должно соответствовать требованиям НТД изготовителя и разработчика ГТА

 

- демонтировать грузовую платформу, специализированный кузов или специальную установку;

- снять с них продольные брусья и поперечные балки, брызговики, угольники: и кронштейны крепления платформы к раме АТС;

- снять (при необходимости) держатель запасного колеса с рамы

 

 

 

4.3. На автобусе снять детали кузова, затрудняющие установку газотопливной аппаратуры

«-»

 

 

Операция № 5. Подготовка мест крепления ГТА на АТС

 

 

 

 

Просверлить отверстия необходимых размеров в моторном отсеке, кабине (салоне) АТС для болтов крепления узлов и деталей ГТА

Слесарь 3-го и 4-го разряда

Количество отверстий, их размеры и места расположения должны быть определены НТД предприятия-изготовителя и разработчика ГТА

Сверление производят электрической или пневматической дрелью

2. Зачистить просверленные отверстия и покрыть их краской

«-»

При окрашивании отверстий следует использовать быстросохнущие типы красок

 

Операция № 6. Подготовка мест крепления газовых баллонов

1. Просверлить отверстия необходимых размеров для болтов крепления кронштейнов или специальных рам, предназначенных для установки газовых баллонов на АТС:

 

Размеры, места расположения отверстий для болтов крепления кронштейнов и рам, предназначенных для установки газовых баллонов, должны быть определены НТД предприятия-изготовителя и разработчика ГТА

Монтажные размеры отверстий и их расположение должны быть указаны в инструкции изготовителя комплекта ГБО по установке его на АТС

- у легковых автомобилей - в багажном отделении;

- у грузовых и специализированных автомобилей - в продольных брусьях платформы (специальной установки) или раме;

- у автобусов - в крыше или других местах;

- у прицепов (полуприцепов) - в раме

 

 

 

2. Зачистить просверленные отверстия и покрыть их краской

Слесарь 3-го и 4-го разряда

Следует использовать быстросохнущие типы красок

 

5.3. ПОДГОТОВКА КОМПЛЕКТА ГКО К УСТАНОВКЕ НА АТС

Операция № 7. Проверка сопроводительной документации, комплектности и технического состояния агрегатов и узлов ГТА и газовых баллонов

1. Проверить сопроводительную документацию на комплект ГТА и газовые баллоны

Мастер участка установки ГБО, слесарь 4-го разряда

Сопроводительная документация на каждый комплект ГТА должна включать:

- упаковочный лист с полным перечнем деталей и узлов ГТА;

- копию сертификата соответствия проведения сертификации комплекта ГТА в соответствии с требованиями ГОСТа Р «Система сертификации механических транспортных средств и прицепов»;

- паспорт или ярлык на отдельные детали или узлы, в том числе получаемые предприятием-изготовителем комплекта ГТА по кооперации;

Основные детали и узлы комплекта ГТА на своей наружной поверхности или в сопроводительном ярлыке (паспорте) должны иметь знак соответствия сертификату РФ по ГОСТ Р 50460

 

 

- паспорта на газовые баллоны из композитных материалов и на стальные баллоны;

Содержание паспорта баллона должно соответствовать требованиям ГОСТ Р 51753-2001 и ПБ-10-115-96

 

 

- инструкцию по установке ГТА и баллонов на АТС соответствующей модели; -инструкцию по эксплуатации ГБО на АТС, переведенного для работы на КПГ

Инструкция по установке может выдаваться одна на десять комплектов ГТА

2. Проверить комплектность ГБО, предназначенного для установки на АТС

Мастер участка установки ГБО, слесарь 4-го разряда

количество деталей и узлов ГБО, входящих в комплект, должно соответствовать перечню, прилагаемому заводом (предприятием, фирмой) - изготовителем комплекта

 

3. Проверить техническое состояние деталей и узлов ГБО на специализированном оборудовании

Слесарь 5-го разряда

 

 

3.1. Газовый РВД:

-наружную герметичность;

-внутреннюю герметичность;

-давление срабатывания предохранительного клапана

 

Падение давления в течение 2 мин не допускается при входном давлении 19,6 МПа (200 кгс/см2)

 

3.2. Газовый РИД:

-давление газа впервой и второй ступени;

-герметичность разгрузочного устройства;

-работоспособность дозирующее-экономайзерного устройства

(при его наличии)

 

Давление газа по ступеням регламентируется техническими условиями на редуктор и в основном должно находиться в пределах:

- первая ступень - 0,05-0,22 МПа (0,5-2,2 кгс/см2);

- вторая ступень - 5,0 - 10,0 мм вод. ст.

При разрежении

(550±25) мм рт. ст. падение разрежения не более 10 мм рт. ст. в минуту. Регулировочные и контролируемые параметры должны быть приведены в ТУ предприятия изготовителя и паспорте редуктора

Дозирующее-экономайзерное устройство может быть выполнено в виде отдельного узла

3.3. Газовый смеситель (карбюратор-смеситель):

- состояние наружной поверхности;

- состояние регулировочных винтов (при их наличии)

 

Наружная поверхность не должна иметь механических повреждений и сильной коррозии. Регулировочные винты должны быть в исправном состоянии и легко перемещаться по своей резьбе

 

3.4. Подогреватель газа:

- герметичность газовой полости;

- герметичность водяной полости

 

Должна обеспечиваться в течение 2 мин при максимальном рабочем давлении в газовой полости. Должна обеспечиваться в течение 2 мин при давлении (0,25±0,025) МПа (2,5±0,25 кгс/см2)

Конструктивно может быть выполнен в отдельном агрегате или совмещен с РВД или РНД

3.5. Газовый фильтр с ЭМК:

- герметичность соединений фильтра и ЭМК;

- работоспособность ЭМК

 

Герметичность должна обеспечиваться при максимальном рабочем давлении в полости фильтра. ЭМК должен срабатывать при рабочем напряжении, предусмотренном конструкцией АТС, которое может находиться в пределах 10-12 В или 22-24 В

Конструктивно могут быть выполнены раздельно

3.6. Бензиновый ЭМК:

- герметичность соединений;

- работоспособность электромагнитного клапана

 

Герметичность должна обеспечиваться при давлении в полости клапана (0,2±0,01)МПа (2,0±0,1 кгс/см2). Клапан должен срабатывать при напряжении 10-12 В и давлении воздуха в полости клапана (0,2±0,01) МПа (2,0±0,1 кгс/см2)

 

3.7. Газовые баллоны для КПГ и их арматура:

- состояние резьбы горловины и вентилей; - состояние наружной поверхности, надписей и паспортных данных баллонов

 

Резьба горловины баллона и вентилей не должна иметь механических повреждений. Запорный клапан вентилей должен легко открываться и закрываться. Запрещается устанавливать на АТС баллоны:

- с истекшим сроком технического освидетельствования;

- с повреждением корпуса (трещины, вмятины, риски, коррозия);

- не соответствующие требованиям окраски и надписей с неисправной расходно-запорной, наполнительной и предохранительной аппаратурой

 

3.8. Газовые трубопроводы высокого давления:

- состояние наружной поверхности;

- герметичность соединений;

- состояние герметизирующих и защитных кожухов и датчиков сигнализаторов утечки газа (при их наличии)

 

Трубопроводы не должны иметь механических повреждений и коррозии. Наружная поверхность трубопроводов из легированной стали должна быть окрашена красной краской.

Трубопроводы должны обеспечивать герметичность и надежность соединений при максимальном рабочем давлении.

Герметизирующие кожухи должны быть гофрированы и не иметь внешних повреждений или сквозных отверстий. Защитный кожух должен быть гладким и не иметь разрывов и сквозных отверстий.

Датчик сигнализатора утечки газа должен иметь исправные клеммы подсоединения электропроводов

 

3.9. Газопроводы низкого давления (шланги и металлические трубопроводы): - герметичность соединений;

- надежность соединений

 

Герметичность и надежность соединений с деталями и узлами газотопливной аппаратуры должны обеспечиваться при максимальном рабочем давлении

 

3.10. ТНВД газодизеля:

- величина запальной дозы дизельного топлива;

- работоспособность механизма установки запальной дозы топлива

 

Запальная доза должна находиться в пределах, установленных техническими условиями предприятия-изготовителя. При установке переключателя вида топлива в положении «Газ» должен срабатывать механизм установки запальной дозы и открываться ЭМК подачи газа в ГТА двигателя

 

3.11. Форсунки газодизеля:

- давление начала впрыска;

- качество распыливания дизтоплива

 

Должно находиться в пределах 19,6-20,1 МПа (199-205 кгс/см2). Распыл должен быть туманообразным с равномерным выходом по поперечному сечению конуса из каждого сопла. Начало и конец впрыска должны быть четкими

 

3.12. Система управления, защиты и регулирования газодизеля. Работоспособность

 

Должна не допускать одновременной работы в дизельном и газодизельном режиме

 

3.13. Контрольно-измерительное оборудование и КИП (манометры, датчики давления, переключатели вида топлива и т.п.): работоспособность

 

Должны функционировать и обеспечивать контроль за работой ГТА

 

3.14. ГТА для перевода инжекторных бензиновых АТС на КПГ (реле выключения инжекторов, переключатель вида топлива, согласующий электронный блок, газовый редуктор и дозатор и т.п.): работоспособность

 

Должны находиться в рабочем состоянии и обеспечивать работу инжекторной системы АТС на КПГ

 

Операция № 8. Сборка агрегатов и узлов ГТА

1. Осуществить подборку агрегатов и узлов ГТА (газовых редукторов, подогревателя газа, газового фильтра, газового и бензинового электромагнитного клапана и т.п.)

Слесарь 4-го и 5-го разряда

В соответствии с перечнем деталей и узлов комплекта ГТА и требованиями инструкции по установке ГБО на АТС

 

1.1. Снять защитные колпачки с отверстий (штуцеров) агрегатов и узлов ГТА и установить необходимые штуцеры и переходники, кронштейны крепления

 

 

 

1.2. Установить ниппельные соединения на газовые трубопроводы высокого давления. Установить герметизирующие и защитные кожухи, сигнализаторы утечки газа на трубопроводы высокого давления

 

Уплотнительные кольца беспрокладочных ниппельных соединений должны устанавливаться на расстоянии 1,5-2,0 мм от концов трубопроводов.

Уплотнительные соединения других типов собирают в соответствии с рекомендациями изготовителя ГТА.

Герметизирующие кожухи должны быть гофрированными. Медные трубопроводы должны иметь защитный кожух

Установку уплотнительных колец на газовые трубопроводы осуществляют специальным приспособлением

1.3. Произвести подбор деталей и узлов ГТА по группам для установки на двигатель, кабину (салон), раму и т.п.

 

Подбор деталей и узлов по группам установки их на АТС должен осуществляться в соответствии с требованиями инструкции по монтажу ГТА предприятия-изготовителя комплекта ГБО

 

2. Установить на газовые баллоны вентили и переходники

 

 

 

2.1. Смазать резьбовые соединения горловины баллона и вентиля герметиком

 

В качестве герметика необходимо использовать свинцовый глет. Заменителем может быть свинцовый малярный сурик или лента «фум»

 

2.2. Ввернуть вентиль в горловину газового баллона

 

При полностью ввернутом в горловину баллона вентиле снаружи должно оставаться от двух до пяти ниток его резьбовой части. Момент затяжки вентиля должен регламентироваться техническими условиями. Например: вентили типа ВМР-1 и ВМН-1 - ввертываются с усилием 450-500 Н·м (45-50 кгс·м)

 

3. Направить проверенный и подготовленный комплект ГБО на участок по монтажу ГБО на АТС

 

 

Необходимо использовать грузоподъемные механизмы (кран-балка и т.п.) и специализированные тележки

5.4. УСТАНОВКА (МОНТАЖ) ГБО НА АТС

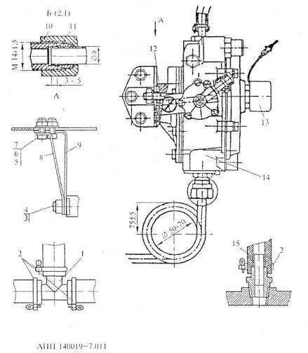
Операция № 9. Монтажные работы но установке ГТА на двигателе и моторном отсеке

 

Слесарь 4-го и 5-го разряда, электрик 5-го разряда

Места установки ГТА должны соответствовать требованиям инструкции по монтажу предприятия изготовителя ГТА для конкретного типа и модели АТС. Установленная ГТА должна обеспечивать: свободный доступ к функциональным элементам двигателя для проведения монтажно-демонтажных, регламентных, контрольно-регулировочных и диагностических работ;

- возможность контроля герметичности всех его узлов и соединений без снятия (разборки) агрегатов двигателя или АТС;

- невозможность проникновения КПГ в кабину, пассажирский салон или грузовой отсек АТС.

ГТА должна располагаться на расстоянии не менее 100 мм от систем выпуска ОГ двигателя АТС.

Прочность крепления агрегатов и узлов ГТА должна соответствовать требованиям HTД согласно разд. 11 настоящего Руководства

 

В том числе при помощи течеискателей. При невозможности выполнения этого требования должен быть установлен теплозащитный экран

1. Установить на АТС с бензиновыми двигателями следующие агрегаты и узлы ГТА

 

 

 

1.1. Карбюратор-смеситель или смеситель газа (дозатор газа) и воздушный фильтр

 

Прокладка под нижнем фланцем карбюратора-смесителя должна быть новой. Смеситель газа может устанавливаться в нижней, средней или верхней части карбюратора

По конструкции смеситель газа может устанавливаться i в воздушном фильтре карбюратора

1.2. Газовый редуктор высокого давления (РВД)

 

По возможности должен располагаться на расстоянии, близком к редуктору низкого давления. При срабатывании предохранительного устройства или возникновении неисправностей в самом редукторе выпуск газа должен быть осуществлен за пределы подкапотного пространства(кабины, салона)

Может устанавливаться и в других местах АТС (например, на раме грузового автомобиля) или по конструкции может быть совмещен с РНД

1.3. Газовый РНД

 

Расположение РНД должно исключить возможность скопления масляничного осадка на мембранах и обеспечить его слив через дренажный краник. Сливаемый осадок не должен попадать на элементы и узлы двигателя

Конструкция, габаритные размеры и масса РНД определяют его место расположения в моторном отсеке АТС

1.4. Газовый фильтр

с ЭМК

 

Газовый фильтр с ЭМК должен быть расположен в вертикальном положении, магнитным элементом направлен вверх, а камерой фильтрации - вниз

По конструкции могут быть выполнены отдельными агрегатами

1.5. Подогреватель газа (ПГ)

 

Устанавливают, если ПГ выполнен в отельном агрегате. По конструкции ПГ может быть совмещен с РВД или с РНД

В некоторых конструкциях ГТА подогреватель газа устанавливают на раме АТС

1.6. Бензиновый ЭМК

 

Должен быть установлен в вертикальном положении электромагнитом вверх

По конструкции может быть совмещен с фильтром тонкой чистки бензина

1.7. Трубопроводы газовой и бензиновой систем питания

 

После установки должны обеспечивать герметичность местах соединения

 

1.8. Шланги системы подогрева газа

 

Должны обеспечивать герметичность местах соединения

 

2. На АТС с дизельными двигателями дополнительно установить

 

 

 

2.1. Детали газовоздушного тракта

 

Должны соответствовать требованиям НТД предприятия-изготовителя ГТА

 

2.2. Дозатор-смеситель газа и преобразователь частоты вращения коленчатого вала двигателя

 

Должны обеспечивать подачу необходимого количества газа в двигатель в зависимости от нагрузки и автоматическое уменьшение подачи при достижении двигателем максимальной частоты вращения

Датчик оборотов преобразователя частоты вращения может быть установлен на коленчатом валу двигателя или на ТНВД

2.3. ТНВД с механизмом установки запальной дозы топлива

 

Технические показатели ТНВД должны находиться в пределах ТУ предприятия-изготовителя. Механизм установки запальной дозы дизтоплива должен автоматически уменьшать цикловую подачу топлива при переходе с дизельного режима работы двигателя на газодизельный

После установки ТНВД необходимо установить начало впрыска топлива в первом цилиндре двигателя в соответствии с требованиями инструкции по эксплуатации

2.4. Форсунки

 

Должны соответствовать требованиям п. 3.11. Операция № 7 настоящего раздела Руководства

Три проверке технических характеристик форсунок у заказчика этот переход операции не производят

2.5. Тяги привода управления ТНВД и дозатором газа

 

Установку и регулировку привода производить в соответствии с требованиями инструкции предприятия-изготовителя ГТА

 

3. Дополнительно установить на АТС с инжекторными бензиновыми двигателями следующие агрегаты и узлы ГТА

 

 

При установке ГТА на инжекторные двигатели следует обеспечить меры предосторожности. Необходимо:

- обесточить электронный блок управления (ЭБУ) и датчики (температуры, λ-зонд, и др.) при выключенном зажигании;

- не допускать отключения и подсоединения электропроводов ЭБУ при включенном зажигании;

- не допускать появления статического электричества при проведении работ по установке ГТА

3.1. Реле выключения инжекторов

 

Может быть расположено в моторном отсеке на передней стенке кузова АТС

 

3.2. Газовый смеситель

 

Устанавливают между корпусом дроссельной заслонки и воздушного фильтра или расходомера воздуха

 

3.3. Согласующий электронный блок и соответствующие датчики (темпер, Л-зонда и т.д.)

 

Место расположения согласно инструкции по монтажу предприятия-изготовителя ГТА

 

3.4. Предохранительный клапан (хлопушка)

 

Устанавливают на корпус воздушного фильтра

 

3.5. Дозатор газа или газовый инжектор

 

Устанавливают между газовым РНД и смесителем газа

 

Операция № 10. Монтаж газовых баллонов и деталей ГТА

1. На легковом автомобиле (микроавтобусе) необходимо выполнить следующие работы

Слесарь 4-го и 5-го

разряда

Размещение и прочность крепления газовых баллонов регламентируется ТТД, приведенной в разд. 11 настоящего руководства

 

1.1. Установить раму (кронштейны) крепления баллонов в багажном отделении

 

Рама (кронштейн) по отверстиям крепления должна совпадать с отверстиями, просверленными при подготовке к установке газовых баллонов (см. операцию № 6, п.1). В местах крепления между рамой и днищем автомобиля должны быть герметизирующие прокладки

Три установке следует использовать динамометрический ключ

1.2. Поместить баллон в ложементы рамы или кронштейнов

 

Между поверхностями ложементов и баллона должна быть прокладка из мягкого материала (резины, полимерные материалы)

 

1.3. Установить хомуты и болты крепления

 

Между хомутами и поверхностью баллонов должны быть прокладки из мягкого материала

 

1.4. Затянуть болты хомутов крепления

 

Момент затяжки должен соответствовать требованиям инструкции предприятия - изготовителя ГБО или находиться в пределах 15,0-20,0 Н·м (1,5-2,0 кгс/см2). Не допускается затяжка хомутов до соприкосновения концов

Следует использовать динамометрический ключ

1.5. Установить заправочное устройство (ЗУ)

 

ЗУ должно быть установлено сзади АТС на днище или бампере и не должно выступать за геометрические пределы АТС более 10 мм. ЗУ должно быть защищено от повреждений и загрязнения

 

1.6. Установить газовые трубопроводы высокого давления между баллонами, соединить трубопроводом ЗУ и баллоны, закрепить герметизирующие кожухи газовых трубопроводов (при их наличии)

 

Трубопроводы с помощью ниппельных соединений должны быть соединены со штуцерами газовых баллонов. Герметизирующие кожухи должны крепиться при помощи хомутов

 

1.7. Установить герметизирующий отсек (при его наличии)

 

Некоторые модели ГБО вместо герметизирующих кожухов трубопроводов могут иметь герметизирующий отсек, в котором помещены газовые баллоны

 

1.8. Установить магистральный вентиль (при его наличии)

 

Расположение вентиля должно быть определено инструкцией по монтажу ГБО

 

1.9. Проложить магистральный газовый трубопровод от баллонов через магистральный вентиль (при его наличии) в моторный отсек к ГТА

 

Магистральный газопровод должен быть цельным по конструкции. Он прокладывается снизу по наружной части днища салона, минуя нагреваемые и подверженные внешним содействиям места. Скрепление необходимо осуществлять по месту на расстоянии не более 800 мм между точками крепления

Крепление осуществляется специальными скобами и винтами-саморезами

2. На грузовом (специализированном) автомобиле выполнить следующие работы

 

 

 

2.1. При креплении баллонов к раме автомобиля

 

 

 

2.1.1. Установить кронштейны крепления баллонов на раму

 

Кронштейны должны быть установлены в соответствии с требованиями инструкции по монтажу предприятия-изготовителя ГБО

 

2.1.2. Поместить баллоны в ложементы кронштейнов, установить хомуты и затянуть их болтами

 

Между хомутами, ложементами и поверхностью баллона должны быть мягкие прокладки. Момент затяжки болтов хомутов крепления должен регламентироваться инструкцией по монтажу ГБО или находиться в пределах 15,0-20,0 Н·м(1,5- 2,0 кгс·м). Не допускается затяжка хомутов до соприкосновения концов

При затяжке болтов хомутов крепления следует использовать динамометрический ключ

2.1.3. Установить ЗУ с наполнительным вентилем и магистральный вентиль (при его наличии)

 

Расположение ЗУ и магистрального вентиля должно регламентироваться инструкцией по монтажу ГВО

ЗУ по конструкции может быть совмещено с наполнительным вентилем

2.1.4. Соединить баллоны газовыми трубопроводами высокого давления, а баллоны - трубопроводом с ЗУ

 

Крепление трубопроводов к баллонам и ЗУ должно осуществляться при помощи беспрокладочных ниппельных соединений

 

2.1.5. Проложить магистральный газовый трубопровод от баллонов к ГТА в моторном отсеке

 

Газовый трубопровод должен быть цельным по конструкции и прокладываться в лонжероне рамы автомобиля, минуя нагреваемые места от системы выпуска ОГ двигателя. Крепления необходимо осуществлять по месту, но на расстоянии не более 800 мм между точками крепления

Крепление осуществляется специальными скобами и болтами с гайками и пружинными подшипниками

2.2. При креплении баллонов к продольным брусьям грузовой платформы

 

 

 

2.2.1. Установить продольные брусья с кронштейнами крепления газовых баллонов на раму автомобиля

 

Количество точек крепления должно быть определено инструкцией предприятия-изготовителя ГБО

 

2.2.2--2.2.5. Выполнить работы, указанные в п. 2.1.2-2.1.5 настоящей операции

 

 

 

3. На прицепе (полуприцепе) выполнить следующие работы:

3.1. Установить кронштейны крепления баллонов на раму прицепа

3.2. Поместить баллоны в ложементы кронштейнов, установить хомуты, болты крепления и затянуть их

 

В соответствии с требованиями инструкции по монтажу предприятия-изготовителя ГБО для прицепов. Между хомутами и поверхностью баллона должны быть проложены мягкие прокладки. Момент затяжки регламентируется изготовителем ГБО или должен находиться в пределах 15,0-20,0 Н·м (1,5-2,0 кгс·м)

Следует использовать динамометрический ключ

3.3. Установить магистральный вентиль, заправочное устройство с наполнительным вентилем, устройство для соединения газовой системы прицепа с газовой системой тягача

 

Места расположения должны быть определены инструкцией по монтажу, но по расположению все устройства не должны выходить за геометрические габариты прицепа

 

3.4. Соединить газовыми трубопроводами высокого давления:

- баллоны между собой;

- ЗУ с баллонами;

- баллоны с магистральным вентилем;

- магистральный вентиль с устройством подсоединения газовой системы тягача

 

Работы должны быть выполнены в соответствии с требованиями п. 2.1.4 настоящей операции

 

4. На автобусах среднего, большого и особо большого классов выполнить следующие работы

 

 

 

4.1. Установить раму для крепления баллонов в месте, указанном в инструкции по монтажу предприятия изготовителя (разработчика ГБО)

 

Места крепления замы и момент затяжки болтов должны быть определены в инструкции по монтажу ГБО. Между рамой и местами крепления должны быть герметизирующие прокладки

Момент затяжки контролировать динамометрическим ключом

4.2. Установить детали усиления жесткости кузова или крыши автобуса (при их наличии)

 

Регламентируется предприятием-изготовителем ГБО или заводом-изготовителем автобусов

Элементы жесткости кузова могут включать в себя:

- дополнительные металлические элементы каркаса;

- трубчатые металлические стойки

4.3. Поместить баллоны на раме и закрепить их

 

Работы должны быть выполнены в соответствии с требованиями п. 2.1.2 настоящей операции

 

4.4. Установить ЗУ с наполнительным вентилем

 

ЗУ и наполнительный вентиль не должны выходить за габариты автобуса

ЗУ может быть установлено в моторном отсеке

4.5. Установить магистральный вентиль (при его наличии)

 

Место расположения должно быть определено инструкцией по монтажу ГБО, разработанной предприятием-изготовителем

Магистральный вентиль может иметь конструкцию в виде ЭМК с расположением на раме крепления баллонов

4.6. Соединить газовыми трубопроводами высокого давления:

- газовые баллоны между собой;

- ЗУ с наполнительным вентилем и с баллонами;

- баллоны с магистральным вентилем

 

Соединения газопроводов должны осуществляться с помощью беспрокладочных ниппельных или других соединений, обеспечивающих герметичность при неоднократных монтажных и демонтажных воздействиях

 

4.7. Проложить магистральный газопровод через магистральный клапан (вентиль) к ГТА в моторном отсеке

 

Расположение газопровода должно быть регламентировано инструкцией по монтажу ГБО и должно не допускать проникновение газа в салон автобуса в случае его разрушения. При расположении газопровода на крыше автобуса, крепление его необходимо осуществлять специальными кронштейнами, расположенными на расстоянии не более 800 мм друг от друга

 

4.8. Установить защитный кожух на раму с газовыми баллонами (при расположении баллонов на крыше автобуса)

 

Кожух должен защищать баллоны от прямых солнечных лучей, попадания атмосферных осадков и обеспечивать доступ к баллонным вентилям и магистральному клапану (вентилю)

Может быть изготовлен из композитных материалов

Операция № 11. Установка дополнительного электрооборудования и КИП

1. Установить на щитке приборов в кабине (салоне) АТС органы управления работой ГТА:

- переключатель вида топлива;

- включатель пускового клапана;

-различные реле, предусмотренные конструкцией ГТА;

- ЭБУ и другие органы управления ГТА, в том числе инжекторных двигателей

Слесарь-электрик 5-го или 6-го разряда

Органы управления работой ГТА должны быть установлены в доступных для пользования водителем местах согласно требованиям инструкции по монтажу дополнительных приборов электрооборудования, входящих в комплект ГТА

 

2. Установить на щитке приборов в кабине (салоне) АТС контрольно-измерительные приборы ГТА:

- указатель (манометр) давления газа в газовом РНД (при его наличии);

- указатель количества газа в баллонах;

- сигнальные лампы, предусмотренные конструкцией ГТА;

- приборы системы контроля до взрывной концентрации газа;

- приборы системы управления и защиты газодизеля

 

Места установки приборов должны соответствовать требованиям инструкции по их монтажу и постоянно находиться в зоне видимости водителя ГБТС

 

3. Проложить соответствующие пучки электрических проводов, имеющихся в комплекте ГТА, и подсоединить провода к клеммам органов управления работой ГТА и КИП

 

Прокладку и подсоединение проводов следует осуществить согласно электрической схеме управления и контролю за работой ГТА, установленной на АТС

Пучки проводов крепят металлическими скобами и винтами. В некоторых случаях провода прокладываются по основным пучкам проводов системы электрооборудования АТС

Операция № 12. Монтаж грузовой платформы, специализированного кузова или установки

1. Установить на раму переоборудованного для работы на КПГ автотранспортного средства грузовую платформу, специализированный кузов или установку

Слесарь и крановщик 4-го разряда

Грузовая платформа, специализированный кузов или установка должны соответствовать ТУ предприятия-изготовителя

При монтаже следует использовать подъемные механизмы соответствующей грузоподъемности

2. Установить крепежные элементы и затянуть их резьбовые соединения

 

Количество точек крепления и момент затяжки резьбовых соединений должны быть определены конструкторской документацией завода-изготовителя АТС и предприятия-изготовителя ГТА

При выполнении работы необходимо использовать динамометрический ключ

3. Залить жидкость в систему охлаждения и топливо в систему питания двигателя переоборудованного АТС (при необходимости)

 

 

 

Операция № 13. Проверка качества работ по установке ГБО и оформление приемо-сдаточной документации

1. Произвести проверку качества работ по установке ГБО на АТС для работы на КПГ

Мастер участка по установке ГБО и мастер ОТК при его наличии)

При проверке качества забот в первую очередь следует уделить внимание на соответствие мест установки деталей и узлов ГТА требованиям нормативных документов. Места установки должны строго соответствовать требованиям конструкторской документации предприятия

- изготовителя ГБО. Визуальным методом и при помощи динамометрического инструмента проверяют надежность крепления ГТА и качество сборки резьбовых соединений газовых трубопроводов. Величина затяжки резьбовых соединений должна соответствовать требованиям НТД. Особое внимание при проверке следует обратить на расположение и надежность крепления базовых баллонов и газовых трубопроводов высокого давления

При отрицательных результатах проверки качества установки ГБО производят устранение выявленных недостатков

2. Оформить приемосдаточную документацию по переводу АТС для работы на КПГ (т.е. ГБТС)

 

Оформляют свидетельство о соответствии транспортного средства с установленным на него ГБО требованиям безопасности формы 2а (см. Приложение 3). Свидетельство оформляется в четырех экземплярах

Свидетельство формы 2а оформляется для предприятий и организаций - собственников АТС  (юридических лиц) и для индивидуальных собственников АТС (физических лиц). Формы свидетельства должны соответствовать ТУ 152-12-007-99

3. Направить ГБТС на участок для проведения испытаний газотопливных систем ГБТС

 

Испытания ГТС могут проводиться как организацией, осуществляющей переоборудование, так и другими организациями (фирмами)

 

6. ТИПОВАЯ ТЕХНОЛОГИЯ ВЫПОЛНЕНИЯ РАБОТ ПРИ ПРОВЕДЕНИИ ИСПЫТАНИЙ ГТС ГБТС

Наименование и содержание работы

Квалификация исполнителя

Технические требования

Примечание

1

2

3

4

6.1. Приемка ГБТС для проведения испытаний ГТС

Операция № 1.

Проверка сопроводительной документации и технического состояния ГБТС

Мастер участка испытаний, слесарь -го разряда

 

 

1. Ознакомиться с сопроводительной документацией ГБТС, поступившего для проведения испытаний ГТС

 

 

 

1.1. ГБТС с вновь установленным ГБО для работы на КПГ

 

ГБТС с вновь установленным ГБО для работы на КПГ должны иметь свидетельство формы 2а (см. Приложение 3 настоящего Руководства). Свидетельство должно быть оформлено в части работ, проведенных по установке ГБО, подписано представителем предприятия, производившего установку ГБО, и скреплено печатью

Свидетельство формы 2а должно соответствовать требованиям ТУ 152-12-007-99

1.2. ГБТС, находящееся в эксплуатации

 

ГБТС, поступившие для проведения испытаний из эксплуатации, должны иметь технический паспорт и на них должен быть оформлен приемо-сдаточный акт формы 4а щи 4б (см. Приложение 5 и 6 настоящего Руководства). приемо-сдаточный акт формы 4а подписывается организацией (юридическим лицом)

- собственником ГБТС и организацией, осуществляющей испытания ГБО. Приемо-сдаточный акт формы 4б подписывается владельцем ГБТС (физическим лицом) и организацией, осуществляющей испытания ГБО

Приемо-сдаточный акт формы 4а или 46 должен быть составлен в двух экз.; один передается собственнику или владельцу ГБТС.

Форма актов должна соответствовать ТУ 152-12-007-99

2. Проверить комплектность и техническое состояние ГБО и ГБТС

 

Комплектность ГБО должна соответствовать конструкторской документации предприятия - изготовителя комплекта. Размещение деталей и узлов ГБО должно соответствовать монтажной схеме, изложенной в инструкции по установке ГБО на определенный тип и модель АТС. Техническое состояние ГБО и ГБТС должно соответствовать НТД по эксплуатации. Газопроводы высокого давления, баллоны должны быть окрашены масляной или эмалевой краской в красный цвет. Наличие механических повреждений, трещин, следов коррозии не допускается. Баллоны на раме должны быть надежно закреплены стяжными хомутами. ГБТС с неосвидетельствоваными баллонами к испытаниям не допускаются. Штоки вентилей должны вращаться свободно, без заеданий

ГБТС, сдаваемое на испытания, должно быть вымыто. Особенно тщательно рама, днище кузова, баллоны, газопроводы, запорная арматура и моторный отсек с двигателем

3. Принятие решения о проведении испытаний ГБО

 

При установлении, что ГБО и ГБТС технически исправны и соответствуют требованиям нормативно-технической документации по установке ГБО и эксплуатации, принимается решение о проведении испытаний. При отрицательных результатах ГБТС возвращается предприятию, осуществившему установку ГБО, на доработку или собственнику (владельцу) ГБТС

Результаты проверки и принятое решение заносятся в приемо-сдаточный акт (форма 4а или 4б), который подписывается представителем организации, осуществляющей испытания, скрепляются печатью; один экземпляр акта передается заказчику

4. При положительном решении о проведении испытаний ГБТС направить на специальное рабочее место для проведения испытаний

 

 

 

Операция № 2.

Подготовка ГБТС к проведению испытаний

Водитель, слесарь 4-го разряда

Водитель должен иметь в удостоверении разрешение на управление данной категорией АТС.

Испытания могут производиться:

- сжатым воздухом в специально оборудованном помещении;

- КПГ в специальном боксе или площадке АГНКС

Участок испытаний должен быть оборудован компрессорным оборудованием

1. Установить ГБТС на рабочее место для проведения испытаний

 

 

 

2. Закрыть наполнительный, магистральный вентили и расходные вентили на баллонах

 

Вентили должны быть закрыты до упора

 

3. Подготовить пост подачи сжатого воздуха (или КПГ) к работе

 

Давление сжатого воздуха (или КПГ) в рессивере компрессорной установки должно быть не менее 20,6 МПа (210 кгс/см2)

 

4. Отвернуть заглушку («колпачок») с патрубка наполнительного вентиля или снять защитное приспособление с ЗУ

 

Заглушка («колпачок») наполнительного вентиля имеет левую резьбу

 

5. Подсоединить шланг подачи сжатого воздуха (или КПГ) к наполнительному вентилю или заправочному устройству

 

Шланг подачи сжатого воздуха (или КПГ) должен оканчиваться:

- гайкой с левой резьбой - для присоединения к наполнительному вентилю;

- специальным штуцером - для присоединения к заправочному устройству

Конструкция штуцера шланга должна быть аналогичной конструкции заправочного штуцера газовой колонки АГНКС

6.2. ИСПЫТАНИЯ НА ГЕРМЕТИЧНОСТЬ И ОПРЕССОВКА АГРЕГАТОВ И УЗЛОВ ГБО

Операция № 3.

Проверка внешней и внутренней герметичности соединений, узлов и агрегатов ГБО

Слесарь 4-го 5-го разряда

 

 

1. Подать с пульта управления поста сжатый воздух (или КПГ) давлением 1,0 МПа и проверить омыливанием (течеискателем) герметичность соединений подающего шланга со штуцером наполнительного вентиля или ЗУ

 

При обнаружении негерметичности необходимо открыть вентиль сброса воздуха (КПГ) на пульте управления и после падения до нуля устранить негерметичность подтяжкой или заменой уплотнения. После устранения негерметичности операцию по проверке повторить. Аналогичная технология по сбросу давления воздуха (или КПГ) в системе ГБО до нуля при обнаружении негерметичности какого-либо агрегата (узла) или соединения должна соблюдаться в дальнейшем при переходе с одной операции проверки герметичности к последующей

При наличии давления в системе ГБО подтяжка соединений не допускается

2. Открыть наполнительный и расходный вентили на баллонах ГБТС и заполнить ГТС высокого давления воздухом (или КПГ) до давления 1,0 МПа(10,0 кгс/см2)

 

Вентили должны быть открыты полностью. При достижении давления в системе 1,0 МПа (контролируется по манометру на пульте управления) прекратить подачу воздуха и дать выдержку 2-3 мин

 

3. Проверить омыливанием (или течеискателем) внешнюю и внутреннюю герметичность наполнительного вентиля, расходных вентилей, ввернутых в горловину баллонов, соединений трубопроводов, переходника манометра высокого давления (при его наличии) и других соединений

 

Нарушение герметичности не допускается

 

4. Установить переключатель вида топлива на панели кабины водителя в положение «газ» и последовательно проверить внутреннюю и внешнюю герметичность следующих агрегатов:

- магистрального вентиля (в закрытом и открытом положениях);

- газового РВД;

-ЭМК;

- фильтра;

- газового РНД и его работоспособность (по показаниям манометра (или датчика) низкого давления);

- соединительных газопроводов

 

«-»

Система зажигания ГБТС должна быть включена

5. Убедившись в герметичности всех соединений и агрегатов ГБО, открыть вентиль сброса воздуха на пульте управления и снизить давление воздуха в ГТС питания ГБТС до нуля

 

Этот переход операции должен производиться только при использовании в качестве рабочего тела сжатого воздуха при проведении испытания на герметичность. При использовании КПГ в качестве рабочего тела данный переход операции не производится

При испытаниях с использованием КПГ газ из баллонов выпускать не следует. Система зажигания ГБТС должна быть выключена

6. Закрыть наполнительный, магистральный и баллонные вентили

 

 

 

Операция № 4.

Проверка герметичности и работоспособности ЭМК нефтяной системы питании

Слесарь 4-го разряда

 

 

1. Поставить переключатель вида топлива в положение «бензин» (или «дизтопливо» -для газодизельных ГБТС)

 

 

 

2. Проверить герметичность и работоспособность ЭМК нефтяной системы питания ГБТС. С этой целью:

- включить зажигание и запустить двигатель на нефтяном топливе;

 

При герметичности клапана двигатель после кратковременной работы должен остановиться

 

3. Поставить переключатель вида топлива в среднее положение «0»;

- поставить переключатель вида топлива в положение «бензин» (или «дизтопливо») и выключить зажигание

 

 

 

Операция № 5а.

Вакуумирование газовых баллонов

Слесарь 4-го разряда

 

Операция производится только при проведении испытаний на герметичность сжатым воздухом

1. Отсоединить от наполнительного вентиля шланг подачи воздуха и подсоединить шланг для вакуум-насоса (вакуумной установки)

 

 

 

2. Открыть наполнительный, баллонные вентили и кран на шланге вакуумнасоса

 

 

 

3. Произвести откачку воздуха из баллонов

 

Откачка воздуха из баллонов производится до давления 0,01 МПа (0,1

кгс/см2) с целью удаления оставшегося воздуха и влаги

 

4. Закрыть баллонные и наполнительные вентили

 

 

 

5. Закрыть вентиль на шланге вакуум-насоса и отсоединить его от наполнительного вентиля

 

 

 

Операция № 5б.

Продувка газовых баллонов инертным газом

Слесарь 4-го разряда

 

Эта операция может заменить вакуумирование и проводиться при проведении испытаний на герметичность сжатым воздухом

1. Отсоединить от наполнительного вентиля шланг подачи воздуха и подсоединить шланг от баллонов с инертным газом

 

 

 

2. Открыть наполнительный, баллонные вентили и кран на баллонах с инертным газом

 

 

 

3. Заполнить ГБТС инертным газом и закрыть наполнительный вентиль и кран на баллонах с инертным газом

 

Заполнение баллонов инертным газом необходимо осуществить до давления 0,3-0,4 МПа (3,0-4,0 кгс/см2) и сделать выдержку 3-5 мин

 

4. Отсоединить шланг подачи газа от наполнительного вентиля и присоединить к нему шланг подачи воздуха от пульта управления

 

 

 

5. Открыть наполнительный вентиль и вентиль выпуска воздуха на пульте управления и выпустить инертный газ из баллонов на «свечу»

 

Инертный газ выпустить из баллонов до давления 0,05-0,1 МПа (0,5-1,0 кгс/см2)

 

6. Закрыть наполнительный и баллонные вентили

 

 

 

7. Отсоединить шланг подвода воздуха от наполнительного вентиля (заправочного устройства) и установить защитный «колпачок»

 

 

 

Операция № 6. Опрессовка резьбовых соединений газопроводов, агрегатов и узлов ГБО

Слесарь 4-го разряда

 

 

1. Присоединить шланг подачи сжатого воздуха (КПГ) к наполнительному вентилю

 

 

 

2. Открыть наполнительный и баллонные вентили и подать с пульта управления поста испытаний сжатый воздух (или КПГ) под давлением последовательно:

2,5; 4,9; 9,8 и 19,6 МПа (25,50, 100 и 200 кгс/см2). Проверить соответствие показаний манометра высокого давления в баллонах на ГБТС с показаниями контрольного манометра на пульте управления подачей воздуха (или КПГ)

 

Показания манометра ГБТС не должны отличаться от показаний манометра на пульте управления подачей воздуха (КПГ). При достижении давления в баллонах ГБТС указанных величин при каждом давлении необходимо сделать выдержку 2-3 мин и  только тогда приступать к проверке герметичности

 

3. Повторить последовательно проверку герметичности согласно требованиям операции № 3

соответственно при давлениях: 2,5; 4,9; 9,8 и 19,6 МПа (25, 50, 100 и 200 кгс/см2)

 

Нарушение герметичности не допускается. В случае появления признаков негерметичности в соединениях, агрегатах и узлах ГБО при любом из указанных значений давления необходимо приостановить дальнейшую опрессовку, сбросить давление воздуха (или КПГ) до нуля, соединение разобрать, отремонтировать и повторить испытание. Проверку герметичности необходимо производить омыливанием или течеискателем

При наличии давления в системе подтяжка и ремонт соединений не допускаются

4. Закрыть наполнительный вентиль и открыть вентиль сброса воздуха пульта управления подачей воздуха

 

 

 

5. Отсоединить шланг подачи сжатого воздуха от наполнительного вентиля

 

 

 

6. Проверить омыливанием (течеискателем) герметичность наполнительного вентиля

 

Нарушение герметичности не допускается

 

7. Подсоединить к наполнительному вентилю устройство отводящего воздухопровода; открыть наполнительный вентиль и вентиль на пульте управления, выпустить сжатый воздух из системы, закрыть наполнительный вентиль. Отсоединить отводящий воздухопровод

 

При использовании в качестве рабочего тела КПГ его не следует выпускать из баллонов

 

8. В случае испытания ГТС питания воздухом произвести вакуумирование газовых баллонов или их продувку инертным газом согласно операциям № 5а или № 5б

 

 

 

6.3. ИСПЫТАНИЯ ГТС ПИТАНИЯ ГБТС НА ФУНКЦИОНИРОВАНИЕ

Операция № 7.

Подготовка к испытаниям

Слесарь 3-го разряда, водитель

 

 

1. Установить ГБТС на пост для проверки работоспособности и регулировки работы двигателя на КПГ и затормозить его ручным тормозом

 

Пост испытаний может располагаться в специально оборудованном помещении предприятия, осуществляющего испытания сжатым воздухом, или боксе АГНКС, переоборудованном для испытаний ГБТС

Пост доложен быть оборудован газовой установкой, приспособлением выпуска ОГ двигателя за пределы помещения, газоанализатором ОГ и дымомером

2. Завести двигатель на нефтяном топливе и прогреть его при средней частоте вращения до температуры 70-80°С

 

Частота вращения коленчатого вала двигателя должна находиться в пределах 1500-2000 мин-1

 

3. Перевести переключение вида топлива в положение «0». Выработать нефтяное топливо до полной остановки двигателя

 

 

 

Операция № 8.

Проверка работоспособности и регулировка двигателя ГБТС на природном газе

Слесарь 5-го разряда

 

 

1. Закрыть все вентили на баллонах

 

 

 

2. Снять заглушку с ЗУ и присоединить к нему шланг от газовой установки (колонка АГНКС, ПАГЗ, пост аккумулирования газа и т.п.)

 

Газ для проведения испытаний можно использовать из газовой магистрали подведенной в помещение поста, передвижного автогазозаправщика (ПАГЗ), поста аккумулирования газа автопредприятия, непосредственно из баллонов ГБТС

 

3. Медленно открыть кран подачи газа на газовой установке

 

Кран должен быть открыт полностью

 

4. Медленно открыть на автомобиле наполнительный и магистральный (при его наличии) вентиль

 

При наличии КПГ в баллонах ГБТС для испытаний необходимо использовать газ из одного баллона, предварительно открыв баллонный вентиль. Испытания начать с настоящего перехода операции. Наполнительный вентиль при этом должен быть в закрытом положении

 

5. Включить зажигание. Перевести переключатель вида топлива в положение «газ» и запустить двигатель на газе

 

Запуск двигателя производить в последовательности, предусмотренной инструкцией по эксплуатации ГБО, установленной на ГБТС

Отвод ОГ двигателя ГБТС должен производиться через специальное устройство за пределы помещения

6. Произвести регулировку минимально устойчивой частоты вращения коленчатого вала двигателя

 

Минимально устойчивая частота вращения коленчатого вала двигателя и порядок ее регулировки должны регламентироваться заводом-изготовителем АТС и ГБО и должны быть приведены в инструкции по их эксплуатации. Регулировку следует производить при исправной системе зажигания

Обычно частота вращения находится в пределах 600-800 мин-1

7. Проверить работу двигателя на холостом ходу на всех режимах от минимальных оборотов коленчатого вала

 

Разгон двигателя должен происходить без «провалов» и «хлопков»

 

8. При наличии стендов с беговыми барабанами проверить работу двигателя на КПГ под нагрузкой

 

Проверку необходимо производить в соответствии с требованиями инструкции по эксплуатации стенда

 

9. Устранить выявленные в процессе испытаний неисправности в ГТС или системе зажигания

 

Ремонт и регулировку ГТС питания и системы зажигания следует производить в соответствии с требованиями инструкции по эксплуатации. Ремонтные и регулировочные воздействия должны обеспечить нормальную работу ГБТС на КПГ

 

Операция № 9.

Испытания на недопущение одновременной работы двигателя на КПГ и бензине

Слесарь 5-го разряда

 

 

1. Перевести переключатель вида топлива в положение «бензин»

 

 

 

2. Включить систему зажигания двигателя и произвести запуск двигателя на нефтяном топливе

 

Дать двигателю проработать в установившемся режиме холостого хода 10-15 мин

 

3. Отключить подачу бензина, переведя переключатель вида топлива в среднее положение «0»

 

Убедиться, что спустя некоторое время (после выработки остаточного количества нефтяного топлива в системе питания после ЭМК) двигатель остановится

 

4. Произвести запуск двигателя на газе

 

Дать возможность двигателю проработать на газе в установившемся режиме холостого хода 10-15 мин

 

5. Закрыть расходный (магистральный) вентиль КПГ в системе питания

 

Убедиться, что двигатель спустя некоторое время после этого остановится

 

6. Вновь открыть расходный (магистральный) вентиль КПГ и запустить двигатель на газе

 

Дать проработать двигателю в установившемся режиме холостого хода 5-6 мин

 

7. Отключить подачу газа, переводя переключатель вида топлива в среднее положение «0»

 

Убедиться, что спустя некоторое время после этого двигатель остановится

 

8. Выключить систему зажигания

 

 

 

9. Включить систему зажигания и попытаться запустить двигатель от стартера

 

Повторить эту операцию 2-3 раза и убедиться, что запуск двигателя при среднем положении переключателя вида топлива (в позиции «0») не происходит

 

10. Закончить испытания, переведя переключатель вида топлива в положение «бензин» и выключить зажигание

 

 

 

Операция № 10.

Проверка работоспособности газодизеля (на примере автомобиля КАМАЗ-53208)

Слесарь 5-го разряда

 

 

1. Открыть расходные вентили на баллонах и магистральный вентиль

 

 

 

2. Включить переключатель режима работы двигателя в положение «газ» и завести двигатель

 

Проверить работу двигателя в газодизельном режиме при частотах вращения коленвала двигателя от 600 до 2100 мин-1

 

3. Проверить величину запальной дозы топлива, для его:

 

 

 

3.1. Отсоединить клеммы от выключателя блокировки и соединить их друг с другом

 

 

 

3.2. Запустить двигатель на холостом ходу

 

Переключатель вида топлива должен быть положении «газ»

 

3.3. Нажать до упора педаль управления подачей топлива

 

Частота вращения коленчатого вала двигателя должна быть (2100±50) мин-1. При большом отклонении необходимо произвести регулировку величины запальной дозы при помощи упора механизма ограничения запальной дозы на ТНВД

 

4. Устранить обнаруженные неисправности

 

При наличии «хлопков» в системе выпуска, неустойчивой заботе двигателя следует отрегулировать привод ТНВД и дозатора газа или устранить другие неисправности в соответствии с указаниями предприятия- изготовителя ГТС питания

 

Операция № 11.

Испытания системы питания газодизеля, исключающей одно временную работу двигателя на КГТГ и неограниченной подачи дизельного топлива

Слесарь 5-го разряда

 

 

1. Произвести запуск двигателя на дизельном топливе

 

Переключатель вида топлива должен быть в положении «дизтопливо» (Д.Т.)

 

2. Изменить обороты двигателя на режиме холостого хода от минимальных до максимальных. Повторить этот переход операции 2-3 раза

 

Производят с помощью изменения положения педали, управляющей перемещением рейки ТНВД

 

3. Перевести переключатель вида топлива в положение «газ»

 

Не давая двигателю остановиться, убедиться, что двигатель устойчиво работает при свободном положении педали управления рейкой ТНВД на минимальной частоте вращения холостого хода

 

4. Закрыть расходный (магистральный) вентиль КПГ в системе питания двигателя

 

Убедиться, что в этом случае при нажатии ногой на педаль перемещение рейки ТНВД, частота вращения холостого хода двигателя практически не изменяется. Повторить эту операцию 3-4 раза

 

5. Открыть расходный (магистральный) вентиль КПГ

 

Нажимая на педаль перемещения рейки ТНВД, убедиться в плавном изменении частоты вращения двигателя от минимальной до максимальной. Повторить эту операцию 2-3 раза

 

6. Закончить испытания

 

Закрыть магистральный (расходный) вентиль КПГ, перевести переключатель вида топлива в среднее положение «0» (до остановки двигателя) и затем в положение «дизтопливо»

 

Операция № 12.

Испытания на функционирование системы переключения вида топлива

Слесарь 5-го разряда

 

 

Содержание работ этой операции должны соответствовать содержанию работ операции № 9 (для двигателей с искровой системой зажигания) и операции № 11 (для газодизельных двигателей)

 

Три выполнении забот должны соблюдаться следующие условия:

1. Перевод с одного вида топлива (нефтяного) на другое (КПГ) и обратно следует проводить через среднее положение переключателя вида топлива (позиция «0») до остановки двигателя с последующим пуском двигателя на одном из крайних положений переключателя топлива.

2. Переключение вида используемого топлива из кабины водителя следует проводить без остановок двигателя

 

Операция № 13.

Испытания на токсичность ОГ двигателя ГБТС при работе на КПГ и нефтяном топливе

Слесарь 5-го разряда

 

 

1. Проверить содержание оксида углерода (СО) и углеводородов (СН) в ОГ при работе двигателя с искровой системой зажигания на бензине и КПГ

 

Проверку осуществить по методике и на соответствие нормам ГОСТ 17.2.02.06-87 и при необходимости отрегулировать топливную систему на минимальное содержание СО и СН в ОГ

 

2. Проверить содержание твердых частиц (сажи) в ОГ газодизельного двигателя ГБТС при работе в дизельном и газодизельном режимах

 

Проверку осуществить по методике и на соответствие нормам ГОСТ 21293-75 (с изм. от 1986 г.) и при необходимости отрегулировать ГТС на минимальное содержание сажи

 

6.4. ЗАКЛЮЧИТЕЛЬНЫЕ ОПЕРАЦИИ ИСПЫТАНИЙ ГБТС

Операция № 14.

Заключительные работы проведения испытаний

Слесарь 4-го разряда, водитель

 

 

1. Остановить двигатель. Медленно закрыть вентиль подачи газа на газовой установке

 

 

 

2. Запустить двигатель ГБТС и выработать газ в системе до полной остановки двигателя. Выключить зажигание. Закрыть наполнительный и магистральный вентили на ГБТС. Отсоединить от ГБТС шланг подачи газа от газовой установки. Установить на ЗУ ГБТС заглушку

 

 

 

3. Установить переключатель вида топлива в положение «бензин» («дизтопливо»). Запустить двигатель. Перегнать ГБТС на площадку-стоянку готовых ГБТС

 

 

 

Операция № 15.

Оформление результатов испытаний и передача ГБТС заказчику

Мастер участка испытаний

 

 

1. Оформить результаты испытаний ГТС ГБТС

 

 

 

1.1. С установленной ГТА для работы на КПГ

 

Заполнить соответствующие графы свидетельства (формы 2а и 26). Свидетельства подписываются представителем предприятия, выполнившим работы по установке ГБО и регулировке ГТА, и скрепляются печатью

См. Приложения 3 и 4

1.2. Находящиеся в эксплуатации

 

Оформляют свидетельство о проведении испытаний газобаллонного оборудования автотранспортных средств, работающих на КПГ, на соответствие требованиям безопасности (форма 2б).

Свидетельство подписывается собственниками ГБТС, представителем предприятия по испытаниям ГБО и скрепляется печатью

См. Приложение 4 к настоящему Руководству

2. Передать ГБТС и оформленную документацию по испытаниям заказчику

 

 

 

7. КОНСТРУКТИВНЫЕ ОСОБЕННОСТИ ГАЗОВОЙ АППАРАТУРЫ ДЛЯ КОМПРИМИРОВАННОГО ПРИРОДНОГО ГАЗА

7.1. Компримированный природный газ как моторное топливо

7.1.1. Природный газ, состоящий в основе своей из метана (СН4), в силу своих физико-химических свойств удовлетворяет большинству требований, предъявляемых к топливу для автомобилей:

- обладает хорошей смешиваемостью с воздухом для образования однородной горючей смеси;

- имеет высокую калорийность горючей смеси и высокое октановое число (ОЧ > 102 - 105 ед.), что не допускает детонационного сгорания в цилиндрах двигателя и позволяет использовать высокие степени сжатия;

- содержит минимальное количество веществ, вызывающих коррозию поверхностей деталей, окисление и разжижение моторного масла в картере двигателя;

- обеспечивает минимальное образование токсичных и канцерогенных веществ в продуктах сгорания;

- обладает способностью сохранять стабильность компонентного состава, физико-химические и моторные свойства;

- имеет минимальное содержание смолистых веществ и механических примесей, способствующих нагарообразованию и загрязнению систем питания и зажигания двигателя.

7.1.2. В соответствии с ГОСТом 27577 КПГ должен соответствовать требованиям и нормам, приведенным в табл. 7.1.

Таблица 7.1

Физико-химические показатели КПГ для газобаллонных автомобилей по ГОСТ 27577 (при 20°С и 0,1013 МПа (760 мм рт. ст.))

№ п/п

Наименование показателя

Единица измерения

Нормативные значения

1

Объемная теплота сгорания, не менее

кДж/м3

31800

2

Относительная плотность к воздуху

-

0,55-0,70

3

Расчетное октановое число газа, не менее (по моторному методу)

-

105

4

Концентрация сероводорода, не более

г/м3

0,02

5

Концентрация меркаптановой серы, не более

г/м3

0,036

6

Масса механических примесей, не более

мг в 1 м3

1,0

7

Суммарная объемная доля негорючих компо­нентов, не более

%

7,0

8

Объемная доля кислорода, не более

%

1,0

9

Концентрация паров воды, не более

мг/м3

9,0

7.1.3. Применение КПГ в качестве моторного топлива на автомобильном транспорте требует соблюдения определенных мер безопасности.

Природный газ относится к группе веществ, способных образовывать с воздухом пожаро-взрывоопасные смеси.

Концентрационные пределы воспламенения (по метану) в смеси с воздухом, в объемных долях составляют: нижний - 5 %, верхний - 15 %.

Содержание газа в воздухе помещений и на рабочих местах (по метану) не должно быть более 20 % от нижнего концентрационного предела его воспламенения, т.е. не более 1,0% по объему.

По токсилогической характеристике природный газ, являющийся смесью углеводородных газов, в соответствии с требованиями ГОСТ 12.1.007-76, относится к веществам 4-го класса опасности.

Концентрация углеводородов КПГ в воздухе рабочей зоны не должна превышать предельно допустимую (ПДК) по ГОСТ 12.1.005-88 и гигиеническим нормативам ГН 2.2.5.686-98 - 300 мг/м3 в пересчете на углерод.

Наличие газа в рабочей зоне и его содержание определяют по запаху или газоанализаторами. Одорированный газ, при содержании его в воздухе 1 % по объему, имеет запах не менее трех баллов.

При определении концентрации газа газоанализаторами следует учитывать, что они по ГОСТ 12.1.005-88 должны быть выполнены во взрывозащищенном исполнении.

7.2. Конструкция некоторых моделей газовой аппаратуры нового поколения и примерные схемы их монтажа на различные модели АТС

В настоящее время различными организациями и предприятиями разработаны конструкции ГБО нового поколения, предназначенные для установки в условиях эксплуатации практически на все модели автомобилей и автобусов отечественного производства.

К таким организациям следует отнести ОАО «Инкар» и НПФ «САГА», ЗАО «Автосистема», РЗАА, ОАО «Завод им. Фрунзе», Новогрудский завод газовой аппаратуры, ООО «Грико» и др.

В настоящем разделе приведены конструктивные особенности некоторых моделей газовой аппаратуры, их принципиальные схемы и примерные схемы монтажа на различные модели АТС.

7.2.1. Автомобильная газовая топливная система «САГА-7»

Общие сведения

АГТС «САГА-7» предназначена для установки на все модели легковых, грузовых автомобилей и автобусов отечественного и иностранного производства с карбюраторными и инжекторными двигателями, обеспечивает их работу на КПГ, сохраняя полноценную работу на бензине.

При создании АГТС «САГА-7» конструкторами учитывались отечественные условия эксплуатации и недостатки конструкции ГБА других производителей.

Конструктивные особенности «САГА-7» обеспечивают безопасность водителя и пассажиров путем исключения попадания газа в случае протечки из полостей и магистралей системы с давлением 19,6 МПа в моторный отсек, багажное отделение и салон автомобиля.

Конструкция «САГА-7» позволяет использовать инструментальный метод контроля за протечкой газа со звуковой и световой сигнализацией о протечке; предусмотрена блокировка запуска двигателя, если заправочный пистолет колонки АГНКС не удален из заправочного устройства после окончания заправки автомобиля газом.

«САГА-7» допускает эксплуатацию переоборудованных автомобилей в различных климатических зонах при температуре окружающего воздуха от -40°С до 45°С.

Основные скоростные показатели (максимальная скорость, время разгона) автомобилей при работе на газе ухудшаются на 15-20 %.

Средняя наработка газовой аппаратуры (ГА) на отказ гарантируется в районе 20000 км, а срок службы составляет не менее 10 лет.

Установку и испытания газобаллонного оборудования осуществляют на специализированных предприятиях в соответствии с инструкцией по монтажу.

Состав комплекта, устройство и пришит работы ГА

В состав комплекта «САГА-7» входят следующие основные элементы:

- трехступенчатый редуктор-подогреватель;

- газовый смеситель;

- ЗУ;

- баллоны газовые с вентилями;

- газовый ЭМК;

- бензиновый ЭМК;

- газовые трубопроводы высокого и низкого давления;

- автоматическое (электронное) устройство управления работой системы;

- дренажные шланги отвода газа в случае утечки;

- датчики протечки;

- датчики давления;

- датчик блокировки запуска двигателя.

Принципиальная схема АГТС «САГА-7» приведена на рис. 7.1.

Сжатый природный газ хранится в баллонах 1, которые закрепляются на АТС согласно инструкции по монтажу. В баллоны ввернуты вентили 2. Вентили 2 баллонов соединяются последовательно трубопроводом высокого давления. Трубопроводы 5 и 20 соединяют вентили баллонов через газовый ЭМК 23 с трехступенчатым редуктором-подогревателем 18. Газовый ЭМК и трехступенчатый редуктор-подогреватель 18 устанавливаются в моторном отсеке. ЗУ 6 соединено трубопроводом с вентилем одного из баллонов.

Трубопровод проходит внутри дренажного гофрированного шланга 4, по которому газ в случае протечки через основные уплотнения ЗУ, вентилей, по резьбе вентиль-баллон или соединения трубопровода высокого давления выводится в атмосферу. В гофрированный шланг 4 вмонтирован датчик 3 протечки газа.

Газовый ЭМК 23 соединен с РВД 17 трубопроводом 20.

Рукав 15 низкого давления соединяет редуктор 18 с газовым смесителем 12 через дозатор газа 13.

Бензиновый ЭМК 11 устанавливается в моторном отсеке в разрыв бензопровода Н между карбюратором В и фильтром тонкой очистки D.

В дренажный шланг 14 РВД 17 вмонтирован датчик 16 протечки газа. В случае срабатывания предохранительного клапана или протечки газа в основных уплотнениях РВД 17 газ выводится за пределы моторного отсека.

В дренажный шланг 21 газового ЭМК 23 вмонтирован датчик 22 протечки газа. В случае протечки газа в основных уплотнениях газового ЭМК 23 газ выводится за пределы моторного отсека.

Электронное устройство 9 соединено электрическими проводами с:

- датчиками протечки газа 3, 16, 22;

- датчиком 24 давления газа;

- датчиком блокировки запуска двигателя 7;

- указателем давления газа (уровня топлива) 8 приборного щитка автомобиля К;

- катушкой зажигания L;

- датчиком-распределителем зажигания М.

Трехпозиционный переключатель «бензин-0-газ» вида топлива К) расположен на передней панели электронного устройства 9.

Разряжение от задросельной полости карбюратора подводится по шлангу 19.

Работа АГТС «САГА-7»

После включения зажигания напряжение 12В подается на электронное устройство 9 (рис. 7.1).

При работе на бензине трехпозиционный переключатель вида топлива 10 ставится в положение, соответствующее работе на бензине «Б». При этом подается напряжение питания для открытия бензинового ЭМК 11.

В результате бензин из бензобака J через бензопровод Н в бензиновый фильтр D бензонасосом С подается в карбюратор В двигателя внутреннего сгорания.

При этом переключатель 10 вида топлива подключает к указателю уровня топлива N датчик уровня бензина бензобака автомобиля, а корректор угла зажигания электронного устройства 9 устанавливает угол опережения зажигания, необходимый для работы на бензине.

При переходе на газовое топливо трехпозиционный переключатель 10 вида топлива ставится в положение, соответствующее работе на газе «Г».

Рис. 7.1. Принципиальная схема автомобильной ГТС системы «САГА-7»:

1 - баллоны; 2 - вентиль баллона; 3 - датчик протечки газа; 4 - дренажный гофрированный шланг в багажном отделении; 5 - трубопровод высокого давления; 6 - ЗУ; 7 - датчик блокировки запуска двигателя; 8 - указатель давления газа; 9 - электронное устройство; 10 - трехпозиционный переключатель «бензин-0-газ»; 11 - бензиновый ЭМК; 12 - газовый смеситель; 13 - дозатор газа; 14 - дренажный шланг РВД; 15 - рукав низкого давления; 16 - датчик протечки газа; 17 - РВД; 18 -трехступенчатый редуктор-подогреватель; 19 - шланг подвода разряжения от дроссельной полости карбюратора; 20 - трубопровод высокого давления; 21 - дренажный шланг газового ЭМК; 22 - датчик протечки газа; 23 - газовый ЭМК; 24 - датчик давления газа; А - двигатель; В - карбюратор; С - бензонасос; D - фильтр тонкой очистки; Н - бензопровод; J - бензобак; К - приборный щиток автомобиля; L - катушка зажигания; М - датчик распределения зажигания; N - указатель уровня топлива

Переход на газовое топливо осуществляется через нулевое положение переключателя 10 для выработки бензина из поплавковой камеры, после чего нажимается клавиша в положении «Г».

Переключатель 10 вида топлива подключает к указателю 8 давления газа (указателю уровня бензина N) датчик 24 давления газа, а корректор угла опережения зажигания электронного устройства 9 устанавливает угол опережения зажигания, необходимый для работы на газе.

В этом случае ЭМК 11 закрывается и прекращается подача бензина в карбюратор В двигателя.

Одновременно подается напряжение для открытия ЭМК 23. После открытия последнего газ из баллона 1 по трубопроводу высокого давления 5 через газовый ЭМК 23 и трубопровод 20 высокого давления поступает на вход РВД 17, входящего в состав трехступенчатого редуктора-подогревателя 18.

После снижения давления газа в последнем газ по рукаву 15 низкого давления через дозатор 13 газа поступает в газовый смеситель 4 карбюратора В двигателя.

Когда двигатель работает на газе, газовые баллоны 1, ЗУ 6, вентиль 2, газовый ЭМК 23, РВД 17, трубопроводы 5, 20 находятся под давлением 19,6 МПа (200 кгс/см2) и ниже, т.е. равным давлению газа в баллонах.

Если двигатель останавливается по каким-либо причинам, электронное устройство 9 снимает напряжение питания с газового ЭМК 23, следовательно, в РВД 17 газ поступать не будет.

Монтаж АГТС «САГА-7» на АТС

Монтаж автомобильной ГТС «САГА-7» на АТС производится в соответствии с требованиями «Инструкции по монтажу», составленной и утвержденной разработчиками конструкции и изготовителя газовой аппаратуры.

Ниже в качестве примера приведены монтажные схемы и перечень работ по установке деталей и узлов АГТС «САГА-7» на легковой автомобиль Волга и малотоннажный грузовой автомобиль ГАЗ-3302 «Газель».

Аналогичные монтажные схемы установки АГТС «САГА-7» разработаны и для других моделей легковых, грузовых автомобилей и автобусов, которые прилагаются к комплектам ГБО при их реализации.

Монтаж деталей и узлов комплекта АГТС «САГА-7» на легковой автомобиль Волга выполняется в соответствии с требованиями, изложенными в табл. 7.2 (колонка «Место установки на автомобиле, детали монтажа»), и монтажных схем, представленных на рис. 7.2-7.4.

Таблица 7.2

Состав комплекта деталей и узлов АГТС «САГА-7» и места их установки на легковой автомобиль Волга (см. рис. 7.2)

№ п/п

Наименование

Обозначение

Кол-во

Место установки на автомобиле, детали монтажа**

1

2

3

4

5

1*

ЗУ

9031.03.000

1

В багажном отделении. Пакет № 2

 

Трубопроводы высокого давления

 

 

 

 

а) Трубка

9031.00.010-04, L = 4,5 м

1

Под кузовом автомобиля, по правой стороне между вентилем баллона 3 и ЭМК 8. Пакет № 3

 

б) Трубка

9031.00.010-02, L = 0,5 м

3

Между вентилями баллонов, ЭМК 8 и трехступенчатым редуктором-подогревателем 7

 

в) Трубка

9031.00.010-03, L = 0,3 м

1

Между вентилями баллона и ЗУ 1

3*

Вентиль

9031.02.000

3

Вворачиваются в баллоны

4*

Смеситель газа «САГА»

9031.06.00

1

Над карбюратором, в полости воздушного фильтра. Перед установкой смесителя в днище корпуса воздушного фильтра сверлят отверстие 22 мм для рукава подвода газа 6а

5*

ЭМК бензина

9081.00.000.01

1

Под капотом двигателя, крепится к вакуумному усилителю тормозов. Пакет № 4

 

Кронштейн

9031.00.008

1

 

 

Пластина крепления

9031.00.009

1

 

 

Винт

5-16-ц ОСТ 1 31501-80

2

 

 

Гайка

M5-7H.S.016 ГОСТ 5927-70

2

 

 

Гайка

М10-7Н.8.016 ГОСТ 5927-70

1

 

 

Шайба

2621с55-5кд

2

 

 

Шайба

10 фос. окс ОСТ 1 11532-74

1

 

6*

Рукав

 

 

 

 

а) рукав подвода газа 40У16-7 ТУ 38.005.6016-87

9031.00.006

0,6 м

Между трехступенчатым редуктором-подогревателем 7 и смесителем газа 4. Пакет № 9

 

б) рукав вакуума 40У6-13ТУ-38.005.6016-87

9071.00.023-1

1,1 м

Между трехступенчатым редуктором - подогревателем 7 и штуцером отбора вакуума 11д, который вворачивается во впускную трубу двигателя. Пакет № 9

 

в) рукав бензина 40У6-13 ТУ 38.005.6016-87

9071.00.023-1

1,1 м

Между ЭМК 5 бензина, карбюратором и фильтром Д. Пакет № 9

 

г) рукав дренажа 40У10-7ТУ 38.005.6016-87

9031.00.016

Между тройником 116 и датчиком 13 утечки газа, редуктором 7, ЭМК 5, трубкой вентиляционной 20. Между тройником 11а и датчиком 13 утечки газа вентилей. Пакет № 9

 

д) рукав обогрева 40У10-7ТУ 38.005.6016-87

9031.00.016

1 м

Между штуцерами трехступенчатого редуктора-подогревателя 7 и тройниками 11в. Пакет № 9

 

е) рукав гофрированный

9031.00.017

3 м

Между вентилями 3 и тройником 11а, патрубком 11е. Пакет № 9

7*

Трехступенчатый редуктор-подогреватель

9031.00.040

1

Под капотом двигателя

 

Кронштейн

9071.00.057

1

Пакет №1

 

Планка

9071.00.059

1

--«»--

 

Болт

5-12-цОСТ 1 31102-80

3

--«»--

 

Гайка

М5-7Н78.016

ГОСТ 5927-70

6

--«»--

 

Шайба

2621с55-5кд

6

--«»--

8*

ЭМК высокого давления

9031.04.000

1

Под капот двигателя. Пакет №2

9*

Крепление трубопроводов

 

 

Пакет № 3

 

Винт

5-8-цОСТ 1 31566.80

8

 

 

Хомут

9071.00.076

8

 

 

Втулка

9071.00.061

3

 

 

Хомут

9071.00.064

3

 

 

Гайка

М5-7Н.8.016

ГОСТ 5927-70

6

 

 

Винт

5-16-цОСТ 1 31501-80

6

 

 

Лайба

2621с55-5кд

6

 

10

Крепление ЗУ и ЭМК

 

 

Пакет № 2

 

Болт

6-60ц ОСТ 1 31102-80

3

--«»--

 

Винт

6-14-цОСТ 131501-80

2

Пакет № 2

 

Гайка

М6-7Н.8.016 ГОСТ 5927-70

8

 

 

Шайба

2621с55-6кд

9

 

11

Соединения, крепления рукавов

 

 

Пакет № 5

 

а) тройник датчика утечки газа вентилей

9031.06.000

1

На кронштейне арматуры для крепления баллонов 15

 

б) тройник датчика утечки газа РВД, ЭМК

9031.07.010

1(3)

Под капот двигателя

 

в) тройник подвода жидкости на обогрев редуктора

9071.00.019

2

В разрез рукавов подвода теплоносителя от двигателя к отопителю салона автомобиля

 

г) тройник подвода вакуума

9071.00.022-3

1

 

 

д) штуцер отбора вакуума

9071.00.094

1

Вворачивается во впускную трубку двигателя

 

e) патрубок

9071.00.037

I

На трубку 2а. Через рукав гофрированный 6д соединяется с тройником 11а

12

Переключатель «бензин-0-газ»

П-2Т-1 ВТО 360.002ТУ или Ш47-06.45 ТУ 37.003.71-75

1

3 нижней левой части панели приборов, для чего предварительно выпиливается квадратное отверстие размером 27×42 мм. Пакет № 6

 

Штырь

02-63-12 ОСТ 37.003.032-88

4

 

 

Гнездо

02-6.3-12 ОСТ 37.003.032-88

10

 

 

Наконечник

0.5-6-В-ЛТ-0.5

ГОСТ 22002.7-76

4

 

 

Наконечник

0.5-5-В-ЛТ-0.5

ГОСТ 22002.7-76

1

 

 

Трубка

305ТВ-40.9

ГОСТ 19034-82

3,5 м

На провода

 

Трубка

305ТВ-40.7

ГОСТ 19034-82

1 м

На провода

13

Сигнализатор утечки газа (СУГ)

9031.10.000

1 Комплект с двумя датчиками

В штатное квадратное отверстие в левой части панели приборов. Один датчик - к тройнику 11а, второй датчик - к тройнику 116

14

Согласующее устройство датчика давления

9031.11.000

1

На ЭМК 8 высокого давле­ния. Подключается по схеме рис. 7.4

15

Арматура для крепления баллонов

СУЮК 4544.00.012

1

В багажном отделении

16

Комплект проводов

 

 

 

 

а) ШВВП

20.5

ГОСТ 7399-80

1,1 м черный

Между СУГ 13 и датчиком (тройник) Па

 

б) ШВВП

2×0.5

ГОСТ 7399-80

2,6 м белый

Между СУГ 13 и датчиком (тройник) 116

 

в) ПВ

4-1.0 ГОСТ ВД 6323-81

2,6 м белый

Между переключателем К, ЭМК 5, 8 и согласующим устройством 14

 

г)ПВ

3-1.0

ГОСТ 6323-79

1,2 м синий

 

 

д)ПВ

4-0.5 ГОСТ 6323-79

0,25 м зеле­ный

 

17

Соединительные пластмассовые разъемы

2-контактные 1-контактные

1

4

На провода по схеме рис. 7.3-7.4. Пакет №8

 

Штырь

02-6.3-12 ОСТ 37.003.032-88

20

 

 

Гнездо

02-6.3-12 ОСТ 37.003.032-88

28

 

18

Хомуты

а) 1" дюйм

5

Для крепления рукавов. Пакет № 9

 

 

б) 2" дюйма

12

 

 

 

в) 5/8" дюйма

5

 

 

 

г) 3/4" дюйма

15

 

19

Крепеж

 

 

Пакет №11

 

Болт

Мб, L=20 мм

2

 

 

Винт

Мб, L=50 мм

2

 

 

Винт

М10, L=20mm

1

 

 

Гайка

М10

2

 

 

Шайба гровер

10

1

 

20

Трубка вентиляционная

9031.00.010-70

1

В правой нише переднего колеса

21

Хомуты пластмассовые

L= 100-160 мм

10

Для крепления проводов. Пакет № 12

* Позиции с 1 по 9 указаны на рис. 7.2.

** Детали, не указанные на рис. 7.2, обозначены порядковым номером в табл. 7.2.

В процессе монтажа ГБА необходимо выполнить следующие работы:

- в баллоны ввернуть вентили 3 (см. рис 7.2) по технологии завода-изготовителя;

- на электрические выводы (провода) ЭМК 8 высокого давления, ЭМК 5 бензина, сигнализатора 13 утечки газа (СУГ), согласующего устройства 14 датчика давления закрепить соединительные разъемы «гнездо» и клемму «корпус»;

Рис. 7.2. Схема размещения деталей и узлов АГТС «САГА-7» на автомобиле Волга

проложить кабель отдатчика СУ Г из багажного отделения по левой стороне пола салона автомобиля под ковриком;

отбортовать пластмассовыми хомутами 21 (см. табл. 7.2) провода, проходящие в отсеке двигателя.

Монтаж деталей и узлов комплекта АГТС «САГА-7» на малотоннажный грузовой автомобиль ГАЗ-3302 «Газель» производится в соответствии с требованиями, изложенными в табл. 7.3 (колонка «Место установки на автомобиле, детали монтажа») и монтажных схем, представленных на рис. 7.5-7.7.

Переключатель «газ-0-бензин», ЭМК и датчики давления под­ключаются по схеме, представленной на рис. 7.4.

Рис. 7.3. Схема соединений сигнализатора утечки газа (СУГ) на автомобиле Волга:

1 - блок питания и индикации; 2 - датчики

Рис. 7.4. Схема соединений переключателя «газ-0-бензин» ЭМК, датчика давления на автомобиле Волга:

1 - датчик давления газа; 2 - согласующее устройство датчика давления газа; 3 - переключатель «газ-0-бензин»; 4 - указатель уровня бензина; 5 - электромагнитный клапан бензина; 6 - электромагнитный клапан высокого давления; А - на датчик указателя уровня топлива

Таблица 7.3

Состав комплекта деталей и узлов АГТС «САГА-7» и места их установки на грузовой автомобиль ГАЗ-3302 «Газель» (см. рис. 7.5)

№ п/п

Наименование

Обозначение

Кол-во

Место установки на автомобиле, детали монтажа**

1

2

3

4

5

1*

ЭМК бензина

9081.00.008

1

Под капотом двигателя к вакуумному усилителю тормозов. Пакет № 4

 

Кронштейн

9031.00.008

1

 

 

Пластина крепления

9031.00.009

1

 

 

Винт

5-16-ц ОСТ 1 31501-80

2

 

 

Гайка

М5-7Н.8.016 ГОСТ 5927-70

2

 

 

Гайка

М10-7Н.8.016 ГОСТ 5927-70

1

 

 

Шайба

2621с55-5кд

2

 

 

Шайба

10 фос.окс ОСП 11532-74

1

 

2*

Смеситель газа «САГА»

9031.06.00

1

Над карбюратором, в полости воздушного фильтра. Перед установкой смесителя в днище корпуса воздушного фильтра сверлят отверстие ø22 мм для рукава 3а подвода газа

3*

Рукав

 

 

 

 

а) Рукав подвода газа 40У16-7ТУ 38.005.6016-87

9031.00.006

0,6 м

Между трехступенчатым редуктором-подогревателем 4 и смесителем газа 2. Пакет № 9

 

б) Рукав вакуума 40У 6-13 ТУ 38.005.6016-87

9071.00.023-1

1,1 м

Между трехступенчатым редуктором-подогревателем 4 и штуцером отбора вакуума 17д, который вворачивается во впускную трубу двигателя. Пакет № 9

 

в) Рукав бензина 40У 6-13 ТУ 38.005.6016-87

9071.00.023-1

1,1 м

Между ЭМК 1 бензина, карбюратором В и фильтром D (см. рис. 7.1). Пакет №9

 

г) Рукав дренажа 40У10-7 ТУ 38.005.6016-87

9031.00.016

3 м

Между пятерни ком 176 и датчиком 5 утечки газа, редуктором 4, ЭМК 6, магистральным вентилем 7, вентиляционной трубкой 10. Между тройником 17а и датчиком утечки газа вентилей 5. Пакет №. 9

 

д) Рукав обогрева 40У10-7 ТУ 38.005.60J 6-87

9031.00.016

1 м

Между штуцерами трехступенчатого редуктора-подогревателя 4 и тройниками 17в. Пакет № 9

 

е) Рукав гофрированный

9031.00.017

3 м

Между магистральным вентилем 7 и ЗУ 8. Между вентилями 12, тройником 17а, патрубком 17е. Пакет № 9

4*

Трехступенчатый редуктор-подогреватель

9031.00.040

1

Кронштейн 9. Под капотом двигателя

 

Кронштейн

9071.00.057

1

Пакет № 1

 

Планка

9071.00.059

1

 

 

Болт

5-12-ц ОСТ 1 31102-80

3

 

 

Гайка

М5-7Н.8.016 ГОСТ 5927-70

6

 

 

Шайба

2621с55-5кд

6

 

5*

Сигнализатор утечки газа (СУГ)

9031.10.000

1 комплект с двумя датчиками

В штатное квадратное отверстие в левой части панели приборов. Один датчик - к тройнику 17а, второй датчик - к тройнику 176

6*

ЭМК высокого давления

9031.04.000

1

Кронштейн 9. Пакет № 2

7*

Вентиль магистральный

9031.02.000-01

1

На кронштейне 9

8*

ЗУ

9031.03.000

1

Кронштейн 9. Пакет № 2

9*

Кронштейн вентиля, ЗУ, ЗМК, редуктора

9031.00.008-01

1

Над поддоном, справа от двигателя. Пакет № 11

10*

Трубка вентиляционная

9031.00.010-06

1

На задней стенке кабины, в районе правого лонжерона, где выходит рукав 3г дренажа

11*

Трубопроводы высокого давления

 

 

 

 

а) трубка

9031.00.010 04,

L = 3,7m

1

Под кузовом автомобиля, по правому лонжерону между вентилем баллона 12 и вентилем магистральным 7. Пакет № 3

 

б) трубка

9031.00.010-02,

L = 0,45 м

3

Между вентилями баллонов

 

в) трубка

9031.00.010-03, L - 0,3 м

3

Кронштейн 9 между: - вентилем магистральным и ЗУ; - вентилем магистральным и ЭМК; - ЭМК и трехступенчатым редуктором-подогревателем

12*

Вентиль

9031.02.000

4

Вворачиваются в баллоны

13*

Согласующее устройство датчика давления

9031.11.000

1

На ЭМК высокого давления 6. Подключается по схеме рис. 7.4

14*

Переключатель «бензин-0-газ»

П-2Т-1 ВТО 360.002ТУ или П147-06.45 ТУ 37.003.71-75

1

В нижней левой части панели приборов, для чего предварительно выпиливается квадратное отверстие размером 27×42 мм. Пакет № 6

 

Штырь

02-6.3-12 ОСТ 37.003.032-88

4

 

 

Гнездо

02-6.3-12 ОСТ 37.003.032-88

10

 

 

Наконечник

0.5-6-В-ЛТ-0.5 ГОСТ 22002.7-76

4

 

 

Наконечник

0.5-5-В-ЛТ-0.5 ГОСТ 22002.7-76

1

 

 

Трубка

305ТВ-40.9 ГОСТ 19034-82

3,5 м

На провода

 

Трубка

305ТВ-40.7 ГОСТ 19034-82

1 м

На провода

15

Крепление ЗУ и ЭМК

 

 

Пакет № 2

 

Болт

6-60-ц ОСТ 1 31102-80

3

 

 

Винт

6-14-ц ОСТ 1 31501-80

2

 

 

Гайка

М6-7Н.8.016 ГОСТ 5927-70

8

 

 

Шайба

2621с55-6кд

9

 

16

Крепление трубопроводов

 

 

Пакет № 3

 

Винт

5-8-ц ОСТ 1 31566.80

8

 

 

Хомут

9071.00.076

8

 

 

Втулка

9071.00.061

3

 

 

Хомут

9071.00.064

1

 

 

Гайка

М5-7Н.8.016 ГОСТ 5927-70

6

 

 

Винт

5-16-ц ОСТ 1 31501-80

6

 

 

Шайба

2621с55-5кд

6

 

17

Соединения, крепления рукавов

 

 

Пакет № 5

 

а) тройник датчика утечки газа вентилей

9031.06.000

1

На кронштейне арматуры для крепления баллонов 18

 

б) пятерник датчика утечки газа (или тройник) редуктора ВД, ЭМК, ЗУ, магистрального вентиля

9031.07.010

1 (3)

На поддоне под капот двигателя

 

в) тройник подвода жидкости на обогрев редуктора

9071.00.019

2

В разрез рукавов подвода теплоносителя от двигателя к отопителю кабины

 

г) тройник подвода вакуума

9071.00.022-3

1

 

 

д) штуцер отбора вакуума

9071.00.094

1

Вворачивается во впускную трубку двигателя

 

е) патрубок

9071.00.037

1

На трубку 11а. Через гофрированный рукав 3д соединяется с тройником 17а

18

Арматура для крепления баллонов

СУЮК. 4544-00.011

 

На раме автомобиля

19

Заглушка вентиля

15-1-1 ОСТ 1 10292-71

1

В крайний вентиль вместо штуцера подключения трубопроводов высокого давления. Пакет № 7

20

Комплект проводов

 

 

 

 

а)ПВС

4×0.75 ГОСТ 7399-80

5,6 м черный

Между СУГ 5 и датчиком (тройник 17а)

 

б)ПВС

4×0.75 ГОСТ 7399-80

2,8 м белый

Между СУГ 5 и датчиком (пятерник)176

 

в) ШВВП

2×0.5 ГОСТ 7399-80

1,1 м черный

 

 

г) ШВВП

2×0.5 ГОСТ 7399-80

2,6 м белый

 

 

д) ПВ

4-1.0 ГОСТ ВД6323-81

2,6 м белый

 

 

е) ПВ

3-1.0 ГОСТ 6323-79

1,2 м синий

 

 

ж) ПВ

4-0.5 ГОСТ 6323-79

0,25 м зеленый

 

21

Соединительные пластмассовые разъемы

4-контактные

2-контактные

1-контактные

4

1

4

На провода по схеме рис. 7.4 - 7.7. Пакет №8

 

Штырь

02-6.3-12 ОСТ 37.003.032-88

25

 

 

Гнездо

02-6.3-12 ОСТ 37.003.032-88

32

 

22

Хомуты

а) 1" дюйм

5

Для крепления рукавов. Пакет № 9

 

 

б) 2" дюйма

12

 

 

 

в) 5/8" дюйма

5

 

 

 

г) 3/4" дюйма

15

 

23

Кронштейн крепления дренажного шланга

9031.00.93

2

На вентиляционную трубку 10, на пятерник 176. Пакет № 10

24

Крепеж

 

 

Пакет № 11

 

Болт

М6, L = 20 мм

2

 

 

Винт

М6, L = 50 мм

2

 

 

Винт

M10,L = 20mm

1

 

 

Гайка

М10

2

 

 

Шайба гровер

10

1

 

25

Хомуты пластмассовые

L = 100-160 мм

10

Для крепления проводов. Пакет № 12

* Позиции с 1 по 14 даны на рис. 7.5.

** Детали, не указанные на рис. 7.5, обозначены порядковым номером в табл. 7.3.

До установки АГТС «САГА-7» на автомобиль необходимо на кронштейн 9 (см. рис. 7.5) смонтировать:

- магистральный вентиль 7;

- заправочное устройство 8;

- ЭМК 6 высокого давления;

- трехступенчатый редуктор-подогреватель 4;

- трубопроводы высокого давления 11а, 11в;

- рукав гофрированный 3е.

Всю сборку на кронштейне 9 проверить на герметичность воз­духом с давлением 1,0-1,2 МПа (10-12 кгс/см2).

В баллоны ввернуть вентили 12 (по технологии завода-изготовителя).

На электрические выводы (провода) электромагнитного клапана высокого давления (ЭМК) 6, ЭМК 1 бензина, сигнализатора 5 утечки газа (СУГ), согласующего устройства 13 датчика давления закрепить соединительные разъемы «гнездо» и клемму «корпус».

Рис. 7.5. Схема размещения деталей и узлов АГТС «САГА-7» на автомобиле ГАЗ-3302 «Газель»

Рис. 7.6. Схема установки газовых баллонов на раме автомобиля ГАЗ-3302 «Газель»:

1 - лонжерон кузова; 2 - продольный брус; 3 - лонжерон рамы

В раме автомобиля просверлить отверстия для арматуры крепления баллонов (рис. 7.5 и 7.6).

Подготовить деревянные продольные брусья 2 (рис. 7.6).

7.2.2. Газовая аппаратура ОАО «Новогрудский завод газовой аппаратуры».

Общие сведения

Комплект газобаллонной аппаратуры «ЮГА» предназначен для использования на грузовых автомобилях семейства ЗИЛ, ГАЗ, УАЗ и др., позволяющих использовать КПГ в качестве моторного топлива с сохранением возможности полноценной работы двигателя на бензине.

ГА допускает эксплуатацию автомобилей в различных климатических зонах при температурах окружающего воздуха от -40°С до 45°С.

Рис. 7.7. Схема соединений сигнализатора утечки газа (СУГ) на автомобиле ГАЗ-3302 «Газель»:

1 - блок питания и индикации; 2 - датчики

Показатели максимальной скорости движения на горизонтальном участке ровного шоссе при работе на газе, оснащенного ГА автомобиля, при полной массе уменьшается не более чем на 20% максимальной скорости при работе на бензине, а время разгона автомобиля увеличивается не более чем на 30 %.

Грузоподъемность автомобиля уменьшается на величину массы ГБО. Средняя наработка ГА на отказ гарантируется в районе 20000 км, а срок службы - не менее 10 лет.

Состав комплекта, устройство и принцип работы ГА

В состав комплекта входят:

- газовые баллоны с арматурой;

- блок высокого давления;

- газовый РНД;

- вентили баллонных секций;

- заправочный узел;

- смесительное устройство;

- бензиновый ЭМК;

- переключатель вида топлива;

- комплект трубопроводов высокого и низкого давления с соединительными и установочными элементами;

- ложементы и кронштейны крепления баллонов;

- комплект электропроводов с предохранителем и установочными элементами;

- набор крепежных узлов и деталей.

Комплектом предусмотрено применение на автомобилях семейства ГАЗ и ЗИЛ газовых баллонов, выпускаемых в соответствии с ГОСТ 949-73 или ГОСТ Р 51753-2001, с максимальным рабочим давлением до 19,6 МПа и емкостью 50 л.

На рис. 7.8 приведена комбинированная принципиальная и монтажная схема газобаллонной аппаратуры «НЗГА» для грузовых автомобилей.

Заправка аппаратуры компримированным (сжатым) природным газом производится через заправочный выносной узел 19, наполнительный вентиль 21 и баллонные вентили 23 в баллоны 20. Баллоны объединены в две секции при помощи трубопроводов высокого давления, тройников баллона 29, вентильных тройников 28, угольника 30, переходника 24 манометра с манометром 25.

Из баллонов сжатый природный газ по трубопроводу высокого давления через крестовину 22 попадает к газовому ЭМК 17, предварительно пройдя очистку от твердых примесей в фильтре газовом (ФГ) 26. После открытия газового ЭМК газ подается к редуктору-подогревателю 13 высокого давления (РПВД), где происходит снижение давления газа до 0,9-1,0 МПа (9-10 кгс/см2). При редуцировании (снижении давления) в РПВД происходит снижение температуры газа. Поэтому для исключения обмерзания РПВД подогревается при помощи водяных рукавов 12, подходящих от системы охлаждения двигателя. К РПВД подходят также дренажные трубопроводы 11, служащие для отвода газа из подкапотного пространства, при срабатывании предохранительного клапана или разрушении мембраны РПВД. Затем газ поступает по трубопроводу низкого давления к газовому РНД 6. В газовом РНД происходит дальнейшее снижение давления газа до величины, близкой к атмосферному давлению. Газовый РНД оборудован экономайзером и разгрузочным устройством, управляемым при помощи разрежения, отбираемого из впускного коллектора двигателя при помощи вакуумных шлангов 9. От РНД газ при помощи газового рукава 10 поступает в смеситель 27 газа и проставку холостого хода 3.

Рис. 7.8. Комбинированная принципиальная и монтажная схема газобаллонной аппаратуры «НЗГА» для грузовых автомобилей:

1 - бензонасос; 2 - бензиновый ЭМК; 3 - проставка холостого хода; 4 - впускной коллектор; 5 - карбюратор; 6 - газовый РНД; 7 - моторный отсек; 8 - пусковой ЭМК; 9 - вакуумные шланги; 10 - газовый рукав; 11 -дренажные трубопроводы; 12 - водяные рукава; 13 - редуктор-подогреватель высокого давления; 14 - клемма «15» замка зажигания; 15 - комплект электропроводов; 16- переключатель вида топлива; 17 - газовый ЭМК; 18 - рама автомобиля; 19 - заправочный выносной узел; 20 - газовые баллоны; 21 - наполнительный вентиль; 22 - крестовина; 23 - баллонный вентиль; 24 - переходник манометра; 25 - манометр; 26 - газовый фильтр; 27 - смеситель газа; 28 - вентильный тройник; 29 - тройник баллона; 30 - угольник баллона; 31 - бензобак; А - к системе охлаждения; Б - в салоне

Бензиновый ЭМК 2 устанавливается на топливопроводе перед карбюратором и служит для отключения подачи бензина при работе двигателя на газе.

Переключатель 16 при помощи комплекта 15 электропроводов связан с газовым и бензиновым ЭМК и пусковым ЭМК 8 и служит для выбора используемого при работе двигателя топлива (газ-бензин) с места водителя.

Монтаж газобаллонной аппаратуры «НЗГА» на АТС

Монтаж газобаллонной аппаратуры «НЗГА» на грузовые АТС типа ГАЗ производится в соответствии с требованиями разд. 5 настоящего документа и монтажными чертежами завода-изготовителя аппаратуры, показанными на рис. 7.9-7.18, и инструкции по монтажу ГБА на АТС.

Рис. 7.9. Схема дополнительных отверстий для мест крепления узлов ГА в моторном отсеке автомобиля:

1 - передняя панель кабины; 2 - штатное отверстие на передней панели кабины М8; А - ось рулевой колонки

Рис. 7.10. Схема монтажа фильтра газа, газового ЭМК и редуктора-подогревателя высокого давления:

1 - шпилька М8×16; 2 - редуктор-подогреватель высокого давления (РПВД); 3 - кронштейн крепления РПВД; 4 - шайба; 5 - гайка М8; 6 - гайка М8; 7 - фильтр газа; 8,12 - штуцеры; 9 - болт М6×16; 10 - шайба; 11 - кронштейн крепления; 13 - газовый ЭМК; 14 - гайка Мб; 15 - шайба

Рис. 7.11. Схема установки газового РНД:

1 - тройник для воды; 2 - хомуты; 3 - шайба; 4 - гайка М10; 5 - шайба; 6 - гайка Мб; 7 - болт М6×16; 8 - стойка; 9 - кронштейн крепления; 10 - гайка М14×1.5; 11 - газовый ниппель; 12 - шпилька М10×20; 13 - пусковой электромагнит; 14 - газовый редуктор; 15 - ниппель воды

Рис. 7.12. Схема монтажа смесителя газа и проставки холостого хода:

1 - хомуты; 2 - винт холостого хода; 3 - вакуумный ниппель проставки холостого хода; 4 - шланг; 5,7 - вакуумные рукава; 6 - вакуумный тройник; 8 - прокладка проставки холостого хода; 9 - удлиненная тяга; 10 - болт М6×40; 11 - смеситель газа; 12 - прокладка; 13 - шпилька; 14 - прокладка; 15 - проставка холостого хода

Рис. 7.13. Схема монтажа электромагнитного бензинового клапана:

1 - бензиновый ЭМК; 2 - болт М6×35; 3 - шайба; 4 - гайка; 5 - кронштейн; 6 - радиатор; 7 - подводящие и отводящие бензиновые шланги; 8 - хомуты

Рис. 7.14. Схема монтажа переключателя вида топлива и комплекта электропроводов в кабине автомобиля:

1 - переключатель вида топлива; 2 - винты крепления

Соединение проводов

Марка провода

Откуда идет

Куда идет

устройство

клемма

устройство

клемма

+

Замок зажигания

ВК

Переключатель

+

Г

Переключатель

Г

Электромагнит КГ

ЭКГ

Б

Переключатель

Б

Электромагнит БК

ЭБК

Р

Переключатель

Р

Электромагнит ГР

ЭГР

Рис 7.15. Схема установки передней поперечины рамы для крепления задней секции баллонов:

1 - передняя поперечина; 2 - шайба; 3 - гайка; 4 - болт М10 35; 5, 13 - кронштейны поперечины; 6 - накладка стремянки; 7 - усилитель; 8 - стремянка; 9 - трехволновые кронштейны; 10 - болты М12×1 и М23×130; 11 - гайки М12х 1 иМ25; 12 -шайбы; 14 - гайки М12×1,25

Рис. 7.16. Схема установки задней поперечины рамы для крепления задней секции баллонов:

1 - задняя поперечина; 2 - косынки; 3 - болт М12×1 и М25×130; 4 - гайки М12×1 и М25; 5 - шайбы; 6 - трехволновые кронштейны; 7-10 - элементы крепления; 11 - деревянный брус; 12 - болты М10×35; 13 - гайка М10; 14 - шайбы

Рис. 7.17. Схема установки передней секции баллонов:

А - крестовина газовых трубопроводов высокого давления; Б - доработка поперечины рамы;

В - элементы соединения газовых трубопроводов высокого давления.

1 - гайка Ml2×1,25; 2 - накладка стремянки; 3 -- поперечина рамы; 4 - кронштейн поперечины; 5-7 -болт, гайка, шайба; 8-10 - болт, гайка, шайба; 11 - усилитель; 12 - стремянка; 13 - трехволновые кронштейны; 14 - газовый трубопровод высокого давления; 15 - стремянка; 16 - четырехволновый кронштейн; 17 - накидная гайка; 18 - ниппельное кольцо; 19 - штуцер крестовины; 20 - крестовина

Рис. 7.18. Схема монтажа выносного заправочного устройства:

1 - патрубок; 2 - шайба; 3 - гайка М8; 4 - вентиль; 5 - хомут; 6 - ЗУ

7.2.3. Инжекторное газобаллонное оборудование фирмы «Грико» и ОАО «Автогаз»

Общие сведения

Фирма «Грико» НИИ автоматической аппаратуры имени академика В. С. Семенихина и ОАО «Автогаз» - первые в России разработали инжекторные системы для легковых и грузовых автомобилей с использованием в качестве моторного топлива КПГ.

В основу разработки положен новый способ впрыска. Его сущность - в дискретном дозировании при изменяющемся давлении впрыска и длительности открытия электромагнитных инжекторов (форсунок). Подача газа осуществляется дискретно (порциями) на каждый рабочий ход каждого поршня. Прототипом разработанного метода послужил метод впрыска бензина в системе «Джетроник-К» фирмы «BOSCH» (Германия). Реализация системы позволила (по сравнению с известными инжекторными бензиновыми аналогами) сократить число используемых датчиков, упростить ЭБУ и всю систему, повысить ее надежность и в несколько раз снизить стоимость. Одна из основных проблем - это создание быстродействующего электромагнитного газового инжектора, являющегося исполнительным дозирующим устройством. Оно открывается и закрывается по сигналам от ЭБУ, синхронизированному с вращением коленчатого вала двигателя. Быстродействие инжектора определяется максимальной частотой вращения двигателя и аналогично быстродействию бензиновых инжекторов, широко применяемых в современных системах топливоподачи. Разница в том, что для газа требуется открывать и закрывать проходное сечение на порядок большее, чем для бензина. Применением специальных материалов и нормально-открытой компоновочной схемы данную проблему удалось решить. Масса подвижных элементов инжектора составляет 0,9 г при площади перекрываемого сечения до 12 мм2, обеспечивая время срабатывания около 2 мс.

Параметры топливоподачи выбраны такими, что перепад давления газа на инжекторе, под действием которого осуществляется впрыск, не опускается менее 70 кПа (0,7 кгс/см2). Это позволило: минимизировать размеры мембраны газового редуктора; существенно увеличить их ресурс; изготавливать детали методом холодной штамповки; обеспечить минимальную стоимость изготовления. С целью упрощения схемы ЭБУ выполнен таким образом, что использует в качестве управляющего сигнала разряжение во впускном коллекторе за дроссельной заслонкой (а не перед ней, как в традиционных системах), являющееся аналогом циклового расхода воздуха и изменяющееся в диапазоне 0-70 кПа (0-0,7 кгс/см2), а не десятков миллиметров водяного столба. Редуктор изменяет по определенному закону перепад давления газа на инжекторе. Совместная работа редуктора и газового инжектора определяют режим топливоподачи газа непосредственно во впускной коллектор двигателя. От длительности импульса открытия инжектора зависит количества подаваемого газа.

Схема ЭБУ выполнена таким образом, что электрический сигнал на открытие газового клапана и на работу инжектора подается только при вращении двигателя. Таким образом, при остановке двигателя и включенном зажигании газовый клапан и инжектор закрываются, исключая утечку газа в коллектор.

Благодаря отсутствию «смесителя» как такового и впрыску газа непосредственно в коллектор двигателя, а также удобству в регулировании и настройке разработанные системы пригодны для установки практически на все типы и марки автомобилей, в том числе на автомобили с бензиновыми инжекторными системами.

Состав комплекта, устройство и принцип работы

Принципиальная схема и состав газобаллонной установки для работы на сжатом газе показаны на рис. 7.19. Баллоны 2 монтируются на ложементах 1 при помощи стяжных хомутов 3. Ложементы с баллонами устанавливаются в багажном отделении автомобиля и крепятся к силовым элементам кузова при помощи болтов. Баллоны соединяются между собой трубопроводами высокого давления. На выходе из блока баллонов установлен магистральный газовый вентиль 5, вентиль подобной конструкции установлен и на другом баллоне. Блок баллонов соединяется магистральным трубопроводом 6 с заправочно-распределительным устройством 11 с манометром 10, которое трубопроводом соединяется с редуктором 9 высокого давления, который имеет обогрев от системы охлаждения двигателя через резиновые шланги 7. На выходе из редуктора высокого давления установлен магистральный газовый клапан 27 с фильтром. Газовый клапан трубопроводом 26 соединяется с дифференциальным газовым редуктором 25, который, в свою очередь, резиновым шлангом 23 соединен с электромагнитным газовым инжектором 22.

Выходной штуцер инжектора через резиновый шланг 21 и штуцер 20 соединен со впускным коллектором двигателя. Дифференциальный редуктор имеет вакуумную управляющую полость, которая через резиновый шланг 19 и штуцер 18 также соединена со впускным коллектором. На бензопроводе, идущем к карбюратору 14, установлен ЭМК 17. Электронный блок 15 установлен в салоне автомобиля около места водителя и соединен с газовым и бензиновым клапанами, электромагнитным инжектором, клеммой «+» низковольтной цепи катушки 12 зажигания, общей массой «-» и цепью питания «+» 13 системы зажигания электрическим жгутом 16. На электронном блоке расположены тумблеры включения-выключения бензиновой и газовой систем топливоподачи и потенциометр корректировки характеристики подачи газа. Дифференциальный редуктор имеет винт 24 коррекции давления газа.

Газ под давлением до 19,6 МПа (200 кгс/см2) по магистральному трубопроводу подается в редуктор высокого давления, который имеет обогрев от жидкостной системы охлаждения двигателя. Он снижает давление газа до (1,2 ± 0,2) МПа (12 ± 2 кгс/см2). Дифференциальный редуктор имеет вакуумную полость, соединяющуюся при помощи шланга со впускным трубопроводом. Благодаря этому редуктор может изменять давление газа на инжекторе в зависимости от разряжения в коллекторе, по определенному закону, характерному для двигателей с дроссельной заслонкой - минимальное давление газа - при максимальном разряжении (режим холостого хода) и максимальное давление газа - при минимальном разряжении (режим максимальной мощности при полностью открытой дроссельной заслонке). Газовый инжектор открывается и закрывается при каждом рабочем ходе каждого поршня по сигналу от ЭБУ. В свою очередь, для блока управления синхронизирующим сигналом являются электрические сигналы, приходящие на низковольтную обмотку катушки зажигания. Длительность импульса открытия инжектора определяет крутизну характеристики топливоподачи, изменение которой производится регулировочным потенциометром на лицевой панели электронного блока.

Рис. 7.19. Принципиальная схема и состав инжекторного газобаллонного оборудования фирмы «Грико»:

1 - ложементы; 2 - газовые баллоны; 3 - стяжные хомуты; 4 - трубопровод высокого давления; 5 - вентиль; 6 - трубопровод; 7 - шланги подсоединения к системе охлаждения двигателя; 8 - трубопровод; 9 - редуктор высокого давления; 10 - манометр; 11 - заправочно-распределительное устройство; 12 - катушка зажигания; 13 - цепь питания «+»; 14 - карбюратор; 15 - электронный блок; 16 - жгут электрических проводов; 17 - бензиновый ЭМК; 18 - штуцер; 19 - резиновый шланг; 20 - штуцер; 21 - резиновый шланг; 22 - электромагнитный газовый инжектор; 23 - резиновый шланг; 24 - винт коррекции давления газа; 25 - дифференциальный газовый редуктор; 26-трубопровод; 27-газовый клапан с фильтром

Рис. 7.20. Схема установки газовых баллонов на автомобили моделей ВАЗ с кузовом седан в багажном отделении (вид сверху) (сечение А-А - см. рис. 7.21)

Рис. 7.21. Схема установки газовых баллонов на автомобили моделей ВАЗ (сечение А-А - см. рис. 7.20, сечение Г-Г - см. рис. 7.22):

1 - кузов; 2 - запасное колесо; 3 - бензобак

Рис. 7.22. Схема установки газовых баллонов на автомобили моделей ВАЗ (сечение Б-Б - см. рис. 7.21, сечение Е-Е - см. рис. 7.23):

А - к заправочному вентилю; В - ось заднего колеса

Рис. 7.23. Схема установки герметизирующей муфты трубопровода высокого давления в багажном отделении автомобилей ВАЗ (сечение Е-Е - см. рис. 7.22):

1 - резиновая пробка; 2 - винт М5×20; 3 - прокладка; 4 - муфта

Монтаж газобаллонного оборудования фирма «Грико» на АТС

Монтаж ГБО фирмы «Грико»на легковые автомобили моделей ВАЗ с кузовом седан производится  в соответствии с требованиями разд. 5 настоящего документа, инструкции по монтажу фирмы-изготовителя. Установка газовых баллонов производится в соответствии с рис. 7.20 - 7.23.

При выполнении работ по установке газовых инжекторных систем на АТС с бензиновыми и инжекторными системами питания следует соблюдать следующие меры предосторожности:

- отключить аккумуляторную батарею при неработающем двигателе и выключенном зажигании;

- не допускать подключения или отсоединения цепей ЭБУ при включенном зажигании;

- не допускать появления статического электричества на инструментах, теле и одежде автослесаря, что может вывести из строя электронные схемы ЭБУ;

- устанавливать в корпус воздушного фильтра обратный пре­дохранительный клапан (хлопушку), обеспечивающий сохранность воздушного фильтра и других элементов газовой системы питания при возникновении обратного распространения пламени во впускном трубопроводе двигателя.

7.2.4. Газодизельная аппаратура ООО «МОБИЛГАЗ» (АО «КамАЗ»)

Газодизельные автомобили и автобусы оборудованы обычно газовой и дизельной системами питания, обеспечивающими работу дизеля как на смеси дизельного топлива и природного газа, так и непосредственно на дизельном топливе.

Принцип работы газодизельных двигателей: подготовленная в газовой системе питания газовоздушная смесь поступает в цилиндры двигателя, сжимается поршнем и в конце такта сжатия (с небольшим опережением) в нее через форсунку впрыскивается запальная доза дизельного топлива.

Общие сведения

АО «КамАЗ» накоплен значительный опыт по использованию в качестве топлива КПГ. Заводом разработана и запатентована, в том числе и за рубежом, принципиальная схема перевода автомобилей КамАЗ для работы на КПГ по газодизельному циклу.

В настоящее время фирмой ООО «МОБИЛГАЗ» совместно с АО «КамАЗ» после проведения комплекса НИР и ОКР освоено производство семейства газодизельных автомобилей КамАЗ-53208, 53218, 53217, 53219, 54118, 55118 и двигателей КамАЗ-7409.10, 7409.10-01, 7409.10-05, 7409.10-07, 7409.10-20.

Освоен выпуск комплектов газодизельного оборудования для установки в условиях эксплуатации на различные модели автомобилей КамАЗ, автобусы ЛиА3-5256 и ЛАЗ-4202 с двигателем КамАЗ и шасси с различным специальным оборудованием, например, мусоровозы, автобетоносмесители, автокраны и т.п.

Газодизельную аппаратуру КамАЗ можно легко адаптировать для других автомобилей и автобусов с дизельными двигателями (автомобилей - МАЗ, ЗИЛ, КрАЗ, Урал; автобусов - Икарус и др.)

Автомобили КамАЗ-55208 и КамАЗ-53218 предназначены для эксплуатации с прицепами.

Динамические и скоростные показатели газодизельных автомобилей на 10-15% ниже базовых автомобилей.

Средняя наработка на отказ составляет 10 тыс. км. Установленный ресурс до капитального ремонта газового оборудования в зависимости от типа подвижного состава и условий эксплуатации- 210-350 тыс. км.

Состав комплекта, устройство и принцип работы ГА

Основные элементы газодизельной системы питания:

- топливный насос высокого давления с механизмом установки запальной дозы дизельного - топлива и пневмомеханическим клапаном;

- дозатор-смеситель газа;

- ЭМК с фильтром;

- нагреватель газа;

- редукторы высокого и низкого давления;

- привод регулятора ТНВД и дозатора газа;

- дополнительное электрооборудование;

- газовые баллоны;

- КИП;

- соединительные трубопроводы, арматура и установочные кронштейны.

Схема систем питания газодизельных автомобилей КамАЗ приведена на рис. 7.24.

Принцип работы газодизельной системы питания заключается в следующем.

КПГ из баллонов 27 по газовым трубопроводам 26 высокого давления поступает в крестовину 25 и через расходный вентиль 22 попадает в подогреватель 21, в котором происходит его подогрев за счет тепла охлаждающей двигатель жидкости.

Из подогревателя газ поступает в редуктор 20 высокого давления, где редуцируется до давления 0,95-1,1 МПа. Далее газ через ЭМК-фильтр 18 поступает в двухступенчатый РНД 10 и затем, через дозатор 7 газа, - в смеситель 8. В смесителе газ смешивается с воздухом, поступающим из воздушного фильтра. Образовавшаяся газовоздушная смесь поступает в цилиндры двигателя, сжимается поршнем и в конце такта сжатия (с небольшим опережением) в нее впрыскивается через серийную форсунку «запальная» доза дизельного топлива. Топливо воспламеняется и поджигает газовоздушную (рабочую) смесь. Для контроля за работой редуктора низкого давления в кабине водителя имеется манометр. Давление газа после первой ступени редуктора должно быть 0,2-0,22 МПа.

Рис. 7.24. Схема питания газодизельных автомобилей КамАЗ:

1 - тяга привода регулятора и дозатора газа; 2 - педаль подачи топлива; 3 - ТНВД; 4 - двигатель; 5 - механизм установки запальной дозы топлива;6 - выключатель блокировки; 7 - дозатор газа; 8 - смеситель газа; 9 - пневмомеханический датчик; 10 - ЗРД; 11 - датчик давления газа; 12 - предохранитель; 13 - клавиша переключения «газ-дизель»; 14 - контрольная лампа; 15 - реле электромагнита установки запальной дозы; 16 - реле электроклапана газового фильтра; 17 - датчик аварийного падения давления газа; 18 - ЭМК; 19 - предохранительный клапан; 20 - РВД; 21 - подогреватель; 22 - магистральный расходный вентиль; 23 - датчик давления газа; 24 - наполнительный вентиль; 25 - крестовина; 26 - трубопровод высокого давления; 27 - баллон

Количество газа в баллонах определяют манометром, распо­ложенным на одном из баллонов или крестовине 25.

На входе в РВД установлен съемный металлокерамический фильтр. На входе в ЭМК встроен сменный войлочный фильтр, закрываемый алюминиевым стаканом. На входе в РНД установлен сетчатый фильтр. Такая тройная очистка газа обусловлена высокими требованиями точности и надежности работы редуцирующих клапанов газовых редукторов.

Двигатель оборудован ТНВД с трехрежимным регулятором. Привод рычага управления конструкция обеспечивает перемещение педали 2 подачи топлива и тем самым привод дроссельной заслонки дозатора 7 при работе двигателя в газодизельном режиме, когда подача «запальной дозы» дизельного топлива остается практически постоянной, независимо от положения педали 2. Для этого на крышке топливного насоса смонтирован механизм 5 установки «запальной дозы» топлива, имеющий электромагнитный привод. При включении электромагнита его подвижной упор устанавливается в такое положение, при котором он препятствует дальнейшему перемещению рычага управления регулятором ТНВД, несмотря на возможные перемещения педали подачи топлива.

При переходе с газодизельного режима на дизельный режим работы двигателя, электромагнит привода отключается и подвижной упор механизма установки «запальной дозы» топлива не препятствует дальнейшему перемещению рычага управления регулятором ТНВД. Управление работой электромагнита осуществляется электрореле в кабине водителя.

На двигателе смонтирована система ограничения максимальной частоты вращения коленвала (2550 мин-1), состоящая из зубчатого венца, индукционного датчика, электронного реле и трехходового ЭМК.

В системе питания газодизельного двигателя предусмотрен выключатель 6 блокировки, исключающий одновременную подачу газа и неограниченной (полной) дозы дизельного топлива.

На некоторые двигатели устанавливается система ограничения максимальной частоты вращения коленвала двигателей новой конструкции. Такая система состоит из пневмомеханического датчика 9, установленного на корпусе ТНВД, и, приводимого в действие рейкой, регулятора числа оборотов. При достижении двигателем мак­симального числа оборотов, механический регулятор прекращает подачу дизельного топлива, при этом рейка регулятора открывает пневматический клапан и соединяет область максимального разряжения в газовом смесителе с полостью разгрузочного устройства РНД 10. Разгрузочное устройство, через соответствующую систему рычагов, закрывает клапан второй ступени и прекращает подачу газа в дозатор и смеситель газа.

При работе двигателя в дизельном режиме, топливная аппаратура работает в обычном дизельном режиме. При этом газ не поступает во впускной коллектор двигателя, так как закрыт ЭМК 18 газового фильтра.

Заправку баллонов газом осуществляют через заправочный штуцер и наполнительный вентиль 24 крестовины 25.

Для контроля за давлением газа в системе имеются датчик 23 давления на крестовине и датчик 17 аварийного падения давления. Сигналы от датчиков передаются на указатели, расположенные на щитке приборов в кабине водителя.

Кроме того, контролируется давление в полости первой ступени РНД при помощи датчика 11. Величина этого давления фиксируется манометром на щитке приборов.

При аварийном повышении давления после редуктора высокого давления (в случае его неисправности) срабатывает предохранительный клапан 19.

При работе двигателя в газодизельном режиме, работой электромагнитов механизма установки запальной дозы и клапана газового фильтра управляют реле 15 и 16 соответственно. При этом на панели приборов в кабине водителя загорается лампа 14.

Режим работы двигателя «газ-дизель» переводится переключателем 13.

Монтаж газобаллонного оборудования на автомобили КамАЗ

Монтаж газобаллонного оборудования на автомобили КамАЗ должен производиться в соответствии с требованиями:

- разд. 5 настоящего документа;

- инструкции по монтажу ГБО завода-изготовителя;

- НТД, приведенной в разд. 11 настоящего документа.

На газодизельные автомобили КамАЗ устанавливают стальные баллоны по ГОСТ 949-73 и ГОСТ Р 51753-2001, объемом 50 л в количестве от 6 до 10 шт., в зависимости от типа автомобиля. Баллоны между собой соединяются толстостенными стальными бесшовными трубками.

На некоторые типы автомобилей КамАЗ, особенно на самосвалы, седельные тягачи и специальные, устанавливают облегченные стеклопластиковые баллоны емкостью 350, 400 или 500 л производства ОКБ «Союз» (г. Казань).

Непосредственно на фланце стеклопластиковых баллонов устанавливают арматуру (рис. 7.25), в состав которой входят: корпус 3, запорный вентиль Д, расходный вентиль Ж, наполнительный вентиль со штуцером Г, манометр 5, переходной штуцер 2 с прокладкой 1 для подсоединения трубопровода высокого давления, подающего газ в газовую систему питания.

При заправке газом открыты вентили Д и Г, вентиль Ж закрыт. При работе двигателя по газодизельному циклу, вентили Д и Ж открыты, вентиль Г закрыт. При подсоединении стенда по проверке газовой аппаратуры к штуцеру Г, во время ТО и ремонта газовой аппаратуры, открыты вентили Ж и Г, вентиль Д закрыт.

7.2.5. Газовая аппаратура Рязанского завода автомобильной аппаратуры

Общие сведения

Рязанский завод автомобильной аппаратуры (РЗАА) выпускает газовую аппаратуру для перевода на КПГ легковые, грузовые, специализированные автомобили и автобусы.

В настоящем документе рассмотрена газобаллонная аппаратура для городских автобусов Икарус-260 и 280, работающих по газодизельному циклу.

В отличие от внешнего способа смесеобразования - в карбюраторных бензиновых двигателях и от внутреннего - в дизелях, смесеобразование в газодизельном процессе смешанное, т.е. внутреннее - для дизельного топлива и внешнее - для природного газа.

В газодизельном режиме двигатель работает на двойном топливе - дизельном топливе и природном газе. По основному признаку - способу воспламенения газовоздушной смеси - газодизель относится к двигателям с принудительным воспламенением. Газодизельный двигатель имеет две взаимосвязанные системы питания: дизельную и газовую. Общим для этих двух систем является оригинальное газодизельное оборудование.

Рис. 7.25. Арматура стеклопластикового баллона автомобилей КамАЗ:

1, 4 - прокладка; 2 - переходный штуцер; 3 - корпус; 5 - манометр; 6 - клапан; 7 - муфта; 8 - гайка сальника; 9 - шпиндель; 10 - коническая пружина; 11 - гайка; 12 - маховичок; 13 - защитное кольцо; 14 - уплотнительное кольцо; 15--прокладка; 16 - уплотнительное кольцо; Г - наполнительный вентиль со штуцером; Д - запорный вентиль; Ж - расходный вентиль

Один из недостатков природного газа как моторного топлива - снижение мощности обычного бензинового двигателя при его переоборудовании для работы на природном газе.

Однако этот недостаток превращается в преимущество при переоборудовании дизельных двигателей, имеющих высокую степень сжатия, для работы в газодизельном режиме, где 70-85% газовоздушной смеси в общем цикловом заряде сгорают практически без детонации с наибольшей эффективностью.

В конструкцию двигателя добавляется газовый смеситель, механизм ограничения подачи дизельного топлива, система регулирования подачи газа, устройство для взаимосвязанного управления топливного насоса высокого давления и подачей газа, а также электрооборудование, которое обеспечивает необходимую информативность и защиту дизеля от нештатных режимов работы.

Основные цели переоборудования дизелей для работы по газодизельному циклу:

- экономия до 75-80% дизельного топлива путем замещения его природным газом;

- увеличение суммарного запаса хода транспортного средства при использовании обоих видов топлива в 1,5-1,7 раза

- снижение дымности отработавших газов дизеля в 2-4 раза. При этом сохраняется возможность быстрого перехода с газового на жидкое топливо и обратно.

Состав комплекта, устройство и принцип работы ГА

В состав комплекта газодизельной аппаратуры РЗАА для ав­тобусов Икарус-260 и 280 входят:

- газовые баллоны с деталями крепления и арматурой;

- трубопроводы высокого и низкого давления;

- подогреватель газа и шланги подвода теплоносителя;

- заправочное устройство и манометр; « РВД;

- газовый РНД;

- смеситель газа;

- механизм ограничения подачи дизтоплива;

- газовый ЭМК-фильтр;

- крестовина с заправочным и магистральным вентилем;

- дополнительные узлы систем электрооборудования;

- элементы крепления деталей и узлов ГБО.

Рассмотрим работу газовой аппаратуры РЗАА газодизельного двигателя по принципиальной схеме, показанной на рис. 7.26.

Сжатый до давления 19,6 МП а (Р1) газ из баллонов поступает в РВД, где происходит снижение давления до 1,0-1,2 МПа (Р2). Регулировка давления Р2 в различных по конструкции РВД осуществляется изменением усилия пружины 9.

На пути газа к РВД и РНД устанавливаются фильтры для очистки газа и ЭМК для управления включения и выключения подачи (на схеме не указаны).

После предварительного снижения давления газ поступает в РНД. РНД имеют две ступени для редуцирования давления газа.

В первой ступени РНД происходит снижение давления до 0,2- 0,1 МПа (Р3). Давление РЗ регулируется усилием пружины 6. Во второй ступени РНД давление снижается до величины, близкой к атмосферному давлению. Давление во второй ступени Р4 зависит от усилия пружины, действующей на клапан второй ступени, с одной стороны, и с другой - давления газа Р3, поступающего из первой ступени.

Затем газ поступает в смеситель 5, где происходит образование газовоздушной смеси. В смесителе газ смешивается с воздухом, который подается за счет разряжения Р6, создаваемого во впускном трубопроводе двигателя.

Заданный состав смеси газа с воздухом может регулироваться на различных участках рассматриваемой схемы благодаря изменению давления и расхода газа.

В системе РЗАА количество газа регулируется принудительным открытием клапана второй ступени механизмом, связанным тягой с педалью управления подачей топлива водителем. Одновременно количество поступающего газа ограничивается дроссельной шайбой 4. Эта система имеет достаточно высокую величину давления Р5 на выходе в смеситель.

После смесителя газовоздушная смесь заданного состава поступает во впускной трубопровод и на такте впуска - в камеру сгорания дизеля.

Рис. 7.26. Принципиальная схема основных узлов газовой аппаратуры РЗАА газодизельного двигателя:

1 - кулисный механизм; 2 -- пружина разгрузочного устройства; 3 - полость второй ступени с клапаном; 4 - дроссельная шайба; 5 - смеситель; 6 - пружина; 7 - мембрана первой ступени; 8 - клапан первой ступени; 9 - пружина; 10 - корпус РВД; А - к индикатору засоренности воздушного фильтра; В - к приводу ТНВД

Монтаж газодизельной аппаратуры РЗАА на автобусы Икарус

Монтаж газодизельной аппаратуры РЗАА на автобусы Икарус выполняется в соответствии с инструкцией по монтажу предприятия-изготовителя и с монтажными схемами, показанными на рис. 7.27 и 7.28.

Общая компоновка газодизельной аппаратуры на автобусе показана на рис. 7.27.

Газовая система питания содержит кассету 3 из восьми баллонов, установленных на крыше автобуса на опорной раме. Она представляет собой две поперечные балки с укосинами на концах и две продольные балки, приваренные кронштейнами между собой. В кабине двигателя расположен блок управления 2, в котором находятся контрольные приборы и переключатель режима работы двигателя (дизель или газодизель). В моторном отсеке расположена газодизельная аппаратура, вентили, трубки, подогреватель 12 газа, РВД 5, газовый ЭМК 11, РНД 9, газовый смеситель 6, механизм 7 установки запальной дозы, ТНВД 8, тяга 10 управления подачей газа и другие элементы, подробнее представленные на рис. 7.28. Опорная рама с кассетой 36 из восьми баллонов крепится на крыше 24 болтовыми соединениями к оригинальному узлу крепления опорной рамы, приваренному к продольным балкам и поперечным шпангоутам автобуса со стороны салона и имеющему отверстие с приваренной гайкой М20×1,5 высотой 20-25 мм.

Рис. 7.27. Общая компоновка газодизельной аппаратуры на автобусе:

1 - электропроводка; 2 - щиток; 3 - кассета из восьми баллонов; 4 - защитная трубка в салоне; 5 - РВД; 6 - смеситель газа; 7 - механизм установки запальной дозы; 8 - ТНВД; 9 - РНД; 10 - тяга привода подачи газа; 11 - газовый ЭМК; 12 - подогреватель газа

Газовые баллоны соединены между собой межбаллонными трубками, а кассета через расходный вентиль 21 соединена с газовой аппаратурой, находящейся в моторном отсеке, посредством трубопровода 20.

Трубопровод 20 высокого давления, соединяющий кассету 36 с крестовиной 15, пропущен через трубу-стойку 18, в которую также вставлен общий шланг 11 для аварийного сброса газа от РВД 27. Баллоны и опорная рама кассеты 36 закрываются декоративными боковыми щитами (на рис. 7.28. условно не показаны). Заправочное устройство 13, вентили наполнительный 12 и расходный 16 установлены на крестовине 15, которая закреплена на каркасе установочного блока, монтируемом в отсеке под полом 32 салона автобуса, где расположен воздушный фильтр 6. При наличии в этом отсеке отопителя салона последний демонтируется и переносится в салон автобуса в любом удобном для этого месте.

Рис. 7.28. Расположение газодизельной аппаратуры на автобусе:

1 - механизм ограничения подачи ДТ; 2 - подвижной упор механизма ограничения подачи ДТ; 3 - дополнительный рычаг с регулировочным винтом и с телескопическим пружинным шарниром; 4 - ТНВД; 5 - шланг подачи газа в смеситель; 6 - воздушный фильтр; 7 - ЭМК с фильтром газа; 8 - тяга привода подачи газа от РНД в смеситель; 9 - аварийный шланг отвода газа от предохранительного клапана РВД; 10 - аварийный шланг отвода газа от надмембранного пространства в крышке РВД; 11 - общий аварийный шланг отвода газа от РВД через трубу-стойку в атмосферное пространство над крышей автобуса; 12- наполнительный вентиль; 13 - заправочное устройство; 14 - манометр 25 МПа; 15 - крестовина; 16 - расходный вентиль крестовины; 17 - трубопровод высокого давления от крестовины к РВД; 18 - труба-стойка; 19 - тяга педали акселератора; 20 - трубопровод высокого давления; 21 - баллонный расходный вентиль; 22 - шланг отвода теплоносителя в систему охлаждения двигателя; 23 - подогреватель газа; 24 - крышка автобуса; 25 - шланг подвода теплоносителя от подогревателя РВД к подогревателю газа; 26 - корпус подогревателя РВД; 27 - РВД; 28 - трубопровод низкого давления от РВД к ЭМК с фильтром газа; 29 - шланг подвода теплоносителя от системы охлаждения двигателя; 30 - трубопровод низкого давления, от ЭМК с фильтром газа к РНД; 31 - РНД; 32 - пол салона автобуса; 33 - смеситель; 34 - моторный тормоз; 35 - впускная труба; 36 - кассета из восьми баллонов

На установочном блоке крепятся подогреватель 23 газа, РВД 27, газовый ЭМК-фильтр 7 и РНД 31.

Оригинальное газодизельное оборудование состоит из дозатора газа (в РНД), смесителя 33 газа, механической и электрической систем управления подачей газа и дизельного топлива.

Монтаж дополнительных узлов электрооборудования управления газодизельной системой питания двигателя автобуса осуществляется согласно принципиальной электрической схеме, показанной на рис. 7.29.

В электрической части газодизельной аппаратуры используются дополнительные узлы к системе электрооборудования базовых автобусов. Часть дополнительных узлов контроля и управления монтируется в кабине водителя, а вторая - в моторном отсеке.

В кабине приборы управления и контроля монтируются на спе­циальном щитке приборов (контрольной панели) газодизеля, который устанавливается справа от водителя.

На щитке монтируется: клавишный выключатель SA1 ГД режима работы двигателя, указатель Р1 давления газа в первой ступени РНД, контрольные лампы ГД режима: лампа HL2 (зеленого цвета) и лампа HL1 (красного цвета) падения рабочего давления РНД.

Под щитком в стойке предохранителей устанавливаются два реле:

- реле К1 блокировки подачи газа при работе моторного тормоза-замедлителя;

- реле К2 блокировки подачи газа в случаях неисправности электромагнита L1 механизма ограничения подачи ДТ.

Перевод двигателя с дизельного режима в газодизельный режим и обратно производится водителем клавишным переключателем SA1. При включении переключателя в положение ГД-режим (клавиша в нижнем положении) ток поступает через реле К1 на электромагнит L1 механизма ограничения подачи ДТ и подвижной упор занимает положение, препятствующее дальнейшему перемещению рычага привода регулятора ТНВД в сторону увеличения цикловой подачи дизельного топлива, и обеспечивает при этом уровень «запальной дозы»; одновременно с этим размыкаются контакты концевого выключателя S1 и через нормально замкнутые контакты 30 и 88 реле К2 включает электромагнит L2 клапана-фильтра газа, загорается контрольная лампа HL2 и газ поступает в первую ступень РНД. В двигатель газ подается только после открытия клапана второй ступени РНД, который открывается нажатием на педаль управления рейкой ТНВД посредством управляющего кулисного механизма.

Рис. 7.29. Схема электрическая принципиальная газодизельной аппаратуры автобуса Икарус-260/280:

1 - механизм блокировки ТНВД; 2 - моторный отсек; 3 - щиток приборов газодизельной аппаратуры; 4 - кабина водителя;

А - к ЭМК моторного тормоза;

Контакты

Расположение контактов в ГД-режиме при отказе катушки L1

нормальный режим

отказ

SA1

замкнут разомкнут 30-88, напряжение 24В

замкнут замкнут 30-87 разомкнут

S1

Реле К2

Цепи L2,

HL2

SA1 - выключатель ГД-режима;

SB1 - кнопка моторного тормоза;

S1 - концевой выключатель 15.3720;

Kl, K2 -реле 11.3747010 (5320-3730570);

L1 - электромагнит 221.3747;

L2 - ЭМК с фильтром газа;

Р1 - указатель УК-130;

HL1 -лампа сигнализации остаточного давления газа в баллонах;

HL2 - контрольная лампа ГД-режима;

ВР1 - датчик давления ММ 358;

ВР2 -датчик давления ММ 124Д

Выключение подачи газа в режиме моторного тормоза и защита дизеля от внештатных режимов работы осуществлена двумя блокировками.

Первая - в момент начала включения кнопки моторного тормоза SB1 замыкает цепь реле К1, которое при этом размыкает цепь питания электромагнита L2 газового клапана и прекращает таким образом подачу газа в двигатель.

Вторая - отключает подачу газа в случае подачи полной дозы ДТ (при неисправности электромагнита L1, заедании подвижного упора и т.п.). Эта блокировка срабатывает, когда концевой выключатель S1 замкнут (приводится в действие механизмом ограниче­ния запальной дозы).

7.2.6. Газовая аппаратура ЗАО «Автосистема».

Общие сведения

ЗАО «Автосистема» (г. Москва) разработана конструкция и освоено производство газовой аппаратуры для установки на все основные модели отечественных легковых, грузовых автомобилей и автобусов, имеющих двигатель с искровым зажиганием и позво­ляющих использовать в качестве топлива КПТ по ГОСТ 27577-2000.

ГА допускает эксплуатацию автомобилей и автобусов в различных климатических зонах при температурах окружающего воздуха от -40°С до 45°С с изменением следующих эксплуатационных показателей при работе на КПГ:

- максимальная скорость движения на горизонтальном участке ровного шоссе при полной массе уменьшается не более чем на 15 %, чем при работе на бензине;

- время разгона автомобиля до определенной техническими условиями на базовый автомобиль скорости увеличивается не более чем на 20%.

Грузоподъемность грузовых автомобилей, оснащенных газобаллонной аппаратурой, уменьшается на величину массы ГБА.

Средняя наработка ГА на отказ гарантируется не менее 15 000 км, а срок службы - не менее 10 лет.

В пределах срока службы допускается замена резино-технических изделий.

Гарантийные обязательства по ремонту осуществляются в течение первого года или 20 тыс. км пробега.

Установку ГБО и ее испытания на автомобиле осуществляют на специализированных предприятиях в соответствии с требованиями инструкции по монтажу и действующей нормативной документации (см. разд. 11).

Состав комплекта, устройство и принцип работы ГА двигателей с искровым зажиганием

В состав комплекта входят следующие элементы:

- ЗУ;

- вентили;

- газовые баллоны;

- манометр;

- фильтр газовый;

- газовый ЭМК на давление 19,6 МПа (200 кгс/см2); .

- РВД;

- РИД;

- экономайзер;

- смеситель газа;

- бензиновый ЭМК;

- электронный блок и плавкий предохранитель в пластмассовом корпусе.

В комплект аппаратуры входят также кронштейны, хомуты, ленты хомутов, штуцеры ввертные, комплект проводов, шланги разряжения и газовый, набор крепежных узлов и деталей.

Принципиальная схема газобаллонной установки приведена на рис. 7.30.

Рис. 7.30. Схема принципиальная комбинированная ГА ЗАО «Автосистема» двигателей с искровым зажиганием:

1 - вентиль; 2 - газовый баллон; 3 - ЗУ; 4 - катушка зажигания; 5 - бензобак; 6 - бензонасос; 7 - багажник; 8 - впускной коллектор; 9 - ЭМК бензиновый; 10 - смеситель газа; 11 - моторный отсек; 12 - карбюратор; 13 - газовый редуктор низкого давления; 14 - экономайзер; 15 - РВД; 16 -дренажное отверстие в атмосферу; 17 -ЭМК газовый; 18 - манометр; 19 - газовый фильтр; 20 - электронный блок; 21 - предохранитель; 22 - салон; А - к системе охлаждения

Сжатый природный газ хранится в баллонах 2, установленных в багажнике легкового автомобиля, под платформой грузового автомобиля или на крыше автобуса и закрепленных на кронштейнах при помощи стальных хомутов.

Заправка баллонов сжатым природным газом производится на АГНКС или от ПАГЗ. Газ через выносной ЗУ 3 и наполнительный вентиль 1 поступает в баллоны 2. Далее по трубопроводам высокого давления подается к газовому ЭМК 17, предварительно пройдя очистку от вредных примесей в газовом фильтре 19. Манометр 18 давления, установленный после фильтра газового, осуществляет контроль за наличием газа в баллонах. После открытия ЭМК газ подается к РВД 15, где происходит снижение давления газа до 0,6-1,1 МПа (6,0-11 кгс/см2), и затем газ поступает по трубопроводу в газовый редуктор 13. При редуцировании (снижении давления) в РВД происходит падение температуры газа, поэтому к РВД подается жидкость от системы охлаждения двигателя по рукаву водяному. В редукторе газовом происходит дальнейшее снижение давления газа до величины, близкой к атмосферному.

Газовый редуктор оборудован экономайзером 14, обеспечивающим обогащение газовоздушной смеси при полностью открытой дроссельной заслонке карбюратора. Затем газ по газовому рукаву поступает в смеситель 10 газа, где происходят его дозировка и смешивание с воздухом, после чего газовоздушная смесь поступает в цилиндры двигателя.

Для перекрытия подачи бензина во время работы двигателя на газовом топливе в бензопровод между бензонасосом и карбюратором устанавливается электромагнитный бензиновый клапан 9. Управление ЭМК осуществляется электронным блоком 20 - БЕГ-3 или ЭКК-8. Подключение электрических элементов системы питания осуществляется с помощью электропроводов через плавкий предохранитель 21, предназначенный для защиты всей системы от короткого замыкания и рассчитанный на ток в 3 А.

С 1998 г. ЗАО «Автосистема» выпускает газодизельное оборудование для автобусов Икарус.

На рис. 7.31 приведена принципиальная комбинированная схема газодизельной аппаратуры для автобусов Икарус.

Заправка баллонов 30 сжатым природным газом производится через заправочный узел 2, наполнительный вентиль 3 и баллонные вентили 27.

Рис. 7.31. Схема принципиальная комбинированная газодизельной аппаратуры ЗАО «Автосистема» для автобусов Икарус:

1 - угольник; 2 - заправочный узел; 3 - наполнительный вентиль; 4 - тиристорный блок напряжения 12 В; 5 - переключатель режимов работы двигателя «дизель-газодизель»; 6 - блок напряжения 24 В; 7 - дозатор газа; 8 - смеситель газа; 9 - пневмоконтактор отключения газа при неработающем двигателе; 10 - педаль газа; 11 - механизм установки запальной дозы дизельного топлива; 12 - концевой выключатель; 13 - электромагнит; 14 - реле; 15 - рейка ТНВД; 16 - пневмомеханический клапан ограничения подачи газа; 17 - газовый РНД; 18 - реле; 19, 22 - газовые электромагнитные клапаны (ЭМК); 20 - РВД; 21 - дренажное отверстие в атмосферу; 23 - газовый фильтр; 24 - манометр; 25 - крестовина; 26 - трехходовой клапан моторного тормоза; 27 - баллонные вентили; 29 - тройник вентильный; 30 - баллоны; 31 - тройники баллона; 32 - крыша автобуса; А - в цилиндры двигателя; Б - по водяному рукаву подается жидкость из системы охлаждения к газовому РВД

На баллонах установлены: тройники баллона 31, вентильный тройник 29, угольник 1, вентиль 27. Крестовина с манометром 24 установлена на кронштейне узла высокого давления.

Из баллонов сжатый газ по трубопроводам высокого давления подается к газовому ЭМК 22, предварительно пройдя очистку от твердых примесей в газовом фильтре 23.

После открытия ЭМК 22 газ подается к РВД 20, где происходит снижение давления газа до 1,0-1,2 МПа (10-12 кгс/см2), и затем газ поступает по трубопроводу в газовый РНД 17. При редуцировании (снижении давления) в газовом РВД 20 происходит падение температуры газа. Поэтому для подогрева к газовому РВД подается жидкость от системы охлаждения двигателя по водяному рукаву Б.

В газовом РНД 17 происходит дальнейшее снижение давления газа до величины, близкой к атмосферному давлению. Газовый РНД 17 оборудован системой коррекции по загрязненности воздушного фильтра, предотвращающей самоостановку двигателя.

Затем газ по рукаву подается к дозатору 7 газа и в смеситель 8 газа, откуда газовоздушная смесь поступает в цилиндры двигателя А.

Для ограничения подачи дизельного топлива используется механизм 11 установки запальной дозы жидкого топлива, приводимый в действие электромагнитом 13, а на рычаге управления рейкой ТНВД установлен дополнительный упор.

Блокировка одновременного включения полной подачи двух видов топлива осуществляется с помощью концевого выключателя 12 и реле 14.

Отключение подачи газа при пользовании моторным тормозом происходит с помощью реле 14 и ЭМК 19, установленного на входе в газовый РНД. Ограничение подачи газа при достижении двигателем максимальной частоты вращения осуществляется пневмомеханическим клапаном 16. Переключение режимов работы двигателя «дизель-газодизель» осуществляется переключателем 5.

Для нормальной работы ЭМК 19, 22 и электромагнита 13, а также реле 14 с рабочим напряжением 12 В используется тиристорный блок 4. Этот блок понижает рабочее напряжение 24 В, используемое в сети автобуса Икарус, до 12 В.

Отключение подачи газа при неработающем двигателе осуществляется пневмоконтактом 9. Для предотвращения попадания газа в пневмосистему автобуса патрубок отбора воздуха из впускного коллектора перенесен на корпус смесителя газа 8, а на впускном коллекторе -заглушен.

Рис. 7.32. Расположение газодизельный аппаратуры на автобусе:

1 - ЭМК; 2 - ЗУ с вентилями; 3 - газовый фильтр; 4-газовый манометр Р = 25,0 МПа; 5 - крестовина; 6 - газовые РВД и РНД; 7 - смеситель газа; 8 - механизм установки запальной дозы дизельного топлива; 9 - дозатор газа; 10 - баллонный вентиль; 11 - газовый баллон с арматурой; 12 - баллонный тройник; 13 - трубки; 14 - стойка-труба крепления крыши салона; 15 - трубка подвода газа от кассеты

Монтаж газобаллонного оборудования ЗАО «Автосистема» на АТС

Монтаж газобаллонного оборудования ЗАО «Автосистема» на АТС, двигатели которых имеют искровое зажигание, производится в соответствии с разд. 5 настоящего документа и монтажной инструкцией, разработанной предприятием-изготовителем ГБО.

Установка газодизельного газобаллонного оборудования ЗАО «Автосистема» производится в соответствии с инструкцией по монтажу АВСТ.454400.601 .ИМ «Комплект газобаллонной аппаратуры для автобусов Икарус-280 и Икарус-260, работающих на сжатом природном газе в воспламенением от инициирующей дозы дизельного топлива».

Схема расположения газодизельного оборудования на автобусах Икарус приведена на рис. 7.32.

Газодизельное оборудование располагается на крыше автобуса и в моторном и вспомогательном отсеках в непосредственной близости от боковых люков с левой стороны.

В салоне автобуса производятся усиление каркаса крыши и установка стоек-труб 14.

В моторном отсеке производится установка пневмоконтактора 9 (см. рис. 7.31) на крышке ТНВД, монтаж механизма 11 установки запальной дозы, газовых РВД и РНД, дозатора 7 газа, смесителя 8, тяги привода дозатора, кронштейна узла заправочного выносного с наполнительным вентилем 3, газового ЭМК, газового фильтра 23, крестовины 25 с манометром 24.

Газовое оборудование на линии высокого давления подключается стальными трубопроводами наружным диаметром 10 мм и толщиной стенки 2 мм, а на линии низкого давления (1,0 МПа) - стальными трубопроводами диаметром 10 мм и толщиной стенки 1 мм.

Конструкция соединений позволяет производить многократную их разборку.

Резиновые рукава применяются для подвода газа из РНД к дозатору, отбора воздуха к компрессору, подвода и отвода охлаждающей жидкости к РВД, вакуумной системы.

Для герметичного и надежного соединения трубопроводов, соединения газопроводов с переходниками, вентилями служат специальные ниппельные соединения фирмы SWAGELOK типа «врезающееся кольцо», которые допускают многократную разборку.

Монтаж комплекта электропроводов осуществляется в соответствии с принципиальной комбинированной схемой (рис. 7.31).

В кабине водителя производится установка на приборном щитке переключателя режима работы «газ-дизель» и контрольной лампы подачи газа.

На крыше автобуса устанавливается кассета с газовыми баллонами, арматурой баллонов и соединительными трубопроводами.

8. ОБОРУДОВАНИЕ, ОСНАСТКА И ИНСТРУМЕНТ, ПРИМЕНЯЕМЫЕ ПРИ ПЕРЕВОДЕ АТС ДЛЯ РАБОТЫ НА КПГ И ПРОВЕДЕНИИ ИСПЫТАНИЙ ГАЗОТОПЛИВНЫХ СИСТЕМ ГБТС

8.1. Требования к оснащенности приспособлениями, оснасткой, инструментом, специализированным оборудованием и контрольно-регулировочными стендами

8.1.1. При проведении демонтажно-монтажных работ по установке ГБО на АТС должны использоваться стандартные рожковые и накидные ключи и отвертки необходимого размера, в качестве оснастки – различного рода шаблоны для разметки требуемых отверстий под крепление ГТА на кабине (кузове) АТС, а также различных по размерам вырезов в продольных брусьях грузовой платформы или специализированном кузове АТС.

8.1.2. В целях повышения механизации труда на участках по установке ГБО должны использоваться торцовые ключи с переходниками, приспособленными под электрические и пневматические дрели, а также различного рода гайковерты, которые могут быть использованы при установке и снятии кузова, деталей и узлов ГБО.

8.1.3. Для сверления необходимых монтажных отверстий на кабине (кузове), на платформе и т.д. на участке должны применяться электро- и пневмодрели со сверлами необходимого размера.

8.1.4. При снятии и установке платформы, продольных брусьев, радиатора и при монтаже газовых баллонов должны применяться кранбалки, тельферы или другие подъемно-транспортные устройства.

8.1.5. При выполнении работ по установке ГБО рекомендуется использовать специальные комплекты инструмента для переоборудования автомобилей в газобаллонные и ТО и ремонта газобаллонных автомобилей.

8.1.6. В процессе работ по установке ГБО и испытаний газотопливных систем ГБТС выполняют специфические операции, требующие использование специального оборудования, контрольно-регулировочных стендов и различных приборов.

К таким операциям следует отнести:

- проверку технического состояния АТС и ГБО;

- монтаж арматуры газовых баллонов;

- перемещение газовых баллонов по территории предприятия и установка их на АТС;

- испытания ГБО на герметичность и надежность соединений;

- испытание газотопливных систем ГБТС на функционирование;

-мойку АТС и ГБТС.

8.1.7. При монтаже арматуры газовых баллонов (вентилей, переходников, тройников, угольников) должны использоваться специальные торцовые головки или ключи рожкового типа с удлинительным рычагом. Усилие затяжки должно быть не менее 500-550 Н·м (50-55 кгс·м).

8.1.8. Для механизации работ по установке газовых баллонов на автомобиль рекомендуется применять специализированные монтажные приспособления.

8.1.9. Примерный перечень технологического оборудования и инструмента, применяемого при переоборудовании АТС для работы на КПГ и проведении испытаний ГБТС, приведен в приложении 7 к настоящему документу.

8.2. Оборудование участка (станции) испытаний газотопливных систем ГБТС

При проведении испытаний компримированным природным газом на АГНКС необходимо использовать имеющееся в ее составе оборудование (компрессоры, рессиверы, заправочные колонки и т.п.).

При проведении испытаний сжатым воздухом оборудование испытательного участка (станции) должно удовлетворять следующим показателям:

- средний расход воздуха под давлением 19,6 МПа при проверке ГТС питания на герметичность и ее опрессовку для грузового автомобиля (автобуса) должен составлять 200 м3/авт.;

- средний расход воздуха под давлением 0,6 МПа (6,0 кгс/см2) для работы пневматического технологического оборудования - 30-40м3/авт.;

- время заполнения воздухом одного баллона до давления 19,6 МПа (200 кгс/см2) - за одну минуту;

- время заполнения воздухом до давления 19,6 МПа всей системы автомобиля - 10-12 мин;

- средняя продолжительность цикла испытаний автомобиля на герметичность и опрессовку- 150 мин;

- в зависимости от количества обслуживаемых газобаллонных автотранспортных средств, технологического оборудования, сменности работы производительность компрессора с давлением нагнетания воздуха 20,6-22,5 МПа (210-230 кгс/см2) должна составлять: минимальная - 60-80 м3/ч, максимальная - 240-300 м3/ч.

8.2.3. Технические характеристики некоторых воздушных компрессоров приведены в Приложении 8 к настоящему документу.

9. ТРЕБОВАНИЯ К КВАЛИФИКАЦИИ ПЕРСОНАЛА, ВЫПОЛНЯЮЩЕГО РАБОТЫ ПО УСТАНОВКЕ ГБО, И ИСПЫТАНИЯМ ГАЗОТОПЛИВНЫХ СИСТЕМ ГБТС

9.1. К работе по переводу автомобилей для работы на КПГ должны допускаться граждане:

не моложе 18 лет;

- обученные безопасным методам работы;

- сдавшие экзамены по техническому минимуму и правилам техники безопасности;

- получившие соответствующие удостоверения.

9.2. Подготовка специалистов по переводу АТС для работы на КПГ должна производиться в учебных организациях по специальным программам и учебным планам.

9.3. Специалист, осуществляющий непосредственно установку ГБО на АТС и испытания ГБТС или являющийся руководителем предприятия, выполняющего эти работы, должен знать:

- назначение, устройство и работу агрегатов, механизмов и приборов газовых систем питания автомобилей;

- физико-химические свойства газообразного моторного топлива;

- признаки, причины, способы обнаружения и устранения возможных неисправностей ГБО, возникших в процессе установки ГБО и испытания ГБТС;

- правила, особенности заправки ГБТС газовым топливом на стационарных и передвижных газозаправочных станциях;

- правила освидетельствования автомобильных газовых баллонов;                          

- требования к техническому состоянию ГБТС и особенностям их эксплуатации;

назначение и правила пользования инструментом, приборами, приспособлениями и технологическим оборудованием, применяемым при выполнении работ по установке ГБО и испытаниям;

- регулировочные параметры и воздействия для всех типов и марок газобаллонного оборудования и газобаллонных автотранспортных средств;

- основные виды и организацию работ и порядок их проведения при переводе АТС в газобаллонные;

- порядок проведения испытаний ГБО на герметичность и опрессовки соединений ее агрегатов и узлов;

- порядок и объем проведения испытаний на функционирование ГТС питания при работе на КПГ и нефтяном топливе;

- правила техники безопасности при проведении работ по установке ГБО на АТС и испытаниям ГБТС.

10. ТЕХНИКА БЕЗОПАСНОСТИ ПРИ ПРОВЕДЕНИИ РАБОТ ПО ПЕРЕВОДУ АТС ДЛЯ РАБОТЫ НА КПГ И ИСПЫТАНИЯМ ГАЗОТОПЛИВНЫХ СИСТЕМ ГБТС

10.1. Общие положения

10.1.1. Администрация предприятия должна разработать инструкции по охране труда и технике безопасности для каждой отдельной профессии (вида работ) с учетом специфики- производства, оборудования. Инструкция утверждается руководством предприятия.

10.1.2. Должностные лица, нарушающие требования техники безопасности, несут ответственность независимо от того, привело ли это нарушение к аварии или несчастному случаю или нет, и могут быть привлечены к дисциплинарной, а также иной ответственности, предусмотренной действующим законодательством, в зависимости от характера нарушения и тяжести его последствий.

10.1.3. Рабочие несут ответственность за нарушение техники безопасности в порядке, установленном правилами внутреннего трудового распорядка на предприятии.

10.1.4. Перевод АТС для работы на КПГ должен производиться в соответствии с требованиями конструкторской документации предприятия-изготовителя комплекта ГБО и нормативных документов, указанных в разд. 11 настоящего документа.

10.1.5. Переводить для работы на КПГ разрешается только технически исправные АТС. При монтаже должны использоваться только комплектные (заводские) агрегаты ГБО, имеющие соответствующие сертификаты, подтверждающие безопасность их эксплуатации.

10.2. Требования безопасности при проведении работ по установке ГБО на АТС

10.2.1. В помещениях, предназначенных для проведения работ по переводу АТС на КПГ, а также на открытых площадках хранения ГБТС запрещается:

- курить, пользоваться открытым огнем и работать с применением переносных паяльных ламп и сварочных аппаратов;

- заправлять автомобиль жидким топливом, а также сливать жидкое топливо из баков;

- оставлять открытыми отверстия горловин топливных баков (для жидкого топлива);

- подзаряжать аккумуляторные батареи (в помещениях);

- мыть или протирать бензином кузов, детали или агрегаты газобаллонного автомобиля, а также руки и одежду;

- хранить жидкое топливо, за исключением жидкого топлива в баках, а также не предусмотренные материалы и предметы.

Курить и пользоваться открытым огнем разрешается только в специально отведенных для этой цели местах.

10.2.2. Работы по снятию и установке ГА необходимо выполнять специальными инструментами, а не случайными подручными средствами; агрегаты можно снимать только в остывшем состоянии.

10.2.3. Установка баллонов на АТС должна производиться с помощью грузоподъемных устройств.

10.2.4. При установке баллонов необходимо выдерживать соответствующие технической документацией монтажные размеры, а также положение вентилей и штуцеров для подсоединения газопроводов. Под каждый хомут крепления баллона должны быть положены резиновые прокладки. При монтаже переходников и вентилей баллон должен быть установлен в специальное зажимное устройство, препятствующее его проворачиванию.

10.2.5. Газопроводы высокого давления должны соответствовать конструкторской документации предприятия-изготовителя ГБО. Запрещается устанавливать газопроводы собственного и неизвестного производства, не имеющих сертификата соответствия требованиям безопасности. Перед установкой газопроводов высокого давления необходимо продуть их сжатым воздухом и осмотреть (не допускается наличие трещин и повреждений).

10.2.6. Работы по установке ГБО должны проводиться при отключенной массе аккумуляторных батарей.

10.2.7. Перед началом работ по установке ГБО на АТС необходимо проверить исправность инструмента и оборудования, включить вентиляцию.

10.2.8. При проведении электромонтажных работ необходимо соблюдать следующие правила:

- закрепленные провода не должны проворачиваться относительно клемм приборов;

- провода, идущие в моторный отсек к датчику давления газа, электромагнитному газовому клапану, бензиновому ЭМК и другим элементам электрооборудования ГБО, не должны касаться нагреваемых деталей двигателя;

- не допускается касание металлических деталей автомобиля с токоведущими клеммами приборов и наконечниками проводов;

- изоляция проводов не должна быть повреждена;

- провода не должны располагаться на острых кромках и ребрах деталей АТС;

- изоляционные трубки должны быть плотно посажены на наконечники проводов и не должны зажиматься крепежными деталями.

10.3. Требования безопасности при проведении испытаний газотопливных систем ГБТС

10.3.1. На участке (станции) испытаний ГТС питания ГБТС должны соблюдаться следующие правила техники безопасности:

- пост раздачи сжатого воздуха или КПГ должен быть оборудован контрольно-измерительной и предохранительной арматурой;

- не допускается хранение ГБТС, не прошедших испытания, на посту с ГТС, находящейся под давлением;

- выпуск сжатого воздуха или КПГ во время проведения испытаний должен осуществляться через специальное устройство, оборудованное шумоглушителем;

- пост управления подачей сжатого воздуха или КПГ должен закрываться и иметь надежные запоры для исключения случаев подачи воздуха или газа высокого давления случайными людьми.

10.3.2. Проверка работы двигателя на КПГ и его регулировка должны производиться в специальном помещении с обязательной приточно-вытяжной вентиляцией и соответствующем требованиям пожарной безопасности.

10.3.3. Перед проведением работ по испытаниям ГТС питания ГБТС необходимо внимательно осмотреть арматуру баллонов, газовые трубопроводы, агрегаты и узлы ГБО. Их техническое состояние и места расположения должны соответствовать требованиям нормативно-технической документации.

10.3.4. При проведении испытаний на герметичность и опрессовку ГТС питания ГБТС следует строго соблюдать последовательность выполнения технологических операций.

10.3.5. Запрещается производить подтяжку гаек соединений газопроводов, замену узлов и деталей ГБО, находящегося под давлением, стучать по арматуре и газопроводам.

10.3.6. Запрещается во время наполнения баллонов сжатым воздухом или КПГ находиться в помещении расположения проверяемого ГБТС.

10.3.7. Запрещается проверять герметичность соединений газовых трубопроводов, газотопливной аппаратуры и арматуры баллонов при помощи открытого огня.

10.3.8. Запрещается нахождение посторонних лиц в помещении участка (станции) испытаний газотопливных систем ГБТС.

11. НОРМАТИВНО-ТЕХНИЧЕСКАЯ ДОКУМЕНТАЦИЯ, РЕГЛАМЕНТИРУЮЩАЯ ПРОЦЕССЫ ПЕРЕВОДА АТС ДЛЯ РАБОТЫ НА КПГ И ИСПЫТАНИЙ ГАЗОТОПЛИВНЫХ СИСТЕМ

Работы по переводу АТС на КПГ и испытаниям газотопливных систем производят в соответствии с требованиями, изложенными в соответствующей НТД, разработанной НИИАТом и другими организациями.

Перечень действующей нормативно-технической документации приведен ниже.

Перечень действующей нормативной документации, регламентирующей вопросы перевода АТС на КПГ

1. ТУ 152-12-007-99 (с изм. №1 от 2000 г.) «Автомобили. Установка на автомобили ГБО для работы на КПГ. Приемка и выпуск после установки. Испытания ГТС. Технические условия» НИИАТ, САТР-Фонд, НАМИ.

2. ОСТ 37.001.653-99 «Газобаллонное оборудование для транспортных средств, использующих газ в качестве моторного топлива. Общие технические требования и методы испытаний». НАМИ.

3. ОСТ 37.001.654-99 «Газоредуцирующая аппаратура и теплообменные устройства. Общие технические требования и методы испытаний». НАМИ.

4. ОСТ 37.001.655-99 «Газосмесительные и газоредуцирующие устройства. Общие технические требования и.методы испытаний». НАМИ.

5. ОСТ 37.001.656-99 «Электромагнитные клапаны. Общие технические требования и методы испытаний». НАМИ.

6. ОСТ 37.001.657-99 «Расходно-наполнительное и контрольно- измерительное оборудование. Общие технические требования и методы испытаний». НАМИ.

7. ГОСТ 27577-2000 «Газ природный топливный компримиро- ванный для двигателей внутреннего сгорания». ВНИИГАЗ.

8. ГОСТ 17.2.2.03-87 (с изм. №1 от 1999 г.) «Охрана природы. Атмосфера. Нормы и методы измерения содержания окиси углерода и углеводородов в отработавших газах автомобилей с бензиновыми двигателями. Требования безопасности». НИИАТ.

9. ГОСТ 17.2.02.06-99 «Охрана природы. Атмосфера. Нормы и методы измерения содержания оксида углерода и углеводородов в отработавших газах газобаллонных автомобилей». НИИАТ.

10. ГОСТ Р 51753-2001 «Баллоны высокого давления для сжатого природного газа, используемого в качестве моторного топлива на автомобильных транспортных средствах. Общие технические условия» ДАО «Оргэнергогаз», ОАО «Газпром», ЗАО «Техномаш» и др.

11. ГОСТ 949-73 «Баллоны стальные бесшовные большого объема для газов на Рр ≤ 19,6 МПа (200 кгс/см2). Технические условия». ВНИТИ.

12. ГОСТ 9731-79 «Баллоны стальные бесшовные большого объема для газов на Рр ≤. 24,5 МПа (250 кгс/см2). Технические условия». ВНИТИ.

13. ПБ 10-115-96 «Правила устройства и безопасной эксплуатации сосудов, работающих под давлением». Госгортехнадзор РФ.

14. ГОСТ 21393-75 (с изм. № 2 от 1999 г.) «Автомобили с дизелями. Дымность отработавших газов. Нормы и методы измерения. Требования безопасности». НИИАТ.

15. ГОСТ 12.1.005-88 «Система стандартов безопасности труда. Вредные вещества. Классификация и общие требования безопасности». Госстандарт РФ.

16. ГН 2.2.5.686-98 «Федеральные санитарные правила, нормы и гигиенические нормативы, предельно допустимые концентрации (ПДК) вредных веществ в воздухе рабочей зоны». Минздрав РФ.

17. РД 3112194-1014-93 (с изм. № 1 от 2000 г.) «Автобусы. Установка на автобусы газобаллонного оборудования для работы на компримированном природном газе (КПГ). Приемка и выпуск после установки. Испытания газотопливных систем». НИИАТ, НАМИ, «САТР-Фонд».

18. ИР 3112199-0301-86 «Классификатор дефектов автомобильных баллонов для СПГ». НИИАТ.

19. Инструкции по установке газобаллонного оборудования на АТС. Представляются предприятиями - изготовителями комплектов газобаллонного оборудования.

20. РД 3112199-1069-98 «Требования пожарной безопасности для предприятий, эксплуатирующих автотранспортные средства на компримированном природном газе». НИИАТ, ВНИИПО, ЗАО «Гипроавтотранс», ОАО «Газпром».

Приложение 1

Приложение 2

Приложение 3

Свидетельство предъявляется органам ГИБДД МВД России при осуществлении регистрационных действий (технического осмотра) газобаллонного транспортного средства, предназначенного для работы на сжиженных нефтяных газах и компримированном природном газе.

Приложение 4

 

Свидетельство предъявляется органам ГИБДД МВД России при осуществлении регистрационных действий и проведении государственных технических осмотров газобаллонного транспортного средства, предназначенного для работы на сжиженных нефтяных газах и компримированном природном газе.

Приложение 5

Приложение 6

Приложение 7

Перечень технологического оборудования и инструмента, применяемого при установке ГБО на АТС для работы на КПГ и проведении испытаний ГБТС

№ п/п

Наименование оборудования и инструмента

Модель

Габаритные размеры, мм. Масса, кг. Потребляемая мощность, кВт

Разработчик. Изготовитель

1

2

3

4

5

1. Участок но переоборудованию автомобилей для работы на КПГ

1.1

Приспособление для монтажа переходников на баллоны

Н-701

1280×555×1270,425 кг. Пневмопривод 0,4 МПа

ЦПКТБ «АСО» Митинский з-д «АСО»

1.2

Устройство грузоподъемное

Н-702

1500×270×1200, подвесное, 75 кг

«-»

1.3

Захват для транспортировки баллонов

Н-709

720×218×825, подвесной, 18,0 кг

ЦПКТБ «АСО» Казанский з-д «АСО»

1.4

Тележка для транспортировки баллонов

Н-711

1592×550×520, 18,0 кг

Бесланский з-д «АСО»

1.5

Комплект инструмента

И-150

Переносной футляр 625×230×110, 17,5 кг

ЦПКТБ «АСО» Казанский, з-д «АСО»

1.6

Комплект инструмента для газовой аппаратуры автомобилей

И-149

Переносной футляр 460×220×76, 6,0 кг

«-»

1.7

Ключ с контролируемым крутящим моментом

К-140

545×120×59, 0,82 кг

Йошкар-Олинский з-д «АСО»

1.8

Верстак слесарный

ШП-17

1900×900×1600, 380 кг

АО «ГАРО»

1.9

Контейнер для транспортировки и хранения баллонов

А-567В

1220×1020×2400, 140 кг

ЦПКТБ «АСО» Щебекинский ОЭЗ

1.10

Стеллаж для хранения деталей и узлов газовой аппаратуры

Собственного изготовления

 

 

2. Участок комплектации, подготовки и проверки ГБО и АТС

2.1

Стенд для проверки газовой аппаратуры. В состав стенда входят:

К-278

 

ЦПКТБ «АСО» Новгородский з-д «АСО»

 

- пульт управления с вакуумным насосом НВР-5Д

 

1200×620×1335, 190 кг, 10 кВт

 

 

- электрокомпрессор КР-2

- рессивер из двух баллонов

- шкаф аппаратный

Для установки узлов стенда без пульта необходимо помещение площадью - 9,0 м2

 

 

2.2

Пост для текущего ремонта газовой аппаратуры

Р-991

1200×650×1400, 120 кг

ЦПКТБ «АСО» Новгородский з-д «АСО»

2.3

Приспособление для сборки крестовин с вентилями

Н-703

500×150×100, 5,0 кг

ЦПКТБ «АСО» Новгородский з-д «АСО»

2.4

Установки для мойки мелких узлов и деталей

М-312

1140×760×1050, 260 кг, 6,0 кВт

Электрогорский ОЭЗ Бесланский з-д «АСО»

2.5

Компрессометр для карбюраторных двигателей

К-52

365×70×170, 0,85 кг

Казанский з-д «АСО»

2.6

Компрессометр для дизельных двигателей

Модель 628

66×36×295, 0,83 кг

12-й АРЗ г. Киев

2.7

Верстак слесарный

ШП-17

1900×900×1600, 380 кг

ОАО «ГАРО»

2.8

Комплект инструмента для переоборудования АТС в газобаллонные

И-150

Переносной футляр 625×230×110, 17,5 кг

ЦПКТБ «АСО»

Казанский з-д «АСО»

2.9

Комплект инструмента для газовой аппаратуры автомобилей

И-145

Переносной футляр 460×220×76, 110,0 кг

«-»

2.10

Ключ с контролируемым крутящим моментом

К-140

545×120×59, 0,82 кг

Йошкар-Олинский з-д «АСО»

3. Участок мойки автомобилей и автобусов

3.1

Установка моечная шланговая

М-217

1100×420×775, 198 кг

Бежецкий з-д «АСО»

3.2

Установка для мойки двигателей автомобилей (с подогревом воды)

М-203

1400×600×2025, 210 кг, 10 кВт

«-»

3.3

Щетка для мойки автомобилей

М-906

1500×274×180, 1,4 кг

«-»

4. Участок испытаний и газобаллонного оборудования и ГБТС

4.1

Установка компрессорная

ВШВ-2.3/230

2650×1310×1470, 1710 кг, 44 кВт

Уральский компрессорный з-д

4.2

Установка передвижная для проверки газовой аппаратуры

К-277

1430x620x1580, 580 кг, 0,5 кВт

ЦПКТБ «АСО» Новгородский з-д ОЭЗ «АСО»

4.3

Пневмотестер

К-272М

195x65x110, 2,4 кг

Новгородский з-д «АСО»

4.4

Дизельтестер

К-296

257x448x135, 10,0 кг

АСО «ГАРО»

4.5

Газоанализатор (СО, СН)

Автотестер-1

260x420x140, 9.0 кг

«-»

4.6

Газоанализатор-дымомер (СО, СН, тверд, част.)

Автотестер-4

430×48×950, 14,0 кг

«-»

4.7

Течеискатель

ТИГ-1, ТИГ-2

60×30×250, 1,0 кг

НПО «ВЭМ» г. Москва

4.8

Пульт управления подачей сжатого воздуха

Собственного изготовления

 

 

4.9

Емкость с мыльной эмульсией

Собственного изготовления

 

 

4.10

Кисть волосяная

ГОСТ 105-97

 

 

4.11

Комплект инструмента для газовой аппаратуры автомобилей

И-149

Переносной футляр 460×220×76, 11,0 кг

ЦПКТБ «АСО» Казанский з-д «АСО»

4.12

Линейка измерительная металлическая

ГОСТ 427-75

Предел измерений 0-15 мм

АО «Комплекс» г. Санкт-Петербург

4.13

Тахометр часовой

СК

Предел измерений 0-10000 об/мин

Завод «Эталон» г. Киев

4.14

Установка для отсоса отработавших газов

3910

Собственного изготовления

АО «Гипро-автотранс»

г. Москва

4.15

Вакуумный насос со шлангом

НВР-5Д

 

 

4.16

Аккумулятор (рессивер) для сжатого воздуха

Собственного изготовления

 

 

5. Вспомогательное оборудование участков

5.1

Таль электрическая грузоподъемностью 1 т

Н-6м

 

ОАО «ГАРО»

5.2

Компрессор гаражный

С-416

1930×700×1480, 495 кг, 11,0 кВт

Бежецкий з-д «АСО»

5.3

Верстак слесарный

ШП-17

1900×900×1600, 380 кг

ОАО «ГАРО»

5.4

Ящик металлический для обтирочных материалов

Собственного изготовления

500×400×600, 10,0 кг

Собственного изготовления

5.5

Ящик металлический для песка

Собственного изготовления

500×400×600, 10,0 кг

Собственного изготовления

5.6

Стеллаж

Собственного изготовления

2000×600×2000, 100,0 кг

«-»

5.7

Ящик для мусора

Собственного изготовления

500×400×600, 10,0 кг

«-»

Приложение 8

Технические характеристики воздушных компрессоров с давлением нагнетания 21-23 МПа (210-230 кгс/см2) и производительностью 120-300 м3/ч (2-5 м3/мин)

Показатели

Марка компрессора

2ВП-2/220

2ГП-2/220М

ВШВ-2.3/230

402ВП-4

ЗГП-5/220

1

2

3

4

5

6

Производительность, м3/мин (м3/ч)

2,2(132)

2,0(120)

2,4(144)

4,0 (240)

5,0 (300)

Абсолютное давление, кгс/см3:

 

 

 

 

 

- всасывания

1,0

1,0

1,0

1,0

1,0

- нагнетания

221

221

231

221

221

Потребляемая мощность, кВт

50

50

44

68

90

Охлаждение

жидкостное

жидкостное

воздушное

жидкостное

жидкостное

Расход охлаждающей воды, л/мин

117

40

-

50

167

Расход масла для смазки цилиндра, г/ч

70

-

90

58

-

Количество масла, заливаемого в раму, л

35

35

30

35

25

Габаритные размеры, мм:

 

 

 

 

 

- компрессора

2180×1300×2400

2500×1440×2300

1040×1175×1470

1875×1300×2081

3180×1630×2310

- компрессорной установки

3200×4275×2600

4700×3300×2500

2650×1310×1470

2210×1855×2281

4825×4400×2940

Масса, кг:

-компрессора

-компрессорной

установки

 

 

 

 

 

2900

4500

3275

4900

735

1710

1850

2900

4200

7800

Электродвигатель тип

АВ2-101-8

АВЗ-315М8

АВ2-82-4

АВ2-101-8

ДСК12-24-12

Мощность, кВт

75

75

55

75

125

Напряжение, В

220/380

220/380

220/380

220/380

380

Масса, кг

510

590

330

510

1070

Изготовитель

Краснодарский компрессорный завод

Уральский компрес. завод (Екатеринбург)

Московск. компрес. завод «Борец»

Краснодарский компрес. завод

 



уроки по алготрейдингу на Python с нуля



Яндекс цитирования