ИНФОСАЙТ.ру
Госты, стандарты, нормативы. В библиотеке 60000 документов. Регулярное обновление. Круглосуточный бесплатный доступ!
БИБЛИОТЕКА ГОСТОВ, СТАНДАРТОВ И НОРМАТИВОВ

:: АЛГОТРЕЙДИНГ ::


АЛГОТРЕЙДИНГ
шаг за шагом


БЕСПЛАТНЫЕ УРОКИ по созданию торговых роботов на PYTHON с нуля, шаг за шагом.


Минимальные знания на PYTHON.
Библиотеки BackTrader и Pandas, сигналы с Pine Script из TradingView.
Связка с брокерами, телеграм.
Создание простых интерфейсов.

 

Все документы, представленные в каталоге, не являются их официальным изданием и предназначены исключительно для ознакомительных целей. Электронные копии этих документов могут распространяться без всяких ограничений. Вы можете размещать информацию с этого сайта на любом другом сайте.


ЦНИИПРОМЗДАНИЙ

Пособие по практическому выявлению пригодности к восстановлению поврежденных строительных конструкций зданий и сооружений и способам их оперативного усиления

Москва - 1996 г.

Содержание

1. ОБЩИЕ ПОЛОЖЕНИЯ

2. КЛАССИФИКАЦИЯ ДЕФЕКТОВ ЖЕЛЕЗОБЕТОННЫХ И СТАЛЬНЫХ КОНСТРУКЦИЙ ПО ВНЕШНИМ ПРИЗНАКАМ

3. ОСНОВНЫЕ СПОСОБЫ УСИЛЕНИЯ КОНСТРУКЦИЙ

4. КОНСТРУКТИВНЫЕ МЕРОПРИЯТИЯ ПО ОСУЩЕСТВЛЕНИЮ СВЯЗИ СТАРОГО БЕТОНА С ВНОВЬ УЛОЖЕННЫМ

5. МЕТОДИКА РАСЧЕТА УСИЛЕНИЯ КОНСТРУКЦИЙ.

МЕТОДИКА РАСЧЕТА УСИЛЕНИЯ ИЗГИБАЕМЫХ ЭЛЕМЕНТОВ

МЕТОДИКА РАСЧЕТА УСИЛЕНИЯ ВНЕЦЕНТРЕННО СЖАТЫХ ЭЛЕМЕНТОВ

МЕТОДИКА РАСЧЕТА УСИЛЕНИЯ ВНЕЦЕНТРЕННО СЖАТЫХ ЭЛЕМЕНТОВ СТАЛЬНЫМИ УГОЛКАМИ

МЕТОДИКА РАСЧЕТА ИЗГИБАЕМЫХ ЖЕЛЕЗОБЕТОННЫХ ЭЛЕМЕНТОВ УСИЛЕННЫХ СТАЛЬНЫМ ШПРЕНГЕЛЕМ

6.ПРИМЕРЫ РАСЧЕТА СТРОИТЕЛЬНЫХ КОНСТРУКЦИЙ, ПОДЛЕЖАЩИХ УСИЛЕНИЮ 

7. методика ОПРЕДЕЛЕНИЯ нагрузок И УСИЛИЙ на ПОДЗЕМНЫЕ СООРУЖЕНИЯ

1. Подпорные стены

2. Тоннели и каналы.

3. Подвалы.

4. Проверка устойчивости подпорной стены против сдвига.

8. ПРЕДЛОЖЕНИЯ ПО УСИЛЕНИЮ ПОДЗЕМНЫХ ИНЖЕНЕРНЫХ СООРУЖЕНИЙ

9. ИСПОЛЬЗУЕМАЯ ЛИТЕРАТУРА

1. ОБЩИЕ ПОЛОЖЕНИЯ

1.1. Настоящее пособие представляет собой практическое руководство по обследованию, оценке несущей способности и восстановлению конструкций зданий и сооружений, получивших повреждения во время эксплуатации. Рекомендации пособия распространяются также на конструкции, необходимость усиления которых возникает в связи с увеличением нагрузок при реконструкции.

1.2. По результатам обследования устанавливается пригодность конструкции к эксплуатации, необходимость ее ремонта или усиления.

1.3. Повреждения строительных конструкций в зависимости от причин их возникновения могут быть разделены на следующие группы:

- от силовых воздействий;

- от воздействия внешней среды;

- от температурных воздействии (пожара);

- в результате чрезвычайных ситуаций (землетрясения, наводнения, взрыва и др.).

1.4. Характерными повреждениями железобетонных строительных конструкций от силовых воздействий являются нормальные и наклонные трещины в элементах конструкций, чрезмерные прогибы, выпучивание сжатой арматуры, выкрашивание бетона, в сжатой зоне и др.

1.5. Основными дефектами конструкций, возникающими от воздействия внешней среды, является коррозия бетона и арматуры, разрушение материалов от попеременного замерзания и оттаивания и других факторов.

1.6. Дефекты, возникающие от воздействия высоких температур, характеризуются, как правило, изменением цвета бетона, образованием на поверхности бетона сетки из мелких трещин с отслаиванием защитного слоя, а также появлением в растянутой зоне бетона вертикальных и наклонных трещин, появлением прогиба сверх нормативного и др.

1.7. В зависимости от характера и величины повреждений, для конструкций установлено пять категорий их технического состояния, которые определяют соответствующие мероприятия по восстановлению их эксплуатационной надежности.

Под эксплуатационной надежностью строительных конструкций понимается сохранение во времени установленной нормами или проектом несущей способности и долговечности конструкции.

1.8. Количественные и качественные параметры дефектов строительных конструкций устанавливаются на основе визуальных обследовании с использованием простейших измерительных инструментов (щупов, линейки, лупы и др.).

1.9. В пособие включены наиболее надежные в эксплуатации и простые в исполнении способы усиления конструкций.

1.10. При расчете несущей способности усиливаемой конструкции вводятся коэффициенты условия работы, дифференцированные в соответствии с категориями технического состояния, которые отражают степень поврежденности конструкции.

1.11. При разработке настоящего пособия использована научно-техническая документация по обследованию, ремонту и усилению железобетонных и стальных конструкций зданий и сооружении, список которой приведен в приложении.

1.12. Пособие предназначено для инженерно-технических работников проектных, производственных и ремонтно-строительных организаций, а также для работников служб, занимающихся эксплуатацией зданий и сооружений.

2. КЛАССИФИКАЦИЯ ДЕФЕКТОВ ЖЕЛЕЗОБЕТОННЫХ И СТАЛЬНЫХ КОНСТРУКЦИЙ ПО ВНЕШНИМ ПРИЗНАКАМ

2.1. Работы, связанные с усилением и ремонтом строительных конструкций в значительной мере зависит от того, насколько объективно и квалифицированно проведены натурные обследования с точки зрения достоверности имеющихся дефектов.

2.2. В зависимости от имеющихся повреждений техническое состояние конструкций может быть классифицировано на пять категории (состояний):

Категория 1 - Нормальное состояние.

Категория 2 - Удовлетворительное состояние.

Категория 3 - Неудовлетворительное состояние.

Категория 4 - Предаварийное состояние.

Категория 5 - Аварийное состояние.

2.3. К категории 1 относятся конструкции, усилия в элементах которых не превышают допустимые по расчету, т.е. отсутствуют видимые повреждения, свидетельствующие о снижении несущей способности. При этом могут быть отдельные раковины, выбоины в пределах защитного слоя.

2.4. К категории 2 относятся конструкции, потеря несущей способности которых не превышает 5 %, но имеющиеся в них дефекты способны со временем снизить долговечность конструкции. К дефектам конструкций этой категории относятся такие, как повреждение защитного слоя, частичная коррозия арматуры и др.

2.5. К категории 3 относятся конструкции не пригодные к дальнейшей нормальной эксплуатации. При этом конструкция перегружена или имеются дефекты и повреждения, свидетельствующие о снижении ее несущей способности. В этом случае необходим поверочный расчет несущей способности конструкции ж выполнение работ по ремонту и усилению.

2.6. К категории 4 относятся конструкции, дефекты и повреждения которых не могут гарантировать сохранность конструкции и безопасность ее эксплуатации. Для конструкций этой категории необходим капитальный ремонт с усилением. До проведения усиления необходимо ограничение нагрузок и принятие необходимых мер по безопасности.

2.7. Категория 5 включает конструкции, находящиеся в аварийном состоянии, установленном на основании поверочных расчетов и анализа дефектов и повреждений. В этом случае нет гарантии сохранности конструкций на период усиления. Конструкции подлежат замене или требуют капитальных ремонтно-восстановительных работ с немедленной разгрузкой конструкций и устройством временных креплений.

2.8. Предельные значения дефектов железобетонных балок и плит, соответствующие различным категориям технического состояния конструкций, приведены в таблице 1, а их характерные повреждения показаны на рис.1.

Таблица 1.

Предельно допустимые значения параметров дефектов для различных категорий технического состояния железобетонных балок и плит

№№ п.п.

Вид разрушения

Категории

1

2

3

4

5

1.

Ширина раскрытия нормальных трещин (рис.1а), мм

0,1

0,3

0,5

1,0

более 1,0

2.

Ширина раскрытия наклонных трещин (рис.1б), мм

-

0,2

0,3

0,4

более 0,4

3.

Прогиб балок (рис.1в)

- 

1/150

1/100

1/75

более 1/50

 

То же, подкрановых балок

-

1/400

1/300

1/200

более 1/200

4.

Снижение прочности бетона (рис.1г), %

-

-

20

30

более 30

5.

Уменьшение поперечного сечения арматуры в результате коррозии (рис.1г), %

 

5

10

20

более 20

Рис. 1. Дефекты железобетонных балок
а) вертикальные нормальные трещины в пролете; б) наклонные трещины у опор; в) прогиб; г) разрушение бетона, коррозия арматуры и бетона

Предельные значения дефектов железобетонных колонн и их характерные повреждения приведены в таблице 2 и на рис.2.

Таблица 2

Предельно допустимые значения параметров дефектов для различных категорий технического состояния железобетонных колонн

№№ п.п.

Вид разрушения

Категории

1

2

3

4

5

1.

Ширина раскрытия продольных (вертикальных) трещин (рис.2а), мм

0,1

0,2

0,3

0,4

более 0,4

2.

Ширина раскрытия поперечных (горизонтальных) трещин (рис.2б), мм

0,1

0,3

0,4

0,5

более 0,5

3.

Уменьшение поперечного сечения колонны в результате коррозии бетона (рис.2в), %

5

10

15

25

более 25

4.

Уменьшение поперечного сечения продольной арматуры в результате коррозии (рис.2в), %

-

5

10

20

более 20

5.

Выпучивание сжатой арматуры (рис.2г)

-

-

-

+

+

Рис.2. Дефекты железобетонных колонн
а) продольные трещины; б) поперечные трещины; в) коррозия бетона и арматуры; г) выпучивание сжатых стержней арматуры

2.9. Для железобетонных конструкций, подвергнутых температурному воздействию при пожаре, категория технического состояния, в зависимости от возникших дефектов определяется по таблице 3.

Таблица 3

Оценка состояния железобетонных конструкций при температурных воздействиях (пожарах)

№№ п.п.

Контролируемый  показатель

Категории

1

2

3

4

5

1.

Прогиб

В пределах допустимого нормами

Более, чем допускается нормами

2.

Изменение цвета бетона

Нет

 

До розового

От розового до красного

До темно-желтого

3.

Оголение рабочей арматуры

Нет

Оголена часть периметра рабочей арматуры на длину не более 20 см, кроме зоны анкеровки

Оголена часть периметра рабочей арматуры на длину не более 40 см, кроме зоны анкеровки

Оголена рабочая арматура по всему периметру на длину не более 30 см, кроме стержней в зоне анкеровки

Оголена рабочая арматура по всему периметру, включая стержни в зоне анкеровки

4.

Отслаивание поверхностного слоя бетона от основной массы конструкции

Нет

Местами (до 3-х мест) в пределах защитного слоя бетона на площади не более 30 см2 каждое

Местами в пределах защитного слоя бетона на площади не более 50 см2 кроме зоны анкеровки

На глубину более толщины защитного слоя бетона, но не более 5 см кроме зоны анкеровки

На глубину более 5 см

5.

Трещины в бетоне не более, мм

0,1

0,3

0,5

1,0

Более 1,0

6.

Снижение прочности бетона, %

Нет

5

20

30

Более 30

2.10. Для установления категория технического состояния конструкции достаточно наличия одного из наиболее опасных дефектов, указанных в таблицах, характеризующего эту категорию.

2.11. Ширина раскрытия трещин в железобетонных конструкциях определяется при помощи щупов или других инструментов, обеспечивающих точность измерений не ниже 0,01 мм, например, лупы с масштабными делениями.

2.12. Для оценки прочности бетона строительных конструкций могут быть применены следующие методы:

- упрощенный, с использованием простейших инструментов (зубила, молотка);

- с применением специальных инструментов (молотка Кашкарова, молотка Физделя);

2.13. Определение прочности бетона упрощенным способом производится путем оценки результатов удара молотком или зубилом по поверхности бетона. При этом делают 10 ударов средней силы молотком весом 0,3-0,4 кн, непосредственно по бетону или зубилу, установленному жалом на поверхности бетона. Для оценки прочности бетона используются данные табл.4.

Таблица 4

Определение прочности бетона при помощи молотка и зубила

Прочность бетона на сжатие, кПа

Способ оценки прочности бетона

ребром молотка

зубилом

7,5·103 (B12.5)

Звук бетона глухой, остается неглубокий след, края вмятины не осыпаются

Зубило относительно легко вбивается в бетон на глубину 10-15 мм

8,5·103 (B15)

Бетон крошится и осыпается, остаются вмятины

Зубило погружается в бетон на глубину около 5 мм

11,5·103 (В20)

Остается заметный след на поверхности бетона, вокруг которого откалываются тонкие лещадки

На поверхности бетона отделяются тонкие лещадки

17·103 (В30)

Звук бетона звонкий, остается слабо заметный след на поверхности бетона

Остается неглубокий след, лещадки не отделяются, при царапании остаются мало заметные штрихи

2.14. Оценка прочности бетона механическими методами с помощью молотка Кашкарова или молотка Физделя основывается на величине внедрения бойка в поверхностный слой бетона.

Принцип действия молотка Кашкарова заключается в том, что между металлическим молотком и завальцованным шариком имеется отверстие, в которое вводится контрольный металлический стержень. При ударе молотком по поверхности конструкции получается два отпечатка: на поверхности материала с диаметром D, на контрольном (эталонном) стержне с диаметром d. Отношение диаметров получаемых отпечатков зависит от прочности обследуемого материала и эталонного стержня и практически не зависит от скорости и силы удара, наносимого молотком. Но среднему значению величины D/d по графику на рис.3 определяют прочность материала.

Рис. 3. Зависимость прочности бетона на сжатие от соотношения D/d (молоток Кашкарова)
D - диаметр лунки на поверхности бетона; d - то же, на контрольном стержне

На участке испытания должно быть выполнено не менее пяти определений, при расстоянии между отпечатками на бетоне не менее 30 мм, а на металлическом стержне - не менее 10 мм.

Метод определения прочности бетона молотком Физделя основан на использовании пластических деформаций строительных материалов. При ударе молотком по поверхности бетона локтевым ударом средней силы (локоть руки прижат к поверхности конструкции) по 10-12 ударов на каждом участке конструкции. Расстояние между отпечатками ударного молотка должно быть не менее 30 мм. Диаметр лунки измеряют линейкой с точностью до 0,1 мм. Прочность бетона определяют по графику на рис.4, в зависимости от диаметра отпечатка на поверхности бетона.

Рис. 4. Зависимость прочности бетона на сжатие от диаметра лунки на поверхности материала (молоток Физделя)

2.15. Прочность бетона конструкции может быть определена другими способами, например, с помощью пистолета ЦНИИСКа, основанного на измерении упругого отскока ударника при постоянной величине кинетической энергии металлической пружины или ультразвуковыми приборами, работа которых основана на наличии связи между прочностью бетона и скоростью распространения в бетоне ультразвукового импульса.

2.16. Снижение прочности бетона в зависимости от температуры нагрева конструкций во время пожара приведены в табл.5, если на момент обследования имеются данные о температурном режиме при пожаре.

Таблица 5

Снижение прочности бетона в зависимости от температуры нагрева и условий твердения

Вид бетона и условия твердения

Снижение прочности бетона после пожара, %, при температуре на его поверхности, °С

60

100

150

200

300

400

500

Тяжелый с гранитным заполнителем,  естественное

-

10

15

20

30

40

50

2.17. Оценка технического состояния стальных инструкций в зависимости от характера и величины дефектов приведена в табл.6

Таблица 6

Оценка технического состояния стальных конструкций в зависимости от характера и величины дефектов

Вид дефекта

Категория технического состояния

- местами разрушено антикоррозионное покрытие;

2

- на отдельных участках наблюдается коррозия в виде отдельных пятен с поражением до 5% площади поперечного сечения элемента;

- прогиб балок и ферм не превышает 1/150 пролета.

- пластинчатая ржавчина с уменьшением площади сечения несущих элементов до 15% из-за коррозии металла;

3

- небольшая, но ощутимая вибрация балок и ферм;

- местные вмятины от ударов транспортных средств и другие механические повреждения, не приводящие к уменьшению несущей способности более, чем на 10%;

- прогиб изгибаемых элементов превышает 1/150 пролете

- коррозия металла с уменьшением расчетного сечения несущих элементов до 25%;

4

- трещины в сварных швах или в околошовной зоне;

- потеря местной устойчивости конструкции (выпучивание стенок или полок балок и колонн);

- срез отдельных болтов или заклепок в многоболтовых соединениях;

- отклонение ферм от вертикальной плоскости более 25 мм;

- прогибы изгибаемых элементов более 1/75 пролета.

- коррозия металла с уменьшением расчетного сечения несущих элементов более 25%;

5

- потеря общей устойчивости балок и сжатых элементов;

- наличие трещин в основном материале элементов;

- выход из строя отдельных элементов ферм;

- расстройство стыков со взаимным смещением опор;

- прогибы изгибаемых элементов более 1/50 пролета.

2.18. Характерные дефекты стальных конструкций, связанные с потерей местной и общей устойчивости элементов, а также повреждения стальных конструкций от коррозии материала и появления трещин показаны на рис.5.

Рис.5. Повреждения стальных конструкций
а - общая потеря устойчивости балки; б - то же, стойки; в - потеря местной устойчивости балки; г - коррозия металла (общая, местная, язвенная); д - трещины в фасонке по металлу и сварному шву;
1 - трещины.

Различные виды дефектов сварных швов приведены на рис.6.

Рис. 6. Дефекты сварных соединений
а - неравномерное сечение шва, кратеры; б - прожоги; в - резкий переход от металла шва к основному; г - ненолномерность шва; д - наплывы; е - подрезы основного металла; ж - трещины; з - непровары; и - шлаковые включения.

2.19. Сварные швы и околошовные зоны являются наиболее вероятными очагами возникновения трещин. Контроль сварных швов должен осуществляться с особой тщательностью визуальным осмотром с использованием лупы с 6-8 кратным увеличением, причем поверхность металла в осматриваемых листах должны быть очищены от пыли, продуктов коррозии и хорошо освещена.

Для измерения толщины угловых швов с помощью    пластилина делают слепок, размеры катетов шва при этом определяются мерным угольником (рис.7).

Рис. 7. Схема измерения сечения угловых швов с помощью снятия слепка
1 - основной металл; 2 - наплавленный металл; 3 - пластилин; 4 - слепок сварного соединения; 5 - угловая линейка; 6 - размеры катетов шва.

2.20. Для выявления величины раскрытия трещины, ее длины и конфигурации, зачищенную поверхность стальной конструкции смачивают керосином, что способствует четкому проявлению трещины.

2.21. Отклонение элементов стальных конструкции от вертикали измеряется с помощью отвеса и миллиметровой линейки. При измерениях отклонений элементов большой высоты (например, колонн) следует обеспечить неподвижное состояние отвеса путем опускания его в сосуд с жидкостью (рис.8).

Рис. 8. Измерение отклонений от вертикали конструкций с помощью отвеса
1 - стена, перегородка или колонна; 2 - перекрытие; 3 - отвес; 4 - сосуд с водой; 5 - измерительная линейка; 6 - точка измерения.

Отклонение элементов от вертикального положения может определяться с помощью нивелира и теодолита.

2.22. Выявление повреждении заклепочных соединений производится их внешним осмотром и остукиванием молотком весом около 0,3 кг. При ударе слабая заклепка издает глухой дребезжащий звук, а приложенный к ним палец ощущает вибрацию.

2.23. Контроль качества болтовых соединений осуществляется с помощью тарировочных ключей, обеспечивающих величину затяжки болтов, указанную в проекте.

  При отсутствии проектных данных при контроле затяжки болтов величина крутящего момента не должна превышать значений, указанных в табл.7.

Таблица 7

Диаметр болта d , мм

10

12

16

20

24

30

36

42

48

Допускаемый крутящий момент Мкр, Н.м

12

24

60

100

250

550

950

1500

2300

2.24. Для оценки состояния металлоконструкций в условиях нагрева (пожара) может быть использовано время, в течении которого они находились под воздействием высокой температуры. Это время следует сравнить с пределом огнестойкости конструкций, в течение которого они способны нормально функционировать в условиях воздействия высоких температур (около 500°С).

2.25. Исходными материалами для оценки качества металла являются рабочие чертежи инструкций и сертификат на материал.

При отсутствии сертификатов и указаний о марке стали следует провести дополнительные исследования механических свойств стали (предела текучести, временного сопротивления, относительного удлинения и ударной вязкости) в соответствии с действующими нормативными документами.

2.26. По установленной категории технического состояния конструкций по табл.8 определяются требуемые мероприятия но усилению и ремонту конструкции, а также устанавливается коэффициент условий работы "К", учитывающий снижение прочностных характеристик для расчета конструкций при усилении.

Таблица 8

Мероприятия по ремонту и усилению конструкций в зависимости от их повреждений

Категория технического состояния

Характер повреждения

Требуемые мероприятия

Коэффициент условия работы К

1. Нормальное состояние

Отсутствуют видимые повреждения, свидетельствующие о снижении несущей способности конструкций

Необходимости в ремонтных работах нет

1

2.Удовлетворительное состояние

Незначительное снижение несущей способности конструкций (до 5 %)

Требуется восстановление защитного слоя бетона для железобетонных конструкций или антикоррозионного покрытия для стальных

0,85

3.Неудовлетворительное состояние

Существующие повреждения свидетельствуют о снижении несущей способности конструкций

Требуется усиление конструкций

0,7

4. Предаварийное состояние

Существующие повреждения свидетельствуют о непригодности конструкции к эксплуатации

Требуется капитальный ремонт с усилением конструкций. До проведения усиления необходимо ограничение нагрузок

0,55

5. Аварийное состояние

Требуется немедленная разгрузка конструкций и устройство временных креплений

Конструкция подлежит замене или требует капитальных ремонтно-восстановительных работ

0,35

3. ОСНОВНЫЕ СПОСОБЫ УСИЛЕНИЯ КОНСТРУКЦИЙ

3.1. Усиление железобетонных балок, ригелей и плит может производиться следующими способами:

- методом наращивания сечения (рис.9);

- с помощью металлических шпренгельных элементов (рис.10);

- с применением стальных подкосов (рис.11).

Рис. 9. Способы усиления железобетонных изгибаемых элементов (балки, ригели, плиты) методом наращивания сечения
1) Прямоугольное сечение с усилением в растянутой зоне; 2) То же, с усилением в сжатой зоне; 3) Тавровое сечение с нейтральной осью в полке. Усиление в растянутой зоне;
4) То же. Усиление в сжатой зоне;
5) Тавровое сечение с нейтральной осью в ребре. Усиление в растянутой зоне;
6) То же. Усиление в сжатой зоне.

Рис.10. Усиление железобетонной балки   стальным шпренгелем
1 - усиливаемый элемент; 2 - стальные уголки; 3 - металлические планки (пластинки)

Рис.11. Усиление железобетонных балок стальными подкосами
1 - усиливаемый элемент; 2 - стальные подкосы; 3 - стальные уголки; 4 - распорная планка

3.2. Усиление железобетонных колонн, опор и стоек производится следующим способом:

- методом наращивают сечения (рис.12);

- с помощью устройства обоймы из металлических уголков (рис.13);

- с помощью устройства обоймы из металлических труб (рис.14)

Рис.12. Способы усиления внецентренно сжатых железобетонных элементов (колонн, опор, стоек) методом наращивания сечения
1) Одностороннее усиление сечения; 2) Двухстороннее усиление сечения; 3) Усиление сечения по периметру; 4) Усиление таврового сечения

Рис.13. Усиление железобетонной колонны стальной обоймой из уголков
1 - усиливаемый элемент; 2 - стальная обойма из уголков; 3 - упоры из стальных уголков; 4 - соединительные планки

Рис. 14. Усиление железобетонной колонны стальной обоймой
1 - усиливаемый элемент; 2 - стальной лист полукруглой формы (или разрезанная вдоль труба); 3 - накладная полоса; 4 - сварка; 5 - бетон замоноличивания

3.3. Метод наращивания сечения предусматривает увеличение сечения железобетонных элементов с установкой дополнительной арматуры, с обеспечением ее анкеровки и сцепления старого и вновь уложенного бетона.

Конструктивные указания по обеспечению сцепления бетона и анкеровке арматуры приведены в разделе 4.

3.4. Применение металлических шпренгельных элементов при усилении конструкций позволяет часть усилий, действующих на балку, передать на шпренгельную конструкцию и повысить несущую способность балки.

3.5. Усиление балочных конструкций с помощью стальных подкосов уменьшает расчетный пролет балки и существенно повышает   ее несущую способность. Угол наклона подкосов определяется технологическими условиями эксплуатируемого здания и величиной усилий, действующих па балку.

3.6. Усиление железобетонных колонн стальной обоймой из уголков позволяет часть усилии, приходящихся па колонну, передать на металлические стоишь при этом необходимо обеспечить передачу усилий от балок на стальную обойму за счет плотного примыкания упорных уголков к балкам.

3.7. Применение стальных листов полукруглой формы или разрезанных вдоль стальных труб при усилении железобетонных колонн позволяет значительно повысить расчетное сопротивление бетона на сжатие, как материала находящегося в замкнутом пространстве (обойме). Полость между существующей колонной и обоймой заполняется цементно-песчаной смесью.

3.8. Усиление стальных конструкция может производиться следующими способами:

- увеличением сечений элементов;

- устройством дополнительных связей ребер, диафрагм и распорок для увеличения местной и общей устойчивости конструкций;

- установкой дополнительных элементов с целью изменения конструктивной схемы;

- обетонированием стальных конструкций.

3.9. Способ увеличения сечения несущих элементов используется при усилении ветвей решетчатых колонн, сплошных балок, прогонов, стоек разных конфигураций и элементов других сплошных и пространственных конструкций.

Примеры усиления конструкций способом увеличения сечения приведены на рис.15.

Рис.15. Усиление конструкций способом увеличения сечения
1 - существующая конструкция; 2 - дополнительный элемент сечения; 3 - сварка

Присоединение дополнительных элементов к основной конструкции при помощи сварки требует частичной разгрузки усиливаемой конструкции, т.к. нагрев элементов в процессе сварки может снизить несущую способность усиливаемых элементов до 20%.

3.10. Устройство дополнительных связей, ребер, диафрагм, распорок и др. служит для повышения жесткости отдельных элементов конструкций. Например, постановка дополнительных поперечных и продольных ребер жесткости производится в случае недостаточной местной устойчивости стенок балок, местную жесткость составных полок увеличивают постановкой дополнительных диафрагм. Принципы конструирования ребер жесткости и диафрагм усиления такие же, как и в новых конструкциях.

3.11. Установка дополнительных элементов с целью изменения конструктивной формы сооружения и увеличения общей пространственной жесткости осуществляется путем введения, например, шпренгельных элементов в балочные конструкции, установкой подкосов, уменьшающих пролет элементов и другими аналогичными мероприятиями.

3.12. Обетонирование стальных конструкций, главным образом   стоек, колонн, позволяет значительно повысить жесткость и несущую способность усиливаемой конструкции, а кроме того увеличить огнестойкость и коррозионную стойкость материала.

3.13. Расчет усиления стальных конструкций производится как для новых конструкций в соответствии с действующими нормативными документами. При этом, несущая способность нового сечения (в том числе и сварных швов) определяется с учетом коэффициента условия работы "К" учитывающего техническое состояние конструкции (табл.8).

3.14. Усиление несущих элементов ферм (раскосов, поясов, стоек) имеющих значительные повреждения и находящихся в неудовлетворительном, предаварийном или аварийном состоянии - не допускается. Эти конструкции должны быть демонтированы и взамен них установлены новые. Локальные дефекты элементов ферм могут быть усилены в зависимости от имеющихся повреждений в каждом конкретном случае.

3,15. Методика расчета усиления железобетонных конструкций приведена в разделе 5, а примеры расчета - в разделе 6.

4. КОНСТРУКТИВНЫЕ МЕРОПРИЯТИЯ ПО ОСУЩЕСТВЛЕНИЮ СВЯЗИ СТАРОГО БЕТОНА С ВНОВЬ УЛОЖЕННЫМ

4.1. При проведении ремонтно-восстановительных работ связанных с усилением железобетонных конструкций методом наращивания сечения, возникает проблема надежного сцепления старого с вновь уложенным, определение состава бетона замоноличивания, анкеровки дополнительно уложенной арматуры и другие факторы.

4.2. При назначении высоты наращиваемой части бетона следует исходить из условия размещения в этом слое дополнительной арматуры, обеспечивающей повышение несущей способности железобетонного элемента, соответствующего защитного слоя, а также способов соединения этой арматуры с арматурой существующей конструкции. При этом минимальная высота наращиваемого бетона должна обеспечивать качественное производство работ (необходимая плотность и надежное сцепление с бетоном существующей конструкции).

После проведения расчетов по предлагаемой методике, в случаях, когда полученные результаты не удовлетворяют требуемым условиям (обеспечение совместной работы нового и старого бетона, сохранение несущей способности конструкции), следует изменить толщину наращиваемой части бетона или увеличить диаметр дополнительной арматуры.

Усиление конструкций путем наращивания сжатой зоны конструкции позволяет осуществить более тщательное производство работ, однако применение этого способа усиления в некоторых случаях требует дополнительных мероприятий, обеспечивающих фронт для проведения ремонтно-восстановительных работ.

4.3. При ремонте защитного слоя бетона предусматриваются следующие виды работ:

- заделка отдельных выколов и раковин;

- замена или восстановление защитного слоя (частичная или сплошная).

Толщина защитного слоя должна быть не менее 2,5 см для рабочей арматуры и не менее 1,5 см для хомутов и конструктивной арматуры. При замене защитного слоя бетона арматура должна быть очищена от ржавчины.

Восстановление защитного слоя бетона должно производиться цементно-песчаным раствором или торкрет бетоном. Уложенный раствор примерно через час смачивается водой, присыпается сухим цементом, заглаживается с помощью кельм, деревянной или металлической гладилкой.

При подготовке поверхности к ремонту одиночные трещины с шириной раскрытия свыше 1 мм разделываются, в виде прямоугольника и зачеканиваются цементно-песчаным раствором.

В местах больших околов бетона и обнажения арматуры устанавливают дополнительную арматурную сетку с размерами ячеек от 2,5 до 10 см и диаметром проволоки от 0,5 до 6 мм с прикреплением вновь устанавливаемых сеток к основной арматуре конструкций.

При восстановлении защитного слоя, для увеличения сил сцепления между новым и старым бетоном рекомендуется применять прослойку из эпоксидного клея. 

4.4. В зависимости от степени развития трещин могут применяться следующие способы ремонта конструкций:

- при раскрытии трещин до 0,3 мм - устройство защитных пленок и покрытий из лакокрасочных материалов;

- при раскрытии трещин более 0,3 мм - герметизация трещин водонепроницаемым эластичным материалом.

Герметизация трещин эластичными материалами производится с помощью шприцов.

4.5. Увеличение несущей способности методом наращивания могут производиться следующими способами:

- с установкой дополнительных арматурных стержней, которые непосредственно привариваются к основной арматуре (рис. 16,а) шпоночными швами через 50 - 100 см или с помощью прокладок в виде коротышей из круглой стали длиной 10 - 20 см;

- путем приварки к существующей продольной арматуре наклонных стержней или пластинок (рис. 16,б). Диаметр отогнутых стержней рекомендуется принимать диаметром от 12 до 20 мм. Размеры швов назначают из условия равнопрочности швов и привариваемых стержней арматуры. Минимальные размеры (длину) сварных швов принимают равными: при двухстороннем шве - четырем диаметрам привариваемых стержней, при одностороннем - шести диаметрам;

- увеличением рабочей высоты сечения элемента путем наращивания бетона сжатой зоны.

Рис. 16. Установка дополнительной арматуры в растянутой зоне
а) крепление дополнительной арматуры с помощью коротышей; б) то же, с помощью наклонных хомутов;
1 - усиливаемая конструкция; 2 - арматура усиливаемой конструкции; 3 - дополнительная рабочая арматура; 4 - коротыши; 5 - наклонные стержни (коротыши);   6 - поперечные стержни

4.6. Способ усиления с установкой дополнительной арматуры, приваренной непосредственно к основной (в том числе и через коротыши) позволяет увеличить, главным образом, количество растянутой арматуры и в меньшей мере высоту сечения (на 2-8 см).

4.7. При усилении сечения путем установки дополнительной арматуры, которая приваривается с помощью отогнутых стержней, достигается существенное увеличение несущей способности сечения как за счет увеличения количества растянутой арматуры, так и за счет увеличения рабочей высоты сечения. Однако данный способ более трудоемок при производстве работ за счет необходимости установки опалубки, укладки и уплотнения бетона.

4.8. При наращивании сечения со стороны сжатой зоны необходимо обеспечить совместную работу старого и вновь уложенного бетона. Для этого производят обработку поверхности бетона с целью придания ему необходимой шероховатости в виде насечки с помощью перфоратора или зубила. Перед бетонированием поверхность бетона очищают от пыли и тщательно промывают водой.

Набетонка армируется металлической сеткой из стержней диаметром 4-8 мм.

5. МЕТОДИКА РАСЧЕТА УСИЛЕНИЯ КОНСТРУКЦИЙ

А. Железобетонные конструкции

5.1. Расчет железобетонных конструкций, получивших повреждения и подлежащих усилению, производится в соответствии с указаниями главы СНиП 2.03.01-84 "Бетонные и железобетонные конструкции" на нагрузки фактически действующие на момент обследования с учетом возможного их увеличения.

5.2. При расчете сечении усиливаемых элементов на прочность вводится коэффициент условий работы К (см. табл. 8), учитывающий изменение микроструктуры материала от физического износа конструкций, коррозию бетона и арматуры, характер повреждения и другие факторы.

5.3. При выборе конструктивного решения усиления конструкций необходимо обеспечить прочность, устойчивость и пространственную неизменяемость конструкций, а также технико-экономическую целесообразность принятого решения в конкретных условиях строительства.

5.4. В методики расчета усиливаемых элементов введен ряд упрощений (в сторону некоторого увеличения несущей способности) позволяющих быстро и оперативно производить оценку технического состояния конструкций.

Например, при расчете изгибаемых элементов при проверке прочности сечения не учитывается сжатая арматура.

5.5. В данном разделе приведена методика расчета усиления балок способом наращивания сечения, устройством металлических шпренгельных систем и подкосов, а также колонн способом наращивания сечения, устройства стальных обойм из стальных уголков и труб.

МЕТОДИКА РАСЧЕТА УСИЛЕНИЯ ИЗГИБАЕМЫХ ЭЛЕМЕНТОВ

1. Вычисляется высота сжатой зоны сечения (без учета сжатой арматуры)

при этом должно выполняться условие, х £ 0,55hо,

где Rs - расчетное сопротивление арматуры растяжения;

Rв - расчетное сопротивление бетона сжатия (принимается не более основного сечения);

Аs - суммарная площадь (существующей и дополнительной) растянутой арматуры;

в - ширина ребра для прямоугольного сечения и ширина полки для таврового сечения.

2. Несущая способность сечения определяется по формуле

Мо = Rв·в·х·(hо - 0,5·хК

где К - понижающий коэффициент, устанавливаемый по табл. 8 в зависимости от технического состояния конструкции.

Полученный момент Мо должен быть не менее фактически действующего.

3. Определяется сдвигающее напряжение в зоне сопряжения старого и нового бетона

- для растянутой зоны

- для сжатой зоны,

где Q - поперечная сила в рассматриваемом сечении;

в - ширина ребра, в том числе и для таврового сечения;

S - статический момент части сборно-монолитного элемента, располагаемой выше шва сопряжения, относительно его центра тяжести;

J - момент инерции сечения сборно-монолитного элемента.

4. Проверяется соблюдение условия совместной работы старого и нового бетона

5. В случае, если условие  не выполняется, то необходимо увеличить размер усиления по высоте,

где Rвt расчетное сопротивление бетона растяжению.

6. Проверка сечения на поперечную силу производится из условия

где Q - поперечная сила на опоре;

hо - рабочая высота сечения на опоре;

l - пролет балки.

МЕТОДИКА РАСЧЕТА УСИЛЕНИЯ ВНЕЦЕНТРЕННО СЖАТЫХ ЭЛЕМЕНТОВ

1. Вычисляется высота сжатой зоны бетона

В подкоренном выражении знак плюс принимается при e > hо a', знак минус при e < hо a'

где hо - рабочая высота сечения (hо = hy - a );

a и a' - расстояние от равнодействующей усилий в арматуре соответственно для растянутой и сжатой арматуры до ближайшей грани сечения;

e и e' - расстояние от точки приложения продольной силы N соответственно до равнодействующей усилий растянутой и сжатой арматуры

h - коэффициент, учитывающий гибкость элемента учитывается при Lo/hy > 10 по графику на рис. 17, при Lo/hy < 10 h =1;

Lo - приведется высота колонны;

eo - эксцентриситет продольной силы N относительно центра тяжести сечения (eo = М / N);

Рис. 17. График коэффициентов n для расчета внецентренно сжатых элементов с учетом гибкости

Аs и А's - суммарная площадь сечения соответственно растянутой и сжатой арматуры;

Rs и R's - расчетное сопротивление арматуры соответственно растяжению и сжатию;

Rв - расчетное сопротивление бетона осевому сжатию.

2. Если х £ 0,55hо (большие эксцентриситеты) несущая способность сечения Nо определяется по формуле

Nо = Rв·в·х·К

где К - понижающий коэффициент, устанавливаемый по табл. 8 в зависимости от технического состояния конструкции.

3. Если х > 0,55hо (малые эксцентриситеты) несущая способность сечения определяется по формуле

где z - расстояние между центрами тяжести растянутой и сжатой арматурой (z = hо a')

Несущая способность сечения Nо должна быть больше действующего усилия N.

4. Определяется сдвигающее напряжение, в зоне сопряжения старого и нового бетона

- для растянутой зоны

где Q - поперечная сила в рассматриваемом сечении;

- для сжатой зоны.

5. Проверяется соблюдение условия совместной работы старого и нового бетона

где Rвt - расчетное сопротивление бетона растяжению.

6. В случае, если условие  не выполняется, то необходимо увеличить размер усиления.

МЕТОДИКА РАСЧЕТА УСИЛЕНИЯ ВНЕЦЕНТРЕННО СЖАТЫХ ЭЛЕМЕНТОВ СТАЛЬНЫМИ УГОЛКАМИ

1. Несущая способность железобетонного элемента определяется по методике расчета усиления внецентренно сжатых элементов.

2. Разница между действующим усилием и несущей способностью железобетонного элемента воспринимается стальной обрешеткой из уголков.

При этом расстояние между приваренными планками (в свету) не должно превышать 40imin (imin - минимальный радиус инерции сечения уголка).

3. Усилия, передаваемые на уголки, определяются

где N - действующая продольная сила;

No - несущая способность сечения железобетонного элемента ;

eo - эксцентриситет приложения силы

h - высота железобетонного сечения.

4. Усилие, воспринимаемое уголками, расположенными по одной стороне сечения, определяется

N = Aп·Ry·gc

где Aп - площадь двух уголков;

Ry - расчетное сопротивление стали растяжению (сжатию) по пределу текучести;

gc - коэффициент условий работы (gc = 0,8).

Несущая способность уголков должна быть больше действующего усилия Nу  

МЕТОДИКА РАСЧЕТА ИЗГИБАЕМЫХ ЖЕЛЕЗОБЕТОННЫХ ЭЛЕМЕНТОВ УСИЛЕННЫХ СТАЛЬНЫМ ШПРЕНГЕЛЕМ

1. Несущая способность железобетонного элемента определяется по методике усиления изгибаемых элементов.

2. Разница между действующим усилием и несущей способностью железобетонного элемента воспринимается стальным шпренгелем.

3. Усилие Р передаваемое на шпренгельную систему определяется по формуле

где М - действующий момент;

Мо - наибольший момент, воспринимаемый железобетонным сечением;

 l - пролет балки;

4. Горизонтальное усилие в стальных уголках определяется по формуле

Усилие в подкосе

где a - угол наклона стального подкоса к горизонтали.

По усилиям R и S определяем сечение уголков и длину сварных швов.

5. Площадь сечения уголков вычисляем по формуле

где Ry - расчетное сопротивление стали растяжению по пределу текучести принимается по СНиП II-23-81 "Стальные конструкции";

gc - коэффициент условия работы (gc = 0,8).

6. Производится проверка сечения из условия совместной работы балки вместе со шпренгелем, принимая суммарную площадь рабочей арматуры из стержней и уголков.

6. ПРИМЕРЫ РАСЧЕТА СТРОИТЕЛЬНЫХ КОНСТРУКЦИЙ, ПОДЛЕЖАЩИХ УСИЛЕНИЮ

ПРИМЕР 1

При обследовании железобетонной балки перекрытия установлено, что категория, ее технического состояния 4 (коэффициент условия работы К = 0,55). Требуется усиление конструкции. Усиление производим путем наращивания ее сечения в растянутой зоне на 100 мм.

Характеристики существующей конструкции:

Марка бетона М300 (класс В20), бетон тяжелый, Rв = 11,5·103 кПа, Rвt = 0,9·103 кПа (СНиП 2.03.01-84 табл.13).

Растянутая арматура 3Æ 22 А-Ш (Аs1 = 11,4·10-4 м2), Rs =365·103 кПа (СНиП 2.03.01-84 табл.22).

Действующие внешние усилия Мmax = 270 кН.м (27 т.м), Qmax = 180 кН (18 т).

Характеристики наращиваемого сечения:

Класс бетона Б30.

Дополнительная арматура 3Æ 20 А-Ш (Аs2= 9,42·10-4 м2).

Защитный слой бетона 0,025м.

Требуется проверить прочность сечения.

Высота сжатой зоны сечения:

где Rs =365·103 кПа, Rв = 11,5·103 кПа, Аs = 11,4·10-4 + 9,42·10-4 = 20,8·10-4 м2

х = 0,22 м < 0,55·hо = 0,55·0,72 = 0,39 м

Условие удовлетворено.

Новая несущая способность сечения:

Мо = Rв·в·х·(hо - 0,5·хК = 11,5·103·0,3·0,22·(0,72 - 0,5·0,22)·0,55 = 267,17 кН.м

Мо = 267,17 кН.м < Мmax = 270 кН.м

Условие не удовлетворено.

Требуется увеличить диаметр дополнительной арматуры. Принимаем 3Æ 22 А-Ш.

Высота сжатой зоны сечения

где Аs = 11,4·10-4 + 11,4·10-4 = 22,8·10-4 м2

х = 0,24 м < 0,55·0,72 = 0,39 м

Новая несущая способность сечения:

Мо =  11,5·103·0,3·0,24·(0,72 - 0,5·0,24)·0,55 = 286,9 кН.м

Мо = 286,9 кН.м > Мmax = 270 кН.м

Условие удовлетворено.

Принятая дополнительная арматуpa 3Æ 20 А-Ш проходит по расчету.

Сдвигающее напряжение в зоне сопряжения старого и нового бетона

где Q = 180 кН

Проверяем соблюдение условия совместной работы старого и нового бетона

t = 952,38 кПа < 1,57·Rвt = 1,57·0,9·103 = 1413 кПа

Условие  удовлетворено.

Несущая способность сечения по поперечной силе

Q = 180 кН < Qо = 481,6 кН

Прочность сечения по поперечной силе обеспечена.

Размер усиления но высоте 0,1 м удовлетворяет. Принимаем усиленную прямоугольную балку 0,8´0,3 м с дополнительной арматурой 3Æ 22 А-Ш.

ПРИМЕР 2

При обследовании железобетонной балки перекрытия установлено, что категория ее технического состояния 4 (коэффициент условия работы К = 0,55). Требуется усиление конструкции. Усиление производим путем наращивания сечения в сжатой зоне на 100 мм.

Характеристики существующей конструкции:

Марка бетона М400 (класс В30), бетон тяжелый, Rв = 17,0·103 кПа, Rвt = 1,2·103 кПа (СНиП 2.03.01-84 табл.13).

Растянутая арматура 3Æ 22 А-Ш (Аs = 11,4·10-4 м2), Rs =365·103 кПа (СНиП 2.03.01-84 табл.22).

Защитный слой бетона 0,025 м.

Действующие внешние усилия Мmax = 270 кН.м (27 т.м), Qmax = 180 кН (18 т.)

Характеристики наращиваемого сечения:

Класс бетона В30, Rв = 17,0·103 кПа, Rвt = 1,2·103 кПа.

Требуется проверить прочность сечения.

Высота сжатой зоны сечения:

 

где Rs =365·103 кПа, Rв = 17,0·103 кПа, Аs = 11,4·10-4 м2

х = 0,08 м < 0,55·hо =0,55·0,75 = 0,41 м

Условие удовлетворено.

Новая несущая способность сечения:

Мо = Rв·в·х·(hо - 0,5·хК = 17,0·103·0,3·0,08(0,75 - 0,5·0,08)0,55 = 289,68 кН.м

Мо = 289,68 кН.м > Мmax = 270 кН.м

Условие удовлетворено.

Сдвигающее напряжение в зоне сопряжения старого и нового бетона:

где S - статический момент части сборно-монолитного элемента, расположенной выше шва сопряжения, относительно его центра тяжести.

J - момент инерции сечения бетона относительно центра тяжести сечения балки

Проверяем соблюдение условия совместной работы старого и нового бетона:

t = 492,19 кПа < 1,57·Rвt = 1,57·1,2·103 = 1884 кПа

Условие удовлетворено.

Прочность сечения обеспечена.

Несущая способность сечения по поперечной силе

Q = 180 кН < Qо = 841,5 кН

Прочность сечения по поперечной силе обеспечена.

ПРИМЕР 3

При обследовании монолитной железобетонной плиты перекрытия установлено, что категория ее технического состояния 3 (коэффициент условия работы К = 0,7). Требуется произвести усиление конструкции в связи с увеличением нагрузки на перекрытие на 3 кПа. (300 кГ/м3). Усиление производим путем наращивания ребра в растянутой зоне на 100 мм.

Характеристики существующей конструкции:

Марка бетона М200 (класс B15), бетон тяжелый, Rв = 8,5·103 кПа, Rвt = 0,75·103 кПа (СНиП 2.03.01-84 табл.13).

Растянутая арматура 2Æ25 А-Ш (Аs1 = 9,82·10-4 м2). Rs = 365·103кПа (СНиП 2.03.01-84 табл.22).

Действующая расчетная нагрузка с учетом собственного веса q = 8 кПа (0,8 т/м2).

где l = 6м - длина балки

Характеристики наращиваемого сечения:

Марка бетона М300 (класс В20), Rвt = 0,9·103 кПа.

Дополнительная арматура 2Æ20 А-Ш (Аs2 = 6,28·10-4 м2).

Фактические усилия с учетом дополнительной нагрузки:

Мф = М + Мдоп.

где

где удельный вес бетона принят g = 25 кН/м3 (2,5 т/м3).

Мф = 54,0 + 22,5 = 76,5 кН.м.

Qф = Q + Qдоп.

где

Qф = 36,0 + 15,0 = 51,0 кН

Требуется проверить прочность сечения.

Высота сжатой зоны сечения:

где Rs = 365·103 кПа, Rв = 8,5·103 кПа, Аs = 9,82·10-4 + 6,28·10-4 = 16,1·10-4 м2

х = 0,046 м < 0,55·hо = 0,55·0,4 = 0,22 м

Условие удовлетворено.

Новая несущая способность сечения:

Мо = Rв·в·х·(hо - 0,5·хК = 8,5·103·1,5·0,046(0,4 - 0,5·0,046)0,7 = 154,78 кН/м

Мо= 154,78 кН.м > М= 76,5 кН.м

Условие удовлетворено.

Сдвигающее напряжение в зоне сопряжения старого и нового бетона:

где в = 0,2 м - толщина рёбра.

Проверяем соблюдение условия совместной работы старого и нового бетона:

t = 676,39 кПа < 1,57·Rвt = 1,57·0,75·103 = 1177,5 кПа

Условие  удовлетворено.

Прочность сечения обеспечена.

ПРИМЕР 4

При обследовании монолитной железобетонной плиты перекрытия установлено, что категория ее технического состояния 3 (коэффициент условия работы К = 0,7). Требуется произвести усиление конструкции в связи с увеличением нагрузки на перекрытие на 3 кПа (300 кГ/м2). Усиление производим путем наращивания плиты перекрытия сверху на 60 мм.

Характеристики существующей конструкции:

Марка бетона М200 (класс B15), бетон тяжелый, Rв = 8,5·103 кПа, Rвt = 0,75·103 кПа (СНиП 2.03.01-84 табл.13).

Растянутая арматура 2Æ25 А-Ш (Аs = 9,82·10-4 м2), Rs = 365·103 кПа (СНиП 2.03.01-84 табл.22).

Действующая расчетная нагрузка с учетом собственного веса q = 8 кПа (0,8 т/м2)

где l = 6м - длина балки

Характеристики наращиваемого сечения:

Марка бетона М200 (класс В15).

Фактические усилия с учетом дополнительной нагрузки:

Мф = М + Мдоп.

где

где удельный вес бетона принят g = 25 кН/м3 (2,5 т/м3).

Мф = 54,0 + 30,38 = 84,38 кН.м.

Qф = Q + Qдоп.

где

Qф = 36,0 + 20,25 = 56,25 кН

Требуется проверить прочность сечения.

Высота сжатой зоны сечения:

х = 0,028 м < 0,55·hо = 0,55·0,4 = 0,22 м

Условие удовлетворено.

Новая несущая способность сечения:

Мо = Rв·в·х·(hо - 0,5·хК = 8,5·103·1,5·0,028(0,4 - 0,5·0,028)0,7 = 96,46 кН.м

Мо = 96,46 кН.м > М = 84,38 кН.м

Условие удовлетворено.

Ордината центра тяжести таврового сечения ус определяется по формуле

Статический момент части таврового сечения, расположенного выше шва сопряжения, относительно центра тяжести всего сечения

S = вn·d2·y1 = вn·d2(hyyc – 0,5·d2) = 1,5·0,06(0,44 - 0,32 - 0,5·0,06) = 0,0081 м3= 8,1·10-3 м3

Момент инерции таврового сечения относительно центра тяжести

Сдвигающее напряжение в зоне сопряжения старого и нового бетона

где 0,2 м - толщина ребра.

Проверяем соблюдение условия совместной работы старого и нового бетона:

t = 747,42 кПа < 1,57·Rвt = 1,57·0,75·103 = 1177,5 кПа

Условие  удовлетворено.

Прочность сечения обеспечена.

ПРИМЕР 5

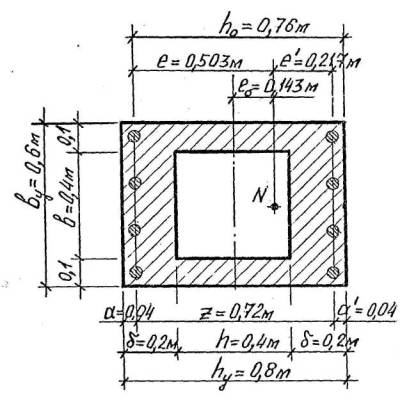
При обследовании железобетонной колонны сечением 400´400 мм установлено, что категория ее технического состояния 5 (коэффициент условия работы К = 0,35). Требуется произвести усиление конструкции. Усиление производим путем наращивания ее сечения бетоном марки М300 (класс В20) в плане с четырех сторон.

Характеристики существующей конструкции:

Марка бетона М300 (класс В20), Rв = 11,5·103 кПа, Rвt = 0,9·103 кПа (СНиП 2.03.01-84 табл.13).

Арматура у каждой грани рабочего сечения 4Æ25 А-Ш (Аs = 19,63·10-4 м2), Rs = 365·103 кПа (СНиП 2.03.01-84 табл.22).

Действующие внешние усилия М = 200 кН.м, N = 1400 кН.

Расчетная длина колонны Lo = 6 м.

Защитный слой бетона 0,025 м.

Расчет усиления производим без учета арматуры в существующей конструкции.

Рабочая арматура усиления Аs = А's = 19,63·10-4 м2.

Высота сжатой зоны сечения

где

ho = hy - а = 0,8 - 0,04 = 0,76 м

При симметричном армировании

а = а' = 0,04 м

Эксцентриситет приложения нагрузки

при

Так как e = 0,503 м < ho – а' = 0,76 - 0,04 = 0,72 м - в подкоренном выражении принимается знак минус.

e' = hy - а - e - a' = 0,8 - 0,04 - 0,503 - 0,04 = 0,217 м

Так как x = 0,641 м > 0,55·ho = 0,55·0,76 = 0,418 м несущая способность сечения определяется по формуле

где z = hо – a' = 0,76 - 0,04 = 0,72 м

No = 1468,23 кН > N = 1400 кН

Условие удовлетворено.

ПРИМЕР 6

При обследовании железобетонной колонны сечением 400´400 мм установлено, что категория ее технического состояния 4 (коэффициент условия работы К = 0,55). Требуется усиление конструкции. Усиление производим путем наращивания ее сечения в плане с двух сторон на 140 мм.

  Характеристики существующей конструкции:

Марка бетона М300 (класс В20), Rв = 11,5·103 кПа, Rвt = 0,9·103 кПа (СНиП 2.03.01-84 табл.13).

Арматура у каждой грани сечения 2Æ25 А-Ш (Аs = 9,82·10-4 м2) Rs = 365·103 кПа (СНиП 2.03.01-84 табл.22).

Действующие внешние усилия М = 300 кН.м, N = 780 кН, Q = 70 кН.

Расчетная длина колонны Lо= 4 м.

Защитный слой бетона 0,025 м.

Характеристики наращиваемого сечения:

Класс бетона В20.

Дополнительная арматура у каждой грани 2Æ25 А-Ш (Аs = 9,82·10-4 м2)

Требуется проверить прочность сечения.

где

ho = hy - а = 0,68 - 0,11 = 0,57 м

При симметричном армировании

Аs = А's = 9,82·10-4 + 9,82·10-4 = 19,63·10-4 м2

Эксцентриситет приложения нагрузки

при

e = 0,615 м > ho – а'= 0,57 - 0,11 = 0,46 м – принимается знак плюс.

e' = е - ho + а' = 0,615 - 0,57 + 0,11 = 0,155 м

Так как х = 0,421 м > 0,55·ho = 0,55·0,57 = 0,314 м несущая способность сечения определяется по формуле

где z = ho - а' = 0,57 - 0,11 = 0,46 м

No = 829,38 кН > N = 780 кН

Условие удовлетворено.

Определяем сдвигающее напряжение в зоне сопряжения старого и нового бетона

- для растянутой зоны

- для сжатой зоны

Проверяем соблюдение условия совместной работы старого и нового бетона:

t = 486,79 кПа < 1,57·Rвt = 1,57·0,9·103 = 1413 кПа

Условие удовлетворено.

ПРИМЕР 7

При обследовании железобетонной колонны сечением 400´500 мм установлено, что категория ее технического состояния 2 (коэффициент условия работы К = 0,85). Требуется произнести усиленно конструкции в связи с увеличением нагрузки. Усиление производим путем устройства металлической обоймы из уголков Ð75´75´6.

Характеристики существующей конструкции:

Высота колонны Lо = 6 м.

Бетон класса В20 (Rв = 11,5·103 кПа).

Арматура 4Æ25 А-Ш (Аs = А's = 9,82·10-4 м2; Rs = 365·103 кПа).

Расчетные усилия:

N = 1200 кН, М = 240 кН.м.

Требуется проверить прочность сечения.

Высота сжатой зоны

где

ho =  0,5 - 0,04 = 0,46 м

при

h = 1,21

e' = 0,452 - 0,42 = 0,032 м

e = 0,452 м > ho – а' = 0,46 - 0,04 = 0,42 м

При x = 0,28 м > 0,55·ho = 0,55·0,46 = 0,25 м

Условие удовлетворено.

Несущая способность сечения No определяется по формуле

Так как No = 1015,3 кН < N = 1200 кН , необходимо усиление сечения.

Усиление производим установкой уголков Ð75´75´6 ( Ry= 230·103 кПа, по СНиП II-23-81) с обрешеткой в виде металлических пластинок сечением 460´200´8 мм, расположенных по высоте на расстоянии (в свету) S = 40imin

S = 40·1,48 = 59 см

Усилие передаваемое на уголки, расположенные по одной стороне колонны

Усилие сжатия

Усилие растяжения

Необходимая площадь сечения уголка

Усилие, воспринимаемое уголками составит

Noy = Aп·Ry·gc = 2·8,78·10-4·230·103·0,8 = 323,1 кН > Ny = 166,2 кН

Условие прочности выполнено.

ПРИМЕР 8

При обследовании железобетонной балки установлено, что категория ее технического состояния 4 (коэффициент условия работы К = 0,55). Требуется усиление конструкции. Усиление производим стальными шпренгелями.

Характеристики существующей конструкции:

Класс бетона В20 (Rв = 11,5·103 кПа).

Площадь растянутой арматуры Аs = 11,4·10-4 м2, Rs = 365·103 кПа

Максимальный изгибающий момент М = 200 кН.м.

Высота сжатой зоны сечения

х = 0,12 м < 0,55·hо = 0,55·0,66 = 0,36 м

Условие удовлетворено.

Несущая способность сечения

Мо = Rв·в·х·(hо - 0,5·хК = 11,5·103·0,3·0,12(0,66 - 0,5·0,12)0,55 = 136 кН.м

Так как Мо = 136 кН.м < М = 200 кН.м, требуется усиление конструкции на момент равный разности между действующим моментом М и моментом воспринимаемым железобетонным элементом Мо.

Горизонтальное усилие в стальных уголках

Усилие в подкосе

Необходимая площадь сечения уголков

Принимаем конструктивно 2 Ð65´65´6 мм (А = 2·7,55 = 15,1 см2).

Производим проверку несущей способности балки из условия совместной работы балки совместно со шпренгелем.

Приводим сечение уголков к расчетному сопротивлению арматуры

Высота сжатой зоны бетона

х = 0,21 м < 0,55·hо = 0,55·0,66 = 0,36 м

Несущая способность сечения

Мо= 11,5·103·0,3·0,21(0,66 - 0,5·0,21)0,55 = 221 кН.м

Мо= 221 кН.м > М= 200 кН

Прочность сечения обеспечена.

ПРИМЕР 9

При реконструкции действующее усилие на консоль, равное 580 кН увеличилось до 1050 кН. Необходимо провести усиление консоли. Категория технического состояния конструкции 1 (К = 1). Марка бетона М300 (класс В20), Rв = 11,5·103 кПа. Сечение колонны 400´400 мм. Принимаем четыре стяжных болта Æ30 мм из стали Вст3.

Геометрические характеристики консоли приведены на рис.18

Рис.18. Усиление консолей железобетонных колонн
1 - упорные швеллера; 2 - стяжные стержни; 3 - гайки; 4 - обетонирование (после установки элементов усиления стяжные болты должны быть обетонированы)

 

Несущую способность короткой консоли [l1 £ 0,85(h1 + h2)] можно увеличить путем введения стяжных болтов. При этом расчет консоли на действие поперечной силы следует производить из условия

Q £0,1·Rв·в·К·К3 = 0,1·11,5·103·0,4·1·1,5 = 690 кН ,

где Q - дополнительное усилие на консоль

Q = 1050 - 580 =470 кН

в - ширина консоли (в = 0,4м);

К3 - коэффициент, учитывающий увеличение расчетного сопротивления бетона Rв за счет обжатия бетона стяжными болтами. Принимается в зависимости от диаметра стягивающих болтов по табл.1, (при установке 4-х болтов).

Таблица 1

Диаметр болта, мм 

20

24

30

36

42

К3

1,1

1,3

1,5

1,8

2,1

Q = 470 кН < 690 кН - условие выполнено.

Величина затяжки болтов V3 и величина крутящего момента Мкp принимаются по табл. 2.

Таблица 2

Диаметр болта, мм

20

24

30

36

42

V3, кН

27

38

82

90

122

Мкp, кН.м

0,12

0,22

0,46

0,81

1,34

Проверяем стяжные болты на восприятие горизонтальных усилий в консоли из условия

где Rs - расчетное сопротивление металла болтов на растяжение 145·103 кПa;

Аs - площадь сечения четырех болтов 5,6´4 = 22,4 см2 = 22,4·10-4 м2 

Q = 470 кН < 812 кН - условие соблюдено.

Расчетная площадь поперечного сечения болтов (по резьбе) в зависимости от их диаметра должна приниматься по табл.3.

Таблица 3

Диаметр болта, мм

20

24

30

36

42

Расчетная площадь сечения Аs, м2

2,45·10-4

3,52·10-4

5,6·10-4

8,26·10-4

11,2·10-4

7. методика ОПРЕДЕЛЕНИЯ нагрузок И УСИЛИЙ на ПОДЗЕМНЫЕ СООРУЖЕНИЯ

1. Подпорные стены

Исходные данные: Геометрические размеры подпорной стены; характеристика грунта (gн, jн, cн); временная нагрузка на призме обрушения.

1. Расчетный угол внутреннего трения грунта j принимается

j = 0,824jн - для песчаных и супесчаных грунтов;

j = 0,784jн - для глинистых и суглинистых грунтов;

где jн - нормативный угол внутреннего трения грунта.

Примечание. При наличии удельного сцепления грунта допускается значение jн увеличивать из расчета cн = 4 кПа = 1 градус, но не более чем на 4 градуса (cн - нормативное значение удельного сцепления грунта).

Например, при cн = 8 кПа и jн = 24°, принимаем jн = 24° + 2° = 26° и cн = 0.

2. Коэффициент горизонтального давления грунта

где kr - коэффициент, учитывающий наклон поверхности грунта засыпки к горизонту, принимается по табл.1.

Таблица 1

jн

r

10°

15°

20°

25°

30°

35°

15°

1

1,19

1,37

2,34

 

 

 

 

20°

1

1,17

1,33

1,63

2,84

 

 

 

25°

1

1,13

1,27

1,51

1,88

3,54

 

 

30°

1

1,32

1,26

1,46

1,73

2,21

4,48

 

35°

1

1,11

1,22

1,37

1,59

1,85

2,37

4,89

3. Интенсивность горизонтального давления грунта на глубине Z , кПа.

sg = 1,15·g·Z·l

где g - удельный вес грунта (g = gн).

4. Интенсивность горизонтального давления грунта от временной нагрузки q, кПа

sq = 1,2·q·l

5. Интенсивность пассивного сопротивления грунта на глубине hR, кПа

sR = g·hR·lR,

где lR - коэффициент пассивного сопротивления грунта

6. Сдвигающая сила Es, кН, определяется по формуле

Es = h (0,5·sg  + sq)

7. Удерживающая сила

FR = FV·tgj + ER

Примечание. Здесь значение j  принимается не более 30°.

8. Сумма проекций всех сил на вертикальную плоскость FV, кН, определяется по формуле:

а) для массивных подпорных стен (рис.1)

FV = Fs ·tg(e + d)+ Gcт

б) для уголковых подпорных стен

где Gcт - собственный вес стены;

Давление грунта принимается действующим на расчетную плоскость, угол наклона которой e к вертикали принимается из условия

tge = (в - t)/h

d - угол трения грунта на контакте о расчетной плоскостью (для уголковых подпорных стен d = j,

для массивных: гладких d = 0,

шероховатых d = 0,5j,

ступенчатых d = j.

9. Пассивное сопротивление грунта ER , кН

ER =sR·hR /2

10. Устойчивость подпорной стены против сдвига обеспечивается при соблюдении условия

Fs £ 0,8·FR

11. Изгибающий момент на глубине Z - МZ, кН.м, определяется по формуле

МZ = (sg  + 3sq)Z2/6

12. Расчет основания по деформациям считается удовлетворительным, если краевое давление от нормативных нагрузок не превышает 1,2·R (R - расчетное сопротивление грунта основания, кПа).

Краевое давление под подошвой стены определяется по формуле

при

при

Во всех случаях эксцентриситет приложения равнодействующей всех вертикальных сил относительно центра тяжести подошвы должен удовлетворять условию

e £ в/4

Эксцентриситет приложения равнодействующей  e вычисляется по формуле

где Мо - сумма моментов всех вертикальных и горизонтальных сил относительно оси, проходящей через центр тяжести подошвы

Мо = Fs [h* - tg(e + d)(0,5·в - htge )]

13. Горизонтальное перемещение верха стены D, вызванное креном подошвы не должно превышать h/75

D = 5Moh/в2E

где Е - модуль деформации грунта основания.

14. Все нагрузки, расположенные на поверхности грунта в пределах призмы обрушения, приводятся к сплошной эквивалентной равномерно распределенной нагрузке qэ, кПа, по формуле

где q - заданная (исходная) нагрузка, кПа

Исходные нагрузки для подвижного транспорта принимаются следующими

- для железнодорожной нагрузки СК

во = 2,7 м      q = 91 кПа

- для гусеничной нагрузки НГ-60, кПа

во = 3,3 м     q = 180/(а + 5)

- для колесной нагрузки НК-80, кПа

во = 3,5м        q = 224(а + 3,8)

- для автомобильной нагрузки АК, кПа

во = 2,5 м       q = 2,5(21,7 + а)/(l,7 + а )

2. Тоннели и каналы.

Исходные данные: Геометрические размеры тоннеля; характеристики грунта (gн, jн, cн); временная нагрузка на поверхности грунта

1. Расчетный угол внутреннего трения грунта j принимается

j = 0,824jн - для песчаных и супесчаных грунтов;

j = 0,784jн - для глинистых и суглинистых грунтов;

где jн - нормативный угол внутреннего трения грунта.

Примечание. При наличии удельного сцепления грунта допускается значение jн увеличивать из расчета cн = 4 кПа = 1 градус, но не более чем на 4 градуса (cн - нормативное значение удельного сцепления грунта).

Например, при cн = 8 кПа и jн = 24°, принимаем jн = 24° + 2° = 26° и cн = 0.

2. Интенсивность вертикального давления грунта , кПа, определяется по формуле

g* - усредненный вес грунта с учетом дорожного покрытия. При отсутствия конкретных данных допускается принимать g* = 18 кН/м3.

3. Интенсивность вертикального давления грунта , кПа, от сплошной равномерно распределенной нагрузки q, кПа

4. Интенсивность вертикального давления грунтовых вод, кПа

5. Интенсивность горизонтального давления грунта , на глубине z определяется по формуле

где g - удельный вес грунта (g = gн);

l - коэффициент бокового давления грунта

6. Интенсивность горизонтального давления грунта sq, кПа от оплошной равномерно распределенной нагрузки q, кПа

sq = 1,2·q·l

7. Интенсивность дополнительного горизонтального давления грунта, обусловленного наличием грунтовые вод, sw , кПа на глубине hw

sw = hw {10 - l [g - 16,5/(1 + е)]},

где е - пористость грунта.

8. При симметричном загружении тоннеля с шарнирным опиранием плит перекрытия расчетные усилия в элементах тоннеля определяются по формулам табл.1.

9. При симметричном загружении тоннеля с жесткими узлами расчетные усилия в элементах тоннеля определяются по формулам  табл.2.

Интенсивность вертикального давления , кПа от транспорных нагрузок на глубине h при движении их поперек сооружений, определяется по формулам:

- для железнодорожной нагрузки СК

- от транспорта на колесном ходу НК-80

- от транспорта на гусеничном ходу НГ-60

- для автомобильной нагрузки АК

- от погрузчиков

- от электрокар

Значение qо принимается равным

qо = 45° - j/2

Интенсивность горизонтального давления грунта от транспортных средств на глубине Z при движении их поперек сооружений, кПа

3. Подвалы.

Исходные данные: Геометрические размеры подвала; характеристика грунта (gн, jн, cн); временная нагрузка на поверхности грунта.

1. Расчетные характеристика грунта g, j, c определяются по аналогии с подпорными стенами  и тоннелями.

2. Интенсивность горизонтального давления от собственного веса грунта на глубине h и от сплошной равномерно распределенной нагрузки, кПа

sg = 1,15·g· h ·l

sq = 1,2·q·l

где l - коэффициент бокового давления грунта

 

3. Опорная реакция R , кПа, в уровне низа перекрытия подвала определяется по формуле

где Р - сумма веса грунта и временной нагрузки на внешней стороне фундамента, кН

k - коэффициент, учитывающий изменение реакции за счет поворота фундамента

где EcJc - жесткость стены

Eгр - модуль деформации грунта основания, кПа

4. Момент Мо, кПа, в уровне подошвы фундамента

5. Сдвигающая сила в уровне подошвы Fs , кПа, определяется по формуле

6. Удерживающая сила FR, кПа, определяется по формуле

FR = FV·tgj + ER

где FV - сумма проекций всех сил на вертикальную плоскость, кН,

ER - пассивное сопротивление грунта, кН

ER = ½ hR tg2(45° + j/2)

7. Устойчивость стены подвала против сдвига обеспечивается при соблюдении условии

Fs £ 0,8·FR

При несоблюдении этого условии необходимо предусматривать мероприятия, препятствующие сдвигу, например, устройство распорок и др.

8. Изгибающий момент в сечении стены на расстоянии Z от уровня перекрытия, MZ , кН·м, определяется по формуле

9. Расчет основания по деформациям считается удовлетворенным, если среднее давление на грунт под подошвой фундамента от нормативные нагрузок не превышает расчетного сопротивления грунта основания R, а краевое не превышает 1,2·R

ПРИМЕР

Проверить устойчивость подпорной стены против сдвига.

Исходные данные: Грунт засыпки и основания - суглинки.

Нормативные значения характеристик грунта gн = 18 кН/м3, jн = 25° , cн = 12 кПа. Расчетное сопротивление грунта основания R = 250 кПа. Модуль деформации грунта основания E = 2·104 кПа.

1. Расчетный угол внутреннего трения

j = 0,784·25 = 19,6°

С учетом оцепления грунта

j = 19,6 + 12/4 = 22,6°» 23°

2. Коэффициент горизонтального давления грунта

3. Интенсивность горизонтального давления грунта на глубине 4,2 м

sg = 1,15·18·4,2·0,44 = 38,25 кПа

4. Интенсивность горизонтального давления грунта от временной нагрузки

sq = 1,2·5·0,44 = 2,64 кПа

5. Интенсивность пассивного сопротивления грунта

sR = 18·1,2·tg2(45° + 23°/2) = 49,33 кПа

6. Сдвигающая сила

Fs = 4,2(0,5·38,25 + 2,64) = 91,41 кН

7. Сумма проекций всех сил на вертикальную плоскость

FV = 91,41·tg(21° + 23°) + 114,2 = 202,47 кН

tge = (2,4 - 0,8)/4,2 = 0,3809    e = 21°

8. Пассивное сопротивление грунта

ER =49,33·1,2/2 = 29,6 кН

9. Удерживающая сила

FR = 202,47·tg23° + 29,6 = 115,55 кН

10. Проверяем соблюдение условия

Fs = 91,41 кН < 0,8·115,55 = 92,44 кН

11. Сумма моментов всех сил относительно центра тяжести подошвы

Мо = 91,41[1,47 - tg (21° + 23°)(0,5·2,4 - 1,47 tg 21°)] = 78,09 кН.м,

где

12. Эксцентриситет приложения равнодействующей

При e = 0,39 м < в/6 = 0,4 м, краевое давление составляет

Pmax = 166,6 кПа     Pmin = 2,1 кПа

С учетом нормативных значений нагрузок

Pmax = 166,6 кПа/1,2 =138,8 кПа

Pmin =  2,1/1,2 = 1,75 кПа

Pmax = 138,8 кПа < 1,2·R = 1,2·250 = 300 кПа

Проверяем соблюдение условия е £ в/4

0,39 м < 2,4/4 = 0,6 м

13. Горизонтальное перемещение верха стены, вызванное креном подошвы

D = 5·78,09·4,2/2,42·2·104 = 0,0142 м

D = 0,0142 м < 4,2/75 = 0,056 м

8. ПРЕДЛОЖЕНИЯ ПО УСИЛЕНИЮ ПОДЗЕМНЫХ ИНЖЕНЕРНЫХ СООРУЖЕНИЙ

Если в результате поверочных расчетов конструкций инженерных сооружений (тоннелей, подвалов, подпорных стен) будет установлена недостаточная несущая способность, недостаточная прочность, а также потеря устойчивости подпорных стен против сдвига, могут быть рекомендованы следующие мероприятия:

- уменьшение воздействия внешних нагрузок (разгрузка);

- усиление конструкций в зависимости от имеющихся повреждений.

Так, например, ремонт и усиление перекрытий тоннелей, подвалов может быть осуществлено по аналогии с приведенными в Пособии способами усиления изгибаемых элементов (балок и плит) путем наращивания бетонного сечения элемента с установкой дополнительной арматуры.

Наиболее простые по исполнению мероприятия по увеличению прочности стен тоннелей, подпорных стен, включая примеры решения, обеспечивающие устойчивость подпорных стен против сдвига, приведены на стр.

При производстве работ по усилению конструкций, временные нагрузки на поверхности грунта засыпки, расположенные в районе усиливаемых конструкций, должны быть сняты.

СХЕМЫ УСИЛЕНИЯ ТОННЕЛЕЙ

Вариант рекомендуется применять для восстановления первоначальной несущей способности и долговечности кессонной части плит перекрытия и стеновых блоков без установки дополнительной арматуры.
Толщина слоя торкретбетона принимается минимальной d = 20 мм.

Вариант рекомендуется применять при необходимости небольшого увеличения несущей способности (на 0,5 - 1,0 тс/м2).
Нанесение слоя торкретбетона производится с внутренней стороны тоннеля с приваркой дополнительной арматуры (рис.19).
При расчете следует учитывать увеличенную толщину элементов рамы, как монолитной конструкции

Рис.19
1 - торкретбетон; 2 - существующее перекрытие тоннеля; 3 - существующая арматура; 4 - дополнительная арматура усиления (приварить с помощью коротышей сварным швом по ГОСТ 140-98-85); 5 - коротыши.

СХЕМЫ УСИЛЕНИЯ ПОДПОРНЫХ СТЕН

Наращивание слоя монолитного железобетона с наружной стороны лицевой плиты подпорной стены (рис.20). Вариант рекомендуется при ремонте лицевой поверхности стены при незначительном увеличении нагрузки на поверхности, грунта (на 30-40 %), при котором не нарушается устойчивость стены против сдвига.

1 - усиливаемая конструкция (стена); 2 - арматура усиливаемой конструкции; 3 - бетон усиления класса B15; 4 - дополнительная горизонтальная и вертикальная арматура; 5 - коротыши из круглой стали. Приварить по ГОСТ 140-98-85.

Устройство монолитного бетонного "зуба".
Этот вариант рекомендуется при недостаточности габаритных размеров стены из условия работы на сдвиг. Если при применении этого варианта окажется необходимым увеличить также несущую способность лицевой плиты, то этот вариант следует сочетать с вариантом, показанным слева.

Усиление подпорных стен в стесненных условиях генплана с помощью буронабивных свай

9. ИСПОЛЬЗУЕМАЯ ЛИТЕРАТУРА

1. СНиП 2.03.01-84 "Бетонные и железобетонные конструкции. Нормы проектирования".

2. СНиП II-23-81 "Стальные конструкции. Нормы проектирования".

3. Анализ причин аварий зданий и сооружений и рекомендации по их устранению. ЦНИИпромзданий, 1993г.

4. Рекомендации по оценке надежности строительных конструкций по внешним признакам. ЦНИИпромзданий, 1989г.

5. Рекомендации по усилению и ремонту строительных конструкций инженерных сооружений. ЦНИИпромзданий, 1995г.

6. Каталог конструктивных решений по усилению и восстановлению строительных конструкций промышленных зданий и сооружений. ЦНИИпромзданий, 1987г.

7. Методические указания по натурным обследованиям промышленных зданий, получивших разрушения в результате внешних воздействий. ЦНИИпромзданий, 1987г.

8. Руководство по обеспечению долговечности железобетонных конструкций предприятий черной металлургии при их реконструкции и восстановлении. Стройиздат, 1982г.

9. Методические рекомендации по усилению железобетонных конструкций зданий и сооружении. Харьков, 1994г.

10. Руководство по эксплуатации строительных конструкций производственных зданий промышленных предприятий. Стройиздат, 1995г.

11. Рекомендации по усилению монолитных железобетонных конструкций и сооружении предприятий горнодобывающей промышленности. Стройиздат, 1974г.

12. Рекомендации по определению прочностных и деформационных характеристик бетона при неодноосных напряженных состояниях. НИИЖБ, 1985г.



уроки по алготрейдингу на Python с нуля



Яндекс цитирования

   Copyright © 2008-2026 ,  www.infosait.ru

backtrader - уроки алготрейдинга на python