|
|
Все документы, представленные в каталоге, не являются их официальным изданием и предназначены исключительно для ознакомительных целей. Электронные копии этих документов могут распространяться без всяких ограничений. Вы можете размещать информацию с этого сайта на любом другом сайте.
ГОССТРОЙ СССР ЦЕНТРАЛЬНЫЙ НАУЧНО-ИССЛЕДОВАТЕЛЬСКИЙ И ПРОЕКТНО-ЭКСПЕРИМЕНТАЛЬНЫЙ ИНСТИТУТ ОРГАНИЗАЦИИ, МЕХАНИЗАЦИИ И ТЕХНИЧЕСКОЙ ПОМОЩИ СТРОИТЕЛЬСТВУ (ЦНИИОМТП) ТЕХНОЛОГИЧЕСКИЕ СХЕМЫ РАЗРАБОТКИ МЕРЗЛЫХ ГРУНТОВ НА ГЛУБИНУ ДО 3 м ЩЕЛЕВЗРЫВНЫМ СПОСОБОМ МОСКВА-1988 СОДЕРЖАНИЕ Рекомендовано к изданию решением Научно-технического совета ЦНИИОМТП Госстроя СССР. Технологические схемы разработки мерзлых грунтов на глубину до 3,0 м щелевзрывным способом. М., 1988, 40 с. (Госстрой СССР. Центр, науч.-исслед. и проектно-эксперим. ин-т организации, механизации и техн. помощи стр-ву. ЦНИИОМТП). В схемах заложены исходные данные для расчетов технологических параметров усовершенствованного щелевзрывного способа рыхления мерзлых грунтов на глубину до 3,0 м по методу, разработанному с.н.с. отдела земляных работ ЦНИИОМТП К.В. Горловым. Схемы разработаны сотрудниками отдела земляных работ ЩИИОМТП Госстроя СССР д.т.н. И.П. Балбачан и с.н.с. К.В. Горловым. Схемы предназначены для инженерно-технических работников проектных организаций, оргтехстроев и других строительных организаций. ОБЩИЕ ПОЛОЖЕНИЯЩелевзрывная технология производства земляных работ рассчитана на устройство выемок различного назначения в зимних условиях с глубиной промерзания грунтов более 0,8 м. Значительное увеличение объемов земляных работ в северных районах страны со сложными климатическими и грунтовыми условиями и, как следствие этого, постоянное увеличение объема разработки грунтов с большой глубиной промерзания и вечномерзлых грунтов на строительных объектах (траншеи различного назначения, каналы, котлованы и др.) вызвали необходимость разработки и применения новых средств механизации, а также уточнение технологических параметров эффективной щелевзрывной технологии рыхления мерзлых грунтов. В состав схем входят следующие материалы: область применения, организация и технология строительного процесса и собственно технологические схемы по видам работ. Технологические схемы на разработку мерзлых грунтов на глубину до 3,0 м с применением щелевзрывного способа составлены для основных типоразмеров выемок, применяемых в строительстве - траншей, котлованов, выемок под автодороги и каналы. К остальным различным выемкам технологические схемы могут быть применены по аналогии, в соответствии с выбранной схемой нарезания щелей, параметрами и назначением выемки и физико-техническими характеристиками мерзлых грунтов. Технологические схемы могут быть использованы при разработке проектов производства работ. Применение схем способствует значительному улучшении качества ППР, в состав которых входит рыхление мерзлого грунта взрывным способом. Машины, рекомендуемые в технологических схемах, относятся к прогрессивным серийно выпускаемым отечественной промышленностью (кроме импортного экскаватора НД-1500 "Като") и новым средствам механизации, например, траншейный фрезерный экскаватор ЭФ-251. Кроме того, технологические схемы содержат графическую схему производства работ; пояснение и характеристику особенностей производства работ (природные условия); схему нарезания и заряжания щелей, а также конструкции зарядов и взрывной сети для различных параметров выемки; объемы работ, параметры заложения зарядов ВВ и расход ВМ. Схемы конструкции зарядов разработаны с учетом использования аммонита ПНА-6ЖВ. 1. ОБЛАСТЬ ПРИМЕНЕНИЯ1.1. В технологических схемах предусмотрена разработка траншей, котлованов, выемок под автодороги и каналов в вечномерзлых грунтах и в грунтах с сезонным промерзанием глубиной до 3,0 м с предварительным рыхлением мерзлых грунтов щелевзрывным способом. 1.2. Мерзлые грунты по трассе траншей, выемок под автодороги и каналов, а также на строительных площадках под разработку котлованов не должны содержать крупную гальку и валуны. Для рыхления мерзлых грунтов взрывом применяют: порошкообразное ВВ - аммонит 6ЖВ или патронированное - ПШ-6ЕВ. Объемы работ, параметры заложения зарядов ВВ и расход ВМ определены, исходя из нескольких вариантов типоразмеров выемок. А. На разработку 100 м траншей с параметрами*: Нв - 2,0 м, В - 1,2 м, Hпр - 1,0 м; Нв - 1,5 м, В - 1,8 м, вечномерзлый грунт (ВМГ); Нв - 2,5 м, В - I.5.M, Нпр - 2,0 м; Нв - 2,0 м, В -1,4 м, ВМГ; Нв - 3,0 м, В - 1,8 м, Нпр - 1,8 м; Нв - 2,5 м, В - 3,5 м, Нпр - 1,4 м; Нв - 2,0 м, В - 2,9 м, ВМГ; Нв - 3,0 м, В - 3,2 м, Нпр - 2,0; Нв - 2,5 м, В - 3,2 м, ВМГ; Нв - 4,5 м, В - 6,0 м, Нпр - 1,2; Нв - 1,5 м, В - 5,0 м, ВМГ; Нв - 2,5 м, В - 6,5 м, ВМГ; Нв - 4,0 м, В - 5,5 м, Нпр -1,8 м; Нв - 2,0 м, В - 6,2 м, ВМГ. Б. На разработку 100 м котлована шириной 15 м с параметрами: Нв - 1,5 м, Нпр - 1,2 м; Нв - 1,5 м, ВМГ; Нв - 3,5 м, Нпр - 2,0 м; Нв - 3,5 м, Нпр - 2,5 м. B. На разработку котлована длиной 100 м, шириной свыше 15,0 м при ширине захватки 25 м с параметрами: Нв - 3,0 м, Нпр - 1,0 м; Нв - 3,0 м, Нпр - 1,8 м; Нв - 4,5 м, Нпр - 2,2 м; Нв - 4,5 м, Нпр - 2,7 м. Г. На разработку 100 м выемки под автодорогу шириной 15 м, глубиной 6 м и глубиной промерзания грунта 1,4; 1,7; 2,2; 2,8 м. Д. На разработку 100 м канала шириной по верху 18,0 м, шириной по низу 3,0 м, глубиной 5,0 м и глубиной промерзания грунта 1,0; 2,0; 2,5 м. * Здесь и далее: Нв - глубина выемки; В - ширина выемки; Нпр - глубина сезонного промерзания. 1.3. В состав работ, рассматриваемых схемами, входят технологические операции: расчистка строительной площадки (трассы) от снега; разметка зарядных и компенсирующих щелей; нарезание зарядных и компенсирующих щелей в мерзлом грунте; заряжание зарядных щелей порошкообразным или патронированным ВВ; забойка зарядных щелей с помощью бульдозера; монтаж взрывной сети и производство взрыва; планировка бульдозером разрыхленного мерзлого грунта (при разработке траншей); разработка разрыхленного мерзлого и немерзлого грунтов. 1.4. Для использования технологических схем при разработке технологической карты к конкретному объекту и условиям строительства необходимо уточнить объемы работ соответственно фактическим параметрам выемки, средства механизации с учетом рационального и максимального использования наличного парка машин и механизмов, потребности в трудовых ресурсах и эксплуатационных материалах. Затем уточняются основные технологические параметры и выбирается схема нарезания щелей. К основным технологическим параметрам щелевзрывного способа относятся перечисленные ниже. I. Нщ - глубина щели, м. А. В сезонномерзлом слое грунта с глубиной промерзания Нпр, когда глубина выемки больше или равна глубине промерзания, глубина щели равна Нщ = (0,9 - 0,95) Нпр Численное значение коэффициента перед Нпр при определении Нщ выбирают, исходя из того, что большей глубине промерзания соответствует меньшее значение коэффициента, а меньшей - большее. Б. В вечномерзлом грунте или же когда глубина выемки Нв меньше глубины промерзания Нщ = Нв II - ширина щели (равна ширине режущего органа щелевзрывной машины), м; III. W - расстояние между стенками щелей, м W = (0,8 - 1,3) Нщ, где 0,76 М ≤ Нщ ≤ 1,5 м. IV. Нв - глубина заложения зарядов, м. V. d - расстояние между центрами зарядов ВВ по длине зарядной щели (шаг зарядов), м. VI. q - удельный расход ВВ, кг/м3. VII. Q1 - масса сосредоточенного заряда ВВ, кг. VIII. Q2 - масса сосредоточенного заряда ВВ второго яруса, кг. IX. Удельный расход ВВ q изменяется в пределах 0,4 - 1,2 кг/м3. Для песчаных мерзлых грунтов удельный расход ВВ изменяется в пределах от 0,4 до 0,6 кг/м3, для глинистых - от 0,6 до 1,2 кг/м3. Щелевзрывной способ имеет три основных схемы (двухщелевая, трехщелевая, многощелевая), основанные на различных сочетаниях взаимного расположения заряженных и компенсирующих (незаряженных) щелей (рис. 1). Двухщелевая схема представляет собой наиболее простое сочетание одной зарядной и одной компенсирующей щели (рис. 1, схема I). Трехщелевая схема является основным вариантом и оптимальной с точки зрения использования энергии взрыва. Компенсирующие щели расположены симметрично относительно зарядной щели (рис. 1, схема II). Многощелевая схема применяется в тех случаях, когда ширина выемки или захватки превышает возможности трехщелевой схемы (рис. 1, схема III). Многощелевая схема имеет несколько разновидностей: схема с заряжанием "через одну щель" (рис. 1, схема III а), схема "сдвоенных зарядов" (рис. 1, схема III в) и совмещенная схема (рис. 1, схема III г). Многощелевая схема с заряжанием "через одну щель" (одна компенсирующая, следующая зарядная и т.д.) состоит из нескольких комбинаций трехщелевых схем (рис. 1, схема III а) или нескольких комбинаций трехщелевых схем плюс двухщелевая (рис. 1, схема III б) в зависимости от ширины или длины выемки. Схема "сдвоенных зарядов" (рис. 1, схема III в) состоит из комбинаций двух пар двухщелевых схем с той однако разницей, что взрывы в зарядных щелях рыхлят также и расположенный между ними блок мерзлого грунта.
Рис. 1. Основные схемы щелевзрывного способа: I - двухщелевая; IIа - трехщелевая, при глубине щели до 1,5 м; IIб - трехщелевая, при глубине щели свыше 1,5 м; IIIа, IIIб - многощелевая, с заряжанием через одну щель; IIIв -многощелевая схема "сдвоенных зарядов", IIIг - многощелевая совмещенная схема Расстояние между зарядными щелями принимается увеличенным. Эта схема используется, в основном, при разработке котлованов и каналов, когда Нв много больше Hпp. Для этой схемы расстояние между стенками щелей (м) составляет: W1 = 0,9 Нщ; W2 = (1,6 -2,0)Нщ, где W1 - расстояние между стенками компенсирующей и зарядной щелями; W2 - расстояние между стенками зарядных щелей. "Совмещенная" схема отличается от остальных тем, что в ней одна и та же щель совмещает в себе функции зарядной и компенсирующей (рис. 3 схема IIIг). Схема применяется при рыхлении мерзлых грунтов на больших площадях (преимущественно в котлованах), когда Нв много больше Нпр. Для совмещенной схемы расстояние между стенками щелей (м) составляет: W = 2,0 Нщ, для мерзлых грунтов груш IIм и IIIм; W = 2,5 Нщ, для мерзлых грунтов группы Iм. Схему щелевзрывного способа следует выбирать в зависимости от размеров разрабатываемой выемки и имеющейся щелевзрывной техники в соответствии с областью применения основных схем щелевзрывного способа, показанной на рис. 2. 2. ОРГАНИЗАЦИЯ И ТЕХНОЛОГИЯ СТРОИТЕЛЬНОГО ПРОЦЕССА2.1. Подготовительные работы на строительной площадке производятся в соответствии с указанием СНиП 3.01.01-85 п. 2.3. Непосредственно перед разработкой грунта в выемке выполняют: расчистку строительной площадки (трассы) от снега; геодезическую (рабочую) разбивку оси выемки, контуров выемки, а при необходимости и кавальеров; разметку расположения зарядных и компенсирующих щелей. Снежный покров с поверхности строительной площадки (трассы) и оснований кавальеров (в случае необходимости) сгребают бульдозером ДЗ-109ХЛ (ДЗ-110АХЛ) и перемещают его за границу строительной площадки. После удаления снежного покрова производится разбивка оси выемки, контуров выемки по верху и кавальеров, разметка зарядных и компенсирующих щелей.
Рис. 2 Область применения основных схем щелевзрывного способа: I - двухщелевая схема; II - трехщелевая схема; III - многощелевая схема;
2.2. Основные работы производятся в следующем порядке: нарезание зарядных и компенсирующих щелей; заряжание зарядных щелей порошкообразным или патронированным ВВ; забойка зарядных щелей с помощью бульдозера; монтаж взрывной сети и производство взрыва; планировка бульдозером разрыхленного мерзлого грунта (при разработке траншей). Нарезание щелей на глубину до 2,0 м и шириной 0,14 м производят траншейным цепным экскаватором ЭТЦ-205Д; на глубину до 3,0 м и шириной 0,3 м - траншейным экскаватором ЭФ-251 продольными ходами вдоль оси траншеи в обоих направлениях. Щели нарезают согласно выбранной схеме щелевзрывного способа. При разработке траншей нарезание производят вдоль траншеи. Крайние щели, образующие откосы траншей, нарезают на всю глубину промерзания. Заряжаемые щели при наличии обратной засыпки не менее 10 %, нарезают такие на всю глубину промерзания. При нарезании щелей с полной экскавацией грунта из щели зарядная щель нарезается на 0,9 - 0,95 глубины промерзания. При разработке котлована или выемок под авто- и железнодорожные пути щели нарезают вдоль или поперек их длины в зависимости от размеров и наличия вблизи этих выемок охраняемых объектов. При наличии охраняемого от разлета кусков объекта в зоне радиусом 200 м щели нарезают перпендикулярно к охраняемому объекту, так как возможный разлет грунта происходит в стороны от щелей. При нарезании щелей на расчетном расстоянии друг от друга необходимо учитывать, что заряжаемые щели не должны засыпаться от давления гусениц щелерезной машины. Компенсирующие щели могут быть частично засыпаны раздробленным грунтом. Поскольку точные параметры нарезания щелей влияют на качество дробления мерзлых грунтов, необходимо при их нарезании обеспечивать расчетную глубину. Для выдерживания расчетного расстояния между щелями необходима разметка щелей на площади рыхления с помощью вешек, хорошо заметных из кабины щелевзрывной машины. Началом и концом щелей считается участок от места полного заглубления и местом, где начат подъем рабочего органа щелезарядной машины. При нарезании щелей одной щелерезной машиной она движется "челноком", т.е. машина после каждого хода разворачивается и следующую щель нарезает, двигаясь в обратном направлении. При малой длине (10 - 15 м) участка, подготавливаемого к рыхлению, возможно возвратно-поступательное зигзагообразное движение щелерезной машины, аналогичное движению бульдозера при перемещении грунта. 2.3. Заряжание зарядной щели должно производиться с учетом времени, не допускающего вторичного смерзания грунта, находящегося на бровках и используемого в качестве забоечного материала. Процесс заряжания заключается в размещении в зарядной щели детонирующего шнура (ДШ) и сосредоточенных зарядов ВВ. При ручном заряжании используется порошкообразное или патронированное ВВ (рис. 3). При заряжании щелей порошкообразным ВВ предварительно в основании зарядной щели на всю длину укладывается детонирующий шнур (ДШ) с расчетом выпуска концов с двух сторон зарядной щели на 1,0 м, которые отмечаются на местности хорошо заметными ориентирами во избежание повреждения их бульдозером при устройстве забойки. При использовании двухщелевой схемы, которая предполагает несимметричное действие взрыва относительно зарядной щели, необходимо принимать меры к тому, чтобы усилить передачу энергии в разрушаемый блок и уменьшить в противолежащий массив. Для сохранения откоса заряжаемой щели от разрушения при двухщелевой схеме заряды располагают впритык к взрываемому блоку. Для этой цели наиболее приемлемо использование "гирлянд", т.е. ДШ с прикрепленными к нему зарядами патронированного ВВ (рис. 3б). При этом из двух щелей заряжается щель, расположенная дальше от охраняемого объекта, так как компенсирующая щель снижает сейсмичность взрыва. При заряжании щелей патронированными ВВ возможна предварительная подготовка рассредоточенных зарядов ВВ. Патроны ВВ прикрепляются к нитке ДШ длиной до 30 м с помощью изоляционной или клейкой ленты. Для усиления несущей способности гирлянды зарядов ВВ одновременно с ДШ прокладывается шпагат. Расстояние между патронами и масса отдельных зарядов устанавливаются предварительным расчетом. Заготовленные "гирлянды" доставляются к месту взрыва и раскладываются по бровкам зарядных щелей. Выпуски ДШ для присоединения к взрывной сети оставляют такие же, как и при заряжании рассыпным ВВ. Порошкообразное ВВ размещается в зарядной щели в виде сосредоточенных зарядов, расположенных с постоянным шагом. Масса отдельных зарядов и шаг также определяются предварительным расчетом. При заряжании необходимо обеспечить максимальную компактность заряда и хороший контакт ВВ с ДШ. ВВ засыпается в зарядную щель с помощью ручного мерника через воронку. Длина воронки должна превышать глубину заложения заряда на 20 - 30 см. Воронка изготавливается из дюраля или оцинкованного железа.
Pис. 3. Заряжание щелей: а - сыпучим ВВ; б - патронированным ВВ; 1 - зарядная щель; 2 - сосредоточенные заряды сыпучих ВВ; 3 - детонирующий шнур; 4 - воронка; 5 - ручной керник; 6 - патроны ВВ. При глубине зарядной щели более 1,5 м заряда ВВ рассредотачиваются по высоте щели и располагаются по длине зарядной щели в два яруса. На дно щели сначала укладываются заряды ВВ первого яруса, затем через прослойку забоечного материала укладывается верхний ярус зарядов ВВ. Уровень укладки промежуточной забойки контролируется мерной рейкой. Общая длина детонирующего шнура Дщ (для одного яруса), м Дш = n(lщ + 2Нщ + 2), где п - количество заряжаемых щелей; lщ - длина зарядной щели, м; Нщ - глубина щелей, м. При длине зарядной щели более 50 м детонирующий шнур следует выпускать с двух концов щели и предусматривать возможность повторного инициирования заряда ВВ при затухании детонации и отказе части заряда. В этом случае расход ДШ увеличивается вдвое и еще на 10 % на монтаж взрывной сети. При укладке ДШ отдельные его отрезки соединяются только внахлестку или способами, указанными в инструкции, находящейся в упаковочном ящике ДШ. Длина нахлестки должна быть не менее 10 см, а соединение шнура - плотным скреплением изоляционной лентой, тесьмой или шпагатом. В местах присоединения отрезков ДШ не должно быть острых углов, перегибов и скруток. Заряды ВВ присыпаются грунтом вручную на высоту 10 см, затем зарядные щели с помощью бульдозера, который движется вдоль них засыпаются измельченным грунтом, находящимся на бровках траншей. Ввиду ограниченной видимости из кабины бульдозера его работой руководит взрывник, предупреждая его наезд на ДШ. При двухъярусном заряжании зарядных щелей забойка осуществляется бульдозером поочередно с каждой бровки щели. После устройства забойки выполняется монтаж взрывной сети и взрывание. Для возбуждения детонации детонирующего шнура с одной стороны зарядной щели к концам ДШ присоединяются электродетонаторы мгновенного или короткозамедленного действия. Взрывание злектродетонаторов осуществляется при помощи взрывной машинки типа КПМ-1. Для улучшения дробления, снижения сейсмичного действия взрыва и регулирования направления разлета осколков рекомендуется применять короткозамедленное взрывание. Оно осуществляется путем применения пиротехнических реле (КЗДШ) или электродетонаторов короткозамедленного действия (ЭДКЗ). Достоинством применения КЗДШ является возможность создания большого числа ступеней замедления путем использования одной марки КЗДШ благодаря суммированию времени замедления при последовательном их соединении. При наличии КЗДШ различных интервалов замедления в схеме сети может быть предусмотрено их параллельное включение. 2.4. При рыхлении мерзлого грунта щелевзрывным способом возможно применение пиротехнических реле КЗДШ-58 и КЗДШ-62-2 с интервалом замедления 10, 20, 35 и 50 мс. Электродетонаторы ЭДКЗ применяются шести интервалов замедления в пределах 25 - 100 мс. При коротко замедленном взрывании в основном используется порядная схема и продольный или поперечный вруб. При порядной схеме направление разлета кусков происходит в сторону первой щели. При поперечной или продольно-врубовой схемах направление разлета основной части кусков осуществляется в середину участка, где происходит их сталкивание и дополнительное дробление. Использование продольно-врубовой схемы короткозамедленного взрывания позволяет использовать больше ступеней замедления с возможностью образования достаточно раздробленной массы грунта, удобной для экскавации. Замедление взрывания по длине зарядной щели может производиться при длине щели более 50 м и при ограничении суммарной массы одновременно взрываемых зарядов по условиям безопасности. 2.5. Перед началом взрывных работ должны быть установлены границы опасной зоны. Их устанавливают в соответствии с "Едиными правилами безопасности при взрывных работах". М., Недра, 1972. 2.6. Во избежание повторного смерзания объем разрыхленного взрывом мерзлого грунта и объем немерзлого грунта на захватке, должны соответствовать дневной выработке используемых экскаваторов. При использовании экскаваторов, оборудованных обратной лопатой, при разработке грунта после производства взрыва разрыхленный грунт планируют бульдозером ДЗ-109ХЛ (ДЗ-110АХЛ) в пределах поверхности выемки. Разработка разрыхленного мерзлого и немерзлого грунта в выемке производится гидравлическими экскаваторами IV, V и VI размерных групп типа ЭО-4121А, ЭО-5122, 30-6122 и НД-1500 ("Като"), оборудованными обратной или прямой лопатой, а при разработке канала - экскаваторами Э-10011E, оборудованными драглайнами с ковшами вместимостью 1,0 м3. Необходимое количество щелерезных машин, бульдозеров и экскаваторов определяется при составлении графика производства работ на конкретный объект и зависит от сменной производительности машин и группы разрабатываемого грунта. Разрабатываемый грунт из выемки укладывают в кавальер вдоль бровки выемки или вывозят автомобилями-самосвалами. При разработке траншей под трубопроводы вынутый грунт в дальнейшем может использоваться для обратной засыпки. 2.7. При производстве работ необходимо соблюдать правила техники безопасности в соответствии со СНиП III-4-80 "Техника безопасности в строительстве" и действующими "Едиными правилами безопасности при взрывных работах". При механизированной забойке щелей, во избежание попадания в заряженную щель крупных кусков при глубине щели более 1,0 м производится предварительная присыпка зарядов ВВ забоечным материалом, после чего забойка щелей осуществляется механизированным путем при помощи бульдозеров. Монтаж взрывной сети с присоединением электродетонаторов производится после окончания работ по устройству забойки и удаления машин и людей за пределы опасной зоны. Основной мерой, снижающей степень опасности поражения людей, повреждения механизмов и сейсмического влияния на здания и сооружения при рыхлении мерзлого грунта взрывом, является применение короткозамедленного взрывания, а также наличие локализующих щелей. Эти щели, являющиеся экранирующим средством, нарезают на всю глубину промерзания. Безопасное для людей и механизмов расстояние по разлету кусков мерзлого грунта и действие воздушной ударной волне указывается в техническом расчете и паспорте на производство взрывных работ. Такой паспорт составляется на каждый строительный объект с учетом его особенностей и "Единых правил безопасности при взрывных работах". 2.8. Контроль качества. Для определения границ полосы, с которой удаляется снежный покров, до начала удаления снежного покрова производится контроль разбивки осей и контуров земляного сооружения и кавальеров. Мастер производитель работ или геодезист проверяют точность разбивки осей и контуров земляного сооружения с допустимыми отклонениями ±0,05 м и точность разбивки контуров кавальеров с допустимыми отклонениями ±0,2 м. При удалении снежного покрова с поверхности строительной площадки мастер или бригадир контролирует точность срезки снежного покрова с допустимыми отклонениями ±0,05 м. После удаления снежного покрова производится рабочая разбивка осей, контура и кавальеров земляного сооружения, а также радиуса опасной зоны. Контроль точности разбивки осей и бровок производится с допустимыми отклонениями ±0,05 м, контуров - ±0,2 м. Граница опасной зоны, ширина полосы опасной зоны с каждой стороны земляного сооружения должна находиться на расстоянии не менее 30 м от бровок. Контролю подлежит разметка осей зарядных и компенсирующих щелей, которая должна быть выполнена с допустимыми отклонениями ±30 мм. Мастер, производитель работ пли геодезист проводят контроль нарезания зарядных и компенсирующих щелей. Точность нарезания щелей допускается с отклонениями по ширине и глубине ±0,05 м. В процессе изготовления гирлянд из зарядов ВВ и заряжания щелей ВВ руководитель взрывных работ проверяет точность размещения патронов ВВ вдоль щели. Руководитель взрывных работ в процессе заряжания зарядных щелей порошкообразным ВВ ведет контроль на точность массы единичного заряда ВВ (в соответствии с паспортом взрывных работ), а также на качество выполнения взрывниками присыпки зарядов ВВ размельченным грунтом (высотой не менее 10 см). При забойке зарядных щелей грунтом с помощью бульдозера он же контролирует максимальный размер комьев грунта, засыпаемого в зарядную щель, которые не должны превышать 4 - 5 см. После монтажа взрывной сети до производства взрыва мастер-взрывник проводит проверку правильности монтажа электровзрывной сети контрольно-измерительными приборами. Контроль качества взрыва ведется по выходу негабарита и среднему размеру куска взорванной грунтовой массы. Максимальные куски при экскаваторной погрузке должны быть такими, чтобы линейные размеры их по двум сторонам удовлетворяли соотношению:
где V - вместимость ковша экскаватора, м3. ТЕХНОЛОГИЧЕСКИЕ СХЕМЫСХЕМА № 1. РАЗРАБОТКА ТРАНШЕЙ ШИРИНОЙ 0,8-2,6 м В ВЕЧНОМЕРЗЛЫХ ГРУНТАХ И ГРУНТАХ С ГЛУБИНОЙ СЕЗОННОГО ПРОМЕРЗАНИЯ ДО 3,0 м (ДВЕ ЩЕЛИ)
1 - отвал грунта; 2 - экскаватор; 3 - бульдозер; 4 - машина для нарезания щелей; 5 - заряды взрывчатого вещества; 6 - уровень промерзания грунта; 7 - немерзлый грунт; 8 - уровень укладки зарядов верхнего яруса
Нарезание щелей производится траншейным цепным экскаватором типа ЭТЦ-208Д продольными ходами вдоль оси траншеи в обоих направлениях. При глубине зарядной щели более 1,5 м заряд ВВ в зарядную щель укладывают в два яруса. Разработка немерзлого и разрыхленного мерзлого, грунтов в траншее производится лобовой проходкой экскаватора IV размерной группы типа ЭО-4121А с ковшом вместимостью 0,65 - 1,0 м3 (НД-1500 "Като" с ковшом вместимостью 1,5 м3), оборудованного обратной лопатой, в отвал на одну из сторон вдоль траншеи. Характеристика особенностей производства работ (природные условия) Устройство траншей шириной от 0,8 до 2,6 м в зимних условиях. Глубина сезонного промерзания грунта до 3,0 м или вечномерзлый грунт. Мерзлые грунты на трассе траншеи не должны содержать крупную гальку и валуны. Нарезание щелей в мерзлом грунте Iм - IIIм группы. Разработка немерзлого грунта IV - VI группы. Разработка предварительно разрыхленного мерзлого грунта Iм - IIIм группы.
Объем работ, параметры заложения зарядов ВВ и расход ВМ на 100 м траншеи
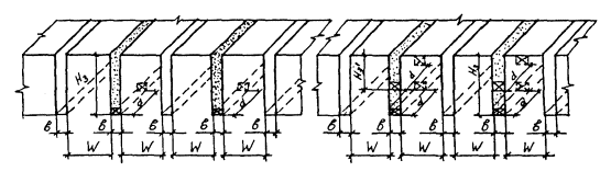
СХЕМА КОНСТРУКЦИИ ЗАРЯДОВ И ВЗРЫВНОЙ СЕТИ ДЛЯ РАЗЛИЧНЫХ ПАРАМЕТРОВ ТРАНШЕИ (ДВУХЩЕЛЕВАЯ СХЕМА)
1 - ДШ-А; 2 - шнур; 3 - патрон ВВ Ø 27-28 мм; 4 - то же, Ø 36-37 мм; 5 - то же, Ø 23-24 мм; 6 - то же, Ø 50 мм; 7 - то же, Ø 120 мм; 8 - то же, Ø 70 мм; 9 - то же, Ø 60 мм; 10 - то же, Ø 90 мм; 11 - то же, Ø 80 мм Размеры и масса патронов ВВ (аммонит 6ЖВ)
а) С использованием пиротехнических реле одностороннего действия При одноярусном заряжании
При двухъярусном заряжании
б) С использованием электродетонаторов короткозамедленного действия При одноярусном заряжании
При двухъярусном заряжании
1 - N - последовательность взрывания зарядов по захваткам; 1 - электродетонаторы мгновенного действия типа ЭД-8-Э или ЭД-8-Ж; 2 - концы ДШ; 3 - пиротехническое реле одностороннего действия КЗДШ-58 с интервалом замедления 35 мс; 4 - магистраль ДТП; 5 - сосредоточенные заряды ВВ нижнего яруса; 6 - сосредоточенные заряды ВВ верхнего (второго) яруса; 7 - электродетонаторы короткозамедленного действия типа ЭДКЗ-ПМ-25 (обозначение их на схеме и интервал замедления соответственно 1П - 25 мс, 2П - 50 мс, 3П - 75 мс); 8 - провода электровзрывной сети
СХЕМА № 2 РАЗРАБОТКИ. ТРАНШЕЙ ШИРИНОЙ 1,8-4,8 м В ВЕЧНОМЕРЗЛЫХ ГРУНТАХ И ГРУНТАХ С ГЛУБИНОЙ СЕЗОННОГО ПРОМЕРЗАНИЯ ДО 3,0 м (ТРИ ЩЕЛИ)
1 - отвал грунта; 2 - экскаватор; 3 - бульдозер; 4 - машина для нарезания щелей; 5 - заряды взрывчатого вещества; 6 - уровень промерзания грунта; 7 - немерзлый грунт; 8 - уровень укладки зарядов верхнего яруса
Нарезание щелей производится траншейным цепным экскаватором типа ЭТЦ-208Д или траншейным фрезерным экскаватором типа ЭФ-251 продольными ходами вдоль оси траншеи в обоих направлениях. При глубине зарядной щели более 1,5 м сосредоточенные заряды ВВ формируют в зарядной щели в два яруса. Разработка немерзлого и разрыхленного мерзлого грунтов в траншее производится лобовой проходкой экскаваторами IV и V размерных групп типа ЭО-4121А с ковшом вместимостью 0,65 - 1,0 м3 (НД-1500 "Като" с ковшом вместимостью 1,5 м3), оборудованного обратной лопатой, в отвал на одну из сторон вдоль траншеи. Согласно СНиП III-4-80 "Техника безопасности в строительстве" грунт, извлеченный из котлована или траншеи, следует размещать на расстоянии не менее 0,5 м от бровки выемки. Характеристика особенностей производства работ (природные условия) Устройство траншей шириной от 1,8 до 4,8 м в зимних условиях. Глубина сезонного промерзания грунта до 3,0 м или вечномерзлый грунт. Уровень грунтовых вод расположен на глубине выше 3,0 м от поверхности земли. Мерзлые грунты по трассе траншеи не должны содержать крупную гальку и валуны. Нарезание щелей в мерзлых грунтах I м - III м группы. Разработка немерзлого грунта IV - VI группы. Разработка разрыхленного мерзлого грунта I м - III м группы
Объем работ, параметры заложения зарядов ВВ и расход ВМ на 100 м траншеи
СХЕМА КОНСТРУКЦИИ ЗАРЯДОВ И ВЗРЫВНОЙ СЕТИ ДЛЯ РАЗЛИЧНЫХ ПАРАМЕТРОВ ТРАНШЕИ (ТРЕХЩЕЛЕВАЯ СХЕМА)
1 - ДШ-А; 2 - шнур; 3 - патрон ВВ Ø 31-32 мм; 4 - то же; Ø 45-46 мм; 5 - то же, Ø 39-40 мм; 6 - то же, Ø 70 мм; 7 - то же, Ø 100 мм; 8 - то же, Ø 120 мм; 9 - то же, Ø 80 мм; 10 - то же, Ø 130 мм; 11 - то же, Ø 150 мм Размеры и масса патронов ВВ (аммонит 6ЖВ)
а) С использованием пиротехнических реле одностороннего действия: При одноярусном заряжании
При двухъярусном заряжании
б) С использованием электродетонаторов короткозамедленного действия: При одноярусном заряжании
При двухъярусном заряжании
1 - N - последовательность взрывания зарядов по захваткам; 1 - электродетонаторы мгновенного действия типа ЭД-8-Э или ЭД-8-Ж; 2 - концы ДШ; 3 - пиротехническое реле одностороннего действия КЗДШ-58 с интервалом замедления 35 мс; 4 - магистраль ДШ; 5 - сосредоточенные заряды ВВ нижнего яруса; 6 - сосредоточенные заряды ВВ верхнего (второго) яруса; 7 - электродетонаторы короткозамедленного действия типа ЭДКЗ-ПМ-25 (обозначение их на схеме и интервал замедления соответственно 1П -25 мс; 2П - 50 мс, 3П,- 75 мс); 6 - провода электровзрывной сети СХЕМА № 3. РАЗРАБОТКА. ТРАНШЕЙ ШИРИНОЙ 4,8-9,0 м В ВЕЧНОМЕРЗЛЫХ ГРУНТАХ И ГРУНТАХ С ГЛУБИНОЙ СЕЗОННОГО ПРОМЕРЗАНИЯ ДО 3,0 м (ЧЕТЫРЕ ЩЕЛИ)
1 - отвал грунта; 2 - экскаватор; 3 - бульдозер; 4 - машина для нарезания щелей; 5 - заряды взрывчатого вещества; 6 - уровень промерзания грунта; 7 - немерзлый грунт; 8 - уровень укладки зарядов верхнего яруса
Нарезание щелей производится траншейным цепным экскаватором типа ЭТЦ-208Д или траншейным фрезерным экскаватором типа ЭФ-251 продольными ходами вдоль оси траншеи в обоих направлениях. При глубине зарядной щели более 1,5 м сосредоточенные заряды ВВ формируют в зарядной щели в два яруса. Разработка немерзлого и разрыхленного мерзлого грунтов в траншее производится лобовой проходкой экскаваторами IV и V размерных груш типа 30-4121A с ковшом вместимостью 0,65 - 1,0 м3 (НД-1500 "Като" с ковшом вместимостью 1,5 м3), оборудованного обратной лопатой в отвал на одну из сторон вдоль траншеи. Характеристика особенностей производства работ (природные условия) Устройство траншей шириной от 4,8 до 9,0 м в зимних условиях. Глубина сезонного промерзания грунта до 3,0 м или вечномерзлый грунт. Уровень грунтовых вод расположен на глубине выше 3,0 м от поверхности земли. Мерзлые грунты на трассе траншеи не должны содержать крупную гальку и валуны. Нарезание щелей в мерзлом грунте I м - III м группы. Разработка немерзлого грунта IV - VI группы. Разработка разрыхленного грунта I м - III м группы.
Объем работ, параметры заложения зарядов ВВ и расход ВМ на 100 м траншеи
СХЕМА НАРЕЗАНИЯ И ЗАРЯЖАНИЯ ЩЕЛЕЙ
СХЕМА КОНСТРУКЦИИ ЗАРЯДОВ И ВЗРЫВНОЙ СЕТИ ДЛЯ РАЗЛИЧНЫХ ПАРАМЕТРОВ ТРАНШЕИ (ЧЕТЫРЕХЩЕЛЕВАЯ СХЕМА)
1 – ДШ-А; 2 - шнур; 3 - патрон ВВ Ø 70 мм; 4 - то же, Ø 31-32 мм; 5 - то же, Ø 36-37 мм; 6 - то же, Ø 45-46 мм; 7 - то же, Ø 100 мм; 8 - то же, Ø 130 мм; 5 - то же, Ø 90 мм; 10 -. то же, Ø 120 мм При глубине рыхления до 1,5 м
При глубине рыхления от 1,5 до 3,0 м
Размеры и масса патронов ВВ (аммонит 6ИШ)
а) С использованием пиротехнических реле одностороннего действия При одноярусном заряжании
При двухъярусном заряжании
1 - N - последовательность взрывания зарядов по захваткам; 1 - электродетонаторы мгновенного действия типа ЭД-8-Э или ЭД-8-Ж; 2 - концы ДШ; 3 - пиротехническое реле одностороннего действия КЗДШ-58 с интервалом замедления 35 мс; 4 - магистраль ДШ; 5 - сосредоточеннее заряди ВВ нижнего яруса; 6 - сосредоточенные заряды ВВ верхнего (второго) яруса; 7 - электродетонаторы короткозамедленного действия типа ЭДКЗ-ПМ-25 (обозначение их на схеме и интервал замедления соответственно IП - 25 мс, 2П - 50 мс, 3П - 75 мс); 8 - провода электровзрывной сети б) С использованием электродетонаторов короткозамедленного действия При одноярусном заряжании
При двухъярусном заряжании
СХЕМА № 4. РАЗРАБОТКА КОТЛОВАНА ШИРИНОЙ 15,0 м В ВЕЧНОМЕРЗЛЫХ ГРУНТАХ И ГРУНТАХ С ГЛУБИНОЙ СЕЗОННОГО ПРОМЕРЗАНИЯ ДО 3,0 м
1 - экскаватор; 2 - автомобиль-самосвал; 3 - бульдозер; 4 - заряды взрывчатого вещества; 5 - уровень промерзания грунта; 6 - немерзлый грунт; 7 - уровень укладки зарядов верхнего яруса; 8 - машина для нарезания щелей
Нарезание щелей производится траншейным цепным экскаватором типа ЭТЦ-208Д или траншейным фрезерным экскаватором типа ЭФ-251 продольными ходами вдоль котлована на захватках в обоих направлениях. При глубине зарядных щелей более 1,5 м сосредоточенные заряды ВВ формируют в зарядной щели в два яруса. Разработка немерзлого и разрыхленного мерзлого грунтов в котловане производится лобовой проходкой при ширине забоя до 15,0 м экскаватором IV размерной группы типа ЭО-4121А с ковшом вместимостью 0,65-1,0 м3, оборудованным прямой лопатой, с погрузкой грунта в автомобиль-самосвал. Характеристика особенностей производства работ (природные условия) Разработка грунта при устройстве котлована под жилые дома и школы в зимних условиях. Глубина сезонного промерзания грунта до 3,0 м или вечномерзлый грунт. Уровень грунтовых вод расположен на глубине свыше 3,0 м от поверхности земли. Нарезание щелей в мерзлом грунте I м - III м группы. Разработка мерзлого грунта IV - VI группы. Разработка разрыхленного мерзлого грунта I м - III м группы. Мерзлые грунты на трассе не должны содержать крупную гальку и валуны.
Объем работ, параметры заложения зарядов ВВ и расход ВМ на 100 м котлована шириной 15,0 м
СХЕМА НАРЕЗАНИЯ И ЗАРЯЖАНИЯ ЩЕЛЕЙ
СХЕМА КОНСТРУКЦИИ ЗАРЯДОВ И ВЗРЫВНОЙ СЕТИ ДЛЯ РАЗЛИЧНЫХ ПАРАМЕТРОВ КОТЛОВАНОВ
1 - ДП-А; 2 - шнур; 3 - патрон ВВ Ø 36-37 мм; 4 - то же, Ø 45-46 мм; 5 - то же, Ø 80 мм; 6 - то же, Ø 80 мм; 7 - то же, Ø 120 мм; 8 - то же, Ø 130 мм; 9 - то же, Ø 100 мм; 11 - то же, Ø 150 мм
Размеры и масса патронов ВВ (аммонит 6ЖВ)
ПРОДОЛЬНО-ВРУБОВАЯ СХЕМА ЗАМЕДЛЕНИЯ а) С использованием пиротехнических реле одностороннего действия
б) С использованием электродетонаторов короткозамедленного действия
1 - N - последовательность взрывания зарядов в зарядных щелях на захватке; 1 - электродетонаторы мгновенного действия типа ЭД-8-Э или ЭД-8-Е; 2 - концы ДШ; 3 - пиротехническое реле одностороннего действия КЗДШ-58 с интервалом замедления 35 мс; 4 - магистраль ДШ; 5 - сосредоточенные заряды ВВ нижнего (первого) яруса; 6 - сосредоточенные заряды ВВ верхнего (второго) яруса; 7 - электродетонаторы короткозамедленного действия типа ЭДКЗ-ПМ-25 (обозначение на схеме и интервал замедления соответственно NII - N∙25 мс); 8 - провода электровзрывной сети СХЕМА № 5 РАЗРАБОТКА КОТЛОВАНА ШИРИНОЙ БОЛЕЕ 15,0 м В ГРУНТАХ С ГЛУБИНОЙ СЕЗОННОГО ПРОМЕРЗАНИЯ ДО 3,0 м
1 - экскаватор; 2 - автомобиль-самосвал; 3 - бульдозер; 4 - заряды взрывчатого вещества; 5 - уровень промерзания грунта; 6 - немерзлый грунт; 7 - уровень укладки зарядов верхнего яруса; 8 - машина для нарезания щелей
Нарезание щелей производится траншейным цепным экскаватором типа ЭТЦ-208Д или траншейным фрезерным экскаватором типа ЭФ-251 продольными ходами вдоль котлована в обоих направлениях. При глубине зарядных щелей более 1,5 м сосредоточенные заряды ВВ формируют в зарядной щели в два яруса. Разработка талого и разрыхленного мерзлого грунтов в котлованах глубиной до 2,0 м производится боковой проходкой при ширине забоя более 15 м экскаватором V размерной группы типа ЭО-5122 с ковшом вместимостью 1,25 м3, оборудованным прямой лопатой; в котлованах глубиной свыше 2,0 м - боковой проходкой при ширине забоя более 15,0 м экскаватором VI размерной группы типа ЭО-6222 с ковшом вместимостью 2,0 м3, оборудованным прямой лопатой, с погрузкой грунта в автомобиль-самосвал. Характеристика особенностей производства работ (природные условия) Устройство котлованов в зимних условиях. Глубина сезонного промерзания грунта до 3,0 м. Уровень грунтовых вод расположен на глубине свыше 3,0 м от поверхности земли. Нарезание щелей в мерзлом грунте I м - III м группы. Разработка немерзлого грунта IV - VI группы. Разработка разрыхленного мерзлого грунта I м - III м группы
Объем работ, параметры заложения зарядов ВВ и расход ВМ на 100 м котлована (ширина захватки 25 м)
СХЕМА НАРЕЗАНИЯ И ЗАРЯЖАНИЯ ЩЕЛЕЙ
СХЕМА КОНСТРУКЦИИ ЗАРЯДОВ И ВЗРЫВНОЙ СЕТИ ДЛЯ РАЗЛИЧНЫХ ПАРАМЕТРОВ КОТЛОВАНОВ
1 - ДШ-А; 2 - шнур; 3 - патрон ВВ Ø 39 - 40 мм; 4 - то же, Ø 60 мм; 5 - то же, Ø 45 - 46 мм; 6 - то же, Ø 90 мм; 7 - то же, Ø 150 мм; 8 - то же, Ø 100 мм
Размеры и масса патронов ВВ (аммонит 6ДВ)
а) Продольная схема замедления с использованием пиротехнических реле одностороннего действия
б) Продольная схема заряжания с использованием электродетонаторов короткозамедленного действия
1 - N - последовательность взрывания зарядов в зарядных щелях на захватке; 1 - электродетонаторы мгновенного действия типа ЭД-8-Э или ЭД-8-Ж; 2 - концы ДШ; 3 - пиротехническое реле одностороннего действия КЗДШ-58 с интервалом замедления 35 мс; 4 - магистраль ДШ; 5 - сосредоточенные заряди ВВ нижнего (первого) яруса; 6 - сосредоточенные заряды ВВ верхнего (второго) яруса; 7 - электродетонаторы короткозамедленного действия типа ЭДКЗ-ПМ-25 (обозначение на схеме и интервал замедления соответственно NII - N∙25 мс); 8 - провода электровзрывной сети
СХЕМА № 6. РАЗРАБОТКА ВЫЕМКИ ПОД АВТОДОРОГУ В
ГРУНТАХ
| ||||||||||||||||||||||||||||||||||||||||||||||||||||||||||||||||||||||||||||||||||||||||||||||||||||||||||||||||||||||||||||||||||||||||||||||||||||||||||||||||||||||||||||||||||||||||||||||||||||||||||||||||||||||||||||||||||||||||||||||||||||||||||||||||||||||||||||||||||||||||||||||||||||||||||||||||||||||||||||||||||||||||||||||||||||||||||||||||||||||||||||||||||||||||||||||||||||||||||||||||||||||||||||||||||||||||||||||||||||||||||||||||||||||||||||||||||||||||||||||||||||||||||||||||||||||||||||||||||||||||||||||||||||||||||||||||||||||||||||||||||||||||||||||||||||||||||||||||||||||||||||||||||||||||||||||||||||||||||||||||||||||||||||||||||||||||||||||||||||||||||||||||||||||||||||||||||||||||||||||||||||||||||||||||||||||||||||||||||||||||||||||||||||||||||||||||||||||||||||||||||||||||||||||||||||||||||||||||||||||||||||||||||||||||||||||||||||||||||||||||||||||||||||||||||||||||||||||||||||||||||||||||||||||||||||||||||||||||||||||||||||||||||||||||||||||||||||||||||||||
|
Разработка грунта |
Взрыв |
Забойка зарядных щелей |
Заряжание щелей |
Нарезание щелей |
|
Экскаватор с прямой лопатой |
|
Бульдозер ДЗ-109ХЛ (ДЗ-110АХЛ) |
Патронированное ВВ (порошкообразное ВВ) |
Машина для нарезания щелей |
1 - экскаватор; 2 - автомобиль-самосвал; 3 - бульдозер; 4 - заряды взрывчатого вещества; 5 - уровень промерзания грунта; 6 - немерзлый грунт; 7 - машина для нарезания щелей
Нарезание щелей производится траншейным цепным экскаватором типа ЭТЦ-208Д или траншейным фрезерным экскаватором типа ЭФ-251 продольными ходами поперек выемки на каждой захватке в обоих направлениях.
При глубине зарядных щелей более 1,5 м сосредоточенные заряды ВВ формируют в зарядной щели в два яруса.
Разработка немерзлого и разрыхленного мерзлого грунтов в выемке производится лобовой проходкой при ширине забоя до 15 м и боковой проходкой при ширине забоя более 15 м экскаватором V или VI размерной группы типа ЭО-5122 и ЭО-6222 с ковшом вместимостью 1,25 и 2,0 м3, оборудованным прямой лопатой, с погрузкой грунта в автомобиль-самосвал.
Характеристика особенностей производства работ
(природные условия)
Устройство выемки под автодорогу в зимних условиях.
Глубина сезонного промерзания грунта до 3,0 м.
Уровень грунтовых вод расположен на глубине свыше 3,0 м от поверхности земли.
Нарезание щелей в мерзлом грунте I м - III м группы.
Разработка нёмерзлого грунта IV - VI группы.
Разработка разрыхленного мерзлого грунта III м - IV м группы.
Мерзлые грунты на трассе не должны содержать крупную гальку и валуны.
Объем работ, параметры заложения зарядов ВВ и расход ВМ на 100 м выемки шириной 15 м
|
Глубина котлована, Нкот., м |
Глубина про-мерза-ния, Нпр, м |
Глубина щелей, Нщ, м |
Ширина щелей, в, м |
Расстояние между щелями, W, м |
Общая длина щелей, в т.ч. зарядной, м |
Объем разрабатываемого грунта, м3 |
Объем грунта для забойки, м3 |
Глубина заложения зарядов, м |
Расстояние между зарядами по длине: зарядной щели, d, м |
Расход ВМ |
|
|||||||||
|
Масса одиночного сосредото-ченного заряда ВВ, кг |
ВВ, кг |
Длина ДШТ м |
К-во ЭД по схеме а |
|||||||||||||||||
|
мерзлого |
немерз-лого |
всего |
||||||||||||||||||
|
вруч-ную |
бульдо-зером |
первого яруса, Q1 |
второго яруса, Q2 |
Удель-ный на 1 м3 грунта |
На весь объем мерзлого грунта |
|||||||||||||||
|
первого яруса, Q, |
второго яруса, |
|
||||||||||||||||||
|
6,0 |
1,4 |
1,3 |
0,14 |
1,2 |
1125 555 |
2100 |
6900 |
9000 |
8 |
93 |
1,3 |
- |
2,83 |
6,65 |
- |
0,7 |
1303 |
244 |
1 |
|
|
1,7. |
1,5 |
0,14 |
1,4 |
975 460 |
2550 |
6450 |
9000 |
7 |
95 |
1,5 |
- |
2,87 |
9,56 |
- |
0,7 |
1597 |
224 |
1 |
|
|
|
2,2 |
2,0 |
0,14 |
1,6 |
870 435 |
3300 |
5700 |
9000 |
12 |
110 |
2,0 |
1,14 |
3,43 |
11,53 |
1,4 |
0,54 |
1642 |
406 |
1 |
|
|
|
2,8 |
2,5 |
0,3 |
1,8 |
720 360 |
4200 |
4800 |
9000 |
21 |
249 |
2,5 |
1,23 |
4,06 |
15,35 |
3,7 |
0,47 |
1696 |
372 |
1 |
|
|
СХЕМА НАРЕЗАНИЯ И ЗАРЯЖАНИЯ ЩЕЛЕЙ

СХЕМА КОНСТРУКЦИИ ЗАРЯДОВ И ВЗРЫВНОЙ СЕТИ ДЛЯ РАЗЛИЧНЫХ ПАРАМЕТРОВ ВЫЕМКИ ПОД АВТОДОРОГУ
|
Параметры котлована |
Глубина Нпр, = 1,4 |
Глубина Нпр, = 1,5 |
Глубина Нпр, = 2,2 |
Глубина Нпр, = 2,8 |
|
|
Конструкция зарядов ВВ |
второго яруса |
- |
- |
|
|
|
первого яруса |
|
|
|
|
|
1 - ДП-А; 2 - шнур; 3 - патрон ВВ Ø
|
При глубине рыхления до |
При глубине рыхления от 1,5 до |

Размеры и масса патронов ВВ (аммонит 6ЖВ)
|
Диаметр, мм |
45-46 |
60 |
90 |
|
Длина, мм |
270-320 |
500-510 |
500-510 |
|
Масса ВВ, г |
500 ±25 |
1500 ±75 |
3000 ±150 |
|
Диаметр, мм |
120 |
130 |
150 |
|
Длина, мм |
500-510 |
500-510 |
500-510 |
|
Масса ВВ, г |
5000 ±250 |
6500 ±300 |
I0000 ±500 |
а) Продольная схема замедления с использованием пиротехнических реле одностороннего действия
|
При одноярусном заряжании |
При двухъярусном заряжании |

б) Продольная схема заряжания с использованием электродетонаторов короткозамедленного действия
|
При одноярусном заряжании |
При двухъярусном заряжании |

1 - N - последовательность взрывания зарядов в зарядных щелях на захватке;
1 - электродетонаторы мгновенного действия типа ЭД-8-Э Или ЭД-8-Ж; 2 - концы ДШ; 3 - пиротехническое реле одностороннего действия КЗДШ-58 с интервалом, замедления 35 мс; 4 - магистраль ДШ; 5 - сосредоточенные заряды НВ нижнего (первого) яруса; 6 - сосредоточенные заряда ВВ верхнего (второго) яруса; 7 - электродетонаторы короткозамедленного действия типа ЭДКЗ-ПМ-25 (обозначение на схеме и интервал замедления соответственно NII - N∙25 мс; 8 - провода электровзрывной сети.

|
Удаление снежного покрова |
Нарезание щелей |
Заряжание щелей |
Забойка зарядной щели |
Взрыв |
Разработка грунта |
|
Бульдозер ДЗ-109ХЛ; (ДЗ-110АХЛ) |
Машина для нарезания щелей |
Патронированное ВВ (порошкообразное ВВ) |
Бульдозер ДЗ-109ХЛ (ДЗ-110АХЛ) |
|
Экскаватор-драглайн |
1 - бульдозер; 2 - машина для нарезания щелей; 3 - заряды взрывчатого вещества; 4 - отвал грунта; 5 - экскаватор-драглайн 6 - уровень укладки зарядов верхнего яруса; 7 - уровень промерзания грунта; 8 - немерзлый грунт
Нарезание щелей производится траншейным цепным экскаватором типа ЭТЦ-208Д или траншейным фрезерным экскаватором типа ЭФ-251 продольными ходами вдоль канала на захватках в обоих направлениях.
При глубине зарядных
щелей более
Разработка немерзлого и
разрыхленного мерзлого грунтов в канале производится двумя
экскаваторами-драглайнами типа Э-10011Е с ковшом вместимостью
Характеристика особенностей производства работ
(природные условия).
Устройство каналов
коллекторно-дренажной сети шириной по дну
Глубина сезонного
промерзания грунта до
Уровень грунтовых вод на
глубине
Мерзлые грунты на трассе не должны содержать крупную гальку и валуны.
Нарезание и разработка разрыхленного мерзлого грунта I м - III м группы
Объем работ, параметры заложения ВВ и расход ВМ на
|
Параметры канала, м |
Глубина промерзания грунта, Нпр, м |
Глубина щелей, Нщ. м |
Ширина щелей, в, м |
Расстояние между щелями, W, м |
Общая длина щелей, в т.ч. зарядной, м |
Объем разрабатываемого грунта, м3 |
Объем грунта для забойки, м3 |
Глубина заложения зарядов, м |
Расстояние между зарядами по длине зарядной щели, d,м |
Расход ВМ |
|
|||||||||
|
Масса
одиночного сосредоточен- |
ВВ |
кг |
Длина ДП, м |
К-во ЭД |
|
|||||||||||||||
|
мерзлого |
немерз-лого |
всего |
вручную |
буль-дозе-ром |
первого яруса, НЗ |
вто-рого яруса, НЗ |
Удель-ный
на |
На весь объем мерзлого грунта |
||||||||||||
|
первого яруса, Q1 |
второго яруса, Q2 |
|
||||||||||||||||||
|
Ширина по верху -18,0; ширина по низу -3,0; глубина - 5,0 |
1,0 |
13 щелей -0,95 2 щели - 0,5 |
0,14 |
1,1 |
1500 700 |
1668 |
3582 |
5250 |
- |
98 |
0,98 |
- |
2,25 |
3,2 |
- |
0,7 |
1002 |
742 |
1 7 |
|
|
2,0 |
7 щелей - 1,8 2 щели - 1,63 2 щели - 0,5 |
0,14 |
1,5 |
1100 500 |
3112 |
2138 |
5250 |
14 |
107 |
3 зарядные щели |
3,20 |
10,0 |
0,80 |
0,6 |
1696 |
1067 |
1 7 |
|||
|
1,8 |
0,72 |
|||||||||||||||||||
|
2 зарядные щели |
||||||||||||||||||||
|
1,63 |
0,55 |
|||||||||||||||||||
|
2,5 |
5 щелей - 2,25 2 щели - 1,9 2 щели - 0,65 |
0,3 |
1,9 |
900 700 |
3350 |
2000 |
5250 |
9 |
346 |
3 зарядные щели |
В 3-х зарядных щелях |
0,55 |
0,55 |
1581 |
1 7 |
|||||
|
3,95 В 4-х зарядных щелях 1,83 |
16,8 |
2,7 |
||||||||||||||||||
|
2,25 |
0,65 |
В 2-х зарядных щелях |
||||||||||||||||||
|
2 зарядные щели |
||||||||||||||||||||
|
- |
0,65 |
- |
0,8 |
|||||||||||||||||
|
То же |
|
То же |
||||||||||||||||||
|
0,65 |
- |
0,8 |
- |
|||||||||||||||||
Примечание: В графе ЭД при в числителе - количество электродетонаторов при схеме взрывания с пиротехническими замедлителями, в знаменателе - при схеме взрывания с использованием электродетонаторов.
СХЕМА НАРЕЗАНИЯ И ЗАРЯЖАНИЯ ЩЕЛЕЙ

схЕМа конструкции зарядов и взрывной сети
|
Параметра канала |
Ширина по верху- |
|||||
|
Нпр=1,0 м |
Нпр=2,0 м |
Нпр=2,5 м |
||||
|
3 зарядных щели |
2 зарядных щели |
1 зарядных щели |
||||
|
Конструкции зарядов ВВ |
второго яруса |
- |
|
|
|
- |
|
первого яруса |
|
|
|
- |
|
|
1 - ДШ-А; 2 - шнур; 3 - патрон ВВ Ø 36-
Размеры и масса патронов ВВ (аммонит 6ЖВ)
|
Диаметр, мм |
36-37 |
45-46 |
80 |
|
Длина, м |
240-500 |
270-320 |
500-510 |
|
Масса ВВ, г |
300 ±15 |
500 ±25 |
2500 ±125 |
|
Диаметр, мм |
90 |
120 |
150 |
|
Длина, м |
500-510 |
500-510 |
500-510 |
|
Масса ВВ, г |
3000 ±150 |
5000 ±250 |
10000 ±500 |
ПРОДОЛЬНО-ВРУБОВАЯ СХЕМА ЗАМЕДЛЕНИЯ
|
а) С использованием пиротехнических реле одностороннего действия |
б) С использованием электродетонаторов короткозамедленного действия |



1 - N - последовательность взрывания зарядов в зарядных щелях на захватке;
1 - электродетонаторы мгновенного действия типа ЭД-8-Э или ЭД-8-Е; 2 - концы ДШ; 3 - пиротехническое реле одностороннего действия КЗДШ-58 с интервалом замедления 35 мс; 4 - магистраль ДШ; 5 - сосредоточенные заряды ВВ нижнего (первого) яруса; 6 - сосредоточенные заряды ВВ верхнего (второго) яруса; 7 - электродетонаторы короткозамедленного действия типа ЭДКЗ-ПМ-25 (обозначение на схеме и интервал замедления соответственно NII - N∙25 мс); 8 - провода электровзрывной сети
ВНИМАНИЮ СТРОИТЕЛЬНЫХ ОРГАНИЗАЦИЙ И ПРЕДПРИЯТИЙ
ЦНИИОМТП Госстроя СССР предлагает Вашему вниманию перечень имеющихся в фонде института рабочих чертежей средств малой механизации, оснастки, приспособлений для производства различных видов работ.
Чертежи высылаются наложенным платежом, по мере выхода из типографий.
По ряду позиций, в перечне они отмечены "звездочкой" (*), высылаются только общие виды с пояснительными материалами, а полные комплекты документации и необходимую техническую помощь можно получить на договорных условиях.
ЗЕМЛЯНЫЕ РАБОТЫ
|
Номер РЧ |
Наименование |
Цена, руб.-коп. |
|
РЧ-389-69 Проект 623.02.000 |
Установка для оттаивания мерзлого грунта ОМГ-70 при траншейной разработке грунтов |
16-50 |
|
РЧ-655-76 Проект 3347.05.000 |
Визирка раздвижная для осмотра и проверки дна траншей, котлованов и колодцев при проверке внутриквартальных инженерных коммуникации |
1-75 |
|
РЧ-667-77 Проект 1172.00.000 |
Подвесная вибротрамбовка ПВТ-3 для работы в стесненных условиях строительства при уплотнении грунта обратной засыпки у фундаментов, трубопроводов, коллекторов и др. строительных конструкций |
40-50 |
|
РЧ-812-85 Проект 06.168.00.000 |
Приспособление для проходки горизонтальных скважин в грунтовых перемычках в местах пересечения разрабатываемых траншей с существующими подземными коммуникациями и вводах коммуникаций в здания |
5-50 |
|