ИНФОСАЙТ.ру
Госты, стандарты, нормативы. В библиотеке 60000 документов. Регулярное обновление. Круглосуточный бесплатный доступ!
БИБЛИОТЕКА ГОСТОВ, СТАНДАРТОВ И НОРМАТИВОВ

:: АЛГОТРЕЙДИНГ ::


АЛГОТРЕЙДИНГ
шаг за шагом


БЕСПЛАТНЫЕ УРОКИ по созданию торговых роботов на PYTHON с нуля, шаг за шагом.


Минимальные знания на PYTHON.
Библиотеки BackTrader и Pandas, сигналы с Pine Script из TradingView.
Связка с брокерами, телеграм.
Создание простых интерфейсов.

 

Все документы, представленные в каталоге, не являются их официальным изданием и предназначены исключительно для ознакомительных целей. Электронные копии этих документов могут распространяться без всяких ограничений. Вы можете размещать информацию с этого сайта на любом другом сайте.


ПРАВИТЕЛЬСТВО МОСКВЫ

КОМИТЕТ ПО АРХИТЕКТУРЕ И ГРАДОСТРОИТЕЛЬСТВУ г. МОСКВЫ

МОСКОВСКИЙ НАУЧНО-ИССЛЕДОВАТЕЛЬСКИЙ И ПРОЕКТНЫЙ ИНСТИТУТ ТИПОЛОГИИ, ЭКСПЕРИМЕНТАЛЬНОГО ПРОЕКТИРОВАНИЯ

РМ-2918

Выпуск 2005г.

ДВЕРИ МЕТАЛЛИЧЕСКИЕ ПРОТИВОПОЖАРНЫЕ СЛУЖЕБНЫЕ И УСТРОЙСТВО ВНУТРИКВАРТИРНОГО ПОЖАРОТУШЕНИЯ ПРОИЗВОДСТВА НПО "ПУЛЬС" ДЛЯ ЖИЛЫХ ДОМОВ МАССОВЫХ СЕРИЙ

Москва 2005г.

ПРИКАЗ

ПО МОСКОВСКОМУ НАУЧНО-ИССЛЕДОВАТЕЛЬСКОМУ И ПРОЕКТНОМУ ИНСТИТУТУ ТИПОЛОГИИ И ЭКСПЕРИМЕНТАЛЬНОГО ПРОЕКТИРОВАНИЯ

№ 23-ТО

от «22» августа 2005 г.

О вводе в действие      РМ-2918, выпуск 2005г.        Дог. 3-М76

1.   Ввести в действие для применения в проектировании и строительстве г. Москвы:

      РМ-2918, выпуск 2005г. "Двери металлические противопожарные служебные и устройство внутриквартирного пожаротушения производства НПО "Пульс" для жилых домов массовых серий", разработанный на основании поручения ОАО "Москапстрой" (договор № 3-М76)и откорректированный в связи с изменением нормативов (введением в действие ПБ 10-558-03 "Правила устройства и безопасной эксплуатации лифтов"). Изделия, входящие в этот альбом могут применяться в проектах блок-секций жилых домов типовых серий П3М, П44Т, П46М, П55М

2.   Начальнику МТО Гурову С.Г.:

      в 3-х дневный срок внести запись о вводе в действие   в альбом РМ-2918, выпуск 2005г

3. Заведующему проектным кабинетом:       Павловой Т.М.

      включить в действующий перечень альбом рабочих чертежей изделий

      С вводом в действие альбома РМ-2918, выпуск 2005г альбом РМ-2918 введенный в действие в 2003г. распространению не подлежит

4. Разрешается распространять вышеуказанный(ые) альбом(ы) по заявкам.

5. Техническому отделу института отправить данный приказ в установленные адреса.

6. Контроль за выполнением настоящего приказа возложить на начальника Архитектурно-Технического отдела Воробьева Г.А..

         ЗАМДИРЕКТОРА ИНСТИТУТА                                                                                                                В.А.АНИКИН

ПОЯСНИТЕЛЬНАЯ ЗАПИСКА

Настоящий альбом монтажных узлов на двери металлические противопожарные и установку устройства внутриквартирного пожаротушения (шкаф пожарный), изготавливаемые НПО «Пульс», г. Москва, разработан в соответствии с Договором № 3-М76 от 05.02.2003г.

Двери металлические ДЭМ 21-10, ДБМ 20-10у, ДБМ 19-10у, ДМЭВ 22-9у, ДМЭВ 21-9у предназначены для установки в машинные помещения и электрощитовые в жилых домах типовых серии П3М, П44Т, П46М, П55М.

Все двери являются противопожарными с пределом огнестойкости EI 30, EI 60.

Двери устанавливаются в проем железобетонных плит и крепятся к существующим закладным деталям на сварке с помощью монтажных элементов, или к железобетонным плитам с помощью дюбелей и винтов (шурупов).

Зазоры между строительной панелью и коробкой двери заполняются паклей, смоченной в цементно-песчанном растворе, и закрываются металлическими нательниками или оштукатуриваются.

Для домов серии П44Т предусмотрен вариант двери входа в машинное помещение ДЭМ 21-10.1, которая формуется непосредственно в строительную панель ЛВМ 1458 на стадии ее изготовления.

Все металлоконструкции дверей покрываются порошковой краской по стандарту RAL и согласовываются с заказчиком.

Все двери оснащены ручками и замками с функцией "Антипаника".

На двери входа в машинные помещения установлены замки GBS-83.

Для дверей входа в электрощитовые предусмотрена установка самозакрывающихся замков GBS-90.

Двери противопожарные, выпускаемые НПО «Пульс», сертифицированы, изготавливаются в соответствии с требованиями ГОСТ 30247.0-94 и ТУ 5262-009-45881400-02, ТУ 5262-013-45881400-03.

Устройство внутриквартирного пожаротушения (шкаф пожарный) КПК-Пульс предназначен для использования в качестве первичного средства для тушения загораний в квартирах на ранней стадии их возникновения, устанавливается рядом с трубопроводом холодной воды хозяйственно-питьевого водопровода в сантехузлах типовых этажей жилых домов серий: П3М, П44Т, П46М, П55М (крепится с помощью шурупов и дюбелей в доступном месте) и присоединяется к отдельному крану гибким шлангом.

Шкаф изготовлен из оцинкованной стали толщ 1.00 мм, рассчитан на эксплуатацию в помещении при температуре от +5 С До + 45 С при относительной влажности до 95% в соответствует общим правилам безопасности согласно ГОСТ 12.2.003. Покрытие - порошковая краска.

Устройство внутриквартирного пожаротушения серии КПК-Пульс, соответствует ТУ 4854-007-45881400-02 и имеет сертификат соответствия № РОСС RU.АЯ04. Н00606, паспорт на изделие и устанавливается в соответствии с требованиями СНиП 31-01-2003.

ДВЕРИ ВХОДА В ЭЛЕКТРОЩИТОВУЮ

ДВЕРИ ВХОДА В МАШИННОЕ ПОМЕЩЕНИЕ

*Установочный размер двери с угловой коробкой

Изготовитель дверей металлических НПО ”Пульс”, г. Москва

Общий вид, вид А, узел I, схема подключения

ДМЭВ 22-9у (ДПМ-Пульс-01/30)

Схема расположения

П3М

ДМЭВ 22-9у

(ДПМ-Пульс-01/30)

Вход в электрощитовую

П3М

ДМЭВ 22-9у

(ДПМ-Пульс-01/30)

Узлы установки двери входа в электрощитовую

П3М

ДМЭВ 22-9у

(ДПМ-Пульс-01/30)

Узлы установки двери входа в электрощитовую

П3М

ДЭМ 21-10 (ДПМ-Пульс-01/30)

Схема расположения

П3М

ДЭМ 21-10 (ДПМ-Пульс-01/30)

Вход в машинное помещение

П3М

ДЭМ 21-10 (ДПМ-Пульс-01/30)

Узлы установки двери входа в машинное помещение

П3М

ДЭМ 21-10 (ДПМ-Пульс-01/30)

Узлы установки двери входа в машинное помещение

П3М

ДБМ 20-10у (ДПМ-Пульс-01/60)

Схема расположения

П3М

ДБМ 20-10у (ДПМ-Пульс-01/60)

Вход в машинное помещение

П3М

ДБМ 20-10у (ДПМ-Пульс-01/60)

Узлы установки двери входа в машинное помещение

П3М

ДБМ 20-10у (ДПМ-Пульс-01/60)

Узлы установки двери входа в машинное помещение

П3М

 

Устройство внутриквартирного пожаротушения  для жилых домов массовых серий

Схема расположения

П3М

 

ДЭМ 21-10 (ДПМ-Пульс-01/30)

Схема расположения

П44Т

 

ДЭМ 21-10 (ДПМ-Пульс-01/30)

Вход в электрощитовую

П44Т

ДЭМ 21-10 (ДПМ-Пульс-01/30)

Узлы установки двери входа в электрощитовую

П44Т

ДЭМ 21-10 (ДПМ-Пульс-01/30)

Узлы установки двери входа в электрощитовую

П44Т

ДЭМ 21-10 (ДПМ-Пульс-01/30)

Вход в электрощитовую

П44Т

ДЭМ 21-10 (ДПМ-Пульс-01/30)

Узлы установки двери входа в электрощитовую

П44Т

ДЭМ 21-10 (ДПМ-Пульс-01/30)

Узлы установки двери входа в электрощитовую

П44Т

ДЭМ 21-10 (ДПМ-Пульс-01/30)

Схема расположения

П44Т

ДЭМ 21-10 (ДПМ-Пульс-01/30)

Вход в машинное помещение

П44Т

ДЭМ 21-10 (ДПМ-Пульс-01/30)

Узлы установки двери входа в машинное помещение

П44Т

ДЭМ 21-10 (ДПМ-Пульс-01/30)

Узлы установки двери входа в машинное помещение

П44Т

ДЭМ 21-10.1 (ДПМ-Пульс-01/30)

Схема расположения

П44Т

ДЭМ 21-10.1 (ДПМ-Пульс-01/30)

Вход в машинное помещение

П44Т

ДЭМ 21-10.1 (ДПМ-Пульс-01/30)

Узлы установки двери входа в машинное помещение

П44Т

ДЭМ 21-10.1 (ДПМ-Пульс-01/30)

Узлы установки двери входа в машинное помещение

П44Т

ДЭМ 21-10.60 (ДПМ-Пульс-01/60)

Схема расположения

П44Т

ДЭМ 21-10.60 (ДПМ-Пульс-01/60)

Вход в машинное помещение

П44Т

ДЭМ 21-10.60 (ДПМ-Пульс-01/60)

Узлы установки двери входа в машинное помещение

П44Т

ДЭМ 21-10.60 (ДПМ-Пульс-01/60)

Узлы установки двери входа в машинное помещение

П44Т

Устройство внутриквартирного пожаротушения для жилых домов массовых серий

Схема расположения

П44Т

 

ДМЭВ 21-9у (ДПМ-Пульс-01/30)

Схема расположения

П46М

ДМЭВ 21-9у (ДПМ-Пульс-01/30)

Дверь входа в электрощитовую

П46М

ДМЭВ 21-9у (ДПМ-Пульс-01/30)

Узлы остановки двери входа в электрощитовую

П46М

ДМЭВ 21-9у (ДПМ-Пульс-01/30)

Узлы остановки двери входа в электрощитовую

П46М

ДЭМ 21-10 (ДПМ-Пульс-01/30)

Схема расположения

П46М

ДЭМ 21-10 (ДПМ-Пульс-01/30)

Вход в машинное помещение

П46М

ДЭМ 21-10 (ДПМ-Пульс-01/30)

Узлы установки двери входа в машинное отделение

П46М

ДЭМ 21-10 (ДПМ-Пульс-01/30)

Узлы установки двери входа в машинное отделение

П46М

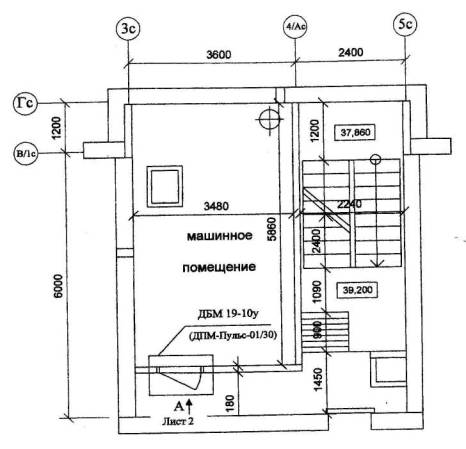
ДБМ 19-10у (ДПМ-Пульс-01/30)

Схема расположения

П46М

ДБМ 19-10у (ДПМ-Пульс-01/30)

Дверь входа в машинное помещение

П46М

ДЭМ 19-10у (ДПМ-Пульс-01/30)

Узлы установки двери входа в машинное отделение

П46М

ДЭМ 19-10у (ДПМ-Пульс-01/30)

Узлы установки двери входа в машинное отделение

П46М

Устройство внутриквартирного пожаротушения для жилых домов массовых серии

Схема расположения

П46М

 

ДБМ 19-10у (ДПМ-Пульс-01/30)

Схема расположения

П55М

Устройство внутриквартирного пожаротушения для жилых домов массовых серии

Схема расположения

П55М

 

 



уроки по алготрейдингу на Python с нуля



Яндекс цитирования

   Copyright © 2008-2026 ,  www.infosait.ru

backtrader - уроки алготрейдинга на python