ИНФОСАЙТ.ру
Госты, стандарты, нормативы. В библиотеке 60000 документов. Регулярное обновление. Круглосуточный бесплатный доступ!
БИБЛИОТЕКА ГОСТОВ, СТАНДАРТОВ И НОРМАТИВОВ

:: АЛГОТРЕЙДИНГ ::


АЛГОТРЕЙДИНГ
шаг за шагом


БЕСПЛАТНЫЕ УРОКИ по созданию торговых роботов на PYTHON с нуля, шаг за шагом.


Минимальные знания на PYTHON.
Библиотеки BackTrader и Pandas, сигналы с Pine Script из TradingView.
Связка с брокерами, телеграм.
Создание простых интерфейсов.

 

Все документы, представленные в каталоге, не являются их официальным изданием и предназначены исключительно для ознакомительных целей. Электронные копии этих документов могут распространяться без всяких ограничений. Вы можете размещать информацию с этого сайта на любом другом сайте.


Открытое акционерное общество

«Инжиниринговая компания по теплотехническому строительству
«ТЕПЛОПРОЕКТ»

Утверждаю:

Генеральный директор АО «Теплопроект»

_________________ М. М. Лущик

_________________ 2004 г.

ТЕПЛОИЗОЛЯЦИОННЫЕ ИЗДЕЛИЯ «ISOVER»
МАРОК
KK-ALC, KT-11-TWIN, KIM-AL, KVM-50, KLS-K
В КОНСТРУКЦИЯХ ТЕПЛОВОЙ ИЗОЛЯЦИИ
ОБОРУДОВАНИЯ И ТРУБОПРОВОДОВ

Рекомендации по применению
с альбомом технических решений

ТР 12274 - ТИ.2004

Заведующий комплексным отделом

тепловой изоляции, канд. техн. наук                                Б.М. Шойхет

Главный специалист                                                            Л.В. Ставрицкая

Москва 2004 г.

СОДЕРЖАНИЕ

Введение. 2

1. Область применения теплоизоляционных изделий «САН-ГОБЭН ИЗОВЕР». 3

2. Номенклатура и физико-технические свойства теплоизоляционных изделий «САН-ГОБЭН ИЗОВЕР». 3

3. Технические требования к теплоизоляционным материалам в конструкциях тепловой изоляции оборудования и трубопроводов. 8

4. Конструктивные решения тепловой изоляции трубопроводов, арматуры и фланцевых соединений на основе теплоизоляционных изделий «САН-ГОБЭН ИЗОВЕР». 9

4.1. Конструкции тепловой изоляции на основе теплоизоляционных скорлуп марок «ISOTEC KK-ALC» и «ISOTEC KK-AL» для трубопроводов, арматуры и фланцевых соединений. 10

4.2. Конструкции тепловой изоляции на основе матов марки «ISOTEC KIM-AL» для трубопроводов и арматуры.. 14

4.3. Конструкции тепловой изоляции на основе матов марки «ISOTEC KVM-50» для трубопроводов и арматуры.. 21

4.4. Конструкции тепловой изоляции на основе матов марок «ISOVER KT-11-TWIN», «ISOVER 610-KT-11-TWIN» для трубопроводов и арматуры.. 21

4.5. Конструкции тепловой изоляции на основе плит марки «ISOTEC KLS-K» для трубопроводов. 23

4.6. Конструкции тепловой изоляции на основе матов марок «ISOTEC KIM-AL» и «ISOTEC KVM-50» для цилиндрического оборудования. 25

4.7. Конструкции тепловой изоляции на основе плит марки «ISOTEC KLS-K» для оборудования. 29

4.8. Конструкции тепловой изоляции днищ вертикальных и горизонтальных аппаратов с использованием теплоизоляционных матов и плит «САН-ГОБЭН ИЗОВЕР». 29

4.9. Конструкция тепловой изоляции фланцевого соединения аппарата (рис. 21) 30

4.10. Конструкция защитного покрытия горизонтального аппарата (рис. 22) 31

4.11. Конструкция защитного покрытия вертикального аппарата (рис. 23, 24) 32

4.12. Тепловая изоляция газоходов и воздуховодов прямоугольного сечения. 34

4.13. Тепловая изоляция резервуаров для хранения нефти и нефтепродуктов. 34

4.14. Тепловая изоляция резервуаров для хранения холодной воды в системах водоснабжения и пожаротушения. 39

5. Расчет толщины теплоизоляционного слоя конструкций на основе теплоизоляционных изделий «САН-ГОБЭН ИЗОВЕР». 43

5.1. Тепловая изоляция с целью обеспечения заданной плотности теплового потока с поверхности изолированного объекта. 43

5.2. Тепловая изоляция с целью обеспечения заданной температуры на поверхности изоляции. 50

5.3. Тепловая изоляция с целью предотвращения конденсации влаги на поверхности изоляции. 53

5.4. Тепловая изоляция трубопроводов с целью предотвращения замерзания содержащейся в них жидкости. 58

5.5. Тепловая изоляция трубопроводов водяных тепловых сетей двухтрубной подземной канальной прокладки. 62

Приложение 1. Расчетные коэффициенты теплоотдачи. 64

Приложение 2. Расход теплоизоляционных изделий «САН-ГОБЭН ИЗОВЕР» при изоляции трубопроводов и оборудования. 65

Технические свидетельства и технические оценки пригодности продукции ЗАО «САН-ГОБЭН ИЗОВЕР» для применения в строительстве. 75

Сертификаты соответствия на теплоизоляционные материалы «ИЗОВЕР». 95

ВВЕДЕНИЕ

Теплоизоляционные изделия в виде матов, плит и цилиндров из штапельного стекловолокна производства международного концерна «САН-ГОБЭН ИЗОВЕР» являются современными высокоэффективными теплоизоляционными материалами для промышленной тепловой изоляции, соответствующими мировому уровню по теплофизическим и эксплуатационным характеристикам.

Использование современных технологий и качественного неорганического сырья (песок, сода, стеклобой, известняк) при производстве теплоизоляционных изделий «САН-ГОБЭН ИЗОВЕР» позволяют получать стекловолокно высочайшего качества с диаметром не более 4 - 5 мкм и отсутствием неволокнистых включений. Связывание волокон производится с помощью синтетического связующего, которое вводится в виде аэрозоля в процессе волокнообразования.

Теплоизоляционные изделия «САН-ГОБЭН ИЗОВЕР» характеризуются: устойчивостью к вибрации, влагостойкостью (гидрофобизированны), паронепроницаемостью облицовки (марки с облицовкой алюминиевой фольгой), отсутствием выделений в процессе эксплуатации вредных и неприятно пахнущих веществ, пожарной безопасностью.

Теплоизоляционные изделия производства международного концерна «САН-ГОБЭН ИЗОВЕР» сертифицированы Министерством здравоохранения России и Всероссийским научно-исследовательским институтом противопожарной охраны МВД и могут применяться на территории Российской Федерации без ограничения.

Теплоизоляционные изделия производства международного концерна «САН-ГОБЭН ИЗОВЕР» рекомендуются к применению в конструкциях тепловой изоляции промышленного оборудования в соответствии с настоящими рекомендациями.

1. ОБЛАСТЬ ПРИМЕНЕНИЯ ТЕПЛОИЗОЛЯЦИОННЫХ ИЗДЕЛИЙ «САН-ГОБЭН ИЗОВЕР»

1.1. Теплоизоляционные изделия из штапельного стекловолокна производства международного концерна «САН-ГОБЭН ИЗОВЕР» марок «ISOTEC KK-ALC», «ISOTEC KK-AL», «ISOTEC KIM-AL», «ISOTEC KVM-50», «ISOTEC KLS-K», «ISOVER KT-11-TWIN» и «ISOVER 610-KT-11-TWIN» предназначены для использования в промышленной тепловой изоляции при температуре изолируемых поверхностей от минус 60 °С до плюс 350 °С в зависимости от марки в соответствии с рекомендациями разделов 2 и 3.

Изделия рекомендуется применять в конструкциях тепловой изоляции промышленного оборудования и трубопроводов объектов промышленности и ЖКХ, включая:

- вертикальные и горизонтальные цилиндрические технологические аппараты предприятий химической, нефтеперерабатывающей, газовой, пищевой и др. отраслей промышленности с учетом допустимой температуры применения;

- теплообменники;

- резервуары для хранения холодной воды в системах водоснабжения;

- резервуары для хранения противопожарного запаса воды в системах пожаротушения;

- резервуары для хранения горячей воды (баки-аккумуляторы) на тепловых электростанциях и в котельных;

- резервуары для хранения нефти и нефтепродуктов, химических веществ;

- трубопроводы тепловых сетей при надземной (на открытом воздухе, в подвалах, помещениях) и подземной (в каналах, тоннелях) прокладках;

- технологические трубопроводы с положительными и отрицательными температурами всех отраслей промышленности;

- трубопроводы горячего и холодного водоснабжения в жилищном и гражданском строительстве, а также на промышленных предприятиях;

- фланцевые соединения трубопроводов, муфтовую и фланцевую арматуру.

Изделия с облицовкой из алюминиевой фольги могут применяться на производствах, где есть повышенные требования к чистоте воздуха в помещениях при условии герметизации швов облицовки.

1.2. При проектировании теплоизоляционных конструкций на основе изделий «ISOTEC KK-ALC», «ISOTEC KK-AL», «ISOTEC KIM-AL», «ISOTEC KVM-50», «ISOTEC KLS-K», «ISOVER KT-11-TWIN» и «ISOVER 610-KT-11-TWIN» следует учитывать требования пожарной безопасности, нормы технологического проектирования соответствующих отраслей промышленности и СНиП 41-03-2003 «Тепловая изоляция оборудования и трубопроводов».

1.3. Конструктивные решения тепловой изоляции на основе теплоизоляционных изделий марок «ISOTEC KK-ALC», «ISOTEC KK-AL», «ISOTEC KIM-AL», «ISOTEC KVM-50», «ISOTEC KLS-K», «ISOVER KT-11-TWIN» и «ISOVER 610-KT-11-TWIN» определяются параметрами изолируемого объекта, назначением тепловой изоляции, условиями эксплуатации теплоизоляционных конструкций и видом защитно-покровных материалов и рекомендуются к применению в конструкциях тепловой изоляции трубопроводов в соответствии с настоящими рекомендациями.

2. НОМЕНКЛАТУРА И ФИЗИКО-ТЕХНИЧЕСКИЕ СВОЙСТВА ТЕПЛОИЗОЛЯЦИОННЫХ ИЗДЕЛИЙ «САН-ГОБЭН ИЗОВЕР»

2.1. Теплоизоляционные гидрофобизированные цилиндры марок «ISOTEC KK-ALC», «ISOTEC KK-AL» из высококачественного штапельного стекловолокна неорганического происхождения. Являются химически нейтральным материалом и не содержат коррозионных компонентов. Облицованы паронепроницаемым покрытием из алюминиевой фольги, армированной стеклосеткой. Марка «ISOTEC KK-AL» отличается от марки «ISOTEC KK-ALC» наличием алюминиевой шовной клейкой ленты.

Цилиндры удовлетворяют требованиям пожарной безопасности, установленным в НПБ 244-97: группа горючести - Г1 по ГОСТ 30244-94; группа воспламеняемости - В1 по ГОСТ 30244-96; коэффициент дымообразования - Д1 по ГОСТ 12.1.044-89.

Объемная плотность цилиндров - не более 75 кг/м3.

Зависимость коэффициента теплопроводности от температуры (по данным производителя) приведена в таблице 1.

Цилиндры выпускаются длиной 1200 мм. Номенклатура цилиндров приведена в таблице 2.

Таблица 1. Зависимость коэффициента теплопроводности цилиндров «ISOTEC KK-ALC», «ISOTEC KK-AL» от температуры

Средняя температура изоляции, °С

10

25

50

100

125

200

300

Значение коэффициента теплопроводности, Вт/(м×°С)

0,032

0,033

0,035

0,043

0,049

0,062

0,089

Таблица 2. Номенклатура цилиндров марок «ISOTEC KK-ALC», «ISOTEC KK-AL»

Внутренний диаметр, мм

Толщина стенки цилиндра, мм

20

30

40

50

60

80

12

+

+

+

 

 

 

15

+

+

+

+

+

 

18

+

+

+

+

+

 

22

+

+

+

+

+

 

35

+

+

+

+

+

 

28

+

+

+

+

+

 

42

+

+

+

+

+

 

48

+

+

+

+

+

 

54

+

+

+

+

+

+

60

+

+

+

+

+

+

76

 

+

+

+

+

+

89

 

+

+

+

+

+

108

 

 

+

+

+

+

114

 

 

+

+

+

+

133

 

 

+

+

+

+

140

 

 

+

+

+

+

159

 

 

+

+

+

+

168

 

 

+

+

+

+

219

 

 

+

+

+

+

273

 

 

+

+

+

+

324

 

 

+

+

+

+

2.2. Теплоизоляционные гидрофобизированные гофрированные маты марки «ISOTEC KIM-AL» с вертикальной ориентацией волокон из высококачественного штапельного стекловолокна неорганического происхождения. Облицованы паронепроницаемым покрытием из алюминиевой фольги, армированной стекло-сеткой. Могут поставляться облицованными гальванизированной металлической сеткой («ISOTEC KVM-I»).

Мат удовлетворяет требованиям пожарной безопасности, установленным в НПБ 244-97: группа горючести - Г1 по ГОСТ 30244-94; группа воспламеняемости - В1 по ГОСТ 30244-96; коэффициент дымообразования - Д1 по ГОСТ 12.1.044-89.

Объемная плотность мата - не более 25 кг/м3.

Зависимость коэффициента теплопроводности от температуры (по данным производителя) приведена в таблице 3.

Мат марки «ISOTEC KIM-AL» эластичен, легко изгибается в продольном направлении, при этом сохраняет форму в поперечном направлении. Зависимость минимально возможного изолируемого диаметра от толщины мата приведена в таблице 4.

Номенклатура матов приведена в таблице 5.

Таблица 3. Зависимость коэффициента теплопроводности мата марки «ISOTEC KIM-AL» от температуры

Средняя температура изоляции, °С

10

25

50

100

Значение коэффициента теплопроводности, Вт/(м×°С)

0,035

0,038

0,046

0,061

Таблица 4. Зависимость минимально возможного изолируемого диаметра от толщины мата марки «ISOTEC KIM-AL»

Толщина мата, мм

Минимальный изолируемый диаметр, мм

20

50

30

60

50

100

80

140

100

160

Таблица 5. Номенклатура матов марки «ISOTEC KIM-AL»

Размеры, мм

длина

ширина

толщина

10000

1200

20

8000

1200

30

7000

1200

50

5500

1200

80

4000

1200

100

2.3. Теплоизоляционные гидрофобизированные гофрированные маты марки «ISOTEC KVM-50» с вертикальной ориентацией волокон из высококачественного штапельного стекловолокна неорганического происхождения. Являются химически нейтральным материалом и не содержат коррозионных компонентов. Облицованы гальванизированной металлической сеткой с шестигранной ячейкой и стеклохолстом между поверхностью мата и сеткой (сетка прошита стальной проволокой). Могут поставляться с облицовкой из алюминиевой фольги («ISOTEC KVM-50-AL»).

Мат удовлетворяет требованиям пожарной безопасности, установленным в НПБ 244-97: группа горючести - НГ по ГОСТ 30244-94.

Объемная плотность мата - не более 50 кг/м3.

Зависимость коэффициента теплопроводности от температуры (по данным производителя) приведена в таблице 6.

Мат «ISOTEC KVM-50» эластичен, легко изгибается в продольном направлении, при этом сохраняет форму в поперечном направлении. Прочность на сжатие при 10-процентной деформации 3 кПа. Зависимость минимально возможного изолируемого диаметра от толщины мата приведена в таблице 7.

Номенклатура матов приведена в таблице 8.

Таблица 6. Зависимость коэффициента теплопроводности мата марки «ISOTEC KVM-50» от температуры

Средняя температура изоляции, °С

10

25

50

100

125

200

300

Значение коэффициента теплопроводности, Вт/(м×°С)

0,035

0,034

0,04

0,045

0,055

0,062

0,093

Таблица 7. Зависимость минимально возможного изолируемого диаметра от толщины мата марки «ISOTEC KVM-50»

Толщина мата, мм

Минимальный изолируемый диаметр мм

40 - 60

273

80 - 100

324

Таблица 8. Номенклатура матов марки «ISOTEC KVM-50»

Размеры, мм

длина

ширина

толщина

5000

1200

40

5000

1200

50

5000

1200

60

2500

1200

80

2500

1200

100

2.4. Теплоизоляционные плиты марки «ISOTEC KLS-K» с вертикальной ориентацией волокон из высококачественного штапельного стекловолокна неорганического происхождения. Являются химически нейтральным материалом и не содержат коррозионных компонентов. Облицованы стеклохолстом.

Плиты удовлетворяют требованиям пожарной безопасности, установленным в НПБ 244-97: группа горючести - Г1 по ГОСТ 30244-94; группа воспламеняемости - В1 по ГОСТ 30244-96; коэффициент дымообразования - Д1 по ГОСТ 12.1.044-89.

Объемная плотность плиты - не более 40 кг/м3.

Зависимость коэффициента теплопроводности от температуры (по данным производителя) приведена в таблице 9.

Зависимость коэффициента звукопоглощения от толщины плиты приведена в таблице 10.

Плита «ISOTEC KLS-K» эластична, легко изгибается в продольном направлении, при этом сохраняет форму в поперечном направлении. Прочность на сжатие при 10-процентной деформации 6 кПа. Зависимость минимально возможного изолируемого диаметра от толщины плиты приведена в таблице 11.

Номенклатура плит приведена в таблице 12.

Таблица 9. Зависимость коэффициента теплопроводности плит марки «ISOTEC KLS-K» от температуры

Средняя температура изоляции, °С

10

25

50

100

150

Значение коэффициента теплопроводности, Вт/(м×°С)

0,035

0,036

0,040

0,051

0,060

Таблица 10. Зависимость коэффициента звукопоглощения от толщины плиты марки «ISOTEC KLS-K»

Толщина плиты, мм

Коэффициент звукопоглощения a(f) на среднегеометрических частотах октавных полос, Гц

50

0,28

0,53

0,93

1,00

1,00

1,00

100

0,62

0,93

1,00

1,00

1,00

1,00

Таблица 11. Зависимость минимально возможного изолируемого диаметра от толщины плиты марки «ISOTEC KLS-K»

Толщина плиты, мм

Минимальный изолируемый диаметр, мм

50

500

80

800

100

1000

120

1400

140

2000

Таблица 12. Номенклатура плит марки «ISOTEC KLS-K»

Размеры, мм

длина

ширина

толщина

1200

1200

50

1200

1200

80

1200

1200

100

1200

1200

120

1200

1200

140

2.5. Маты марок «ISOVER КТ-11-TWIN», «ISOVER 610-KT-11-TWIN» с горизонтальной ориентацией волокон из высококачественного штапельного стекловолокна неорганического происхождения. Являются химически нейтральным материалом и не содержат коррозионных компонентов. Без облицовки. Марка «ISOVER KT-11-TWIN» отличается от марки «ISOVER 610-KT-11-TWIN» шириной мата. Негидрофобизированы.

Маты удовлетворяют требованиям пожарной безопасности, установленным в НПБ 244-97: группа горючести - НГ по ГОСТ 30244-94.

Объемная плотность матов - не более 11 кг/м3.

Зависимость коэффициента теплопроводности от температуры (по данным производителя) приведена в таблице 13.

Номенклатуры матов приведены в таблицах 14 и 15.

Маты «ISOVER KT-11-TWIN», «ISOVER 610-KT-11-TWIN» эластичны, легко изгибаются в продольном направлении, но при этом уплотняются. Рекомендуемый коэффициент монтажного уплотнения приведен в таблице 16.

Таблица 13. Зависимость коэффициента теплопроводности матов марок «ISOVER KT-11-TWIN», «ISOVER 610-KT-11-TWIN» от температуры

Средняя температура изоляции, °С

10

25

125

Значение коэффициента теплопроводности, Вт/(м×°С)

0,041

0,038

0,07

Таблица 14. Номенклатура матов марки «ISOVER KT-11-TWIN»

Размеры, мм

длина

ширина

толщина

7000

1200

2´50

Таблица 15. Номенклатура матов марки «610-ISOVER KT-11-TWIN»

Размеры, мм

длина

ширина

толщина

7000

610

2´50

Испытательным центром проведены исследования теплоизоляционных изделий «ISOTEC».

2.6. Теплопроводность волокнистых теплоизоляционных материалов в конструкции зависит от температуры в слое и степени их монтажного уплотнения. Результаты исследования центра «Стройтеплоизоляция-Тест» НИЦ АО «Теплопроект» приведены в протоколах № 30ТС от 02 октября 2003 г. и № 31ТС от 06 октября 2003 г.

2.7. Сжимаемость теплоизоляционных материалов в соответствии с протоколом приведена в таблице 16.

Таблица 16. Коэффициенты монтажного уплотнения и сжимаемость теплоизоляционных изделий «САН-ГОБЭН ИЗОВЕР» (ГОСТ 17177)

Марка изделия

Коэффициент монтажного уплотнения

Сжимаемость (%) при начальной удельной нагрузке, Па

50

500

«ISOTEC KK-ALC», «ISOTEC KK-AL»

1

-

-

«ISOTEC KIM-AL»

1

24

19

«ISOTEC KVM-50»

1

9

9

«ISOTEC KLS-K»

1

-

-

«ISOVER KT-11-TWIN», «ISOVER 610-KT-11-TWIN»

2,5

67

50

Примечание.

Сжимаемость по ГОСТ 17177 определена при измерении начальной толщины мата под удельной нагрузкой 50 и 500 Па с последующей нагрузкой 2000 Па.

3. ТЕХНИЧЕСКИЕ ТРЕБОВАНИЯ К ТЕПЛОИЗОЛЯЦИОННЫМ МАТЕРИАЛАМ В КОНСТРУКЦИЯХ ТЕПЛОВОЙ ИЗОЛЯЦИИ ОБОРУДОВАНИЯ И ТРУБОПРОВОДОВ

3.1. При монтаже и в процессе эксплуатации теплоизоляционные материалы в конструкции подвергаются температурным, влажностным, механическим, в том числе вибрационным, воздействиям, что определяет перечень предъявляемых к ним требований.

Физико-технические свойства теплоизоляционных материалов оказывают определяющее влияние на энергоэффективность, эксплуатационную надежность и долговечность конструкций промышленной тепловой изоляции, трудоемкость их монтажа, возможность ремонта в процессе эксплуатации.

Основными показателями, характеризующими физико-технические и эксплуатационные свойства теплоизоляционных материалов, являются: плотность, теплопроводность, температуростойкость, сжимаемость и упругость (для мягких материалов), прочность на сжатие при 10-процентной деформации (для жестких и полужестких материалов), вибростойкость, формостабильность, горючесть, водостойкость и стойкость к воздействию химически агрессивных сред, содержание органических веществ и биостойкость.

3.2. Теплопроводность теплоизоляционного материала при прочих равных условиях определяет необходимую толщину теплоизоляционного слоя, а следовательно, и нагрузки на изолируемый объект, конструктивные и монтажные характеристики теплоизоляционной конструкции. Теплопроводность возрастает с повышением температуры.

Расчетные значения теплопроводности волокнистых теплоизоляционных материалов в конструкции определяются с учетом степени их монтажного уплотнения, шовности конструкции, наличия крепежных деталей.

3.3. Температура применения теплоизоляционных материалов, оклеенных фольгой, определяется с учетом температуростойкости материалов, применяемых для клеевого соединения. Учитываются линейная усадка при нагреве, потеря прочности на сжатие и потеря массы при нагревании, степень выгорания связующего.

3.4. При выборе теплоизоляционного материала учитывают прочностные и деформационные характеристики изолируемого объекта, расчетные допустимые нагрузки на опоры и другие элементы изолируемой поверхности.

3.5. При выборе теплоизоляционного материала и конструкции учитывают требования пожарной безопасности, нормы технологического проектирования соответствующих отраслей промышленности и требования СНиП 41-03-2003 «Тепловая изоляция оборудования и трубопроводов».

3.6. Долговечность теплоизоляционного материала зависит от особенностей конструкции, месторасположения изолируемого объекта, режима работы оборудования, агрессивности окружающей среды, механических нагрузок, наличия вибраций. Долговечность теплоизоляционного материала и теплоизоляционной конструкции в целом в значительной степени определяется долговечностью защитного покрытия.

3.7. Санитарно-гигиенические требования особенно важны при проектировании объектов с технологическими процессами, требующими высокой чистоты, например, в микробиологии, радиоэлектронике, фармацевтической промышленности. В этих условиях применяются материалы или конструкции, не допускающие загрязнения воздуха в помещениях.

3.8. Анализ номенклатуры и физико-технических свойств теплоизоляционных изделий, поставляемых ЗАО «Сан-Гобэн Изовер», показал, что с наибольшим эффектом в конструкциях тепловой изоляции промышленного оборудования могут быть использованы изделия следующих марок:

- маты марки «ISOTEC KVM-50» для изоляции цилиндрического оборудования наружным диаметром 273 - 4000 мм с положительными температурами;

- плиты марки «ISOTEC KLS-K» для изоляции поверхностей наружным диаметром свыше 500 мм и плоских с положительными температурами;

- маты марки «ISOTEC KIM-AL» для изоляции оборудования наружным диаметром 50 - 4000 мм с температурой ниже температуры окружающего воздуха (от 19 до 0 °С) и отрицательными температурами.

3.9. В конструкциях тепловой изоляции промышленных трубопроводов и трубопроводов тепловых сетей могут быть использованы изделия следующих марок:

- цилиндры марок «ISOTEC KK-ALC» и «ISOTEC KK-AL» для изоляции трубопроводов с положительными и отрицательными температурами;

- маты марки «ISOTEC KVM-50» для изоляции трубопроводов большого диаметра;

- маты марки «ISOTEC KIM-AL» для изоляции трубопроводов с температурой ниже температуры окружающего воздуха (от 19 до 0 °С) и отрицательными температурами и воздуховодов приточной вентиляции;

- плиты марки «ISOTEC KLS-K» для изоляции трубопроводов большого диаметра, расположенных на открытом воздухе и в помещении;

- маты марок «ISOVER KT-11-TWIN», «ISOVER 610-KT-11-TWIN» для изоляции трубопроводов наружным диаметром не более 273 мм с учетом рекомендаций раздела 4.4.

3.10. В конструкциях тепловой изоляции цилиндрических аппаратов и трубопроводов маты марок «ISOTEC KVM-50», «ISOTEC KIM-AL» и плиты марки «ISOTEC KLS-K» устанавливаются без уплотнения по толщине.

Для матов марок «ISOVER KT-11-TWIN», «ISOVER 610-KT-11-TWIN» рекомендуемый коэффициент уплотнения 2,5.

3.11. В конструкциях тепловой изоляции промышленного оборудования и трубопроводов с температурой 20 °С и ниже допускается применение только гидрофобизированных теплоизоляционных изделий.

4. КОНСТРУКТИВНЫЕ РЕШЕНИЯ ТЕПЛОВОЙ ИЗОЛЯЦИИ ТРУБОПРОВОДОВ, АРМАТУРЫ И ФЛАНЦЕВЫХ СОЕДИНЕНИЙ НА ОСНОВЕ ТЕПЛОИЗОЛЯЦИОННЫХ ИЗДЕЛИЙ «САН-ГОБЭН ИЗОВЕР»

С учетом деформативных свойств изделий «САН-ГОБЭН ИЗОВЕР» в конструкциях тепловой изоляции трубопроводов могут применяться:

- цилиндры марок «ISOTEC KK-ALC» и «ISOTEC KK-AL» для изоляции трубопроводов наружным диаметром от 12 до 325 мм включительно, арматуры и фланцевых соединений трубопроводов;

- маты марки «ISOTEC KIM-AL» для изоляции трубопроводов наружным диаметром от 57 мм и более в зависимости от толщины мата;

- маты марки «ISOTEC KVM-50» для изоляции трубопроводов наружным диаметром 273 мм и более;

- маты марок «ISOVER KT-11-TWIN», «ISOVER 610-KT-11-TWIN» для изоляции трубопроводов наружным диаметром от 57 до 273 мм включительно;

- плиты марки «ISOTEC KLS-K» для изоляции трубопроводов наружным диаметром 500 мм и более.

Для тепловой изоляции трубопроводов предпочтительным является применение цилиндров марок «ISOTEC KK-ALC» и «ISOTEC KK-AL» и матов марки «ISOTEC KVM-50». Для трубопроводов с отрицательными температурами диаметром более 325 мм рекомендуется применять маты марки «ISOTEC KIM-AL».

4.1. Конструкции тепловой изоляции на основе теплоизоляционных скорлуп марок «ISOTEC KK-ALC» и «ISOTEC KK-AL» для трубопроводов, арматуры и фланцевых соединений

4.1.1. Цилиндры марок «ISOTEC KK-ALC» и «ISOTEC KK-AL» могут применяться для тепловой изоляции трубопроводов наружным диаметром от 15 до 325 мм с температурой транспортируемых веществ от минус 60 до 280 °С. Допускается применение при температуре изолируемой поверхности до 350 °С при условии нагрева изолируемой поверхности со скоростью не более 50 °С в час. Допустимая температура со стороны облицовки - от минус 60 до плюс 80 °С.

Цилиндры марки «ISOTEC KK-ALC» и «ISOTEC KK-AL» рекомендуется применять для тепловой изоляции:

- трубопроводов тепловых сетей при надземной (на открытом воздухе, в подвалах, помещениях) и подземной (в каналах, тоннелях) прокладках;

- технологических трубопроводов с положительными и отрицательными температурами промышленных предприятий;

- трубопроводов горячего и холодного водоснабжения в жилищном и гражданском строительстве, а также на промышленных предприятиях;

- фланцевых соединений трубопроводов, муфтовой и фланцевой арматуры, если диаметр фланцев или наружный диаметр трубопровода с изоляцией соответствует внутреннему диаметру цилиндра, используемого в качестве изоляции фланцев или арматуры.

Покрытие цилиндров марок «ISOTEC KK-ALC» и «ISOTEC KK-AL» предотвращает вынос частиц волокна в окружающую среду. Поэтому эти цилиндры могут использоваться для тепловой изоляции трубопроводов в помещениях, где предъявляются повышенные требования к чистоте окружающего воздуха.

4.1.2. В теплоизоляционных конструкциях трубопроводов с теплоизоляционным слоем из цилиндров марок «ISOTEC KK-ALC» и «ISOTEC KK-AL» крепление цилиндров на трубопроводах наружным диаметром до 140 мм включительно осуществляется алюминиевой клейкой лентой шириной 30 или 50 мм.

Для крепления тепловой изоляции трубопроводов наружным диаметром более 140 мм дополнительно устанавливают два бандажа на скорлупу длиной 1200 мм. Бандажи изготавливают из алюминиевой ленты толщиной 0,5 - 0,8 мм. Ширина бандажа 20 - 40 мм.

Для предотвращения повреждения покрытия из алюминиевой фольги металлическими бандажами при изоляции трубопроводов холодной воды и с отрицательными температурами под бандажи рекомендуется устанавливать подкладки из стеклопластика рулонного. Может быть использована алюминиевая клейкая лента шириной 30 или 50 мм.

При применении бандажей из неметаллических материалов (стеклопластика, фольгостеклоткани, полиэтиленовых или поливинилхлоридных лент, киперной ленты и др.) подкладки не устанавливаются.

Допускается замена бандажей на проволочные кольца.

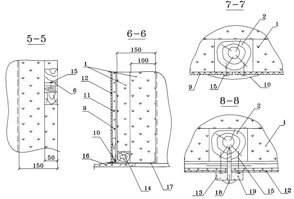
Следует устанавливать два бандажа на один цилиндр длиной 1200 мм. Отступ от края 250 мм. Расстояние между бандажами 700 мм (рис. 1).

4.1.3. Фольгированное покрытие является пароизоляционным слоем при тщательной герметизации его швов. Стыки цилиндров должны быть проклеены алюминиевой клеящей лентой шириной 75 мм или другими герметизирующими лентами.

Не допускаются механические повреждения фольгированного покрытия, которые при монтаже должны быть тщательно герметизированы. Проектом может быть предусмотрен дополнительный пароизоляционный слой, устанавливаемый по фольгированному покрытию.

4.1.4. При расположении трубопроводов с отрицательными температурами на открытом воздухе по теплоизоляционному слою из цилиндров, покрытых алюминиевой фольгой, рекомендуется устанавливать защитное покрытие. При металлическом защитном покрытии следует предусматривать предохранительный слой из волокнистых материалов (полотно холстопрошивное, стеклохолст, стеклорогожка и т.д.) или стеклоткани для предотвращения повреждения фольги при контакте с металлом (рис. 2).

Защитное покрытие рекомендуется крепить бандажами. При винтовом креплении защитного покрытия толщина предохранительного слоя должна обеспечивать защиту пароизоляционного слоя.

4.1.5. При расположении трубопроводов на чердаках, в подвалах и тоннелях защитное покрытие допускается не устанавливать.

4.1.6. Крепление металлического защитного покрытия в конструкциях тепловой изоляции с теплоизоляционным слоем из скорлуп марки «ISOTEC KK-ALC» может производиться винтами или бандажами.

Винты рекомендуется устанавливать с шагом 150 мм по горизонтали и 250 - 300 мм по окружности (рис. 3).

При применении бандажей для крепления защитного покрытия рекомендуется устанавливать два бандажа на элемент защитного покрытия длиной 1000 мм.

4.1.7. При применении цилиндров для изоляции отводов крутоизогнутых и гнутых цилиндр разрезается на несколько частей (рис. 4). Угол реза и количество частей определяется по месту.

Крутоизогнутые отводы трубопроводов малых диаметров могут изолироваться: цилиндр, разрезанной надвое под углом 45°, цилиндры соединяются встык по линии реза под прямым углом.

4.1.8. Цилиндры могут быть использованы в качестве теплоизоляционного слоя в конструкциях тепловой изоляции для фланцевых соединений и фланцевой арматуры с диаметром фланцев, не превышающим наружного диаметра теплоизоляционной конструкции трубопровода, а также для изоляции муфтовой и приварной арматуры.

4.1.9. При изоляции арматуры и фланцевых соединений трубопроводов разъем цилиндра совмещается с осью привода арматуры, под привод в цилиндре делается вырез по его размеру.

Рис. 1. Изоляция трубопроводов диаметром до 140 мм включительно цилиндрами марок «ISOTEC KK-ALC», «ISOTEC KK-AL» с облицовкой паронепроницаемой алюминиевой фольгой

1 - цилиндры марок «ISOTEC KK-ALC», «ISOTEC KK-AL» с облицовкой паронепроницаемой алюминиевой фольгой

2 - проклейка мест соединений алюминиевой клейкой лентой шириной 75 мм

Рис. 2. Конструкция тепловой изоляции трубопроводов цилиндрами марок «ISOTEC KK-ALC», «ISOTEC KK-AL» с креплением металлического защитного покрытия бандажами

1 - цилиндры марок «ISOTEC KK-ALC», «ISOTEC KK-AL»

2 - алюминиевая клейкая лента шириной 75 мм

3 - предохранительный слой

4 - кольцо из проволоки 2 мм

5 - защитное покрытие

6 - бандаж с пряжкой

Рис. 3. Конструкция тепловой изоляции трубопроводов цилиндрами марок «ISOTEC KK-ALC», «ISOTEC KK-AL» с креплением защитного покрытия винтами

1 - цилиндры марок «ISOTEC KK-ALC», «ISOTEC KK-AL»

2 - защитное покрытие

3 - винт самонарезающий

Рис. 4. Конструкция отвода трубопровода из цилиндров марок «ISOTEC KK-ALC», «ISOTEC KK-AL» с покрытием металлическим отводом

1 - цилиндры марок «ISOTEC KK-ALC», «ISOTEC KK-AL»

2 - отвод металлический

3 - винт самонарезающий

Цилиндры закрепляются двумя бандажами с пряжками. Сверху устанавливается съемный кожух. Крепление цилиндров может осуществляться бандажами с пряжками или замками (рис. 5). Замки могут быть установлены непосредственно на кожухе (рис. 6).

Торцы изоляции трубопроводов у фланцевых соединений и арматуры закрываются диафрагмами из материала защитного покрытия.

При изоляции муфтовой и приварной арматуры цилиндры устанавливаются встык с изоляцией трубопровода под общим покрытием (кожухом).

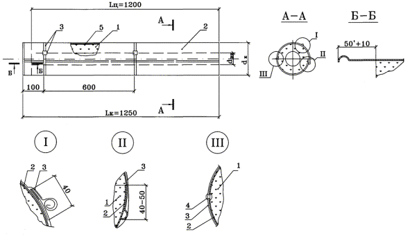
4.1.10. Цилиндры могут использоваться в качестве теплоизоляционного вкладыша в составе полносборных или комплектных конструкций для изоляции трубопроводов и изготавливаются по ТУ 36-1180-85 «Индустриальные конструкции для промышленной тепловой изоляции трубопроводов, аппаратов и резервуаров» (рис. 7).

В составе полносборной конструкции цилиндры должны быть соединены с защитным покрытием шплинтами (при металлическом защитном покрытии) или с помощью клеевого соединения (рис. 8).

Теплоизоляционная полносборная конструкция оснащается бандажами. Возможно применение винтового крепления.

В составе комплектной конструкции вкладыш и цилиндры с защитным покрытием не соединяется.

4.1.11. Цилиндры можно использовать в качестве вкладыша в полносборную конструкцию для изоляции фланцевого соединения или арматуры. При необходимости цилиндр режется пополам и скрепляется с покрытием шплинтами или с помощью клея.

При этом длина полносборной конструкции должна быть равна длине фланцевого соединения или арматуры, включая присоединительные фланцы, плюс две длины болта, соединяющего фланцевый разъем, плюс 200 мм для установки на изоляцию трубопровода.

4.1.12. На вертикальных участках трубопроводов при изоляции цилиндрами рекомендуется устанавливать разгружающие опорные полки с шагом 3,6 м по высоте.

4.2. Конструкции тепловой изоляции на основе матов марки «ISOTEC KIM-AL» для трубопроводов и арматуры

4.2.1. Маты марки «ISOTEC KIM-AL» с облицовкой армированной алюминиевой фольгой рекомендуется применять для изоляции трубопроводов наружным диаметром от 57 - 4000 мм с учетом данных таблицы 4 при температуре изолируемого трубопровода от минус 60 до 200 °С.

Маты могут применяться для изоляции:

- трубопроводов горячего и холодного водоснабжения в жилищном и гражданском строительстве, а также на промышленных предприятиях;

- технологических трубопроводов с положительными и отрицательными температурами промышленных предприятий;

- трубопроводов тепловых сетей при надземной (на открытом воздухе, в подвалах, помещениях) и подземной (в каналах, тоннелях) прокладках;

- приварной и муфтовой арматуры при изоляции трубопроводов с холодной водой и с отрицательными температурами, если нет необходимости в применении съемной конструкции;

- воздуховодов приточной вентиляции круглого и прямоугольного сечения.

Предпочтительным является применение матов в конструкциях тепловой изоляции трубопроводов холодной воды и с отрицательными температурами и для изоляции воздуховодов приточной вентиляции, если не требуется установки покровного слоя.

Рис. 5. Изоляция фланцевой арматуры диаметром до 140 мм включительно цилиндрами марок «ISOTEC KK-ALC», «ISOTEC KK-AL» со съемным металлическим кожухом

1 - цилиндры марок «ISOTEC KK-ALC», «ISOTEC KK-AL»

2 - металлический кожух

3 - бандаж с пряжкой

4 - бандаж с замком или пряжкой

Рис. 6. Изоляция фланцевого соединения цилиндрами марок «ISOTEC KK-ALC», «ISOTEC KK-AL» со съемным металлическим кожухом с замками

1 - цилиндры марок «ISOTEC KK-ALC», «ISOTEC KK-AL»

2 - металлический кожух с замками

Рис. 7. Изоляция трубопроводов конструкциями теплоизоляционными полносборными из цилиндров марки «ISOTEC KK-ALC»

1 - конструкция теплоизоляционная полносборная с теплоизоляционным слоем из цилиндров «ISOTEC KK-ALC»

Рис. 8. Конструкция теплоизоляционная полносборная на основе цилиндров марки «ISOTEC КК» с металлическим защитным покрытием и креплением бандажами

1 - цилиндры «ISOTEC KK-ALC»

2 - покрытие

3 - бандаж с пряжкой

4 - заклепка

5 - клеевое соединение

dвн - внутренний диаметр конструкции

dк - наружный диаметр конструкции

Lк и Lц - длина конструкции и цилиндра

4.2.2. В теплоизоляционных конструкциях трубопроводов с теплоизоляционным слоем из матов марки «ISOTEC KIM-AL» крепление матов на трубопроводах наружным диаметром до 140 мм включительно производится клейкой алюминиевой лентой шириной 50 мм. Дополнительно следует стянуть конструкцию двумя бандажами из той же ленты шириной 30 мм (аналогично рис. 1).

4.2.3. Для крепления тепловой изоляции из матов марки «ISOTEC KIM-AL» в один слой для трубопроводов наружным диаметром 140 - 273 мм, кроме проклейки швов, устанавливают три бандажа на мат шириной 1200 мм. Бандажи изготавливают из алюминиевой ленты толщиной 0,5 - 0,8 мм. Ширина бандажа 20 - 40 мм. Отступ от края мата 100 мм. Расстояние между бандажами 500 мм (рис. 9, 10).

Для предотвращения повреждения покрытия из алюминиевой фольги металлическими бандажами при изоляции трубопроводов холодной воды и с отрицательными температурами под бандажи рекомендуется устанавливать подкладки из стеклопластика рулонного. В качестве прокладки также может быть использована клейкая алюминиевая лента.

При применении бандажей из неметаллических материалов (стеклопластика, фольгостеклоткани, полиэтиленовых или поливинилхлоридных лент, киперной ленты и др.) подкладки не устанавливаются.

При изоляции трубопроводов холодной воды и с отрицательными температурами следует учитывать рекомендации п. 4.1.3.

4.2.4. При изоляции трубопроводов диаметром более 273 мм крепление матов в один слой осуществляется бандажами и подвесками. Бандажи устанавливаются с отступлением 100 мм от края мата и посередине. Подвески устанавливаются между бандажами посередине. Места проколов должны быть проклеены клейкой алюминиевой лентой.

При изоляции в два слоя для крепления внутреннего слоя вместо бандажей можно применить проволочные кольца.

При изоляции трубопроводов холодной воды и с отрицательными температурами в этом случае предусматривается дополнительный пароизоляционный слой и покровный слой.

При толщине изоляции из матов марки «ISOTEC KIM-AL» в 20 и 30 мм подвески можно не устанавливать.

При расположении изолируемых трубопроводов на открытом воздухе при изоляции матами марки «ISOTEC KIM-AL» следует учитывать требования п. 4.1.4.

4.2.5. Воздуховоды круглого сечения при применении матов марки «ISOTEC KIM-AL» изолируются так же, как трубопроводы.

При изоляции воздуховодов прямоугольного сечения небольших размеров крепление матов производится бандажами из алюминиевой ленты через прокладки или проволокой. На сгибах под бандажи сверху прокладки могут быть установлены накладки из алюминиевого листа для сохранения формы конструкции и предотвращения повреждения фольги на углах конструкции (рис. 12).

Маты должны плотно прилегать к поверхности воздуховода. Для предупреждения провисания матов снизу воздуховода рекомендуется применять дополнительные планки, струны или другие конструктивные решения, включая применение крепления штырями, с последующей заделкой мест проколов фольгированного покрытия.

4.2.6. При применении металлического покровного слоя при изоляции трубопроводов с отрицательными температурами матами марки «ISOTEC KIM-AL» без дополнительного пароизоляционного слоя под защитное покрытие следует устанавливать предохранительный слой из рулонных материалов (стеклоткани, стеклохолста, стеклорогожки и т.д.) для предотвращения повреждения алюминиевой фольги. При применении винтового крепления толщина предохранительного слоя должна быть больше длины винта.

4.2.7. В конструкциях тепловой изоляции с металлическим покровным слоем при толщине тепловой изоляции менее 80 мм под покрытие следует устанавливать опорные скобы с шагом 500 мм.

Рис. 9. Изоляция трубопроводов диаметром до 273 мм матами марки «ISOTEC KIM-AL» или трубопроводов диаметром изоляции до 140 мм скорлупами марки «ISOTEC KK-ALC»

1 - маты марки «ISOTEC KIM-AL»

2 - скорлупы марки «ISOTEC KK-ALC»

3 - проклейка швов клейкой алюминиевой лентой

4 - бандаж с пряжкой

6 - бандаж из клейкой алюминиевой ленты

7 - предохранительный слой

8 - подкладка

Рис. 10. Изоляция трубопроводов наружным диаметром 219 мм и более матами марок «ISOROC KIM» и «ISOROC KIM-AL»

1 - маты марки «ISOROC KIM»

2 - маты марки «ISOROC KIM-AL»

3 - клейкая алюминиевая лента

4 - скоба

5 - подвеска

6 - бандаж с пряжкой

7 - проволочное кольцо

Рис. 11. Изоляция матами и плитами «ISOTEC» в один слой с креплением бандажами и подвесками

1 - маты марки «ISOROC KVM-50», «ISOROC KIM-AL» или плиты марки «ISOROC KLS-K»

2 - покрытие

3 - бандаж с пряжкой

4 - опорная скоба

5 - подвеска

Рис. 12. Конструкция тепловой изоляции на основе матов марки «ISOTEC KIM-AL» для воздуховодов прямоугольного сечения

1 - маты марки «ISOTEC KIM-AL»

2 - проклейка стыков матов алюминиевой клейкой лентой AL-teippi

3 - бандаж с пряжкой

4 - подкладка (алюминиевая клейкая лента AL-teippi, стеклопластик и др.)

На трубопроводы наружным диаметром 530 мм и более устанавливаются три скобы по диаметру в верхней части конструкции и одна снизу.

Опорные скобы трубопроводов с отрицательными температурами должны иметь прокладку из малотеплопроводного материала (текстолита, деревянных брусков и т.п.).

При толщине изоляции 100 мм и более следует применять опорные кольца, которые устанавливаются с шагом 3 - 4 м по горизонтали.

Опорные кольца изготавливаются из ленты стальной горячекатаной 2´30 мм с прокладками из асбестового картона. Опорные кольца устанавливаются на трубопроводы диаметром от 219 мм и более. Опорные кольца для трубопроводов диаметром от 530 мм и выше изготавливаются из двух - четырех элементов, которые стягиваются болтами и гайками.

Для трубопроводов с отрицательными температурами опорные конструкции должны иметь прокладки из стеклотекстолита, дерева или других малотеплопроводных материалов для ликвидации «мостиков холода».

Разгружающие опорные полки устанавливаются с шагом 3,6 или 4,8 м по высоте вертикального участка трубопровода.

4.2.8. Для предотвращения коррозии элементы разгружающих устройств и опорных колец из черной стали должны быть окрашены лаком БТ-577 или кремнийорганическим лаком в зависимости от температуры изолируемой поверхности.

4.2.9. Маты из штапельного стекловолокна на синтетическом связующем марки «ISOTEC KIM-AL» могут быть использованы в конструкциях несъёмной тепловой изоляции для приварной и муфтовой арматуры трубопроводов холодной воды и с отрицательными температурами. При этом арматура изолируется заодно с трубопроводом под общим защитным покрытием.

4.3. Конструкции тепловой изоляции на основе матов марки «ISOTEC KVM-50» для трубопроводов и арматуры

4.3.1. Маты марки «ISOTEC KVM-50» рекомендуется применять для изоляции трубопроводов наружным диаметром 273 мм и более с температурой от минус 60 до 280 °С с учетом рекомендаций п. 2.3.

Маты могут применяться для изоляции:

- технологических трубопроводов с положительными и отрицательными температурами промышленных предприятий;

- трубопроводов тепловых сетей при надземной (на открытом воздухе, в подвалах, помещениях) и подземной (в каналах, тоннелях) прокладках;

- трубопроводов горячего и холодного водоснабжения в жилищном и гражданском строительстве, а также на промышленных предприятиях;

- воздуховодов круглого сечения систем вентиляции; арматуры и фланцевых соединений трубопроводов.

4.3.2. Маты марки «ISOTEC KVM-50» могут использоваться в качестве теплоизоляционного вкладыша в составе полносборных или комплектных конструкций для изоляции трубопроводов и изготавливаются по ТУ 36-1180-85 «Индустриальные конструкции для промышленной тепловой изоляции трубопроводов, аппаратов и резервуаров».

В составе полносборной конструкции вкладыш из мата должен быть соединен с защитным покрытием шплинтами (при металлическом защитном покрытии) или с помощью клеевого соединения.

Теплоизоляционная полносборная конструкция оснащается бандажами или винтами (рис. 8).

В составе комплектной конструкции вкладыш из матов марки «ISOTEC KVM-50» с защитным покрытием не соединяется.

4.3.3. Маты марки «ISOTEC KVM-50» могут быть использованы в качестве вкладыша в футляры для изоляции фланцевой арматуры и фланцевых соединений трубопроводов. Вкладыш крепится к поверхности футляра шплинтами или с помощью клея. Поверхность вкладыша, обращенная к изолируемой поверхности, закрывается металлической сеткой, стеклотканью, стеклосеткой, стеклорогожей с учетом температуры применения (рис. 13).

4.3.4. Крепление матов марки «ISOTEC KVM-50» на трубопроводах рекомендуется производить бандажами из стальной ленты 0,7´20 мм и подвесками.

Бандажи из черной стальной ленты должны быть окрашены с целью предотвращения коррозии. Допускается замена бандажей на проволочные кольца. Диаметр проволоки 2 мм. Рекомендуется устанавливать три бандажа (или кольца) и две подвески на один мат.

При изоляции в два слоя вместо бандажей рекомендуется использовать проволочные кольца (рис. 11).

4.3.5. При изоляции матами марки «ISOTEC KVM-50» скобы и опорные кольца на горизонтальные участки трубопровода не устанавливаются.

На вертикальные участки трубопроводов следует устанавливать разгружающие элементы (опорные полки) с шагом 3,6 или 4,8 м.

4.3.6. Высокая прочность на сжатие, связанная с вертикальной ориентацией волокон и армированием металлической сеткой, позволяет применять штукатурное покрытие толщиной 15 - 20 мм. Под штукатурное покрытие следует устанавливать сетку стальную плетеную № 12 - 1,4.

4.4. Конструкции тепловой изоляции на основе матов марок «ISOVER KT-11-TWIN», «ISOVER 610-KT-11-TWIN» для трубопроводов и арматуры

4.4.1. Маты марок «ISOVER KT-11-TWIN», «ISOVER 610-KT-11-TWIN» могут быть использованы для изоляции трубопроводов промышленных предприятий и тепловых сетей наружным диаметром от 57 до 273 мм включительно при температуре изолируемого трубопровода от минус 60 до 200 °С, а также для изготовления матрацев в составе конструкций для изоляции арматуры и фланцевых соединений трубопроводов.

4.4.2. При монтаже маты марок «ISOVER KT-11-TWIN», «ISOVER 610-KT-11-TWIN» следует уплотнять. Рекомендуемая плотность матов в конструкции 35 - 40 кг/м3, что приводит к большому расходу материала и значительному увеличению трудозатрат, и, в конечном итоге, увеличению стоимости тепловой изоляции.

Устанавливать маты без уплотнения не допускается. При уменьшении плотности материала в конструкции увеличивается коэффициент теплопроводности и возрастает требуемая толщина.

Следует отметить, что при изоляции трубопроводов нужно отдавать предпочтение изделиям большей плотности: цилиндрам - для трубопроводов малых диаметров, гофрированным матам - для трубопроводов больших диаметров.

4.4.3. При изоляции трубопроводов с диаметром теплоизоляционной конструкции до 200 мм при изоляции в один слой крепление матов может осуществляться проволокой диаметром 1,2 - 2,0 мм спиральной навивкой вокруг теплоизоляционного слоя (рис. 14), при этом спираль закрепляется на проволочных кольцах по краям теплоизоляционных матов.

При диаметре теплоизоляционной конструкции более 200 мм крепление матов следует выполнять бандажами из ленты 0,7´20 мм. Шаг установки бандажей 250 мм.

4.4.4. При изоляции в два слоя и более внутренние слои крепятся кольцами из проволоки, наружный - бандажами.

4.4.5. Под металлическое защитное покрытие трубопроводов диаметром более 108 мм следует предусматривать опорные скобы при толщине изоляции до 80 мм включительно, при большей толщине изоляции следует предусматривать опорные кольца.

Рис. 13. Изоляция арматуры съемной конструкцией с теплоизоляционным слоем из матов или скорлуп «ISOTEC» (полуфутляры)

1 - полуфутляр (металлический кожух с замками) с вкладышем из матов «ISOTEC KVM-50», «ISOTEC KIM» или скорлуп «ISOTEC KK»

2 - отделка торца изоляции трубопровода

Рис. 14. Конструкция тепловой изоляции на основе матов марки «ISOTEC KT-11-TWIN» для трубопроводов с наружным диаметром теплоизоляционной конструкции не более 200 мм

1 - маты марки «ISOTEC KT-11-TWIN»

2 - покровный слой

3 - кольцо из проволоки диаметром 1,2 - 2,0 мм

4 - спиральное крепление из проволоки диаметром 1,2 - 2,0 мм

Скобы устанавливаются на горизонтальные трубопроводы с шагом 500 мм по длине трубопровода.

Опорные скобы изготавливают из алюминия или оцинкованной стали (в зависимости от материала защитного покрытия) с высотой, соответствующей толщине изоляции.

4.4.6. На вертикальные участки трубопроводов следует предусматривать разгружающие опорные полки с шагом 3,6 или 4,8 м.

4.4.7. Маты марок «ISOVER KT-11-TWIN», «ISOVER 610-KT-11-TWIN» рекомендуется применять для изоляции арматуры и фланцевых соединений трубопроводов в виде матрацев с обкладками из стеклоткани со всех сторон.

Поверх матрацев устанавливается съемный металлический кожух, крепление которого может осуществляться замками, приваренными непосредственно к кожуху, или бандажами с замками, устанавливаемыми поверх кожуха (рис. 15).

Матрацы к изолируемой поверхности крепятся бандажами с пряжками и перевязываются проволокой по крючкам.

4.4.8. В зависимости от вида и размеров арматуры матрацы могут быть с крючками или без них (рис. 15). Крючки могут быть изготовлены из проволоки диаметром 2 мм.

Ширина матраца из матов марок «ISOVER KT-11-TWIN», «ISOVER 610-KT-11-TWIN» при изоляции фланцевой арматуры и фланцевых соединений трубопроводов должна быть равна длине фланцевого соединения или арматуры, включая присоединительные фланцы, плюс две длины болта, соединяющего фланцевый разъем, плюс не менее чем 200 мм для установки на изоляцию трубопровода или аппарата.

При изоляции приварной арматуры матрац устанавливается встык с изоляцией трубопровода под общим покрытием.

4.4.9. Маты марок «ISOVER KT-11-TWIN», «ISOVER 610-KT-11-TWIN» могут быть применены для изоляции арматуры и фланцевых соединений в составе полносборных теплоизоляционных конструкций (футляров или полуфутляров) аналогично рис. 8.

Маты в виде матрацев накалываются на шплинты к металлическому кожуху.

В другом варианте полносборной конструкции для изоляции арматуры и фланцевых соединений (футляров и полуфутляров) маты крепятся шплинтами к кожуху, при этом со стороны, обращенной к изолируемой поверхности, устанавливается металлическая сетка с мелкой ячейкой, которая также крепится шплинтами. Края сетки заделываются внутрь металлического кожуха. Возможно использование стеклосетки или стеклохолста с температурой применения не ниже, чем температура изолируемой поверхности.

4.5. Конструкции тепловой изоляции на основе плит марки «ISOTEC KLS-K» для трубопроводов

4.5.1. Теплоизоляционные плиты марки «ISOTEC KLS-K» с облицовкой с одной стороны стекловойлоком рекомендуется применять для изоляции трубопроводов наружным диаметром 500 мм и более с учетом рекомендаций таблицы 12 при температуре изолируемой поверхности от минус 60 до 250 °С.

Плиты марки «ISOTEC KLS-K» рекомендуется применять для изоляции технологических трубопроводов с положительными и температурами на промышленных предприятиях и воздуховодов круглого и прямоугольного сечения систем вентиляции.

Плиты могут применяться для изоляции трубопроводов тепловых сетей при надземной (на открытом воздухе, в подвалах, помещениях) и подземной (в каналах, тоннелях) прокладках.

Допускается применение плит для изоляции трубопроводов большого диаметра систем холодного водоснабжения и с отрицательными температурами теплоносителя. При этом необходимым элементом конструкции является пароизоляционный слой. В качестве пароизоляционного слоя чаще всего используются полиэтиленовая пленка в один или несколько слоев или алюминиевая фольга.

Рис. 15. Матрац с теплоизоляционным слоем из матов «ISOTEC»

1 - маты марки «ISOTEC KT-11-TWIN» или «KIM»

2 - стеклоткань

3 - прошивка (стеклонить, проволока)

4 - крючок

L - соответствует длине кожуха

Н - соответствует периметру (части периметра) кожуха

4.5.2. Крепление теплоизоляционного слоя производится бандажами или проволочными кольцами. Для предупреждения сползания колец и бандажей следует устанавливать струны из проволоки диаметром 1,2 или 2 мм. Верхнее кольцо из проволоки должно быть прочно закреплено на трубопроводе. Как правило, могут быть использованы разгружающие устройства, которые устанавливаются с шагом 3 - 4 м по высоте.

В двухслойных конструкциях плиты второго слоя должны перекрывать швы предыдущих.

Скобы, опорные кольца на горизонтальных участках трубопроводов не предусматриваются.

4.5.3. Для вертикальных трубопроводов может быть предусмотрено крепление теплоизоляционного слоя с помощью проволочного каркаса.

Кольца из проволоки диаметром 2 - 3 мм устанавливаются на поверхность трубопровода с шагом 600 мм по длине. К кольцам прикрепляются пучки стяжек из проволоки 1,2 мм с шагом 600 мм по дуге кольца.

Предусматриваются четыре стяжки в пучке при изоляции в один слой и шесть - при изоляции в два слоя. Стяжки, скрученные в пучки, располагают в стыках плит и прокалывают плиту посередине, затем стяжки закрепляются крест-накрест.

Бандажи из ленты 0,7´20 мм с пряжками устанавливаются с шагом 400 мм. Вместо бандажей по внутреннему слою двухслойной изоляции предусматриваются кольца из проволоки диаметром 2 мм.

Для предупреждения сползания бандажей или колец, установленных по теплоизоляционному слою, применяются струны из проволоки 2 мм.

4.5.4. При изоляции трубопроводов холодной воды, трубопроводов, транспортирующих вещества с отрицательными температурами, а также трубопроводов тепловых сетей подземной прокладки для крепления элементов конструкций следует применять оцинкованную проволоку, бандажи из оцинкованной стали или с окраской.

4.6. Конструкции тепловой изоляции на основе матов марок «ISOTEC KIM-AL» и «ISOTEC KVM-50» для цилиндрического оборудования

Маты из штапельного стекловолокна на синтетическом связующем марок «ISOTEC KVM-50» и «ISOTEC KIM-AL» могут быть использованы для изоляции цилиндрического оборудования с положительными и отрицательными температурами теплоносителя в различных отраслях промышленности и ЖКХ.

При применении матов следует учитывать требования п. 2.2.

4.6.1. Для горизонтальных аппаратов наружным диаметром от 530 до 1420 мм включительно (емкостей, теплообменников и др.) при изоляции матами рекомендуется крепление теплоизоляционного слоя бандажами и подвесками.

Крепление теплоизоляционного слоя из матов марок «ISOTEC KVM-50» в конструкциях тепловой изоляции горизонтальных цилиндрических аппаратов аналогично креплению тепловой изоляции на трубопроводах (рис. 11).

При изоляции оборудования с отрицательными температурами следует предусматривать пароизоляционный слой. При применении винтового крепления защитного покрытия поверх пароизоляционного слоя необходимо устанавливать предохранительный слой из волокнистых материалов толщиной более длины винта или предусматривать другие конструктивные решения. В качестве предохранительного слоя могут быть использованы маты марок «ISOVER KT-11-TWIN», «ISOVER 610-KT-11-TWIN».

При применении матов марки «ISOTEC KIM-AL» с покрытием фольгой под бандажи устанавливаются подкладки для предотвращения повреждения фольгированного покрытия.

Крепление матов марки «ISOTEC KIM-AL» на горизонтальном цилиндрическом оборудовании осуществляется с учетом требований раздела 4.2.

4.6.2. Опорные конструкции при изоляции матами марки «ISOTEC KVM-50» следует устанавливать у фланцевых соединений и днищ аппаратов. Элементы опорных конструкций в виде колец, уголков, скоб или планок могут быть приварными или крепиться с помощью болтов. Опорные конструкции по длине аппаратов, как при изоляции мягкими волокнистыми материалами, для конструкций на основе матов марки «ISOTEC KVM-50» не предусматриваются.

Опорные конструкции из черной стали должны быть защищены от коррозии.

4.6.3. Для вертикальных аппаратов наружным диаметром от 530 до 1420 мм (теплообменников, колонн, емкостей) крепление теплоизоляционного слоя из матов марки «ISOTEC KVM-50» рекомендуется бандажами и проволочными струнами (рис. 16).

Для предотвращения сползания бандажей или проволочных колец предусматривается их фиксация вертикальными струнами, которые в зависимости от конструкции аппарата могут прикрепляться к фланцам, патрубкам, разгружающим устройствам, предусмотренным для теплоизоляционных конструкций, или к приваренным к аппарату кольцам из проволоки 5 мм.

Бандажи по поверхности матов устанавливаются с шагом 400 мм при вертикальном расположении матов. При горизонтальном расположении матов применяются три бандажа на один мат с отступлением от края мата на 100 мм. Фиксация бандажей осуществляется струнами из проволоки диаметром 2 мм.

Разгружающие устройства (кольца, кронштейны) устанавливаются у фланцевых соединений и днищ аппаратов и с шагом 2,4 или 3,6 м по высоте аппарата.

Они могут быть приварными или с креплением элементов конструкций на болтах. Диафрагмы, устанавливаемые на разгружающие устройства, не должны касаться защитного покрытия.

4.6.4. При применении матов марки «ISOTEC KVM-50» для изоляции горизонтального оборудования может быть также использовано крепление на проволочном каркасе аналогично п. 4.5.4 (рис. 17).

Для матов марки «ISOTEC KIM-AL» с покрытием алюминиевой фольгой такой вид крепления не применяется.

4.6.5. Крепление теплоизоляционного слоя из матов марки «ISOTEC KVM-50» штырями предусматривается для вертикальных и горизонтальных аппаратов наружным диаметром более 1420 мм.

Крепление теплоизоляционного слоя осуществляется с помощью вставных или приварных штырей. Маты оборачиваются вокруг аппарата и накалываются на штыри, концы которых загибаются. Дополнительно маты могут быть закреплены бандажами или проволочными кольцами. Для изготовления штырей используется проволока диаметром 4 - 5 мм (рис. 18).

Длина штыря рассчитывается исходя из толщины тепловой изоляции с учетом добавки на ширину скобы и на загиб штыря на теплоизоляционный слой. Для однослойной изоляции применяют одинарные штыри, для двухслойной - двойные. Величина загиба штыря - 40 или 50 мм.

Размеры приварных скоб, одинарных и двойных штырей регламентируются ГОСТ 17314.

Штыри (или скобы для них) на поверхности оборудования при изоляции матами марки «ISOTEC KVM-50» приваривают с шагом 600´600 мм. При изоляции поверхностей, обращенных вниз, шаг приварки должен быть 300´300 мм.

4.6.6. При изоляции матами в два слоя следует использовать двойные штыри. Маты внутреннего слоя накалываются на штыри, один конец которых загибается. Затем внутренний слой крепится кольцами из проволоки диаметром 2 мм. Наружный теплоизоляционный слой закрепляется штырями и бандажами из ленты 0,7´20 мм (рис. 19).

Рис. 16. Изоляция вертикальных аппаратов матами марки «ISOTEC KVM-50» или плитами марки «KLS-K» с креплением бандажами и стяжками с металлическим покрытием

1 - маты марки «ISOTEC KVM-50», плиты марки «ISOTEC KLS-K»

2 - проволочный каркас (кольца, стяжки, струны)

3 - бандаж с пряжкой

4 - опорное кольцо

5 - покрытие

6 - винт самонарезающийся

Рис. 17. Изоляция горизонтальных аппаратов матами марки «ISOTEC KVM-50» или плитами марки «KLS-K» в один слой с креплением на проволочном каркасе

1 - маты марки «ISOTEC KVM-50», плиты марки «ISOTEC KLS-K»

2 - проволочный каркас (кольца, стяжки)

3 - бандаж с пряжкой

4 - струны

Рис. 18. Изоляция горизонтальных аппаратов матами марки «ISOTEC KVM-50» или плитами марки «KLS-K» в один слой с креплением штырями

1 - маты марки «ISOTEC KVM-50», плиты марки «ISOTEC KLS-K»

2 - штырь

3 - бандаж

4 - пряжка

Рис. 19. Изоляция вертикальных аппаратов матами марки «ISOTEC KLS-K» в два слоя с креплением штырями

1 - маты марки «ISOTEC KLS-K»

2 - штырь

3 - бандаж с пряжкой

4 - проволочные кольца по первому слою

4.7. Конструкции тепловой изоляции на основе плит марки «ISOTEC KLS-K» для оборудования

Плиты марки «ISOTEC KLS-K» рекомендуются к применению для изоляции поверхностей с большим радиусом кривизны и плоских поверхностей (резервуаров для хранения нефти и нефтепродуктов, баков-аккумуляторов горячей воды, резервуаров питьевой воды и для технических нужд, в том числе противопожарных, металлические стволы дымовых труб с учетом температуры применения плит, другое крупногабаритное оборудование).

Допускается применение плит для изоляции цилиндрического оборудования наружным диаметром от 500 мм.

Крепление теплоизоляционного слоя из плит марки «ISOTEC KLS-K» при изоляции оборудования осуществляется, как указано в разделе 4.6 и на рис. 17 - 19.

4.8. Конструкции тепловой изоляции днищ вертикальных и горизонтальных аппаратов с использованием теплоизоляционных матов и плит «САН-ГОБЭН ИЗОВЕР»

В зависимости от диаметра и конфигурации днищ аппаратов крепление теплоизоляционного слоя из матов или плит может осуществляться с помощью:

- проволочных стяжек и бандажей или струн из проволоки диаметром 2 мм;

- штырей, бандажей или струн.

Как правило, одним концом бандажи и струны крепятся к проволочному кольцу, привариваемому или завязанному вокруг патрубка, другим - к проволочному или опорному кольцу (разгружающему устройству), которые устанавливаются у днищ (рис. 20).

Рис. 20. Изоляция днищ горизонтальных аппаратов матами или плитами «ISOTEC» с креплением штырями и с металлическим защитным покрытием

1 - маты или плиты «ISOTEC»

2 - металлическое покрытие

3 - штырь

4 - бандаж с пряжкой

5 - проволочное кольцо

6 - опорное кольцо

7 - винт

4.9. Конструкция тепловой изоляции фланцевого соединения аппарата (рис. 21)

Люки и фланцевые соединения аппаратов подлежат периодическому осмотру и поэтому для них применяются съемные теплоизоляционные конструкции.

Съемные конструкции могут быть полносборные - в виде полуфутляров или футляров и комплектные - в виде матрацев и кожухов.

В качестве теплоизоляционного слоя в составе таких конструкций рекомендуется применять маты марок «ISOVER KT-11-TWIN», «ISOVER 610-KT-11-TWIN» или «ISOTEC KVM-50».

4.9.1. В составе комплектных конструкций маты марок «ISOVER KT-11-TWIN», «ISOVER 610-KT-11-TWIN» следует применять в виде матрацев с обкладками со всех сторон из стеклоткани. Матрацы прошиваются стеклонитью или проволокой диаметром 0,8 мм.

Матрацы к изолируемой поверхности крепятся бандажами с пряжками.

Поверх матрацев устанавливается съемный металлический кожух, крепление которого может осуществляться замками, приваренными непосредственно к кожуху, или бандажами с замками, устанавливаемыми поверх кожуха.

Ширина матраца из матов в обкладках при изоляции фланцевых соединений аппаратов должна быть равна ширине фланцевого соединения плюс две длины болта, соединяющего фланцевый разъем, плюс не менее чем 200 мм для установки на поверхность теплоизоляционной конструкции аппарата, длина - наружному периметру теплоизоляционной конструкции фланцевого соединения (с учетом толщины тепловой изоляции фланца). Если толщина тепловой изоляции корпуса аппарата больше, чем высота фланца, длина матраца определяется диаметром теплоизоляционной конструкции корпуса аппарата и толщиной теплоизоляционной конструкции фланцевого соединения.

Для фланцевых соединений большого диаметра могут быть предусмотрены два матраца и более по периметру фланца.

4.9.2. Маты марок «ISOVER KT-11-TWIN», «ISOVER 610-KT-11-TWIN» или «ISOTEC KVM-50» применяются в составе полносборных теплоизоляционных конструкций (полуфутляров) для изоляции люков и фланцевых соединений аппаратов.

При этом маты марок «ISOVER KT-11-TWIN», «ISOVER 610-KT-11-TWIN» используются в качестве вкладыша в футляр или полуфутляр в виде матрацев, приклеенных к металлической поверхности кожуха или прикрепляемых шплинтами.

Маты марки «ISOTEC KVM-50» применяются в полносборных конструкциях с облицовкой с наружной стороны металлической сеткой с мелкой ячейкой, которая также крепится шплинтами. Края сетки заделываются внутрь металлического кожуха. Возможно использование стеклосетки или стеклохолста.

Рис. 21. Изоляция фланцевого соединения горизонтального аппарата конструкциями теплоизоляционными полносборными с теплоизоляционным слоем из матов марки «ISOTEC KVM-50»

L - ширина полносборной конструкции

1 - конструкция теплоизоляционная полносборная с теплоизоляционным слоем из матов марки «ISOTEC KVM-50

2 - изоляция аппарата матами или плитами «ISOTEC»

3 - изоляция днища аппарата

4 - опорное кольцо

4.10. Конструкция защитного покрытия горизонтального аппарата (рис. 22)

4.10.1. Для аппаратов, как правило, применяются металлические защитные покрытия. Для изготовления элементов защитного покрытия предусматриваются листы или ленты из алюминия и алюминиевых сплавов, оцинкованной или кровельной (с окраской) стали, металлопласта.

Крепление защитного покрытия горизонтальных аппаратов осуществляется самонарезающими винтами 4´12 с антикоррозионным покрытием или заклепками. Шаг установки винтов (заклепок): по горизонтали - 150 - 200 мм, по окружности - 300 мм.

Для ускорения монтажа элементы защитного покрытия могут быть соединены лежачими фальцами шириной 8 - 10 мм (разрез Г-Г, рис. 22) в крупноразмерные картины.

Для придания конструкции защитного покрытия жесткости элементы покрытия зигуются по торцам по горизонтали и по окружности с радиусом зига 5 мм. Покрытие должно опираться на опорные кольца или другие приварные опорные элементы.

4.10.2. Опорные кольца (разрез А-А, рис. 22) могут выполняться из ленты 2´30, 3´30, 2´40 или 3´40 мм. Металлические опорные конструкции при тепловой изоляции объектов с положительными температурами поверхности должны иметь малотеплопроводные элементы для снижения температуры на поверхности защитного покрытия, соприкасающегося с ними. Как правило, используются опоры или прокладки из асбестового картона.

При изоляции поверхностей с отрицательными температурами для ликвидации «мостиков холода» используются элементы из стеклотекстолита или древесины.

4.10.3. В защитном покрытии аппарата по длине устраиваются температурные швы с шагом 5 м.

Температурный шов выполняется без крепления винтами по окружности.

Рис. 22. Конструкция покрытия тепловой изоляции горизонтального аппарата

1 - металлическое покрытие

2 - опорное кольцо (для матов марки «KIM»)

3 - винт самонарезающий

Примечание. При изоляции плитами марки «KLS-K» и матами марки «KVM-50» опорное кольцо (поз. 2) устанавливать только у днищ и фланцевых соединений аппаратов.

4.11. Конструкция защитного покрытия вертикального аппарата (рис. 23, 24)

4.11.1. Для вертикальных аппаратов, как и для горизонтальных, применяются металлические защитные покрытия из материалов, указанных в п. 4.10.

Крепление защитного покрытия вертикальных аппаратов также осуществляется самонарезающими винтами 4´12 с антикоррозионным покрытием или заклепками. Шаг установки винтов (заклепок): по вертикали - 150 - 200 мм, по горизонтали - не более 300 мм.

4.11.2. В защитном покрытии аппарата по высоте должны быть предусмотрены температурные швы, в которых элементы защитного покрытия опираются на разгружающие устройства или кляммеры и не крепятся по горизонтали (окружности) (разрез Г-Г, рис. 24).

Кляммеры могут быть установлены и на листы покрытия предыдущего ряда.

По высоте аппарата устанавливаются разгружающие устройства с шагом по высоте не более 3 - 4 м. Разгружающие кольца устанавливаются также у верхнего и нижнего днищ аппаратов. Для придания конструкции защитного покрытия жесткости элементы покрытия должны быть прозигованы.

Рис. 23. Конструкция металлического покрытия тепловой изоляции для вертикальных аппаратов и резервуаров

1 - металлическое покрытие

2 - винт самонарезающий

3 - разгружающее устройство

4 - кляммеры

Рис. 24. Разрезы к рис. 23. Сопряжения элементов покрытия из металлических листов

Позиции указаны на рис. 23.

4.12. Тепловая изоляция газоходов и воздуховодов прямоугольного сечения

4.12.1. В конструкциях тепловой изоляции газоходов или воздуховодов прямоугольного сечения рекомендуется применять плиты марки «ISOTEC KLS-K» и маты марки «ISOTEC KIM-AL».

Крепление теплоизоляционного слоя предусмотрено с помощью штырей (приварных, вставных) и бандажей (рис. 25). На углах газоходов под бандажи или заменяющие их проволочные кольца устанавливают металлические подкладки из материала покрытия.

Для крепления покрытия тепловой изоляции газоходов большого сечения к изолируемой поверхности привариваются скобы из ленты 3´30. Под покрытие на скобы устанавливаются прокладки из асбестового картона (узел I, рис. 26).

Металлическое защитное покрытие устанавливается на поверхность изоляции и крепится к скобам болтами и гайками. Листы защитного покрытия между собой скрепляются винтами.

4.12.2. При изоляции воздуховодов приточной вентиляции по плитам марки «ISOTEC KLS-K» следует предусматривать пароизоляционный слой.

Количество пароизоляционных слоев определяется СНиП 41-03-2003 «Тепловая изоляция оборудования и трубопроводов». Для предотвращения повреждения пароизоляционного слоя при применении металлического защитного покрытия рекомендуется установка предохранительного слоя из матов марок «ISOVER KT-11-TWIN», «ISOVER 610-KT-11-TWIN».

При изоляции воздуховодов приточной вентиляции по матам марки «ISOTEC KIM-AL» пароизоляционный слой не предусматривается.

К скобам вместо прокладок из асбестового картона крепятся деревянные бруски (разрез Г-Г, рис. 26). Места стыковки пароизоляционного слоя с брусками герметизируются.

Вместо металлических скоб может применяться каркас из деревянных брусков, устанавливаемых на поверхности воздуховода. В этом случае защитное покрытие крепится к каркасу шурупами. Стыки пароизоляционного слоя также рекомендуется располагать на брусках каркаса.

4.13. Тепловая изоляция резервуаров для хранения нефти и нефтепродуктов

4.13.1. Для тепловой изоляции резервуаров для хранения нефти и нефтепродуктов рекомендуется применять плиты марки «ISOTEC KLS-K».

Плиты крепятся к стенке резервуара штырями, приваренными с шагом 600´600 мм.

Для крепления металлического защитного покрытия могут быть предусмотрены опорные конструкции из вертикально расположенных стальных уголков или планок. Защитное покрытие при этом крепится винтами. Элементы защитного покрытия могут быть соединены в картины.

Может быть предусмотрен также каркас из деревянных брусков. Защитное покрытие при этом крепится шурупами к каркасу из деревянных брусков по вертикали и винтами по горизонтали (рис. 27 - 29).

Шаг установки опорных конструкций определяется размерами элементов защитного покрытия и теплоизоляционных плит.

Может быть предусмотрено дополнительное крепление плит перевязкой по штырям проволокой (в виде колец или крест-накрест).

По высоте резервуара для предотвращения сползания теплоизоляционного слоя должны быть предусмотрены опорные полки. В месте установки опорных полок предусматриваются и температурные швы в защитном покрытии.

Рис. 25. Конструкция тепловой изоляции на основе плит марки «ISOTEC KLS-K» для горизонтальных газоходов прямоугольного сечения с положительными температурами

1 - плиты марки «ISOTEC KLS-K»

2 - проволочные струны с перевязкой по штырям

3 - штырь

4 - опорная скоба

5 - покрытие

6 - прокладка

7 - болтовое крепление

8 - бандаж с пряжкой

Узел I и разрезы Б-Б - Г-Г см. на рис. 26.

Рис. 26. Узел I и разрезы Б-Б - Г-Г к рис. 25.

Позиции см. на рис. 25.

Рис. 27. Конструкция тепловой изоляции на основе плит марки «ISOTEC KLS-K» для резервуара для хранения нефти и нефтепродуктов температурой не выше 80 °С

1 - плиты марки «ISOTEC KLS-K»

2 - покрытие

3 - штырь

4 - скоба

5 - стойка

6 - диафрагма

7 - кляммера 1

8 - шуруп

Рис. 28. Разрезы 1-1, 4-4, 7-7 к рис. 27.

9 - опорное кольцо из досок

10 - направляющая

11 - кляммера 2

12 - гвоздь

Остальные позиции на рис. 4.

Рис. 29. Разрезы 2-2, 3-3, 5-5 и 6-6 к рис. 27.

13 - винт самонарезающий

Остальные позиции на рис. 27 и 28.

4.13.2. Плиты могут устанавливаться и без использования штырей. При этом плиты крепятся струнами из проволоки диаметром 2 мм или стяжными бандажами. Для крепления струн или бандажей через 3,6 - 4,8 м предусматриваются вертикальные опорные конструкции в виде планок, уголков, струн и т.д. Могут быть применены вертикальные деревянные бруски, установленные в скобы. Плиты должны плотно прилегать к поверхности резервуара.

4.14. Тепловая изоляция резервуаров для хранения холодной воды в системах водоснабжения и пожаротушения

Для тепловой изоляции резервуаров для хранения холодной воды в системах водоснабжения и пожаротушения нефтепродуктов рекомендуется применять плиты марки «ISOTEC KLS-K». Плиты должны быть гидрофобизированны.

Конструкция тепловой изоляции аналогична приведенной в п. 4.13 с каркасом из деревянных брусков и отличается наличием пароизоляционного слоя (рис. 30 - 34).

Плиты устанавливаются в один или два слоя, в зависимости от расчетной толщины изоляции, между стойками деревянного каркаса, крепятся штырями с перевязкой оцинкованной проволокой по штырям.

Поверх плит устанавливается пароизоляционный слой с герметизацией швов и мест возможных проколов. Для предотвращения повреждения пароизоляционного слоя устанавливается предохранительный слой из волокнистых материалов.

Защитное металлическое покрытие крепится шурупами к деревянным конструкциям. Швы покрытия герметизируются накладками из металлического профиля и герметиком.

Приварные крепежные элементы должны быть окрашены лаком БТ-577 или другим антикоррозионным составом.

Элементы деревянного каркаса должны быть обработаны антипиреном и антисептическим составом.

Рис. 30. Конструкция тепловой изоляции на основе плит марки «ISOTEC KLS-K» для резервуаров для хранения холодной воды

1 - плиты марки «ISOTEC KLS-K» в два слоя

Поз. 9 - 12 на рис. 31.

Н - высота резервуара

Dвн - внутренний диаметр резервуара

Рис. 31. Узел 1 к рис. 30. Конструкция изоляции на основе плит марки «ISOTEC KLS-K» для цилиндрической стенки резервуара холодной воды

1 - плиты марки «KLS-K» в два слоя (100 + 50 мм)

2 - стойка (брусок)

3 - скоба

4 - накладка

5 - штырь

6 - полка (доска)

7 - струна

8 - упор

9 - пароизоляционный слой

10 - герметизирующая лента

11 - предохранительный слой

12 - защитное покрытие

13 - профиль

14 - брусок

15 - гвоздь

16 - отмостка

17 - гидроизоляция

Рис. 32. Узел III и разрезы 1-1 и 4-4 к рис. 31.

1 - плиты марки «ISOTEC KLS-K»

4 - накладка, приваренная к стенке резервуара

5 - штырь для крепления плит «KLS-K» внутреннего слоя

Рис. 33. Разрезы 5-5 - 8-8 к рис. 31.

18 - шуруп

19 - герметик

Остальные позиции на рис. 31.

Рис. 34. Разрезы 2-2 и 3-3 к рис. 31.

Позиции на рис. 31.

Размеры указаны исходя из толщины изоляции 150 мм

5. РАСЧЕТ ТОЛЩИНЫ ТЕПЛОИЗОЛЯЦИОННОГО СЛОЯ КОНСТРУКЦИЙ НА ОСНОВЕ ТЕПЛОИЗОЛЯЦИОННЫХ ИЗДЕЛИЙ «САН-ГОБЭН ИЗОВЕР»

Расчет толщины теплоизоляционного слоя на основе теплоизоляционных изделий «САН-ГОБЭН ИЗОВЕР» в конструкциях тепловой изоляции оборудования и трубопроводов производится в зависимости от его назначения.

5.1. Тепловая изоляция с целью обеспечения заданной плотности теплового потока с поверхности изолированного объекта

5.1.1. Допустимое значение плотности теплового потока с поверхности изолированного объекта определяется требованиями технологического процесса, общим тепловым балансом предприятия или нормативными значениями плотности теплового потока в соответствии со СНиП 41-03-2003 «Тепловая изоляция оборудования и трубопроводов».

5.1.2. Для плоских поверхностей и поверхностей с большим радиусом кривизны (R ³ 1,0 м) толщина теплоизоляционного слоя определяется по допустимой плотности теплового потока с единицы поверхности изолированного объекта.

Расчет выполняется по формуле:

                                                     (1)

где lиз - коэффициент теплопроводности теплоизоляционного слоя, Вт/(м×°С);

tm - температура теплоносителя, °С;

to - среднегодовая температура окружающего воздуха для оборудования, расположенного на открытом воздухе, или расчетная температура в помещении, °С;

q - плотность теплового потока с единицы поверхности, Вт/м2;

aн - коэффициент теплоотдачи, Вт/(м2×°С).

Коэффициент теплопроводности теплоизоляционного материала принимается при средней температуре теплоизоляционного слоя. Расчетный коэффициент теплопроводности принимается с учетом данных теплотехнических испытаний, проведенных Испытательным центром «Стройтепллоизоляция-Тест» НИЦ АО «Теплопроект».

5.1.3. Коэффициент теплоотдачи от изолируемой поверхности к окружающему воздуху следует принимать по приложению 1.

5.1.4. Для трубопроводов и аппаратов наружным диаметром более 1420 мм толщина теплоизоляционного слоя по нормированной плотности теплового потока определяется по формуле (1) и нормам плотности теплового потока для плоской поверхности.

При заданной линейной плотности теплового потока, отличной от нормированной, для цилиндрических аппаратов наружным диаметром 1620 - 1820 мм толщина тепловой изоляции определяется по формуле (2).

5.1.5. Для трубопроводов и оборудования наружным диаметром до 1420 мм включительно толщина тепловой изоляции по нормированной или заданной плотности теплового потока определяется по формуле:

                                           (2)

где dн - наружный диаметр изоляционной конструкции, м;

dиз - наружный диаметр изолируемого объекта, м;

tm - температура теплоносителя, °С;

to - среднегодовая температура окружающего воздуха для объектов, расположенных на открытом воздухе, или расчетная температура в помещении, °С;

qI - расчетная линейная плотность теплового потока, Вт/м;

aн - коэффициент теплоотдачи от поверхности изоляции к окружающему воздуху, Вт/(м2×°С).

Толщину изоляции вычисляют по формуле:

                                                         (3)

где dиз - толщина изоляции, м.

5.1.6. В таблицах 5.1.1 - 5.1.9 приведены рекомендуемые значения толщины теплоизоляционного слоя из материалов «САН-ГОБЭН ИЗОВЕР», отвечающие нормам плотности теплового потока, в конструкциях тепловой изоляции трубопроводов и оборудования для Европейского региона России при расчетной температуре окружающего воздуха плюс 5 °С и в помещении при числе часов работы более 5000 и 5000 и менее.

При определении толщины теплоизоляционного слоя из теплоизоляционных изделий «САН-ГОБЭН ИЗОВЕР» в конструкциях тепловой изоляции трубопроводов и оборудования коэффициент теплопроводности принимался на основании данных Испытательного центра «Стройтеплоизоляция-Тест» НИЦ ОАО «Теплопроект», коэффициентом уплотнения в конструкции и требований СНиП 41-03-2003.

Таблица 5.1.1. Рекомендуемая толщина тепловой изоляции из цилиндров марок «ISOVER KK-ALC», «ISOVER KK-AL», отвечающая нормам плотности теплового потока для трубопроводов, расположенных на открытом воздухе

Наружный диаметр трубопровода, оборудования, мм

Число часов работы

более 5000

5000 и менее

Температура теплоносителя, °С

20

50

100

150

200

250

280

20

50

100

150

200

250

280

Толщина цилиндров марок «ISOVER KK-ALC», «ISOVER KK-AL», мм

12

20

20

20

30

30

30

40

20

20

20

20

30

30

30

15

20

20

30

30

40

40

50

20

20

20

303

30

40

40

18

20

20

30

30

40

40

40

20

20

20

30

30

40

40

22

20

20

30

40

40

50

50

20

20

30

30

40

40

40

28

20

20

30

40

40

50

60

20

20

30

30

40

40

50

35

20

30

40

40

50

60

60

20

20

30

40

40

50

50

42

20

30

40

40

50

60

60

20

30

30

40

40

50

50

48

20

30

40

50

50

60

60

20

30

30

40

40

50

50

54

20

30

40

50

50

60

60

20

30

30

40

40

50

50

60

20

30

40

50

60

60

80

20

30

40

40

50

60

60

76

30

30

40

50

60

80

80

30

30

40

40

50

60

60

89

30

40

50

60

62

80

80

30

30

40

50

50

60

60

108

40

40

50

60

80

80

80

40

40

40

50

60

60

80

114

40

40

50

60

80

80

-

40

40

40

50

60

80

80

133

40

40

50

60

80

80

-

40

40

40

50

60

80

80

140

40

40

60

80

80

-

-

40

40

50

60

60

80

80

159

40

40

60

80

80

-

-

40

40

50

60

60

80

80

168

40

50

60

80

80

-

-

40

40

50

60

80

80

80

219

40

50

60

80

-

-

-

40

40

50

60

80

80

80

273

40

50

60

80

-

-

-

40

40

50

60

80

80

80

324

40

50

80

80

-

-

-

40

40

60

80

80

80

-

Таблица 5.1.2. Рекомендуемая толщина тепловой изоляции из цилиндров марок «ISOVER KK-ALC», «ISOVER KK-AL», отвечающая нормам плотности теплового потока для трубопроводов, расположенных в помещении

Наружный диаметр трубопровода, оборудования, мм

Число часов работы

более 5000

5000 и менее

Температура теплоносителя, °С

50

100

150

200

250

280

50

100

150

200

250

280

Толщина цилиндров марок «ISOVER KK-ALC», «ISOVER KK-AL», мм

12

20

20

20

30

30

30

20

20

20

20

30

30

15

20

30

30

30

40

40

20

20

20

30

30

30

18

20

30

30

30

40

40

20

20

20

30

30

30

22

20

30

40

40

50

50

20

20

30

40

40

40

28

20

30

40

40

50

50

20

20

30

40

40

40

35

20

30

40

50

50

60

20

30

30

40

40

50

42

20

30

40

50

60

60

20

30

40

40

50

50

48

20

30

40

50

60

60

20

30

40

40

50

50

54

20

30

40

50

60

60

20

30

40

40

50

50

60

30

40

50

50

60

-

20

30

40

50

50

60

76

30

40

50

60

60

80

30

30

40

50

60

60

89

30

40

50

60

80

80

30

30

40

50

60

60

108

40

40

50

60

80

80

40

40

50

50

60

80

114

40

50

60

80

80

80

40

40

50

60

80

80

133

40

50

60

80

80

-

40

40

50

60

80

80

140

40

50

60

80

80

-

40

40

50

60

80

80

159

40

50

60

80

80

-

40

40

50

60

80

80

168

40

50

60

80

-

-

40

40

60

60

80

80

219

40

60

80

80

-

-

40

50

60

80

80

80

273

40

60

80

80

-

-

40

50

60

80

80

-

325

40

60

80

-

-

-

40

50

60

80

-

-

Таблица 5.1.3. Рекомендуемая толщина тепловой изоляции из матов марки «ISOVER KIM-AL», отвечающая нормам плотности теплового потока для трубопроводов, расположенных на открытом воздухе

Наружный диаметр трубопровода, оборудования, мм

Число часов работы

более 5000

5000 и менее

Температура теплоносителя, °С

20

50

100

150

200

20

50

100

150

200

Толщина теплоизоляционного слоя из матов марки «ISOVER KIM-AL», мм

57

20

40

60

80

100

20

30

50

60

80

76

30

40

60

80

100

20

40

50

70

80

89

30

40

70

90

110

20

40

50

70

90

108

30

50

70

90

110

20

40

60

80

90

114

30

50

80

100

120

20

40

60

80

100

133

30

50

80

100

120

20

40

60

80

100

159

30

50

80

100

130

23

40

60

80

100

219

30

60

80

110

130

30

50

70

90

110

273

30

60

90

110

140

30

50

70

90

110

325

30

60

90

120

140

30

50

70

90

110

377

30

60

90

110

140

30

50

70

90

110

426

30

60

90

110

140

30

50

70

90

110

473

30

60

90

110

140

30

50

70

90

110

530

30

60

90

120

140

30

50

70

100

120

630

30

60

90

120

150

30

50

70

100

120

720

30

60

90

120

150

30

50

80

100

120

820

30

60

100

120

150

30

50

80

100

120

920

40

60

100

130

160

30

50

80

100

130

1020

40

60

100

130

160

30

50

80

100

130

1420

40

60

100

130

160

30

50

80

110

130

Более 1420*

40

70

110

150

180

30

50

80

110

140

* Включая поверхности с большим радиусом кривизны и воздуховоды квадратного сечения.

Таблица 5.1.4. Рекомендуемая толщина тепловой изоляции из матов марки «ISOVER KIM-AL», отвечающая нормам плотности теплового потока для трубопроводов, расположенных в помещении

Наружный диаметр трубопровода, оборудования, мм

Число часов работы

более 5000

5000 и менее

Температура теплоносителя, °С

50

100

150

200

50

100

150

200

Толщина теплоизоляционного слоя из матов марки «ISOVER KIM-AL», мм

57

30

60

80

90

30

50

60

80

76

40

60

80

100

30

50

70

80

89

40

60

80

100

30

50

70

90

108

40

70

90

110

30

50

70

90

114

40

70

90

110

40

60

80

90

133

40

70

90

110

40

60

80

90

159

40

70

100

120

40

60

80

95

219

50

80

100

130

40

60

80

100

273

50

80

110

130

40

70

90

110

325

50

80

110

140

40

70

90

110

377

50

90

120

140

40

70

90

120

426

50

90

120

140

40

70

100

120

473

50

90

120

150

40

70

100

120

530

50

90

120

150

40

70

100

120

630

60

90

130

150

50

80

100

120

720

60

100

130

160

50

80

100

130

820

60

100

130

160

50

80

110

130

920

60

100

130

160

50

80

110

130

1020

60

100

130

160

50

80

110

130

1420

60

100

140

170

50

80

110

140

Более 1420*

60

100

140

170

50

90

120

140

* Включая поверхности с большим радиусом кривизны и воздуховоды квадратного сечения.

Таблица 5.1.5. Рекомендуемая толщина тепловой изоляции из матов марки «ISOVER KVM-50», отвечающая нормам плотности теплового потока для трубопроводов, расположенных на открытом воздухе

Наружный диаметр трубопровода, оборудования, мм

Число часов работы

более 5000

5000 и менее

Температура теплоносителя, °С

20

50

100

150

200

250

280

20

50

100

150

200

250

280

Толщина теплоизоляционного слоя из матов марки «ISOVER KVM-50», мм

273

40

50

80

40 + 50

100

120

120

40

40

60

80

80

40 + 50

100

325

40

60/55

80

40 + 50

100

120

120

40

40

60

80

80

40 + 50

100

377

40

50

80

40 + 50

100

120

120

40

40

60

80

80

100

100

426

40

50

80

40 + 50

100

120

80 + 50

40

40

60

80

80

100

50 + 60

473

40

50

80

40 + 50

100

120

80 + 50

40

40

60

80

80

100

50 + 60

530

40

60

80

40 + 50

100

120

60 + 60

40

40

60

80

80

100

50 + 60

630

40

60

80

40 + 50

50 + 60

80 + 50

80 + 60

40

50

60

80

40 + 50

100

120

720

40

60

80

100

50 + 60

50 + 60

100 + 50

40

50

60

80

40 + 50

50 + 60

120

820

40

60

80

100

50 + 60

80 + 60

100 + 50

40

50

80

80

40 + 50

50 + 60

120

920

40

60

80

100

50 + 60

80 + 60

100 + 50

40

50

80

80

40 + 50

50 + 60

120

1020

40

60

80

100

120

80 + 60

100 + 50

40

50

80

80

40 + 50

50 + 60

80 + 50

1420

40

60

40 + 50

50 + 60

120

100 + 50

80 + 80

40

50

80

80

100

120

80 + 50

Более 1420

40

60

100

60 + 60

60 + 80

120 + 50

100 + 100

40

50

80

40 + 50

50 + 60

80 + 50

100 + 50

Таблица 5.1.6. Рекомендуемая толщина тепловой изоляции из матов марки «ISOVER KVM-50», отвечающая нормам плотности теплового потока для трубопроводов, расположенных в помещении

Наружный диаметр трубопровода, оборудования, мм

Число часов работы

более 5000

5000 и менее

Температура теплоносителя, °С

50

100

150

200

250

280

50

100

150

200

250

280

Толщина теплоизоляционного слоя из матов марки «ISOVER KVM-50», мм

273

40

60

80

100

50 + 60

120

40

50

60

80

40 + 50

100

325

40

60

80

100

120

80 + 50

40

50

60

80

100

100

377

40

80

80

100

120

80 + 50

40

60

80

80

100

50 + 60

426

45

80

80

100

120

80 + 60

40

60

80

40 + 50

100

50 + 60

473

50

80

40 + 50

50 + 60

80 + 50

80 + 60

40

60

80

40 + 50

100

120

530

50

80

40 + 50

50 + 60

80 + 50

80 + 60

40

60

80

40 + 50

50 + 60

120

630

50

80

40 + 50

120

80 + 60

100 + 50

40

60

80

100

50 + 60

120

720

50

80

100

120

80 + 60

100 + 50

40

60

80

100

50 + 60

120

820

50

80

100

120

80 + 60

80 + 80

40

60

80

100

120

80 + 50

920

50

80

100

120

100 + 50

80 + 80

40

60

80

100

120

80 + 50

1020

50

80

100

120

100 + 50

80 + 80

40

60

80

100

120

80 + 50

1420

50

80

100

80 + 50

80 + 80

120 + 50

40

80

80

100

120

80 + 60

Более 1420

50

80

100

80 + 50

80 + 80

120 + 50

40

80

40 + 50

50 + 60

80 + 60

100 + 50

Таблица 5.1.7. Рекомендуемая толщина тепловой изоляции из плит марки «ISOVER KLS-K», отвечающая нормам плотности теплового потока для объектов, расположенных на открытом воздухе

Наружный диаметр изолируемого объекта, мм

Число часов работы

более 5000

5000 и менее

Температура теплоносителя, °С

20

50

100

150

200

250

20

50

100

150

200

250

Толщина теплоизоляционного слоя из плит марки «ISOVER KLS-K», мм

530

50

50

80

100

120

140

-

50

80

80

100

120

630

50

50

80

100

120

140

-

50

80

80

100

120

720

50

50

80

100

120

140

-

50

80

80

100

120

820

50

-

80

100

140

100 + 50

-

50

80

80

100

120

920

50

-

80

100

140

100 + 50

-

50

80

100

100

120

1020

50

-

80

120

140

100 + 50

-

50

80

100

120

120

1420

50

-

100

120

140

80 + 80

-

50

80

100

120

80 + 50

Более 1420*

50

-

100

140

80 + 80

100 + 80

-

50

80

100

120

140

* Включая плоские поверхности.

Таблица 5.1.8. Рекомендуемая толщина тепловой изоляции из плит марки «ISOVER KLS-K», отвечающая нормам плотности теплового потока для объектов, расположенных в помещении

Наружный диаметр изолируемого объекта, мм

Число часов работы

более 5000

5000 и менее

Температура теплоносителя, °С

50

100

150

200

250

50

100

150

200

250

Толщина теплоизоляционного слоя из плит марки «ISOVER KLS-K», мм

530

50

80

100

120

140

50

50

80

100

120

630

50

80

100

50 + 80

140

50

50

80

100

120

720

50

80

120

50 + 80

100 + 50

50

50

100

100

120

820

50

80

120

140

100 + 50

50

50

100

100

122

920

50

80

120

140

100 + 50

50

50

100

120

120

1020

50

80

120

140

80 + 80

50

50

100

120

80 + 50

1420

50

100

120

140

80 + 80

50

50

100

120

80 + 50

Более 1420*

50

100

120

140

80 + 80

50

50

100

120

100 + 50

* Включая плоские поверхности.

Таблица 5.1.9. Рекомендуемая толщина тепловой изоляции из матов марок «ISOVER KT-11-TWIN», «ISOVER 610-KT-11-TWIN», отвечающая нормам плотности теплового потока для трубопроводов, расположенных на открытом воздухе

Наружный диаметр трубопровода, оборудования, мм

Число часов работы

более 5000

5000 и менее

Температура теплоносителя, °С

20

50

100

150

200

20

50

100

150

200

Толщина теплоизоляционного слоя из матов марок «ISOVER KT-11-TWIN», «ISOVER 610-KT-11-TWIN», мм

21

20

30

50

70

80

20

30

40

50

70

28

20

30

50

70

80

20

30

40

60

70

35

20

30

60

70

90

20

30

40

60

70

42

20

40

60

70

90

20

30

50

60

80

48

30

40

60

80

90

20

30

50

60

80

57

30

40

60

80

90

20

30

50

60

80

60

30

40

60

80

100

20

30

50

70

80

76

30

40

06

80

100

20

40

50

70

80

89

30

40

70

90

110

20

40

50

70

90

108

30

50

70

90

110

20

40

60

80

90

114

30

50

70

100

120

20

40

60

80

100

133

30

50

70

100

120

20

40

60

80

100

140

30

50

80

100

120

22

40

60

80

100

159

30

50

80

100

130

30

40

60

80

100

168

30

60

80

110

130

30

50

70

90

110

219

30

60

80

110

130

30

50

70

90

110

273

30

60

90

110

140

30

50

70

90

110

Таблица 5.1.10. Рекомендуемая толщина тепловой изоляции из матов марок «ISOVER KT-11-TWIN», «ISOVER 610-KT-11-TWIN», отвечающая нормам плотности теплового потока для трубопроводов, расположенных в помещении

Наружный диаметр трубопровода, оборудования, мм

Число часов работы

более 5000

5000 и менее

Температура теплоносителя, °С

50

100

150

200

50

100

150

200

Толщина теплоизоляционного слоя из матов марок «ISOVER KT-11-TWIN», «ISOVER 610-KT-11-TWIN», мм

21

30

50

70

90

30

40

60

70

28

30

50

70

90

30

40

60

70

35

30

50

80

90

30

40

60

70

42

30

50

80

90

30

40

60

80

48

30

50

80

90

30

50

60

80

57

30

50

80

90

30

50

60

80

60

40

60

80

100

30

50

60

80

76

40

60

80

100

30

50

70

80

89

40

60

80

100

30

50

70

90

108

40

70

90

110

30

50

70

90

114

40

70

90

110

40

60

80

90

133

40

70

90

110

40

60

80

90

140

40

70

100

120

40

60

80

100

159

40

70

100

120

40

60

80

100

168

50

80

100

120

40

60

80

100

219

50

80

100

130

40

60

80

100

273

50

80

110

130

40

70

90

110

5.2. Тепловая изоляция с целью обеспечения заданной температуры на поверхности изоляции

5.2.1. Тепловую изоляцию оборудования и трубопроводов по заданной температуре на поверхности изоляции выполняют в случае, когда тепловые потери не регламентированы, но в соответствии с требованиями техники безопасности необходимо защитить обслуживающий персонал от ожогов или снизить тепловыделения в помещении.

5.2.2. В соответствии с санитарными нормами и требованиями СНиП 41-03-2003 температура поверхности расположенных в помещении изолируемых объектов при температуре теплоносителя ниже 100 °С не должна превышать 35 °С, а при температуре теплоносителя 100 °С и более не должна превышать 45 °С.

В обслуживаемой зоне на открытом воздухе температура поверхности изоляции с металлическим защитным покрытием должна быть не выше 55 °С, а для других видов покрытий не должна превышать 60 °С.

Температура на поверхности тепловой изоляции трубопроводов, расположенных за пределами рабочей или обслуживаемой зоны, не должна превышать температурных пределов применения материалов защитного покрытия, но не выше 75 °С.

5.2.3. Толщина тепловой изоляции, определяемая по заданной температуре на её поверхности, зависит от расположения изолируемого объекта (на открытом воздухе или в помещении), температуры окружающего воздуха (to), температуры теплоносителя (tm), наружного диаметра (dн) и коэффициента теплоотдачи от поверхности к окружающему воздуху (aн), Вт/(м2×°С).

Расчет толщины тепловой изоляции для плоских и цилиндрических поверхностей с наружным диаметром 2 м и более выполняется по формуле:

                                                                 (4)

Расчет толщины тепловой изоляции для цилиндрических поверхностей с наружным диаметром менее 2 м выполняется по формуле:

                                                 (5)

где tк - температура на поверхности изоляционной конструкции, °С;

tm, to, dиз, dн - те же, что и формулах (1 и 2).

Коэффициент теплоотдачи (aн) принимают в соответствии с приложением 1.

5.2.4. При выборе защитного покрытия тепловой изоляции оборудования и трубопроводов, расположенных в помещении, учитываются радиационные свойства его поверхности. Для снижения толщины теплоизоляционного слоя рекомендуется применять защитное покрытие с высоким коэффициентом излучения более 2,33 Вт/(м2×К4) (неметаллическое или с окраской различными красками, кроме алюминиевой). Для тех же расчетных условий при металлическом защитном покрытии расчетная толщина изоляции существенно выше.

5.2.5. В таблицах 5.2.1 - 5.2.5 приведены рекомендуемые значения толщины теплоизоляционного слоя из теплоизоляционных изделий «САН-ГОБЭН ИЗОВЕР» в конструкциях изоляции трубопроводов и оборудования, расположенных в помещениях с температурой 20 °С и в рабочей или обслуживаемой зоне на открытом воздухе со средней максимальной температурой самого жаркого месяца не более 25 °С.

Заданная температура на поверхности изоляции принята по условиям п. 5.2.2.

Таблица 5.2.1. Рекомендуемая толщина тепловой изоляции из цилиндров марок «ISOVER KK-ALC», «ISOVER KK-AL», отвечающая требованиям безопасности (заданной температуре на поверхности изоляции) для трубопроводов и оборудования

Наружный диаметр трубопровода, оборудования, мм

Месторасположение трубопровода

на открытом воздухе

в помещении

Температура теплоносителя, °С

70

100

150

200

250

280

50

70

100

150

200

250

280

Толщина тепловой изоляции из цилиндров марок «ISOVER KK-ALC», «ISOVER KK-AL», мм

12

20

20

20

20

30

30

20

20

20

20

30

40

40

15

20

20

20

20

30

40

20

20

20

20

30

40

40

18

20

20

20

30

30

40

20

20

20

20

30

40

40

22

20

20

20

30

30

40

20

20

20

20

30

40

50

28

20

20

20

30

40

40

20

20

20

20

30

40

50

35

20

20

20

30

40

40

20

20

20

20

30

40

50

42

20

20

20

30

40

40

20

20

20

30

40

50

50

48

20

20

20

30

40

50

20

20

20

30

40

50

50

54

20

20

20

30

40

50

20

20

30

30

40

50

60

60

20

20

20

30

40

50

20

20

30

30

40

50

60

76

-

-

30

30

40

50

-

30

30

30

40

50

60

89

-

-

30

30

40

50

-

30

30

30

40

50

60

108

-

-

-

40

40

50

-

-

40

40

40

60

60

114

-

-

-

40

50

50

-

-

40

40

40

60

60

133

-

-

-

40

50

50

-

-

40

40

40

60

70

140

-

-

-

40

50

50

-

-

40

40

40

60

70

159

-

-

-

40

50

60

-

-

40

40

40

60

70

168

-

-

-

40

50

60

-

-

40

40

40

60

70

219

-

-

-

40

50

60

-

-

40

40

40

60

70

273

-

-

-

40

50

60

-

-

40

40

50

60

80

325

-

-

-

40

50

60

-

-

40

40

50

60

80

Таблица 5.2.2. Рекомендуемая толщина тепловой изоляции из матов марки «ISOVER KIM-AL», отвечающая требованиям безопасности (заданной температуре на поверхности изоляции) для трубопроводов и оборудования

Наружный диаметр трубопровода, оборудования, мм

Месторасположение трубопровода

на открытом воздухе

в помещении

Температура теплоносителя, °С

до 100

150

200

до 70

100

150

200

Толщина тепловой изоляции из матов марки «ISOVER KIM-AL», мм

57

20

30

40

20

30

30

50

76

20

30

40

20

30

30

50

89

20

30

40

20

30

40

50

108

20

30

40

20

30

40

50

114

20

30

40

20

30

40

50

133

20

30

40

20

30

40

50

159

20

30

40

20

30

40

60

219

20

30

50

20

40

40

60

273

20

30

50

20

40

40

60

325

20

30

50

20

40

40

60

377

20

30

50

20

40

40

60

426

20

30

50

20

40

40

60

473

20

30

50

20

40

40

60

530

20

30

50

20

40

40

60

630

20

30

50

20

40

40

70

720

20

30

50

20

40

40

70

820

20

30

50

20

40

40

70

920

20

30

50

20

40

40

70

1020

20

30

50

20

40

40

70

1420

20

30

50

20

40

40

70

Более 1420*

20

30

50

20

40

40

70

* Включая поверхности с большим радиусом кривизны и воздуховоды квадратного сечения.

Таблица 5.2.3. Рекомендуемая толщина тепловой изоляции из матов марки «ISOVER KVM-50», отвечающая требованиям безопасности (заданной температуре на поверхности изоляции) для трубопроводов и оборудования

Наружный диаметр трубопровода, оборудования, мм

Месторасположение трубопровода

на открытом воздухе

в помещении

Температура теплоносителя, °С

до 200

250

280

до 280

до 150

200

250

280

до 200

250

280

Толщина теплоизоляционного слоя из матов марки «ISOVER KVM-50», мм, в конструкциях с металлическим и неметаллическим покрытием

металлическим

неметаллическим

металлическим

неметаллическим

273

40

60

80

40

40

50

80

80

40

40

50

325

40

60

80

40

40

50

80

80

40

40

50

377

40

60

80

40

40

50

80

90

40

40

50

426

40

60

80

40

40

50

80

90

40

40

50

473

40

60

80

40

40

50

80

90

40

40

50

530

40

60

80

40

40

50

80

90

40

40

50

630

40

60

80

40

40

50

80

90

40

40

50

720

40

60

80

40

40

50

80

90

40

40

50

820

40

60

80

40

40

50

80

90

40

40

50

920

40

60

80

40

40

50

80

90

40

40

50

1020

40

60

80

40

40

50

80

90

40

40

50

1420

40

60

80

40

40

50

80

100

40

50

50

Более 1420*

40

60

80

40

40

60

80

100

40

50

60

* Включая плоские поверхности.

Таблица 5.2.4. Рекомендуемая толщина тепловой изоляции из плит марки «ISOVER KLS-K», отвечающая требованиям безопасности (заданной температуре на поверхности изоляции) для трубопроводов и оборудования

Наружный диаметр трубопровода, оборудования, мм

Месторасположение трубопровода

на открытом воздухе

в помещении

Температура теплоносителя, °С

до 200

250

до 150

200

250

Толщина теплоизоляционного слоя из плит марки «ISOVER KLS-K», мм, в конструкции с металлическим покрытием

530

50

80

50

50

80

630

50

80

50

50

80

720

50

80

50

50

80

820

50

80

50

50

80

920

50

80

50

50

80

1020

50

80

50

50

80

1420

50

80

50

80

80

более 1420*

50

80

50

80

80

* Включая плоские поверхности.

Примечания:

1. В конструкции тепловой изоляции оборудования и трубопроводов с неметаллическим защитным покрытием толщина теплоизоляционного слоя из плит марки «ISOVER KLS-K» составляет 50 мм во всем диапазоне температур.

2. Плиты марки «ISOVER KLS-K» рекомендуется применять в диапазоне температур 150 - 250 °С. При меньших температурах применение плит нерационально ввиду большого перерасхода теплоизоляционного материала.

Таблица 5.2.5. Рекомендуемая толщина тепловой изоляции из матов марок «ISOVER КТ-11-TWIN», «ISOVER 610-KT-11-TWIN», отвечающая требованиям безопасности (заданной температуре на поверхности изоляции) для трубопроводов и оборудования

Наружный диаметр трубопровода, оборудования, мм

Вид покрытия

металлическое

неметаллическое

Месторасположение

на открытом воздухе

в помещении

на открытом воздухе

в помещении

Температура теплоносителя, °С

до 100

150

200

до 70

100

150

200

до 150

200

до 100

до 150

200

Толщина теплоизоляционного слоя из матов марок «ISOVER КТ-11-TWIN», «ISOVER KT-11-TWIN», мм

21

20

20

30

20

30

30

40

20

20

20

20

30

25

20

20

30

20

30

30

40

20

20

20

20

30

32

20

20

30

20

30

30

40

20

20

20

20

30

38

20

30

40

20

30

30

40

20

20

20

20

30

45

20

30

40

20

30

30

40

20

20

20

20

30

48

20

30

40

20

30

30

40

20

20

20

20

30

57

20

30

40

20

30

30

50

20

20

20

20

30

76

20

30

40

20

30

30

50

20

20

20

20

30

89

20

30

40

20

30

40

50

20

20

20

20

30

108

20

30

40

20

30

40

50

20

20

20

20

30

114

20

30

40

20

30

40

50

20

20

20

20

30

133

20

30

40

20

30

40

50

20

20

20

20

30

140

20

30

40

20

30

40

50

20

20

20

20

30

159

20

30

40

20

30

40

60

20

30

20

20

30

219

20

30

50

20

40

40

60

20

30

20

20

40

273

20

30

50

20

40

40

60

20

30

20

30

40

5.3. Тепловая изоляция с целью предотвращения конденсации влаги на поверхности изоляции

5.3.1. Толщину тепловой изоляции с целью предотвращения конденсации влаги из воздуха на поверхности изоляции выполняют для оборудования (аппаратов), расположенного в помещении, содержащего вещества с температурой ниже температуры окружающего воздуха, в том числе холодную воду. Для объектов, расположенных на открытом воздухе, такой расчет не выполняют.

5.3.2. На величину толщины теплоизоляционного слоя для предотвращения конденсации влаги из воздуха на поверхности теплоизоляционной конструкции влияют относительная влажность окружающего воздуха (j), температура воздуха в помещении (tо) и вид защитного покрытия. При использовании покрытия с высоким коэффициентом излучения (неметаллического) расчетная толщина изоляции существенно ниже.

Расчет толщины тепловой изоляции для плоских и цилиндрических поверхностей с наружным диаметром 2 м и более выполняется по формуле:

                                                         (8)

Расчетную толщину тепловой изоляции для оборудования с наружным диаметром менее 2 м определяют по формуле:

                                         (9)

после определения dиз/dн толщину изоляции определяют по формуле (3).

5.3.3. Для определения толщины изоляции следует задать температуру на поверхности изоляции (tк) выше «точки росы» при температуре и относительной влажности окружающего воздуха (j) в помещении.

Допустимый перепад температур (tо - tк) рекомендуется принимать по таблице 5.3.1.

Таблица 5.3.1. Допустимый перепад температур (tо - tк).

Температура воздуха (to¢), °C

Относительная влажность воздуха (j), %

50

60

70

80

90

Расчетный перепад (tо - tк) °С

10

9,8

7,3

5,1

3,1

1,5

12

9,9

7,3

5,1

3,1

1,5

14

10,1

7,4

5,2

3,2

1,5

16

10,2

7,6

5,3

3,3

1,5

18

10,4

7,7

5,4

3,3

1,5

20

10,5

7,8

5,4

3,4

1,5

22

10,7

7,9

5,5

3,4

1,5

24

10,9

8,0

5,6

3,5

1,6

26

11,0

8,2

5,7

3,5

1,6

28

11,2

8,3

5,8

3,6

1,6

30

11,4

8,4

5,9

3,6

1,6

5.3.4. Коэффициент теплоотдачи (aн) следует принимать в соответствии с приложением 1.

5.3.5. При проектировании следует принимать толщину тепловой изоляции в конструкции, кратную 10 мм, с учетом действующей номенклатуры материалов «САН-ГОБЭН ИЗОВЕР», при этом округлять следует только в большую сторону.

5.3.6. Расчетная толщина тепловой изоляции из теплоизоляционных материалов «САН-ГОБЭН ИЗОВЕР» при температуре воздуха в помещении 20 °С и относительной влажности 60, 70 и 80 % приведена в таблицах 5.3.2 - 5.3.9.

При температуре и влажности воздуха в помещении, отличающихся от указанных, толщину изоляции следует определять по формулам (8) или (9), так как с повышением относительной влажности воздуха при отсутствии вентиляции толщина изоляции значительно возрастает.

Таблица 5.3.2. Рекомендуемая толщина теплоизоляционного слоя из цилиндров марок «ISOVER KK-ALC», «ISOVER KK-AL», предотвращающая конденсацию влаги из воздуха на поверхности изоляции конструкции тепловой изоляции трубопроводов, расположенных в помещении

Наружный диаметр трубопровода, оборудования, мм

Относительная влажность окружающего воздуха в помещении, %

60

70

80

Температура теплоносителя, °С

-10

-20

-30

-40

до 0

-10

-20

-30

-40

5

0

-10

-20

-30

-40

Толщина теплоизоляционного слоя из цилиндров марок «ISOVER KK-ALC», «ISOVER KK-AL», мм

12

20

20

30

30

20

20

30

30

40

20

20

30

40

-

-

15

20

20

30

30

20

20

30

30

40

20

20

30

40

50

60

18

20

20

30

30

20

20

30

40

40

20

30

30

40

50

60

22

20

20

30

30

20

30

30

40

40

20

30

40

50

50

60

28

20

20

30

30

20

30

30

40

50

20

30

40

50

60

60

35

20

30

30

40

20

30

30

40

50

20

30

40

50

60

-

42

20

30

30

40

20

30

40

40

50

20

30

40

50

60

-

48

20

30

30

40

20

30

40

40

50

20

30

40

50

60

-

54

20

30

30

40

20

30

40

40

50

20

30

40

50

60

80

60

20

30

30

40

20

30

40

50

50

20

30

40

60

80

80

76

30

30

30

40

30

30

40

50

60

30

30

50

60

80

80

89

30

30

40

40

30

30

40

50

60

30

30

50

60

80

80

108

40

40

40

40

40

40

40

50

60

40

40

50

60

80

80

114

40

40

40

40

40

40

40

50

60

40

40

50

60

80

-

133

40

40

40

40

40

40

40

50

60

40

40

50

60

80

-

140

40

40

40

40

40

40

40

50

60

40

40

50

60

80

-

159

40

40

40

50

40

40

40

50

60

40

40

50

60

80

-

168

40

40

40

50

40

40

40

50

60

40

40

50

80

80

-

219

40

40

40

50

40

40

50

60

60

40

40

50

80

80

-

273

40

40

40

50

40

40

50

60

80

40

40

50

80

-

-

324

40

40

40

50

40

40

50

60

80

40

40

60

80

-

-

Таблица 5.3.3. Рекомендуемая толщина теплоизоляционного слоя из матов марки «ISOVER KIM-AL», предотвращающая конденсацию влаги из воздуха на поверхности изоляции конструкции тепловой изоляции трубопроводов, расположенных в помещении

Наружный диаметр трубопровода, мм

Относительная влажность окружающего воздуха в помещении, %

60

70

80

Температура теплоносителя, °С

до 0

-10

-20

-30

-40

до 5

0

-10

-20

-30

-40

10

5

0

-10

-20

-30

-40

Толщина теплоизоляционного слоя из матов марки «ISOVER KIM-AL», мм

57

20

20

30

40

40

20

20

30

40

50

60

20

30

30

50

60

70

80

60

20

20

30

40

40

20

20

30

40

50

60

20

30

30

50

60

70

80

64

20

20

30

40

40

20

20

30

40

50

60

20

30

30

50

60

70

80

70

20

20

30

40

40

20

20

30

40

50

60

20

30

30

50

60

70

80

76

20

20

30

40

40

20

20

30

40

50

60

20

30

30

50

60

70

80

89

20

20

30

40

40

20

20

30

40

50

60

20

30

30

50

60

80

90

108

20

20

30

40

50

20

20

30

40

50

60

20

30

40

50

60

80

90

114

20

20

30

40

50

20

20

30

40

50

60

20

30

40

50

70

80

90

133

20

20

30

40

50

20

20

30

50

50

60

20

30

40

50

70

80

90

140

20

20

30

40

50

20

20

40

50

60

60

20

30

40

50

70

80

100

159

20

30

30

40

50

20

20

40

50

60

70

20

30

40

50

70

80

100

168

20

30

30

40

50

20

20

40

50

60

70

20

30

40

50

70

80

100

219

20

30

30

40

50

20

20

40

50

60

70

20

30

40

60

70

90

100

273

20

30

30

40

50

20

20

40

50

60

70

20

30

40

60

70

90

110

325

20

30

30

40

50

20

30

40

50

60

70

20

30

40

60

80

90

110

377

20

30

40

40

50

20

30

40

50

60

70

20

30

40

60

80

100

110

426

20

30

40

40

50

20

30

40

50

60

70

20

30

40

60

80

100

110

473

20

30

40

40

50

20

30

40

50

60

80

20

30

40

60

80

100

110

530

20

30

40

40

50

20

30

40

50

60

80

20

30

40

60

80

100

120

630

20

30

40

50

50

20

30

40

50

70

80

20

30

40

60

80

100

120

720

20

30

40

50

50

20

30

40

50

70

80

20

30

40

60

80

100

120

820

20

30

40

50

50

20

30

40

50

70

80

20

30

40

60

80

100

120

920

20

30

40

50

60

20

30

40

50

70

80

20

30

40

60

80

100

120

1020

20

30

40

50

60

20

30

40

50

70

80

20

30

40

60

80

100

120

Более 1420*

20

30

40

50

60

20

30

40

60

70

80

20

30

40

70

90

110

140

* Включая плоские поверхности.

Таблица 5.3.4. Рекомендуемая толщина теплоизоляционного слоя из матов марки «ISOVER KVM-50», предотвращающая конденсацию влаги из воздуха на поверхности изоляции конструкции с металлическим покрытием тепловой изоляции трубопроводов, расположенных в помещении

Наружный диаметр трубопровода, оборудования, мм

Относительная влажность окружающего воздуха в помещении, %

60

70

80

Температура теплоносителя, °С

-10 до -20*

-30

-40

0 до -10*

-20

-30

-40

5 до 0

-10

-20

-30

-40

Толщина теплоизоляционного слоя из матов марки «ISOVER KVM-50», мм

273

40

40

50

40

50

60

80

40

60

80

40 + 50

50 + 60

325

40

40

50

40

50

60

80

40

60

80

40 + 50

50 + 60

377

40

40

50

40

50

60

80

40

60

80

100

50 + 60

426

40

40

50

40

50

60

80

40

60

80

100

50 + 60

473

40

40

50

40

50

60

80

40

60

80

100

50 + 60

530

40

40

50

40

50

60

80

40

60

80

100

120

630

40

50

50

40

50

80

80

40

60

80

100

120

720

40

50

50

40

50

80

80

40

60

80

100

120

820

40

50

50

40

50

80

80

40

60

80

100

120

920

40

50

60

40

50

80

80

40

60

80

100

120

1020

40

50

60

40

50

80

80

40

60

80

100

120

1420

40

50

60

40

50

80

80

40

60

40 + 50

50 + 60

80 + 50

Более 1420**

40

50

60

40

60

80

80

40

80

40 + 50

50 + 60

140

* Применение при более высоких температурах нерационально ввиду большого перерасхода материала.

** Включая плоские поверхности.

Таблица 5.3.5. Рекомендуемая толщина теплоизоляционного слоя из матов марки «ISOVER KVM-50», предотвращающая конденсацию влаги из воздуха на поверхности изоляции конструкции с неметаллическим покрытием тепловой изоляции трубопроводов, расположенных в помещении

Наружный диаметр трубопровода, оборудования, мм

Относительная влажность окружающего воздуха в помещении, %

60

70

80

Температура теплоносителя, °С

-10 до -40*

-10*

-20

-30

-40

0*

-10

-20

-30

-40

Толщина теплоизоляционного слоя из матов марки «ISOVER KVM-50», мм

273

40

40

40

50

50

40

40

60

80

80

325

40

40

40

50

60

40

40

60

80

80

377

40

40

40

50

60

40

50

60

80

80

426

40

40

40

50

60

40

50

60

80

40 + 50

473

40

40

40

50

60

40

50

60

80

40 + 50

530

40

40

40

50

60

40

50

60

80

40 + 50

630

40

40

40

50

60

40

50

60

80

40 + 50

720

40

40

40

50

60

40

50

60

80

40 + 50

820

40

40

40

50

60

40

50

60

80

40 + 50

920

40

40

40

50

60

40

50

60

80

40 + 50

1020

40

40

40

50

60

40

50

60

80

40 + 50

1420

40

40

40

50

60

40

50

60

80

40 + 50

Более 1420**

40

40

40

50

60

40

50

80

80

100

* Применение при более высоких температурах нерационально ввиду большого перерасхода материала.

** Включая плоские поверхности.

Таблица 5.3.6. Рекомендуемая толщина теплоизоляционного слоя из плит марки «ISOVER KLS-K», предотвращающая конденсацию влаги из воздуха на поверхности изоляции конструкции с металлическим покрытием тепловой изоляции трубопроводов, расположенных в помещении

Наружный диаметр трубопровода, оборудования, мм

Относительная влажность окружающего воздуха в помещении, %

60

70

80

Температура теплоносителя, °С

-20* -30

-40

-5 до-10*

-20*

-30

-40

5

0

-10

-20

-30

-40

Толщина теплоизоляционного слоя из плит марки «ISOVER KLS-K», мм

530

50

50

50

50

80

80

50

50

80

80

100

120

630

50

50

50

50

80

80

50

50

80

80

100

120

720

50

50

50

50

80

80

50

50

80

80

100

120

820

50

50

50

50

80

80

50

50

80

80

100

120

920

50

50

50

50

80

80

50

50

80

80

100

120

1020

50

80

50

50

80

80

50

50

80

80

100

120

1420

50

80

50

50

80

80

50

50

80

100

120

80 + 50

Более 1420**

50

80

50

50

80

80

50

50

80

100

120

140

* Применение при более высоких температурах нерационально ввиду большого перерасхода материала.

** Включая плоские поверхности.

Таблица 5.3.7. Рекомендуемая толщина теплоизоляционного слоя из плит марки «ISOVER KLS-K», предотвращающая конденсацию влаги из воздуха на поверхности изоляции конструкции с неметаллическим покрытием тепловой изоляции трубопроводов, расположенных в помещении

Наружный диаметр трубопровода, оборудования, мм

Относительная влажность окружающего воздуха в помещении, %

60

70

80

Температура теплоносителя, °С

-25* -40

-10* -30

-35

-40

0 - 10*

-15

-20

-30

-40

Толщина теплоизоляционного слоя из плит марки «ISOVER KLS-K», мм

530

50

50

50

80

50

50

80

80

100

630

50

50

50

80

50

50

80

80

100

720

50

50

50

80

50

50

80

80

100

820

50

50

50

80

50

50

80

80

100

920

50

50

50

80

50

50

80

80

100

1020

50

50

50

80

50

80

80

80

100

1420

50

50

50

80

50

80

80

80

100

Более 1420**

50

50

80

80

50

80

80

80

100

 

 

 

 

 

 

 

 

 

 

* Применение при более высоких температурах нерационально ввиду большого перерасхода материала.

** Включая плоские поверхности.

Таблица 5.3.8. Рекомендуемая толщина теплоизоляционного слоя из матов марок «ISOVER KT-11-TWIN», «ISOVER 610-KT-11-TWIN», предотвращающая конденсацию влаги из воздуха на поверхности конструкции тепловой изоляции с металлическим покрытием для трубопроводов, расположенных в помещении

Наружный диаметр трубопровода, оборудования, мм

Относительная влажность окружающего воздуха в помещении, %

60

70

80

Температура теплоносителя, °С

до 0

-10

-20

-30

-40

до 5

0

-10

-20

-30

-40

10

5

0

-10

-20

-30

-40

Толщина теплоизоляционного слоя из матов марок «ISOVER KT-11-TWIN», «ISOVER 610-KT-11-TWIN», мм

57

20

20

30

40

40

20

20

30

40

50

60

20

30

30

50

60

70

80

60

20

20

30

40

40

20

20

30

40

50

60

20

30

30

50

60

70

80

64

20

20

30

40

40

20

20

30

40

50

60

20

30

30

50

60

70

80

70

20

20

30

40

40

20

20

30

40

50

60

20

30

30

50

60

70

80

76

20

20

30

40

40

20

20

30

40

50

60

20

30

30

50

60

70

80

89

20

20

30

40

40

20

20

30

40

50

60

20

30

30

50

60

80

90

108

20

20

30

40

50

20

20

30

40

50

60

20

30

40

50

60

80

90

114

20

20

30

40

50

20

20

30

40

50

60

20

30

40

50

70

80

90

133

20

20

30

40

50

20

20

30

50

50

60

20

30

40

50

70

80

90

140

20

20

30

40

50

20

20

40

50

60

60

20

30

40

50

70

80

100

159

20

30

30

40

50

20

20

40

50

60

70

20

30

40

50

70

80

100

168

20

30

30

40

50

20

20

40

50

60

70

20

30

40

50

70

80

100

219

20

30

30

40

50

20

20

40

50

60

70

20

30

40

60

70

90

100

273

20

30

30

40

50

20

20

40

50

60

70

20

30

40

60

70

90

110

Таблица 5.3.9. Рекомендуемая толщина теплоизоляционного слоя из матов марок «ISOVER KT-11-TWIN», «ISOVER 610-KT-11-TWIN», предотвращающая конденсацию влаги из воздуха на поверхности конструкции тепловой изоляции с неметаллическим покрытием для трубопроводов, расположенных в помещении

Наружный диаметр трубопровода, оборудования, мм

Относительная влажность окружающего воздуха в помещении, %

60

70

80

Температура теплоносителя, °С

от 10 до -10

-20

-30

-40

от 10 до 0

-10

-20

-30

-40

от 10 до 5

0

-10

-20

-30

-40

Толщина теплоизоляционного слоя из матов марок «ISOVER KT-11-TWIN», «ISOVER 610-KT-11-TWIN», мм

57

20

20

30

30

20

30

30

40

40

20

30

40

50

60

60

60

20

20

30

30

20

30

30

40

40

20

30

40

50

60

60

76

20

20

30

30

20

30

30

40

50

20

30

40

50

60

70

89

20

20

30

30

20

30

30

40

50

20

30

40

50

60

70

108

20

20

30

40

20

30

30

40

50

20

30

40

50

60

70

114

20

20

30

40

20

30

30

40

50

20

30

40

50

60

70

133

20

30

30

40

20

30

30

40

50

20

30

40

50

60

70

140

20

30

30

40

20

30

40

40

50

20

30

40

50

60

70

159

20

30

30

40

20

30

40

40

50

20

30

40

50

60

70

168

20

30

30

40

20

30

40

40

50

20

30

40

50

60

80

219

20

30

30

40

20

30

40

40

50

20

30

40

60

70

80

273

20

30

30

40

20

30

40

50

50

20

30

40

60

70

80

5.4. Тепловая изоляция трубопроводов с целью предотвращения замерзания содержащейся в них жидкости

5.4.1. Тепловую изоляцию с целью предотвращения замерзания жидкости при прекращении её движения предусматривают для трубопроводов, расположенных на открытом воздухе. Как правило, это актуально для трубопроводов малого диаметра, имеющих малый запас аккумулированного тепла.

5.4.2. Время, на которое тепловая изоляция может предохранить транспортируемую жидкость от замерзания при остановке её движения, зависит от температуры жидкости и окружающего воздуха, скорости ветра, внутреннего диаметра, толщины и материала стенки трубопровода, параметров транспортируемой жидкости. К параметрам, влияющим на длительность периода до начала замерзания, относятся: плотность, температура замерзания, удельная теплоёмкость, скрытая теплота замерзания.

Чем больше диаметр трубопровода и выше температура жидкости, тем меньше вероятность замерзания.

Чем больше скорость ветра и ниже температура жидкости (холодной воды) и окружающего воздуха, меньше диаметр трубопровода, тем больше вероятность замерзания жидкости. Уменьшает вероятность замерзания холодной воды применение изолированных неметаллических трубопроводов.

5.4.3. Толщину тепловой изоляции рассчитывают по формуле:

    (5.4.1)

где vт - объём жидкости на метр длины трубопровода, м3;

rт - плотность жидкости, кг/м3;

ст - удельная теплоемкость жидкости, кДж/(кг×К):

vст - объём стенки на метр длины трубопровода, м3;

рс - плотность кг/м3;

сст - удельная теплоемкость материала стенки, кДж/(кг×К);

rт - скрытая теплота замерзания (плавления), кДж/кг;

z - время предполагаемой приостановки движения жидкости, ч;

К - коэффициент, учитывающий дополнительные потери на опорах трубопроводов.

В частном случае для стального водопровода формула имеет вид:

        (5.4.2)

5.4.4. Температуру окружающего воздуха следует принимать как среднюю наиболее холодной пятидневки с обеспечением 0,98 для региона, где расположен трубопровод.

5.4.5. Коэффициент (К), учитывающий дополнительные потери на опорах, следует принимать:

- для стальных трубопроводов на подвижных опорах, условным проходом до 150 мм - 1,2;

- для неметаллических трубопроводов на подвижных и подвесных опорах - 1,05.

5.4.6. Расчетное время, в течение которого теплоизоляционные цилиндры марок «ISOVER KK-ALC», «ISOVER KK-AL» или маты марок «ISOVER KIM-AL», «ISOVER KT-11-TWIN» и «ISOVER 610-KT-11-TWIN» позволят предохранить от замерзания холодную воду с начальной температурой 5 и 10 °С при аварийной остановке её движения в зимнее время в трубопроводах, расположенных в регионах со средней температурой наиболее холодной пятидневки минус 30 °С, представлено в таблицах 5.4.1 и 5.4.2.

Примечание.

При расчетах толщины изоляции трубопроводов коэффициент (К), учитывающий дополнительные потери на опорах, принят - 1,2 (стальные трубопроводы с условным проходом до 150 мм на подвижных опорах).

5.4.7. При расчетной температуре окружающего воздуха ниже минус 30 °С или для других жидких вязких веществ необходимо проведение расчетов по формуле (5.4.1) или (5.4.2).

Таблица 5.4.1. Время до начала замерзания воды при остановке ее движения в трубопроводах холодного водоснабжения с температурой плюс 5 °С при теплоизоляции цилиндрами марок «ISOVER КК-ALC», «ISOVER KK-AL»

Наружный диаметр трубопровода, мм

Температура окружающего воздуха, °С

-20

-30

Время до начала замерзания воды в трубопроводе с температурой плюс 5 °С, ч, при толщине изоляции цилиндров марок «ISOTEC KK-ALC», «ISOTEC KK-AL», мм

20

30

40

50

60

80

20

30

40

50

60

80

12

0,7

0,8

0,9

-

-

-

0,5

0,6

0,6

-

-

-

15

0,7

0,8

1,0

1,0

1,1

-

0,5

0,6

0,6

0,7

0,8

-

18

1,2

1,5

1,7

1,9

2,1

-

0,8

1,0

1,2

1,3

1,4

-

21

1,2

1,5

1,7

1,9

2,1

-

0,8

1,0

1,2

1,3

1,4

-

28

1,8

2,3

2,6

2,9

3,2

-

1,2

1,5

1,8

2,0

2,2

-

35

2,4

3,1

3,6

4,1

4,5

-

1,6

2,1

2,4

2,7

3,0

-

42

3,3

4,3

5,1

5,8

6,4

-

2,2

2,9

3,4

3,9

4,3

-

48

4,5

5,8

7,0

8,0

8,8

-

3,0

3,9

4,7

5,4

5,9

-

54

6,1

8,0

9,7

11

12

14

4,1

5,4

6,5

7,4

8,3

9,7

60

5,8

7,8

9,4

11

12

14

3,9

5,2

6,3

7,3

8,1

9,5

76

-

11

13

15

17

20

-

7,3

8,9

10

11

14

89

-

14

17

20

23

27

-

9,6

12

13

15

18

108

-

-

23

27

31

37

-

-

15

18

20

25

114

-

-

23

27

31

37

-

-

15

18

20

25

133

-

-

31

36

41

50

-

-

20

24

27

34

140

-

-

30

36

41

50

-

-

20

24

27

33

159

-

-

38

45

52,

64

-

-

25

30

35

4

Таблица 5.4.2. Время до начала замерзания воды при остановке ее движения в трубопроводах холодного водоснабжения с температурой плюс 10 °С при теплоизоляции цилиндрами марок «ISOVER KK- ALC», «ISOVER KK-AL»

Наружный диаметр трубопровода, мм

Температура окружающего воздуха, °С

-20

-30

Время до начала замерзания воды в трубопроводе с температурой плюс 10 °С, ч, при толщине изоляции цилиндров марок «ISOVER КК-ALC», «ISOVER KK-AL», мм

20

30

40

50

60

80

20

30

40

50

60

80

12

0,8

1,0

1,1

-

-

-

0,6

0,7

0,8

-

-

-

15

0,9

1,1

1,2

1,3

1,4

-

0,6

0,7

0,8

0,9

1,0

-

18

1,5

1,8

2,0

2,3

2,4

-

1,0

1,2

1,4

1,5

1,7

-

21

1,5

1,9

2,2

2,4

2,6

-

1,0

1,3

1,5

1,6

1,8

-

28

2,2

2,8

3,2

3,6

3,9

-

1,5

1,9

2,2

2,5

2,7

-

35

2,9

3,7

4,4

4,9

5,4

-

2,0

2,6

3,0

3,4

3,7

-

42

3,9

5,1

6,1

6,9

7,6

-

2,7

3,5

4,2

4,7

5,2

-

48

5,2

6,8

8,2

9,3

10

-

3,6

4,7

5,6

6,4

7,1

-

54

6,9

9,2

11

12

14

16

4,7

6,3

7,5

8,6

9,6

11

60

6,8

9,1

11

12

14

16

4,7

6,2

7,5

8,7

9,6

11

76

-

12

15

18

20

24

-

8,6

10,6

12

13

16

89

-

16

20

23

26

32

-

11

14

16

18

21

108

-

-

27

31

35

43

-

-

18

21

24

29

114

-

-

27

31

35

43

-

-

18

21

24

29

133

-

-

35

41

47

57,9

-

-

24

28

32

39

140

-

-

35

41

47

57,6

-

-

24

28

32

39

159

-

-

43

52

59

73,2

-

-

30

35

40

50

Таблица 5.4.3. Время до начала замерзания воды при остановке ее движения в трубопроводах холодного водоснабжения с температурой плюс 5 °С при теплоизоляции матами марок «ISOVER KIM-AL», «ISOVER KT-11-TWIN», «ISOVER 610-KT-11-TWIN»

Наружный диаметр трубопровода, мм

Температура теплоносителя, °С

-20

-30

Время до начала замерзания воды с температурой плюс 5 °С в трубопроводе, ч, при толщине изоляции из матов марок «ISOVER KIM-AL», «ISOVER KT-11-TWIN», «ISOVER 610-KT-11-TWIN», мм

20

30

40

50

60

70

80

90

100

20

30

40

50

60

70

80

90

100

15

0,7

0,8

0,9

1,0

1,0

1,1

1,2

1,2

1,3

0,4

0,5

0,6

0,7

0,7

0,7

0,8

0,8

0,8

18

1,2

1,4

1,6

1,8

1,9

2,0

2,1

2,2

2,3

0,8

1,0

1,1

1,2

1,3

1,4

1,4

1,5

1,6

21

1,1

1,4

1,6

1,8

1,9

2,1

2,2

2,3

2,4

0,8

0,9

1,1

1,2

1,3

1,4

1,5

1,5

1,6

25

1,7

2,1

2,5

2,7

3,0

3,2

3,4

3,5

3,7

1,1

1,4

1,7

1,8

2,0

2,1

2,3

2,4

2,5

28

1,7

2,1

2,4

2,7

3,0

3,2

3,4

3,6

3,7

1,1

1,4

1,6

1,8

2,0

2,2

2,3

2,4

2,5

32

2,3

2,9

3,4

3,8

4,1

4,4

4,7

5,0

5,2

1,5

1,9

2,3

2,5

2,8

3,0

3,2

3,3

3,5

38

3,1

4,1

4,8

5,4

6,0

6,4

6,9

7,2

7,6

2,1

2,7

3,2

3,6

4,0

4,3

4,6

4,9

5,1

45

4,2

5,5

6,6

7,5

8,3

9

9

10

10

2,8

3,7

4,4

5,0

5,6

6,0

6,4

6,8

7,2

48

4,1

5,4

6,5

7,4

8,2

9

9

10

10

2,8

3,6

4,4

5,0

5,5

6,0

6,4

6,8

7,1

57

5,5

7,3

8,8

10

11

12

13

14

14

3,7

4,9

5,9

6,8

7,6

8,3

8,9

9,5

10

60

5,4

7,2

8,7

10

11

12

13

14

14

3,7

4,9

5,9

6,7

7,5

8,2

8,8

9,4

9,9

64

5,3

7,1

8,6

10

11

12

13

14

14

3,6

4,8

5,8

6,7

7,4

8,1

8,8

9,4

9,9

70

7,7

10

12

14

16

17

19

20

21

5,2

7,0

8,5

9,8

11,0

12

13

13

14

76

7,5

10

12

14

16

17

19

20

21

5,0

6,8

8,3

9,6

10

12

12

13

14

89

9,7

13

16

19

21

23

25

27

29

6,5

8,9

10

12

14

15

17

18

19

108

12

17

21

25

28

32

34

37

40

8,6

11

14

17

19

21

23

25

26

114

12

17

21

25

28

31

34

37

39

8,3

11

14

16

19

21

23

24

26

133

16

22

28

33

38

42

47

50

54

11

15

18

22

25

28

31

34

36

140

16

22

28

33

38

42

46

50

53

10

15

18

22

25

28

31

33

36

159

20

28

35

42

48

54

59

64

69

13

18

23

28

32

36

40

43

46

Таблица 5.4.4. Время до начала замерзания воды при остановке ее движения в трубопроводах холодного водоснабжения с температурой плюс 10 °С при теплоизоляции матами марок «ISOVER KIM-AL», «ISOVER KT-11-TWIN», «ISOVER 610-KT-11-TWIN»

Наружный диаметр трубопровода, мм

Температура теплоносителя, °С

-20

-30

Время до начала замерзания воды с температурой плюс 10 °С в трубопроводе, ч, при толщине изоляции матов марок «ISOVER KIM-AL», «ISOVER KT-11-TWIN», «ISOVER 610-KT-11-TWIN», мм

20

30

40

50

60

70

80

90

100

20

30

40

50

60

70

80

90

100

15

0,8

1,0

1,1

1,2

1,3

1,4

1,4

1,5

1,6

0,6

0,7

0,8

0,8

0,9

0,9

1,0

1,0

1,1

18

1,4

1,7

1,9

2,1

2,3

2,4

2,5

2,6

2,7

0,9

1,1

1,3

1,4

1,5

1,6

1,7

1,8

1,9

21

1,4

1,7

2,0

2,2

2,4

2,5

2,6

2,8

2,9

1,0

1,2

1,4

1,5

1,6

1,7

1,8

1,9

2,0

25

2,0

2,5

2,9

3,2

3,5

3,8

4,0

4,2

4,3

1,4

1,7

2,0

2,2

2,4

2,6

2,7

2,9

3,0

28

2,0

2,6

3,0

3,3

3,6

3,9

4,1

4,3

4,5

1,4

1,8

2,1

2,3

2,5

2,7

2,8

3,0

3,1

32

2,7

3,4

4,0

4,5

4,9

5,3

5,6

5,9

6,2

1,8

2,3

2,7

3,1

3,4

3,6

3,9

4,1

4,2

38

3,7

4,7

5,6

6,3

7,0

7,5

8,0

8,5

8,9

2,5

3,2

3,8

4,3

4,8

5,1

5,5

5,8

6,1

45

4,9

6,4

7,6

8,6

9,5

10

11

11

12

3,3

4,3

5,2

5,9

6,5

7,1

7,6

8,0

8,4

48

4,9

6,4

7,6

8,7

9,6

10

11

11

12

3,3

4,3

5,2

5,9

6,6

7,1

7,6

8,1

8,5

57

6,4

8,5

10

11

13

14

15

16

17

4,4

5,8

7,0

8,0

8,9

9,7

10

11

11

60

6,4

8,5

10

11

13

14

15

16

17

4,4

5,8

7,0

8,0

9,0

9,8

10

11

11

64

6,3

8,4

10

11

13

14

15

16

17

4,3

5,8

7,0

8,1

9,0

9,9

10

11

12

70

8,9

11

14

16

18

20

22

23

25

6,0

8,1

9,8

11

12

14

15

16

17

76

8,7

11

14

16

18

20

22

23

25

6,0

8,0

9,8

11

12

14

15

16

17

89

11

15

18

21

24

27

29

31

33

7,6

10

12

14

16

18

20

21

23

108

14

20

24

29

33

36

39

43

45

9,9

13

16

19

22

25

27

29

31

114

14

20

24

29

33

36

39

42

45

9,8

13

16

19

22

24

27

29

31

133

18

26

32

38

43

49

53

57

62

12

17

22

26

29

33

36

39

42

140

18

25

32

38

43

48

53

57

61

12

17

22

26

29

33

36

39

42

159

23

32

40

48

55

61

67

73

79

15

21

27

32

37

42

46

50

53

5.5. Тепловая изоляция трубопроводов водяных тепловых сетей двухтрубной подземной канальной прокладки

5.5.1. Для двухтрубной прокладки в одноячейковом непроходном канале линейная плотность теплового потока по заданным теплоизоляционным конструкциям и конструкции непроходного канала определяют по формулам:

для подающего трубопровода:

                                                       (5.5.1)

где t1m - температура теплоносителя в подающем трубопроводе, °С;

tгр - температура грунта на глубине заложения трубопровода, °С;

R1 - полное термическое сопротивление подающего трубопровода, м2×°С/Вт;

для обратного трубопровода:

                                                      (5.5.2)

где t2m - температура теплоносителя в обратном трубопроводе, °С;

R2 - полное термическое сопротивление обратного трубопровода, м2×°С/Вт.

R1 = R1тр + Rкан + R1доп,                                           (5.5.3)

R2 = R2тр + Rкан + R2доп,                                           (5.5.4)

где R1тр и R2тр - термические сопротивления соответственно для подающего и обратного трубопроводов, м2×°С/Вт;

R1доп, R2доп - дополнительные термические сопротивления взаимного влияния соответственно для подающего и обратного трубопроводов, м2×°С/Вт;

Rкан - термическое сопротивление канала, м2×°С/Вт.

R1доп = ψ1кан×Rкан,                                                          (5.5.5)

R2доп = ψ2кан×Rкан,                                                          (5.5.6)

где ψ1кан, ψ2кан - коэффициенты, определяющие дополнительное термическое сопротивление соответственно для подающего и обратного трубопроводов в канале.

ψ1кан = [(t2m - tгр)R1тр - (t1m - t2m)Rкан]/[(t1m - tгр)R1тр - (t1m - t2m)Rкан],                       (5.5.7)

ψ2кан = [(t1m - tгр)R2тр - (t1m - t2m)Rкан]/[(t2m - tгр)R1тр - (t1m - t2m)Rкан],                       (5.5.8)

5.5.2. При расчетах тепловой изоляции трубопроводов подземной двухтрубной канальной прокладки тепловых сетей следует принимать:

1. Расчетную среднегодовую температуру теплоносителя подающего и обратного трубопроводов по таблице 5.5.1.

Таблица 5.5.1. Расчетная среднегодовая температура теплоносителя подающего и обратного трубопроводов

Температурные режимы водяных тепловых сетей, °С

95 - 70

150 - 70

180 - 70

Трубопровод

Расчетная температура теплоносителя (tт), °С

Подающий

65

90

110

Обратный

50

50

50

2. Расчетную температуру наружной среды (to) при глубине заложения до верха канала 0,7 м и менее:

- при круглогодичной работе тепловой сети - среднегодовую температуру наружного воздуха;

- при работе только в отопительный период - среднюю за отопительный период.

3. При глубине заложения верха канала более 0,7 м - среднюю за год температуру грунта на глубине заложения оси трубопроводов.

5.5.3. Рекомендуемая толщина изоляции из цилиндров «ISOVER KK-ALC», «ISOVER KK-AL» или сетчатых матов марки «ISOVER KVM-50», отвечающая нормам плотности теплового потока для трубопроводов тепловых сетей двухтрубной подземной канальной прокладки, расположенных в Европейском регионе России, приведена в таблицах 5.5.2. - 5.5.4. Расчет выполнен для трубопроводов, расположенных на глубине 1,0 м в грунте средней влажности с расчетной теплопроводностью 1,8 Вт/(м×°С), в лотковых одноячейковых каналах (марки МКЛ) с размерами, приведенными в таблице 5.5.5.

Толщина изоляции подающего и обратного трубопровода принята одинаковой.

Таблица 5.5.2. Рекомендуемая толщина тепловой изоляции из цилиндров марок «ISOVER KK-ALC», «ISOVER KK-AL» в конструкциях тепловой изоляции трубопроводов тепловых сетей двухтрубной канальной прокладки для Европейского региона России

Наружный диаметр трубопровода, мм

Число часов работы

более 5000

5000 и менее

Средняя температура теплоносителя в трубопроводе (прямой/ обратный), °С

65/50

90/50

110/50

65/50

90/50

110/50

Рекомендуемая толщина цилиндров марок «ISOTEC KK-ALC», «ISOTEC KK-AL», мм

35

30

30

40

30

30

30

42

40

40

40

30

30

30

48

40

40

40

30

30

30

54

40

40

40

30

30

30

60

40

40

40

30

30

40

76

40

40

40

30

30

40

89

40

40

50

30

40

40

108

40

50

50

40

40

40

114

40

50

50

40

40

40

133

40

50

50

40

40

40

140

50

50

60

40

40

50

159

50

50

60

40

40

50

168

50

60

60

40

40

50

219

50

60

60

40

40

50

273

50

60

60

40

40

50

325

50

60

80

40

40

50

Таблица 5.5.3. Рекомендуемая толщина тепловой изоляции из сетчатых матов марки «ISOVER KVM-50» в конструкциях тепловой изоляции трубопроводов тепловых сетей двухтрубной канальной прокладки для Европейского региона России

Наружный диаметр трубопровода, мм

Число часов работы

более 5000

5000 и менее

Средняя температура теплоносителя в трубопроводе (прямой/обратный), °С

65/50

90/50

110/50

65/50

90/50

110/50

Рекомендуемая толщина сетчатых матов марки «ISOVER KVM-50», мм

273

60

80

80

50

50

60

325

60

80

80

50

50

60

377

60

80

80

50

50

60

426

60

80

80

50

50

60

478

60

80

80

50

50

60

530

80

80

80

50

60

60

630

80

80

80

50

60

60

720

80

80

80

50

60

60

820

80

80

80

50

60

60

920

80

80

40 + 50

60

60

80

1020

80

80

100

60

80

80

1220

80

40 + 50

100

60

80

80

1420

80

40 + 50

100

60

80

80

Таблица 5.5.5. Размеры каналов марки МКЛ

Диаметр условного прохода трубопровода, мм

Внутренние размеры канала, м

высота

ширина

50 - 100

0,55

0,97

125 - 200

0,705

1,32

250 - 400

0,905

1,92

500 - 600

1,105

2,41

700 - 800

1,38

2,77

900 - 1000

1,58

3,19

1000 - 1200

1,785

3,60

1200 - 1400

2,08

4,16

ПРИЛОЖЕНИЕ 1.

РАСЧЕТНЫЕ КОЭФФИЦИЕНТЫ ТЕПЛООТДАЧИ

Температура изолируемой поверхности, °С

Изолируемая поверхность

Вид расчета тепловой изоляции

Коэффициент теплоотдачи (aе) Вт/(м2×С), при расположении изолируемых поверхностей

в помещениях, тоннелях, для защитных покрытий с коэффициентом излучения (С), Вт/(м2×К4)

на открытом воздухе, для защитных покрытий с коэффициентом излучения (С), Вт/(м2×К4)

£ 2,33

> 2,33

2,33

> 2,33

20 и более

Плоская поверхность, оборудование, вертикальные трубопроводы

По заданной температуре на поверхности защитного покрытия

6

11

6

11

Остальные виды расчетов

7

12

35

35

Горизонтальные трубопроводы

По заданной температуре на поверхности защитного покрытия

6

10

6

10

Остальные виды расчетов

6

11

29

29

19 и менее

Все виды изолируемых объектов

Предотвращение конденсации влаги из окружающего воздуха на поверхности защитного покрытия

5

7

-

-

Остальные виды расчетов

6

11

29

29

Примечания:

1. Для трубопроводов, прокладываемых в каналах, коэффициент теплоотдачи от поверхности защитного покрытия к воздуху в канале допускается принимать aе = 8 Вт/(м2×°С).

2. Коэффициент теплоотдачи от воздуха к стенке канала допускается принимать равным aе = 8 Вт/(м2×°С).

3. К материалам для защитного покрытия с коэффициентом излучения С £ 2,33 Вт/(м2×К4) относятся: нержавеющая и тонколистовая оцинкованная сталь, листы и ленты из алюминия и алюминиевых сплавов, алюминиевая фольга, а также другие материалы, окрашенные алюминиевой краской. К защитным покрытиям с коэффициентом излучения С > 2,33 Вт/(м2×К4) относятся: стеклопластики рулонные и прочие материалы на основе синтетических и природных полимеров, асбестоцементные листы, штукатурки, другие материалы, окрашенные различными красками, кроме алюминиевой.

ПРИЛОЖЕНИЕ 2.

РАСХОД ТЕПЛОИЗОЛЯЦИОННЫХ ИЗДЕЛИЙ «САН-ГОБЭН ИЗОВЕР» ПРИ ИЗОЛЯЦИИ ТРУБОПРОВОДОВ И ОБОРУДОВАНИЯ

1. Расход уплотняющихся матов марок «ISOVER KT-11-TWIN» и «ISOVER 610-KT-11-TWIN» на изоляцию трубопроводов различных диаметров в зависимости от наружного диаметра трубопровода и толщины теплоизоляционного слоя следует определять с учетом коэффициента уплотнения 2,5.

Коэффициент уплотнения учитывает монтажное уплотнение теплоизоляционного материала по толщине и геометрическое уплотнение - за счет разницы внутреннего и наружного периметров теплоизоляционного слоя.

2. Заказной объем матов марок «ISOVER KT-11-TWIN» и «ISOVER 610-KT-11-TWIN» для теплоизоляционного слоя без учета трудноустранимых потерь на монтаже определяется с учетом коэффициента уплотнения по формуле:

Vиз = Vк×Ку ,                                                         (П.1)

где Vиз - заказной объем (расход) матов марок «ISOVER KT-11-TWIN» и «ISOVER 610-KT-11-TWIN» до установки их на трубопровод, м3;

Vк - объем теплоизоляционного слоя матов марок «ISOVER KT-11-TWIN» и «ISOVER 610-KT-11-TWIN» в конструкции тепловой изоляции трубопровода, принимаемый по таблице П.2.1, м3;

Ку - коэффициент уплотнения.

Требуемую толщину из матов марок «ISOVER KT-11-TWIN» и «ISOVER 610-KT-11-TWIN» до установки на поверхность изолируемого трубопровода (без уплотнения) следует определять с учетом коэффициента уплотнения по формуле:

                                                   (П.2)

где dз - толщина матов марок «ISOVER KT-11-TWIN» и «ISOVER 610-KT-11-TWIN» до установки на изолируемую поверхность трубопровода, м;

dк - толщина теплоизоляционного слоя из матов марок «ISOVER KT-11-TWIN» и «ISOVER 610-KT-11-TWIN» в конструкции, м;

dн - наружный диаметр изолируемого трубопровода, м.

При двухслойной изоляции толщину каждого слоя из матов марок «ISOVER KT-11-TWIN» и «ISOVER 610-KT-11-TWIN» определяют отдельно. При определении толщины наружного (второго) теплоизоляционного слоя за dн принимают диаметр изоляции первого слоя.

3. Теплоизоляционные маты марок «ISOTEC KVM-50», «ISOTEC KIM-AL» и плиты марки «ISOTEC KLS-K» при изоляции оборудования и трубопроводов не уплотняются по толщине.

Объем теплоизоляционного слоя из теплоизоляционных материалов в конструкции в зависимости от толщины тепловой изоляции на 10 м трубопровода приведен в таблице П.2.1.

По этой таблице можно принимать расход скорлуп «ISOTEC KK-ALC», «ISOTEC KK-AL» с учетом запаса на трудноустранимые потери при монтаже.

4. Объем теплоизоляционного слоя в конструкции из матов марок «ISOTEC KVM-50», «ISOTEC KIM-AL» и плит марки «ISOTEC KLS-K» и расход теплоизоляционного материала на изоляцию 1 м длины аппарата и одного днища приведены в таблице П.2.2.

5. Расход теплоизоляционных материалов на трудноустранимые потери принимают в размере 3 % от заказного объема тепловой изоляции.

6. Поверхность теплоизоляционной конструкции трубопроводов в зависимости от диаметра трубопровода и толщины тепловой изоляции приведена в таблице П.2.3.

Расход материала защитного покрытия теплоизоляционной конструкции горизонтальных трубопроводов следует принимать с учетом перекрытия швов покрытия. Величину перекрытия швов (нахлеста) принимают в зависимости от вида материала защитного покрытия.

Для металлического покрытия горизонтальных участков трубопроводов величина нахлеста составляет 30 - 40 мм. Для неметаллических рулонных материалов 50 - 100 мм.

Расход материала металлического покрытия отводов следует принимать с учетом; потерь при изготовлении (раскрое) и перекрытии швов.

Расход элементов (деталей) покрытия в м2 и необходимое количество крепежных деталей на 1 м2 покрытия изоляции трубопроводов и оборудования предварительно может быть принят по таблицам П.2.4 и П.2.5.

Расход листового металла на изготовление элементов покрытия тепловой изоляции приведен в таблице П.2.6.

Таблица П.2.1. Объем теплоизоляционного слоя из теплоизоляционных материалов «САН-ГОБЭН ИЗОВЕР» в конструкции в зависимости от толщины тепловой изоляции на 10 м трубопровода

Наружный диаметр трубопровода, мм

Толщина теплоизоляционного слоя в конструкции, мм

20

30

40

50

60

70

80

90

100

110

120

130

140

150

Объем теплоизоляционного слоя в конструкции с учетом уплотнения на 10 м трубопровода, м3

18

0,024

0,05

0,07

0,11

0,15

-

-

-

-

-

-

-

-

-

25

0,03

0,05

0,08

0,12

0,16

-

-

-

-

-

-

-

-

-

32

0,03

0,06

0,09

0,13

0,17

-

-

-

-

-

-

-

-

-

38

0,04

0,07

0,10

0,14

0,18

-

-

-

-

-

-

-

-

-

45

0,04

0,07

0,11

0,15

0,20

-

-

-

-

-

-

-

-

-

57

0,05

0,08

0,12

0,17

0,22

0,28

0,34

0,42

0,5

0,58

0,67

0,76

0,87

0,97

76

0,06

0,10

0,15

0,20

0,26

0,32

0,39

0,47

0,55

0,64

0,74

0,84

0,95

1,06

89

0,07

0,11

0,16

0,22

0,28

0,35

0,43

0,51

0,6

0,69

0,79

0,89

1,01

1,13

108

0,08

0,13

0,19

0,25

0,35

0,39

0,47

0,56

0,65

0,75

0,87

0,97

1,09

1,22

133

0,10

0,15

0,22

0,29

0,36

0,45

0,54

0,63

0,73

0,84

0,95

1,07

1,20

1,39

159

0,11

0,18

0,25

0,33

0,41

0,50

0,60

0,70

0,81

0,93

1,05

1,18

1,31

1,46

219

0,15

0,24

0,33

0,42

0,53

0,64

0,75

0,87

0,87

1,14

1,28

1,43

1,58

1,74

273

0,19

0,29

0,39

0,51

0,63

0,75

0,88

1,03

1,17

1,32

1,32

1,65

1,82

1,99

325

0,22

0,33

0,46

0,59

0,73

0,87

1,02

1,17

1,34

1,50

1,68

0,86

2,04

2,24

377

0,25

0,38

0,52

0,67

0,82

0,98

1,15

1,32

1,50

1,68

1,87

2,07

2,27

2,48

426

0,28

0,43

0,59

0,75

0,92

1,09

1,27

1,46

1,63

1,83

2,06

2,27

2,48

2,71

476

0,31

0,51

0,65

0,83

1,01

1,20

1,40

1,60

1,81

2,02

2,25

2,47

2,71

2,95

530

0,35

0,56

0,72

0,91

1,11

1,32

1,53

1,76

1,98

2,22

2,45

2,7

2,94

3,2

630

0,41

0,65

0,84

1,07

1,30

1,55

1,79

2,05

2,30

2,65

2,83

3,10

3,39

3,67

720

0,47

0,73

0,95

1,21

1,47

1,76

2,04

2,31

2,58

2,88

3,17

3,47

3,78

4,1

820

0,53

0,83

1,08

1,37

1,65

1,96

2,26

2,58

2,89

3,22

3,54

3,88

4,22

4,57

920

0,59

0,92

1,21

1,58

1,95

2,23

2,51

2,86

3,20

3,56

3,92

4,29

4,66

5,03

1020

0,65

1,02

1,33

1,67

2,04

2,40

2,76

3,14

3,52

3,91

4,30

4,70

5,10

5,51

1220

0,77

1,18

1,58

2,00

2,41

2,84

3,26

3,70

4,14

4,60

5,05

5,52

5,98

6,45

1420

0,91

1,37

1,80

2,30

2,80

3,30

3,80

4,30

4,80

5,30

5,80

6,3

6,70

7,40


Таблица П.2.2. Расход теплоизоляционных матов марок «ISOTEC KVM-50», «ISOTEC KIM-AL» и плит марки «ISOTEC KLS-K» на изоляцию одного метра длины аппарата и одного днища

Наружный диаметр аппарата, мм

530

Толщина теплоизоляционного слоя в конструкции, мм

40

50

60

80

90

100

110

120

130

Толщина матов и плит заказная, мм

40

50

60

80

40 + 50

100

50 + 60

120

80 + 50

Объем изоляции в конструкции 1 м длины аппарата, м3

0,072

0,91

0,111

0,153

0,176

0,198

0,222

0,245

0,269

Расход матов и плит на изоляцию 1 м длины аппарата (объем изоляции для заказа), м3

0,077

0,099

0,123

0,173

0,077 (40) + 0,112 (50)

0,229

0,099 (50) + 0,141 (60)

0,290

0,173 (80) + 0,124 (50)

Объем и расход изоляции одного днища в конструкции, м3

0,016

0,021

0,025

0,034

0,017 (40) + 0,024 (50)

0,048

0,024 (50) + 0,034 (60)

0,068

0,042 (80) + 0,03 (50)

Поверхность изоляции 1 м длины аппарата, м2

1,91

1,98

2,04

2,16

2,23

2,29

2,35

2,41

2,48

Поверхность изоляции одного днища, м2

0,45

0,48

0,51

0,57

 

0,64

0,68

0,71

0,75

 

Наружный диаметр аппарата, мм

630

Толщина теплоизоляционного слоя в конструкции, мм

40

50

60

80

90

100

110

120

130

Толщина матов заказная, мм

40

50

60

80

40 + 50

100

50 + 60

120

80 + 50

Объем изоляции в конструкции 1 м длины аппарата, м3

0,084

0,107

0,13

0,179

0,205

0,23

0,265

0,283

0,310

Расход матов и плит на изоляцию 1 м длины аппарата (объем изоляции для заказа), м3

0,089

0,115

0,141

0,198

0,089 (40) + 0,127 (50)

0,261

0,115 (50) + 0,16 (60)

0,328

0,198 (80) + 0,14 (50)

Объем и расход изоляции одного днища в конструкции, м3

0,022

0,028

0,034

0,045

0,055

0,064

0,072

0,081

0,091

Поверхность изоляции 1 м длины аппарата, м2

2,23

2,30

2,36

2,46

2,54

2,61

2,67

2,73

2,79

Поверхность изоляции одного днища, м2

0,60

0,65

0,70

0,75

0,81

0,88

0,090

0,91

0,95

Продолжение таблицы П.2.2

Наружный диаметр аппарата, мм

720

Толщина теплоизоляционного слоя в конструкции, мм

40

50

60

80

90

100

110

120

130

Толщина матов и плит заказная, мм

40

50

60

80

40 + 50

100

50 + 60

120

80 + 50

Объем изоляции в конструкции 1 м длины аппарата, м3

0,095

0,121

0,147

0,204

0,231

0,258

0,288

0,317

0,347

Расход матов и плит на изоляцию 1 м длины аппарата (объем изоляции для заказа), м3

0,1

0,129

0,158

0,221

0,1 (40) + 0,141 (50)

0,289

0,129 (50) + 0,177 (60)

0,362

0,221 (80) + 0,154 (50)

Объем и расход изоляции одного днища в конструкции, м3

0,029

0,037

0,044

0,058

0,071

0,081

0,094

0,104

0,116

Поверхность изоляции 1 м длины аппарата, м2

2,51

2,58

2,64

2,76

2,83

2,89

2,95

3,01

3,08

Поверхность изоляции одного днища, м2

0,79

0,73

0,87

0,95

1,0

1,04

1,08

1,13

1,18

 

Наружный диаметр аппарата, мм

820

Толщина теплоизоляционного слоя в конструкции, мм

40

50

60

80

90

100

110

120

130

140

Толщина матов заказная, мм

40

50

60

80

40 + 50

100

50 + 60

120

80 + 50

140

Объем изоляции в конструкции 1 м длины аппарата, м3

0,108

0,137

0,165

0,226

0,258

0,289

0,322

0,354

0,388

0,422

Расход матов и плит на изоляцию 1 м длины аппарата (объем изоляции для заказа), м3

0,113

0,145

0,177

0,246

0,113 (40) + 0,157 (50)

0,320

0,145 (50)

0,399

0,246 (80) + 0,17 (50)

0,484

Объем изоляции одного днища в конструкции, м3

0,038

0,047

0,055

0,074

0,089

0,104

0,117

0,130

0,145

0,16

Поверхность изоляции 1 м длины аппарата, м2

2,83

2,89

2,95

3,07

3,14

3,20

3,26

3,33

3,39

3,45

Поверхность изоляции одного днища, м2

0,99

1,04

1,08

1,18

1,24

1,25

1,32

1,38

1,43

1,48

Продолжение таблицы П.2.2

Наружный диаметр аппарата, мм

920

Толщина теплоизоляционного слоя в конструкции, мм

40

50

60

80

90

100

110

120

130

140

Толщина матов заказная, мм

40

50

60

80

40 + 50

100

50 + 60

120

80 + 50

140

Объем изоляции в конструкции 1 м длины аппарата, м3

0,121

0,152

0,185

0,251

0,286

0,320

0,356

0,392

0,429

0,466

Расход матов и плит на изоляцию 1 м длины аппарата (объем изоляции для заказа), м3

0,126

0,160

0,196

0,271

0,126 (40) + 0,173 (50)

0,352

0,16 (50) + 0,215 (60)

0,437

0,271 (80) + 0,185 (50)

0,528

Объем и расход изоляции одного днища в конструкции, м3

0,047

0,058

0,069

0,106

0,117

0,127

0,143

0,159

0,177

0,195

Поверхность изоляции 1 м длины аппарата, м2

3,14

 

3,27

3,39

 

3,52

 

3,64

3,70

3,77

Поверхность изоляции одного днища, м2

1,22

1,27

1,32

1,40

1,45

1,50

1,57

1,64

1,70

1,76

 

Наружный диаметр аппарата, мм

1020

Толщина теплоизоляционного слоя в конструкции, мм

40

50

60

80

90

100

110

120

130

140

Толщина матов и плит заказная, мм

40

50

60

80

40 + 50

100

50 + 60

120

80 + 50

140

Объем изоляции в конструкции 1 м длины аппарата, м3

0,133

0,167

0,204

0,276

0,314

0,352

0,391

0,43

0,47

0,510

Расход матов и плит на изоляцию 1 м длины аппарата (объем изоляции для заказа), м3

0,138

0,176

0,215

0,297

0,138 (40) + 0,189 (50)

0,382

0,176 (50) + 0,233 (60)

0,475

0,297 (80) + 0,201 (50)

0,572

Объем и расход изоляции одного днища в конструкции, м3

0,054

0,066

0,079

0,132

0,139

0,145

0,162

0,179

0,202

0,224

Поверхность изоляции 1 м длины аппарата, м2

3,45

3,52

3,58

3,71

3,77

3,82

3,89

3,96

4,02

4,08

Поверхность изоляции одного днища, м2

1,48

151

153

1,64

1,72

1,79

1,85

1,90

1,96

2,02

Продолжение таблицы П.2.2

Наружный диаметр аппарата, мм

1220

Толщина теплоизоляционного слоя в конструкции, мм

40

50

60

80

90

100

110

120

130

140

Толщина матов заказная, мм

40

50

60

80

40 + 50

100

50 + 60

120

80 + 50

140

Объем изоляции в конструкции 1 м длины аппарата, м3

0,158

0,199

0,241

0,326

0,37

0,414

0,459

0,505

0,551

0,598

Расход матов и плит на изоляцию 1 м длины аппарата (объем изоляции для заказа), м3

0,163

0,207

0,252

0,347

0,163 (40) + 0,22 (50)

0,445

0,207 (50) + 0,271 (60)

0,252

0,347 (80) + 0,232 (50)

0,658

Объем изоляции одного днища в конструкции, м3

0,077

0,094

0,111

0,181

0,192

0,203

0,227

0,251

0,278

0,305

Поверхность изоляции 1 м длины аппарата, м2

4,08

4,14

4,2

4,34

4,4

4,45

4,52

4,6

4,65

4,7

Поверхность изоляции одного днища, м2

2,02

2,09

2,16

2,28

2,35

2,42

2,5

2,57

2,64

2,72

 

Наружный диаметр аппарата, мм

1420

Толщина теплоизоляционного слоя в конструкции, мм

40

50

60

80

90

100

110

120

130

140

Толщина матов заказная, мм

40

50

60

80

40 + 50

100

50 + 60

120

80 + 50

140

Объем изоляции в конструкции 1 м длины аппарата, м3

0,18

0,23

0,28

0,38

0,427

0,48

0,528

0,58

0,632

0,67

Расход матов и плит на изоляцию 1 м длины аппарата (объем изоляции для заказа), м3

0,188

0,239

0,291

0,398

0,188 (40) + 0,251(50)

0,508

0,239 (50) + 0,309 (60)

0,624

0,4 (80) + 0,264 (50)

0,749

Объем и расход изоляции одного днища в конструкции, м3

0,104

0,126

0,149

0,224

0,247

0,27

0,301

0,333

0,368

0,404

Поверхность изоляции 1 м длины аппарата, м2

4,7

4,77

4,85

4,97

5,02

5,08

5,14

5,2

5,27

5,35

Поверхность изоляции одного днища, м2

2,72

2,76

2,8

3,0

3,08

3,16

3,24

3,3

3,38

3,47

Продолжение таблицы П.2.2

Наружный диаметр аппарата, мм

1620

Толщина теплоизоляционного слоя в конструкции, мм

40

50

60

80

90

100

110

120

130

140

Толщина матов и плит заказная, мм

40

50

60

80

40 + 50

100

50 + 60

120

80 + 50

140

Объем изоляции в конструкции 1 м длины аппарата, м3

0,21

0,262

0,32

0,43

0,483

0,54

0,60

0,66

0,714

0,78

Расход матов и плит на изоляцию 1 м длины аппарата (объем изоляции для заказа), м3

0,213

0,27

0,328

0,448

0,213 (40) + 0,283 (50)

0,572

0,27 (50) + 0,35 (60)

0,702

0,447 (80) + 0,295 (50)

0,832

Объем и расход изоляции одного днища в конструкции, м3

0,135

0,164

0,193

0,287

0,317

0,347

0,386

0,426

0,470

0,514

Поверхность изоляции 1 м длины аппарата, м2

5,35

5,4

5,46

5,6

5,66

5,72

5,78

5,85

5,9

5,94

Поверхность изоляции одного днища, м2

3,47

3,55

3,63

3,8

3,89

3,98

4,07

4,15

4,24

4,33

 

Наружный диаметр аппарата, мм

1820

Толщина теплоизоляционного слоя в конструкции, мм

40

50

60

80

90

100

110

120

130

140

Толщина матов заказная, мм

40

50

60

80

40 + 50

100

50 + 60

120

80 + 50

140

Объем изоляции в конструкции 1 м длины аппарата, м3

0,23

0,293

0,35

0,48

0,54

0,6

0,667

0,73

0,796

0,84

Расход матов и плит на изоляцию 1 м длины аппарата (объем изоляции для заказа), м3

0,239

0,302

0,366

0,498

0,239 (40) + 0,314 (50)

0,653

0,301 (50) + 0,384 (60)

0,78

0,497 (80) + 0,327 (50)

0,924

Объем изоляции одного днища в конструкции, м3

0,17

0,206

0,243

0,356

0,395

0,433

0,482

0,531

0,585

0,64

Поверхность изоляции 1 м длины аппарата, м2

5,98

6,04

6,1

6,22

6,28

6,35

6,42

6,5

6,55

6,6

Поверхность изоляции одного днища, м2

4,33

4,42

4,52

4,7

4,8

4,91

5

5,1

5,2

5,3

Продолжение таблицы П.2.2

Наружный диаметр аппарата, мм

2020

Толщина теплоизоляционного слоя в конструкции, мм

40

50

60

80

90

100

110

120

130

140

Толщина матов заказная, мм

40

50

60

80

40 + 50

100

50 + 60

120

80 + 50

140

Объем изоляции в конструкции 1 м длины аппарата, м3

0,26

0,325

0,39

0,53

5,96

0,67

0,736

0,81

0,878

0,95

Расход матов и плит на изоляцию 1 м длины аппарата (объем изоляции для заказа), м3

0,264

0,333

0,403

0,548

0,264 (40) + 0,345 (50)

0,7

0,333 (50) + 0,422 (60)

0,852

0,548 (80) + 0,358 (50)

1,01

Объем и расход изоляции одного днища в конструкции, м3

0,208

0,251

0,294

0,431

0,48

0,529

0,588

0,647

0,706

0,764

Поверхность изоляции 1 м длины аппарата, м2

6,6

6,66

6,72

6,85

6,92

7,0

7,05

7,1

7,17

7,24

Поверхность изоляции одного днища, м2

5,3

5,41

5,5

5,7

5,82

5,94

6,07

6,2

6,27

6,35

 

Наружный диаметр аппарата, мм

2220

Толщина теплоизоляционного слоя в конструкции, мм

40

50

60

80

90

100

110

120

130

140

Толщина матов и плит заказная, мм

40

50

60

80

40 + 50

100

50 + 60

120

80 + 50

140

Объем изоляции в конструкции 1 метра длины аппарата, м3

0,28

0,356

0,43

0,58

0,653

0,73

0,805

0,88

0,959

1,04

Расход матов и плит на изоляцию 1 м длины аппарата (объем изоляции для заказа), м3

0,29

0,365

0,441

0,598

0,29 (40) + 0,377 (50)

0,76

0,364 (50) + 0,46 (60)

0,929

0,6 (80) + 0,39 (50)

1,1

Объем и расход изоляции одного днища в конструкции, м3

0,251

0,305

0,358

0,514

0,58

0,647

0,711

0,775

0,845

0,915

Поверхность изоляции 1 м длины аппарата, м2

7,24

7,29

7,35

7,48

7,54

7,6

7,67

7,74

7,8

7,85

Поверхность изоляции одного днища, м2

6,35

6,41

6,48

6,68

6,78

6,9

7,05

7,2

7,35

7,5

Продолжение таблицы П.2.2

Наружный диаметр аппарата, мм

2420

Толщина теплоизоляционного слоя в конструкции, мм

40

50

60

80

90

100

110

120

130

140

Толщина матов заказная, мм

40

50

60

80

40 + 50

100

50 + 60

120

80 + 50

140

Объем изоляции в конструкции 1 м длины аппарата, м3

0,31

0,388

0,47

0,63

0,71

0,79

0,87

0,96

1,04

1,13

Расход матов и плит на изоляцию 1 м длины аппарата (объем изоляции для заказа), м3

0,314

0,397

0,48

0,648

0,314 (40) + 0,157 (50)

0,823

0,4 (50) + 0,5 (60)

1,0

0,648 (80) + 0,421 (50)

1,19

Объем и расход изоляции одного днища в конструкции, м3

0,298

0,362

0,426

0,602

0,676

0,75

0,83

0,91

1,0

1,083

Поверхность изоляции 1 м длины аппарата, м2

7,86

7,93

8,0

8,1

8,16

8,23

8,3

8,36

8,43

8,5

Поверхность изоляции одного днища, м2

7,5

7,62

7,75

7,87

8,06

8,25

8,37

8,5

8,57

8,65

 

Наружный диаметр аппарата, мм

2620

Толщина теплоизоляционного слоя в конструкции, мм

40

50

60

80

90

100

110

120

130

140

Толщина матов и плит заказная, мм

40

50

60

80

40 + 50

100

50 + 60

120

80 + 50

140

Объем изоляции в конструкции 1 м длины аппарата, м3

0,33

0,42

0,51

0,68

0,77

0,86

0,94

1,07

1,12

1,22

Расход матов и плит на изоляцию 1 м длины аппарата (объем изоляции для заказа), м3

0,34

0,428

0,516

0,7

0,339 (40) + 0,44 (50)

0,886

0,427 (50) + 0,535 (60)

1,08

0,698 (80) + 0,452 (50)

1,28

Объем и расход изоляции одного днища в конструкции, м3

0,348

0,422

0,496

0,7

0,79

0,88

0,971

1,062

1,161

1,25

Поверхность изоляции 1 м длины аппарата, м2

8,5

8,55

8,6

8,75

8,8

8,86

8,93

9,0

9,06

9,12

Поверхность изоляции одного днища, м2

8,65

8,83

9,1

9,17

9,31

9,45

9,55

9,66

9,88

10,1

Окончание таблицы П.2.2

Наружный диаметр аппарата, мм

2820

Толщина теплоизоляционного слоя в конструкции, мм

40

50

60

80

90

100

110

120

130

140

Толщина матов заказная, мм

40

50

60

80

40 + 50

100

50 + 60

120

80 + 50

140

Объем изоляции в конструкции 1 м длины аппарата, м3

0,36

0,45

0,54

0,73

0,82

0,92

1,01

1,11

1,2

1,32

Расход матов и плит на изоляцию 1 м длины аппарата (объем изоляции для заказа), м3

0,365

0,46

0,56

0,75

0,364 (40) + 0,451 (50)

0,95

0,458 (50) + 0,573 (60)

1,15

0,75 (80) + 0,483 (50)

1,37

Объем и расход изоляции одного днища в конструкции, м3

0,404

0,489

0,574

0,806

0,908

1,01

1,12

1,23

12,34

1,45

Поверхность изоляции 1 м длины аппарата, м2

9,13

9,19

9,25

9,36

9,43

9,5

9,56

9,62

9,68

9,75

Поверхность изоляции одного днища, м2

10,1

10,25

10,4

10,7

10,8

10,9

11,07

11,24

11,37

11,5

 

Наружный диаметр аппарата, мм

3020

Толщина теплоизоляционного слоя в конструкции, мм

40

50

60

80

90

100

110

120

130

140

Толщина матов и плит заказная, мм

40

50

60

80

40 + 50

100

50 + 60

120

80 + 50

140

Объем изоляции в конструкции 1 м длины аппарата, м3

0,38

0,48

0,58

0,78

0,88

0,98

1,08

1,18

1,29

1,39

Расход матов и плит на изоляцию 1 м длины аппарата (объем изоляции для заказа), м3

0,39

0,49

0,59

0,8

0,39 (40) + 0,5 (50)

1,02

0,49 (50) + 0,61 (60)

1,24

0,8 (80) + 0,51 (50)

1,46

Объем и расход изоляции одного днища в конструкции, м3

0,46

0,56

0,66

0,87

1,01

1,15

128

1,4

1,54

1,68

Поверхность изоляции 1 м длины аппарата, м2

9,7

9,8

9,9

10

10,1

10,2

10,25

10,3

10,35

10,4

Поверхность изоляции одного днища, м2

11,3

11,5

11,7

12

12,15

12,3

12,45

12,6

12,7

12,8

Таблица П.2.3. Поверхность теплоизоляционной конструкции в зависимости от толщины теплоизоляционного слоя на 10 м трубопровода

Наружный диаметр трубопровода, мм

Толщина теплоизоляционного слоя в конструкции, мм

20

30

40

50

60

70

80

90

100

110

120

130

140

150

Поверхность теплоизоляционного слоя на 10 м трубопровода, м2

18

1,8

2,4

3,1

3,7

4,3

 

 

 

 

-

-

-

-

-

25

2,1

2,7

3,3

3,9

4,6

 

 

 

 

-

-

-

-

-

32

2,3

2,9

3,5

4,1

4,8

 

 

 

 

-

-

-

-

-

38

2,5

3,1

3,7

4,3

5,0

 

 

 

 

-

-

-

-

-

45

3,7

3,3

3,9

4,6

5,2

 

 

 

 

-

-

-

-

-

57

3,1

3,7

4,3

4,9

5,6

6,2

6,8

7,4

8,1

8,7

9,3

9,95

10,6

11,2

76

3,7

4,3

4,9

5,5

6,2

6,8

7,4

8,0

8,7

9,3

9,9

10,5

11,2

11,8

89

4,1

4,7

5,3

5,9

6,6

7,2

7,8

8,4

9,1

9,7

10,4

11,0

11,6

12,2

108

4,7

5,3

5,9

6,5

7,2

7,8

8,4

9,1

9,7

10,3

10,9

11,7

12,2

12,8

133

5,5

6,1

6,7

7,3

8,0

8,6

9,2

9,9

10,5

11,1

11,7

12,3

13

13,6

159

6,3

6,9

7,5

8,1

8,8

9,4

10,0

10,6

11,3

11,9

12,5

13,2

13,8

1,4

219

8,1

8,8

9,4

10,0

10,6

11,3

11,9

12,5

13,2

13,8

14,5

15,0

15,7

16,3

273

9,8

10,5

11,1

11,7

12,3

13,0

13,6

14,6

14,9

15,5

16,1

16,7

17,4

18,0

325

11,5

12,1

12,6

13,3

14,0

14,6

15,2

15,9

16,5

17,1

17,7

18,4

19,0

19,6

377

13,1

13,7

14,4

15,0

15,6

16,2

16,9

17,5

18,1

18,8

19,4

20

20,6

21,3

426

14,6

15,3

15,9

16,5

17,2

17,8

18,4

19,0

19,7

20,3

20,9

21,6

22,2

22,8

476

16,2

17,0

17,5

18,1

18,7

19,3

20,0

20,6

21,2

21,9

22,5

23,1

23,7

24,4

530

17,9

17,6

19,1

19,8

20,4

21,0

21,6

22,3

22,9

23,5

24,1

24

25,4

26,1

630

21,0

21,7

22,3

22,9

23,6

24,2

24,8

25,4

26,1

26,7

27,3

27,9

28,6

29,3

720

23,9

23,5

25,1

25,7

26,4

27,0

27,6

28,3

28,9

29,5

30,1

30,8

31,4

32

820

27,0

27,2

28,3

28,4

29,5

30,1

30,8

31,4

32,0

32,7

33,3

33,9

34,5

35,1

920

30,2

30,8

31,4

32,0

32,8

33,3

33,9

34,5

35,2

35,9

36,4

37,1

37,7

38,3

1020

33,3

33,9

34,5

35,2

35,8

36,4

37,1

37,7

38,3

38,9

39,6

40,2

40,8

41,5

1220

39,6

39,3

40,8

41,4

42,1

42,7

43,3

44,0

44,6

45,2

45,8

46,5

47,1

47,7

1420

45,9

45,5

47,1

47,7

48,4

49,0

49,6

50,2

50,9

51,5

52,1

52,8

53,4

54,0

Таблица П.2.4. Расход материалов для покрытия тепловой изоляции трубопроводов металлическими листами на 1 м2 покрытия

Материал

Единица измерения

Трубопроводы диаметром изоляции

прямолинейные участки

криволинейные участки

200

400

600

800

1000

1200

200

400

600

800

1000

1200

Элементы металлического покрытия

м2

1,17

1,13

1,11

1,09

1,09

1,08

1,94

1,23

121

1,21

1,15

1,13

Крепление винтами: винты самонарезающие

кг

0,017

0,014

0,01

0,009

0,009

0,008

0,017

0,014

0,01

0,009

0,009

0,008

Крепление бандажами:

Лента стальная упаковочная 0,7´20

кг

0,43

0,39

0,37

0,36

0,35

0,35

0,43

0,39

-

-

-

-

Пряжка из оцинкованной стали

кг

0,05

0,023

0,014

0,01

0,008

0,006

0,05

0,023

-

-

-

-

Примечание.

При применении бандажей из алюминиевой ленты 0,8´20 мм и алюминиевых пряжек применять коэффициент 0,4; при применении бандажей из алюминиевой ленты 0,8´30 мм - коэффициент 0,6.


ТЕХНИЧЕСКИЕ СВИДЕТЕЛЬСТВА И ТЕХНИЧЕСКИЕ ОЦЕНКИ ПРИГОДНОСТИ ПРОДУКЦИИ ЗАО «САН-ГОБЭН ИЗОВЕР» ДЛЯ ПРИМЕНЕНИЯ В СТРОИТЕЛЬСТВЕ

ТЕХНИЧЕСКАЯ ОЦЕНКА

ПРИГОДНОСТИ ПРОДУКЦИИ ДЛЯ ПРИМЕНЕНИЯ В СТРОИТЕЛЬСТВЕ

№ ТО-1001-04

Продукция:     Плиты и маты ISOTEC марок KLS-K, KVL, KIM-AL, KVM-50, KVM-1, КН из стеклянного штапельного волокна на синтетическом связующем

Изготовитель: Фирма «Saint-Gobain Isover Oy» (Финляндия)

Назначение:    Для тепловой изоляции оборудования, резервуаров, трубопроводов, воздуховодов, вентиляционных каналов

Настоящий документ является приложением к техническому свидетельству Госстроя России № ТС-07-1001-04; содержит 8 л., заверенных печатью ФЦС

1. ОБЩИЕ ПОЛОЖЕНИЯ

1.1. Настоящий документ содержит требования к продукции - плиты и маты ISOTEC марок KLS-K, KVL, KIM-AL, KVM-50, KVM-1, КН из стеклянного штапельного волокна на синтетическом связующем (далее - плиты и маты), предназначенные для тепловой изоляции оборудования, резервуаров, трубопроводов, воздуховодов, вентиляционных каналов.

Документ предназначен для использования при разработке в установленном порядке технической документации на продукцию и проектной документации на строительство объектов с её применением.

При проектировании и строительстве объектов с использованием указанной продукции должны соблюдаться обязательные требования строительных, санитарных, пожарных, промышленных, экологических, а также других норм безопасности, утвержденных в соответствии с действующим порядком.

1.2. Настоящий документ составлен на основании результатов анализа представленных заявителем документов и материалов (перечень приведен в приложении к технической оценке), результатов дополнительно проведенных испытаний в испытательных центрах ОАО «Теплопроект», Санкт-Петербургского филиала ВНИИПО МЧС России, ЦНИИСК им. Кучеренко, Центра Госсанэпиднадзора в г. Санкт-Петербурге.

Документ не устанавливает юридические права заявителя на технические и технологические решения, примененные в продукции.

Заявитель несет ответственность за недостоверность и неполноту (сокрытие) информации в представленных им документах и материалах на продукцию, что может привести к снижению уровня безопасности и надежности продукции и объектов с её применением.

1.3. Техническая документация на плиты и маты представлена ЗАО «Сан-Гобэн Изовер» (Россия).

1.4. Плиты и маты изготавливаются фирмой «Saint-Gobain Isover Oy» (Финляндия).

1.5. Плиты и маты необходимо изготавливать только с применением материалов, указанных в настоящем документе.

1.6. ФЦС при получении новой информации о технических, эксплуатационных и иных свойствах плит и матов:

- вносит изменения и дополнения в положения, содержащиеся в настоящем документе, или отменяет их;

- производит проверку соблюдения фирмой «Saint-Gobain Isover Oy» требований настоящего документа;

- при несоблюдении требований настоящего документа, в зависимости от характера допущенных нарушений, подготавливает представление о приостановлении действия или об отзыве технического свидетельства Госстроя России на плиты и маты.

2. ПРИНЦИПИАЛЬНОЕ ОПИСАНИЕ ПРОДУКЦИИ

2.1. Плиты и маты представляют собой изделия из стеклянных штапельных волокон, скрепленных между собой отвержденным синтетическим связующим.

2.2. Для изготовления волокон с температурой плавления не ниже 600 °С применяется силикатное стекло, получаемое из шихты состава, разработанного фирмой «Saint-Gobain Isover Оу» (состав стекла представлен в ФЦС).

2.3. В качестве связующего при производстве плит и матов применяются композиции, состоящие из водорастворимых синтетических смол, гидрофобизирующих, модифицирующих, обеспыливающих и иных добавок.

2.4. Маты KIM-AL представляют собой рулонированные изделия с преимущественно вертикальной ориентацией волокон, кашированные алюминиевой фольгой.

2.5. Маты KVM-50 представляют собой рулонированные изделия с преимущественно вертикальной ориентацией волокон, армированные с одной стороны сеткой из стальной оцинкованной проволоки.

2.6. Маты KVM-1 представляют собой рулонированные изделия, армированные с одной стороны алюминиевой фольгой и сеткой из стальной оцинкованной проволоки.

2.7. Маты КН представляют собой рулонированные изделия без армирования и каширования.

2.8. Плиты KLS-K выпускаются кашированными с одной стороны стеклохолстом, армированным в продольном направлении стеклянными нитями.

2.9. Плиты KVL выпускаются кашированными с одной стороны стеклохолстом черного цвета и с другой стороны - стеклохолстом белого цвета.

2.10. Маты KVM-50 и КН относятся к негорючим материалам по СНиП 21-01-97* (НГ по ГОСТ 30244-94)

2.11. Маты KIM-AL, KVM-1 и плиты KLS-K по СНиП 21-01-97* относятся к материалам: слабогорючим (Г1 по ГОСТ 30244-94), трудновоспламеняемым (В1 по ГОСТ 30402-96), с малой дымообразующей способностью (Д1 по ГОСТ 12.1.044-89, п. 4.18).

2.12. Плиты KVL по СНиП 21-01-97* относятся к материалам слабогорючим (Г1 по ГОСТ 30244-94), трудновоспламеняемым (В1 по ГОСТ 30402-96), с умеренной дымообразующей способностью (Д2 по ГОСТ 12.1.044-89, п. 4.18).

2.13. Плотность и размеры плит и матов приведены в табл. 1.

№№ п.п

Марка изделия

Плотность, кг/м3

Размеры номинальные*, мм

Обозначение НД на метод контроля

Толщина

Длина

Ширина

1.

KIM-AL

30 (±5 %)

20

30

10000

8000

1200

1200

ГОСТ 17177

25 (±5 %)

40

7500

1200

ГОСТ 17177

23 (±5 %)

50

7000

1200

ГОСТ 17177

22 (±5 %)

80

100

5500

4000

1200

1200

ГОСТ 17177

2.

KVM-1

23 (±5 %)

50

7000

1200

ГОСТ 17177

22 (±5 %)

80

100

5500

4000

1200

1200

ГОСТ 17177

3.

KVM-50

45 (±5 %)

40, 50, 60

5000

1200

ГОСТ 17177

80, 100

2500

1200

ГОСТ 17177

4.

КН

44 (±5 %)

8

15000

1220

ГОСТ 17177

34 (±5 %)

15

15000

1220

ГОСТ 17177

25 (±5 %)

20

14000

1220

ГОСТ 17177

20 (±5 %)

30

12500

1220

ГОСТ 17177

50

9000

1220

ГОСТ 17177

5.

KLS-K

41 (±5 %)

50

1200

1200

ГОСТ 17177

40 (±5 %)

80

38 (±5 %)

100

37 (±5 %)

120, 140

6.

KVL

52 (±5 %)

15

1200

1200

ГОСТ 17177

53 (±5 %)

30

51 (±5 %)

41 (±5 %)

50

100

*) по согласованию с потребителем допускается изготовление плит и матов других размеров;

**) измерение толщины, в т.ч. для определения плотности, производится в соответствии с приложением А к ГОСТ 17177 под нагрузкой (50 ± 1,5) Па.

2.14. Допускаемые отклонения от геометрических размеров составляют:

для плит KLS-K и KVL

по длине                            ±2 %

по ширине                         ±5 %

по толщине                       (+5, -3) %

для матов KIM-AL, KVM-1, KVM-50, KH

по длине                            ±2 %

по ширине                         ±10 %

по толщине                       (+15, -5) %

2.15. Предельная разнотолщинность составляет 3 мм (для плит) и 5 мм (для матов).

2.16. Предельная разность диагоналей плит составляет 3 мм.

3. НАЗНАЧЕНИЕ И ДОПУСКАЕМАЯ ОБЛАСТЬ ПРИМЕНЕНИЯ ПРОДУКЦИИ

Назначение

3.1. Основное назначение плит и матов указаны в табл. 2.

Марка изделия

Основное назначение

Предельные температуры изолируемых поверхностей, °С

KIM-AL

Теплоизоляция трубопроводов и оборудования в системах кондиционирования воздуха, в т.ч. для защиты от конденсата

Теплоизоляция трубопроводов большого диаметра и резервуаров

-60 ¸ +200

KVM-50

Теплоизоляция трубопроводов большого диаметра, резервуаров, промышленного, энергетического и вентиляционного оборудования

+60 ¸ +360

KVM-1

Теплоизоляция трубопроводов, оборудования, резервуаров

-60 ¸ +250

КН

Заполнение стыков в конструкциях технической и строительной изоляции

-60 ¸ +250

KLS-K

Теплоизоляция резервуаров, промышленного оборудования

-60 ¸ +250

KVL

Теплоизоляция оборудования, в т.ч с криволинейными поверхностями, тепло- и звукоизоляция вентиляционного оборудования и шумоглушителей

-60 ¸ +250

3.2. Условия применения плит и матов для конкретных случаев установлены СНиП 41-03-2003, СП 41-103-2000 в соответствующей проектной документации на производство работ.

3.3. Оборудование и трубопроводы, изолируемые с применением плит и матов, могут располагаться внутри и вне помещения.

3.4. Предельные положительные температуры применения для каждой толщины плит и матов определяются теплотехническим расчетом с учетом максимально допустимых температур на поверхности изоляции, установленных СНиП 41-03-2003.

Допускаемая область применения

3.5. Плиты и маты могут применяться во всех климатических районах (по СНиП 23-01-99) и зонах влажности (по СНиП 23-02-2003).

3.6. В зависимости от технических решений и, в частности, свойств защитно-покровных материалов, теплоизоляционные конструкции с применением плит и матов могут эксплуатироваться в неагрессивной, слабоагрессивной, среднеагрессивной или сильноагрессивной воздушной среде.

3.7. Соответствие характеристик плит и матов требованиям нормативных документов, а также назначению и допускаемой области применения, указанным в настоящем разделе, установлено на основе представленных заявителем документов и материалов [6.1 - 6.6] и экспертизы результатов:

- санитарно-химических испытаний плит и матов [6.7];

- пожарно-технических испытаний плит и матов [6.8, 6.9];

- физико-механических и теплофизических испытаний плит и матов [6.10].

4. ОСНОВНЫЕ ТЕХНИЧЕСКИЕ ТРЕБОВАНИЯ К ПЛИТАМ И МАТАМ

4.1. Для изготовления плит и матов должно применяться волокно из нейтрального силикатного стекла.

4.2. Для облицовки матов KIM-AL должна применяться ламинированная алюминиевая фольга, дублированная сеткой из стеклянных нитей, суммарной массой 85 г/м2.

4.3. Для армирования матов KVM-50 должны применяться стеклохолст массой 60 г/м2 и сетка массой 300 г/м2 из стальной оцинкованной проволоки диаметром 0,7 мм.

4.4. Для армирования матов KVM-1 должна применяться ламинированная алюминиевая фольга, дублированная сеткой из стеклянных нитей, суммарной массой 85 г/м2 и сетка массой 300 г/м2 из стальной оцинкованной проволоки диаметром 0,7 мм.

4.5. Для каширования плит KLS-K должен применяться стеклохолст массой 35 г/м2.

4.6. Для каширования плит KVL должен применяться стеклохолст черного цвета массой 60 г/м2 (верхняя сторона) и стеклохолст белого цвета массой 25 г/м2 (нижняя сторона).

4.7. По физико-механическим показателям цилиндры должны отвечать требованиям, приведенным в табл. 3.

Таблица 3

№№ п.п.

Наименование показателя

Требуемое значение для марок

Обозначение НД на метод контроля

KIM-AL

KVM-50

KVM-1

КН

KLS-K

KVL

1.

Теплопроводность, Вт/мК, не более:

при (283 ± 1) К, l10

0,035

0,035

0,035

0,034

0,035

0,032

ГОСТ 7076

 

при (298 ± 1) К, l25

0,039

0,037

0,039

0,038

0,038

0,035

ГОСТ 7076

 

при т (398 ± 1) К, l125

0,065

0,055

0,060

0,053

0,052

0,050

ГОСТ 7076

2.

Содержание органических веществ, % по массе

4

(±0,5 %)

3

(±0,5 %)

4

(±0,5 %)

5

(±0,5 %)

4

(±0,5 %)

7

(±0,5 %)

ГОСТ 17177

3.

Сжимаемость, %, не более

45

17

30

55

25

10

ГОСТ 17177

*) теплопроводность определяется при номинальной толщине.

4.8. Плиты и маты должны иметь однородную структуру без пустот, разрывов и расслоений, не содержать посторонних включений.

4.9. Материалы, применяемые для кэширования, должны быть приклеены по всей площади изделий без надрывов, задиров и отслоений.

4.10. Армирующая сетка должна быть равномерно прошита по всей площади матов стальной оцинкованной проволокой.

4.11. Упаковка и маркировка

4.11.1. Маты KIM-AL, KVM-50, KVM-1, КН сворачивают в рулоны, которые затем упаковывают в термоусадочную пленку.

Маты КН при рулонировании сжимают до 25 % от номинальной толщины.

Упакованные маты укладывают на поддоны, которые могут дополнительно оборачиваться самостягивающейся пленкой.

4.11.2. Каждое упакованное место снабжается этикеткой, содержащей следующие сведения:

- наименование предприятия-изготовителя и/или его товарный знак;

- наименование и марка продукции;

- геометрические размеры;

- количество продукции в упаковке (м3, м2 или м.п.);

- дата изготовления;

- изображение знака пригодности;

- другая информация по усмотрению изготовителя.

4.11.3. Плиты и маты отгружают потребителю партиями. Партией считается количество цилиндров одной марки и типоразмера, сопровождаемое одним документом о качестве (паспорт или сертификат).

5. БЕЗОПАСНОСТЬ И НАДЕЖНОСТЬ ПРИМЕНЕНИЯ ПРОДУКЦИИ

Условия, обеспечивающие безопасность и надежность применения продукции, должны устанавливаться в проектной (технологической) документации на выполнение работ с применением плит и матов с учетом требований действующих нормативных документов и настоящей технической оценки. При этом:

5.1. Плиты и маты должны применяться в соответствии с требованиями СНиП 41-03-2003, СП 41-103-2000, проектной документацией на производство работ, а также назначением и допускаемой областью применения, указанными в разделе 3 настоящего документа.

5.2. При применении плит и матов должны соблюдаться правила охраны труда и техники безопасности, установленные СНиП 12-03-2001, СНиП 12-04-2002 и другими нормативными документами.

6. ПЕРЕЧЕНЬ ИСПОЛЬЗУЕМЫХ ДОКУМЕНТОВ И МАТЕРИАЛОВ

6.1. Каталог изделий ISOTEC. Фирма «Saint-Gobain Isover Oy», 2000.

6.2. Спецификации продуктов KLS-K, KVL, KIM-AL, KVM-50, KVM-1, КН. Фирма «Saint-Gobain Isover Oy», 2004.

6.3. Сертификат № 125539 от 19.02.03 на систему менеджмента качества по ISO 001:2000. Bureau Veritas Quality International, Роттердам, Нидерланды.

6.4. СНиП 41-03-2003 «Тепловая изоляция оборудования и трубопроводов».

6.5. СП 41-103-2000 «Проектирование тепловой изоляции оборудования и трубопроводов».

6.6. В. Альбрехт «Предельные рабочие температуры применения для теплоизолирующих материалов из минеральных волокон при повышенных температурах». НИИ Теплоизоляции, г. Мюнхен, Германия, 1988.

6.7. Санитарно-эпидемиологические заключения № 78.01.06.570.П.002494.05.3; № 78.01.06.570.П.002497.05.3 от 21.05.03 Центра Госсанэпиднадзора в г. Санкт-Петербурге.

6.8. Сертификаты пожарной безопасности № ССПБ.FI.ОП002.Н.01408 и № ССПБ.FI.ОП002.Н01409 от 22.03.04 Санкт-Петербургского филиала ФГУ ВНИИПО МЧС России.

6.9. Сертификат пожарной безопасности № ССПБ.FI.ОП031. от 19.07.04 ОС «Огнестойкость-ЦНИИСК», г. Москва.

6.10. Протокол испытаний № 30ТС от 02.10.03 ИЦ «Стройтеплоизоляция-Тест», г. Апрелевка, Московской обл.

Эксперт                                                                      А.Г. Шеремет

Настоящий документ действителен до 25 августа 2005 г.

ТЕХНИЧЕСКАЯ ОЦЕНКА

ПРИГОДНОСТИ ПРОДУКЦИИ ДЛЯ ПРИМЕНЕНИЯ В СТРОИТЕЛЬСТВЕ

№ ТО-1002-04

Продукция: Цилиндры ISOTEC марок КК, KK-AL, KK-ALC из стеклянного штапельного волокна на синтетическом связующем

Изготовитель: Фирма «Saint-Gobain Isover AB» (Швеция)

Назначение: Для тепловой изоляции трубопроводов различного назначения

Настоящий документ является приложением к техническому свидетельству Госстроя России № ТС-07-1002-04; содержит 7 л., заверенных печатью ФЦС

1. ОБЩИЕ ПОЛОЖЕНИЯ

1.1. Настоящий документ содержит требования к продукции - цилиндры ISOTEC марок КК, KK-AL, KK-ALC из стеклянного штапельного волокна на синтетическом связующем (далее - цилиндры), предназначенные для тепловой изоляции трубопроводов различного назначения.

Документ предназначен для использования при разработке в установленном порядке технической документации на продукцию и проектной документации на строительство объектов с её применением.

При проектировании и строительстве объектов с использованием указанной продукции должны соблюдаться обязательные требования строительных, санитарных, пожарных, промышленных, экологических, а также других норм безопасности, утвержденных в соответствии с действующим порядком.

1.2. Настоящий документ составлен на основании результатов анализа представленных заявителем документов и материалов (перечень приведен в приложении к технической оценке), результатов дополнительно проведенных испытаний в испытательных центрах ОАО «Теплопроект», Санкт-Петербургского филиала ВНИИПО МЧС России, ЦНИИСК им. Кучеренко, Центра Госсанэпиднадзора в г. Санкт-Петербурге.

Документ не устанавливает юридические права заявителя на технические и технологические решения, примененные в продукции.

Заявитель несет ответственность за недостоверность и неполноту (сокрытие) информации в представленных им документах и материалах на продукцию, что может привести к снижению уровня безопасности и надежности продукции и объектов с её применением.

1.3. Техническая документация на цилиндры представлена ЗАО «Сан-Гобэн Изовер» (Россия).

1.4. Цилиндры изготавливаются фирмой «Saint-Gobain Isover AB» (Швеция).

1.5. Цилиндры необходимо изготавливать только с применением материалов, указанных в настоящем документе.

1.6. ФЦС при получении новой информации о технических, эксплуатационных и иных свойствах цилиндров:

- вносит изменения и дополнения в положения, содержащиеся в настоящем документе, или отменяет их;

- производит проверку соблюдения фирмой «Saint-Gobain Isover AB» требований настоящего документа;

- при несоблюдении требований настоящего документа, в зависимости от характера допущенных нарушений, подготавливает представление о приостановлении действия или об отзыве технического свидетельства Госстроя России на цилиндры.

2. ПРИНЦИПИАЛЬНОЕ ОПИСАНИЕ ПРОДУКЦИИ

2.1. Цилиндры представляют собой полые изделия из стеклянных штапельных волокон, скрепленных между собой отвержденным синтетическим связующим.

2.2. Цилиндры изготавливают методом навивки и последующей термообработки.

2.3. Для изготовления волокон с температурой плавления не ниже 600 °С применяется силикатное стекло состава, разработанного фирмой «Saint-Gobain Isover АВ» (состав стекла представлен в ФЦС).

2.4. В качестве связующего при производстве цилиндров применяются композиции, состоящие из водорастворимых синтетических смол, гидрофобизирующих, модифицирующих, обеспыливающих и иных добавок.

2.5. Цилиндры имеют сплошной продольный разрез вдоль образующей и, в необходимых случаях, соответствующий ему надрез изнутри на противоположной стороне.

2.6. Цилиндры марки KK-ALC выпускают облицованными алюминиевой фольгой, дублированной стеклосеткой.

2.7. Цилиндры марки KK-AL выпускаю облицованными алюминиевой фольгой, дублированной стеклосеткой, и оснащены также клейкой лентой вдоль разреза для последующей герметизации шва.

2.8. Цилиндры марок KK-AL и КК по СНиП 21-01-97* относятся к материалам слабогорючим (Г1 по ГОСТ 30244-94), трудновоспламеняемым (В1 по ГОСТ 30402-96), с малой дымообразующей способностью (Д1 по ГОСТ 12.1.044-89, п. 4.18).

2.9. Цилиндры марки KK-ALC по СНиП 21-01-97* относятся к материалам слабогорючим (Г1 по ГОСТ 30244-94), трудновоспламеняемым (В1 по ГОСТ 30402-96), с умеренной дымообразующей способностью (Д2 по ГОСТ 12.1.044-89, п. 4.18).

2.10. Номинальная плотность и размеры цилиндров приведены в табл. 1.

Таблица 1

№№ п.п.

Плотность, кг/м3

Размеры, мм

Обозначение НД на метод контроля

Длина

Диаметр внутренний

Толщина стенки

1

2

3

4

5

6

1.

90 (±5 %)

1200

12, 15, 18, 22, 28, 35

20

ГОСТ 17177

 

 

 

42, 48, 54, 60, 70, 76, 83, 89, 102, 108, 114

20

ГОСТ 17177

2.

75 (±5 %)

1200

12, 15, 18, 22, 28, 35, 42, 48, 54, 60, 70, 76, 83, 89, 102, 108, 114, 133, 140, 159, 168

25

ГОСТ 17177

3.

75 (±5 %)

1200

12, 15, 18, 22, 28, 35, 42, 48, 54, 60, 70

30

ГОСТ 17177

4.

75 (±5 %)

1200

12, 15, 18, 22, 28, 35, 42, 48, 54, 60

40

ГОСТ 17177

5.

70 (±5 %)

1200

76, 83, 89, 102, 108, 114, 133, 140, 159, 168

30

ГОСТ 17177

6.

70 (±5 %)

1200

70, 76, 83, 89, 102, 108, 114, 133, 140, 159, 168

40

ГОСТ 17177

7.

65 (±5 %)

1200

194, 219, 273, 324

40

ГОСТ 17177

8.

65 (±5 %)

1200

15, 18, 22, 28, 35, 42, 48, 54, 60, 70, 76, 83, 89, 102, 108, 114, 133, 140, 159, 168, 194, 219, 273, 324

50, 60

ГОСТ 17177

9.

65 (±5 %)

1200

54, 60, 70, 76, 83, 89, 102, 108, 114, 133, 140, 159, 168, 194, 219, 273, 324

80

ГОСТ 17177

10.

65 (±5 %)

1200

102, 108, 114, 133, 140, 159, 168, 194, 219, 273

100

ГОСТ 17177

11.

65 (±5 %)

1200

108, 114, 133, 140, 159, 168, 194, 219

120

ГОСТ 17177

1.6. Допускаемые отклонения от линейных размеров составляют, мм

- по длине                                                                                           ±2

- по толщине стенки: при наружном диаметре < 141 мм             ±1

при наружном диаметре > 141 мм               ±2

3. НАЗНАЧЕНИЕ И ДОПУСКАЕМАЯ ОБЛАСТЬ ПРИМЕНЕНИЯ

Назначение

3.1. Цилиндры предназначены для тепловой изоляции трубопроводов в системах горячего и холодного водоснабжения, отопления и кондиционирования воздуха, канализации, технологических трубопроводов и т.п.

3.2. Трубопроводы, изолируемые с применением цилиндров, могут располагаться на эстакадах, в подземных каналах, в теплораспределительных пунктах, внутри помещений промышленных предприятий, на технических этажах жилых, общественных, административных зданий.

3.3. Основные варианты применения цилиндров, в зависимости от марки, приведены в табл. 2.

Таблица 2

Марки цилиндров

Основное применение

Предельные температуры изолируемых поверхностей

КК (необлицованные)

Изоляция трубопроводов в системах отопления, горячего водоснабжения, паропроводов, технологических трубопроводов

-60 °С ¸ +360 °С

KK-AL

Теплоизоляция и конденсатоизоляция трубопроводов холодного водоснабжения и канализации

+5 °С ¸ +20 °С

KK-ALC

Изоляция трубопроводов в системах отопления, горячего водоснабжения, паропроводов, технологических трубопроводов

-60 °С ¸ +360 °С

3.4. Условия применения цилиндров для конкретных случаев установлены СНиП 41-03-2003, СНиП 41-103-2000 и проектной документации на выполнение соответствующих работ.

3.5. Предельные положительные температуры применения для каждого типоразмера цилиндров определяются теплотехническим расчетом с учетом максимально допустимых температур на поверхности изоляции, установленных СНиП 41-03-2003.

Допускаемая область применения

3.6. Цилиндры могут применяться во всех климатических районах (по СНиП 23-01-99) и зонах влажности (по СНиП 23-02-2003).

3.7. В зависимости от технических решений и, в частности, свойств защитно-покровных материалов, теплоизоляционные конструкции с применением цилиндров могут эксплуатироваться в неагрессивной, слабоагрессивной, среднеагрессивной или сильноагрессивной воздушной среде.

3.8. Соответствие характеристик цилиндров требованиям нормативных документов, а также назначению и допускаемой области применения, указанным в настоящем разделе, установлено на основе представленных заявителем документов и материалов [6.1 - 6.5] и экспертизы результатов:

- санитарно-химических испытаний цилиндров [6.6];

- пожарно-технических испытаний цилиндров [6.7];

- физико-механических и теплофизических испытаний цилиндров [6.8].

4. ОСНОВНЫЕ ТЕХНИЧЕСКИЕ ТРЕБОВАНИЯ ЦИЛИНДРАМ

4.1. Для изготовления цилиндров должно применяться волокно из нейтрального силикатного стекла.

4.2. Для облицовки цилиндров KK-AL и KK-ALC должна применяться алюминиевая фольга толщиной 18 мкм, дублированная сеткой из стеклянных нитей плотностью 15 г/м2 и полиэтиленовой пленкой плотностью 25 г/м2.

4.3. По физико-механическим показателям цилиндры должны отвечать требованиям, приведенным в табл. 3.

Таблица 3

№№ п.п.

Наименование показателя

Требуемое значение

Обозначение НД на метод контроля

1.

Теплопроводность, Вт/мК, не более:

при температуре (283 ± 1) К, l10

0,032

ГОСТ 7076

при температуре (298 ± 1) К, l25

0,033

 

при температуре (398 ± 1) К, l125

0,049

 

2.

Содержание органических веществ, % по массе

7 ± 0,5

ГОСТ 17177

3.

Предел прочности при растяжении, МПа, не менее

0,06

ГОСТ 17177

4.4. Цилиндры должны иметь однородную структуру без пустот, расслоений и разрывов, не содержать посторонних включений.

4.5. Алюминиевая фольга, используемая для облицовки цилиндров KK-AL и KK-ALC, должна быть приклеена к поверхности по всей площади без складок, надрывов и отслоений.

4.6. Упаковка и маркировка

4.6.1. Цилиндры укладывают в картонные короба, которые далее заклеивают по линии разъема.

4.6.2. Цилиндры малых диаметров могут упаковываться по нескольку штук в термоусадочную пленку.

4.6.3. Упакованные по п.п. 4.6.1. и 4.6.2. цилиндры укладывают на поддоны, которые могут дополнительно оборачиваться самостягивающейся пленкой.

4.6.4. Каждое упакованное место снабжается этикеткой, содержащей следующие сведения:

- наименование предприятия-изготовителя и/или его товарный знак;

- наименование и марка продукции;

- внутренний диаметр и толщина стенки, мм;

- количество цилиндров в упаковке (шт., м.п.);

- дата изготовления;

- изображение знака пригодности;

- другая информация по усмотрению изготовителя.

4.6.5. Цилиндры отгружают потребителю партиями. Партией считается количество цилиндров одной марки и типоразмера, сопровождаемое одним документом о качестве (паспорт или сертификат).

5. БЕЗОПАСНОСТЬ И НАДЕЖНОСТЬ ПРИМЕНЕНИЯ ПРОДУКЦИИ

Условия, обеспечивающие безопасность и надежность применения продукции, должны устанавливаться в проектной (технологической) документации на выполнение работ с применением цилиндров с учетом требований действующих нормативных документов и настоящей технической оценки. При этом:

5.1. Цилиндры должны применяться в соответствии с требованиями СНиП 41-03-2003, СП 23-103-2000, проектной документацией на производство работ, а также назначением и допускаемой областью применения, указанными в разделе 3 настоящего документа.

5.2. При применении цилиндров должны соблюдаться правила охраны труда и техники безопасности, установленные СНиП 12-03-2001, СНиП 12-04-2002 и другими нормативными документами.

6. ПЕРЕЧЕНЬ ИСПОЛЬЗУЕМЫХ ДОКУМЕНТОВ И МАТЕРИАЛОВ

6.1. Каталог изделий ISOTEC. Фирма «Saint-Gobain Isover AB», 2000.

6.2. Спецификации продуктов КК, KK-AL, КК-АLС. Фирма «Saint-Gobain Isover AB», 2004.

6.3. Сертификат № 83148 от 28.01.03 на систему менеджмента качества по SS EN ISO 9001:2000. Bureau Veritas Quality International, Sweden.

6.4. СНиП 41-03-2003 «Тепловая изоляция оборудования и трубопроводов».

6.5. СП 41-103-2000 «Проектирование тепловой изоляции оборудования и трубопроводов».

6.6. В. Альбрехт «Предельные рабочие температуры применения для теплоизолирующих материалов из минеральных волокон при повышенных температурах». НИИ Теплоизоляции, г. Мюнхен, Германия, 1988.

6.7. Санитарно-эпидемиологическое заключение № 78.01.06.570.П.002497.05.3 от 21.05.03 Центра Госсанэпиднадзора в г. Санкт-Петербурге.

6.8. Сертификаты пожарной безопасности № ССПБ.SЕ.ОП002.Н00975 и № ССПБ.SЕ.ОП002.Н00976 от 28.02.02 Санкт-Петербургского филиала ВНИИПО МВД России.

6.9. Протокол испытаний № 30ТС от 02.10.03 ИЦ «Стройтеплоизоляция-Тест» НИЦ ОАО «Теплопроект», г. Апрелевка, Московской обл.

Эксперт                                                                           А.Г. Шеремет

Настоящий документ действителен до 25 августа 2005 г.

ТЕХНИЧЕСКАЯ ОЦЕНКА

ПРИГОДНОСТИ ПРОДУКЦИИ ДЛЯ ПРИМЕНЕНИЯ В СТРОИТЕЛЬСТВЕ

№ ТО-0910-04

Продукция      Плиты марок KL-E, KL, KL-C, KL-A и маты марок КТ-11, КТ-11-TWIN, КТ, КТ-11-AL из стеклянного штапельного волокна на синтетическом связующем

Изготовитель: Фирма «Saint-Gobain Isover Oy» (Финляндия)

Назначение:    Для использования в качестве теплоизоляционного слоя в строительных конструкциях и системах

Настоящий документ является приложением к техническому свидетельству Госстроя России № ТС-07-0910-04; содержит 8, заверенных печатью ФЦС

1. ОБЩИЕ ПОЛОЖЕНИЯ

1.1. Настоящий документ содержит требования к продукции - плиты марок KL-Е, KL, KL-C, KL-A и маты марок КТ-11, КТ-11-TWIN, KT, KT-11-AL из стеклянного штапельного волокна на синтетическом связующем (далее - плиты и маты), предназначенные для использования в качестве теплоизоляционного слоя в строительных конструкциях и системах.

Документ предназначен для использования при разработке в установленном порядке технической (проектной) документации на продукцию и на строительство объектов с ее применением.

При проектировании и строительстве объектов с использованием указанной продукции должны соблюдаться обязательные требования строительных, санитарных, пожарных, промышленных, экологических, а также других норм безопасности, утвержденных в соответствии с действующим порядком.

1.2. Настоящий документ составлен на основании представленных заявителем документов и материалов, результатов их экспертизы, и не устанавливает юридические права заявителя на технические и технологические решения, примененные в продукции.

Заявитель несет ответственность за недостоверность и неполноту (сокрытие) информации в представленных им документах и материалах по продукции, что может привести к снижению уровня безопасности и надежности продукции и объектов с ее применением.

1.3. Техническая документация на плиты и маты представлена ЗАО «Сан-Гобэн Изовер» (г. Москва).

1.4. Плиты и маты изготавливает фирма «Saint-Gobain Isover Oy» (Финляндия).

1.5. Изготовление плит и матов необходимо осуществлять только с использованием материалов, указанных в настоящем документе.

1.6. ФЦС при получении новой информации о технических, технологических или иных свойствах плит и применяемых для их изготовления материалов:

- вносит изменения и дополнения в положения, содержащиеся в настоящем документе, или отменяет их;

- производит проверку соблюдения фирмой «Saint-Gobain Isover Oy» требований настоящего документа;

- при несоблюдении требований настоящего документа подготавливает, в зависимости от характера допущенных нарушений, представление о приостановлении действия или об отзыве технического свидетельства Госстроя России на плиты и маты.

2. ПРИНЦИПИАЛЬНОЕ ОПИСАНИЕ ПРОДУКЦИИ

2.1. Плиты и маты представляют собой изделия из стеклянных штапельных волокон, скрепленных между собой отвержденным синтетическим связующим.

2.2. Маты представляют собой длинномерные изделия по п. 2.1, поставляемые в виде рулонов.

2.3. Для изготовления волокон применяется нейтральное силикатное стекло, получаемое из шихты соответствующего состава (состав стекла представлен в ФЦС).

2.4. В качестве связующего при производстве плит и матов применяются композиции, состоящие из водорастворимых смол, модифицирующих, обеспыливающих, гидрофобизирующих и иных добавок.

2.5. Плиты KL-C выпускаются кашированными стеклохолстом с обеих сторон.

2.6. Маты КТ-11-TWIN являются двухслойными изделиями и состоят из двух полотен, получаемых при горизонтальной разрезке матов КТ-11 толщиной 100 мм.

2.7. Маты марки KT-11-AL выпускаются кашированными алюминиевой фольгой с одной стороны.

2.8. Плиты и маты всех марок кроме KL-C и КТ-11-AL относятся к негорючим материалам по СНиП 21-01-97* (группа НГ по ГОСТ 30244-94).

2.9. Плиты марки KL-C и маты марки КТ-11-AL относятся по СНиП 21-01-97* к материалам слабогорючим (группа Г1 по ГОСТ 30244-94), трудновоспламеняемым (группа В1 по ГОСТ 30402-96), с малой дымообразующей способностью (группа Д1 по ГОСТ 12.1.044-89, п. 4.18).

Стекловолокнистая основа плит и матов является негорючей.

2.10. Плиты и маты всех указанных в настоящем документе марок обладают динамическими модулями упругости, отвечающие требованиям СНиП II-12-77 и ГОСТ 23499-79.

2.11. Размеры плит и матов, выпускаемых в форме прямоугольного параллелепипеда, и допускаемые отклонения от них указаны в табл. 1.

Таблица 1

Марка

Плотность, кг/м3

Размеры* (допускаемые отклонения), мм

Обозначение НД на метод контроля

Длина

Ширина

Толщина**)

1

2

3

4

5

6

KL-E

16 (±10 %)

1220

(±2 %)

565

(±1,5 %)

50 ¸ 100 (-3 %, +5 %)

с интервалом 10

ГОСТ 17177

KL

17 (±10 %)

910 ¸ 1320

(±2 %)

565; 610

(±1,5 %)

42 ¸ 100 (-3 %, +5 %)

с интервалом 10

ГОСТ 17177

KL-C

17 (±10 %)

870

(±2 %)

565; 610

(±1,5 %)

50 ¸ 100 (-3 %, +5 %)

с интервалом 10

ГОСТ 17177

KL-A

23 (±10 %)

910 - 1220

(±2 %)

565; 610

(±1,5 %)

50 ¸ 100 (-3 %, +5 %)

с интервалом 10

ГОСТ 17177

КТ-11

11 (±10 %)

7000 ¸ 14000

(±2 %)

1220

(±1,5 %)

50; 75; 100(-3 %, +5 %)

ГОСТ 17177

КТ-11-TWIN

11 (±10 %)

7000 (±2 %)

1200

(±1,5 %)

2´50 (-3 %, +5 %)

ГОСТ 17177

КТ

16 (±10 %)

4200 ¸ 11100

(±2 %)

575 ¸ 1170

(±1,5 %)

50 ¸ 150 (-3 %, +5 %)

с интервалом 10

ГОСТ 17177

KT-11-AL

11 (±10 %)

7000 ¸ 44000

(±2 %)

1220

(±1,5 %)

50; 100 (-3 %, +5 %)

ГОСТ 17177

*) - По согласованию с потребителем допускается изготовление плит и матов других размеров.

**) - Измерение толщины, в том числе для определения плотности производится в соответствии с приложением А к ГОСТ 17177 под нагрузкой (50 ± 1,5) Па

2.12. Предельная разнотолщинность плит и матов составляет 3 мм. Предельная разность диагоналей плит составляет 3 мм.

3. НАЗНАЧЕНИЕ И ДОПУСКАЕМАЯ ОБЛАСТЬ ПРИМЕНЕНИЯ ПРОДУКЦИИ

Назначение

3.1. Основное назначение плит и матов приведено в табл. 2.

Таблица 2

Марка изделия

Основное назначение

KL-E

KL

KL-A

Ненагружаемая теплоизоляция стен малоэтажных строений (при установке утеплителя в обрешетку), перегородок, полов, чердачных перекрытий

Теплоизоляция скатных кровель и мансард (в сочетании с ветрозащитными плитами из стекловолокна или минеральной ваты или с ветрогидрозащитными мембранами)

Первый (внутренний) теплоизоляционный слой в системах утепления с воздушным зазором наружных стен зданий при выполнении изоляции в два слоя и при применении в качестве второго (наружного) слоя плит из минеральной ваты плотностью не менее 80 кг/м3 (например: Ventiterm, Ventiterm Plus, Polterm 80, Polterm 100)

To же в конструкциях трехслойных стен с воздушным зазором

Теплоизоляционный слой в полностью или частично выполненных из мелкоштучных материалов многослойных наружных стенах (только плиты KL-A)

KL-C

КТ-11

KT-11-TWIN

КТ

Ненагружаемая теплоизоляция и звукоизоляции стен малоэтажных строений (при установке утеплителя в обрешетку) перегородок, потолков, чердачных перекрытий, полов

KT-11-AL

Ненагружаемая теплоизоляция перегородок, легких покрытий, стен и потолков бань и саун (при установке утеплителя фольгой внутрь)

Кроме назначения, указанного в табл. 2, плиты и маты всех марок могут применяться:

- в конструкциях звукопоглощающих облицовок в оболочке из стеклоткани из тонкой полимерной пленки и с защитным перфорированным экраном из металлических листов или просечно-вытяжной сетки для снижения шума в помещениях общественных и промышленных зданий;

- в конструкциях легких перегородок из гипсокартонных или гипсоволокнистых листов в качестве демпфирующего слоя;

- в глушителях шута, создаваемого установками вентиляции и кондиционирования воздуха;

- для наружной облицовки воздуховодов с целью уменьшения уровня шума.

3.2. Плиты и маты применяются при новом строительстве, реконструкции и ремонте зданий и сооружений различного назначения.

Допускаемая область применения

3.3. Плиты и маты могут применяться во всех климатических районах (по СНиП 23-01-99) и зонах влажности (по СНиП 23-02-2003).

3.4. В зависимости от конкретных технических решений объектов конструкции с применением плит могут эксплуатироваться в неагрессивной, слабоагрессивной или среднеагрессивной воздушной среде.

4. ОСНОВНЫЕ ТЕХНИЧЕСКИЕ ТРЕБОВАНИЯ К ПРОДУКЦИИ

4.1. Для изготовления плит и матов должно применяться стеклянное волокно, соответствующее требованиям, приведенным в табл. 3.

Таблица 3

Наименование показателя

Требуемое значение

Обозначение НД на метод контроля

Водородный показатель (рН) водной вытяжки

7,0

ГОСТ 4640

Средний диаметр волокна *), мкм

5 - 6

ГОСТ 17177

*) для определения диаметра волокна на предприятии-изготовителе может применяться собственная методика, основанная на измерении т.н. «воздушного индекса».

4.2. При изготовлении плит KL-C должен применяться стеклохолст плотностью 50 г/м2.

При изготовлении матов KT-11-AL должна применяться алюминиевая фольга плотностью 24 г/м2, дублированная бумагой плотностью 80 г/м2.

4.3. По физико-механическим показателям плиты и маты должны отвечать требованиям, приведенным в табл. 4.

Наименование показателя

Требуемое значение для марок

Обозначение НД на метод контроля

KL-E

KL

KL-C

KL-A

КТ-11, КТ-11-TWIN

КТ

КТ-11-AL

Теплопроводность при (283 ± 5) К, (l10)1), Вт/(м×К), не более

0,036

0,036

0,036

0,033

0,041

0,036

0,041

ГОСТ 7076

Теплопроводность при (298 ± 5) К, (l25), Вт/(м×К), не более

0,039

0,039

0,039

0,036

0,044

0,039

0,044

ГОСТ 7076

Теплопроводность при условиях эксплуатации по СНиП 23-02-2003, Вт/(м×К): А (lА)

Б (lБ)

0,046

0,051

0,046

0,051

0,046

0,051

0,042

0,048

0,048

0,053

0,044

0,050

0,048

0,053

СП 23-02-2003 прил. Ж

Паропроницаемость, мг/м×ч×Па, не менее

0,55

0,55

0,55

0,55

0,55

0,55

-

ГОСТ 25898

Содержание органических веществ, % по массе, не более

5,5

(±10 %)

5,5

(±10 %)

6,0

(±10 %)

6,0

(±10 %)

4,5

(±10 %)

4,5

(±10 %)

4,5

(±10 %)

ГОСТ 17177

Возвратимость после снятия сжимающей нагрузки, %, не менее

98

98

98

98

98

98

98

ГОСТ 17177

Водопоглощение при частичном погружении, % по массе, не более

15

15

15

15

15

15

15

ГОСТ 17177

1) - справочное значение

4.4. Плиты и маты должны иметь однородную структуру без пустот, разрывов и расслоений, не содержать посторонних включений.

4.5. Материалы, применяемые для каширования при изготовлении плит марки KL-C и матов марки KT-11-AL, должны быть приклеены к поверхности изделия по всей площади без отслоений, надрывов и проколов.

4.6. Упаковка и маркировка

4.6.1. Плиты собирают в технологические пакеты, подпрессовывают до 25 % от исходной толщины и упаковывают в полиэтиленовую пленку.

4.6.2. Технологические пакеты далее укладывают на палеты, которые также могут быть упакованы в полиэтиленовую пленку с нанесенным на нее логотипом изготовителя.

4.6.3. Плиты могут также поставляться в крупноразмерных упаковках MULTI-PACK на поддонах.

4.6.4. Маты в рулонированном виде упаковывают в мешки из термоусадочной полиэтиленовой пленки. При упаковке маты подпрессовываются до 25 % от исходной толщины.

4.6.5. На каждый технологический или транспортный пакет наносят маркировку, содержащую следующую информацию:

- марка продукции;

- количество продукции в упаковке (м2, м3);

- номинальные геометрические размеры изделия;

- дата изготовления;

- изображение знака пригодности с обозначением настоящего технического свидетельства;

- другая информация по усмотрению изготовителя.

5. БЕЗОПАСНОСТЬ И НАДЕЖНОСТЬ ПРИМЕНЕНИЯ ПРОДУКЦИИ

Условия безопасности и надежности применения продукции должны устанавливаться в проекте на строительство конкретного объекта с ее применением с учетом требований настоящей технической оценки. При этом:

5.1. Соответствие характеристик плит и матов требованиям нормативных документов, а также назначению и допускаемой области применения, указанным в разделе 3 настоящего документа, установлено на основе анализа представленных заявителем документов и материалов [6.1 - 6.7] и экспертизы результатов:

- санитарно-химических испытаний плит и матов [6.8];

- пожарно-технических испытаний плит и матов [6.9];

- теплофизических испытаний плит и матов [6.10];

- акустических испытаний плит [6.11].

5.2. Плиты и маты должны применяться в соответствии с проектной документацией на строительство, требованиями СНиП 23-02-2003, а также назначением и допускаемой областью применения, указанным в разделе 3 настоящего документа.

5.3. При применении плит и матов должны выполняться правила охраны труда и техники безопасности, установленные СНиП 12-03-2001, СНиП 12-04-2002 и другими нормативными документами.

5.4. При применении плит в фасадных системах с воздушным зазором их поверхность должны быть защищена снаружи плитами из минеральной ваты с температурой плавления волокон не ниже 1000 °С.

Обрамления оконных и дверных проемов должно осуществляться полосами из минераловатных плит на всю толщину теплоизоляционного слоя.

6. ПЕРЕЧЕНЬ ИСПОЛЬЗОВАННЫХ ДОКУМЕНТОВ И МАТЕРИАЛОВ

6.1. Техническое свидетельство Госстроя России № ТС-07-0666-03 от 13.02.03.

6.2. Каталог по строительной изоляции ISOVER. Фирма «Saint-Gobain Isover Оу» (Финляндия), ЗАО «Сан-Гобэн Изовер».

6.3. Спецификации продуктов KL-E, KL, KL-C, KL-A,KT-11, КТ-11-TWIN, КТ, КТ-11-AL. ЗАО «Сан-Гобэн Изовер».

6.4. СНиП 23-02-2003 «Тепловая защита зданий».

6.5. СНиП II-12-77 «Защита от шума».

6.6. ГОСТ 23499-79 «Материалы и изделия строительные звукопоглощающие и звукоизоляционные. Классификация и общие требования».

6.7. Сертификат соответствия № 125539 от 19.02.03 на систему менеджмента качества по ISO 9001:2000. Фирма «Saint-Gobain Isover Oy». Bureau Veritas Quality International. Роттердам, Нидерланды.

6.8. Санитарно-эпидемиологическое заключение № 78.01.06.570.П.002494.05.03 от 21.05.03 на теплоизоляционные материалы ISOVER: KL-E, KL, KL-C, KL-A, KT-11, KT-11-TWIN, KT, KT-11-AL. Центр Госсанэпиднадзора в г. Санкт-Петербурге.

6.9. Сертификаты пожарной безопасности, выданные Санкт-Петербургским филиалом ВНИИПО МВД России:

- № ССПБ.F1.ОП002.Н01408 от 22.03.04 на тепло- и звукоизоляционные материалы ISOVER марок KL-E, KL, KL-A, КТ-11, КТ;

- № ССПБ.F1.ОП002.Н01409 от 22.03.04 на тепло- и звукоизоляционный материал ISOVER марки КТ-11-AL.

6.10. Заключение от 10.04.01 по результатам лабораторных исследований теплотехнических характеристик теплоизоляционных изделий из стеклянного волокна производства компании SAINT-GOBAIN ISOVER ОY. НИИСФ РААСН, г. Москва.

6.11. Протокол акустических испытаний № 97-002 от 07.10.03. ИЛ НИИСФ РААСН, г. Москва.

Эксперт                                                        А.Г. Шеремет

Настоящий документ действителен до 07 июня 2005 г.

СЕРТИФИКАТЫ СООТВЕТСТВИЯ НА ТЕПЛОИЗОЛЯЦИОННЫЕ МАТЕРИАЛЫ «ИЗОВЕР»

Сертификат выдан на основании:

Документ

(наименование, номер, дата)

Исполнитель

(наименование, регистрационный номер)

Отчет по испытаниям

№ 0063-04 С от 19.03.2004 г.

НИЦ ПБ

СПбФ ФГУ ВНИИПО МЧС России

ССПБ.RU.ИН.002 от 25.11.2002 г.

Заключение о результатах проверки условий производства сертифицируемой продукции № 1241 от 28.10.2003 г.

ОС

СПбФ ФГУ ВНИИПО МЧС России

ССПБ.RU.ОП.002 от 25.11.2002 г.

 

Маркировка товара и технической документации, прилагаемой к каждой единице продукции, осуществляется знаком соответствия ССПБ, наносимым на каждое изделие, его тару, упаковку, товаросопроводительную документацию в соответствии с требованиями:

«Положение о знаке соответствия системы сертификации в области пожарной безопасности.

(Обозначение нормативных документов)

Знак соответствия системы. Форма, размеры и технические требования»

(Приложение № 1 к приказу МЧС России от 18.06.03 г. № 312)

Описание местонахождения знака соответствия _______________________________

рядом с товарным знаком завода-изготовителя

В случае невыполнения условий, лежащих в основе выдачи сертификата, он отменяется (приостанавливается) органом по сертификации, выдавшим сертификат.

Сертификат выдан органом по сертификации Санкт-Петербургского филиала_______

(Наименование органа по сертификации,

Федерального государственного учреждения «Всероссийский ордена «Знак Почета»

выдавшего сертификат, адрес, № в Госреестре)

научно-исследовательский институт противопожарной обороны МЧС России»,

Россия, 193079, Санкт-Петербург, Октябрьская наб., 35, peг. индекс ССПБ.RU.ОП.002,

тел. (812) 441-0741, факс: (812) 441-1171

Руководитель органа по сертификации       __________                 B.C. Махин

(Подпись)                      (Инициалы, фамилия)

Эксперт                   __________                  И.Б. Алексеенко

(Подпись)                      (Инициалы, фамилия)

Настоящий сертификат «подтверждает соответствие продукции установленным требованиям пожарной безопасности и является необходимым документом для получения разрешения на ввоз продукции на территорию Российской Федерации.

Сертификат выдан на основании:

Документ

(наименование, номер, дата)

Исполнитель

(наименование, регистрационный номер)

Отчет по испытаниям

№ 0041-04 С от 12.03.2004 г.

НИЦ ПБ

СПбФ ФГУ ВНИИПО МЧС России

ССПБ.RU.ИН.002 от 25.11.2002 г.

Заключение о результатах проверки условий производства сертифицируемой продукции № 1241 от 28.10.2003 г.

ОС

СПбФ ФГУ ВНИИПО МЧС России

ССПБ.RU.ОП.002 от 25.11.2002 г.

 

Маркировка товара и технической документации, прилагаемой к каждой единице продукции, осуществляется знаком соответствия ССПБ, наносимым на каждое изделие, его тару, упаковку, товаросопроводительную документацию в соответствии с требованиями:

«Положение о знаке соответствия системы сертификации в области пожарной безопасности.

(Обозначение нормативных документов)

Знак соответствия системы. Форма, размеры и технические требования»

(Приложение № 1 к приказу МЧС России от 18.06.03 г. № 312)

Описание местонахождения знака соответствия _______________________________

рядом с товарным знаком завода-изготовителя

В случае невыполнения условий, лежащих в основе выдачи сертификата, он отменяется (приостанавливается) органом по сертификации, выдавшим сертификат.

Сертификат выдан органом по сертификации Санкт-Петербургского филиала_______

(Наименование органа по сертификации,

Федерального государственного учреждения «Всероссийский ордена «Знак Почета»

выдавшего сертификат, адрес, № в Госреестре)

научно-исследовательский институт противопожарной обороны МЧС России»,

Россия, 193079, Санкт-Петербург, Октябрьская наб., 35, peг. индекс ССПБ.RU.ОП.002,

тел. (812) 441-0741, факс: (812) 441-1171

Руководитель органа по сертификации       __________                 B.C. Махин

(Подпись)                      (Инициалы, фамилия)

Эксперт                   __________                  И.Б. Алексеенко

(Подпись)                      (Инициалы, фамилия)

Настоящий сертификат подтверждает соответствие продукции установленным требованиям пожарной безопасности и является необходимым документом для получения разрешения на ввоз продукции на территорию Российской Федерации.



уроки по алготрейдингу на Python с нуля



Яндекс цитирования

   Copyright © 2008-2026 ,  www.infosait.ru

backtrader - уроки алготрейдинга на python