ИНФОСАЙТ.ру
Госты, стандарты, нормативы. В библиотеке 60000 документов. Регулярное обновление. Круглосуточный бесплатный доступ!
БИБЛИОТЕКА ГОСТОВ, СТАНДАРТОВ И НОРМАТИВОВ

:: АЛГОТРЕЙДИНГ ::


АЛГОТРЕЙДИНГ
шаг за шагом


БЕСПЛАТНЫЕ УРОКИ по созданию торговых роботов на PYTHON с нуля, шаг за шагом.


Минимальные знания на PYTHON.
Библиотеки BackTrader и Pandas, сигналы с Pine Script из TradingView.
Связка с брокерами, телеграм.
Создание простых интерфейсов.

 

Все документы, представленные в каталоге, не являются их официальным изданием и предназначены исключительно для ознакомительных целей. Электронные копии этих документов могут распространяться без всяких ограничений. Вы можете размещать информацию с этого сайта на любом другом сайте.


Открытое акционерное общество

Проектно-конструкторский и технологический
институт промышленного строительства

ОАО ПКТИпромстрой

УТВЕРЖДАЮ
Генеральный директор, к.т.н.
_____________ С.Ю. Едличка
«27» февраля 2004 г.

ТЕХНОЛОГИЧЕСКАЯ КАРТА
НА ПОГРУЗОЧНО-РАЗГРУЗОЧНЫЕ РАБОТЫ
С ИСПОЛЬЗОВАНИЕМ КРАНОВ-МАНИПУЛЯТОРОВ
НА БАЗЕ АВТОМОБИЛЯ УНИМОГ-1450

67-04 ТК

Главный инженер

__________ А.В. Колобов

Начальник лаборатории

__________ Б.И. Бычковский

2004

Настоящая технологическая карта является организационно-технологическим документом при производстве погрузочно-разгрузочных работ и складировании грузов на базах, складах и площадках с использованием кранов-манипуляторов и содержит основные решения по организации и технологии погрузочно-разгрузочных работ применительно к условиям площадки.

В технологической карте приведены общие указания по производству работ кранами-манипуляторами, технология выполнения погрузочно-разгрузочных работ, технологическая оснастка и схемы строповки, а также даны требования по безопасности и охране труда, экологической и пожарной безопасности при производстве работ.

Технологическая карта предназначена для производителей работ, мастеров и бригадиров, а также инженерно-технических работников строительных и проектно-технологических организаций.

В разработке технологической карты участвовали сотрудники ОАО ПКТИпромстрой:

- Савина О.А. - разработка технологической карты, компьютерная обработка и графика;

- Черных В.В. - общее технологическое сопровождение;

- Холопов В.Н. - проверка технологической карты;

- Бычковский Б.И. - разработка технологической карты, техническое руководство, корректура и нормоконтроль;

- Колобов А.В. - общее техническое руководство разработкой технологических карт;

- к.т.н. Едличка С.Ю. - общее руководство разработкой технологической документации.

Контактный телефон (095) 214-14-72.

Факс (095) 214-95-53.

E-mail: pkti@co.ru

http://www.pkti.co.ru

Технологическая карта не заменяет ППР. (см. СНиП 3.01.01-85*)

СОДЕРЖАНИЕ

1 Область применения. 2

2 Организация и технология выполнения работ. 2

3 Требования безопасности и охраны труда, экологической и пожарной безопасности. 9

4 Потребность в материально-технических ресурсах. 25

5 Технико-экономические показатели. 25

6 Перечень нормативно-технической литературы.. 25

Приложение А. Схемы строповок. 26

Приложение Б. Рекомендуемая знаковая сигнализация при перемещении грузов грузоподъемными кранами-манипуляторами. 33

1 ОБЛАСТЬ ПРИМЕНЕНИЯ

1.1 Технологическая карта разработана на погрузочно-разгрузочные работы и складирование грузов с использованием грузоподъемных кранов-манипуляторов ПКК 8000, ПК 7000 и их модификаций, смонтированных на базе автомобиля Унимог-1450.

1.2 Технологической картой предусмотрены погрузочно-разгрузочные работы для всех видов грузов, масса которых соответствует грузоподъемности кранов-манипуляторов, а габарит перемещаемых грузов вписывается в габариты крана-манипулятора. Погрузка и разгрузка полувагонов кранами-манипуляторами не допускается.

Привязка карты к условиям площадки и номенклатуре грузов производится специализированной организацией.

В карте приведены схемы строповок перемещаемых грузов.

1.3 Форма использования карты предусматривает обращение ее в сфере информационных технологий с включением в базу данных по технологии и организации строительного производства автоматизированного рабочего места технолога строительного производства (АРМ ТСП), подрядчика и заказчика.

2 ОРГАНИЗАЦИЯ И ТЕХНОЛОГИЯ ВЫПОЛНЕНИЯ РАБОТ

2.1 На рисунках 1, 2, 3 и 4 приведены общий вид крана-манипулятора ПК 7000, его диаграмма грузоподъемности, а также вертикальная и горизонтальная привязка крана-манипулятора ПК 7000.

ОПОРНЫЙ КОНТУР

Расстояние между передними опорами, мм                       4550

Расстояние между задними опорами, мм                           2900

Расстояние между передними и задними опорами, мм    2500

Рисунок 1 - Общий вид крана-манипулятора ПК 7000

Рисунок 2 - Диаграмма грузоподъемности крана-манипулятора ПК 7000

Рисунок 3 - Вертикальная привязка крана-манипулятора ПК 7000

Рисунок 4 - Горизонтальная привязка крана-манипулятора ПК 7000

2.2 На рисунках 5, 6, 7 и 8 приведены общий вид крана-манипулятора ПКК 8000, его диаграмма грузоподъемности, вертикальная и горизонтальная привязка крана-манипулятора.

2.3 Производство погрузочно-разгрузочных работ включает следующие операции:

-перемещение крана-манипулятора и установка его в рабочее положение на все имеющиеся выносные опоры;

-подбор съемных грузозахватных приспособлений;

-осмотр и строповка груза, при необходимости закрепление оттяжек (для длинномерных грузов);

-подача сигналов оператору;

-погрузка и выгрузка груза с подъемом или опусканием его и поворотом стрелы;

-укладка подкладок и прокладок под конструкции или детали;

-расстроповка груза, отцепка оттяжек.

ОПОРНЫЙ КОНТУР

Расстояние между передними опорами, мм                        4550

Расстояние между задними опорами, мм                            2100

Расстояние между передними и задними опорами, мм     2300

Рисунок 5 - Общий вид крана-манипулятора ПКК 8000

Рисунок 6 - Диаграмма грузоподъемности крана-манипулятора ПКК 8000

Рисунок 7 - Вертикальная привязка крана-манипулятора ПКК 8000

Рисунок 8 - Горизонтальная привязка крана-манипулятора ПКК 8000

2.4 Погрузочно-разгрузочные работы необходимо осуществлять в следующей последовательности:

- в определенном схемой месте, на подготовленной площадке, лицо, ответственное за безопасное производство работ, устанавливает кран-манипулятор на опоры и обозначает знаками границы опасных зон в соответствии с технологической картой;

- стропальщики подбирают съемные грузозахватные приспособления, соответствующие массе и характеру перемещаемого груза, проверяют их исправность путем осмотра и наличия на них клейм или металлических бирок с обозначением номера, даты испытания и грузоподъемности, проверяют массу груза, предназначенного к перемещению краном-манипулятором;

- убедившись в соответствии всех параметров нормам, стропальщик подает сигнал оператору крана-манипулятора переместить стрелу к месту строповки груза;

- стропальщики осуществляют строповку перемещаемого груза;

- после осуществления строповки груза стропальщики убеждаются в том, что груз надежно закреплен и ничем не удерживается, что на грузе, под грузом, внутри груза нет незакрепленных деталей и инструмента и что груз во время подъема не может за что-либо зацепиться, а также в отсутствии людей возле грузов, между грузами, оборудованием и т.д.;

- затем стропальщик подает сигнал оператору крана-манипулятора приподнять груз на высоту 200 - 300 мм, убеждается в правильности строповки и равномерности натяжения ветвей стропа, отходит на безопасное расстояние и дает сигнал на перемещение груза к месту разгрузки;

- стропальщики принимают груз на высоте до 1 м от уровня площадки (земли), ориентируют его в соответствии со схемой складирования и старший стропальщик дает сигнал оператору крана-манипулятора опустить груз с таким расчетом, чтобы нижняя часть груза находилась от уровня площадки на высоте до 0,4 - 0,5 м;

- убедившись в правильной ориентации груза над местом складирования (штабелем) стропальщик подает сигнал оператору опустить груз на площадку. Стропы при этом остаются в натянутом положении. Если груз опущен и находится в устойчивом положении, стропальщик дает сигнал оператору ослабить стропы;

- стропальщик осуществляет расстроповку груза.

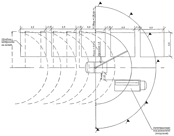
2.5 Величина опасной зоны при работе крана-манипулятора определяется:

Rоп.зоны = Rмакс. + 0,5Вгр. + Lгр. + х,                                           (1)

где Rоп.зоны - величина опасной зоны;

Rмакс. - максимальный рабочий вылет крана-манипулятора;

Вгр. - наименьший габарит перемещаемого груза;

Lгр. - наибольший габаритный размер перемещаемого груза;

х - минимальное расстояние отлета груза при его падении.

Согласно Приложению Г СНиП 12-03-2001 минимальное расстояние отлета перемещаемого краном груза (х) в случае его падения в зависимости от высоты возможного падения груза (предмета) представлено в таблице 1 настоящей карты или определяется по графику на рисунке 11 книги «Указания по установке и безопасной эксплуатации грузоподъемных кранов и строительных подъемников при разработке ПОС и ППР», ОАО ПКТИпромстрой, М., 2002 г.

Таблица 1 - Зависимость величины отлета падающего груза от высоты падения

Высота возможного падения груза (предмета), м

Минимальное расстояние отлета груза (предмета), м

перемещаемого краном

падающего с здания

До 10

4

3,5

» 20

7

5

» 70

10

7

» 120

15

10

» 200

20

15

» 300

25

20

» 450

30

25

Примечание - При промежуточных значениях высоты возможного падения грузов (предметов) минимальное расстояние их отлета допускается определять методом интерполяции.

3 ТРЕБОВАНИЯ БЕЗОПАСНОСТИ И ОХРАНЫ ТРУДА, ЭКОЛОГИЧЕСКОЙ И ПОЖАРНОЙ БЕЗОПАСНОСТИ

3.1 Погрузочно-разгрузочные работы следует производить согласно требованиям СНиП 12-03-2001 «Безопасность труда в строительстве. Часть 1. Общие требования», ГОСТ 12.3.009-76* «Работы погрузочно-разгрузочные. Общие требования безопасности», ПБ 10-257-98 «Правила устройства и безопасной эксплуатации грузоподъемных кранов-манипуляторов», утвержденных Госгортехнадзором России, а также «Правил дорожного движения Российской Федерации» и «Правил по охране труда на автомобильном транспорте» и ПОТ РМ-007-98 «Правила охраны труда при погрузочно-разгрузочные работах и размещении грузов».

3.2 К выполнению погрузочно-разгрузочных работ с помощью кранов-манипуляторов допускаются стропальщики из числа лиц не моложе 18 лет, обученные по специальной программе, аттестованные квалификационной комиссией по ст. 7.4.25 ПБ 10-257-98 «Правила устройства и безопасной эксплуатации грузоподъемных кранов-манипуляторов» и имеющие соответствующее удостоверение на право производства погрузочно-разгрузочных работ.

3.3 Рабочие, занятые на погрузочно-разгрузочных работах, должны пройти инструктаж по безопасности труда и пожарной безопасности:

- первичный на рабочем месте;

- повторный не реже одного раза в три месяца;

- внеочередной при нарушении требований безопасности труда, при несчастных случаях и при выполнении работ с опасными и крупногабаритными грузами;

3.4  К работе может быть допущен только исправный кран-манипулятор, испытанный и зарегистрированный.

3.5  Краны-манипуляторы могут быть допущены к перемещению только тех грузов, масса которых не превышает их грузоподъемность с учетом положения выносных опор. При эксплуатации крана-манипулятора не должны нарушаться требования, изложенные в его паспорте и руководстве по эксплуатации.

3.6 Находящиеся в эксплуатации краны-манипуляторы должны быть снабжены табличками с четко обозначенным регистрационным номером, грузоподъемностью и датой следующего частичного или полного технического освидетельствования.

3.7 Краны-манипуляторы и съемные грузозахватные приспособления, не прошедшие технического освидетельствования, к работе не допускаются. Неисправные грузозахватные приспособления, а также приспособления, не имеющие бирок (клейм), не должны находиться в местах производства работ.

3.8 При эксплуатации кранов-манипуляторов необходимо принять меры по предотвращению их опрокидывания или самопроизвольного перемещения под действием ветра или при наличии уклона площадки.

3.9 Владельцем крана-манипулятора или производителем работ должны быть разработаны способы правильной строповки грузов, которым должны быть обучены стропальщики. Графическое изображение способов строповки грузов должно быть выдано на руки стропальщикам и операторам (машинистам) или вывешено в местах производства работ. Перемещение груза, на который не разработаны схемы строповки, должно производиться в присутствии или под руководством лица, ответственного за безопасное производство работ кранами-манипуляторами. Схемы строповок даны в приложении А.

3.10 Владельцы кранов-манипуляторов совместно с эксплуатирующими организациями обязаны:

-разработать и выдать на участки ведения работ кранами-манипуляторами проекты производства работ, технологические карты и другие технологические регламенты;

-ознакомить (под расписку) с проектами производства работ, технологическими картами и другими регламентами лиц, ответственных за безопасное производство работ кранами-манипуляторами, операторов (машинистов) и стропальщиков;

-обеспечить стропальщиков отличительными знаками, испытанными и маркированными съемными грузозахватными приспособлениями, соответствующими массе и характеру перемещаемых грузов;

-вывесить на месте производства работ список основных перемещаемых краном-манипулятором грузов с указанием их массы. Операторам (машинистам) и стропальщикам, обслуживающим краны-манипуляторы при ведении работ, такой список должен быть выдан на руки;

-обеспечить проведение периодических испытаний с точно взвешенным грузом ограничителя грузоподъемности (грузового момента) крана-манипулятора в сроки, указанные в руководстве по эксплуатации крана-манипулятора или в паспорте прибора;

-установить порядок опломбирования ограничителя грузоподъемности (грузового момента) кранов-манипуляторов;

-определить площадки и места складирования грузов, оборудовать их технологической оснасткой и приспособлениями и проинструктировать операторов (машинистов) и стропальщиков относительно порядка и габаритов складирования;

- установить порядок обмена сигналами между стропальщиком и оператором (машинистом).

3.11 Для выполнения работ кранами-манипуляторами должна быть подготовлена площадка, к которой предъявляются следующие требования:

- наличие подъездного пути;

- уклон не должен превышать угла, указанного в паспорте крана-манипулятора;

- обеспечение водоотвода с площадки;

- свеженасыпанный неутрамбованный грунт должен быть уплотнен до естественной плотности грунта и выложены дорожные плиты.

3.12 Установку крана-манипулятора следует производить так, чтобы при работе расстояние между краном-манипулятором при любом его положении и строениями, штабелями грузов и другими предметами (оборудованием) было не менее 1000 мм.

3.13 Места производства погрузочно-разгрузочных работ, включая проходы и проезды, должны иметь достаточное естественное и искусственное освещение, соответствующее ГОСТу 12.1.046-85. Освещенность должна быть равномерной, без слепящего действия светильников на работающих. Работа крана-манипулятора должна быть прекращена во всех случаях, когда оператор по метеоусловиям не различает сигнала стропальщика или перемещаемый груз.

3.14 Пожарную безопасность в местах производства погрузочно-разгрузочных работ следует обеспечивать в соответствии с требованиями ППБ 01-03 «Правила пожарной безопасности в Российской Федерации», ГОСТ 12.1.004-91* и другими нормативными документами, действующими в строительстве.

3.15 На площадках для укладки грузов должны быть обозначены границы штабелей, проходов и проездов между ними. Не допускается размещать грузы в проходах и проездах.

3.16 При производстве погрузочно-разгрузочных работ кран-манипулятор устанавливают на площадку с твердым покрытием таким образом, чтобы при подъеме груза исключалась необходимость предварительного подтаскивания груза при наклонном положении грузовых канатов и имелась бы возможность перемещения груза, поднятого не менее чем на 500 мм выше встречающихся на пути оборудования, штабелей грузов, бортов подвижного состава и т.п.

Погрузочно-разгрузочные работы должны производиться краном-манипулятором при условии установки его на все выносные опоры (аутригеры).

Масса поднимаемых грузов должна быть в пределах грузовой характеристики используемых кранов-манипуляторов.

3.17 При необходимости установки крана-манипулятора на краю откоса котлована или траншеи необходимо соблюдать расстояния, указанные в таблице 2.

Таблица 2 - Минимальное расстояние по горизонтали от основания откоса выемки до ближайших опор крана-манипулятора

Глубина выемки, м

Грунт

песчаный

супесчаный

суглинистый

глинистый

Расстояние по горизонтали от основания откоса выемки до ближайшей опоры, м

1,00

1,50

1,25

1,00

1,00

2,00

3,00

2,40

2,00

1,50

3,00

4,00

3,60

3,25

1,75

4,00

5,00

4,40

4,00

3,00

5,00

6,00

5,30

4,75

3,50

3.18 Установка и работа кранов-манипуляторов на расстоянии менее 30 м от крайнего провода линии электропередачи или воздушной электрической сети напряжением более 42 В осуществляются только по наряду-допуску, определяющему безопасные условия работы. Порядок организации производства работ вблизи линии электропередачи, выдачи наряда-допуска и инструктажа устанавливается приказами владельца крана-манипулятора и производителя работ. Время действия наряда-допуска определяется организацией, выдавшей наряд.

Наряд-допуск должен выдаваться оператору (машинисту) крана-манипулятора на руки перед началом работы. Оператору (машинисту) запрещается самовольная установка крана-манипулятора для работы вблизи линии электропередачи. Работа крана-манипулятора вблизи линии электропередачи должна производиться под непосредственным руководством лица, ответственного за безопасное производство работ кранами-манипуляторами, которое должно указать оператору (машинисту) место установки крана-манипулятора, обеспечить выполнение предусмотренных нарядом-допуском условий работы и произвести запись в вахтенном журнале о разрешении работы.

При производстве работ в охранной зоне линии электропередачи или в пределах разрывов, установленных действующими Правилами охраны высоковольтных электрических сетей, наряд-допуск может быть выдан только при наличии разрешения организации, эксплуатирующей линию электропередачи и при снятии напряжения с воздушной линии электропередачи.

Порядок работы кранов-манипуляторов вблизи линии электропередачи, выполненной гибким кабелем, определяется владельцем линии. Выдача наряда-допуска в этом случае не обязательна.

Работа крана-манипулятора вблизи и под неотключенными контактными проводами городского транспорта может производиться при соблюдении расстояния между стрелой крана-манипулятора и контактными проводами не менее 1000 мм при установке ограничителя (упора) не позволяющего уменьшить указанное расстояние при подъеме и перемещении стрелы.

3.19 Охранной зоной вдоль воздушной линии электропередачи является участок земли и пространства, заключенный между двумя вертикальными плоскостями, проходящие через параллельные прямые, отстоящие от крайних проводов линии электропередачи (при не отклоненном их положении) на расстоянии, м:

- для линии напряжением:

до 1 кВ                                          2

от 1 до 20 кВ включительно      10

35 кВ                                             15

110 кВ                                           20

                                       25

                                       30

750 кВ                                           40

800 кВ (постоянный ток)            30

При обоснованной невозможности снятия напряжения с воздушной линии электропередачи работу крана-манипулятора в охранной зоне линии электропередачи разрешается производить при выполнении следующих требований:

а) расстояние от подъемной или выдвижной части крана-манипулятора в любом ее положении до находящейся под напряжением воздушной линии электропередачи должно быть не менее указанного в таблице 3;

б) корпуса машин должны быть заземлены при помощи инвентарного переносного заземления.

Таблица 3 - Минимальное расстояние до воздушной линии электропередачи

Напряжение воздушной линии, кВ

Расстояние, м

минимальное

минимально измеряемое техническими средствами

до 20

2,0

2,0

свыше 20 до 35

2,0

2,0

-«- 35 - 110

3,0

4,0

-«- 110 - 220

4,0

5,0

-«- 220 - 400

5,0

7,0

-«- 400 - 750

9,0

10,0

-«- 750 - 1150

10,0

11,0

Границы опасных зон, в пределах которых действует опасность поражения электрическим током, устанавливаются согласно таблице 4.

Таблица 4 - Границы опасных зон

Напряжение, кВ

Расстояния, ограничивающие опасную зону от неогражденных неизолированных частей электроустановки (электрооборудования, кабеля и провода) или от вертикальной плоскости, образуемой проекцией на землю ближайшего провода воздушной линии электропередачи, находящейся под напряжением, м

До 1

1,5

От 1 до 20

2,0

От 35 до 110

4,0

От 150 до 220

5,0

330

6,0

От 500 до 750

9,0

800 (постоянный ток)

9,0

3.20 На рабочей площадке в каждой смене должно быть назначено приказом лицо, ответственное за безопасное производство работ кранами-манипуляторами, из числа мастеров, прорабов, начальников участков, а также бригадиров.

3.21 Лицо, ответственное за безопасное производство работ кранами-манипуляторами, обязано:

- организовать ведение работ кранами-манипуляторами в соответствии с правилами безопасности, проектом производства работ, техническими условиями и технологическими регламентами;

- инструктировать операторов и стропальщиков по безопасному выполнению предстоящей работы, обращая внимание на опасные факторы, особые условия на месте ведения работ, недопущение перегрузки крана-манипулятора, правильность строповки и зацепки грузов, правильность установки крана-манипулятора, соблюдение стропальщиками личной безопасности;

- не допускать к обслуживанию кранов-манипуляторов необученный и неаттестованный персонал, определять необходимость назначения сигнальщиков при работе крана-манипулятора;

- не допускать использования немаркированных, неисправных или не соответствующих массе и характеру поднимаемого груза съемных грузозахватных приспособлений;

- непосредственно руководить работами по перемещению грузов, на которые не разработаны схемы строповки, а также в других случаях, предусмотренных проектами или технологическими регламентами;

- указывать операторам место установки крана-манипулятора для работы вблизи линий электропередачи и выдавать разрешение на работу с записью в вахтенном журнале;

- не допускать производство работ без наряда-допуска в случаях, предусмотренных правилами ПБ 10-257-98 «Правила устройства и безопасной эксплуатации грузоподъемных кранов-манипуляторов»;

- обеспечивать рабочих необходимыми инвентарем и средствами для безопасного производства работ кранами-манипуляторами;

- следить за выполнением операторами и стропальщиками производственных инструкций, проектов производства работ и технологических регламентов.

3.22 На территории площадки складирования устанавливают указатели проездов, въездов, выездов и другие информационные знаки в соответствии с ГОСТ Р 12.4.026-2001. Ширину проездов определяют в зависимости от габаритов транспортных средств и кранов-манипуляторов, которые будут работать на площадке.

3.23 Материалы, изделия, конструкции и оборудование при складировании на строительной площадке и рабочих местах должны укладываться следующим образом:

- кирпич в пакетах на поддонах - не более чем в два яруса, в контейнерах - в один ярус, без контейнеров - высотой не более 1,7 м;

- стеновые панели - в пирамиды или специальные кассеты;

- стеновые блоки - в штабель в два яруса на подкладках и с прокладками;

- плиты перекрытий - в штабель высотой не более 2,5 м на подкладках и с прокладками;

- ригели и колонны - в штабель высотой до 2 м на подкладках и с прокладками;

- фундаментные блоки и блоки стен подвалов - в штабель высотой не более 2,6 м на подкладках и с прокладками;

- пиломатериалы - в штабель, высота которого при рядовой укладке составляет не более половины ширины штабеля, а при укладке в клетки - не более ширины штабеля;

- мелкосортный металл - в стеллаж высотой не более 1,5 м;

- круглый лес - в штабель высотой не более 1,5 м с прокладками между рядами и установкой упоров против раскатывания, ширина штабеля менее его высоты не допускается;

- крупногабаритное и тяжеловесное оборудование и его части - в один ярус на подкладках;

- стекло в ящиках и рулонные материалы - вертикально в один ряд на подкладках;

- черные прокатные материалы - в штабель высотой до 1,5 м на подкладках и с прокладками;

- трубы диаметром до 300 мм - в штабель высотой до 3 м на подкладках с прокладками с концевыми упорами;

- трубы диаметром более 300 мм - в штабель высотой до 3 м в седло без прокладок с концевыми упорами.

При складировании железобетонных элементов, имеющих петли (плиты, блоки, балки и т.п.) высота прокладок должна быть больше выступающей части монтажных петель не менее чем на 20 мм.

3.24 Между штабелями должны быть предусмотрены проходы шириной не менее 1 м и проезды, ширина которых зависит от габаритов транспортных средств и кранов-манипуляторов, обслуживающих склад.

3.25 Между штабелями одноименных конструкций, сложенных рядом (плиты перекрытий), или между конструкциями в штабеле (балки, колонны), должно быть расстояние, не менее 200 мм.

3.26 В штабелях прокладки располагаются по одной вертикали.

3.27 В каждом штабеле должны храниться конструкции, изделия одномерной длины.

3.28 Материалы, изделия и конструкции в штабелях следует располагать таким образом, чтобы маркировка изделий была обращена в сторону прохода или проезда, а монтажные петли располагались так, чтобы их удобно было застропить при производстве работ.

3.29 Лица, не имеющие соответствующей квалификации и не прошедшие инструктаж по безопасности труда, к работе крана-манипулятора не допускаются.

3.30 При работе с крюком во избежание несчастных случаев работа оператора (машиниста) и стропальщика должна быть строго согласована. Оператор (машинист) обязан внимательно следить за работой стропальщика.

3.31 Прежде чем приступить к работе, оператор (машинист) должен убедиться в исправности крана-манипулятора, грузозахватных приспособлений, стропов и захватов и в их соответствии поднимаемым грузам.

3.32 Запрещается выполнение работ на кране-манипуляторе при скорости ветра, превышающей значение, допустимое для работы данного крана-манипулятора и указанное в его техническом паспорте, а также при сильном снегопаде, тумане, дожде, а также во всех других случаях, когда машинист плохо различает сигналы стропальщика или перемещаемый груз.

3.33 Перед началом погрузочно-разгрузочных работ должен быть установлен порядок обмена условными сигналами между стропальщиком и оператором (машинистом) крана-манипулятора. Оператор должен знать знаковую сигнализацию согласно приложению Б, а также массу поднимаемого груза и ее соответствие грузоподъемности крана-манипулятора на данном вылете.

3.34 Для безопасного выполнения работ кранами-манипуляторами их владелец и организация, производящая работы, обязаны обеспечить соблюдение следующих правил:

а) на месте производства работ по перемещению грузов кранами-манипуляторами не должно допускаться нахождение лиц, не имеющих прямого отношения к выполняемой работе;

б) при необходимости осмотра, ремонта, регулировки механизмов, осмотра и ремонта металлоконструкций крана-манипулятора должен быть отключен двигатель;

в) погрузочно-разгрузочные работы должны выполняться по проекту производства работ кранами-манипуляторами, в котором должны предусматриваться:

- соответствие устанавливаемых кранов-манипуляторов условиям погрузочно-разгрузочных работ по грузоподъемности, высоте и вылету;

- обеспечение безопасных расстояний от сети и воздушных линий электропередачи, мест движения городского транспорта и пешеходов, а также безопасных расстояний приближения кранов-манипуляторов к строениям и местам складирования строительных деталей и материалов;

- условия установки и работы кранов-манипуляторов вблизи откосов выемок;

- перечень применяемых грузозахватных приспособлений и графическое изображение (схема) строповки грузов;

- места и габариты складирования грузов, подъездные пути и т.п.;

г) лицо, ответственное за безопасное производство работ кранами-манипуляторами, операторы (машинисты) и стропальщики должны быть ознакомлены с проектом производства работ под расписку (технологической картой) до начала работ;

д) погрузочно-разгрузочные работы и складирование грузов кранами-манипуляторами на базах, складах, площадках должны выполняться по технологическим картам с учетом требований ГОСТ 12.3.009-76* и стандартов на отдельные виды производственных процессов, учитывающими особенности выполнения работ;

е) не разрешается опускать груз на автомашину, а также поднимать груз при нахождении людей в кузове или кабине автомашины. В местах постоянной погрузки грузов на автомашины и прицепы должны быть устроены стационарные эстакады или навесные площадки для стропальщиков. Разгрузка и загрузка полувагонов кранами-манипуляторами не допускаются. Погрузка груза на автомашины и другие транспортные средства должна производиться таким образом, чтобы была обеспечена возможность удобной и безопасной строповки груза при его разгрузке. Загрузку и разгрузку автомашин и других транспортных средств следует выполнять, не нарушая их равновесия;

ж) перемещение груза не должно производиться при нахождении под ним людей. Стропальщик может находиться возле груза во время его подъема или опускания, если груз поднят на высоту не более 1000 мм от уровня площадки;

з) строповка грузов должна производиться в соответствии со схемами строповки. Для строповки предназначенного к подъему груза должны применяться стропы, соответствующие массе и характеру поднимаемого груза с учетом числа ветвей и их угла наклона. Стропы общего назначения следует подбирать так, чтобы угол между их ветвями не превышал 90°;

и) груз или грузозахватное устройство при их горизонтальном перемещении должны быть предварительно подняты на 500 мм выше встречающихся на пути предметов;

к) при перемещении крана-манипулятора с грузом положение стрелы и нагрузка на кран-манипулятор должны устанавливаться в соответствии с руководством по эксплуатации крана-манипулятора;

л) опускать перемещаемый груз разрешается лишь на предназначенное для этого место, где исключается возможность падения, опрокидывания или сползания устанавливаемого груза. На место установки груза должны быть предварительно уложены соответствующие подкладки для того, чтобы стропы могли быть легко и без повреждения извлечены из-под груза. Устанавливать груз в местах, для этого не предназначенных, не разрешается. Укладку и разборку груза следует производить равномерно, не нарушая установленные для складирования грузов габариты и не загромождая проходы;

м) не допускается нахождение людей и проведение каких-либо работ в пределах перемещения грузов кранами-манипуляторами;

н) по окончании работ или в перерыве груз не должен оставаться в подвешенном состоянии;

п) при подъеме груза он должен быть предварительно поднят на высоту не более 200 - 300 мм для проверки правильности строповки и надежности действия тормозов;

р) при подъеме груза, установленного вблизи стены, колонны, штабеля, оборудования, не должно допускаться нахождение людей (в том числе стропальщика) между поднимаемым грузом и указанными частями здания или оборудования. Это требование должно строго выполняться и при опускании груза.

3.35 При работе крана-манипулятора не допускается:

- нахождение людей возле работающего крана-манипулятора;

- перемещение груза, находящегося в неустойчивом положении;

- подъем груза, засыпанного землей или примерзшего к земле, заложенного другими грузами, укрепленного болтами или залитого бетоном;

- подтаскивание груза по земле, полу или рельсам;

- освобождение краном-манипулятором защемленных грузом стропов, канатов или цепей;

- оттягивание груза во время его подъема, перемещения и опускания. Для разворота длинномерных и крупногабаритных грузов во время их перемещения должны применяться крючья или оттяжки соответствующей длины;

- выравнивание перемещаемого груза руками, а также поправка стропов на весу;

- работа при выведенных из действия или неисправных приборах безопасности и тормозах;

- включение механизмов крана-манипулятора при нахождении людей на кране-манипуляторе. Исключение составляют лица, производящие осмотр и регулировку механизмов. В этом случае механизмы должны включаться по сигналу лица, производящего осмотр;

- подъем груза непосредственно с места его установки (с земли, площадки, штабеля и т.п.).

ПРАВИЛА БЕЗОПАСНОСТИ ПРИ РАБОТЕ

Перед работой оператор (машинист) должен убедиться в том, что давление воздуха в шинах соответствует установленной норме, а транспортное средство надежно заторможено.

Если стояночный тормоз транспортного средства действует не на все колеса, а при работе возможна разгрузка заторможенных колес, необходимо принять меры, обеспечивающие гарантированное исключение движения транспортного средства при работе крана-манипулятора, например, установить клиновидные подкладки под колеса.

Установку крана-манипулятора на выносные опоры следует производить в соответствии с указаниями, приведенными в соответствующем разделе инструкции.

При подъеме груза, по массе близкого к максимальному для данного вылета, оператор (машинист) должен проверить устойчивость крана-манипулятора и правильность строповки груза путем его поднятия на высоту 0,1 - 0,2 м.

Запрещается работа крана-манипулятора:

- с неисправными звуковым сигналом и приборами безопасности;

- на площадке, не соответствующей предъявляемым требованиям;

- при скорости ветра более 10 м/с (при этом стреловое оборудование должно быть опущено на опору или переведено в транспортное положение);

- в ночное время без электрического освещения;

- если температура воздуха ниже -40 °С или выше +40 °С.

При нейтральном положении рукояток управления и поднятом стреловом оборудовании может происходить почти незаметное на глаз проседание штоков гидроцилиндров за счет внутренних перетечек рабочей жидкости вследствие неточной фиксации нейтрального положения золотника управления, износа уплотнений, негерметичности соединений и др. Поэтому во избежание аварии во время перерыва в работе и при любой отлучке оператора (машиниста) необходимо отцепить груз, а стреловое оборудование опустить на опору, например, в кузов автомобиля, или перевести в транспортное положение.

Оператору (машинисту) запрещается выключать двигатель, отключать привод насоса и покидать пост управления при наличии груза на крюке.

Во время работы запрещается:

- поднимать груз, масса которого превышает номинальную для данного вылета и данного кинематического положения рукояти и стрелы;

- поднимать груз, масса которого не известна;

- резко тормозить при выполнении рабочих операций (особенно при работе с грузами, близкими к номинальным для данного вылета);

- отрывать груз, засыпанный грунтом или другими предметами, а также примерзший;

- производить какие-либо работы по ремонту, регулировке или обслуживанию;

- допускать к обвязке и зацепке груза посторонних лиц;

- допускать на кран-манипулятор и в зону его действия посторонних лиц.

Запрещается установка и работа крана-манипулятора на расстоянии ближе 30 м от крайнего провода линии электропередачи и в пределах охранной зоны без наряда-допуска, оформленного в установленном порядке, и без наблюдения лица, ответственного за безопасное производство работ.

ПРАВИЛА БЕЗОПАСНОСТИ ПРИ ПЕРЕДВИЖЕНИИ

При передвижении транспортного средства с краном-манипулятором следует обеспечить надежную фиксацию стрелового оборудования в транспортном положении. Не разрешается укладывать стреловое оборудование в кузов транспортного средства при следующих условиях:

- при падении давления в гидроцилиндрах;

- при напряженном состоянии элементов конструкции крана-манипулятора;

- при передаче динамических нагрузок от груза или транспортного средства на элементы конструкции крана-манипулятора.

Запрещается передвижение:

- с грузом, подвешенным на крюке крана-манипулятора;

- с выдвинутым стреловым оборудованием;

- с включенным приводом насоса.

ПРАВИЛА ПОЖАРНОЙ БЕЗОПАСНОСТИ

При работе крана-манипулятора с огнеопасными грузами или при нахождении крана-манипулятора на территории, опасной в пожарном отношении, оператор (машинист) обязан предупредить об этом обслуживающий персонал, запретить курить и пользоваться открытым огнем и не допускать искрообразования.

Оператор (машинист) должен:

- не допускать использования открытого огня и не курить при заправке крана-манипулятора топливом, маслом и т.п.;

- следить, чтобы возле выхлопной трубы не было легковоспламеняющихся веществ и предметов;

- устанавливать наблюдение и соблюдать меры предосторожности при проведении сварочных работ.

При возникновении пожара необходимо снять напряжение с электрооборудования и остановить двигатель.

При тушении пожара на кране-манипуляторе следует применять углекислотные или порошковые огнетушители.

ТРЕБОВАНИЯ К РАБОЧЕЙ ПЛОЩАДКЕ

Рабочая площадка, на которой работает кран-манипулятор, должна быть ровной. Уклон площадки не должен превышать 1°.

Допускается планировать площадку путем снятия неровностей грунта в месте расположения колес и опор или устанавливать подкладки.

При слабом грунте необходимо усилить его подсыпкой сухого песка, щебня, гравия, а также подложить деревянные щиты.

Во всех случаях грунт не должен проседать под опорами во время работы крана-манипулятора, не должно повреждаться покрытие площадки, поверхность под подпятником опоры должна быть горизонтальной.

Определять площадь подкладки под опору необходимо из условия допустимого удельного давления на основание площадки. При этом необходимо учитывать, что максимальное усилие давления выносной опоры на основание зависит от массы груза на крюке и в кузове.

ТРЕБОВАНИЯ К ЗАГРУЗКЕ ГРУЗОВОЙ ПЛАТФОРМЫ ТРАНСПОРТНОГО СРЕДСТВА

Транспортное средство, оборудованное краном-манипулятором, должно загружаться в соответствии с требованиями предприятия-изготовителя и результатами специальных испытаний на управляемость и тормозную динамику.

Масса перевозимого груза и его центр тяжести должны определяться из условий грузоподъемности транспортного средства, массы крана-манипулятора и его геометрического положения на шасси.

Базовый автомобиль Унимог 1450, оборудованный краном-манипулятором между кабиной и укороченной грузовой платформой, допускается эксплуатировать при соблюдении следующих условий:

- масса перевозимого груза не должна превышать грузоподъемности базовой машины;

- при загрузке платформы максимально допустимым по массе грузом его центр тяжести должен совпадать с центром грузовой платформы, находящимся в точке пересечения диагоналей;

- загрузка платформы должна производиться последовательно от переднего по ходу автомобиля борта к заднему равномерно по всей площади платформы, выгрузка - в обратной последовательности: от заднего борта к переднему;

- при частичной загрузке платформы необходимо более тяжелые грузы располагать в передней части платформы, а весь груз надежно закреплять, чтобы предупредить его перемещение;

- по мере загрузки грузовой платформы во избежание перегрузки опор необходимо снижать давление в цилиндрах опор, уменьшая скорость выдвижения штоков до величины, обеспечивающей достаточную устойчивость.

ОБЯЗАННОСТИ ОПЕРАТОРА (МАШИНИСТА) ПЕРЕД НАЧАЛОМ РАБОТЫ КРАНА-МАНИПУЛЯТОРА

Оператор (машинист), прежде чем приступить к работе, должен убедиться в исправности всех механизмов, металлоконструкций и других частей крана-манипулятора. При этом он должен:

- осмотреть механизмы крана-манипулятора, их крепления и тормоза, а также ходовую часть, тяговые и буферные устройства;

- проверить наличие и исправность ограждений механизмов;

- проверить смазку передач, подшипников, а также состояние смазочных приспособлений и сальников;

- осмотреть в доступных местах металлоконструкцию и соединение секций стрелы, а также металлоконструкцию и сварные соединения ходовой рамы (шасси);

- осмотреть крюк и его крепление, грейфер или захват, а также цепи и кольца его подвески;

- проверить исправность дополнительных опор (выдвижных балок, домкратов);

- проверить наличие и исправность приборов и устройств безопасности на кране-манипуляторе (реле давления, аварийный гидрозамок, гидроклапан, устройство защиты от перегрузки, сигнальный прибор);

- проверить исправность освещения крана-манипулятора, буферных фонарей и фар;

- произвести при приемке крана-манипулятора осмотр системы привода, гибких шлангов, если они применяются, насосов, напорных и аварийных гидроклапанов на напорных линиях.

Оператор (машинист) вместе со стропальщиком или самостоятельно обязан проверить соответствие съемных грузозахватных приспособлений массе и характеру груза, их исправность и наличие на них клейм или бирок с указанием грузоподъемности, даты испытания и номера.

При приемке крана-манипулятора операторы (машинисты), сдающие и принимающие смену, должны производить его осмотр совместно. Для осмотра крана-манипулятора владелец обязан выделить оператору (машинисту) необходимое время в начале смены.

Осмотр крана-манипулятора должен осуществляться только при неработающих механизмах.

При осмотре крана-манипулятора оператор (машинист) должен пользоваться переносной лампой напряжением не более 12 В.

После осмотра крана-манипулятора перед его пуском в работу оператор (машинист), убедившись в соблюдении требуемых габаритов приближения, обязан опробовать все механизмы на холостом ходу и проверить при этом исправность действия механизмов поворота и выдвижения стрелы, приборов и устройств безопасности, сигнализации, защиты от перегрузки, гидросистемы, гидрозамков и гидрораспределителей.

При обнаружении во время осмотра и опробования крана-манипулятора неисправности или недостатков препятствующих его безопасной работе, и невозможности их устранения своими силами оператор (машинист), не приступая к работе, должен доложить об этом инженерно-техническому работнику, ответственному за содержание грузоподъемных машин в исправном состоянии, и поставить в известность лицо, ответственное за безопасное производство работ кранами.

Оператор (машинист) не должен приступить к работе на кране-манипуляторе при наличии следующих неисправностей:

- трещины или деформации в металлоконструкции крана;

- трещины в элементах стрелы или отсутствие креплений;

- дефекты в механизмах подъема стрелы, угрожающие безопасности работы;

- износ крюков в зеве, превышающий 10 % первоначальной высоты сечения, неисправность устройства, замыкающего зев крюка, нарушение крепления крюка в обойме;

- повреждение или неукомплектованность дополнительных опор.

Перед началом работы оператор (машинист) обязан:

- ознакомиться с проектом строительно-монтажных работ, технологическими картами погрузки, разгрузки и складирования грузов;

- проверить состояние площадки для установки крана-манипулятора;

- убедиться, что на месте производства работ отсутствует линия электропередачи или она находится на расстоянии более 30 м;

- получить наряд-допуск на работу крана-манипулятора на расстоянии ближе 30 м от линии электропередачи (форма приведена в приложении 1);

- проверить освещенность рабочей зоны;

- убедиться в наличии удостоверений и отличительных знаков у стропальщиков.

Произведя приемку крана-манипулятора, оператор (машинист) должен сделать соответствующую запись в вахтенном журнале и после получения задания и разрешения на работу от лица, ответственного за безопасное производство работ кранами-манипуляторами, приступить к работе.

ОБЯЗАННОСТИ ОПЕРАТОРА (МАШИНИСТА) ВО ВРЕМЯ РАБОТЫ КРАНА-МАНИПУЛЯТОРА

При работе крана-манипулятора оператор (машинист) должен руководствоваться требованиями и указаниями, изложенными в инструкции предприятия-изготовителя по эксплуатации крана-манипулятора, и производственной инструкцией.

Во время работы механизмов крана-манипулятора оператор (машинист) не должен отвлекаться от своих прямых обязанностей, а также производить чистку, смазку и ремонт механизмов.

При отлучке оператора (машиниста) стажеру и другим лицам управлять краном-манипулятором не разрешается.

Прежде чем осуществить какое-либо движение краном-манипулятором, оператор (машинист) обязан убедиться, что стажер находится в безопасном месте, а в зоне работы крана-манипулятора нет посторонних людей.

Если в работе механизмов крана-манипулятора был перерыв, то перед их включением оператор (машинист) должен дать предупредительный сигнал.

Передвижение крана-манипулятора под линией электропередачи должно производиться при опущенной стреле (в транспортном положении). Нахождение стрелы в каком-либо рабочем положении в этом случае запрещается.

Оператор (машинист) обязан устанавливать кран-манипулятор на все дополнительные опоры во всех случаях, когда такая установка требуется по паспортной характеристике крана-манипулятора. При этом он должен следить, чтобы опоры были исправны и под них были подложены прочные и устойчивые подкладки.

Подкладывать под дополнительные опоры случайные предметы не разрешается.

Установка кранов-манипуляторов должна производиться на спланированной и подготовленной площадке с учетом категории и характера грунта. Устанавливать краны-манипуляторы для работы на свеженасыпанном неутрамбованном грунте, а также на площадке с уклоном, превышающим допустимый для данного крана-манипулятора, не разрешается.

Оператору (машинисту) запрещается самовольная установка крана-манипулятора для работы вблизи линии электропередачи (без письменного указания лица, ответственного за безопасное производство работ кранами-манипуляторами).

Оператор (машинист) должен работать под непосредственным руководством лица, ответственного за безопасное производство работ кранами-манипуляторами, при перемещении груза несколькими кранами-манипуляторами, вблизи линии электропередачи, над перекрытиями, под которыми размещены производственные или служебные помещения, где могут находиться люди, а также при перемещении грузов, на которые не разработаны схемы строповки, и в других случаях, предусмотренных проектами или технологическими регламентами.

При перемещении грузов оператор (машинист) должен руководствоваться следующими правилами:

- перед подъемом груза следует предупредить сигналом стропальщика и всех находящихся около крана-манипулятора лиц о необходимости уйти из зоны перемещаемого груза, зоны возможного падения груза и опускания стрелы. Перемещение груза можно производить только при отсутствии людей в зоне работы крана-манипулятора. Стропальщик может находиться возле груза во время его подъема или опускания, если груз поднят на высоту не более 1 м от уровня площадки;

- при загрузке и разгрузке автомашин и прицепов к ним, работа крана-манипулятора разрешается только при отсутствии людей на транспортных средствах, в чем оператор (машинист) должен предварительно убедиться;

- при подъеме груза необходимо предварительно поднять его на высоту не более 200 - 300 мм, чтобы убедиться в надежности зацепки и устойчивости крана-манипулятора, после чего производить подъем груза на нужную высоту;

- перемещаемые в горизонтальном направлении грузы следует предварительно поднять на 500 мм выше встречающихся на пути предметов;

- при подъеме стрелы необходимо следить, чтобы она не поднималась выше положения, соответствующего наименьшему рабочему вылету;

- при перемещении груза, находящегося вблизи стены, колонны, штабеля, железнодорожного вагона, автомашины, станка или другого оборудования, следует предварительно убедиться в отсутствии стропальщика и других людей между перемещаемым грузом и указанными частями здания, транспортными средствами или оборудованием, а также в невозможности задевания стрелой или перемещаемыми грузами за стены, колонны, вагоны и др.

- перемещение мелкоштучных грузов должно производиться в специально предназначенной для этого таре. При этом должна быть исключена возможность выпадения отдельных грузов. Подъем кирпича на поддонах без ограждения разрешается производить только при погрузке и разгрузке (на землю) автомашин, их прицепов;

- укладка и разборка груза должны производиться равномерно, без нарушения установленных для складирования грузов габаритов и без загромождения проходов;

- строповка грузов должна производиться в соответствии со схемами строповки. Для строповки должны применяться стропы, соответствующие массе и характеру поднимаемого груза, с учетом числа ветвей и угла их наклона. Стропы общего назначения подбираются так, чтобы угол между их ветвями не превышал 90°;

- при работе крана-манипулятора с грейфером, предназначенным для сыпучих и кусковых материалов, не разрешается производить перевалку материала, наибольший размер кусков которого превышает 300 мм, а насыпанная масса - величину, установленную для данного грейфера. Перевалка штучного груза может производиться только специальным грейфером;

- работа крана-манипулятора с грейфером или захватом допускается при отсутствии в зоне их действия людей, в том числе подсобных рабочих, обслуживающих кран-манипулятор. Подсобные рабочие могут допускаться к выполнению своих обязанностей только во время перерыва в работе крана-манипулятора, после того как грейфер или захват будут опущены на землю;

- опускать перемещаемый груз разрешается только на предназначенное для этого место, где исключается возможность падения, опрокидывания или сползания устанавливаемого груза. На место установки груза должны быть предварительно уложены соответствующей прочности подкладки. Укладку и разборку грузов следует производить равномерно, не нарушая установленные для складирования грузов габариты и не загромождая проходы;

- кантовка грузов кранами-манипуляторами может производиться на кантовальных площадках или в специально отведенных местах. Выполнение такой работы разрешается по разработанной технологии, где должны быть отражены последовательность выполнения операций, способ строповки груза и указания по безопасному выполнению работ.

ОБЯЗАННОСТИ СТРОПАЛЬЩИКА ПЕРЕД НАЧАЛОМ РАБОТ

До начала работ стропальщик обязан:

- ознакомиться при производстве погрузочно-разгрузочных работ с технологической картой и поставить в ней свою подпись;

- получить от лица, ответственного за безопасное производство работ кранами-манипуляторами, инструктаж и задание о виде работ, массе получаемых грузов, о месте и габаритах их складирования;

- подобрать грузозахватные приспособления, соответствующие массе и характеру поднимаемого груза. Стропы должны подбираться (с учетом числа ветвей) такой длины, чтобы угол между ветвями не превышал 90°;

- проверить исправность грузозахватных приспособлений и наличие на них клейм или бирок с обозначением номера, даты испытания и грузоподъемности, а также проверить исправность тары и наличие на ней надписи о ее назначении, номера, информации о собственной массе и предельной массе груза, для транспортировки которого она предназначена;

- проверить наличие и исправность вспомогательных инвентарных приспособлений (оттяжек, багров, крюков, лестниц, подкладок, прокладок, спецподкладок для стропов и т.д.);

- проверить освещение рабочего места. При недостаточном освещении стропальщик, не приступая к работе, обязан доложить об этом лицу, ответственному за безопасное производство работ кранами-манипуляторами.

Стропальщик должен помнить, что опасно:

- приступать к работе, не ознакомившись с проектом производства работ, без защитной каски и сигнального жилета;

- устанавливать кран-манипулятор на дополнительные выносные опоры при подъеме (опускании) стрелы в рабочее положение.

ОБЯЗАННОСТИ СТРОПАЛЬЩИКА ПРИ ОБВЯЗКЕ И ЗАЦЕПКЕ ГРУЗОВ

При обвязке и зацепке груза стропальщик должен руководствоваться следующими указаниями:

- обвязку или зацепку грузов следует производить в соответствии со схемами строповки грузов, строповку редко поднимаемых грузов, на которые не разработаны схемы их строповки, следует производить под руководством лица, ответственного за безопасное производство работ кранами-манипуляторами;

- проверить массу груза, предназначенного к перемещению краном, по списку грузов или по маркировке на грузе; если стропальщик не имеет возможности определить массу груза, то он должен узнать ее у лица, ответственного за безопасное производство работ кранами-манипуляторами;

- при обвязке груза канаты и цепи должны накладываться на его основной массив (раму, каркас, корпус, станину) без узлов, перекруток и петель; под ребра грузов следует использовать специальные подкладки, предохраняющие стропы от повреждений;

- обвязывать груз надлежит таким образом, чтобы во время его перемещения исключалось падение отдельных его частей (блоки, бревна, прутки) и обеспечивалось устойчивое положение груза при перемещении: для этого строповка длинномерных грузов должна производиться не менее чем в двух местах;

- зацепку железобетонных и бетонных изделий, а также других грузов, снабженных петлями, рымами, цапфами, следует производить за все предусмотренные для подъема в соответствующем положении петли, рымы, цапфы;

- при подвешивании груза на двурогие крюки стропы должны накладываться таким образом, чтобы нагрузка распределялась на оба рога крюка равномерно;

- неиспользованные для зацепки груза концы многоветвевого стропа следует укрепить так, чтобы при перемещении груза исключалась возможность задевания ими за встречающиеся на пути предметы;

- убедиться, что предназначенный к подъему груз ничем не укреплен, не защемлен, не завален и не примерз к земле.

При обвязке и зацепке грузов стропальщику запрещается:

- производить строповку груза, масса которого неизвестна или превышает грузоподъемность крана;

- пользоваться поврежденными или немаркированными съемными грузозахватными приспособлениями и тарой, соединять звенья разорванных цепей болтами или проволокой, связывать канатами;

- производить строповку груза иными способами, чем указано на схемах строповки;

- применять для обвязки и зацепки грузов не предусмотренные схемами строповки приспособления (ломы, штыри, и др.);

- производить зацепку груза, не имеющего маркировки, а также зацепку его за поврежденные петли;

- подвешивать груз на один рог двурогого крюка;

- производить строповку и подвешивание грузов на крюк на расстоянии ближе 30 м от крайнего провода линии электропередачи без наряда-допуска и без присутствия ответственного лица, назначенного приказом по предприятию, фамилия которого должна быть указана в наряде-допуске;

- забивать крюк стропа в монтажные петли железобетонных изделий или других грузов;

- поправлять ветви стропов в зеве крюка ударами молотка или других предметов;

- поправлять ударами молотка, лома и другими предметами стропы на поднимаемом грузе;

- использовать при обвязке крупных стеновых блоков и других высоких грузов приставные лестницы (в этих случаях следует применять переносные площадки);

- допускать к строповке и расстроповке грузов лиц, не имеющих удостоверения стропальщика;

- подвешивать груз не за все имеющиеся на изделии петли.

ОБЯЗАННОСТИ СТРОПАЛЬЩИКА ПРИ ПОДЪЕМЕ И ПЕРЕМЕЩЕНИИ ГРУЗА

Перед подачей сигнала о подъеме груза стропальщик должен:

- убедиться, что груз надежно закреплен и ничем не удерживается;

- проверить, нет ли на грузе незакрепленных деталей и инструмента; перед подъемом труб большого диаметра проверить, чтобы в них не было земли, льда или других предметов, которые могут выпасть при подъеме;

- убедиться, что груз не может во время подъема и перемещения за что-либо зацепиться;

- убедиться в отсутствии людей возле груза, между поднимаемым грузом и штабелями.

Перед подъемом груза краном-манипулятором стропальщик должен проверить также отсутствие людей возле самого крана-манипулятора, в зоне опускания стрелы и груза, а самому выйти из опасной зоны.

Стропальщик при подъеме и перемещении груза должен:

- предварительно подать сигнал для подъема груза на высоту 200 - 300 мм, проверить при этом правильность строповки, равномерность натяжения стропов, устойчивость крана-манипулятора и действие тормозов и только после этого подавать сигнал о подъеме на необходимую высоту; при необходимости исправления строповки груз должен быть опущен;

- перед горизонтальным перемещением груза убедиться, что груз поднят на высоту не менее 0,5 м выше встречающихся на пути предметов;

- сопровождать груз при перемещении и следить, чтобы он не перемещался над людьми и не мог за что-либо зацепиться; если сопровождать груз не представляется возможным, то за его перемещением должен следить оператор крана-манипулятора;

- для предотвращения самопроизвольного разворота длинномерных и громоздких грузов во время их подъема или перемещения применять специальные оттяжки;

- укладку груза производить равномерно, без нарушения установленных для складирования габаритов и без загромождения проходов, проездов, чтобы расстояние от выступающих элементов поворотной части крана-манипулятора до груза было не менее одного метра, при невозможности выполнения этого условия работы должны быть прекращены.

При подъеме и перемещении груза стропальщику запрещается:

- находиться на грузе во время подъема или перемещения, а также допускать подъем или перемещение груза, если на нем находятся другие люди;

- находиться под поднятым грузом или допускать нахождение под ним других людей;

- оттягивать груз во время его подъема, перемещения и опускания;

- находиться и допускать пребывание людей в кузове автомобиля;

- производить погрузку и разгрузку автомашин, если в них находятся люди.

При работе кранов-манипуляторов вблизи линии электропередачи стропальщик должен быть особенно внимательным. Во избежание зажатия между поворотной и неповоротной частями крана-манипулятора, а также между грузом и краном-манипулятором, стропальщик не должен находиться в опасных местах.

Если во время подъема или перемещения груза стропальщик заметит неисправность крана-манипулятора, он обязан немедленно подать сигнал о прекращении подъема (перемещения) груза и сообщить о неисправности оператору.

ОБЯЗАННОСТИ СТРОПАЛЬЩИКА ПРИ ОПУСКАНИИ ГРУЗА

Стропальщик перед опусканием груза обязан:

- предварительно осмотреть место, на которое необходимо опустить груз и убедиться в невозможности падения, опрокидывания или сползания груза;

- на место установки груза в случае необходимости предварительно уложить прочные подкладки для удобства извлечения стропов из-под груза;

- снимать стропы с груза или крюка лишь после того, как груз будет надежно установлен, а при необходимости и закреплен.

При работе на штабелях высотой 1,5 м необходимо применять переносные инвентарные площадки и стремянки для перехода с одного штабеля на другой.

Прокладки и подкладки в штабелях следует располагать в одной вертикальной плоскости, их толщина при штабелировании панелей, блоков и т.п. должна быть больше высоты выступающих монтажных петель. Прокладки должны быть одинакового сечения и достаточной прочности.

Стропальщику следует помнить, что применение прокладок круглого сечения при складировании строительных материалов в штабели запрещается.

Для размещения материалов должны быть подготовлены выровненные и утрамбованные, а в зимнее время очищенные от снега и льда площадки.

4 ПОТРЕБНОСТЬ В МАТЕРИАЛЬНО-ТЕХНИЧЕСКИХ РЕСУРСАХ

4.1 Для производства погрузочно-разгрузочных работ и складирования необходимы механизмы, приспособления и инвентарь, технические характеристики которых приведены в таблице 5.

Таблица 5 - Ведомость потребности в машинах, инструменте, инвентаре

№ п/п

Наименование

Тип, марка, ГОСТ

Ед. изм.

Количество

Примечание

1

2

3

4

5

6

1

Кран-манипулятор

ПК 7000

ПКК 8000

шт.

1

 

2

Строп четырехветвевой

4СК1-5,0/3000

ГОСТ 25573-82*

шт.

1

 

3

Строп четырехветвевой

4СК1-10,0/5000

ГОСТ 25573-82*

шт.

1

 

4

Строп четырехветвевой

4СК1-3,2/4000

ГОСТ 25573-82*

шт.

1

 

5

Строп кольцевой

СКК1-5,0/3000

ГОСТ 25573-82*

шт.

2

 

6

Строп кольцевой

СКК13,2/4000

ГОСТ 25573-82*

шт.

4

 

7

Комплект знаков по безопасности и охране труда

ГОСТ 12.4.026-2001

компл.

1

Для информации по безопасности труда

8

Каска строительная

ГОСТ 12.4.087-84

шт.

3

-

9

Рукавицы

ГОСТ 12.4.010-75*

пар

3

-

5 ТЕХНИКО-ЭКОНОМИЧЕСКИЕ ПОКАЗАТЕЛИ

5.1 Погрузочно-разгрузочные работы кранами-манипуляторами осуществляет звено из 3-х человек в составе:

оператора (машиниста) крана-манипулятора 4 разряда      - 1 чел.

стропальщиков 2 разряда                                                       - 2 чел.

5.2 Нормы времени на выполнение погрузочно-разгрузочных работ кранами-манипуляторами на 100 тонн грузов согласно Е1-5 приведены в таблице 6.

Таблица 6 - Нормы времени на выполнение погрузочно-разгрузочных работ на 100 тонн грузов (сборник Е1 - внутрипостроечные транспортные работы)

Вид материалов (грузов)

Общая масса поднимаемого груза, т, до

Нормы времени

машиниста, чел.-ч.

стропальщика, чел.-ч.

работы машины, маш.-ч.

Разные грузы (материалы) штучные, в пакетах, контейнерах или на поддонах

0,5

11,0

22

(11,0)

1,0

6,1

12,2

(6,0)

1,5

4,4

8,8

(4,4)

2.0

3,6

7,2

(3,6)

3,0

2,7

5,4

(2,7)

4,0

2,3

4,6

(2,3)

5,0

2,1

4,2

(2,1)

6 ПЕРЕЧЕНЬ НОРМАТИВНО-ТЕХНИЧЕСКОЙ ЛИТЕРАТУРЫ

1 СНиП 12-03-2001 «Безопасность труда в строительстве. Часть 1. Общие требования».

2 СНиП 12-04-2002 «Безопасность труда в строительстве. Часть 2. Строительное производство».

3 СНиП 23-05-95 «Естественное и искусственное освещение».

4 ГОСТ 12.0.004-90 «ССБТ. Организация обучения безопасности труда. Общие положения».

5 ГОСТ 12.1.004-91* «ССБТ. Пожарная безопасность. Общие требования».

6 ГОСТ 12.1.046-85 «ССБТ. Строительство. Нормы освещения строительных площадок».

7 ГОСТ 12.3.009-76* «ССБТ. Работы погрузочно-разгрузочные. Общие требования безопасности».

8 ГОСТ 12.1.051-90 «ССБТ. Электробезопасность. Расстояния безопасности в охранной зоне линий электропередачи напряжением свыше 1000 В».

9 ГОСТ 12.3.020-80* «ССБТ. Процессы перемещения грузов на предприятиях. Общие требования безопасности».

10 ГОСТ Р 12.4.026-2001 «ССБТ. Цвета сигнальные, знаки безопасности и разметка сигнальная. Назначение и правила применения. Общие технические требования и характеристики. Методы испытаний».

11 ЕНиР. Единые нормы и расценки на строительные, монтажные и ремонтно-строительные работы. Сборник 1. Внутрипостроечные транспортные работы.

12 ПБ 10-257-98 «Правила устройства и безопасной эксплуатации грузоподъемных кранов-манипуляторов» Госгортехнадзора России.

13 ПОТ РМ-007-98 «Правила по охране труда при погрузочно-разгрузочных работах и размещении грузов».

14 ПОТ РМ-016-2001 «Межотраслевые правила по охране труда (правила безопасности) при эксплуатации электроустановок».

15 ППБ 01-03 «Правила пожарной безопасности в Российской Федерации».

16 «Правила дорожного движения Российской Федерации».

17 «Правила по охране труда на автомобильном транспорте».

ПРИЛОЖЕНИЕ А

(обязательное)

СХЕМЫ СТРОПОВОК

ТАБЛИЦА МАСС ГРУЗОВ И ПРИМЕНЯЕМЫХ ГРУЗОЗАХВАТНЫХ ПРИСПОСОБЛЕНИЙ

Наименование элементов

Марка

Тип

Масса, т

№№ схем строповок

Кол. одноврем. поднимаемых элементов, шт.

Грузозахватные приспособления

Количество

Строп

Характеристика

Q, тс

L, мм

Р, кг

Фундаментные плиты

Ф20-12-25

Ф20-12-35

2,46

55

1

4-х ветвевой

5,0

3000

38,5

1

Блоки бетонные для стен подвалов

ФБС 12.4.3-т

0,31

5

2

То же

5,0

3000

38,5

1

ФБС 9.4.6-т

0,47

77

4

-«-

5,0

3000

38,5

1

Сваи

С10-30

2,28

3

1

-«-

5,0

3000

38,5

1

СХЕМЫ СТРОПОВОК

ТАБЛИЦА МАСС ГРУЗОВ И ПРИМЕНЯЕМЫХ ГРУЗОЗАХВАТНЫХ ПРИСПОСОБЛЕНИЙ

Наименование элементов

Марка

Тип

Масса, т

№№ схем строповок

Кол. одноврем. поднимаемых элементов, шт.

Грузозахватные приспособления

Количество

Строп

Характеристика

Q, тс

L, мм

Р, кг

Колонны легкого каркаса

КРС 72

КРСС24

3,3

1,1

59

1

4-х ветвевой

10

5000

108,0

1

Ригели легкого каркаса

1РФ32-8П

2,0

31

1

То же

10

5000

108,0

1

Лестничные марши

ЛМ-39-18

1,98

13

1

-«-

10

5000

108,0

1

Панели перекрытия

П6-4

2,42

12

1

-«-

10

5000

108,0

1

СХЕМЫ СТРОПОВОК

ТАБЛИЦА МАСС ГРУЗОВ И ПРИМЕНЯЕМЫХ ГРУЗОЗАХВАТНЫХ ПРИСПОСОБЛЕНИЙ

Наименование элементов

Марка

Тип

Масса, т

№№ схем строповок

Кол. одноврем. поднимаемых элементов, шт.

Грузозахватные приспособления

Количество

Строп

Характеристика

Q, тс

L, мм

Р, кг

Арматурные стержни

0,12 м3 = 1 т

2,0

86

2 т

4-х ветвевой кольцевой

5,0

3000

38,5

1

3,2

4000

7,38

2

Арматурные сетки

-«-

-«-

15

-«-

То же

5,0

3000

38,5

1

3,2

4000

7,38

4

Арматурные сетки в рулонах

-«-

-«-

88

-«-

-«-

5,0

3000

38,5

1

3,2

4000

7,38

2

Ларь для хранения закладных деталей и инструментов

№ 1164 М тр. МОС

0,265

68

1

4-х ветвевой

5,0

3000

38,5

1

СХЕМЫ СТРОПОВОК

ТАБЛИЦА МАСС ГРУЗОВ И ПРИМЕНЯЕМЫХ ГРУЗОЗАХВАТНЫХ ПРИСПОСОБЛЕНИЙ

Наименование элементов

Марка

Тип

Масса, т

№№ схем строповок

Кол. одноврем. поднимаемых элементов, шт.

Грузозахватные приспособления

Количество

Строп

Характеристика

Q, тс

L, мм

Р, кг

Стеновые панели

ПС60

12.2,5-2л

2,71

11

1

4-х ветвевой

5,0

3000

38,5

1

Перемычки

5ПГ

50-23-П

1,135

17

3

4-х ветвевой кольцевой

5,0

3000

38,5

1

3,2

4000

7,38

2

Кирпич на поддонах

-«-

1,5

18

1

4-х ветвевой

5,0

3000

38,5

1

Панельные подмости

№ 1214

0,77

80

1

4-х ветвевой

5,0

3000

38,5

1

СХЕМЫ СТРОПОВОК

ТАБЛИЦА МАСС ГРУЗОВ И ПРИМЕНЯЕМЫХ ГРУЗОЗАХВАТНЫХ ПРИСПОСОБЛЕНИЙ

Наименование элементов

Марка

Тип

Масса, т

№№ схем строповок

Кол. одноврем. поднимаемых элементов, шт.

Грузозахватные приспособления

Количество

Строп

Характеристика

Q, тс

L, мм

Р, кг

Контейнер для рулонных кровельных материалов

№ 4780М тр. МОС

2,244

9

1

4-х ветвевой

5,0

3000

38,5

1

Железобетонные лотковые перекрытия каналов

ЛП-4

2,86

119

1

То же

5,0

3000

38,5

1

Железобетонные лотковые днища каналов

ЛД-10

2,68

120

1

-«-

5,0

3000

38,5

1

Железобетонные кольца горловин колодцев

К-1

0,132

114

1

-«-

5,0

3000

38,5

1

СХЕМЫ СТРОПОВОК

ТАБЛИЦА МАСС ГРУЗОВ И ПРИМЕНЯЕМЫХ ГРУЗОЗАХВАТНЫХ ПРИСПОСОБЛЕНИЙ:

Наименование элементов

Марка

Тип

Масса, т

№№ схем строповок

Кол. одноврем. поднимаемых элементов, шт.

Грузозахватные приспособления

Количество

Строп

Характеристика

Q, тс

L, мм

Р, кг

Пиломатериалы 1,5 м3

 

1,2

17

10

4-х ветвевой кольцевой

10

5000

108,0

1

82

3,2

4000

7,38

2

Металлические балки

 

1,0

84

1 св.

То же

10

5000

108,0

1

85

3,2

4000

7,38

2

-«-

10

500

108,0

1

3,2

4000

7,38

2

СХЕМЫ СТРОПОВОК

ТАБЛИЦА МАСС ГРУЗОВ И ПРИМЕНЯЕМЫХ ГРУЗОЗАХВАТНЫХ ПРИСПОСОБЛЕНИЙ

Наименование элементов

Марка

Тип

Масса, т

№№ схем строповок

Кол. одноврем. поднимаемых элементов, шт.

Грузозахватные приспособления

Количество

Строп

Характеристика

Q, тс

L, мм

Р, кг

Фундаменты под сборные железобетонные ограды

ФО-2

0,70

29

1

4-х ветвевой

5,0

3000

38,5

1

Сборные железобетонные ограды

ПО-2

1,42

58

1

То же

5,0

3000

38,5

1

ПО-16

1,56

Приложение Б

(рекомендуемое)

Рекомендуемая знаковая сигнализация при перемещении грузов грузоподъемными кранами-манипуляторами*

Операция

Рисунок

Сигнал

Поднять груз или крюк

Прерывистое движение рукой вверх на уровне пояса, ладонь обращена вверх, рука согнута в локте

Опустить груз или крюк

Прерывистое движение рукой вниз перед грудью, ладонь обращена вниз, рука согнута в локте

Выдвинуть или задвинуть стрелу

Движение рукой, согнутой в локте, ладонь обращена в сторону требуемого движения стрелы

Повернуть стрелу

Движение рукой, согнутой в локте, ладонь обращена в сторону требуемого движения стрелы

Стоп (прекратить подъем или передвижение)

Резкое движение рукой вправо и влево на уровне пояса, ладонь обращена вниз

Осторожно (применяется перед подачей какого-либо из перечисленных выше сигналов при необходимости незначительного перемещения)

Кисти рук обращены ладонями одна к другой на небольшом расстоянии, руки при этом подняты вверх

* Рекомендуемая форма стропальщика:

жилет и каска - желтого цвета, рубашка - голубого, повязка - красного.



уроки по алготрейдингу на Python с нуля



Яндекс цитирования

   Copyright © 2008-2026 ,  www.infosait.ru

backtrader - уроки алготрейдинга на python