ИНФОСАЙТ.ру
Госты, стандарты, нормативы. В библиотеке 60000 документов. Регулярное обновление. Круглосуточный бесплатный доступ!
БИБЛИОТЕКА ГОСТОВ, СТАНДАРТОВ И НОРМАТИВОВ

:: АЛГОТРЕЙДИНГ ::


АЛГОТРЕЙДИНГ
шаг за шагом


БЕСПЛАТНЫЕ УРОКИ по созданию торговых роботов на PYTHON с нуля, шаг за шагом.


Минимальные знания на PYTHON.
Библиотеки BackTrader и Pandas, сигналы с Pine Script из TradingView.
Связка с брокерами, телеграм.
Создание простых интерфейсов.

 

Все документы, представленные в каталоге, не являются их официальным изданием и предназначены исключительно для ознакомительных целей. Электронные копии этих документов могут распространяться без всяких ограничений. Вы можете размещать информацию с этого сайта на любом другом сайте.


ПРАВИТЕЛЬСТВО МОСКВЫ

КОМПЛЕКС ПЕРСПЕКТИВНОГО РАЗВИТИЯ ГОРОДА

ТЕХНИЧЕСКИЕ РЕКОМЕНДАЦИИ

ПО ТЕХНОЛОГИИ МОНТАЖА
ПОЛИМЕРБЕТОННЫХ ТРУБ
ДЛЯ
МИКРОТОННЕЛЬНОЙ ПРОКЛАДКИ
КАНАЛИЗАЦИОННЫХ
КОЛЛЕКТОРОВ
ВНУТРЕННИМ
ДИАМЕТРОМ 300 - 1200 мм

ТР 88-98

МОСКВА - 1999

 «Технические рекомендации по технологии монтажа полимербетонных труб для микротоннельной прокладки канализационных коллекторов внутренним диаметром 300 - 1200 мм» разработаны лабораторией подземных сооружений НИИМосстроя (к.т.н. Ляпидевский Б.В., к.т.н. Ландер А.Ф., инженер Зорич А.Г.) при участии «Мосстройлицензии» (Е.П. Емельянов).

Настоящие рекомендации предусматривают прогрессивную технологию прокладки канализационных коллекторов малых диаметров (300 - 1200 мм) без вскрытия поверхности, с применением микротоннелепроходческих комплексов (МТПК) с прокладкой высококоррозионностойких полимербетонных труб. Технология не предусматривает устройство дополнительных футляров.

Технология микротоннелирования широко распространена за рубежом, а в последнее время находит все большее применение в городах Российской Федерации.

Правительство Москвы

Технические рекомендации

по технологии монтажа полимербетонных труб для микротоннельной прокладки канализационных коллекторов внутренним диаметром 300 - 1200 мм

ТР 88-98

Комплекс перспективного развития города

1. ОБЛАСТЬ ПРИМЕНЕНИЯ

1.1. Технические рекомендации распространяются на технологию работ по бестраншейной прокладке непроходных канализационных трубопроводов (внутренний диаметр 300 - 1200 мм), выполненных из полимербетонных труб, с применением микротоннелепроходческих комплексов (МТПК).

1.2. Учитывая высокую коррозионную стойкость полимербетонных труб, наиболее эффективная область их применения - трубопроводы для фекальной и бытовой канализации, ливнестоки, водостоки, водостоки промышленных агрессивных вод, трубопроводы для транспортировки химических жидкостей.

Разработаны НИИМосстроем

Утверждены:

Первый заместитель руководителя Комплекса перспективного развития города

Е.П. Заикин

«18» декабря 1998 г

Дата введения в действие

«1» января 1999 г

Внесены:

Управлением развития Генплана

1.3. Бестраншейная прокладка производится между стартовой и конечной шахтами (котлованами), находящимися на расстоянии до 100 - 120 м друг от друга (рис. 1). Это расстояние может быть при особой необходимости увеличено в несколько раз путем ввода в состав МТПК специального дополнительного оборудования - промежуточных прессовых станций.

Рис. 1. Схема трубопровода, проложенного бестраншейным способом между стартовой и конечной шахтами:

1 - стартовая шахта; 2 - трубопровод; 3 - конечная шахта

1.4. Бестраншейная прокладка трубопроводов с применением МТПК может производиться в нескальных и скальных грунтах, в том числе при смешанном забое и появлении в грунтовом массиве по трассе проходки крупнообломочных грунтов с включением гравия, гальки или щебня иногда в виде прослоек, а также валунов. Она является наиболее эффективной в песчаных, в т.ч. водонасыщенных грунтах, а также в глинистых грунтах (глинах, суглинках, супесях), при проходке, осуществляемой при однородном забое.

При прокладке трубопровода в малопрочных, средней прочности и особенно прочных скальных грунтах скорость проходки может снизиться существенно.

1.5. Бестраншейная прокладка трубопровода с применением МТПК может производиться как под свободной территорией, так и в условиях, когда по трассе или вблизи ее располагаются здания, сооружения, подземные коммуникации, железнодорожные и трамвайные пути, автомобильные дороги с различного вида покрытиями, пешеходные дорожки и переходы, зеленые насаждения, ручьи, реки и водоемы.

1.6. Технология наиболее рациональна для условий строительства и реконструкции трубопроводов:

при прокладке протяженных линий территорий с плотной застройкой или насыщением подземного пространства действующими коммуникациями;

при прокладке относительно коротких трубопроводов под путями сообщения, водными и другими преградами;

при прокладке под территориями, являющимися памятниками архитектуры или охраняемыми в части недопущения изменения их сложившегося облика даже на период прокладки коммуникаций открытым способом (парки, площади и т.д.).

1.7. Минимальная глубина заложения верха трубопровода, прокладываемого с применением МТПК относительно грунтовой поверхности, должна быть не менее 1,5 - 2-х диаметров трубопровода, но в любом случае не менее 1 метра; также не менее 1 метра должен быть зазор между прокладываемым трубопроводом и расположенными в земле подземными коммуникациями и сооружениями.

2. ПОЛИМЕРБЕТОННЫЕ ТРУБЫ ДЛЯ БЕСТРАНШЕЙНОЙ ПРОКЛАДКИ КАНАЛИЗАЦИОННЫХ КОЛЛЕКТОРОВ

2.1. Отечественные полимербетонные трубы для бестраншейной прокладки разработаны и сертифицированы совместно ЦНКБ Госкомитета по оборонным отраслям промышленности, Мосинжпроектом и НИИМосстроем (альбом ПС-342).

2.2. Изготовление полимербетоных труб в металлических виброформах с последующей термообработкой освоено на промышленном комбинате ПК-54.

2.3. Трубы изготавливаются из полимербетона по ГОСТ 25246-82 и состоят на 90 % из минерального заполнителя с кривой гранулометрического состава от 0 до 16 мм на основе связующего и термоактивной смолы фурановой (ФАМ) или полиамидной (ПН).

2.4. Технические характеристики труб должны соответствовать ТУ 4926-007-07509209. Физико-механические характеристики полимербетона представлены в табл. 1.

Таблица 1

Физико-механические показатели полимербетонных труб

№ п/п

Наименование показателя

Ед. изм.

Значение показателя

Метод испытания

ФАМ

ПН

1

Плотность

кг/м3

2300 - 2400

2300 - 2400

ГОСТ 12730.1

2

Прочность при сжатии, не менее

МПа

50,0 - 70,0

70,0 - 80,0

ТУ 4926-007-07509209

п. 5.1

3

Прочность на растяжение при изгибе, не менее

МПа

10,0 - 12,0

10,0 - 12,0

п. 5.3

4

Водопоглощение, не более за 24 часа

%

0,05 - 0,3

0,05 - 0,1

ГОСТ 12730.3

5

Коэффициент химической стойкости:

 

 

 

ГОСТ 473.1

в атмосферных условиях

 

0,9

0,9

 

в воде

 

0,8

0,8

 

в едком натрии:

 

 

 

 

концентрация среды 1 %

 

0,8

0,8

 

концентрация среды 10 %

 

0,6

0,6

 

в соляной кислоте:

 

 

 

 

концентрация среды 5 %

 

0,8

0,8

 

концентрация среды 36 %

 

0,8

0,8

 

в серной кислоте:

 

 

 

 

концентрация среды 3 %

 

0,8

0,8

 

концентрация среды 30 %

 

0,8

0,8

 

6

Класс горючести

 

Трудновоспламеняемые

ГОСТ 121044

7

Морозостойкость, не менее

Циклы

300

300

ТУ 4926-007-07509209 п. 5.5.

 

Показатели приняты по ТУ 4926-007-07509209

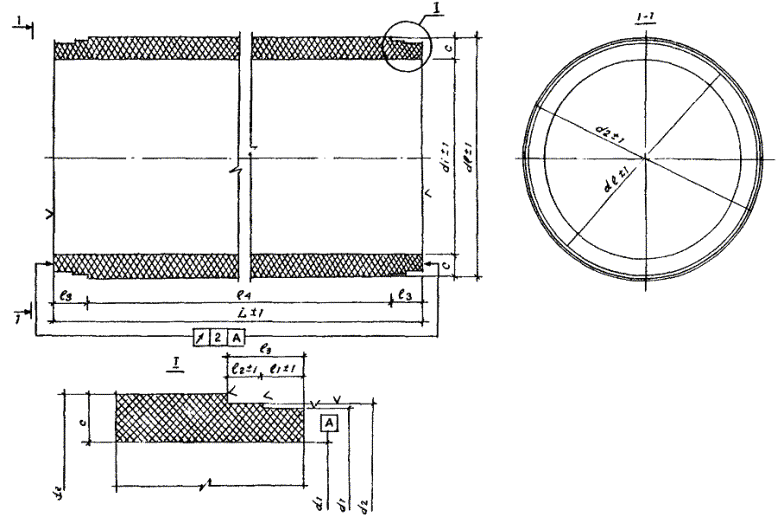
2.5. Трубы предусмотрены 2-х категорий по прочности, которые отличаются толщиной стенки: конструкции 1-й группы позволяют осуществлять прокладку трубопроводов при заглублении верха трубы до 4,0 м, конструкции 2-й группы - до 6,0 м при средних грунтовых условиях и воздействии временной нагрузки по схеме НТ-60.

Чертеж и геометрические размеры труб представлены соответственно на рис. 2 и в табл. 2.

2.6. Стыковое соединение полимербетонных труб (рис. 3) включает наружную кольцевую муфту из полиэфирного стеклопластика или из стали с антикоррозионным покрытием, по одному кольцевому уплотнителю специального профиля из каучука-эластомера на каждом из концов соединяемых труб, стыковую кольцевую прокладку из прессованной древесины, закладываемую в процессе монтажа между торцами смежных труб, а также кольцевые уплотнители из губчатой резины или герметика типа Тиксопрол-АМ, находящиеся по торцам муфты.

2.7. Трубы поставляются на стройплощадки, укомплектованными двумя кольцевыми резиновыми уплотнителями специального профиля (рис. 4), соединительными муфтами, выполненными из стеклопластика или из стали с антикоррозионным покрытием (рис. 5 и 6) и одним компрессионным кольцом из прессованной древесины (рис. 7). Возможна поставка труб со смонтированной с одной из концов трубы муфтой.

3. КОНСТРУКЦИЯ МИКРОТОННЕЛЕПРОХОДЧЕСКИХ КОМПЛЕКСОВ (МТПК)

3.1. Микротоннелепроходческий комплекс представляет собой комплекс подземного, шахтного и поверхностного оборудования, обеспечивающий механизированное и дистанционно управляемое выполнение следующих операций:

образование в различных грунтах подземной выработки для прокладки трубопровода с одновременным креплением забоя и стенок выработки;

транспортирование разработанного грунта на поверхность с одновременным контролем его объема;

укладка с заданной точностью и скоростью составного трубопровода между стартовой и конечной шахтами.

Таблица 2

Марка трубы

Диаметр условного прохода трубы Ду, мм

Размеры, мм

Расход полимербетона на трубу, м3

Масса трубы, т

di±1

de±1

d1±1

d2±1

С

L-2

l1±1

l2±1

l3

l4

ТПБ 34.200-1

300

340

400

385

387,5

30

1990

40

30

70

1850

0,068

0,164

ТПБ 30.200-2

300

50

0,102

0,260

ТПБ 47.200-1

400

470

550

535

537,5

40

1990

40

30

70

1850

0,126

0,302

ТПБ 40.200-2

400

75

0,221

0,530

ТПБ 56.200-1

500

560

650

635

637,5

45

1990

40

30

70

1850

0,168

0,403

ТПБ 50.200-2

500

75

0,268

0,643

ТПБ 66.200-1

600

660

750

730

732,5

45

1990

60

35

95

1800

0,194

0,466

ТПБ 60.200-2

600

75

0,312

0,749

ТПБ 76.200-1

700

760

860

838

840,5

50

1990

60

35

95

1800

0,248

0,595

ТПБ 71.200-2

710

75

0,385

0,924

ТПБ 86.300-1

800

860

960

934

936,5

50

2990

60

35

95

2800

0,420

1,01

ТПБ 80.300-2

800

80

0,654

1,57

ТПБ 98.300-1

900

975

1095

1065

1067,5

60

2990

60

35

95

2800

0,574

1,38

ТПБ 92.300-2

915

90

0,840

2,02

ТПБ 114.300-1

1000

1140

1280

1251

1253,5

70

2990

80

40

120

2750

0,736

1,89

ТПБ 108.300-2

1080

100

1,10

2,64

Масса труб определена при плотности полимербетона 2400 кг/м3


Разрез по продольной оси трубы

Шероховатость обрабатываемых поверхностей Rа < 0,06 мм

Рис. 2. Полимербетонные трубы ТПБ 34.200-1-ТПБ 100.300-2


Рис. 3. Стыковое соединение полимербетонных труб:

1 - полимербетонная труба типа ТПБ; 2 - герметик Тиксопрол-АМ марки 01 (ТУ 5712-004-18009705-95); 3 - муфта соединительная типа МСМ; 4 - кольцо компенсационное типа КК; 5 - уплотнитель УП-40 для труб диаметром 300 - 500 мм УП-60 - для труб диаметром 600 - 900 мм, УП-40 (2 шт.) - для труб диаметром 1000 мм

Уплотнитель УП-40

Уплотнитель УП-40 - резиновая смесь 7-6021 ТУ 33-105 1868-83

Диаметр условного прохода трубы Ду, мм

Размеры

Масса уплотнителя, кг

Др1

Др2

300

350

360

0,235

400

485

495

0,39

500

575

585

0,46

Уплотнитель УП-60

Уплотнитель УП-60 - резиновая смесь 7-6021 ТУ 33-105 1868-83

Диаметр условного прохода трубы Ду, мм

Размеры

Масса уплотнителя, кг

Др1

Др2

600

665

680

0,84

700

760

775

0,915

800

850

865

1,01

900

965

980

1,155

1000

1100

1115

1,315

Рис. 4. Кольцевые уплотнители специального профиля из каучука-эластомера

Разрез по продольной оси муфты

Марка муфты

Диаметр условного прохода трубы Ду, мм

Размеры, мм

Масса, кг

dем

diм

d

См

С1м

Lм

l1м

l2м

МСС-30

300

398

390

394

4

2

150

5,5

139

1,12

МСС-40

400

548

540

544

4

2

150

5,5

139

1,66

МСС-50

500

648

640

644

4

2

150

5,5

139

1,95

МСС-60

600

748

738

743

5

2,5

200

7

136

3,71

МСС-70

700

858

846

852

6

3

200

8

184

5,15

МСС-80

800

958

942

950

8

4

200

11

178

7,65

МСС-90

900

1093

1073

1083

10

5

200

14

172

10,88

МСС-100

1000

1278

1256

1267

11

5,5

250

15

220

17,05

Муфты изготавливаются из стеклопластика полиэфирного по ТУ 6-48-0204962-8-89

Масса муфт определена при плотности полиэфирного стеклопластика - 1600 кг/м3

Рис. 5. Муфта соединительная из стеклопластика

Разрез по продольной оси муфты

1. Сварочный шов - по ГОСТ 14771-76 ИП

Сварочная проволока св-06´19Н9Т ГОСТ 2246-70

2. Н14, h14

3. Маркировать клеймом 7858-01-46 по ГОСТ 25726-83

4. Материал муфты - сталь по ГОСТ 7350-77

Сталь толстолистовая коррозионно-стойкая, жаростойкая и жаропрочная

Марка муфты

Диаметр условного прохода трубы Ду, мм

Размеры, мм

Материал

Масса, кг

dем

diм

dс1м

Ссм

С1м

Lм

l1м

l2м

МСМ-30

300

398

390

394

4

2

150

5,5

139

Лист 150´4 ГОСТ 19904-74

12´18Н10Т ГОСТ 7350-77

5,84

МСМ-40

400

548

540

544

4

2

150

5,5

139

Лист 150´4 ГОСТ 19904-74

12´18Н10Т ГОСТ 7350-77

8,06

МСМ-50

500

648

640

644

4

2

150

5,5

139

Лист 150´4 ГОСТ 19904-74

12´18Н10Т ГОСТ 7350-77

9,53

МСМ-60

600

748

738

743

5

2,5

200

7

186

Лист 200´5 ГОСТ 19904-74

12´18Н 10Т ГОСТ 7350-77

18,32

МСМ-70

700

858

846

852

6

3

200

8

184

Лист 200´6 ГОСТ 19904-74

12´18Н 10Т ГОСТ 7350-77

25,21

МСМ-80

800

958

942

950

8

4

200

11

178

Лист 200´8 ГОСТ 19904-74

12´18Н 10Т ГОСТ 7350-77

37,49

МСМ-90

900

1093

1073

1083

10

5

200

14

172

Лист 200´10 ГОСТ 19904-74

12´18Н 10Т ГОСТ 7350-77

53,41

МСМ-100

1000

1278

1256

1267

11

5,5

250

15

220

Лист 200´11 ГОСТ 19904-74

12´18Н 10Т ГОСТ 7350-77

87,43

Рис. 6. Муфта соединительная металлическая

Марка компрессионного кольца

Марка трубы

Диаметр условного прохода трубы Ду, мм

Размеры, мм

Масса кольца, кг

diк

dек

bк

Ск

КК-30-1

ТПБ 34.200-1

300

350

380

10

15

0,08

КК-30-2

ТПБ 30.200-2

310

360

10

25

0,104

КК-40-1

ТПБ 46.200-1

400

480

520

10

20

0,13

КК-40-2

ТПБ 40.200-2

410

510

10

50

0,29

КК-50-1

ТПБ 56.200-1

500

570

620

10

25

0,19

КК-50-2

ТПБ 50.200-2

510

610

10

50

0,35

КК-60-1

ТПБ 66.200-1

600

670

720

10

25

0,22

КК-60-2

ТПБ 60.200-2

610

710

10

50

0,42

КК-70-1

ТПБ 76.200-1

700

770

820

10

25

0,25

КК-70-2

ТПБ 70.200-2

710

810

10

50

0,48

КК-80-1

ТПБ 86.300-1

800

870

920

10

25

0,28

КК-80-2

ТПБ 80.300-2

810

910

10

50

0,54

КК-90-1

ТПБ 98.300-1

900

985

1045

10

30

0,38

КК-90-2

ТПБ 90.300-2

925

1025

10

50

0,61

КК-100-1

ТПБ 114.300-1

1000

1150

1230

10

40

0,60

КК-100-2

ТПБ 108.300-2

1090

1210

10

60

0,87

Кольца компрессионные изготавливаются из плит древесноволокнистых (ДВП) М-1-10 по ГОСТ 4598-86

Масса колец определена при плотности плит марки М-1 400 кг/м3

Рис. 7. Кольца компрессионные из прессованной древесины

3.2. Микротоннелепроходческие комплексы, в зависимости от используемого в них способа транспортировки разработанной породы (грунта), делятся на 3 вида:

МТПК 1-го вида с пневмотранспортировкой разработанной породы (рис. 8, 9);

МТПК 2-го вида с гидротранспортировкой разработанной породы (рис. 10);

МТПК 3-го вида с механической (шнековой) транспортировкой разработанной породы (рис. 11).

МТПК 3-го вида применимы в основном лишь для прокладки трубопроводов в нескальных грунтах при высоте слоя грунтовой воды над верхом трубопровода до 3 - 5 м.

3.3. Основными элементами каждого МТПК (см. рис. 8) являются: щитовая микромашина (ЩММ); прессовая станция; система транспортирования и приема разработанного грунта или породы; управляюще-силовой контейнер; крановая установка; аппаратура системы маркшейдерского контроля за положением ЩММ; стартовое и конечное уплотнения, монтируемые на стенках соответственно стартовой и приемной шахт; установка для приготовления и нагнетания бентонитового раствора (см. рис. 9); составные коммуникационные шланги и кабели (см. рис. 9).

На месте строительства МТПК комплектуется компрессором и рабочим инструментом.

Рис. 8. Конструкторско-технологическая схема МТПК 1-го вида для прокладки труб диаметром от 250 до 600 мм (фирма «Ноэль») с пневмотранспортировкой разработанной породы:

1 - ЩММ; 2 - прессовая станция; 3 - вакуумно-вытяжной контейнер; 4 - грунтоприемный контейнер; 5 - одиночный составной транспортный трубопровод; 6 - гибкий соединительный трубопровод; 7 - управляюще-силовой контейнер; 8 - крановая установка; 9 - лазер; 10 - лазерный кронштейн; 11 - курвиметр; 12 - стартовое уплотнение; 13 - трубы прокладываемого трубопровода; 14 - контейнер для составных транспортных труб

Рис. 9. Конструкторско-технологическая схема МТПК 1-го вида для прокладки труб диаметром от 700 до 1600 мм (фирма «Ноэль») с пневмотранснортировкой разработанной породы:

1 - ЩММ; 2 - прессовая станция; 3 - вакуумно-вытяжной контейнер; 4 - грунтоприемный контейнер; 5 - одиночный составной транспортный трубопровод; 6 - гибкий соединительный трубопровод; 7 - управляюще-силовой контейнер; 8 - крановая установка; 9 - лазер; 10 - лазерный кронштейн; 11 - курвиметр; 12 - стартовое уплотнение; 13 - трубы прокладываемого трубопровода; 14 - установка для приготовления и нагнетания бентонитового раствора; 15 - стартовая шахта

Рис. 10. Конструкторско-технологическая схема МТПК 2-го вида (фирма «Херренкнехт») с гидротранспортировкой разработанной породы:

1 - ЩММ; 2 - прессовая станция; 3 - водяной насос; 4 - грязевой насос; 5 - контейнер для приема и осаждения пульпы; 6 - двойной составной транспортный трубопровод; 7 - гибкий соединительный трубопровод; 8 - управляюще-силовой контейнер; 9 - крановая установка; 10 - лазер; 11 - лазерный кронштейн; 12 - лазерная мишень; 13 - курвиметр; 14 - стартовое уплотнение; 15 - конечное уплотнение; 16 - трубы прокладываемого трубопровода

Рис. 11. Конструктивно-технологическая схема МТПК 3-го вида (фирма «Зольтау») с щнековой транспортировкой разработанной породы:

1 - ЩММ; 2 - прессовая станция; 3 - грунтовая бадья; 4 - шнековая транспортная труба; 5 - управляюще-силовой контейнер; 6 - крановая установка; 7 - лазер; 8 - лазерный кронштейн; 9 - труба прокладываемого трубопровода

3.4. Основными изготовителями микротоннелепроходческих комплексов являются:

германские фирмы «Ноэль», «Херренкнехт», «Зольтау»;

японская фирма «Исеки-Политех»;

английская фирма «Декон» (по лицензии фирмы «Зольтау»);

канадско-американская фирма «Аккерман».

3.5. Сведения по номенклатуре микротоннелепроходческих комплексов, выпускаемых различными фирмами, и их техническим характеристикам, находящихся в распоряжении подрядных строительных организаций России, приведены в приложении А.

3.6. Конструкции микротоннелепроходческих комплексов, создаваемых в России, приведены в приложении В.

4. ТЕХНОЛОГИЯ И ОРГАНИЗАЦИЯ ПРОИЗВОДСТВЕННОГО ПРОЦЕССА

4.1. Общие положения

4.1.1. Бестраншейная прокладка инженерных коммуникаций является в настоящее время одной из эффективных технологий при строительстве трубопроводов в городах под улицами, при пересечении водных преград, автомобильных и железных дорог, других различного рода препятствий.

Применение для этих целей микротоннелепроходческих комплексов позволяет осуществлять без вскрытия поверхности прокладку трубопроводов наружными диаметрами от 340 до 1140 мм участками между шахтами (колодцами) до 100 - 120 м друг от друга.

4.1.2. По сравнению с другими технологиями по прокладке инженерных коммуникаций, бестраншейная прокладка с применением микротоннелепроходческих комплексов:

обеспечивает строительство трубопровода без вскрытия поверхности и открытия траншей, что создает безопасные условия при производстве работ, не нарушает городскую среду обитания, повышает экологическую безопасность;

полностью устраняет ручной труд и механизирует процесс прокладки трубы; управление всем технологическим процессом осуществляется с централизованного пульта машинистом;

не нарушает движение городского транспорта, исключает необходимость дополнительных работ по устройству обходов, временных мостов, переходных мостиков;

исключает необходимость применения дорогостоящих специальных способов работ при проходке в водоносных грунтах и обеспечивает точную прокладку трубопровода;

не нарушает благоустройство городской территории, ликвидирует затраты на ее последующее восстановление (кроме мест расположения шахт).

4.1.3. Основанием для выполнения на строительном объекте работ по бестраншейной прокладке трубопровода с применением МТПК служит утвержденный в установленном порядке проект строительства и отводы земельных участков под строительные площадки.

4.1.4. Подрядная строительная организация, осуществляющая строительство, должна иметь лицензию на производство работ по прокладке трубопроводов, проект производства работ (ППР), составленный этой организацией или по ее заказу специализированной проектной организацией в развитие общего проекта организации строительства. Указанные организации должны иметь соответствующие лицензии.

Составлению ППР должны предшествовать тщательный анализ инженерно-геологических условий по трассе прокладки трубопровода.

4.1.5. При бестраншейной прокладке коммуникаций могут применяться стальные, железобетонные, полимербетонные, керамические трубы, соединяемые друг с другом встык без муфт во избежание дополнительного сопротивления при продавливании трубы.

4.2. Подготовительные работы

4.2.1. В полимербетонных трубах соединение осуществляется с применением новых типовых стыков, имеющих кольцевые манжеты, снабженные каучуковым эластомером, обжимаемым в процессе продавливания трубы за микрощитом.

4.2.2. Выполнению бестраншейной прокладки трубопроводов с применением МТПК должны предшествовать работы по переносу из проекта на местность координат центра и внутренних границ шахт (котлованов), располагающихся по концам и по трассе прокладываемого трубопровода, и по строительству этих шахт в соответствии с проектом.

4.2.3. Проект с учетом специфики применения МТПК должен предусматривать:

способность конструкций каждой стартовой шахты воспринимать, кроме горного, в т.ч. гидростатического давления, также усилия прокладывания, возникающие в процессе прокладки трубопроводов; вертикальное расположение внутренних стенок стартовой шахты (при круглой шахте со сборной обделкой нижние кольца целесообразно устанавливать в положении, обеспечивающем передачу на них усилия продавливания под прямым углом);

назначение внутренних размеров стартовой шахты и расстояния от оси прокладываемого трубопровода до днища с учетом паспортных данных элементов МТПК, размещаемых в шахте;

необходимость заполнения тощим бетоном класса не выше В-15 отверстий, предварительно сделанных в железобетонных стенах шахт для возможности прохода трубопровода (заделываемые отверстия не армируются).

В случаях необходимости вокруг стартовых шахт должно производиться тщательное уплотнение мягких грунтов, в первую очередь песчаных и глинистых, или даже инъекционное закрепление водонасыщенных грунтов.

4.2.4. Работы по бестраншейной прокладке трубопровода с применением МТПК должны выполняться только персоналом, прошедшим специальное, в т.ч. практическое обучение и инструктаж по технике безопасности. При этом на объекте должны быть инструкции по сборке, эксплуатации и техническому обслуживанию применяемого МТПК, а также по ремонту отдельных узлов МТПК.

4.2.5. Работы по прокладке трубопроводов с применением МТПК целесообразно проводить при положительной температуре (до +40 °С), при отрицательной температуре окружающего воздуха (до -20 °С) работы могут производиться при обогреве отдельных элементов и агрегатов МТПК.

4.2.6. Строительство стартовой и конечной шахт осуществляется в соответствии с ППР, которым определены конструкция, размеры и способ сооружения указанных шахт.

4.2.7. Устройство на стройплощадке автомобильных проездов, а также пешеходных проходов, а при необходимости - ограждений.

4.2.8. Проведение маркшейдерской привязки координат точек пересечения оси прокладываемого трубопровода с внутренними поверхностями стенок стартовой шахты и точки пересечения оси прокладываемого трубопровода с внутренней поверхностью стенки конечной шахты со стороны стартовой шахты с закреплением на стенке стартовой шахты лазерного кронштейна, установкой и корректировкой положения лазера и наведением его луча в заданном направлении.

Методика привязки координат продавливания в стартовой шахте приведена в приложении Б.

4.2.9. До начала прокладки трубопровода должны быть выполнены следующие работы:

разработаны на глубину заложения и закреплены котлованы под стартовую и приемную шахты;

в стартовой шахте устроен железобетонный фундамент под продавливающую установку и установлена железобетонная упорная плита;

доставлены контейнеры с оборудованием комплекса на строительную площадку;

произведены монтаж и установка всего оборудования на площадке и в стартовой шахте, подведены все коммуникации;

смонтирована лазерная установка ведения щита;

изготовлены и доставлены к месту складирования на строительную площадку полимерные трубы длиной 2 м (трубы диаметром до 700 мм включительно), и длиной 3 м (трубы диаметром 800 и более мм).

4.3. Прокладка трубопровода

4.3.1. Работы по непосредственной прокладке трубопровода из стартовой шахты до конечной должны выполняться в определенной последовательности.

4.3.2. Поочередный спуск в стартовую шахту щитовой микромашины, прицепных элементов (при их наличии) или трубы прокладываемого трубопровода.

Находящиеся в трубах транспортные трубопроводы должны быть зафиксированы от выскальзывания.

4.3.3. Состыковка заднего конца ЩММ и прицепного элемента или элемента трубы прокладываемого трубопровода, поддерживаемых с помощью тельфера, с нажимной плитой прессовой станции.

4.3.4. Перед каждым продвижением ЩММ и прицепных элементов ее (при их наличии), а также трубы прокладываемого трубопровода необходимо выполнить следующие операции.

4.3.5. Соединение с помощью защелок конца транспортного трубопровода, находящегося в ЩММ, соответствующем прицепном элементе (при наличии) или в последней трубе прокладываемого трубопровода, с нижним передним концом трубчатого транспортного угольника нажимной плиты прессовой станции МТПК 1-го вида, а при применении МТПК 2-го вида - с двумя съемными транспортными патрубками с последующим подсоединением к последним концов гибких шлангов для подвода воды и отвода пульпы, отходящих от управляюще-силового контейнера. При МТПК 3-го вида ось секции шнекового контейнера, находящегося в ЩММ или в последней трубе прокладываемого трубопровода, соединяется с помощью пальца с выступающим центральным валом привода, укрепленного на нажимной плите прессовой станции.

4.3.6. Пропуск сзади через центральное отверстие нажимной плиты прессовой станции переднего конца стандартных отрезков коммуникационных шлангов и кабеля и муфтовое соединение их с концами соответствующих шлангов и кабеля, находящихся в ЩММ или в последней прокладываемой трубе.

Перед соединением друг с другом соответствующие соединительные муфты должны тщательно продуваться сжатым воздухом.

Коммуникационные шланги и кабель целесообразно временно с помощью проволочных скруток крепить на транспортной трубе.

4.3.7. Смазка резинового листа стартового уплотнения солидолом и включение прессовых гидроцилиндров прессовой станции на выдвижение с обеспечением надлежащей стыковки прицепных элементов (при их наличии) с ЩММ и друг с другом и стыковки последней трубы прокладываемого трубопровода с ранее проложенной трубой.

4.3.8. Включение лазера и контроль функции распознавания лазерного луча с изменением положения в ЩММ или трубе прокладываемого трубопровода коммуникационных шлангов и кабеля в случае перекрытия ими лазерного луча.

4.3.9. Приведение в действие системы транспортирования грунта, для чего необходимо:

при применении МТПК 1-го вида - включить дизельный двигатель вакуумно-вытяжного контейнера на максимальную скорость его вращения, включить вытяжку и открыть в ЩММ транспортный трубопровод и трубопровод притока воздуха с проверкой выполнения этих операций по микрофону и, при необходимости, подать воду в ЩММ;

при применении МТПК 2-го вида - открыть задвижки байпаса и закрыть питающую и транспортирующую задвижку в ЩММ и включить водяной и грязевой насосы;

при применении МТПК 3-го вида - включить привод шнекового контейнера (для ЩММ с самостоятельным приводом).

4.3.10. Выбор направления движения роторного рабочего органа ЩММ и включение привода его с предварительной постановкой числа оборотов на максимум и регулировкой его в зависимости от грунтовых условий при одновременном наблюдении за величиной крутящего момента.

4.3.11. Продвижение ЩММ с прицепными элементами (при их наличии) или трубы прокладываемого трубопровода на длину хода прессовых гидроцилиндров должно осуществляться путем включения этих гидроцилиндров на выдвижение с регулировкой скорости этого выдвижения до величины, обеспечивающей давление в гидромоторах рабочего органа в 9 - 10 МПа, и переводом работы прессовых гидроцилиндров на автоматический режим. При применении МТПК 2-го вида продвижению должны предшествовать закрытие задвижки байпаса и открытие задвижек на ветвях транспортного трубопровода для подачи воды и выдачи пульпы.

4.3.12. При превышении угла закручивания ЩММ величины, равной 20 мм/м должны проводиться поочередно следующие мероприятия по устранению закручивания: изменение направления вращения рабочего органа; замедление скорости вращения рабочего органа; продвижение вперед примерно на 2 см прокладываемого трубопровода (с находящейся впереди ЩММ) прессовыми гидроцилиндрами при отключенном рабочем органе; уменьшение при возможности объема подаваемой в ЩММ воды при применении МТПК 1-го и 2-го видов.

4.3.13. Продвижение ЩММ или очередной прокладываемой трубы трубопровода должно производиться при одновременной работе аппаратуры системы маркшейдерского контроля. При этом должно постоянно вестись наблюдение за изображением на мониторе положения центра луча лазера на лазерной мишени, а также за регистрируемыми на мониторе данными о длине прокладки, дате, времени, позиции по высоте центра машины относительно проектного положения, задаваемого лучом лазера.

4.3.14. После выдвижения прессовых гидроцилиндров на величину их хода, обычно равную 1/3 длины трубы прокладываемого трубопровода, проводится следующее:

отключается привод вращения рабочего органа ЩММ и прекращается подача рабочей жидкости в прессовые гидроцилиндры;

в МТПК 1-го вида отключается воздуходувка вакуумного вытяжного контейнера;

в МТПК 2-го вида включается (открывается) байпас;

в МТПК 3-го вида отключается гидропривод контейнера.

После разблокировки и отвода прессовых гидроцилиндров назад снова должна быть произведена их блокировка, после чего повторяется процесс продвижения ЩММ, прицепных элементов (при их наличии) или трубы.

4.3.15. Грунтоприемный контейнер МТПК 1-го вида и грунтовый отсек контейнера для приема и осаждения пульпы МТПК 2-го вида должны периодически освобождаться от грунта.

Бадья МТПК 3-го вида должна подниматься наверх и разгружаться после окончания прокладки ЩММ и каждой прокладываемой трубы.

4.3.16. При прокладке трубопровода в грунтах естественной влажности, в первую очередь в песчаных грунтах и особенно при наличии гравелистых включений, целесообразно во время продвижения трубопровода производить нагнетание бентонитового раствора за наружную поверхность ЩММ и трубопровода через насадки, имеющиеся в ЩММ или последнем прицепном элементе ее.

При прокладке трубопровода в водонасыщенных грунтах указанное нагнетание целесообразно начинать и далее производить постоянно при достижении посередине прокладываемого участка фактического усилия продвижения, равного 50 % величины предельного усилия, могущего быть созданным прессовой станцией.

4.3.17. После окончания работ производится поочередное циклическое вытягивание из проложенной трубы в стартовую шахту с помощью тельфера и блока, установленного на задней упорной плите прессовой станции, секций транспортного трубопровода (МТПК 1-го и 2-го видов) или шнекового конвейера (МТПК 3-го вида) и для всех МТПК - отрезков коммуникационных шлангов и кабеля с рассоединением соединительных муфт, поднятие их на поверхность и складирование.

4.3.18. В процессе прокладки трубопроводов с применением МТПК маркшейдерской службой строительной организации должны проводиться систематические наблюдения за поведением поверхности земли и надзор за состоянием наземных сооружений, рельсовых путей и дорожных покрытий.

Все случаи недопустимых осадок должны фиксироваться с составлением соответствующего акта.

4.4. Правила приемки и методы контроля

4.4.1. Испытание и приемка в эксплуатацию проложенного трубопровода производится в соответствии с требованиями СНиП 3.01.04-87, а также требованиями и методическими указаниями раздела 7 «Испытание трубопроводов и сооружений» СНиП 3.05.04-85 «Наружные сети и сооружения водоснабжения и канализации».

4.4.2. Для возможности проведения приемочных испытаний напорных трубопроводов на прочность и герметичность проектом в соответствии с требованиями СНиП 2.04.02-84 должны быть определены и указаны в рабочей документации величины внутреннего расчетного и испытательного давления напорного трубопровода.

5. ОХРАНА ТРУДА И ТЕХНИКА БЕЗОПАСНОСТИ ПРИ ПРОИЗВОДСТВЕ РАБОТ

5.1. Работы по бестраншейной прокладке трубопроводов с использованием микротоннелепроходческих комплексов должны производиться в соответствии с общими правилами техники безопасности СНиП III-4-80 «Техника безопасности в строительстве» (изд. 1993 г.); дополнениями к «Правилам техники безопасности при строительстве метрополитенов и подземных сооружений» (изд. 1996 г.); Инструкциями по эксплуатации применяемых машин и механизмов, типовыми и местными инструкциями по профессиям.

5.2. Работы по бестраншейной прокладке трубопроводов с использованием микротоннелепроходческих комплексов должны выполняться по утвержденным проектам производства работ под постоянным наблюдением производителя работ или мастера в присутствии технического надзора.

До начала производства работ необходимо проверить, нет ли на участке каких-либо подземных коммуникаций, а при наличии - принять меры к их сохранению.

5.3. Все лица, занятые на подземных и погрузочных работах, должны пройти инструктаж по охране труда, технике безопасности и управлению комплексом в соответствии с ГОСТ 12.1.004-91, быть ознакомлены под расписку с проектом производства работ и обеспечены средствами индивидуальной защиты.

5.4. При расположении объектов в черте городской застройки со сложившейся инфраструктурой, генподрядчик должен, согласно геоподоснове с нанесенными на ней существующими инженерными коммуникациями и сооружениями, до начала работ вызвать на место представителей субподрядных и эксплуатационных организаций для оформления акта-допуска на производство работ.

5.5. Зона строительства должна быть ограждена; на ограждении вывешены сигнальные фонари и указатели проходов и въезда автотранспорта; зоны границ и осей подземных сооружений и коммуникаций должны быть вынесены в натуре и обозначены соответствующими знаками; выставлены знаки ОРУД ГАИ, обозначены ремонтные и строительные работы, сужение проезжей части, ограничение скорости проезда городского транспорта и т.д.

5.6. Котлованы стартовой и приемной шахт должны быть оборудованы ограждениями высотой не менее 1000 мм и бортовой полосой не менее 150 мм, лестницами шириной не менее 500 мм. Поручни ограждений площадок и оборудования должны выдерживать сосредоточенную нагрузку 700 Н, приложенную горизонтально или вертикально в любом месте по длине поручня.

5.7. Соединения трубопроводов и рукава должны быть доступны для наружного осмотра. Конструкцией системы должны быть исключены трение, скручивание и недопустимые перегибы рукавов при перемещении частей машин.

5.8. Гидросистемы обязательно должны иметь манометры для контроля давлений и предохранительные клапаны.

5.9. Строительная площадка должна содержаться в чистоте: все отходы должны ежедневно убираться с рабочих мест и со строительной площадки в специально отведенные для их хранения места на расстоянии не менее 50 м от жилых зданий и объектов центрального назначения.

5.10. Материалы надлежит складировать в строго отведенных для этих целей зонах строительной площадки, имеющих жесткое покрытие, чтобы в экстремальных ситуациях не препятствовать эвакуации работающих. Запрещается загромождать подступы к противопожарному инвентарю и оборудованию.

5.11. Полимербетонные трубы надлежит складировать на выровненной площадке в зоне работы грузоподъемного механизма в штабели высотой до 3 м на подкладках и с прокладками или седло без прокладок. Прокладки укрепить инвентарными металлическими башмаками или концевыми упорами.

5.12. Каждый микротоннелепроходческий комплекс для бестраншейной прокладки трубопроводов должен иметь допуск к работе Госгортехнадзора России и быть укомплектован эксплуатационной документацией, содержащей требования (правила), предотвращающие возникновение опасных ситуаций при монтаже, вводе в эксплуатацию и эксплуатации.

5.13. Машины комплекса должны иметь предупредительные надписи по технике безопасности, а на рабочих местах должны быть вывешены инструкции с основными требованиями безопасности при эксплуатации.

5.14. Трубопроводы и шланги, другие соединяющие детали и сборочные единицы должны иметь маркировку в соответствии с монтажными схемами.

5.15. Все работы по проходке, изменению режима, очередности выполнения технологических операций должны производиться только по указанию технического руководителя.

5.16. Каждый работник, заметив опасность, угрожающую людям или объекту, где ведутся работы, обязан предупредить об этом работающих и сообщить техническому руководителю или лицу технического надзора и, при возможности, принять меры по устранению опасности.

5.17. При использовании в технологическом процессе грузоподъемных средств все работы, связанные с ними, должны производиться в соответствии с «Правилами безопасной эксплуатации грузоподъемных кранов» и специальными проектами на выполнение этих работ.

5.18. При спуске в шахту секций трубопровода, в которых размещены технологические коммуникационные трубы, шланги и кабели, последние во избежание падения должны быть надежно закреплены.

5.19. Запрещается производить ремонтные работы и обслуживание на работающем оборудовании. Запрещается эксплуатация неисправных машин при обнаружении неисправностей во время работы. Запрещается находиться в опасной зоне работающего оборудования.

5.20. Ремонт и регламентные работы по обслуживанию и испытаниям оборудования, устройств защиты управления и сигнализации должны проводиться в сроки, установленные утвержденными графиками планово-предупредительных ремонтов и испытаний в соответствии с эксплуатационной документацией.

5.21. Все открытые движущиеся части механизмов (муфты, передачи, шкивы и т.д.) должны быть ограждены. Ограждения должны быть выполнены в соответствии с ГОСТ 12.2.062-81.

5.22. На рабочих местах должны быть вывешены надписи, схемы и другие средства информации о необходимой последовательности управления комплексом и инструкции с основными требованиями безопасности при эксплуатации комплекса.

5.23. Поверхности конструкций, которые могут служить источником опасности для работающих, поверхности ограждений и других защитных устройств, указательные знаки и знаки безопасности должны быть окрашены с учетом требований ГОСТ 12.4.026-76*.

5.24. Для электроснабжения коллекторных тоннелей и трубопроводов применяются сети как с изолированной нейтралью питающих трансформаторов (генераторов), так и с глухозаземленной нейтралью. При этом должны быть соблюдены требования п. 11.1.6 «Правил безопасности при строительстве метрополитена и подземных сооружений» (далее «Правил»).

5.25. Степень надежности внешнего энергоснабжения объекта должна определяться проектом в зависимости от способа строительства II или III категории согласно «Правилам устройства электроустановок» (ПУЭ).

5.26. При выполнении электросварочных работ в шахте (в стволе) с источником переменного тока все электросварочные установки должны быть оборудованы устройствами автоматического снятия напряжения холостого хода или ограничения его до 12 В с выдержкой времени не более 0,5 с. Сварочные работы надлежит выполнять в соответствии с Правилами пожарной безопасности в Российской Федерации ППБ-01-93, ГОСТ 12.3.003-86 «Работы электросварочные. Требования безопасности».

6. ОХРАНА ОКРУЖАЮЩЕЙ СРЕДЫ

Бестраншейная прокладка инженерных коммуникаций с применением микротоннелепроходческих комплексов при строительстве трубопроводов, коллекторов и других коммуникационных инженерных сооружений в городах является в настоящее время одной из эффективных технологий, направленных на максимально-возможное сохранение окружающей среды и наименьшее нарушение и стеснение жизни жителей городов.

При проектировании строительства объектов с применением микротоннелепроходческих комплексов и непосредственно при производстве работ должны соблюдаться основные положения по охране окружающей среды.

6.1. При проектировании прокладки трубопровода (коллектора) необходимо соблюдать законодательные акты и нормативно-технические документы по вопросам охраны природы и рационального использования природных ресурсов.

6.2. Порядок использования земель природоохранного, природно-заповедного, оздоровительного, рекреационного и историко-культурного назначения с особыми условиями землепользования определяется законодательством.

6.3. При проектировании участков трубопровода (коллектора) в водоохранных зонах (полосах) следует руководствоваться:

Положением о водоохранных зонах (полосах) рек, озер и водохранилищ;

Правилами охраны поверхностных вод;

Положением об охране подземных вод;

Инструкцией о порядке согласования и выдачи разрешений на специальное водопользование;

Методикой расчета предельно допустимых сбросов (ПДС) веществ в водные объекты со сточными водами, требованиями ГОСТ 17.1.3.13-86, ГОСТ 17.1.3.06-82.

6.4. При необходимости сточные воды следует перекачивать насосными установками в систему городской дождевой канализации.

6.5. Для технологических нужд необходимо предусматривать использование локальных и объединенных схем оборотного и замкнутого водоснабжения.

6.6. При проектировании новых и реконструкции существующих подземных трубопроводов-коллекторов следует предусматривать возможность использования для технических целей грунтовой воды при условии экономической целесообразности.

6.7. Благоустройство и озеленение территории строительных площадок, где расположены стартовые, промежуточные и конечные шахты для прокладываемого трубопровода, следует осуществлять с учетом требований СНиП II-89-90 (изд. 1995 г.), СНиП II-01-95.

Приложение А

(справочное)

Номенклатура и технические характеристики микротоннелепроходческих комплексов (МТПК), выпускаемых зарубежными фирмами

Таблица А1. Технические характеристики МТПК 1-го вида, выпускаемые немецкой фирмой «НОЭЛЬ»

Модель МТПК

Марка ЩММ (щитовой микромашины)

Наружный диаметр ЩММ, мм

Марка прессовой станции

Марка управляюще-силового контейнера

Марка вакуумно-вытяжного контейнера

Внутренний диаметр трубы, мм

Примечание

МТВ 056

ВМ 056

560

РS 086

SН 160

АС 750

400

 

МТВ 064

ВМ 064

640

РS 086

SН 160

АС 750

500

 

МТВ 076

ВМ 076

760

РS 086

SН 160

АС 750

600

 

МТВ 086

ВМ 086

860

РS 086

SН 160

АС 750

700

 

МТВ 113

ВМ 113

1132

РS 150

SН 160

АС 750

800

 

МТВ 128

ВМ 128

1280

РS 150

SН 160

АС 750

1000

 

МТВ 150

ВМ 150

1500

РS 150

SН 200

АС 750

1200

 

МТВ 176

ВМ 176

1760

РS 200

SН 200

АС 750

1400

 

МТВ 187

ВМ 187

1870

РS 200

SН 200

АС 750

1500

 

МТВ 194

ВМ 194

1940

РS 200

SН 200

АС 750

1600

 

Таблица А2. Технические характеристики МТПК 2-го вида, выпускаемых немецкой фирмой «ЗОЛЬТАУ»

Модель

Внутренний диаметр прокл. труб, мм

Макс. наружный диаметр труб, мм

Крутящий момент рабочего органа, кНм

Скорость вращения режущ. головки, об/мин.

Мощность оборудования, кВт

Диам. труб для транспорт. воды и пульпы, мм

Усилие прессовой станции, кН

Диам. шахты при трубах длиной по 2,0 м, м

Размер прямоугольн. шахты при трубах длиной по 3,0 м, м

RVS-100АS

250 - 600

780

17

30

53,8

75

1150

3,0

-

RVS-250АS

450 - 800

1000

29,7

25

83,2

100

 

3,2

-

RVS-300АS

600 - 1000

1400

67,5

20

110

100

3400

3,5

-

RVS-400АS

900 - 1400

1700

243

18 - 8

125

125

4500

-

3,4´4

RVS-600АS

900 - 2100

2400

357

15 - 5

169

150

6000

-

4,5´4

Таблица А3. Технические характеристики МТПК 2-го вида, выпускаемых английской фирмой «ДЕКОН»

Модель

Внутрен. диаметр прокладываемых труб, мм

Крутящий момент рабочего органа, кНм

Мощность оборудования, кВт

Диаметр транспортных труб, мм

Усилие прессовой станции, кН

Миним. диаметр шахты при трубах длиной 2 м, м

RVS-100S

250 - 400

18

60

80

1000

3,0

RVS-250S

500 - 700

30

90

100

2500

3,0

RVS-300S

800 - 900

85

110

125

3500

3,5

Таблица А4. Технические характеристики МТПК 2-го вида, выпускаемых немецкой фирмой «ХЕРРЕНКНЕХТ» с щитовой микромашиной АVN 400 и АVN 1200с

Наименование характеристики и размерность

Величина параметра

для АVN 400

для АVN 1200с

Общая масса комплекта, т

35

65

в том числе:

 

 

щитовой микромашины

2,8

12,8

прессовой станции

5,2

16

управляюще-силового контейнера

12

15

контейнера для приема и охлаждения пульпы

7

10

грязевого насоса

1,8

1,0

водяного насоса

1,6

1,0

установка для приготовления и нагнетания бентонитового раствора

1,6

1,9

Остановленная мощность, кВт

139,7

231 (диз.)

175 (ген)

в том числе гидронасоса для вращения гидромоторов рабочего органа щитовой микромашины

45

31

Таблица А5. Технические характеристики МТПК 3-го вида, выпускаемых английской фирмой «ДЕКОН»

Модель

Внутрен. диаметр прокладываемой трубы, мм

Крутящий момент шнека или рабочего органа, кНм

Мощность оборудования, кВт

Диаметр шнека, мм

Усилие прессовой станции, кН

Допустимая высота столба грунтовой воды над верхом ЩММ, м

Миним. диаметр шахты при трубах длиной 2 м, м

1. С приводом рабочего органа ЩММ от шнека

RVS-100

250 - 400

5

45

130

1000

3

3,0

RVS-250

450 - 600

15

90

210

2500

3

3,35

RVS-300

600 - 800

20

125

250

3000

3

3,5

2. С приводом рабочего органа ЩММ от гидромотора

 

RVS-100

400

18

80

130

1000

5

3,0

RVS-250

500 - 700

30

125

210

2500

5

3,35

RVS-300

800 - 900

67

145

210

3000

5

3,5

Таблица А6. Технические характеристики МТПК 3-го вида, выпускаемых фирмой «ВЕСТФАЛИЯ ЛЮНЕН»

Внутренний диаметр прокладываемых труб, мм

500, 600, 700, 800

Максимальная длина прокладки, м

100

Допустимая высота столба грунтовой воды над верхом ЩММ, м

5

Наружный диаметр ЩММ, мм

600, 800, 950, 1080

Длина ЩММ, мм

2635

Диаметр шнека, мм

254

Мощность привода, кВт

45

Частота вращения, об/мин

0,5 - 19

Крутящий момент, кНм

19

Усилие управляющих гидроцилиндров, кН

4´109

Длина хода управляющих гидроцилиндров, мм

16 - 35

Усилие прессовой станции, кН

2´1546

Длина хода прессовых гидроцилиндров, мм

1000

Приложение Б

(рекомендуемое)

Методика проведения маркшейдерской привязки координат продавливавия в стартовой шахте, рекомендуемая фирмами «Херренкнехт» и «Ноэль»

Для производства маркшейдерской привязки координат продавливания в стартовой шахте рекомендуется выполнить следующие операции (рис. Б1):

1 стадия

1) установить на стенке стартовой шахты лазерный кронштейн;

2) подвесить лазер к нижней передвижной каретке лазерного кронштейна и направить лазерный луч приблизительно по проектной оси, определенной, например, с помощью отвесов;

3) установить теодолит на треноге и сцентрировать его над фиксированной отметкой М, находящейся в створе проектной линии;

4) установить и визировать рейку на точке цели;

5) установить над задней стенкой шахты мишень;

6) нацелить трубу теодолита на мишень и совместить мишень по горизонтали с проектной осью и зафиксировать ее;

7) с помощью теодолита перенести проектную ось в шахту и направить лазер (луч лазера) по проектной оси.

2 стадия

1) поменять местами мишень и теодолит и визировать на рейку (конечную цель) так, чтобы ось теодолита соответствовала направлению лазерного луча;

2) перенести в котлован с помощью теодолита проектную ось;

3) направить лазерный луч по проектной оси с помощью передвижной каретки лазерного кронштейна;

4) вторично проверить соответствие оси теодолита направлению лазерного луча и откорректировать погрешности с повторением операций по пп. 9 и 10.

Рис. Б1. Схема маркшейдерской привязки:

а - 1-я стадия; б - 2-я стадия: 1 - лазер; 2 - лазерный кронштейн; 3 - кронштейн для теодолита и мишени; 4 - мишень; 5 - теодолит; 6 - рейка

Приложение В

(справочное)

Конструкция микротоннелепроходческих комплексов, создаваемых в России

Проектные проработки по созданию отечественных МТПК были начаты в Научно-техническом центре Мосинжстроя после участия ряда его сотрудников в конце 1994 г. в работах, организованных Тоннельной ассоциацией, по прокладке 280 м полимербетонного трубопровода на объекте ПАУКС Мосводоканала (по Тайнинской ул., г. Москва) с применением МТПК 2-го вида модели АVN-400 фирмы «Херренкнехт». Работы выполнялись ОАО «Горнопроходческих работ-3».

В 1996 - 1997 гг. была разработана техническая документация на МТПК модели КМП-800 для прокладки железобетонных и полимербетонных труб внутренним диаметром 800 мм (рис. В1). Основной особенностью этого комплекта является возможность использовать как гидротранспортировку, так и механическую транспортировку разработанной породы. При этом механическая шнековая транспортировка осуществляется в условиях нагнетания в призабойную зону ЩММ (микрощита) пены. Управляюще-силовой контейнер и контейнер для приема и осаждения пульпы разделены каждый на два элемента.

КМП-800 имеет следующие технические характеристики:

Максимальная длина прокладки трубопровода, м                                     100 - 120

Максимальные отклонения от трассы при ведении

микрощита, мм:

по вертикали                                                                                                  +30

по горизонтали                                                                                              +50

Максимальная сменная скорость прокладки

трубопровода, м/смену                                                                                  20

Средняя сменная скорость прокладки, м/смену                                          6

Общая мощность электродвигателей, кВт                                                   250

Общая масса оборудования комплекса, т                                                    36,5

Диаметр образуемой выработки, мм                                                           1040

Наружный диаметр ЩММ, мм                                                                     1020

Длина ЩММ, мм                                                                                           2200

Длина прицепного элемента ЩММ, мм                                                     2000

Масса ЩММ, кг                                                                                             4100

Мощность привода рабочего органа микрощита, кВт                                90

Вращающий момент рабочего органа ЩММ, кНм                                     60

Максимальное усилие гидроцилиндров прессовой

станции при давлении в гидросистеме 25 МПа, кНм                                2200

Объем контейнера для пульпы, м3                                                               20

Объем контейнера для очищенной воды, м                                                20

Производительность грязевого и питательного насоса, м3                    100

Масса силового контейнера, кг                                                                    6500

Масса управляющего контейнера, кг                                                           3700

Диаметр шнекового контейнера, мм                                                            250

Рис. В1 Конструкторско-технологическая схема микротоннелепроходческого комплекса КМП-800 (проект ОАО НТЦ):

1 - ЩММ (микрощит); 2 - прессовая станция; 3 - водяной насос; 4 - грязевой насос; 5 - контейнер приема пульпы; 6 - контейнер очищенной воды; 7 - транспортные трубопроводы; 8 - управляющий контейнер; 9 - силовой контейнер; 10 - лазер; 11 - лазерный кронштейн; 12 - курвиметр; 13 - стартовое уплотнение; 14 - крановая установка; 15 - труба прокладываемого трубопровода; 16 - стартовая шахта

ССЫЛКИ НА НОРМАТИВНЫЕ ДОКУМЕНТЫ

В рекомендациях использованы ссылки на следующие нормативные документы:

СНиП II-89-90 «Генеральные планы промышленных предприятий» (издание 1995 г.);

СНиП II-01-95 «Инструкция о порядке разработки, согласования, утверждения и составе проектной документации на строительстве зданий, предприятий и сооружений»;

СНиП III-4-80 «Техника безопасности в строительстве»;

СНиП 2.02.01-83 «Основания зданий и сооружений», 1995;

СНиП 3.01.01-85 «Организация строительного производства», 1995;

СНиП 2.04.02-84 «Водоснабжение, наружные сети и сооружения», 1996;

СНиП 3.01.04-87 «Приемка в эксплуатацию законченных строительством объектов. Основные положения»;

СНиП 3.05.04-85 «Наружные сети и сооружения водоснабжения и канализации», 1990;

ГОСТ 12.3.003-86 «Работы электросварочные»;

ГОСТ 12.1.004-91 «Пожарная безопасность. Общие требования»;

ГОСТ 25246-82* «Бетоны химические стойкие»;

ГОСТ 12.4.026-76* «Цвета сигнальные и знаки безопасности»;

ГОСТ 12.2.003-91 «Оборудование производственное, общие требования безопасности»;

ГОСТ 12.2.061-81 «Оборудование производственное. Общие требования безопасности к рабочим местам»;

ГОСТ 12.2.062-81 «Оборудование производственное. Ограждения защитные»;

ГОСТ 12.2.040-79 «Гидроприводы объемные и системы смазочные. Общие требования безопасности к конструкции»;

ГОСТ 12.1.003-83 «Шум. Общие требования безопасности»;

ГОСТ 12.1.012-90 «Вибрационная безопасность. Общие требования»;

ГОСТ 17.1.3.06-82 «Охрана природы. Гидросфера. Общие требования к охране подземных вод»;

ГОСТ 17.1.3.13-86 «Охрана природы. Гидросфера. Общие требования к охране поверхностных вод от загрязнения»;

Правила устройства электроустановок, 1985;

Правила безопасности при строительстве метрополитена и подземных сооружений, 1992;

Дополнения к «Правилам безопасности при строительстве метрополитенов и подземных сооружений», 1996;

Правила пожарной безопасности при производстве строительно-монтажных работ, ППБ-05-86;

Инструкция по противопожарной защите горных выработок при строительстве метрополитена и тоннелей, 1987;

Рекомендации по применению огнетушителей в производственных, складских и общественных зданиях и сооружениях, ВНИИ ПО МВД.

СОДЕРЖАНИЕ

1. Область применения. 1

2. Полимербетонные трубы для бестраншейной прокладки канализационных коллекторов. 3

3. Конструкция микротоннелепроходческих комплексов (мтпк) 4

4. Технология и организация производственного процесса. 12

5. Охрана труда и техника безопасности при производстве работ. 17

6. Охрана окружающей среды.. 19

Приложение А Номенклатура и технические характеристики микротоннелепроходческих комплексов (МТПК), выпускаемых зарубежными фирмами. 20

Приложение Б Методика проведения маркшейдерской привязки координат продавливавия в стартовой шахте, рекомендуемая фирмами «Херренкнехт» и «Ноэль». 21

Приложение В Конструкция микротоннелепроходческих комплексов, создаваемых в России. 22

 



уроки по алготрейдингу на Python с нуля



Яндекс цитирования

   Copyright © 2008-2026 ,  www.infosait.ru

backtrader - уроки алготрейдинга на python