|
|
Все документы, представленные в каталоге, не являются их официальным изданием и предназначены исключительно для ознакомительных целей. Электронные копии этих документов могут распространяться без всяких ограничений. Вы можете размещать информацию с этого сайта на любом другом сайте.
МИНИСТЕРСТВО ЭНЕРГЕТИКИ РОССИЙСКОЙ ФЕДЕРАЦИИ УТВЕРЖДЕНО Приказом Министерства энергетики Российской Федерации от 30 июня МЕТОДИЧЕСКИЕ УКАЗАНИЯ ПО ОРГАНИЗАЦИИ И ПРОВЕДЕНИЮ НАБЛЮДЕНИЙ ЗА ОСАДКОЙ ФУНДАМЕНТОВ И ДЕФОРМАЦИЯМИ ЗДАНИЙ И СООРУЖЕНИЙ СТРОЯЩИХСЯ И ЭКСПЛУАТИРУЕМЫХ ТЕПЛОВЫХ ЭЛЕКТРОСТАНЦИЙСО 153-34.21.322-2003Центр
производственно-технической информации Содержание1. ОБЩИЕ ПОЛОЖЕНИЯ1.1. Настоящие Методические указания СО 153-34.21.322-2003 содержат основные положения по организации и методике наблюдений за осадкой фундаментов, деформациями строительных конструкций зданий и сооружений тепловых электростанций (ТЭС). 1.2. Настоящие Методические указания разработаны с учетом специфики производства измерений осадки и деформаций в условиях строительства и эксплуатации ТЭС. 1.3. Инструментальные измерения за осадкой фундаментов основного оборудования, производственных зданий, гидротехнических сооружений и деформациями строительных конструкций ТЭС производятся в соответствии с ПТЭ [1] при всех грунтовых условиях, кроме скальных, в целях определения абсолютных и относительных значений осадки, деформаций и сравнения их с допустимыми (расчетными), уточнения расчетных данных физико-механических характеристик грунтов основания, контроля состояния зданий и сооружений в процессе их возведения и эксплуатации, разработки и проведения мероприятий по предупреждению опасных деформаций. 1.4. Материалы наблюдений своевременно анализируются специалистами цехов, служб или отделов, ведающих строительством и эксплуатацией зданий и сооружений, для выявления причин и принятия мер к своевременному устранению обнаруженных дефектов. 1.5. Проект организации наблюдений за осадкой фундаментов зданий и сооружений разрабатывается проектной организацией в составе проекта строительства (реконструкции) ТЭС. 1.6. Материалы по наблюдению за осадкой в период строительства и в период эксплуатации хранятся в архиве ТЭС. 1.7. С выходом настоящих Методических указаний утрачивают силу «Методические указания по организации и проведению наблюдений за осадками фундаментов и деформациями зданий и сооружений строящихся и эксплуатируемых тепловых электростанций: РД 34.21.322-94» (М.: СПО ОРГРЭС, 1997). 2. ИЗМЕРЕНИЕ ОСАДКИ ФУНДАМЕНТОВИзмерения осадки фундаментов зданий и сооружений
производятся методом геометрического и гидростатического нивелирования.
Измерения осадки (нивелирование) в период эксплуатации осуществляются с
точностью, характеризующейся средней квадратической погрешностью определения
осадки в слабом месте не более Измерения осадки фундаментов в период строительства, а также
земляных плотин гидротехнических сооружений производятся с точностью, характеризующейся
средней квадратической погрешностью определения превышения на станции (одного
штатива) не более Инструментальные измерения осадки фундаментов зданий и сооружений необходимо начинать в период выполнения строительных работ нулевого цикла, т.е. после возведения фундаментов. Сроки проведения измерений устанавливаются проектной организацией в зависимости от характеристик грунта основания, значения ожидаемых деформаций и класса ответственности сооружения. Наблюдения за осадкой фундаментов в период эксплуатации
электростанции производятся в соответствии с ПТЭ:
в первые два года эксплуатации - два раза в год, в дальнейшем до стабилизации
осадки фундаментов - один раз в год, а после стабилизации осадок ( При обнаружении очага интенсивной осадки фундаментов дальнейшее измерение осадки выполняется по специально разработанной программе в зависимости от влияния деформаций на прочность и устойчивость сооружений, а также на допустимость осадки с учетом характера технологического процесса. 2.1. Объекты для наблюдений за осадкой фундаментов2.1.1. В процессе проектирования ТЭС разрабатывается проект наблюдения за деформациями оснований зданий и сооружений, в котором устанавливаются: - объекты для наблюдения за осадкой; - точность измерений; - расположение исходных (глубинных, грунтовых) реперов; - размещение деформационных марок на объектах; - система обработки материалов наблюдений и форма отчетной документации. 2.1.2. К объектам, подлежащим наблюдению за осадкой, относятся: - здания: главный корпус ТЭС; здания дробильных устройств; многоэтажный административный корпус; береговые насосные; здания водоподготовительной установки с баками на опорах; - сооружения: дымовые трубы; градирни; опоры эстакад топливоподачи; фундаменты под турбоагрегаты; фундаменты под котлы; фундаменты под дробилки; резервуары для хранения мазута ( плотины водохранилища. 2.1.3. Устанавливаются наблюдения за осадкой любых не упомянутых выше зданий и сооружений, в том числе гидротехнических сооружений и дамб золоотвалов, если в процессе строительства или эксплуатации в них будут обнаружены (визуально) недопустимые деформации. 2.1.4. На просадочных, закарстованных, вечномерзлых, насыпных и набухающих грунтах наблюдению за осадкой фундаментов подлежат все расположенные на них построенные объекты. 2.2. Исходные реперы2.2.1. Измерения деформаций и осадки фундаментов зданий и сооружений производятся относительно исходных глубинных или грунтовых реперов. В зависимости от инженерно-гидрогеологической характеристики промплощадки ТЭС устанавливаются глубинные или грунтовые реперы: глубинные реперы, основания которых закладываются в скальные, полускальные или другие коренные практически несжимаемые грунты; грунтовые реперы, основания которых закладываются ниже глубины сезонного промерзания или перемещения грунта; стенные реперы, устанавливаемые на несущих конструкциях зданий и сооружений, осадка фундаментов которых практически стабилизировалась. При наличии на строительной площадке набивных или забивных свай, верхним концом выступающих на поверхность, допускается их использование в качестве грунтовых реперов с соответствующим оформлением верхней части сваи. 2.2.2. Типы исходных реперов устанавливаются в зависимости от грунтовых условий строительной площадки: - для участков, на которых скальные грунты залегают на
глубине до - на участках, где скальные или другие слабосжимаемые грунты
залегают глубже - на участках с грунтами средней плотности (модуль
деформации Е = 200÷300 кгс/см2)
мощностью более
1 - железобетонный или металлический колодец; 2 -
асбоцементная труба диаметром Рисунок 1. Исходный репер для скальных грунтов
1 - железобетонный или металлический колодец с
крышкой; 2 - труба диаметром 80- Примечание - Размеры даны в сантиметрах Рисунок 2. Трубчатый глубинный репер Репер устанавливается в шурфе на на участках насыпных неоднородных по составу грунтов, а также заторфованных грунтов, на которых невозможно применить реперы указанных выше конструкций, могут применяться свайные реперы. Форма, сечение и глубина забивки свай определяются специальным расчетом. Выбор типа и места установки исходных реперов производится на основании материалов инженерных изысканий. 2.2.3. Число реперов должно быть не менее трех. Реперы размещаются: - в стороне от проездов, подземных коммуникаций, складских и других территорий, где возможно разрушение или изменение положения репера; - вне зоны распространения давления от здания или сооружения; - вне пределов влияния осадочных явлений, оползневых склонов, нестабилизированных насыпей, торфяных болот, подземных выработок, карстовых образований и других неблагоприятных инженерно-геологических и гидрогеологических условий; - на расстоянии от здания (сооружения) не менее тройной толщины слоя просадочного грунта; - на расстоянии, исключающем влияние вибрации от транспортных средств, машин, механизмов; - в местах, где в течение всего периода наблюдений возможен беспрепятственный и удобный подход к реперам для установки геодезических инструментов. Конкретное расположение и конструкция реперов определяются при разработке проекта. 2.2.4. Исходные реперы закладываются не позднее чем за 2 мес до начала наблюдений за осадкой фундаментов. После установки реперов на них должна быть передана высотная отметка от ближайших пунктов государственной нивелирной сети или от знаков местного геодезического обоснования, служивших исходными для разбивочных работ при строительстве.
1 -
железобетонный или металлический колодец с крышкой; 2 - асбоцементная труба
диаметром Примечание - Размеры даны в сантиметрах Рисунок 3. Исходный репер для грунтов средней плотности В процессе измерения вертикальных деформаций следует контролировать устойчивость исходных реперов для каждого цикла наблюдений. 2.3. Осадочные деформационные марки2.3.1. Осадочными марками называются геодезические знаки, укрепляемые на фундаментах, колоннах, стенах, перекрытиях и т.п., меняющие свое высотное положение вследствие осадки фундамента здания (сооружения). Осадочные марки служат для установки или подвески нивелирных реек и определения отметок одних и тех же конструкций в каждом цикле измерения осадки. Осадочные марки делятся на стенные, плитные и марки-конструкции. Стенные марки устанавливаются на вертикальных гранях конструкций, плитные - на горизонтальных плоскостях, «марки-конструкции» - это детали сооружения, используемые в качестве марок. Стенные осадочные марки по своему устройству и способу закрепления бывают трех типов: марки, закладываемые в железобетонные и бетонные конструкции, в наружные и внутренние кирпичные (блочные) стены и столбы, а также осадочные марки, устанавливаемые на стальные закладные полосы и на стальные колонны (рисунок 4, приложение А). В местах, где марки могут подвергаться нарушению и порче (у входов, в тесных проемах и т.д.), устанавливаются марки в виде костыля с полусферической головкой и предохранительным колпачком. 2.3.2. Плитные осадочные марки, расположенные на перекрытиях подземных сооружений, горизонтальных обрезах фундаментов и т.п., выполняются двух типов: - марки в местах, подверженных механическим повреждениям (где возможно перемещение грузов по плите, фундаменту и пр.), делаются закрытыми; - там, где повреждения маловероятны, марки могут состоять из
одной заклепки диаметром 2.3.3. Под осадочными «марками-конструкциями» понимаются отдельные детали самих конструкций, используемые в качестве марок для нивелирования.
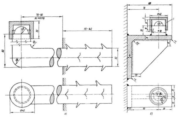
а - тип «а» для кирпичных стен и железобетонных конструкций, материал - Ст 3; б - тип «б»для металлических колонн, материал - Ст 3 прокатная равнобокая (ГОСТ 8509-93 [2]), в - тип «в» - для фундаментов турбоагрегатов и гидротехнических сооружении; 1 - защитный колпак (крышка) осадочной марки; 2 - нивелирная марка (нержавеющая сталь); 3 - металлический короб; 4 - пластина для гидроуровня (нержавеющая сталь); 5 - штыри (Ст 3) Рисунок 4. Конструкции деформационных марокЧертежи осадочных марок и их спецификация приводятся на рабочих чертежах фундаментов турбоагрегатов и дымовых труб; для всех остальных зданий и сооружений ТЭС - в проекте по организации наблюдений за осадкой. Установленные на зданиях и сооружениях осадочные марки нумеруются несмываемой краской, привязываются к осям колонн или выступам и углам стен и наносятся на план объекта, хранящийся с материалами по наблюдению за осадкой. Все осадочные марки независимо от их типов окрашиваются масляной краской или другим антикоррозионным составом. Окраска возобновляется каждые два года. 2.3.4. Стенные марки закладываются, как правило, на отм. 0,4- Высотное положение плитных осадочных марок выбирается так, чтобы они были: - жестко связаны с фундаментом сооружения (возможно через промежуточные элементы); - доступны для производства нивелирных работ; - расположены в безопасных от механических повреждений местах. Расположение осадочных марок в плане: - в каркасных зданиях марки закладываются по периметру наружных стен по осям здания, снаружи или на внутренних колоннах каркаса. Расстояние между марками принимается, как правило, равное шагу колонн; - в некаркасных зданиях на ленточных и отдельно стоящих
фундаментах с рындбалками марки располагаются в наружных (снаружи) и внутренних
стенах и колоннах - через каждые 10- - во всех случаях установка осадочных марок предусматривается также по углам зданий, в осадочных швах (по обе их стороны), в местах пересечения продольных и поперечных стен, по углам (снаружи) отрезанных от основного здания башен лестничных клеток, по углам башен, возвышающихся над общим контуром здания; - в дымовых трубах закладывается не менее 4 марок на одинаковом расстоянии по окружности трубы; - в градирнях на колоннаде - не менее 12 марок на равном расстоянии по ее периметру; - на резервуарах для хранения мазута - не менее 12 марок; - на эстакадах топливоподачи - на каждой опоре по одной марке; - в фундаментах под турбоагрегаты устанавливается не менее 6 марок при мощности турбоагрегатов менее 180 МВт и не менее 12 при мощности турбоагрегатов 180 МВт и более; - в фундаментах под котлы - на каждой колонне каркаса котла; - в фундаментах под питательные, циркуляционные тяжелые сетевые насосы и резервные возбудители - по 6 марок, под трансформаторы - по 4 марки; - в фундаментах под мельницы - по одной марке на каждом фундаменте под коренные подшипники, по 2 марки - на фундаментах под редуктор с двигателем на противоположных по диагоналям углах; - в фундаментах под дробилки - 4 марки (по одной на всех угловых стойках с лицевой стороны); - в верхнем перекрытии насосной - 4 плитные марки (по одной на каждом углу). Примерные схемы размещения марок приведены на рисунке 5. 2.3.5. При составлении проекта размещения деформационных марок учитываются конструкции фундаментов, распределение нагрузок, геологические и гидрогеологические условия основания. Количество марок рассчитывается из условий определения неравномерности осадки, кренов, прогибов наблюдаемых сооружений.
Рисунок 5. Схема размещения марок в главном корпусе ГРЭС с энергоблоками 800 МВтКонструкции деформационных марок должны обеспечивать долговременную сохранность, устойчивость, а в случае высокоточного нивелирования иметь полусферическую головку для точного фиксирования положения рейки. 2.3.6. Местоположение марок наносится условным знаком на общую схему расположения зданий и сооружений, выполненную в масштабе 1:500 или 1:1000. Каждой марке присваивается номер, под которым в дальнейшем записываются все наблюдения, относящиеся к данной марке. Для удобства наблюдений и обработки измерений нумерация марок на каждом сооружении (здании, фундаменте турбоагрегата, котла, градирне и т.д.) принимается по однотипной схеме и начинается с номера 1 с возрастанием нумерации по часовой стрелке. При записи наблюдений номер марки сопровождается сокращенным наименованием здания или сооружения. Например, марка 5 на здании водоподготовительной установки записывается М-5 ВПУ. 2.4. Измерение осадки (деформаций) фундаментов2.4.1. Осадка оснований фундаментов измеряется одним из следующих методов (или их комбинированием): геометрическим, тригонометрическим, гидростатическим. 2.4.2. Геометрическое нивелирование применяется в качестве основного метода измерения вертикальных перемещений. 2.4.3. Тригонометрическое нивелирование применяется при измерениях вертикальных перемещений фундаментов в условиях резких перепадов высот (больших насыпей, глубоких котлованов, косогоров и т.п.). 2.4.4. Гидростатическое нивелирование применяется в помещениях со стабильным температурным режимом (например, в подвальной части машинного зала, где могут вестись измерения переносными гидронивелирами или устанавливаться стационарные гидростатические системы). 2.5. Геометрическое нивелирование2.5.1. Геометрическое нивелирование реперов и марок
производится высокоточными нивелирами Н-05 и им подобными по точности и
инварными штриховыми рейками РН-05 длиной 3,0; 2,0; 1,2; 2.5.2. Нивелирование деформационных марок производится
короткими лучами от 2,0 до
Здесь Зо - отсчет по основной шкале задней рейки; Зд - отсчет по дополнительной шкале задней рейки; По - отсчет по основной шкале передней рейки; Пд - отсчет по дополнительной шкале передней рейки. При нивелировании в помещениях и при установке нивелира на жестком основании применяется II программа с использованием одной рейки. 2.5.3. Для измерения осадки фундаментов с точностью,
характеризующейся средней квадратической погрешностью 2.5.4. Между исходными реперами создается жесткая система основных ходов. Для равноточной передачи отметок на марку от цикла к циклу необходимо сохранять однотипность схемы нивелирования. Для сокращения объема измерений, обработки и получения требуемой точности необходимо разрабатывать схему основных ходов с минимальным количеством штативов. 2.5.5. Основные ходы прокладываются в наиболее благоприятных условиях для производства нивелирования. Время для прокладки ходов вне зданий выбирается с учетом использования их тени для защиты нивелира от солнечных лучей. 2.5.6. При прокладке основных ходов соблюдается равенство
расстояний до реек ( 2.5.7. Проверка уровня нивелира и уровней реек в случае
работы в условиях вибрации (машинный зал, дымососное отделение) производится ежедневно,
в остальных условиях - один раз в неделю. Для удобства определения угла 1
нивелира на объекте работ выбираются в качестве базисных две удобные марки,
удаленные одна от другой на расстояние не менее 2.5.8. В течение первого часа работы до принятия нивелиром температуры окружающей среды производится нивелирование марок, не входящих в основные ходы. 2.5.9. Для определения осадки наиболее удаленных от исходных
реперов фундаментов с точностью 2.5.10. Отметки на промежуточные марки передаются от марок основного хода. На самую удаленную от основного хода марку отметка передается максимум двумя штативами от марки основного хода, а при большем удалении прокладывается ход второго порядка или увеличивается число основных ходов. 2.5.11. Для более достоверного определения осадки фундаментов колонн каркаса главного корпуса необходимо продольные основные нивелирные ходы по машинному и котельному отделениям при наличии проходов связывать между собой поперечными ходами. В случае отсутствия проходов устанавливаются через каждые
120- 2.5.12. Передача отметок при входе в машинный зал и котельное
отделение (для исключения влияния разности температур и конвекции) производится
несколько раз, причем нивелир каждый раз должен принять температуру окружающей
среды. Для более точной передачи отметок при входе в главный корпус
устанавливаются на одной и той же колонне две марки: одна - вне помещения, а
дублирующая - внутри. Для этой же цели можно использовать наклеенную на окно
шкалу на прозрачной основе. Эта шкала будет служить переходной точкой при
передаче отметки через стекло. Ошибка, вызванная преломлением луча при
прохождении через стекло, находится в пределах ± 2.5.13. Для получения равноценных данных и исключения влияния сезонного колебания отметок глубинных реперов и марок, а также упрощения последующего анализа данных при годовых циклах производятся измерения в одни и те же сроки или с незначительными отклонениями по времени от установленной даты наблюдений (до месяца), а при полугодовых циклах для правильного анализа осадки сравниваются, кроме того, соответствующие сезонные измерения (лето - лето, зима - зима). 2.5.14. При работе в слабо освещенных помещениях применяется искусственное освещение шкал реек, уровней и отсчетного приспособления инструмента. 2.5.15. Для уменьшения значения ошибки из-за неправильной установки рейки на марке рекомендуется применять подпятники, у которых центр оградительного кольца лежит на оси рейки. Для удобства удержания рейки в вертикальном положении применяются подпорки (рисунок 6). Пятка рейки должна быть чистой. 2.5.16. В качестве переходных точек применяются костыли для грунта и бетона (можно винтовые). Для исключения ошибок из-за недостаточной устойчивости переходных точек предусматривается установка дополнительных марок на рядом расположенных сооружениях и фундаментах. 2.5.17. Для уменьшения неблагоприятного влияния вибраций оборудования на нивелир применяются подкладки под ножки штатива нивелира или виброгаситель, закрепляемый на трубе нивелира или штатива. В случае асфальтового покрытия территории и пола котельного отделения подкладки используются для исключения ошибок из-за осадки штатива.
а - подпорка для рейки; б -
костыли; в - подкладки под ножки штатива для уменьшения вибрации; Рисунок 6. Приспособления, применяемые при производстве нивелирования2.5.18. Передача отметки на марки производится до ближайшего
исходного репера с точностью, характеризующейся средней квадратической
погрешностью определения превышения не более 2.5.19. Подготовка инструмента к работе (исследования и поверки, компарирование реек) производится в соответствии с требованиями, приведенными в приложении Б. 2.5.20. Форма записи нивелирования приведена в приложении В. 2.5.21. Расхождение значений измеренных превышений между
двумя горизонтами нивелира не должно быть более 6 делений отсчетного барабана ( 2.5.22. Допустимая невязка (мм) нивелирного хода или полигона определяется по формуле
где n - число штативов в ходе или полигоне. 2.6. Обработка материалов геометрического нивелирования и отчетность2.6.1. После повторной проверки журналов наблюдений составляется схема нивелирных ходов, на которую записываются средние превышения и невязки. 2.6.2. При обработке материалов измерений достаточно применять при уравнении ходов и полигонов способы эквивалентной замены, последовательных приближений или полигонов проф. В.В. Попова, обеспечивающие необходимую точность. 2.6.3. Во всех циклах измерений отметки исходных глубинных (грунтовых) реперов принимаются неизменными, если при контроле их положения изменение превышений между реперами окажется меньше ошибок измерений или одного порядка с ними. Критерием неподвижности глубинных (грунтовых) реперов служит предельное значение, мм:
где mст
- средняя квадратическая погрешность определения превышения штатива (станции),
принимаемая n - число станций в ходе. 2.6.4. Отметки марок вычисляются с точностью до 2.6.5. По каталогу составляется схема со значениями осадки
фундаментов на плане размещения зданий и сооружений, а в случае значительной неравномерности
осадки на схему наносятся линии равной осадки через каждые 5- Рекомендуется строить графики осадки марок по осям зданий и сооружений с приведением геологического разреза основания с указанием уровня подземных вод. 2.6.6. После выполнения начального цикла измерений осадки фундаментов составляется пояснительная записка (отчет) с характеристикой глубинных (грунтовых) реперов, схемой размещения деформационных марок, нивелирных ходов, методикой нивелирования и уравнивания, оценкой точности измерений, а также каталог отметок марок и реперов. 2.6.7. По трем циклам измерений определяются значение, скорость и динамика осадки. Вычисляются среднее значение осадки сооружений, ее среднегодовая скорость, относительные прогибы и крены, наибольшая и наименьшая осадка, а по значению осадки - места возможных деформаций конструкций. 2.6.8. В отчет по измерениям осадки фундаментов включаются сведения о начале и объеме работ, краткие инженерно-геологическая и гидрогеологическая характеристики промплощадки, характеристики фундаментов и несущих конструкций главного корпуса и основных сооружений, определение степени опасности неравномерной осадки и ее влияния на деформации конструкций и работу оборудования, оценка допустимых значений, прогноз осадки и рекомендации по дальнейшим измерениям. 2.7. Гидростатическое нивелирование2.7.1. Для гидростатического нивелирования применяется
переносный шланговый гидронивелир проф. О. Мейссера (народное предприятие «Фрайберген
Прецизионсмеханик» - Германия) с диапазоном измерения Для исключения температурной погрешности вводятся поправки, для чего в шланге под измерительной системой устанавливается специальный термометр, с помощью которого определяется температура столба воды. Для облегчения работ во время процесса измерения контакт острия измерительного шпинделя с уровнем жидкости определяется по потуханию электрической лампочки. 2.7.2. Гидростатический уровень модели 115-1 завода «Калибр»
предназначается для измерений превышений в диапазоне ± Для предохранения от нагрева головки гидронивелира модели 115-1 необходимо термоизолировать, а процесс измерений сокращать во времени, 2.7.3. Для измерения осадки и деформаций фундаментов турбоагрегатов, дымовых труб, башен градирен могут устанавливаться простейшие стационарные гидростатические системы. Простейшая гидростатическая система состоит из проложенных по периметру сооружения шланга или трубы, имеющих в наблюдаемых точках выходы (пьезометры) в виде стеклянных водомерных трубок с делениями. Измерительные сосуды (пьезометры) в гидростатических системах могут иметь последовательное соединение - разомкнутое и замкнутое. Замкнутая гидростатическая система во всех случаях предпочтительнее, так как каждый сосуд имеет двойную связь с другим и, кроме того, при изменении высоты отдельных сосудов жидкость значительно быстрее приходит в состояние статического равновесия. 2.7.4. Сосуды (пьезометры) гидростатической системы закрепляются на сооружении. В каждом цикле наблюдений берется отсчет уровня жидкости в сосудах. Разность отсчетов, взятых в различных циклах, характеризует значения осадки сосудов и, следовательно, сооружений. 2.7.5. Для устранения изменения начальной отметки поверхности жидкости вследствие вертикальных смещений отдельных сосудов в гидростатическую систему вводится компенсатор-резервуар значительного объема. 2.7.6. При измерении осадки и деформаций фундаментов турбоагрегатов ТЭС, где имеются большие тепловыделения в качестве рабочей жидкости, применяется жидкость с малым коэффициентом расширения, а также предусматривается теплоизоляция и термостабилизация рабочей жидкости. 3. ИЗМЕРЕНИЕ ДЕФОРМАЦИЙ СТРОИТЕЛЬНЫХ КОНСТРУКЦИЙ3.1. Измерение деформаций фундаментов турбоагрегатов мощностью 180 МВт и более3.1.1. Нормальная работа турбоагрегата обеспечивается неизменным положением опор подшипников турбоагрегата, т.е. отсутствием значительных деформаций (прогибов, кренов) верхней фундаментной плиты турбоагрегата. Одной из причин вышеуказанных деформаций является неравномерная осадка основания. Измерения осадки и деформаций фундаментов турбоагрегатов мощностью 180 МВт и более производятся методом высокоточного геометрического или гидростатического нивелирования. Данные измерений дополняют материалы исследований центровки валопровода и вибрации турбоагрегатов при установлении причин нарушения нормальной работы турбоагрегатов. 3.1.2. Установка деформационных марок предусматривается на
трех уровнях: по верху нижней плиты, на отметке Марки по верху нижней плиты используются в период строительства фундамента турбоагрегата. В период эксплуатации используются только марки, доступные для нивелирования. Марки на отметке
1 - ось турбоагрегата; 2 - ось генератора; 3 - ось конденсатора Рисунок 7. Схема размещения марок на фундаменте турбоагрегата мощностью 300 МВт (отметка обслуживания)3.1.3. Для головных образцов турбоагрегатов предусматриваются дополнительно марки у корпусов подшипников на уровне горизонтального разъема цилиндров. 3.1.4. Измерения деформаций фундаментов начинаются после возведения нижней фундаментной плиты, далее они производятся после возведения колонн фундамента, после возведения верхней фундаментной плиты, а затем выполняются в такой последовательности: - два раза в процессе монтажа турбоагрегата; - до и после гидроиспытаний вакуумной системы; - перед комплексными пусковыми операциями турбоагрегата на холодном фундаменте; - в процессе эксплуатации через 0,5-3 мес в зависимости от тепловых деформаций и скорости осадки. 3.1.5. Передача отметок на марки, установленные в верхнем строении
фундамента турбоагрегатов, производится один раз в начале измерений с помощью
нивелира и стальной рулетки. На отметке обслуживания в качестве исходных
устанавливаются марки на нескольких колоннах ряда Б главного корпуса. Осадка
этих же колонн на отметке 3.1.6. За межремонтный период турбоагрегата
(4 года) стрела прогиба нижней плиты фундамента не должна превышать 0,0001 ее
длины при длине турбоагрегата в осях крайних подшипников не более При промежуточных длинах турбоагрегата допустимое значение относительного прогиба нижней плиты принимается по интерполяции. Кривая прогиба должна быть плавной, иметь кривизну одного знака. Эти требования относятся к остывшему фундаменту и не учитывают колебаний температуры окружающей среды. 3.1.7. Измерения производятся выверенным в установленном порядке (см. приложение Б), нивелиром с замыканием нивелирного хода на каждом фундаменте на всех отметках. 3.1.8. Для повышения точности измерений и сокращения количества штативов в ходе предусматривается закладка связующих марок с обеих сторон фундамента. Места установки нивелира во всех циклах измерений желательно выбирать одни и те же, для чего они маркируются краской. 3.1.9. По результатам нивелирования марок, установленных в нижней плите, определяется ее деформация осадочного характера, а по результатам нивелирования верхней плиты - температурные деформации фундамента и турбоагрегата. По результатам нивелирования составляется график осадки и прогиба фундамента турбоагрегата (рисунки 8 и 9).
М1/16 - деформационная марка, установленная на отметке обслуживания и в подвале, числитель - левая сторона, знаменатель - правая Рисунок 8. Формуляр осадки и деформаций фундамента турбоагрегата
а - продольный разрез фундамента и основания; б - график
осадки фундамента (по оси турбоагрегата); Рисунок
9. График осадки фундамента
турбоагрегата (отм.
| |||||||||||||||||||||||||||||||||||||||||||||||||||||||||||||||||||||||||||||||||||||||||||||||||||||||||||||||||||||||||||||||||||||||||||||||||||||||||||||||||||||||||||||||||||||||||||||||||||||||||||||||||||||||||||||||||||||||||||||||||||||||||||||||||||||||||||||||||||||||||||||||||||||||||||||||||||||||||||||||||||||||||||||||||||||||||||||||||||||||||||||||||||||||||||||||||||||||||||||||||||||||||||||||||||||||||||||||||||||||||||||||||||||||||||||||||||||||||||||||||||||||||||||||||||||||||||||||||||||||||||||||||||||||||||||||||||||||||||||||||||||||||||||||||||||||||||||||||||||||||||||||||||||||||||||||||||||||||||||||
|
VРп.2 |
|
VРп.3 |
|
|
||
|
VРп.1 |
VРп.1 - исходный репер и его номер; šМ2 – осадочная марка в земляной плотине и ее номер; <М4 - торцевая осадочная марка в бетонном водосбросе (тип «в») и ее номер
Деформационная марка (см. рисунок 4 настоящих Методических указаний) состоит из головки с колпачком и штыря, на котором крепится головка с помощью электросварки.
Штырь марки типа «а» рекомендуется изготовлять из арматуры периодического профиля. Если штырь изготовлен из гладкого стержня, то для надежности его заделки необходимо сделать хвостик или наплавить электродом несколько выступов. Марка изготовляется из Ст3 (ГОСТ 380-94 [3]).
Марки устанавливаются, как правило, на
В кирпичные стены зданий и железобетонные конструкции марки
устанавливаются на цементном растворе (желателен расширяющийся цемент) с
глубиной заделки штыря марки на 11-
На металлических колоннах наибольшее применение нашла марка типа «б».
В фундаменты турбоагрегатов или гидротехнических сооружений закладывается торцевая марка типа «в».
|
Требование поверки |
Производство поверки |
Исправление |
Частота поверки |
Рекомендации |
|
1. Оси установочных уровней должны быть перпендикулярны к оси вращения инструмента |
С помощью подъемных винтов пузырьки уровней приводятся на середину, труба поворачивается на 180°. Пузырьки уровней при этом должны остаться на середине или сместиться не больше чем на одно деление |
На одну половину смещения пузырек возвращается с помощью исправительных винтов уровней, а на другую - подъемных винтов |
В начале каждой программы наблюдений |
Поверка повторяется, если имели место резкие удары по штативу или прибору |
|
2. Вертикальная нить сетки нитей должна быть параллельна отвесной линии |
Ось вращения инструмента тщательно приводится в отвесное положение. Глядя в трубу нивелира, совмещают один конец вертикальной нити с отвесной линией. При этом и вся вертикальная нить должна совпадать с отвесной линией |
Сетка нитей устанавливается в правильное положение путем ослабления закрепительных винтов |
2-3 раза в год |
В качестве отвесной линии может служить тонкий шнур
с отвесом на расстоянии 25- |
|
3. Проекции визирной оси и оси цилиндрического уровня на горизонтальную плоскость должны быть параллельны |
В |
Установка уровня поправляется его горизонтальными исправительными винтами |
В начале и конце каждой программы измерений |
- |
|
4. Угол между проекциями на вертикальную плоскость визирной оси и оси цилиндрического уровня по абсолютному значению не должен превышать 2÷4" |
На горизонтальном участке выбираются две
деформационные марки на расстоянии
где ΔS- разность плеч, мм; ρ″ - 206265 |
Труба наводится на удаленную рейку, и по ней берется отсчет. Путем прибавления к нему с учетом знака превышения вычисляется отсчет, который должен быть на ближней рейке. Барабан микрометра устанавливается по вычислительному отсчету, труба наводится на ближнюю рейку, и с помощью элевационного винта биссектор совмещается со штрихом, соответствующим вычислительному отсчету. Разошедшиеся при этом концы пузырька уровня совмещаются с помощью его вертикальных исправительных винтов |
Ежедневно при производстве работ |
Место для поверхности выбирается затененное и не подверженное воздействию вибраций от оборудования |
Дата _____________________ Ход ________________________
Погода ___________________ Цех ________________________
|
Горизонт |
Задняя рейка |
Превышение в полумиллиметрах |
Передняя рейка |
Превышение, мм |
|
1 |
М-23 (1) 764 180 (2) 171 695 (3) 592 485
|
-70 290 (7) -70 265 (8) -70 278 (9)
|
М-17 834 470 (4) 241 960 (5) 598 510 (6) Среднее М-17 |
-351,39 (10) -351,38 (21) |
|
2 |
М-23 (14) 765 120 (15) 192 624 (16) 592495 |
-70 280 (17) -70 270 (18) -70 275 (19) |
М-17 835 400 (11) 242 895 (12) 592 505 (13) |
-351,38(20) |
|
Примечания 1. Цифрами в скобках указана последовательность записи и обработки. 2. Порядок записи: рейка устанавливается на марку № 23. После записи отсчетов по основной (1) и дополнительной (2) шкалам рейки при первом горизонте нивелира подсчитывается разность (1 )-(2), которая должна быть равна постоянному числу 592500 с отклонением от него в ту или другую сторону не более 20 ед. После этого рейка ставится на марку № 17. Порядок отсчетов и заполнения журнала остается тем же. Все наблюдения проводятся при двух горизонтах нивелира. Для определения превышения между маркой № 23 и маркой № 17 из числа записи (1) вычитается число записи (4) и получается запись (7). Запись (8) получается как разность записей (2) и (5), запись (9) есть среднее арифметическое значение из числа записей (7) и (8). Число записи (10) - превышение марки № 23 над маркой № 17. Оно получается от деления пополам числа записи (9), так как все отсчеты по рейке и барабану производятся в полуделениях. Из превышений между маркой № 23 и маркой № 17 первого и второго горизонтов - записи (10) и (20) - берется среднее - запись (21). |
||||
|
Наименование объекта |
Номер репера или марки |
Дата начала наблюдений |
Начальная отметка, мм |
Осадка, мм |
Отметка на |
Суммарная осадка с |
|||
|
с по |
с по |
с |
с по |
||||||
|
Служебный корпус |
М-1 |
|
93826,4 |
-5,3 |
-4,0 |
-3,3 |
-1,0 |
93812,8 |
-13,6 |
|
М-2 |
|
93677,8 |
-4,7 |
-4,2 |
-2,5 |
-0,8 |
93665,6 |
-12,2 |
|
|
М-3 |
|
93690,5 |
-4,4 |
-4,1 |
-2,3 |
-0,5 |
93679,2 |
-11,3 |
|
|
М-4 |
|
93715,8 |
-6,1 |
-4,4 |
-2,4 |
-1,2 |
93701,7 |
-14,1 |
|
|
Турбогенератор №1 |
М-1 |
|
93558,5 |
-15,1 |
-11,0 |
-6,3 |
-3,5 |
93522,6 |
-35,9 |
|
М-2 |
|
93588,6 |
-16,0 |
-12,6 |
-4,1 |
-3,3 |
93552,6 |
-36,0 |
|
|
М-3 |
|
93699,2 |
-14,3 |
-10,3 |
-4,2 |
-3,1 |
93667,5 |
-31,7 |
|
|
М-4 |
|
93575,4 |
-15,2 |
-11,3 |
-5,0 |
-4,2 |
93539,7 |
-35,7 |
|
|
М-5 |
|
93476,6 |
-17,0 |
-11,5 |
-4,3 |
-3,2 |
93440,6 |
-36,8 |
|
|
М-6 |
|
93627,0 |
-14,4 |
-10,3 |
-5,8 |
-3,7 |
93592,8 |
-34,2 |
|
(пример)

Частный крен трубы вычисляется по формуле
![]()
где Ki - частный крен трубы, мм;
Δi - крен трубы в угловой мере по разности углов в верхнем и нижнем сечениях трубы, ";
li - расстояние от центра трубы до точки установки теодолита, м.
Например, при Δi = 124", li =
Полученное значение частного крена должно быть экстраполировано на всю высоту трубы.
Согласно абрису и частному крену в
K мм -
K120 -
Полное значение крена K и его направление получаются графическим построением в масштабе по правилу перпендикуляров от частных кренов - векторов.
Прирост крена трубы по разности осадки фундамента вычисляется по формуле
![]()
где ΔS - разность осадки, получаемая по линиям равной осадки фундамента трубы, мм;
Н - высота трубы, м;
D - диаметр трубы на отметке установки деформационных марок, получаемый измерением окружности трубы рулеткой, м.
Например, при ΔS =
мм.
|
Наименование и конструктивные особенности сооружений |
Относительная деформация |
Максимальная и средняя абсолютная осадка, см |
||
|
Вид |
Значение |
Вид |
Значение |
|
|
1. Производственные и гражданские многоэтажные здания с полным каркасом: |
|
|
|
|
|
1.1. Железобетонные рамы без заполнения |
Относительная разность осадки |
0,002 |
Максимальная абсолютная осадка Si.пр |
8 |
|
1.2. Стальные рамы без заполнения |
То же |
0,004 |
То же |
12 |
|
1.3. Железобетонные рамы с заполнением |
- « - |
0,001 |
- « - |
8 |
|
1.4. Стальные рамы с заполнением |
- « - |
0,002 |
- « - |
12 |
|
2. Здания и сооружения, в конструкциях которых возникают дополнительные условия от неравномерной осадки |
- « - |
0,006 |
- « - |
15 |
|
3. Многоэтажные бескаркасные здания с несущими стенами из: |
|
|
|
|
|
3.1. Крупных панелей |
Относительный прогиб или выгиб |
0,0007 |
Средняя осадка Sср..пр |
10 |
|
3.2. Крупных блоков и кирпичной кладки без армирования |
То же |
0,001 |
То же |
10 |
|
3.3. Крупных блоков и кирпичной кладки с армированием или железобетонными поясами |
- « - |
0,0012 |
- « - |
15 |
|
3.4. Независимо от материала стен |
Крен в поперечном направлении |
0,005 |
- |
- |
|
4. Высотные жесткие сооружения: |
|
|
|
|
|
4.1. Сооружения элеваторов из железобетонных конструкций: |
|
|
|
|
|
4.1.1. Рабочее здание и силосный корпус монолитной конструкции, сблокированные на одной фундаментной плите |
Поперечный и продольный крены |
0,003 |
Средняя осадка Sср.пр |
40 |
|
4.1.2. То же сборной конструкции |
То же |
0,003 |
То же |
30 |
|
4.1.3. Отдельно стоящее рабочее здание |
Поперечный крен |
0,003 |
Средняя осадка Sср |
25 |
|
Продольный крен |
0,004 |
То же |
25 |
|
|
4.1.4. Отдельно стоящий силосный корпус монолитной конструкции |
Поперечный и продольный крены |
0,004 |
- « - |
40 |
|
4.1.5. То же сборной конструкции |
То же |
0,004 |
- « - |
30 |
|
4.2. Дымовые трубы высотой Н, м: |
|
|
|
|
|
4.2.1.20 |
Кренпр |
|
- « - |
40 |
|
4.2.2.40 |
- « - |
|
- « - |
40 |
|
4.2.3. 60 |
- « - |
|
- « - |
40 |
|
4.2.4. 80 |
- « - |
|
- « - |
40 |
|
4.2.5. 100 |
- « - |
|
- « - |
40 |
|
4.2.6. 120 |
- « - |
|
- « - |
30 |
|
4.2.7.150 |
- « - |
|
- « - |
30 |
|
4.2.8. 200 |
- « - |
|
- « - |
20 |
|
4.2.9. 300 |
- « - |
|
- « - |
20 |
|
4.2.10. > 300 |
- « - |
|
- « - |
10 |
|
4.3.
Прочие высотные (до |
- « - |
0,004 |
- « - |
20 |
|
№ п.п. |
Измеренное
смещение оси рельса относительно створа I, |
Поправка
на приведение створа I к оси рельса в точке 3
Δ, |
Приведенный
створ I к оси рельса в точке 3, |
Измеренное
смещение оси рельса относительно створа II к створу I, |
Поправка
на приведение створа II к створу I Δ, |
Смещение
оси рельса относительно створа, проходящего через оси рельсов конечных точек,
|
|
3 |
-28 |
+28 |
00 |
|
|
|
|
4 |
-23 |
+27 |
+04 |
|
|
|
|
5 |
-32 |
+26 |
-06 |
|
|
|
|
6 |
-32 |
+25 |
-07 |
|
|
|
|
7 |
-22 |
+24 |
+02 |
|
|
|
|
8 |
-11 |
+23 |
+12 |
|
|
|
|
9 |
-13 |
+22 |
+09 |
|
|
|
|
10 |
-11 |
+20 |
+09 |
|
|
|
|
11 |
-28 |
+19 |
-09 |
|
|
|
|
12 |
-28 |
+18 |
-10 |
|
|
|
|
13 |
-27 |
+17 |
-10 |
|
|
|
|
14 |
-38 |
+16 |
-22 |
|
|
|
|
15 |
-35 |
+15 |
-20 |
|
|
|
|
16 |
-37 |
+14 |
-23 |
|
|
|
|
17 |
-47 |
+13 |
-35 |
|
|
|
|
18 |
-55 |
+11 |
-44 |
|
|
|
|
19 |
-60 |
+10 |
-50 |
-07 |
-43 |
-50 |
|
20 |
|
|
|
-16 |
-40 |
-56 |
|
21 |
|
|
|
-15 |
-38 |
-53 |
|
22 |
|
|
|
-13 |
-35 |
-48 |
|
23 |
|
|
|
-16 |
-32 |
-48 |
|
24 |
|
|
|
-10 |
-29 |
-39 |
|
25 |
|
|
|
00 |
-26 |
-26 |
|
26 |
|
|
|
00 |
-23 |
-23 |
|
27 |
|
|
|
+12 |
-20 |
-08 |
|
28 |
|
|
|
+08 |
-17 |
-09 |
|
29 |
|
|
|
+11 |
-14 |
-03 |
|
30 |
|
|
|
+19 |
-11 |
+08 |
|
31 |
|
|
|
+17 |
-8 |
+09 |
|
32 |
|
|
|
+18 |
-7 |
+12 |
|
33 |
|
|
|
+08 |
-3 |
+05 |
|
34 |
|
|
|
0 |
0 |
0 |
|
Графическое изображение отклонения |
Краны |
|||||
|
мостовые |
башенные |
козловые |
портальные |
мостовые перегружатели |
||
|
Разность отметок головок рельсов в одном поперечном сечении Р1 мм (S - размер колеи, м) |
|
40 |
45-60 (для S = 4,5- |
40 |
40 |
50 |
|
Разность отметок рельсов на соседних колоннах Р2, мм |
|
10 |
- |
- |
- |
- |
|
Сужение или уширение колеи рельсового пути (отклонение рельсов от проектного положения в плане) Р3, мм |
|
15 |
10 |
15 |
15 |
20 |
|
Взаимное смещение торцов стыкуемых рельсов в плане и по высоте Р4, мм |
|
2 |
3 |
2 |
2 |
2 |
|
Зазоры
в стыках рельсов при температуре 0°С и
длине рельса |
|
6 |
6 |
6 |
6 |
6 |
|
Разность
отметок головок рельсов на длине |
|
- |
40 |
30 |
20 |
30 |
Примечания1 Предельные значения отклонений должны соблюдаться во время эксплуатации. Допуски на укладку должны быть указаны в проектной документации на рельсовый путь. 2 Измерения
отклонений Р1 и Р3 выполняются на всем участке возможного движения крана через
интервалы не более 3 При изменении
температуры на 10ºС допуск на зазор PS изменяется на 4 Отклонения для рельсовых путей козловых кранов пролетом более |
||||||
1. Правила технической эксплуатации электрических станций и сетей Российской Федерации (ПТЭ). - М.: СПО ОРГРЭС, 2003. СО 153-34.20.501-2003.
2. ГОСТ 8509-93. Уголки стальные горячекатаные равнополочные. Сортамент.
3. ГОСТ 380-94. Сталь углеродистая обыкновенного качества. Марки.
|