ИНФОСАЙТ.ру
Госты, стандарты, нормативы. В библиотеке 60000 документов. Регулярное обновление. Круглосуточный бесплатный доступ!
БИБЛИОТЕКА ГОСТОВ, СТАНДАРТОВ И НОРМАТИВОВ

:: АЛГОТРЕЙДИНГ ::


АЛГОТРЕЙДИНГ
шаг за шагом


БЕСПЛАТНЫЕ УРОКИ по созданию торговых роботов на PYTHON с нуля, шаг за шагом.


Минимальные знания на PYTHON.
Библиотеки BackTrader и Pandas, сигналы с Pine Script из TradingView.
Связка с брокерами, телеграм.
Создание простых интерфейсов.

 

Все документы, представленные в каталоге, не являются их официальным изданием и предназначены исключительно для ознакомительных целей. Электронные копии этих документов могут распространяться без всяких ограничений. Вы можете размещать информацию с этого сайта на любом другом сайте.


ГОСТ 19910-94

МЕЖГОСУДАРСТВЕННЫЙ СТАНДАРТ

АППАРАТЫ
ВОДОНАГРЕВАТЕЛЬНЫЕ
ПРОТОЧНЫЕ ГАЗОВЫЕ
БЫТОВЫЕ

ОБЩИЕ ТЕХНИЧЕСКИЕ УСЛОВИЯ

МЕЖГОСУДАРСТВЕННЫЙ СОВЕТ
ПО СТАНДАРТИЗАЦИИ, МЕТРОЛОГИИ И СЕРТИФИКАЦИИ

Минск

ПРЕДИСЛОВИЕ

1. РАЗРАБОТАН ТК «Бытовая аппаратура, работающая на газовом, жидком и твердом видах топлива»

ВНЕСЕН Государственным комитетом Украины по стандартизации, метрологии и сертификации

2. ПРИНЯТ Межгосударственным Советом по стандартизации, метрологии и сертификации (протокол № 6-94 от 21 октября 1994 г.)

За принятие проголосовали:

Наименование государства

Наименование национального органа по стандартизации

Азербайджанская Республика

Азгосстандарт

Республика Армения

Армгосстандарт

Республика Беларусь

Белстандарт

Республика Грузия

Грузстандарт

Республика Казахстан

Госстандарт Республики Казахстан

Кыргызская Республика

Кыргызстандарт

Республика Молдова

Молдовастандарт

Российская Федерация

Госстандарт России

Республика Узбекистан

Узгосстандарт

Украина

Госстандарт Украины

3. Постановлением Комитета Российской Федерации по стандартизации, метрологии и сертификации от 28 сентября 1995 г. № 495 межгосударственный стандарт ГОСТ 19910-94 введен в действие непосредственно в качестве государственного стандарта Российской Федерации с 1 января 1996 г.

4. ВЗАМЕН ГОСТ 19910-74

МЕЖГОСУДАРСТВЕННЫЙ СТАНДАРТ

АППАРАТЫ ВОДОНАГРЕВАТЕЛЬНЫЕ ПРОТОЧНЫЕ
ГАЗОВЫЕ БЫТОВЫЕ

Общие технические условия

Domestic gas running
water heaters.
General specifications

ГОСТ
19910-94

Дата введения 1996-01-01

Настоящий стандарт распространяется на водонагревательные проточные газовые бытовые аппараты (далее - аппараты), предназначенные для горячего водоснабжения.

Аппараты следует считать продукцией повышенно опасной, эксплуатация которой требует соблюдения специальных правил безопасности.

Обязательные требования к качеству продукции, которые делают ее безопасной для жизни, здоровья и имущества населения и обеспечивают охрану окружающей среды, изложены в пп. 1.1, 2.1 (кроме 4 табл. 1); 3.1, 3.3 (кроме перечислений 1, 5); 3.4; 3.5, 3.7-3.10; 3.12 - 3.19; 3.20; 3.21; 3.23 - 3.25; 3.26.1; 3.27; 3.28, 7.1 - 7.7.

Стандарт может использоваться для сертификации аппаратов.

1. КЛАССИФИКАЦИЯ

1.1 Аппараты классифицируются

1.1.1. По величине номинальной тепловой мощности:

малые от 8 до 9 кВт;

большие от 17 до 18 кВт;

от 21 до 23 кВт;

от 26 до 28 кВт.

1.1.2. По газам, которые могут в них использоваться:

Категория 1

Категория 12 -

Аппараты, работающие на природном газе

Категория 13 -

Аппараты, работающие на пропане, бутане и их смесях

Категория 2

Категория 223 -

Аппараты, работающие на природном газе, пропане, бутане и их смесях

1.1.3. По способу отвода продуктов сгорания - через дымоход:

тип В11.

1.1.4. По давлению воды, при котором они могут эксплуатироваться: нормального давления. Аппарат предназначен для присоединения к водопроводной сети с максимальным давлением в точке присоединения 600 кПа.

2. ОСНОВНЫЕ ПАРАМЕТРЫ И РАЗМЕРЫ

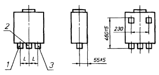
2.1. Основные параметры и размеры аппаратов должны соответствовать указанным в табл. 1, 2 и на черт. 1.

Таблица 1

Наименование параметра

Значение

1. Коэффициент полезного действия, %

 

не менее

80

не более

88

2. Содержание оксида углерода в сухих неразбавленных продуктах сгорания, % объемный, не более:

 

при нормальных условиях

 

на эталонном газе

0,05

на предельном газе

0,1

при особых условиях*

 

на эталонном газе

0,2

3. Температура продуктов сгорания газа, °С, не менее

110

4. Номинальная тепловая мощность запальной горелки, Вт, не более

350

5. Температура наружных поверхностей, кроме газоотводящей части аппарата, не должна превышать температуру окружающей среды, °С, более чем на:

 

кожуха

50

кожуха в непосредственной близости от смотрового

 

окна или отверстия для зажигания

100

6. Температура наружной поверхности ручек управления не должна превышать температуру окружающей среды, °С, более чем на:

 

металлических

20

керамических

30

пластмассовых

35

7. Повышение температуры воды после прекращения ее протекания, °С, не более

20

8. Давление воды для достижения 95 % номинальной тепловой мощности, кПа, не должно превышать

50

Таблица 2

Номинальная тепловая мощность, кВт

Присоединительная резьба, дюйм

Расстояние между осями штуцеров L, мм

Внутренний диаметр газоотводящего патрубка, мм. не менее

размер штуцера для подвода холодной воды

размер штуцера для отвода горячей воды

размер штуцера для подвода газа

От 8 до 9

1/2

1/2

1/2

70

97

От 17 до 18

120

111

 »   21  »   23

125

 »   26  »   28

3/4

125

1 - штуцер для подвода холодной воды; 2 - штуцер для отвода горячей воды; 3 - штуцер для подвода газа.

Примечание. Чертеж не определяет конструкцию аппарата.

Черт. 1

Пример условного обозначения:

аппарата водонагревательного (В) проточного (П) газового (Г) номинальной тепловой мощностью 23 кВт, работающего на природном газе (категория l2), с отводом продуктов сгорания через дымоход (тип В11), нормального давления, климатического исполнения

УХЛ 4.2 ВПГ-23 12-В11-УХЛ 4.2 ГОСТ 19910-94

3. ТЕХНИЧЕСКИЕ ТРЕБОВАНИЯ

3.1. Аппараты должны изготовляться в соответствии с требованиями настоящего стандарта по рабочим чертежам, а при необходимости - по образцам-эталонам, утвержденным в установленном порядке.

3.2 Аппараты должны изготавливаться в климатическом исполнении УХЛ 4.2 по ГОСТ 15150.

3.3. Конструкция аппаратов должна обеспечивать:

1) доступ к основной и запальной горелкам, предохранительным и регулирующим устройствам, а также их съем без отсоединения аппарата от коммуникаций;

2) удобство и безопасность зажигания запальной горелки;

3) возможность наблюдения за работой горелок;

4) исключение возможности случайного смещения основной и запальной горелок;

5) переход с одного газа на другой за счет замены сопел (для аппаратов категории 223);

6) исключение возможности выброса пламени основной горелки за пределы кожуха при ее включении и отключении;

7) спуск воды из аппарата без отсоединения его от коммуникаций;

8) исключение возможности появления конденсата на теплообменнике в количестве, приводящем к образованию капель при установившемся режиме работы аппарата;

9) присоединение аппарата к газовым и водопроводным коммуникациям при помощи накидных гаек или соединительных муфт с контргайками.

3.4. Аппарат должен иметь кожух, закрывающий по меньшей мере теплообменник, запальную и основную горелки.

3.5. Аппараты должны иметь фильтры газа и воды, исключающие засорение предохранительных и регулирующих устройств и сопел горелок.

3.6. Конструкция сопел газовых горелок должна предусматривать смену их только с помощью инструмента.

3.7. Конструкция аппарата должна обеспечивать полный отвод продуктов сгорания в дымоход.

3.8. Ручки управления следует располагать в удобном и доступном месте; их положение должно быть хорошо заметным.

Определенному положению ручки управления должна соответствовать следующая маркировка:

- в закрытом положении                                               полный диск;

- в положении зажигания (если оно имеется)            стилизованная искра;

- большое пламя (номинальный                                большое стилизованное пламя;

поток газа к горелке)

- малое пламя (если имеется)                                     малое стилизованное пламя.

Если управление осуществляется вращением, то перемещение ручки в положение «открыто» должно совпадать с направлением вращения часовой стрелки.

3.9. Регулятор расхода или давления газа (при наличии) должен обеспечивать поддержание постоянного расхода газа. Отклонение расхода газа при изменении давления перед аппаратом от минимальной до максимальной величины не должно превышать ± 5 % расхода при номинальном давлении.

Необходимо предусмотреть возможность отключения регулятора расхода или давления газа при работе со сжиженными газами для аппаратов категории 2.

3.10. Регулятор расхода или давления воды (при наличии) должен обеспечивать поддержание постоянного расхода воды.

Отклонение расхода воды должно составлять не более ± 10 % номинального значения при давлении от 50 до 600 кПа.

За номинальное значение принимается расход воды, измеренный при перепаде температуры воды 40 °С и номинальном давлении газа.

3.11. Тепловая мощность аппарата не должна отклоняться более чем на ± 5 % от номинальной при работе на номинальном давлении газа и номинальном расходе воды.

3.12. Газовые коммуникации аппарата должны быть герметичными.

3.13. Теплообменник аппарата и водоведущие детали должны быть прочными и плотными.

3.14. При зажигании пламя должно распространяться по всей огневой поверхности основной горелки без хлопков и не более чем за 2 с.

3.15. Пламя запальной горелки должно быть устойчивым к включению и выключению основной горелки и горизонтальному потоку воздуха скоростью 2 м/с.

3.16. Основная и запальная горелки аппарата должны обеспечивать устойчивое горение без проскоков и отрыва пламени.

3.17. Аппараты должны быть работоспособными при разрежении в дымоходе от 1,96 до 29,40 Па.

3.18. Аппараты должны быть оснащены предохранительными и регулирующими устройствами, обеспечивающими:

1) подачу газа к основной горелке только при наличии пламени на запальной горелке за время не более 60 с;

2) прекращение подачи газа при угасании запальной горелки за время не более 60 с;

3) прекращение подачи газа при прекращении тяги в дымоходе за время от 10 до 60 с;

4) автоматическую блокировку основной горелки при розжиге запальной горелки;

5) доступ газа к основной горелке только при наличии проточной воды; в случае уменьшения расхода воды разность температуры воды на входе и выходе из аппарата не должна превышать 75 °С;

6) разность температуры воды на входе и выходе из аппарата в диапазоне от 20 до 50 °С.

3.19. Уровень звуковой мощности работающего аппарата - не более 60 дБ·А.

3.20. Материалы и (или) покрытия деталей аппарата следует применять из числа разрешенных Минздравом для внутреннего применения в жилых помещениях.

3.21. Материалы, применяемые для герметизации газовых коммуникаций, должны быть газостойкими. Изменение массы средств герметизации по отношению к исходной не должно превышать 5 %; проницаемость, в том числе после «ускоренного старения» - не допускается.

Твердость по Шору А после «ускоренного старения» не должна изменяться более чем на 5 единиц.

3.22. При номинальной тепловой мощности и установке аппарата на разность температуры воды на входе и выходе 50 °С время разогрева до достижения 90 % от этой разности температуры должно быть не более 25 с для малых и не более 35 с для больших аппаратов.

3.23. Аппарат в упакованном виде должен выдерживать транспортную тряску при средней перегрузке 2,4 g и частоте 120 ударов в минуту.

3.24. Средний срок службы аппаратов - не менее 12 лет. Критерии предельного состояния:

разрушение каркаса;

замена деталей и сборочных единиц, суммарная стоимость которых превышает 75 % стоимости аппарата.

3.25. Средняя наработка на отказ - не менее 750 ч. Критерии отказа:

несрабатывание предохранительных и регулирующих устройств;

разгерметизация водяных коммуникаций;

наличие утечки газа сверх установленной нормы;

наличие отрыва или проскока пламени;

прогорание ребер теплообменника.

3.26. Комплектность

3.26.1. В комплект аппарата должны входить:

элементы крепления аппарата к стене - 1 комплект

руководство по эксплуатации - 1 шт.

По согласованию с заказчиком комплектность может быть расширена.

3.27. Маркировка

3.27.1. Каждый аппарат должен иметь маркировку, расположенную в доступном месте, содержащую:

товарный знак или наименование предприятия-изготовителя;

условное обозначение аппарата;

вид газа (природный или сжиженный), на который рассчитан аппарат;

величину номинального давления газа в паскалях;

порядковый номер аппарата по системе нумерации предприятия-изготовителя;

месяц и год выпуска;

знак соответствия для сертифицированных аппаратов.

Маркировка должна быть нанесена способом, обеспечивающим ее сохранность в течение всего срока службы аппарата.

3.27.2. Транспортная маркировка груза - по ГОСТ 14192 с нанесением манипуляционных знаков: «Осторожно Хрупкое», «Беречь от влаги», «Верх».

3.28. Упаковка

3.28.1. Обработанные неокрашенные металлические детали аппарата, кроме деталей из цветных металлов, должны быть подвергнуты консервации по ГОСТ 9.014 и по группе изделий II для категории условий хранения и транспортирования 2 (С) ГОСТ 15150.

Срок действия консервации - 12 мес.

Отверстия штуцеров должны быть защищены от засорения.

3.28.2. Каждый аппарат должен быть обернут двухслойной упаковочной бумагой по ГОСТ 8828 или мешочной бумагой по ГОСТ 2228, или другой бумагой, обеспечивающей сохранность аппарата, обвязан шпагатом и упакован в деревянную обрешетку по ГОСТ 12082 или другую тару, изготовленную по техническим условиям и рабочим чертежам, утвержденным в установленном порядке.

При отправке в районы Крайнего Севера и труднодоступные районы транспортная тара и упаковка аппаратов должны соответствовать группе 102 ГОСТ 15846.

3.28.3. Руководство по эксплуатации аппарата должно быть вложено в пакет или завернуто в бумагу по ГОСТ 8828.

4. ПРИЕМКА

4.1. Для проверки соответствия аппарата требованиям настоящего стандарта следует проводить следующие виды испытаний:

приемо-сдаточные;

периодические;

типовые;

испытания на надежность;

сертификационные.

4.2. Приемо-сдаточным испытаниям на соответствие требованиям пп. 3.4; 3.5; 3.8; 3.9; 3.10; 3.12; 3.13, 3.16; 3.18; 3.26; 3.27, 3.28.1 (в части защиты отверстий штуцеров); п. 3.28.2 должен подвергаться каждый аппарат. На соответствие требованию п.3.1 - один аппарат из числа изготовленных в данной смене.

Допускается проводить отдельные проверки до полной сборки и упаковки аппарата.

Результаты приемо-сдаточных испытаний должны быть приведены в документации, сопровождающей аппарат (отметка ОТК в руководстве по эксплуатации).

4.3. Периодические испытания следует проводить не реже одного раза в год не менее чем на трех аппаратах из числа прошедших приемо-сдаточные испытания на соответствие всем требованиям настоящего стандарта, кроме пп. 3.2, 3.23, 3.24, 3.25.

4.4. Типовые испытания следует проводить при внесении в конструкцию или технологический процесс изготовления аппаратов изменений, влияющих на параметры и требования, установленные настоящим стандартом. Типовым испытаниям должны подвергаться не менее трех аппаратов на соответствие тем требованиям настоящего стандарта, на которые могли повлиять внесенные изменения.

4.5. Испытания на надежность (пп. 3.24, 3.25) и на соответствие требованиям пп. 3.2, 3.23 следует проводить не реже одного раза в пять лет на одном аппарате. Аппарат должен подвергаться испытаниям впервые в год начала серийного производства.

4.6. Сертификационные испытания следует проводить не менее чем на трех аппаратах из числа прошедших приемо-сдаточные испытания на соответствие обязательным требованиям настоящего стандарта.

Сертификационные испытания проводятся при сертификации аппаратов.

4.7. Результаты периодических, типовых и сертификационных испытаний, испытаний на надежность должны быть оформлены протоколом.

5. МЕТОДЫ ИСПЫТАНИЙ

5.1. Аппаратура

При проведении испытаний должны быть использованы следующие средства измерений и контроля:

термометры с погрешностью ± 1 °С - для измерения температуры воздуха в помещении и температуры газа; с погрешностью ± 0,2 °С - для измерения температуры воды;

барометр с погрешностью ± 200 Па для измерения атмосферного давления;

анемометр с диапазоном измерений от 0,3 до 5,0 м/с для измерения скорости движения воздуха в помещении;

весы с погрешностью ± 75 г для измерения массы воды;

мановакуумметр с погрешностью ± 20 Па для измерения избыточного давления газа;

счетчик газовый класса 3 для измерения расхода газа;

микроманометр жидкостный класса 1 для определения разрежения в дымоходе;

газоанализаторы с основными приведенными погрешностями:

± 2 % - для измерения содержания двуоксида углерода в диапазоне 0 - 20 % об.;

± 5 % - для измерения содержания оксида углерода в диапазоне 0 - 0,02 % об.;

манометр класса точности 1,5 для измерения давления воды;

хроматограф лабораторный с диапазоном измерений от 0 до 100 % для определения химического состава газов;

твердомер с погрешностью ± 1 % для измерения твердости материалов;

шумомер класса точности 2 для измерения уровня звуковой мощности;

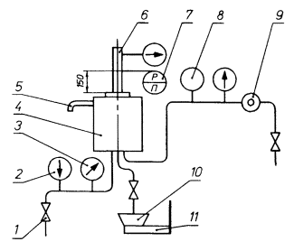
пробоотборник (черт. 2);

секундомер класса точности 2 для измерения продолжительности испытаний;

устройство для испытания на герметичность (черт. 3);

стенд для проведения испытаний (черт. 4);

линейки металлические с пределами измерений от 0 до 500 мм;

от 0 до 1000 мм;

штангенциркуль с погрешностью измерения ± 0,1 мм;

преобразователь термоэлектрический с погрешностью измерения ± 3 °С, в составе которого вторичный прибор с приведенной погрешностью ± 0,5 %, - для измерения температуры стенок аппарата и ручек управления;

психрометр аспирационный с погрешностью ± 4 % для измерения относительной влажности воздуха в помещении;

электровентилятор бытовой по ГОСТ 7402 для создания горизонтального потока воздуха.

Допускается применять другие средства измерений и контроля, обеспечивающие измерения с аналогичной точностью.

Черт. 2

Устройство для испытания на герметичность

Черт. 3

1 - вентиль проходной запорный: 2 - термометр; 3 - манометр пружинный; 4 - аппарат проточный водонагревательный; 5 - пробоотборник; 6 - патрубок для отвода продуктов сгорания; 7 - микроманометр; 8 - мановакуумметр; 9 - счетчик газовый; 10 - бачок; 11 - весы.

Черт. 4

5.2. Условия проведения испытаний

5.2.1. Периодические, типовые и сертификационные испытания следует проводить при следующих условиях:

температура воздуха в помещении, °С                                                               20 ± 5

относительная влажность воздуха в помещении, %, не более                        80

скорость движения воздуха в помещении, м/с, не более                                 0,5

содержание СО2 в воздухе помещения, % об., не более                                   0,2

5.2.2. Все испытания, кроме п. 3.17, следует проводить при естественной тяге с подключением аппарата к трубе высотой 1 м для отвода продуктов сгорания или при разрежении в дымоходе (4 ± 1) Па.

5.2.3. Размещение приборов на стенде для проведения испытаний, кроме приемо-сдаточных, должно соответствовать схеме, представленной на черт. 4.

5.2.4. Степень чистоты испытательных газов должна быть, процент по объему, не менее:

азот (N3) - 99;

при общем содержании Н2, СО и О2 - не более 1 % об., N2 и СО2 - не более 2 % об.

водород (Н2) - 99;

метан (СН4) - 95;

пропилен (С3Н6) - 90;

пропан (С3Н8) - 95;

бутан (С4Н10) - 95.

5.3. Испытания аппаратов следует проводить на испытательных газах в соответствии с тем газом, на который изготовлен аппарат:

приемо-сдаточные - на газах по ГОСТ 5542 и ГОСТ 20448;

периодические, типовые и сертификационные - на газах, указанных в табл. 3.

Допускается проводить периодические, типовые и сертификационные испытания на газах по ГОСТ 5542 и ГОСТ 20448.

Таблица 3

Испытательный газ

Индекс

Состав газа, % по объему

Низшая теплота сгорания газа, кДж/м3

Число Воббе, кДж/м3

Относительная плотность газа по воздуху

Эталонный газ

G 20

100,0 СН4

35900

48200

0,554

Предельный газ на неполное сгорание

G 21

87,0 СН4

43400

52400

0,685

13,0 С3Н8

Предельный газ на проскок пламени

G 22

65,0 СН4

27100

43700

0,384

35,0 Н2

Предельный газ на отрыв пламени

G 23

92,5 СН4

33200

43700

0,585

7,5 N2

Предельный газ на неполное сгорание

G 30

100 С4Н10

122800

85300

2,077

Предельный газ на отрыв пламени

G 31

100,0 С3Н8

93600

74900

1,562

Предельный газ на проскок пламени

G 32*

100,0 С3Н6

87800

72000

1,481

* Допускается вместо предельного газа G 32 применять G 30.

Примечание. Число Воббе использованного газа должно быть равно величине, указанной в табл. 3 для соответствующего испытательного газа, с отклонением ± 2 %.

Число Воббе (W) в килоджоулях на кубический метр следует вычислять по формуле

                                                               (1)

где  - низшая теплота сгорания газа, кДж/м3;

r - относительная плотность газа по воздуху.

Обработка результатов - по ГОСТ 22667.

5.4. Давления газов при испытаниях должны соответствовать указанным в табл. 4.

Таблица 4

В паскалях

Испытательный газ

Номинальное давление

Минимальное давление

Максимальное давление

G 20*, G 21*, G 22*, G 23* природный*

1274; 1960

640; 1470

1764; 2744

G 30, G 31, G 32 сжиженный

2940

1960

3528

* Испытания следует проводить при давлении, указанном в руководстве по эксплуатации аппарата.

5.5. Проведение испытаний

5.5.1. Номинальную тепловую мощность (N) в киловаттах (пп. 1.1.1; 3.11) при работе аппарата на номинальном давлении газа и номинальном расходе воды следует вычислять по формуле

                                                           (2)

где В - часовой расход газа, м3/ч;

h - коэффициент полезного действия, %.

Перед измерением расхода газа аппарат должен проработать не менее 5 мин.

Часовой расход газа (В) в кубических метрах в час, приведенный к нормальным условиям, следует вычислять по формуле

                                                                 (3)

где V0 - объем сухого газа, приведенный к нормальным условиям, м3;

t - время, в течение которого измерялся объем израсходованного газа, ч.

Объем сухого газа (V0) в кубических метрах, приведенный к нормальным условиям, следует вычислять по формуле

                                                   (4)

где V - объем газа, измеренный счетчиком, м3;

t - температура газа непосредственно на выходе из счетчика, °С;

Pб - барометрическое давление в помещении лаборатории, Па;

Рг - избыточное давление газа непосредственно на выходе из счетчика, Па.

5.5.2. Коэффициент полезного действия (п. 1 табл. 1) должен определяться при работе аппарата на номинальной тепловой мощности.

Расход воды устанавливают таким образом, чтобы при температуре входящей воды, не превышающей 25 °С, превышение температуры выходящей воды составляло (40 ± 1) °С.

Коэффициент полезного действия (h) в процентах рассчитывают по формуле

                                                  (5)

где т - расход воды во время испытания, кг/ч;

Сv - удельная теплоемкость воды, кДж/кг·°С;

t2 - температура выходящей воды, °С;

t1 - температура входящей воды, °С.

5.5.3. Содержание оксида углерода (СО) в сухих неразбавленных продуктах сгорания в процентах по объему (п. 2 табл. 1) следует определять при максимальном давлении в соответствии с табл. 4;

для аппаратов с регулятором расхода или давления газа испытания проводят при повышении номинальной тепловой мощности в 1,05 раза.

Отбор продуктов сгорания следует проводить пробоотборником (черт. 2) в стеклянную или резиновую герметичную тару. Перед отбором пробы тара должна быть промыта 8 - 10 раз продуктами сгорания.

Расчет проводят по формуле

                                                            (6)

где СОпр - содержание оксида углерода в продуктах сгорания по данным анализа пробы, % об.;

h - коэффициент разбавления продуктов сгорания.

Коэффициент разбавления продуктов сгорания (h), определенный по содержанию кислорода в продуктах сгорания, вычисляют по формуле

                                                           (7)

где О2в - содержание кислорода в воздухе помещения, % об.;

О2пр - содержание кислорода в продуктах сгорания по данным анализа пробы, % об.;

а h, определенный по содержанию диоксида углерода в продуктах сгорания, вычисляют по формуле

                                                             (8)

где СО2max - максимальное содержание диоксида углерода в продуктах сгорания, % об., принимаемое:

для природного газа - 11,7;

для сжиженного газа - 14,0;

СО2пр - содержание диоксида углерода в продуктах сгорания по данным анализа пробы, % об.

Первое испытание (при нормальных условиях) следует проводить в соответствии с п. 5.2.

Второе и третье испытание (при особых условиях) следует проводить при полностью перекрытом патрубке для отвода продуктов сгорания и при обратном потоке в патрубке, имеющем скорость 3 м/с.

5.5.4. Температура продуктов сгорания газа (п. 3 табл. 1) должна определяться при работе аппарата на номинальной тепловой мощности и перепаде температур воды 40 - 45 °С. Измерение температуры следует проводить в центре патрубка для отвода продуктов сгорания на расстоянии 200 мм от среза патрубка.

5.5.5. Номинальную тепловую мощность запальной горелки (п. 4 табл. 1) следует определять по методике п. 5.5.1 при неработающей основной горелке, при этом следует принимать h = 100 %.

5.5.6. Температура наружной поверхности аппарата и ручек управления (пп. 5, 6 табл. 1) должна определяться после 30 мин работы аппарата на номинальной тепловой мощности и при температуре выходящей воды (60 ± 5) °С. Измерение температур следует проводить в зонах максимального нагрева. Разность температур поверхностей аппарата и окружающей среды (t) в градусах Цельсия вычисляют по формуле

                                                          (9)

где t1 - температура наружной поверхности в точках измерения, °С;

t2 - температура воздуха в помещении, °С.

5.5.7. Повышение температуры воды после прекращения ее протекания (п. 7 табл. 1) определяют при работе аппарата на номинальной тепловой мощности и расходе воды, отрегулированном так, чтобы разность температур горячей и холодной воды составляла (35 ± 1) °С.

После установления указанной температуры быстро закрывают кран горячей воды и открывают его по истечении 10 с, после чего с помощью термометра быстрой индикации измеряют максимальную температуру воды.

Аппарат должен работать до достижения исходного режима. Те же самые измерения проводят с выдержкой времени 20, 30, 40 с и т. д., увеличивая ее на 10 с до тех пор, пока не будет зафиксирована максимальная температура дополнительного нагрева воды.

5.5.8. Проверку аппарата на соответствие требованию п. 8 табл. 1 проводят при его работе на номинальном давлении газа. При проверке регулятор расхода воды (при его наличии) устанавливают на максимальный и минимальный расходы.

5.5.9. Проверку аппарата на соответствие требованию п. 3.2 следует проводить по методике РД 51-02-118 «Аппаратура бытовая, работающая на газовом топливе. Программа и методика климатических испытаний».

5.5.10. Возможность доступа к основной и запальной горелкам, предохранительным и регулирующим устройствам, а также их съем без отсоединения аппарата от коммуникаций, исключение возможности случайного смещения основной и запальной горелок (п. 3.3, перечисления 1 и 4) следует проверить при снятой лицевой части кожуха аппарата визуально.

5.5.11. Удобство и безопасность зажигания запальной горелки (п. 3.3, перечисление 2) следует проверять спичкой по ГОСТ 1820.

5.5.12. Возможность наблюдения за работой горелок (п. 3.3, перечисление 3) и возможность появления конденсата на теплообменнике (п. 3.3, перечисление 8) следует проверять визуально во время работы аппарата.

5.5.13. Проверку наличия или отсутствия выброса пламени основной горелки за пределы кожуха при ее зажигании (п. 3.3, перечисление 6) следует проводить визуально в момент включения и выключения основной горелки при максимальном давлении газа перед аппаратом.

5.5.14. Проверку аппарата на соответствие требованию п. 3.7 следует проводить при помощи заборного зонда, устанавливаемого в местах возможных утечек газа. Содержание СО2 в отобранной пробе не должно превышать содержания СО2 в помещении более чем на 0,1 %.

5.5.15. Работоспособность регулятора расхода или давления газа (п. 3.9) должна проверяться путем изменения давления газа перед аппаратом от минимальной до максимальной величин с интервалом измерения 196 Па.

По полученной зависимости определяют отклонение расхода газа от номинальной величины.

5.5.16. Проверку на соответствие требованию п. 3.10 следует проводить путем изменения давления воды перед аппаратом от 50 до 600 кПа с интервалом 100 кПа. По полученной зависимости определяют отклонение расхода воды от номинального значения. Испытание следует проводить при полностью открытом кране на выходе.

5.5.17. Проверка герметичности газовых коммуникаций аппарата (п. 3.12).

5.5.17.1. При периодических и типовых испытаниях проверку герметичности газовых коммуникаций следует проводить объемным методом (черт. 3). Продолжительность испытания - не менее 5 мин.

При этом следует проверять герметичность:

коммуникаций;

запорного устройства;

газовых клапанов предохранительных и регулирующих устройств.

При периодических и типовых испытаниях допустимая утечка воздуха при давлении 15 кПа не должна превышать 0,07 дм3/ч.

5.5.17.2. Проверку герметичности газовых коммуникаций следует проводить при открытых клапанах, открытом запорном устройстве, закрытых соплах основной и запальной горелок и закрытом датчике тяги (при его наличии).

5.5.17.3. Проверку герметичности запорного устройства следует проводить при открытых клапанах и закрытом запорном устройстве.

5.5.17.4. Проверку герметичности газового клапана безопасности, срабатывающего при отсутствии проточной воды, следует проводить при открытом газовом клапане безопасности, срабатывающем при отсутствии запального пламени, открытом запорном устройстве, закрытом сопле запальной горелки и закрытом датчике тяги (при его наличии).

5.5.17.5. Проверку герметичности газового клапана безопасности, срабатывающего при отсутствии запального пламени, следует проводить при открытом клапане безопасности, срабатывающем при отсутствии проточной воды, открытых соплах основной и запальной горелок и открытом запорном устройстве.

5.5.17.6. При приемо-сдаточных испытаниях герметичность газовых коммуникаций следует определять по падению давления в два этапа:

при закрытых клапанах и закрытом запорном устройстве;

при открытых клапанах и закрытом запорном устройстве.

Допускается проверять герметичность газовых коммуникаций объемным методом с помощью счетчика пузырьков воздуха.

Проверку следует проводить с помощью воздуха давлением 15 кПа.

Расчет норм герметичности приведен в приложении.

5.5.18. Прочность и плотность теплообменника аппарата и водоведущих деталей (п. 3.13) следует проводить с помощью воды давлением 900 кПа в течение 20 мин.

При приемо-сдаточных испытаниях продолжительность испытания - 2 мин.

Теплообменник и водоведущие детали считаются выдержавшими испытания, если в них не будет течи и остаточной деформации.

Проверку необходимо проводить при полном заполнении водой теплообменника и водоведущих деталей.

5.5.19. Проверку соответствия требованию п. 3.14 следует проводить на минимальном давлении газа при наличии пламени на запальной горелке. Время распространения пламени основной горелки следует определять с момента воспламенения. Хлопки не допускаются.

5.5.20. Устойчивость горения основной и запальной горелок аппарата (п. 3.16) следует проверять визуально по картине горения. Испытания следует проводить:

на проскок пламени - на минимальном давлении газа;

на отрыв пламени - на максимальном давлении газа.

Проверку необходимо проводить на каждом режиме не менее 5 мин.

5.5.21. Работоспособность аппарата при изменении разрежения в дымоходе (п. 3.17) следует проверять при присоединении аппарата к дымоходу с регулируемой принудительной тягой визуально по виду пламени. Отрыв пламени не допускается.

5.5.22. Проверку соответствия требованию п. 3.18 (перечисление 1) следует проводить путем отсчета времени от момента зажигания запальной горелки до момента срабатывания клапана безопасности.

Проверку соответствия требованиям п. 3.18 (перечисления 2,3) следует проводить после работы аппарата на номинальном давлении на протяжении не менее 5 мин с отсчетом времени:

п. 3.18, перечисление 2, - от угасания запальной горелки до срабатывания клапана безопасности;

п. 3.18, перечисление 3, - от прекращения разрежения в дымоходе до угасания основной горелки. Проверку следует проводить в соответствии с особыми условиями п. 5.5.3. Время считать как среднее арифметическое пяти измерений.

При проверке кнопка газового клапана безопасности, срабатывающего при отсутствии запального пламени, не должна быть нажата.

Проверку соответствия требованию п. 3.18 (перечисление 4) следует проводить путем нарушения порядка включения. При этом не должно происходить поступлений газа на основную горелку при розжиге запальной горелки.

Проверку соответствия требованию п. 3.18 (перечисление 5) следует проводить следующим образом:

постепенно закрывают кран горячей воды до того момента, когда газовый клапан только начинает закрываться (снижение давления газа, подаваемого на горелки, не более чем на 5 % давления, соответствующего номинальному расходу газа).

При достижении установившегося режима определяют разность температур воды на входе и выходе из аппарата.

Проверку соответствия требованию п. 3.18 (перечисление 6) следует проводить при номинальном давлении газа и давлении воды 50 кПа перед аппаратом следующим образом:

устанавливают ручку управления регулирующего устройства в положение минимального нагрева. Полностью открывают кран горячей воды;

устанавливают ручку управления регулирующего устройства в положение максимального нагрева. Постепенно закрывают кран горячей воды до того момента, когда газовый клапан начнет закрываться.

При достижении установившегося режима определяют разность температур воды на входе и выходе.

5.5.23. Уровень звуковой мощности (п. 3.19) определяют по ГОСТ 12.1.028 при следующих условиях:

- аппарат устанавливают в рабочее положение, включают и выводят на номинальную тепловую мощность;

- устанавливают номинальный расход воды.

5.5.24. Проверку на соответствие п. 3.20 следует проводить путем сверки сертификатов на материалы, предусмотренные в документации на аппарат, с перечнем материалов, разрешенных Минздравом.

5.5.25. Стойкость деталей из неметаллических материалов к воздействию углеводородных газов (п. 3.21) должна проверяться следующим образом:

- стойкость деталей, контактирующих с углеводородными газами, к их воздействию определяют по ГОСТ 9.030 путем погружения предварительно взвешенных деталей в жидкий пентан на 24 ч. После извлечения из пентана образцы просушивают в течение 1 мин и взвешивают, затем выдерживают их на воздухе в течение 24 ч и повторно взвешивают;

- для испытания на проницаемость из листа испытуемого материала следует вырезать прокладку размером 8×19 мм. Прокладка сжимается на 20 % своей толщины в приспособлении, предварительно заполненном 0,5 г жидкого пентана. Приспособление взвешивается и остается на воздухе при температуре (20 ± 1) °С. Следующее взвешивание проводят через 24 ч; проницаемость материала прокладки по пентану в граммах за час определяется с округлением до третьего десятичного знака;

- для испытания на проницаемость после ускоренного старения приспособление с испытуемым материалом следует опорожнить от пентана через нижнее отверстие и поместить в сушильную камеру при температуре (110 ± 1) °С на 7 дней, после чего произвести повторное испытание на проницаемость при условиях, описанных выше.

Испытание на твердость по Шору А следует проводить по ГОСТ 263 на образце материала в исходном состоянии и после старения в сушильной камере при температуре (110 ± 1) °С в течение 7 дней.

5.5.26. Работоспособность запальной горелки (п. 3.15) следует проверять при работе аппарата на номинальном давлении газа путем пятиразового включения и выключения основной горелки и действием в течение 15 с потока воздуха, направленного перпендикулярно к плоскости передней стенки аппарата со скоростью 2 м/с, измеренной на расстоянии 1 м от смотрового окна. Допускается отрыв пламени с его восстановлением.

5.5.27. Время нагрева воды (п. 3.22) определяют при работе аппарата на номинальной тепловой мощности и расходе воды, который обеспечивает разность температур горячей и холодной воды (50 ± 1) °С.

В этих условиях, не изменяя расхода воды, прекращают подачу газа на основную горелку. После выравнивания температур воды на входе и выходе из аппарата включают основную горелку. Временем нагрева воды считают время от повторного зажигания основной горелки до момента достижения 90 % значения температуры, при которой была отключена основная горелка.

5.5.28. Испытание аппарата на транспортную тряску (п. 3.23) следует проводить на специальном стенде в течение 30 мин при средней перегрузке 2,4 g и частоте 120 ударов в минуту.

Упакованный аппарат должен быть жестко закреплен на стенде.

После испытаний визуально проверяют состояние упаковки.

Нарушение упаковки не допускается.

Аппарат считается выдержавшим испытания, если после тряски не обнаружено механических повреждений, ослабления креплений и аппарат соответствует требованиям пп. 3.12, 3.13.

5.5.29. Проверку аппарата на соответствие требованиям пп. 3.24, 3.25 следует проводить по РД 51-02-111 «Аппараты водонагревательные проточные газовые бытовые. Методы испытаний на надежность».

5.5.30. Проверку аппарата на соответствие требованию п. 3.5 следует проводить визуально. Проходное сечение фильтрующих элементов должно составлять не более 50 % от минимальных проходных сечений водяных и газовых коммуникаций.

5.5.31. Проверку аппаратов на соответствие требованиям пп. 3.1, 3.3 (перечисления 5, 7, 9); 3.4; 3.6; 3.8; 3.26; 3.27; 3.28 следует производить визуально.

Проверку по п. 2.1, табл. 2, следует проводить с помощью измерительного инструмента.

5.6. Обработка результатов

5.6.1. Расчеты по формулам (3), (4), (7), (8) проводят до трех знаков после запятой с последующим округлением до двух знаков;

расчеты по формулам (2), (5) проводят до двух знаков после запятой с последующим округлением до одного знака;

расчет по формуле (6) проводят до четырех знаков после запятой с последующим округлением до трех знаков.

5.6.2. Испытания по пп. 5.5.1; 5.5.2; 5.5.3; 5.5.5; 5.5.15; 5.5.16; 5.5.27 должны дублироваться, за результат принимается среднее арифметическое. При отклонении результатов дублирующих испытаний по пп. 5.5.1; 5.5.2; 5.5.5; 5.5.15; 5.5.16; 5.5.27 более чем на 2 %, а по п. 5.5.3 более чем на 20 % испытания должны повторяться.

Результаты повторных испытаний являются окончательными.

6. ТРАНСПОРТИРОВАНИЕ И ХРАНЕНИЕ

6.1. Транспортирование

6.1.1. Аппараты транспортируют железнодорожным транспортом в крытых вагонах или автомобильным транспортом в соответствии с правилами перевозок грузов, действующими на транспорте данного вида.

6.1.2. При транспортировании железнодорожным транспортом аппараты, упакованные в ящики, формируют в пакеты по нормативным документам. Масса и размеры транспортных пакетов - по ГОСТ 24597.

Аппараты, сформированные в пакеты, устанавливаются:

на плоские поддоны по ГОСТ 9078 (упакованные в дощатую или комбинированную обрешетки);

на стоечные поддоны по ГОСТ 9570 (упакованные в ящики из гофрированного картона по ГОСТ 9142).

Пакеты, установленные на плоских поддонах, скрепляют по ГОСТ 21650 металлической лентой по одному из следующих стандартов: ГОСТ 3560, ГОСТ 6009, ГОСТ 503.

При транспортировании железнодорожным транспортом аппараты, упакованные в ящики из гофрированного картона без применения стоечных поддонов, следует укладывать не более чем в пять ярусов.

6.2. Хранение

6.2.1. Упакованные аппараты должны храниться в соответствии с условиями хранения 2 (С) ГОСТ 15150.

7. УКАЗАНИЯ ПО ЭКСПЛУАТАЦИИ

7.1. Аппарат предназначен для нагревания воды, используемой в санитарных целях - мытье посуды, стирка, купание.

7.2. Аппараты следует устанавливать и эксплуатировать с соблюдением СНиП 2.04.08-87 «Газоснабжение» и правил безопасности в газовом хозяйстве.

7.3. После прекращения работы аппарат следует отключить от источника подачи газа.

7.4. При появлении в помещении запаха газа следует немедленно прекратить использование аппарата.

7.5. Запрещается пользоваться аппаратом в случае неисправности его газопроводных или водопроводных коммуникаций.

7.6. Техническое обслуживание, устранение неисправностей должны проводить организации, обслуживающие аппараты.

7.7. Аппарат следует подключать к дымоходу, обеспечивающему разрежение от 1,96 до 29,40 Па. При отсутствии разрежения в дымоходе включение и использование аппарата запрещается.

8. ГАРАНТИИ ИЗГОТОВИТЕЛЯ

8.1. Предприятие-изготовитель гарантирует соответствие аппаратов требованиям настоящего стандарта при соблюдении правил монтажа, хранения и эксплуатации, указанных в настоящем стандарте и руководстве по эксплуатации.

Гарантийный срок эксплуатации аппаратов - 3 года со дня продажи через розничную торговую сеть, а для внерыночного потребления - со дня получения потребителем.

ПРИЛОЖЕНИЕ

Обязательное

РАСЧЕТ НОРМ ГЕРМЕТИЧНОСТИ ПРИ ПРИЕМО-СДАТОЧНЫХ ИСПЫТАНИЯХ

Герметичность газовых коммуникаций по падению давления (DР) в Паскалях вычисляют по формуле

                                                (1)

где f - норматив утечки в соответствии с требованиями п. 5.5.17.1, дм3/ч;

t - длительность испытаний, с;

V - объем полости, находящейся под испытательным давлением, мм3;

d - внутренний диаметр мановакуумметра, мм.

При определении герметичности газовых коммуникаций объемным методом с помощью счетчика пузырьков воздуха время утечки одного пузырька (7) в секундах вычисляют по формуле

                                                                (2)

где V - объем пузырька воздуха, см3;

f - норматив утечки в соответствии с требованиями п. 5.5.17.1, см3/с.

ИНФОРМАЦИОННЫЕ ДАННЫЕ ССЫЛОЧНЫЕ НОРМАТИВНО-ТЕХНИЧЕСКИЕ ДОКУМЕНТЫ

Обозначение НТД, на который дана ссылка

Номер пункта, подпункта

ГОСТ 9.014-78

3.28.1

ГОСТ 9.030-74

5.5.25

ГОСТ 12.1.028-80

5.5.23

ГОСТ 263-75

5.5.25

ГОСТ 503-81

6.1.2

ГОСТ 1820-85

5.5.11

ГОСТ 2228-81

3.28.2

ГОСТ 3560-73

6.1.2

ГОСТ 5542-87

5.3

ГОСТ 6009-74

6.1.2

ГОСТ 7402-84

5.1

ГОСТ 8828-89

3.28.2; 3.28.3

ГОСТ 9078-84

6.1.2

ГОСТ 9142-90

6.1.2

ГОСТ 9570-84

6.1.2

ГОСТ 12082-82

3.28.2

ГОСТ 14192-77

3.27.2

ГОСТ 15150-69

3.2; 3.28.1; 6.2.1

ГОСТ 15846-79

3.28.2

ГОСТ 20448-90

5.3

ГОСТ 21650-76

6.1.2

ГОСТ 22667-82

5.3

ГОСТ 24597-81

6.1.2

РД 51-02-111-90

5.5.29

РД 51-02-118-93

5.5.9

СНиП 2.04.08-87

7.2

СОДЕРЖАНИЕ

 



уроки по алготрейдингу на Python с нуля



Яндекс цитирования

   Copyright © 2008-2026 ,  www.infosait.ru

backtrader - уроки алготрейдинга на python