ИНФОСАЙТ.ру
Госты, стандарты, нормативы. В библиотеке 60000 документов. Регулярное обновление. Круглосуточный бесплатный доступ!
БИБЛИОТЕКА ГОСТОВ, СТАНДАРТОВ И НОРМАТИВОВ

:: АЛГОТРЕЙДИНГ ::


АЛГОТРЕЙДИНГ
шаг за шагом


БЕСПЛАТНЫЕ УРОКИ по созданию торговых роботов на PYTHON с нуля, шаг за шагом.


Минимальные знания на PYTHON.
Библиотеки BackTrader и Pandas, сигналы с Pine Script из TradingView.
Связка с брокерами, телеграм.
Создание простых интерфейсов.

 

Все документы, представленные в каталоге, не являются их официальным изданием и предназначены исключительно для ознакомительных целей. Электронные копии этих документов могут распространяться без всяких ограничений. Вы можете размещать информацию с этого сайта на любом другом сайте.


ГОСУДАРСТВЕННЫЙ СТАНДАРТ СОЮЗА ССР

МАШИНЫ ЗЕМЛЕРОЙНЫЕ

МЕТОД ОПРЕДЕЛЕНИЯ ПОЛОЖЕНИЯ ЦЕНТРА ТЯЖЕСТИ

ГОСТ 27248-87
(ИСО 5005-77)

ГОСУДАРСТВЕННЫЙ КОМИТЕТ СССР ПО СТАНДАРТАМ

Москва

ГОСУДАРСТВЕННЫЙ СТАНДАРТ СОЮЗА ССР

МАШИНЫ ЗЕМЛЕРОЙНЫЕ

Метод определения положения центра тяжести

Earth-moving machinery. Method for locating the centre of gravity

ГОСТ
27248-87

(ИСО 5005-77)

Срок действия с 01.01.88

до 01.01.93

0. ВВЕДЕНИЕ

Настоящий стандарт устанавливает метод определения положения центра тяжести землеройных машин, основанного на использовании весов и крана.

У машины с рабочим оборудованием или элементами, которые могут перемещаться, центр тяжести не имеет постоянного положения. При наклоне такой машины (с целью определения вертикальных координат) упругие элементы деформируются, жидкости и незакрепленные детали перемещаются и, следовательно, меняется положение центра тяжести. Кроме того, положение центра тяжести землеройных машин зависит от вида и расположения рабочего или вспомогательного оборудования. Поэтому во всех случаях важно точно указывать условия проведения испытаний.

1. НАЗНАЧЕНИЕ И ОБЛАСТЬ ПРИМЕНЕНИЯ

Настоящий стандарт устанавливает метод определения координат центра тяжести землеройных машин (тракторов, погрузчиков, землевозов и автогрейдеров) при любых условиях нагружения и расположения рабочего оборудования.

2. ТЕРМИНЫ И ОПРЕДЕЛЕНИЯ

В настоящем стандарте применяются следующие термины и определения:

2.1. Машина - машина или другой объект, для которого должен быть определен центр тяжести.

2.2. Приборы - оборудование, необходимое для определения положения центра тяжести машины.

2.3. Рабочее оборудование - оборудование, монтируемое на машине с определенными целями (например, отвал бульдозера, лебедка или ковш).

2.4. «Левая» и «правая» стороны - определяются относительно преимущественного направления движения машины.

2.5. Масса - масса машины, представленной на испытание.

3. ПОДГОТОВКА К ИСПЫТАНИЮ И ЗАГРУЗКА МАШИНЫ

Перед испытанием машина должна быть чистой и испытываться в рабочем состоянии или в состоянии, согласованном между изготовителем и комиссией, проводящей испытания.

3.1. Радиатор, масляный бак, гидравлические и другие емкости должны быть заполнены до установленных рабочих уровней; топливный бак должен быть либо полностью заправленным, либо порожним, либо заполненным до установленного уровня, согласованного между изготовителем и комиссией, проводящей испытания.

3.2. Машина должна быть полностью укомплектована инструментом, запасным колесом, деталями и оборудованием в соответствии с условиями нормальной поставки.

3.3. Давление в шинах должно соответствовать требованиям инструкции по эксплуатации или, если дается диапазон давлений, наивысшему из указанных значений. Если машины оборудованы балластируемыми шинами, последние должны быть заполнены в соответствии с требованиями инструкции по эксплуатации.

3.4. Рабочее оборудование должно, как правило, находиться в рабочем положении, например:

а) для гусеничных или колесных тракторов с бульдозерным оборудованием - отвал должен быть установлен в нижнее положение без перекоса, с минимальным просветом от горизонтальной плоскости отсчета (см. п. 5.3);

б) для погрузчиков - ковш должен быть полностью запрокинут назад, а нижняя часть рычажной системы или ковш должны располагаться с минимальным просветом от горизонтальной плоскости отсчета;

в) для автогрейдеров - нож отвала должен располагаться горизонтально и перпендикулярно горизонтальной оси машины на расстоянии 20 см от горизонтальной плоскости отсчета. Передние колеса должны быть установлены в вертикальном положении.

Допускается определять положение центра тяжести данным методом при различных положениях рабочего оборудования; координаты для этих положений должны быть отражены в отчете (п. 6.4).

3.5. Шарнирно-сочлененные машины должны испытываться при блокировке рамы в положении, соответствующем прямолинейному движению, однако допускается проводить испытания при максимальном или любом промежуточном значении угла складывания.

3.6. Планшет для нанесения отметок должен иметь жесткую конструкцию высотой не менее 600 мм и шириной 450 мм. Планшет должен быть укреплен на машине в удобном месте; гладкая поверхность планшета должна занимать вертикальное и параллельное боковой плоскости машины положение (см. п. 6).

4. МЕТОД ОПРЕДЕЛЕНИЯ

4.1. Общие положения

Центр тяжести определяют методом, основанным на подъеме машины и определении опорных реакций. Данный метод включает измерение опорных реакций машины, вначале на горизонтальной поверхности, затем при наклоне в продольном направлении. В каждом случае определяют расчетное горизонтальное расстояние центра тяжести от точки контакта с опорной поверхностью; вертикальные линии наносят на планшет, укрепленный на машине. Пересечение вертикалей (образует треугольник). За точное положение этого треугольника принимают точку пересечения медиан.

4.2. Приборы

4.2.1. Весы с погрешностью измерений 20 кг.

4.2.2. Кран.

4.2.3. Платформа.

4.2.4. Призматические опоры (обычно используется стальной уголок).

4.2.5. Уровень, отвес, угольник.

4.2.6. Планшет для нанесения отметок.

4.2.7. Материалы для нанесения отметок.

4.2.8. Рулетка.

4.3. Проведение испытаний.

Горизонтальная продольная координата, поперечная координата в горизонтальной плоскости и вертикальная координата центра тяжести должны определяться в соответствии с требованиями пп. 4.3.1 - 4.3.3.

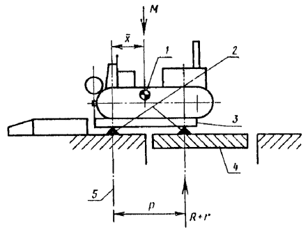
4.3.1. Горизонтальная продольная координата .

4.3.1.1. Гусеничные машины (см. черт. 1).

Измерить массу М всей машины на весах.

Измерить реакцию r под призматической опорой от массы призматической опоры и части платформы.

Продвинуть машину на платформу, поддерживаемую весами, и измерить R + r.

Измерить расстояние Р между призматическими опорами.

Рассчитать R путем вычитания.

Тогда .

Используя расчетное значение , провести на планшете, укрепленном на машине, перпендикуляр, проходящий через центр тяжести. Затем нанести координату  на соответствующую плоскость отсчета по п. 5.

4.3.1.2. Колесные машины.

При испытаниях колесных машин нет необходимости использовать платформу или призматические опоры.

При отключенных тормозах измерить нагрузки на оси и рассчитать  на соответствующую плоскость отсчета по п. 5.

4.3.2. Поперечная координата в горизонтальной плоскости  (см. черт. 2).

Измерить нагрузки на левые R1 и правые R2 колеса или гусеницы.

Рассчитать смещение центра тяжести, используя значение колеи гусениц или колес в качестве плеча пары сил:

,

.

Примечание. Обычно сумма нагрузок на правую и левую стороны не равняется в точности массе машины, ввиду некоторого несовпадения уровней площадки весов и окружающей поверхности. Ошибка сводится к минимуму, если при определении нагрузки машину устанавливать строго на одно и то же место платформы.

Общую массу машины М предпочтительно определять как сумму нагрузок на правую и левую стороны колесной (гусеничной) машины.

Затем нанести координату  на соответствующую плоскости отсчета по п. 5.

4.3.3. Вертикальная координата центра тяжести  (см. черт. 3).

4.3.3.1. Приподнять машину за один конец на угол 15-25° от горизонтальной плоскости, установив другой конец машины на весы. Следует выбирать максимальный удобный угол. Данный метод применим как для колесных, так и для гусеничных машин, основное различие состоит в определении точного положения точки возникновения опорной реакции, то есть точки контакта с опорной поверхностью. Для колесных машин, тормоза которых должны быть отключены, эта точка является проекцией оси. На гусеничных машинах необходимо маневрировать до тех пор, пока опорные грунтозацепы с обеих сторон машины не будут располагаться на линии ВВ¢, или обеспечить контакт с опорной поверхностью через промежуточную опору из стального уголка, установленную на линии ВВ¢. Во всех случаях трос, используемый для подъема машины, должен занимать вертикальное положение в обеих плоскостях, проверяемое отвесом. Это является важным условием для обеспечения равенства нулю опорных реакций в горизонтальной плоскости.

4.3.3.2. Измерить при помощи весов опорную реакцию R в точке контакта с опорной поверхностью.

4.3.3.3. Измерить горизонтальное расстояние d от точки контакта с опорной поверхностью до линии подъема.

4.3.3.4. Рассчитать горизонтальное расстояние с от центра тяжести до линии подъема по формуле .

4.3.3.5. Провести вертикальную линию через центр тяжести на планшете, укрепленном на машине.

Повторить вышеописанные действия с машиной, приподнятой за другой конец (не обязательно соблюдать тот же угол наклона).

Определив по пересечению вертикалей на планшете высоту расположения центра тяжести , нанести  на соответствующую плоскость отсчета по п. 5.

Примечание. Для установки машины на весы допускается въезжать на них своим ходом под прямым углом, разметив платформу меловыми линиями, которые используют как вспомогательные при вычерчивании плача.

Если грунтозацепы гусеничной машины не совпадают с линией BВ¢ (см. черт. 3), необходимо повторять маневрирование до получения желаемого результата.

5. ПЛОСКОСТИ ОТСЧЕТА

Допускается принимать следующие плоскости отсчета:

5.1. Вертикальная плоскость 1:

для гусеничного трактора проходит через ось ведущего колеса;

для колесного или гусеничного погрузчиков - через переднюю ось центра направляющих колес гусениц, поскольку эти точки используются при конструировании.

5.2. Вертикальная плоскость 2: проходит через главную продольную ось машины, то есть посредине между колесами (или гусеницами).

5.3. Горизонтальная плоскость: проходит на уровне опорной поверхности. Опорная поверхность должна быть твердой, то есть должно быть исключено погружение грунтозацепов гусеничной машины.

6. ОФОРМЛЕНИЕ РЕЗУЛЬТАТОВ

6.1. В отчете должны быть приведены координаты центра тяжести:

 - горизонтальная продольная координата, являющаяся расстоянием от центра тяжести до вертикальной плоскости 1;

 - поперечная координата или отклонение центра тяжести от вертикальной плоскости 2: положительная - при отклонении вправо, отрицательная - при отклонении влево;

 - вертикальная координата или высота центра тяжести над горизонтальной опорной поверхностью.

6.2. Положение центра тяжести относительно трех плоскостей отсчета должно быть зарегистрировано в отсчете с точностью до 10 мм. Если имеются плоскости отсчета, кроме упомянутых в п. 5, они должны быть указаны в отчете.

6.3. Все сведения, относящиеся к положению центра тяжести машины, должны быть отражены в отчете. Должно быть подробно описано положение рабочего оборудования и состояние по загрузке.

6.4. Рекомендуемая форма отчета:

Изготовитель

Тип машины …                                                               Модель …

Серийный номер …                          № шасси …          № двигатели ...

Рабочее оборудование ...

Давление в передних шинах ...                                      кПа

Давление в задних шинах ...                                           кПа

Дата проведения испытаний ...

Масса машины М, кг:                                                       Без груза ... кг

С грузом ... кг

С левой стороны

 

С правой стороны

 

Общая

 

Координаты центра тяжести, мм

Положение рабочего оборудования  ±

 ±

 

 

 

 

Определение продольной координаты

1 - центр тяжести; 2 - призматические опоры; 3 - платформа; 4 - весы; 5 - линия отсчета; М - масса машины; r - реакция под опорой, вызванная ее массой и частью платформы; R + r - реакция под передней опорой, вызванная массой машины, платформы и опоры; R - реакция под передней опорой, вызванная массой машины; Р - расстояние между опорами;

Черт. 1

Определение поперечной координаты в горизонтальной плоскости

1 - весы; 2 - колея; R1 - нагрузка на левые колеса или гусеницу; R2 - нагрузка на правые колеса или гусеницу; М - масса машины, равная R1 + R2

; .

Черт. 2

Определение вертикальной координаты центра тяжести

Вид сбоку

Вид сверху

1 - трос, вертикальный в обеих плоскостях; 2 - центр тяжести; 3 - призматическая опора, 4 - весы; М - масса машины; R - реакция в месте опирания машины на поверхность весов; d - горизонтальное расстояние реакции опоры от линии подъема; с - горизонтальное расстояние центра тяжести от линии подъема; ; А - точка пересечения продолжения линии подъема с опорной поверхностью; ВВ¢ - линия контакта с опорной поверхностью;  - высота центра тяжести над уровнем опоры

Черт. 3

ИНФОРМАЦИОННЫЕ ДАННЫЕ

1.  ВНЕСЕН Министерством строительного, дорожного и коммунального машиностроения СССР

2. Постановлением Государственного комитета СССР по стандартам от 30.03.87 № 1026 введен в действие государственный стандарт СССР ГОСТ 27248-87, в качестве которого непосредственно применен международный стандарт ИСО 5005-77 с 01.01.88

СОДЕРЖАНИЕ

 



уроки по алготрейдингу на Python с нуля



Яндекс цитирования

   Copyright © 2008-2026 ,  www.infosait.ru

backtrader - уроки алготрейдинга на python