|  |  | Все документы, 
представленные в каталоге, не являются их официальным изданием и предназначены 
исключительно для ознакомительных целей. Электронные копии этих документов могут распространяться без всяких 
ограничений. Вы можете размещать информацию с этого сайта на любом другом сайте.
 
 
 

 
ГОСУДАРСТВЕННЫЙ СТАНДАРТ СОЮЗА ССР СОЕДИНЕНИЯ СВАРНЫЕИЗ ДВУХСЛОЙНОЙ
 КОРРОЗИОННОСТОЙКОЙ СТАЛИ
 ОСНОВНЫЕ ТИПЫ,
КОНСТРУКТИВНЫЕ ЭЛЕМЕНТЫ И РАЗМЕРЫ ГОСТ 16098-80 ГОССТАНДАРТ
РОССИИ Москва 
ГОСУДАРСТВЕННЫЙ СТАНДАРТ СОЮЗА ССР 
 
  | СОЕДИНЕНИЯ СВАРНЫЕ ИЗ ДВУХСЛОЙНОЙ | ГОСТ 16098-80* |  
  | КОРРОЗИОННОСТОЙКОЙ СТАЛИ |  
  | Основные
  типы, конструктивные элементы и размеры |  
  | Welded
  joints of clad corrosionresistant steel. | Взамен |  
  | Main
  types, design elements and dimensions | ГОСТ 16098-70 |    
 
  | Постановлением
  Государственного комитета СССР по стандартам | от
  25.09.80 |  
  | № 4818 срок
  введения установлен | с
  01.01.82 |  1. Настоящий стандарт
устанавливает основные типы, конструктивные элементы и размеры сварных
соединений из двухслойной коррозионностойкой стали по ГОСТ
10885-85, выполняемых дуговой и электрошлаковой сваркой. 2. В стандарте приняты
следующие обозначения способов сварки: Р - ручная дуговая сварка; АФ - автоматическая сварка
под флюсом на весу; АФф - автоматическая дуговая
сварка под флюсом на флюсовой подушке; З - дуговая сварка в
защитных газах; Ш - электрошлаковая сварка. Разновидность сварки в среде
защитных газов обозначается по ГОСТ
14771-76, а электрошлаковой сварки по ГОСТ
15164-78. 3. Основные типы сварных
соединений должны соответствовать указанным в табл. 1. 4. Конструктивные элементы и
их размеры должны соответствовать указанным в табл. 2 - 42. 3; 4. (Измененная редакция, Изм. № 1). 
 
Таблица 1 
 
  | Тип соединения | Форма подготовленных кромок | Характер сварного шва | Форма поперечного сечения | Способ сварки | Толщина свариваемых  деталей, мм | Условное обозначение  сварного соединения |  
  | подготовленных кромок | сварного шва |  
  | Стыковое | Без скоса кромок | Двухсторонний |   | 
 | Афф+АФ АФ Афф+АФ З | 8-16 | Cl |  
  | 
 |   | РР | 4-6 |  
  |   | 
 | АФЗ+АФ | 8-10 |  
  |   |   | Афф АФ | 8-14 |  
  | Без скоса кромок,
  со снятием плакирующего слоя | 
 | 
 | АФАФ АФфАФ | 10-20 | C2 |  
  | 
 | 
 | ШАФ ШР | 30-160 | С3 |  
  | Стыковое | Со скосом одной
  кромки | Двухсторонний | 
 | 
 | АФРр | 8-20 | C4 |  
  | Со скосом одной
  кромки по ломаной линии и снятием плакирующего слоя | 
 | 
 | АФАФ Рр | 50-70 | C5 |  
  |   | 
 | 
 | АФАФ | 16-30 | C6 |  
  | Стыковое | Со скосом кромок | Двухсторонний |   |   | РР | 8-26 |  
  |   |   | РР | 8-22 | C7 |  
  | 
 | 
 | АФАФ | 10-20 |  
  |   |   | АФфАФ | 10-22 |  
  | Стыковое |   |   | 
 | 
 | АФфАФ | 18-40 | C8 |  
  | Со скосом кромок по
  ломаной линии |   |   |   | АФАФ | 16-30 |   |  
  |   | 
 | 
 | АФЗ РЗ | 8-30 | C9 |  
  | Односторонний | 
 | 
 |   | 30-100 | С10 |  
  |   | 
 | 
 | АФЗ | 50-160 | С11 |  
  | Стыковое | С криволинейным скосом кромок | Односторонний с
  расплавляемой вставкой | 
 | 
 | РЗ | 50-100 | С12 |  
  |   | 
 | 
 | АФАФ | 18-50 | C13 |  
  |   |   | 
 | 
 | PP | 50-100 | С14 |  
  | Стыковое | Со скосом одной
  кромки по ломаной линии и снятием плакирующего слоя | Двухсторонний | 
 | 
 | АФ+ШАФ Р+ШР | 50-160 | С15 |  
  | 
 | 
 | АФАФ АФ+ШАФ РР | 50-100 | C16 |  
  | Со
  скосами одной кромки | 
 | 
 | АФАФ | 16-60 | C17 |  
  | Стыковое | Двухсторонний |   |   | РР | 12-60 |   |  
  | Со скосом одной кромки по ломаной линии и
  снятием плакирующего слоя | 
 | 
 | АФАФ РР | 60-70 | C18 |  
  | Со
  скосами кромок |   |   | АФАФ | 18-85 |   |  
  | 
 | 
 | АФР | 18-40 | C19 |  
  |   |   | РР | 14-60 |   |  
  | Со скосами кромок и
  снятием плакирующего слоя | 
 | 
 | АФАФ РР | 18-85 | C20 |  
  | Стыковое | С криволинейными скосами кромок и снятием
  плакирующего слоя | Двухсторонний | 
 | 
 | АФфАФАФР РР | 50-160 | C21 |  
  | С несимметричными криволинейными скосами и
  снятием плакирующего слоя | 
 | 
 | АФ+Ш АФ PP АФАФ |   | C22 |  
  | Со
  скосами кромок | 
 | 
 | АФАФ ШАФ АФ+ШАФ | 50-160 | C23 |  
  | Стыковое | Со скосом кромки и
  снятием плакирующего слоя | Двухсторонний | 
 | 
 | АФАФ | 20-70 | C24 |  
  | Угловое | Без
  скоса кромок | 
 | 
 | PАФАФ | 8-30 | У1 |  
  | Со скосом одной кромки | 
 | 
 | PP | 8-20 | У2 |  
  | Двухсторонний | 
 | 
 | PP | 12-26 | У3 |  
  | Со скосом одной кромки по ломаной линии и
  снятием плакирующего слоя | 
 | 
 | АФАФ PP | 50-100 | У4 |  
  | Со
  скосами одной кромки | 
 | 
 | РР | 18-60 | У5 |  
  | Угловое | Со скосами одной кромки по ломаной линии и
  снятием плакирующего слоя | Двухсторонний | 
 | 
 | АФАФ PP | 50-100 | У6 |  
  | Со скосом кромок по
  ломаной линии | 
 | 
 | АФАФ PP | 12-40 | У7 |  
  | С криволинейным
  скосом кромок | 
 | 
 | АФАФ PP | У8 |  
  | 
 | 
 | АФАФ | 16-30 | У9 |  
  | Угловое | Двухсторонний | 
 | 
 | PP | У10 |  
  | Со скосом кромок по ломаной линии и снятием
  плакирующего слоя | 
 | 
 | АФАФ PP | 20-40 | У11 |  
  | Без
  скоса кромок | 
 | 
 | РР АФАФ | 4-40 | Т1 |  
  | Со скосом одной
  кромки | Односторонний | 
 | 
 | РЗ PP | 8-26 | Т2 |  
  | Тавровое | Двухсторонний | 
 | 
 | АФРР | 8-26 | Т3 |  
  | Со
  скосами одной кромки | 
 | 
 | АФРР | 12-50 | Т4 |  
  | Тавровое | Со скосом одной кромки по ломаной линии и
  снятием плакирующего слоя | 
 | 
 | АФАФ PP | 50-100 | Т5 |  Таблица
2 Размеры, мм 
 
  | Условное обозначение
  сварного соединения | Конструктивные
  элементы | Способ сварки | s = s1 | b | е | е1 |  
  | подготовленных кромок
  свариваемых деталей | сварного шва | Номин. | Пред. откл. | не более | не менее |  
  | С1 | 
 | 
 | АФ АФ; АФАФф | 8 | 3 | ±0,5 | 24 | 15 |  
  | 10 | 26 |  
  | 12 | ±1,0 | 18 |  
  | 14 | 28 | 20 |  
  | 16 | 30 |  Таблица 3 Размеры, мм 
 
  | Условное обозначение
  сварного соединения | Конструктивные
  элементы | Способ сварки | s = s1 | b | е | е1 |  
  | подготовленных кромок
  свариваемых деталей | сварного шва | Номин. | Пред. откл. | не более | не менее |  
  | С1 | 
 | 
 | РР | 4 | 2,0 | ±1,0 | 10 | 7 |  
  | 6 | ±1,5 | 12 | 8 |  
  | АФ З+АФ | 8 | ±0,5 | ±0,5 | 24 | 15 |  
  | 10 | 26 |  
  | АФФ АФ | 8 | 1,0 | +0,5 | 18 |  
  | 14 | -1,0 | 28 |    
 
Таблица 4 Размеры, мм 
 
  | Условное обозначение
  сварного соединения | Конструктивные
  элементы | Способ сварки | s = s1 | b | f (пред. откл. +1) | е | е1 | К |  
  | подготовленных кромок
  свариваемых деталей | сварного шва | Номин. | Пред. откл. | Не более | не менее | Номин. | Пред. откл. |  
  | C2 | 
 | 
 | АФАФ | 10-12 | 0 | +1 | 9 | 28 | 26 | 2 | ±1,5 |  
  | 14-16 | 10 | 28 |  
  | 18-20 | 11 | 30 | 30 |  
  | АФфАФ | 10-12 | 2 | ±2 | 9 | 28 | 26 |  
  | 14-16 | 10 | 28 |  
  | 18-20 | 11 | 30 | 30 |  Таблица 5 Размеры, мм 
 
  | Условное обозначение
  сварного соединения | Конструктивные
  элементы | Способ сварки | s = s1 | b (пред. откл. ±2) | f (пред. откл. ±2) | е (пред.
  откл. ±5) | е1 (пред. откл. ±5) | g | g1 |  
  | подготовленных кромок
  свариваемых деталей | сварного шва | Номин. | Пред. откл. | Номин. | Пред. откл. |  
  | C3 | 
 | 
 | Ш Р; ШАФ | 30-40 | 26 | 14 | 52 | 60 | 3 | ±2 | 1 | +3 |  
  | 42-50 | 60 | 66 | -0,5 |  
  | 53-100 | 30 | 85 | +3 | 2 | +3 |  
  | 102-160 | 65 | 95 | -2 | -1,5 |  Таблица 6 Размеры, мм 
 
  | Условное обозначение
  сварного соединения | Конструктивные
  элементы | Способ сварки | s = s1 | b | с | a
  (пред. откл. ±5) | е | е1 | g | g1 |  
  | подготовленных кромок
  свариваемых деталей | сварного шва | Номин. | Пред. откл. | Номин. | Пред. откл. | не более | не менее | Номин. | Пред. откл. | Номин. | Пред. откл. |  
  | C4 | 
 | 
 |  АФ  РР | 8-12 18-20   18-20 |   0     2 |   +1     +1 -2 |   6     2 |   +1     +1 -2 |   40°     50° | 14 18   20 | 16 20   24 |         1,0 | +1,5 -0,5 +1,0 +2,0 -0,5 |         1,0 | +1,5 -0,5 +1,0 +2,0 -0,5 |  Таблица 7 Размеры, мм 
 
  | Условное обозначение
  сварного соединения | Конструктивные
  элементы | Способ сварки | s = s1 | b | с (пред. откл. ±1) | е, не более | g | g1 |  
  | подготовленных кромок
  свариваемых деталей | сварного шва | Номин. | Пред. откл. | Номин. | Пред. откл. | Номин. | Пред. откл. |  
  | С5 | 
 | 
 | АФАФ   РР | 60 50 70 |   0 2 |   +2   ±1 |   6   3 | 40 35 45 | 1,5 |   +2,5   +3,0 -0,5 | 1,5 |   +2,0   +3,0 -0,5 |  Таблица 8 Размеры, мм 
 
  | Условное обозначение
  сварного соединения | Конструктивные
  элементы | Способ сварки | s = s1 | b | c (пред.
  откл. ±1) | a
  (пред. откл. ±3) | е | е1 | g | g1 |  
  | подготовленных кромок
  свариваемых деталей | сварного шва | Номин. | Пред. откл. | не более | не менее | Номин. | Пред. откл. | Номин. | Пред. откл. |  
  | С6 | 
 | 
 |     РР   АФАф | 12-14 16-18 28-30 |     1 |     ±0,5 -1,0 |         6 |   45° 30° |   24   30 30 40 |     11     12 | 1,0 |     +2,0 -0,5       +3,0 -0,5 | 1,0 | +1,0 -0,5 |  Таблица 9 Размеры, мм 
 
  | Условное обозначение
  сварного соединения | Конструктивные
  элементы | Способ сварки | s = s1 | b | c | a (пред. откл. ±3°) | е не более | е1 | g | g1 |  
  | подготовленных кромок
  свариваемых деталей | сварного шва | Номин. | Пред. откл. | Номин. | Пред. откл. | не менее | Номин. | Пред. откл. | Номин. | Пред. откл. |  
  | С7 | 
 | 
 |   РР     АФАф       АФфАФ | 12-14 8 14 10-12 16 22 |   0 2 |     ±0,5 -1,0 +1 -2 |   2     6 5 6 |   ±1 |   45° |   26   22 18 26 32 | 26 21   28   27 30 | 1,0 |       +1,0 -0,5       +1,5   +2,0 -0,5 | 1,0 | 2±1,5 |  Таблица 10 Размеры, мм 
 
  | Условное
  обозначение сварного соединения | Конструктивные
  элементы | Способ сварки | s = s1 | b | f (пред.
  откл. +1) | h | е | е1 не
  менее | g | g1 |  
  | подготовленных
  кромок свариваемых деталей | сварного шва | Номин. | Пред. откл. | Номин. | Пред. откл. | не более | Номин. | Пред. откл. | Номин. | Пред. откл. |  
  | С8 | 
 | 
 |   АФфАФ   АФАф | 22-26 16 28-30 | 3 1 | +2 -1 | 11 9 12 | 6 4 7 | +1,0 +1,0 | 33 22 34 | 33 22 34 | 2 | ±1,5 | 1,5 | ±2,0 -1,0   +1,5 -1,0 -1,0 |  
 
Таблица 11 Размеры, мм 
 
  | Условное обозначение
  сварного соединения | Конструктивные
  элементы | Способ сварки | s = s1 | е, не более | g |  
  | подготовленных кромок
  свариваемых деталей | сварного шва | Номин. | Пред. откл. |  
  | С9 | 
 | 
 | АффЗ РЗ | 12-14 20-22 28-30 | 23 27 31 | 1,5 | +1,5 -1,0 |  Таблица 12 Размеры, мм 
 
  | Условное обозначение сварного соединения | Конструктивные
  элементы | Способ сварки | s = s1 | h (пред. откл. ±1,0) | е, не более | g |  
  | подготовленных кромок
  свариваемых деталей | сварного шва | Номин. | Пред. откл. |  
  | С10 | 
 | 
 | АфЗ РЗ | 40 60 80 100 | 20 25 | 45   58 68 80 | 1,5 | +2,0 -1,0 +3,0   +4,0 -1,0 |  Таблица 13 Размеры, мм 
 
  | Условное обозначение
  сварного соединения | Конструктивные
  элементы | Способ сварки | s = s1 | е, Не более | g |  
  | подготовленных кромок
  свариваемых деталей | сварного шва | Номин. | Пред. откл. |  
  | С11 | 
 | 
 | АфЗ РЗ | 60 80 100 120 140 160 | 50 60 70 80 90 100 | 2 3 | +3 -1,5 +3,0 -2,5 |  Таблица 14 Размеры, мм 
 
  | Условное обозначение
  сварного соединения | Конструктивные
  элементы | Способ сварки | s = s1 | е, Не более |  
  | подготовленных кромок
  свариваемых деталей | сварного шва |  
  | С12 | 
 | 
 | АфЗ РЗ | 60 80 100 | 50 60 70 |  
 
Таблица 15 Размеры, мм 
 
  | Условное обозначение
  сварного соединения | Конструктивные
  элементы | Способ сварки | s = s1 | b | с | е | е1 | g | g1 |  
  | подготовленных кромок
  свариваемых деталей | сварного шва | Номин. | Пред. откл. | Номин. | Пред. откл. | не более | не менее | Номин. | Пред. откл. | Номин. | Пред. откл. |  
  | С13 | 
 | 
 |   РР   АФАф | 22-26 18-20 42-50 |     2       0 |     +0,5 -1,5     +1,0 | 2,0       8,0 |       1,0 | 35 30 45 |   14 12   14 |     1,0       1,5 | +3,0 -0,5 +2,0 -1,0 -1,0 |     1,0       1,5 | +2,0 -0,5   +1,5 -1,0 |  Таблица 16 Размеры, мм 
 
  | Условное обозначение
  сварного соединения | Конструктивные
  элементы | Способ сварки | s = s1 | b | c (пред. откл.  ) | е | е1 | g | g1 |  
  | подготовленных кромок
  свариваемых деталей | сварного шва | Номин. | Пред. откл. | не более | не менее | Номин. | Пред. откл. | Номин. | Пред. откл. |  
  | С14 | 
 | 
 |     РР   АФАф | 60 100 60 100 |         0 |     +1   +2 |         6 | 50 70 50 70 |     40       40 |           1,5   2,5 |   +4,0 -0,5 +3,0   +4,0 +3,0 -2,0 |         1,5 |   +3,0 -0,5 +2,0   +3,0 -1,0 |  Таблица 17 Размеры, мм 
 
  | Условное обозначение
  сварного соединения | Конструктивные
  элементы | Способ сварки | s = s1 | b | с | е | е1 | g1 |  
  | подготовленных кромок
  свариваемых деталей | сварного шва | Номин. | Пред. откл. | Номин. | Пред. откл. | не более | не менее | Номин. | Пред. откл. |  
  | С15 | 
 | 
 | АФ+ШР+ШР | 100-160 100-160 | 0 2 | +2 +1 -2 | 6 2 | +1,0 +1,5 -0,5 | 60 | 40 40 | 1,0 1,5 | +4,0 -1,0 |  Таблица 18 Размеры, мм 
 
  | Условное обозначение
  сварного соединения | Конструктивные
  элементы | Способ сварки | s = s1 | b | е | е1 | g | g1 |  
  | подготовленных кромок
  свариваемых деталей | сварного шва | Номин. | Пред. откл. | не более | не менее | Номин. | Пред. откл. | Номин. | Пред. откл. |  
  | С16 | 
 | 
 | АФАФ АФ+Ш  РР | 60 100 60 100 |     0   2 |     +2   +1 -2 | 53 68 53 68 | 41   36   41 |           1,0 | +3,0   +3,5 +4,0 -0,5 |         1,0 |     +3,0   +3,0 -0,5 |  Таблица 19 Размеры, мм 
 
  | Условное обозначение
  сварного соединения | Конструктивные
  элементы | Способ сварки | s = s1 | b | e | a | е = е1 | g = g1 |  
  | подготовленных кромок
  свариваемых деталей | сварного шва | Номин. | Пред. откл. | Номин. | Пред. откл. | (пред. откл. ±5°) | не более | Номин. | Пред. откл. |  
  | С17 | 
 | 
 |     РР АФАф | 16-20 53-60 53-60 |       2 0 |       ±1 +2 |       2 6 |       +1 ±1 |       45° 50° | 22 50 25 50 |       1,0 1,5 | +3,0 -0,5 +2,5 -1,0 |  Таблица 20 Размеры, мм 
 
  | Условное обозначение
  сварного соединения | Конструктивные
  элементы | Способ сварки | s = s1 | b | е (пред. откл. ±1) | h (пред. откл. ±1) | е | е1 | g | g1 |  
  | подготовленных кромок
  свариваемых деталей | сварного шва | Номин. | Пред. откл. | не более | не менее | Номин. | Пред. откл. | Номин. | Пред. откл. |  
  | С18 | 
 | 
 | АФРР | 70 70 | 0 2 | +2 ±1 | 6 3 | 35 35 | 40 40 | 55 55 | 1,5 1,0 | +3,0 -0,5 | 1,5 1,0 | +4,0 -0,5 |  Таблица 21 Размеры, мм 
 
  | Условное обозначение
  сварного соединения | Конструктивные
  элементы | Способ сварки | s = s1 | b | с (пред. откл.
  +1) | h (пред. откл. ±1) | a | a1 | е | е1 | g | g1 |  
  | подготовленных кромок
  свариваемых деталей | сварного шва | Номин. | Пред. откл. | (пред. откл. ±3°) | не более | не менее | Номин. | Пред. откл. | Номин. | Пред. откл. |  
  | С19 | 
 | 
 | РР | 18-20 53-60 | 2 | ±1 | 1 | 9 16 25 | 27° | 35°   | 22 35 52 | 24 53 | 2,0 | +3,5 -1,5 | 1,5 | +3,5 -0,5 |  
  | АФАф | 18-20 | 0 | +1 | 6 | 8 | 30° | 45° | 16 | 18 | +2,0 | +2,0 |  
  | 22-26 | 12 | 19 | 26 | -1,0 | -0,5 |  
  | 28-30 | 14 | 25 |   | +2,5 | +2,5 |  
  | 32-40 | 15 | 40° | 28 | 32 | -1,0 | -1,0 |  
  | 42-50 | 17 | 46 | 38 | +3,0 |   |  
  | 53-85 | 18 | 35° | 54 | 48 | -1,5 | +3,0 -1,0 |  
  | АФР | 18-20 | 2 | ±1 | 2 | 7 | 16 | 22 | 1,5 | +2,0 | 1,0 |   |  
  | 22-26 | 9 | 19 | 24 | -1,0 | +2,0 |  
  | 28-30 | 11 | 25 | 27 | +2,0 | -0,5 |  
  | 32-40 | 14 | 30° | 28 | 30 | -1,0 |   |  Таблица 22 Размеры, мм 
 
  | Условное обозначение
  сварного соединения | Конструктивные элементы | Способ сварки | s = s1 | b | с (пред. откл. ±1) | a | a1 | е | е1 | g | g1 |  
  | подготовленных кромок
  свариваемых деталей | сварного шва | Номин. | Пред. откл. | (пред. откл. ±3°) | не более | не менее | Номин. | Пред. откл. | Номин. | Пред. откл. |  
  | С20 | 
 | 
 | РР | 18-20 53-85 | 2 | +1 | 1 | 27° | 35°   | 22 35 50 | 35 60 | 1,5 | +3,0 -0,5 | 1,0 | +3,0 -0,5 4,0 -0,5 |  
  | АФАф | 18-20 | 0 | +1 | 4 | 30° | 35° | 28 | 32 | 3,0 | ±1,5 | 1,5 | +3,0 |  
  | 22-26 | 29 | 35 | -1,0 |  
  | 28-30 | 6 | 30 | 39 |   |  
  | АФфАф | 32-40 | 30° | 34 | 42 | 4,0 |  
  | 42-50 | 37 | 53 | -0,5 |  
  | 53-85 | 42 | 60 |   |  Таблица 23 Размеры, мм 
 
  | Условное обозначение
  сварного соединения | Конструктивные
  элементы | Способ сварки | s = s1 | b | с (пред. откл. ±1) | h (пред.  откл. ±1) | a
  (пред.  откл. ±2°) | е | е1 | g | g1 |  
  | подготовленных кромок
  свариваемых деталей | сварного шва | Номин. | Пред. откл. | не более | не менее | Номин. | Пред. откл. | Номин. | Пред. откл. |  
  | С21 | 
 | 
 | РР | 50 160 | 2 | +1 -2 | 3 | 25 80 | 10° | 36 46 58 | 65 85 | 2,0 | +3,0 4,0 -0,5 | 1,5 | +4,0 -0,5 |  
  | АФ Аф | 50 | 0 | +1 | 6 | 25 | 13° | 36 | 60 | +3,0 |   |  
  | 70 | 35 | 40 | 65 | -1,0 |   |  
  | 90 | 45 | 43 | 70 |   | +4,0 |  
  | 110 | 55 | 46 | 75 | +4,0 | -1,0 |  
  | 130 | 65 | 52 | 80 | -1,0 |   |  
  | 160 | 80 | 58 | 85 |   |   |  Таблица 24 Размеры, мм 
 
  | Условное обозначение
  сварного соединения | Конструктивные
  элементы | Способ сварки | s = s1 | l (пред.
  откл. ±1) | е | е1 | g | g1 |  
  | подготовленных кромок
  свариваемых деталей | сварного шва | не более | не менее | Номин. | Пред. откл. | Номин. | Пред. откл. |  
  | С22 | 
 | 
 | АФ+ШАФ
    РАФАФ | 70-100 100-160 100-160 |   1 1 |   60 40 | 45 50 50 |   3,0 1,5 | +2,0 -2,5 +3,0 -1,0 |   1,5 1,5 | +3,0 -1,0 +3,0 -1,0 |  Таблица 25 Размеры, мм 
 
  | Условное обозначение
  сварного соединения | Конструктивные
  элементы | Способ сварки | s = s1 | b | c | е | е1 | g | g1 |  
  | подготовленных кромок
  свариваемых деталей | сварного шва | Номин. | Пред. откл. | Номин. | Пред. откл. | не более | не менее | Номин. | Пред. откл. | Номин. | Пред. откл. |  
  | С23 | 
 | 
 |           АФАФ       ШАф   АФ+ШАФ | 60 100 120 140 60 100 120 140 160 | 0 | +2 | 10 | ±1,0 | 53 68 76 84 53 68 76 84 92 |     25 | 2,0 |     +3,0-1,0
 | 1,5 | +3,0-1,0
 |  
 
Таблица 26 Размеры, мм 
 
  | Условное обозначение
  сварного соединения | Конструктивные
  элементы | Способ сварки | s = s1 | е1 | е | a
  (пред. откл. ±3°) |  
  | подготовленных кромок
  свариваемых деталей | сварного шва | не менее | не более |  
  | С24 | 
 | 
 | АфАФ | 30 50 70 | 35 38 40 | 42   | 30   |  Таблица 27 Размеры, мм 
 
  | Условное обозначение сварного соединения | Конструктивные
  элементы | Способ сварки | s = s1 | b | К | К1 |  
  | подготовленных кромок
  свариваемых деталей | сварного шва | Номин. | Пред. откл. | Не более |  
  | У1 | 
 | 
 |  РР АФАФ | 10 14 10 14 18 22 26 30 | 0 | +1 +2 | 10 14 10 14 18 22 26 30 | 12 10 |  Таблица 28 Размеры, мм 
 
  | Условное обозначение
  сварного соединения | Конструктивные
  элементы | Способ сварки | s | К | К1 | е1 |  
  | подготовленных кромок
  свариваемых деталей | сварного шва | Не более | Не более |  
  | У2 | 
 | 
 | РР | 12-14 20 | 20 25 | 6 8 | 24 30 |  Таблица 29 Размеры, мм 
 
  | Условное обозначение
  сварного соединения | Конструктивные
  элементы | Способ сварки | s | е1 | К1 | g1 |  
  | подготовленных кромок
  свариваемых деталей | сварного шва | Не более | Не более |  
  | У3 | 
 | 
 | РР | 22-26 | 33+s1 | 8 | +2,5 +3,0 -0,5 |  
 
Таблица 30 Размеры, мм 
 
  | Условное обозначение
  сварного соединения | Конструктивные
  элементы | Способ сварки | s | b | с (пред. откл. ±1) | К, не более | К1 (пред.
  откл. +3-1) | е1, не
  менее | g1 |  
  | подготовленных кромок
  свариваемых деталей | сварного шва | Номин. | Пред. откл. | Номин. | Пред. откл. |  
  | У4 | 
 | 
 |     РР АФАф | 60 50 100 |       0 2 |       +2 ±1 |       3 6 | 32 30 43 |   23   23 | 25   28 25   28 |     1,0 1,5 |     +3,0 -1,5 +2,0-1,0
 |    
 
Таблица 31 Размеры, мм 
 
  | Условное обозначение
  сварного соединения | Конструктивные
  элементы | Способ сварки | s | е1 | К1 | К |  
  | подготовленных кромок
  свариваемых деталей | сварного шва | Не более |  
  | У5 | 
 | 
 | РР | 22-26 32-40 60 | 28+s1 45+s1 | 5 8 | 22 31 45 |    
 
Таблица 32 Размеры, мм 
 
  | Условное обозначение
  сварного соединения | Конструктивные
  элементы | Способ сварки | s | b | с (пред. откл.
  +1) | h (пред. откл. ±1) | К | К1 | е1 | g1 |  
  | подготовленных кромок
  свариваемых деталей | сварного шва | Номин. | Пред. откл. | не более | Номин. | Пред. откл. |  
  | У6 | 
 | 
 |     АФАФ РР | 60 50 100 |       0 2 |       +2 +1 |       6 3 | 30 25 50 | 26 24 34 | 20 16 20 26 | 48 43 48 54 |     1,5 1,0 |     +3,0 -1,0 +3,0-0,5
 |  Таблица 33 Размеры, мм 
 
  | Условное обозначение
  сварного соединения | Конструктивные
  элементы | Способ сварки | s | b | с | a
  (пред. откл. ±3°) | е1 | К |  
  | подготовленных кромок
  свариваемых деталей | сварного шва | Номин. | Пред. откл. | Номин. | Пред. откл. | не более |  
  | У7 | 
 | 
 |   РР АФАФ | 16-20 12-14 32-40 |     2 0 |     +1 +1 |     2 6 |     +1 +1 | 30° 35° 30° | 34 34 53 | 6 6 10 |  Таблица 34 Размеры, мм 
 
  | Условное обозначение
  сварного соединения | Конструктивные
  элементы | Способ сварки | s = s1 | b | е | a (пред. откл. ±3°) | е | К1 |  
  | подготовленных кромок
  свариваемых деталей | сварного шва | Номин. | Пред. откл. | Номин. | Пред. откл. | не более |  
  | У8 | 
 | 
 |   РР АФАФ | 16-20 12-14 32-40 |     2 0 |     +1 +1 |     2 6 |     +1 ±1 |     27° 30° | 30 33 53 | 6 6 10 |  Таблица 35 Размеры, мм 
 
  | Условное обозначение
  сварного соединения | Конструктивные
  элементы | Способ сварки | s = s1 | b | е | Р (пред. откл. ±1) | a (пред. откл. ±2°) | е, не более |  
  | подготовленных кромок
  свариваемых деталей | сварного шва | Номин. | Пред. откл. | Номин. | Пред. откл. |  
  | У9 | 
 | 
 | РР АФАФ | 22-26 28-30 |   2 0 | +1 -2 +2 |   2 6 | +1,0 -0,5 ±1,0 |   3,0 5,0 |   10° 13° | 34 40 |  Таблица 36 Размеры, мм 
 
  | Условное обозначение
  сварного соединения | Конструктивные
  элементы | Способ сварки | s = s1 | b | с | a
  (пред. откл. ±2°) | е1,
  не более | е, не более |  
  | подготовленных кромок
  свариваемых деталей | сварного шва | Номин. | Пред. откл. | Номин. | Пред. откл. |  
  | У10 | 
 | 
 | РР АФАФ | 22-26 28-30 |   2 0 | +1 -2 +2 |   2 6 | +1,0 -0,5 ±1,0 |   10° 13° | 36 44 |   18 20 |  
 
Таблица 37 Размеры, мм 
 
  | Условное обозначение сварного соединения | Конструктивные
  элементы | Способ сварки | s = s1 | b | с (пред. откл. ±1) | е, не более |  
  | подготовленных кромок
  свариваемых деталей | сварного шва | Номин. | Пред. откл. |  
  | У11 | 
 | 
 |  РР АФАФ | 25 40 25 40 | 2 | +1 ±2 | 2 6 | 34 40 30 38 |  Таблица 38 Размеры, мм 
 
  | Условное обозначение сварного соединения | Конструктивные
  элементы | Способ сварки | s | b | К = К1,
  не более |  
  | подготовленных кромок
  свариваемых деталей | сварного шва | Номин. | Пред. откл |  
  | Т1 | 
 | 
 | АФ АФ | 4-6 | 0 | +10 | 4 |  
  | 8-10 | +1,5 | 5 |  
  | 12-14 | 6 |  
  | 16-18 | +2,0 | 8 |  
  | 20-40 | 10 |  
  | Р Р | 4-6 | 1 | ±1,0 | 4 |  
  | 8-10 | +2 | 5 |  
  | 12-14 | -1,0 | 6 |  
  | 16-18 | +3,0 | 7 |  
  | 20-26 | -1,0 | 8 |  
  | 28-40 |   | 10 |  Таблица 39 Размеры, мм 
 
  | Условное обозначение
  сварного соединения | Конструктивные
  элементы | Способ сварки | s | b | с | К, не более |  
  | подготовленных кромок
  свариваемых деталей | сварного шва | Номин. | Пред. откл. | Номин. | Пред. откл. |  
  | Т2 | 
 | 
 | Р З | 8-10 | 0 | +1 | 2 | ±0,5 | 6 |  
  | 12-18 | 7 |  
  | 20-26 | 8 |  
  | Р Р | 8-10 | 2 | ±2 | ±1,0 | 6 |  
  | 12-18 | 7 |  
  | 20-26 | 8 |    
 
Таблица 40 Размеры, мм 
 
  | Условное обозначение
  сварного соединения | Конструктивные
  элементы | Способ сварки | s | b | с | К | К1 |  
  | подготовленных кромок
  свариваемых деталей | сварного шва | Номин. | Пред. откл. | Номин. | Пред. откл. | не более |  
  | Т3 | 
 | 
 | РР | 8-10 | 2 |   | 2 | ±2 | 6 | 5 |  
  | 12-14 | +2,0 | 7 | 6 |  
  | 16-18 | -1,0 | 7 |  
  | 20-26 | 3 |   | 8 |  
  | АФАФ | 12-14 | 0 | +1,5 | 4 | ±1 | 5 | 6 |  
  | 16-18 | 6 | 7 |  
  | 20-26 | 7 |  Таблица 41 Размеры, мм 
 
  | Условное обозначение
  сварного соединения | Конструктивные
  элементы | Способ сварки | s | s1,
  не менее | b | с (пред. откл. ±1) | К, не более |  
  | подготовленных
  кромок свариваемых деталей | сварного шва | Номин. | Пред. откл. |  
  | Т4 | 
 | 
 | АФ АФ | 16-18 | 16 | 0 | +1,5 | 4 | 5 |  
  | 20-26 | 6 |  
  | 28-36 | 25 | 7 |  
  | 40-50 | 30 |  
  | РР | 12-14 | 12 | 2 | ±1,0 | 2 | 5 |  
  | 16-18 | 6 |  
  | 20-26 | 20 |  
  | 28-30 | 7 |  
  | 32-50 | 30 |  Таблица
42 Размеры, мм 
 
  | Условное обозначение
  сварного соединения | Конструктивные
  элементы | Способ сварки | s | b | с (пред. откл. ±1) | f 
  (пред. откл. ±1) | К1 | К |  
  | подготовленных кромок
  свариваемых деталей | сварного шва | Номин. | Пред. откл. | не более |  
  | Т5 | 
 | 
 | Р Р | 50-60 | 2 | ±1 | 3 | 8 | 11 | 16 |  
  | 70-100 | 10 | 16 | 25 |  
  | АФ АФ | 50-60 | 0 | +2 | 6 | 8 | 11 | 16 |  
  | 70-100 | 10 | 16 | 25 |    
 
5. В таблицах в графе
«Способ сварки» в числителе приведен способ сварки основного слоя металла, в
знаменателе - плакирующего. В случае, когда в числителе
или в знаменателе указано два способа сварки, сварку соответствующего слоя
проводят последовательно - сначала первым, а затем - вторым способом сварки.
Допускается применять не указанные в стандарте способы сварки, обеспечивающие
выполнение сварных швов в соответствии с требованиями настоящего стандарта. 6. Допускается перед сваркой
смещение кромок относительно друг друга на величину до 10 % от толщины листа,
но не более половины толщины плакирующего слоя и не более 3 мм при толщине
плакирующего слоя более 6 мм. 7. Сварка стыковых
соединений деталей неодинаковой толщины при разности, не превышающей значений,
указанных в табл. 43, должна производиться так же, как у деталей одинаковой
толщины; конструктивные элементы подготовленных кромок и размеры сварного шва
следует выбирать по большей толщине. Таблица 43 
 
  | Толщина тонкой детали | Разность толщины
  деталей |  
  | 4-7 | 1 |  
  | 8-20 | 2 |  
  | 22-36 | 3 |  
  | Св. 40 | 4 |  Выравнивание листов должно
производиться по границе основного и плакирующего слоев как указано на черт. 1
или по наружной поверхности плакирующего слоя как указано на черт. 2. 
 Черт. 1 
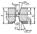
 Черт. 2 При разнице толщины
свариваемых деталей свыше значений, указанных в табл. 43, на детали, имеющей
большую толщину s1, со стороны основного слоя должен быть
сделан скос до толщины тонкой детали s как указано на черт. 3. 
 Черт. 3 8. При сварке в нижнем
положении усиление углового шва не должно превышать:  +1,5 мм - при К <
5 мм;  +2,5 мм - при 5 мм £ К £ 10 мм; +3,5 мм - при К >
10 мм. При сварке в других
пространственных положениях допускается увеличение усиления на 1 мм.  Ослабление углового шва не
более 3 мм. 9. При двухсторонней сварке
без предварительного удаления плакирующего слоя корень первого шва удаляется до
чистого металла, за исключением сварного соединения С1, свариваемого способами
сварки  и  . При этом форма и размеры в подготовленных под сварку кромок
должны соответствовать указанным в табл. 44 или на черт. 7. Таблица 44 мм 
 
  | Конструктивные
  элементы сварного соединения | s | f | h |  
  | 
 | 8-10 | 6-8 | 4-6 |  
  | 11-14 | 7-9 | 5-7 |  
  | 16-20 | 8-10 | 6-8 |  
  | 22-28 | 8-12 | 6-9 |  
  | 30-36 | 7-10 |  
  | 40-60 | 10-15 | 8-12 |  
 Черт. 7 10. В угловых соединениях
У2, У3 и У5 допускается удалять металл основного слоя с торца детали как указано
на черт. 8. 
 Черт. 8 11. Подготовка кромок под
сварку при соединении деталей под острыми и тупыми углами приведена в
рекомендуемом приложении. ПРИЛОЖЕНИЕРекомендуемое
 При соединении
деталей под острыми и тупыми углами угол разделки кромок a принимается в соответствии с табл. 2 - 42, а углы скоса кромок a1, a2 и a3 по черт. 1 - 6. 
 
  | 
 | 
 |  
  | Черт. 1 | Черт. 2 |  
  | 
 | 
 |  
  | Черт. 3 | Черт. 4 |  
  | 
 | 
 |  
  | Черт. 5 | Черт. 6 |    |  |  |