ИНФОСАЙТ.ру
Госты, стандарты, нормативы. В библиотеке 60000 документов. Регулярное обновление. Круглосуточный бесплатный доступ!
БИБЛИОТЕКА ГОСТОВ, СТАНДАРТОВ И НОРМАТИВОВ

:: АЛГОТРЕЙДИНГ ::


АЛГОТРЕЙДИНГ
шаг за шагом


БЕСПЛАТНЫЕ УРОКИ по созданию торговых роботов на PYTHON с нуля, шаг за шагом.


Минимальные знания на PYTHON.
Библиотеки BackTrader и Pandas, сигналы с Pine Script из TradingView.
Связка с брокерами, телеграм.
Создание простых интерфейсов.

 

Все документы, представленные в каталоге, не являются их официальным изданием и предназначены исключительно для ознакомительных целей. Электронные копии этих документов могут распространяться без всяких ограничений. Вы можете размещать информацию с этого сайта на любом другом сайте.


РОССИЙСКОЕ АКЦИОНЕРНОЕ ОБЩЕСТВО ЭНЕРГЕТИКИ
И
ЭЛЕКТРИФИКАЦИИ «ЕЭС РОССИИ»

ДЕПАРТАМЕНТ СТРАТЕГИИ РАЗВИТИЯ И НАУЧНО-ТЕХНИЧЕСКОЙ ПОЛИТИКИ

МЕТОДИЧЕСКИЕ УКАЗАНИЯ.
СОСТАВ И ВЕДЕНИЕ
ЭКСПЛУАТАЦИОННОЙ
ДОКУМЕНТАЦИИ
В
ЦЕХАХ АСУ ТП (ТАИ)
ТЕПЛОВЫХ ЭЛЕКТРОСТАНЦИЙ

РД 153-34.1-35.521-00

Москва 2001

Разработано Открытым акционерным обществом «Фирма по наладке, совершенствованию технологии и эксплуатации электростанций и сетей ОРГРЭС»

Исполнители В.А. СУВОРОВ, Л.В. ЛАБУТИНА, Е.А. ЗВЕРЕВ

Утверждено Департаментом стратегии развития и научно-технической политики РАО «ЕЭС России» 05.06.2000

Первый заместитель начальника А.П. БЕРСЕНЕВ

МЕТОДИЧЕСКИЕ УКАЗАНИЯ.

СОСТАВ И ВЕДЕНИЕ ЭКСПЛУАТАЦИОННОЙ ДОКУМЕНТАЦИИ В ЦЕХАХ АСУ ТП (ТАИ) ТЕПЛОВЫХ ЭЛЕКТРОСТАНЦИЙ

РД 153-34.1-35.521-00

Вводится в действие

с 01.03.2001 г.

Настоящие Методические указания устанавливают требования, которыми следует руководствоваться при определении состава, форм и порядка ведения эксплуатационной документации на рабочих местах цеха АСУ ТП (ТАИ) тепловых электростанций.

Эти требования не распространяются на документацию, ведение которой предписано «Правилами организации работы с персоналом на предприятиях и в учреждениях энергетического производства: РД 34.12.102-94» (М.: СПО ОРГРЭС, 1994), правилами техники безопасности, взрывобезопасности и пожарной безопасности, а также на документацию по метрологическому обеспечению, состав и формы которой должны быть согласованы с органами Госстандарта России.

Состав и порядок ведения эксплуатационных документов установлен в соответствии с требованиями «Правил технической эксплуатации электрических станций и сетей Российской Федерации: РД 34.20-501-95» (М.: СПО ОРГРЭС, 1996), межотраслевых и отраслевых руководящих документов, распространяющихся на персонал цехов АСУ ТП (ТАИ), и с учетом опыта организации эксплуатации передовых электростанций.

Перечень эксплуатационных документов цеха АСУ ТП (ТАИ) приведен в приложении 1; образцы форм эксплуатационных документов - в приложении 2; порядок внесения изменений, пересмотра эксплуатационных документов - в приложении 3; порядок оформления технического обслуживания и капитального ремонта СУ ТП - в приложении 4; ведение эксплуатационной документации с использованием АСУ П в цехе АСУ ТП (ТАИ) - в приложении 5; пояснение применяемых терминов - в приложении 6; перечень нормативных документов, на которые имеются ссылки в настоящих Методических указаниях - в приложении 7.

С выходом настоящих Методических указаний отменяются «Методические указания. Состав и ведение эксплуатационной документации в цехах АСУ ТП (ТАИ) тепловых электростанций» (М: СПО ОРГРЭС, 1994).

1. ПЕРЕЧЕНЬ ЭКСПЛУАТАЦИОННЫХ ДОКУМЕНТОВ

1.1. В цехе АСУ ТП (ТАИ) должна вестись следующая эксплуатационная документация:

1.1.1. Оперативная:

оперативный журнал;

журнал или картотека дефектов и неполадок оборудования;

журнал технологических защит и автоматики и журнал технических средств АСУ;

журнал распоряжений;

журнал учета работы по нарядам и распоряжениям (требования к документации по технике безопасности далее не приводятся);

карта уставок технологических защит (ТЗ) и сигнализации и карта заданий авторегуляторам.

1.1.2. Техническая:

карта уставок функциональных групп;

протоколы проверки комплектов защиты при осевом смещении ротора турбины, питательного насоса, относительном тепловом расширении роторов турбины;

этикетки регулирующих, функциональных приборов, датчиков автоматики, датчиков прямого действия, реле времени, токовых реле, автоматов питания;

протоколы испытаний автоматических регуляторов питания барабанных котлов;

инструкция по эксплуатации (по обслуживанию) АСУ ТП (ТАИ);

схемы и технические описания АСУ ТП (ТАИ);

документы, разрешающие изменения проектных решений.

1.1.3. Организационная:

положение о цехе;

должностные инструкции;

журнал распоряжений ремонтному и общецеховому персоналу;

график опробования технологических защит;

графики капитальных ремонтов;

годовые и месячные планы работ по техническому обслуживанию и ремонту;

графики, схемы и тематика маршрутов обхода оборудования;

график работы дежурного персонала;

перечень эксплуатационных документов.

В приложении 1 приведен перечень эксплуатационной документации, которую должен вести персонал цеха АСУ ТП (ТАИ), с указанием местонахождения документов, лиц, ответственных за их ведение, сроков пересмотра и хранения документов.

В зависимости от местных условий объем указанной документации может быть изменен по решению технического руководителя электростанции или АО-энерго.

1.2. В своей деятельности персонал цеха использует также эксплуатационные документы, разрабатываемые при проектировании АСУ ТП и ее частей, эксплуатационные программные документы из состава рабочего проекта и эксплуатационные документы, поставляемые заводами-изготовителями технических средств.

Комплектность этого вида эксплуатационных документов, порядок учета, хранения и внесения изменений в них устанавливаются государственными стандартами и другими межотраслевыми нормативными документами.

При внедрении в цехе АСУ ТП (ТАИ) автоматизированной системы управления производственной деятельностью (АСУ П) значительная часть технической и организационной документации переводится на электронные копии, тем самым сокращается хождение документов на твердом носителе и облегчаются разработка, использование и хранение банков данных, перечней, графиков, отчетов и т.д.

2. ВЕДЕНИЕ ОПЕРАТИВНОЙ ДОКУМЕНТАЦИИ

2.1. Оперативный журнал

Предназначен для регистрации в хронологическом порядке:

включений и отключений устройств АСУ ТП (ТАИ) с указанием причины;

результатов плановых проверок устройств АСУ ТП (ТАИ), порученных дежурному персоналу;

отметок о выполненных дежурным персоналом корректировках настройки регуляторов, об изменении уставок защит и сигнализации, функциональных групп, об имитации шагов программы функциональных групп, о корректировках нормативно-справочной информации ИВС с указанием причин или со ссылкой на распоряжение;

случаев действия ТЗ с отметками «Правильно», «Ложно» и указанием срабатывания указательных реле;

случаев снятия пломб с аппаратуры защит, находящейся в эксплуатации;

случаев неправильной работы устройств АСУ ТП (ТАИ), приведшей к останову технологического оборудования или нарушению режима;

случаев отказа в работе ТЗ и исполнительных механизмов;

полученных оперативных распоряжений с отметкой об их исполнении;

сообщений о недостатках организации рабочего места оперативного персонала (отсутствии инструмента, документации и т.д.);

информации о первичном и ежедневном допуске по нарядам, о закрытии нарядов (указываются только номера нарядов).

В журнале оформляется приемка и сдача смены дежурным персоналом. Дежурные, принимающие смену, знакомятся с записями, внесенными в журнал со времени окончания их предыдущего дежурства.

Форма оперативного журнала и пример его заполнения приведены в приложении 2 (форма № 1). Страницы журнала выполняются по формату 11 ГОСТ 2.301-68 (размером 297´210 мм).

В графе 1 проставляется дата (число, месяц, год) и время (часы и минуты) производства операции. При этом дата указывается только в начале каждой смены, а в остальных случаях проставляется время производства операций.

В графе 2 в начале смены указывается литер или номер смены, часы начала и конца дежурства, приводится состав дежурного персонала, состав основного оборудования, укрупненные сведения о состоянии (введено, выведено) средств АСУ ТП (ТАИ). Можно не перечислять работающее оборудование, а указывать только оборудование, находящееся в ремонте и резерве. Далее следуют записи в хронологическом порядке.

Записи следует начинать с указания сокращенного названия номера агрегата, на котором произведена операция, например, Бл. 1, Т. 3, К. 2 (блок № 1, турбина № 3, котел № 2).

При фиксации отключений устройств АСУ ТП (ТАИ) не следует дублировать записи журнала дефектов: в необходимых случаях после записи об отключении устройств делается ссылка на журнал дефектов (ж. д.), а если дефект не устранен дежурным персоналом, то дополнительно кратко указывается сущность дефекта и описание принятых мер.

В конце дежурства в графе 2 оформляется сдача смены.

В графе 3 начальник цеха (заместитель) расписывается об ознакомлении с записями, при необходимости делает замечания дежурному персоналу и дает указания ремонтному персоналу по устранению отмеченных в журнале недостатков в работе АСУ ТП (ТАИ), записывает оперативные распоряжения, имеющие срок действия не более 1 сут.

Количество оперативных журналов устанавливается на электростанции в зависимости от состава оборудования и принятой схемы оперативного обслуживания - один журнал на всю электростанцию (очередь) или журнал на каждый оперативный участок. Отдельный оперативный журнал может также быть при внедрении АСУ ТП на основном или вспомогательном энергетическом оборудовании электростанции.

Оперативный журнал ведется начальником смены или старшим дежурным оперативного участка. При наличии на электростанции нескольких оперативных участков начальник смены, как правило, ведет журнал на одном из них и осуществляет контроль за ведением журналов на остальных участках.

Оперативный журнал используется при анализе работы АСУ ТП (ТАИ), составлении отчетов о работе АСУ ТП (ТАИ), а также контроле за деятельностью дежурного персонала.

После заполнения всех страниц использованный журнал сдается в архив, где хранится в течение трех лет.

2.2. Журнал дефектов и неполадок оборудования

Служит для записи замеченных в течение смены дефектов и неполадок в работе устройств АСУ ТП (ТАИ) с указанием принятых мер по устранению дефектов. Форма журнала и пример его заполнения приведены в приложении 2 (форма № 2). Страницы журнала выполняются по формату 11.

Рекомендуется заносить в этот журнал все дефекты и неполадки, в том числе мелкие, как, например, ослабление или подгорание контактов, заедание в механической части и т.д. При этом дефекты и неполадки, устраненные дежурным персоналом, также фиксируются в данном журнале, а в оперативном журнале делается краткая запись об отключении устройства со ссылкой на журнал дефектов (ж. д.) без описания сущности дефекта и принятых мер.

Графы 1 и 2 заполняются дежурным персоналом цеха АСУ ТП (ТАИ), обнаружившим отказ или узнавшим о нем со слов дежурного персонала технологического цеха. Кроме того, записи могут быть произведены персоналом ремонтных участков, если им обнаружен скрытый отказ в процессе технического обслуживания или ремонта, а также дежурным персоналом технологического цеха.

В графе 1 отмечается дата и время записи. Вместо времени записи можно указывать литер (номер) смены.

Записи в графе 2 следует начинать с сокращенного названия и номера агрегата. Должно быть четко указано отказавшее устройство: наименование и позиция по схеме или наименование, место установки и тип устройства.

Указывается сущность дефекта или внешний признак отказа с описанием всех факторов, по которым был установлен данный отказ. Например: «сломан держатель ползунка реохорда», «регулятор не реагирует на изменение параметра», «лентопротяжный механизм прибора не тянет ленту» и т.д. В этой же графе подписывается работник, который произвел записи в графах 1 и 2.

В графе 3 начальник цеха, его заместитель или старший мастер расписываются об ознакомлении с записями и при необходимости делают замечания (распоряжения), связанные с отказом устройств.

В графе 4 мастер соответствующего участка расписывается об ознакомлении с записью в целях своевременной выдачи заданий ремонтному персоналу группы на устранение дефекта.

В графе 5 при необходимости уточняется причина отказа, указывается характер и объем ремонта (корректировка, устранение заедания, замена неисправной аппаратуры и т.д.). В этой же графе кратко отмечается количество израсходованной аппаратуры оперативного резерва при устранении дефектов.

Записи в графе 5 производятся дежурным, устранившим дефект, или мастером ремонтного участка.

В случае невозможности устранения дефекта на работающем оборудовании должно быть указано, когда планируется устранить дефект, например: «в останов блока», «в капитальный ремонт блока».

При необходимости отключения устройства на длительное время из-за дефекта мастер должен сделать также соответствующую запись в журнале технологических защит и автоматики (технических средств АСУ ТП).

В зависимости от местных условий форма и название журнала дефектов могут быть изменены (например, «Журнал отказов ТАИ», «Журнал отказов ВК АСУ ТП») с сохранением содержания записей и порядка ведения журнала.

Количество и местонахождение журналов дефектов рекомендуется устанавливать такими же, как для оперативных журналов.

Журнал дефектов используется для организации работ по устранению дефектов и неполадок устройств АСУ ТП (ТАИ), для контроля и оценки деятельности дежурного и ремонтного персонала, для анализа работы АСУ ТП (ТАИ), а также может быть использован при сборе информации о надежности аппаратуры.

После заполнения всех страниц журнал сдается в архив, где хранится в течение трех лет.

2.3. Журнал технологических защит и автоматики

Служит для записи информации и распоряжений по проделанным работам, по установке приборов, об изменениях схем, уставок, по включению в эксплуатацию устройств АСУ ТП (ТАИ) после ремонта и монтажа, о выводе устройств из работы на длительное время из-за дефектов.

Форма журнала и образец его заполнения приведены в приложении 2 (форма № 3). Страницы журнала выполняются по формату 11.

В графе 1 проставляется дата записи.

В графе 2 проставляется порядковый номер распоряжения, после чего излагается его содержание. Записи производит инженерно-технический персонал от начальника цеха АСУ ТП (ТАИ) до мастера. Под распоряжением проставляется должность, подпись и фамилия лица, отдавшего распоряжение.

В графе 3 об ознакомлении с распоряжением расписывается весь дежурный персонал оперативного участка цеха.

Дежурный персонал цеха, принимающий смену, знакомится с записями, внесенными в журнал со времени окончания его предыдущего дежурства.

При необходимости аннулировать утратившее силу распоряжение делается запись об его отмене, а старый текст в графе 2 перечеркивается и ставится дата и подпись лица, отменившего распоряжение.

При замене использованного журнала новым в последний должны быть перенесены распоряжения, не утратившие силу. Распоряжения, действующие постоянно, должны быть включены в соответствующие инструкции по эксплуатации при их очередном пересмотре, в структурные и электрические принципиально-монтажные схемы и т.д.

Местонахождение журнала то же, что и оперативных журналов.

Срок хранения журнала после использования - один год.

2.4. Журнал административных распоряжений

Предназначен для записи начальником цеха или его заместителями административных и технических распоряжений, с которыми должен быть ознакомлен дежурный персонал всех оперативных участков или лица из числа дежурного персонала, ознакомление которых предписано данным распоряжением:

о переводе персонала с одного вида работ на другой;

об изменении графика дежурства, об отгулах;

об улучшении организации работ, о замечаниях по работе дежурного персонала, о поощрениях и взысканиях;

о необходимости проработки руководящих указаний;

о выдаче инструмента, инструкций, схем и о передаче их по смене;

о внесении изменений в инструкции, схемы.

Форма журнала и пример его заполнения приведены в приложении 2 (форма № 4). Журнал по форме аналогичен журналу технологических защит и автоматики, но отличается содержанием записей в графе 2. Под каждым распоряжением в графе 2 ставит подпись начальник цеха или его заместитель.

Журнал административных распоряжений находится на рабочем месте начальника смены цеха.

Срок хранения использованного журнала - один год.

Примечание. Страницы оперативного журнала, журнала дефектов, журнала технологических защит и автоматики и журнал административных распоряжений должны быть пронумерованы, прошнурованы и скреплены печатью. Записи в журналах должны производиться чернилами, быть четкими и разборчивыми,

2.5. Дополнительные журналы

В зависимости от местных условий по распоряжению руководства электростанции или цеха дежурному персоналу может быть поручено ведение дополнительных журналов (ведомостей) на определенный период или постоянно, например:

журнал использования и пополнения запасных частей (для записи заявок дежурного персонала на замену неисправных запасных частей и фиксации поступления исправных запасных частей);

журнал контроля ремонта электроприводов (для записи готовности к пуску механической и электрической части задвижек и других исполнительных механизмов, для отметок об устранении замечаний, выявленных при опробовании, и о принятии работ дежурным персоналом цеха АСУ ТП (ТАИ) и КТЦ);

журнал изменений программного обеспечения подсистем ИВС (ИУВС);

журнал ввода-вывода из работы технических средств ПТК АСУ ТП.

В распоряжении о вводе журнала должно быть пояснено назначение журнала и оговорен порядок его ведения, в том числе в случае необходимости приведены указания о включении в перечень эксплуатационных документов по рабочему месту и о хранении после использования.

3. ВЕДЕНИЕ ТЕХНИЧЕСКОЙ ДОКУМЕНТАЦИИ

3.1. В отличие от других видов документации большинство технических документов передается проектными, наладочными и ремонтными организациями до ввода оборудования в эксплуатацию.

Основная часть этих документов, отражающая технические характеристики АСУ ТП (ТАИ) и основного оборудования (схемы и технические описания, инструкции и руководства, алгоритмы и программы, перечни сигналов, нормативно-справочная информация, карты настроек и уставок), необходима для организации технического обслуживания и ремонта АСУ ТП (ТАИ).

Некоторые из передаваемых материалов (акты сдачи-приемки, протоколы проверки изоляции кабелей, протоколы проверки аппаратуры и т.д.) служат лишь свидетельством об объеме и качестве выполнения монтажных и наладочных работ и в дальнейшем при эксплуатации оборудования не используются.

Состав документации, передаваемой подрядными организациями, регламентируется специальными нормативными документами - отраслевыми и государственными стандартами, инструкциями и положениями (РД 34.35.412-88, РД 34.35.414-91 и др.).

Необходимость хранения и порядок использования документов, передаваемых подрядными организациями, устанавливаются руководством цеха исходя из местных условий.

Основные виды технической документации следующие:

3.1.1. Карта уставок технологических защит и аварийной сигнализации и карта уставок функциональных групп.

Формы и образцы заполнения карт уставок приведены в приложении 2 (формы № 5 и 6).

В зависимости от местных условий карты уставок могут вестись для каждого энергоблока или на группу энергоблоков, быть дополненными сведениями, учитывающими особенности АСУ ТП (ТАИ) и разнотипность оборудования. В примечании к карте уставок технологических защит и аварийной сигнализации или в отдельных графах таблицы могут быть указаны сведения, используемые при опробовании защит дежурным персоналом: уставки, условия ввода-вывода защит, тип и место установки датчиков, прибора, номера контактов прибора и т.п.

Значения уставок определяются по данным заводов-изготовителей основного оборудования либо на основании испытаний.

Уставки утверждаются техническим руководителем электростанции. Периодичность пересмотра - не реже одного раза в три года.

Все текущие изменения должны вноситься в карты уставок оперативно со ссылкой на техническое решение, утвержденное техническим руководителем электростанции.

Карта (журнал) уставок должна находиться у дежурного персонала и в группах, обслуживающих устройства, задействованные в схемах защиты, сигнализации, функционально-группового управления.

3.1.2. Карты заданий авторегуляторам. В них указываются параметры настройки регуляторов, необходимые для контроля правильности их установки и для восстановления настройки приборов после ремонта или замены вышедшей из строя аппаратуры.

В эти карты вносятся данные о положении ручек настроечных потенциометров и переключателей, значения переменных, установленных при наладке авторегуляторов, дата и подпись лица, производившего настройку.

Карта выполняется на плотной бумаге, хранится в корпусе каждого находящегося в эксплуатации регулирующего и функционального прибора, имеющего органы настройки.

В тех случаях, когда в аппаратуре не предусмотрено место для установки карт заданий, их можно размещать в общем кармане внутри шкафа, на панели либо вести в форме журнала или картотеки, находящихся на рабочем месте дежурного персонала.

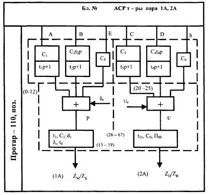
Образцы карт заданий авторегуляторам РП4-У и ПРОТАР-110 приведены в приложении 2 (форма № 7).

Для микропроцессорных приборов карты заданий можно выполнять в виде перечней используемых переменных, в которых указываются значения переменных, установленные при наладке прибора. Если контроль и восстановление настроек микропроцессорных приборов входят в обязанности дежурного персонала, то к карте настроек должны также прилагаться программа функционирования прибора и структурная схема (формы № 8 и 9 приложения 2).

В общем случае при использовании программируемых средств в схемах автоматического регулирования комплект документов, необходимый для восстановления настроек регуляторов, рекомендуется разместить вблизи пульта, с которого производится установка настроек.

3.1.3. Протоколы проверки комплектов защиты при осевом смещении ротора турбины, питательного насоса, относительном тепловом расширении роторов турбины.

Ведутся по форме, рекомендованной в приложении к РД 34.35.503-90.

Хранятся в эксплуатационно-ремонтной группе в отдельных папках для этого вида документов.

3.1.4. Этикетки регулирующих, функциональных приборов, датчиков автоматики, датчиков прямого действия, реле времени токовых реле, автоматов питания.

В этикетке (см. приложение 2, форма № 10) фиксируется факт проверки, и при необходимости указываются уставки и показатели, требующиеся для расчета параметров настройки.

Этикетка прикрепляется (приклеивается) к несъемным частям или к корпусу прибора, прошедшего проверку.

Помимо даты проверки и подписи лица, производившего проверку, в этикетке рекомендуется дополнительно указать:

для датчиков прямого действия - уставки срабатывания и возврата;

для реле времени - уставки по времени;

для токовых реле - уставки срабатывания по току;

для автоматов питания - уставки теплового расцепителя по шкале силы тока и мощности защищаемого двигателя.

В зависимости от местных требований вместо этикетки могут применяться протоколы (журналы) проверки отдельных видов аппаратуры. В протоколе указывается тип аппаратуры, обозначение по схеме, дата проверки, подпись проверяющего и при необходимости показатели, требующиеся при эксплуатации устройств.

В случае использования общих датчиков (с унифицированным сигналом) в системах измерения и авторегулирования документация на них оформляется в соответствии с требованиями метрологической службы предприятия.

3.1.5. Протоколы испытаний автоматических регуляторов питания барабанных котлов.

Составляются в соответствии с требованиями «Сборника распорядительных документов по эксплуатации энергосистем» (Теплотехническая часть) (приложение к разделу 4.1 «Испытания автоматических регуляторов питания котла с естественной циркуляцией») (М: СПО ОРГРЭС, 1998).

3.1.6. Программа опробования технологических защит теплоэнергетического оборудования блочных установок.

Составлена в соответствии с РД 34.35.135-96.

3.1.7. Инструкция по эксплуатации (по обслуживанию) технических средств АСУ ТП (ТАИ).

Должна быть составлена для дежурного персонала цеха на основе типовой инструкции (для ТАИ - по ТИ-34-70-027-84, для АСУ ТП - по действующей Типовой инструкции по эксплуатации АСУ ТП с учетом требований ПТЭ и других руководящих документов, инструкций заводов-изготовителей технических средств АСУ ТП (ТАИ), проектных эксплуатационных документов с учетом конкретных схем АСУ ТП (ТАИ) и принятой на электростанции структуры технического обслуживания).

В инструкции должны быть изложены объем и последовательность действий дежурного персонала по обслуживанию АСУ ТП (ТАИ), должны быть приведены указания о действиях по включению и отключению устройств АСУ ТП (ТАИ) (в том числе при пусках и остановах оборудования, после ремонтов), о действиях в аварийных ситуациях, при устранении отказов АСУ ТП (ТАИ), указания по эксплуатационным проверкам и опробованию защит, сигнализации и устройств функционально-группового управления (ФГУ), указания о мерах безопасности.

Объем и порядок эксплуатационных проверок и опробования защит и сигнализации, проверок работоспособности ФГУ, могут быть разработаны в виде отдельных инструкций или программ, в том числе для подсистем, входящих в ИУВС.

Инструкция должна быть составлена для каждого оперативного участка цеха.

При этом в зависимости от состава технических средств и структуры технического обслуживания может быть разработана одна инструкция на АСУ ТП (ТАИ) всех объектов управления оперативного участка либо отдельно для дежурного персонала, обслуживающего разнотипные средства управления (например, традиционные средства и ИУВС). Могут быть разработаны отдельные инструкции для систем контроля и управления общестанционного оборудования, ХВО, топливоподачи и т.п.

При вводе в эксплуатацию новых устройств дополнительные указания дежурному персоналу вносятся в журнал технологических защит и автоматики (технических средств АСУ ТП). Эти указания или временные инструкции по эксплуатации отдельных устройств должны включаться в состав общих инструкций при пересмотре последних.

Инструкции утверждаются техническим руководителем электростанции, периодичность пересмотра - не реже одного раза в три года.

Инструкции по обслуживаемому оборудованию должны находиться на рабочих местах дежурного персонала, полный комплект инструкций - у руководства цеха.

Кроме инструкций по эксплуатации для дежурного персонала в цехе должны иметься инструкции и руководства по эксплуатации технических и программных средств АСУ ТП, поставляемые заводами-изготовителями комплектно с изделиями, инструкции, руководства и другие эксплуатационные документы, поставляемые в составе проектной документации на АСУ ТП. Полные комплекты этих документов по обслуживаемым участкам должны находиться в эксплуатационно-ремонтных группах; комплект в объеме, определенном руководством цеха, - на рабочем месте дежурного персонала.

3.1.8. Схемы и технические описания подсистем АСУ ТП (ТАИ):

технические описания подсистем АСУ ТП (ТАИ) - на рабочем месте дежурного персонала и в эксплуатационно-ремонтных группах;

структурные схемы или принципиальные, функциональные, блок-схемы подсистем АСУ ТП (ТАИ) - могут быть выполнены в виде плакатов, альбомов либо включаться в технические описания;

принципиальные электрические или принципиально-монтажные (полные или развернутые) схемы защит, сигнализации, автоматического, логического и дистанционного управления, ИВС, сложных установок теплотехнического контроля - на рабочем месте дежурного персонала и в эксплуатационно-ремонтных группах;

электрические схемы разводки питания к установкам АСУ ТП (ТАИ) - на рабочем месте дежурного персонала.

Материалы проекта АСУ ТП (схемы, перечни сигналов и данных и др.), используемые эксплуатационным персоналом при корректировке информационной базы ИВС (ИУВС), при имитации шагов функциональных групп в процессе пуска оборудования и т.п., должны храниться вблизи автоматизированного рабочего места (АРМ) инженера АСУ ТП, с которого вносятся изменения.

Все экземпляры использующихся в цехе схем должны быть откорректированы после наладки и соответствовать выполненному монтажу. Должно быть обеспечено оперативное внесение изменений в схемы.

Изменения в схемах должны доводиться до сведения всех работников, для которых обязательно знание этих схем с записью в журнале распоряжений.

Необходимо обеспечить также регулярный пересмотр схем и технических описаний в целях проверки их состояния и соответствия выполненному монтажу. Периодичность пересмотра схем - не реже одного раза в два года, технических описаний - не реже одного раза в три года. Схемы включенные в техническое описание, пересматриваются в составе общего документа не реже одного раза в три года.

Рекомендации по порядку внесения изменений в эксплуатационные документы различного вида и по их пересмотру приведены в приложении 3.

3.1.9. Документы, разрешающие изменения проектных решений.

Технические решения на изменение принципиальных схем АСУ ТП (ТАИ), уставок защит и сигнализации, технологических алгоритмов функциональных групп, состава (перечня) входных аналоговых и дискретных сигналов, используемых ИВС (ИУВС), должны быть утверждены техническим руководителем электростанции.

Технические решения на изменение принципиальных схем защит и блокировок, а также решения об отказе от внедрения предусмотренных проектом регуляторов, устройств логического управления, функций ИВС должны быть согласованы с проектной организацией и АО-энерго. В случае изменения электростанцией решений завода-изготовителя технологического оборудования по построению схем защит техническое решение на изменение должно быть также согласовано с соответствующим заводом-изготовителем оборудования.

В техническом решении должны быть приведены основание (причина) изменения, техническая суть нового решения и организационные мероприятия по его внедрению. К техническому решению должна быть приложена новая схема (алгоритм, перечень сигналов) или задание проектной организации на доработку проекта. Изменение программы для создания нового технологического алгоритма ИВС (ИУВС) производится, как правило, предприятием-разработчиком программного технического комплекса (ПТК).

Хранятся технические решения у руководства цеха.

4. ВЕДЕНИЕ ОРГАНИЗАЦИОННОЙ ДОКУМЕНТАЦИИ

4.1. Положение о цехе

Составляется на основе действующего Типового положения о цехе АСУ ТП (ТАИ).

В положении о цехе либо в отдельном документе должны быть оговорены границы обслуживания между цехом АСУ ТП (ТАИ) и другими цехами электростанции.

Периодичность пересмотра - не реже одного раза в три года.

4.2. Должностные инструкции

Должны быть составлены для всего инженерно-технического и дежурного персонала.

Составляются на основе действующих типовых должностных инструкций для персонала цеха АСУ ТП (ТАИ).

Для рабочих по группам квалификации и разрядам на основе тарифно-квалификационного справочника с учетом особенностей эксплуатационно-ремонтных групп и разрядов должны быть составлены квалификационные характеристики, включающие в себя сведения о требуемом объеме знаний и примеры выполняемых работ.

Должностные инструкции утверждаются техническим руководителем электростанции, квалификационные характеристики - начальником цеха. Периодичность пересмотра - не реже одного раза в три года.

4.3. Журнал распоряжений ремонтному и общецеховому персоналу

В журнале отмечаются распоряжения об отгулах, о поощрениях, взысканиях, об улучшении организации работ, о проработке руководящих указаний, приказов и инструкций.

Ведется по форме, аналогичной форме № 2 (см. приложение 2), находится у руководства цеха. Об ознакомлении с каждым распоряжением расписываются мастера участков и инженер по эксплуатации, которые доводят соответствующее распоряжение до сведения подчиненного персонала, а также лица, ознакомление которых предписано данным распоряжением. Кроме того, общецеховые распоряжения доводятся до сведения всего персонала через доску объявлений цеха и цеховые собрания.

4.4. График опробования защит

В графике должна быть указана требуемая периодичность опробования, время фактического опробования и при необходимости вид проверки.

Форма графика уточняется по месту в зависимости от состава оборудования и принятых на электростанции методов технического обслуживания. График выполняется на отдельных листах, подшитых в папку, в виде плакатов или общих графиков с разбивкой по энергоблокам либо раздельных по каждому блоку.

Составляется на год, утверждается техническим руководителем электростанции.

Формы графиков приведены в приложении 2 (формы № 11 и 12). Особенностью формы № 12 является то, что в ней не перечисляются все месяцы года, а указана лишь периодичность опробования. После очередной проверки в пустых клетках графика указывается дата опробования.

Вид проверки (останов оборудования защитой, комплексная проверка) может отмечаться соответствующей буквой или закраской части клетки.

Распоряжением по цеху разграничивается ответственность за выполнение графиков между дежурным персоналом и персоналом групп защит. Графики должны находиться на рабочем месте дежурного персонала.

4.5. Графики капитальных ремонтов

Составляются по местным формам с учетом требований действующих отраслевых НД (РДПр 34-38-030-92 и др.), утверждаются техническим руководителем электростанции, находятся в ремонтных группах.

Графики капитальных ремонтов приборов должны быть увязаны по срокам с графиками государственной и ведомственной поверки. Капитальные ремонты АСР, ТЗ и электроприводов задвижек увязываются с графиком ремонта основного оборудования.

Периодичность капитального ремонта технических средств АСУ ТП (ТАИ) устанавливаются отраслевыми документами. Для устройств, на которые эти документы не распространяются, периодичность капитального ремонта устанавливается на основании заводской документации и опыта эксплуатации.

Порядок оформления капитального ремонта технических средств АСУ ТП (ТАИ) приведен в приложении 4.

4.6. Годовые и месячные графики технического обслуживания

Составляются с учетом требований действующих отраслевых нормативов и норм, заводской и местной документации, опыта эксплуатации.

После проведения технического обслуживания на графике производится отметка о выполненных работах с проставлением даты и подписи исполнителя. Эта отметка свидетельствует о выполнении работ в соответствии с типовым либо местным перечнем операций, осуществление которых должно быть обеспечено при проведении технического обслуживания. Тем самым исключается необходимость ведения специальных протоколов, фиксирующих факт проверки кабелей, промежуточных реле и других устройств АСУ ТП (ТАИ).

Порядок оформления технического обслуживания устройств АСУ ТП (ТАИ) приведен в приложении 4.

4.7. Графики, схемы и тематика маршрутов обхода оборудования

В цехе должны быть определены периодичность, схемы и тематика маршрутов обхода дежурным персоналом закрепленного оборудования. Эти вопросы должны быть оговорены либо в инструкции по эксплуатации АСУ ТП, либо в отдельном документе. Периодичность пересмотра - один раз в три года.

4.8. Перечень эксплуатационных документов

По каждому оперативному участку должен быть составлен перечень эксплуатационных документов. В перечне должны быть перечислены:

журналы и другие оперативные документы, которые должен вести дежурный персонал;

технические и организационные документы, необходимые для обеспечения работы дежурного персонала (инструкции, положения, руководства, перечни сигналов и данных, технические описания, схемы или комплекты схем, графики, отраслевые нормативные документы и т.п.).

При составлении этих перечней необходимо учесть помимо требований настоящих Методических указаний требования РД 34.12.102-94 и действующих правил по технике безопасности, взрывобезопасности и пожарной безопасности.

Перечень эксплуатационных документов на рабочих местах дежурного персонала, а также перечень должностных инструкций цеха должны быть утверждены техническим руководителем электростанции. Периодичность пересмотра - один раз в три года.

В цехе должен быть также составлен перечень эксплуатационных документов, которые должен вести персонал ремонтных участков (групп). Этот перечень утверждается руководством цеха и пересматривается по мере необходимости.

5. ВЕДЕНИЕ ОТЧЕТНО-СТАТИСТИЧЕСКОЙ ДОКУМЕНТАЦИИ

Годовая отчетно-статистическая информация об уровне внедрения и работе систем автоматизации тепловых процессов на ТЭС составляется по форме отчетности № 15-энерго в соответствии с действующей инструкцией.

Сбор и обработку отчетно-статистических данных производит инженер по эксплуатации либо другое лицо, на которое возложены эти обязанности.

При проведении научно-исследовательских и других работ по обобщению опыта эксплуатации могут устанавливаться по согласованию с подконтрольными электростанциями на определенный период специальные формы отчетности. В этих случаях формы отчетных документов, порядок сбора и обработки информации разрабатываются организацией, проводящей исследование.

Приложение 1

Рекомендуемое

ПЕРЕЧЕНЬ ЭКСПЛУАТАЦИОННЫХ ДОКУМЕНТОВ ЦЕХА АСУ ТП (ТАИ)

Наименование документа

Местонахождение документа, участок

Лица, ответственные за ведение

Период пересмотра, годы

Срок хранения, годы

СИ

АСР

ТЗ, ТС

СДУ

ФГУ

ИВС (ИУВС)

Оперативный

Руководство цеха

1. ОПЕРАТИВНЫЕ ДОКУМЕНТЫ

1.1. Оперативный журнал

-

-

-

-

-

-

+

-

Начальник смены

-

3

1.2. Журнал или картотека дефектов и неполадок оборудования

-

-

-

-

-

-

+

-

То же

-

3

1.3. Журнал технологических защит и автоматики (журнал технических средств АСУ)

-

-

-

-

-

-

+

-

-"-

-

1

1.4. Журнал распоряжений

-

-

-

-

-

-

+

-

-"-

-

1

1.5. Журнал учета работы по нарядам и распоряжениям

-

-

-

-

-

-

+

-

-"-

-

1

1.6. Карта уставок технологических защит и сигнализаций и карта заданий авторегуляторам

-

-

-

-

-

-

+

-

-"-

-

1

2. ТЕХНИЧЕСКИЕ ДОКУМЕНТЫ

2.1. Карта уставок функциональных групп

-

-

-

-

+

+

+

-

Мастер группы ФГУ

3

-

2.2. Протоколы проверки комплектов защиты при осевом смещении ротора турбины, питательного насоса, относительном тепловом расширении ротора турбины

-

-

+

-

-

-

-

-

Мастер группы ТЗ

-

-

2.3. Этикетки регулирующих и функциональных приборов, датчиков автоматики, датчиков прямого действия, прямого действия, реле времени, токовых реле, автоматов питания

-

-

-

-

-

-

-

-

Мастер группы АСР и ТЗ

-

-

2.4. Протоколы испытаний автоматических регуляторов питания барабанных котлов

-

+

-

-

-

-

-

-

Мастер группы АСР

-

-

2.5. Инструкция по эксплуатации (по обслуживанию) АСУ ТП (ТАИ)

-

-

-

-

-

-

+

-

Руководство цеха

3

-

2.6. Схемы и технические описания АСУ ТП (ТАИ)

+

+

+

+

+

+

+

+

Руководство цеха, инженер по эксплуатации, мастер

2 - 3

-

2.7. Документы, разрешающие изменения проектных решений

-

-

-

-

-

-

-

+

Руководство цеха

-

-

3. ОРГАНИЗАЦИОННЫЕ ДОКУМЕНТЫ

3.1. Положение о цехе

-

-

-

-

-

-

-

+

Руководство цеха

3

-

3.2. Должностные инструкции

+

+

+

+

+

+

+

+

То же

3

-

3.3. Журнал распоряжений ремонтному и общецеховому персоналу

-

-

-

-

-

-

-

+

-"-

-

1

3.4. График опробования технологических защит

-

-

+

-

-

-

+

-

Мастер группы ТЗ

-

-

3.5. Графики технического обслуживания и капитальных ремонтов

+

+

+

+

+

+

-

-

Мастер

-

-

3.6. График работы дежурного персонала

-

-

-

-

-

-

+

+

Руководство цеха

-

-

3.7. Графики, схемы и тематика маршрутов обхода оборудования

-

-

-

-

-

-

+

+

Руководство цеха

3

-

3.8. Перечень эксплуатационных документов

-

-

-

-

-

-

+

+

Мастер

3

-

Примечания: 1. В перечень не включен журнал учета работ по нарядам и распоряжениям и другие документы, которые должны вестись по формам и в соответствии с требованиями действующих правил по технике безопасности, взрывобезопасности, пожарной безопасности и правил работы с персоналом.

2. В перечень не включена документация по метрологическому обеспечению средств измерений, которая должна вестись по формам и в соответствии с требованиями Госстандарта России.

Приложение 2

Рекомендуемое

ОБРАЗЦЫ ФОРМ ЭКСПЛУАТАЦИОННЫХ ДОКУМЕНТОВ

Форма № 1

Оперативный журнал

Дата и время производства операций

Содержание записей

Подписи, замечания и распоряжения руководящего персонала

1

2

3

10.08.01

Смена «А» с 20 до 8 ч

НСС Блинов А.С., НСЦ Уваров Н.И., ДЭС БЩУ Петров И.П., ДЭС ИВК Рыженко А.А.

В работе Бл. 1, 2. ТЗ - в полном объеме

 

2000

Обход по приемке смены. Замечаний нет

 

2120

Бл. 1. Проверена точка d В11ТО13 по заявке НСКТЦ.

Показания в норме

 

2150

Бл. 1. Отключен АР разрежения (ж. д.)

 

2330

Бл. 1. Включен АР разрежения

 

2340

Бл. 2. Отказ монитора 4. Заменен (взят из машзала ИВК)

 

000

Обход оборудования со срезкой учетных диаграмм

 

130

Бл. 1. Выведены в ремонт задвижки RМ16S101, RД22S001 (НСКТЦ)

 

250

Бл. 1. Собрана эл. схема и прокручена совместно с КГЦ задвижка 2РН32S004

 

410

Бл. 1. Остановлен ПТН-1А защитой ¯Р на напоре.

Замечание: не сработала защита ¯Qп.в (НСС, ж. д.)

 

520

Обход по маршруту 2, 3. Замечаний нет

 

700

Рапорт ЗНЦ Никитину В.М.

 

800

Смену сдал: Подпись

Смену принял: Подпись

 

Форма № 2

Журнал дефектов и неполадок оборудования

Дата и время записи

Наименование оборудования, сущность дефекта, подпись производившего запись

Подпись и замечания руководства

Подпись мастера

Отметки об устранении дефектов, произведенные операции, подпись, дата

1

2

3

4

5

06.08.01 «В»

Бл. 1. Обрыв ТС dВ34Т001

Хасанову

 

Обрыв будет устранен в останов блока

Подпись

Подпись

Подпись

Подпись 06.08.01

07.08.01 «В»

Бл. 1. Нет крышки на СК приборов RЕ84F601

Черткову

 

Крышка установлена

Подпись

Подпись

Подпись

Подпись 07.08.01

08.08.01 «А»

Бл. 2. Неисправна термопара SА13Т001 (59,6 мВ)

Хасанову

 

Заменен датчик

Подпись

Подпись

Подпись

Подпись 09.08.01

Форма № 3

Журнал технологических защит и автоматики

Дата

Содержание распоряжений и подписи лиц, отдавших распоряжения

Подпись дежурного персонала

1

2

3

05.09.01

259

Бл. 2. Эл. схему задвижки КМ16S101 не собирать. Неисправен кабель

Мастер: подпись (фамилия)

Подписи

05.09.01

260

Бл. 2. Введение в работу АР топлива и воздуха на мазуте. Запитываются из панелей 73 и 79

Структурная схема

Мастер: подпись (фамилия)

Подписи

06.09.01

261

Бл. 1. Приборы температуры проверены, к пуску блока готовы

Мастер: подпись (фамилия)

Подписи

Форма № 4

Журнал административных распоряжений

Дата

Содержание распоряжений и подписи лиц, отдавших распоряжения

Подписи дежурного персонала

1

2

3

01.08.01

398

ДЭС Николаеву Н.Н. предоставить отгул 02.09.01

Зам. нач. ЦТАИ: подпись (фамилия)

Подписи

04.09.01

399

Начальникам смен проработать с персоналом распоряжение по цеху 8 от 20.08.01 и обеспечить его выполнение.

Зам. нач. ЦТАИ: подписи (фамилия)

Подписи

10.09.01

400

Нач. смены Сидорову С.С. приступить к дублированию сроком на 2 дня по смене «Б» под руководством нач. смены Петрова П.П. с 10.09.01. После окончания дублирования с 12.09.01 приступить к самостоятельной работе по смене «В».

Зам. нач. ЦТАИ: подпись (фамилия)

Подписи

Форма № 5

Карта уставок технологических защит и аварийной сигнализации

Наименование сигнала

Позиция по схеме

Уставки параметра

Примечание

по значению

по времени

1. По котельному оборудованию

 

 

 

 

1.1. Понижение расхода питательной воды к котлу, н. «А», т/ч

RL45F001

RL45F002

265

30 с

 

1.2. Понижение расхода питательной воды к котлу, н. «Б», т/ч

RL46F001

RL46F002

265

30 с

 

1.3. Понижение расхода пара через промежуточный пароперегреватель, н. «А», МПа

NF10P002

NF10P003

0,01

20 с

 

1.4. Понижение расхода пара через промежуточный пароперегреватель, н. «Б», МПа

NF20P002

NF20P003

0,01

20 с

 

Форма № 6

Карта уставок функциональных групп

Наименование

Позиция

Условия

Адрес

Где используется

NJ10 ФГ дутьевого вентилятора А вторичного воздуха

1. Т железа двигателя

NJ10TO26´G11

> 90 °С

1.51.40.73.3

U 800

2. Т железа двигателя

NJ10TO25´G11

> 90 °С

1.51.40.71.3

U 800

3. Т железа двигателя

NJ10TO24´G11

> 90 °С

1.51.40.69.3

U 800

4. Т меди двигателя

NJ10TO23´G11

> 90 °С

1.51.40.67.3

U 800

5. Т меди двигателя

NJ10TO22´G11

> 90 °С

1.51.40.65.3

U 800

6. Т меди двигателя

NJ10T21´G11

> 90 °С

1.51.40.63.3

U 800

7. Т подшипника 4

NJ10T14´G11

>70 °С

1.51.40.59.3

U 800

8. Т подшипника 3

NJ10T13´G11

> 70 °С

1.51.40.57.3

U 800

9. Т подшипника 2

NJ10T12´G11

> 80 °С

1.51.40.53.3

U 800

10. Т подшипника 1

NJ10T11´G11

> 80 °С

1.51.40.53.3

U 800

11. Q масла на подшипники

NW31F001´G61

< мин

1.52.19.3.11

U 800

12. L в демпферном баке

NW10L002´G14

> 840 мм

1.52.24.23.12

U100 (FE), U004

N11D00 (FE)

Форма № 7

7.1. Карта заданий авторегуляторам РП4-У

7.2. Карта заданий авторегуляторам ПРОТАР-110

Форма № 8

Программа функционирования

Бл. _______ АСР температуры пара 1А, 2А

 

00

10

20

30

40

50

60

70

80

90

00

F16

1

F18

F25

F22

П02

F33

 

 

 

01

F40

F27

F19

U0

F26

F41

L2

 

 

 

02

B

С5

F40

F41

П00

П03

F25

 

 

 

03

F27

F25

h

U

F30

F40

П03

 

 

 

04

C2

П16

F27

F40

U

П01

F34

 

 

 

05

F49

F25

C6

П20

F27

F41

П20

 

 

 

06

t2

П17

F25

F41

С0

П02

F15

 

 

 

07

F41

F41

П18

Y0

F41

F12

F00

 

 

 

08

П17

р

F25

F40

П01

F32

 

 

 

 

09

F40

F01

П19

U

F26

L1

 

 

 

 

 

00

10

20

30

40

50

60

70

80

90

ПРОТАР-110

Дата

Поз.

Подпись

Форма № 9

Структурная схема

Форма № 10

Этикетка

Форма № 11

График опробования защит

Наименование защиты

Месяц, блока

Январь

Февраль

Март

Апрель

Май

Июнь

1

2

1

2

1

2

1

2

1

2

1

2

1. При осевом смещении ротора турбины

 

 

 

 

 

 

 

 

 

 

 

 

2. ­ Н в ПВД до II предела

 

 

 

 

 

 

 

 

 

 

 

 

3. ­ Н в барабане котла до II предела

 

 

 

 

 

 

 

 

 

 

 

 

4. Упуск уровня в барабане котла

 

 

 

 

 

 

 

 

 

 

 

 

5. Падение давления газа за регулирующим клапаном

 

 

 

 

 

 

 

 

 

 

 

 

6. ¯ вакуума в конденсаторе турбины

 

 

 

 

 

 

 

 

 

 

 

 

7. ­ Н в барабане котла до I предела

 

 

 

 

 

 

 

 

 

 

 

 

8. ¯ t свежего пара

 

 

 

 

 

 

 

 

 

 

 

 

9. ­ t свежего пара

 

 

 

 

 

 

 

 

 

 

 

 

10. ­ t пара промперегрева

 

 

 

 

 

 

 

 

 

 

 

 

Форма № 12

График опробования защит

Наименование защиты

Период опробования

Блок № 1

Блок № 2

Блок № 3

Блок № 4

Блок № 5

Блок № 6

1. При осевом смещении ротора турбины

1

 

 

 

 

 

 

 

 

 

 

 

 

 

 

 

 

 

 

 

 

 

 

 

 

2. При ­ Н в ПВД до II предела

 

 

 

 

 

 

 

 

 

 

 

 

 

 

 

 

 

 

 

 

 

 

 

 

3. ­ Н в барабане котла до II предела

2

 

 

 

 

 

 

 

 

 

 

 

 

 

 

 

 

 

 

4. Упуск уровня в барабане котла

 

 

 

 

 

 

 

 

 

 

 

 

 

 

 

 

 

 

5. ¯ давления газа за регулирующим клапаном

3

 

 

 

 

 

 

 

 

 

 

 

 

6. ¯ вакуума в конденсаторе турбины

 

 

 

 

 

 

 

 

 

 

 

 

7. ­ Н в барабане котла до I предела

 

 

 

 

 

 

 

 

 

 

 

 

8. ¯ t свежего пара

4

 

 

 

 

 

 

 

 

 

 

 

 

 

 

 

 

 

 

9. ­ t свежего пара

 

 

 

 

 

 

 

 

 

 

 

 

 

 

 

 

 

 

10. ­ t пара промперегрева

 

 

 

 

 

 

 

 

 

 

 

 

 

 

 

 

 

 

Приложение 3

Рекомендуемое

ПОРЯДОК ВНЕСЕНИЯ ИЗМЕНЕНИЙ, ПЕРЕСМОТРА ЭКСПЛУАТАЦИОННЫХ ДОКУМЕНТОВ

1. Эксплуатационные документы выполняются в соответствии с общими требованиями к текстовым конструкторским документам по ГОСТ 2.105-95 и отраслевыми требованиями к данному виду документов (РД 34.04.504, РД 34.35.501 и др.)

2. Внесение изменений в копии эксплуатационных и ремонтных документов, по которым держателем подлинников является сторонняя организация (завод-изготовитель технических средств, разработчик АСУ ТП, проектная организация) осуществляется в соответствии с требованиями ГОСТ 2.603-68, ГОСТ 2.503-90, ГОСТ 19.603-78, ГОСТ 24.401-80 на основании бюллетеней и извещений об изменении. Изменения могут быть также внесены в процессе авторского надзора либо на основании технического решения заказчика. В последнем случае о содержании изменения должен быть извещен держатель подлинника.

3. Основанием для внесения изменений в положение о цехе, должностные и производственные инструкции, карты уставок, схемы и другие эксплуатационные документы, по которым держателем подлинников является электростанция, служат приказ, распоряжение, техническое решение, утвержденные директором или техническим руководителем электростанции.

4. О внесении изменений в эксплуатационные документы, а также о временных отступлениях от их требований необходимо довести до сведения работников, для которых обязательно знание этих документов, с записью в журнал распоряжений.

5. Изменения в текст основного документа вносятся по правилам внесения изменений в конструкторские документы согласно ГОСТ 2.503-90 зачеркиванием, добавлением отдельных слов, фраз и других данных тушью или черными чернилами, заменой или добавлением отдельных листов с отметкой в листе регистрации изменений.

6. Если в результате внесения изменений затруднено использование документа или возможно нарушение четкости изложения (изображения), то документ подлежит переработке.

В случае переработки документа его утверждение и ввод в действие производятся в том же порядке, как для вновь разработанного документа.

7. Периодический пересмотр эксплуатационных документов производится независимо от внесения текущих изменений не реже одного раза в три года. При пересмотре документов проверяется правильность учета в них происшедших изменений в схемах и оборудовании, требований руководящих и распорядительных документов, технических решений.

При пересмотре документа на титульном листе ставится отметка «Пересмотрено» или «Срок действия продлен до ...», дата и подпись технического руководителя.

Пересмотр схем и технических описаний оформляется подписью начальника цеха.

Приложение 4

Рекомендуемое

ПОРЯДОК ОФОРМЛЕНИЯ ТЕХНИЧЕСКОГО ОБСЛУЖИВАНИЯ И КАПИТАЛЬНОГО РЕМОНТА АСУ ТП (ТАИ)

Проведение технического обслуживания и капитального ремонта оформляется следующим образом.

1. Средства измерений

1.1. Техническое обслуживание - отметкой в графике технического обслуживания и капитального ремонта.

1.2. Капитальный ремонт:

ремонт - заполнением документации в соответствии с требованиями Госстандарта России, ведомственной метрологической службы и отметкой в графике технического обслуживания и капитального ремонта;

ввод в эксплуатацию - записью в журнале технологических защит и автоматики.

2. Автоматическое регулирование

2.1. Техническое обслуживание - отметкой в графике технического обслуживания и капитального ремонта.

2.2. Капитальный ремонт:

ремонт регулирующих и функциональных приборов - заполнением и установкой этикетки;

ремонт датчиков - заполнением протоколов;

наладка и ввод в эксплуатацию - заполнением карт заданий регуляторам и записью в журнале технологических защит и автоматики;

испытание регуляторов питания барабанных котлов - оформлением протокола и графика результатов испытаний в соответствии с разд. 4.1 «Сборника распорядительных документов по эксплуатации энергосистем (Теплотехническая часть)».

3. Технологическая защита и сигнализация

3.1. Техническое обслуживание - отметкой в графике опробования (технического обслуживания и капитального ремонта) технологических защит и сигнализации.

3.2. Капитальный ремонт:

ремонт токовых реле, реле времени, автоматов питания, датчиков прямого действия, блоков комплектных устройств защит - заполнением и установкой этикетки или заполнением протокола;

ремонт и наладка комплектов защиты при осевом смещении ротора турбины, питательного насоса, относительном тепловом расширении роторов турбины - заполнением протокола;

комплексное опробование и ввод в эксплуатацию - отметкой в графике опробования защит и записью в журнале технологических защит и автоматики.

4. Дистанционное управление

4.1. Капитальный ремонт:

ремонт токовых реле, реле времени, автоматов питания - заполнением и установкой этикетки или заполнением протокола;

наладка, опробование и ввод в эксплуатацию - записью в журнале технологических защит и автоматики.

5. Информационно-вычислительная система (ИУВС)

5.1. Техническое обслуживание - отметкой в графике технического обслуживания и капитального ремонта ИВС (ИУВС).

5.2. Капитальный ремонт:

ремонт средств, подлежащих метрологической поверке, - заполнением документов в соответствии с требованиями Госстандарта России, ведомственной метрологической службы и отметкой в графике технического обслуживания и капитального ремонта;

ремонт средств, не подлежащих метрологической поверке, - отметкой в графике технического обслуживания и капитального ремонта;

ввод в эксплуатацию - записью в журнале технических средств АСУ ТП (ТАИ).

Приложение 5

Информационное

ВЕДЕНИЕ ЭКСПЛУАТАЦИОННОЙ ДОКУМЕНТАЦИИ С ИСПОЛЬЗОВАНИЕМ АВТОМАТИЗИРОВАННОЙ СИСТЕМЫ УПРАВЛЕНИЯ ПРОИЗВОДСТВЕННОЙ ДЕЯТЕЛЬНОСТЬЮ В ЦЕХЕ АСУ ТП (ТАИ) (НАИМЕНОВАНИЕ ФУНКЦИЙ И ЗАДАЧ АСУ ТП)

При внедрении в цехе АСУ ТП (ТАИ) автоматизированной системы управления производственной деятельностью (АСУ П) значительно сокращаются трудозатраты при ведении эксплуатационной документации (сбор, хранение и обработка информации; учет, хранение, разработка и использование документов и т.д.). Содержание документов в электронном виде позволяет уменьшить объем документации на твердом носителе, сократить время на поиск документов и внесение в них требуемых данных, упростить подготовку отчетов и справок.

При использовании АСУ П в цехе АСУ ТП (ТАИ) с применением автоматизированных рабочих мест (АРМ) для руководства цеха и мастеров решаются следующие эксплуатационные задачи:

1. Организационно-техническая деятельность. Контроль выполнения требований распорядительных документов и НД. Обеспечение технического учета, отчетности и планирования. Подготовка справок и деловых писем.

2. Подбор и расстановка кадров. Ведение штатного расписания и сведений о персонале. Подготовка и оформление отчетных документов по кадровым вопросам.

3. Контроль финансирования и организации работ. Ведение сметно-договорной документации. Денежно-финансовые расчеты. Начисление и учет труда и заработной платы.

4. Организация работ по техническому обслуживанию и ремонту.

Формирование годовых и месячных графиков ремонтов, поверок, калибровок и т.д. Отчетность о соблюдении графиков. Данные о трудозатратах. Учет сведений о находящихся в ремонте технических средствах АСУ ТП (ТАИ). Учет движения оборудования и материалов (места установки, включение в работу и др.). Учет протоколов проверки и наладки технических средств АСУ ТП (ТАИ), актов приемки из ремонта и т.д.

5. Производство работ по техническому обслуживанию и ремонту. Разработка и применение инструкций и других эксплуатационных документов. Выполнение расчетов настройки автоматических систем регулирования, проходных сечений регулирующих клапанов, измерительных диафрагм и т.д.

6. Ведение эксплуатационной документации. Создание банка технической документации (руководств, методических указаний, норм, технических условий, инструкций, чертежей щитов, пультов, их монтажно-коммутационных схем и т.д.), банка нормативно-справочной документации. Ведение архива цеха. Составление и корректировка инструкций, альбомов, схем. Контроль сроков пересмотра документов.

7. Управление охраной труда и техникой безопасности. Учет обучения и проверки знаний ПТЭ, ПТБ, ППБ, инструкций по охране труда. Ведение сдачи экзаменов по ПТЭ, ПТБ, ППБ. Обеспечение работы обучающих и экзаменующих систем для подготовки персонала станции.

8. Обеспечение монтажно-наладочных работ. Учет поступающего на предприятие выдаваемого в монтаж и наладку оборудования. Контроль сроков и качества поузловой приемки оборудования. Контроль качества монтажных и наладочных работ на стадии ввода в эксплуатацию. Учет монтажных недоделок, дефектов монтажа и наладки.

9. Управление материально-техническим снабжением. Ведение базы данных об установленных на основном и вспомогательном оборудовании ТЭС технических средствах АСУ ТП (ТАИ). Формирование заявок на расходуемые запасные части, материалы, инструменты, защитные средства, спецодежду. Учет хранения материальных ценностей.

10. Анализ состояния и применения технических средств и систем АСУ ТП (ТАИ). Контроль, учет и анализ оперативного обслуживания технических средств. Статистика работы оборудования. Анализ режимов работы и отказов оборудования.

Приложение 6

Справочное

ТЕРМИНЫ, ИСПОЛЬЗУЕМЫЕ В РД 153-34.1-35.521-00

Термин

Определение

1

2

1. Автоматизированная система управления технологическими процессами (АСУ ТП)

Система управления технологическими процессами, в которой сбор и обработка необходимой информации осуществляются с применением средств вычислительной техники

2. Оперативная документация

Эксплуатационные документы, в которых дежурный персонал должен производить записи во время дежурства

3. Оперативный участок

Рабочее место дежурного персонала с закрепленной зоной обслуживания, на котором ведется самостоятельная оперативная документация (оперативный журнал, журнал дефектов и т.д.). Оперативный участок возглавляется старшим дежурным

4. Организационная документация (эксплуатационная)

Эксплуатационные документы, в которых изложены требования к персоналу и указания по организации работ

5. Отчетно-статистическая документация

Документы, содержащие упорядоченную выборку сведений из первичных документов (например, оперативных) или упорядоченную выборку экспертных оценок, результаты обработки этих сведений с целью анализа функционирования (состояния) АСУ ТП, для подготовки отчетов, обзоров и т.д.

6. Техническая документация (эксплуатационная)

Эксплуатационные документы, в которых изложены технические характеристики АСУ ТП и объекта управления

7. Эксплуатационная документация (документы по эксплуатации АСУ ТП)

Оформленные в установленном порядке документы (оперативные, организационные, технические), в которых изложены сведения, необходимые для обеспечения функционирования и эксплуатации АСУ ТП. В том числе: эксплуатационные документы, разрабатываемые при проектировании системы по ГОСТ 34.201-89; эксплуатационные программные документы по ГОСТ 19.101-77; эксплуатационные документы на изделие по ГОСТ 2.601-95; эксплуатационные документы в соответствии с отраслевыми и местными требованиями

8. Техническое обслуживание

Комплекс операций или операция по поддержанию работоспособности или исправности объекта при использовании по назначению, ожидании, хранении и транспортировании (ГОСТ 18322-78)

9. Ремонт

Комплекс операций по восстановлению исправности или работоспособности объектов и восстановлению ресурсов объектов или их составных частей (ГОСТ 18322-78)

10. Эксплуатация

Стадия жизненного цикла изделия, на которой реализуется, поддерживается и восстанавливается его качество.

Примечание. Эксплуатация изделия включает в себя в общем случае использование по назначению, транспортирование, хранение, техническое обслуживание и ремонт (ГОСТ 25866-89)

11. Плановый ремонт

Ремонт, постановка на который осуществляется в соответствии с требованиями нормативно-технической документации (ГОСТ 18322-78)

12. Капитальный ремонт

Ремонт, выполняемый для восстановления исправности и полного или близкого к полному восстановлению ресурса изделия с заменой или восстановлением любых его частей, включая базовые.

Примечание. Значение близкого к полному ресурсу устанавливается в нормативно-технической документации (ГОСТ 18322-78)

Приложение 7

Справочное

НОРМАТИВНЫЕ ДОКУМЕНТЫ

ГОСТ 2.105-95. ЕСКД. Общие требования к текстовым документам.

ГОСТ 2.301-68. ЕСКД. Форматы.

ГОСТ 2.503-90. ЕСКД. Правила внесения изменений.

ГОСТ 2.601-95. ЕСКД. Эксплуатационные документы.

ГОСТ 2.603-68. ЕСКД. Внесение изменений в эксплуатационную и ремонтную документацию.

ГОСТ 18322-78. Система технического обслуживания и ремонта техники. Термины и определения. Изменение № 1 от 07.86 г. и Изменение № 2 от 04.89 г.

ГОСТ 19.101-77. ЕСПД. Виды программ и программных документов.

ГОСТ 19.603-78. ЕСПД. Общие правила внесения изменений.

ГОСТ 24.401-80. Система технической документации на АСУ. Внесение изменений.

ГОСТ 25866-83. Эксплуатация техники. Термины и определения.

ГОСТ 34.201-89. Информационная технология. Комплекс стандартов на автоматизированные системы. Виды, комплектность и обозначение документов при создании автоматизированных систем.

РД 34.20.501-95. Правила технической эксплуатации электрических станций и сетей Российской Федерации. - М.: СПО ОРГРЭС, 1996.

РДПр 34-38-030-92. Правила организации технического обслуживания и ремонта оборудования, зданий и сооружений электростанций и сетей.

РДПр 34-38-031-84. Правила организации технического обслуживания и ремонта средств тепловой автоматики и измерений.

РД 34.04.504. Типовое положение о цехе тепловой автоматики и измерений: ТП 34-70-010-86. - М.: СПО Союзтехэнерго, 1987.

РД 34.12.102-94. Правила организации работы с персоналом на предприятиях и в учреждениях энергетического производства. - М.: СПО ОРГРЭС, 1994.

РД 34.35.135-96. Методические указания по составлению программы опробования технологических защит теплоэнергетического оборудования блочных установок. - М.: СПО ОРГРЭС, 1998.

РД 34.35.412-88. Правила приемки в эксплуатацию из монтажа и наладки систем управления технологическими процессами тепловых электрических станций. - М.: СПО Союзтехэнерго, 1988.

Изменение к РД 34.35.412-88. - М.: СПО Союзтехэнерго, 1990.

РД 34.35.414-91. Правила организации пусконаладочных работ по АСУ ТП на тепловых электростанциях. - М.: СПО ОРГРЭС, 1991.

РД 34.35.501. Типовая инструкция по эксплуатации средств ТАИ тепловых электростанций: ТИ 34.70-027-84. - М.: СПО Союзтехэнерго, 1984.

РД 34.35.503-90. Методические указания по наладке технологических защит теплоэнергетического оборудования ТЭС. - М.: СПО ОРГРЭС, 1991.

Сборник распорядительных документов по эксплуатации энергосистем (Теплотехническая часть). - М.: СПО ОРГРЭС, 1998.

СОДЕРЖАНИЕ

1. Перечень эксплуатационных документов. 2

2. Ведение оперативной документации. 3

2.1. Оперативный журнал. 3

2.2. Журнал дефектов и неполадок оборудования. 4

2.3. Журнал технологических защит и автоматики. 5

2.4. Журнал административных распоряжений. 6

2.5. Дополнительные журналы.. 6

3. Ведение технической документации. 6

4. Ведение организационной документации. 10

4.1. Положение о цехе. 10

4.2. Должностные инструкции. 10

4.3. Журнал распоряжений ремонтному и общецеховому персоналу. 10

4.4. График опробования защит. 11

4.5. Графики капитальных ремонтов. 11

4.6. Годовые и месячные графики технического обслуживания. 11

4.7. Графики, схемы и тематика маршрутов обхода оборудования. 12

4.8. Перечень эксплуатационных документов. 12

5. Ведение отчетно-статистической документации. 12

Приложение 1 Перечень эксплуатационных документов цеха АСУ ТП (ТАИ) 12

Приложение 2 Образцы форм эксплуатационных документов. 14

Приложение 3 Порядок внесения изменений, пересмотра эксплуатационных документов. 19

Приложение 4 Порядок оформления технического обслуживания и капитального ремонта АСУ ТП (ТАИ) 20

Приложение 5 Ведение эксплуатационной документации с использованием автоматизированной системы управления производственной деятельностью в цехе АСУ ТП (ТАИ) (наименование функций и задач АСУ ТП) 21

Приложение 6 Термины, используемые в РД 153-34.1-35.521-00. 22

Приложение 7 Нормативные документы.. 23

 



уроки по алготрейдингу на Python с нуля



Яндекс цитирования

   Copyright © 2008-2026 ,  www.infosait.ru

backtrader - уроки алготрейдинга на python