ИНФОСАЙТ.ру
Госты, стандарты, нормативы. В библиотеке 60000 документов. Регулярное обновление. Круглосуточный бесплатный доступ!
БИБЛИОТЕКА ГОСТОВ, СТАНДАРТОВ И НОРМАТИВОВ

:: АЛГОТРЕЙДИНГ ::


АЛГОТРЕЙДИНГ
шаг за шагом


БЕСПЛАТНЫЕ УРОКИ по созданию торговых роботов на PYTHON с нуля, шаг за шагом.


Минимальные знания на PYTHON.
Библиотеки BackTrader и Pandas, сигналы с Pine Script из TradingView.
Связка с брокерами, телеграм.
Создание простых интерфейсов.

 

Все документы, представленные в каталоге, не являются их официальным изданием и предназначены исключительно для ознакомительных целей. Электронные копии этих документов могут распространяться без всяких ограничений. Вы можете размещать информацию с этого сайта на любом другом сайте.


ГОСТ Р 50073-92

ГОСУДАРСТВЕННЫЙ СТАНДАРТ РОССИЙСКОЙ ФЕДЕРАЦИИ

СОЕДИНЕНИЯ ТРУБОПРОВОДОВ
РАЗЪЕМНЫЕ ФЛАНЦЕВЫЕ

ТЕХНИЧЕСКИЕ УСЛОВИЯ

ГОССТАНДАРТ РОССИИ

Москва

ГОСУДАРСТВЕННЫЙ СТАНДАРТ РОССИЙСКОЙ ФЕДЕРАЦИИ

СОЕДИНЕНИЯ ТРУБОПРОВОДОВ РАЗЪЕМНЫЕ ФЛАНЦЕВЫЕ

Технические условия

Pipeline flange-type joint fittings.
Specifications

ГОСТ Р
50073-92

Дата введения 01.07.93

Настоящий стандарт распространяется на резьбовые фланцевые соединения трубопроводов общемашиностроительного применения, работающие в условиях неагрессивных сред при температуре от минус 50 до плюс 120 °С и номинальном (условном) давлении от 2,5 до 40 МПа (от 25 до 400 кгс/см2).

Стандарт может быть использован для сертификации с объемами и методами сертификационных испытаний по ГОСТ 15763.

Требования пп. 1.2; 2.1 - 2.3; 2.11; 2.13 и разд. 3 - 5 являются обязательными, другие требования настоящего стандарта являются рекомендуемыми.

1. КОНСТРУКЦИЯ, ОСНОВНЫЕ ПАРАМЕТРЫ И РАЗМЕРЫ

1.1. Типовая сборка разъемного фланцевого соединения приведена на черт. 1.

1.2. Конструкция, параметры и размеры разъемных полуфланцев, ниппелей и резиновых колец должны соответствовать указанным на черт. 2 - 4 и в табл. 1.

1 - ниппель; 2 - два разъемных полуфланца; 3 - болт; 4 - пружинная шайба; 5 - резиновое кольцо, 6 - корпус

Черт. 1

Ниппель (поз. 1)

__________

* Размеры для справок.

Черт. 2

Разъемный полуфланец (поз. 2)

___________

* Размер для справок.

Черт. 3

Резиновое кольцо (поз. 5)

Черт. 4


Таблица 1

Размеры, мм

Номинальный размер соединения

Номинальное (условное) давление, МПа (кгс/см2)

Условный проход DN (Dy)

Ниппель

d5 ± 0,25

h ± 0,15

h1

L

Разъемный полуфланец

r

Резиновое кольцо

Болт

Момент затяжки болтов, Н·м

d, не более

d1

d2, не более

d3, не более

d4

d6 ± 0,25

d7 ± 0,25

d8 H13

h2 ± 0,15

h3

h4

l

l1 ± 0,8

l2 ± 0,25

b

d9

d10

резьба

длина

номин.

пред. откл.

номин.

пред. откл.

ГОСТ 9833 (ИСО 3601.1)

ГОСТ 9833 (ИСО 3601.1)

13

32 (320)

12

13

20

24,0

14

25,55

- 0,15

30,20

6,75

13

25

30,95

24,25

9,0

6,20

13

19

8

21,8

38,1

54,9

- 1,8

8

18,5 (19,0)

3,6 (3,55)

M8

25

25

19

32 (320)

20

19

30

31,5

21

31,90

38,10

6,75

114

35

38,90

32,15

11,0

6,20

14

22

10

24,9

47,6

65,8

- 1,5

9

26,5 (25,0)

М10

30

53

25

32 (320)

25

25

35

38,0

27

39,75

44,45

8,00

14

50

45,25

38,50

11,0

7,50

14

22

12

28,2

52,4

70,6

33,0 (32,5)

М10

30

32

25 (250)

32

32

42

43,0

33

44,60

50,80

8,00

16

51,60

43,70

11,0

7,50

16

25

14

35,3

58,7

80,3

- 1,8

10

37,0 (37,5)

М10

30

38

20 (200)

40

38

48

50,0

40

54,00

- 0,30

60,35

8,00

16

55

61,10

50,80

13,5

7,50

16

25

17

40,1

69,9

94,5

- 1,5

12

47,0 (47,5)

M12

30

95

51

20 (200)

50

51

60

62,0

52

63,50

- 0,25

71,40

9,55

16

70

72,25

62,75

13,5

9,00

16

26

21

47,2

77,8

103,1

- 3,0

56,0 (56,0)

M12

35

64

16 (160)

65

64

73

74,0

65

76,35

- 0,35

84,10

9,55

18

75

84,95

74,95

13,5

9,00

19

38

24

53,1

88,9

115,8

13

69,5 (69,0)

M12

35

76

10 (100)

80

76

89

90,0

78

92,10

101,60

9,55

19

90

102,40

90,95

17,5

9,00

22

41

30

64,3

106,4

136,7

- 3,3

14

84,5 (85,0)

М16

40

220

89

2,5 (25)

80

89

100

102,0

90

104,50

- 0,50

114,30

11,25

22

100

115,10

102,35

17,5

10,70

22

28

34

68,6

120,7

153,9

- 3,0

16

97,0 (97,5)

М16

40

102

2,5 (25)

100

102

110

114,0

103

117,20

127,00

11,25

25

110

127,80

116,05

17,5

10,70

25

35

38

74,9

130,2

163,6

- 3,3

110,0 (112,0)

М16

45

127

2,5 (25)

125

127

140

140,0

129

142,60

152,40

11,25

28

140

153,20

140,45

17,5

10,70

28

41

45

89,4

152,4

185,7

- 3,1

136,5 (136,0)

М16

45

13

40 (400)

12

13

20

24,0

14

25,55

- 0,15

31,75

7,75

14

25

32,55

24,65

9,0

7,25

16

22

8

22,6

40,5

57,2

- 1,6

8

18,5 (19,0)

3,6 (3,55)

М8

30

25

19

20

19

25

32,0

21

31,90

41,30

8,75

18

35

42,05

32,50

11,0

8,25

19

28

11

29,0

50,8

72,1

- 1,5

10

24,5 (25,0)

М10

35

53

25

25

25

30

38,0

27

39,75

47,65

9,50

21

50

48,40

38,85

13,5

9,00

24

33

13

33,8

57,2

81,8

12

33,0 (32,5)

М12

40

95

32

32

32

38

44,0

33

44,60

54,00

10,30

25

54,75

44,45

15,5

9,80

27

38

15

37,6

66,6

96,0

14

37,0 (37,5)

М12

45

150

38

40

38

50

51,0

40

54,00

- 0,30

63,50

12,55

30

55

64,30

51,55

17,5

12,15

30

43

17

46,5

79,3

114,3

- 3,0

17

47,0 (47,5)

М16

150

220

51

50

51

63

67,0

52

63,50

- 0,25

79,40

38

70

80,15

67,55

22,0

37

52

21

55,9

96,8

134,9

- 3,1

8

56,0 (56,0)

М20

60

390

Примечания: В таблице указана длина стальных болтов

2. Рекомендуемые значения моментов затяжки указаны для болтов класса 8.8 ГОСТ 1759.4 при коэффициенте трения 0,2. При применении болтов класса 10.9 значения момента затяжки увеличиваются на 25 %.

3. Технические требования к резиновым кольцам - по ГОСТ 18829.


Пример условного обозначения разъемного фланцевого соединения с номинальным размером 13 на номинальное (условное) давление 32 МПа (320 кгс/см2):

Разъемное фланцевое соединение 13-320 ГОСТ Р 50073-92

То же, ниппеля:

Ниппель 13-320 ГОСТ Р 50073-92

То же, разъемного полуфланца:

Разъемный полуфланец 13-320 ГОСТ Р 50073-92

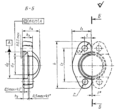
1.3. Рекомендуемые размеры корпусов под фланцевые соединения и их взаимное расположение приведены на черт. 5 и в табл. 2.

Черт. 5

Таблица 2

Размеры, мм

Номинальный размер соединений

Номинальное (условное) давление, МПа

Условный проход DN  (DY)

d -1,5

Резьба под болт

l2 ± 0,25

l3 ± 0,25

d12, не менее

b

b1

r

АА, не менее

BB, не менее

СС, не менее

d11

t, не менее

13

32 (320)

12

12,7

М8

15

38,1

17,5

33

54

46

8

56

52

49

19

32 (320)

20

19,1

М10

17

47,6

22,3

41

65

52

9

68

61

55

25

32 (320)

25

25,4

M10

17

52,4

26,2

48

70

59

72

67

61

32

25 (250)

32

31,8

М10

17

58,7

30,2

54

79

73

10

82

78

75

38

20 (200)

40

38,1

M12

17

69,9

35,7

64

94

83

12

96

90

85

51

20 (200)

50

50,8

M12

20

77,8

42,9

76

102

97

104

102

99

64

16 (160)

65

63,5

M12

21

88,9

50,8

89

114

109

13

117

114

111

76

10 (100)

80

76,2

M16

21

106,4

61,9

106

135

131

14

136

137

133

89

2,5 (25)

80

88,9

M16

21

120,7

69,9

119

152

140

16

155

148

142

102

2,5 (25)

100

101,6

М16

21

130,2

77,8

132

162

152

164

160

155

127

2,5 (25)

125

127,0

М16

21

152,4

92,1

151

184

181

186

185

183

13

40 (400)

12

12,7

М8

15

40,5

18,2

38

56

48

8

59

56

53

19

20

19,1

М10

17

50,8

23,8

48

71

60

10

75

70

66

25

25

25,4

M12

17

57,2

27,8

54

81

70

12

84

80

75

32

32

31,8

M12

20

66,6

31,8

60

95

78

14

99

90

83

38

40

38,1

М16

21

79,3

36,5

70

113

95

17

116

108

101

51

50

50,8

М20

24

96,8

44,5

86

133

114

18

1137

128

120

Примечания:

1. t - длина резьбы под болт.

2. b1 - максимально допустимая ширина разъемного фланца.

3. Размеры АА; ВВ; СС обеспечивают необходимый зазор 1,5 мм между фланцевыми соединениями одного номинального размера на рядом расположенных корпусах.

2. ТЕХНИЧЕСКИЕ ТРЕБОВАНИЯ

2.1. Механические свойства металла (временное сопротивление σв, относительное удлинение δ5) для изготовления разъемных полуфланцев должны быть не ниже указанных в табл. 3.

Таблица 3

Номинальный размер соединений

Номинальное (условное) давление, МПа

σв, МПа (кгс/мм2)

δ5, %

13

2,5-32

220 (22)

3

19; 25; 32; 38; 51; 64; 76; 89; 102; 127

420 (42)

13; 19; 25; 32; 38; 51

40

310 (31)

2.2. Механические свойства металла для изготовления ниппелей под разъемные фланцы должны быть не ниже:

временное сопротивление σв - 420 МПа (42 кгс/мм2);

относительное удлинение δ5 - 20 %.

2.3. Механические свойства металла болтов должны быть не ниже класса 8.8 ГОСТ 1759.4.

2.4. Неуказанные допуски размеров обрабатываемых поверхностей: ± 0,4 мм.

2.5. Поверхности всех деталей должны быть чистыми и не должны иметь заусенцев, окалин, трещин и признаков коррозии.

2.6. Поверхность канавки ниппеля под резиновое кольцо не должна иметь спиральных и продольных царапин.

2.7. Шероховатость поверхности d12 корпуса - не более Rа 3,2 мкм.

2.8. Допуск плоскостности поверхности d12 корпуса - не более 0,1 мм.

2.9. Защитные покрытия разъемных полуфланцев, ниппелей и болтов следует выбирать в зависимости от условий эксплуатации по ГОСТ 9.303.

2.10. Подготовка кромок ниппеля под сварку - по ГОСТ 16037.

Не допускается нанесение покрытия на кромку ниппеля.

2.11. Требования к герметичности, прочности и устойчивости соединений к воздействию вибрации и пульсации давления - по ГОСТ 15763 (пп. 1.27 - 1.29).

2.12. В комплект поставки разъемного фланцевого соединения входят два разъемных полуфланца, ниппель и резиновое кольцо.

2.13. На каждом соединении необходимо маркировать значения номинального размера соединения и номинального (условного) давления.

2.14. Маркировку следует наносить на торцовой поверхности разъемных полуфланцев и цилиндрической поверхности ниппелей любым способом, обеспечивающим ее четкость и длительную сохранность.

2.15. По согласованию с потребителем допускается маркировку соединений наносить на бирке.

3. ПРИЕМКА

Приемка - по ГОСТ 15763.

4. МЕТОДЫ ИСПЫТАНИЙ

Методы испытаний - по ГОСТ 15763.

5. УПАКОВКА

Упаковка - по ГОСТ 15763.

ИНФОРМАЦИОННЫЕ ДАННЫЕ

1. РАЗРАБОТАН И ВНЕСЕН Государственным комитетом СССР по стандартам

РАЗРАБОТЧИКИ

Б.В. Максимовский; Г.В. Поляков, канд. техн. наук; С.А. Суховодова

2. УТВЕРЖДЕН И ВВЕДЕН В ДЕЙСТВИЕ Постановлением Государственного комитета СССР по стандартам от 30.07.92 № 817

3. Срок проверки - 1998 г., периодичность проверки - 5 лет.

4.  Стандарт соответствует международному стандарту ИСО 3601-1-78 в части размеров резиновых колец

5. ВВЕДЕН ВПЕРВЫЕ

6. ССЫЛОЧНЫЕ НОРМАТИВНО-ТЕХНИЧЕСКИЕ ДОКУМЕНТЫ

Обозначение НТД, на который дана ссылка

Номера пунктов, разделов

ГОСТ 9.303-84

2.9

ГОСТ 1759.4-87

1.2; 2.3

ГОСТ 9833-73

1.2

ГОСТ 15763-91

Вводная часть; 2.11; разд. 3; 4; 5

ГОСТ 16037-80

2.10

ГОСТ 18829-73

1.2

7. ПЕРЕИЗДАНИЕ. Август 1994 г.

СОДЕРЖАНИЕ

 



уроки по алготрейдингу на Python с нуля



Яндекс цитирования

   Copyright © 2008-2026 ,  www.infosait.ru

backtrader - уроки алготрейдинга на python