ИНФОСАЙТ.ру
Госты, стандарты, нормативы. В библиотеке 60000 документов. Регулярное обновление. Круглосуточный бесплатный доступ!
БИБЛИОТЕКА ГОСТОВ, СТАНДАРТОВ И НОРМАТИВОВ

:: АЛГОТРЕЙДИНГ ::


АЛГОТРЕЙДИНГ
шаг за шагом


БЕСПЛАТНЫЕ УРОКИ по созданию торговых роботов на PYTHON с нуля, шаг за шагом.


Минимальные знания на PYTHON.
Библиотеки BackTrader и Pandas, сигналы с Pine Script из TradingView.
Связка с брокерами, телеграм.
Создание простых интерфейсов.

 

Все документы, представленные в каталоге, не являются их официальным изданием и предназначены исключительно для ознакомительных целей. Электронные копии этих документов могут распространяться без всяких ограничений. Вы можете размещать информацию с этого сайта на любом другом сайте.


ГОСУДАРСТВЕННЫЙ СТАНДАРТ СОЮЗА ССР

ШПАЛЫ ЖЕЛЕЗОБЕТОННЫЕ
ПРЕДВАРИТЕЛЬНО НАПРЯЖЕННЫЕ
ДЛЯ ЖЕЛЕЗНЫХ ДОРОГ КОЛЕИ 1520 мм

ТЕХНИЧЕСКИЕ УСЛОВИЯ

ГОСТ 10629-88

ГОСУДАРСТВЕННЫЙ СТРОИТЕЛЬНЫЙ КОМИТЕТ СССР

Москва

ГОСУДАРСТВЕННЫЙ СТАНДАРТ СОЮЗА ССР

ШПАЛЫ ЖЕЛЕЗОБЕТОННЫЕ, ПРЕДВАРИТЕЛЬНО
НАПРЯЖЕННЫЕ ДЛЯ ЖЕЛЕЗНЫХ ДОРОГ
КОЛЕИ 1520 мм

Технические условия

Prestressed reinforced concrete sleepers
for 1520 mm gauge railways. Specifications

ГОСТ
10629-88

Дата введения 01.01.90

Несоблюдение стандарта преследуется по закону

Настоящий стандарт распространяется на железобетонные, предварительно напряженные шпалы для железнодорожных путей с рельсовой колеей шириной 1520 мм и рельсами типов Р75, Р65 и Р50, по которым обращается типовой подвижной состав общей сети железных дорог СССР.

1. ТЕХНИЧЕСКИЕ ТРЕБОВАНИЯ

1.1. Шпалы следует изготовлять в соответствии с требованиями настоящего стандарта по технологической документации, утвержденной в установленном порядке.

1.2. Основные параметры и размеры

1.2.1. Шпалы в зависимости от типа рельсового скрепления подразделяют на:

Ш1 - для раздельного клеммно-болтового рельсового скрепления (типа КБ) с болтовым креплением подкладки к шпале;

Ш2 - для нераздельного клеммно-болтового рельсового скрепления (типа БПУ) с болтовым прикреплением подкладки или рельса к шпале.

1.2.2. Форма и размеры шпал должны соответствовать указанным в табл. 1 и на черт. 1 - 4. Показатели материалоемкости шпал приведены в приложении 1.

Таблица 1

Марка шпалы

Расстояние между упорными кромками разных концов шпалы а, мм

Расстояние между упорными кромками одного конца шпалы а1, мм

Расстояние между осями отверстий для болтов а2, мм

Расстояние между осью отверстия и упорной кромкой а3, мм

Угол наклона упорных кромок

Направление большей стороны отверстия для болта относительно продольной оси шпалы

Ш1-1

2012

404

310

47

55°

Поперечное

Ш1-2

2000

392

310

41

72

Поперечное

Ш2-1

2012

404

236

84

55

Продольное

Примечания:

1. На кромках, примыкающих к подошве и торцам шпалы, допускаются фаски шириной не более 15 мм.

2. По согласованию изготовителя с потребителем допускается изготовлять шпалы, у которых размеры и расположение углублений на подошве отличаются от указанных на черт. 1, а форма и размеры вертикальных каналов для закладных болтов отличаются от указанных на черт. 2 - 4.

1.2.3. Шпалы обозначают марками в соответствии с требованиями ГОСТ 23009. Марка шпалы состоит из двух буквенно-цифровых групп, разделенных тире.

Первая группа содержит обозначение типа шпалы (п. 1.2.1). Во второй группе указывают вариант исполнения подрельсовой площадки (табл. 1).

Пример условного обозначения (марки) шпалы типа Ш1, первого варианта исполнения подрельсовой площадки:

Ш1-1

1.2.4. В зависимости от трещиностойкости, точности геометрических параметров, качества бетонных поверхностей шпалы подразделяют на два сорта: первый и второй.

Шпалы второго сорта предназначены для укладки на малодеятельных, станционных и подъездных путях. Поставку шпал второго сорта производят только с согласия потребителя.

1 - закладная шайба; 2 - проволочная арматура

Сечение 3-3 приведено на черт. 3

Черт. 1

ПОДРЕЛЬСОВАЯ ЧАСТЬ ШПАЛЫ Ш1-1

Черт. 2

ПОДРЕЛЬСОВАЯ ЧАСТЬ ШПАЛЫ Ш1-2

Сечения 4-4, 5-5 и 6-6 приведены на черт. 2

Черт. 3

ПОДРЕЛЬСОВАЯ ЧАСТЬ ШПАЛЫ Ш2-1

Черт. 4

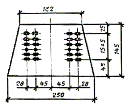
РАЗМЕЩЕНИЕ АРМАТУРЫ
на торце шпалы

в среднем сечении шпалы

Черт. 5

1.3. Характеристики

1.3.1. Шпалы должны удовлетворять требованиям трещиностойкости, принятым при их проектировании, и выдерживать при испытании контрольные нагрузки, указанные в табл. 2.

Таблица 2

Испытываемое сечение шпалы

Контрольная нагрузка, кН (тс), для шпал

первого сорта

второго сорта

Подрельсовое

130 (13,2)

120 (12,2)

Среднее

98 (10,0)

88 (9,0)

1.3.2. Шпалы следует изготовлять из тяжелого бетона по ГОСТ 26633 класса по прочности на сжатие В40.

1.3.3. Фактическая прочность бетона (в проектном возрасте, передаточная и отпускная) должна соответствовать требованиям ГОСТ 13015.0.

1.3.4. Нормируемую передаточную прочность бетона следует принимать равной 32 МПа (326 кгс/см2).

1.3.5. Отпускную прочность бетона принимают равной передаточной прочности бетона.

1.3.6. Марка бетона по морозостойкости должна быть не ниже F200.

1.3.7. Для бетона шпал следует применять щебень из природного камня или щебень из гравия фракции 5 - 20 мм по ГОСТ 10268. Допускается по согласованию изготовителя с потребителем применять:

щебень фракции 20 - 40 мм в количестве не более 10 % от массы щебня фракции 5 - 20 мм по ГОСТ 10268;

щебень из природного камня фракции 5 - 25 мм по ГОСТ 7392 при соответствии его всем другим требованиям ГОСТ 10268.

1.3.8. В качестве арматуры шпал следует применять стальную проволоку периодического профиля класса Вр диаметром 3 мм по ГОСТ 7348 и ТУ 14-4-1471-87.

1.3.9. Номинальное число арматурных проволок в шпале 44. Расположение проволок, контролируемое на торцах шпалы, должно соответствовать указанному на черт. 5. Расстояние по вертикали в свету между парами или отдельными проволоками, в случае их отклонения от проектного положения, не должно быть менее 8 мм. Допускается разворот пар проволок на 90° при сохранении указанного выше расстояния.

Для обеспечения проектного расположения проволок могут применяться разделительные проставки, остающиеся в теле бетона шпалы (см. приложение 2). Допускается по согласованию изготовителя с потребителем применять проставки, отличающиеся от указанных в приложении 2.

1.3.10. Общая сила начального натяжения всех арматурных проволок в пакете должна быть не менее 358 кН (36,4 тс). Среднее значение силы начального натяжения одной проволоки при их номинальном числе должно составлять 8,12 кН (827 кгс). Сила натяжения отдельных проволок не должна отличаться от среднего значения более чем на 10 %.

Снижение силы натяжения отдельных проволок сверх 10 %, вызванное проскальзыванием проволоки в захвате, не должно быть более чем у одной проволоки в шпалах первого сорта и у двух проволок в шпалах второго сорта.

1.3.11. Допускаются отклонения от номинального числа арматурных проволок при условии, что общая сила натяжения имеющихся проволок не менее указанной в п. 1.3.10. При этом предельные отклонения по числу проволок не должны превышать ±2 шт.

1.3.12. Концы напрягаемой арматуры не должны выступать за торцевые поверхности шпал первого сорта более чем на 15 мм и второго сорта - более чем на 20 мм.

1.3.13. Закладные шайбы должны соответствовать ГОСТ 23157.

1.3.14. Значения действительных отклонений геометрических параметров шпал не должны превышать предельных, указанных в табл. 3.

Таблица 3

мм

Наименование отклонения геометрического параметра

Наименование геометрического параметра

Пред. откл. для шпал

первого сорта

второго сорта

Отклонение от линейного размера

Расстояние а

±2

+3; -2

Расстояние а1

+2; -1

+3; -1

Расстояния а2 и а3

±1

±1

Глубина заделки в бетон закладной шайбы

+6; -2

+6; -2

Длина шпалы

±10

±20

Ширина шпалы

+10; -5

+20; -5

Высота шпалы

+8; -3

+15; -5

Отклонение от прямолинейности профиля подрельсовых площадок на всей длине или ширине

-

1

1

Примечание. Размеры, для которых не указаны предельные отклонения, являются справочными.

1.3.15. Уклон подрельсовых площадок к продольной оси шпалы в вертикальной плоскости, проходящей через ось (подуклонка), должен быть в пределах 1:18 - 1:22 для шпал первого сорта и 1:16 - 1:24 для шпал второго сорта.

1.3.16. Разница уклонов подрельсовых площадок разных концов шпалы в поперечном к оси шпалы направлении (пропеллерность) не должна превышать 1:80.

1.3.17. Значения действительных отклонений толщины защитного слоя бетона до верхнего ряда арматуры не должны превышать, мм:

 - для шпал первого сорта;

 - для шпал второго сорта.

1.3.18. Размеры раковин на бетонных поверхностях и околы бетона ребер у шпал не должны превышать значений, указанных в табл. 4.

Таблица 4

Вид поверхности шпалы

Предельные размеры, мм

раковин

околов бетона ребер

Глубина

Диаметр (наибольший размер)

Глубина

Длина по ребру

Шпалы первого сорта

Шпалы второго сорта

Шпалы первого сорта

Шпалы второго сорта

Шпалы первого сорта

Шпалы второго сорта

Шпалы первого сорта

Шпалы второго сорта

Подрельсовые площадки

10

15

10*

15*

15

30

30

60

Упорные кромки подрельсовых площадок

10

15

10**

15**

10

10

20

40

Верхняя поверхность средней части шпалы

10

15

30

45

15

30

30

60

Прочие участки верхней поверхности

15

25

60

90

15

30

Не регламентируются

Боковые и торцевые поверхности

15

25

60

90

30

60

То же

* Не более трех раковин на одной площадке.

** Не более одной раковины.

Примечания:

1. Допускается наличие на продольных кромках подрельсовых площадок отпечатков от сварных швов между несъемными подрельсовыми плитами и формой.

2. Допускается наличие на торцах шпал отпечатков элементов жесткости диафрагм глубиной не более 5 мм.

1.3.19. Глубина зазоров между проволоками и бетоном на торцах шпал не должна превышать 15 мм для шпал первого сорта и 30 мм для шпал второго сорта.

1.3.20. В шпалах не допускают:

наплывы бетона в каналах для болтов, препятствующие свободной установке и повороту этих болтов в рабочее положение;

местные наплывы бетона на подрельсовых площадках;

провертывание болтов рельсового скрепления в каналах шпалы при завинчивании гаек;

трещины в бетоне.

Для формирования каналов для болтов допускается установка внутренних элементов, конструкцию и материал которых согласовывают с потребителем.

1.4. Маркировка

1.4.1. Маркировка шпал должна соответствовать требованиям ГОСТ 13015.2 и настоящего стандарта.

1.4.2. На верхней поверхности шпал штампованием при формовании наносят:

товарный знак или краткое наименование предприятия-изготовителя - на каждой шпале;

год изготовления (две последние цифры) - не менее чем у 20 % шпал каждой партии:

В концевой части каждой шпалы краской наносят:

штамп ОТК;

номер партии.

1.4.3. Места нанесения маркировочных надписей указаны на черт. 6.

Допускается нанесение товарного знака или краткого наименования предприятия-изготовителя и года изготовления на одной половине шпалы.

1.4.4. Маркировочные надписи следует выполнять шрифтом высотой не менее 50 мм.

1.4.5. На обоих концах шпалы второго сорта наносят краской поперечную полосу шириной 15 - 20 мм (см. черт. 6).

МАРКИРОВКА ШПАЛЫ

1 - номер партии; 2 - товарный знак или краткое наименование предприятия-изготовителя; 3 - год изготовления; 4 - знак шпалы второго сорта

Черт. 6

2. ПРИЕМКА

2.1. Приемку шпал осуществляют партиями в соответствии с требованиями ГОСТ 13015.1 и настоящего стандарта.

2.2. Шпалы принимают:

по результатам периодических испытаний - по показателям морозостойкости бетона и точности геометрических параметров шпал, за исключением размера а шпал типа Ш1-2;

по результатам приемо-сдаточных испытаний - по показателям трещиностойкости шпал, прочности бетона (классу бетона по прочности на сжатие, передаточной и отпускной прочности), состояния каналов для болтов, точности размера а шпал типа Ш1-2, качества бетонных поверхностей шпал.

2.3. Периодические испытания шпал по показателям морозостойкости бетона проводят раз в год, по точности геометрических параметров - раз в месяц.

2.4. По точности геометрических параметров шпалы принимают по результатам выборочного контроля. При объеме партии шпал св. 3200 шт. план выборочного контроля следует принимать по ГОСТ 23616.

2.5. Для испытания на трещиностойкость от каждой партии отбирают контрольные шпалы в количестве 0,3 %, но не менее 3 шт. Партию принимают по трещиностойкости, если отобранные для испытаний шпалы выдержали контрольные нагрузки. Шпалу считают выдержавшей испытание на трещиностойкость, если при контрольных нагрузках не обнаружены видимые трещины в подрельсовых и среднем сечениях. За видимую принимают поперечную трещину в бетоне длиной более 30 мм от кромки шпалы и раскрытием у основания более 0,05 мм.

При неудовлетворительном результате испытания на трещиностойкость допускается разделять партию на более мелкие и предъявлять их к повторным испытаниям на трещиностойкость. При неудовлетворительном результате повторного испытания допускается проводить сплошное испытание всех шпал партии.

2.6. Приемку шпал по состоянию каналов для болтов и качеству бетонных поверхностей проводят по результатам сплошного контроля.

3. МЕТОДЫ КОНТРОЛЯ

3.1. Прочность бетона на сжатие определяют по ГОСТ 10180 на серии образцов, изготовленных из бетонной смеси рабочего состава, хранившихся в условиях, установленных ГОСТ 18105.

3.2. Морозостойкость бетона определяют по ГОСТ 10060.

3.3. Общую силу натяжения арматуры контролируют по показаниям манометра в соответствии с ГОСТ 22362 с параллельным подключением самопишущего прибора для записи усилия натяжения.

Силу натяжения отдельных проволок арматуры измеряют методом поперечной оттяжки по ГОСТ 22362.

3.4. Для измерения линейных размеров шпал, а также раковин и околов бетона применяют металлические измерительные инструменты по ГОСТ 13015. Глубину раковин, а также зазоров между проволоками и бетоном на торцах шпал измеряют штангенциркулем с заостренной штангой.

СХЕМА КОНТРОЛЯ ТОЧНОСТИ РАЗМЕРА аа) И ПРОДУКЦИИ ПОДРЕЛЬСОВЫХ ПЛОЩАДОК (i1 И i2)

      

1 -шаблон или индикаторное устройство

Черт. 7

3.5. Расстояние между упорными кромками углублений подрельсовых площадок разных концов шпалы а измеряют шаблоном, накладываемым одновременно на обе подрельсовые площадки шпалы (черт. 7).

Расстояния между кромками углубления одного конца шпалы а, между осями отверстий для болтов а2 и от оси отверстия до упорной кромки а3 обеспечивают проверкой этих размеров на форме у металлических плит, образующих при формовании шпал углубления в подрельсовых площадках.

3.6. Уклон подрельсовых площадок в продольном и поперечном к оси шпалы направлениях (подуклонка и пропеллерность) измеряют индикатором, накладываемым одновременно на обе подрельсовые площадки шпал (черт. 7 и 8).

СХЕМА КОНТРОЛЯ ПРОПЕЛЛЕРНОСТИ ШПАЛЫ (i)

1 - измерительный прибор

Черт. 8

3.7. Отклонение от прямолинейности подрельсовых площадок определяют по ГОСТ 13015 измерением наибольшего зазора между поверхностью площадки и ребром металлической поверочной линейки.

3.8. Глубину заделки в бетон закладных шайб контролируют приспособлением, вставляемым в канал шпалы и поворачиваемым на 90° (черт. 9).

Отсутствие в каналах шпалы наплывов бетона, препятствующих установке и повороту болта в рабочее положение, а также провертывания болта при завинчивании гайки проверяют закладным болтом по ГОСТ 16017 с предельными плюсовыми отклонениями размеров головки. Проверяют все четыре канала контролируемой шпалы.

СХЕМА УСТРОЙСТВА ДЛЯ ИЗМЕРЕНИЯ ГЛУБИНЫ ЗАДЕЛКИ ШАЙБ

1 - ручка; 2 - шток; 3 - шкала; 4 - указатель; 5 - корпус; 6 - головка

Черт. 9

3.9. Толщину защитного слоя бетона над верхним рядом арматуры контролируют посередине шпалы методом, указанным на черт. 10. Допускается по согласованию изготовителя с потребителем контролировать толщину на торцах шпалы металлической линейкой.

3.10. Высоту шпалы проверяют штангенциркулем в поперечных сечениях посередине каждой подрельсовой площадки и посередине шпалы.

СХЕМА ИЗМЕРЕНИЯ ТОЛЩИНЫ ЗАЩИТНОГО СЛОЯ БЕТОНА НАД ВЕРХНИМ РЯДОМ АРМАТУРЫ ПОСЕРЕДИНЕ ШПАЛЫ

1 - рейка; 2 - проволока верхнего ряда арматуры

Черт. 10

3.11. Каждую шпалу, отобранную для испытаний на трещиностойкость, испытывают статической нагрузкой последовательно в подрельсовых и среднем сечениях по схемам, приведенным на черт. 11.

Нагрузку равномерно увеличивают с интенсивностью не более 1 кН/с (100 кгс/с) и доводят до контрольной, указанной в табл. 2. Эту нагрузку поддерживают постоянной в течение 2 мин, после чего осматривают боковые поверхности с двух сторон шпалы у испытываемого сечения с целью обнаружения видимых трещин в растянутой зоне бетона. Поверхность бетона при этом не смачивают. Освещенность поверхности бетона - не менее 3000 лк. Для измерения длины трещин применяют металлическую линейку, а для ширины раскрытия трещин - измерительную лупу по ГОСТ 25706 с ценой деления 0,05 мм.

СХЕМЫ ИСПЫТАНИЯ ШПАЛЫ НА ТРЕЩИНОСТОЙКОСТЬ

в подрельсовом сечении

в среднем сечении

1 - стальная пластина с уклоном нижнего основания 1:20 размером 250´100 мм, средней толщиной 25 мм; 2 - стальная пластина размером 250´100´25 мм; 3 - резиновая прокладка размером 250´100´10 мм; 4 - стальной валик диаметром 40 и длиной 250 мм

Черт. 11

3.12. Перечень приспособлений, индикаторов и шаблонов для контроля геометрических параметров шпал приведен в приложении 3.

3.13. Все нестандартизированные средства измерений и испытаний должны пройти метрологическую аттестацию в соответствии с ГОСТ 8.326.

4. ТРАНСПОРТИРОВАНИЕ И ХРАНЕНИЕ

4.1. Транспортирование и хранение шпал следует производить в соответствии с требованиями ГОСТ 13015.4 и настоящего стандарта.

4.2. Шпалы следует транспортировать и хранить в штабелях горизонтальными рядами в рабочем положении (подошвой вниз). Высота штабеля должна быть не более 16 рядов.

Подкладки под шпалы и прокладки между ними в штабеле следует располагать в углублениях подрельсовых площадок шпал. Толщина деревянных подкладок и прокладок должна быть не менее 50 мм. Допускается по согласованию изготовителя с потребителем применять деревянные прокладки сечением не менее 40´40 мм при расположении их на расстоянии 30 - 40 мм от упорных кромок углублений в подрельсовых площадках шпал.

4.3. Шпалы транспортируют в полувагонах или автомобилях. Транспортирование шпал разных марок и сортов в одном полувагоне или автомобиле не допускается.

5. ГАРАНТИИ ИЗГОТОВИТЕЛЯ

5.1. Изготовитель гарантирует соответствие шпал требованиям настоящего стандарта при соблюдении потребителем правил их эксплуатации, транспортирования и хранения.

5.2. Гарантийный срок эксплуатации шпал - 3 года со дня укладки их в путь. Исчисление гарантийного срока начинается не позже 9 мес. со дня поступления шпал потребителю.

ПРИЛОЖЕНИЕ 1
Обязательное

ПОКАЗАТЕЛИ МАТЕРИАЛОЕМКОСТИ ШПАЛ

Показатели материалоемкости шпал, изготовленных по типовой поточно-агрегатной технологии в десятигнездных формах (без учета технологических и производственных потерь за пределами формы):

объем бетона на одну шпалу........................................................... 0,108 м3

расход стали на 1 м3 бетона:

напрягаемой проволоки диаметром 3 мм...................................... 67,2 кг

закладных шайб................................................................................ 11,8 кг

ПРИЛОЖЕНИЕ 2
Рекомендуемое

РАЗДЕЛИТЕЛЬНАЯ ПРОСТАВКА

Материал - Ст 3.                    Толщина - 1 мм.                    Масса - 0,037 кг.

Черт. 12

ПРИЛОЖЕНИЕ 3
Справочное

ПЕРЕЧЕНЬ ПРИСПОСОБЛЕНИЙ, ИНДИКАТОРОВ И ШАБЛОНОВ ДЛЯ КОНТРОЛЯ ГЕОМЕТРИЧЕСКИХ ПАРАМЕТРОВ ШПАЛ

Для контроля геометрических параметров железобетонных шпал рекомендуется пользоваться комплектом приспособлений, индикаторов и шаблонов, разработанных институтом «Индустройпроект» и принятых Министерством промышленности строительных материалов СССР.

Наименование геометрического параметра

Наименование приспособления, индикатора или шаблона

Шифр проекта

Расстояние между упорными кромками углублений в подрельсовых площадках разных концов шпалы а

Шаблон контроля размера а у железнодорожных шпал с углом наклона кромок 55°

3477/10

Уклон подрельсовых площадок в продольном и поперечном к оси шпалы направлениях

Индикатор контроля уклонов и пропеллерности подрельсовых площадок железнодорожных шпал

3477/4-А

Глубина заделки в бетон закладных шайб

Приспособление для контроля глубины заделки закладных шайб

3633/4

Толщина защитного слоя бетона в средней части шпалы

Приспособление для контроля толщины защитного слоя бетона

3633/3

Глубина раковин и зазоров между проволокой и бетоном

Приспособление для замера

3633/5

ИНФОРМАЦИОННЫЕ ДАННЫЕ

1. РАЗРАБОТАН И ВНЕСЕН Министерством путей сообщения СССР

ИСПОЛНИТЕЛИ

В.В. Серебренников, канд. техн. наук; В.М. Кольнер, канд. техн. наук (руководители темы); И.В. Амеличев, канд. техн. наук; В.Ф. Барабошин, канд. техн. наук; В.Д. Черников; Н.И. Гаврилина; А.И. Комянко; О.И. Крикунов, канд. техн. наук; Л.Е. Берлин, канд. техн. наук; В.М. Климова, канд. техн. наук; В.И. Пименова; Т.В. Барабанова; В.И. Деньщиков

2. УТВЕРЖДЕН И ВВЕДЕН В ДЕЙСТВИЕ Постановлением Государственного строительного комитета СССР от 21.11.88 № 228

3. ВЗАМЕН ГОСТ 10629-78

4. ССЫЛОЧНЫЕ НОРМАТИВНО-ТЕХНИЧЕСКИЕ ДОКУМЕНТЫ

Обозначение НТД, на который дана ссылка

Номер пункта

ГОСТ 8.326-78

3.13

ГОСТ 7348-81

1.3.8

ГОСТ 7392-85

1.3.7

ГОСТ 10060-87

3.2

ГОСТ 10180-78

3.1

ГОСТ 10268-80

1.3.7

ГОСТ 13015-75

3.4, 3.7

ГОСТ 13015.0-83

1.3.3

ГОСТ 13015.1-81

2.1

ГОСТ 13015.2-81

1.4.1

ГОСТ 13015.4-84

4.1

ГОСТ 16017-79

3.8

ГОСТ 18105-86

3.1

ГОСТ 22362-77

3.3

ГОСТ 23009-78

1.2.3

ГОСТ 23157-78

1.3.13

ГОСТ 23616-79

2.4

ГОСТ 25706-83

3.11

ГОСТ 26633-85

1.3.2

ТУ 14-4-1471-87

1.3.8

ВНЕСЕНА поправка к ГОСТ 10629-88, опубликованная в ИУС № 5 1990 г.

СОДЕРЖАНИЕ

 



уроки по алготрейдингу на Python с нуля



Яндекс цитирования

   Copyright © 2008-2026 ,  www.infosait.ru

backtrader - уроки алготрейдинга на python