ИНФОСАЙТ.ру
Госты, стандарты, нормативы. В библиотеке 60000 документов. Регулярное обновление. Круглосуточный бесплатный доступ!
БИБЛИОТЕКА ГОСТОВ, СТАНДАРТОВ И НОРМАТИВОВ

:: АЛГОТРЕЙДИНГ ::


АЛГОТРЕЙДИНГ
шаг за шагом


БЕСПЛАТНЫЕ УРОКИ по созданию торговых роботов на PYTHON с нуля, шаг за шагом.


Минимальные знания на PYTHON.
Библиотеки BackTrader и Pandas, сигналы с Pine Script из TradingView.
Связка с брокерами, телеграм.
Создание простых интерфейсов.

 

Все документы, представленные в каталоге, не являются их официальным изданием и предназначены исключительно для ознакомительных целей. Электронные копии этих документов могут распространяться без всяких ограничений. Вы можете размещать информацию с этого сайта на любом другом сайте.


ГОСУДАРСТВЕННЫЙ СТАНДАРТ СОЮЗА ССР

СИСТЕМА ПРОЕКТНОЙ ДОКУМЕНТАЦИИ ДЛЯ СТРОИТЕЛЬСТВА

СЕТИ ТЕПЛОВЫЕ
(ТЕПЛОМЕХАНИЧЕСКАЯ ЧАСТЬ)

РАБОЧИЕ ЧЕРТЕЖИ

ГОСТ 21.605-82*

(СТ СЭВ 5676-86)

 

ГОСУДАРСТВЕННЫЙ КОМИТЕТ СССР ПО ДЕЛАМ СТРОИТЕЛЬСТВА

 

РАЗРАБОТАН

Государственным ордена Трудового Красного Знамени проектным институтом «Промстройпроект» Госстроя СССР

Всесоюзным государственным ордена Ленина и ордена Октябрьской Революции научно-исследовательским, проектно-изыскательским институтом по проектированию атомных электростанций и крупных топливно-энергетических комплексов «Атомтеплоэлектропроект» Минэнерго СССР

Всесоюзным государственным научно-исследовательским и проектно-конструкторским институтом «ВНИПИэнергопром» Минэнерго СССР

ИСПОЛНИТЕЛИ

Л. П. Кварталов (руководитель темы), Л. В. Шайкевич, М. М. Пик, И. М. Канаткина, И. В. Беляйкина, Э. А. Мазурова

ВНЕСЕН Государственным ордена Трудового Красного Знамени проектным институтом «Промстройпроект» Госстроя СССР

Директор Ю. Г. Вострокнутов

УТВЕРЖДЕН И ВВЕДЕН В ДЕЙСТВИЕ Постановлением Государственного комитета СССР по делам строительства от 16 ноября 1982 г. № 275

 

ГОСУДАРСТВЕННЫЙ СТАНДАРТ СОЮЗА ССР

Система проектной документации для строительства

СЕТИ ТЕПЛОВЫЕ
(ТЕПЛОМЕХАНИЧЕСКАЯ ЧАСТЬ)

Рабочие чертежи

System of design documents for construction. Heat supply systems (termomechanical part). Working drawings

ГОСТ
21.605-82*

(СТ СЭВ 5676-86)

Постановлением Государственного комитета СССР по делам строительства от 16 ноября 1982 г. № 275 срок введения установлен

с 01.07.83

 

Настоящий стандарт устанавливает состав и правила оформления рабочих чертежей тепловых сетей (тепломеханической части) объектов строительства всех отраслей промышленности и народного хозяйства.

Стандарт распространяется на тепловые сети (далее - сети) с параметрами теплоносителей:

вода температурой t £ 200 °С и давлением Ру £ 2,5 МПа (25 кгс/см2);

пар температурой t £ 440 °С и давлением Ру £ 6,4 МПа (64 кгс/см2).

Стандарт полностью соответствует СТ СЭВ 5676-86.

(Измененная редакция, Изм. № 1).

1. ОБЩИЕ ПОЛОЖЕНИЯ

1.1. Рабочие чертежи сетей выполняют в соответствии с требованиями настоящего стандарта и других стандартов системы проектной документации для строительства, а также нормами проектирования сетей.

1.2. В состав рабочих чертежей  сетей включают:

рабочие чертежи, предназначенные для производства строительно-монтажных работ (основной комплект рабочих чертежей марки ТС);

эскизные чертежи общих видов нестандартных (нетиповых) конструкций (далее - чертежи общих видов).

1.3. В состав основного комплекта рабочих чертежей марки ТС включают:

общие данные по рабочим чертежам;

планы сетей;

схемы сетей;

поперечные разрезы сетей;

профили сетей;

чертежи (планы, разрезы, схемы) узлов трубопроводов и П-образных компенсаторов.

1.4. К основному комплекту рабочих чертежей сетей составляют спецификацию оборудования по ГОСТ 21.110-82 и ведомости  потребности в материалах по ГОСТ 21.109-80.

1.5. Для трубопроводов сетей принимают буквенно-цифровые обозначения по ГОСТ 21.106-78 с указанием наружного диаметра и толщины стенки трубы на полке линии-выноски или под ней (черт. 2 - 4 и 7 настоящего стандарта).

Проектируемые трубопроводы изображают сплошной толстой основной линией, существующие - сплошной тонкой линией, перспективные - штриховой линией. Для перспективных трубопроводов на полке линии-выноски указывают только диаметр условного прохода (Dу).

1.6. Условные графические изображения на планах различных способов прокладки сетей принимают по ГОСТ 21.108-78. При этом подземные сети на чертежах марки ТС допускается условно изображать сплошными линиями.

Условные графические изображения, обозначения подземных и надземных сооружений на сетях (например, камер, павильонов, ниш), предназначенных для размещения узлов трубопроводов, компенсаторов и вентиляционных устройств, принимают в соответствии с обязательным приложением 1.

Условные графические обозначения оборудования, арматуры, элементов трубопроводов принимают по стандартам Единой системы конструкторской документации, приведенным в справочном приложении 2.

1.7. Масштабы изображений на чертежах должны соответствовать приведенным в табл. 1.

Таблица 1

Наименование изображения

Масштаб

План сетей

1:500; 1:1000

Схемы сетей и узлов трубопроводов

Без масштаба

Профили сетей:

 

по горизонтали

1:500; 1:1000

по вертикали

1:50; 1:100

Поперечные разрезы сетей

1:10; 1:20; 1:50

Планы и разрезы узлов трубопроводов и П-образных компенсаторов

1:10; 1:20; 1:50; 1:100

Чертежи общих видов

1:5; 1:10; 1:20; 1:50

 

1.8. Элементам сетей: узлам трубопроводов (местам с ответвлениями, секционирующими задвижками, дренажными устройствами, сальниковыми и волнистыми компенсаторами, спуском труб, пересечениями коммуникаций), компенсаторам, неподвижным опорам, поворотам трассы присваивают обозначения, состоящие из марки, принимаемой в соответствии с табл. 2, и порядкового номера по маркам (например, УТ5, Н12, УП8). Нумерацию элементов сетей начинают от источника тепловой энергии или границы проектирования. Для магистральных сетей допускается применять сквозную нумерацию элементов сетей без маркировки.

Принятые обозначения элементов сетей должны быть сохранены в рабочих чертежах, входящих в основные комплекты других марок.

В чертежах сетей, при необходимости, указывают обозначения отдельно стоящих опор и колонн эстакад, принятые в строительных чертежах.

Таблица 2

Наименование элементов сетей

Марка

Узлы трубопроводов

УТ

П-образные компенсаторы

К

Углы поворота

УП

Неподвижные опоры вне узлов трубопроводов

Н

2. ОБЩИЕ ДАННЫЕ ПО РАБОЧИМ ЧЕРТЕЖАМ

2.1. В состав общих данных, кроме сведений, предусмотренных ГОСТ 21.102-79, включают:

ситуационный план сетей (без масштаба), с выделением проектируемого участка сети сплошной толстой основной линией;

расчетные тепловые потоки - по форме 1.

При заполнении формы 1 в графе «Наименование потребителя» указывают наименование корпуса (цеха), здания, объекта.

Для магистральных сетей допускается указывать суммарные тепловые потоки с обязательной разбивкой по видам потребления: отопление, вентиляция, горячее водоснабжение, технологические нужды.

Форма 1

2.2. В общих указаниях, входящих в состав общих данных по рабочим чертежам марки ТС, кроме сведений, предусмотренных ГОСТ 21.102-79, приводят:

параметры транспортируемых теплоносителей;

краткое описание системы теплоснабжения и способов регулирования отпуска тепловой энергии;

технические характеристики труб и сталей, требования к поставке труб;

требования по монтажу, антикоррозионной защите (наружной) и тепловой изоляции трубопроводов;

требования по техническому  надзору за строительством сетей;

категорию трубопроводов по правилам Госгортехнадзора СССР;

величины пробного давления для гидравлического испытания;

перечень документов о согласовании со всеми заинтересованными организациями;

другие необходимые указания.

3. ПЛАНЫ СЕТЕЙ

3.1. Для разработки планов сетей в качестве подосновы используют рабочие чертежи генерального плана, автомобильных и железных дорог или топографические планы.

3.2. На плане сетей указывают:

проектируемые и существующие сети с координатами или привязками осей трасс;

длины участков между элементами сетей или их координаты;

величины углов поворотов, кроме углов 90°;

маркировку и нумерацию элементов сетей.

На планах магистральных сетей, при необходимости, проставляют номера пикетов (ПК) и привязки к ближайшим пикетам элементов сетей.

3.3. На планах сетей в местах изменения диаметров трубопроводов, их размещения или способов прокладки, указывают положение секущих плоскостей поперечных разрезов; направление взгляда для разрезов принимают от источника тепловой энергии.

Нумерацию поперечных разрезов принимают сквозной от источника тепловой энергии или границы проектирования.

3.4. Планы сетей допускается размещать как на отдельных листах, так и совместно с профилями сетей, схемами трубопроводов и поперечными разрезами сетей. Пример оформления плана сетей приведен на черт. 1.

4. СХЕМЫ СЕТЕЙ

4.1. Схемы сетей (черт. 2) выполняют в горизонтальной плоскости. На схемах сетей указывают:

трубопроводы и их обозначение, арматуру, компенсаторы, неподвижные опоры, углы поворотов, опуски труб, точки дренажа трубопроводов;

маркировку элементов сетей и их нумерацию;

направление уклона;

линии секущих плоскостей поперечных разрезов и их нумерацию;

расчетные нагрузки на неподвижные опоры (при необходимости).

4.2. На схеме сетей или на одном из повторяющихся участков схемы показывают разбивку, привязку и тип всех подвижных опор трубопроводов или приводят таблицу с указанием типа опор и расстояний между ними для каждого диаметра труб.

4.3. При многотрубной, в несколько ярусов, прокладке сетей допускается выполнять схему для каждого яруса трубопроводов.

 

Черт. 1

 

Черт. 2

 

Dу трубы, мм

Тип подвижной опоры

Расстояние между опорами в каналах, м

50

ОПП-2

3

65

ОПП-2

3

100

ОПП-2

4

250

ОПП-3

7

300

ОПП-3

8

4.4. Допускается при двух-четырехтрубных сетях заменять схему сетей фрагментами схемы в пределах узлов трубопроводов, размещая фрагменты, как правило, на листах совместно с поперечными разрезами и планами сетей,

5. ПОПЕРЕЧНЫЕ РАЗРЕЗЫ СЕТЕЙ

5.1. На поперечных разрезах сетей указывают (черт. 3, 4):

каналы, тоннели, траншеи (для бесканальной прокладки), эстакады, отдельно стоящие опоры - в виде упрощенных контурных очертаний сплошной тонкой линией;

трубопроводы, их привязку к строительным конструкциям и обозначения в соответствии с указанием п. 1.5.

опоры трубопроводов - в виде упрощенных контурных очертаний сплошной тонкой линией;

нумерацию позиций опор по спецификации - на полке линии-выноски;

контуры тепловой изоляции - штриховой линией.

Черт. 3

 

Черт. 4

6. ПРОФИЛИ СЕТЕЙ

6.1. Профили сетей изображают в виде разверток по осям трасс сетей (черт. 5, 6).

6.2. На профилях сетей указывают:

поверхность земли (проектную - сплошной тонкой линией, натурную - штриховой);

уровень грунтовых вод - тонкой штрих-пунктирной линией;

пересекаемые автомобильные дороги, железнодорожные и трамвайные пути, кюветы, а также другие подземные и надземные коммуникации и сооружения, влияющие на прокладку проектируемых сетей, с указанием их габаритных размеров, высотных отметок и, при необходимости, координат или привязок;

каналы, тоннели, камеры, ниши П-образных компенсаторов, эстакады, отдельно стоящие опоры, вентиляционные шахты, павильоны и другие сооружения и конструкции сетей - упрощенными контурными очертаниями внутренних и наружных габаритов - сплошной тонкой линией;

Трубопроводы бесканальной прокладки - контурными очертаниями наружных  габаритов сплошной тонкой линией с указанием осей труб;

неподвижные опоры - условным графическим изображением.

Трубопроводы в каналах, тоннелях, камерах и нишах не изображают.

На профилях надземной прокладки сетей трубопроводы каждого яруса изображают одной сплошной основной линией.

 

Черт. 5

Примечание. В профильной части допускается приводить шкалу отметок.

 

Черт. 6

6.3. Под профилями сетей помещают таблицу по форме 2 для подземной прокладки сетей и по форме 3 - для надземной прокладки.

Допускается, при необходимости, дополнять таблицы другими строками, например, «пикеты», «тип канала:», «высота опор», «глубина траншеи».

При надземной прокладке трубопроводов в несколько ярусов строки «Отметка верха несущей конструкции» и «Отметка низа трубы» приводят для каждого яруса трубопроводов.

Форма 2

Форма 3

6.4. Отметки сетей проставляют в характерных точках, в местах пересечений с автомобильными и железными дорогами, трамвайными путями, инженерными коммуникациями и сооружениями, влияющими на прокладку проектируемых сетей.

Величины отметок и длины участков сетей указывают в метрах с двумя десятичными знаками, а величины уклонов - в процентах или промилле.

7. ЧЕРТЕЖИ (ПЛАНЫ, РАЗРЕЗЫ, СХЕМЫ) УЗЛОВ
ТРУБОПРОВОДОВ И П-ОБРАЗНЫХ КОМПЕНСАТОРОВ

7.1. На планах и разрезах узлов трубопроводов и П-образных компенсаторов указывают:

контуры строительных конструкций, площадок и лестниц (сплошной тонкой линией) с указанием габаритных размеров и отметок;

нумерацию поперечных разрезов участков сетей, примыкающих к узлам трубопроводов и П-образным компенсаторам (только на планах);

трубопроводы, их детали, оборудование, арматуру, закладные конструкции для контрольно-измерительных приборов и их привязку к строительным конструкциям;

обозначение трубопроводов в соответствии с указанием п. 1.5;

величину холодной растяжки П-образных компенсаторов и установочную длину сальниковых компенсаторов;

номера позиции оборудования,  арматуры, элементов трубопроводов в соответствии со спецификацией - на полке линии-выноски.

Допускается планы и разрезы однотипных П-образных компенсаторов выполнять в  виде одного чертежа без масштаба с обозначениями размеров, диаметров труб и величины холодной растяжки по форме 4 ГОСТ 21.602-79.

Трубопроводы с условным проходом менее 100 мм изображают одной линией, 100 мм и более - двумя линиями, оборудование и арматуру - условными графическими обозначениями или в виде упрощенных внешних очертаний. Для арматуры обязательно указывают вылет шпинделя.

Для простых узлов и П-образных компенсаторов допускается изображать трубопроводы од-нон линией независимо от диаметров.

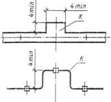
Пример оформления плана узла трубопроводов приведен на черт. 7.

 

Черт. 7

7.2. Схемы узлов трубопроводов разрабатывают, при необходимости, для сложных узлов, с большим количеством арматуры, оборудования и трубопроводов.

7.3. Схему узла трубопроводов выполняют в горизонтальной плоскости. Допускается разрабатывать схему в аксонометрической проекции. На схеме указывают:

трубопроводы и их обозначения в соответствии с указанием п. 1.5;

оборудование, компенсаторы, арматуру, элементы трубопроводов, точки дренажа, закладные конструкции для контрольно-измерительных приборов - условными графическими обозначениями;

направление уклона трубопроводов;

линии секущих плоскостей поперечных разрезов;

отметки трубопроводов (для схем в аксонометрической проекции);

позиции оборудования, арматуры и деталей трубопроводов в соответствии со спецификацией - на полке линии-выноски.

7.4. На чертежах узлов трубопроводов приводят спецификацию на оборудование, компенсаторы арматуру, элементы трубопроводов по форме 1 ГОСТ 21.104-79. Если на чертеже размещены изображения нескольких узлов, спецификацию для них составляют общую, разделяя соответствующими подзаголовками.

Номера позиций в спецификации на чертежах узлов и номера позиций в спецификации оборудования по ГОСТ 21.110-82 должны быть одинаковыми.

8. ЧЕРТЕЖИ ОБЩИХ ВИДОВ

8.1. Чертежи общих видов выполняют по правилам выполнения чертежей общих  видов, предусмотренным ГОСТ 2.119-73 в объеме, необходимом для разработки конструкторской документации по ГОСТ 2.103-68.

ПРИЛОЖЕНИЕ I

Обязательное

Условные графические обозначения на планах тепловых сетей

Наименование

Обозначение

Прокладка в канале с попутным дренажом

Узел трубопроводов в камерах, тоннелях и при надземной прокладке (без павильонов)

Узел трубопроводов в наземном павильоне

Опуск трубопроводов при изменении типа прокладки

П-образный компенсатор:

 

 

 

 

при подземной прокладке

 

 

 

 

при надземной прокладке

Вход в тоннель

Вход в тоннель, совмещенный с приточной вентиляцией

Вход в тоннель, совмещенный с вытяжной вентиляцией

Люк на тоннеле

Примечание. Условные графические обозначения на планах тепловых сетей изображают в масштабе в соответствии с п. 1.7, но не менее размеров, указанных в графе «Обозначение».

ПРИЛОЖЕНИЕ 2

Справочное

ПЕРЕЧЕНЬ
стандартов на условные обозначения, подлежащие учету
при выполнении чертежей тепловых сетей

ГОСТ 2.721-74

Обозначения условные графические в схемах. Обозначения общего применения.

ГОСТ 2.780-68

Обозначения условные графические. Элементы гидравлических и пневматических сетей.

ГОСТ 2.782-68

Обозначения условные графические. Насосы и двигатели гидравлические и пневматические.

ГОСТ 2.784-70

Обозначения условные графические. Элементы трубопроводов.

ГОСТ 2.785-70

Обозначения условные графические. Арматура трубопроводная.

ГОСТ 2.786-70

Обозначения условные графические. Элементы санитарно-технических устройств.

 

 

 



уроки по алготрейдингу на Python с нуля



Яндекс цитирования

   Copyright © 2008-2026 ,  www.infosait.ru

backtrader - уроки алготрейдинга на python