|
|
Все документы, представленные в каталоге, не являются их официальным изданием и предназначены исключительно для ознакомительных целей. Электронные копии этих документов могут распространяться без всяких ограничений. Вы можете размещать информацию с этого сайта на любом другом сайте.
СИСТЕМА ПРОЕКТНОЙ ДОКУМЕНТАЦИИ ДЛЯ СТРОИТЕЛЬСТВА
ПРАВИЛА
ВЫПОЛНЕНИЯ
МЕЖГОСУДАРСТВЕННАЯ
НАУЧНО-ТЕХНИЧЕСКАЯ КОМИССИЯ Москва
Предисловие 1 РАЗРАБОТАН Центральным научно-исследовательским и проектно-экспериментальным институтом по методология организации, экономике и автоматизации проектирования (ЦНИИпроект), проектным институтом (Промстройпроект), Проектным институтом № 2 (ПИ-2), Центральным научно-исследовательским и проектным институтом индивидуального экспериментального проектирования жилища ЦНИИЭПжилища) ВНЕСЕН Минстроем России 2 ПРИНЯТ Межгосударственной научно-технической комиссией по стандартизации и техническому нормированию в строительстве 10 ноября 1993 г. За принятие стандарта проголосовали:
3 ВВЕДЕН В ДЕЙСТВИЕ с 1 сентября 1994 г. в качестве государственного стандарта Российской Федерации Постановлением Минстроя России от 12 августа 1994 г. № 18-10 4 ВЗАМЕН ГОСТ 21.107-78, ГОСТ 21.501-80, ГОСТ 21.502-78 и ГОСТ 21.503-80
СОДЕРЖАНИЕ
Дата введения 1994-09-01 Настоящий стандарт устанавливает состав и правила оформления архитектурно-строительных рабочих чертежей (архитектурных решений и строительных конструкций*, включая рабочую документацию на строительные изделия**), зданий и сооружений различного назначения. * Под строительной конструкцией понимают часть здания, сооружения определенного функционального назначения (каркас здания, покрытие, перекрытие и др.), состоящую из элементов, взаимно связанных в процессе выполнения строительных работ. ** Под строительным изделием понимают элемент строительной: конструкции (колонна, ферма, ригель, плита перекрытия, панель стены, арматурный каркас и др.), изготовляемый вне места его установки. 1. ОБЩИЕ ТРЕБОВАНИЯ1.1. Архитектурно-строительные рабочие чертежи выполняют в соответствии с требованиями ГОСТ 21.101, а также настоящего стандарта. При выполнении рабочих чертежей металлических конструкций следует руководствоваться соответствующими стандартами Системы проектной документации для строительства (СПДС). 1.2. Рабочие чертежи архитектурных решений и строительных конструкций, предназначенные для производства строительных и монтажных работ, выполняют в составе основных комплектов, которым присваивают марки в соответствии с ГОСТ 21.101. По рабочим чертежам марки АР, при необходимости, составляют спецификацию оборудования по ГОСТ 21.110. 1.3. Условные графические изображения строительных конструкций и их элементов приведены в приложении 1. 1.4. На архитектурно-строительных чертежах указывают характеристики точности геометрических параметров зданий, сооружений, конструкций и их элементов по ГОСТ 21.113. Требования к точности функциональных геометрических параметров зданий, сооружений и конструкций должны быть увязаны с требованиями к точности изготовления изделий (элементов конструкций), разбивки осей и установки элементов конструкций путем расчета точности по ГОСТ 21780. 1.5. На архитектурно-строительных, рабочих чертежах (на изображениях фундаментов, стен, перегородок, перекрытий) указывают проемы, борозды, ниши, гнезда и отверстия с необходимыми размерами и привязками. 2. ОСНОВНОЙ КОМПЛЕКТ РАБОЧИХ ЧЕРТЕЖЕЙ АРХИТЕКТУРНЫХ РЕШЕНИЙ2.1. В состав основного комплекта рабочих чертежей архитектурных решений включают: 1) общие данные по рабочим чертежам; 2) планы этажей, в т. ч. подвала, технического подполья, технического этажа и чердака; 3) разрезы; 4) фасады; 5) планы полов (при необходимости); 6) план кровли (крыши); 7) схемы расположения элементов сборных перегородок*; 8) схемы расположения элементов заполнения оконных и других проемов*; 9) выносные элементы (узлы, фрагменты); 10) спецификации к схемам расположения в соответствии с ГОСТ 21.101. 2.2. Общие данные по рабочим чертежам 2.2.1. В состав общих данных по рабочим чертежам, кроме сведений предусмотренных ГОСТ 21.101, включают ведомость отделки помещений по форме 1 (при отсутствии основного комплекта рабочих чертежей интерьеров). Форма 1 Ведомость отделки помещений Площадь, м2 Примечания: 1. Количество граф определяется наличием элементов интерьера, подлежащих отделке. 2. Площади отделки помещений рассчитывают по соответствующим нормативным документам. 2.2.2. В общих указаниях в дополнение к сведениям, предусмотренным ГОСТ 21.101, указывают: 1) класс ответственности здания (сооружения); 2) категорию здания (сооружения) по взрывопожарной и пожарной опасности; 3) степень огнестойкости здания (сооружения); 4) характеристику стеновых и изоляционных материалов**; 5) указания по устройству гидроизоляции и отмостки**; 6) указания по наружной отделке здания (сооружения)**; 7) указания о мероприятиях при производстве работ в зимнее время. 2.3. Планы этажей 2.3.1. При выполнении плана этажа положение мнимой горизонтальной секущей плоскости разреза принимают на уровне оконных проемов или на 1/3 высоты изображаемого этажа. В случаях, когда оконные проемы расположены выше секущей плоскости, по периметру плана располагают сечения соответствующих стен на уровне оконных проемов. ________ * Схемы расположения металлических элементов сборных, перегородок и заполнения оконных проемов выполняют в составе рабочих чертежей металлических конструкций. Схемы расположения элементов сборных железобетонных перегородок выполняют, как правило, в составе основного комплекта рабочих чертежей железобетонных конструкций. ** Приводят, если нет соответствующих указаний на чертежах. 2.3.2. На планы этажей наносят: 1) координационные оси здания (сооружения); 2) размеры, определяющие расстояния между координационными осями и проемами, толщину стен и перегородок, другие необходимые размеры, отметки участков, расположенных на разных уровнях; 3) линии разрезов. Линии разрезов проводят, как правило, с таким расчетом, чтобы в разрез попадали проемы окон, наружных ворот и дверей; 4) позиции (марки) элементов здания (сооружения), заполнения проемов ворот и дверей (кроме входящих в состав щитовых перегородок), перемычек, лестниц и др. Допускается позиционное обозначение проемов ворот и дверей указывать в кружках диаметром 5 мм; 5) обозначения узлов и фрагментов планов; 6) наименования помещений (технологических участков), их площади, категории по взрывопожарной и пожарной опасности (кроме жилых зданий). Площади проставляют в нижнем правом углу помещения (технологического участка) и подчеркивают. Категории помещений (технологических участков) проставляют под их наименованием в прямоугольнике размером 5´8 (h) мм. Для жилых зданий, при необходимости, на планах указывают тип и площадь квартир. При этом площадь проставляют в виде дроби, в числителе которой указывают жилую площадь, в знаменателе - полезную. Допускается наименования помещений (технологических участков), их площади и категории приводить в экспликации по форме 2. В этом случае на планах вместо наименований помещений (технологических участков) проставляют их номера. Для жилых зданий экспликацию помещений, как правило, не выполняют; 7) границы зон передвижения технологических кранов (при необходимости). Форма 2 Экспликация помещений ________ * Категория по взрывопожарной и пожарной безопасности. 2.3.3. Встроенные помещения и другие участки здания (сооружения), на которые выполняют отдельные чертежи, изображают схематично сплошной тонкой линией с показом несущих конструкций. 2.3.4. Площадки, антресоли и другие конструкции, расположенные выше секущей плоскости, изображают схематично штрихпунктирной тонкой линией с двумя точками. 2.3.5. Примеры выполнения планов этажей здания приведены в приложении 2. 2.3.6. К планам этажей выполняют: 1) ведомость перемычек по форме 3. Примеры заполнения ведомости и спецификации элементов перемычек приведены в приложении 3; 2) спецификации заполнения элементов оконных, дверных и др. проемов, щитовых перегородок, перемычек, замаркированных на планах, разрезах и фасадах - по форме 7 или 8 приложения 7 ГОСТ 21.101. Пример выполнения спецификации элементов заполнения проемов приведен в приложении 3. Форма 3 Ведомость перемычек 2.4. Разрезы и фасады 2.4.1. Линии контуров элементов конструкций в разрезе изображают сплошной толстой основной линией, видимые линии контуров, не попадающие в плоскость сечения, - сплошной тонкой линией. 2.4.2. На разрезы и фасады наносят: 1) координационные оси здания (сооружения), проходящие в характерных местах разреза и фасада (крайние, у деформационных швов, несущих конструкций, в местах перепада высот и т. п.), с размерами, определяющими расстояния между ними (только на разрезах) и общее расстояние между крайними осями; 2) отметки, характеризующие расположение элементов несущих и ограждающих конструкций по высоте, 3) размеры и привязки по высоте проемов, отверстий, ниш и гнезд в стенах и перегородках, изображенных в разрезах; 4) позиции (марки) элементов здания (сооружения), не указанные на планах. На фасадах указывают также типы заполнения оконных проемов, материал отдельных участков стен, отличающихся от основных материалов. Допускается типы оконных проемов указывать на планах этажей; 5) обозначения узлов и фрагментов разрезов и фасадов. Примеры выполнения разрезов приведены в приложении 4, фасадов и их фрагментов - в приложении 5. 2.5. Планы полов и кровли (крыши) 2.5.1 На планы полов наносят: 1) координационные оси: крайние, у деформационных швов, по краям участков с различными конструктивными и другими особенностями и с размерными привязками таких участков; 2) обозначения уклонов полов; 3) тип полов. Обозначения типов полов проставляют в кружке диаметром 7 мм; 4) отметки в местах перепадов полов. Стены здания (сооружения) и перегородки на планах полов изображают одной сплошной толстой основной линией. На планах полов указывают элементы здания (сооружения) и устройства, влияющие на конструкцию пола (проемы ворот и дверей, деформационные швы, каналы, трапы и др.), границы участков с различной конструкцией пола. Деформационные швы изображают двумя тонкими сплошными линиями, границы участков пола - пунктирными линиями. 2.5.2. Планы полов допускается совмещать с планами этажей. 2.5.3. К планам полов составляют экспликацию полов по форме 4. Пример выполнения плана полов приведен в приложении 6. Форма 4 Экспликация полов __________ * Тип пола по рабочим чертежам. ** При применении типовой конструкции пола приводят только дополнительные данные. 2.5.4. На план кровли (крыши) наносят: 1) координационные оси: крайние, у деформационных швов, по краям участков кровли (крыши) с различными конструктивными и другими особенностями с размерными привязками таких участков; 2) обозначения уклонов кровли; 3) отметки или схематический поперечный профиль кровли; 4) позиции (марки) элементов и устройств кровли (крыши). На плане кровли (крыши) указывают деформационные швы двумя тонкими линиями, парапетные плиты и другие элементы ограждения кровли (крыши), воронки, дефлекторы, вентшахты, пожарные лестницы, прочие элементы и устройства, которые указывать и маркировать на других чертежах нецелесообразно. Пример выполнения плана кровли приведен в приложении 7. 2.6. Схемы расположения элементов сборных перегородок, заполнения оконных и других проемов 2.6.1. Схемы расположения элементов сборных перегородок (кроме панельных железобетонных), заполнения оконных и других проемов выполняют с учетом требований п. 3.3. 2.6.2. Допускается схему расположения элементов сборных перегородок совмещать с планами этажей. Пример выполнения схемы расположения элементов сборных перегородок приведен в приложении 8. 2.6.3. Схему расположения элементов заполнения оконных проемов составляют на заполнение каждого типа. Сплошное заполнение между двумя смежными координационными осями учитывают как заполнение одного типа. При комплектной поставке панелей с заполненными проемами схему расположения элементов заполнения не выполняют. Пример выполнения схемы расположения элементов заполнения оконных проемов приведен в приложении 9. 3. ОСНОВНОЙ КОМПЛЕКТ РАБОЧИХ ЧЕРТЕЖЕЙ СТРОИТЕЛЬНЫХ КОНСТРУКЦИЙ3.1. В состав основного комплекта рабочих чертежей строительных конструкций (далее - конструкций) включают: 1) общие данные по рабочим чертежам; 2) схемы расположения элементов конструкций; 3) спецификации к схемам расположения элементов конструкций. В состав рабочих чертежей монолитных железобетонных конструкций дополнительно включают: 1) схемы армирования монолитных железобетонных конструкций; 2) ведомость расхода стали на монолитные конструкции по форме 5. В ведомость не включают стандартные изделия - дюбели, болты, шайбы и т. п. Форма 5 Ведомость расхода стали, кг
3.2. В состав общих данных по рабочим чертежам кроме сведений, предусмотренных ГОСТ 21.101, включают: 1) сведения о нагрузках и воздействиях, принятых для расчета конструкций здания или сооружения; 2) сведения о грунтах (основаниях), уровне и характере грунтовых вод, глубине промерзания*; 3) указания о мероприятиях по устройству подготовки под фундаменты и об особых условиях производства работ*; 4) сведения о мероприятиях по антикоррозионной защите конструкций (при отсутствии основного комплекта рабочих чертежей марки А3); 5) указания о мероприятиях при производстве работ в зимнее время. 3.3. Схемы расположения элементов конструкций 3.3.1. На схеме расположения элементов конструкций (далее - схеме расположения) указывают в виде уловных или упрощенных графических изображений элементы конструкций и связи между ними. 3.3.2. Схему расположения выполняют для каждой группы элементов конструкций, связанных условиями и последовательностью производства строительных работ. Примеры: 1. Схема расположения элементов фундаментов и фундаментных балок. 2. Схема расположения блоков стен подвала (развертка блочных стен подвала). 3. Схема расположения колонн, связей по колоннам, подкрановых балок. _____________ * Приводят при отсутствии их в технических требованиях к схемам расположения элементов фундаментов. 4. Схема расположения ферм (балок). 5. Схема расположения панелей стен и перегородок. 3.3.3. Схему расположения выполняют в виде планов, фасадов или разрезов соответствующих конструкций, с упрощенным изображением элементов. 3.3.4. На схему расположения наносят: 1) координационные оси здания (сооружения), размеры, определяющие расстояния между ними и между крайними осями, размерную привязку осей или поверхностей элементов конструкций к координационным осям здания (сооружения) или, в необходимых случаях, к другим элементам конструкций, другие необходимые размеры; 2) отметки наиболее характерных уровней элементов конструкций; 3) позиции (марки) элементов конструкций; 4) обозначения узлов и фрагментов; 5) данные о допустимых монтажных нагрузках. 3.3.5. Одинаковые позиции (марки) последовательно расположенных элементов конструкций на схеме расположения, допускается наносить только по концам ряда с указанием количества позиций. 3.3.6. Схему расположения панелей стен при многоярусном расположении панелей в пределах этажа выполняют в плоскости стен на виде, при однородном расположении - в плане. 3.3.7 В наименовании схем расположения, при необходимости, приводят сведения, определяющие положение конструкции в здании (сооружении). Допускается схемам расположения присваивать порядковые номера. Пример: Схема расположения элементов перекрытия на отм. 7,200 между осями 1 - 15, В - Г (схема 1). 3.3.8. На схеме расположения наносят метки для установки в проектное положение элементов конструкций, имеющих несимметричное расположение закладных изделий и другие отличительные признаки. Примеры выполнения схем расположения элементов сборных конструкций приведены в приложении 10. 3.3.9 Если монолитная железобетонная конструкция состоит из нескольких элементов (балок, плит и др.), на каждый из которых выполняют отдельные схемы армирования, то этим элементам присваивают позиционные обозначения или марки в соответствии с черт. 1.
Черт. 1 3.3.10. В технических требованиях к схеме расположения, при необходимости, приводят указания о порядке монтажа, замоноличивания швов, требования к монтажным соединениям. 3.3.11. Рабочие чертежи арматурных и закладных изделий, разработанные для монолитных железобетонных конструкций в качестве самостоятельных документов, в состав основного комплекта рабочих чертежей не включают, а записывают в ведомость ссылочных и прилагаемых документов в раздел «Прилагаемые документы». 3.3.12. На схему армирования монолитной железобетонной конструкции наносят: 1) координационные оси здания (сооружения); 2) контуры конструкций - сплошной толстой основной линией; 3) размеры, определяющие положение арматурных и закладных изделий и толщину защитного слоя бетона. Арматурные и закладные изделия на схеме изображают очень толстой сплошной линией. При необходимости на схеме указывают фиксаторы для обеспечения проектного положения арматуры. 3.3.13. На схеме армирования применяют следующие упрощения: 1) каркасы и сетки изображают контуром в соответствии с черт. 2; 2) для обеспечения правильной установки в проектное положение несимметричных каркасов и сеток указывают только их характерные особенности, (диаметр отличающихся по диаметрам стержней и др.) в соответствии с черт. 3; 3) если железобетонная конструкция имеет несколько участков с равномерно расположенными одинаковыми каркасами или сетками, то их контуры наносят на одном из участков, указывая номера позиций и в скобках - число изделий этой позиции. На остальных участках проставляют только позиции и в скобках - число изделий этой позиции в соответствии с черт. 4;
Черт. 4 4) на участках с отдельными стержнями, расположенными на равных расстояниях, изображают один стержень с указанием на полке-линии выноски его позиции, а под полкой линии-выноски - шаг стержней в соответствии с черт. 5. Если шаг стержней не нормируется, то рядом с обозначением стержней указывают в скобках число стержней в соответствии с черт. 6; 5) арматуру элементов, пересекающих изображаемый элемент, как правило, не указывают (черт. 8); 6) при изображении каркаса или сетки одинаковые стержни, расположенные на равных расстояниях, наносят только по концам каркаса или сетки, а также в местах изменения шага стержней. При этом под полкой линии-выноски с обозначением позиции стержня указывают их шаг в соответствии с черт. 7; 7) в сложной схеме армирования допускается позиции указывать у обоих концов одного и того же арматурного изделия или отдельного стержня в соответствии с черт. 8; 8) размеры гнутых стержней указывают по наружным, а хомутов - по внутренним граням в соответствии с черт. 9.
Распределительную арматуру (поз. 6)
укладывать Черт. 5
Черт. 6
Черт. 7
Черт. 8
Черт. 9 3.3.14. Допускается чертежи на простые детали, непосредственно входящие в состав монолитной железобетонной конструкция, не выполнять, а все необходимые данные для их изготовления приводить в спецификации и, при необходимости, помещать изображения этих деталей на чертеже монолитной конструкции. При большом количестве деталей данные, необходимые для их изготовления, приводят в ведомости по форме 6. Пример заполнения ведомости приведен в приложении 11. Форма 6 Ведомость деталей 3.4. Спецификации к схемам расположения элементов конструкций 3.4.1. Спецификацию к схеме расположения элементов конструкций составляют по форме 7 или 8 приложения 7 ГОСТ 21.101. 3.4.2. Спецификацию к схеме расположения сборных конструкций заполняют по разделам: 1) элементы сборных конструкций; 2) монолитные участки; 3) стальные и другие изделия. 3.4.3. Спецификацию монолитной конструкции, состоящей из нескольких элементов, на каждый из которых выполняют отдельную схему армирования, составляют по разделам на каждый элемент. 3.4.4. Наименование каждого раздела спецификации монолитной конструкции указывают в виде заголовка в графе «Наименование» и подчеркивают. В наименования разделов включают марку элемента и через тире - количество элементов на монолитную конструкцию. Примеры: 1. Балки Бм1 - шт. 2. 2. Плита Пм1 - шт. 1. Каждый раздел спецификации монолитной конструкции состоит из подразделов, которые располагают в следующей последовательности: 1. Сборочные единицы. 2. Детали. 3. Стандартные изделия. 4. Материалы. В раздел «Сборочные единицы» записывают элементы, непосредственно входящие в специфицируемую монолитную конструкцию, в следующей последовательности: 1. Каркасы пространственные. 2. Каркасы плоские. 3. Сетки. 4. Изделия закладные. В подраздел «Материалы» записывают материалы, непосредственно входящие в специфицируемую конструкцию (например, бетон). 4. РАБОЧАЯ ДОКУМЕНТАЦИЯ
| |||||||||||||||||||||||||||||||||||||||||||||||||||||||||||||||||||||||||||||||||||||||||||||||||||||||||||||||||||||||||||||||||||||||||||||||||||||||||||||||||||||||||||||||||||||||||||||||||||||||||||||||||||||||||||||||||||||||||||||||||||||||||||||||||||||||||||||||||||||||||||||||||||||||||||||||||||||||||||||||||||||||||||||||||||||||||||||||||||||||||||||||||||||||||||||||||||||||||||||||||||||||||||||||||||||||||||||||||||||||||||||||||||||||||||||||||||||||||||||||||||||||||||||||||||||||||||||||||||||||||||||||||||||||||||||||||||||||||||||||||||||||||||||||||||||||||||||||||||||||||||||||||||||||||||||||||||||||||||||||||||||||||||||||||||||||||||||||||||||||||||||||||||||||||||||||||||||||||||||||||||||||||||||||||||||||||||||||
|
Наименование |
Изображение |
|
|
В плане |
В разрезе |
|
|
1. Перегородка из стеклоблоков Примечание. На чертежах в масштабе 1:200 и мельче допускается обозначение всех видов перегородок одной сплошной толстой основной линией |
|
|
|
2. Проемы |
|
|
|
|
|
|
|
2.2. Проем, подлежащий пробивке в существующей стене, перегородке, покрытии, перекрытии |
|
|
|
2.3. Проем в существующей стене, перегородке, покрытии, перекрытии, подлежащий заделке Примечание. В поясняющей надписи вместо многоточия указывают материал закладки |
|
|
|
2.4. Проемы: |
|
|
|
|
|
|
|
б) с четвертью |
|
|
|
в) в масштабе 1:200 и мельче, а также для чертежей элементов конструкции заводского изготовления |
|
|
|
3. Пандус Примечание. Уклон пандуса указывают в плане в процентах (например 10,5 %) или в виде отношения высоты и длины (например 1:7). Стрелкой на плане указано направление спуска. |
|
|
|
4. Лестницы |
|
|
|
|
|
|
|
а) вертикальная |
|
|
|
б) наклонная |
|
|
|
4.2. Лестница: |
|
|
|
а) нижний марш |
|
|
|
б) промежуточные марши |
|
В масштабе
1:100 и мельче, |
|
в) верхний марш Примечание. Стрелкой указано направление подъема марша |
|
|
|
|
||
|
6. Отмостка |
|
|
|
|
|
|
|
|
|
|
|
сплошного сечения двухветвевая |
|
|
|
б) металлическая: |
|
|
|
сплошностенчатая |
|
|
|
двухветвевая Примечание. Изображение А - для колонн без консоли, Б и В - для колонн с консолью |
||
|
8. Ферма |
|
|
|
Примечание. Изображение А - для фермы железобетонной, Б - для фермы металлической |
||
|
9. Плита, панель |
|
|
|
10. Связь металлическая: |
|
|
|
|
|
|
|
вертикальная |
|
|
|
горизонтальная |
|
|
|
|
|
|
|
в) тяжи |
|
|
|
11. Двери, ворота |
|
|
11.1. Дверь однопольная |
|
|
11.2. Дверь двупольная |
|
|
|
|
|
11.4. То же, двупольная |
|
|
11.5. Дверь однопольная с качающимся полотном (правая или левая) |
|
|
11.6. Дверь двупольная с качающимися полотнами |
|
|
11.7. Дверь (ворота) откатная однопольная |
|
|
11.8. Дверь (ворота) раздвижная двупольная |
|
|
|
|
|
|
|
|
11.11. Дверь вращающаяся |
|
|
11.12. Ворота подъемно-поворотные |
|
|
12. Переплеты оконные |
|
|
|
|
|
12.2. То же, открывающийся наружу |
|
|
|
|
|
12.4. То же, открывающийся наружу |
|
|
12.5. Переплет с верхний подвесом, открывающийся внутрь |
|
|
12.6. То же, открывающийся наружу |
|
|
|
|
|
12.8. То же, вертикальным |
|
|
12.9. Переплет раздвижной |
|
|
12.10. Переплет с подъемом |
|
|
12.11. Переплет глухой |
|
|
12.12. Переплет с боковым подвесом или с нижним подвесом, открывающийся внутрь Примечание. Вершину знака (изображенного штрихами) направлять к обвязке, на которую не навешивают переплет |
|
|
13. Арматурные изделия |
|
|
13.1. Обычная арматура |
|
|
13.1.1. Арматурный стержень: |
|
|
а) вид сбоку |
|
|
б) сечение |
|
|
13.1.2. Арматурный стержень с анкеровкой: |
|
|
а) с крюками |
|
|
|
|
|
13.1.3. Анкерные кольцо или пластина |
|
|
Вид с торца |
|
|
13.1.4. Арматурный стержень с отгибом под прямым углом, идущим в направлении от читателя |
|
|
То же, в документации, предназначенной для микро-фильмирования, и там, где стержни расположены друг к другу очень близко |
|
|
13.1.5. Арматурный стержень с отгибом под прямым углом, идущим в направлении к читателю |
|
|
13.2. Предварительно напряженная арматура |
|
|
13.2.1. Предварительно напряженные арматурный стержень или трос: |
|
|
а) вид сбоку |
|
|
б) сечение |
|
|
13.2.2. Поперечное сечение арматуры с последующим натяжением, расположенной в трубе или канале |
|
|
13.2.3. Анкеровка у напрягаемых концов |
|
|
13.2.4. Заделанная анкеровка |
|
|
Вид с торца |
|
|
13.2.5. Съемное соединение |
|
|
13.2.6. Фиксированное соединение Примечание. Допускается предварительно напряженную арматуру показывать сплошной очень толстой линией |
|
|
13.3. Арматурные соединения |
|
|
13.3.1. Один плоский каркас или сетка: |
|
|
а) условно |
|
|
б) упрощенно (поперечные стержни наносят по концам каркаса или в местах изменения шага стержней) |
|
|
13.3.2. Несколько одинаковых плоских каркасов или сеток Примечание. Арматурные и закладные изделия изображают очень толстой сплошной линией |
|
|
14. Соединения и крепежные детали элементов деревянных конструкций |
|
|
14.1. На шпонках |
|
|
14.2. На скобах |
|
|
14.3. На коннекторах |
|
|
14.4. Соединение на нагелях: |
|
|
а) пластинчатых |
|
|
б) круглых |
|
|
14.5. Соединения на шайбах Примечания: 1. Изображения крепежных деталей выполняют в соответствии с ГОСТ 2.315. 2. Условные изображения и обозначения швов сварных соединений выполняют по ГОСТ 2.312 |
|
|
Наименование |
Изображение в масштабах |
|
|
1:50 и 1:100 |
1:200 |
|
|
15. Каналы дымовые и вентиляционные |
|
|
|
15.1. Вентиляционные шахты и каналы |
|
|
|
15.2. Дымовые трубы (твердое топливо) |
|
|
|
|
|
|
|
15.3. Дымовые трубы (жидкое топливо) |
|
|
|
15.4. Газоотводные трубы |
|
|
Справочное
Пример выполнения плана одноэтажного производственного здания

Пример выполнения плана этажа жилого дома

Справочное
Пример заполнения ведомости перемычек

Примечание. Схема сечения может быть дополнена отметками низа перемычек и ориентацией расположения перемычек по отношению к координационным осям.
Пример заполнения спецификации элементов перемычек
|
Поз. |
Обозначение |
Наименование |
Кол. на этаж |
Масса ед., кг |
Примеч. |
|||
|
1 |
2 |
3 |
Всего |
|||||
|
1 |
ГОСТ |
2ПБ19-3 |
16 |
8 |
4 |
28 |
81 |
|
|
2 |
5ПБ18-27 |
5 |
2 |
1 |
8 |
250 |
|
|
|
3 |
3ПБ18-8 |
3 |
2 |
1 |
6 |
119 |
|
|
Пример выполнения спецификации элементов заполнения проемов
|
Поз. |
Обозначение |
Наименование |
Кол. по фасадам |
Масса ед., кг |
Примеч.* |
||||
|
1-10 |
10-1 |
Л-А |
А-Л |
Всего |
|||||
|
|
1.436.3-16 |
Окна |
|
|
|
|
|
|
|
|
1 |
ОГД 18.12-2 |
10 |
|
9 |
|
19 |
|
1200 |
|
|
2 |
ОТД 18.18-2 |
10 |
|
|
|
10 |
|
1800 |
|
|
3 |
ОГД 18.18-2 |
10 |
13 |
9 |
13 |
45 |
|
||
|
4 |
ОГД 24.18-2 |
|
15 |
9 |
14 |
38 |
|
2400 |
|
|
5 |
ОГД 24.12-2 |
3 |
|
|
|
3 |
|
||
|
|
|
Жалюзийные решетки |
|
|
|
|
|
|
|
|
6 |
3453-1-КЖ.И5 |
РШ1 |
|
|
|
1 |
1 |
|
2400 |
|
7 |
РШ2 |
|
1 |
|
|
1 |
|
5000 |
|
|
|
|
Дверные блоки |
|
|
|
|
|
|
|
|
8 |
ГОСТ 14624-84 |
ДВГ21-15 |
4 |
2 |
|
|
6 |
|
2070 |
|
9 |
ДВГ24-15 |
1 |
|
|
|
1 |
|
2370 |
|
|
10 |
ГОСТ 6629-88 |
ДУ24-10 |
2 |
1 |
|
|
3 |
|
|
|
11 |
ГОСТ 24584-81 |
ДАО24-10ВЛ |
8 |
|
|
|
8 |
|
|
|
12 |
ТУ 36-1965-16 |
Ворота 3,6´3,6 |
2 |
|
|
|
2 |
|
3600 |
_________
* В графе приведена высота проема.
Справочное
Пример выполнения разреза одноэтажного
производственного здания
Разрез 1-1

Пример выполнения разреза многоэтажного
производственного здания
Разрез 2-2

Пример выполнения разреза жилого дома
Разрез 1-1

Справочное
Пример выполнения фасада и фрагмента фасада
производственного здания
Фасад 1-22.

Фрагмент 3 фасада

Пример выполнения фасада жилого дома
Фасад 10-5

Справочное
Пример выполнения плана полов

Справочное
Пример выполнения плана кровли

Справочное
Пример выполнения схемы расположения элементов,
сборных перегородок
Схема ...

Справочное
Пример выполнения схемы расположения элементов
заполнения оконного проема
ОК-2

Справочное
ПРИМЕРЫ ВЫПОЛНЕНИЯ СХЕМ РАСПОЛОЖЕНИЯ ЭЛЕМЕНТОВ СБОРНЫХ КОНСТРУКЦИЙ
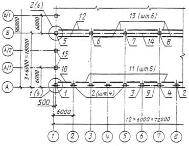
Схема расположения элементов фундаментов
и фундаментных балок

Схема расположения колонн и подкрановых балок

Схема расположения плит покрытия

Схема расположения панелей стен

Схема расположения панелей стен, перегородок и других
элементов жилого дома

Схема расположения колонн, ригелей и балок
перекрытия на отм. ...

1 - 1

Справочное
Пример заполнения ведомости деталей

Справочное
ПРИМЕР ЗАПОЛНЕНИЯ ВЕДОМОСТИ РАСХОДА СТАЛИ, КГ
|
Марка элемента |
Напрягаемая арматура класса |
Изделия арматурные |
Изделия закладные |
|||||||||||||||||
|
Арматура класса |
Всего |
Арматура класса |
Прокат марки |
Всего |
||||||||||||||||
|
А-IV |
Итого |
А-III |
Вp-I |
A-III |
ВСт3кп2 |
|||||||||||||||
|
ГОСТ 5781-82 |
ГОСТ 5781-82 |
ГОСТ 6727-80 |
ГОСТ 5781-82 |
ГОСТ 103-76 |
ГОСТ 8510-86 |
|||||||||||||||
|
Æ14 |
Æ16 |
Æ20 |
Æ6 |
Æ8 |
Æ10 |
Итого |
Æ5 |
Итого |
Æ16 |
Æ20 |
Итого |
-5´14 |
-5´16 |
Итого |
L75´50´5 |
Итого |
||||
|
2БФ6- |
- |
- |
30,4 |
30,4 |
4,7 |
- |
9,3 |
14,0 |
4,0 |
4,0 |
18,0 |
25,1 |
- |
25,1 |
5,5 |
13,8 |
19,3 |
40,3 |
40,3 |
84,7 |
|
2БФ6- |
14,8 |
- |
- |
14,8 |
- |
4,7 |
2,0 |
6,7 |
7,1 |
7,1 |
13,8 |
30,6 |
15,3 |
45,9 |
2,8 |
- |
2,8 |
45,3 |
45,3 |
94,0 |
|
2БФ6- |
- |
18,0 |
- |
18,0 |
4,7 |
- |
8,7 |
13,4 |
4,0 |
4,0 |
17,4 |
41,2 |
15,8 |
57,0 |
3,2 |
- |
3,2 |
38,1 |
38,1 |
98,3 |
Справочное
ПРИМЕР ВЫПОЛНЕНИЯ ГРУППОВОГО РАБОЧЕГО ДОКУМЕНТА НА СЕТКИ

|
Марка изделия |
Поз. дет. |
Наименование |
Кол. |
Масса |
Масса изделия, кг |
|
С1 |
1 |
Æ16А-III l = 3050 |
7 |
4,8 |
36,9 |
|
2 |
Æ8А-I l = 650 |
11 |
0,3 |
||
|
С2 |
1 |
Æ12А-III l = 2150 |
6 |
1,9 |
12,2 |
|
2 |
Æ6А-I l =550 |
8 |
0,1 |
||
|
С3 |
1 |
Æ10А-III l = 1550 |
6 |
1,0 |
5,5 |
|
2 |
Æ6А-I l = 550 |
6 |
0,1 |
||
|
С4 |
3 |
Æ16А-III l = 3500 |
1 |
5,5 |
20,6 |
|
4 |
Æ16А-III l = 3400 |
1 |
5,4 |
||
|
5 |
Æ16А-III l = З050 |
1 |
4,8 |
||
|
6 |
Æ8А-I l = 350 |
1 |
0,1 |
||
|
7 |
08А-I l = 65О |
16 |
0,3 |
||
|
С5 |
3 |
Æ12А-III l = 2500 |
1 |
2,2 |
7,3 |
|
|
4 |
Æ12А-III l = 2400 |
1 |
2,1 |
|
|
|
5 |
Æ12А-III l = 2050 |
1 |
1,8 |
|
|
|
6 |
Æ6А-I l = 350 |
1 |
0,1 |
|
|
|
7 |
Æ6А-I l = 650 |
11 |
0,1 |
1. Арматура - по ГОСТ 5781-82.
2. Предельные отклонения от размеров стержней и выпусков - 2 мм.
Справочное
ПРИМЕРНЫЙ ПЕРЕЧЕНЬ МЕТАЛЛИЧЕСКИХ ИЗДЕЛИЙ,
НА КОТОРЫЕ РАБОЧИЕ ЧЕРТЕЖИ ВЫПОЛНЯЮТ В СОСТАВЕ РАБОЧИХ ЧЕРТЕЖЕЙ ЖЕЛЕЗОБЕТОННЫХ
КОНСТРУКЦИЙ
1. Наружные металлические лестницы шириной не более 1,0 м.
2. Косоуры лестниц с железобетонными ступенями и площадками.
3. Ограждение: на кровле, площадок, проемов, приямков, лестниц (железобетонных, металлических).
4. Щиты над каналами шириной до 1,0 м с нагрузкой не более 20 кПа (3000 кгс/м2).
5. Щиты над проемами, (например, монолитными) площадью до 2 м2 с нагрузкой не более 20 кПа (2000 кгс/м2).
6. Конструкции козырьков выносом не более 1,5 м.
7. Металлические элементы железобетонных конструкций (например, отдельные металлические балки, соединительные изделия, анкеры, выпуски, между железобетонными плитами, металлическая гидроизоляция стен, профилированный настил, используемый в качестве опалубки).
8. Другие металлические изделия, конструкции, параметры которых аналогичны перечисленным в п.п. 1-7.
Справочное
ПРИМЕР ВЫПОЛНЕНИЯ ЧЕРТЕЖА
ИНДИВИДУАЛЬНОГО ИЗДЕЛИЯ

Справочное
ПРИМЕР ВЫПОЛНЕНИЯ ЧЕРТЕЖА ТИПОВОГО ИЗДЕЛИЯ С ДОПОЛНИТЕЛЬНЫМИ ЗАКЛАДНЫМИ ИЗДЕЛИЯМИ

ИНФОРМАЦИОННЫЕ ДАННЫЕ
ССЫЛОЧНЫЕ НОРМАТИВНО-ТЕХНИЧЕСКИЕ ДОКУМЕНТЫ
|
Обозначение НТД, на который дана ссылка |
Номер пункта, перечисления, приложения |
|
ГОСТ 2.108-68 |
4.10 |
|
4.1 |
|
|
4.1; 4.10, |
|
|
Приложение 1 |
|
|
" |
|
|
1.2 |
|
|
1.4 |
|
|
1.1; 1.2; 2.1, перечисление 10; 2.2.1; 2.2.2; 2.3.6, перечисление 2; 3.2; 3.4.1 |
|
|
1.4 |
|