ИНФОСАЙТ.ру
Госты, стандарты, нормативы. В библиотеке 60000 документов. Регулярное обновление. Круглосуточный бесплатный доступ!
БИБЛИОТЕКА ГОСТОВ, СТАНДАРТОВ И НОРМАТИВОВ

:: АЛГОТРЕЙДИНГ ::


АЛГОТРЕЙДИНГ
шаг за шагом


БЕСПЛАТНЫЕ УРОКИ по созданию торговых роботов на PYTHON с нуля, шаг за шагом.


Минимальные знания на PYTHON.
Библиотеки BackTrader и Pandas, сигналы с Pine Script из TradingView.
Связка с брокерами, телеграм.
Создание простых интерфейсов.

 

Все документы, представленные в каталоге, не являются их официальным изданием и предназначены исключительно для ознакомительных целей. Электронные копии этих документов могут распространяться без всяких ограничений. Вы можете размещать информацию с этого сайта на любом другом сайте.


ВСЕРОССИЙСКИЙ НАУЧНО-ИССЛЕДОВАТЕЛЬСКИЙ
ИНСТИТУТ МЕТРОЛОГИЧЕСКОЙ СЛУЖБЫ
(ВНИИМС)

РЕКОМЕНДАЦИЯ

ГОСУДАРСТВЕННАЯ СИСТЕМА ОБЕСПЕЧЕНИЯ ЕДИНСТВА ИЗМЕРЕНИЙ

АППАРАТУРА ВИБРОКОНТРОЛЯ

МЕТОДИКА ПОВЕРКИ

МИ 2478-98

МОСКВА

РАЗРАБОТАНА Научно-производственным объединением «Измерительная техника» и Государственным научным метрологическим центром Всероссийский научно-исследовательский институт метрологической службы (ГНМЦ ВНИИМС)

ИСПОЛНИТЕЛИ:               Дунаевский В.П., к.т.н.;

Субботин М.И., к.т.н.;

Юрьева Л.А.

Манохин А.Е., к.т.н. (ВНИИМС)

УТВЕРЖДЕНА                    ГНМЦ ВНИИМС

ЗАРЕГИСТРИРОВАНА     ГНМЦ ВНИИМС

СОДЕРЖАНИЕ

1. Операции поверки. 2

2. Средства поверки. 3

3. Требования к квалификации поверителей. 3

4. Требования безопасности. 3

5. Условия поверки и подготовка к ней. 3

6. Проведение поверки. 4

6.1. Внешний осмотр. 4

6.2. Опробование. 4

6.3. Определение сопротивления изоляции. 7

6.4. Определение метрологических характеристик. 8

7. Оформление результатов поверки. 16

Приложение 1 Требования к конструкции переходника для крепления к поверочной виброустановке. 16

Приложение 2 Требования к электронному вольтметру. 17

Приложение 3 Форма оборотной стороны свидетельства о поверке виброизмерительного преобразователя. 17

 

Государственная система обеспечения единства измерений

АППАРАТУРА ВИБРОКОНТРОЛЯ.

МЕТОДИКА ПОВЕРКИ

МИ 2478-98

Настоящая рекомендация распространяется на аппаратуру виброконтроля и вибропреобразователи, входящие в аппаратуру, и устанавливает методику их первичной и периодической поверок.

Типы аппаратуры виброконтроля и вибропреобразователей, входящих в нее, приведены в табл. 1.

Межповерочный интервал - не более 1 года.

Таблица 1

Тип аппаратуры виброконтроля

Тип вибропреобразователей, входящих в комплект аппаратуры

СВКА 1

АНС 202; АНС 202-03

СВКА 1-01

АНС 202-03

СВКА 1-02

AНC 066-01; АНС 260-01

СВКА 1-03

ABC 070-01

СИВКА

AНC 252

СИВКА-01

АНС 252; АНС 258

СИВКА-02

АНС 258

1. ОПЕРАЦИИ ПОВЕРКИ

1.1. Операции, проводимые при поверке вибропреобразователей, приведены в табл. 2.

1.2. Операции, проводимые при поверке аппаратуры виброконтроля приведены в табл. 3.

1.3. В аппаратуре виброконтроля СИВКА поверяют три однокомпонентных вибропреобразователя АНС 252 (горизонтально-поперечная, горизонтально-осевая и вертикальная составляющие).

1.4. В аппаратуре виброконтроля СИВКА-01 поверяют однокомпонентный вибропреобразователь (вертикальная составляющая) АНС 252 и трехкомпонентный вибропреобразователь AНC 258 (горизонтально-поперечная, горизонтально-осевая составляющие).

1.5. В аппаратуре виброконтроля СИВКА-02 поверяют трехкомпонентный вибропреобразователь АНС 258 (горизонтально-поперечная, горизонтально-осевая и вертикальная составляющие).

1.6. В аппаратуре СВКА 1 поверяют два вибропреобразователя АНС 202 и четыре вибропреобразователя АНС 202-03 (шесть каналов).

1.7. В аппаратуре СВКА 1-01 поверяют шесть вибропреобразователей АНС 202-03 (шесть каналов).

1.8. В аппаратуре СВКА 1-02 поверяют два вибропреобразователя АНС 066-01 и один вибропреобразователь АНС 260-01 (три канала).

1.9. В аппаратуре СВКА 1-03 поверяют один вибропреобразователь ABC 070-01 (один канал).

Таблица 2

Наименование операции

Номер пункта рекомендации

Проведение операции при

первичной поверке

периодической поверке

1. Внешний осмотр

6.1.1

Да

Да

2. Опробование

6.2.1

Да

Да

3. Определение электрического сопротивления изоляции

6.3.1

Да

Да

4. Определение емкости*

6.4.1

Да

Нет

5. Определение коэффициента преобразования

6.4.2

Да

Да

6. Определение относительного коэффициента поперечного преобразования

6.4.3

Да

Нет

7. Определение неравномерности амплитудно-частотной характеристики (АЧХ)

6.4.4

Да

Да

8. Определение нелинейности амплитудной характеристики (АХ) и основной погрешности

6.4.5

Да

Нет

9. Определение тока потребления**

6.4.6

Да

Да

10. Определение постоянной составляющей выходного напряжения**

6.4.7

Да

Да

11. Определение частоты установочного резонанса*

- в основном направлении

- в поперечном направлении

6.4.8

Да

Нет

* Не определяют для вибропреобразователя АНС 202 со встроенным непосредственно в корпусе вибропреобразователя преобразователем, представляющим активный RC-фильтр нижних частот.

** Определяют только для вибропреобразователя АНС 202.

Таблица 3

Наименование операции

Номер пункта рекомендации

Проведение операции при

первичной поверке

периодической поверке

1. Внешний осмотр

6.1.2

Да

Да

2. Опробование

6.2.2

Да

Да

3. Определение электрического сопротивления изоляции

6.3.2

Да

Да

4. Проверка функционирования в режиме контроля работоспособности*

6.4.9

Да

Да

5. Определение погрешности срабатывания предупредительной и аварийной сигнализации*

6.4.10

Да

Да

6. Определение основной погрешности

6.4.11

Да

Да

7. Определение неравномерности амплитудно-частотной характеристики (АЧХ)

6.4.12

Да

Да

* Не определяют для аппаратуры виброконтроля СВКА 1-03.

2. СРЕДСТВА ПОВЕРКИ

2.1. Основные и вспомогательные средства поверки аппаратур виброконтроля и вибропреобразователей, входящих в их комплект, приведены в табл. 4.

2.2. Допускается применять другие средства поверки, удовлетворяющие по метрологическим характеристикам требованиям настоящей рекомендации.

3. ТРЕБОВАНИЯ К КВАЛИФИКАЦИИ ПОВЕРИТЕЛЕЙ

3.1. К поверке аппаратуры виброконтроля и вибропреобразователей, входящих в их комплект, допускают лиц, аттестованных в качестве поверителей и изучивших эксплуатационную документацию (ЭД) на поверяемые средства и настоящую рекомендацию.

Таблица 4

Номер пункта рекомендации

Наименование основного или вспомогательного средства поверки; номер документа, регламентирующего технические требования к средству; разряд по государственной поверочной схеме и (или) метрологические и основные технические характеристики

6.1.1; 6.1.2; 6.4.9

-

6.2.1

Осциллограф, погрешность измерений ±5 %

Источник питания постоянного тока Б5-45А

Рг3.233.001 ТУ

6.2.2

Прибор измерительный цифровой универсальный типа ЦУИП по ГОСТ 5.1104, погрешность измерений по напряжению ±0,05 %; по току ±1,5 %; электронный вольтметр средних квадратических значений, класс точности не менее 1 в соответствии с приложением 2 настоящей рекомендации

6.3.1; 6.3.2

Тераомметр по ГОСТ 23706; погрешность измерений ±2,5 %; до 109 Ом

6.4.1

Измерительный мост переменного тока по ГОСТ 9486; погрешность измерений ±5 %

6.4.2; 6.4.3; 6.4.4; 6.4.5

Поверочная вибрационная установка в соответствии с МИ 2070-90; электронный вольтметр средних квадратических значений, класс точности не менее 1; усилитель заряда 2650 фирмы «Брюль & Къер»; прибор комбинированный 43101 ТУ 25-0443.0118; источник питания постоянного тока Б5-45А Рг3.233.001 ТУ

6.4.6; 6.4.7

Источник питания постоянного тока Б5-45А

Рг3.233.001 ТУ;

прибор комбинированный 43101 ТУ 25-0443.0118

6.4.8

Осциллограф запоминающий С8-13, погрешность 1,5 %; поверочная вибрационная установка в соответствии с МИ 2070-90; усилитель заряда 2650 фирмы «Брюль & Къер»; электронный вольтметр, класс точности 1; осциллограф, погрешность измерений ±5 %

6.4.10; 6.4.11; 6.4.12

Поверочная вибрационная установка в соответствии с МИ 2070-90;

электронный вольтметр средних квадратических значений, класс точности не менее 1;

прибор измерительный цифровой универсальный типа ЦУИП по ГОСТ 5.1104, погрешность измерения по напряжению ±0,05 %; по току ±1,5 %

4. ТРЕБОВАНИЯ БЕЗОПАСНОСТИ

4.1. При проведении поверки выполняют:

- «Правила техники безопасности при эксплуатации электроустановок»;

- заземление поверяемых средств голым медным проводом сечением не менее 1,5 мм2;

- отключение напряжения при внешних присоединениях.

5. УСЛОВИЯ ПОВЕРКИ И ПОДГОТОВКА К НЕЙ

5.1. При проведении поверки соблюдают следующие условия:

- температура окружающего воздуха () °C;

- атмосферное давление (101±4) кПа;

- относительная влажность (60±20) %;

- частота переменного тока сети питания (50±0,5) Гц;

- уровень звукового давления, не более 60 дБ;

- отклонение напряжения питания от номинального значения, указанного в ЭД, не более ±10 %.

Уровень внешних электрических и магнитных полей, а также действие вибрации в месте проведения поверки не должны вызывать заметного отклонения выходного сигнала аппаратуры виброконтроля.

5.2. Подготовку к поверке и крепление поверяемых вибропреобразователей к вибростенду поверочной виброустановки осуществляют в соответствии с требованиями ЭД.

6. ПРОВЕДЕНИЕ ПОВЕРКИ

6.1. Внешний осмотр

6.1.1. При внешнем осмотре вибропреобразователя устанавливают:

- отсутствие механических повреждений корпуса, соединительного кабеля и соединителя, которые могут повлечь за собой выход из строя вибропреобразователя;

- наличие маркировки, соответствующей требованиям, установленным в нормативной документации (НД) или ЭД;

- отсутствие внешних загрязнений на установочной поверхности вибропреобразователя;

- отсутствие видимых дефектов резьбовых соединений.

6.1.2. При внешнем осмотре аппаратуры виброконтроля устанавливают:

- отсутствие механических повреждений на основаниях и корпусах составных частей аппаратуры, которые могут повлечь за собой выход из строя последних;

- наличие маркировки, соответствующей требованиям, установленным в НД или ЭД;

- отсутствие грязи и смазки на соединителях.

6.2. Опробование

6.2.1. При опробовании вибропреобразователя:

- устанавливают вибропреобразователь на металлической планке толщиной не менее 5 мм;

- подключают вибропреобразователь соединительным кабелем ко входу осциллографа в соответствии со схемами подключения (рис. 1 - 4);

- включают и прогревают осциллограф;

- наносят серию легких ударов с расстояния 150 мм по планке с помощью молоточка (массой от 50 г до 60 г и длиной ручки от 200 до 300 мм), при этом направление удара должно совпадать с направлением оси чувствительности вибропреобразователя;

- контролируют выходной сигнал на экране осциллографа. Наличие затухающих колебаний на экране осциллографа после удара служит критерием исправности вибропреобразователя.

6.2.2. При опробовании аппаратуры виброконтроля:

- собирают и подключают аппаратуру виброконтроля в соответствии со схемами проверки на функционирование (рис. 5 - 8);

- устанавливают любым способом вибропреобразователь одного из каналов аппаратуры виброконтроля на металлической планке толщиной не менее 5 мм;

- наносят серию легких ударов по планке с помощью молоточка, как указано в п. 6.2.1;

- контролируют изменение выходного сигнала аппаратуры виброконтроля;

- повторяют указанные выше операции по каждому каналу.

Наличие изменения выходного сигнала аппаратуры виброконтроля по каждому каналу служит критерием исправности аппаратуры.

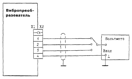
Схема подключения вибропреобразователей АНС 066-01, АНС 252, АНС 260-01, ABC 070-01

Х1 - розетка 2РМ14КПН4Г181 Ге0.364.126 ТУ

для АНС 252:

Х1 - розетка РС4ТВ с кожухом АВО.364.047 ТУ

Рис. 1

Схема подключения вибропреобразователя АНС 202

Рис. 2

Схема подключения вибропреобразователя АНС 202-03

Рис. 3

Схема подключения вибропреобразователя АНС 258

Рис. 4

Схема проверки устройства СВКА 1, СВКА 1-01 на функционирование

Рис. 5

Схема проверки устройства СВКА 1-02 на функционирование

Рис. 6

Схема проверки устройства СВКА 1-03 на функционирование

Рис. 7

Схема проверки выходного сигнала устройств СИВКА…СИВКА-02

Рис. 8

6.3. Определение сопротивления изоляции

6.3.1. Определение электрического сопротивления изоляции вибропреобразователя

6.3.1.1. Перед определением электрического сопротивления изоляции снимают статический заряд с вибропреобразователя путем короткого замыкания сигнального контакта соединительного (технологического) кабеля с общим проводом. Соединительный кабель должен отвечать требованиям, установленным в НД на вибропреобразователь.

6.3.1.2. Вибропреобразователь с соединительным кабелем подключают ко входу тераомметра. Рабочее напряжение тераомметра указано в табл. 5 (гр. 4). Измеряют электрическое сопротивление изоляции между контактами соединителя или соединительного узла (для АНС 202, АНС 202-03) в соответствии с табл. 5 (гр. 2). Повторяют операцию снятия статического заряда с вибропреобразователя.

6.3.1.3. Если вибропреобразователь имеет электрическое сопротивление изоляции менее значения, указанного в ЭД, то вибропреобразователь считают неисправным и поверку прекращают.

6.3.2. Определение электрического сопротивления изоляции электрически разобщенных цепей аппаратуры виброконтроля

6.3.2.1. Выводы тераомметра подключают к корпусу электронного блока и контактам клеммника «ПИТАНИЕ» (для СИВКА…СИВКА-02) или соединителя «27 В» (для СВКА 1…СВКА 1-03), расположенных на задней или боковой панели блока электронного, и проводят замеры.

Рабочее напряжение тераомметра для СИВКА…СИВКА-02 - 100 В, для СВКА 1...СВКА 1-03 - 10 В.

6.3.2.2. Если аппаратура виброконтроля имеет электрическое сопротивление изоляции менее значения, указанного в ЭД, то ее считают неисправной и поверку прекращают.

Таблица 5

Шифр вибропреобразователя

Контакты соединителя или соединительного узла при измерении

Рабочее напряжение тераомметра

сопротивления изоляции

емкости

1

2

3

4

АНС 202

6 (корпус) и 3 (общий)

6 (корпус) и 1 (+15 В)

6 (корпус) и 2 (-15) В

-

100 В

АНС 202-03

4 (корпус) и 3 (общий)

4 (корпус) и 1 (вых. 1)

4 (корпус) и 2 (вых. 2)

1 и 3; 2 и 3, при этом 3 и 4 соединить

100 В

АНС 258

4 и 1; 4 и 2; 4 и 3

1 и 4; 2 и 4; 3 и 4

10 В

АНС 252

3 и 4; 3 и 1; 1 и 4

3 и 4, при этом 4 и 1 соединить

10 В

АНС 260-01

то же

то же

100 В

АНС 066-01

то же

то же

10 В

ABC 070-01

то же

то же

10 В

6.4. Определение метрологических характеристик

6.4.1. Определение емкости вибропреобразователя

6.4.1.1. Вибропреобразователь с соединительным кабелем подключают ко входу измерительного моста переменного тока. Измеряют электрическую емкость вибропреобразователя с соединительным кабелем между контактами соединителя или соединительного узла в соответствии с табл. 5. (гр. 3). Затем таким же образом определяют емкость соединительного кабеля, предварительно отсоединив его от вибропреобразователя. Емкость вибропреобразователя определяют как разность между первым и вторым измерениями.

6.4.1.2. Значение емкости вибропреобразователя должно соответствовать значению, указанному в ЭД, с учетом допуска.

6.4.2. Определение коэффициента преобразования вибропреобразователя

6.4.2.1. Поверяемый вибропреобразователь устанавливают на вибростенд поверочной виброустановки непосредственно или при помощи переходника и соединяют выход вибропреобразователя с входом электронного вольтметра в соответствии со схемами рис. 1 - 4.

Требования к конструкции переходника для крепления к поверочной виброустановке приведены в приложении 1.

Требования к электронному вольтметру приведены в приложении 2.

Вибропреобразователь устанавливают таким образом, чтобы рабочая ось вибропреобразователя совпадала с направлением колебаний (рабочее положение).

6.4.2.2. Воспроизводят виброускорение не менее 10 м/с2 на фиксированной (базовой) частоте 100±5 Гц и снимают показания вольтметра по каждому выходу вибропреобразователя. Значение виброускорения выбирают таким, чтобы отношение «сигнал-шум» на выходе вибропреобразователя было не менее 34 дБ.

Действительное значение коэффициента преобразования вибропреобразователя по напряжению определяют по формуле

, мВ/м·с-2                                                       (1)

где U - показания вольтметра, мВ; (СКЗ),

а - среднее квадратическое значение (СКЗ) виброускорения, воспроизводимое поверочной виброустановкой, м/с2.

6.4.2.3. Если коэффициент преобразования вибропреобразователя должен быть выражен в единицах заряда, то выход вибропреобразователя соединяют сначала со входом усилителя заряда (например, типа 2650 «Брюль и Къер»), а затем уже выход усилителя соединяют со входом электронного вольтметра.

Действительное значение коэффициента преобразования вибропреобразователя по заряду определяют по формуле

, пКл/м·с-2                                                    (2)

где Кус - масштабный коэффициент усилителя заряда, мВ/пКл.

6.4.2.4. Коэффициент преобразования вибропреобразователя должен находиться в пределах, указанных в ЭД.

6.4.3. Определение относительного коэффициента поперечного преобразования вибропреобразователя

6.4.3.1. Относительный коэффициент поперечного преобразования вибропреобразователя измеряют на фиксированной частоте в диапазоне от 20 до 1000 Гц. Значение виброускорения не должно превышать предельно допустимых значений для вибропреобразователя в поперечном направлении и должно выбираться таким, чтобы отношение «сигнал-шум» на выходе вибропреобразователя было не менее 14 дБ.

6.4.3.2. Поверяемый вибропреобразователь устанавливают на вибростенд поверочной виброустановки при помощи переходника (приложение 1) так, чтобы ось чувствительности вибропреобразователя была перпендикулярна к направлению колебаний, и подсоединяют вибропреобразователь к входу вольтметра.

6.4.3.3. Задав виброускорение, снимают показания электронного вольтметра при положениях вибропреобразователя, соответствующих его повороту вокруг оси чувствительности на 0; 30; 60; 90; 120; 150; 180; 210; 240; 270; 300; 330; 360°. При каждом положении вибропреобразователя значение частоты и виброускорения поддерживаются постоянными. По результатам измерений строят диаграмму в полярных координатах. Диаграмма поперечной направленности, построенная в полярных координатах по результатам измерений, имеет вид, представленный на рис. 9.

Диаграмма поперечной направленности вибропреобразователя (в полярных координатах)

Рис. 9

6.4.3.4. Относительный коэффициент поперечного преобразования Коп в процентах определяют по формуле

,                                                       (3)

или

,                                                   (4)

,                                                             (5)

где U1 и U2 - максимальные показания вольтметра, определяемые по круговой диаграмме, мВ.

6.4.4. Определение неравномерности АЧХ вибропреобразователя

6.4.4.1. Неравномерность АЧХ вибропреобразователя определяют на фиксированных частотах (не менее 10 частот) или в непрерывном спектре во всем рабочем диапазоне при значении виброускорения не менее 8 м/с2. Предпочтительными являются значения виброускорения, при которых определялся коэффициент преобразования по п. 6.3.3. Значения частот выбирают из ряда: 10,0; 12,5; 16; 20; 25; 31; 40; 50; 63; 80; 100; 125; 160; 200; 250; 315; 400; 500; 630; 800; 1000; 1250; 1600; 2000; 2500; 3150; 4000; 5000; 6300; 8000; 10000; 12500; 16000 Гц. При этом по два значения должны быть в начале и в конце частотного диапазона (обязательно наличие верхней и нижней граничной частоты). Допускается отклонение частот от значений указанного ряда при сохранении интервала между соседними частотами не более 1 октавы.

6.4.4.2. Поверяемый вибропреобразователь устанавливают на вибростенд поверочной виброустановки в рабочем положении и подключают к вольтметру в соответствии с рис. 1 - 4. Крепление вибропреобразователя к вибростенду осуществляют в соответствии с требованиями ЭД на вибропреобразователь.

Воспроизводят постоянную амплитуду виброускорения на различных частотах и снимают показания вольтметра.

Неравномерность АЧХ вибропреобразователя М в децибеллах определяют по формуле

,                                                             (6)

где Uп - максимальное или минимальное показание вольтметра, мВ;

Uб - показание вольтметра на базовой частоте 100±5 Гц, мВ.

6.4.4.3. Значение неравномерности АЧХ вибропреобразователя должно находится в пределах, указанных в ЭД.

6.4.5. Определение нелинейности АХ вибропреобразователя (погрешности от нелинейности АХ)

6.4.5.1. Нелинейность АХ вибропреобразователя определяют на одной из частот рабочего диапазона не менее, чем при пяти значениях виброускорения, одно из которых должно равняться максимально допустимому значению для вибропреобразователя, а другое - соответствовать значению виброускорения, при котором определялось значение коэффициента преобразования по п. 6.4.2. Остальные значения ускорения должны быть распределены в рабочем диапазоне приблизительно равномерно. Минимальное значение ускорения должно быть не менее 7 м/с2.

6.4.5.2. Поверяемый вибропреобразователь устанавливают на вибростенд поверочной виброустановки в рабочем положении и подключают к вольтметру. Крепление вибропреобразователя к вибростенду должно осуществляться в соответствии с требованиями ЭД на вибропреобразователь.

Воспроизводят значение частоты и виброускорения, снимают показания вольтметра. Значение задаваемых виброускорений определяют с помощью эталонного вибропреобразователя, установленного на виброустановке.

Для каждого значения виброускорения определяют отношение

,                                                                (7)

где Ui - показания вольтметра, подключенного к испытуемому вибропреобразователю, при i-ом значении виброускорения, мВ;

Uki - показания вольтметра, подключенного к эталонному вибропреобразователю, при i-ом значении виброускорения, мВ.

Среднее арифметическое полученных значений ai определяют по формуле

,                                                            (8)

где п - число точек измерений.

6.4.5.3. Нелинейность АХ δа в процентах определяют по формуле

,                                                 (9)

6.4.5.4. Значение нелинейности АХ вибропреобразователя не должно превышать значения, указанного в ЭД.

6.4.5.5. Определение основной погрешности вибропреобразователя проводят расчетом при доверительной вероятности 0,95 по формуле

,                                                (10)

где δ - основная погрешность вибропреобразователя, %;

δu - погрешность измерений выходного напряжения вибропреобразователя (определяется классом точности вольтметра и усилителя заряда), %;

δH - погрешность поверочной виброустановки (берется из описания на виброустановку), %;

δа - нелинейность АХ, %.

6.4.5.6. Основная погрешность вибропреобразователя не должна превышать значения, указанного в ЭД.

6.4.6. Определение тока потребления вибропреобразователя

Ток потребления определяют в соответствии со схемой (рис. 10) следующим образом. Устанавливают напряжение, подаваемое от источников питания Б5-45А, равным 15±1,5 В. Прибор 43101 устанавливают в режим измерений постоянного тока и измеряют ток потребления, включая прибор поочередно в цепь обоих источников питания. Ток потребления должен быть не более 6 мА.

6.4.7. Определение постоянной составляющей выходного напряжения вибропреобразователя

Постоянную составляющую выходного напряжения проверяют согласно схеме (рис. 11) следующим образом. Устанавливают напряжение, подаваемое от источников питания Б5-45А, равным 15±1,5 В и измеряют при помощи прибора 43101, включенного в режим вольтметра, постоянную составляющую выходного напряжения по обоим выходам вибропреобразователя. Постоянная составляющая выходного напряжения должна быть не более 1 В.

Схема подключения вибропреобразователя при проверке тока потребления

Рис. 10

Схема подключения вибропреобразователя при проверке постоянной составляющей выходного напряжения

Рис. 11

6.4.8. Определение частоты установочного резонанса

6.4.8.1. Если частота установочного резонанса (f0) не более 10 кГц, используют метод «1», если более 10 кГц, используют метод «2» (для ABC 070-01).

6.4.8.2. Для определения по методу «1» частоты установочного резонанса вибропреобразователя применяют поверочную вибрационную установку.

Крепление вибропреобразователя к вибростенду поверочной виброустановки осуществляют в соответствии с требованиями ЭД на вибропреобразователь. В отдельных случаях допускают применение переходника, не вносящего резонанса в диапазоне исследуемых частот.

Резонансная частота системы «вибростенд - эталонный вибропреобразователь» должна быть не менее, чем частота установочного резонанса поверяемого вибропреобразователя, умноженная на 1,2.

Вибропреобразователь устанавливают на вибростенд поверочной виброустановки, подсоединяют его к входу вольтметра. Сигнал с вибропреобразователя подают также на вход осциллографа.

Увеличивая частоту колебаний вибростенда от базовой при постоянном значении виброускорения, отмечают значение частоты, при которой показание вольтметра максимально. Это значение является частотой установочного резонанса в основном направлении.

Аналогичным образом определяют частоту установочного резонанса в поперечном направлении. Для этого устанавливают вибропреобразователь так, чтобы направление оси чувствительности было перпендикулярно направлению колебаний.

6.4.8.3. Для определения по методу «2» частоты установочного резонанса поверяемый вибропреобразователь устанавливают в рабочем положении с помощью крепежных винтов или клея ЦИАКРИН-ЭО на стальном цилиндре диаметром 57±3 мм, высотой 67±3 мм и подключают к запоминающему осциллографу С8-13. Частоту установочного резонанса определяют методом ударного возбуждения вибропреобразователя металлическим шариком диаметром 3 - 6 мм, свободно падающим с высоты 300 - 400 мм на плоскость стального цилиндра, противоположную плоскости крепления вибропреобразователя. Выходной сигнал фиксируют запоминающим осциллографом, на котором устанавливают длительность развертки 5 - 50 мкс/дел. и коэффициент отклонения 0,2 - 2 В/дел. На экране осциллографа определяют расстояние «X» в делениях шкалы, занимаемое 3 - 5 периодами пачки затухающих колебаний вибропреобразователя.

Частоту установочного резонанса f0 в герцах определяют по формуле

,                                                        (11)

где n - количество периодов,

μ - масштаб развертки, мкс/дел.

Частоту установочного резонанса в поперечном направлении определяют аналогичным образом, только вибропреобразователь устанавливают так, чтобы направление оси чувствительности было перпендикулярно направлению воздействия удара.

6.4.8.4. Значение частоты установочного резонанса вибропреобразователя должно быть не менее значения, указанного в ЭД на вибропреобразователь.

6.4.9. Проверка функционирования в режиме контроля работоспособности

6.4.9.1. Включают питание аппаратуры виброконтроля. Нажимают кнопку контроля функционирования («КОНТР» для аппаратуры СИВКА...СИВКА-02, «ПРОВ» для СВКА 1...СВКА 1-02) одного из каналов и контролируют:

- наличие светового сигнала «ИСПР» для аппаратуры СВКА 1, СВКА 1-01;

- перемещение светящегося столба газоразрядного индикатора при вращении движка переменного резистора «КОНТР» из крайнего правого положения в левое для аппаратуры СИВКА...СИВКА-02;

- уровень СКЗ виброскорости по индикатору «ВИБРОСКОРОСТЬ» - для СВКА 1-02.

6.4.9.2. Повторяют проверку функционирования в режиме контроля работоспособности по каждому каналу.

6.4.9.3. Критерием исправности аппаратуры виброконтроля служит:

- наличие светового сигнала «ИСПР» для аппаратуры СВКА 1, СВКА 1-01;

- уровень СКЗ виброскорости 50±1,5 мм/с для СВКА 1-01;

- перемещение светящегося столба по всей шкале для СИВКА...СИВКА-02;

6.4.10. Определение погрешности срабатывания предупредительной и аварийной сигнализации

6.4.10.1. Вибропреобразователь одного из каналов аппаратуры виброконтроля устанавливают на вибростенд поверочной виброустановки в рабочем положении. Включают питание аппаратуры.

6.4.10.2. При помощи потенциометра «АВАР» соответствующего канала измерений устанавливают уровень аварийной уставки, соответствующий нижнему пределу срабатывания аварийной сигнализации.

6.4.10.3. При помощи потенциометра «ПРЕД» соответствующего канала измерений устанавливают уровень предупредительной уставки, соответствующий нижнему пределу срабатывания предупредительной сигнализации.

6.4.10.4. Плавно повышая уровень вибрации и контролируя выходной сигнал измеряемого канала, устанавливают, при каком значении выходного сигнала произойдет срабатывание предупредительной и аварийной сигнализации.

6.4.10.5. Погрешность срабатывания минимального порога сигнализации определяют по формуле

,                                              (12)

где δмин - погрешность срабатывания минимального порога сигнализации, %;

Vмин - СКЗ виброскорости при срабатывании минимального порога сигнализации, мм/с;

Vном.мин - номинальный нижний порог срабатывания сигнализации, мм/с.

6.4.10.6. При помощи потенциометра «АВАР» соответствующего канала измерений устанавливают уровень аварийной уставки, соответствующий верхнему пределу срабатывания аварийной сигнализации.

6.4.10.7. При помощи потенциометра «ПРЕД» соответствующего канала измерений устанавливают уровень предупредительной уставки, соответствующий верхнему пределу срабатывания предупредительной сигнализации.

6.4.10.8. Плавно повышая уровень вибрации и контролируя выходной сигнал измеряемого канала, устанавливают, при каком значении выходного сигнала произойдет срабатывание предупредительной и аварийной сигнализации.

6.4.10.9. Погрешность срабатывания максимального порога сигнализации определяют по формуле

,                                         (13)

где δмакс - погрешность срабатывания максимального порога сигнализации, %;

Vмакс - СКЗ виброскорости при срабатывании максимального порога сигнализации, мм/с;

Vном.макс - номинальный верхний порог срабатывания сигнализации, мм/с.

6.4.10.10. Аналогичную проверку проводят для всех каналов, каждый раз устанавливая на вибростенд соответствующий вибропреобразователь или меняя положение вибропреобразователя для АНС 258.

6.4.10.11. Погрешность срабатывания сигнализации по каждому каналу не должна превышать значения, указанного в ЭД.

6.4.11. Определение основной погрешности аппаратуры виброконтроля

6.4.11.1. Основную погрешность аппаратуры виброконтроля определяют, используя схемы рис. 5 - 8. Вибропреобразователь одного из каналов аппаратуры виброконтроля устанавливают на вибростенд поверочной виброустановки в рабочем положении и подвергают вибрации на частоте 100±5 Гц с ускорением Аобрi соответствующим СКЗ виброскорости Vобрi в соответствии с табл. 6, рассчитанной для частоты 100 Гц. Если фактическое значение частоты f отличается от 100 Гц, то задаваемое ускорение должно быть равно табличному, умноженному на f/100.

Таблица 6

i

1

2

3

4

5

6

7

8

9

Voбpi, мм/с

3

5

7,5

12

15

20

25

40

50

Аoбpi, м/с2

1,8

3,1

4,7

7,5

9,4

12,6

18,8

25,1

31,4

В каждой i-ой точке измеряют значения всех видов выходного сигнала аппаратуры виброконтроля.

Для СВКА 1, СВКА 1-01, СИВКА...СИВКА-02 максимальное значение СКЗ виброскорости составляет 15 мм/с, т.е. i = 1...5; для СВКА 1-02, СВКА 1-03 - 50 мм/с, т.е. i = l...9.

Если аппаратура имеет встроенный цифровой индикатор, то при каждом i-ом значении виброскорости (виброускорения) определяют показание индикатора.

6.4.11.2. Для каждого значения измеряемого параметра определяют нелинейность выходного сигнала (погрешность от нелинейности АХ).

Для выходов по напряжению нелинейность в каждой i-ой точке δаU в процентах, определяют по формуле

,                                             (14)

где Ui, U8 - показания вольтметра на выходе аппаратуры виброконтроля при i-ом значении измеряемого параметра и значении 80 % шкалы (при 12 мм/с или 40 мм/с) соответственно, В;

Vобр8 - значение измеряемого параметра при 80 % шкалы и равное 12 мм/с или 40 мм/с;

Vобрi - значение i-ого входного сигнала, производимого поверочной виброустановкой, мм/с.

Для выхода по постоянному току нелинейность в каждой i-ой точке δaJ в процентах определяют по формуле

,                                     (15)

где Ji, J8 - показания миллиамперметра на выходе аппаратуры виброконтроля при i-ом значении измеряемого параметра и значении 80 % шкалы (при 12 мм/с или 40 мм/с) соответственно, мА;

J0 - начальное значение тока, мА;

Vобр8 - значение измеряемого параметра при 80 % шкалы, равное 12 мм/с или 40 мм/с;

Vобрi - значение i-го входного сигнала, производимого поверочной установкой, мм/с.

В каждой i-ой точке определяют разность показаний встроенного цифрового индикатора и Vобрi, которая не должна превышать 2 %.

6.4.11.3. Основную погрешность испытываемого канала аппаратуры виброконтроля δ0, %, определяют по формуле

,                                                    (16)

где δамакс - максимальное значение δav или δaJ %;

δV - основная погрешность поверочной виброустановки, %.

Основную погрешность вычисляют для каждого типа выходов отдельно.

6.4.11.4. Аналогичную проверку проводят для всех каналов, каждый раз устанавливая на вибростенд соответствующий вибропреобразователь или меняя положение вибропреобразователя для АНС 258.

6.4.11.5. Основная погрешность аппаратуры виброконтроля для каждого типа выходов по каждому каналу не должна превышать значения, указанного в ЭД.

6.4.12. Определение неравномерности амплитудно-частотной характеристики (АЧХ) аппаратуры виброконтроля

6.4.12.1. Вибропреобразователь одного из каналов аппаратуры виброконтроля устанавливают на вибростенд поверочной виброустановки в рабочем положении и подвергают воздействию вибрации на фиксированных частотах (не менее 10 частот) с амплитудой виброускорения, соответствующей на этих частотах виброскорости 5 мм/с. Значения частот выбирают из ряда, указанного в п. 6.4.4.1. При этом по два значения должны быть в начале и в конце частотного диапазона (обязательно наличие верхней и нижней граничной частоты). За базовую частоту выбирают частоту 100±5 Гц.

В каждой точке измеряют значение всех видов выходного сигнала испытываемого канала аппаратуры виброконтроля.

Неравномерность АЧХ испытываемого канала аппаратуры виброконтроля М, дБ, определяют по формулам

,                                                       (17)

,                                                       (18)

где Umax - выходное напряжение испытываемого канала аппаратуры виброконтроля, имеющее максимальное отклонение от напряжения U100, мВ;

U100 - выходное напряжение испытываемого канала аппаратуры виброконтроля на частоте 100 Гц, мВ;

Jmax - значение выходного сигнала по постоянному току испытываемого канала, имеющее максимальное отклонение от тока J100, мА;

I100 - значение выходного сигнала по постоянному току испытываемого канала на частоте 100 Гц, мА.

Если аппаратура виброконтроля имеет встроенный цифровой индикатор, то неравномерность АЧХ испытываемого канала аппаратуры определяют по формуле

,                                                       (19)

где Nmax - максимальное показание встроенного цифрового индикатора, мм/с;

N100 - показание встроенного цифрового индикатора на частоте 100 Гц, мм/с.

6.4.12.2. Аналогичную проверку проводят для всех каналов, каждый раз устанавливая на вибростенд соответствующий вибропреобразователь или меняя положение вибропреобразователя для АНС 258.

6.4.12.3. Значение неравномерности АЧХ аппаратуры виброконтроля для каждого типа выходов по каждому каналу не должно превышать значения, указанного в ЭД.

7. ОФОРМЛЕНИЕ РЕЗУЛЬТАТОВ ПОВЕРКИ

7.1. При положительных результатах поверки вибропреобразователь допускают к применению и на него выдают свидетельство о поверке по форме, установленной ПР 50.2.006.

Обратную сторону свидетельства заполняют по форме, приведенной в приложении 3.

7.2. При отрицательных результатах поверки вибропреобразователь признают негодным, свидетельство о поверке аннулируют и выдают извещение о непригодности с указанием причин по форме, установленной ПР 50.2.006.

7.3. При положительных результатах поверки аппаратуру виброконтроля допускают к применению и в паспорт на нее вносят соответствующую запись, заверенную поверительным клеймом по ПР 50.2.007.

7.4. При отрицательных результатах поверки аппаратуру виброконтроля признают негодной, в паспорт на нее вносят соответствующую запись и оттиск поверительного клейма гасят.

ПРИЛОЖЕНИЕ 1

ТРЕБОВАНИЯ К КОНСТРУКЦИИ ПЕРЕХОДНИКА ДЛЯ КРЕПЛЕНИЯ К ПОВЕРОЧНОЙ ВИБРОУСТАНОВКЕ

1. Требования к конструкции

1.1. Конструкция переходника обеспечивает такое же крепление поверяемого вибропреобразователя к вибростенду поверочной виброустановки, которое будет использоваться при работе вибропреобразователя на объекте. Крепление переходника к вибростенду обеспечивается с помощью резьбового соединения.

Примечание:

В технически обоснованных случаях для крепления вибропреобразователя к вибростенду или переходнику, кроме резьбового, допускают применение жестких клеевых соединений (Циакрин-ЭО по ТУ 6-09-30).

1.2. Конструкция переходника обеспечивает соосное расположение поверяемого и эталонного вибропреобразователя при поверке методом сличения.

1.3. Допускаемое отклонение направления оси чувствительности вибропреобразователя (эталонного и поверяемого) от направления колебаний вибростенда не должно превышать 0,5°.

1.4. Резьбовые крепления вибропреобразователя и переходника должны быть выполнены по отношению к посадочным плоскостям под углом (90±0,5)°.

1.5. Параметр шероховатости Ra контактирующих поверхностей переходника и не более 0,16 мкм.

1.6. Отклонение от плоскости контактирующих поверхностей переходника и вибропреобразователя не должно быть более 0,01.

1.7. Конструкция переходника обеспечивает минимальное расстояние между эталонным и поверяемым вибропреобразователем во избежание возникновения в этом промежутке резонансных явлений.

1.8. Масса переходника с установленным на нем поверяемым и эталонным вибропреобразователем не должна превышать массы, обусловленной грузоподъемностью вибростенда поверочной виброустановки в заданном диапазоне частот.

2. Дополнительные требования к конструкции переходника для определения относительного коэффициента поперечного преобразования

2.1. Переходник обеспечивает крепление поверяемого вибропреобразователя к вибростенду так, чтобы ось чувствительности вибропреобразователя располагалась относительно направления колебаний вибростенда под углом (90±0,5)°.

2.2. Переходник обеспечивает поворот поверяемого вибропреобразователя вокруг его оси чувствительности на 360° через 30°

2.3. Остальные требования - по п.п. 1.4 - 1.8 настоящего приложения.

ПРИЛОЖЕНИЕ 2

ТРЕБОВАНИЯ К ЭЛЕКТРОННОМУ ВОЛЬТМЕТРУ

1. Электронный вольтметр обладает входным сопротивлением Rвх, удовлетворяющим требованию

,                                                 (20)

где fб - базовая частота (п. 6.4.2), Гц;

С - емкость вибропреобразователя, определенная в п. 6.4.1., пФ.

При испытании вибропреобразователя совместно с усилителем заряда требования к Rвх не предъявляются.

2. Электронный вольтметр имеет входную емкость не более 20 пФ.

3. Нижний предел измеряемых напряжений - не более 1 мВ.

4. Погрешность электронного вольтметра - не более погрешности электронного вольтметра класса 1.

Примечание:

При выборе вольтметра предпочтителен тот, который имеет выход по переменному напряжению от внутреннего усилителя.

ПРИЛОЖЕНИЕ 3

Рекомендуемое

ФОРМА ОБОРОТНОЙ СТОРОНЫ СВИДЕТЕЛЬСТВА О ПОВЕРКЕ ВИБРОИЗМЕРИТЕЛЬНОГО ПРЕОБРАЗОВАТЕЛЯ

РЕЗУЛЬТАТЫ ПОВЕРКИ

1. Коэффициент преобразования в амплитудном значении на базовой частоте __Гц__

2. Неравномерность АЧХ ______

3. Частота установочного резонанса:

в основном направлении _________________

в поперечном направлении _______________

4. Электрическая емкость ____________________

5. Нелинейность АХ ___________________________

6. Основная погрешность вибропреобразователя не более ___ %.

 



уроки по алготрейдингу на Python с нуля



Яндекс цитирования

   Copyright © 2008-2026 ,  www.infosait.ru

backtrader - уроки алготрейдинга на python