ИНФОСАЙТ.ру
Госты, стандарты, нормативы. В библиотеке 60000 документов. Регулярное обновление. Круглосуточный бесплатный доступ!
БИБЛИОТЕКА ГОСТОВ, СТАНДАРТОВ И НОРМАТИВОВ

:: АЛГОТРЕЙДИНГ ::


АЛГОТРЕЙДИНГ
шаг за шагом


БЕСПЛАТНЫЕ УРОКИ по созданию торговых роботов на PYTHON с нуля, шаг за шагом.


Минимальные знания на PYTHON.
Библиотеки BackTrader и Pandas, сигналы с Pine Script из TradingView.
Связка с брокерами, телеграм.
Создание простых интерфейсов.

 

Все документы, представленные в каталоге, не являются их официальным изданием и предназначены исключительно для ознакомительных целей. Электронные копии этих документов могут распространяться без всяких ограничений. Вы можете размещать информацию с этого сайта на любом другом сайте.


ГОСТ Р МЭК 60400-99

ГОСУДАРСТВЕННЫЙ СТАНДАРТ РОССИЙСКОЙ ФЕДЕРАЦИИ

ПАТРОНЫ ДЛЯ ТРУБЧАТЫХ
ЛЮМИНЕСЦЕНТНЫХ ЛАМП И СТАРТЕРОВ

ГОССТАНДАРТ РОССИИ

Москва

Предисловие

1 РАЗРАБОТАН И ВНЕСЕН Всероссийским научно-исследовательским, проектно-конструкторским светотехническим институтом им. С.И. Вавилова (ООО «ВНИСИ»)

2 ПРИНЯТ И ВВЕДЕН В ДЕЙСТВИЕ Постановлением Госстандарта России от 30 сентября 1999 г. № 322-ст

3 Настоящий стандарт представляет собой аутентичный текст международного стандарта МЭК 60400 (1996) «Патроны для трубчатых люминесцентных ламп и стартеров» с Изменениями № 1 и 2 (1997)

4 ВВЕДЕН ВПЕРВЫЕ

СОДЕРЖАНИЕ

1 Общее. 1

1.1 Область применения. 2

1.2 Нормативные ссылки. 2

2 Определения. 3

3 Общие требования. 4

4 Общие требования к испытаниям.. 4

5 Нормируемые электрические параметры.. 5

6 Классификация. 5

7 Маркировка. 5

8 Защита от поражения электрическим током.. 7

9 Контактные зажимы.. 8

10 Конструкция. 9

11 Защита от пыли и влаги. 12

12 Сопротивление и электрическая прочность изоляции. 13

13 Износостойкость. 13

14 Механическая прочность. 14

15 Винты, токоведущие детали и соединения. 16

16 Пути утечки и воздушные зазоры.. 17

17 Теплостойкость, огнестойкость и устойчивость к токам поверхностного разряда. 18

18 Защита от старения и коррозии. 22

Рисунки. 22

Приложение А. Перечень патронов, на которые распространяется настоящий стандарт. 42

Приложение В. Испытание на старение и коррозию.. 42

Приложение С. Примеры для пояснения узлов к требованиям пункта 8.2. 43

Приложение D. Соответствие стандартов МЭК государственным стандартам.. 44

ГОСТ Р МЭК 60400-99

ГОСУДАРСТВЕННЫЙ СТАНДАРТ РОССИЙСКОЙ ФЕДЕРАЦИИ

ПАТРОНЫ ДЛЯ ТРУБЧАТЫХ ЛЮМИНЕСЦЕНТНЫХ ЛАМП И СТАРТЕРОВ

Lampholders for tubular fluorescent lamps and starterholders

Дата введения 2001-01-01

1 Общее

1.1 Область применения

Настоящий стандарт устанавливает размеры и технические требования к патронам для трубчатых люминесцентных ламп и стартеров, а также методы испытаний, которые должны использоваться для оценки безопасности применения и возможности вставления в них ламп и стартеров.

Стандарт распространяется на независимые и встраиваемые патроны для трубчатых люминесцентных ламп с цоколями, указанными в приложении А, а также на независимые и встраиваемые патроны для стартеров в соответствии с МЭК 60155, предназначенные для включения в сеть переменного тока с действующим значением рабочего напряжения не более 1000 В.

Настоящий стандарт также распространяется на патроны для одноцокольных трубчатых люминесцентных ламп, вмонтированных в наружный корпус с донышком, снабженным резьбой, аналогичной патронам с резьбой Эдисона (например для ламп с цоколями G23 и G24). Такие патроны должны в дальнейшем испытываться в соответствии со следующими пунктами МЭК 60238: 8.4-8.6, 9.3, 10.7, 11, 12.2, 12.5-12.7, 13, 15.3-15.5 и 15.9.

Патроны с круглой резьбой для абажурных колец должны соответствовать последнему изданию МЭК 60399.

Стандарт, насколько возможно, распространяется на комбинации патронов для ламп и стартеров, на патроны для ламп и указанные комбинации, которые полностью или частично выполнены заодно со светильником, а также на патроны для ламп и стартеров, отличающихся от вышеуказанных, и на ламповые соединители.

Термин «патрон», используемый в стандарте, относится как к патронам для ламп, так и к патронам для стартеров.

В настоящем стандарте методы испытаний выделены курсивом.

1.2 Нормативные ссылки

Приведенные ниже стандарты содержат положения, на которые даны ссылки в настоящем стандарте.

На дату издания настоящего стандарта указаны действующие редакции.

Все стандарты подвергаются пересмотру и частичным согласованным изменениям, поэтому необходимо учитывать возможность применения более поздних изданий стандартов, приведенных ниже.

Члены МЭК и ИСО ведут регистрацию действующих международных стандартов.

МЭК 60061 Цоколи и патроны для электрических ламп и калибры для проверки их взаимозаменяемости и безопасности

МЭК 60061-1 (1969)* Цоколи и патроны для электрических ламп и калибры для проверки их взаимозаменяемости и безопасности. Часть 1. Цоколи для электрических ламп

* Соответствие стандартов МЭК государственным стандартам указано в приложении В.

МЭК 60061-2 (1969) Цоколи и патроны для электрических ламп и калибры для проверки их взаимозаменяемости и безопасности. Часть 2. Патроны для электрических ламп

МЭК 60061-3 (1969) Цоколи и патроны для электрических ламп и калибры для проверки их взаимозаменяемости и безопасности. Часть 3. Калибры

МЭК 60068-2-20 (1979)* Испытания на воздействие внешних факторов. Часть 2. Испытания. Испытание Т. Пайка

МЭК 60068-2-62 (1991) Испытания на воздействие внешних факторов. Часть 2. Испытания. Испытание Ef. Маятниковая ударная установка

МЭК 60068-2-63 (1991) Испытания на воздействие внешних факторов. Часть 2. Испытания. Испытание Eg. Ударное пружинное устройство

МЭК 60081 (1997)* Лампы люминесцентные двухцокольные. Эксплуатационные требования

МЭК 60112 (1979)* Метод определения сравнительного и контрольного индексов трекингостойкости твердых электроизоляционных материалов во влажной среде

МЭК 60155 (1993)* Стартеры для трубчатых люминесцентных ламп

МЭК 60238 (1998)* Патроны резьбовые для ламп

МЭК 60352-1 (1983)* Соединения непаянные. Часть 1. Соединения скручиванием непаянные. Общие требования, методы испытаний и практическое руководство

МЭК 60399 (1972) Стандартные листы на круглую резьбу для патронов Е14 и Е27 с абажурным кольцом

МЭК 60529 (1989)* Степени защиты, обеспечиваемые оболочками (Код IP)

МЭК 60598-1 (1996)* Светильники. Часть 1. Общие требования и методы испытаний

МЭК 60664 Координация изоляции приборов для низковольтных систем

МЭК 60664-1 (1992) Внутренняя изоляция для приборов низковольтных систем. Часть 1. Принципы, требования и испытания

МЭК 60695-2* Испытания на пожаробезопасность. Часть 2. Методы испытаний

МЭК 60695-2-1/0 (1994) Испытания на пожаробезопасность. Часть 2. Методы испытаний. Раздел 1/лист 0. Метод испытания раскаленной проволокой. Общее

МЭК 60695-2-1/1 (1994) Испытания на пожаробезопасность. Часть 2. Методы испытаний. Раздел 1/лист 1. Испытание раскаленной проволокой конечного продукта и руководство

МЭК 61199 (1993)* Лампы люминесцентные одноцокольные. Требования безопасности

2 Определения

В настоящем стандарте используют следующие термины и определения:

2.1 нормированное напряжение: Максимальное рабочее напряжение, указанное изготовителем для конкретного типа патронов.

2.2 рабочее напряжение: Наибольшее действующее значение напряжения переменного тока, которое может быть приложено к изоляции патрона, без учета переходных процессов, при работе лампы или стартера в нормальном режиме или при отсутствии лампы или стартера.

2.3 компенсированные патроны для линейных двухцокольных люминесцентных ламп: Пара патронов, основания которых стационарно установлены в светильнике, при этом конструкция одного или обоих патронов предусматривает осевое перемещение контактной системы для компенсации допуска на длину лампы и обеспечивает с этой целью перемещение контактной системы при установке лампы.

Примечание - При сомнении достаточности осевого перемещения в патронах G5 и G13 рекомендуется провести проверку контактирования на установке, указанной на рисунке 3.

2.4 некомпенсированные патроны для линейных двухцокольных люминесцентных ламп: Пара патронов для стационарного монтажа, конструкция которых не предусматривает осевого перемещения контактной системы с целью компенсации допуска на длину лампы при ее установке.

2.5 компенсированные после монтажа патроны для линейных двухцокольных люминесцентных ламп: Пара патронов, конструкция которых не предусматривает осевого перемещения контактной системы, но после монтажа их в светильнике это осевое перемещение становится возможным.

Примечание - Такие патроны могут также использоваться и для жесткой установки.

2.6 ламповый соединитель: Комплект контактов, установленных на гибких проводах, обеспечивающий электрический контакт лампы без ее механического крепления.

2.7 встраиваемый патрон: Патрон, предназначенный для встраивания в светильник, дополнительный корпус и т.п.

2.7.1 незащищенный патрон: Встраиваемый патрон, конструкция которого требует дополнительных средств, например кожуха, для обеспечения соответствия требованиям настоящего стандарта по защите от поражения электрическим током.

2.7.2 защищенный патрон: Встраиваемый патрон, конструкция которого соответствует всем требованиям настоящего стандарта по защите от поражения электрическим током и, при необходимости, классификации IP.

2.8 независимый патрон: Патрон, который может быть установлен независимо от светильника, обеспечивая все необходимые требования защиты в соответствии с его классификацией и маркировкой.

2.9 нормированная рабочая температура: Максимальная рабочая температура, на которую рассчитан патрон.

2.10 нормированная температура тыльной стороны патрона: Температура патронов с температурной маркировкой Т, установленная по результатам испытания по 17.1b, или наивысшая температура, указанная изготовителем.

2.11 типовое испытание: Испытание или серия испытаний, проводимые на выборке для типовых испытаний с целью проверки соответствия конструкции конкретного патрона требованиям настоящего стандарта.

2.12 выборка для типовых испытаний: Выборка, состоящая из одного или нескольких однотипных образцов, представленных изготовителем или поставщиком для проведения типовых испытаний.

2.13 токоведущая деталь: Деталь, прикосновение к которой вызывает поражение электрическим током.

2.14 нормированное импульсное напряжение: Наибольшее амплитудное значение импульсов напряжения патрона, которое он может выдержать.

3 Общие требования

Конструкция и исполнение патронов должны обеспечивать при нормальной эксплуатации их надежную работу и безопасность для окружающих.

Проверку, как правило, осуществляют проведением всех указанных в настоящем стандарте испытаний.

Кроме того, оболочка независимых патронов должна отвечать соответствующим требованиям МЭК 60598-1, включая требования по классификации и маркировке.

4 Общие требования к испытаниям

4.1 Испытания по настоящему стандарту являются типовыми.

Примечание - Требования и допуски, регламентируемые настоящим стандартом, относятся к испытуемой выборке для типовых испытаний, представляемой для этой цели.

Соответствие выборки для типовых испытаний требованиям безопасности, регламентируемым настоящим стандартом, не означает удовлетворение этим требованиям всей продукции изготовителя.

Соответствие всех изделий требованиям безопасности гарантируется изготовителем и устанавливается по результатам дополнительных испытаний.

4.2 При отсутствии других указаний испытания проводят при окружающей температуре (20 ± 5) °С в наиболее неблагоприятном рабочем положении патрона, возможном при нормальной эксплуатации.

4.3 Испытания проводят в порядке нумерации разделов, если не указано иное в методике испытаний.

Патроны, имеющие степень защиты выше IP20, должны подвергаться испытаниям по 11.1 и 11.2 после испытания по 17.1.

4.4 Испытания и внешний осмотр проводят по совокупности на:

- восьми парах соответствующих патронов, предназначенных для линейных двухцокольных люминесцентных ламп.

Примечание - Если патроны в паре одинаковые, то достаточно вместо пары подвергать всем испытаниям один патрон, исключая испытание по 10.5d, когда требуется пара патронов;

- восьми образцах, предназначенных для одноцокольных люминесцентных ламп и восьми патронах для стартеров.

В порядке нумерации разделов испытывают:

- две пары или два образца - по разделам 5-16 (кроме 9.2 и 9.5).

Примечание - Испытаниям по 9.2 подвергают такое число отдельных образцов, которое оговаривается соответствующими стандартами;

- три пары или три образца - по 9.5 и 17.1;

- две пары или два образца - по 17.2-17.5 (из них один образец испытывают по 17.2, а другой - по 17.4 и 17.5);

- одну пару или один образец - по 17.6 и 18.

В случае компенсированных и некомпенсированных патронов G5 или G13 (см. 2.3 или 2.4 соответственно) образцы крепят на двух парах монтажных пластин, указанных на рисунке 2.

Одну пару патронов крепят так, чтобы между ними было минимальное расстояние, указанное изготовителем в инструкции по монтажу, другую пару монтируют на максимальном расстоянии. Соответственно маркируют монтажные пластины.

В отдельных случаях может возникнуть необходимость подвергать испытанию большее количество патронов, чем указано выше.

Инструкции изготовителя по монтажу патронов (см. 7.3) должны представляться вместе с образцами.

Патроны со степенью защиты выше IP, имеющие съемные сальники, максимальная рабочая температура которых отличается от значений, указанных в 17.1, должны комплектоваться дополнительными сальниками и снабжаться информацией об их максимальной рабочей температуре (эти сведения должны содержаться в инструкции изготовителя по монтажу).

Примечание - Это требование распространяется на съемные сальники для монтажной поверхности патрона (см. 17.1).

4.5 Патроны считают соответствующими требованиям настоящего стандарта, если все образцы, указанные в 4.4, выдержали все испытания.

Если один образец не выдержал одно испытание, то повторяют это и предыдущие испытания, влияющие на результаты, на новой выборке для типовых испытаний в количестве, указанном в 4.4; в этом случае все образцы должны выдерживать как повторные, так и последующие испытания. Патроны не соответствуют требованиям настоящего стандарта, если более одного образца не выдержали хотя бы одно испытание.

Примечание - Как правило, достаточно повторить испытание, по которому получен отрицательный результат, кроме случая, когда образец не выдержал испытаний по разделу 13 или 14, при этом повторяют все испытания, начиная с раздела 12.

Изготовитель может одновременно с основной выборкой для типовых испытаний представить дополнительную выборку на случай, если один образец не выдержит испытаний.

Если дополнительная выборка для типовых испытаний не предъявлена одновременно с основной, заключение о несоответствии принимают при отказе одного образца.

5 Нормируемые электрические параметры

Нормируемыми электрическими параметрами должны быть:

- действующее значение напряжения переменного тока - не менее 125 В и не более 1000 В;

- ток - не менее 1 А;

- ток - не менее 2 А для патронов G13, 2G13, G20, Fa6, Fa8 и R17d.

Примечание - В странах, где в маркировке вместо нормированного тока указывают нормированную мощность, для патрона G5 она должна быть не менее 75 Вт.

6 Классификация

6.1 По степени защиты от поражения электрическим током патроны подразделяют на:

- незащищенные;

- защищенные;

- независимые.

6.2 По степени защиты от проникновения пыли или воды патроны подразделяют согласно системе классификации, приведенной в МЭК 60529.

Символы степени защиты указаны в 7.4 (только для независимых и защищенных патронов).

6.3 По теплостойкости патроны подразделяют:

- для нормированной рабочей температуры не более 80 °С;

- для нормированной рабочей температуры св. 80 °С.

Примечание - Рабочую температуру измеряют на поверхности патрона в точке, где он соприкасается с цоколем лампы.

6.4 Патроны по возможности установки в них стартеров разных типов подразделяют на:

- соответствующие МЭК 60155;

- соответствующие только приложению В МЭК 60155.

7 Маркировка

7.1 В маркировке патронов должны указываться:

a) знак принадлежности (товарный знак, знак изготовителя или наименование ответственного поставщика);

b) обозначение типа;

c) нормированное напряжение в вольтах и нормированное импульсное напряжение в киловольтах, если необходимо.

Примечание - Для патронов при регулировании и связанным с ним понижении нагрузки допускается превышение нормированного уровня напряжения (возрастают пути утечки и воздушные зазоры). Максимально допустимое значение напряжения для этих условий работы должно быть указано в каталоге изготовителя или аналогичном документе (например: максимально регулируемое напряжение...В);

d) нормированный ток в амперах (см. примечание к разделу 5);

e) нормированная рабочая температура Т, если она выше 80 °С, с интервалом 10 °С;

f) символ степени защиты от пыли и воды только для каплезащищенных патронов (см. 7.4). Маркировка IP20 на обычных патронах необязательна;

g) в документации на пыле- и влагозащищенные патроны изготовитель должен указывать номинальный диаметр ламп(ы) или стартера, для которых предназначен патрон.

Проверку проводят внешним осмотром.

7.2 Дополнительная информация

Следующая информация, при необходимости, должна указываться на патроне или в каталоге изготовителя и т.п.:

- температура Тm, измеряемая на тыльной части патрона, для патронов, испытываемых в соответствии с 17.1b;

- температура, измеряемая на безвинтовых контактных зажимах, для патронов, испытываемых в соответствии с 17.1b;

- значение(я) сечений провода(ов), на которое рассчитаны контактные зажимы патрона, в соответствии с 9.3.

Проверку проводят внешним осмотром.

7.3 Инструкции, поставляемые изготовителем или ответственным поставщиком патронов для обеспечения правильного монтажа и эксплуатации пары патронов для линейных двухцокольных люминесцентных ламп, должны содержать, по крайней мере, следующие сведения:

- способ монтажа; для компенсированных после монтажа патронов необходимо четко указать - два или только один способ монтажа предусматривается;

- монтажные расстояния с допуском или ссылки на стандартные листы;

- типы патронов, которые должны быть использованы в паре;

- допускаемый угол смещения пары патронов;

- необходимую толщину монтажной пластины, если патрон предназначен для безвинтового крепления.

Указанные сведения могут быть приведены в каталоге изготовителя или ответственного поставщика.

Проверку проводят внешним осмотром.

7.4 Если используют символы, то они должны иметь следующие обозначения. Для электрических параметров:

- вольт - В;

- ампер - А;

- ватт - Вт.

Примечание - В качестве альтернативы для маркировки значений напряжения и тока могут быть использованы только цифры, при этом цифры, обозначающие ток, ставят перед или над цифрами, обозначающими напряжение, и разделяют чертой.

Например:

2 А 250 В или 2/250, или .

Для рабочей температуры: Т, после чего следует ее значение в градусах Цельсия, например Т200.

Для степени защиты от пыли и воды:

- обычные - IP20;

- от капель воды, падающих вертикально (каплезащищенные), - IPX1;

- от капель воды, падающих под углом 15 °, - IPX2;

- от распыленной воды (дождезащищенные) - IPX3;

- от брызг воды (брызгозащищенные) - IPX4;

- от струй воды (струезащищенные) - IPX5;

- от проникновения воды при погружении (погружаемые) - IPX7;

- от проникновения воды при работе под водой (водонепроницаемые) - IPX8;

- от попадания посторонних твердых тел размером более 1,0 мм - IP4X;

- пылезащищенные - IP5X;

- пыленепроницаемые - IP6X.

Знак X, используемый в коде IP, означает отсутствие той или иной цифры в символе, т.к. в соответствии с МЭК 60529 на патроне необходимо проставлять обе цифры.

Для сечения проводов: соответствующее значение или значения (для диапазона сечений) в мм2 и символ в виде квадрата, например 0,5.

Проверку проводят внешним осмотром.

7.5 Маркировка должна быть правильно расположена.

Маркировка по 7.1, подпункты а)-е) на патронах, установленных в нормальное положение, должна быть легко читаемой; крышки при необходимости снимают. Маркировка по подпункту f) на встраиваемом патроне не должна быть видимой после установки его в рабочее положение во избежание принятия ее за маркировку светильника.

Проверку проводят внешним осмотром.

7.6 Маркировка должна быть прочной и легко читаемой.

Проверку проводят внешним осмотром и легким протиранием маркировки в течение 15 с тампоном из ткани, смоченным водой, а затем в течение 15 с тампоном, смоченным бензином. После испытания маркировка должна быть читаемой.

Примечание - Бензин должен быть на основе гексана, применяемого в качестве растворителя, с максимальным содержанием ароматического углеводорода 0,1 % от общего объема и 29 % каури-бутанола с начальной точкой кипения ~ 65 °С, температурой испарения ~ 69 °С и плотностью ~ 0,68 г/см3.

8 Защита от поражения электрическим током

8.1 Патроны должны обеспечивать недоступность случайного прикосновения к токоведущим деталям, когда патроны встроены или установлены и укомплектованы проводами как для нормальной эксплуатации и в них вставлены соответствующие лампы и/или стартеры.

Защищенные патроны проверяют стандартным испытательным пальцем, представленным на рисунке 39. Палец с усилием 10 Н прикладывают во всех возможных направлениях. Для определения контакта с токоведущими деталями используют электрический индикатор. Рекомендуется применять напряжение не менее 40 В.

Защищенные патроны устанавливают в нормальном положении, т.е. на монтажной поверхности и т.п., заряжают проводами наиболее неблагоприятного сечения и проверяют.

Примечание - Незащищенные патроны испытывают только после их установки в светильник или дополнительный корпус.

8.2 Защита от поражения электрическим током должна быть обеспечена после монтажа патрона как без лампы или стартера, так и при их установке или извлечении.

Должна быть исключена возможность введения и контактирования с токоведущими деталями патрона только одного штырька лампы или стартера, если цоколи имеют более одного штырька. Это требование не распространяется на патроны G10g.

В случае патронов с боковым вводом для линейных ламп с цоколем G5 и G13 проверку проводят тогда, когда цоколь входит в соприкосновение с поверхностью патрона.

Примечание - Патрон с боковым вводом - это патрон, в котором штырьки цоколя вводятся в паз(ы) патрона перпендикулярно оси лампы. Более подробную информацию см. в приложении С, рисунки С.1-С.3.

Патроны для ламп с поворотным вкладышем должны испытываться в положении, соответствующем нормально вставленной лампе.

Патроны должны обеспечивать защиту от поражения электрическим током, когда лампа вставлена в патрон под углом не более 5 ° относительно оси нормально вставленной лампы. Это требование не распространяется на патроны G20, Fa6, Fa8 и R17d.

Примечание - Более подробную информацию см. в приложении С, рисунок С.4.

Проверку проводят:

- патронов для стартеров - стандартным испытательным пальцем (см. рисунок 39);

- патронов G5 - посредством калибра по МЭК 60061-3, стандартный лист 7006-47А, а при вставленной лампе - стандартным испытательным пальцем;

- патронов Fa8 и R17d - посредством калибра цилиндрической формы с полусферическим торцом радиусом 5,2 мм;

- всех остальных патронов - стандартным испытательным пальцем (см. рисунок 39).

8.3 Детали, обеспечивающие защиту от поражения электрическим током, должны иметь достаточную механическую прочность и не ослабляться при нормальной эксплуатации. Должна быть исключена возможность снятия их рукой, без применения инструмента.

Проверку проводят внешним осмотром, попыткой снятия вручную и испытаниями по разделам 13 и 14.

8.4 Наружные детали патронов, доступные для прикосновения после установки патронов, должны быть изготовлены из изоляционного материала или, если они выполнены из токопроводящего материала, надежно изолированы от токоведущих деталей патронов.

Проверку проводят внешним осмотром и соответствующими испытаниями по настоящему стандарту.

9 Контактные зажимы

9.1 Патроны должны иметь по крайней мере одно из следующих средств присоединения к сети:

- винтовые контактные зажимы;

- безвинтовые контактные зажимы;

- наконечники или штырьки для втычного соединения;

- лепестки для обжатия провода;

- лепестки под пайку;

- монтажные концы.

Проверку проводят внешним осмотром.

9.2 Контактные зажимы должны соответствовать приведенным ниже требованиям с учетом того, что требования к внутренним проводам относятся к проводке внутри независимых патронов и внутри светильника для встраиваемых патронов.

Все испытания контактных зажимов должны проводиться на образцах, которые ранее не подвергались другим испытаниям:

- винтовые контактные зажимы должны соответствовать разделу 14 МЭК 60598-1;

- безвинтовые контактные зажимы должны соответствовать разделу 15 МЭК 60598-1, однако, если теплостойкость патрона была проверена соответственно 17.1b, то полученная при этом температура винтовых контактных зажимов должна учитываться при испытании по разделу 15 МЭК 60598-1;

- штырьки или наконечники для втычного соединения должны соответствовать разделу 15 МЭК 60598-1;

- лепестки для обжима проводов должны соответствовать МЭК 60352-1;

- лепестки для обжима проводов можно применять только для однопроволочных проводов круглого сечения при внутреннем монтаже;

- лепестки под пайку должны соответствовать требованиям к качеству пайки, указанным в МЭК 60068-2-20;

- монтажные концы должны соответствовать требованиям 9.5 настоящего стандарта.

9.3 При отсутствии других указании в разделах 14 и 15 МЭК 60598-1 контактные зажимы должны обеспечивать присоединение проводов сечением от 0,5 до 1,0 мм2 для встраиваемых патронов и от 1,0 до 1,5 мм2 - для независимых патронов.

Для патронов, предназначенных только для встраивания в светильник или дополнительную оболочку, допускается отклонение сечения проводов от указанного для контактных зажимов патрона, но в этом случае изготовитель должен оговорить размер(ы) сечения провода, для которого предназначены контактные зажимы.

Примечание - Рекомендуется, чтобы безвинтовые пружинные или втычные контактные зажимы патронов обеспечивали присоединение концов проводов, очищенных от изоляции на длине не менее 8 мм, но не более 11,5 мм.

Проверку проводят соответствующим испытанием по 9.2 присоединением проводов наименьшего и наибольшего сечения.

9.4 Расположение контактных зажимов должно обеспечивать свободный ввод и присоединение проводов, а также установку крышек, при их наличии, без повреждения проводов.

Проверку проводят внешним осмотром и пробным монтажом.

9.5 Монтажные концы должны присоединяться к патрону пайкой, сваркой, опрессовкой или другим эквивалентным методом.

Монтажные концы должны быть изготовлены из изолированных проводов сечением от 0,5 до 1,0 мм2.

Свободный конец монтажного провода может быть очищен от изоляции.

Места присоединения монтажных концов на патронах должны выдерживать механические нагрузки, которые могут возникнуть при их нормальной эксплуатации.

Проверку проводят внешним осмотром и следующим испытанием, которое должно проводиться после испытания по 17.1 на тех же трех образцах.

К каждому монтажному концу без рывков прикладывают в течение 1 мин усилие 50 Н в наиболее неблагоприятном направлении.

В процессе испытания монтажные концы не должны смещаться в месте их крепления.

После испытания патроны не должны иметь повреждений, вызывающих несоответствие требованиям настоящего стандарта.

9.6 Конструкция патронов, предназначенных для установки на шарнире(ах), должна исключать повреждение проводов.

Проверку патронов, предназначенных для присоединения проводов, кроме гибких, проводят следующим испытанием.

Патрон, заряженный жесткими медными проводами соответствующего сечения, закрепляют на монтажной плате в рабочем положении.

На этой же монтажной плате на расстоянии 50 мм от места ввода проводов в контактные зажимы устанавливают устройство для зажима проводов. Провода пропускают через это устройство, туго натягивают и наносят на них метку в месте ввода проводов в устройство.

Вытягивают провод из указанного устройства на 30 мм от нанесенной метки и зажимают его в устройстве.

Затем патрон подвергают 45 циклам испытания. Цикл состоит в перемещении подвижной части патрона из одного предельного положения в другое и обратно. Если нет ограничения, угол поворота должен быть ~ 90 °.

После испытания проверяют:

- значение переходного сопротивления в соответствии с разделом 13;

- отсутствие на проводе видимых глубоких вмятин или разрывов.

10 Конструкция

10.1 Дерево, хлопок, шелк, бумагу и аналогичные гигроскопичные материалы не допускается использовать в качестве изоляционного материала без соответствующей пропитки.

Проверку проводят внешним осмотром.

10.2 Патроны должны обеспечивать легкое введение и извлечение соответствующей лампы или стартера и исключать возможность нестабильной работы ламп или стартеров в результате воздействия вибрации или изменения температуры.

Устройства для крепления патронов должны исключать проворачивание закрепленной части патрона.

Примечание - Некомпенсированные патроны могут устанавливаться в светильнике так, чтобы они действовали как пара компенсированных патронов.

Проверку проводят внешним осмотром и пробным монтажом с применением соответствующей серийной лампы или стартера.

10.3 Конструкция патронов должна обеспечивать необходимую силу контактного нажатия.

Проверку проводят внешним осмотром и испытаниями по 10.3.1-10.3.4 (какое подходит).

10.3.1 Для двухштырьковых патронов G5, G13 и G20, в которых контактирование осуществляется по одной стороне каждого штырька цоколя, силу контактного нажатия измеряют односторонним калибром с размерами штырьков и расстоянием между штырьками, соответствующими стандартным листам МЭК 60061-3:

- для патронов G5 - лист 7006-47В, калибры III и V;

- для патронов G13 - лист 7006-60В, калибры III и V;

- для патронов G20 - в стадии разработки.

Сила контактного нажатия должна быть, Н:

- от 2 до 30 - для патронов для ламп без удержания за штырьки лампы;

- от 2 до 35 - для патронов G5 с удержанием за штырьки лампы;

- от 2 до 45 - для патронов G13 и G20 с удержанием за штырьки лампы.

Сначала измеряют максимальную силу контактного нажатия при помощи калибра V. Затем измеряют минимальную силу контактного нажатия при помощи калибра III.

В патронах G5 и G13, имеющих трубчатую форму контакта, силу контактного нажатия проверяют с помощью одиночного штыревого калибра Е, отвечающего требованиям последнего издания стандартного листа 7006-69Е МЭК 60061-3.

Каждый контакт патрона должен удерживать калибр с усилием не менее 0,5 Н (на рассмотрении).

Испытание проводят после испытания проходными калибрами, как указано в 10.5d.

Примечание - Контактирование посредством торцов для разрабатываемых новых патронов не рекомендуется.

Для патронов G20 - в стадии разработки.

Для двухштырьковых патронов G5, G13 и G20, в которых введение и извлечение ламп производят вращением, должно быть измерено значение соответствующего крутящего момента односторонним калибром с размерами штырьков и расстоянием между штырьками, соответствующими указанным в стандартных листах МЭК 60061-3:

- для патронов G5 - лист 7006-47В, калибр V и второй калибр с теми же размерами, кроме Е и D, которые должны быть 2,44 и 4,4 мм соответственно;

- для патронов G13 - лист 7006-60В, калибр V и второй калибр с теми же размерами, кроме Е и D, которые должны быть 2,44 и 12,36 мм соответственно;

- для патронов G20 - в стадии разработки.

Крутящий момент, необходимый для введения калибров в положение, соответствующее рабочему положению лампы, не должен превышать, Н·м:

- 0,3 - для патронов G5;

- 0,5 - для патронов G13 и G20.

Крутящий момент, который необходимо приложить к калибру, чтобы извлечь его из патрона, должен быть, Н·м:

- от 0,02 до 0,3 - для патронов G5;

- от 0,1 до 0,5- для патронов G13 и G20.

При возможных смещениях калибров указанные наибольшие значения не должны быть превышены.

Для двухштырьковых патронов G5, G13, 2G13 и G20, требующих горизонтального перемещения лампы для ее введения в патрон или выведения из него, измерение силы контактного нажатия проводят односторонним калибром с размерами штырьков и расстоянием между штырьками, соответствующими указанным в стандартных листах МЭК 60061-3:

- для патронов G5 - лист 7006-47В, калибры IV, V и третий калибр с теми же размерами, кроме Е и D, которые должны быть 2,44 и 4,4 мм соответственно;

- для патронов G13 - лист 7006-60В, калибр IV и V u третий калибр с теми же размерами, кроме Е и D, которые должны быть 2,44 и 12,35 мм соответственно;

- для патронов G20 - в стадии разработки.

Сила, которую необходимо приложить к калибру для его введения в патрон и перемещения, должна быть не более 50 Н.

Сила, которую необходимо приложить к калибру для его выведения из нормального положения контактирования, должна быть не менее 10 Н.

При проведении указанных испытаний необходимо, чтобы торцевая поверхность калибров была, по возможности, параллельна рабочей поверхности патрона.

До начала измерений проводят или одно вращение по часовой стрелке, а затем против часовой стрелки вставленного в патрон соответствующего калибра, или одно введение и выведение его из патрона.

Если это может оказать влияние на результаты испытания, то патроны, для которых это предусмотрено, заряжают проводами соответственно наименьшего и наибольшего сечений.

10.3.2 Все остальные патроны должны подвергаться испытаниям соответствующими калибрами по МЭК 60061-3. Для патронов Fa8 испытание с целью проверки силы контактного нажатия - в стадии разработки.

10.3.3 В патронах R17d контактирование с лампой может осуществляться по торцам и внутренней поверхности контактов лампы, или тем и другим способом одновременно.

Конструкция электрических контактов должна обеспечивать их контактирование и стабильность электрического контакта с калибрами, имеющими минимальный цоколь, и невозможность введения калибров, имеющих максимальный цоколь (см. 10.5).

Электрическое сопротивление контактов патрона и объекта контактирования должно быть не более 0,2 Ом при измерении следующим образом:

- для патронов с монтажными концами сопротивление измеряют между точками, находящимися на расстоянии 75 мм от места выхода проводов из патрона;

- к патронам без монтажных концов присоединяют, если это необходимо, медные провода наименьшего для данного типа патрона сечения (но не менее 0,75 мм2). Сопротивление измеряют между точками, находящимися на расстоянии 75 мм от места выхода проводов из патрона;

- размеры цоколя лампы должны соответствовать требованиям стандартного листа 7004-56, при этом цоколь должен иметь закороченные контакты с общим сопротивлением не более 0,01 Ом;

- цоколь должен быть полностью вставлен в патрон независимо от положения выступа цоколя;

- электрическое сопротивление измеряют методом моста.

Усилие, необходимое для полного сжатия пружины в патроне, должно быть не менее 35 Н и не более 90 Н.

10.3.4 Силу контактного нажатия в патронах для стартеров, в которых контактирование осуществляется по образующей вдоль одной из сторон цилиндрической поверхности штыря стартера, измеряют устройством, имеющим размеры калибра А на рисунке 11.

Сила контактного нажатия должна быть от 2 до 25 Н.

Примечание - Метод измерения силы контактного нажатия в патронах для стартеров, в которых контактирование осуществляется по торцам штырьков стартера, находится в стадии разработки.

Если стартер выводят из патрона поворотом, то измеряют соответствующий крутящий момент, который должен находиться в пределах 0,05-0,3 Н·м. Проверку проводят калибром А по рисунку 11.

10.4 Патроны для ламп должны обеспечивать возможность ощущения четкой фиксации лампы в рабочем положении после ее вставления.

Способ выведения лампы из патрона должен быть простым и очевидным или, при необходимости, указан в маркировке.

Проверку проводят внешним осмотром и пробным монтажом.

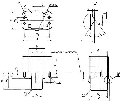
10.5 Размеры патронов должны соответствовать действующим стандартам МЭК.

a) Патроны для ламп должны удовлетворять последнему изданию следующих стандартных листов МЭК 60061-2 применительно к размерам соответствующих патронов:

- 7005-50 - монтажные расстояния между парой некомпенсированных патронов G13;

- 7005-51 - монтажные расстояния между парой некомпенсированных патронов G5;

- 7005-55 - патрон Fа6 для трубчатых люминесцентных ламп;

- 7005-56 - патрон G10q для кольцевых люминесцентных ламп;

- 7005-57- патрон R17d для двухконтактных утопленных цоколей;

- 7005-68 - патрон GR8;

- 7005-77 - патрон GR10q;

- 7005-69 - патрон G23;

- 7005-86 - патрон GX23;

- 7005-84 - патрон GX10q;

- 7005-85 - патрон GY10q;

- 7005-87 - патроны G32, GX32 и GY32;

- 7005-78 - патроны G24 И GY24;

- 7005-82 - патрон 2G11.

Стандартные листы для патронов Fa8 и 2G13 находятся в стадии разработки.

b) Размеры патронов для стартеров должны соответствовать стандартному листу, указанному на рисунке 10а.

c) Патроны для стартеров, предназначенные только для стартеров, соответствующих приложению В МЭК 60155, должны удовлетворять стандартному листу, указанному на рисунке 10.

d) Проверку проводят:

- для патронов G5 u G13 - двумя комплектами патронов, подобранными в пары и установленными в монтажном приспособлении по рисунку 1, с применением следующих калибров:

- для патронов G5 - проходной калибр 7006-47С и калибр для определения наличия контакта 7006-47В;

- для патронов G13 - проходной калибр 7006-60С и калибр для определения наличия контакта 7006-60В.

Патроны, которые согласно их конструкции не предназначены для испытания в монтажном приспособлении, и патроны, компенсированные после монтажа (см. 2.5), должны испытываться в соответствующем светильнике с указанными выше калибрами, имитирующими длину ламп, удовлетворяющих МЭК 60081.

В процессе испытания сила, прикладываемая для введения проходного калибра, должна быть не более:

- для патронов G5 и G13 в направлении оси лампы - 15 и 30 Н соответственно;

- сила в направлении, перпендикулярном оси лампы - в стадии разработки.*

* Не применяется для патронов, когда окончательное рабочее положение цоколя в патроне устанавливается без дополнительного вращательного движения. Такие патроны уже испытывались по 10.3.1 с применением одностороннего калибра.

При проверке наличия контакта сила, прикладываемая к калибру в направлении каждой рабочей поверхности патронов поочередно, должна быть 0,5 и 5 Н для патронов G5 и G13 соответственно.

При испытании в монтажном приспособлении эту силу прикладывают, когда калибр находится в вертикальном положении.

Примечание - Для патронов, рассчитанных на установку одновременно более одной лампы, на лицевой стороне патрона должна быть установлена дополнительная нагрузка, соответствующая числу ламп;

- патронов R17d - калибрами по стандартным листам 7006-57А и 7006-57В МЭК 60061-3;

- всех остальных патронов - с помощью соответствующих калибров, указанных в МЭК 60061-3;

- патронов для стартеров - калибрами, указанными на рисунках 11-13;

- патронов для стартеров, предназначенных только для светильников класса защиты II, дополнительно проверяют размеры V u W, указанные на рисунке 10а.

В инструкциях по монтажу изготовителем должны быть указаны все необходимые сведения по правильному монтажу патронов.

11 Защита от пыли и влаги

11.1 Если патроны имеют маркировку IP, то после установки они должны обеспечивать защиту от пыли и влаги в соответствии с их классификацией.

Проверку проводят испытанием согласно МЭК 60598-1 и в соответствии с маркировкой патронов.

Сопротивление и электрическую прочность изоляции проверяют по разделу 12.

Патроны устанавливают как для нормальной эксплуатации и в них вставляют лампы или стартеры наименьшего и наибольшего номинальных диаметров, на которые рассчитан патрон.

Перед началом испытания патроны нагревают включением лампы или стартера в сеть и доводят их до установившейся рабочей температуры.

11.2 Патроны должны быть влагоустойчивыми.

Проверку проводят в камере влажности, в которой поддерживают относительную влажность воздуха 91-95 %. Температуру воздуха во всех местах камеры, где размещены образцы, устанавливают [(20 - 30) ±1] °С при любом конкретном значении Т.

Перед помещением образцов в камеру влажности их доводят до температуры от Т до (Т + 4) °С.

Образцы выдерживают в камере:

2 сут (48 ч) - патроны степени защиты IPX0;

7 сут (168 ч) - остальные патроны.

После испытания патроны не должны иметь повреждений, вызывающих несоответствие требованиям настоящего стандарта.

12 Сопротивление и электрическая прочность изоляции

12.1 Сопротивление и электрическая прочность изоляции патронов должны быть обеспечены:

- между токоведущими деталями разных фаз;

- между токоведущими деталями разных фаз и наружными металлическими деталями, включая крепежные винты.

Проверку проводят измерением сопротивления изоляции по 12.2 и испытанием электрической прочности изоляции по 12.3 в камере влажности сразу после испытания, или в помещении, в котором патрон доводят до предписанной температуры.

12.2 Сопротивление изоляции измеряют при напряжении постоянного тока около 500 В спустя 1 мин после приложения напряжения. Сопротивление изоляции измеряют между деталями, указанными в таблице 1, и его значение должно быть не менее приведенных.

Таблица 1 - Минимальные значения сопротивления изоляции

Испытуемая изоляция

Минимальное значение сопротивления изоляции, МОм

Между токоведущими деталями разных фаз

2*

Между токоведущими деталями разных фаз и наружными металлическими деталями, включая крепежные винты, а также металлической фольгой, охватывающей наружные детали из изоляционного материала

2

* При этом сопротивление изоляции между ламповыми контактами патронов должно быть не менее 0,5 МОм.

Проверку патронов, предназначенных для применения в светильниках класса защиты II, проводят согласно раздела 10 МЭК 60598-1 при установленных соответствующих лампах и стартерах.

12.3 Электрическую прочность изоляции проверяют непосредственно после измерения сопротивления изоляции.

Испытательным напряжением воздействуют последовательно на те же части, что и при измерении сопротивления изоляции.

К изоляции в течение 1 мин прикладывают напряжение переменного тока практически синусоидальной формы частоты 50 или 60 Гц, действующее значение которого должно быть следующее:

- 500 В - между контактами для ламп;

- 2U+1000 В - для всех остальных случаев, где U - нормированное напряжение.

Вначале прикладывают не более половины необходимого напряжения, затем его быстро повышают до полного значения.

В процессе испытания не должно быть перекрытия или пробоя изоляции.

Применяемый для проверки высоковольтный трансформатор при указанном испытательном напряжении и замкнутых выходных контактах должен обеспечивать выходной ток не менее 200 мА.

Реле максимального тока не должно отключаться при токе менее 100 мА.

Точность измерения действующего значения испытательного напряжения ±3 %.

Тлеющий разряд, не вызывающий заметного падения напряжения, не учитывают.

13 Износостойкость

При длительном нормальном использовании патронов не должно возникать электрических или механических повреждений, вызывающих несоответствие патронов требованиям настоящего стандарта. Не должно быть повреждения изоляции и ослабления контактных соединений при нагревании, вибрации и других воздействиях.

Проверку проводят следующим испытанием.

Серийный цоколь или стартер с закороченными контактами 30 раз вводят и выводят из патрона с частотой ~ 30 раз в минуту, при этом патрон должен быть присоединен к источнику переменного тока с нормированным напряжением, и через него необходимо пропускать нормированный ток с индуктивным коэффициентом мощности 0,6.

После испытания патроны должны соответствовать требованиям настоящего стандарта. Затем в патрон вставляют сплошной латунный испытательный цоколь или стартер, полностью идентичный соответствующему цоколю из представленных на рисунках 14-29, и в течение 1 ч пропускают нормированный переменный ток при напряжении не более 6 В.

Примечание - Испытательные цоколи, выполняющие только манипуляционные функции, не нуждаются в ключах.

На рисунках 14-29 показаны только размеры, которые необходимы для испытания. Размеры, не указанные на рисунках, приведены на соответствующих стандартных листах МЭК 60061-1.

По окончании испытания измеряют переходное сопротивление, которое должно быть не более:

- у патронов для одноштырьковых цоколей - 0,03 Ом;

- у остальных патронов - 0,045 Ом + (А·п), где А = 0,01 Ом при п = 2; А = 0,015 Ом при п > 2;

п - число независимых контактных точек между патроном и цоколем или стартером, которые включены в цепь измерения.

Измерение проводят при нормированном токе через патрон, как изложено ниже.

В патронах для одноштырьковых цоколей:

- для патронов с монтажным концом сопротивление измеряют между испытательным цоколем и монтажным концом на расстоянии 75 мм от места его выхода из патрона;

- для патронов без монтажных концов измерение проводят, предварительно присоединив к патрону провод наименьшего допустимого для этого патрона сечения.

В остальных патронах:

- для патронов с монтажными концами сопротивление измеряют между этими концами на расстоянии 75 мм от места их выхода из патрона;

- для патронов без монтажных концов измерение проводят, предварительно присоединив к патрону два конца наименьшего допустимого для этого патрона сечения.

Перед измерением испытательный цоколь или стартер должны быть тщательно очищены и отполированы.

Испытательный цоколь или стартер полностью вставляют в патрон. Измерение не проводят на патронах R17d, так как они уже испытаны по 10.3.3.

14 Механическая прочность

14.1 Патроны должны иметь достаточную механическую прочность.

Проверку проводят испытаниями, изложенными ниже.

Примечание - Механическая прочность патронов для ламп, используемых в светильниках или других устройствах, может проверяться при помощи пружинного ударного устройства.

Указанные в МЭК 60598-1 конкретные значения энергии удара от 0,2 до 0,7 Н·м зависят от материала компонентов патрона и типа светильника.

14.2 Механическую прочность патронов, предназначенных исключительно для встраивания в светильник или другое дополнительное устройство, проверяют при помощи маятниковой ударной установки, описанной в МЭК 60068-2-62, со следующими уточнениями (см. раздел 11 МЭК 60068-2-62):

a) Метод установки.

Образец устанавливают в нормальном рабочем положении на опоре, изображенной на рисунке 5 МЭК 60068-2-62. Толщина металлического листа должна соответствовать указанной в инструкции изготовителя.

Патроны, конструкция которых не позволяет устанавливать их на такой опоре, должны устанавливаться на подставке, идентичной соответствующему светильнику, для которого они специально предназначены.

b) Высота падения.

Боек должен падать с высоты:

- (100 ± 1) мм при испытании патронов G5 и патронов, встраиваемых в светильники, обеспечивающие им достаточную защиту;

- (150 ± 1,5) мм при испытании патронов, встраиваемых в светильники, не обеспечивающие им достаточную защиту.

c) Количество ударов.

Три удара наносят по самой слабой точке, особенно по изоляции токоведущих деталей, а также по вставляемым втулкам из изоляционного материала, при их наличии. Удары не наносят по углублениям патронов для стартеров.

d) Предварительные условия.

Кабельные вводы должны быть открыты, выламываемые диафрагмы выбиты, а винты крепления крышек и аналогичные винты затягивают с крутящим моментом, равным 2/3 значения, указанного в разделе 15.

e) Начальные измерения.

Не применяют.

f) Положения и места ударов.

(См. подпункт с).

g) Рабочий режим и контроль функционирования.

Образец не должен функционировать в процессе нанесения ударов.

h) Критерий приема и бракования.

После испытания образец не должен иметь повреждений, вызывающих несоответствие требованиям настоящего стандарта, в частности:

1) Токоведущие детали не должны становиться доступными и патрон не должен отделяться от своей опоры.

Поврежденные поверхности и небольшие выбоины, которые не снижают путей утечки и воздушных зазоров ниже значений, указанных в разделе 16, и не влияют отрицательно на защиту от поражения электрическим током и от воздействия воды, не должны приниматься во внимание.

2) Трещины, не видимые невооруженным глазом, и поверхностные трещины в волокнистых отливках и подобных им деталях не должны приниматься во внимание.

Трещины или отверстия на внешней поверхности любой детали патрона не должны приниматься во внимание, если патрон соответствует настоящему стандарту без этой детали.

i) Восстановление.

Не применяют.

j) Завершение.

(См. подпункт h).

Примечания

1 Встраиваемые стартеры не испытывают, потому что их устанавливают в защищенном положении.

2 Механическая прочность патронов, используемых в светильниках или другом оборудовании, может проверяться посредством пружинного ударного устройства, описанного в МЭК 60068-2-63. При испытании согласно МЭК 60598-1 энергия удара от 0,2 до 0,7 Н·м зависит от материала комплектующих и типа светильника.

14.3 Калибр должен вводиться в патрон для ламп.

К калибру, введенному в патрон, прикладывают в течение 1 мин вдоль оси калибра усилие 50 Н. Кроме того, патроны для ламп, имеющие фиксированный ограничитель вращения, который срабатывает при введении лампы, подвергают в течение 1 мин воздействию крутящего момента 1 Н·м. Для этого испытания патрон должен быть жестко закреплен в наиболее неблагоприятном положении.

Калибры должны соответствовать следующим листам МЭК 60061-3:

- 7006-47С - калибр 1 для патронов G5;

- 7006-60С - калибр 1 для патронов G13.

Калибры для других патронов - в стадии разработки.

После этих испытаний патрон не должен иметь повреждений.

14.4 При наличии в патронах G13 поворотного вкладыша его испытывают следующим образом.

Шаблон с размерами, указанными на рисунке 6, вводят в паз вкладыша с усилием 30 Н и вкладыш с помощью шаблона поворачивают на 360 ° по или против часовой стрелки. При этом испытании патрон должен быть жестко закреплен в наиболее неблагоприятном положении.

После испытания патрон не должен иметь повреждений, препятствующих его дальнейшему применению.

14.5 Калибр А, указанный на рисунке 11, вводят в патрон для стартера и в течение 1 мин подвергают сжатию с усилием 20 Н, которое прикладывают к калибру вдоль его оси. При этом испытании патрон должен быть жестко закреплен в наиболее неблагоприятном положении.

После испытания патрон для стартера не должен иметь повреждений.

15 Винты, токоведущие детали и соединения

15.1 Винты и механические соединения, повреждение которых может нарушить безопасность патрона, должны выдерживать механические нагрузки, возникающие при нормальном использовании.

Проверку проводят внешним осмотром и испытанием, изложенным ниже.

Винты, предназначенные для обеспечения соединений в патронах, затягивают и ослабляют:

- пять раз, если винты ввинчивают в металлическую резьбу;

- десять раз, если винты ввинчивают в резьбу в изоляционном материале.

Затягивание и ослабление винтов осуществляют динамометрической отверткой, обеспечивающей крутящие моменты, значения которых приведены в таблице 2. Графа 1 относится к винтам без головки, которые в затянутом состоянии не выступают из отверстия. Графа 2 относится к остальным винтам.

Винты, ввинчиваемые в резьбу в изоляционном материале, каждый раз полностью ввинчивают и вывинчивают.

В процессе испытания не должно возникать повреждений, препятствующих дальнейшему использованию винтовых соединений.

Таблица 2 - Испытательный крутящий момент для винтов

Номинальный диаметр винта, мм

Крутящий момент, Н·м

1

2

До 2,8 включ.

0,2

0,4

Св.

2,8

до

3,0

включ.

0,25

0,5

«

3,0

«

3,2

«

0,30

0,6

«

3,2

«

3,6

«

0,40

0,8

«

3,6

«

4,1

«

0,70

1,2

«

4,1

«

4,7

«

0,80

1,8

«

4,7

«

5,3

«

0,8

2,0

«

5,3

«

6,0

«

-

2,5

«

6,0

«

8,0

«

-

8,0

«

8,0

«

10,0

«

-

17,0

«

10,0

«

12,0

«

-

29,0

«

12,0

«

14,0

«

-

48,0

«

14,0

«

16,0

«

-

114,0

Примечание - К винтам, которые применяют для соединений в патронах, относят, например, винты крепления крышек, которые должны откручиваться при установке, и т.д. Сюда не относят соединения с помощью трубной резьбы и винты для крепления патронов на опоре.

Форма лезвия испытательной отвертки должна соответствовать шлицу испытуемого винта. Винт ввинчивают плавно, без рывков.

Гайки испытывают аналогичным образом.

15.2 Для соединения токоведущих деталей не допускается применять винты с прерывающейся резьбой, кроме случаев, когда скрепляемые ими детали непосредственно соприкасаются друг с другом и имеется надежная защита от самоотвинчивания.

Для соединения токоведущих деталей можно применять самонарезающие винты при условии, что они изготовлены не из мягкого или текучего металла, такого как цинк или алюминий.

Для обеспечения непрерывности заземляющей цепи могут применяться винты с прерывающейся резьбой при условии, что при нормальном использовании такое соединение не подвергается развинчиванию и для каждого соединения применяют не менее двух винтов.

Проверку проводят внешним осмотром.

15.3 Винты, вкручиваемые в резьбу в изоляционном материале, должны иметь длину резьбы не менее 3 мм плюс 1/3 номинального диаметра винта, но не более 8 мм. Необходимо обеспечивать правильное введение винта в соответствующую резьбу.

Проверку проводят внешним осмотром, измерениями и пробным монтажом.

Примечание - Требование правильности введения винта выполняется, если ввод винта без перекоса обеспечивается наличием направляющих на закрепляемых деталях, применением утопленной резьбы в гайке или винтов с фаской.

15.4 Конструкция электрических соединений должна исключать передачу контактного нажатия через изоляционный материал, кроме керамики или других материалов с аналогичными характеристиками, за исключением случаев, когда металлические детали обладают достаточной упругостью для компенсации возможной усадки изоляционного материала.

Винты не должны изготовляться из мягкого или текучего металла, например цинка или алюминия.

Винты, передающие контактное нажатие, и винты номинальным диаметром менее 2,8 мм, применяемые для соединений в патронах, должны ввинчиваться в металлическую гайку или втулку.

Проверку проводят внешним осмотром.

Требование не распространяется на контакты между съемными деталями, такими как лампы, стартеры и их патроны, для которых требуется соответствующее подпружинивание.

15.5 Винты и заклепки, служащие как для электрических, так и механических соединений, должны быть предохранены от ослабления.

Проверку проводят внешним осмотром и пробным монтажом.

Примечание - Защиту от ослабления может обеспечить пружинная шайба. Для заклепок достаточно, чтобы они имели нецилиндрическую форму или выступ (лыску).

Заливочные массы и компаунды, размягчающиеся при нагревании, обеспечивают удовлетворительную защиту от ослабления только для тех винтовых соединений, которые не подлежат рассоединению при эксплуатации.

15.6 Токоведущие детали должны быть изготовлены из меди или сплава с содержанием меди не менее 50 % или других материалов с аналогичными характеристиками.

Требование не распространяется на винты, которые, по существу, не являются токоведущими, например винты контактных зажимов.

Проверку проводят внешним осмотром и, при необходимости, химическим анализом.

Испытания по разделу 18 должны показать, эквивалентны ли медным токопроводящие детали в части электропроводности, механической прочности и коррозионной стойкости, которые могут возникнуть при нормальной эксплуатации.

Примечание - Особое внимание следует обращать на антикоррозионные и механические свойства материалов.

16 Пути утечки и воздушные зазоры

Значения путей утечки и воздушных зазоров должны быть не менее указанных в таблицах и3b.

Таблица 3а - Минимальные расстояния (мм) для синусоидальных напряжений переменного тока (50/60 Гц)

Расстояния

Рабочее напряжение, В

150

250

500

750

1000

1 Между токоведущими деталями различной полярности и

 

 

 

 

 

2 Между токоведущими деталями и доступными металлическими деталями, или внешней поверхностью деталей из изоляционного материала, которые постоянно закреплены на патроне1), включая винты или устройства для крепления крышек или патрона к его опоре

Пути утечки:

изоляции с РТI2) ³ 600

1,4

1,7

3

4

5,5

изоляции с РТI < 600

1,6

2,5

5

8

10

Воздушные зазоры

1,4

1,7

3

4

5,5

3 Между токоведущими деталями и монтажной поверхностью или откидной металлической крышкой, при ее наличии, если конструкция не гарантирует, что при значениях, указанных в 2, патроны будут работоспособными при самых неблагоприятных условиях эксплуатации: воздушные зазоры

3,2

3,6

4,8

6

8

1) Расстояния между токоведущими контактами и кромкой лампового патрона (опорная плоскость) должны соответствовать стандартным листам МЭК 60061-2. Аналогичные расстояния в патронах для стартеров должны соответствовать рисункам 10 и 10а.

2) PTI (коэффициент сопротивления токам поверхностного разряда) - в соответствии с МЭК 60112.

а) Пути утечки для деталей, не находящихся под напряжением или не предназначенных для заземления, где поверхностный разряд не происходит, должны быть равны значениям, указанным для материала с РТI ³ 600, независимо от реального PTI используемого материала.

Пути утечки для деталей, подвергаемых воздействию рабочих напряжений длительностью менее 60 с, должны быть равны значениям, указанным для материалов с РТI ³ 600, независимо от реального PTI используемого материала.

b) Пути утечки деталей, не подверженных загрязнению пылью или влагой, должны быть равны значениям, указанным для материалов с РТI ³ 600 (независимо от реального PTI используемого материала).

3) Расстояния, указанные в таблице, применимы к сверхнапряжению категории II в соответствии с МЭК 60664-1, и относятся к степени загрязнения 2, где обычно возникают только непроводящие загрязнения, но изредка может возникать временная проводимость, вызываемая конденсацией. Распространение таблицы на изоляцию других категорий или более высокие степени загрязнения - в стадии рассмотрения.

4) Информация по стандартным уровням типов патронов дана в разделе 5.

5) Значения путей утечки и воздушных зазоров для промежуточных значений рабочих напряжений могут быть определены линейной интерполяцией табличных величин.

Таблица 3b - Минимальные расстояния для несинусоидальных импульсных напряжений

Нормированное напряжение импульса, кВ

2

2,5

3

4

5

6

8

Минимальный воздушный зазор, мм

1

1,5

2

3

4

5,5

8

Для расстояний, подвергаемых воздействию как синусоидальных напряжений, так и импульсных несинусоидальных напряжений, требуемые минимальные расстояния должны быть не менее наибольших значений, указанных в таблице.

Пути утечки должны быть не менее требуемых минимальных воздушных зазоров.

Проверку патронов, предназначенных для светильников класса защиты II, проводят в соответствии с требованиями раздела 11 МЭК 60598-1 в светильнике, полностью укомплектованном вставленными лампой(ами) и стартером(ами).

Пути утечки тока или воздушные зазоры между ламповыми контактами патронов должны быть не менее, мм:

- 1,2 - для патронов G5;

- 1,5 - для патронов G10q;

- 2,0 - для остальных патронов.

Проверку проводят измерением на патроне с присоединенными к зажимам проводами наибольшего сечения, указанного в 9.3, и без них.

Требования не распространяются на расстояния, полностью герметизированные или заполненные компаундом.

При зазоре менее 1 мм значение пути утечки тока принимают равным этому значению. При расчете общего значения воздушного зазора любой зазор шириной менее 1 мм не учитывают.

Примечание - Пути утечки тока измеряют по воздуху вдоль поверхности изоляционного материала.

17 Теплостойкость, огнестойкость и устойчивость к токам поверхностного разряда

17.1 Патроны должны иметь достаточную теплостойкость.

Проверку патронов для двухцокольных люминесцентных ламп, патронов 2G13 и G10q и патронов для стартеров проводят испытанием по одному из указанных ниже подпунктов а) или b) в соответствии с указаниями изготовителя.

При отсутствии таких указаний проводят испытания по подпункту а).

Патроны для одноцокольных люминесцентных ламп (за исключением патронов 2G13 и G10q) испытывают по подпункту с).

a) Образец испытывают в камере тепла при температуре (100 ± 5) °C, а патроны с температурной маркировкой Т- при температуре [(Т + 20) ± 5] °С. Продолжительность испытания - 168 ч (7 сут).

Если патрон со степенью защиты выше IP20 имеет сальники, максимальная рабочая температура которых отличается от наибольшей испытательной температуры патронов, то образцы сальников должны испытываться отдельно (см. 4.4) в течение времени, указанного выше, в камере тепла при температуре, указанной изготовителем в инструкции по монтажу.

После испытания сальники патронов должны быть заменены испытанными отдельно.

b) Патрон для ламп размещают либо на стальном испытательном цоколе А (в случае патронов для ламп с номинальным диаметром трубки 25 мм - см. МЭК 60081), либо на испытательном цоколе В (в случае патронов для ламп с номинальным диаметром трубки 38 мм см. МЭК 60081), размеры которых указаны на рисунке 9. Испытательный цоколь снабжен внутренним источником тепла и термоэлектрическим преобразователем для определения температуры рабочей поверхности испытательного цоколя между штырьками.

Примечание - Трубки, изображенные на рисунке 9, предназначены для испытания патронов с защитными трубками. Их удаляют при испытании патронов, используемых без защитной трубки.

Второй термоэлектрический преобразователь устанавливают на тыльной стороне патрона, в самой горячей точке, расположенной над штырьками цоколя. Преобразователь крепят на нижней поверхности медного диска (диаметром около 5 мм, толщиной 1 мм, с черным матовым покрытием), накладываемого на патрон. На диск устанавливают груз массой 100 г, термически изолировав его от диска.

Примечание - Необходимо следить, чтобы рабочая поверхность патрона тесно соприкасалась с испытательным цоколем.

Патроны для ламп с вращающейся частью, имеющей выступ в середине созданного воздушного зазора между поверхностью цоколя и патрона, должны закрепляться отдельным монтажным приспособлением на испытательном цоколе по рисунку 9 согласно инструкциям изготовителя (см. 7.3).

В процессе испытания не должно возникать воздушного зазора между выступом вращающейся части и испытательным цоколем.

В ламповых патронах с безвинтовыми контактными зажимами термопары должны соприкасаться с каждой зажимающей частью безвинтового контактного зажима(ов). Собранный комплект устанавливают в камеру тепла, имеющую равномерное распределение внутренней температуры и незначительную разницу температур в двух любых точках.

Испытательная камера должна иметь следующие характеристики:

- материал: фанера номинальной толщиной 10 мм;

- внутреннее покрытие: черная матовая краска;

- внутренние размеры: [(500 ´ 500 ´ 500) ± 10] мм;

- одна из стенок должна быть съемной.

Примечание - Испытательная камера не должна нагреваться или охлаждаться снаружи и должна быть изолирована от сквозняка.

Источник тепла внутри испытательного цоколя регулируют так, чтобы температура поверхности испытательного цоколя между штырьками превышала значение Т, указанное в маркировке патрона, на (25 + 5) К.

При достижении теплового равновесия измеряют и регистрируют температуру Тm на тыльной стороне патрона. Значение Тm принимают как эталонную температуру тыльной стороны патрона при дальнейших испытаниях. Однако если в инструкциях изготовителя дана более высокая температура, то ее принимают за эталонную.

Наибольшее значение температуры, измеренной около безвинтовых контактных зажимов, также регистрируют. Это значение используют при испытании безвинтовых контактных зажимов в соответствии с разделом 15 МЭК 60598-1. Однако если температура, измеренная у безвинтовых контактных зажимов, менее 100 °С, то испытания проводят при температуре (100 ± 5) °С.

Продолжительность испытания - 168 ч (7 сут).

В процессе испытания по подпунктам а) или b) образец не должен иметь изменений, препятствующих его дальнейшему использованию:

- ухудшения (нарушения) защиты от поражения электрическим током;

- нарушения степени защиты от пыли и влаги;

- ослабления электрических контактов.

Съемные сальники для монтажа патронов при этом испытании не проверяют, а испытывают в светильнике.

с) Патроны для одноцокольных люминесцентных ламп (кроме патронов 2G13 и G10q) проверяют следующим испытанием, которое проводят последовательно на каждом из трех представленных на испытание патронов.

Испытательные цоколи, удовлетворяющие указанному на одном из рисунков 30-38 или, при отсутствии таких, испытательные цоколи с номинальными размерами, указанными для соответствующих цоколей на стандартных листах МЭК 60061-1, вставляют в два патрона, а третий оставляют пустым (без цоколя).

Примечание - Испытательному цоколю не нужен ключ, если он выполняет только манипуляционные функции.

Патроны устанавливают на 168 ч в камеру с температурой, равной максимальной температуре цоколя, плюс (20 ± 5) °С.

Примечание - Информация о максимальных температурах цоколя приведена в приложении С МЭК 61199.

Испытательные цоколи устанавливают в камере вертикально, а патроны - сверху, чтобы масса испытательного цоколя не оказывала давления на патрон. К одному из двух патронов в течение всего испытания прикладывают изгибающий момент 0,3 Н·м относительно базовой плоскости.

Настоящее требование не распространяется на патроны 2G11.

Точка приложения изгибающего момента должна находиться на оси испытательного цоколя.

В процессе испытания в патронах не должно произойти изменений, препятствующих их дальнейшему использованию.

После испытания патроны вынимают из камеры и охлаждают без испытательного цоколя.

Патроны должны соответствовать следующим требованиям:

- патрон, который в период нагрева был без цоколя, должен удовлетворять всем требованиям, проверяемым соответствующими калибрами для ламповых патронов по МЭК 60061-3;

- патроны, которые испытывались в тепловой камере с испытательными цоколями, должны обеспечивать силу контактного нажатия не менее соответствующего минимального значения.

17.2 Корпуса и другие наружные детали из изоляционного материала, обеспечивающие защиту от поражения электрическим током, а также детали из изоляционного материала, на которых размещаются токоведущие детали, должны выдерживать испытания вдавливанием шарика с помощью устройства, показанного на рисунке 7.

Поверхность испытуемой детали располагают в горизонтальном положении и стальной шарик диаметром 5 мм вдавливают в эту поверхность с усилием 20 Н. Испытание проводят в камере тепла при температуре на (25 ± 5) °С выше рабочей температуры (см. 6.3), а при испытании деталей, на которых располагаются токоведущие детали, температура в камере тепла должна быть не менее 125 °С.

Перед началом испытания устройство и опору помещают в камеру тепла для нагрева до испытательной температуры.

Испытуемую деталь до установки на нее устройства помещают на 1 ч в камеру тепла.

Если поверхность испытуемой детали прогибается под тяжестью устройства, то под нее ставят опору на участке вдавливания шарика. Если испытание невозможно провести на целой детали, то от нее отделяют необходимую часть.

Толщина образца должна быть не менее 2,5 мм; если толщина образца меньше, то ее доводят до указанной сложением двух или более частей.

Испытание патронов с температурной маркировкой Т проводят в соответствии с 17.1b в камере тепла при температуре [(T + 25) ± 5] °С, если испытание проводят на тыльной стороне патрона, и [Тm ± 5] °С, но не менее 125 °С, если испытывают детали, на которых располагаются токоведущие части.

Через 1 ч устройство снимают с образца и образец на 10 с погружают в холодную воду для охлаждения приблизительно до комнатной температуры. Затем измеряют диаметр отпечатка шарика, который должен быть не менее 2 мм.

Испытание не проводят на деталях из керамического материала.

Примечание - Если испытание проводят на криволинейной поверхности и отпечаток имеет форму эллипса, то диаметр определяют измерением малой оси эллипса.

При сомнении измеряют глубину отпечатка р и диаметр D определяют по формуле

17.3 Наружные детали из изоляционного материала, обеспечивающие защиту от поражения электрическим током, и детали из изоляционного материала, на которых располагаются токоведущие детали, должны быть устойчивы к воздействию пламени и возгоранию.

Проверку материалов, кроме керамики, проводят испытаниями по 17.4 и 17.5.

17.4 Наружные детали из изоляционного материала, обеспечивающие защиту от поражения электрическим током, испытывают методом «раскаленной проволоки» согласно МЭК 60695-2-1 со следующими уточнениями:

- испытывают полностью укомплектованный и собранный патрон. При необходимости на время испытания из патрона могут быть изъяты некоторые детали, если это не приводит к большим отличиям условий испытания от условий нормального использования патрона;

- патрон крепят на подвижном устройстве и с силой 1 Н прижимают к активной части раскаленной проволоки центральной частью испытуемой детали на расстоянии не менее 15 мм от ее верхнего края. Проникание раскаленной проволоки в образец механически ограничивают до глубины 7 мм.

Если невозможно провести испытание патрона, то испытывают пластину из того же материала с размерами 30 ´ 30 мм и толщиной, равной минимальной толщине образца:

- температура активной части раскаленной проволоки должна быть 650 °С;

- через 30 с испытуемый образец отводят от раскаленной проволоки.

Температура раскаленной проволоки и ток, проходящий через нее, должны быть стабильными в течение 1 мин до начала испытания.

В течение этого времени должно быть исключено воздействие теплового излучения на образец.

Температуру активной части раскаленной проволоки измеряют термоэлектрическим преобразователем в огнестойкой оболочке, сконструированным и откалиброванным, как описано в МЭК 60695-2-1;

- любое горение или тление образца должно прекращаться в течение 30 с после удаления раскаленной проволоки, а любые горящие частицы не должны воспламенять папиросную бумагу, расположенную горизонтально на расстоянии (200 ± 5) мм под образцом.

17.5 Детали из изоляционного материала, на которых расположены токоведущие части, испытывают методом «игольчатого пламени» по МЭК 60695-2-2 со следующими уточнениями:

- испытывают полностью укомплектованный и собранный патрон. При необходимости из патрона на время испытания могут быть изъяты некоторые детали, если это не приведет к большим отличиям условий испытания от условий нормального использования патрона;

- испытательное пламя прикладывают к центральной части испытуемой поверхности патрона;

- длительность приложения пламени - 10 с;

- любое самоподдерживающееся пламя должно затухать в течение 30 с после отвода горелки, возникающие при этом горящие частицы не должны воспламенять лист папиросной бумаги, расположенный горизонтально на расстоянии (200 ± 5) мм под образцом.

17.6 Детали из изоляционного материала всех патронов, кроме обычных, на которых крепят токоведущие части, должны быть устойчивы к токам поверхностного разряда.

Проверку материалов, кроме керамики, проводят испытанием на устойчивость к токам поверхностного разряда в соответствии с МЭК 60112 со следующими уточнениями:

- если образец не имеет плоской поверхности размером не менее 15 ´ 15 мм, то испытание может проводиться на плоской поверхности меньших размеров, достаточных, чтобы капли раствора не стекали с образца в процессе испытания. Не допускается искусственно удерживать раствор на поверхности. При сомнении испытание может быть проведено на отдельном элементе из того же материала, имеющем требуемые размеры и изготовленном по той же технологии;

- если толщина образца менее 3 мм, то для обеспечения необходимой толщины можно сложить два или большее число образцов;

- испытание необходимо проводить на трех участках образца или на трех образцах;

- должны применяться платиновые электроды и использоваться испытательный раствор А, описанный в 5.4 МЭК 60112;

- образец, за время падения 50 капель, должен выдерживать без пробоя воздействие напряжения, равного 175 В;

- пробоем считают поверхностный разряд между электродами, сопровождаемый протеканием тока, равного или превышающего 0,5 А, в течение не менее 2 с, или прогорание образца без срабатывания реле максимального тока;

- пункт 6.4 МЭК 60112 относительно оценки эрозии не применяют;

- примечание 1 раздела 3 МЭК 60112 относительно обработки поверхности не применяют.

18 Защита от старения и коррозии

18.1 Контакты и другие детали, изготовленные из медного проката или медных сплавов, повреждение которых может нарушить безопасность использования патронов, не должны иметь повреждений при старении.

Проверку проводят следующим испытанием.

Поверхность образцов тщательно очищают, протирают ацетоном, бензином или аналогичным растворителем, удаляя жирные пятна и отпечатки пальцев.

Образцы помещают на 24 ч в испытательную камеру, дно которой заполнено раствором хлорида аммония с рН = 10 (подробности об испытательной камере, испытательном растворе и методике испытания см. в приложении В).

После такого воздействия образцы промывают проточной водой. Через 24 ч на образцах не должно быть трещин, видимых при 8-кратном увеличении.

Незначительными трещинами наружного корпуса металлических патронов вблизи мест крепления изолирующего кольца пренебрегают.

Примечание - Во избежание искажения результата испытания образцы не следует брать руками.

18.2 Детали из черных металлов, коррозия которых может нарушить безопасность при использовании патронов, должны иметь соответствующую защиту от коррозии.

Проверку проводят следующим испытанием.

Испытуемые детали обезжиривают погружением на 10 мин в обезжиривающую жидкость, а затем погружают на 10 мин в 10 %-ный водный раствор хлористого аммония при температуре (20 ± 5) °С. Детали без сушки, но стряхнув с них капли, помещают на 10 мин в камеру, воздух в которой насыщен влагой при температуре (20 ± 5) °С и нет сквозняков. Затем образцы сушат в течение 20 мин в камере тепла при температуре (100 ± 5) °С, после чего на их поверхности не должно быть заметных следов коррозии.

Для небольших винтовых пружин и аналогичных небольших деталей, а также для деталей из черных металлов, подвергающихся трению, достаточную защиту от коррозии обеспечивает слой смазки.

Такие детали не испытывают.

Рисунки

1 - зажимная скоба*, перекрывающая монтажную пластину на 10 мм; 2 - опора; 3 - упор; 4 - планка для прижима монтажной пластины к упору; 5 - винты крепления зажимной скобы; 6 - монтажная пластина (см. рисунок 2)

* Для некоторых видов патронов для ламп, например сдвоенных, может потребоваться применение двухместных зажимных скоб.

В миллиметрах

Обозначение размера

Номин. размер

Пред. откл.

Z

1)

±0,05

Р

65,0

±0,10

q

60,2

+0,10

-0,00

r

5,0

±0,10

t

40,0

1) z = 65,9 мм для испытания патронов G5 (получено из максимального значения размера А лампы мощностью 4 Вт; см. МЭК 60081).

z = 367,4 мм для испытания патронов G13 (получено из максимального значения размера А лампы мощностью 15 Вт; см. МЭК 60081).

Рисунок предназначен только для иллюстрации основных размеров.

Назначение: проверка соответствия комплекта (пары) патронов «проходному» калибру и наличия контакта.

Испытание: монтажные пластины с закрепленными на них патронами вставляют в монтажное приспособление, прижимают к упору и фиксируют зажимными скобами. В этом положении вставляют калибры.

Рисунок 1 - Монтажное приспособление для испытания патронов для ламп

В миллиметрах

Обозначение размера

Номин. размер

Пред. откл.

Р

70,0

±0,1

Q

60,0

R

2,0

±0,5

s1)

1,0

±0,05

1) Если патрон предназначен для установки на основание из тонкого материала, то до этого значения доводят только непосредственно место, на котором устанавливают патрон на монтажной пластине.

Материал: сталь

1 - линия, на которой располагается центр патрона; 2 - сторона упора, которая должна иметь маркировку

Рисунок предназначен только для иллюстрации основных размеров.

Для патронов, которые предназначены для монтажа только на вертикальной поверхности, на монтажной пластине устанавливают дополнительно стальной уголок.

Стальной уголок должен быть таким, чтобы усилие 50 Н, приложенное к верху этого уголка в направлении оси патрона, не изменяло положение верха уголка более чем на 0,2 мм относительно начального положения.

Рисунок 2 - Монтажная пластина

1 - монтажная пластина (см. рисунок 2); 2 - опора; 3 - патрон; 4 - испытательный цоколь (см. рисунок 4); 5 - рама; 6- зажимная скоба, перекрывающая монтажную пластину на 10 мм.

Показанное на рисунке устройство предназначено для испытания одноламповых патронов. Для испытания сдвоенных патронов должны применяться соответствующие устройства.

Назначение: проверку проводят при сомнении, к какому типу компенсированному или некомпенсированному, относится патрон.

Испытание: патрон, закрепленный на монтажной пластине, устанавливают на опоре и испытательный цоколь вводят в патрон. Пластину перемещают так, чтобы цоколь был между патроном и рамой без зазора. В этом положении пластину крепят с помощью зажимных скоб. К цоколю плунжером прикладывают усилие до тех пор, пока не будет достигнуто требуемое расстояние перемещения* плунжера. Усилие для патронов G5 и G13 должно быть не менее 15 и 30 Н соответственно. Испытание повторяют 10 раз.

* Перемещение плунжера, соответствующее минимальному осевому перемещению, необходимому для получения контакта, равно:

- для пары патронов с боковым вводом: 3 мм + монтажный допуск**;

- для пары патронов с осевым вводом: 3 мм + максимальная длина штырьков цоколя (7,62 мм пересматривается) + монтажный допуск**.

Если комбинация пары патронов включает два компенсированных патрона, то каждый патрон должен обеспечивать половину компенсации.

** Устанавливается по указанию изготовителя (см. 8.3).

По окончании испытания не должно быть зазора как между испытательным цоколем и рамой, так и между испытательным цоколем и патроном. В этом случае патрон относят к компенсированным, в противном случае - к некомпенсированным.

Рисунок 3 - Устройство для определения наличия компенсации у патронов для ламп

В миллиметрах

Обозначение

Номин. размер патрона

Пред. откл.

G5

G13

A2)

15,50

25,60

±0,10

D

4,75

12,70

±0,05

Е

2,37

±0,02

F

7,10

±0,05

Н2)

35,00

±0,10

r2)

0,50

+0,30

-0,00

1) Эта часть калибра и штырьки цоколя должны быть изготовлены из закаленной стали.

2) Отличаются от указанных в разделе 14 материалом, из которого они изготовлены, и значениями размеров А, Н и r.

Рисунок 4 - Испытательные цоколи G5 и G13

1 - рама; 2 - образец; 3 - монтажная пластина; Н - высота падения

Примечание - Более подробную информацию см. в МЭК 60068-2-62.

Рисунок 5 - Маятниковая ударная установка

1 - ось вращения; 2 - лист фанеры

Примечание - Более подробную информацию см. в МЭК 60068-2-62.

Рисунок 5а - Монтажная плата

В миллиметрах

Обозначение размера

Номин. размер

Пред. откл.

D

12,70

±0,05

Е

2,67

+0,00

-0,01

f

12,00

±0,20

т

17,50

п

5,00

r

0,50

Рисунок предназначен только для иллюстрации основных размеров калибра.

Назначение: проверка механической прочности патронов G13, имеющих поворотный вкладыш.

Испытание: в соответствии с 14.4.

Рисунок 6 - Шаблон

1 - стальной шарик; 2 - образец

Рисунок 7 - Устройство для вдавливания шарика

1 - опорная поверхность; 2 - образец для наружного и полускрытого монтажа; 3 - образец для скрытого монтажа

Примечание - Более подробную информацию см. в МЭК 60068-2-62.

Рисунок 8 - Скоба для крепления патрона на маятниковой ударной установке

Н - высота в соответствии с инструкциями изготовителя; 1 - стальной испытательный цоколь; 2 - источник тепла (доступное пространство); 3 - защитная трубка (при необходимости); 4 - выступ для защитной трубки; 5 - патрон; 6 - термопары; 7 - груз массой 100 г

В миллиметрах

Обозначение размера

Номин. размер испытательного цоколя

Пред. откл.

А

В

а

25,80

36,50э

+0,00

b2)

26,00

38,00

-0,10

с

38,003)

50,00

+0,10

-0,10

d

12,70

±0,05

е

2,50

f

7,10

+0,00

-0,10

п

8,71

+0,10

-0,00

Испытательный цоколь должен иметь внутренний источник тепла, например электрическую обмотку, равномерно распределяющую тепло по его рабочей поверхности.

* Рекомендуемое значение для проектирования основания испытательного цоколя. Выбор этих значений служит для унификации испытательных устройств.

1) Испытательный цоколь и основание для испытания цоколя должны быть едиными.

2) Размеры b относятся к номинальным диаметрам лампы. Они не учитывают возможность эксцентричности цоколей, относящихся к трубке лампы.

3) Возможны другие размеры (например 40 и 50 мм) посредством заменяемых колец.

Рисунок 9 - Испытательный цоколь G13 и испытательное устройство для испытания теплостойкости патронов G13 с маркировкой Т (см. 17.1)

Вариант расположения контактов

1 - изолирующий материал; 2 - контакты

Размеры в миллиметрах

Обозначение размера

Значение размера

Мин.

Макс.

А

12,5

12,9

В

21,7

-

D

5,4

-

E1

8,7

9,2

Е2

16,2

16,7

Н

-

28,0

S

-

1,5

T11)

-

1,5

T22)

2,5

-

T3

2,3

-

U11)

-

17,0

U22)

18,0

-

a

45 °

-

На рисунке показаны только размеры, подлежащие проверке

1) Свободное состояние контактов.

2) Полностью сжатое состояние контактов.

Рисунок 10 - Размеры патрона для стартеров

Вариант расположения контактов

1 - изолирующий материал; 2 - контакты

На рисунке показаны размеры, подлежащие проверке.

Размеры в миллиметрах

Обозначение размера

Значение размера

Мин.

Макс.

А

12,5

12,9

В

21,7

-

D

5,4

-

E1

8,7

9,2

Е2

16,2

16,7

Н

-

28,0

S

-

1,5

T11)

-

1,5

T22)

2,5

-

T3

2,3

-

U11)

-

17,0

U22)

18,0

-

V

2,2

2,5

W

3,6

4,1

a

45 °

-

1) Свободное состояние контактов.

2) Полностью сжатое состояние контактов.

Рисунок 10а - Размеры патрона, предназначенного только для стартеров, соответствующих приложению В МЭК 60155

В миллиметрах

Обозначение размера

Номин. размер

Пред. откл.

Калибр А

Калибр В

А

12,90

12,50

±0,005

В

21,50

21,50

+0,010

D

5,00

5,00

-0,000

Е

3,20

3,20

Н

38,00

38,00

±0,20

S

1,70

1,70

+0,000

-0,010

Т

2,20

2,20

+0,010

-0,000

V

2,70

2,70

+0,000

W

2,50

2,50

-0,010

Рисунок предназначен только для иллюстрации основных размеров калибров.

Назначение: проверка патрона для стартеров вставлением «максимального» стартера.

Калибр А применяют также для испытания на скручивание.

Испытание, каждый из калибров А и В поочередно плавно вводят в патрон для стартера до достижения ими нормального рабочего положения стартера.

Рисунок 11 - Проходной калибр для патронов для стартеров

Электрическая схема испытания.

Рисунок предназначен только для иллюстрации основных размеров калибров

В миллиметрах

Обозначение размера

Номин. размер

Пред. откл.

А

12,70

±0,005

В

20,00

±0,100

D

4,50

+0,000

Е

2,60

-0,010

Н

38,00

±0,200

L

4,30

+0,010

-0,000

Т

1,90

+0,000

-0,010

V

3,00

±0,010

W

4,00

+0,100

-0,000

Назначение: проверка удержания и наличия контакта «минимального» стартера в патроне для стартеров, в котором контактное нажатие определяется расстоянием между штырьками стартера.

Для патронов, в которых контактное нажатие практически не зависит от расстояния между штырьками стартера, применяют калибр по рисунку 13.

Испытание: патрон для стартеров считают удовлетворяющим требованиям, если контрольная лампа зажглась после установки калибра в нормальное рабочее положение стартера.

В этом положении калибр должен удерживаться патроном для стартеров. Испытание следует проводить после проверки калибрами, указанными на рисунке 11.

Примечание - Масса калибра должна быть ~ 75 г.

Рисунок 12 - Калибр для проверки патронов для стартеров на наличие контакта и удержания

В миллиметрах

Обозначение размера

Номин. размер

Пред. откл.

D

4,7

+0,00

Е

2,8

-0,01

L

4,3

+0,01

-0,00

Т

1,9

+0,00

-0,01

Электрическая схема испытания

Рисунок предназначен для иллюстрации основных размеров калибра.

Назначение: проверка наличия контакта в патронах для стартеров, в которых контактное нажатие практически не зависит от расстояния между штырьками стартера.

Испытание: при введении калибра поочередно в каждый контакт сигнальная лампа должна гореть без мигания во всех возможных положениях калибра.

Испытание следует проводить после проверки калибрами, указанными на рисунке 11.

Рисунок 13 - Специальный калибр для проверки наличия контакта в патронах для стартеров

В миллиметрах

Обозначение размера

Номин. размер

Пред. откл.

D

4,75

±0,05

Е

2,37

±0,02

F

7,10

±0,05

Рисунок 14 - Испытательный цоколь для испытания патронов G5 по разделу 13

В миллиметрах

Обозначение размера

Номин. размер

Пред. откл.

D

12,70

±0,05

Е

2,37

±0,02

F

7,10

±0,05

Рисунок 15 - Испытательный цоколь для испытания патронов G13 по разделу 13

В миллиметрах

Обозначение размера

Номин. размер патронов

Пред. откл.

2G13-41

2G13-56

2G13-92

2G13-152

А

41,0

56,0

92,0

152,0

±0,10

D

12,70

±0,05

Е

2,37

±0,02

F

7,10

±0,05

Рисунок 16 - Испытательный цоколь для испытания патронов 2G13 по разделу 13

В миллиметрах

Обозначение размера

Номин. размер

Пред. откл.

D

19,84

±0,05

Е

3,32

±0,02

F

15,88

±0,05

Рисунок 17 - Испытательный цоколь для испытания патронов G20 по разделу 13

В миллиметрах

Обозначение размера

Номин. размер

Пред. откл.

Е

5,96

±0,02

F

18,00

±0,05

Рисунок 18 - Испытательный цоколь для испытания патронов Fа6 по разделу 13

В миллиметрах

Обозначение размера

Номин. размер

Пред. откл.

С

6,35

±0,05

D

7,92

Е

2,37

±0,02

F

7,10

±0,05

Рисунок 19 - Испытательный цоколь для испытания патронов G10q по разделу 13

В миллиметрах

Обозначение размера

Номин. размер

Пред. откл.

Е

7,94

±0,02

F

8,25

±0,05

Рисунок 20 - Испытательный цоколь для испытания патронов Fa8 по разделу 13

В миллиметрах

Обозначение размера

Номин. размер

Пред. откл.

А

12,70

±0,05

D

4,85

±0,02

Е

2,90

L

4,10

±0,05

Т

2,05

Рисунок 21 - Стартер для испытания по разделу 13

В миллиметрах

Обозначение размера

Номин. размер

Пред. откл.

D

1,41

±0,05

Е

8,70

±0,02

G

16,49

+0,05

Н

2,60

J

5,30

К

7,08

N

8,00

±0,10

r1

0,85

±0,05

r2

0,89

r3

Не более 0,9

Рисунок 22 - Испытательный цоколь для испытания патронов R17d по разделу 13

В миллиметрах

Обозначение размера

Номин. размер

Пред. откл.

А

22,00

±0,05

D

11,00

Е

2,37

±0,02

F

6,40

±0,05

J

0,50

±0,10

Рисунок 23 - Испытательный цоколь для испытания патронов 2G11 по разделу 13

В миллиметрах

Обозначение размера

Номин. размер

Пред. откл.

D

23,00

±0,05

Е

2,37

±0,02

F

6,40

±0,05

J

0,50

±0,10

Рисунок 24 - Испытательный цоколь для испытания патронов G23 и GХ23 по разделу 13

В миллиметрах

Обозначение размера

Номин. размер

Пред. откл.

D

8,00

±0,05

Е

2,37

±0,02

F

7,10

±0,05

Рисунок 25 - Испытательный цоколь для испытания патронов GR8 по разделу 13

В миллиметрах

Обозначение размера

Номин. размер

Пред. откл.

D

8,00

±0,05

D1

6,35

Е

2,37

±0,02

F

7,10

±0,05

Рисунок 26 - Испытательный цоколь для испытания патронов GR10q по разделу 13

В миллиметрах

Обозначение размера

Номин. размер

Пред. откл.

Е

2,37

±0,02

F

7,10

±0,05

U

6,35

V

7,92

Рисунок 27 - Испытательный цоколь для испытания патронов GX10q и GY10q по разделу 13

В миллиметрах

Обозначение размера

Номин. размер

Пред. откл.

D1

23,00

±0,05

D2

8,00

E

2,37

±0,02

F

6,40

±0,05

J

0,50

±0,10

Штырьки 1 должны сниматься при испытании патронов G24d-1 - G24d-3, штырьки 2 - при испытании патронов GY24d-1 - GY24d-3.

Рисунок 28 - Испытательный цоколь для испытания патронов G24 и GY24 по разделу 13

В миллиметрах

Обозначение размера

Номин. размер

Пред. откл.

D1

31,00

±0,05

D2

8,00

E

2,37

±0,02

F

6,40

±0,05

J

0,50

±0,10

Штырьки 1 должны сниматься при испытании патронов G32d-l - G32d-5, штырьки 2 - при испытании патронов GY32d-l - GY32d-5.

Рисунок 29 - Испытательный цоколь для испытания патронов G32 и GY32 по разделу 13

Размеры в миллиметрах

Обозначение размера

Номин. размер

Пред. откл.

Обозначение размера

Номин. размер

Пред. откл.

А

32,50

±0,02

N2

21,00

-

В

18,10

Р

21,00

±0,02

D

23,00

±0,01

R

В/2

-

Е

2,67

±0,02

S

9,00

±0,05

F

6,80

Т

4,50

±0,02

К1*

16,30

Y

18,00

±0,2

К2**

15,75

Z

0,50

±0,05

L1*

13,90

r2

0,80

L2**

13,35

r3

0,50

M

23,00

+0,02

r4

Е/2

-

-0,05

a

35 °

±1 °

N1

0,50

-

b

30 °

* Измеряют на расстоянии N1 от базовой плоскости.

** Измеряют на расстоянии N2 от базовой плоскости.

Рисунок 30 - Испытательный цоколь для испытания патронов G23 по 17.1

В миллиметрах

Обозначение размера

Номин. размер

Пред. откл.

Обозначение размера

Номин. размер

Пред. откл.

А

15,50

±0,02

L

22,00

±0,02

В

20,40

М

20,30

С

31,00

±0,20

N

3,50

D

8,00

±0,01

Р

9,90

Е

2,54

±0,02

P1

7,00

F

7,77

±0,01

R

9,00

G

1,27

±0,02

Т

22,00

±0,10

Н

3,30

r

0,80

±0,05

J

19,30

r1

Е/2

-

К

16,20

±0,01

r2

0,30

±0,20

Рисунок 31 - Испытательный цоколь для испытания патронов GR8 по 17.1

В миллиметрах

Обозначение размера

Номин. размер

Пред. откл.

Обозначение размера

Номин. размер

Пред. откл.

А

15,50

±0,02

К

10,0

±0,01

В

20,40

L

22,0

±0,02

С

31,00

±0,20

М

20,30

D

8,00

±0,01

N

3,50

D1

6,35

Р

9,90

Е

2,54

±0,02

Р1

7,00

F

7,77

±0,01

R

9,00

G

1,27

±0,02

Т

22,00

±0,10

Н

3,30

r

0,80

±0,05

J

19,30

r1

Е/2

-

r2

0,30

±0,20

Рисунок 32 - Испытательный цоколь для испытания патронов GR10q по 17.1

Размеры в миллиметрах

Обозначение размера

Номин. размер

Пред. откл.

Обозначение размера

Номин. размер

Пред. откл.

А

36,20

±0,02

N

42,20

±0,02

В

18,00

Q

21,20

С

6,10

R1

В/2

-

D

10,20

R2

1,00

±0,05

Е

2,54

R3

0,50

F

7,62

R4

2,00

G

1,27

U

6,35

±0,01

Н

3,30

V

7,92

I

15,00

±0,2

r5

Е/2

-

J

6,40

±0,05

a

45 °

±1 °

К

8,15

±0,02

b

15 °

L

0,50

±0,05

g

45 °

Рисунок 33 - Испытательный цоколь для испытания патронов GX10q по 17.1

Размеры в миллиметрах

Обозначение размера

Номин. размер

Пред. откл.

Обозначение размера

Номин. размер

Пред. откл.

А

47,50

±0,02

N

54,20

±0,02

В

24,80

R1

В/2

-

С

7,10

R2

2,00

±0,05

Е

2,54

R3

1,00

F

7,62

R4

2,00

G

1,27

U

6,55

±0,01

Н

3,30

V

7,92

I

17,00

±0,2

r5

Е/2

-

К

10,05

±0,02

g

45 °

±1 °

Рисунок 34 - Испытательный цоколь для испытания патронов GY10q по 17.1

Размеры в миллиметрах

Обозначение размера

Номин. размер

Пред. откл.

Обозначение размера

Номин. размер

Пред. откл.

А

22,00

±0,01

R

В/2

-

A1

43,90

±0,02

S

3,90

±0,02

В

23,60

Т

7,00

D

11,00

±0,01

Y

12,90

±0,20

E

2,54

±0,02

r2

0,20

±0,05

F

6,80

r3

Е/2

-

N

6,50

a

45 °

±1 °

Q

1,50

Рисунок 35 - Испытательный цоколь для испытания патронов 2G11 по 17.1

Размеры в миллиметрах

Обозначение размера

Номин. размер

Пред. откл.

Обозначение размера

Номин. размер

Пред. откл.

А

32,50

±0,02

N2

21,00

-

В

18,10

Р

21,00

±0,02

D

23,00

±0,01

R

В/2

-

Е

2,54

±0,02

S

9,00

±0,05

F

6,80

X

3,30

±0,02

К1*

16,30

Y

18,00

±0,20

К2**

15,75

Z

0,50

±0,05

L1*

13,90

r2

0,80

L2**

13,35

r3

0,50

M

23,00

+0,02

r4

Е/2

-0,05

a

35 °

±1 °

N1

0,50

-

b

30 °

* Измеряют на расстоянии N1 от базовой плоскости.

** Измеряют на расстоянии N2 от базовой плоскости.

Рисунок 36 - Испытательный цоколь для испытания патрона GX23 по 17.1

Представлен только испытательный цоколь для испытания патронов G24q-l

Конфигурации специальных ключей

G24d-l,                                     G24d-2,                                       G24d-3,

GX24d-l,                                  GX24d-2,                                    GX24d-3,

GY24d-l,                                  GY24d-2,                                    GY24d-3,

G24q-l,                                     G24q-2,                                       G24q-3,

GX24q-l                                   GX24q-2,                                    GX24q-3

Размеры в миллиметрах

Обозначение размера

Номин. размер

Пред. откл.

Обозначение размера

Номин. размер

Пред. откл.

А

28,50

±0,02

R

8,4

±0,05

A1

31,00

R1

9,0

В

35,003)

S

9,0

D1

23,00

±0,01

Т

4,5

±0,02

D2

8,00

V

33,0

Е

2,54

±0,02

Х2

6,6

±0,01

F

6,80

Х3

12,4

К1*

16,30

Х4

6,2

К2**

15,75б)

Y

5,7

+0,20

L1*

13,90

Y1

18,0

L2**

13,357)

Z

0,5

±0,05

M

23,004)

+0,02

r2

0,8

-0,05

N1

0,50

-

r3

0,5

N2

21,005)

-

r6

Е/2

-

Р

21,0

±0,02

a

35 °

±1 °

Q

1,2

b

30 °

* Измеряют на расстоянии N1 от базовой плоскости.

** Измеряют на расстоянии N2 от базовой плоскости.

1) Штырьки 1 должны быть удалены при испытании патронов GY24d-l - GY24d-3.

2) Штырьки 2 должны быть удалены при испытании патронов G24d-l - G24d-3, GX24d-l - GX24d-3.

3) В испытательных цоколях для испытания патронов GX24d и GX24q эти значения увеличены до 61 мм в диаметре.

4) В испытательных цоколях для испытания патронов G24q и GX24q эти значения уменьшены до 16 мм.

5) В испытательных цоколях для испытания патронов G24q и GX24q эти значения уменьшены до 14 мм.

6) В испытательных цоколях для испытания патронов G24q и GX24q эти значения увеличены до 15,95 мм.

7) В испытательных цоколях для испытания патронов G24q и GX24q эти значения увеличены до 13,55 мм.

Рисунок 37 - Испытательный цоколь для испытания патронов G24, GX24 и GY24 по 17.1

Представлен только испытательный цоколь для испытания патронов G32q4

Штырьки 1 должны быть удалены при испытании патронов G32d-l - G32d-5, GX32d-l - GX32d-5, штырьки 2 - при испытании патронов GY32d-l - GY32d-5.

Конфигурации специальных ключей

Размеры в миллиметрах

Обозначение размера

Номин. размер

Пред. откл.

Обозначение размера

Номин. размер

Пред. откл.

A1

38,00

±0,02

S

9,0

±0,05

В

23,60

Т

4,5

±0,02

D1

31,00

±0,01

V

21,2

+0,01

D2

8,00

Х2

3,6

Е

2,54

±0,02

Х3

11,1

F

6,80

Х4

3,9

К1*

21,95

Х5

18,6

К2**

21,20

Х6

11,4

L1*

16,35

Y

18,0

±0,2

L2**

15,60

Z

0,5

+0,05

M

26,50

+0,02

r2

0,8

M1

0,80

-0,05

r3

0,5

N1

0,50

-

r6

E/2

-

N2

24,50

-

Р

26,70

±0,02

a

35 °

±1 °

R

В/2

-

b

30 °

* Измеряют на расстоянии N1 от базовой плоскости.

** Измеряют на расстоянии N2 от базовой плоскости.

Рисунок 38 - Испытательный цоколь для испытания патронов G32, GX32 и GY32 по 17.1

1 - сферическая поверхность R = 4 ± 0,05; 2 - скругленные края; 3 - стопорная поверхность; 4 - рукоятка; 5 - ограничитель; 6 - изолирующий материал; 7- шарниры; 8 - цилиндрическая поверхность R = 2 ± 0,05

Материал: металл, если не указано иное.

Предельные отклонения размеров, не имеющих допусков на рисунке:

- на углы: +0, -10΄

- на линейные размеры:

до 25 мм ... 0, -0,05

св. 25 мм ... ±0,2

Оба соединения должны выполнять движение в одной плоскости и в одном направлении на угол 90 ° с допуском от 0 до +10 °.

Рисунок 39 - Стандартный испытательный палец (согласно МЭК 60529)

ПРИЛОЖЕНИЕ А

(обязательное)

Перечень патронов, на которые распространяется настоящий стандарт

(Настоящий перечень неполный).

Настоящий стандарт распространяется на независимые и встраиваемые патроны, используемые с трубчатыми люминесцентными лампами с цоколями, указанными ниже (см. 1.1, второй абзац).

Патрон                                                                           Лист патрона (см. МЭК 60061-2)

G5                                                                                  7005-51

GR8                                                                                7005-68

G10q                                                                              7005-56

GR10q                                                                            7005-77

GX10q                                                                            7005-84

GY10q                                                                            7005-85

2G11                                                                              7005-82

G13                                                                                7005-50

2G13, G20                                                                      В стадии разработки

G23                                                                                7005-69

GX23                                                                              7005-86

G24d-..., G24q-... и GY24d-...                                       7005-78

G32d-..., G32q-..., GX32d-... и GY32d-...                     7005-87

Fa6                                                                                 7005-55

Fa8                                                                                 В стадии разработки

R17d                                                                               7005-57

ПРИЛОЖЕНИЕ В

(обязательное)

Испытание на старение и коррозию

B.1 Испытательная камера

В качестве испытательной камеры должны использоваться полностью закрытые стеклянные сосуды. Они могут быть, например, стеклянными испарителями или просто стеклянными ваннами с притертыми ободом и крышкой. Вместимость сосуда должна быть не менее 10 дм3. Достаточное отношение объема испытательного сосуда к объему испытательного раствора должно быть от 20:1 до 10:1.

B.2 Испытательный раствор

Примечания

1 В интересах защиты окружающей среды следующие требования, относящиеся к испытательному раствору, его объему и объему сосуда, могут быть изменены по усмотрению испытательной лаборатории.

В этом случае объем испытательного сосуда должен поддерживаться на уровне в 500-1000 раз более объема образца, и объем испытательного раствора должен быть таким, чтобы отношение объема сосуда к объему раствора было от 20:1 до 10:1.

2 Однако, в случае сомнения, применяют условия пункта В.1.

Подготовка 1 дм3 раствора:

Растворяют 107 г хлорида аммония (реагент класса NH4Cl) примерно в 0,75 дм3 дистиллированной или полностью деминерализованной воды и добавляют 30 %-ный раствор гидрооксида натрия (приготовленного из реагента класса NaOH u дистиллированной или полностью деминерализованной воды) до достижения значения рН = 10 при 22 °С. Для других температур добавляют этот раствор до соответствующего значения рН, указанного в таблице В.1.

Таблица B.1

Температура раствора, °С ±1

Испытательный раствор, рН ±0,1

22

10,0

25

9,9

27

9,8

30

9,7

После установления рН объем раствора доводят до 1 дм3 дистиллированной или полностью деминерализованной водой.

Это не приводит к увеличению значения рН.

В процессе регулировки рН температуру поддерживают любым способом постоянной с допуском ±1 °С; рН измеряют прибором, позволяющим определять значения рН с погрешностью ±0,02.

Испытательный раствор может использоваться продолжительное время, но значение рН, определяемое измерением концентрации аммония в парах атмосферы, должно проверяться не менее чем раз в три недели и, если необходимо, регулироваться.

В.3 Методика испытания

Предварительно подготовленные образцы устанавливают в испытательную камеру в таком положении, чтобы они не могли препятствовать циркуляции паров аммония.

Образцы не должны погружаться в испытательный раствор, но могут его касаться.

Устройства подвески или крепления образцов должны быть изготовлены из материалов, устойчивых к воздействию паров аммония, например стекла или фарфора.

Испытание должно проводиться при постоянной температуре (30 ± 1) °С, без видимой конденсации воды, образующейся в результате изменения температуры, что может сильно исказить результаты испытания.

До начала испытания испытательная камера, содержащая испытательный раствор, должна быть доведена до температуры (30 ± 1) °С. Испытательную камеру по возможности быстро заполняют образцами, предварительно нагретыми до 30 °С, и закрывают. Этот момент считают началом испытания.

ПРИЛОЖЕНИЕ С

(справочное)

Примеры для пояснения узлов к требованиям пункта 8.2

Рисунок С.1

Рисунок С.2

Рисунок С.3

Рисунок С.4

ПРИЛОЖЕНИЕ D

(справочное)

Соответствие стандартов МЭК государственным стандартам

Обозначение стандарта МЭК

Обозначение государственного стандарта

МЭК 60061-1 (1969)

ГОСТ 28108-89

МЭК 60068-2-20 (1979)

ГОСТ 28211-89

МЭК 60081 (1997)

ГОСТ Р МЭК 60081-99

МЭК 60112 (1979)

ГОСТ 27473-87

МЭК 60155 (1993)

ГОСТ Р МЭК 60155-99

МЭК 60238 (1998)

ГОСТ Р МЭК 60238-99

МЭК 60352-1 (1983)

ГОСТ 28389-89

МЭК 60529 (1989)

ГОСТ 14254-96

МЭК 60598-1 (1996)

ГОСТ Р МЭК 60598-1-99

МЭК 60695-2

ГОСТ Р МЭК 27483-87, ГОСТ 27484-87

МЭК 61199 (1993)

ГОСТ Р МЭК 1199-99

Ключевые слова: патроны для трубчатых люминесцентных ламп и стартеров



уроки по алготрейдингу на Python с нуля



Яндекс цитирования

   Copyright © 2008-2026 ,  www.infosait.ru

backtrader - уроки алготрейдинга на python