ИНФОСАЙТ.ру
Госты, стандарты, нормативы. В библиотеке 60000 документов. Регулярное обновление. Круглосуточный бесплатный доступ!
БИБЛИОТЕКА ГОСТОВ, СТАНДАРТОВ И НОРМАТИВОВ

:: АЛГОТРЕЙДИНГ ::


АЛГОТРЕЙДИНГ
шаг за шагом


БЕСПЛАТНЫЕ УРОКИ по созданию торговых роботов на PYTHON с нуля, шаг за шагом.


Минимальные знания на PYTHON.
Библиотеки BackTrader и Pandas, сигналы с Pine Script из TradingView.
Связка с брокерами, телеграм.
Создание простых интерфейсов.

 

Все документы, представленные в каталоге, не являются их официальным изданием и предназначены исключительно для ознакомительных целей. Электронные копии этих документов могут распространяться без всяких ограничений. Вы можете размещать информацию с этого сайта на любом другом сайте.


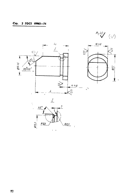
ГОСТ 19963-74

Замки пресс-форм для выплавляемых моделей. Конструкция и размеры

Обозначение стандарта:ГОСТ 19963-74
Статус стандарта:действующий
Название рус.:Замки пресс-форм для выплавляемых моделей. Конструкция и размеры
Название англ.:Locks for wax-pattern dies. Design and dimensions
Дата введения в действие:01.01.1976
Область и условия применения:Настоящий стандарт распространяется на замки, применяемые в пресс-формах, устанавливаемых на автоматах для изготовления модельных звеньев в автоматизированном производстве литья по выплавляемым моделям
Взамен:МН 4333-63
Список изменений:№1 от --1982-10-01 (рег. --1982-05-04) «Срок действия продлен»
c=&f2=3&f1=II001&l='>ОКС Общероссийский классификатор стандартов
  • c=&f2=3&f1=II001025&l='>25 МАШИНОСТРОЕНИЕ *Эта область включает стандарты общего назначения
  • c=&f2=3&f1=II001025120&l='>25.120 Оборудование для бесстружечной обработки
  • c=&f2=3&f1=II001025120030&l='>25.120.30 Оборудование для литья
  • c=&f2=3&f1=II002&l='>КГС Классификатор государственных стандартов
  • c=&f2=3&f1=II002004&l='>Г Машины, оборудование и инструмент
  • c=&f2=3&f1=II002004002&l='>Г2 Инструмент промышленный и приспособления
  • c=&f2=3&f1=II002004002001&l='>Г21 Инструмент и приспособления для горячей обработки


  • ГОСТ 19963-74
    ГОСТ 19963-74
    ГОСТ 19963-74
    ГОСТ 19963-74
    ГОСТ 19963-74
    ГОСТ 19963-74




    уроки по алготрейдингу на Python с нуля



    Яндекс цитирования

       Copyright © 2008-2026 ,  www.infosait.ru

    backtrader - уроки алготрейдинга на python