ИНФОСАЙТ.ру
Госты, стандарты, нормативы. В библиотеке 60000 документов. Регулярное обновление. Круглосуточный бесплатный доступ!
БИБЛИОТЕКА ГОСТОВ, СТАНДАРТОВ И НОРМАТИВОВ

:: АЛГОТРЕЙДИНГ ::


АЛГОТРЕЙДИНГ
шаг за шагом


БЕСПЛАТНЫЕ УРОКИ по созданию торговых роботов на PYTHON с нуля, шаг за шагом.


Минимальные знания на PYTHON.
Библиотеки BackTrader и Pandas, сигналы с Pine Script из TradingView.
Связка с брокерами, телеграм.
Создание простых интерфейсов.

 

Все документы, представленные в каталоге, не являются их официальным изданием и предназначены исключительно для ознакомительных целей. Электронные копии этих документов могут распространяться без всяких ограничений. Вы можете размещать информацию с этого сайта на любом другом сайте.


ГОСТ 24566-86

Соединители плоские втычные. Основные размеры, технические требования и методы испытаний

Обозначение стандарта:ГОСТ 24566-86
Статус стандарта:действующий
Название рус.:Соединители плоские втычные. Основные размеры, технические требования и методы испытаний
Название англ.:Flat plug-in connectors. Basic dimensions, technical requirements and test methods
Дата введения в действие:01.01.1988
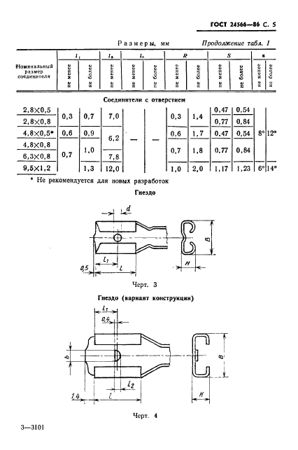
Область и условия применения:Настоящий стандарт распространяется на плоские втычные соединители, состоящие из розеток и вилок с плоскими гнездовыми и штыревыми контактами, и устанавливает основные размеры вставок и гнезд, а также технические требования и методы испытаний соединителей.
Стандарт не распространяется на соединители для электрооборудования дорожных транспортных средств и сельскохозяйственных самоходных машин
Взамен:ГОСТ 23557-79
c=&f2=3&f1=II001&l='>ОКС Общероссийский классификатор стандартов
  • c=&f2=3&f1=II001029&l='>29 ЭЛЕКТРОТЕХНИКА
  • c=&f2=3&f1=II001029120&l='>29.120 Электрическая арматура
  • c=&f2=3&f1=II001029120010&l='>29.120.10 Кабелепроводы
  • c=&f2=3&f1=II002&l='>КГС Классификатор государственных стандартов
  • c=&f2=3&f1=II002006&l='>Е Энергетическое и электротехническое оборудование
  • c=&f2=3&f1=II002006007&l='>Е7 Электрические аппараты и арматура
  • c=&f2=3&f1=II002006007007&l='>Е77 Арматура для кабельных и воздушных линий передач


  • ГОСТ 24566-86
    ГОСТ 24566-86
    ГОСТ 24566-86
    ГОСТ 24566-86
    ГОСТ 24566-86
    ГОСТ 24566-86
    ГОСТ 24566-86
    ГОСТ 24566-86
    ГОСТ 24566-86
    ГОСТ 24566-86
    ГОСТ 24566-86
    ГОСТ 24566-86
    ГОСТ 24566-86
    ГОСТ 24566-86
    ГОСТ 24566-86
    ГОСТ 24566-86
    ГОСТ 24566-86
    ГОСТ 24566-86
    ГОСТ 24566-86
    ГОСТ 24566-86
    ГОСТ 24566-86
    ГОСТ 24566-86
    ГОСТ 24566-86
    ГОСТ 24566-86
    ГОСТ 24566-86
    ГОСТ 24566-86
    ГОСТ 24566-86
    ГОСТ 24566-86




    уроки по алготрейдингу на Python с нуля



    Яндекс цитирования

       Copyright © 2008-2026 ,  www.infosait.ru

    backtrader - уроки алготрейдинга на python